Carrier 50Cr Users Manual 1SI V2
50CR 50cr-1si
50CR to the manual 9800c066-36cb-4aaa-9f46-4ba9fbd91733
2015-01-24
: Carrier Carrier-50Cr-Users-Manual-310875 carrier-50cr-users-manual-310875 carrier pdf
Open the PDF directly: View PDF
.
Page Count: 32

1
50CR
InfinitytSingle--Packaged Heat Pump Units
With Puron
®
(R--410A) Refrigerant
Sizes 024--060
Installation Instructions
NOTE: Read the entire instruction manual before starting the
installation.
NOTE: Installer: Make sure the Owner’s Manual and Service
Instructions are left with the unit after installation.
TABLE OF CONTENTS
Page
SAFETY CONSIDERATIONS 2........................
INTRODUCTION 2..................................
RECEIVING AND INSTALLATION 2--16................
Check Equipment 2.................................
Identify Unit 2...................................
Inspect Shipment 2................................
Provide Unit Support 2..............................
Roof Curb 2.....................................
Slab Mount 2....................................
Ground Mount 2.................................
Provide Clearances 2................................
Rig and Place Unit 7................................
Inspection 7.....................................
Introduction 7....................................
Use of Rigging Bracket 7...........................
Select and Install Ductwork 9..........................
Converting Horizontal Discharge Units to Downflow
(Vertical) Discharge Units 9.........................
Provide for Condensate Disposal 9.....................
Install Electrical Connections 11.......................
High--Voltage Connections 11.......................
Routing Power Leads Into Unit 11....................
Connecting Ground Lead to Ground Screw 11..........
Routing Control Wires 11..........................
Accessory Installation 16...........................
Special Procedures for 208--v Operation 16.............
PRE--START--UP 17..................................
START--UP 17.......................................
Unit Start--Up 17--23................................
Sequence of Operation 20............................
Check for Refrigerant Leaks 20........................
Start--Up Adjustments 20.............................
Checking Cooling and Heating Control Operation 20.....
Checking and Adjusting Refrigerant Charge 22..........
Refrigerant Charge 22.............................
No Charge 22....................................
Low Charge Cooling 22............................
To Use Cooling Charging Charts 22...................
Indoor Airflow and Airflow Adjustments 22............
Defrost Control 22..................................
Quiet Shift 22....................................
Defrost 22......................................
Emergency Heat/Cool Mode 22........................
A05307
Fig. 1 -- Unit 50CR
MAINTENANCE 24--28...............................
Air Filter 25.......................................
Indoor Blower and Motor 25..........................
Outdoor Coil, Indoor Coil, and Condensate Drain Pan 25....
Outdoor Fan 25....................................
Electrical Controls and Wiring 26......................
Refrigerant Circuit 26................................
Indoor Airflow 26..................................
Metering Devices–TXV & AccuRater
®
Piston 26..........
Pressure Switches 26................................
L o s s -- o f -- C h a r g e S w i t c h 2 7...........................
High--Pressure Switch 27.............................
Copeland Scroll Compressor (Puron
®
Refrigerant) 27.......
Refrigerant System 27...............................
Refrigerant 27...................................
Compressor Oil 27................................
Servicing Systems on Roofs with Synthetic Materials 27...
Liquid--Line Filter Drier 28.........................
Puron (R--410A) Refrigerant Charging 28..............
System Information 28...............................
L o s s -- o f -- C h a r g e S w i t c h 2 8.........................
Check Defrost Thermostat 28........................
TROUBLESHOOTING 28.............................
START--UP CHECKLIST 28...........................

2
SAFETY CONSIDERATIONS
Installation and servicing of this equipment can be hazardous due to
mechanical and electrical components. Only trained and qualified
personnel should install, repair, or service this equipment.
Untrained personnel can perform basic maintenance functions such
as cleaning and replacing air filters. All other operations must be
performed by trained service personnel. When working on this
equipment, observe precautions in the literature, on tags, and on
labels attached to or shipped with the unit and other safety
precautions that may apply.
Follow all safety codes. Installation must be in compliance with
local and national building codes. Wear safety glasses, protective
clothing, and work gloves. Have fire extinguisher available. Read
these instructions thoroughly and follow all warnings or cautions
included in literature and attached to the unit.
Recognize safety information. This is the safety--alert symbol
!
!
When you see thissymbol on the unit and in instructions or manuals,
be alert to the potential for personal injury.
Understand these signal words; DANGER, WARNING, and
CAUTION. These words are used with the safety--alert symbol.
DANGER identifies the most serious hazards which will result in
severe personal injury or death. WARNING signifies hazards which
could result in personal injury or death. CAUTION is used to
identify unsafe practices which may result in minor personal injury
or product and property damage. NOTE is used to highlight
suggestions which will result in enhanced installation, reliability, or
operation.
ELECTRICAL SHOCK HAZARD
Failure to follow this warning could result in personal injury
or death.
Before installing or servicing system, always turn off main
power to system. There may be more than one disconnect
switch. Turn off accessory heater power switch if applicable.
!
WARNING
EQUIPMENT DAMAGE HAZARD
Failure to follow this caution may result in unit component
damage.
Puron (R--410A) systems operate at higher pressures than
standard R--22 systems. DO NOT use R--22 service
equipment or components on Puron (R--410A) equipment.
Ensure service equipment is rated for Puron (R--410A).
CAUTION
!
INTRODUCTION
The 50CR heat pump is fully self--contained and designed for
outdoor installation. Standard units are shipped in a
horizontal--discharge configuration for installation on a
ground--level slab. Standard units can be converted to downflow
(vertical) discharge configurations for rooftop applications.
RECEIVING AND INSTALLATION
Step 1—Check Equipment
IDENTIFY UNIT
The unit model number and serial number are printed on the unit
informative plate. Check this information against shipping papers.
INSPECT SHIPMENT
Inspect for shipping damage while unit is still on shipping pallet. If
unit appears to be damaged or is torn loose from its anchorage, have
it examined by transportation inspectors before removal. Forward
claim papers directly to transportation company. Manufacturer is
not responsible for any damage incurred in transit. Check all items
against shipping list. Immediately notify the nearest Carrier Air
Conditioning office if any item is missing. To prevent loss or
damage, leave all parts in original packages until installation.
Step 2—Provide Unit Support
For hurricane tie downs, contact distributor for details and PE
Certificate (Professional Engineering) if required.
ROOF CURB
Install accessory roof curb in accordance with instructions shipped
with curb (See Fig. 2). Install insulation, cant strips, roofing, and
flashing. Ductwork must be attached to curb.
IMPORTANT: The gasketing of the unit to the roof curb is critical
for a water tight seal. Install gasketing material supplied with the
roof curb. Improperly applied gasketing also can result in air leaks
and poor unit performance.
Curb should be level to within 1/4 in. (SeeFig. 3). This is necessary
for unit drain to function properly. Refer to accessory roof curb
installation instructions for additional information as required.
SLAB MOUNT
Place the unit on a solid, level concrete pad that is a minimum of 4
in. thick with 2 in. above grade. The slab should extend
approximately 2 in. beyond the casing on all 4 sides of the unit (See
Fig. 4). Do not secure the unit to the slab except when required by
local codes.
GROUND MOUNT
The unit may be installed either on a slab or placed directly on the
ground if localcodes permit. Place theunit on level ground prepared
with gravel for condensate discharge.
Step 3—Provide Clearances
The required minimum service clearances are shown in Fig.6 and 7.
Adequate ventilation and outdoor air must be provided. The
outdoor fan draws air through the outdoor coil and discharges it
through the top fan grille. Be sure that the fan discharge does not
recirculate to the outdoor coil. Do not locate the unit in either a
corner or under an overhead obstruction. The minimum clearance
under a partial overhang (such as a normal house overhang) is 48 in.
above the unit top. The maximum horizontal extension of a partial
overhang must not exceed 48 in.
IMPORTANT: Do notrestrict outdoor airflow. An air restriction at
either the outdoor--air inlet or the fan discharge may be detrimental
to compressor life.
Do not place the unit where water, ice, or snow from an overhang
or roof will damage or flood the unit. Do not install the unit on
carpeting or other combustible materials. Slab--mounted units
should be at least 4 in. above the highest expected water and runoff
levels. Do not use unit if it has been under water.
50CR

3
Gask et around
outer edge
Insulated
deck pan
Gask et around
duct
S/A
R/A
HVAC unit
base
*Gask eting
outer flange
Flashing field
supplied
Roofing material
field supplied
Cant str ip
field supplied
*Provided with roof curb
Roof
Ductwork
field supplied
Insulation (field
supplied)
Roof curb*
Wood nailer*
Gask eting
inner flange*
Scre w
(NO TE A)
Roof Curb for Small Cabinet
Note A: When unit mounting scre w is used,
retainer bra cke t must also be used.
HVAC unit
base
*Gask eting
outer flange
Flashing field
supplied
Roofing material
field supplied
Cant str ip
field supplied
*Provided with roof curb
Roof
Ductwork
field supplied
Insulation (field
supplied)
Roof curb*
Wood nailer*
Gask eting
inner flange*
Scre w
(NOTE A)
Roof Curb for Large Cabinet
Note A: When unit mounting scre w is used,
retainer bra cket must also be used.
A
B Typ.
Supply opening
(B x C)
Long
Support
D
F
Return opening
(B X C)
Insulated
deck pan
Short
Support
C Typ.
G
E
F
G
D
E
A05308
UNIT SIZE ODS CATALOG
NUMBER
A
IN. (MM)
B
IN. (MM)
C
IN. (MM)
D
IN. (MM)
E
IN. (MM)
F
IN. (MM)
G
IN. (MM)
50CR024--036 CPRFCURB006A00 8 (203) 11 (279) 16--1/2 (419) 28--3/4 (730) 30--3/8 (771) 44--5/16 (1126) 45--15/16 (1167)
CPRFCURB007A00 14 (356) 11 (279) 16--1/2 (419) 28--3/4 (730) 30--3/8 (771) 44--5/16 (1126) 45--15/16 (1167)
50CR042--060 CPRFCURB008A00 8 (203) 16--3/16 (411) 17--3/8 (441) 40--1/4 (1022) 41--15/16 (1065) 44--7/16 (1129) 46--1/16 (1169)
CPRFCURB009A00 14 (356) 16--3/16 (411) 17--3/8 (441) 40--1/4 (1022) 41--15/16 (1065) 44--7/16 (1129) 46--1/16 (1169)
NOTES:
1. Roof curb must be set up for unit being installed.
2. Seal strip must be applied, as required, to unit being installed.
3. Dimension in ( ) are in millimeters.
4. Roof curb is made of 16--gauge steel.
5. Table lists only the dimensions, per part number, that have changed.
6. Attach ductwork to curb (flanges of duct rest on curb).
7. Insulated panels: 1--in. thick fiberglass 1 lb. density.
8. Dimensions are in inches.
9. When unit mounting screw is used (see Note A), a retainer bracket must be used as well. This bracket must also be used when required by code for hurricaneorseismic
conditions. This bracket is available through Micrometl.
Fig. 2 -- Roof Curb Dimensions
50CR

4
A
B
C
MAXIMUM ALLOWABLE
DIFFERENCE (in.)
A-B B-C A-C
1/4 1/4 1/4
C99065
Fig. 3 -- Unit Leveling Tolerances
OPTIONAL
RETURN
AIR
OPENING
OPTIONAL
SUPPLY
AIR
OPENING
EVAP. COIL COND. COIL
2"
C99096
Fig. 4 -- Slab Mounting Detail
A06114
Fig. 5 -- Corner Weights (Lbs.)
CORNER WEIGHTS (SMALL CABINET) CORNER WEIGHTS (LARGE CABINET)
Model
50CR
Unit 024 030 036
Model
50CR
Unit 042 048 060
Total Weight 349 349 373 Total Weight 438 463 499
Corner Weight 1 70 70 75 Corner Weight 1 88 98 107
Corner Weight 2 54 54 58 Corner Weight 2 68 61 70
Corner Weight 3 84 84 90 Corner Weight 3 106 127 136
Corner Weight 4 141 141 150 Corner Weight 4 177 177 186
50CR

5
A05299
Fig. 6 -- 50CR024--036 Unit Dimensions
50CR

6
A05300
Fig. 7 -- 50CR042--060 Unit Dimensions
50CR

7
Step 4—Rig and Place Unit
Rigging and handling of this equipment can be hazardous for many
reasons due to the installation location (roofs, elevated structures,
etc.).
Only trained, qualified crane operators and ground support staff
should handle and install this equipment.
When working with this equipment, observe precautions in the
literature, on tags, stickers, and labels attached to the equipment, and
any other safety precautions that might apply.
Training for operators of the lifting equipment should include, but
not be limited to, the following:
1. Application of the lifter to the load, and adjustment of the
lifts to adapt to various sizes or kinds of loads.
2. Instruction in any special operation or precaution.
3. Condition of the load as it relates to operation of the lifting
kit, such as balance, temperature, etc.
Follow all applicable safety codes. Wear safety shoes and work
gloves.
INSPECTION
Prior to initial use, and at monthly intervals, all rigging brackets and
straps should be visually inspected for any damage, evidence of
wear, structural deformation, or cracks. Particular attention should
be paid to excessive wear at hoist hooking points and load support
areas. Brackets or straps showing any kind of wear in these areas
must not be used and should be discarded.
ELECTRICAL SHOCK HAZARD
Failure to follow this warning could result in personal injury
or death.
Before installing or servicing system, always turn off main
power to system. There may be more than one disconnect
switch. Turn off accessory heater power switch if applicable.
Tag disconnect switch with a suitable warning label.
!
WARNING
UNIT FALLING HAZARD
Failure to follow this warning could result in personal injury
or death.
Never stand beneath rigged units or lift over people.
!
WARNING
INTRODUCTION
The lifting/rigging bracket is engineered and designed to be
installed only on Small Packaged Products. This bracket is to be
used to rig/lift a Small Packaged Product onto roofs or other
elevated structures.
PROPERTY DAMAGE HAZARD
Failure to follow this warning could result in personal
injury/death or property damage.
Rigging brackets for one unit use only. When removing a
unit at the end of its useful life, use a new set of brackets.
!
WARNING
USE OF RIGGING BRACKET
Field Installation of Rigging Bracket
1. If applicable, remove unit from shipping carton. Leave top
shipping skid on the unit for use as a spreader bar to prevent
the rigging straps from damaging the unit. If the skid is not
available, use a spreader bar of sufficient length to protect the
unit from damage.
2. Remove 4 screws in unit corner posts.
3. Attach each of the 4 metal rigging brackets under the panel
rain lip (See Fig. 8). Use the screws removed in step 2 above
to secure the brackets to the unit.
PROPERTY DAMAGE HAZARD
Failure to follow this warning could result in personal
injury/death or property damage.
Rigging bracket MUST be under the rain lip to provide
adequate lifting.
!
WARNING
PROPERTY DAMAGE HAZARD
Failure to follow this warning could result in personal
injury/death or property damage.
Do not strip screws when re--securing the unit. If a screw is
stripped, replace the stripped one with a larger diameter screw
(included).
!
WARNING
Rigging/Lifting of Unit
1. Bend top of brackets down approximately 30 degrees from
the corner posts.
2. Attach straps of equal length to the rigging brackets at
opposite ends of the unit. Be sure straps are rated to hold the
weight of the unit (See Fig. 9).
3. Attach a clevis of sufficient strength in the middle of the
straps. Adjust the clevis location to ensure unit is lifted level
with the ground.
4. After unit is securely in place detach rigging straps.Remove
corner posts, screws, and rigging brackets then reinstall
screws.
UNIT FALLING HAZARD
Failure to follow this warning could result in personal
injury/death or property damage.
When straps are taut, the clevis should be a minimum of 36
inches above the unit top cover.
!
WARNING
After the unit is placed on the roof curb or mounting pad, remove
the top crating. On 50CR060 units only, 2 wire ties fastened to the
outdoor coils and reversing valve/accumulator assembly must be
cut. Remove the left and front louvered panels and corner post to
access wire ties. The wire tie to be cut on the left is located
approximately 4 in. down the tube sheet. The wire tie to be cut on
the right is located approximately 6 in. down the tube sheet.
50CR

8
DETAIL
A
C03017
Fig. 8 -- Rigging Bracket Under Unit Rain Lip
A06113
UNIT SIZE MAXIMUM SHIPPING WEIGHT
Lb Kg
50CR024 372 169
50CR030 372 169
50CR036 395 179
50CR042 462 210
50CR048 485 220
50CR060 521 236
Fig. 9 -- Suggested Rigging
50CR50CR

9
Step 5—Select and Install Ductwork
The design and installation of the duct system must be in accordance
with the standards of the NFPA for installation of non--residence
type air conditioning and ventilating systems, NFPA 90A or
residence type, NFPA 90B and/or local codes and ordinances.
Select and size ductwork, supply--air registers, and return air grilles
according to ASHRAE (American Society of Heating,
Refrigeration, and Air Conditioning Engineers) recommendations.
The unit has duct flanges on the supply-- and return--air openings on
the side of the unit.
ELECTRICAL OPERATION HAZARD
Failure to follow this warning could result in personal injury
or death.
For vertical supply and return units, tools or parts could drop
into ductwork, therefore, install a 90 degree turn in the return
ductwork between the unit and the conditioned space. If a 90
degree elbow cannot be installed, then a grille of sufficient
strength and density should be installed to prevent objects
from falling into the conditioned space. Units with electric
heaters require 90 degree elbow in supply duct.
!
WARNING
When designing and installing ductwork, consider the following:
1. Allunits should havefield--supplied filters or accessory filter
rack installed in the return--air side of the unit.
Recommended sizes for filters are shown in Table 1.
2. Avoid abrupt duct size increases and reductions. Abrupt
change in duct size adversely affects air performance.
IMPORTANT: Use flexible connectors between ductwork and
unit to prevent transmission of vibration. Use suitable gaskets to
ensure weather tight and airtight seal. When electric heat is installed,
use fireproof canvas (or similar heat resistant material) connector
between ductwork and unit discharge connection. If flexible duct is
used, insert a sheet metal sleeve inside duct. Heat resistant duct
connector (or sheet metal sleeve) must extend 24--in. from electric
heater element.
3. Size ductwork for max cooling air quantity (400 cfm/ton).
4. Seal, insulate, and weatherproof all external ductwork. Seal,
insulate and cover with a vapor barrier all ductwork passing
through conditioned spaces. Follow latest Sheet Metal and
Air Conditioning Contractors National Association
(SMACNA) and Air Conditioning Contractors Association
(ACCA) minimum installation standards for residential
heating and air conditioning systems.
5. Secure all ducts to building structure. Flash, weatherproof,
and vibration--isolate duct openings in wall or roof
according to good construction practices.
CONVERTING HORIZONTAL DISCHARGE UNITS TO
DOWNFLOW (VERTICAL) DISCHARGE UNITS
ELECTRICAL SHOCK HAZARD
Failure to follow this warning could result in personal injury
or death.
Before installing or servicing system, always turn off main
power to system. There may be more than one disconnect
switch.Turn off accessory heater power switch if applicable.
!
WARNING
1. Open all electrical disconnects and install lockout tag before
starting any service work.
2. Remove side duct covers to access bottom return and supply
knockouts.
NOTE: These panels are held in place with tabs similar to an
electrical knockout.
3. Use a screwdriver and hammer to remove the panels in the
bottom of the composite unit base.
4. Ensure the side duct covers are in place to block off the
horizontal air openings (See Fig. 11).
Step 6—Provide for Condensate Disposal
NOTE: Ensure that condensate--water disposal methods comply
with local codes, restrictions, and practices.
Theunits disposeof condensatethrough a3/4 in.NPT femalefitting
that exits on the compressor end of the unit. Condensate water can
be drained directly onto the roof in rooftop installations (where
permitted) or onto a gravel apron in ground level installations.
Install a field--supplied condensate trap at end of condensate
connection to ensure proper drainage. Make sure that the outlet of
the trap is at least 1 in. lower than the drain--pan condensate
connection to prevent thepan from overflowing. Primethe trap with
water. When using agravel apron,make sureit slopesaway from the
unit.
If the installation requires draining the condensate water away from
the unit, install a field--supplied 2--in. trap at the condensate
connection to ensure proper drainage. Condensate trap is available
as an accessory or is field--supplied. Make sure that the outlet of the
trap is at least 1 in. lower than the unit drain--pan condensate
connection to prevent the pan from overflowing. Connect a drain
trough using a minimum of field--supplied 3/4 --in. PVC or
field--supplied 3/4 --in. copper pipe at outlet end of the 2 --in. trap
(See Fig. 12). Do not undersize the tube. Pitch the drain trough
downward at aslope ofat least 1 in. for every 10 ft.of horizontalrun.
Be sure to check the drain trough for leaks. Prime the trap at the
beginning of the cooling season start--up.
50CR

10
Table 1—Physical Data -- Unit 50CR
UNIT SIZE 024 030 036 042 048 060
NOMINAL CAPACITY (ton) 22--1/2 33--1/2 4 5
OPERATING WEIGHT (lb.) 350 350 373 440 463 499
Compressor Scroll
Refrigerant (R--410A) Quantity (lb.) 7.5 89.5 10.8 11.5 14.0
REFRIGERANT METERING DEVICE TXV
ORIFICE OD (in.) 0.035 (2) 0.035 (2) 0.038 (2) 0.038 (2) 0.038 (Left OD Coil)
0.046 (Right OD Coil)
0.042 (Left OD Coil)
0.052 (Right OD Coil)
OUTDOOR COIL
Rows…Fins/in. 2…21 2…21 2…21 2…21 2…21 2…21
Face Area (sq. ft.) 12.3 12.3 13.6 15.4 17.2 19.4
OUTDOOR FAN
Nominal Cfm 2700 2700 2800 2800 3300 3300
Diameter 22 22 22 22 22 22
Motor HP (RPM) 1/8 (825) 1/8 (825) 1/8 (825) 1/8 (825) 1/4 (1100) 1/4 (1100)
INDOOR COIL
Rows…Fins/in. 3…15 3…15 4…15 3…15 4…15 4…17
Face Area (sq. ft.) 3.7 3.7 3.7 4.7 4.7 5.7
INDOOR BLOWER
Nominal Airflow (Cfm)
Comfort Variable based on Comfort Roll back (see User Interface instructions for more information).
Efficiency 700 875 1050 1225 1400 1750
Max 800 1000 1200 1400 1600 2000
Size (in.) 10x10 10x10 11x10 11x10 11x10 11x10
Motor HP (RPM) 1/2 1/2 3/4 3/4 3/4 1
HIGH--PRESSURE SWITCH (psig) 650 ±15
420 ±25
Cutout
Reset (Auto)
LOSS--OF--CHARGE/LOW--PRESSURE SWITCH
20 ±5
45 ±10
(Liquid Line) (psig)
Cutout
Reset (Auto)
Return--Air Filters (in.)* 20x24x1 20x24x1 24x30x1 24x36x1 24x36x1 24x36x1
Throwaway
*Required filter sizes shown are based on the larger of the ARI (Air Conditioning and Refrigeration Institute) rated cooling airflow or the heating airflow velocity of 300 ft/minute
for throwaway type or 450 ft/minute for high--capacity type. Air filter pressure drop for non--standard filters must not exceed 0.08 in. wg.
USER
INTERFACE
DISCONNECT
PER NEC*
FROM
POWER
SOURCE
RETURN
AIR
TOP COVER
FROM
GAS LINE
*NEC - NATIONAL ELECTRICAL CODE
A06091
Fig. 10 -- Typical Installation
50CR

11
Duct Covers
A05301
Fig. 11 -- 50CR with Duct Covers On
1” (25mm) MIN.
2” (50mm) MIN.
TRAP
OUTLET
C99013
Fig. 12 -- Condensate Trap
Step 7—Install Electrical Connections
ELECTRICAL SHOCK HAZARD
Failure to follow this warning could result in personal injury
or death.
The unit cabinet must have an uninterrupted, unbroken
electrical ground to minimize the possibility of personal injury
if an electrical fault should occur. This ground may consist of
an electrical wire connected to the unit ground screw in the
control compartment, or conduit approved for electrical
ground when installed in accordance with NEC, ANSI/NFPA
American National Standards Institute/National Fire
Protection Association (latest edition) (in Canada, Canadian
Electrical Code CSA C22.1) and local electrical codes.
!
WARNING
HIGH--VOLTAGE CONNECTIONS
The unit must have a separate electrical service with a
field--supplied, waterproof disconnect switch mounted at, orwithin
sight from the unit. Refer to the unit rating plate, NEC and local
codes for maximum fuse/circuit breaker size and minimum circuit
amps (ampacity) for wire sizing (See Table 2 for electrical data).
The field--supplied disconnect may be mounted on the unit overthe
high--voltage inlet hole (See Fig. 6 and 7).
If the unit has an electric heater, a second disconnect may be
required. Consult the Installation, Start--Up, and Service
Instructions provided with the accessory for electrical service
connections.
Operation of unit on improper line voltage constitutes abuse and
may cause unit damage that could affect warranty.
UNIT COMPONENT DAMAGE HAZARD
Failure to follow this caution may result in damage to the unit
being installed.
1. Make all electrical connections in accordance with NEC
ANSI/NFPA (latest edition) and local electrical codes
governing such wiring. In Canada, all electrical
connections must be in accordance with CSA standard
C22.1 Canadian Electrical Code Part 1 and applicable local
codes. Refer to unit wiring diagram.
2. Use only copper conductor for connections between
field--supplied electrical disconnect switch and unit. DO
NOT USE ALUMINUM WIRE.
3. Be sure that high--voltage power to unit is within operating
voltage range indicated on unit rating plate. On 3--phase
units, ensure phases are balanced within 2 percent. Consult
local power company for correction of improper voltage
and/or phase imbalance.
4. Insulate low--voltage wires for highest voltage contained
within conduit when low--voltage control wires are in same
conduit as high--voltage wires.
5. Do not damage internal componentswhen drilling through
any panel to mount electrical hardware, conduit, etc.
!
CAUTION
ROUTING POWER LEADS INTO UNIT
Use only copper wire between disconnect and unit. The high
voltage leads should be in a conduit until they enter the duct panel;
conduit termination at the duct panel must be watertight. Run the
high--voltage leads through the power entry knockout on the power
entry side panel. See Fig. 6 and 7 for location and size. For
single--phase units, connect leads to the black and yellow wires ; for
3--phase units, connect the leads to the black, yellow, and blue wires.
CONNECTING GROUND LEAD TO GROUND SCREW
Connect the ground lead to the chassis using the ground screw in the
wiring splice box (See Fig. 14 and 17).
ROUTING CONTROL POWER WIRES
For detailed instruction on the low voltage connections to the User
Interface (UI), refer to the UI installation guide.
Form a drip--loop with the control leads before routing them into the
unit. Route the low voltage control leads through grommeted,
low--voltageholeprovided into unit(See Fig.6 and 7). Connectuser
interface leads to unit control power leads as shown in Fig. 14.
The unit transformer supplies 24--v power for complete system
including accessory electrical heater. A fuse is provided in the 24--v
circuit on the control board (See Fig. 19); see the caution label on
the transformer. Transformer is factory wired for 230--v operation.
If supply voltage is 208--v, rewire transformer primary as described
in Special Procedures for 208--v Operation section.
50CR

12
Table 2—Electrical Data—50CR
UNIT SIZE V--PH--HZ VOLTAGE
RANGE COMPRESSOR OFM
FLA
IFM
FLA
ELECTRIC HEAT SINGLE POINT POWER
SUPPLY
NOMINAL FLA MCA MOCP
MIN MAX RLA LRA kW*
024 208/230--1--60 187 253 13.5 61.0 0.9 4.3
-- / -- -- / -- 22.1/22.1 30/30
3.8/5 18.1/20.8 44.6/48.1 50/50
5.4/7.2 26.0/30.0 54.6/59.6 60/60
7.5/10.0 36.1/41.7 67.2/74.2 70/80
030 208/230--1--60 187 253 15.9 73.0 0.9 4.3
-- / -- -- / -- 25.1/25.1 30/30
3.8/5 18.1/20.8 47.6/51.1 50/60
5.4/7.2 26.0/30.0 57.6/62.6 60/70
7.5/10.0 36.1/41.7 70.2/77.2 80/80
036
208/230--1--60 187 253 16.9 83.0 0.9 6.8
-- / -- -- / -- 29.5/29.5 35/35
3.8/5 18.1/20.8 52.1/55.6 60/60
5.4/7.2 26.0/30.0 62.0/67.0 70/70
7.5/10.0 36.1/41.7 74.7/81.6 80/90
11.3/15.0 54.2/62.5 97.2/107.7 100/110
208/230--3--60 187 253 12.2 77.0 1.6 6.8
-- / -- -- / -- 23.7/23.7 30/30
3.8/5.0 10.4/12.0 36.7/38.7 45/45
7.5/10.0 20.8/24.1 49.7/53.7 50/60
11.3/15.0 31.3/36.1 62.7/68.8 70/70
042
208/230--1--60 187 253 22.4 105.0 0.9 6.8
-- / -- -- / -- 35.7/35.7 45/45
3.8/5.0 18.1/20.8 58.3/61.7 70/70
5.4/7.2 26.0/30.0 68.2/73.2 80/80
7.5/10.0 36.1/41.7 80.8/87.8 90/90
11.3/15.0 54.2/62.5 103.4/113.8 110/125
15.0/20.0 72.2/83.3 126.0/139.9 150/150
208/230--3--60 187 253 15.4 88.0 0.9 6.8
-- / -- -- / -- 27.0/27.0 35/35
3.8/5.0 10.4/12.0 40.0/42.0 50/50
7.2/10.0 20.8/24.1 53.0/57.0 60/60
11.3/15.0 31.3/36.1 66.0/72.1 70/80
15.0/20.0 41.6/48.0 78.9/86.9 80/90
048
208/230--1--60 187 253 21.3 109.0 1.6 6.8
-- / -- -- / -- 35.0/35.0 45/45
3.8/5.0 18.1/20.8 57.6/61.1 70/70
5.4/7.2 26.0/30.0 67.5/72.5 80/80
7.5/10.0 36.1/41.7 80.2/87.1 90/90
11.3/15.0 54.2/62.5 102.7/113.2 110/125
15.0/20.0 72.2/83.3 125.3/139.2 150/150
208/230--3--60 187 253 14.7 91.0 1.6 6.8
-- / -- -- / -- 26.8/26.8 35/35
3.8/5.0 10.4/12.0 39.8/41.8 50/50
7.5/10.0 20.8/24.1 52.8/56.8 60/60
11.3/15.0 31.3/36.1 65.9/71.9 70/80
15.0/20.0 41.6/48.0 78.7/86.7 80/90
060
208/230--1--60 187 253 26.9 145.0 1.5 9.1
-- / -- -- / -- 44.2/44.2 60/60
3.8/5.0 18.1/20.8 66.8/70.3 80/90
5.4/7.2 26.0/30.0 76.7/81.7 90/100
7.5/10.0 36.1/41.7 89.4/96.3 100/110
11.3/15.0 54.2/62.5 111.9/122.4 125/125
15.0/20.0 72.2/83.3 134.5/148.4 150/150
208/230--3--60 187 253 17.6 123.0 1.5 9.1
-- / -- -- / -- 34.6/34.6 40/40
3.8/5.0 10.4/12.0 47.6/49.6 60/60
7.5/10.0 20.8/24.1 60.7/64.7 70/70
11.3/15.0 31.3/36.1 73.7/79.7 80/80
15.0/20.0 41.6/48.0 86.6/94.6 90/100
50CR

13
228 =1v
229 =2v
227 =2v
LEGEND
FLA — Full Load Amps
LRA — Locked Rotor Amps
MCA -- Minimum Circuit Amps
MOCP — Maximum Overcurrent Protection
RLA — Rated Load Amps
NO TES:
1. In compliance with NEC (National Electrical Code) requirements
for multimotor and combination load equipment (refer to NE C
Articles 430 and 440), the overcurrent protective device for the
unit shall be Power Supply fuse. The CGA (Canadian Gas
Association) units may be fuse or circuit break er.
2. Minimum wire size is based on 60 C copper wire. I f other than
60 C wire is used, or if length exceeds wire length in table,
determine siz e from NEC..
3. Unbalanced 3-Phase Supply Voltage
Never operate a motor where a phase imbalance in supply volt-
age is greater than 2%.
Use the following formula to determine
the percentage of voltage imbalance.
% Voltage imbalance
max voltage deviation from average voltage
= 100 x average voltage
EXAMPLE: Supply voltage is 230-3-60.
AB = 228 v
BC = 231 v
AC = 227 v
228 + 231 + 227
Average Voltage = 3
686
=3
= 229
Determine maximum deviation from average voltage.
(AB) 229 -
(BC) 231 -
(AC) 229 -
Maximum deviation is 2 v.
Determine percent of voltage imbalance.
2
% Voltage Imbalance = 100 x 229
= 0.8%
This amount of phase imbalance is satisfactory as it is below the
maximum allowable 2%.
IMPORTANT: If the supply voltage phase imbalance is
more than 2%, contact your local electric utility company
immediately.
®
*Heater capacity (kW) based on heater voltage of 208v & 240v.
If power distibution voltage to unit varies from rated heater
volta
g
e, heater kW will var
y
accordin
g
l
y
.
C03014
Fig. 13 -- Electrical Data Legend
LEGEND
Field Control-Voltage Wiring
D
C
B
A
User Interface
D
C
B
A
Infinity Control Board
OAT
RYOWCHUM
C
Humidifier
(Optional)
24vac
Outdoor Air Thermisto
r
(if used)
A05302
Fig. 14 -- Control Voltage Wiring Connections
50CR

14
7.0
A05304
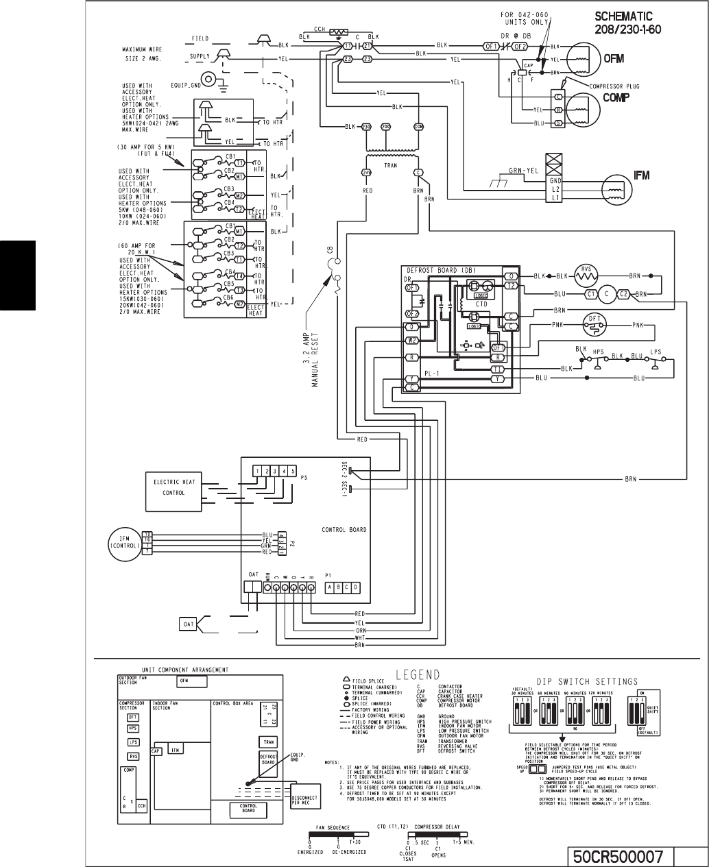
Fig. 15 -- Wiring Schematics--50CR Single Phase
50CR

15
5.0
A05259
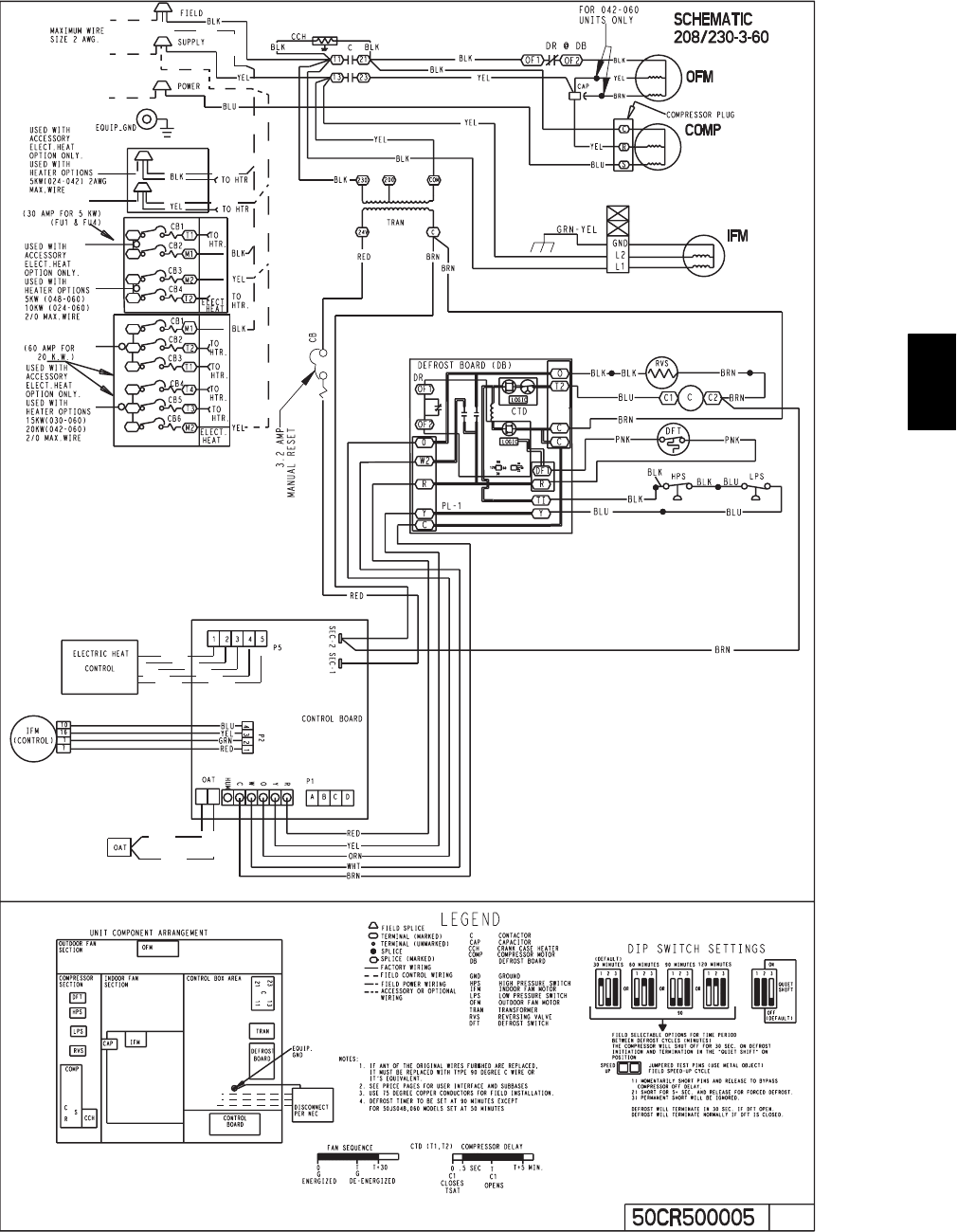
Fig. 16 -- Wiring Schematics--50CR Three Phase
50CR

16
GROUND SCREW
(IN SPLICE BOX)
BLU
YEL
BLK
GROUND
LEAD
SINGLE-PHASE
CONNECTIONS
TO DISCONNECT
PER NEC
3-PHASE
CONNECTIONS
LEGEND
NEC – National Electrical Code
Field Wiring
Splice Connections
NOTE: Use copper wire only.
L1
L3
L2
C99057
Fig. 17 -- Line Power Connections
A05303
Fig. 18 -- Control Plate
The low--voltage circuit is fused by a board--mounted automotive
fuse placed in series with transformer SEC1 and R circuit. The C
circuit of transformer circuit is referenced to chassis ground through
a printed circuit run at SEC2 and metal control board mounting
eyelets. Check to be sure control board is mounted securely using
both factory--installed screws.
ACCESSORY INSTALLATION
A. Accessory Electric Heaters
Electric heaters may be installed in 50CR per instructions supplied
with electric heater package. See unit rating plate for
factory--approved electric heater kits.
NOTE: Units installed without electric heat should have a
factory--supplied sheet metal block--off plate installed over heater
opening. This reduces air leakage and formation of exterior
condensation.
B. Outdoor Air Thermistor (OAT)
A 2--screw terminal strip is provided for connection of an outdoor
temperature thermistor. This strip is marked OAT.
NOTE: While the installation of an outdoor temperature sensor
using the Infinity control board OAT terminals is optional, certain
Infinity features (ComfortHeat, electric heat lockout, auto humidity
control) will be lost.
OAT input is used to supply outdoor temperature data for system
level functions and for temperature display on User Interface.
Using two wires of field--supplied thermostat wire cable, wire one
lead of thermistor to one screw terminal and the other lead to
remaining screw terminal; there is no polarity to be observed. It is
strongly recommended that two wires be used to connect the
thermistor to eliminate noise interference in temperature reading. If
there are not two spare wires available in cable, one wire may be
used to connect thermistor to OAT screw terminal 1 and the other
lead of the thermistor can be wired to 24--vac COM (C) wire. OAT
screw terminal 1 is terminal located closest to the ABCD system
communications and is marked with a small number 1 next to the
terminal strip.
NOTE: Mis--wiring OAT inputs will not cause damage to either
Infinity control or thermistor. If the thermistor is wired incorrectly,
no reading will appear at User Interface. Re--wire thermistor
correctly for normal operation.
C. Humidifier Connections
The Infinity control board terminal marked HUM is provided for
low voltage (24--vac) control of a humidifier. No humidistat is
required as User Interface monitors indoor humidity. When
commanded to operate humidifier, the unit control will energize the
HUM output to turn humidifier on and de--energize HUM output to
turn humidifier off. Wire HUM and C terminals directly to
humidifier as shown in Fig. 14.
SPECIAL PROCEDURES FOR 208--V OPERATION
Be sure unit disconnect switch is open.
Disconnect the yellow primary lead from the transformer. See unit
wiring label. (See Fig. 15, 16 and 18)
Connect the yellow primary lead to the transformer terminal labeled
200--v.
50CR

17
SEC-2 SEC-1
F1
5
HK38EA002
ABCD
1
COMM
1
1
OAT
HUM C W O Y R
HEATER
1
MOTOR
STATUS
A03169
Fig. 19 -- Detail of Printed Circuit Board
PRE--START--UP
FIRE, EXPLOSION, ELECTRICAL SHOCK HAZARD
Failure to follow this warning could result in personal injury
or death and/or property damage.
1. Follow recognized safety practices and wear protective
goggles when checking or servicing refrigerant system.
2. Do not operate compressor or provide any electric power
to unit unless compressor terminal cover is in place and
secured.
3. Do not remove compressor terminal cover until all
electrical sources are disconnected and tagged.
4. Relieve and recover all refrigerant from system before
touching or disturbing anything inside terminal box if
refrigerant leak is suspected around compressor terminals.
5. Never attempt to repair soldered connection while
refrigerant system is under pressure.
6. Do not use torch to remove any component. System
contains oil and refrigerant under pressure.
7. To remove a component, wear protective goggles and
proceed as follows:
a. Shut off electrical power to unit and install lockout
tag.
b. Relieve and reclaim all refrigerant from system
using both high-- and low--pressure ports.
c. Cut component connecting tubing with tubing
cutter and remove component from unit.
d. Carefully unsweat remaining tubing stubs when
necessary. Oil can ignite when exposed to torch
flame.
!
WARNING
Use the Start--Up Checklist supplied at the end of this book and
proceed as follows to inspect and prepare the unit for initial start--up:
1. Remove all access panels.
2. Read and follow instructions on all DANGER, WARNING,
CAUTION, and INFORMATION labels attached to, or
shipped with unit.
3. Make the following inspections:
a. Inspect for shipping and handling damages, such as
broken lines, loose parts, disconnected wires, etc.
b. Inspect for oil at all refrigerant tubing connections and on
unit base. Detecting oil generally indicates a refrigerant
leak. Leak test all refrigerant tubing connections using
electronic leak detector, or liquid--soap solution. If a
refrigerant leak is detected, see following Check for
Refrigerant Leaks section.
c. Inspect all field-- and factory--wiring connections. Be
sure that connections are completed and tight.
d. Ensure wires do not touch refrigerant tubing or sharp
sheet metal edges.
e. Inspect coil fins. If damaged during shipping and
handling, carefully straighten fins with a fin comb.
4. Verify the following conditions:
a. Make sure that outdoor fan blade is correctly positioned
in fan orifice (See Fig. 24).
b. Make sure that condensate drain pan and trap are filled
with water to ensure proper drainage.
c. Make sure that all tools and miscellaneous loose parts
have been removed.
5. Compressors are internally spring mounted. Do not loosen
or remove compressor holddown bolts.
6. Each unit system has two Schrader--typeports,onelow--side
Schrader fitting located on the suction line, and one
high--side Schrader fitting located on the compressor
discharge line. Be sure that caps on the ports are tight.
START--UP
Step 1—Unit Start--Up
NOTE: Always check high-- and low--voltage supply to the unit
components. Check the integrity of the plug receptacle connections
and unit wiring harness prior to assuming a component failure.
A. LED Description:
LEDs built into Infinitytcontrol board provide installer or service
person information concerning operation and/or fault condition of
the unit control and ECM motor. This information is also available
at the system user interface in text with basic troubleshooting
instructions. Careful use of information displayed will reduce the
need for extensive manual troubleshooting.
The amber LED located at bottom center of control adjacent to
motor harness plug is Motor Status LED and it is labeled MOTOR.
A second amber LED located in upper right center of control
adjacent to System Communications connector (A,B,C,D) is the
System Status LED and it is labeled STATUS. The green LED
labeled COMM is also located adjacent to System Communications
connector, below STATUS LED, and is used as an indicator of
system communications status. Status Codes will be displayed on
the STATUS LED using the following protocol:
1. The number of short flashes indicates first digit of code.
2. The number of long flashes indicates second digit of code.
3. A short flash is 0.25 seconds on. A long flash is 1 second on.
4. The time between flashes is 0.25 seconds.
5. The time between last short flash and first long flash is 1
second.
6. The LED will be off for 2.5 seconds before repeating code.
B. Control Start--Up and System Communications
Troubleshooting:
On power up, green COMM LED will be turned off until successful
system communications are established (this should happen within
50CR

18
10 seconds). Once communications with User Interface are
successful, COMM LED will be lit and held on. At the same time,
amber STATUS LED will be lit and held continuously on until a
request for operating mode is received. The STATUS LED will be
on any time unit is in idle mode.
If, at any time, communications are not successful for a period
exceeding 2 minutes, the Infinity control will only allow emergency
heating or cooling operation using a common thermostat and the R,
C, Y, O, W terminal strip connections and will display Status Code
16, System Communication Fault, on amber STATUS LED. No
further troubleshooting information will be available at User
Interface until communications are re--established.
If COMM LED does not light within proper time period and status
code is not displayed;
1. Check system transformer high-- and low--voltage to besure
the system is powered.
2. Check fuse on control board to be sure it is not blown. Iffuse
is open, check system wiring before replacing it to be sure a
short does not cause a failure of replacement fuse.
If COMM LED does not light within proper time period and status
code is displayed,
1. Check system wiring to be sure User Interface is powered
and connections are made A to A, B to B, etc. and wiring is
not shorted. Mis--wiring or shorting of the ABCD
communications wiring will not allow successful
communications.
NOTE: Shorting or mis--wiring low--voltage system wiring willnot
cause damage to unit control or user interface but may cause low
voltage fuse to open.
C. ECM Motor Troubleshooting
The ECM motor used in this product consists of two parts: the
control module and the motor winding section. Do not assume
motor or module is defective if it will not start. Use the designed--in
LED information aids and follow troubleshooting steps described
below before replacing motor control module or entire motor.
Motor control module is available as a replacement part.
VERIFY MOTOR WINDING SECTION
ELECTRICAL SHOCK HAZARD
Failure to follow this warning could result in personal injury
or death.
After disconnecting power from the ECM motor, wait at least
5 minutes before removing the control section. Internal
capacitors require time to discharge.
!
WARNING
Before proceeding to replace a motor control module:
1. Check motor winding section to be sure it is functional.
2. Remove motor control module section and unplug winding
plug. Motor shaft should turn freely, resistance between any
two motor leads should be similar and resistance between
any motor lead and unpainted motor end should exceed
100,000 ohms.
3. Failing any of these tests, entire ECM motor must be
replaced.
4. Passing all of the tests, motor control module alone can be
replaced.
MOTOR TURNS SLOWLY
1. Low static pressure loading of blower while access panel is
removed will cause blower to run slowly. Particularly at low
airflow requests. This is normal, do not assume a fault exists.
2. Recheck airflow and system static pressure using User
Interface service screens with access panel in place.
NOTE: Blower motor faults will not cause a lockout of blower
operation. The unit control will attempt to run the blower motor as
long as User Interface maintains a demand for airflow. The unit
control will not operate electric heaters while a fault condition
exists. The unit control communicates with the motor at least once
every five seconds,even when themotoris idle. If, during operation,
the unit control does not communicate with the motor for more than
25 seconds, the motor will shut itself down and wait for
communications to be reestablished.
D. Using Motor LED in Troubleshooting
The MOTOR LED is connected to the blower motor
communicationlineand workswith theunit controlmicroprocessor
and the STATUS LED to provide unit operation and
troubleshooting information. When the motor is commanded to
operate, the MOTOR LED will be turned on and willflash each time
instructions are sent to themotor. When the motor is commanded to
stop, the MOTOR LED will be turned off.
If the MOTOR LED is lit, flashing, and the motor is running, or if
the MOTOR LED is off and the motor is stopped, operation is
normal and no motor fault exists.
If the MOTOR LED is lit, flashing, and the motor does not run, or
if the MOTOR LED is off and the motor is running, check the
STATUS LED for the Status Code. Refer to the troubleshooting
instructions for the indicated Status Code in Section E, Unit
Troubleshooting.
E. Unit Troubleshooting
Unit faults indicated by flashing codes on the amber system
STATUS LED can be resolved using troubleshooting information
provided below. Codes are listed in order of their priority, highest
to lowest. Though multiple faults can exist at any time, only the
highest priority code will be displayed on STATUS LED. Clearing
the indicated fault when multiple faults exist will cause the next
highest priority Status Code to be flashed. All existing faults, aswell
as a fault history, can be viewed at User Interface.
STATUS CODE 45, CONTROL BOARD TEST FAULT
Unit control has failed internal start--up tests and must be replaced.
No other service procedure will correct.
STATUS CODE 37, HEATER OUTPUT SENSED “ON” WHEN
NOT ENERGIZED:
Unit control isprovided with circuitry to detect presence of a 24--vac
signal on electric heater stage 1 and stage 2 outputs.
If unit control detects a 24--vac signal on either heater stage output
and it is not supplying signal, Status Code 37 will be displayed on
STATUS LED. Unit control will turn off output and command
blower motor to supply an airflow determined to be safe for current
operation mode with electric heaters energized.
To find the fault:
1. Stop all system operations at User Interface and check heater
stage 24--vac outputs.
2. Disconnect electric heater at power and check heater wiring
for faults. See Status Code 36 for more information.
STATUS CODE 44, MOTOR COMMUNICATION FAULT
The MOTOR LED is connected to the blower motor
communicationlineand workswith theunit controlmicroprocessor
and STATUS LED to provide unit operation and troubleshooting
information.
When motor is commanded to operate, the MOTOR LED will be
turned on and will flash each time instructions are sent to the motor.
50CR

19
When the motor is commanded to stop, the MOTOR LED will be
turned off. The MOTOR LED will not flash to indicate
communications when it is turned off.
Unit control is constantly communicating with the motor, even
when the motor and MOTOR LED are off. If motor does not
acknowledge receipt of communications, the control will display
Status Code 44 on STATUS LED and continue to try to
communicate with the motor. If motor acknowledges
communication, status code will be cleared.
If MOTOR LED is lit and flashing and motor does not run:
1. Check the STATUS LED. If STATUS LED is indicating a
Status 44 code, check the motor wiring harness for proper
connection to control and motor receptacles.
2. Check motor wiring harness to be sure all wiring complies
with wiring diagram description, makes a complete circuit
from connector to connector, and is not shorted.
3. Check 12--vdc low voltage supply to motor at pins 1 (+) and
2 (--) of motor header connection to unit control.
If all checks are normal, unit control is good and control module on
motor may need replacement. Check motor and Motor Control
Module following the instructions in Section C, ECM Motor
Troubleshooting.
Shorted or mis--wiring of the low voltage motor harness wiring will
not cause damage to unit control or to motor control module.
If the MOTOR LED is off, STATUS LED is indicating a Status
Code 44 and motor is running:
1. Disconnect the motor harness at the unit control. If motor
continues to run, unit control is good and control moduleon
motor may need replacement.
STATUS CODE 25, INVALID MOTOR / MODEL SELECTION
On initial start--up, unit control shall poll motor for its size data and
check unit size data stored in unit control memory.
1. If motor size is incorrect for unit size or size data is invalid,
Status Code 25 will be displayed on STATUS LED.
2. If model size data is missing (as is the case when a
replacement control board is installed), system User
Interface will prompt installer to enter correct model size
from a list of valid sizes.
3. If motor size is incorrect for model size, motor must be
replaced with proper size motor. Unit control will not
respond to operation requests until this fault condition is
resolved.
STATUS CODE 26, INVALID HEATER SIZE
On initial power--up, unit control will write into memory electric
heater size as read from heater if heater is provided with Identifier
Resistor (IDR). Heater size must be valid for combination of indoor
and outdoor components installed. Unit control will read IDR value
connected to pins 1 and 2 of heater harness connector. If no resistor
is found, system User Interfacewill promptinstaller to verify that no
heater is installed. Verifying that this is correct will establish that the
unit is operating without an electric heater accessory. Upon
choosing negative option, installer will be prompted to select heater
size installed from a list of valid heater sizes for unit size installed.
If heater ID resistor value read is invalid, Status Code 26 will be
displayed on STATUS LED.
Ifheater installed isequipped with a resistorconnected to pins 1 and
2 of heater harness connector and status code 26 is displayed on
STATUS LED:
1. Check wiring harness connectionsto besure connectionsare
secure.
2. If symptoms persist, disconnect wiring harness at unit
control board and check for a resistance value greater than
5000 ohms.
3. Check for proper wiring of resistor assembly.
4. Make sure heater size installed is an approved size for unit
and size installed.
NOTE: Unit control will not operate electric heateruntil this Status
Code is resolved. If the heater size is set through the User Interface,
the heater will be operated as a single stage heater. If staging is
desired, the IDR value must be read in by the unit control.
STATUS CODE 36, HEATER OUTPUT NOT SENSED WHEN
ENERGIZED
Unit control isprovided with circuitry to detect presence of a 24--vac
signal on electric heater stage 1 and stage 2 outputs.
If unit control energizes either heater stage and does not detect the
24--vac signal on output, Status Code 36 will be displayed on the
STATUS LED, unit control will continue to energize heater
output(s) and adjust blower operation to a safe airflow level for
energized electric heat stage(s).
To find the fault:
1. Check for 24--vac on heater stage outputs. Unit control or
sensing circuit may be bad.
NOTE: It may be useful as an electric heater troubleshooting
procedure to disconnect the system communicationsto force Status
Code 16 enabling of emergency heat mode. It is difficult to know
which heater output is energized or not energized in normal
operation. When unit is operated in emergency heat mode using
electric heaters, both outputs are energized and de--engergized
together. Terminal strip inputs to control can then be connected R to
W to turn on both electric heat outputs. Heater output sensing
circuits can then be checked to resolve Status Code 36 or 37
problems.
STATUS CODE 41, BLOWER MOTOR FAULT
If MOTOR LED is lit and flashing and motor does not run:
1. Check STATUS LED. If STATUS LED is indicating Status
Code 41, motor control has detected that the motor will not
come up to speed within 30 seconds of being commanded to
run or that the motor has been slowed to below 250 rpm for
more than 10 seconds after coming up to speed. Motor
wiring harness and unit control are operating properly, do
not replace.
2. Check to be sure that the blower wheel is not rubbing the
housing.
3. Check motor to be sure that the motor shaft is not seized
(motor control module must be removed and electronics
disconnected from windings to perform this check
properly).
4. Check motor windings section following instructions in
Section C, ECM Motor Troubleshooting.
If all these checks are normal, the motor control module may need
replacement.
STATUS CODE 16, SYSTEM COMMUNICATION FAULT
If, at any time, system communications are not successful for a
period exceeding 2 minutes, the unit control will only allow
emergency heating or cooling operation using a common
thermostat, and the R, C, Y, O, W terminal strip connections and will
display Status code 16 on the amber STATUS LED (see section E,
Emergency Heating and Cooling Modes). No further unit
troubleshooting information will be available at the User Interface
until communications are re--established.
50CR

20
Check system wiring to be sure the User Interface is powered and
connections are made A to A, B to B, etc., and wiring is not shorted.
Mis--wiring or shorting of the ABCD communications wiring will
not allow successful communications. Correcting wiring faults will
clear the code and re--establish communications.
Shorting ormis--wiring thelow voltage system wiring will not cause
damage to unit control or to User Interface but may cause the low
voltage fuse to open.
STATUS CODE 46, BROWNOUT CONDITION
If the secondary voltage of the transformer falls below 15--vac for
a period exceeding 4 seconds, Status Code 46 will be displayed on
STATUS LED and the User Interface will command the control
board to turn off Y output controlling compressor.
When secondary voltage rises above 17--vac for more than 4
seconds, the brownout condition is cleared and normal system
operation will resume subject to any minimum compressor
off--delay function which may be in effect. Brownoutdoes notaffect
blower or electric heater operation.
STATUS CODE 53,OUTDOOR AIR TEMPERATURE SENSOR
FAULT
If an OAT sensor is found at power--up, input is constantly checked
to be within a valid temperature range. If sensor is found to be open
or shorted at any time after initial validation, Status Code 53 will be
displayed at amber STATUS LED.
Check for faults in wiring connecting sensor to OAT terminals.
Using an Ohm meter, check resistance of thermistor for a short or
open condition.
If thermistor is shorted or open, replace it to return the system to
normal operation. If faultis in the wiring connections, correcting the
fault will clear the code and return the system to normal operation.
NOTE: If fault condition is an open thermistor or a wiring problem
that appears to be an open thermistor and the power to the unit is
cycled off, the fault code will be cleared on the next power--up but
the fault will remain and system operation will not be as expected.
This is because on power--up, the unit control cannot discern the
difference between an open sensor or if a sensor is not installed.
Step 2—Sequence of Operation
The packaged heat pump is designed for installation with a
communicating User Interface. This unit will not respond to
commands provided by a common thermostat except under certain
emergency situations described in Step 1—Start--Up.
The User Interface uses temperature, humidity and other data
supplied from indoor and outdoor system components to control
heating or cooling system for optimum comfort. The unit will be
commanded by User Interface to supply airflow. The unit will
operate the indoor blower at requested airflow for most modes.
The nominal requested airflow will be 350 cfm per ton of nominal
cooling capacity as defined by unit size. Actual airflow request will
be adjusted from nominal using indoor and outdoor temperature
and indoor humidity data to optimize the system operation for
occupant comfort and system efficiency. Refer to User Interface
literature for further system control details.
Airflow during electric heater operation must be greater than a
minimum level for safe operation. If User Interface instructs unit to
turn on electric heat and the requested airflow is less than the
minimum level the unit control will override requested value.
NOTE: Once the compressor has started and then has stopped, it
should not be started again until 4 minutes have elapsed. The
cooling cycle remains “on” until the room temperature drops to
point that is slightly below the cooling control setting of the user
interface. Additionally, there is a 5--minute compressor delay built
into the control for heat pump heating mode.
Step 3—Check for Refrigerant Leaks
Locate and repair refrigerant leaks and charge the unit as follows:
1. Use both high-- and low--pressure ports to relieve system
pressure and reclaim remaining refrigerant.
2. Repair leak following accepted practices.
NOTE: Install a bi--flow filter drier whenever the system has been
opened for repair.
3. Check system for leaks using an approved method.
4. Evacuate refrigerant system and reclaim refrigerant if no
additional leaks are found.
5. Charge unit with Puron (R--410A) refrigerant, using a
volumetric--charging cylinder or accurate scale. Refer to unit
rating plate for required charge.
Step 4—Start--Up Adjustments
Complete the required procedures given in the Pre--Start--Up
section before starting the unit. Do not jumper any safety devices
when operating the unit. Do not operate the unit in cooling mode
when the outdoor temperature is below 40°F (unless accessory
low--ambient kit is installed). Do not rapid cycle the compressor.
Allow 5 min. between “on” cycles to prevent compressor damage.
CHECKING COOLING AND HEATING CONTROL
OPERATION
Start and check the unit for proper control operation as follows:
1. Place room UI SYSTEM switch or MODE control in OFF
position. Observe that blower motor starts when FAN mode
is placed in FAN ON position and shuts down within 60 sec
(030--060 size) or 30 sec (024 size) when FAN MODE
switch is placed in AUTO position.
2. Placesystem switch orMODE control in HEAT position.Set
control above room temperature. Observe that compressor,
outdoor fan, and indoor blower motors start. Observe that
heating cycle shuts down when control setting is satisfied.
3. When using an automatic changeover room thermostat,
place both SYSTEM or MODE control and FAN mode
switches in AUTO positions. Observe that unit operates in
cooling mode when temperature control is set to “call for
cooling” (below room temperature), and unit operates in
heating mode when temperature control is set to “call for
heating” (above room temperature).
IMPORTANT: Three--phase, scroll compressors are direction
oriented. Unit must be checked to ensure proper compressor
3--phase power lead orientation. If not corrected within 5 minutes,
the internal protector will shut off the compressor. The 3--phase
power leads to the unit must be reversed to correct rotation. When
turning backwards, the difference between compressor suction and
discharge pressures may be dramatically lower than normal.
50CR

21
COMPRESSOR
ACCUMULATOR
OUTDOOR COIL INDOOR COIL
LCS
LEGEND
HPS – High Pressure Switch
LCS – Loss of Charge Switch
Accurater
®
Metering De vice
Arrow indicates direction of flo w
TXV in Metering
Position
Bypass
Position
HP S
C03011
Fig. 20 -- Typical Heat Pump Operation, Cooling Mode
COMPRESSOR
ACCUMULATOR
OUTDOOR COIL INDOOR COIL
LCS
LEGEND
HPS – High Pressure Switch
LCS – Loss of Charge Switch
Accurater
®
Metering De vice
Arrow indicates direction of flo w
TXV in Bypass
Position
Metering
Position
HP S
C03012
Fig. 21 -- Typical Heat Pump Operation, Heating Mode
50CR

22
CHECKING AND ADJUSTING REFRIGERANT CHARGE
The refrigerant system is fully charged with Puron (R--410A)
refrigerant and is tested and factory sealed.
NOTE: Adjustment of the refrigerant charge is not required unless
the unit is suspected of not having the proper R--410A charge. The
charging label and the tables shown refer to system temperaturesand
pressures in cooling mode only. A refrigerant charging label is
attached to the outside of the service access door. If charge level is
suspect in heating mode, reclaim all refrigerant and charge to
informative plate amount. (This information may be obtained from
the physical data table also.) The charging label and the tables
shown refer to system temperatures and pressures in cooling mode
only. A refrigerant charging label is attached to the outside of the
service access door.
IMPORTANT: When evaluating the refrigerant charge, an
indicated adjustment to the specified factory charge must always be
very minimal. If a substantial adjustment is indicated, an abnormal
condition exists somewhere in the cooling system, such as
insufficient airflow across either coil or both coils.
REFRIGERANT CHARGE
The amount of refrigerant charge is listed on the unit rating plate
and/or the physical data table. Refer to the Refrigeration Service
Techniques Manual, Refrigerants Section.
NO CHARGE
Check for leak. Use standard evacuating techniques. After
evacuating system, weigh in the specified amount of refrigerant
(refer to system rating plate).
LOW CHARGE COOLING
Use Cooling Charging Chart (Fig. 22). Vary refrigerant until the
conditions of the chart are met. Note that charging charts are
different from type normally used. Charts are based on charging the
units to correct subcooling for the various operating conditions.
Accurate pressure gauge and temperature sensing devices are
required. Connect the pressure gauge to the service port on the
suction line. Mount the temperature sensing device on the suction
line and insulate it so that the outdoor ambient does not affect the
reading. Indoor air CFM must be within the normal operating range
of the unit.
TO USE COOLING CHARGING CHARTS
Take the liquid line temperature and read the manifold pressure
gauges. Refer to the chart to determine what the liquid line
temperature should be.
NOTE: If the problem causing the inaccurate readings is a
refrigerant leak, refer to Check for Refrigerant Leaks section.
INDOOR AIRFLOW AND AIRFLOW ADJUSTMENTS
NOTE: Be sure that all supply-- and return--air grilles are open, free
from obstructions, and adjusted properly.
Unit 50CR utilizes state of the art ECM (Electronic Computated
Motor) ID Blower Motors. See user interface instructions for
detailed information on adjusting airflow.
Step 5—Defrost Control
QUIET SHIFT
Quiet Shift is a field--selectable defrost mode, which will eliminate
occasional noise that could be heard at the start of defrost cycle and
restarting of heating cycle. It is selected by placing DIP switch 3 (on
defrost board) in ON position.
When Quiet Shift switch is placed in ON position, and a defrost is
initiated, the following sequence of operation will occur. Reversing
valve will energize, outdoor fan will turn off, compressor will turn
off for 30 sec and then turn back on to complete defrost. At the start
of heating after conclusion of defrost reversing valve will
de--energize, compressor will turn off for another 30 sec, and the
outdoor fan will stay off for 40 sec, before starting in the heating
mode.
DEFROST
The defrost control is a time/temperature control which includes a
field--selectable time period (DIP switch 1 and 2 on the board)
between defrost cycles of 30, 60, 90, or 120 minutes (factory set at
30 minutes).
To initiate a forced defrost, two options are available depending on
the status of the defrost thermostat.
If defrost thermostat is closed, speedup pins (J1) must be shorted by
placing a flat head screw driver in between for 5 sec and releasing,
to observe a complete defrost cycle. When the Quiet Shift switch is
selected, compressor will be turned off for two 30 sec intervals
during this complete defrost cycle, as explained previously. When
Quiet Shift switch is in factory default OFF position, a normal and
complete defrost cycle will be observed.
If defrost thermostat is in open position, and speedup pins are
shorted (with a flat head screw driver) for 5 sec and released, a short
defrost cycle will be observed (actual length is dependent upon the
selected Quiet Shift position). When Quiet Shift switch is in ON
position, the length of defrost is 1 minute (30 sec compressor off
period followed by 30 sec of defrost with compressor operation).
On return to heating operation, compressor will again turn off for an
additional 30 sec and the outdoor fan for 40 sec. When the Quiet
Shift is in OFF position, only a brief 30 sec cycle will be observed.
If it is desirable to observea complete defrost in warmer weather, the
defrost thermostat must be closed as follows:
1. Turn off power to outdoor unit.
2. Disconnect outdoor fan motor lead from OF2 on control
board (See Fig. 23). Tape to prevent grounding.
3. Restart unit in heating mode, allowing frost to accumulate on
outdoor coil.
4. After a few minutes in heating mode, liquid--line
temperature should drop below closing point of defrost
thermostat (approximately 30°F).
NOTE: Unit will remain in defrost until defrost thermostat reopens
at approximately 80°F coil temperature at liquid line or remainder
of defrost cycle time.
5. Turn off power to outdoor and reconnect fan motor lead to
OF2 on control board after above forced defrost cycle.
NON--COMMUNICATING EMERGENCY COOLING /
HEATING MODE
This mode ofoperation is provided only in the case wherethe UIhas
failed or is otherwise unavailable. If communications cannot be
established with the UI, the Infinity control board will enable the
following thermostat input terminals to allow simple thermostatic
control of the 50CR unit:
a. Y&Oforcooling
b. W for electric heat (if applicable)
c. Y for heat pump heat
The Infinity control will respond to cooling and heating demands
with the maximum safe airflow based on electric heat size (if
applicable) and unit capacity.
50CR

23
75 (24) 82 (28) 85 (29) 95 (35) 105 (41)
Pressure
(psig) 5 10152025
Pressure
(kPa) 3 6 8 11 14
024 10.3 ( 5.7 ) 9.8 ( 5.4 ) 9.4 ( 5.2 ) 9 ( 5 ) 8.6 ( 4.7 ) 189 61 56 51 46 41 1303 16 13 11 8 5
030 9.3 ( 5.2 ) 8.8 ( 4.9 ) 8.6 ( 4.8 ) 7.8 ( 4.3 ) 7 ( 3.9 ) 196 63 58 53 48 43 1351 17 15 12 9 6
036 17.6 ( 9.8 ) 16.8 ( 9.3 ) 16.5 ( 9.2 ) 15.4 ( 8.6 ) 14.3 ( 7.9 ) 203 66 61 56 51 46 1399 19 16 13 10 8
042 12.8 ( 7.1 ) 12.7 ( 7.1 ) 12.7 ( 7.1 ) 12.6 ( 7 ) 12.6 ( 7 ) 210 68 63 58 53 48 1448 20 17 14 11 9
048 17.5 ( 9.7 ) 16.9 ( 9.4 ) 16.6 ( 9.2 ) 15.7 ( 8.7 ) 14.8 ( 8.2 ) 217 70 65 60 55 50 1496 21 18 15 13 10
060 13.7 ( 7.6 ) 13 ( 7.2 ) 13 ( 7.2 ) 14.5 ( 8.1 ) 11.5 ( 6.4 ) 224 72 67 62 57 52 1544 22 19 16 14 11
231 74 69 64 59 54 1593 23 20 18 15 12
238 76 71 66 61 56 1641 24 21 19 16 13
245 77 72 67 62 57 1689 25 22 20 17 14
252 79 74 69 64 59 1737 26 23 21 18 15
260 81 76 71 66 61 1792 27 25 22 19 16
268 83 78 73 68 63 1848 29 26 23 20 17
276 85 80 75 70 65 1903 30 27 24 21 19
284 87 82 77 72 67 1958 31 28 25 22 20
292 89 84 79 74 69 2013 32 29 26 23 21
300 91 86 81 76 71 2068 33 30 27 24 22
309 93 88 83 78 73 2130 34 31 28 26 23
318 95 90 85 80 75 2192 35 32 29 27 24
327 97 92 87 82 77 2254 36 33 31 28 25
336 99 94 89 84 79 2316 37 34 32 29 26
345 101 96 91 86 81 2378 38 35 33 30 27
354 103 98 93 88 83 2440 39 36 34 31 28
364 105 100 95 90 85 2509 40 38 35 32 29
374 107 102 97 92 87 2578 41 39 36 33 30
384 108 103 98 93 88 2647 42 40 37 34 31
394 110 105 100 95 90 2716 44 41 38 35 32
404 112 107 102 97 92 2785 45 42 39 36 33
414 114 109 104 99 94 2854 46 43 40 37 34
424 116 111 106 101 96 2923 47 44 41 38 35
434 118 113 108 103 98 2992 48 45 42 39 36
444 119 114 109 104 99 3061 48 46 43 40 37
454 121 116 111 106 101 3130 49 47 44 41 38
464 123 118 113 108 103 3199 50 48 45 42 39
474 124 119 114 109 104 3268 51 48 46 43 40
484 126 121 116 111 106 3337 52 49 47 44 41
494 127 122 117 112 107 3406 53 50 47 45 42
504 129 124 119 114 109 3475 54 51 48 46 43
514 131 126 121 116 111 3544 55 52 49 46 44
524 132 127 122 117 112 3612 56 53 50 47 45
534 134 129 124 119 114 3681 56 54 51 48 45
8- Add Charge if the measured temperature is higher than the table value.
5- Interpolate if the Outdoor ambient temperature lies in between the table
values. Extrapolate if the temperature lies beyond the table range.
2- Measure the Liquid line temperature by attaching a temperature sensing
device to it.
3- Insulate the temperature sensing device so that the Outdoor Ambient
doesn’t affect the reading.
4- Refer to the required Subcooling in the table based on the model size and
the Outdoor Ambient temperature.
Required Subcooling oF (oC)
Model Size
Outdoor Ambient Temperature
Charging Procedure
Required Liquid Line Temperature for a Specific Subcooling (R-410A)
Required Subcooling (
o
C)Required Subcooling (
o
F)
1- Measure Discharge line pressure by attaching a gauge to the service port.
7- Read across from the Pressure reading to obtain the Liquid line
temperature for a required Subcooling
6- Find the Pressure Value in the table corresponding to the the measured
Pressure of the Compressor Discharge line.
C03027
Fig. 22 -- Cooling Charging Table--Subcooling
Table 3—ECM Wet Coil Pressure Drop (in. wg)
UNIT
SIZE
STANDARD CFM (SCFM)
600 700 800 900 1000 1100 1200 1300 1400 1500 1600 1700 1800 1900 2000 2100
024 0.005 0.007 0.010 0.012 0.015 – – – – – – – – – – –
030 –0.007 0.010 0.012 0.015 0.018 0.021 0.024 – – – – – – – –
036 –––0.019 0.023 0.027 0.032 0.037 0.042 0.047 – – – – – –
042 – – – – 0.014 0.017 0.020 0.024 0.027 0.031 0.035 0.039 0.043 – – –
048 – – – – – – 0.027 0.032 0.036 0.041 0.046 0.052 0.057 0.063 0.068 –
060 –––––––––0.029 0.032 0.036 0.040 0.045 0.049
0.053
Table 4—Filter Pressure Drop Table (in. wg)
FILTER SIZE CFM
500 600 700 800 900 1000 1100 1200 1300 1400 1500 1600 1700 1800 1900 2000 2100 2200 2300
20X20X1 0.05 0.07 0.08 0.1 0.12 0.13 0.14 0.15 ———————————
24X30X1 — — — — 0.05 0.6 0.07 0.07 0.08 0.09 0.1 ————————
24X36X1 ———————0.06 0.07 0.07 0.08 0.09 0.09 0.10 0.11 0.12 0.13 0.14 0.14
Table 5—Electric Heat Pressure Drop Table
Small Cabinet: 024--036
CFM
500 600 700 800 900 1000 1100 1200 1300 1400 1500 1600
5kw 0.00 0.00 0.00 0.00 0.00 0.00 0.00 0.00 0.02 0.04 0.06 0.07
7.2 kw 0.00 0.00 0.00 0.00 0.00 0.00 0.02 0.03 0.05 0.07 0.08 0.09
10 kw 0.00 0.00 0.00 0.00 0.00 0.02 0.04 0.06 0.07 0.09 0.10 0.11
15 kw 0.00 0.00 0.00 0.02 0.04 0.06 0.08 0.10 0.12 0.14 0.16 0.18
20 kw 0.00 0.00 0.02 0.04 0.06 0.08 0.09 0.11 0.13 0.15 0.17 0.19
50CR

24
Table 6—Electric Heat Pressure Drop Table
Large Cabinet: 042--060
CFM
1100 1200 1300 1400 1500 1600 1700 1800 1900 2000 2100 2200 2300 2400 2500
5kw 0.00 0.00 0.00 0.01 0.02 0.03 0.04 0.05 0.06 0.07 0.08 0.09 0.10 0.11 0.12
7.2 kw 0.00 0.00 0.01 0.02 0.03 0.04 0.05 0.06 0.07 0.08 0.09 0.10 0.11 0.12 0.13
10 kw 0.00 0.00 0.01 0.02 0.03 0.04 0.05 0.06 0.07 0.08 0.09 0.10 0.11 0.12 0.13
15 kw 0.00 0.02 0.03 0.04 0.05 0.06 0.07 0.08 0.09 0.10 0.11 0.12 0.13 0.14 0.15
20 kw 0.02 0.03 0.04 0.05 0.06 0.07 0.08 0.09 0.10 0.11 0.12 0.13 0.14 0.15 0.16
OF2
CESO130076–00
OF1
ON
QUIET
SHIFT
120
30
60
60
30
90
INTERVAL TIMER OFF
P3
DFT
O R W
2
Y C
T2 C C O
DFT
T1 Y P1 J1
SPEEDUP
Speedup
Pins
Defrost interval
DIP switches
Quiet
Shift
Fig. 23 -- Defrost Control
MAINTENANCE
To ensure continuing high performance, and to minimize the
possibility of premature equipment failure, periodic maintenance
must be performed on this equipment. This heat pump unit should
be inspected at least once each year by a qualified service person. To
troubleshoot unit, refer to Table 8, Troubleshooting Chart.
NOTE TO EQUIPMENT OWNER: Consult your local dealer
about the availability of a maintenance contract.
PERSONAL INJURY AND UNIT DAMAGE HAZARD
Failure to follow this warning could result in personal injury
or death and possible unit component damage.
The ability to properly perform maintenance on this
equipment requires certain expertise, mechanical skills, tools
and equipment. If you do not possess these, do not attempt to
perform any maintenance on this equipment, other than those
procedures recommended in the Owner’s Manual.
!
WARNING
ELECTRICAL SHOCK HAZARD
Failure to follow these warnings could result in serious injury
or death:
1. Turn off electrical power to the unit before performing any
maintenance or service on this unit.
2. Use extreme caution when removing panels and parts.
3. Never place anything combustible either on or in contact
with the unit.
!
WARNING
UNIT OPERATION HAZARD
Failure to follow this caution may result in equipment damage
or improper operation.
Errors made when reconnecting wires may cause improper
and dangerous operation. Label all wires prior to
disconnecting when servicing.
CAUTION
!
50CR

25
The minimum maintenance requirements for this equipment are as
follows:
1. Inspect air filter(s) each month. Clean or replace when
necessary.
2. Inspect indoor coil, drain pan, and condensate drain each
cooling season for cleanliness. Clean when necessary.
3. Inspect blower motor and wheel for cleanliness each cooling
season. Clean when necessary.
4. Check electrical connections for tightness and controls for
proper operation each cooling season. Service when
necessary.
Step 1—Air Filter
IMPORTANT: Never operate the unit without a suitable air filter
in the return--air duct system. Always replace the filter with the same
dimensional size and type as originally installed. See Table 1 for
recommended filter sizes.
Inspect air filter(s) at least once each month and replace
(throwaway--type) or clean (cleanable--type) at least twice during
each cooling season and twice during the heating season, or
whenever the filter becomes clogged with dust and lint.
Step 2—Indoor Blower and Motor
NOTE: All motors are pre--lubricated. Do not attempt to lubricate
these motors.
For longer life, operating economy, and continuing efficiency, clean
accumulated dirt and grease from the blower wheel and motor
annually.
ELECTRICAL SHOCK HAZARD
Failure to follow this warning could result in personal injury
or death.
Disconnect and tag electrical powerto the unit beforecleaning
and lubricating the blower motor and wheel.
!
WARNING
Step 3—Outdoor Coil, Indoor Coil, and Condensate
Drain Pan
Inspect the condenser coil, evaporator coil, and condensate drain
pan at least once each year.
The coils are easily cleaned when dry; therefore, inspect and clean
the coils either before or after each cooling season. Remove all
obstructions, including weeds and shrubs, that interfere with the
airflow through the condenser coil. Straighten bent fins with a fin
comb. If coated with dirt or lint, clean the coils with a vacuum
cleaner, using the soft brush attachment. Be careful not to bend the
fins. If coated with oil or grease, clean the coils with a mild detergent
and water solution. Rinse coils with clear water, using a garden hose.
Be careful not to splash water on motors, insulation, wiring, or air
filter(s). For best results, spray condenser coil fins from inside to
outside the unit. On units with an outer and inner condenser coil, be
sure to clean between the coils. Be sure to flush all dirt and debris
from the unit base.
Inspect the drain pan and condensate drain line when inspecting the
coils. Clean the drain pan and condensate drain by removing all
foreign matter from the pan. Flush the pan and drain trough with
clear water. Do not splash water on the insulation, motor, wiring, or
air filter(s). If the drain trough is restricted, clear it with a “plumbers
snake” or similar probe device.
Step 4—Outdoor Fan
UNIT OPERATION HAZARD
Failure to follow this caution may result in damage to unit
components.
Keep the condenser fan free from all obstructions to ensure
proper cooling operation. Never place articles on top of the
unit.
CAUTION
!
1. Remove 6 screws holding outdoor grille and motor to top
cover.
2. Turn motor/grille assembly upside down on top cover to
expose fan blade.
3. Inspect the fan blades for cracks or bends.
4. If fan needs to be removed, loosen setscrew and slide fan off
motor shaft.
5. When replacing fan blade, position blade so that the hub is
1/8 in. away from the motor end (1/8 in. of motor shaft will
be visible) (See Fig. 24).
6. Ensure that set screw engages the flat area on the motor shaft
when tightening.
7. Replace grille.
Infinity Top
A06035
UNIT SIZE “A” DIMENSION
Infinity
024 25
030 25
036 24
042 24
048 24
060 19
Fig. 24 -- Fan Blade Clearance
Step 5—Electrical Controls and Wiring
Inspect and check the electrical controls and wiring annually. Be
sure to turn off the electrical power to the unit.
Remove access panel to locate all the electrical controls and wiring.
Check all electrical connections for tightness. Tighten all screw
connections. If any smoky or burned connections are noticed,
disassemble the connection, clean all the parts, re--strip the wireend
and reassemble the connection properly and securely.
After inspecting the electrical controls and wiring, replace all the
panels. Start the unit, and observe at least one complete cooling
cycle to ensure proper operation. If discrepancies are observed in
operating cycle, or if a suspected malfunction has occurred, check
each electrical component with the proper electrical
instrumentation. Refer to the unit wiring label when making these
checks.
50CR

26
Balance Point Worksheet
0
10
20
30
40
50
60
70
-20 -10 0 10 20 30 40 50 60
Outdoor Air Temp (Deg F)
Building Heat Loss, 1000BTUH
Unit Integrated Heating Capacity,
1000BTUH
060
048
042
036
030
024
Based on Entering Indoor Air of 70 Deg. F and Rated CFM
C03008
Fig. 25 -- 50CR Balance Point Worksheet
Step 6—Refrigerant Circuit
Inspect all refrigerant tubing connections and the unit base for oil
accumulation annually. Detecting oil generally indicates a
refrigerant leak.
If oil is detected or if low performance is suspected, leak test all
refrigerant tubing using an electronic leak detector, or liquid--soap
solution. If a refrigerant leak is detected, refer to Check for
Refrigerant Leaks section.
If no refrigerant leaks are found and low performance is suspected,
refer to Checking and Adjusting Refrigerant Charge section.
Step 7—Indoor Airflow
Theheating and/or cooling airflowdoes notrequire checkingunless
improper performance is suspected. If a problem exists, be sure that
all supply-- and return--air grilles are open and free from
obstructions, and that the air filter is clean.
Step 8—Metering Devices--TXV & Accurater Piston
This unit uses 2 types of metering devices. The outdoor metering
device is a fixed orifice and iscontained in the brass--hex body in the
liquid line feeding the outdoor coils. The indoor metering device is
a TXV--type device.
Step 9—Pressure Switches
Pressure switches are protective devices wired into control circuit
(low voltage). They shut off compressor if abnormally high or low
pressures are present in the refrigeration circuit. These pressure
switches are specifically designed to operate with Puron (R--410A)
systems. R--22 pressure switches must not be used as replacements
for the Puron (R--410A) system.
C99097
Fig. 26 -- Refrigerant Circuit
Step 10—Loss--of--Charge Switch
This switch is located on the liquid line and protects against low
suction pressures caused by such events as loss of charge, low
50CR50CR

27
airflow across indoor coil, dirty filters, etc. It opens on a pressure
drop at about 20 psig. If system pressureis abovethis, switch should
be closed. To check switch:
1. Turn off all power to unit.
2. Disconnect leads on switch.
3. Apply ohm meter leads across switch. You should have
continuity on a good switch.
NOTE: Because these switches are attached to refrigeration system
under pressure, it is not advisable to remove this device for
troubleshooting unless you are reasonably certain that a problem
exists. If switch must be removed, remove and recover all system
charge so that pressure gauges read 0 psi. Never open system
without breaking vacuum with dry nitrogen.
Step 11—High--Pressure Switch
The high--pressure switch is located in the discharge line and
protects against excessive condenser coil pressure. It opens at 650
psig.
High pressure may be caused by a dirty outdoor coil, failed fan
motor, or outdoor air recirculation.
To check switch:
1. Turn off all power to unit.
2. Disconnect leads on switch.
3. Apply ohm meter leads across switch. You should have
continuity on a good switch.
Step 12—Copeland Scroll Compressor (Puron Refrigerant)
The compressor used in this product is specifically designed to
operate with Puron (R--410A) refrigerant and cannot be
interchanged.
The compressor is an electrical (as well as mechanical) device.
Exercise extreme caution when working near compressors. Power
should be shut off, if possible, for most troubleshooting techniques.
Refrigerants present additional safety hazards.
EXPLOSION, FIRE, ELECTRICAL SHOCK HAZARD
Failure to follow this warning could result in personal injury
or death and/or property damage.
Wear safety glasses and gloves when handling refrigerants.
Keep torches and other ignition sources away from
refrigerants and oils.
!
WARNING
The scroll compressor pumps refrigerant throughout the system by
the interaction of a stationary and an orbiting scroll. The scroll
compressor has no dynamic suction or discharge valves, and it is
more tolerant of stresses caused by debris, liquid slugging, and
flooded starts. The compressor is equipped with an anti--rotational
device and an internal pressure--relief port. The anti--rotational
device prevents the scroll from turning backwards and replaces the
need for a cycle protector.The pressure--relief port isa safety device,
designed to protect against extreme high pressure. The relief port
has an operating range between 550 and 625 psi differential
pressure.
The Copeland scroll compressor uses Mobil 3MA POE oil. This
is the only oil allowed for oil recharge.
Step 13—Refrigerant System
This step covers the refrigerant system of the 50CR, including the
compressor oil needed, servicing systems on roofs containing
synthetic materials, the filter drier, and refrigerant charging.
REFRIGERANT
PERSONAL INJURY, UNIT OPERATION HAZARD
Failure to follow this caution may result in personal injury,
equipment damage or improper operation.
This system uses Puron (R--410A) refrigerant which has
higher operating pressures than R--22 and other refrigerants.
No other refrigerant may be used in this system. Gauge set,
hoses, and recovery system must be designed to handlePuron.
If you are unsure, consult the equipment manufacturer.
CAUTION
!
COMPRESSOR OIL
The compressor in this system uses a polyolester (POE) oil, Mobil
3MA POE. This oil is extremely hygroscopic, meaning it absorbs
water readily. POE oils can absorb 15 times as much water as other
oils designed for HCFC and CFC refrigerants. Take all necessary
precautions to avoid exposure of the oil to the atmosphere.
SERVICING SYSTEMS ON ROOFS WITH SYNTHETIC
MATERIALS
POE (polyolester) compressor lubricants are known to cause long
term damage to some synthetic roofing materials.
Exposure, even if immediately cleaned up, may cause
embrittlement (leading to cracking) to occur in one year or more.
When performing any service that may risk exposure ofcompressor
oil to the roof, take appropriate precautions to protect roofing.
Procedures which risk oil leakage include, but are not limited to,
compressor replacement, repairing refrigerant leaks, and replacing
refrigerant components such as filter drier, pressure switch,
metering device, coil, accumulator, or reversing valve.
Synthetic Roof Precautionary Procedure
1. Cover extended roof working area with an impermeable
polyethylene (plastic) drip cloth or tarp. Cover an
approximate 10 X 10 ft area.
2. Cover area in front of the unit service panel with a terry cloth
shop towel to absorb lubricant spills and prevent run--offs,
and protect drop cloth from tears caused by tools or
components.
3. Place terry cloth shop towel inside unit immediately under
component(s) to be serviced and prevent lubricant run--offs
through the louvered openings in the unit base.
4. Perform required service.
5. Remove and dispose of any oil--contaminated material per
local codes.
LIQUID--LINE FILTER DRIER
The biflow filter drier is specifically designed to operate with Puron.
Use only factory--authorized components. Filter drier must be
replaced whenever the refrigerant system is opened. When
removing a filter drier, use a tubing cutter to cut the drier from the
system. Do not unsweat a filter drier from the system. Heat from
unsweating will release moisture and contaminants from drier into
system.
PURON (R--410A) REFRIGERANT CHARGING
Refer to unit information plate and charging chart. Some R--410A
refrigerant cylinders contain a dip tube to allow liquid
refrigerant to flow from cylinder in upright position. For
cylinders equipped with a dip tube, charge Puron
®
units with
cylinder in upright position and a commercial metering device in
manifold hose. Charge refrigerant into suction line.
50CR

28
Step 14—System Information
LOSS--OF--CHARGE SWITCH
The loss of charge switch is a protective device wired into control
circuit (low voltage). It shuts off the compressor if abnormally low
pressures are present in the refrigeration circuit.
NOTE: Because these switches are attached to refrigeration system
under pressure, it is not advisable to remove this device for
troubleshooting unless you are reasonably certain that a problem
exists. If switch must be removed, remove and recover all system
charge so that pressure gauges read 0 psi. Never open system
without breaking vacuum with dry nitrogen.
CHECK DEFROST THERMOSTAT
There is a liquid header with a brass distributor and feeder tube
going into outdoor coil. At the end of one of the feeder tubes, there
isa 3/8--in. OD stub tube approximately 3 in.long (SeeFig. 27). The
defrost thermostat should be located on stub tube.
NOTE: There is only one stub tube used with liquid header, and on
most units it is the bottom circuit.
The defrost thermostat signals heat pump that conditions are right
for defrost or that conditions have changed to terminate defrost. It
is a thermally--actuated switch clamped to outdoor coil to sense its
temperature. Normal temperature range is closed at 30°±3°Fand
open at 80°±5°F.
TROUBLESHOOTING
Refer to the Cooling and Heating Troubleshooting Chart (Table 7)
for troubleshooting information.
START--UP CHECKLIST
Use the Start--Up Checklist at the back of this manual.
Defrost
Sensor
Unit Top
Detail A
See
Detail A
A06068
Fig. 27 -- Defrost Sensor Location

29
HEAT PUMP WITH PURON
REFRIGERATION SECTION QUICK--REFERENCE GUIDE
Puron refrigerant operates at 50--70 percent higher pressures than R--22. Be sure that servicing equipment and replacement components are
designed to operate with Puron. Puron refrigerant cylinders are rose colored.
S
Puron refrigerant cylinders manufactured prior to March 1, 1999, have a dip tube that allows liquid to flow out of cylinder in
upright position. Cylinders manufactured March 1, 1999 and later DO NOT have a dip tube and MUST be positioned upside down
to allow liquid to flow.
S
Recovery cylinder service pressure rating must be 400 psig. DOT 4BA400 or DOT BW400.
S
Puron systems should be charged with liquid refrigerant. Use a commercial--type metering device in the manifold hose.
S
Manifold sets should be 750 psig high side and 200 psig low side with 520 psig low side retard.
S
Use hoses with 750 psig service pressure rating.
S
Leak detectors should be designed to detect HFC refrigerant.
S
Puron, as with other HFCs, is only compatible with POE oils.
S
Vacuum pumps will not remove moisture from oil.
S
Only use factory--specified liquid--line filter driers with rated working pressures no less than 600 psig.
S
Do not install a suction--line filter drier in liquid line.
S
POE oils absorb moisture rapidly. Do not expose oil to atmosphere.
S
POE oils may cause damage to certain plastics and roofing materials.
S
Wrap all filter driers and service valves with wet cloth when brazing.
S
A Puron liquid--line filter drier is required on every unit.
S
Do not use an R--22 TXV.
S
Never open system to atmosphere while it is under a vacuum.
S
When system must be opened for service, break vacuum with dry nitrogen and replace filter driers.
S
Do not vent Puron into the atmosphere.
S
Observe all warnings, cautions, and bold text.
S
Do not leave Puron suction line driers in place for more than 72 hrs.
50CR

30
Table 7—Troubleshooting Chart
SYMPTOM CAUSE REMEDY
Compressor and outdoor fan
will not start
Power failure Call power company
Fuse blown or circuit breaker tripped Replace fuse or reset circuit breaker
Defective contactor, transformer, control relay, defrost
board, or high--pressure, loss--
of--charge or low--pressure switch
Replace component
Insufficient line voltage Determine cause and correct
Incorrect or faulty wiring Check wiring diagram and rewire correctly
User Interface setting too low/too high ResetUIsetting
DO NOT bypass this compressor time
delay–wait for 5 minutes until time--delay
relay is de--energized
Units have a 5--minute time delay
Compressor will not start but condenser fan
runs
Faulty wiring or circuit
Loose connections in compressor Check wiring and repair or replace
Compressor motor burned out, seized, or Determine cause
internal overload open Replace compressor
Defective run capacitor, overload, or PTC (positive
temperature coefficient) thermistor Determine cause and replace
One leg of 3--phase power dead Replace fuse or reset circuit breaker
Determine cause
Low input voltage (20 percent low) Determine cause and correct
Three--phase scroll compressor (size 030-- Scroll compressor is rotating in the wrong direction Correct the direction of rotation by reversing the
060 unit) has a low pressure differential 3--phase power leads to the unit
Compressor cycles (other than normally satis-
fying) cooling/heating calls
Refrigerant overcharge or undercharge Recover refrigerant, evacuate system, and re-
charge to capacities shown on rating plate
Defective compressor Replace and determine cause
Insufficient line voltage Determine cause and correct
Blocked outdoor coil Determine cause and correct
Defective run/start capacitor, overload or start relay Determine cause and replace
Faulty outdoor fan motor or capacitor Replace
Damaged reversing valve Determine cause and correct
Restriction in refrigerant system Locate restriction and remove
Compressor operates continuously
Dirty air filter Replace filter
Unit undersized for load Decrease load or increase unit size
UI temperature set too low/too high ResetUIsetting
Low refrigerant charge Locate leak, repair, and recharge
Frosted coil with incorrect defrost operation
Check defrost time settings
Reset as necessary
Check defrost temperature switch
Replace as necessary
Air in system Recover refrigerant, evacuate system, and re-
charge
Outdoor coil dirty or restricted Clean coil or remove restriction
Excessive head pressure
Dirty air filter Replace filter
Dirty indoor or outdoor coil Clean coil
Refrigerant overcharged Recover excess refrigerant
Air in system Recover refrigerant, evacuate system, and re-
charge
(Heat) Indoor air restricted or recirculating Determine cause and correct
Indoor or outdoor air restricted or air short--cycling Determine cause and correct
(Continued next page)
50CR

31
Table 7—Troubleshooting Chart (Cont’d)
SYMPTOM CAUSE REMEDY
Head pressure too low Low refrigerant charge Check for leaks, repair and recharge
Restriction in liquid tube Remove restriction
Excessive suction pressure
(Cool) High Heat load Check for source and eliminate
Reversing valve hung up or leaking internally Replace valve
Refrigerant overcharged Recover excess refrigerant
Suction pressure too low
(Cool) Dirty air filter Replace filter
(Heat) Outdoor coil frosted Move timer on control board to 30 minutes between
defrost cycles
Low refrigerant charge Check for leaks, repair and recharge
Metering device or low side restricted Remove source of restriction
(Cool) Insufficient coil airflow Increase air quantity
Check filter–replace if necessary
(Cool) Temperature too low in conditioned area ResetUIsetting
(Cool) Outdoor ambient below 55°FInstall low--ambient kit
Filter drier restricted Replace
Compressor runs but outdoor fan does not NC (normally closed) contacts on defrost board
open
Check condition of relay on board
Replace if necessary
IFM does not run
Blower wheel not secured to shaft Properly tighten blower wheel to shaft
Insufficient voltage at motor Determine cause and correct
Power connectors not properly sealed Connectors should snap easily; do not force
IFM operation is intermittent
Water dripping into motor Verify proper drip loops in connector wires
Connectors not firmly sealed Gently pull wires individually to be sure they are
crimped into the housing
IFM--Indoor Fan Motor
50CR

32
START-UP CHECKLIST
(Remove and Store in Job File)
I. Preliminary Information
MODEL NO.:_________________________________
SERIAL NO.:__________________________________
DATE:_______________________________________
TECHNICIAN:_________________________________
II. PRE-START-UP (Insert checkmark in box as each item is completed)
( ) VERIFY THAT ALL PACKING MATERIALS HAVE BEEN REMOVED FROM UNIT
( ) REMOVE ALL SHIPPING HOLD DOWN BOLTS AND BRACKETS PER INSTALLATION INSTRUCTIONS
( ) CHECK ALL ELECTRICAL CONNECTIONS AND TERMINALS FOR TIGHTNESS
( ) CHECK GAS PIPING FOR LEAKS (WHERE APPLICABLE)
( ) CHECK THAT INDOOR (EVAPORATOR) AIR FILTER IS CLEAN AND IN PLACE
( ) VERIFY THAT UNIT INSTALLATION IS LEVEL
( ) CHECK FAN WHEEL, AND PROPELLER FOR LOCATION IN HOUSING/ORIFICE AND SETSCREW TIGHTNESS
( ) MAKE SURE THAT -
(If Applicable) ON 060 SIZE PURON HEATPUMP ONLY, THE TWO WIRE TIES FASTEN
TO THE OUTDOOR COILS AND REVERSING VALVE/ACCUMULATOR HAVE BEEN REMOVED
III. START-UP
ELECTRICAL
SUPPLY VOLTAGE __________________________________
COMPRESSOR AMPS_________________________________
INDOOR (EVAPORATOR) FAN AMPS___________
TEMPERATURES
OUTDOOR (CONDENSER) AIR TEMPERATURE ___________DB
RETURN-AIR TEMPERATURE ___________DB ___________WB
COOLING SUPPLY AIR ___________DB ___________WB
HEAT PUMP SUPPLY AIR ___________
ELECTRIC HEAT SUPPLY AIR ___________
PRESSURES
REFRIGERANT SUCTION ___________PSIG SUCTION LINE TEMP*___________
REFRIGERANT DISCHARGE ___________PSIG DISCHARGE TEMP†___________
( ) VERIFY REFRIGERANT CHARGE USING CHARGING CHARTS
*Measured at suction inlet to compressor
†Measured at liquid line leavin
g
condenser.
A05306
Copyright 2006 Carrier Corp. S7310 W. Morris St. SIndianapolis, IN 46231
Manufacturer reserves the right to change, at any time, specifications and designs without notice and without obligations.
Catalog No: 50CR--- 1SI
Replaces: New
Printed in U.S.A. Edition Date: 03/06
50CR