Carrier 90Ma Users Manual
90MA to the manual 344b9b09-d630-4611-b7f1-a716957e96fa
2015-01-24
: Carrier Carrier-90Ma-Users-Manual-310444 carrier-90ma-users-manual-310444 carrier pdf
Open the PDF directly: View PDF
.
Page Count: 22

90MA/MU
Single-Package Marine Cooling Units
Manufacturer reserves the right to discontinue, or change at any time, specifications or designs without notice and without incurring obligations
Printed in U.S.A. 90MA-3SI SUPERCEDES FORM 62-02971-00 09-2009
Pg 1
Installation, Operation and Service Instructions
SAFETY CONSIDERATIONS
The 90MA/MU Units are designed to provide safe and
reliable service when operated within design specifications.
However, due to system pressures, electrical components,
and equipment location, some aspects of installation,
operation and servicing of this equipment can be hazardous.
Only trained, qualified installers and service technicians
should install, operate, and service this equipment.
When working on the equipment, observe all precautions
on tags or labels attached to the unit. Safety notes in the
literature, and any other safety precautions that apply.
• Follow all safety codes.
• Wear safety glasses and work gloves.
• Use care in handling, rigging, and placing bulky
equipment.
WARNING
Never reach into unit while fan is running. Lock
open and tag power disconnect before working
on a fan. Remove the fuses and take them with
you after noting this on tag.
Check assembly and component weight to be
sure rigging equipment can handle them safely.
Note also any specific rigging instructions.
When steam cleaning coils, be sure area is
clear of personnel.
GENERAL
The 90MA/MU water cooled single-package cooling units
are designed to provide air conditioning aboard marine
vessels. The 90MA units are fitted with a water cooled
condenser and are factory charged, wired and piped. The
90MU units are similar to the 90MA except they are
configured for use of a remote mounted condenser.
An accessory discharge plenum may be installed to
provide free-blow into the conditioned space. Also, an
optional electric heater may be specified to provide comfort
heating.
INSTALLATION
Step 1 - Inspect Unit - Check unit against shipping order.
Inspect carefully for concealed shipping damage. If shipment
is damaged or incomplete, file claim with transportation
company and advise Carrier Transicold immediately.
CONTENTS Page
SAFETY CONSIDERATIONS........................................1
GENERAL .....................................................................1
INSTALLATION.............................................................1
Step 1- Inspect Unit .......................................................1
Step 2 - Protect Unit from Damage................................1
Step 3 - Provide Unit Support ........................................1
Step 4 - Rig and Place Unit............................................8
Step 5 - Install Accessory Plenum (If Supplied) ............8
Step 6 – Check Fan Shaft and Wheel Alignment ...........9
Step 7 - Install Ventilation Ductwork (If Required)..........9
Step 8 - Check Return-Air Filters ...................................9
Step 9 - Check Compressor Spring Mounts
(*08 & *12)................................................................9
Step 10 - Make Condenser Connections .......................9
Step 11 - Install Unit Drain Line ...................................11
Step 12 - Make Electrical Connections ........................12
OPERATION................................................................12
To Start Unit.................................................................12
To Shut Down Unit.......................................................12
Service Valves .............................................................12
SERVICE .....................................................................13
Return-Air Grill Removal ..............................................13
Access Panel Removal ................................................13
Evaporator Fan Adjustment .........................................13
Lubrication ...................................................................13
Return-Air Filters..........................................................13
Condensate Drains ......................................................13
Evaporator Coil ............................................................14
Water Regulating Valve ...............................................14
Condenser ...................................................................14
Charging the System....................................................15
Evaporator Fan Motor Removal...................................15
Pressure Relief Device.................................................15
Crankcase Heater ........................................................15
Cycle-LOCTM Protection Device...................................15
Discharge And Suction Pressure Switches ..................16
Oil Charge....................................................................16
WIRING SCHEMATIC - *04/*06...................................17
COMPONENT ARRANGEMENT - *04/*06..................18
WIRING SCHEMATIC - *08/*12...................................19
COMPONENT ARRANGEMENT - *08/*12..................20
UNIT SUPPORT DRAWINGS .....................................21
Step 2 - Protect Unit from Damage - To maintain warranty,
protect unit against adverse weather, theft, or vandalism on
job site.
Step 3 - Provide Unit Support - Refer to Figure 2 and
Tables 1A/B/C/2A/B/C for unit size and weight. If desired,
construct a frame of I-beams or angle iron that adequately
supports unit. See unit support drawings contained in this
document.

Manufacturer reserves the right to discontinue, or change at any time, specifications or designs without notice and without incurring obligations
Printed in U.S.A. 90MA-3SI SUPERCEDES FORM 62-02971-00 09-2009
Pg 2
TABLE 1A - 90MA/MU PHYSICAL DATA – R-134A , ENGLISH UNITS (See Table 2A for SI units)
LEGEND
FPT = Female Pipe Thread MPT = Male Pipe Thread ODF = Outside Diameter Female
NOTES:
1. Motors other than those furnished with unit must be purchased separately. Contact your Carrier Marine representative
BASE UNIT (90MA/MU) UNITS 308 312
NOMINAL CAPACITY Tons 5.5 8
REFRIGERANT
OPERATING WEIGHT
Base unit 90MA Pounds 895 950
Base Unit 90MU Pounds N/ N/
Discharge Plenum Pounds 50 50
COMPRESSOR TYPE
Qty Cylinders 4 6
Qty Unloading Cylinders 0 2
Qty Capacity Steps 1 2
DISCHARGE PRESSURE SWITCH
Opens (90MA) PSIG
Closes (90MA) PSIG
Opens (90MU) PSIG
Closes (90MU) PSIG
SUCTION PRESSURE SWITCH
Opens PSIG
Closes PSIG
REFRIGERANT
Typ
Qty (90MA ONLY)) Pounds 11.2 10
CONDENSER (90MA ONLY)
Number...Type
Water Volume Gallons
EVAPORATOR AIR FAN
Nominal Flow CFM 3000 4000
Standard Speed Range RPM 487-690 591-838
Maximum Allowable Speed RPM
Belt Qty/Pulley Pitch Diamete
r
Inches 1 / 8.5 1 / 7.0
Motor Pulley Pitch Diameter Range Inches
Motor Nominal Rating (@ 60Hz)…Frame Size
Standard HP 1…56 2…56
Alternate (SeeNote 1) HP 2…56 3…56
Alternate (See Note 1) HP 3…56 N/
EVAPORATOR COIL
Tube
Qty Rows…Fin Spacing Fins/Inch
Face Area Sq Ft 7.3 8.5
RETURN AIR FILTERS
Qty…Size Inches
CONDENSER CONNECTIONS (90MA ONLY)
Water Inlet (bottom) Inches FPT 1 1
Water Outler (top) Inches FPT 1 1
Maximum Working Pressure (Refrigerant Side) PSIG
CONDENSATE DRAIN CONNECTIONS Inches FPT
ACCESSORY ELECTRIC HEAT
Capacity @ 460 volts Watts
Capacity @ 400 volts Watts
Number of Electric Heat Stages
R-
R-
Semi-Hermetic, Recip
1…Tube in Tube
1250
Adjustable, Belt Driven Centrifugal: 1750 RPM Motor@ 60hz
7+/-3
22+/-5
2.42
335+/-10
235+/-10
N/
N/
2.4 to 3.4 inches
3/8 OD, Copper Tubes, Aluminum Fin
3…12.5
Prime
Factory Supplied, Cleanable
4…16 x 20 x 1
17.5
13.4
2
400
3/4

Manufacturer reserves the right to discontinue, or change at any time, specifications or designs without notice and without incurring obligations
Printed in U.S.A. 90MA-3SI SUPERCEDES FORM 62-02971-00 09-2009
Pg 3
TABLE 1B - 90MA/MU PHYSICAL DATA – R-407C , ENGLISH UNITS (See Table 2B for SI units)
LEGEND
FPT = Female Pipe Thread MPT = Male Pipe Thread ODF = Outside Diameter Female
NOTES:
1. Motors other than those furnished with unit must be purchased separately. Contact your Carrier Marine representative
BASE UNIT (90MA/MU) UNITS 404 406 408 412
NOMINAL CAPACITY Tons 3 5 7.5 10
REFRIGERANT
OPERATING WEIGHT
Base unit 90MA Pounds 390 427 895 950
Base Unit 90MU Pounds 330 360 835 890
Discharge Plenum Pounds 25 25 50 50
COMPRESSOR TYPE
Qty Cylinders 4 6
Qty Unloading Cylinders 0 2
Qty Capacity Steps 1 2
DISCHARGE PRESSURE SWITCH
Opens (90MA) PSIG
Closes (90MA) PSIG
Opens (90MU) PSIG
Closes (90MU) PSIG
SUCTION PRESSURE SWITCH
Opens PSIG
Closes PSIG
REFRIGERANT
Typ
Qty (90MA ONLY)) Pounds 3.1 5.3 11.2 10.0
CONDENSER (90MA ONLY)
Number...Type
Water Volume Gallons 0.39 0.86
EVAPORATOR AIR FAN
Nominal Flow CFM 1200 2000 3000 4000
Standard Speed Range RPM 647-914 647-915 487-690 591-838
Maximum Allowable Speed RPM
Belt Qty/Pulley Pitch Diamete
r
Inches 1 / 6.4 1 / 6.4 1 / 8.5 1 / 7.0
Motor Pulley Pitch Diameter Range Inches
Motor Nominal Rating (@ 60Hz)…Frame Size
Standard HP 1/3…56 3/4…56 1…56 2…56
Alternate (SeeNote 1) HP 3/4…56 1…56 2…56 3…56
Alternate (See Note 1) HP N/ N/ 3…56 N/
EVAPORATOR COIL
Tube
Qty Rows…Fin Spacing Fins/Inch 2…14.4 3…14.4
Face Area Sq Ft 5 5 7.3 8.5
RETURN AIR FILTERS
Qty…Size Inches
CONDENSER CONNECTIONS (90MA ONLY)
Water Inlet (bottom) Inches FPT 1/2 3/4 1 1
Water Outler (top) Inches FPT 1/2 3/4 1 1
Maximum Working Pressure (Refrigerant Side) PSIG
CONDENSATE DRAIN CONNECTIONS Inches FPT
ACCESSORY ELECTRIC HEAT
Capacity @ 460 volts Watts
Capacity @ 400 volts Watts
Number of Electric Heat Stages
1
R-407C
395+/-10
295+/-10
426+/-7
320+/-20
N/
N/
R-407C
Scroll Semi-Hermetic, Recip
27+/-4
67+/-4
1…Tube in Tube
3/8 OD, Copper Tubes, Aluminum Fin
Prime
2.42
Adjustable, Belt Driven Centrifugal: 1750 RPM Motor @ 60hz
1250
3…12.5
Factory Supplied, Cleanable
2…16 x 25 x 1 4…16 x 20 x 1
2.4 to 3.4 inches
17.5
13.44.03
400
3/4
5.25
1 2

Manufacturer reserves the right to discontinue, or change at any time, specifications or designs without notice and without incurring obligations
Printed in U.S.A. 90MA-3SI SUPERCEDES FORM 62-02971-00 09-2009
Pg 4
TABLE 1C - 90MA/MU PHYSICAL DATA – R-404A , ENGLISH UNITS (See Table 2C for SI units)
LEGEND
FPT = Female Pipe Thread MPT = Male Pipe Thread ODF = Outside Diameter Female
NOTES:
1. Motors other than those furnished with unit must be purchased separately. Contact your Carrier Marine representative
BASE UNIT (90MA/MU) UNITS 504 506 508 512
NOMINAL CAPACITY Tons 3 57.5 10
REFRIGERANT
OPERATING WEIGHT
Base unit 90MA Pounds 390 427 895 950
Base Unit 90MU Pounds 330 360 835 890
Discharge Plenum Pounds 25 25 50 50
COMPRESSOR TYPE
Qty Cylinders 4 6
Qty Unloading Cylinders 0 2
Qty Capacity Steps 1 2
DISCHARGE PRESSURE SWITCH
Opens (90MA) PSIG
Closes (90MA) PSIG
Opens (90MU) PSIG
Closes (90MU) PSIG
SUCTION PRESSURE SWITCH
Opens PSIG
Closes PSIG
REFRIGERANT
Typ
Qty (90MA ONLY)) Pounds 3.1 5.3 11.2 10.0
CONDENSER (90MA ONLY)
Number...Type
Water Volume Gallons 0.39 0.86
EVAPORATOR AIR FAN
Nominal Flow CFM 1200 2000 3000 4000
Standard Speed Range RPM 647-915 647-915 487-690 591-838
Maximum Allowable Speed RPM
Belt Qty/Pulley Pitch Diamete
r
Inches 1 / 6.4 1 / 6.4 1 / 8.5 1 / 7.0
Motor Pulley Pitch Diameter Range Inches
Motor Nominal Rating (@ 60Hz)…Frame Size
Standard HP 1/3…56 3/4…56 1…56 2…56
Alternate (SeeNote 1) HP 3/4…56 1…56 2…56 3…56
Alternate (See Note 1) HP N/ N/ 3…56 N/
EVAPORATOR COIL
Tube
Qty Rows…Fin Spacing Fins/Inch 2…14.4 3…14.4
Face Area Sq Ft 5 5 7.3 8.5
RETURN AIR FILTERS
Qty…Size Inches
CONDENSER CONNECTIONS (90MA ONLY)
Water Inlet (bottom) Inches FPT 1/2 3/4 1 1
Water Outler (top) Inches FPT 1/2 3/4 1 1
Maximum Working Pressure (Refrigerant Side) PSIG
CONDENSATE DRAIN CONNECTIONS Inches FPT
ACCESSORY ELECTRIC HEAT
Capacity @ 460 volts Watts
Capacity @ 400 volts Watts
Number of Electric Heat Stages
1
R-
N/
N/
R-
Semi-Hermetic, RecipScroll
2.42
395+/-10
295+/-10
426+/-7
320+/-20
27+/-4
67+/-4
2…16 x 25 x 1 4…16 x 20 x 1
Adjustable, Belt Driven Centrifugal: 1750 RPM Motor @ 60hz
1250
2.4 to 3.4 inches
3/8 OD, Copper Tubes, Aluminum Fin
Prime 3…12.5
Factory Supplied, Cleanable
2
400
3/4
1…Tube in Tube
17.5
13.4
5.25
4.03
1

Manufacturer reserves the right to discontinue, or change at any time, specifications or designs without notice and without incurring obligations
Printed in U.S.A. 90MA-3SI SUPERCEDES FORM 62-02971-00 09-2009
Pg 5
TABLE 2A - 90MA/MU PHYSICAL DATA – R-134A , SI UNITS
LEGEND
FPT = Female Pipe Thread MPT = Male Pipe Thread ODF = Outside Diameter Female
NOTES:
1. Motors other than those furnished with unit must be purchased separately. Contact your Carrier Marine representative
BASE UNIT (90MA/MU) UNITS 308 312
NOMINAL CAPACITY kW 19.3 28.1
REFRIGERANT
OPERATING WEIGHT
Base unit 90MA kg 406 431
Base Unit 90MU kg N/ N/
Discharge Plenum kg 22.7 22.7
COMPRESSOR TYPE
Qty Cylinders 4 6
Qty Unloading Cylinders 0 2
Qty Capacity Steps 1 2
DISCHARGE PRESSURE SWITCH
Opens (90MA) kPa
Closes (90MA) kPa
Opens (90MU) kPa
Closes (90MU) kPa
SUCTION PRESSURE SWITCH
Opens kPa
Closes kPa
REFRIGERANT
Typ
Qty (90MA ONLY)) kg 5.1 4.5
CONDENSER (90MA ONLY)
Number...Type
Water Volume Lite
r
EVAPORATOR AIR FAN
Nominal Flow m3/h
r
4245 5660
Standard Speed Range RPM 402-570 488-692
Maximum Allowable Speed RPM
Belt Qty/Pulley Pitch Diamete
r
cm 1 / 21.6 1 / 17.8
Motor Pulley Pitch Diameter Range cm
Motor Nominal Rating (@ 60Hz)…Frame Size
Standard kW 0.75…56 1.5…56
Alternate (SeeNote 1) kW 1.5…56 2.2…56
Alternate (See Note 1) kW 2.2…56 N/
EVAPORATOR COIL
Tube
Qty Rows…Fin Spacing Fins/cm
Face Area m2 0.68 0.79
RETURN AIR FILTERS
Qty…Size cm
CONDENSER CONNECTIONS (90MA ONLY)
Water Inlet (bottom) Inches FPT 1 1
Water Outler (top) Inches FPT 1 1
Maximum Working Pressure (Refrigerant Side) kPa
CONDENSATE DRAIN CONNECTIONS Inches FPT
ACCESSORY ELECTRIC HEAT
Capacity @ 460 volts kW
Capacity @ 400 volts kW
Number of Electric Heat Stages
R-
Semi-Hermetic, Recip
2310+/-69
1620+/-138
N/
N/
48+/-12
152+/-35
R-
1…Tube in Tube
9.2
Adjustable, Belt Driven Centrifugal:1750 RPM Motor @60hz
1250
6.1 to 8.6 cm
3/8 OD, Copper Tubes, Aluminum Fin
Prime
3…4.9
Factory Supplied, Cleanable
2758
4…40.6 x 50.8 x 2.5
3/4
17.5
2
13.4

Manufacturer reserves the right to discontinue, or change at any time, specifications or designs without notice and without incurring obligations
Printed in U.S.A. 90MA-3SI SUPERCEDES FORM 62-02971-00 09-2009
Pg 6
TABLE 2B - 90MA/MU PHYSICAL DATA – R-407C , SI UNITS
LEGEND
FPT = Female Pipe Thread MPT = Male Pipe Thread ODF = Outside Diameter Female
NOTES:
1. Motors other than those furnished with unit must be purchased separately. Contact your Carrier Marine representative
BASE UNIT (90MA/MU) UNITS 404 406 408 412
NOMINAL CAPACITY kW 10.5 17.6 26.4 35.1
REFRIGERANT
OPERATING WEIGHT
Base unit 90MA kg 177 194 406 431
Base Unit 90MU kg 150 163 379 404
Discharge Plenum kg 11.3 11.3 22.7 22.7
COMPRESSOR TYPE
Qty Cylinders 4 6
Qty Unloading Cylinders 0 2
Qty Capacity Steps 1 2
DISCHARGE PRESSURE SWITCH
Opens (90MA) kPa
Closes (90MA) kPa
Opens (90MU) kPa
Closes (90MU) kPa
SUCTION PRESSURE SWITCH
Opens kPa
Closes kPa
REFRIGERANT
Typ
Qty (90MA ONLY)) kg 1.4 2.4 5.1 4.5
CONDENSER (90MA ONLY)
Number...Type
Water Volume Lite
r
1.48 3.3
EVAPORATOR AIR FAN
Nominal Flow m3/h
r
1698 2830 4245 5660
Standard Speed Range RPM 534-757 534-757 402-570 488-692
Maximum Allowable Speed RPM
Belt Qty/Pulley Pitch Diamete
r
cm 1 / 16.3 1 / 16.3 1 / 21.6 1 / 17.8
Motor Pulley Pitch Diameter Range cm
Motor Nominal Rating (@ 60Hz)…Frame Size
Standard kW 0.25…56 0.56…56 0.75…56 1.5…56
Alternate (SeeNote 1) kW 0.56…56 0.75…56 1.5…56 2.2…56
Alternate (See Note 1) kW N/ N/ 2.2…56 N/
EVAPORATOR COIL
Tube
Qty Rows…Fin Spacing Fins/cm 2…5.7 3…5.7
Face Area m2 0.46 0.46 0.68 0.79
RETURN AIR FILTERS
Qty…Size cm
CONDENSER CONNECTIONS (90MA ONLY)
Water Inlet (bottom) Inches FPT 1/2 3/4 1 1
Water Outler (top) Inches FPT 1/2 3/4 1 1
Maximum Working Pressure (Refrigerant Side) kPa
CONDENSATE DRAIN CONNECTIONS Inches FPT
ACCESSORY ELECTRIC HEAT
Capacity @ 460 volts kW
Capacity @ 400 volts kW
Number of Electric Heat Stages
R-407C
Scroll Semi-Hermetic, Recip
N/
N/
1
2725+/-69
2034+/-138
2937+/-48
2206+/-138
186+/-28
462+/-48
R-407C
1…Tube in Tube 9.2
Adjustable, Belt Driven Centrifugal: 1750 RPM Motor@60hz
1250
6.1 to 8.6 cm
3/8 OD, Copper Tubes, Aluminum Fin
Prime 3…4.9
Factory Supplied, Cleanable
2758
2…40.6 x 63.5 x 2.5 4…40.6 x 50.8 x 2.5
3/4
5.25 17.5
1 2
4.03 13.4

Manufacturer reserves the right to discontinue, or change at any time, specifications or designs without notice and without incurring obligations
Printed in U.S.A. 90MA-3SI SUPERCEDES FORM 62-02971-00 09-2009
Pg 7
TABLE 2C - 90MA/MU PHYSICAL DATA – R-404A , SI UNITS
LEGEND
FPT = Female Pipe Thread MPT = Male Pipe Thread ODF = Outside Diameter Female
NOTES:
1. Motors other than those furnished with unit must be purchased separately. Contact your Carrier Marine representative
BASE UNIT (90MA/MU) UNITS 504 506 508 512
NOMINAL CAPACITY kW 10.5 17.6 26.4 35.1
REFRIGERANT
OPERATING WEIGHT
Base unit 90MA kg 177 194 406 431
Base Unit 90MU kg 150 163 379 404
Discharge Plenum kg 11.3 11.3 22.7 22.7
COMPRESSOR TYPE
Qty Cylinders 4 6
Qty Unloading Cylinders 0 2
Qty Capacity Steps 1 2
DISCHARGE PRESSURE SWITCH
Opens (90MA) kPa
Closes (90MA) kPa
Opens (90MU) kPa
Closes (90MU) kPa
SUCTION PRESSURE SWITCH
Opens kPa
Closes kPa
REFRIGERANT
Typ
Qty (90MA ONLY)) kg 1.4 2.4 5.1 4.5
CONDENSER (90MA ONLY)
Number...Type
Water Volume Lite
r
1.48 3.3
EVAPORATOR AIR FAN
Nominal Flow m3/h
r
1698 2830 4245 5660
Standard Speed Range RPM 534-757 534-757 402-570 488-692
Maximum Allowable Speed RPM
Belt Qty/Pulley Pitch Diameter cm 1 / 16.3 1 / 16.3 1 / 21.6 1 / 17.8
Motor Pulley Pitch Diameter Range cm
Motor Nominal Rating (@ 60Hz)…Frame Size
Standard kW 0.25…56 0.56…56 0.75…56 1.5…56
Alternate (SeeNote 1) kW 0.56…56 0.75…56 1.5…56 2.2…56
Alternate (See Note 1) kW N/ N/ 2.2…56 N/
EVAPORATOR COIL
Tube
Qty Rows…Fin Spacing Fins/cm 2…5.7 3…5.7
Face Area m2 0.46 0.46 0.68 0.79
RETURN AIR FILTERS
Qty…Size cm
CONDENSER CONNECTIONS (90MA ONLY)
Water Inlet (bottom) Inches FPT 1/2 3/4 1 1
Water Outler (top) Inches FPT 1/2 3/4 1 1
Maximum Working Pressure (Refrigerant Side) kPa
CONDENSATE DRAIN CONNECTIONS Inches FPT
ACCESSORY ELECTRIC HEAT
Capacity @ 460 volts kW
Capacity @ 400 volts kW
Number of Electric Heat Stages
R-
Scroll Semi-Hermetic, Recip
N/
N/
1
2725+/-69
2034+/-138
2937+/-48
2206+/-138
186+/-28
462+/-48
R-
1…Tube in Tube 9.2
Adjustable, Belt Driven Centrifugal: 1750 RPM Motor@60hz
1250
6.1 to 8.6 cm
3/8 OD, Copper Tubes, Aluminum Fin
Prime 3…4.9
Factory Supplied, Cleanable
4…40.6 x 50.8 x 2.5
2758
2…40.6 x 63.5 x 2.5
3/4
5.25 17.5
13.4
1 2
4.03

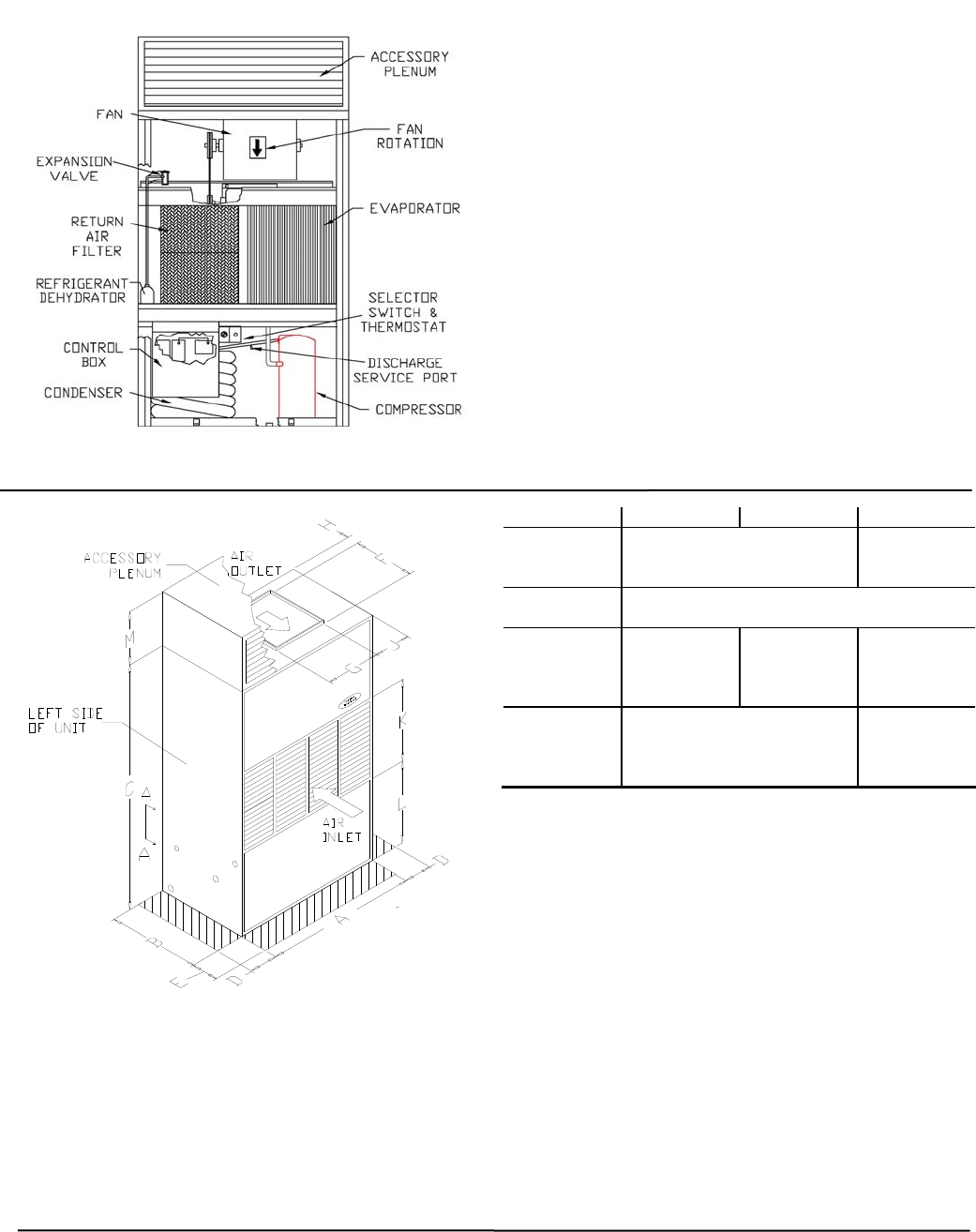
FIGURE 1 - BASE UNIT INTERIOR DETAILS
(TYPICAL UNIT SHOWN)
Step 4 - Rig and Place Unit -
NOTE: Install accessories before placing unit.
a. Provide space around unit for service, filter access, and
overhead clearance as indicated in Figure 2.
b. Move and store unit in upright position.
c. Use slings with spacer under base skid to prevent panel
damage when using hoist.
d. Units as shipped are adequately dampened against
vibration. If additional dampening is desired, place
sponge rubber or rubber mat, between deck and base of
unit or install vibration isolators.
e. Unit should be level. Unit leveling tolerance is 1/8 in. per
linear ft in any direction.
Step 5 - Install Accessory Plenum (If Supplied) - Use
plenum as template to mark hole locations in top panel. Drill
0.154-in. holes in top panel at marked locations and attach
plenum with screws supplied.
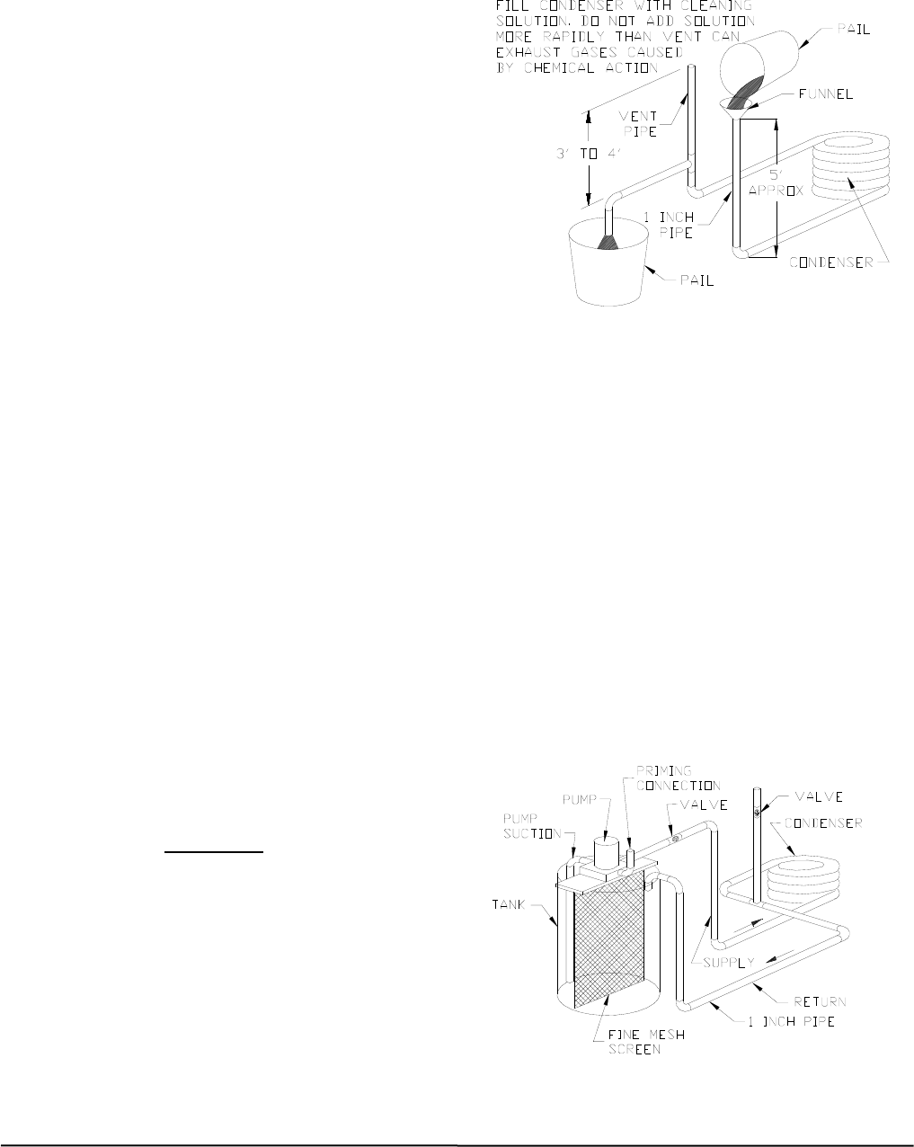
UNIT *04 *06 *08,*12
A
B
C
36.13(918)
21.63(549)
59.25(1505)
48.26(1226)
29.88(759)
72.00(1828)
D SEE NOTE 2
E 24(51)
F
G
H
J
11.25(286)
13.00 (330)
0.75(19)
11.59(294)
13.50(343)
15.50(394)
0.75(19)
10.34(263)
15.63(397)
18.38(466)
1.00 (25)
11.37(289)
K
L
M
17.13(435)
20.38(519)
17.11(435)
24.20(615)
25.50(646)
17.11(435)
NOTES:
1. Certified dimension drawings available upon request
2. Minimum required clearance at back of unit is zero.
Clearance above and at right (90MA*08,*12 only) and at
left of unit depends on space required for accessory
plenum, ductwork, condenser piping, accessory heater
piping, condensate drain line and power wiring
3. Water connections are located on left side of unit (Refer
to “Make Condenser Connections”, Condensate drain
connections are located on left side of unit for *04 & *06,
and on both sides of unit for *08 & *12.
FIGURE 2 - UNIT DIMENSIONS
Manufacturer reserves the right to discontinue, or change at any time, specifications or designs without notice and without incurring obligations
Printed in U.S.A. 90MA-3SI SUPERCEDES FORM 62-02971-00 09-2009
Pg 8

DIMENSION “D” MUST BE
EQUAL ALL AROUND
FIGURE 3 - HORIZONTAL WHEEL CENTERING
FIGURE 4 - CONCENTRIC WHEEL ALIGNMENT
Step 6 – Check Fan Shaft and Wheel Alignment-
HORIZONTAL WHEEL CENTERING - All wheels must be
horizontally centered between the inside edges of their fan
scroll ventures (Figure. 3).
Adjust as follows:
a. Loosen set screws holding wheel to shaft.
b. Center the wheel by sliding it horizontally.
c. Re-tighten set screws.
CONCENTRIC ALIGNMENT - Shaft and wheels must be
concentrically centered with the venturi (Figure. 4). Shaft
bearings are supported by bearing supports. If shaft and
wheels are concentrically misaligned from shipping shock,
it is possible to re-bend bearing support arms to original
positions. Replace the bearing support if it has been
extensively damaged during shipping.
Step 7 - Install Ventilation-Air Ductwork (If required)-
Connect ventilation ducts to flanges on outside-air supply
opening (Figure. 2) using a flexible connection. Attach
ductwork to ship structure, insulate and cover with vapor
barrier to reduce sound transmission and prevent vapor
condensation.
Weatherproof external ductwork, joints, and openings
in accordance with applicable codes. Ducts passing
through an unconditioned space must be insulated and
covered with a vapor barrier.
Step 8 - Check Return-Air Filters - Ensure filters shipped
with unit are in place. Never operate unit without return air
filters in place.
Step 9 - Check Compressor Spring Mounts (*08 & *12
size only) - The compressors are held rigid in shipment by
bolts extending through a washer, grommet and
compressor foot into a weld nut.
Loosen each bolt (4 per compressor) until compressor
floats freely on springs. Then re-tighten bolts until there is
slight pressure on the neoprene gasket. This will steady
the compressor and prevent start and stop rocking.
The compressors have reversible oil pumps that
operate in either direction; therefore, the direction of
rotation need not be checked.
Step 10 - Make Condenser Connections
UNIT MOUNTED 90MA UNITS- Piping arrangements for
condenser cooling water are shown in Figure. 5.
Condensers have water inlet and outlet connections as
shown in Figure 6.
Connect condenser water supply and return lines as
indicated. When connecting water lines, hold the
condenser inlet and outlet stubs firmly with a wrench at the
female pipe thread hex fitting to prevent twisting. Do not
use water lines smaller than connection sizes shown in
Figure 6. Observe all applicable plumbing and sanitary
codes.
FIGURE 5 - TYPICAL CONDENSER WATER PIPING
Install water-regulating valve in water supply line
outside cabinet as follows.
Manufacturer reserves the right to discontinue, or change at any time, specifications or designs without notice and without incurring obligations
Printed in U.S.A. 90MA-3SI SUPERCEDES FORM 62-02971-00 09-2009
Pg 9

Manufacturer reserves the right to discontinue, or change at any time, specifications or designs without notice and without incurring obligations
Printed in U.S.A. 90MA-3SI SUPERCEDES FORM 62-02971-00 09-2009
Pg 10
a. Route regulating valve capillary with its flare nut to the
fitting on refrigerant discharge line (Figure. 1), using
any convenient unused opening on side of unit. Use a
grommet in panel to prevent chafing of capillary.
b. Remove cap from discharge line fitting.
c. Remove cotter pin taped to discharge line fitting. Insert
pin, split end first, into regulating valve flare
d. Hold flare tightly against fitting while connecting flare
nut. Round end of cotter pin will depress core of fitting.
The opened fitting allows refrigerant pressure to act on
water regulating valve. Tighten nut to prevent leakage.
Fitting automatically seals when nut is removed.
90MU UNITS-Install remote mounted condenser in
accordance with the installation instructions provided with
condenser. Recommended line sizes are given in Table 3.
Additional instructions can be found in Carrier System
Design Manual, Part 3, for standard refrigeration piping
techniques. On *08 and *12 size units, secure discharge
line to bracket at unit outlet using proper clamp from
supplied fastener package
Condenserless (90MU) units are shipped with a
refrigerant holding charge. After refrigerant connections
are made, leak test, reclaim refrigerant, evacuate, and
charge system as described in “Service, Charging The
System”.
A = Condensate, ¾ inch Female Pipe Thread,
B = Electrical Opening,
C = Condenser In, 1 inch FPT,
D = Condenser Out, 1 Inch FPT
FIGURE 6 - CONNECTION LOCATIONS

TABLE 3 - RECOMMENDED LINE SIZES (INCHES) REMOTE CONDENSERS
DISCH LIQUID DISCH LIQUID DISCH LIQUID DISCH LIQUID
404 R-407C 1/2 3/8 5/8 3/8 5/8 3/8 5/8 3/8
406 R-407C 5/8 3/8 3/4 3/8 3/4 3/8 3/4 3/8
408 R-407C 3/4 1/2 3/4 1/2 7/8 1/2 7/8 1/2
412 R-407C 7/8 1/2 7/8 1/2 7/8 1/2 1-1/8 5/8
504 R-404A 5/8 3/8 5/8 3/8 3/4 3/8 3/4 3/8
506 R-404A 3/4 1/2 3/4 1/2 7/8 1/2 7/8 1/2
508 R-404A 7/8 1/2 7/8 1/2 1-1/8 1/2 1-1/8 5/8
512 R-404A 7/8 5/8 1-1/8 5/8 1-1/8 5/8 1-1/8 5/8
* Recommended line sizes correspond to 2 degree F drop.
LENGTH OF RUN
UNIT
90MU
REFRIGERANT
TYPE 76-10051-7526-500-25
NOTES:
1. Pipe sizes should never be smaller than cooling unit connection size.
2. Table is based on 2 degree F drop over entire length. Excessive (more than a few) elbows
and fittings will significantly affect pressure drop. If this situation exists, line sizing must be re-
calculated.
Step 11 - Install Unit Drain Line - Install a trapped
condensate drain line at unit drain connection The drain
requires standard pipe connected to condensate pan
nipple(s). Figure 7 shows proper trap design.
Determine design negative static pressure. This
pressure is not the same as fan total static pressure, which
includes pressure losses downstream as well as upstream
from the evaporator air fan. Always assume the worst
conditions, such as having return air filters clogged with
debris.
Referring to Figure 7, differential 1 must be equal to or
larger than negative static pressure at design operating
condition. Store enough water in trap to prevent losing
seal. Differential 2 must be equal to or larger than one-half
the maximum negative static pressure. To avoid loss of
seal when the fan starts, differential 3 must be greater
than the maximum negative static pressure.
Do not use drain line smaller than 3/4 inch. Use hole(s)
provided in panel for drain line. Pitch drain line downward
toward scupper. Installation of a plugged tee is
recommended for cleaning. Fill trap with water to make an
air seal. Observe all sanitary requirements. FIGURE 7 - CONDENSATE DRAIN TRAP
Manufacturer reserves the right to discontinue, or change at any time, specifications or designs without notice and without incurring obligations
Printed in U.S.A. 90MA-3SI SUPERCEDES FORM 62-02971-00 09-2009
Pg 11

Step 12 - Make Electrical Connections
GENERAL - Provide an adequate fused disconnect switch
within sight of the unit. Provision for locking switch open
(OFF) is advisable to prevent power from being turned on
when unit is being serviced.
POWER WIRING - Conduit opening for all units is on left
side of unit near control box. Connect field power wires at
the compressor contactor.
Supply voltage must be in accordance with nameplate
voltage. Voltage between phases must be balanced within
2% and current within 10% with compressor running.
Correct improper voltage or phase imbalance. Unit failure
as a result of operation on improper line voltage or
excessive phase imbalance constitutes abuse and shall
void the Carrier warranty. Use the following formula to
determine the percent voltage imbalance.
CONTROL WIRING - On extended voltage (208/230-v)
units, the control transformer is factory wired for 208-v
usage. If unit is to be used on 230-v system, reconnect
primary wiring on transformer. See Figure 12
(90MA*04/*06) or figure 14 (90MA*08/*12).
On all units, the thermostat is factory installed. A
sensing element is provided in the return air. To wire these
units to a remote thermostat, or to a remote control switch
and thermostat, refer to unit Wiring Diagram or contact
your Carrier Transicold representative.
OPERATION
CAUTION
Compressor crankcase heater must be
energized for 24 hours prior to startup to
prevent compressor bearing damage.
To start unit:
1. Thoroughly inspect exterior of unit. Clean and dust up
debris, then wash with mild soap and water solution.
2. On 90MA*08 &*12 units, ensure compressor
discharge, suction and liquid service valves are open.
(Refer to “Operation - Service Valves.) Check oil level
in compressor sight glass. If level is below glass, add
oil to bring level to approximately 1/4 glass. If level is
above bottom of glass, do not remove any oil until the
crankcase heater has been energized for at least
twenty-four hours.
3. With selector switch in OFF position, turn main power
on. Leave power on for 24 hours so that crankcase
heater can drive off accumulated refrigerant.
4. If desired, the selector switch may be placed in the
FAN position during the crankcase warm-up period. On
first start-up, check fan speed (Tables 1A/B/C/2A/B/C)
and rotation (Figure 1). If fan requires adjustment, refer
to “Service, Evaporator-Fan Adjustment”.
5. Allow crankcase heater to remain energized (unit
power on) for at least 24 hours. Open any valves in
condenser cooling water supply lines and then set
selector switch at COOL position. If room temperature
is above thermostat setting compressor will start. On
first start-up, set water regulating valve. (Refer to
“Service, Water Regulating Valve.)
6. Set thermostat for comfort as desired.
To Shut Down Unit:
1. Turn selector switch to OFF position. Do not shut off
main power except to service unit. The crankcase
heater is operative only when main power is on. (Refer
to “Service, Crankcase Heater”).
2. If unit is to be used for winter heating, set selector
switch at HEAT position and re-set thermostat at
desired setting.
3. If unit may be exposed to freezing temperatures, drain
water from condenser and water piping. Add a non-
corrosive antifreeze to residual water in system.
Service Valves - Always ensure that compressor suction,
and discharge service valves and liquid service valve are
open before operating unit.
The valves are accessible from the front of the unit. To
open valve, turn counterclockwise. After opening, replace
and tighten valve cap to prevent leakage.
Manufacturer reserves the right to discontinue, or change at any time, specifications or designs without notice and without incurring obligations
Printed in U.S.A. 90MA-3SI SUPERCEDES FORM 62-02971-00 09-2009
Pg 12

SERVICE
WARNING
NEVER reach into unit while
fan is running. LOCK OPEN
AND TAG unit disconnect
before working on fan. Remove
fuses and take them with you
after noting this on tag.
CAUTION
1. Sharp edges of coil fins are exposed. To
prevent injury, cover top of evaporator
with cardboard or a few layers of heavy
tape.
2. To avoid coil damage, cover evaporator
face with plywood or other rigid sheet
material. If any coil fins are mashed or
bent, straighten with a coil fin comb of the
proper tooth spacing (refer to “coil
fins/inch” in Table 1). Check for
refrigerant leaks.
Return-Air Grille Removal
1. Pull grille out from top.
2. Pull grille up to release hinge pins from lower panel.
3. To reassemble, reverse procedure.
Access Panel Removal - Remove return-air grille as
described above.
Remove the panel fastening screws now exposed.
TOP PANEL - Pull out and down.
BOTTOM - Pull out and up.
Evaporator Fan Adjustment - Observe fan compartment
Caution note above. The fan motor pulleys are factory set
at the fan speeds listed in Table 1.
TO CHANGE FAN SPEED
1. Shut off unit power supply.
2. Loosen fan belt by loosening fan motor from mounting
bracket. Do not loosen fan motor mounting bracket
from unit.
3. Loosen movable pulley flange set screw (Figure. 8).
4. Screw movable flange toward fixed flange to increase
fan speed and away from fixed flange to decrease
speed. Increasing fan speed increases load on motor.
Do not exceed maximum allowable fan speed (Tables
1A/B/C/2A/B/C) or motor full load amps indicated on
motor nameplate.
5. Set movable flange set screw at nearest flat of pulley
hub and tighten set screw.
FIGURE 8 - FAN PULLEY ADJUSTMENT
6. Check pulley alignment and belt tension adjustment as
described below.
7. Check fan operation. Repeat above procedure as
required.
PULLEY ALIGNMENT - Shut off unit power supply.
Loosen fan motor pulley set screws and slide fan pulley
along fan shaft. Make angular alignment by loosening
motor from mounting bracket (See Figure. 8).
BELT TENSION ADJUSTMENT - Shut off unit power
supply. Loosen fan motor from mounting bracket. Do not
loosen motor mounting bracket from unit. Move fan motor
up or down until proper belt tension is achieved (approxi-
mately 3/4-in. deflection with 8-pound tension at midpoint
of belt span).
Lubrication - Fan motor and fan shaft bearings are
lubricated for the life of the bearings. No re-lubrication is
required
Return-Air Filters - Inspect filters twice monthly and clean
as required by operating conditions. Filter size and type
are listed in Tables 1A/B/C/2A/B/C. To clean filters flush
with hot water or steam or soak in a mild water solution of
soap or detergent. Refer to filter manufacturer's
instructions as applicable.
Do not operate unit without return-air filters in place.
Condensate Drains - Clean the drain line and unit drain
pan at the start of each cooling season. Check flow by
pouring water into drain. Be sure trap is filled as shown in
Figure. 7 to maintain an air seal.
Manufacturer reserves the right to discontinue, or change at any time, specifications or designs without notice and without incurring obligations
Printed in U.S.A. 90MA-3SI SUPERCEDES FORM 62-02971-00 09-2009
Pg 13

Evaporator Coil - Observe fan compartment Caution note
at the beginning of the Service section.
Remove dirt and debris from evaporator coil as
required by condition. Clean coil with a stiff brush, vacuum
cleaner or compressed air. Use a fin comb of the correct
tooth spacing (Refer to Tables 1A/B/C/2A/B/C for coil
fins/inch) when straightening mashed or bent coil fins.
Water Regulating Valve
PREPARATION FOR OPERATION.
1. Open the water regulating valve inlet and outlet
isolation valves.
2. Close the water regulating valve bypass valve.
ADJUSTMENT
NOTE: Adjustments to the water regulating
valve must be made slowly, allowing ample
time for response and stabilization.
1. The compressor discharge pressure is controlled by
the water regulating valve and may be monitored by
observing liquid line pressure.
2. Install a calibrated gauge at the liquid line service port.
FOR 90MA: Operating liquid line range for R-407C
units is 200 to 215 psig, operating range for R-404A
units is 240 to 260 psig, operating range for R-134a
units is 122 to 130 psig.
FOR 90MU : Operating liquid line range for R-407C
units is 265 to 285 psig, operating range for R-404A
units is 290 to 315 psig, If pressure reading is below
operating range, rotate the square head adjusting
screw counterclockwise; this will increase spring
tension, decrease water flow and increase pressure.
If pressure reading is above operating range, rotate the
square head adjusting screw clockwise; this will
decrease spring tension, increase water flow and
decrease pressure.
3. Only the water regulating valve opening point is
adjustable. The closing point is 3 to 7 psig below the
opening point and is non-adjustable.
Condenser - Condensers may require cleaning of water-
deposited scale.
CAUTION
Follow all Safety codes. Wear safety glasses
and rubber gloves when using inhibited
hydrochloric acid solution.
Clean condensers with an inhibited hydrochloric acid
solution. The acid can stain hands and clothing, attack
concrete and, without inhibitor, can attack steel. Cover
surroundings to guard against splashing. Vapors from vent
pipe are not harmful, but take care to prevent liquid from
being carried over by the gases.
Warm solution acts faster, but cold solution is just as
effective if applied for a longer period.
FIGURE 9 - GRAVITY FLOW METHOD
GRAVITY FLOW METHOD (Figure. 9) -
1. Disconnect condenser piping at unit, including isolation
valves and water regulating valve.
2. Fill condenser as shown in figure 9. Follow acid
manufacturer's instructions. When condenser is full,
allow solution to remain overnight
3. Drain condenser and flush with clean water.
FORCED CIRCULATION METHOD (Figure. 10) -
1. Disconnect condenser piping at unit, including isolation
valves and water regulating valve.
2. Fill system as shown in figure 10. Follow acid
manufacturer's instructions. Fully open vent pipe when
filling system. The vent may be closed when system is
full and pump is operating.
3. Regulate flow to condenser with a supply line valve. If
pump is a non-overloading type, the valve may be fully
closed while pump is running. For average scale
deposit, allow solution to remain in condenser
overnight. For heavy scale deposit, allow 24 hours.
4. Drain condenser and flush with clean water.
FIGURE 10 - FORCED CIRCULATION METHOD
Manufacturer reserves the right to discontinue, or change at any time, specifications or designs without notice and without incurring obligations
Printed in U.S.A. 90MA-3SI SUPERCEDES FORM 62-02971-00 09-2009
Pg 14

Charging the System (90MA) - These units are shipped
with a full operating charge. If recharging is necessary
(complete charge lost), weigh in amount of refrigerant
indicated on unit nameplate and in Table 1.
If unit has partial charge, it must be recharged by
removing existing charge and recharging by weighing in
the required amount of refrigerant. (Refer to Table
1A/B/C/2A/B/C)
Charging the System (90MU)
UNIT SIZES 90MU Units - These units, used with remote
condensers, are shipped with a holding charge only. To
charge:
1. Open discharge and liquid service valves.
2. Leak test, reclaim refrigerant and evacuate.
3. Using standard refrigerant charging techniques and
subcooling charts (Figure 11) add refrigerant as required
to maintain proper operating conditions. Subcooling is
determined by subtracting the actual temperature entering
the TXV from the saturated temperature entering the TXV.
IMPORTANT: Charge on both the HIGH and LOW side
simultaneously of idle compressors to prevent axial
loading of the scroll, which may cause a temporary no
start condition for the compressor. If this occurs, leave
the system off for approximately 30 minutes. Attempt
to restart the compressor; internal pressures should
equalize enough to allow compressor to start.
If removing the compressor, evacuate both the HIGH
and LOW side simultaneously.
137 149 162 176 205 222 239 256 275 295 315 336 359
070 75 80 85 90 95 100 105 110 115 120 125 130
565 70 75 80 85 90 95 100 105 110 115 120 125
10 60 65 70 75 80 85 90 95 100 105 110 115 120
15 55 60 65 70 75 80 85 90 95 100 105 110 115
20 50 55 60 65 70 75 80 85 90 95 100 105 110
25 45 50 55 60 65 70 75 80 85 90 95 100 105
150 163 176 190 205 221 237 255 273 292 313 334 356
070 75 80 85 90 95 100 105 110 115 120 125 130
565 70 75 80 85 90 95 100 105 110 115 120 125
10 60 65 70 75 80 85 90 95 100 105 110 115 120
15 55 60 65 70 75 80 85 90 95 100 105 110 115
20 50 55 60 65 70 75 80 85 90 95 100 105 110
25 45 50 55 60 65 70 75 80 85 90 95 100 105
1100 1200 1300 1400 1500 1600 1700 1800 1900 2000 2100 2200 2300
023 26 29 32 34 37 39 42 44 46 48 50 52
320 23 26 29 31 34 36 39 41 43 45 47 49
518 21 24 27 29 32 34 37 39 41 43 45 47
716 19 22 25 27 30 32 35 37 39 41 43 45
10 13 16 19 22 24 27 29 32 34 36 38 40 42
13 10 13 16 19 21 24 26 29 31 33 35 37 39
1190 1288 1392 1503 1580 1701 1786 1918 2011 2107 2206 2308 2414
023 26 29 32 34 37 39 42 44 46 48 50 52
320 23 26 29 31 34 36 39 41 43 45 47 49
518 21 24 27 29 32 34 37 39 41 43 45 47
716 19 22 25 27 30 32 35 37 39 41 43 45
10 13 16 19 22 24 27 29 32 34 36 38 40 42
13 10 13 16 19 21 24 26 29 31 33 35 37 39
Required
Subcooling (ºC)
R404A PRESSURE AT LIQUID LINE SERVICE VALVE kPa
Required
Subcoolin
g
(
ºF
)
R407C PRESSURE AT LIQUID LINE SERVICE VALVE PSIG
Required
Subcooling (ºF) R404A PRESSURE AT LIQUID LINE SERVICE VALVE PSIG
Required
Subcooling (ºC)
R407C PRESSURE AT LIQUID LINE SERVICE VALVE kPa
FIGURE 11 - CHARGING CHARTS
Evaporator-Fan Motor Removal - Motor power wires
need not be disconnected from motor terminals before
motor is removed from unit.
1. Shut off unit main power supply.
WARNING
LOCK OPEN AND TAG unit disconnect
before working on fan motor. Remove fuses
and take them with you after noting this on
tag.
CAUTION
Before attempting to remove fan motors or
motor mounts, place a piece of plywood over
evaporator coils to prevent coil damage.
2. Loosen motor hold down bolts on mounting bracket so
that fan belt can be removed.
3 Loosen but do not remove the 2 motor mounting
bracket bolts on left side of bracket.
4 Slide motor/bracket assembly to extreme right, remove
bolts and lift out through space between fan scroll and
side Rest motor on a high platform such as a step
ladder. Do not allow motor to hang by its power wires.
Pressure Relief Device - All units are equipped with a
fusible-plug type safety relief device an the refrigerant
tubing. The relief setting is 197 °F to 203 °F on all units.
Crankcase Heater - A Crankcase heater is supplied on
90MA,MU*08 and *12 size units. The heater prevents
liquid refrigerant from accumulating in the compressor
crankcase during extended shutdown periods. Heater is
automatically energized whenever unit main power is on
and compressor is stopped. Heater is de-energized when
compressor starts.
Do not shut off main power supply for an extended
period except for servicing unit. Turn on power supply for
at least 24 hours after an extended shutdown before
starting compressor. Refer to “Operation”.
Cycle-LocTM- Protection Device - All units are equipped
with Cycle-LOC current-sensing lockout relay. This device
will lock out the compressor after any safety trip (discharge
pressure switch, suction-pressure switch, or internal
overload of the compressor). Check reason for lockout
before resetting the device. Refer to unit label wiring
diagram. To reset, turn the system switch to OFF, then
back to COOL.
Discharge and Suction Pressure Switches - Refer to
Table 1 for opening and closing settings for these safety
devices.
The discharge pressure switch is located on the
compressor on 06DA compressor equipped units and on
the discharge line on all other units. The suction pressure
switch is located on top of the compressor on 06DA
Manufacturer reserves the right to discontinue, or change at any time, specifications or designs without notice and without incurring obligations
Printed in U.S.A. 90MA-3SI SUPERCEDES FORM 62-02971-00 09-2009
Pg 15

Manufacturer reserves the right to discontinue, or change at any time, specifications or designs without notice and without incurring obligations
Printed in U.S.A. 90MA-3SI SUPERCEDES FORM 62-02971-00 09-2009
Pg 16
compressor equipped units and on the suction line on all
other units.
Oil Charge - All units are factory charged with oil. On 06D
compressors, observe the oil level in the sight glass at
start-up. If unit oil level is below sight glass, add oil until
level reaches approximately 1/4 sight glass.
If oil charge is above sight glass, do not remove any oil
until the compressor crankcase heater has been energized
for at least 24 hours.
When additional oil or a complete charge is required,
use only the following Carrier approved oil.
R-407C, R-404A, and R-134a units
Castrol - Icematic SW68
ICI - Emkarate RL68HP

FOR NOTES AND LEGEND, SEE FIGURE 13
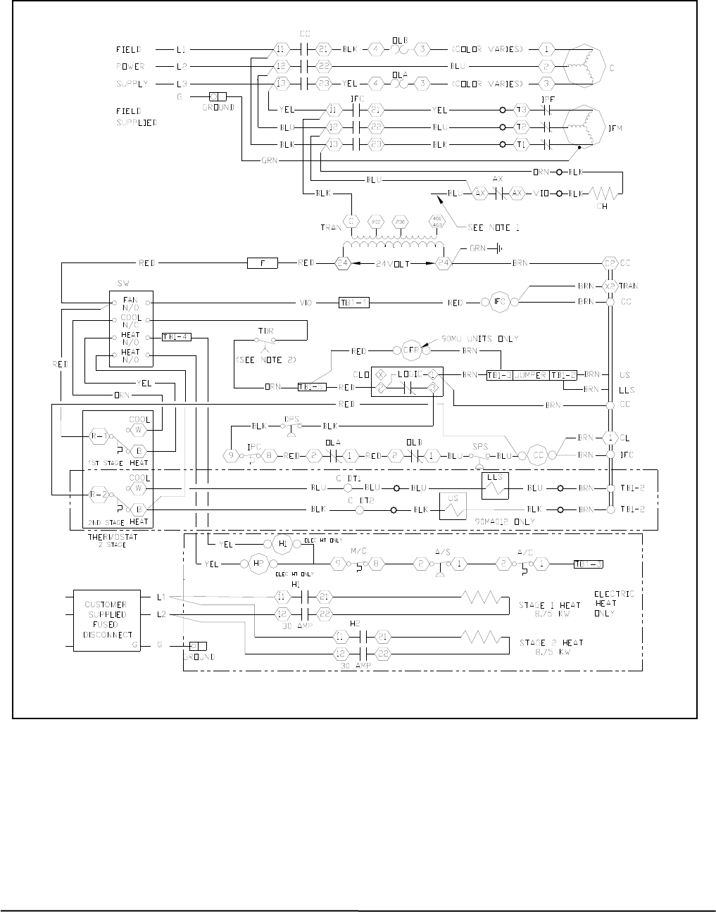
FIGURE 12 WIRING SCHEMATIC - 90MA/MU*04/*06
Manufacturer reserves the right to discontinue, or change at any time, specifications or designs without notice and without incurring obligations
Printed in U.S.A. 90MA-3SI SUPERCEDES FORM 62-02971-00 09-2009
Pg 17

FIGURE 13 COMPONENT ARRANGEMENT - 90MA/MU*04/*06
Manufacturer reserves the right to discontinue, or change at any time, specifications or designs without notice and without incurring obligations
Printed in U.S.A. 90MA-3SI SUPERCEDES FORM 62-02971-00 09-2009
Pg 18

FOR NOTES AND LEGEND, SEE FIGURE 15
FIGURE 14 - ELECTRICAL SCHEMATIC - 90MA/MU*08/*12
Manufacturer reserves the right to discontinue, or change at any time, specifications or designs without notice and without incurring obligations
Printed in U.S.A. 90MA-3SI SUPERCEDES FORM 62-02971-00 09-2009
Pg 19

FIGURE 15 - COMPONENT ARRANGEMENT - 90MA/MU008/012
Manufacturer reserves the right to discontinue, or change at any time, specifications or designs without notice and without incurring obligations
Printed in U.S.A. 90MA-3SI SUPERCEDES FORM 62-02971-00 09-2009
Pg 20

FIGURE 16 – MOUNTING BASE ASSEMBLY – 90MA/MU*04/*06
Manufacturer reserves the right to discontinue, or change at any time, specifications or designs without notice and without incurring obligations
Printed in U.S.A. 90MA-3SI SUPERCEDES FORM 62-02971-00 09-2009
Pg 21

Manufacturer reserves the right to discontinue, or change at any time, specifications or designs without notice and without incurring obligations
Printed in U.S.A. 90MA-3SI SUPERCEDES FORM 62-02971-00 09-2009
Pg 22
FIGURE 17 – MOUNTING BASE ASSEMBLY – 90MA/MU*08/*12