Carrier Single Package Rooftop 48Hc Users Manual 11SI
48HC to the manual 565459b0-f448-4b15-af4f-85e23d413a65
2015-01-24
: Carrier Carrier-Single-Package-Rooftop-48Hc-Users-Manual-310803 carrier-single-package-rooftop-48hc-users-manual-310803 carrier pdf
Open the PDF directly: View PDF
.
Page Count: 52

48HC
Single Package Rooftop
Gas Heating/Electric Cooling Unit
with Puronr(R---410A) Refrigerant
Sizes: 17, 20, 24, 28
Installation Instructions
NOTE: Read the entire instruction manual before starting
the installation
TABLE OF CONTENTS
SAFETY CONSIDERATIONS 2....................
INSTALLATION 9...............................
Jobsite Survey 9................................
Step 1 -- Plan for Unit Location 9..................
Roof Mount 9...............................
Step 2 -- Plan for Sequence of Unit Installation 10.....
Curb--Mount Installation 10....................
Pad--Mount Installation 10.....................
Frame--Mount Installation 10...................
Step 3 -- Inspect Unit 10..........................
Step 4 -- Provide Unit Support 10..................
Roof Curb Mount 10.........................
Slab Mount (Horizontal Units Only) 10..........
Alternate Unit Support
(In Lieu of Curb or Slab Mount) 10.............
Step 5 -- Field Fabricate Ductwork 14...............
Step 6 -- Rig and Place Unit 14....................
Positioning on Curb 15.......................
Step 7 -- Horizontal Duct Connection 15............
Step 8 -- Install Outside Air Hood — Factory Option 15..
Step 9 -- Install Flue Hood and Combustion Air Hood 16..
Step 10 -- Install Gas Piping 16....................
Gas Supply Line 16..........................
Factory--Option Thru--Base Connections 18.......
Step 11 -- Install External Condensate Trap and Line 19..
Step 12 -- Make Electrical Connections 19...........
Field Power Supply 19........................
Units without Factory--Installed Disconnect 20....
Units with Factory--Installed Disconnect 20.......
All Units 20................................
Convenience Outlets 20.......................
Factory--Option Thru--Base Connections 22......
Units without Thru--Base Connections 22.........
Field Control Wiring 22.......................
Thermostat 22...............................
Unit without Thru--Base Conversion Kit 22.......
Heat Anticipator Settings 23...................
Transformer Connection
for 208--v Power Supply 23.....................
Humidi--MiZerRControl Connections 24..........
Humidi--MiZer -- Space RH Controller 24........
PremierLinkt(Factory Option) 26...............
Supply Air Temperature (SAT) Sensor 29.........
Outdoor Air Temperature (OAT) Sensor 29.......
EconoMi$er2 29.............................
Field Connections 29..........................
Space Sensors 31............................
Connect Thermostat 31.......................
Configure the Unit for Thermostat Mode 31......
Economizer Controls 32........................
Indoor Air Quality (CO2)Sensor 32.............
Outdoor Air Quality Sensor 32.................
Space Relative Humidity Sensor or
Humidistat Connections 33....................
Smoke Detector/Fire Shutdown (FSD) 34.........
Filter Status Switch 34........................
Supply Fan Status Switch 34...................
Remote Occupied Switch 34...................
Power Exhaust (output) 34.....................
CCN Communication Bus 35..................
RTU Open Control System 36...................
Supply Air Temperature (SAT) Sensor 39.........
Outdoor Air Temperature (OAT) Sensor 39.......
EconoMi$er2 39.............................

2
Field Connections 39..........................
Space Temperature (SPT) Sensors 40............
Indoor Air Quality (CO2)Sensor 40.............
Outdoor Air Quality Sensor 41.................
Space Relative Humidity Sensor or Humidistat 41..
Smoke Detector/Fire Shutdown (FSD) 42.........
Connecting Discrete Inputs 42..................
Communication Wiring -- Protocols 43............
General 43.................................
Local Access 44.............................
RTU Open Troubleshooting 44.................
Outdoor Air Enthalpy Control 45.................
Differential Enthalpy Control 45................
Smoke Detectors 46...........................
Return Air Sensor Tube Installation 46...........
Smoke Detector Test Magnet 47................
Additional Application Data 47.................
Step 13 -- Adjust Factory--Installed Options 50........
Step 14 -- Install Accessories 50...................
SAFETY CONSIDERATIONS
Improper installation, adjustment, alteration, service,
maintenance, or use can cause explosion, fire, electrical
shock or other conditions which may cause personal injury
or property damage. Consult a qualified installer, service
agency, or your distributor or branch for information or
assistance. The qualified installer or agency must use
factory--authorized kits or accessories when modifying this
product. Refer to the individual instructions packaged with
the kits or accessories when installing.
Follow all safety codes. Wear safety glasses and work
gloves. Use quenching cloths for brazing operations and
have a fire extinguisher available. Read these instructions
thoroughly and follow all warnings or cautions attached to
the unit. Consult local building codes and appropriate
national electrical codes (in USA, ANSI/NFPA70,
National Electrical Code (NEC); in Canada, CSA C22.1)
for special requirements.
It is important to recognize safety information. This is the
safety--alert symbol . When you see this symbol on the
unit and in instructions or manuals, be alert to the
potential for personal injury.
Understand the signal words DANGER, WARNING,
CAUTION, and NOTE. These words are used with the
safety--alert symbol. DANGER identifies the most serious
hazards which will result in severe personal injury or
death. WARNING signifies hazards which could result in
personal injury or death. CAUTION is used to identify
unsafe practices, which may result in minor personal
injury or product and property damage. NOTE is used to
highlight suggestions which will result in enhanced
installation, reliability, or operation.
FIRE, EXPLOSION HAZARD
Failure to follow this warning could result in personal
injury or death.
Disconnect gas piping from unit when leak testing at
pressure greater than 0.5 psig (3450 Pa). Pressures
greater than 0.5 psig (3450 Pa) will cause gas valve
damage resulting in hazardous condition. If gas valve
is subjected to pressure greater than 0.5 psig (3450
Pa), it must be replaced before use. When pressure
testing field--supplied gas piping at pressures of 0.5
psig (3450 Pa) or less, a unit connected to such piping
must be isolated by closing the manual gas valve.
!WARNING
ELECTRICAL SHOCK HAZARD
Failure to follow this warning could cause personal
injury or death.
Before performing service or maintenance operations
on unit, always turn off main power switch to unit and
install lock(s) and lockout tag(s). Unit may have more
than one power switch.
!WARNING
UNIT OPERATION AND SAFETY HAZARD
Failure to follow this warning could cause personal
injury, death and/or equipment damage.
Puronr(R--410A) refrigerant systems operate at
higher pressures than standard R--22 systems. Do not
use R--22 service equipment or components on Puron
refrigerant equipment.
!WARNING
PERSONAL INJURY AND ENVIRONMENTAL
HAZARD
Failure to follow this warning could cause personal
injury or death.
Relieve pressure and recover all refrigerant before
system repair or final unit disposal.
Ware safety glasses and gloves when handling
refrigerants. Keep torches and other ignition sources
away from refrigerants and oils.
!WARNING
CUT HAZARD
Failure to follow this caution may result in personal
injury.
Sheet metal parts may have sharp edges or burrs. Use
care and wear appropriate protective clothing, safety
glasses and gloves when handling parts and servicing
air conditioning equipment.
CAUTION
!
48HC

3
C10896
Fig. 1 -- Unit Dimensional Drawing – 17 Size Unit
48HC

4
C10897
Fig. 1 -- Unit Dimensional Drawing – 17 Size Unit (cont.)
48HC

5
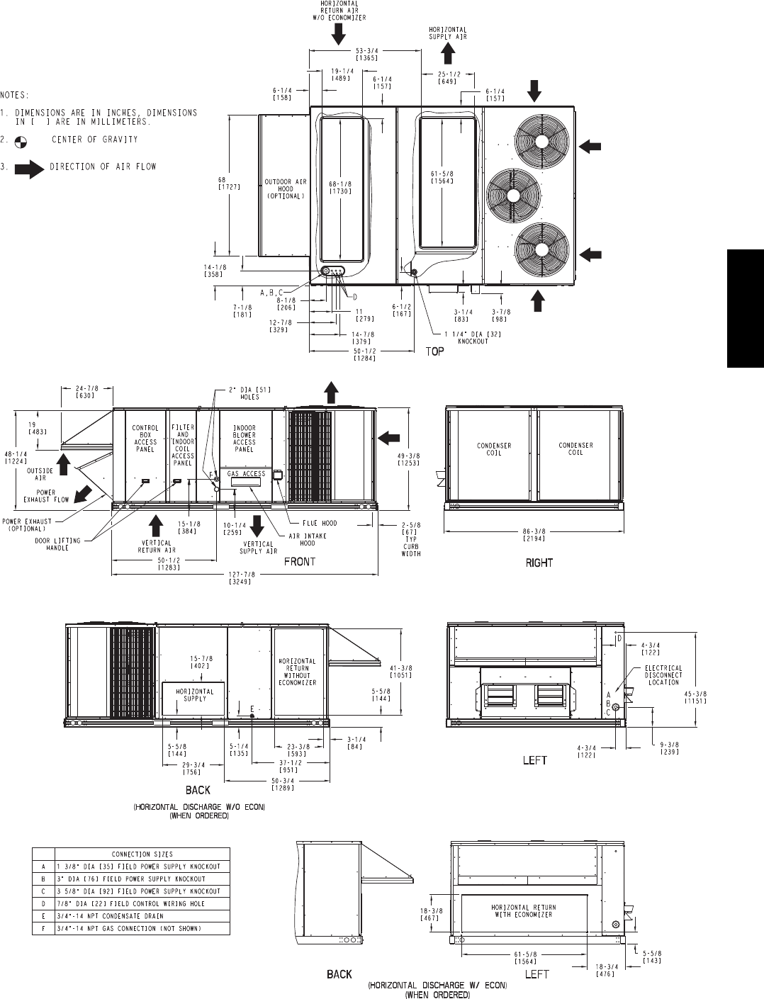
C10892
Fig. 2 -- Unit Dimensional Drawing – 20 and 24 Size Units
48HC

6
C10893
Fig. 2 -- Unit Dimensional Drawing – 20 and 24 Size Units (cont.)
48HC

7
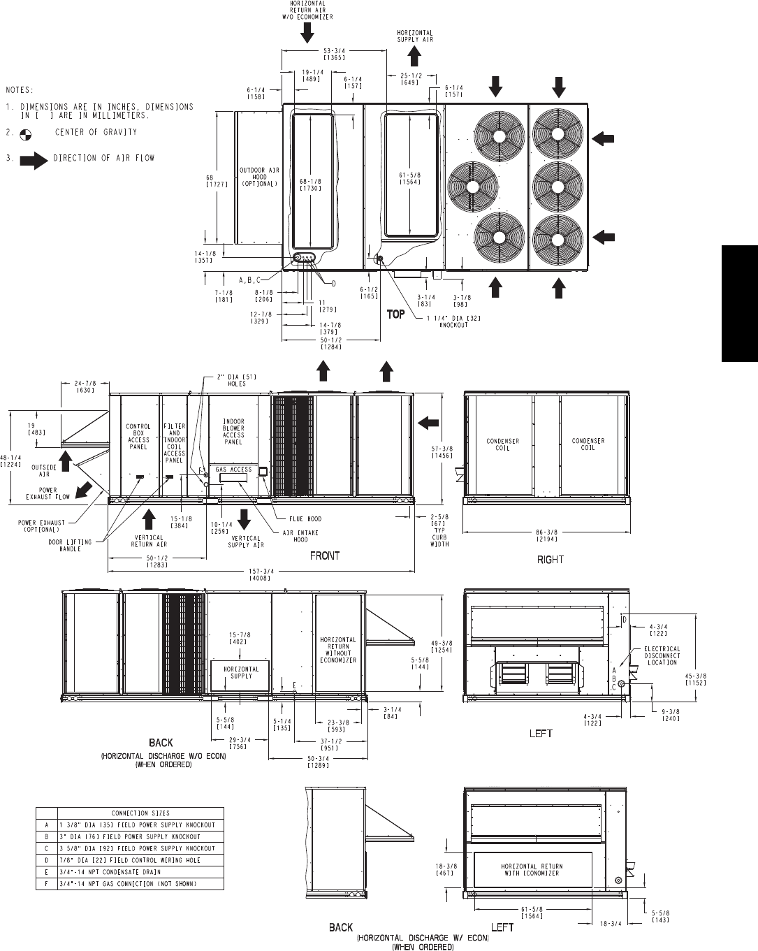
C10900
Fig. 3 -- Unit Dimensional Drawing – 28 Size Unit
48HC

8
C10901
Fig. 3 -- Unit Dimensional Drawing – 28 Size Unit (cont.)
48HC

9
INSTALLATION
Jobsite Survey
Complete the following checks before installation.
1. Consult local building codes and the NEC (National
Electrical Code) ANSI/NFPA 70 for special installa-
tion requirements.
2. Determine unit location (from project plans) or select
unit location.
3. Check for possible overhead obstructions which may
interfere with unit lifting or rigging.
Step 1 — Plan for Unit Location
Select a location for the unit and its support system (curb
or other) that provides for the minimum clearances
required for safety. This includes the clearance to
combustible surfaces, unit performance and service access
below, around and above unit as specified in unit
drawings. See Fig. 4.
NOTE: Consider also the effect of adjacent units.
36” (914)
42” (1067)
42” (1067)
36” (914)
96” (2438)
C10638
Fig. 4 -- Service Clearance Dimensional Drawing
Be sure that the unit is installed such that snow will not
block the combustion air intake or flute outlet.
Unit may be installed directly on wood flooring or on Class
A, B, or C roof--covering material when roof curb is used.
Do not install unit in an indoor location. Do not locate air
inlets near exhaust vents or other sources of contaminated
air. For proper unit operation, adequate combustion and
ventilation air must be provided in accordance with
Section 5.3 (Air for Combustion and Ventilation) of the
National Fuel Gas Code, ANSI Z223.1 (American
National Standards Institute) and NFPA (National Fire
Protection Association) 54 TIA----54----84----1. In Canada,
installation must be in accordance with the CAN1----B149
installation codes for gas burning appliances.
Although unit is weatherproof, avoid locations that permit
water from higher level runoff and overhangs to fall onto
the unit.
Locate mechanical draft system flue assembly at least 4 ft
(1.2 m) from any opening through which combustion
products could enter the building, and at least 4 ft (1.2 m)
from any adjacent building (or per local code). Locate the
flue assembly at least 10 ft (3.05 m) from an adjacent
unit’s fresh air intake hood if within 3 ft (0.91 m) of same
elevation (or per local code). When unit is located
adjacent to public walkways, flue assembly must be at
least 7 ft (2.1 m) above grade.
Select a unit mounting system that provides adequate
height to allow installation of condensate trap per
requirements. Refer to Step 11 — Install External
Condensate Trap and Line – for required trap dimensions.
Roof Mount —
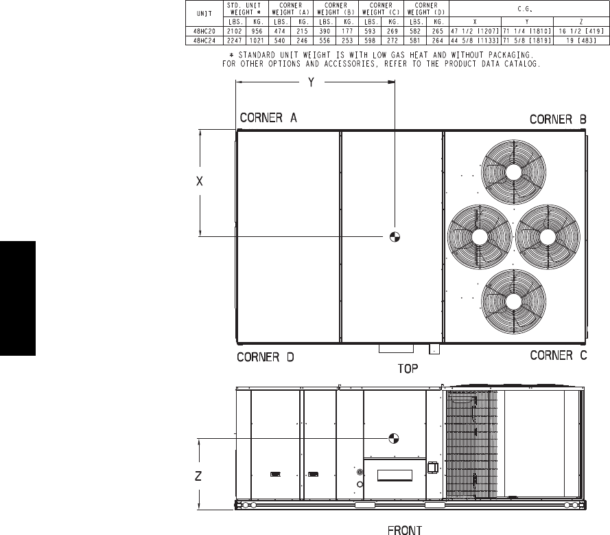
Check building codes for weight distribution
requirements. Unit operating weight is shown in Table 1.
Table 1 – Operating Weights
48HC** UNIT LB (KG)
17 20 24 28
Base Unit 1892 (858) 2102 (954) 2247 (1019) 2292 (1040)
Economizer 245 (111) 245 (111) 245 (111) 245 (111)
Powered Outlet 32 (15) 32 (15) 32 (15) 32 (15)
H u m i d i --- M i Z e r RSystem 83 (38) 83 (38) 88 (40) 92 (42)
Curb
14--- in/356 mm 273 (124) 273 (124) 273 (124) 273 (124)
24--- in/610 mm 350 (159) 350 (159) 350 (159) 350 (159)
48HC

10
Step 2 — Plan for Sequence of Unit Installation
The support method used for this unit will dictate different
sequences for the steps of unit installation. For example, on
curb--mounted units, some accessories must be installed on
the unit before the unit is placed on the curb. Review the
following for recommended sequences for installation steps.
Curb--mounted installation —
Install curb
Install field--fabricated ductwork inside curb
Install thru--base service connection fittings (affects
curb and unit)
Rig and place unit
Remove top skid
Install outside air hood
Install smoke detector tube
Install combustion air hood
Install flue hood
Install gas piping
Install condensate line trap and piping
Make electrical connections
Install other accessories
Pad--mounted installation —
Prepare pad and unit supports
Rig and place unit
Remove duct covers and top skid
Install smoke detector return air sensor tube
Install field--fabricated ductwork at unit duct openings
Install outside air hood
Install combustion air hood
Install flue hood
Install gas piping
Install condensate line trap and piping
Make electrical connections
Install other accessories
Frame--mounted installation —
Frame--mounted applications generally follow the
sequence for a curb installation. Adapt as required to
suit specific installation plan.
Step 3 — Inspect unit
Inspect unit for transportation damage. File any claim
with transportation agency.
Confirm before installation of unit that voltage, amperage
and circuit protection requirements listed on unit data
plate agree with power supply provided.
Locate the carton containing the outside air hood parts; see
Figs. 5 and 12. Do not remove carton until unit has been
rigged and located in final position.
Step 4 — Provide Unit Support
Roof Curb Mount —
Accessory roof curb details and dimensions are shown in
Figs. 6, 7 and 8. Assemble and install accessory roof curb
in accordance with instructions shipped with the curb.
NOTE: The gasketing of the unit to the roof curb is critical
for a watertight seal. Install gasket supplied with the roof
curb as shown in Figs. 6, 7 and 8. Improperly applied gasket
can also result in air leaks and poor unit performance.
Curb should be level. This is necessary for unit drain to
function properly. Unit leveling tolerances are show in
Fig. 9. Refer to Accessory Roof Curb Installation
Instructions for additional information as required.
Install insulation, cant strips, roofing felt, and counter
flashing as shown. Ductwork must be attached to curb and
not to the unit. Thru--the--base power connection must be
installed before the unit is set on the roof curb. If
field--installed thru--the--roof curb gas connections are
desired remove knockout in basepan located in the gas
section, see Fig. 5 for location. Gas connections and
power connections to the unit must be field installed after
the unit is installed on the roof curb.
If electric and control wiring is to be routed through the
basepan, remove knockouts in basepan located in control
box area of access panel; see Fig. 1, 2, or 3 for basepan
knockout locations for location. Attach the service
connections to the basepan.
Control Box
A
ccess Panel
Filter and
Indoor Coil
Access Panel
Indoor Blower
Access Panel
Gas Heat
Access Panel Compressor
(each side)
Hood Carton Location
(rear access panel)
C11154
Fig. 5 -- Typical Access Panel and Compressor Locations
Slab Mount (Horizontal Units Only) —
Provide a level concrete slab that extends a minimum of
6–in. (150 mm) beyond unit cabinet. Install a gravel apron
in front of condenser coil air inlet to prevent grass and
foliage from obstructing airflow.
NOTE: Horizontal units may be installed on a roof curb
if required.
Alternate Unit Support (In Lieu of Curb or Slab
Mount) —
A non--combustible sleeper rail can be used in the unit
curb support area. If sleeper rails cannot be used, support
the long sides of the unit with a minimum of 4 equally
spaced 4--in. x 4--in. (102 mm x 102 mm) pads on each
side. Locate pads so that they support the rails. Make sure
to avoid the fork openings.
48HC

11
C10954
Fig. 6 -- Roof Curb Details – 17 Size Unit
48HC

12
C10955
Fig. 7 -- Roof Curb Details – 20 and 24 Size Units
48HC

13
C10956
Fig. 8 -- Roof Curb Details – 28 Size Unit
48HC

14
A-B
0.25” (6)
B-C
0.5” (12)
A-C
0.5” (12)
MAXIMUM ALLOWABLE
DIFFERENCE IN. (MM)
A
B
C
C10628
Fig. 9 -- Unit Leveling Tolerances
Step 5 — Field Fabricate Ductwork
Cabinet return-air static pressure (a negative condition)
shall not exceed 0.5 in. wg (87 Pa) with economizer or
without economizer.
For vertical ducted applications, secure all ducts to roof curb
and building structure. Do not connect ductwork to unit.
Fabricate supply ductwork so that the cross sectional
dimensions are equal to or greater than the unit supply
duct opening dimensions for the first 18 in. (458 mm) of
duct length from the unit basepan.
Insulate and weatherproof all external ductwork, joints,
and roof openings with counter flashing and mastic in
accordance with applicable codes.
Ducts passing through unconditioned spaces must be
insulated and covered with a vapor barrier.
If a plenum return is used on a vertical unit, the return
should be ducted through the roof deck to comply with
applicable fire codes.
A minimum clearance is not required around ductwork.
PROPERTY DAMAGE HAZARD
Failure to follow this caution may result in damage
to roofing materials.
Membrane roofs can be cut by sharp sheet metal
edges. Be careful when placing any sheet metal parts
on such roof.
CAUTION
!
Step 6 — Rig and Place Unit
Keep unit upright and do not drop. Spreader bars are not
required if top crating is left on unit. Rollers may be used
to move unit across a roof. Level by using unit frame as a
reference. See Table 1 (on page 9) and Fig. 10 for
additional information.
Lifting holes are provided in base rails as shown in
Fig. 10. Refer to rigging instructions on unit.
UNIT DAMAGE HAZARD
Failure to follow this caution may result in
equipment damage.
All panels must be in place when rigging. Unit is not
designed for handling by fork truck when packaging
is removed.
CAUTION
!
Before setting the unit onto the curb, recheck gasketing on
curb.
"B"
"C"
"A"
"914-1371"
(36"-54")
DETAIL A
SEE DETAIL A
PLACE ALL SEAL STRIP
IN PLACE BEFORE PLACING
UNIT ON ROOF CURB.
DUCT END
C09107
UNIT MAX WEIGHT DIMENSIONS
A B C
LB KG IN MM IN MM IN MM
48HC**17 2339 1061 127.8 3249 58.7 1491 52.3 1328
48HC**20 2549 1156 141.5 3595 71.5 1816 52.3 1328
48HC**24 2699 1224 141.5 3595 71.5 1816 60.3 1532
48HC**28 2748 1246 157.8 4007 80.3 2040 60.3 1532
NOTES:
1. Dimensions in ( ) are inches.
2. Hook rigging shackles through holes in base rail, as shown in detail “A.” Holes in base rails are centered around the unit center of
gravity. Use wooden top to prevent rigging straps from damaging unit.
Fig. 10 -- Rigging Details
48HC

15
PositioningonCurb—
Position unit on roof curb so that the following clearances
are maintained: 1/4in. (6 mm) clearance between the roof
curb and the base rail inside the right and left, 1/2in.
(12 mm) clearance between the roof curb and the base rail
inside the front and back. This will result in the distance
between the roof curb and the base rail inside on the
condenser end of the unit being approximately equal to
Details A and B in Figs. 6, 7 and 8.
Do not attempt to slide unit on curb after unit is set. Doing
so will result in damage to the roof curb seal.
Although unit is weatherproof, guard against water from
higher level runoff and overhangs.
Flue vent discharge must have a minimum horizontal
clearance of 48 in. (1220 mm) from electric and gas meters,
gas regulators, and gas relief equipment. Minimum distance
between unit and other electrically live parts is 48 inches
(1220 mm).
Flue gas can deteriorate building materials. Orient unit such
that flue gas will not affect building materials. Locate
mechanical draft system flue assembly at least 48 in. (1220
mm) from an adjacent building or combustible material.
After unit is in position, remove rigging skids and
shipping materials.
Step 7 — Horizontal Duct Connection
Refer to Figs. 1, 2 and 3 for locations and sizes of the
horizontal duct connections. Note that there are two different
return air duct connection locations – one for unit without an
economizer (on back side of unit) and a different one for
unit equipped with an economizer (on left end, under the
economizer hood). The supply air duct connection is on the
back side. See Fig. 11 for top view depicting typical
horizontal duct arrangements.
Return Air Duct
with Economize
r
Return Air Duct
without
Economizer
Horizontal
Supply Air
C10626
Supply Return without
Economizer
Return with
Economizer
Location Back Back Left end
H e i g h t --- I n . ( m m ) 157/8(402) 493/8(1253) 183/8(467)
W i d t h --- i n . ( m m ) 293/4(756) 233/8(593) 615/8(1564)
Fig. 11 -- Horizontal Duct Opening Dimensions
Field--supplied (3/4--inch) flanges should be attached to
horizontal duct openings (see Fig. 11) and all ductwork
should be secured to the flanges. Insulate and weatherproof
all external ductwork, joints, and roof or building openings
with counter flashing and mastic in accordance with
applicable codes.
Step 8 — Install Outside Air Hood — Factory
Option
The outside air hood for factory--option economizer and
two--position damper is shipped in knock--down form and
requires field assembly. The panel for the hood top is
shipped on the end of the unit (see Fig. 12). The
remaining parts for the hood assembly (including side
panels, filters and tracks) are shipped in a carton that is
secured to the rear of the blower assembly. Access the
carton location through rear panel (see Fig. 13).
Hood Top
Shipping
Position
C09134
Fig. 12 -- Hood Top – Shipping Position
To remove the hood parts package:
1. Remove the back blower access panel.
2. Locate and cut the strap, being careful to not damage
any wiring.
3. Carefully lift the hood package carton through the
back blower access opening.
See Fig. 14 for identification of the various parts of the
hood assembly.
Hood
Package
C09133
Fig. 13 -- Hood Package – Shipping Location
48HC

16
To assemble the outside air hood:
1. Remove hood top panel from shipping position on
unit end.
2. Install four angles to the upper end panel using the
screws provided.
3. Apply seal strip to mating flanges on the side plates
of the hood (see Fig. 14).
A
pply Seal Strips
to the back of
these flanges
Apply Seal Strip
to the front of
this flange
Apply Seal Strip
to the front of
this flange
Apply Seal Strip
to the back of
this flange
Seal Strips
Apply Seal Strips
to the back of
these surfaces
7
7
22
1
3
4
4
44
5
6
56
Item # Description Qty
1 Angles 4
2 Side Plates 2
3 Hood 1
4 Outdoor Air Screens 4
5 Side Filter Supports 2
6 Side Drip Angles 2
7 Top Diverters 2
C09079
Fig. 14 -- Hood Part Identification and Seal Strip
Application Areas
4. Secure side plates to panel using the screws provided.
5. Apply seal strip to mating flange of the hood (see
Fig. 14).
6. Secure top flange using screws provided in kit.
7. Install outdoor air screens by sliding them into the
channel formed by the four angles installed in step 2.
Make sure that the screens extend across the entire
length of the hood.
8. Install side filter supports using the screws provided.
9. Install side drip angles using the screws provided.
10. Run a continuous length of seal strip across the hood
covering the engagement holes in the lower hood.
11. Install top diverter using the screws provided.
12. On units with barometric relief, remove screws at bot-
tom of relief damper. Do not discard damper door.
C09090
Fig. 15 -- Hood Assembly – Completed
Step 9 — Install Flue Hood and Combustion Air
Hood
The flue hood is shipped screwed to the fan deck inside
the burner compartment. Remove the burner access panel
and then remove the flue hood from its shipping location.
Using the screws provided, install flue hood in the
location shown in Fig. 16.
The combustion air hood is attached to the back of the
burner access panel. Remove the two screws securing the
hood to the back of the burner access panel. Using the two
screws, re--attach the hood to the front of the burner
access panel as shown in Fig. 16.
Flue Hood
Combustion
Air Hood
C10744
Fig. 16 -- Flue Hood and Combustion Air Hood Details
Step 10 — Install Gas Piping
Installation of the gas piping must be in accordance with
local building codes and with applicable national codes.
In U.S.A., refer to NFPA 54/ANSI Z223.1 National Fuel
Gas Code (NFGC). In Canada, installation must be
accordance with the CAN/CSA B149.1 and CAN/CSA
B149.2 installation codes for gas burning appliances.
This unit is factory equipped for use with Natural Gas fuel
at elevations up to 2000 ft (610 m) above sea level. Unit
may be field converted for operation at elevations above
2000 ft (610 m) and/or for use with liquefied petroleum
fuel. See accessory kit installation instructions regarding
these accessories.
NOTE: Furnace gas input rate on rating plate is for
installation up to 2000 ft (610 m) above sea level. In
U.S.A. the input rating for altitudes above 2000 ft (610 m)
must be derated by 4% for each 1000 ft (305 m) above sea
level. In Canada the input rating must be derated by 10%
for altitudes of 2000 ft (610 m) to 4500 ft (1372 m) above
sea level.
For natural gas applications, gas pressure at unit gas
connection must not be less than 5 in. wg (1246 Pa) or
greater than 13 in. wg (3240 Pa) while the unit is
operating. For liquified petroleum applications, the gas
pressure must not be less than 11 in. wg (2740 Pa) or
greater than 13 in. wg (3240 Pa) at the unit connection.
Gas Supply Line —
The gas supply pipe enters the unit adjacent to the burner
access panel on the front side of the unit, through the
grommeted hole. The gas connection to the unit is made
to the 3/4in. FPT gas inlet port on the unit gas valve.
Table 2 lists typical 3/4inch NPT (National Pipe Thread)
field supplied pipe fittings required for Thru--Base gas
supply, starting from the unit gas valve (see Fig. 17).
48HC

17
Table 2 – Typical 3/4--in NPT Field Supplied Piping Parts
Item Qty CPN Description
1 1 CA15RA201 90 Deg Street Elbow
2 1 CA01CA226 5 Inch Long Nipple
3 1 CA85RA201 Ground---Joint Union
4 1 CA01CA218 3 Inch Long Nipple
5 1 CA05RA201 90 Deg Elbow
6 1 CA01CA250 12 Inch Long Nipple
7 1 CA05RA201 90 Deg Elbow
8 1 CA01CA218 3 Inch Long Nipple
9 1 CA20RA201 TEE
10 1CA01CN222 4 Inch Long Nipple (Sediment Trap)
11 1CA38RA201 Cap
12 1CA01CA220 31/2Inch Long Nipple
13 1GB30 NIBCORBall Valve
14 1CA01CA238 8 Inch Long Nipple
15 1CA05RA201 90 Deg Elbow
Pipe gas supply into 90 degree elbow item 15 (see Table 2)
through the hole in the unit basepan.
For typical 3/4inch NPT field supplied fittings required
for NON Thru--Base gas supply starting from the unit gas
valve, omit items 14 and 15 from Table 2 and pipe gas
supply into TEE. See Fig. 18.
Table 3 – Natural Gas Supply Line Pressure Ranges
UNIT MODEL UNIT SIZE MIN MAX
48HC** 17, 20, 24, 28 5.0 in. wg
(1246 Pa)
13.0 in. wg
(3240 Pa)
EQUIPMENT DAMAGE HAZARD
Failure to follow this caution may result in damage
to equipment.
When connecting the gas line to the unit gas valve,
the installer MUST use a backup wrench to prevent
damage to the valve.
CAUTION
!
Install a gas supply line that runs to the unit heating
section. Refer to the NFPA 54/NFGC or equivalent code
for gas pipe sizing data. Do not use a pipe smaller than the
size specified. Size the gas supply line to allow for a
maximum pressure drop of 0.5--in wg (124 Pa) between
gas regulator source and unit gas valve connection when
unit is operating at high--fire flow rate.
The gas supply line can approach the unit in two ways:
horizontally from outside the unit (across the roof), or
through unit basepan. Observe clearance to gas line
components per Fig. 19.
15
14
13
12
11
10
9
8
7
6
54321
C10999
Fig. 17 -- Gas Supply Line Piping with Thru--Base
13
12
11
10
9
8
7
6
54321
C101006
Fig. 18 -- Gas Supply Line Piping
LEGEND
*Field supplied.
NOTE: Follow all local codes.
NFGC – National Fuel Gas Code
STEEL PIPE
NOMINAL DIAMETER
(in.)
SPACINGOFSUPPORTS
X DIMENSION
(ft)
1
/
2
3
/
4
or 1
1
1
/
4
or larger
6
8
10
X
BASE UNIT
BASE RAIL
ROOF
CURB
9” MINIMUM CLEARANCE
FOR PANEL REMOVAL
MANUAL GAS
SHUTOFF VALVE
*
GAS
REGULATOR*
48” MINIMUM
DRIP LEG
PER NFGC*
FIELD-
FABRICATED
SUPPORT*
FROM
GAS
METE
R
C11121
Fig. 19 -- Gas Piping Guide
48HC

18
Factory--Option Thru--Base Connections —
Electrical Connections: Knockouts are located in the
control box area. Remove the appropriate size knockout
for high voltage connection. Use the field supplied
connector depending on wiring or conduit being utilized.
Remove the 7/8--in (22mm) knockout and appropriate
connector for low voltage wiring. If non--unit powered
convenience outlet is being utilized, remove the 7/8-- i n
(22mm) knockout and utilize appropriate connector for
115 volt line. See “Step 12 — Making Electrical
Connections” for details.
Gas Connections: Remove the knockout in the base pan
and route 3/4--in. gas line up through the opening. Install
an elbow and route gas line through opening in panel after
first removing plastic bushing. Install a gas shut off
followed by a drip leg and ground--joint union. Route gas
line into gas section through the grommet (Part #:
KA56SL112) at the gas inlet and into the gas valve. See
Fig. 17 and Table 2. If a regulator is installed, it must be
located 4 feet (1.22 meters) from the flue outlet.
Some municipal codes require that the manual shutoff
valve be located upstream of the sediment trap. See
Fig. 18 for typical piping arrangements for gas piping that
has been routed through the sidewall of the base pan.
When installing the gas supply line, observe local codes
pertaining to gas pipe installations. Refer to the NFPA
54/ANSI Z223.1 NFGC latest edition (in Canada, CAN/CSA
B149.1). In the absence of local building codes, adhere to
the following pertinent recommendations:
1. Avoid low spots in long runs of pipe. Grade all pipe
1/4--in. in every 15 ft (7 mm in every 5 m) to prevent
traps. Grade all horizontal runs downward to risers.
Use risers to connect to heating section and to meter.
2. Protect all segments of piping system against physical
and thermal damage. Support all piping with appro-
priate straps, hangers, etc. Use a minimum of one
hanger every 6 ft (1.8 m). For pipe sizes larger than
1/2--in., follow recommendations of national codes.
3. Apply joint compound (pipe dope) sparingly and only to
male threads of joint when making pipe connections.
Use only pipe dope that is resistant to action of lique-
fied petroleum gases as specified by local and/or nation-
al codes. If using PTFE (Teflon) tape, ensure the materi-
al is Double Density type and is labeled for use on gas
lines. Apply tape per manufacturer’s instructions.
4. Pressure--test all gas piping in accordance with local
and national plumbing and gas codes before connect-
ing piping to unit.
NOTE: Pressure test the gas supply system after the gas
supply piping is connected to the gas valve. The supply
piping must be disconnected from the gas valve during the
testing of the piping systems when test pressure is in
excess of 0.5 psig (3450 Pa). Pressure test the gas supply
piping system at pressures equal to or less than 0.5 psig
(3450 Pa). The unit heating section must be isolated from
the gas piping system by closing the external main manual
shutoff valve and slightly opening the ground--joint union.
Check for gas leaks at the field--installed and
factory--installed gas lines after all piping connections have
been completed. Use soap--and--water solution (or method
specified by local codes and/or regulations).
FIRE OR EXPLOSION HAZARD
Failure to follow this warning could result in personal
injury, death and/or property damage.
SConnect gas pipe to unit using a backup wrench to
avoid damaging gas controls.
SNever purge a gas line into a combustion chamber.
SNever test for gas leaks with an open flame. Use a
commercially available soap solution made
specifically for the detection of leaks to check all
connections.
SUse proper length of pipe to avoid stress on gas
control manifold.
!WARNING
NOTE: If orifice hole appears damaged or it is suspected to
have been redrilled, check orifice hole with a numbered drill
bit of correct size. Never redrill an orifice. A burr--free and
squarely aligned orifice hole is essential for proper flame
characteristics.
BURNER
ORIFICE
A93059
Fig. 20 -- Orifice Hole
48HC

19
Step 11 — Install External Condensate Trap and
Line
The unit has one 3/4-in. condensate drain connection on
the end of the condensate pan (see Fig. 21). See Figs. 1, 2
and 3, item “E”, in the view labeled “BACK
(HORIZONTAL DISCHARGE)” for the location of the
condensate drain connection.
CONDENSATE
DRAIN
CONNECTION
C10729
Fig. 21 -- Condensate Drain Pan Connection
The piping for the condensate drain and external trap can
be completed after the unit is in place. Hand tighten
fittings to the drain pan fitting. Provide adequate support
for the drain line. Failure to do so can result in damage to
the drain pan. See Fig. 22.
NOTE: Trap should be deep enough to offset maximum unit static
difference. A 4” (102) trap is recommended.
MINIMUM PITCH
1” (25mm) PER
10’ (3m) OF LINE BASE RAIL
OPEN
VENT
TO ROOF
DRAIN
DRAIN PLUG
ROOF
CURB
SEE NOTE
2˝ (51) MIN
C08022
Fig. 22 -- Condensate Drain Piping Details
All units must have an external trap for condensate
drainage. Install a trap at least 4-in. (102 mm) deep and
protect against freeze-up. If drain line is installed
downstream from the external trap, pitch the line away
from the unit at 1-in. per 10 ft (25 mm in 3 m) of run. Do
not use a pipe size smaller than the unit connection
(3/4-in.).
Step 12 — Make Electrical Connections
ELECTRICAL SHOCK HAZARD
Failure to follow this warning could result in personal
injury or death.
Do not use gas piping as an electrical ground. Unit
cabinet must have an uninterrupted, unbroken electrical
ground to minimize the possibility of personal injury if
an electrical fault should occur. This ground may consist
of electrical wire connected to unit ground lug in control
compartment, or conduit approved for electrical ground
when installed in accordance with NEC (National
Electrical Code); ANSI/NFPA 70, latest edition (in
Canada, Canadian Electrical Code CSA [Canadian
Standards Association] C22.1), and local electrical
codes.
!WARNING
NOTE: Field--supplied wiring shall conform with the
limitations of minimum 63_F(33_C) rise.
Field Power Supply —
If equipped with optional Powered Convenience Outlet:
The power source leads to the convenience outlet’s
transformer primary are not factory connected. Installer
must connect these leads according to required operation
of the convenience outlet. If an always--energized
convenience outlet operation is desired, connect the
source leads to the line side of the unit--mounted
disconnect. (Check with local codes to ensure this method
is acceptable in your area.) On a unit without a
unit--mounted disconnect, connect the source leads to the
line side with unit field power leads. See Fig. 23.
LOAD
SIDE
SEE
DETAIL
A
DETAIL A
LINE
SIDE
BLK
YEL
BLU
CONTROL BOX
L3
L2
L1
C11181
Fig. 23 -- Location of TB1
Field power wires are connected to the unit at line--side
pressure lugs on the terminal block (see wiring diagram
label for control box component arrangement) or at
factory--installed option non--fused disconnect switch. Use
copper conductors only.
NOTE: Make field power connections directly to line
connection pressure lugs only.
48HC

20
FIRE HAZARD
Failure to follow this warning could result in
intermittent operation or unsatisfactory performance.
Do not connect aluminum wire between disconnect
switch and air conditioning unit. Use only copper
wire.(SeeFig.24.)
!WARNING
COPPER
WIRE ONLY
ELECTRIC
DISCONNECT
SWITCH
ALUMINUM
WIRE
A93033
Fig. 24 -- Disconnect Switch and Unit
Units without Factory--Installed Disconnect —
When installing units, provide a disconnect switch per
NEC (National Electrical Code) of adequate size.
Disconnect sizing data is provided on the unit informative
plate. Locate on unit cabinet or within sight of the unit per
national or local codes. Do not cover unit informative
plate if mounting the disconnect on the unit cabinet.
Units with Factory--Installed Disconnect —
The factory--installed option disconnect switch is located
in the main control box. The manual switch handle is
accessible on the corner post adjacent to the control box
access panel.
All Units --
All field wiring must comply with NEC and all local code
requirements.
Size wire based on MCA (Minimum Circuit Amps) on the
unit informative plate. See Fig. 25 for power wiring
connections to the unit power terminal block and equipment
ground. Maximum wire size is 2/0 AWG per pole.
Provide a ground--fault and short--circuit over--current
protection device (fuse or breaker) per NEC Article 440
(or local codes). Refer to unit informative data plate for
MOCP (Maximum Over--current Protection) device size.
Voltage to compressor terminals during operation must be
within voltage range indicated on unit nameplate. See
Table 11. On 3--phase units, voltages between phases must
be balanced within 2% and the current within 10%. Use
the formula shown in the legend for Table 11 (see Note 2
on page 49) to determine the percent of voltage
imbalance.
UNIT DAMAGE HAZARD
Failure to follow this caution may result in equipment
damage.
Operation on improper line voltage or excessive phase
imbalance constitutes abuse and may cause damage to
electrical components. Such operation would invalidate
any applicable Carrier warranty.
CAUTION
!
11 12 13
L1 L2 L3
TB1
208/230-3-60
460-3-60
575-3-60
Units Without Disconnect Option
Units With Disconnect Option
T1 T2 T3
L1 L2 L3
L1 L2 L3
Factory
Wiring
Disconnect
per
NEC
Optional
Disconnect
Switch
C101000
Fig. 25 -- Power Wiring Connections
Convenience Outlets —
ELECTRICAL OPERATION HAZARD
Failure to follow this warning could result in personal
injury or death.
Units with convenience outlet circuits may use
multiple disconnects. Check convenience outlet for
power status before opening unit for service. Locate
its disconnect switch, if appropriate, and open it.
Lock--out and tag--out this switch, if necessary.
!WARNING
48HC

21
Two types of convenience outlets are offered on 48HC
models: Non--unit powered and unit--powered. Both types
provide a 125--volt GFCI (ground--fault circuit--interrupter)
duplex receptacle rated at 15--A behind a hinged access
cover, located on the corner panel of the unit. See Fig. 26.
Convenience
Outlet
Electric
Disconnect
Switch
Control Box
Access Panel
C10641
Fig. 26 -- Convenience Outlet Location
Installing Weatherproof Cover: A weatherproof
while-in-use cover for the factory-installed convenience
outlets is now required by UL standards. This cover cannot
be factory-mounted due to its depth; it must be installed at
unit installation. For shipment, the convenience outlet is
covered with a blank cover plate.
The weatherproof cover kit is shipped in the unit’s control
box. The kit includes the hinged cover, a backing plate
and gasket.
DISCONNECT ALL POWER TO UNIT AND
CONVENIENCE OUTLET. LOCK--OUT AND TAG--OUT
ALL POWER.
Remove the blank cover plate at the convenience outlet;
discard the blank cover.
Loosen the two screws at the GFCI duplex outlet, until
approximately 1/2-in (13 mm) under screw heads are
exposed. Press the gasket over the screw heads. Slip the
backing plate over the screw heads at the keyhole slots
and align with the gasket; tighten the two screws until
snug (do not over-tighten).
Mount the weatherproof cover to the backing plate as
shown in Fig. 27. Remove two slot fillers in the bottom of
the cover to permit service tool cords to exit the cover.
Check for full closing and latching.
RECEPTACLE
NOT SHOWN
COVER – WHILE-IN-USE
WEATHERPROOF
BASE PLATE FOR
GFCI RECEPTACLE
C09022
Fig. 27 -- Weatherproof Cover Installation
Non--unit powered type: This type requires the field
installation of a general--purpose 125--volt 15--A circuit
powered from a source elsewhere in the building. Observe
national and local codes when selecting wire size, fuse or
breaker requirements and disconnect switch size and
location. Route 125--v power supply conductors into the
bottom of the utility box containing the duplex receptacle.
Unit--powered type: A unit--mounted transformer is
factory--installed to stepdown the main power supply
voltage to the unit to 115--v at the duplex receptacle. This
option also includes a manual switch with fuse, located in
a control box and mounted on a bracket behind the
convenience outlet; access is through the unit’s control
box access panel. See Fig. 26.
The primary leads to the convenience outlet transformer
are not factory--connected. If local codes permit, the
transformer primary leads can be connected at the
line--side terminals on the unit--mounted non--fused
disconnect switch; this will provide service power to the
unit when the unit disconnect switch is open. See Fig. 28.
C10730
UNIT
VOLTAGE
CONNECT
AS
PRIMARY
CONNECTIONS
TRANSFORMER
TERMINALS
208,
230 240 L1: RED +YEL
L2: BLU + GRA
H1 + H3
H2 + H4
460 480
L1: RED
Splice BLU + YEL
L2: GRA
H1
H2 + H3
H4
575 600 L1: RED
L2: GRA
H1
H2
Fig. 28 -- Powered Convenience Outlet Wiring
48HC

22
2.0
50HE501288
NOTICE/AVIS
Convenience Outlet Utilization
Maximum Intermittent Use 15 - Amps
Maximum Continuous Use 8 - Amps
Observe a 50% limit on the circuit
Loading above 8 - Amps
Utilisation de la prise utilitaire
Usage intermittent maximum 15 - Amps
Usage continu maximum 8 - Amps
Observez une limite de 50% sur le circuit
Chargement au-dessus de 8 - Amps
C10077
Fig. 29 -- Convenience Outlet Utilization Notice
Test the GFCI receptacle by pressing the TEST button on
the face of the receptacle to trip and open the receptacle.
Check for proper grounding wires and power line phasing
if the GFCI receptacle does not trip as required. Press the
RESET button to clear the tripped condition.
Using unit--mounted convenience outlets: Units with
unit--mounded convenience outlet circuits will often
require that two disconnects be opened to de--energize all
power to the unit. Treat all units as electrically energized
until the convenience outlet power is also checked and
de--energization is confirmed. Observe National Electrical
Code Article 210, Branch Circuits, for use of convenience
outlets.
Factory--Option Thru--Base Connections —
All units are equipped with the ability to bring utilities
through the base.
Gas is brought up through an embossed area located in the
gas section behind the gas entrance post. Access is gained
through the gas access panel. A knock out must be
removed to accomplish this.
The electrical entrance is located in the control box area
and can be accessed through the control box access panel.
An embossed area is provided with three knock outs. High
voltage is brought through the multi knock out by
removing the appropriate size for the size of the fitting
required. A 7/8--in. knock out is provided for low voltage.
An additional 7/8--in. knock out is provided for a 115 volt
line which is used when the unit is equipped with the
non--unit powered convenience outlet option.
All required fittings are field supplied. Install fittings
when access to both top and bottom of the base pan is
available. See electrical and gas connections for routing
and connection information.
Units without Thru--Base Connections —
1. Install liquid tight conduit between disconnect and
control box.
2. Pull correctly rated high voltage wires through the
conduit.
3. Install power lines to terminal connections as shown
in Fig. 25.
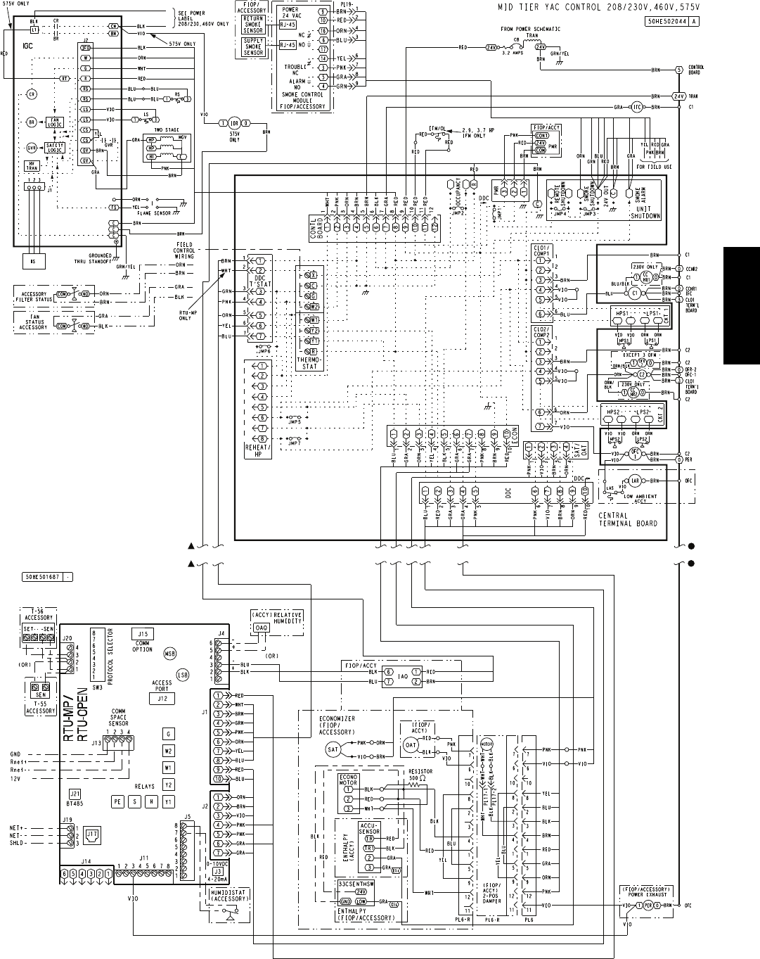
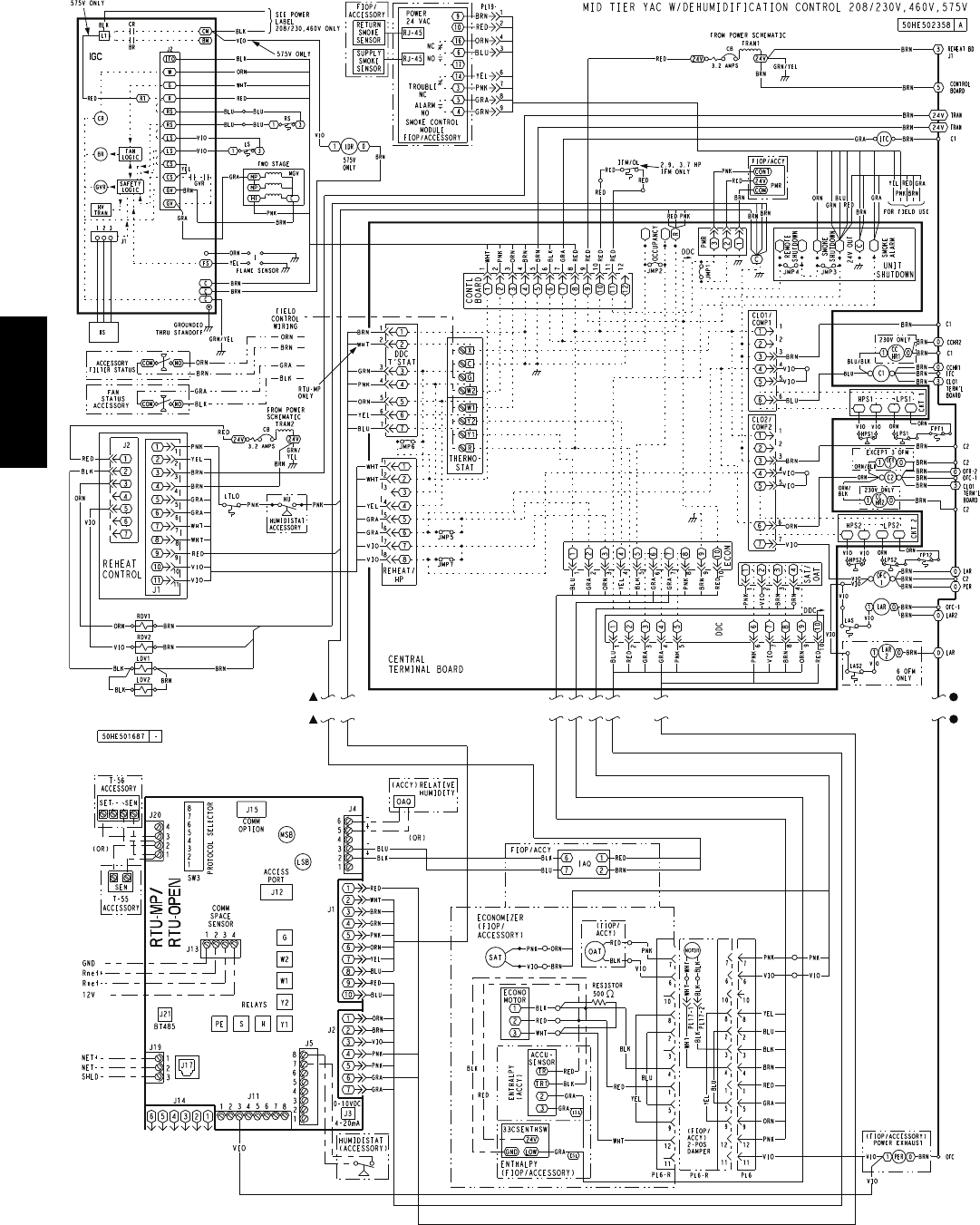
Field Control Wiring —
The 48HC unit requires an external temperature control
device. This device can be a thermostat (field--supplied)
or a PremierLink controller (available as factory--installed
option or as field--installed accessory, for use on a Carrier
Comfort Network or as a stand alone control) or the RTU
Open for Building Management Systems using non--CCN
protocols (RTU Open is available as a factory--installed
option only).
Thermostat —
Install a Carrier--approved accessory 2--stage thermostat
according to installation instructions included with the
accessory. Locate the thermostat accessory on a solid wall
in the conditioned space to sense average temperature in
accordance with the thermostat installation instructions.
If the thermostat contains a logic circuit requiring 24--v
power, use a thermostat cable or equivalent single leads of
different colors with minimum of seven leads. If the
thermostat does not require a 24--v source (no “C”
connection required), use a thermostat cable or equivalent
with minimum of six leads. Check the thermostat
installation instructions for additional features which
might require additional conductors in the cable.
For wire runs up to 50 ft. (15 m), use no. 18 AWG
(American Wire Gage) insulated wire (35_C minimum).
For50to75ft.(15to23m),useno.16AWGinsulated
wire (35_C minimum). For over 75 ft. (23 m), use no. 14
AWG insulated wire (35_C minimum). All wire sizes
larger than no. 18 AWG cannot be directly connected to
the thermostat and will require a junction box and splice
at the thermostat.
Unit without Thru--Base Connection Kit —
Correctly rated low voltage wire can be routed through the
rubber grommet located on the corner post adjacent to the
control box access panel. Route wire through the grommet
and then route the wire behind the corner post utilizing the
factory provided wire ties secured to the control box. This
will insure separation of the field low voltage wire and the
high voltage circuit. Route the low voltage wire to the
central terminal board. See Fig. 30.
48HC

23
C
W2
G
W1
R
Y1
Typical
Thermostat
Corrections
O/B/Y2
(see Note)
Note: Typical multi-function marking. Follow manufacturer’s configuration
instructions to select Y2.
Field Wiring
Central
Terminal
Board
W1
Y2
Y1
R
W2
G
C
X
W1
Y2
Y1
R
W2
G
C
X
T–STAT
See
Caution
UNIT DAMAGE HAZARD
Failure to follow this caution may cause a short circuit.
CAUTION
!
Carefully check the connection of control coductor
for indoor fan control at terminal G. Connecting the
indoor fan lead to terminal C will cause a short circuit
condition which can cause component damage inside
the unit or at thermostat.
C10731
Fig. 30 -- Typical Low--Voltage Control Connections
NOTE: If utilizing the through the base connections,
route the low voltage wire through the wire ties to the
central terminal board.
Rubber
Grommet
Corner
Post
Wire
Ties
Thru the Base
Connection
C10734
Fig. 31 -- Field Control Wiring Raceway
Heat Anticipator Settings —
Set heat anticipator settings at 0.14 amp for the first stage
and 0.14 amp for second--stage heating.
Transformer Connection for 208--v Power Supply —
All units except 208/230-v units are factory wired for the
voltage shown on the nameplate. If the 208/230-v unit is
to be connected to a 208-v power supply, the control
transformer must be rewired by moving the black wire
with the 1/4-in. female spade connector from the 230--v
connection and moving it to the 208-v 1/4-in. male
terminal on the primary side of the transformer. Refer to
unit label diagram for additional information.
48HC

24
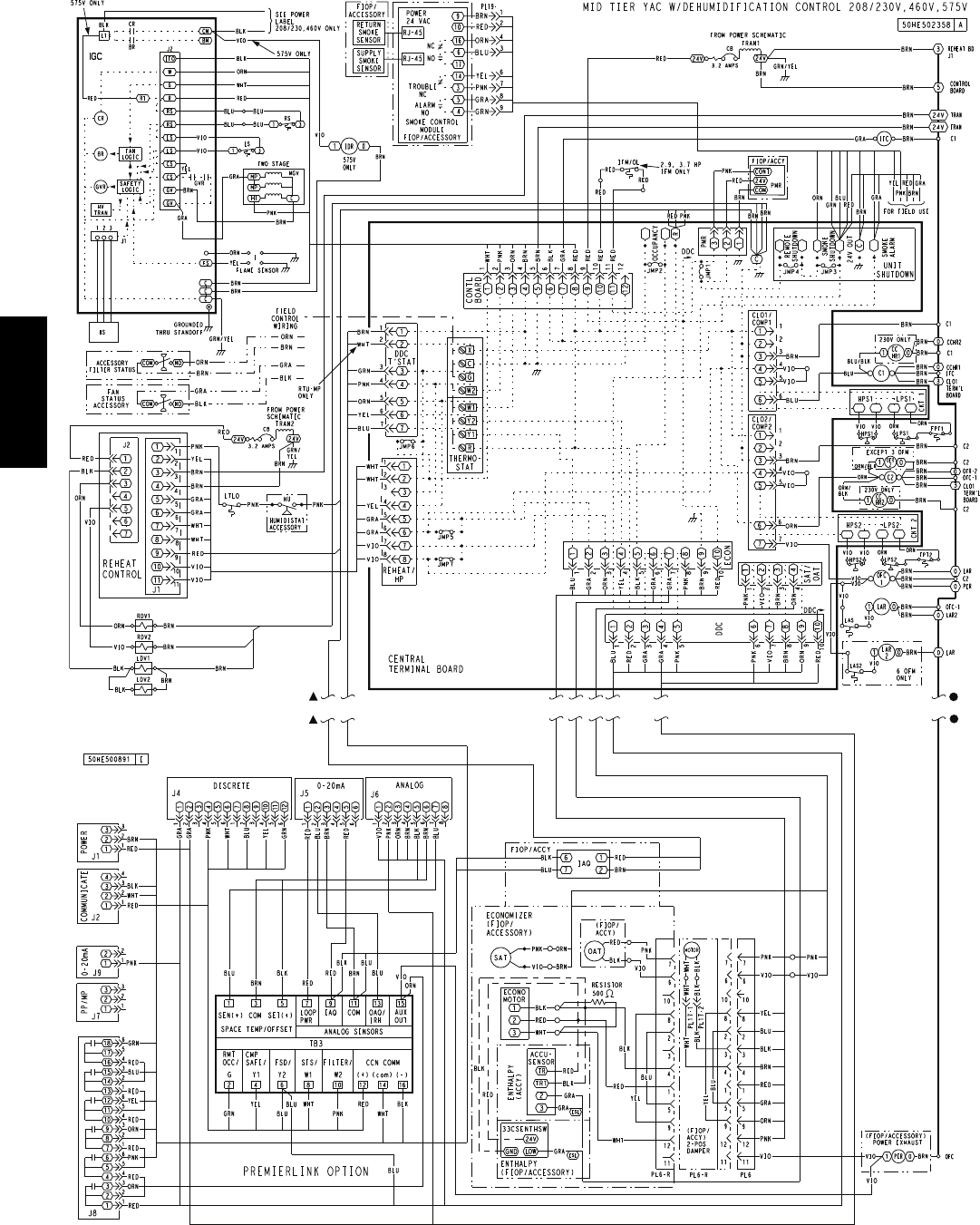
Humidi--MiZerRControl Connections
Humidi--MiZer – Space RH Controller —
NOTE: The Humidi--MiZer is a factory installed option.
The Humidi--MiZer dehumidification system requires a
field--supplied and --installed space relative humidity
control device. This device may be a separate humidistat
control (contact closes on rise in space RH above control
setpoint) or a combination thermostat--humidistat control
device such as Carrier’s EDGERPro Thermidistat with
isolated contact set for dehumidification control. The
humidistat is normally used in applications where a
temperature control is already provided (units with
PremierLinktcontrol).
To connect the Carrier humidistat (HL38MG029):
1. Route the humidistat 2--conductor cable (field--sup-
plied) through the hole provided in the unit corner
post.
2. Feed wires through the raceway built into the corner
post (see Fig. 31) to the 24--v barrier located on the
left side of the control box. The raceway provides the
UL--required clearance between high--voltage and
low--voltage wiring.
3. Use wire nuts to connect humidistat cable to two
PINK leads in the low–voltage wiring as shown in
Fig. 34.
To connect the Thermidistat device (33CS2PPRH--01):
1. Route the Thermidistat multi--conductor thermostat
cable (field--supplied) through the hole provided in
the unit corner post.
2. Feed wires through the raceway built into the corner
post (see Fig. 31) to the 24--v barrier located on the
left side of the control box. The raceway provides the
UL--required clearance between high--voltage and
low--voltage wiring.
3. The Thermidistat has dry contacts at terminals D1
and D2 for dehumidification operation (see Fig. 35).
The dry contacts must be wired between CTB
terminal R and the PINK lead to the LTLO switch
with field--supplied wire nuts. Refer to the installation
instructions included with the Carrier Edge
Thermidistat device (Form 33CS--65SI or latest) for
more information.
% RELATIVE HUMIDITY
C09295
Fig. 32 -- Accessory Field--Installed Humidistat
®
C09296
Fig. 33 -- EDGE Pro Thermidistat
48HC

25
C11139
Fig. 34 -- Typical Humidi--MiZerRAdaptive Dehumidification System Humidistat Wiring
Rc
Rh
W1
G
Y2
C
O/W2/B
Y1
OAT
RRS
SRTN
HUM
D1
D2
V+
Vg
X*
C
G
W2
W1
Y2
Y1
R
EDGE Pro THERMIDISTAT Unit CTB
THERMOSTAT
*Connection not required.
Humidi-MiZer™ FIOP
C09298
Fig. 35 -- Typical Rooftop Unit with Humidi--MiZer Adaptive Dehumidification System
with EDGE Pro Thermidistat Device
48HC

26
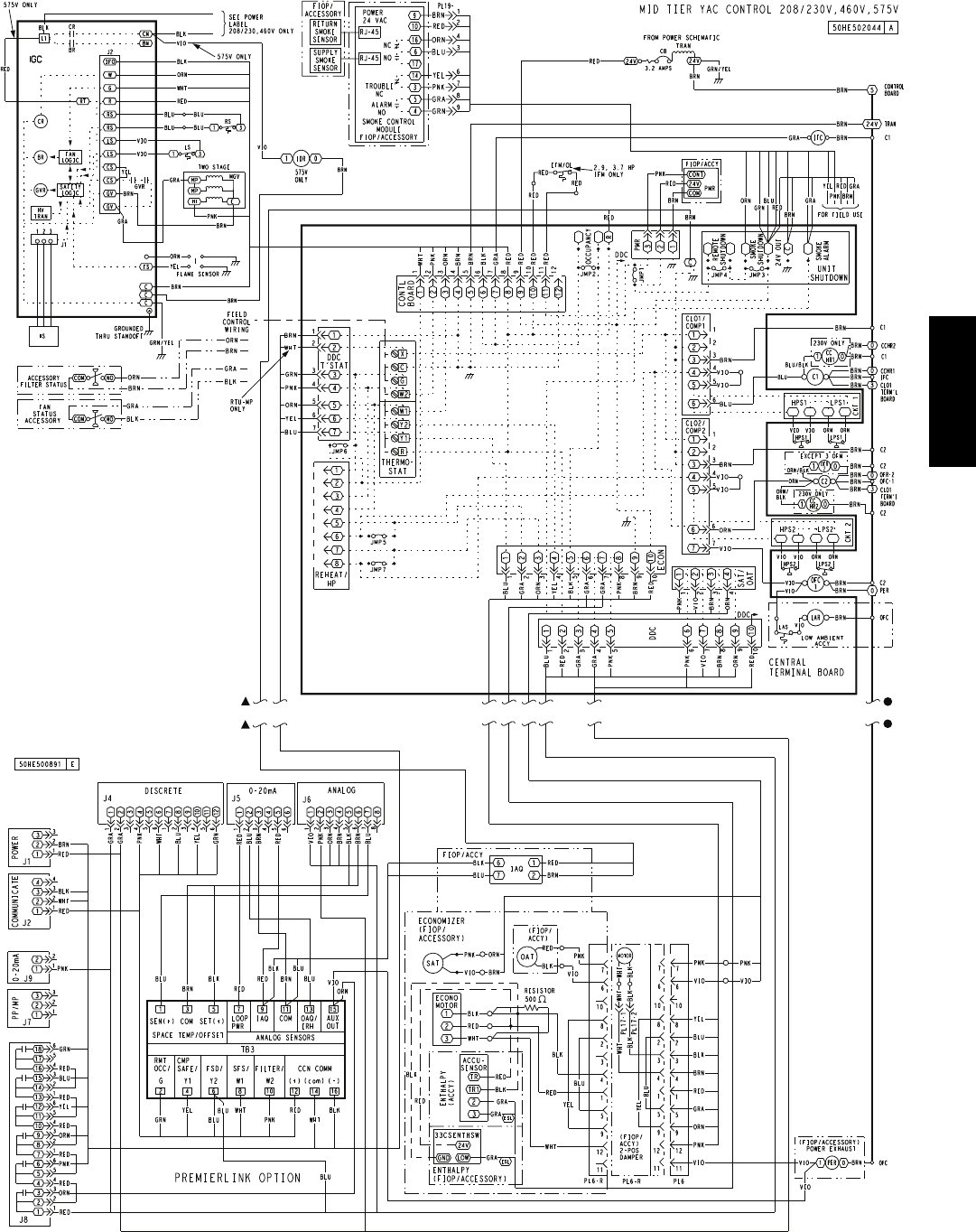
PremierLinkt(Factory--Option)
C08199
Fig. 36 -- PremierLink Controller
The PremierLink controller (see Fig. 36) is compatible
with Carrier Comfort Networkr(CCN) devices. This
control is designed to allow users the access and ability to
change factory--defined settings, thus expanding the
function of the standard unit control board. CCN service
access tools include System Pilott, Touch Pilottand
Service Tool. (Standard tier display tools Navigatortand
Scrolling Marquee are not suitable for use with latest
PremierLink controller (Version 2.x).)
The PremierLink control is factory--mounted in the 48HC
unit’s main control box to the right of the Central Terminal
Board (CTB) (see Fig. 37). Factory wiring is completed
through harnesses connected to the CTB thermostat. Field
connections are made at a 16--pole terminal block (TB3)
located at the top of the unit control box in front of the
PremierLink controller. The factory--installed PremierLink
control includes the supply--air temperature (SAT) sensor.
The outdoor air temperature (OAT) sensor is included in the
FIOP/accessory EconoMi$ert2 package. (See page 45 for
accessory enthalpy controls.)
The PremierLink controller requires the use of a Carrier
electronic thermostat or a CCN connection for time
broadcast to initiate its internal timeclock. This is
necessary for broadcast of time of day functions
(occupied/unoccupied).
NOTE: PremierLink controller is shipped in Sensor
mode. To be used with a thermostat, the PremierLink
controller must be configured to Thermostat mode. Refer
to PremierLink Configuration instructions for Operating
Mode.
C10643
Fig. 37 -- 48HC Control Box Component Locations
48HC

27
C11140
Fig. 38 -- PremierLink Wiring Schematic
48HC

28
C11141
Fig. 39 -- PremierLink Wiring Schematic with Humidi--MiZerR
48HC

29
Supply Air Temperature (SAT) Sensor —
On FIOP--equipped 48HC unit, the unit is supplied with a
supply--air temperature (SAT) sensor (33ZCSENSAT).
This sensor is a tubular probe type, approx 6--inches (12.7
mm) in length. It is a nominal 10--k ohm thermistor.
The SAT is factory--wired. The SAT probe is mounted in
the fan deck (see Fig. 40). It can be removed or
remounted per local codes.. Drill or punch a 1/2--in. hole
in the flange or duct. Use two field--supplied, self--drilling
screws to secure the sensor probe in a horizontal
orientation. Insure that the sensor wires do not contact the
hot surface of the heat exchanger.
SUPPLY AIR RETURN AIR
SUPPLY AIR
TEMPERATURE
SENSOR
ROOF
CURB
C10733
Fig. 40 -- Mounting Location for Supply Air
Temperature (SAT) Sensor on 48HC Units
NOTE: Refer to Form 33CS--67SI for complete
PremierLink configuration, operating sequences and
troubleshooting information. Have a copy of this manual
available at unit start--up.
NOTE: The sensor must be mounted in the discharge
airstream downstream of the cooling coil and any heating
devices. Be sure the probe tip does not come in contact
with any of the unit’s heater surfaces.
Outdoor Air Temperature (OAT) Sensor —
The OAT is factory--mounted in the EconoMi$er2 (FIOP
or accessory). It is a nominal 10k ohm thermistor attached
to an eyelet mounting ring.
EconoMi$er2 —
The PremierLink control is used with EconoMi$er2
(option or accessory) for outdoor air management. The
damper position is controlled directly by the PremierLink
control; EconoMi$er2 has no internal logic device.
Outdoor air management functions can be enhanced with
field--installation of these accessory control devices:
Enthalpy control (outdoor air or differential sensors)
Space CO2sensor
Outdoor air CO2sensor
Refer to Table 4 for accessory part numbers.
Field Connections
Field connections for accessory sensor and input devices
are made at the 16--pole terminal block (TB3, see Fig. 38
and Fig. 39) located on the control box top shelf in front
of the PremierLink control. Some input devices also
require a 24--vac signal source; connect at CTB terminal
R at “THERMOSTAT” connection strip for this signal
source. See connections figures on following pages for
field connection locations (and for continued connections
at the PremierLink board inputs).
Table 5 provides a summary of field connections for units
equipped with Space Sensor. Table 6 provides a summary of
field connections for units equipped with Space Thermostat.
Table 4 – PremierLink Sensor Usage
APPLICATION
OUTDOOR AIR
TEMPERATURE
SENSOR
RETURN AIR
TEMPERATURE
SENSOR
OUTDOOR AIR
ENTHALPY SENSOR
RETURN AIR
ENTHALPY SENSOR
Differential Dry Bulb
Temperature with
PremierLink
(PremierLink requires
4 --- 2 0 m A A c t u a t o r )
I n c l u d e d ---
CRTEMPSN001A00
R e q u i r e d ---
33ZCT55SPT
or equivalent
--- ---
Single Enthalpy with
PremierLink
(PremierLink requires
4 --- 2 0 m A A c t u a t o r )
I n c l u d e d ---
Not Used --- R e q u i r e s ---
33CSENTHSW ---
Differential Enthalpy
with PremierLink
(PremierLink requires
4 --- 2 0 m A A c t u a t o r )
I n c l u d e d ---
Not Used ---
R e q u i r e s ---
33CSENTHSW
or equivalent
R e q u i r e s ---
33CSENTSEN
or equivalent
NOTES:
CO2Sensors (Optional):
33ZCSENCO2 --- Room sensor (adjustable). Aspirator box is required for duct mounting of the sensor.
33ZCASPCO2 --- Aspirator box used for duct---mounted CO2room sensor.
33ZCT55CO2 --- Space temperature and CO2room sensor with override.
33ZCT56CO2 --- Space temperature and CO2room sensor with override and setpoint.
48HC

30
Table 5 – Space Sensor Mode
TB3 TERMINAL FIELD CONNECTION INPUT SIGNAL
1T 5 5 --- S E N / T 5 6 --- S E N Analog (10k thermistor)
2RMTOCC Discrete, 24VAC
3T 5 5 --- S E N / T 5 6 --- S E N Analog (10k thermistor)
4CMPSAFE Discrete, 24VAC
5T56---SET Analog (10k thermistor)
6FSD Discrete, 24VAC
7LOOP---PWR Analog, 24VDC
8SPS Discrete, 24VAC
9IAQ---SEN A n a l o g , 4 --- 2 0 m A
10 FILTER Discrete, 24VAC
11 I A Q --- C O M / O A Q --- C O M / R H --- C O M A n a lo g , 4 --- 2 0 m A
12 CCN + (RED) Digital,,5VDC
13 OAQ ---SEN/RH ---SEN A n a l o g , 4 --- 2 0 m A
14 CCN Gnd (WHT) Digital, 5VDC
15 AUX OUT(Power Exhaust) (Output)Discrete 24VAC
16 CCN --- (BLK) Digital, 5VDC
LEGEND:
T55 --- Space Temperature Sensor
T56 --- Space Temperature Sensor
CCN --- Carrier Comfort Network (communication bus)
CMPSAFE --- Compressor Safety
FILTER --- Dirty Filter Switch
F S D --- F i r e S h u t d o w n
IAQ --- Indoor Air Quality (CO2)
OAQ --- Outdoor Air Quality (CO2)
RH --- Relative Humidity
SFS --- Supply Fan Status
Table 6 – Thermostat Mode
TB3 TERMINAL FIELD CONNECTION INPUT SIGNAL
1RAT SEN Analog (10k thermistor)
2 G Discrete, 24VAC
3RAT SEN Analog (10k thermistor)
4Y1 Discrete, 24VAC
5
6Y2 Discrete, 24VAC
7LOOP---PWR Analog, 24VDC
8W1 Discrete, 24VAC
9I A Q --- S E N Analog, 4---20mA
10 W2 Discrete, 24VAC
11 I A Q --- C O M / O A Q --- C O M / R H --- C O M Analog, 4---20mA
12 CCN + (RED) Digital, 5VDC
13 O A Q --- S E N / R H --- S E N Analog, 4---20mA
14 CCN Gnd (WHT) Digital, 5VDC
15 AUX OUT (Power Exhaust) (Output) Discrete 24VAC
16 CCN --- (BLK) Digital, 5VDC
LEGEND:
CCN --- Carrier Comfort Network (communication bus)
G --- T h e r m o s t a t F a n
IAQ --- Indoor Air Quality (CO2)
OAQ --- Outdoor Air Quality (CO2)
RAT --- Return Air Temperature
RH --- Relative Humidity
W1 --- Thermostat Heat Stage 1
W2 --- Thermostat Heat Stage 2
Y1 --- Thermostat Cool Stage 1
Y2 --- Thermostat Cool Stage 2
48HC

31
Space Sensors —
The PremierLink controller is factory--shipped configured
for Space Sensor Mode. A Carrier T--55 or T--56 space
sensor must be used. T--55 space temperature sensor
provides a signal of space temperature to the PremierLink
control. T--56 provides same space temperature signal plus
it allows for adjustment of space temperature setpoints
from the face of the sensor by the occupants.
2345 61
SW1
SEN
BRN (GND)
BLU (SPT)
RED(+)
WHT(GND)
BLK(-) CCN COM
SENSOR WIRING
C08201
Fig. 41 -- T--55 Space Temperature Sensor Wiring
Connect T--55: See Fig. 41 for typical T--55 internal
connections. Connect the T--55 SEN terminals to TB3
terminals 1 and 3 (see Fig. 42).
SEN J6-7
J6-6
1
3
TB3 PL
SEN
C10023
Fig. 42 -- PremierLink T--55 Sensor
Connect T--56: See Fig. 43 for T--56 internal connections.
Install a jumper between SEN and SET terminals as
illustrated. Connect T--56 terminals to TB3 terminals 1, 3
and 5 (see Fig. 44).
2345 61
SW1
SEN SET
Cool Warm
BRN (GND)
BLU (SPT)
RED(+)
WHT(GND)
BLK(-) CCN COM
SENSOR WIRING
JUMPER
TERMINALS
AS SHOWN
BLK
(T56)
C08202
Fig. 43 -- T--56 Internal Connections
SEN J6-7
J6-6
1
3
TB3 PL
SEN
SET
Jumper
TB3 PL
J6-5
5
SET
C10022
Fig. 44 -- PremierLink T--56 Sensor
Connect Thermostat —
A 7--wire thermostat connection requires a 24--v power
source and a common connection. Use the R and C
terminals on the CTB’s THERMOSTAT connection strip
for these. Connect the thermostat’s Y1, Y2, W1, W2 and
G terminals to PremierLink TB3 as shown in Fig. 45.
If the 48HC unit is equipped with factory--installed smoke
detector(s), disconnect the factory BLU lead at TB3--6
(Y2) before connecting the thermostat. Identify the BLU
lead originating at CTB--DDC--1; disconnect at TB3--6
and tape off. Confirm that the second BLU lead at TB3--6
remains connected to PremierLink J4--8.
GJ4-12
J4-10
J4-8
Y1
Y2
2
RR
4
6
J4-6
J4-4
W2
C
8
10
C
SPACE
THERMOSTAT
CTB
THERMOSTAT
PL
W1
TB3
CTB
THERMOSTAT
C10283
Fig. 45 -- Space Thermostat Connections
If the 48HC unit has an economizer system and free--cooling
operation is required, a sensor representing Return Air
Temperature must also be connected (field--supplied and
installed). This sensor may be a T--55 Space Sensor (see Fig.
41) installed in the space or in the return duct, or it may be
sensor PNO 33ZCSENSAT, installed in the return duct.
Connect this sensor to TB3--1 and TB3--3 per Fig. 42.
Configure the Unit for Thermostat Mode —
Connect to the CCN bus using a CCN service tool and
navigate to PremierLink Configuration screen for
Operating Mode. Default setting is Sensor Mode (value
1). Change the value to 0 to reconfigure the controller for
Thermostat Mode.
When the PremierLink is configured for Thermostat
Mode, these functions are not available: Fire Shutdown
(FSD), Remote Occupied (RMTOCC), Compressor Safety
(CMPSAFE), Supply Fan Status (SFS), and Filter Pressure
Switch (FILTER).
48HC

32
Economizer Controls
Indoor Air Quality (CO2)Sensor—
The indoor air quality sensor accessory monitors space
carbon dioxide (CO2) levels. This information is used to
monitor IAQ levels. Several types of sensors are available,
for wall mounting in the space or in return duct, with and
without LCD display, and in combination with space
temperature sensors. Sensors use infrared technology to
measure the levels of CO2present in the space air.
The CO2sensors are all factory set for a range of 0 to
2000 ppm and a linear mA output of 4 to 20. Refer to the
instructions supplied with the CO2sensor for electrical
requirements and terminal locations. See Fig. 46 for
typical CO2sensor wiring schematic.
87654321
21
HG
24 VAC
OR
24 VDC
NC ALARM
RELAY
CONTACTS
COM
NO
}
0-10VDC
SIG COM
4-20mA
+
+
-
+-
J3 J4
C08635
Fig. 46 -- Indoor/Outdoor Air Quality (CO2)Sensor
(33ZCSENCO2) -- Typical Wiring Diagram
To accurately monitor the quality of the air in the
conditioned air space, locate the sensor near a return--air
grille (if present) so it senses the concentration of CO2
leaving the space. The sensor should be mounted in a
location to avoid direct breath contact.
Do not mount the IAQ sensor in drafty areas such as near
supply ducts, open windows, fans, or over heat sources.
Allow at least 3 ft (0.9 m) between the sensor and any
corner. Avoid mounting the sensor where it is influenced
by the supply air; the sensor gives inaccurate readings if
the supply air is blown directly onto the sensor or if the
supply air does not have a chance to mix with the room air
before it is drawn into the return airstream.
Wiring the Indoor Air Quality Sensor: For each sensor,
use two 2--conductor 18 AWG (American Wire Gage)
twisted--pair cables (unshielded) to connect the separate
isolated 24 vac power source to the sensor and to connect
the sensor to the control board terminals.
To connect the sensor to the control, identify the positive
(4 to 20 mA) and ground (SIG COM) terminals on the
sensor. See Fig. 46. Connect the 4--20 mA terminal to
terminal TB3--9 and connect the SIG COM terminal to
terminal TB3--11. See Fig. 47.
J4
J5-5
J5-3
9
11
TB3
TB3
IAQ Sensor PL
24 VAC
4-20mA
SIG COM
C11156
Fig. 47 -- Indoor CO2Sensor (33ZCSENCO2)
Connections
Refer to Form 33CS--67SI, PremierLink Installation,
Start--up, and Configuration Instructions, for detailed
configuration information.
Outdoor Air Quality Sensor (PNO 33ZCSENCO2 plus
weatherproof enclosure) —
The outdoor air CO2sensor is designed to monitor carbon
dioxide (CO2) levels in the outside ventilation air and
interface with the ventilation damper in an HVAC system.
The OAQ sensor is packaged with an outdoor cover. See
Fig. 48. The outdoor air CO2sensor must be located in the
economizer outside air hood.
COVER REMOVED SIDE VIEW
C07135
Fig. 48 -- Outdoor Air Quality Sensor Cover
Wiring the Outdoor Air CO2Sensor: A dedicated
power supply is required for this sensor. A two--wire cable
is required to wire the dedicated power supply for the
sensor. The two wires should be connected to the power
supply and terminals 1 and 2.
To connect the sensor to the control, identify the positive
(4 to 20 mA) and ground (SIG COM) terminals on the
OAQ sensor. See Fig. 46. Connect the 4 to 20 mA
terminal to the TB3--13 terminal of the 48HC. Connect the
SIG COM terminal to the TB3--11 terminal of the 48HC.
See Fig. 49.
48HC

33
J5-2
J5-3
13
11
TB3
TB3
OAQ Sensor PL
24 VAC
4-20mA
SIG COM
C11157
Fig. 49 -- Outdoor CO2Sensor Connections
Space Relative Humidity Sensor or Humidistat
Connections —
Space Relative Humidity Sensor connections: The
accessory space relative humidity sensor (33ZCSENSRH-01)
is installed on an interior wall to measure the relative
humidity of the air within the occupied space.
The use of a standard 2 X 4 inch electrical box to
accommodate the wiring is recommended for installation.
The sensor can be mounted directly on the wall, if
acceptable by local codes.
UNIT DAMAGE HAZARD
Failure to follow this caution may result in
permanent damage to the sensor.
DO NOT clean or touch the sensing element with
chemical solvents as they can permanently damage the
sensor.
CAUTION
!
UNIT PERFORMANCE HAZARD
Failure to follow this caution will result in inaccurate
sensor readings.
DO NOT mount the sensor in drafty areas such as near
heating or air--conditioning ducts, open windows, fans,
or over heat sources such as baseboard heaters,
radiators, or wall--mounted dimmers. Sensors mounted
in those areas will produce inaccurate readings.
CAUTION
!
If the sensor is installed directly on a wall service, install the
humidity sensor using 2 screws and 2 hollow wall anchors
(field supplied). Do not over tighten screws. See Fig. 50.
SW2
12345 6
ON
Io Vin Gnd Vo
MOUNTING
HOLES
WIRING
OPENING
C11084
Fig. 50 -- Space Relative Humidity Sensor Installation
The sensor must be mounted vertically on the wall. The
Carrier logo should be orientated correctly when the
sensor is properly mounted.
Avoid corner locations. Allow at least 4 ft between the
sensor and any corner. Airflow near corners tends to be
reduced, resulting in erratic sensor readings. The sensor
should be vertically mounted approximately 5 ft up from
the floor, beside the space temperature sensor.
For wiring distances up to 500 feet, use a 3--conductor, 18
or 20 AWG cable. ACCN communication cable can be
used, although the shield is not required. The shield must
be removed from the sensor end of the cable if this cable
is used. See Fig. 51 for wiring details.
Io VoVin Gnd
BLACK
RED
TB3-7
TB3-13
C11085
Fig. 51 -- Space Relative Humidity Sensor Connection
The power for the sensor is provided by the PremierLink
control on terminal J5--4 (+33 to +35vdc).
To wire the sensor:
1. At the sensor, remove 4 inches of the jacket from the
cable. Strip 1/4inch of insulation from each conduct-
or. Route the cable through the wire clearance open-
ing in the center of the sensor. See Fig. 50.
2. Connect a field--supplied BLACK wire to the sensor
screw terminal marked Vin.
3. Connect a field--supplied RED wire into the sensor
screw terminal marked Io.
4. Connect the field--supplied RED wire from the sensor
to TB3--13.
5. Connect the field--supplied BLACK wire from the
sensor to TB3--7.
Humidistat connections: A humidistat can not be directly
connected to the PremierLink controller. Follow the
instructions on pages 24 & 25 to connect a humidistat or a
thermostat as an electromechanical device.
48HC

34
Smoke Detector/Fire Shutdown (FSD) —
This function is available only when PremierLink is
configured for (Space) Sensor Mode. The unit is
factory--wired for PremierLink FSD operation when
PremierLink is factory--installed.
On 48HC units equipped with factory--installed Smoke
Detector(s), the smoke detector controller implements the
unit shutdown through its NC contact set connected to the
unit’s CTB input. The FSD function is initiated via the
smoke detector’s Alarm NO contact set. The PremierLink
communicates the smoke detector’s tripped status to the
CCN building control. See Figs. 38 and 39, the PremierLink
wiring schematics.
Filter Status Switch —
This function is available only when PremierLink is
configured for (Space) Sensor Mode.
PremierLink control can monitor return filter status in two
ways: By monitoring a field--supplied/installed filter
pressure switch or via supply fan runtime hours.
Using switch input: Install the dirty filter pressure switch
according to switch manufacturer’s instructions, to
measure pressure drop across the unit’s return filters.
Connect one side of the switch’s NO contact set to CTB’s
THERMOSTAT--R terminal. Connect the other side of the
NO contact set to TB3--10. Setpoint for Dirty Filter is set
at the switch. See Fig. 52.
R
TB3
J4-4
PL
Filter Switch (NO, close on rising pressure (high drop))
CTB
Thermostat
10
C10286
Fig. 52 -- PremierLink Filter Switch Connection
When the filter switch’s NO contact set closes as filter
pressure drop increases (indicating dirt--laden filters), the
input signal to PremierLink causes the filter status point to
read “DIRTY”.
Using Filter Timer Hours: Refer to Form 33CS--67SI for
instructions on using the PremierLink Configuration
screens and on unit alarm sequence.
Supply Fan Status Switch —
The PremierLink control can monitor supply fan operation
through a field--supplied/installed differential pressure
switch. This sequence will prevent (or interrupt) operation
of unit cooling, heating and economizer functions until
the pressure switch contacts are closed indicating proper
supply fan operation.
Install the differential pressure switch in the supply fan
section according to switch manufacturer’s instructions.
Arrange the switch contact to be open on no flow and to
close as pressure rises indicating fan operation.
Connect one side of the switch’s NO contact set to CTB’s
THERMOSTAT--R terminal. Connect the other side of the
NO contact set to TB3--8. Setpoint for Supply Fan Status
is set at the switch. See Fig. 53.
R
TB3
J4-6
PL
Fan (Pressure) Switch (NO, close on rise in pressure)
CTB
Thermostat
8
C10287
Fig. 53 -- PremierLink Wiring Fan Pressure Switch
Connection
Remote Occupied Switch —
The PremierLink control permits a remote timeclock to
override the control’s on--board occupancy schedule and
place the unit into Occupied mode. This function may also
provide a “Door Switch” time delay function that will
terminate cooling and heating functions after a 2--20
minute delay.
Connect one side of the NO contact set on the timeclock
to CTB’s THERMOSTAT--R terminal. Connect the other
side of the timeclock contact to the unit’s TB3--2 terminal.
R
2
TB3 PL
Time Clock
Remote Occupied LCTB
Thermostat
J4-12
C10288
Fig. 54 -- PremierLink Wiring Remote Occupied
Refer to Form 33CS--67SI for additional information on
configuring the PremierLink control for Door Switch
timer function.
Power Exhaust (output) —
Connect the accessory Power Exhaust contactor coils(s)
per Fig. 55.
J8-3
15
C
TB3 PL
PER VIO
BRN
Power Exhaust
CTB
THERMOSTAT
C11158
Fig. 55 -- PremierLink Power Exhaust Output
Connection
NOTE: The Power Exhaust and Humidi--MiZerRoptions
can not be used with PremierLink at the same time as both
options require connection at TB3--15 (AUX OUT).
48HC

35
CCN Communication Bus —
The PremierLink controller connects to the bus in a daisy
chain arrangement. Negative pins on each component
must be connected to respective negative pins, and
likewise, positive pins on each component must be
connected to respective positive pins. The controller
signal pins must be wired to the signal ground pins.
Wiring connections for CCN must be made at the 3--pin
plug.
At any baud (9600, 19200, 38400 baud), the number of
controllers is limited to 239 devices maximum. Bus length
may not exceed 4000 ft (1219 m), with no more than 60
total devices on any 1000--ft section. Optically isolated
RS--485 repeaters are required every 1000 ft (305 m).
NOTE: Carrier device default is 9600 baud.
Communications Bus Wire Specifications: The CCN
Communication Bus wiring is field--supplied and
field--installed. It consists of shielded 3--conductor cable
with drain (ground) wire. The cable selected must be
identical to the CCN Communication Bus wire used for
the entire network.
See Table 7 for recommended cable.
Table 7 – Recommended Cables
MANUFACTURER CABLE PART NO.
Alpha 2413 or 5463
American A22503
Belden 8772
Columbia 02525
NOTE: Conductors and drain wire must be at least 20
AWG, stranded, and tinned copper. Individual conductors
must be insulated with PVC, PVC/nylon, vinyl, Teflon, or
polyethylene. An aluminum/polyester 100% foil shield
and an outer jacket of PVC, PVC/nylon, chrome vinyl, or
Teflon with a minimum operating temperature range of
-- 2 0 _C(--4_F) to 60_C (140_F) is required. Do not run
communication wire in the same conduit as or next to any
AC voltage wiring.
The communication bus shields must be tied together at
each system element. If the communication bus is entirely
within one building, the resulting continuous shield must
be connected to ground at only one single point. If the
communication bus cable exits from one building and
enters another building, the shields must be connected to
the grounds at a lightning suppressor in each building (one
point only).
Connecting CCN Bus:
NOTE: When connecting the communication bus cable,
a color code system for the entire network is
recommended to simplify installation and checkout. See
Table 8 for the recommended color code.
Table 8 – Color Code Recommendations
SIGNAL TYPE CCN BUS WIRE
COLOR
CCN PLUG PIN
NUMBER
+Red 1
Ground White 2
--- Black 3
Connect the CCN (+) lead (typically RED) to the unit’s
TB3--12 terminal. Connect the CCN (ground) lead
(typically WHT) to the unit’s TB3--14 terminal. Connect
the CCN (--) lead (typically BLK) to the unit’s TB3--16
terminal. See Fig. 56.
CCN Bus
J2-1
J2-2GND (WHT)
12
14
TB3
J2-3– (BLK) 16
TB3
TB3 PL
+ (RED)
C10290
Fig. 56 -- PremierLink CCN Bus Connections
48HC

36
RTU Open Control System
The RTU Open control is factory--mounted in the 48HC
unit’s main control box, to the right of the CTB. See
Fig. 37. Factory wiring is completed through harnesses
connected to the CTB. Field connections for RTU Open
sensors will be made at the Phoenix connectors on the
RTU Open board. The factory--installed RTU Open
control includes the supply--air temperature (SAT) sensor.
The outdoor air temperature (OAT) sensor is included in
the FIOP/accessory EconoMi$er2 package.
The RTU Open controller is an integrated component of the
Carrier rooftop unit. Its internal application programming
provides optimum performance and energy efficiency. RTU
Open enables the unit to run in 100% stand--alone control
mode, Carrier’s I--Vu Open network, or a Third Party
Building Automation System (BAS). On--board DIP
switches allow you to select your protocol (and baud rate) of
choice among the four most popular protocols in use today:
BACnet, Modbus, Johnson N2 and LonWorks. (See Fig. 57.)
Refer to Table 9, RTU Open Controller Inputs and Outputs
for locations of all connections to the RTU Open board.
C10811
Fig. 57 -- RTU Open Multi--Protocol Control Board
48HC

37
C11142
Fig. 58 -- RTU Open System Control Wiring Diagram
48HC

38
C11143
Fig. 59 -- RTU Open System Control Wiring Diagram with Humidi--MiZerR
48HC

39
Table 9 – RTU Open Controller Inputs and Outputs
POINT NAME BACnet OBJECT
NAME TYPE OF I/O CONNECTION PIN
NUMBER(S)
DEDICATED INPUTS
Space Temp / Zone Temp zone_temp AI (10K Thermistor) J 2 0 --- 1 , 2
Supply Air Temperature sa_temp AI (10K Thermistor) J 2 --- 1 , 2
Outdoor Air Temperature oa_temp AI (10K Thermistor) J 2 --- 3 , 4
Space Temperature Offset Pot stpt_adj_offset AI (100K Potentiometer) J 2 0 --- 3
Safety Chain Feedback safety_status DI (24 VAC) J 1 --- 9
Compressor Safety Status comp_status DI (24 VAC) J 1 --- 2
Fire Shutdown Status firedown_status DI (24 VAC) J 1 --- 1 0
Enthalpy Status enthalpy_status DI (24 VAC) J 2 --- 6
Humidistat Input Status humstat_status DI (24 VAC) J 5 --- 7
CONFIGURABLE INPUTS
Indoor Air CO2 iaq A I ( 4 --- 2 0 m a )
J 4 --- 2 o r J 4 --- 5Outdoor Air CO2 oaq A I ( 4 --- 2 0 m a )
Space Relative Humidity space_rh A I ( 4 --- 2 0 m a )
Supply Fan Status* sfan_status DI (24 VAC)
J 5 --- 1 o r J 5 --- 3 o r
J55orJ5---7
Filter Status* filter_status DI (24 VAC)
Door Contact Input* door_contact_status DI (24 VAC)
Occupancy Contact* occ_contact_status DI (24 VAC)
OUTPUTS
Economizer Output econ_output A O ( 4 --- 2 0 m a ) J 2 --- 5
SupplyFanRelayState sfan DO Relay (24VAC , 1A) J 1 --- 4
Compressor 1 Relay State comp_1 DO Relay (24VAC , 1A) J 1 --- 8
Compressor 2 Relay State comp_2 DO Relay (24VAC , 1A) J 1 --- 7
Heat Stage 1 Relay State heat_1 DO Relay (24VAC , 1A) J 1 --- 6
Heat Stage 2 Relay State heat_2 DO Relay (24VAC , 1A) J 1 --- 5
Power Exhaust Relay State pexh DO Relay (24VAC , 1A) J 1 1 --- 3
Dehumidification Relay State dehum DO Relay (24VAC, 1A) J 1 1 --- 7 , 8
LEGEND
AI --- An a l o g In p u t
AO --- An a l o g Ou t p u t
DI --- D is cr e t e I n pu t
DO --- Discrete Output
* These inputs (if installed) take the place of the default input on the specific channel according to schematic.
Pa r a l l e l p i n s J 5 --- 1 = J 2 --- 6 , J 5 --- 3 = J 1 --- 1 0, J 5 --- 5 = J 1 --- 2 a r e u s e d f or f i e l d --- in st a l l a t i o n .
The RTU Open controller requires the use of a Carrier
space sensor. A standard thermostat cannot be used with
the RTU Open system.
Supply Air Temperature (SAT) Sensor —
On FIOP--equipped 48HC unit, the unit is supplied with a
supply--air temperature (SAT) sensor (33ZCSENSAT). This
sensor is a tubular probe type, approx 6--inches (12.7 mm) in
length. It is a nominal 10--k ohm thermistor.
The SAT is factory--wired. The SAT probe is wire--tied to the
supply--air opening (on the horizontal opening end) in its
shipping position. Remove the sensor for installation.
Re--position the sensor in the flange of the supply--air
opening or in the supply air duct (as required by local
codes). Drill or punch a 1/2--in. hole in the flange or duct.
Use two field--supplied, self--drilling screws to secure the
sensor probe in a horizontal orientation. See Fig. 40.
Outdoor Air Temperature (OAT) Sensor —
The OAT is factory--mounted in the EconoMi$er2 (FIOP or
accessory). It is a nominal 10k ohm thermistor attached to
an eyelet mounting ring.
EconoMi$er2 —
The RTU Open control is used with EconoMi$er2 (option
or accessory) for outdoor air management. The damper
position is controlled directly by the RTU Open control;
EconoMi$er2 has no internal logic device.
Outdoor air management functions can be enhanced with
field--installation of these accessory control devices:
Enthalpy control (outdoor air or differential sensors)
Space CO2sensor
Outdoor air CO2sensor
Field Connections
Field connections for accessory sensors and input devices
are made the RTU Open, at plugs J1, J2, J4, J5, J11 and
J20. All field control wiring that connects to the RTU
Open must be routed through the raceway built into the
corner post as shown in Fig. 31. The raceway provides the
UL required clearance between high-- and low--voltage
wiring. Pass the control wires through the hole provided in
the corner post, then feed the wires thorough the raceway
48HC

40
to the RTU Open. Connect to the wires to the removable
Phoenix connectors and then reconnect the connectors to
the board.
Space Temperature (SPT) Sensors —
There are two types of SPT sensors available from Carrier,
resistive input non-communicating (T55, T56, and T59)
and Rnet communicating (SPS, SPPL, SPP, and SPPF)
sensors. Each type has a variety of options consisting of:
timed override button, set point adjustment, a LCD
screen, and communication tie in. Space temperature can
be also be written to from a building network or zoning
system. However, it is still recommended that return air
duct sensor be installed to allow stand-alone operation for
back-up. Refer to the configuration section for details on
controller configurations associated with space sensors.
S33ZCT55SPT, space temperature sensor with override
button (T--55)
S33ZCT56SPT, space temperature sensor with override
button and setpoint adjustment (T--56)
S33ZCT59SPT, space temperature sensor with LCD
(liquid crystal display) screen, override button, and
setpoint adjustment (T--59)
Use 20 gauge wire to connect the sensor to the controller.
The wire is suitable for distances of up to 500 ft. (152 m).
Use a three--conductor shielded cable for the sensor and
setpoint adjustment connections. If the setpoint
adjustment (slidebar) is not required, then an unshielded,
18 or 20 gauge, two--conductor, twisted pair cable may be
used.
Connect T--55: See Fig. 41 for typical T--55 internal
connections. Connect the T--55 SEN terminals to RTU
Open J20--1 and J20--2. See Fig. 60.
SEN
SEN
J20-1
J20-2
C08460
Fig. 60 -- RTU Open T--55 Sensor Connections
Connect T--56: See Fig. 43 for T--56 internal connections.
Install a jumper between SEN and SET terminals as
illustrated. Connect T--56 terminals to RTU Open J20--1,
J20--2 and J20--3 per Fig. 61.
SEN J20-1
J20-2
SEN
SET
Jumper
J20-3
SET
C08461
Fig. 61 -- RTU Open T--56 Sensor Connections
Connect T--59: The T--59 space sensor requires a
separate, isolated power supply of 24 VAC. See Fig. 62
for internal connections at the T--59. Connect the SEN
terminal (BLU) to RTU Open J20--1. Connect the COM
terminal (BRN) to J20--2. Connect the SET terminal (STO
or BLK) to J20--3.
OR SET SEN
OPB COM- PWR+
BLU (SPT)
BLK (STO)
24 VAC
SENSOR
WIRING
POWER
WIRING
BRN (COM)
NOTE: Must use a separate isolated transformer.
J20-3
J20-2
J20-1
C10291
Fig. 62 -- Space Temperature Sensor Typical Wiring
(33ZCT59SPT)
Indoor Air Quality (CO2)Sensor—
The indoor air quality sensor accessory monitors space
carbon dioxide (CO2) levels. This information is used to
monitor IAQ levels. Several types of sensors are available,
for wall mounting in the space or in return duct, with and
without LCD display, and in combination with space
temperature sensors. Sensors use infrared technology to
measure the levels of CO2present in the space air.
The CO2sensors are all factory set for a range of 0 to
2000 ppm and a linear mA output of 4 to 20. Refer to the
instructions supplied with the CO2sensor for electrical
requirements and terminal locations. See Fig. 46 for
typical CO2sensor wiring schematic.
To accurately monitor the quality of the air in the
conditioned air space, locate the sensor near a return--air
grille (if present) so it senses the concentration of CO2
leaving the space. The sensor should be mounted in a
location to avoid direct breath contact.
Do not mount the IAQ sensor in drafty areas such as near
supply ducts, open windows, fans, or over heat sources.
Allow at least 3 ft (0.9 m) between the sensor and any
corner. Avoid mounting the sensor where it is influenced
by the supply air; the sensor gives inaccurate readings if
the supply air is blown directly onto the sensor or if the
supply air does not have a chance to mix with the room air
before it is drawn into the return airstream.
Wiring the Indoor Air Quality Sensor: For each sensor,
use two 2--conductor 18 AWG (American Wire Gage)
twisted--pair cables (unshielded) to connect the separate
48HC

41
isolated 24 vac power source to the sensor and to connect
the sensor to the control board terminals.
To connect the sensor to the control, identify the positive
(4 to 20 mA) and ground (SIG COM) terminals on the
sensor. See Fig. 46. Connect the 4--20 mA terminal to
RTU Open terminal J4--2 and connect the SIG COM
terminal to RTU Open terminal J4--3. See Fig. 63.
4-20mA
SIG COM
J4-2
J4-3
IAQ Sensor
24 VAC
C10738
Fig. 63 -- RTU Open / Indoor CO2Sensor
(33ZCSENCO2) Connections
Outdoor Air Quality Sensor (PNO 33ZCSENCO2 plus
weatherproof enclosure) —
The outdoor air CO2sensor is designed to monitor carbon
dioxide (CO2) levels in the outside ventilation air and
interface with the ventilation damper in an HVAC system.
The OAQ sensor is packaged with an outdoor cover. See
Fig. 48. The outdoor air CO2sensor must be located in the
economizer outside air hood.
Wiring the Outdoor Air CO2Sensor: A dedicated
power supply is required for this sensor. A two--wire cable
is required to wire the dedicated power supply for the
sensor. The two wires should be connected to the power
supply and terminals 1 and 2.
To connect the sensor to the control, identify the positive
(4 to 20 mA) and ground (SIG COM) terminals on the
OAQ sensor. See Fig. 46. Connect the 4 to 20 mA
terminal to RTU Open terminal J4--5. Connect the SIG
COM terminal to RTU Open terminal J4--6. See Fig. 64.
4-20mA
SIG COM
J4-5
J4-6
OAQ Sensor/RH Sensor
24 VAC
C10739
Fig. 64 -- RTU Open / Outdoor CO2Sensor
(33ZCSENCO2) Connections
Space Relative Humidity Sensor or Humidistat —
Humidi--MiZerRControl Wiring: In units equipped
with the Humidi--MiZer option there are two pink (PNK)
wires loose in the control box used to control the
dehumidification function of the unit. These pink wires
are meant to be tied to a space humidistat or thermidistat
on an electromechanical unit. On RTU Open equipped
units these pink wires must be connected to J11--7 & 8 to
allow the Open board to operate the dehumidification
function for the unit. Disconnect the J11 Phoenix style
connector from the board and use the plug screws to
secure the pink wires in pins 7 and 8, reconnect the plug
to the board at J11.
Relative Humidity Sensors (Space or Duct Mounted):
The accessory space humidity sensor (33ZCSENSRH-01)
or duct humidity sensor (33ZCSENDRH-01) is used to
measure the relative humidity of air within the space or
return air duct. The RH reading is used to control the
Humidi--MiZer option of the rooftop unit. For wiring
distances up to 500 ft (152 m), use a 3--conductor, 18 or
20 AWG shielded cable. The shield must be removed
from the sensor end of the cable and grounded at the unit
end. The current loop power for sensor is provided by the
RTU Open controller as 24vdc. Refer to the instructions
supplied with the RH sensor for the electrical
requirements and terminal locations. RTU Open
configurations must be changed after adding an RH
sensor. See Fig. 65 and 66 for typical RH sensor wiring.
SJ4--1 or J4--4 = 24vdc loop power
SJ4--2 or J4--5 = 4--20mA signal input
NOTE: The factory default for dehumidification control
is normally open humidistat.
SW2
12345 6
ON
Io Vin Gnd Vo
MOUNTING
HOLES
WIRING
OPENING
Vin - J4-1 or J4-4 24Vdc
Io - J4-2 or J4-5 -20mA output
C11087
Fig. 65 -- Space Relative Humidity Sensor Typical Wiring
48HC

42
Relative Humidity Sensor
(Polarized Male Connector)
J4-1 or J4-4 + 24 VDC Supply Voltage
J4-2 or J4-5 (-) 4 to 20 mA Current Loop Output
to RTU-OPEN
4-20 VAC GND 0-5V
mA or or
VDC 0-10V
SPAN
ZERO
C10839
Fig. 66 -- Duct Relative Humidity Sensor Typical Wiring
Humidistat: The accessory humidistat provides the RTU
Open insight to the relative humidity in the space. The
humidistat reads the RH level in the space and compares it
to its setpoint to operate a dry contact. The humidistat is a
dedicated input on the configurable input 9 and tells the
RTU Open when the RH level is HIGH or LOW. The
normal condition for humidity is LOW. A normally open
humidistat is the factory default control for the
Humidi--MiZerRoption.
To wire in the field:
SJ5--8 = 24 VAC source for dry contact
SJ5--7 = Signal input
Smoke Detector/Fire Shutdown (FSD) —
On 48HC units equipped with factory--installed Smoke
Detector(s), the smoke detector controller implements the
unit shutdown through its NC contact set connected to the
unit’s CTB input. The FSD function is initiated via the
smoke detector’s Alarm NO contact set. The RTU Open
controller communicates the smoke detector’s tripped status
to the BAS building control. See Figs. 58 and 59, the RTU
Open wiring schematics.
The Fire Shutdown Switch configuration,
MENU
→
Config
→
Inputs
→
input 5, identifies the
normally open status of this input when there is no fire
alarm.
Connecting Discrete Inputs —
Filter Status: The filter status accessory is a
field--installed accessory. This accessory detects plugged
filters. When installing this accessory, the unit must be
configured for filter status by setting
MENU
→
Config
→
Inputs
→
input3,5,8,or9to Filter
Status and normally open (N/O) or normally closed (N/C).
Input 8 or 9 is recommended for easy of installation. Refer
to Fig. 57 and Fig. 58 or 59 for wire terminations at J5.
Fan Status: The fan status accessory is a field--installed
accessory. This accessory detects when the indoor fan is
blowing air. When installing this accessory, the unit must
be configured for fan status by setting
MENU
→
Config
→
Inputs
→
input3,5,8,or9to Fan
Status and normally open (N/O) or normally closed (N/C).
Input 8 or 9 is recommended for easy of installation. Refer
to Fig. 57 and Fig. 58 or 59 for wire terminations at J5.
Remote Occupancy: The remote occupancy accessory is
a field--installed accessory. This accessory overrides the
unoccupied mode and puts the unit in occupied mode.
When installing this accessory, the unit must be
configured for remote occupancy by setting
MENU
→
Config
→
Inputs
→
input3,5,8,or9to Remote
Occupancy and normally open (N/O) or normally closed
(N/C).
Also set MENU
→
Schedules
→
occupancy source to DI
on/off. Input 8 or 9 is recommended for easy of
installation. Refer to Fig. 57 and Table 9 for wire
terminations at J5.
Power Exhaust (output): The relay used by the RTU
Open board to control power exhaust is a dry contact
which means it does not have 24vac. This 24vac must be
connected to the relay to allow it to operate the power
exhaust relay in the PE accessory. A 24vac source must be
provided to J11--2 on the RTU Open control board. This
can be provided by the unit’s transformer from various
sources. The “R” terminal on the unit’s low voltage
terminal board (LVTB) is a logical source. Refer to Fig.
57 and Fig. 58 or 59 for wire terminations at J11.
48HC

43
Communication Wiring -- Protocols
General —
Protocols are the communication languages spoken by
control devices. The main purpose of a protocol is to
communicate information in the most efficient method
possible. Different protocols exist to provide different
kinds of information for different applications. In the BAS
application, many different protocols are used, depending
on manufacturer. Protocols do not change the function of
a controller; just make the front end user different.
The RTU Open can be set to communicate on four
different protocols: BACnet, Modbus, N2, and LonWorks.
Switch 3 (SW3) on the board is used to set protocol and
baud rate. Switches 1 and 2 (SW1 and SW2) are used to
set the board’s network address. See Fig. 67 and 68 for
protocol switch settings and address switches. The 3rd
party connection to the RTU Open is through plug J19.
See Fig. 69 for wiring.
NOTE: Power must be cycled after changing the SW1--3
switch settings.
Refer to the RTU Open Controller Integration Guide
(Catalog No. 11--808--428--01) for more detailed information
on protocols, 3rd party wiring, and networking.
SW3 Protocol Selection
PROTOCOL DS8 DS7 DS6 DS5 DS4 DS3 DS2 DS1
BACnet MS/TP
(Master) Unused OFF OFF OFF ON OFF Select Baud Select Baud
Modbus
(Slave) Unused OFF OFF ON ON OFF Select Baud Select Baud
N2
(Slave) Unused OFF OFF OFF ON ON OFF OFF
LonWorks Unused ON ON OFF ON OFF OFF OFF
NOTE:
DS = Dip Switch
BACnet MS/TP SW3 example shown
Baud Rate Selections
BAUD RATE DS2 DS1
9600 OFF OFF
19,200 ON OFF
38,400 OFF ON
76,800 ON ON C07166
Fig. 67 -- RTU Open SW3 Dip Switch Settings
C10815
Fig. 68 -- RTU Open Address Switches
C10816
Fig. 69 -- Network Wiring
48HC

44
Local Access —
BACview6Handheld: The BACview6is a keypad/display
interface used to connect to the RTU Open to access the
control information, read sensor values, and test the RTU,
see Fig. 70. This is an accessory interface that does not
come with the RTU Open controller and can only be used
at the unit. Connect the BACview6to the RTU Open J12
local access port. There are 2 password protected levels in
the display (User and Admin). The user password is
defaulted to 0000 but can be changed. The Admin
password is 1111 and cannot be changed. There is a 10
minute auto logout if a screen is idle. See Form
48--50HCTQ--01T, Appendix A for navigation and screen
content.
Virtual BACview: Virtual BACview is a freeware computer
program that functions as the BACview6Handheld. The
USB Link interface (USB--L) is required to connect a
computer to the RTU Open board. The link cable connects
a USB port to the J12 local access port. This program
functions and operates identical to the handheld.
RTU Open Troubleshooting —
Communication LEDs: The LEDs indicate if the
controller is speaking to the devices on the network. The
LEDs should reflect communication traffic based on the
baud rate set. The higher the baud rate the more solid the
LEDs will appear. See Table 10.
Cable
Access Port
J12
P1 P1
P5 P5
RTU Open
BACview6 Local Access Cable
Protocol Selector
C10812
Fig. 70 -- BACview6Handheld Connections
48HC

45
Table 10 – LEDs
The LEDs on the RTU Open Control Board (see Fig. 57) show the status of certain functions:
If this LED is on... Status is...
Power RTU Open has power
Rx RTU Open is receiving data from the network segment
Tx RTU Open is transmitting data over the network segment
DO# The digital output is active
The Run and Error LEDs indicate control module and network status
If Run LED shows... And Error LED shows... Status is...
2 flashes per second Off Normal
2 flashes per second 2flashes,
alternating with Run LED Five minute auto---restart delay after system error
2 flashes per second 3flashes,
then off Control module has just been formatted
2 flashes per second 4flashes,
then pause
Two or more devices on this network have the
same ARC156 network address
2 flashes per second On Exec halted after frequent system errors or
control programs halted
5 flashes per second On Exec start---up aborted, Boot is running
5 flashes per second Off Firmware transfer in progress, Boot is running
7 flashes per second 7 flashes per second, alternating with
Run LED Ten second recovery period after brownout
14 flashes per second 14 flashes per second,
alternating with Run LED Brownout
On On
Failure. Try the following solutions:
STurnRTUOpenoff,thenon.
SFormat RTU Open.
SDownload memory to RTU Open.
SReplace RTU Open.
NOTE: Refer to Catalog No. 48--50HCTQ--01T for
complete configuration of RTU Open, operating sequences
and troubleshooting information. Refer to RTU Open
Controller Integration Guide (Catalog No. 11--808--428--01)
for details on configuration and troubleshooting of connected
networks. Have a copy of these manuals available at unit
start--up.
Outdoor Air Enthalpy Control
(PNO 33CSENTHSW)
The enthalpy control (33CSENTHSW) is available as a
field--installed accessory to be used with the EconoMi$er2
damper system. The outdoor air enthalpy sensor is part of
the enthalpy control. (The separate field--installed
accessory return air enthalpy sensor (33CSENTSEN) is
required for differential enthalpy control. See Fig. 71.)
Locate the enthalpy control in the economizer next to the
Actuator Motor. Locate two GRA leads in the factory
harness and connect the gray lead labeled “ESL” to the
terminal labeled “LOW”. See Fig. 71. Connect the
enthalpy control power input terminals to economizer
actuator power leads RED (connect to 24V) and BLK
(connect to GND).
7CTB ECON
(P’LINK: to J4-2) or
(RTU Open: to J2-6)
LOW
GND
24V
Enthalpy
Switch
GRA
BLK
RED
Factory Wiring Harness
PL6-1 (24-V)
PL6-4 (COM)
C11160
Fig. 71 -- Enthalpy Switch (33CSENTHSW) Connections
The outdoor enthalpy changeover setpoint is set at the
enthalpy controller.
Differential Enthalpy Control —
Differential enthalpy control is provided by sensing and
comparing the outside air and return air enthalpy
conditions. Install the outdoor air enthalpy control as
described above. Add and install a return air enthalpy
sensor (see Fig. 72).
48HC

46
GRA
BLK
RED
– 4-20
Main
+ VDC
Out
– 4-20 Main
Out
+ 24-36
VDC In
LOW
GND
24V
7
PL6-1 (24-V)
PL6-4 (COM)
Outside Air
Enthalpy Switch
Return Air
Enthalpy
Sensor
CTB ECON
(P’LINK: to J4-2) or
(RTU Open: to J2-6)
C11161
Fig. 72 -- Outside and Return Air Enthalpy Sensor
Wiring
To wire the return air enthalpy sensor, perform the
following:
1. Use a 2--conductor, 18 or 20 AWG, twisted pair cable
to connect the return air enthalpy sensor to the enthal-
py controller.
2. Connect the field--supplied RED wire to (+) spade
connector on the return air enthalpy sensor and the
(+) terminal on the enthalpy controller. Connect the
BLK wire to (--) spade connector on the return air en-
thalpy sensor and the (--) terminal on the enthalpy
controller.
Smoke Detectors
Smoke detectors are available as factory--installed options
on 48HC models. Smoke detectors may be specified for
Supply Air only or for Return Air without or with
economizer or in combination of Supply Air and Return
Air. Return Air smoke detectors are arranged for vertical
return configurations only. The unit is factory--configured
for immediate smoke detector shutdown operation;
additional wiring or modifications to unit terminal board
may be necessary to complete the unit and smoke detector
configuration to meet project requirements.
Return Air Sensor Tube Installation –
The return air sampling tube is shipped in the units
supply fan section, attached to the blower housing (see
Fig. 73. Its operating location is in the return air section
of the unit (see Fig. 74, unit without economizer, or
Fig. 75, unit with economizer), inserted into the return air
sensor module housing which protrudes through the back
of the control box.
ROTATION
Return Air Sampling Tube
(Shipping Location)
C09102
Fig. 73 -- Typical Supply Air Smoke Detector Sensor
Location
Return Air Detector
Sampling Tube
C09135
Fig. 74 -- Return Air Sampling Tube Location
in Unit without Economizer
Return Air Detector
Sampling Tube
C09136
Fig. 75 -- Return Air Sampling Tube Location
in Unit with Economizer
48HC

47
To install the return air sensor sampling tube:
1. Remove the tube from its shipping location.
2. Open the unit end to access the return air sensor (loc-
ated on right--hand partition)
3. Orient the tube’s sampling holes into the return air
flow direction. For vertical application, position the
sampling holes on the bottom of the tube, facing into
the bottom return duct opening. For horizontal applic-
ation, position the sampling holes on the side of the
tube, facing the unit’s end panel.
4. Insert the sampling tube into the return air sensor
module until the tube snaps into position.
5. Replace end panel or outside air hood.
Smoke Detector Test Magnet —
Locate the magnet; it is shipped in the control box area.
Additional Application Data —
Refer to Catalog No. HKRNKA--1XA for discussions on
additional control features of these smoke detectors
including multiple unit coordination.
Table 11 – Unit Wire/Fuse or HACR Breaker Sizing Data
UNIT
NOM.
V --- P h --- H z
IFM
TYPE
COMBUSTION
FAN MOTOR
POWER
EXHAUST NO C.O. or UNPWR C.O.
FLA FLA
NO P.E. w/ P.E. (pwrd fr/ unit)
MCA
FUSE or
HACR
BRKR
DISC. SIZE
MCA
FUSE or
HACR
BRKR
DISC. SIZE
FLA LRA FLA LRA
48HC*D17
208/230---3 ---60
STD
0.52 5.9
68.3 90.0 71 393 80.1 100.0 85 413
MED 71.0 90.0 74 410 82.8 100.0 88 430
HIGH 75.8 100.0 80 419 87.6 100.0 93 439
4 6 0 --- 3 --- 6 0
STD
0.3 3.1
34.9 45.0 36 234 41.1 50.0 44 246
MED 36.3 45.0 38 243 42.5 50.0 45 255
HIGH 38.9 50.0 41 247 45.1 50.0 48 259
5 7 5 --- 3 --- 6 0
STD
0.24 2.4
26.2 30.0 27 184 31.0 40.0 33 192
MED 26.2 30.0 27 184 31.0 40.0 33 192
HIGH 29 35 31 198 33.8 40 36 206
48HC*D20
208/230---3 ---60
STD
0.52 5.9
75.7 100 79 440 87.5 100 93 460
MED 80.5 100 85 449 92.3 100 98 469
HIGH 85.9 100 91 459 97.7 125 104 479
4 6 0 --- 3 --- 6 0
STD
0.3 3.1
36.6 45 38 245 42.8 50 46 257
MED 39.2 50 41 249 45.4 50 49 261
HIGH 42 50 45 254 48.2 60 52 266
5 7 5 --- 3 --- 6 0
STD
0.24 2.4
26.2 30 27 186 31 40 33 194
MED 29 35 31 200 33.8 40 36 208
HIGH 32.4 40 35 198 37.2 45 40 206
48HC*D24
208/230---3 ---60
STD
0.52 5.9
88.7 100.0 93 544 100.5 125.0 107 564
MED 94.1 110 100 554 105.9 125 113 574
HIGH 107.6 125 114 628 119.4 150 128 648
4 6 0 --- 3 --- 6 0
STD
0.3 3.1
48.6 60.0 51 277 54.8 60.0 58 289
MED 51.4 60 54 282 57.6 70 61 294
HIGH 57.4 70 61 319 63.6 80 68 331
5 7 5 --- 3 --- 6 0
STD
0.24 2.4
35.5 45.0 37 204 40.3 50.0 43 212
MED 38.9 50 41 202 43.7 50 47 210
HIGH 39.4 50 42 229 44.2 50 47 237
48HC*D28
208/230---3 ---60
STD
0.52 5.9
117.4 150.0 121 584 129.2 175.0 135 604
MED 122.8 150 127 594 134.6 175 141 614
HIGH 135.5 175 142 668 147.3 175 156 688
4 6 0 --- 3 --- 6 0
STD
0.3 3.1
54.0 60.0 57 303 60.2 70.0 64 315
MED 56.8 70 60 308 63 80 67 320
HIGH 62.8 80 67 345 69 80 74 357
5 7 5 --- 3 --- 6 0
STD
0.24 2.4
40.4 50.0 42 228 45.2 50.0 48 236
MED 43.8 50 46 226 48.6 60 52 234
HIGH 44.3 50 47 253 49.1 60 52 261
NOTE: See page 49 for table legend and notes.
48HC

48
Table 11 -- Unit Wire/Fuse or HACR Breaker Sizing Data (cont)
UNIT
NOM.
V --- P h --- H z
IFM
TYPE
COMBUSTION
FAN MOTOR
POWER
EXHAUST
w/ PWRD C.O.
NO P.E. w/ P.E. (pwrd fr/ unit)
FLA FLA MCA
FUSE or
HACR
BRKR
DISC. SIZE
MCA
FUSE or
HACR
BRKR
DISC. SIZE
FLA LRA FLA LRA
48HC*D17
208/230---3 ---60
STD
0.52 5.9
73.1 90.0 77 398 84.9 100.0 90 418
MED 75.8 100.0 80 415 87.6 100.0 93 435
HIGH 80.6 100.0 85 424 92.4 100.0 99 444
4 6 0 --- 3 --- 6 0
STD
0.3 3.1
37.1 45.0 39 236 43.3 50.0 46 248
MED 38.5 50.0 41 245 44.7 50.0 48 257
HIGH 41.1 50.0 44 249 47.3 60.0 51 261
5 7 5 --- 3 --- 6 0
STD
0.24 2.4
27.9 35.0 29 186 32.7 40.0 35 194
MED 27.9 35.0 29 186 32.7 40.0 35 194
HIGH 30.7 40.0 33 200 35.5 45.0 38 208
48HC*D20
208/230---3 ---60
STD
0.52 5.9
80.5 100 85 445 92.3 100 98 465
MED 85.3 100 90 454 97.1 110 104 474
HIGH 90.7 100 96 464 102.5 125 110 484
4 6 0 --- 3 --- 6 0
STD
0.3 3.1
38.8 50 41 247 45 50 48 259
MED 41.4 50 44 251 47.6 60 51 263
HIGH 44.2 50 47 256 50.4 60 54 268
5 7 5 --- 3 --- 6 0
STD
0.24 2.4
27.9 35 29 188 32.7 40 35 196
MED 30.7 40 33 202 35.5 45 38 210
HIGH 34.1 40 36 200 38.9 45 42 208
48HC*D24
208/230---3 ---60
STD
0.52 5.9
93.5 110.0 99 549 105.3 125.0 112 569
MED 98.9 125 105 559 110.7 125 119 579
HIGH 112.4 125 120 633 124.2 150 133 653
4 6 0 --- 3 --- 6 0
STD
0.3 3.1
50.8 60.0 54 279 57.0 70.0 61 291
MED 53.6 60 57 284 59.8 70 64 296
HIGH 59.6 70 64 321 65.8 80 71 333
5 7 5 --- 3 --- 6 0
STD
0.24 2.4
37.2 45.0 39 206 42.0 50.0 45 214
MED 40.6 50 43 204 45.4 50 49 212
HIGH 41.1 50 44 231 45.9 50 49 239
48HC*D28
208/230---3 ---60
STD
0.52 5.9
122.2 150.0 127 589 134.0 175.0 140 609
MED 127.6 175 133 599 139.4 175 147 619
HIGH 140.3 175 148 673 152.1 200 161 693
4 6 0 --- 3 --- 6 0
STD
0.3 3.1
56.2 70.0 59 305 62.4 80.0 66 317
MED 59 70 62 310 65.2 80 70 322
HIGH 65 80 69 347 71.2 80 76 359
5 7 5 --- 3 --- 6 0
STD
0.24 2.4
42.1 50.0 44 230 46.9 60.0 50 238
MED 45.5 60 48 228 50.3 60 54 236
HIGH 46 60 49 255 50.8 60 54 263
NOTE: See page 49 for table legend and notes.
48HC

49
Legend and Notes for Table 11
LEGEND:
BRKR --- Circuit breaker
CO --- Convenience outlet
DISC --- Disconnect
FLA --- Full load amps
LRA --- Locked rotor amps
MCA --- Minimum circuit amps
P E --- P o w e r e x h a u s t
PWRD CO --- Powered convenient outlet
UNPWR CO --- Unpowered convenient outlet
NOTES:
1. In compliance with NEC requirements for multimotor and
combination load equipment (refer to NEC Articles 430 and
440), the overcurrent protective device for the unit shall be
fuse or HACR breaker. Canadian units may be fuse or circuit
breaker.
2. Unbalanced 3-Phase Supply Voltage
Never operate a motor where a phase imbalance in supply
voltage is greater than 2%. Use the following formula to de-
termine the percentage of voltage imbalance.
% Voltage Imbalance = 100 x
max voltage deviation from average voltage
average voltage
Example: Supply voltage is 230-3-60
AB = 224 v
BC = 231 v
AC = 226 v
Average Voltage = (224 + 231 + 226) =681
33
= 227
Determine maximum deviation from average voltage.
(AB) 227 – 224 = 3 v
(BC) 231 – 227 = 4 v
(AC) 227 – 226 = 1 v
Maximum deviation is 4 v.
Determine percent of voltage imbalance.
% Voltage Imbalance = 100 x 4
227
= 1.76%
This amount of phase imbalance is satisfactory as it is below the
maximum allowable 2%.
IMPORTANT: If the supply voltage phase imbalance is more than
2%, contact your local electric utility company immediately.
48HC

50
Economizer 2 Position Damper Unit Without Economizer or
2 Position Damper
C10645
Fig. 76 -- EconoMi$ertIV Wiring
Step 13 — Adjust Factory--Installed Options
EconoMi$er IV Occupancy Switch —
Refer to Fig. 76 for general EconoMi$er IV wiring.
External occupancy control is managed through a
connection on the Central Terminal Board.
If external occupancy control is desired, connect a time
clock or remotely controlled switch (closed for Occupied,
open for Unoccupied sequence) at terminals marked
OCCUPANCY on CTB. Remove or cut jumper JMP 2 to
complete the installation.
Step 14 — Install Accessories
Available accessories include:
Roof Curb
Thru--base connection kit (must be installed before unit
is set on curb)
LP conversion kit
Manual outside air damper
High Altitude Gas kits
Low Ambient Controls
Thermostat / Sensors
Two--Position motorized outside air damper
EconoMi$er2 (without control/for external signal and
integrated barometric relief)
EconoMi$er IV (with control and integrated barometric
relief)
Power Exhaust
Differential dry--bulb sensor (EconoMi$er IV)
Outdoor enthalpy sensor
Differential enthalpy sensor
CO2sensor
DDC interface (PremierLink)
Louvered hail guard
Phase monitor control
Winter Start kit
Refer to separate installation instructions for information
on installing these accessories.
Pre--Start and Start--Up
This completes the mechanical installation of the unit.
Refer to the unit’s Service and Maintenance manual for
detailed Pre--Start and Start--up instructions.
48HC

51
48HC

52
Copyright 2011 Carrier Corp. D7310 W. Morris St. DIndianapolis, IN 46231 Printed in U.S.A. Edition Date: 04/11
Manufacturer reserves the right to change, at any time, specifications and designs without notice and without obligations.
Catalog No: 48HC---11SI
Replaces: 48HC--- 08SI
48HC