Casio Electronic Keyboard Ctk 220L Users Manual S/M
ctk220l 46b1f8d9-743f-48e5-b9b7-9d8200eebad5 Casio Electronic Keyboard CTK-220L User Guide |
2015-01-21
: Casio Casio-Casio-Electronic-Keyboard-Ctk-220L-Users-Manual-243270 casio-casio-electronic-keyboard-ctk-220l-users-manual-243270 casio pdf
Open the PDF directly: View PDF .
Page Count: 19

ELECTRONIC KEYBOARD
CTK-220L
CTK-220L
25 RHYTHMS
POWER/MODE
FINGERED
CASIO CHORD
NORMAL
VOLUME SYNCHRO/
FILL-IN
START/
STOP
TEMPO TONE SONG
BANK STEP 1 STEP 2 STEP 3
MULTI FUNCTION DISPLAY
DEMO
RHYTHMTONE SONG BANK
PART
SELECT
RHYTHM
0
5
1
6
2
7
3
8
4
9
TRANSPOSE/TUNE
¢
¢
¢
¢
ON
OFF
20 SONG BANK KEYBOARD
100 TONES 20 SONG BANK
CONTENTS
Page
Specifications ................................................................................................................................... 1
Block Diagram .................................................................................................................................. 2
Circuit Description ............................................................................................................................ 3
Major Waveforms ............................................................................................................................. 6
Printed Circuit Boards ...................................................................................................................... 7
Schematic Diagrams ........................................................................................................................ 8
Exploded View................................................................................................................................ 14
Parts List ........................................................................................................................................ 15
— 1 —
SPECIFICATIONS
GENERAL
Number of keys: 49
Polyphonic: 12-note
Preset tones: 100
Transpose: F# ~ C ~ F: half-note
Auto-rhythms: 25, Tempo: Adjustable, 216 steps (40 ~ 255), initial value: 120
Accompaniment: CASIO Chord, Fingered, Fill-in pattern, Synchro start
Song bank: 20-tune
Digital volume control: 10 steps (0 ~ 9), initial value: 7
Tuning control: 440 Hz ± 50 cents
Built-in speakers: 10 cm dia. × 1 (Output: 2 W)
Terminals: Headphone Jack, Stereo mini Jack [Output impedance: 70 q, Output voltage:
3.6 V (rms) MAX]
Auto power off: Approximately 6 minutes after the last operation
Power source: 2-way AC or DC source
AC: Required optional AD-5 AC adaptor
DC: 6 AA size batteries
Power consumption: 7.7 W
Dimensions (HWD): 85 × 771 × 324 mm (3-3/8 × 30-3/8 × 12-3/4 inches)
Weight: 3.4 kg (7.5 lbs) excluding batteries
ELECTRICAL
Current drain with 9 V DC:
No sound output 160 mA ± 20 %
Maximum volume 840 mA ± 20 %
with white keys C1 to G2 pressed in Synth-Lead 1
Volume: Maximum
Phone output level (Vrms with 8 ohm load):
with key C2 pressed in Synth-Lead 1 98 mV ± 20 %
Speaker output level (Vrms with 4 ohm load):
with key F4 pressed in Synth-Lead 1 2000 mV ± 20 %
Minimum operating voltage: 6.3 V

— 2 —
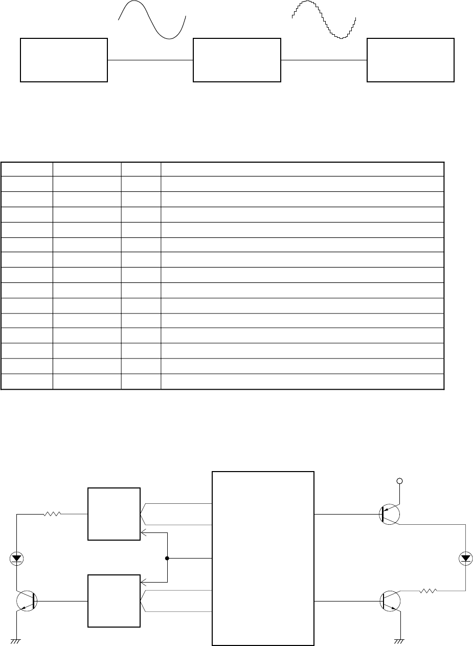
BLOCK DIAGRAM
Buttons
Illuminant
Keyboard
7 seg. LED
LED Latch IC2, IC3
Q5 ~ Q8
Q1 ~ Q4
PG
X1, Q11
Reset IC
IC1
Power Supply Circuit
Q301 ~ Q304
D334, D336
Amp.
IC301
LA4598 Filter
Q305
Phone/Output
DC+9 V IN APO
MD0 ~ MD7
KO8 ~ KO11
LY1 ~
LY7
KO0 ~ KO7
LX0 ~
LX7
KI0 ~ KI7
CPU
LSI1
MSM 6755B-13
LED Driver
LED Driver

— 3 —
LX0 LX1 LX2 LX3 LX4 LX5 LX6 LX7
LY1 D4 D3 C3 C2 G#2 F#2 D#2 C#2
LY2 C4 E3 B2 D2 A#2 C#3 D#3 F#3
LY3 B3 F3 A2 E2 D#4 C#4 A#3 G#3
LY4 A3 G3 G2 F2 C#5 A#4 G#4 F#4
LY5 E4 C5 D5 B5 D#5 F#5 G#5 A#5
LY6 F4 B4 E5 A5 C6
LY7 G4 A4 F5 G5
CIRCUIT DESCRIPTION
KEY MATRIX
LED MATRIX
KI0 KI1 KI2 KI3 KI4 KI5 KI6 KI7
KO0 C2 G#2 E3 C4 G#4 E5 C6
KO1 C#2 A2 F3 C#4 A4 F5
KO2 D2 A#2 F#3 D4 A#4 F#5
KO3 D#2 B2 G3 D#4 B4 G5
KO4 E2 C3 G#3 E4 C5 G#5
KO5 F2 C#3 A3 F4 C#5 A5
KO6 F#2 D3 A#3 F#4 D5 A#5
KO7 G2 D#3 B3 G4 D#5 B5
KO8 01234
Start/
Stop Up Volume
Down
KO9 56789Down Volume
Down Synchro/
Fill-In
K10 Tone Rhythm Song
Bank Part
Select One Key One Key Demo
K11 Step-1 Step-2 Step-3 Fingered Casio
Chord Normal Off
NOMENCLATURE OF KEYS
C2
C#2 D#2 F#2 G#2 A#2 C#3 D#3 F#3 G#3 A#3 C#4 D#4 F#4 G#4 A#4 C#5 D#5 F#5 G#5 A#5
D2 E2 F2 G2 A2 B2 C3 D3 E3 F3 G3 A3 B3 C4 D4 E4 F4 G4 A4 B4 C5 D5 E5 F5 G5 A5 B5 C6

— 4 —
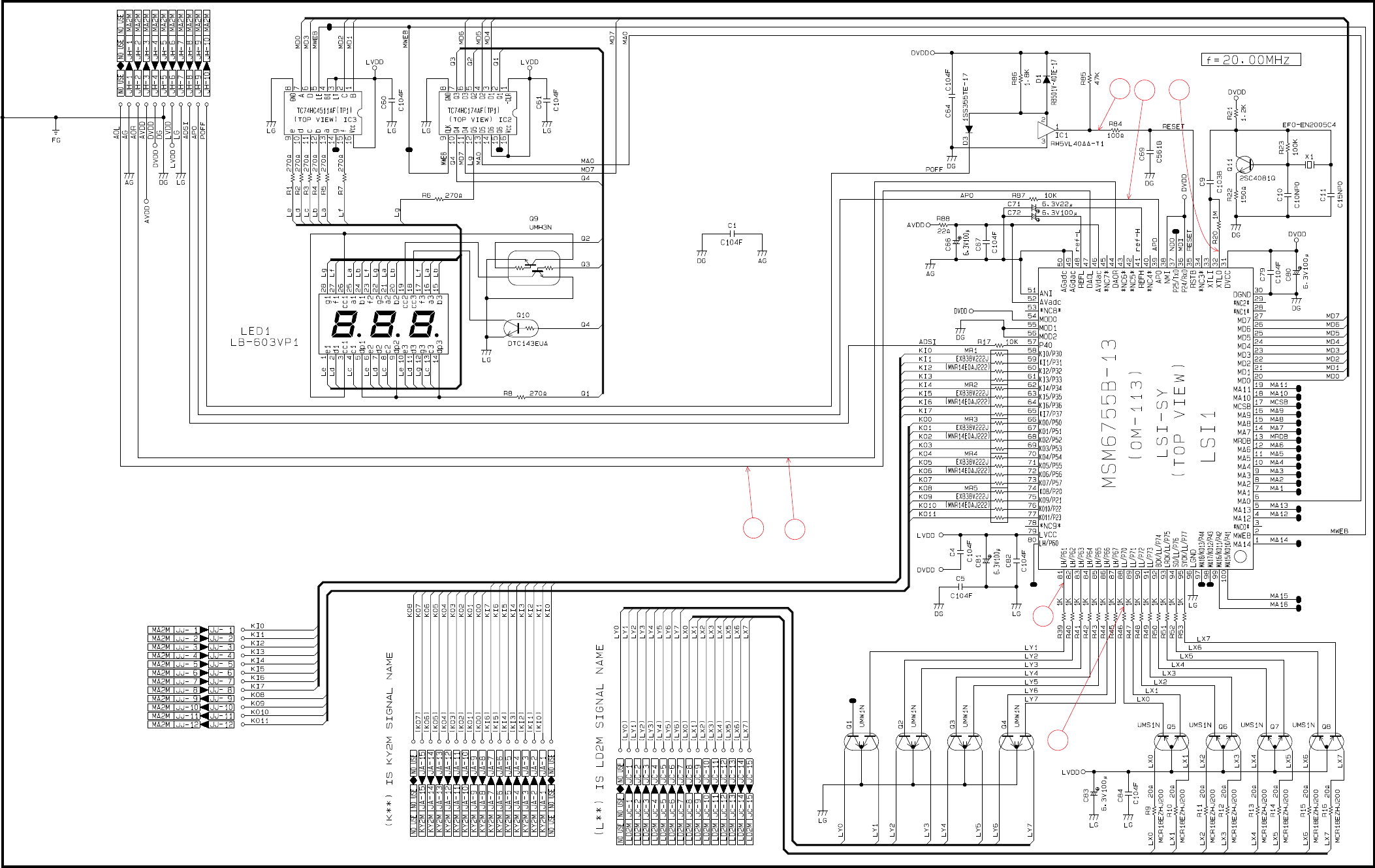
Pin No. Terminal In/Out Function
1 MA14 — Not used.
2 MWEB Out Clock for LED latches
3 ~ 5 — — Not used.
6 MA0 Out 7-seg. LED drive signal
7 ~ 19 MA1 ~ MA11 — Not used.
20 ~ 27 MD0 ~ MD7 Out 7-seg. LED drive signal
28, 29 NC1, NC2 — Not used.
30 DGND In Ground (0 V) source
31 DVCC In +5 V source
32, 33 XTLO, XTLI In/Out 20 MHz clock input/output
34 NC3 — Not used.
35 RSTB In Reset signal input
36 P24/RXD — Not used. Connected to +5 V.
37 P25/TXD — Not used.
38 NMI In Power ON signal input. Connected to +5 V.
39 APO Out APO (Auto Power Off) signal output
40 NC4 — Not used.
41 REFH Out Terminal for the internal DAC
42, 43 NC5, NC6 — Not used.
44 DAOR Out Right channel sound waveform output
45 NC7 — Not used.
46 AVdac In +5 V source for the internal DAC and ADC
47 DAOL Out Left channel sound waveform output
48 REFL Out Terminal for the internal DAC and ADC
49 AGdac In Ground source for the internal DAC
50 AGadc In Ground source for the internal ADC
51 ANI — Not used. Connected to ground.
52 AVadc In +5 V source for the internal ADC
53 NC8 — Not used.
54 MOD0 In Mode selection terminal. Connected to +5 V.
55, 56 MOD1, MOD2 In Mode selection terminal. Connected to ground.
57 P40 In APO cancellation signal
58 ~ 65 KI0/P30 ~ KI7/P37 In Terminals for key/button input signal
66 ~ 73 KO0/P50 ~ KO7/P57 Out Terminals for key scan signal
74 ~ 77 KO8/P20 ~ KO11/P23 Out Terminals for button input signal
78 NC9 — Not used.
79 LVCC In +5 V source
80 ~ 95 LX0 ~ LX7, LY0 ~ LY7 Out LED drive signal
96 LGND In Ground source
97 ~ 100 MA18 ~ MA15 — Not used.
CPU (LSI1: MSM6755B-13)
The CPU contains a sound data ROM and a DAC (Digital to Analog Convertor), and it provides a sound
waveform in accordance with the pressed key and the selected tone. The CPU also controls key input, button
input and LED driving. The following table shows the pin functions of LSI1.

— 5 —
LG
LVDD
CPU
LSI1
MSM6755B-13
LX0 ~ LX7
LY1 ~ LY7 Q1 ~ Q4
Q5 ~ Q8
Q2 ~ Q4
La ~ Lg
(Common)
(Segment) MWEB
LED
Latch
IC3
7-segment LED Keyboard LEDs
LED
Latch
IC2
MD0 ~ MD3
MD4 ~ MD7
MA0
Amp.
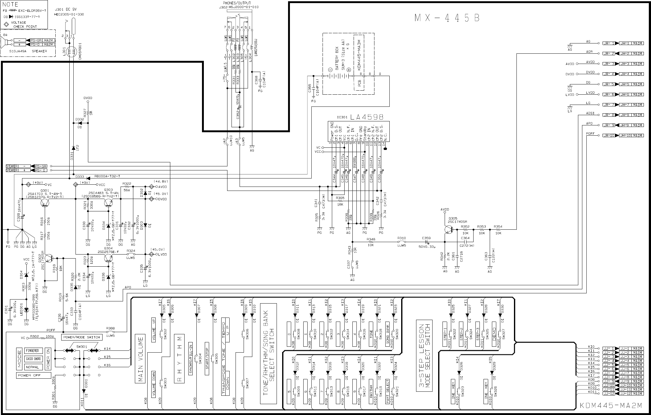
IC301 Filter Block
Q305 CPU
LSI1
FILTER BLOCK
Since the sound signal from the CPU is a stepped waveform, the filter block is added to smooth the waveform.
POWER AMPLIFIER (IC301: LA4598)
The power amplifier is a two-channel amplifier with standby switch.
The following table shows the pin function of IC301.
Pin No. Terminal In/Out Function
1 Power GND In Ground (0V) source
2 Ch1 B.S. — Terminal for a bootstrap capacitor
3 Ch1 OUT Out Channel 1 output
4 VCC In +9V source
5 Ch1 N.F. In Negative feedback input
6 Ch1 IN In Channel 1 input
7 D.C. — Terminal for a decoupling capacitor
8 Pre GND In Ground (0V) source
9 Stand by In Power control signal input. 0 V: Off, +9 V: On
10 Ch2 IN In Channel 2 input
11 Ch2 N.F. In Negative feedback input
12 Ch2 OUT Out Channel 2 output
13 Ch2 B.S. — Terminal for a bootstrap capacitor
14 NC — Not used
LED DRIVING

— 6 —
1
2
4
3
5
6
1 APO signal
MSM6755B-13 pin 39
2 Reset signal
RH5VL40AA pin 1
4 Sound signal
JH connector pin 2
5 LED drive signal LX0
MSM6755B-13 pin 88
3 Clock
MSM6755B-13 pin 32
6 LED drive signal LY1
MSM6755B-13 pin 81
Tone: Whistle (59)
Key : A4 Key: D4
MAJOR WAVEFORMS

— 7 —
24
1
3
5
6
PRINTED CIRCUIT BOARDS
Sub PCB KDM445-MA2M
Top view
Main PCB JCM446-MA1M
Bottom view Top view
GR
0
R
5
5
E
R309
R324
VC
JA3
5
5
D329 R354
Q305
C363
R353
R352
R342
55
125
5
5
75 125
125
225
C348
C342
C374
R326
R325
C341
C344 C350
IC301
C347
C345
C346
C349
R365
R339
C361
225
200
100
5
R310
R348
R343
C339
B
5
E
5
5
5
AVDD
DVDD
LVDD
VCC
R320
R318
R302
JA5
JA4 125
D331
J301
J302
C368
D333
5
GR
PS
D332 0
100
100
75
75
75
D320
D319
D318
D317
D316
D315
D310
D308
D306
D307
D305
D309
D323
D322
D321
12 JJ 1 10 JH 1
D301
D330
D325
D326
D324
175
250 R373
R370
R368
R369
C332
D302
C371
R338
C306
C307
R311
100
JA2
JA1
125
Q301
Q302
C336
Q303
D334
C330
R321
R323
R322
D336 D308
C334
C331
C335 R388
Q304
R317
R316
D304
R303
R301
C301
C328 L301
L302
445B
UJW5
L305
R335
R333
R331
C352
L303
L304
LED301
D335
C333
R319
EB
150
150
75
B
B
E
100
5
5
5
5
5
BE 5
75
D328
D327
D314
D312
D311
D313
R327
C337
5
C373
Q310
C355
C372
B
E
R374
R371
R372
C359
R366
C356
R
Q312
BE
C364

— 8 —
Connected to KDM4910K-KY2M
Connected to KDM445-LD2M
Note: KI signals are renamed. (e.g. KI0 on the keyboard PCB ⇒ KI1 on the main PCB)
NO USE FOR CTK-330
NO USE FOR CTK-330
NO USE FOR CTK-330
54
3
21
6
7
SCHEMATIC DIAGRAMS
Main PCB JCM446-MA1M

— 9 —
Sub PCBs KDM445-MA2M/MA3M

— 10 —
Keyboard PCBs KDM4910K-KY1M/KY2M

— 11 —
LED PCB KDM446-LD1M

— 12 —
PCB NAME
LED PCB KDM445-LD2M

— 13 —
PCB NAME
PCB NAME
LED PCB KDM446-LD3M
LED PCB KDM445-LD4M

11
10
34
R-3
R-4
1
14
13
12
2
18
19
15
16
5
6
17 9
7
8
R-2
R-1
EXPLODED VIEW
— 14 —

Notes: This parts list does not include the cosmetic parts, which
parts are marked with item No. "R-X" in the exploded
view.
Contact our spare parts department if you need these
parts for refurbish.
1. Prices and specifications are subject to change with-
out prior notice.
2. As for spare parts order and supply, refer to the
"GUIDEBOOK for Spare parts Supply", published
seperately.
3. The numbers in item column correspond to the same
numbers in drawing.
PARTS LIST
CTK-220L

Item Code No. Parts Name Specification Q R
Main PCB
1 6925 6160 Main PCB ass'y (MA1M) M240438*3 1 B
LSI1 2012 4690 LSI, CPU MSM6755B-13 1 A
IC1 2105 5922 IC RH5VL40AA-T1 1 A
IC2 2105 4452 IC HD74HC174FPTR 1 A
IC3 2105 5796 IC HD74HC4511FPTR 1 A
Q1 - Q4 2259 2555 Transistor, Chip, Digital UMW1NTL 4 A
Q5 - Q8 2259 2562 Transistor, Chip, Digital UMS1NTL 4 A
Q9 2259 2646 Transistor, Chip, Digital UMH3NTN 1 A
Q10 2259 2548 Transistor, Chip, Digital DTC143EUAT106 1A
Q11 2252 1239 Transistor, Chip 2SC4081-T106Q 1A
D1 2390 2576 Diode, Chip, Schottky RB501V-40TE-17 1B
D3 2390 1820 Diode, Chip 1SS355TE-17 1 B
X1 2590 1526 Oscillator, Ceramic EFO-EN2005C4 1 B
LED1 2370 1141 LED, 7-seg. SL-9352-60 1B
Sub PCB ass'y
26925 6173 Sub PCB ass'y M140476*2 1B
IC301 2114 2891 IC LA4598 1A
Q301 2250 0742 Transistor 2SA1703S,T-AN-T 1A
Q302, Q305 2220 1409 Transistor 2SC1740SR-TP-T 2A
Q303 2253 0581 Transistor 2SD1858R,S-TV6-T 1 A
Q304 2253 0455 Transistor 2SD1762E.F 1 A
2390 1344 Diode 1SS133T-77-T 31 B
D304 2360 1729 Diode, Zener MTZJ5.1A-T77-T 1 B
D331 2390 0378 Diode 1SR139-100T-32-T 1 B
D333 2390 1323 Diode RB100A-T32-T 1 B
D334, D336 2360 2002 Diode, Zener MTZJ5.6B-T77-T 2 B
LED301 2370 1106 LED MPR3338S-B99 1 B
J301 3501 7049 Jack, Power HEC2305-01-330 1 B
J302 3501 4382 Jack, Phone HSJ2000-01-010 1 B
Keyboard PCBs
2301 0101 Diode 1S2473T-77-T 49 B
3 6925 6180 Keyboard PCB ass'y M140449*2 1B
LED PCBs
2370 1323 LED (for white key) KR3301X-J344K 29 B
4 6925 6183 LED PCB ass'y LD1,2M M140473*1 1 C
2370 1330 LED (for black key) KR3302X-J345K 20 B
5 6925 1340 LED PCB ass'y LD3M M240428*1 1 C
6 6925 6184 LED PCB ass'y LD4M M240500*1 1 C
Mechanical Parts
7 6925 2160 Battery cover M340490*1 1B
8 6925 6261 Slide knob M311859A-6 1B
9 6925 5380 Display plate M340534-2 1C
10 6909 5890 Slide contact CSB-12D 1B
11 3831 1072 Speaker S10JA49A 1B
12 6925 6370 Rubber button M240374-3 1B
13 6906 8371 Rubber button M240414-2 1B
14 6925 6300 Rubber button M240413-2 1B
15 6925 1700 White key set, LSK-CB M340489*1 3 A
16 6925 1710 White key set, LSK-CS M340489*2 1A
17 6925 1720 Black key set, LSK-10P M140369-1 2A
18 6923 2390 Key contact rubber, 18 M240025-1 1A
19 6922 4000 Key contact rubber, 31 M111765-1 1A
Other
6916 7880 Music stand M310827-1 1C
— 15 —

MA1100761A
Nov, 1996