Casio PX360_RU Web_PX360 RU 1A Web PX360
User Manual: Casio Web_PX360-RU-1A PX-360 | Электронные музыкальные инструменты | Руководства пользователей | CASIO
Open the PDF directly: View PDF
.
Page Count: 91

PX360-RU-1A
RU
ИНСТРУКЦИЯ ПО ЭКСПЛУАТАЦИИ
Сохраните всю информацию, чтобы обращаться к ней в будущем.
PX-360M
Правила безопасности
Перед тем как приступать к эксплуатации
цифрового пианино, прочитайте брошюру
«Правила безопасности».
MA1504-A Printed in China
C
Данный знак утилизации означает, что упаковка
соответствует экологическому законодательству Германии.
PX360-RU-1A.indd 1 2015/04/10 14:43:59

Внимание!
Прежде чем приступать к эксплуатации данного изделия, ознакомьтесь со следующей важной информацией.
• Прежде чем приступать к эксплуатации адаптера переменного тока AD-A12150LW для подачи питания на изделие, проверить
адаптер на предмет повреждений. Сетевой шнур тщательно проверить на предмет разрывов, порезов, оголения провода, других
серьезных повреждений. Если адаптер серьезно поврежден, не давать его детям.
• Изделие не предназначено для детей в возрасте до 3 лет.
• Применять только адаптер CASIO AD-A12150LW.
•Адаптер переменного тока — не игрушка!
• Перед протиранием изделия отсоединять от него адаптер переменного тока.
Manufacturer:
CASIO COMPUTER CO., LTD.
6-2, Hon-machi 1-chome, Shibuya-ku, Tokyo 151-8543, Japan
Responsible within the European Union:
Casio Europe GmbH
Casio-Platz 1, 22848 Norderstedt, Germany
www.casio-europe.com
Декларация о соответствии согласно Директиве ЕС
RU-1
Местонахождение маркировки
Маркировка находится на нижней стороне изделия или в батарейном отсеке на нижней стороне
изделия, а также на упаковке.
Расшифровка знаков серийного номера
(1) Восьмой знак серийного номера соответствует последней цифре года производства.
Например: «1» означает 2011 год; «2» — 2012 год.
(2) Девятый знак серийного номера соответствует порядковому номеру месяца производства.
Янв. — 1; фев. — 2; мар. — 3; апр. — 4; май — 5; июн. — 6; июл. — 7; авг. — 8; сен. — 9;
окт. — J; ноя. — K; дек. — L.
PX360-RU-1A.indd 3 2015/04/10 14:43:59

RU-2
Содержание
Общие указания RU-4
Установка пюпитра......................................... RU-5
Сохранение настройки и применение
блокировки панели управления ................. RU-6
Восстановление заводских показателей
настройки цифрового пианино по
умолчанию .................................................... RU-6
Электропитание RU-7
Пользование адаптером переменного
тока............................................................... RU-7
Включение и выключение инструмента....... RU-7
Подключения RU-8
Подключение наушников ............................... RU-8
Подключение педали ..................................... RU-8
Подключение аудиоаппаратуры,
усилителя...................................................... RU-9
Принадлежности из комплекта изделия
и продаваемые отдельно .......................... RU-10
Действия, общие для всех
режимов RU-11
Работа с дисплеем........................................ RU-11
Выполнение действий .................................. RU-12
Игра с применением разных
тембров RU-14
Выбор и воспроизведение тембра.............. RU-14
Разделение клавиатуры на два
тембральных регистра............................... RU-15
Наложение двух тембров............................. RU-16
Разделение клавиатуры для игры
дуэтом ......................................................... RU-16
Регулировка баланса громкости
клавиатуры................................................. RU-17
Работа с метрономом ................................... RU-18
Изменение темпа.......................................... RU-18
Управление колесом высоты тона.............. RU-19
Сдвиг звуковысотности цифрового
пианино по полутонам
(транспонирование) ................................... RU-19
Применение
автоаккомпанемента RU-20
Воспроизведение автоаккомпанемента..... RU-20
Использование рекомендуемых тембров
и темпов
(установки мгновенного вызова).............. RU-23
Добавление к мелодии сопровождающих
голосов (автогармонизация) ..................... RU-24
Создание своего оригинального
стиля путем редактирования
встроенного автоаккомпанемента
(редактирование стиля) ............................ RU-24
Удаление пользовательского стиля ........... RU-26
Демонстрационная композиция RU-27
Воспроизведение демонстрационных
мелодий....................................................... RU-27
Музыкальные предустановки RU-28
Вызов предустановки................................... RU-28
Создание оригинальной предустановки
(пользовательские предустановки) ......... RU-29
Удаление пользовательской
предустановки............................................ RU-33
Запись наборов настроек
тембров и стилей RU-34
Запись и воспроизведение RU-36
Запись в память цифрового пианино
(устройство MIDI-записи ) ......................... RU-38
Запись на флэш-накопитель USB
(устройство звукозаписи).......................... RU-45
Программирование цифрового
пианино RU-48
Программирование цифрового пианино ..... RU-48
Флэш-накопитель USB RU-56
Подключение флэш-накопителя USB к
цифровому пианино и его
отсоединение от него ................................ RU-57
Форматирование флэш-накопителя
USB.............................................................. RU-57
Сохранение стандартных файлов с
композициями во флэш-накопителе
USB.............................................................. RU-57
Сохранение данных из цифрового
пианино во флэш-накопителе USB .......... RU-58
Загрузка данных из флэш-накопителя
USB в память цифрового пианино ........... RU-58
Удаление данных из флэш-накопителя
USB.............................................................. RU-59
Подключение к компьютеру RU-60
Минимальные требования к
компьютерной системе.............................. RU-60
Работа с MIDI................................................. RU-61
Справочная информация RU-62
Сообщения об ошибках ................................ RU-62
Поиск и устранение неисправностей .......... RU-63
Технические характеристики изделия ....... RU-65
Правила безопасности ................................. RU-67
PX360-RU-1A.indd 4 2015/04/10 14:43:59

Содержание
RU-3
Приложение A-1
Перечень тембров............................................ A-1
Таблица соответствия клавишам звуков
ударных инструментов ....................................A-6
Перечень стилей .............................................. A-8
Перечень музыкальных предустановок ...... A-10
Указатель способов взятия аккордов......... A-12
Перечень параметров.................................... A-14
Примеры аккордов ........................................ A-15
Соотношение партий и MIDI-каналов .......... A-17
MIDI Implementation Chart
Упоминаемые в данной инструкции названия
компаний и наименования изделий могут
являться зарегистрированными торговыми
марками других компаний.
PX360-RU-1A.indd 5 2015/04/10 14:43:59

RU-4
Общие указания
co cp cq cr cs ct
bt ck cm cn
br
dk
2
bo
bp
bq
7 8 9 bk bl bm
bs
531 4
bndl
∗
6
cl
Нижняя сторона
Тыльная сторона
гнёзда «PHONES»
Лицевая сторона
регулятор громкости
(AUDIO VOLUME)
гнёзда «Линейный выход:
П, Л — моно»
(
LINE OUT R
,
L/MONO
)
гнездо для подключения педали
выводы «MIDI:
выход — сквозной
канал, вход»
(
MIDI OUT/THRU
,
IN
)
порт «USB»
гнёзда для педали: «Демпферная»,
«Многофункциональная» (
DAMPER
,
ASSIGNABLE
гнездо «Звуковой вход»
(AUDIO IN)
вывод «12 В пост.
тока» (DC 12V)
гнёзда «Линейный вход: П, Л — моно»
(
LINE IN R
,
L/MONO
)
PX360-RU-1A.indd 6 2015/04/10 14:44:00

Общие указания
RU-5
•В данной инструкции органы управления обозначаются нижеуказанными номерами и названиями.
Пюпитр вставляется основанием в паз на
верхней стороне цифрового пианино.
*Установка пюпитра
1кнопка питания P
2регулятор громкости (VOLUME)
3кнопка «Режим „Запись“» (REC MODE)
4кнопка «MIDI» (MIDI a)
5кнопка «Аудио» (AUDIO a)
6кнопка «Транспонирование»
(TRANSPOSE w, q)
7кнопка «Вступление» (INTRO)
8кнопка «Обычная модель — вставка»
(NORMAL/FILL-IN)
9кнопка «Вариация — вставка»
(VARIATION/FILL-IN)
bkкнопка «Синхронизатор — концовка»
(SYNCHRO/ENDING)
blкнопка a
bmкнопка «Включение-выключение
аккомпанемента» (ACCOMP ON/OFF)
bnдисплей
bo«Меню» (MENU)
bp«Главная» (MAIN)
bq«Выход» (EXIT)
brдисковый регулятор
bsкнопки «вниз, нет»; «вверх, да»
(w/NO, q/YES)
btкнопка «Тембр» (TONE)
ckкнопка «Стиль» (RHYTHM)
clкнопки «Темп» (TEMPO)
cmкнопка «Метроном» (METRONOME)
cnкнопка «Рояль» (GRAND PIANO)
coкнопка «Банк» (BANK)
cpкнопка «Регистрационная память 1»
(REGISTRATION 1)
cqкнопка «Регистрационная память 2»
(REGISTRATION 2)
crкнопка «Регистрационная память 3»
(REGISTRATION 3)
csкнопка «Регистрационная память 4»
(REGISTRATION 4)
ctкнопка «Сохранение» (STORE)
dkпорт «USB» для флэш-накопителя
dlколесо высоты тона (PITCH BEND)
PX360-RU-1A.indd 7 2015/04/10 14:44:00

RU-6
Общие указания
Цифровое пианино позволяет сохранять его
настройку и блокировать кнопки для защиты от
ошибочных действий. Подробности см. в графах
«Auto Resume» (стр. RU-53) и «Operation Lock»
(стр. RU-52).
Для восстановления заводских начальных данных в
цифровом пианино и его настройки по умолчанию
выполнить следующие действия.
1.
Выключить цифровое пианино.
2.
Нажав на кнопки cl TEMPO w, q и не
отпуская их, нажать на кнопку 1P.
•Цифровое пианино включается, происходит
инициализация его внутренней системы. Через
некоторое время оно становится готовым к работе.
•Информацию о включении и выключении
цифрового пианино см. в разделе «Включение и
выключение инструмента» (стр. RU-7).
Сохранение настройки и
применение блокировки
панели управления
Восстановление заводских
показателей настройки
цифрового пианино по
умолчанию
PX360-RU-1A.indd 8 2015/04/10 14:44:00

RU-7
Электропитание
Данное цифровое пианино работает от обычной
бытовой электросети. На время неиспользования
цифрового пианино обязательно его выключать.
Подключать цифровое пианино к сети только через адаптер
переменного тока (стандарт JEITA, с унифицированной
поляризованной вилкой) из комплекта инструмента.
Подключение через адаптер переменного тока другого типа
может вызвать повреждение цифрового пианино.
Предписанный адаптер переменного тока — AD-A12150LW
•Адаптер переменного тока подключается через
сетевой шнур из комплекта изделия, как показано
на иллюстрации ниже.
Во избежание повреждения сетевого шнура соблюдайте
следующие важные меры предосторожности.
Во время работы
•Не тянуть за шнур с чрезмерной силой.
•Не тянуть за шнур несколько раз подряд.
•
Не допускать закручивания шнура у штепселя и у штекера.
При переноске
•
Перед переноской цифрового пианино обязательно
вынимать адаптер переменного тока из сетевой розетки.
При хранении
•Сетевой шнур сматывать и связывать, не
наматывая на адаптер переменного тока.
•
Не подключать адаптер переменного тока (стандарт
JEITA, с унифицированной поляризованной вилкой) из
комплекта данного цифрового пианино ни к какому
иному устройству. Это может привести к повреждению.
•Перед подключением и отключением адаптера
переменного тока удостоверяться, что
цифровое пианино выключено.
•
После очень длительной работы адаптер
переменного тока нагревается. Это нормальное
явление, не свидетельствующее о неисправности.
•
При использовании адаптера переменного тока его
поверхность с маркировкой должна быть обращена
книзу. Когда поверхность с маркировкой обращена
кверху, адаптер предрасположен к испусканию
электромагнитных волн.
1.
Нажатием на кнопку 1P включить
инструмент.
•
Во время отображения на дисплее заставки
клавиатуру, педали и кнопки не трогать. Это может
привести к нарушению работы инструмента
.
•Громкость регулируется регулятором «VOLUME»
(2) цифрового пианино.
2.
Для выключения цифрового пианино
нажать на кнопку 1P и не отпускать
ее, пока не выключится его дисплей.
•Нажатие на кнопку 1P для выключения
цифрового пианино в действительности приводит
к его переключению в состояние ожидания, в
котором по его цепи продолжает протекать
незначительный ток. Если вы планируете долго
не включать цифровое пианино, а также во время
грозы обязательно отсоединяйте адаптер от
сетевой розетки.
Во избежание пустой траты электроэнергии данное
цифровое пианино рассчитано на автоматическое
выключение, когда с момента выполнения последнего
действия пройдет установленное время.
Автовыключение срабатывает примерно через 4 часа.
•При необходимости функцию автовыключения
можно отключить. Подробности см. в графе
«Auto Power Off» таблицы „Экранная страница
«SYSTEM SETTING»“ (стр. RU-52).
Пользование адаптером
переменного тока
бытовая сетевая розетка
сетевой шнур
вывод «DC 12V»адаптер переменного тока
• Компоновка и типы разъемов
зависят от региона.
Включение и выключение
инструмента
Автовыключение
PX360-RU-1A.indd 9 2015/04/10 14:44:01

RU-8
Подключения
•Перед подключением наушников к цифровому
пианино не забудьте убавить громкость
регулятором 2 VOLUME. После подключения
можно выставить громкость на нужный уровень.
•При отключенном выводе звука через
динамики* цифровое пианино автоматически
оптимизирует звуковой сигнал, подаваемый на
наушники и выход «LINE OUT». При подаче
звука на динамики звуковой сигнал
автоматически оптимизируется для
прослушивания через них.
*В гнездо «PHONES» вставлен штекер, или
отключен показатель настройки «Speaker» на
экранной странице «SYSTEM SETTING»
(стр. RU-52).
Лицевая сторона
Наушники из числа имеющихся в продаже
подключаются к гнездам «PHONES». После
подключения наушников к какому-либо из гнезд
«PHONES» звук на динамики не подается, что
позволяет заниматься на инструменте даже ночью,
никому не мешая. Для предохранения слуха не
выставлять громкость при пользовании наушниками
на очень высокий уровень.
•Наушники должны вставляться в гнёзда
«PHONES» до упора. В противном случае не
исключено, что звук будет поступать только из
одного наушника.
•Если штекер наушников не соответствует гнездам
«PHONES», подключать наушники через
соответствующий переходник из числа
имеющихся в продаже.
•Если наушники требуют подключения через
переходник, при их отсоединении не оставлять его
в гнезде. В противном случае звука из динамиков
при игре на инструменте не будет.
На тыльной стороне цифрового пианино имеются
два гнезда для подключения педали: одно для
демпферной педали и одно для педали модератора и
педали состенуто.
В зависимости от того, какая функция педали (SP-3)
требуется, ее шнур вставляется в гнездо «DAMPER
PEDAL» или «ASSIGNABLE PEDAL» цифрового
пианино. Для одновременного пользования обеими
функциями (обоими гнездами) требуется
дополнительно приобрести еще одну педаль.
Тыльная сторона
Функции педалей
zДемпферная педаль
Нажатие на демпферную педаль в процессе
исполнения увеличивает длительность извлекаемых
звуков.
•Если выбран фортепианный тембр, нажатие на
эту педаль вызывает эффект демпферного
резонанса цифрового пианино, при котором
извлекаемые звуки резонируют так же, как при
нажатии на демпферную педаль акустического
фортепиано.
zПедаль модератора
При нажатии на эту педаль взятые на клавиатуре
звуки приглушаются и звучат мягче.
zПедаль состенуто
Пока педаль нажата, после отпускания клавиш
продолжают звучать звуки, которые взяты до
нажатия на нее.
Подключение наушников
гнёзда «PHONES»
наушники из числа имеющихся
в продаже
Подключение педали
Как подключить педаль к гнезду
гнёзда «PEDAL»
SP-3
SP-3
PX360-RU-1A.indd 10 2015/04/10 14:44:01

Подключения
RU-9
К гнезду для подключения педали на нижней
стороне цифрового пианино можно подключить
приобретаемый дополнительно трехпедальный блок
(SP-33). Педали позволяют придавать исполнению
выразительность, подобную достигаемой на
акустическом фортепиано.
•Для установки педального блока SP-33 требуется
специальная стойка CS-67P, приобретаемая
дополнительно.
Для повышения громкости и качества звука
цифровое пианино рассчитано на подключение к
нему аудиоаппаратуры или усилителя, чтобы при
игре выводить звук через динамики внешнего
устройства.
•При отключенном выводе звука через
динамики* цифровое пианино автоматически
оптимизирует звуковой сигнал, подаваемый на
наушники и выход «LINE OUT». При подаче
звука на динамики звуковой сигнал
автоматически оптимизируется для
прослушивания через них.
*В гнездо «PHONES» вставлен штекер, или
отключен показатель настройки «Speaker» на
экранной странице «SYSTEM SETTING»
(стр. RU-52).
•Перед подключением устройства к цифровому
пианино убавить громкость регулятором
«VOLUME». После подключения можно
выставить громкость на нужный уровень.
•Перед подключением к цифровому пианино
какого-либо устройства обязательно
прочитывать пользовательскую документацию к
нему.
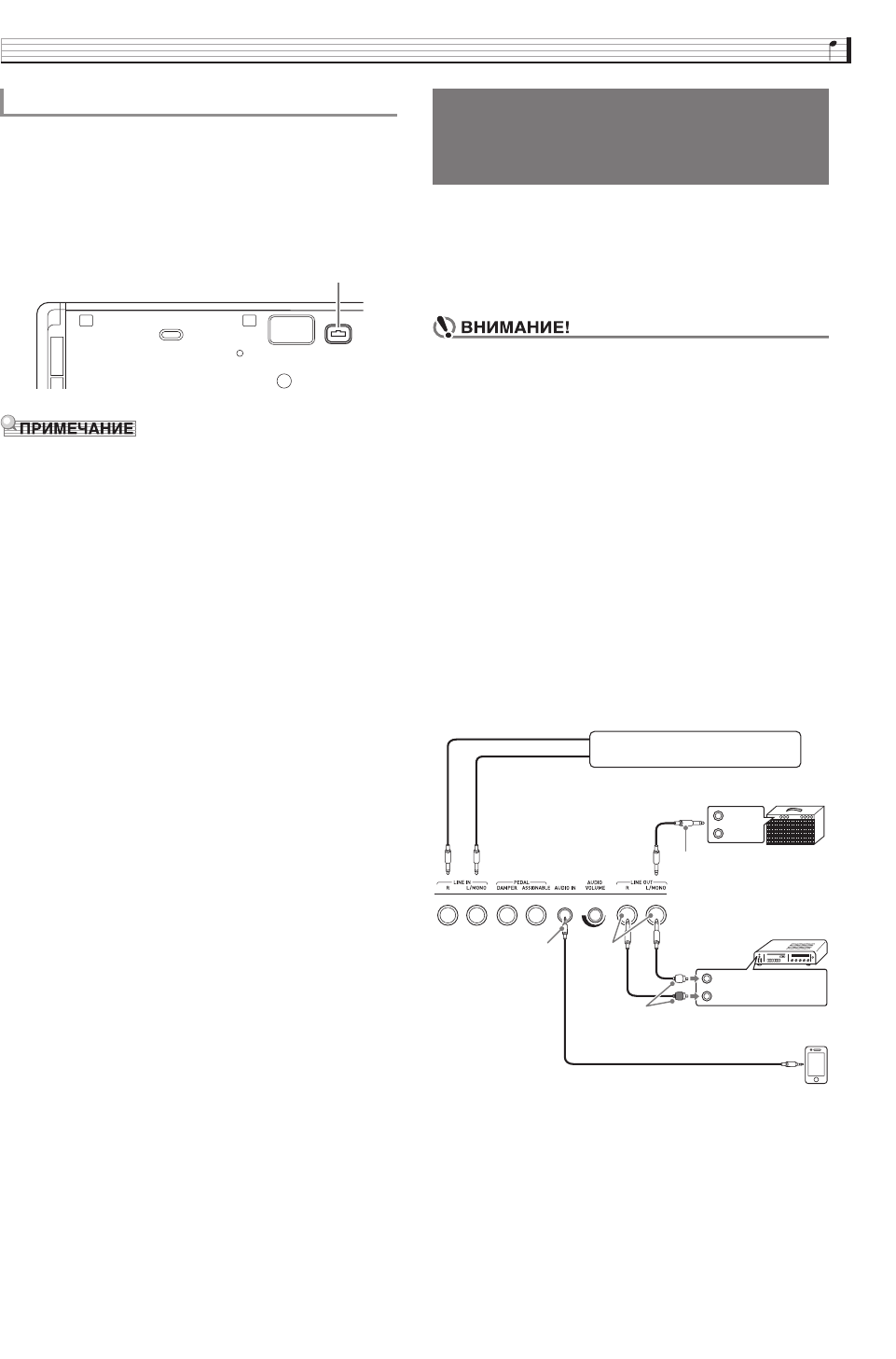
Гнездо для подключения педали
гнездо для подключения педали
Нижняя сторона
Подключение
аудиоаппаратуры,
усилителя
INPUT 1
INPUT 2
4
1
3
2
гитарный усилитель,
синтезаторный усилитель и т. п.
стандартный штекер
стандартное
гнездо
LEFT (белый)
RIGHT (красный)
звуковоспроизводящее
MIDI-устройство и т. д.
штырьковый
штекер
гнездо звукоусилителя
«AUX IN» и т. п.
смартфон и т. п.
стереомиништекер
PX360-RU-1A.indd 11 2015/04/10 14:44:01

RU-10
Подключения
Через правый динамик цифрового пианино
поступает звуковой сигнал с внешнего источника,
подключенного через вход «LINE IN R» (правый),
а через левый динамик — с источника,
подключенного через вход «LINE IN L/MONO».
Подключение выполняется с помощью шнуров из
числа имеющихся в продаже, которые
соответствуют подключаемой аппаратуре. Если
внешний источник подключен только через вход
«LINE IN L/MONO», поступающий сигнал
выводится через оба динамика.
Через вход «AUDIO IN» подключается смартфон
или другой музыкальный проигрыватель.
Громкость сигнала с музыкального проигрывателя
регулируется ручкой «AUDIO VOLUME».
•К сигналу, поступающему через вход «LINE IN»,
применяются встроенные эффекты цифрового
пианино (реверберация, хорус, ЦОС-эффекты).
Сигнал, поступающий через вход «LINE IN»,
может быть записан на устройство звукозаписи.
•К сигналу, поступающему через вход «AUDIO
IN», встроенные эффекты цифрового пианино
(реверберация, хорус, ЦОС-эффекты) не
применяются. Сигнал, поступающий через вход
«AUDIO IN», на устройство звукозаписи не
записывается.
Внешнее звуковое устройство подключается к
гнездам «LINE OUT» цифрового пианино с
помощью шнуров из числа имеющихся в продаже,
как показано на илл. 2. Через гнездо «LINE OUT
R» выводится звук правого канала, а через гнездо
«LINE OUT L/MONO» — левого. Соединительные
шнуры для подключения аудиоаппаратуры,
подобные показанным на иллюстрации,
приобретайте самостоятельно. Обычно при такой
схеме соединения коммутатор входов звукового
устройства нужно выставлять на вывод (например,
«AUX IN»), к которому подключено цифровое
пианино. Громкость регулируется регулятором
«VOLUME» цифрового пианино.
Усилитель подключается к гнездам «LINE OUT»
цифрового пианино с помощью шнуров из числа
имеющихся в продаже, как показано на илл. 3.
Через гнездо «LINE OUT R» выводится звук
правого канала, а через гнездо «LINE OUT L/
MONO» — левого. При подключении только к
гнезду «LINE OUT L/MONO» на этот выход
выводится смешанный звук обоих каналов.
Соединительный шнур для подключения усилителя,
подобный показанным на иллюстрации,
приобретайте самостоятельно. Громкость
регулируется регулятором «VOLUME» цифрового
пианино.
•При пользовании гнездами «LINE OUT»
подключать также наушники через гнёзда
«PHONES». Это обеспечивает переключение на
соответствующее качество звука из гнезд «LINE
OUT».
Пользуйтесь только принадлежностями,
предписанными для работы с данным цифровым
пианино.
Пользование непредписанными принадлежностями
создает риск возгорания, поражения электрическим
током, травмы.
•Информацию о принадлежностях к изделию,
которые продаются отдельно, можно получить из
каталога продукции «CASIO», имеющегося в
магазине, и на сайте «CASIO» по адресу:
http://world.casio.com/
Использование цифрового пианино в
качестве усилителя звука с внешнего
источника (илл. 1 и 4)
Подключение к аудиоаппаратуре
(илл. 2)
Подключение к усилителю для
музыкального инструмента (илл. 3)
Принадлежности из
комплекта изделия и
продаваемые отдельно
PX360-RU-1A.indd 12 2015/04/10 14:44:01

RU-11
Действия, общие для всех режимов
При включении цифрового пианино на дисплее
появляются экранные страницы «MENU» и «MAIN»
с отображением текущей настройки. На этих
экранных страницах настраиваются разнообразные
функции. Для перехода с одной экранной страницы
на другую служит панель быстрого перемещения со
значками для перемещения, расположенная вдоль
правого края дисплея.
■Экранная страница «MENU»
В результате касания значка в меню на дисплее
появляется экранная страница для задания тембра,
стиля, других показателей настройки.
■Экранная страница «MAIN»
Экранная страница «MAIN» служит для проверки и
изменения основных показателей настройки. Вдоль
нижнего края экранной страницы отображаются
текущие показатели настройки.
1Смонтирован флэш-накопитель USB
2Динамики отключены
3Аккорд
4Темп
5Такт
6Доля
7Транспонирование
8Точка разделения
9Банк регистрационной памяти
■Панель быстрого перемещения
Вдоль правого края экранной страницы постоянно
отображается панель быстрого перемещения.
Касание значков на ней позволяет переходить с
одной экранной страницы на другую.
Выбранные пункты и действующие значки
определяются по их цвету:
красные — выбраны или включены;
синие — действуют.
Пример: в группе «Rock» выбран тембр «Soft Rock».
Работа с дисплеем
Компоновка изображения на дисплее
отображение
экранной
страницы «MAIN»
возвращение к
предыдущей
экранной странице
панель быстрого
перемещения
3 4 5 6 7 8 9
отображение
экранной
страницы
«MENU»
панель быстрого
перемещения
21
Содержание экранной страницы
bo MENU — отображение экранной страницы
«MENU»
bp MAIN — отображение экранной страницы
«MAIN»
bq EXIT — возвращение к предыдущей экранной
странице
переход к следующей группе
переход на предыдущую или следующую страницу
PX360-RU-1A.indd 13 2015/04/10 14:44:02

RU-12
Действия, общие для всех режимов
Данное цифровое пианино оснащено сенсорным
экраном, позволяющим настраивать различные
функции.
•Не выполнять действий на сенсорном экране с
помощью острого или твердого тонкоконечного
предмета. Это может привести к повреждению
ЖКД.
Касание
Легко нажать пальцем на дисплей.
Смахивание
Провести по дисплею пальцем слева направо.
Смахивание экранной страницы «MENU» приводит
к появлению другой страницы с пунктами меню.
Названия файлов вводятся касанием клавиш
экранной сенсорной клавиатуры. Цифровое пианино
позволяет вводить буквы и символы.
1Отображение вводимых букв
2Выбор категории знаков
3Перемещение курсора вперед и назад
4Удаление буквы слева от курсора
5Ввод букв в месте курсора
6Ввод пробела в месте курсора
Выполнение действий
Как работать с сенсорным экраном
Как вводить текст
1 3 4
65
2
PX360-RU-1A.indd 14 2015/04/10 14:44:02

Действия, общие для всех режимов
RU-13
Пункты, которые могут быть выбраны из списка,
помечены значком X.
1.
Коснуться пункта, содержащего
показатель настройки, который нужно
изменить.
2.
В появившемся списке коснуться нужного
пункта.
Заданные значения, которые могут быть изменены,
помечены значком .
1.
Коснуться пункта, содержащего
показатель настройки, который нужно
изменить.
2.
С помощью дискового регулятора br или
кнопок bs w, q изменить заданное
значение.
•Длительное нажатие на любую из кнопок bs w,
q обеспечивает ускоренную прокрутку значений.
Включение и отключение функции выполняется
касанием соответствующего пункта или значка.
Как выбрать пункт в списке Как изменить заданное значение
Как включить и как отключить
функцию
PX360-RU-1A.indd 15 2015/04/10 14:44:02

RU-14
Игра с применением разных тембров
Данное цифровое пианино располагает 550
тембрами, подразделенными на 12 групп.
•Дополнительную информацию см. в разделе
«Перечень тембров» (стр. A-1).
1.
На дисплее коснуться значка bp MAIN.
Появляется экранная страница «MAIN».
2.
Коснуться тембра «Upper 1».
Появляется экранная страница «TONE SELECT».
3.
Коснуться группы с нужным тембром.
•Перемещение между группами выполняется
касанием значков UU и II.
4.
Коснуться нужного тембра.
•Перемещение между страницами перечня тембров
выполняется касанием значков и .
5.
Касанием значка bp MAIN на дисплее
вернуться на экранную страницу «MAIN».
•Если касанием значка «Upper 1» его выключить,
это приведет к отсутствию выбранного для
клавиатуры тембра, и при нажатии на клавиши
она звучать не будет.
•
Нажатие на кнопку
cn
GRAND PIANO
приводит
к переключению цифрового пианино на рояльный
тембр и его перепрограммированию с
оптимизацией показателей настройки для игры на
нём как на рояле. Подробнее об этих показателях
настройки см. в «Перечне параметров»
(стр. A-14).
bp
cn
bs
cmcl6
Выбор и воспроизведение
тембра
Upper 1
PX360-RU-1A.indd 16 2015/04/10 14:44:02

Игра с применением разных тембров
RU-15
Инструмент позволяет запрограммировать
клавиатуру так, чтобы в левой ее части (нижнем
регистре) звучал один тембр, а в правой части
(верхнем регистре) — другой.
•При тембральном разделении тембр,
присвоенный нижнему регистру клавиатуры,
называется нижним (Lower 1).
Пример: в качестве нижннго тембра выбран «GM Slap
Bass 1».
1.
На дисплее коснуться значка bp MAIN.
Появляется экранная страница «MAIN».
2.
Выбрать основной тембр.
3.
На экранной странице «MAIN» коснуться
пункта «Split».
Тембральное разделение включается.
4.
Коснуться пункта «Lower 1».
Появляется экранная страница «TONE SELECT».
5.
Коснуться группы с нужным нижним
тембром.
6.
Коснуться нужного нижнего тембра.
7.
Касанием значка bp MAIN на дисплее
вернуться на экранную страницу «MAIN».
8.
Для восстановления единого тембра на
всей клавиатуре коснуться пункта «Split»
на экранной странице «MAIN».
Тембральное разделение выключается.
•
Путем включения функции наложения (стр. RU-16)
как основной, так и нижний тембры могут быть
наложены на другой. После включения функции
разделения можно запрограммировать и функцию
наложения.
•Выключение тембра «Upper 1», «Upper 2»,
«Lower 1» или «Lower 2» касанием его значка
приводит к тому, что он звучать не будет.
•В случае, когда в качестве обоих тембров (как
основного, так и нижнего) задаются тембры с
ЦОС-эффектом, у одного из них эффект
отключается.
В нижеописанном порядке задается место на
клавиатуре, в котором ее нужно разделить на левую
и правую части. Это место называется «точка
разделения».
1.
На дисплее коснуться значка bp MAIN.
Появляется экранная страница «MAIN».
2.
Коснуться кнопки «Split Point».
3.
С помощью кнопок bs w, q указать
точку разделения, которой является
крайняя левая клавиша верхнего
регистра.
•Точка разделения задается также нажатием на
нужную клавишу клавиатуры во время
длительного касания показателя «Split Point».
Разделение клавиатуры на
два тембральных регистра
Lower 1
Lower 2
Upper 1
Upper 2
Нижний тембр
«GM Slap Bass 1»
Основной тембр
«Grand Piano Concert»
красный
Как переместить точку тембрального
разделения
нижний регистр верхний регистр
точка
разделения
красный
PX360-RU-1A.indd 17 2015/04/10 14:44:03

RU-16
Игра с применением разных тембров
Инструмент позволяет накладывать один тембр на
другой с тем, чтобы при нажатии на клавишу они
звучали одновременно.
•Тембр «Upper 1» называется основным, а тембр
«Upper 2» — наложенным.
1.
На дисплее коснуться значка bp MAIN.
Появляется экранная страница «MAIN».
2.
Выбрать основной тембр.
3.
Коснуться значка «Upper 2».
Функция наложения включается, и происходит
наложение двух тембров.
4.
Коснуться тембра «Upper 2».
Появляется экранная страница «TONE SELECT».
5.
Коснуться группы с нужным наложенным
тембром.
6.
Коснуться нужного наложенного тембра.
7.
Касанием значка bp MAIN на дисплее
вернуться на экранную страницу «MAIN».
8.
Для восстановления одиночного тембра
коснуться значка «Upper 2» на экранной
странице «MAIN».
Наложение тембров выключается.
•Баланс громкости между основным и
наложенным тембрами регулируется.
См. «Регулировка баланса громкости
клавиатуры» (стр. RU-17).
•Касание значка «Upper 1» или «Upper 2» приводит
к тому, что соответствующий тембр отключается
и звучать не будет.
•В случае, когда в качестве обоих тембров (как
основного, так и наложенного) задаются тембры с
ЦОС-эффектом, у одного из них эффект
отключается.
Инструмент позволяет разделить клавиатуру
посередине для игры дуэтом так, чтобы левая и
правая ее части имели одинаковые диапазоны.
Крайняя левая педаль работает как демпферная
педаль левой части, крайняя правая — как
демпферная педаль правой.
Режим «Дуэт» позволяет учителю показывать в
левой части клавиатуры, как играть, а ученику —
играть ту же мелодию в правой.
Педали
zРабота с педальным блоком SP-33
(приобретается дополнительно)
zРабота с педальным блоком SP-3 из комплекта
изделия
Для применения в качестве демпферной педали
правой части клавиатуры блок подключается к
выводу «DAMPER PEDAL».
Для применения в качестве демпферной педали
левой части клавиатуры блок подключается к
выводу «ASSIGNABLE PEDAL».
1.
На дисплее коснуться значка bp MAIN.
Появляется экранная страница «MAIN».
Наложение двух тембров
красный
Разделение клавиатуры для
игры дуэтом
C4 C4
правая часть клавиатурылевая часть клавиатуры
(до первой октавы)(до первой октавы)
демпферная педаль левой и правой частей
демпферная педаль
левой части клавиатуры
демпферная педаль правой
части (воспринимает
полунажатие)
PX360-RU-1A.indd 18 2015/04/10 14:44:03

Игра с применением разных тембров
RU-17
2.
Коснуться пункта «Duet».
Функция «Дуэт» включается.
•Для включения режима «Duet Pan» коснуться
пункта «Pan». При включенном режиме «Duet
Pan» из левого динамика звучит тембр левой части
клавиатуры, а из правого — тембр правой части.
Нижеперечисленные эффекты не применяются.
–Имитатор акустики инструмента
(за исключением реакции молоточков)
–Pеверберация
–Задержка
–Хорус
–ЦОС-эффекты
3.
Для выключения функции «Дуэт»
коснуться пункта «Duet» еще раз.
Восстанавливается состояние инструмента на
момент перед включением функции «Дуэт».
Следующий порядок действий в режиме «Дуэт»
позволяет выполнять октавный сдвиг левой и правой
частей клавиатуры.
1.
Выполнить действия 1 и 2 из раздела
«Разделение клавиатуры для игры
дуэтом».
2.
Коснуться пункта «Left Octave» и с
помощью кнопок bs w, q выполнить
октавный сдвиг левой части клавиатуры.
Пример. На нижеприведенной иллюстрации
показано, как выставление октавного
сдвига левой части клавиатуры на +1 влияет
на ее октавную звуковысотность.
3.
Коснуться пункта «Right Octave» и с
помощью кнопок bs w, q выполнить
октавный сдвиг правой части клавиатуры.
•Выключение режима «Дуэт» приводит к отмене
заданных значений октавного сдвига и
возвращению клавиатуры к исходному значению
октавной звуковысотности по умолчанию.
Баланс громкости между основным и наложенным
тембрами регулируется в следующем порядке.
1.
На дисплее коснуться значка bp MAIN.
Появляется экранная страница «MAIN».
2.
Коснуться значка «BALANCE».
3.
Коснуться регулируемого тембра и
кнопками bs w, q отрегулировать
громкость.
Upper 1 — основной тембр
Upper 2 — наложенный тембр
Lower 1 — основной нижний тембр
Lower 2 — наложенный нижний тембр
4.
Касанием значка bp MAIN на дисплее
вернуться на экранную страницу «MAIN».
•Информацию о других показателях настройки на
экранной странице «BALANCE» см. в части
„Экранная страница «BALANCE»“ раздела
«Программирование цифрового пианино»
(стр. RU-48 — RU-55).
Как изменить звуковысотность части
клавиатуры в режиме «Дуэт»
(октавный сдвиг в режиме «Дуэт»)
красный
Регулировка баланса
громкости клавиатуры
C4 C5 C6 C7 C3 C4 C5 C6
звуковысотность на октаву
выше начальной
не изменяется
самая левая клавиша до
PX360-RU-1A.indd 19 2015/04/10 14:44:03

RU-18
Игра с применением разных тембров
1.
Нажать на кнопку cm METRONOME.
Метроном включается.
2.
Для остановки метронома еще раз нажать
на кнопку cm METRONOME.
Метроном выключается.
Возможно задание от 0 до 9 ударов метронома за такт.
Если указать 0, то все удары будут звучать
одинаково. Такая настройка позволяет упражняться
в ровном темпе.
1.
На экранной странице «MENU» коснуться
значка «SYSTEM SETTING».
2.
Коснуться пункта «Metronome Count».
3.
С помощью кнопок bs w, q выбрать
число ударов за такт.
4.
На дисплее коснуться значка bp MAIN.
Восстанавливается экранная страница «MAIN».
Громкость метронома регулируется независимо от
громкости звука на выходе клавиатуры в
следующем порядке.
1.
На дисплее коснуться значка bp MAIN.
Появляется экранная страница «MAIN».
2.
Коснуться значка «BALANCE».
3.
Коснуться пункта «Metronome Volume».
4.
Отрегулировать значение громкости
метронома (0—127) кнопками bs w, q.
5.
На дисплее коснуться значка bp MAIN.
Восстанавливается экранная страница «MAIN».
Заданный темп можно изменять двумя способами: с
помощью кнопок
cl
TEMPO
w
, q
для
постепенного изменения и путем отстукивания темпа
кнопкой
cl
TEMPO TAP
(ввод отстукиванием).
■Метод 1.
Как отрегулировать темп кнопками cl
TEMPO w, q
1.
Кнопками cl TEMPO w, q
отрегулировать темп.
При нажатии на кнопку значение темпа (число
ударов в минуту) увеличивается или уменьшается на
единицу.
•Длительное нажатие на любую из кнопок
обеспечивает ускоренное изменение значения.
•Значение темпа задается в интервале 20—255.
■Метод 2.
Как отрегулировать темп путем
отстукивания (ввод отстукиванием)
1.
Стукнуть несколько раз по кнопке cl
TEMPO TAP в нужном темпе.
•Темп меняется в соответствии с отстукиванием.
•После задания этим способом примерного темпа
его можно отрегулировать точнее в порядке,
описанном в части «Kак отрегулировать темп
кнопками cl TEMPO w, q».
Работа с метрономом
Как изменить число ударов метронома
за такт
Регулировка баланса громкости
метронома и клавиатуры
(громкость метронома)
мигает в такт ударам метронома
Изменение темпа
стукнуть не менее двух раз
PX360-RU-1A.indd 20 2015/04/10 14:44:04

Игра с применением разных тембров
RU-19
Колесо высоты тона позволяет плавно повышать и
понижать высоту звуков. Эта возможность
позволяет воспроизводить эффекты «подтяжки»
саксофона и электрогитары.
1.
Извлекая звук на клавиатуре,
повернуть вверх или вниз колесо
высоты тона слева от нее
.
Величина модуляции звука зависит от
степени поворота колеса высоты тона.
•Во время включения цифрового
пианино колесо высоты тона не
трогать.
•Действие колеса высоты тона программируется
путем задания величины отклонения высоты тона
для максимального поворота колеса в одном и в
другом направлении. Дополнительную
информацию см. в части „Экранная страница
«CONTROLLER»“ (стр. RU-53).
Функция транспонирования позволяет повышать и
понижать общую звуковысотность цифрового
пианино с шагом в полутон. С помощью этой
функции клавиатура перенастраивается в
тональность, которая больше подходит для
вокалиста, другого музыкального инструмента и т. д.
1.
С помощью кнопок 6 TRANSPOSE w,
q изменить заданное значение.
•Строй клавиатуры можно менять в интервале
–12—00—+12.
•Одновременное нажатие на кнопки 6
TRANSPOSE w, q меняет значение на 0.
•Текущая величина транспонирования указана на
экранной странице «MAIN».
Управление колесом
высоты тона
Сдвиг звуковысотности
цифрового пианино по
полутонам
(транспонирование)
PX360-RU-1A.indd 21 2015/04/10 14:44:04

RU-20
Применение автоаккомпанемента
При применении функции «Автоаккомпанемент»
достаточно выбрать нужный стиль аккомпанемента,
и соответствующий аккомпанемент (ударные,
гитара и т. д.) будет автоматически
воспроизводиться при взятии аккорда левой рукой,
как будто всюду, где бы вы ни оказались, у вас есть
собственный аккомпанирующий состав.
Цифровое пианино располагает 200 встроенными
моделями автоаккомпанемента, подразделенными
на 13 групп. Путем редактирования встроенных
стилей можно создавать собственные, оригинальные
(т. наз. «пользовательские»), для хранения которых
предусмотрена 14-я группа. Дополнительную
информацию см. в разделе «Перечень стилей»
(стр. A-8).
1.
На дисплее коснуться значка bp MAIN.
Появляется экранная страница «MAIN».
2.
Коснуться названия стиля в пункте
«Rhythm».
3.
Коснуться группы с нужным стилем.
•Перемещение между группами выполняется
касанием значков UU и II.
4.
Коснуться нужного стиля.
•Перемещение между страницами перечня стилей
выполняется касанием значков и .
5.
Кнопками cl TEMPO w, q
отрегулировать темп.
•Информацию о том, как регулировать темп, см. в
разделе «Изменение темпа» (стр. RU-18).
•Для восстановления рекомендуемого темпа в стиле
одновременно нажать на кнопки cl TEMPO w,
q.
bp
cl
bmbk7 9 bl8
ck
bo bsbq
Воспроизведение
автоаккомпанемента
PX360-RU-1A.indd 22 2015/04/10 14:44:04

Применение автоаккомпанемента
RU-21
6.
Нажать на кнопку bm ACCOMP ON/OFF;
должна загореться ее лампа.
Автоаккомпанемент включается, звучат все его
партии.
•При отключении автоаккомпанемента (лампа
«ACCOMP» гаснет) продолжают звучать только
партии ударных и перкуссии.
•При нажатии на кнопку происходит включение или
выключение автоаккомпанемента.
7.
Нажать на кнопку bk SYNCHRO/ENDING.
Инструмент переключается в состояние готовности
к запуску автоаккомпанемента. При взятии аккорда
в состоянии готовности к запуску
автоаккомпанемента последний включается
автоматически.
•При нажатии на кнопку 7 INTRO в состоянии
готовности к запуску автоаккомпанемента
инструмент переключается в состояние готовности
к запуску модели вступления. При нажатии на
кнопку 9 VARIATION инструмент
переключается в состояние готовности к
воспроизведению с вариацией. Подробнее о
модели вступления и вариационной модели см. в
подразделе «Изменение моделей
автоаккомпанемента» (стр. RU-23).
8.
Взять нужный аккорд в аккордовой
(левой) части клавиатуры.
При взятии аккорда включается автоаккомпанемент.
•Чтобы включить воспроизведение партии
перкуссии, не беря аккорда, нажать на кнопку
bl a.
Пример: взять аккорд до мажор.
9.
По ходу исполнения мелодии правой
рукой брать другие аккорды левой рукой.
•Брать аккорды можно с помощью режима «CASIO
Chord» и других режимов упрощенного взятия
аккордов. Подробности см. в следующем
подразделе «Как выбрать режим взятия аккордов».
•Изменять модели аккомпанемента можно также
кнопками 8 NORMAL и 9 VARIATION.
Подробности см. в графе «Изменение моделей
автоаккомпанемента» (стр. RU-23).
10.
По завершении для остановки
автоаккомпанемента еще раз нажать на
кнопку bl a.
•Если перед остановкой автоаккомпанемента
нажать не на кнопку bl a, а на кнопку bk
SYNCHRO/ENDING, включится воспроизведение
модели концовки. Подробнее о моделях концовки
см. в подразделе «Изменение моделей
автоаккомпанемента» (стр. RU-23).
•Громкость автоаккомпанемента регулируется
независимо от громкости звука на выходе
цифрового пианино. Подробности см. в части
„Экранная страница «BALANCE»“ (стр. RU-50).
•Диапазон аккордовой части клавиатуры можно
изменить, переместив точку разделения с
помощью функции разделения (стр. RU-15).
Аккордовую часть клавиатуры составляют
клавиши слева от точки разделения.
горит
мигает
аккордовая часть
клавиатуры мелодическая часть клавиатуры
PX360-RU-1A.indd 23 2015/04/10 14:44:04

RU-22
Применение автоаккомпанемента
На выбор имеется 5 режимов взятия аккордов:
Fingered 1
Fingered 2
Fingered 3
CASIO Chord
Full Range
1.
На экранной странице «MENU» коснуться
значка «RHYTHM».
2.
Коснуться пункта «Chord Input Type».
3.
Коснуться нужного метода взятия
аккордов.
Происходит переключение на выбранный метод
взятия аккордов.
■Fingered 1, 2, 3
В этих трех режимах взятия аккордов аккорды
берутся в аккордовой части клавиатуры, как
обычно. Некоторые виды аккордов имеют
сокращенную форму и берутся нажатием на одну
или две клавиши.
Информацию о том, какие типы аккордов и как
берутся, см. в разделе «Указатель способов взятия
аккордов» (стр. A-12).
■CASIO CHORD
Режим «CASIO Chord» позволяет упрощенным
способом брать четыре типа аккордов, описанных
ниже.
При нажатии в аккордовой части клавиатуры
больше чем на одну клавишу не важно, являются
дополнительные клавиши белыми или черными.
■FULL RANGE CHORD
В этом режиме взятия аккордов аккорды и мелодию
можно исполнять во всём диапазоне клавиатуры.
Информацию о том, какие типы аккордов и как
берутся, см. в разделе «Указатель способов взятия
аккордов» (стр. A-12).
Как выбрать режим взятия аккордов
Fingered 1 На клавиатуре берутся ноты, составляющие
аккорд.
Fingered 2 В отличие от режима «Fingered 1» в этом
режиме не берется 6-я ступень.
Fingered 3 В отличие от режима «Fingered 1» в этом
режиме берутся аккорды с самостоятельным
басом, соответствующим самой низкой
клавише на клавиатуре.
аккордовая часть клавиатуры
Тип аккорда Пример
Мажорные аккорды
Нажать на одну клавишу,
соответствующую названию
аккорда.
• Для взятия аккорда до
мажор нажать на любую
из клавиш до в аккордовой
части клавиатуры. Октава
значения не имеет.
C (до мажор)
Минорные аккорды
Нажать в аккордовой части
клавиатуры на клавишу,
соответствующую
мажорному аккорду, и
одновременно на другую
клавишу в аккордовой же
части клавиатуры правее
первой.
Cm (до минор)
Септаккорды
Нажать в аккордовой части
клавиатуры на клавишу,
соответствующую мажорному
аккорду, и одновременно на
две другие клавиши в
аккордовой же части
клавиатуры правее первой.
C7 (до-мажорный
септаккорд)
Минорные септаккорды
Нажать в аккордовой части
клавиатуры на клавишу,
соответствующую мажорному
аккорду, и одновременно на
три другие клавиши в
аккордовой же части
клавиатуры правее первой.
Cm7 (до-минорный
септаккорд)
аккордовая часть клавиатуры
CCDE F
#b
EF
#
GA
b
AB
B
b
CCDE F
E
#b
название
ноты
CCDE F
#b
EF
#
GA
b
AB
B
b
CCDE F
E
#b
CCDE F
#b
EF
#
GA
b
AB
B
b
CCDE F
E
#b
CCDE F
#b
EF
#
GA
b
AB
B
b
CCDE F
E
#b
мелодическая часть клавиатуры
аккордовая часть клавиатуры
PX360-RU-1A.indd 24 2015/04/10 14:44:05

Применение автоаккомпанемента
RU-23
Имеется 6 различных моделей автоаккомпанемента,
показанных ниже. В процессе игры с
аккомпанементом можно выполнять смену моделей.
В модели можно вносить изменения. Нужная модель
выбирается с помощью кнопок 7 — bk.
*1. Нажимается в начале композиции.
По завершении вступления воспроизводится
обычная модель аккомпанемента. Если перед
завершением воспроизведения модели
вступления нажать на кнопку 9 VARIATION/
FILL-IN, по его завершении начнет
воспроизводиться вариационная модель.
*2. Нажимается во время воспроизведения обычной
модели для выполнения вставки.
*3. Нажимается во время воспроизведения
вариационной модели для выполнения
вариационной вставки.
*4. Нажимается в конце композиции.
Воспроизводится концовка, и
автоаккомпанемент останавливается.
Установка мгновенного вызова позволяет одним
касанием вызывать тембр и темп, которые подходят
к выбранному стилю автоаккомпанемента.
1.
На экранной странице «MENU» коснуться
значка «RHYTHM».
Появляется экранная страница «RHYTHM».
•Экранная страница «RHYTHM» выводится на
дисплей также нажатием на кнопку ck RHYTHM.
2.
Коснуться пункта «One Touch».
Тем самым тембр, темп и остальные показатели
настройки выставляются в соответствии с
выбранным стилем.
При этом инструмент переключается в состояние
готовности к запуску автоаккомпанемента. Это
означает, что при взятии аккорда
автоаккомпанемент включится автоматически.
3.
Взять на клавиатуре аккорд.
Включается воспроизведение автоаккомпанемента.
•Установки мгновенного вызова не работают с
пользовательскими стилями (001—010
пользовательской группы).
Изменение моделей
автоаккомпанемента
вступление *1обычная
модель
вариация концовка*4
7 8 9 bk
обычная
вставка*2
вариационная
вставка*3
Использование
рекомендуемых тембров и
темпов (установки
мгновенного вызова)
PX360-RU-1A.indd 25 2015/04/10 14:44:05

RU-24
Применение автоаккомпанемента
Автогармонизация позволяет добавлять к мелодии,
исполняемой правой рукой, сопровождающие голоса
и придает мелодии дополнительную глубину. На
выбор имеется 12 типов автогармонизации.
1.
На дисплее коснуться значка bp MAIN.
Появляется экранная страница «MAIN».
2.
Для включения функции автогармонизации
коснуться пункта «Auto Harmonize»
.
3.
Коснуться значка bo MENU.
4.
На экранной странице «MENU» коснуться
значка «RHYTHM».
5.
Коснуться пункта «Auto Harmonize Type».
6.
Коснуться нужного типа автогармонизации.
7.
Начните играть аккорды и мелодию.
К звукам мелодии добавляются сопровождающие
голоса в соответствии с берущимися аккордами.
Редактор стилей позволяет изменять встроенный
автоаккомпанемент и создавать свои, оригинальные
(«пользовательские») стили.
Он дает возможность выбрать в обычной модели,
модели вступления или иной модели (стр. RU-23)
партию (ударные, бас-гитара и т. д.), включить ее
или выключить, отрегулировать уровень ее
громкости, выполнить другие действия.
1.
Д
ля выбора редактируемого стиля выполнить
действия 1—4 из раздела «Воспроизведение
автоаккомпанемента» (стр. RU-20).
2.
На экранной странице «MENU» коснуться
значка «RHYTHM».
3.
Коснуться пункта «Edit».
4.
Коснуться пункта «Edit».
5.
Модель аккомпанемента для
редактирования выбирается с помощью
кнопок 7 — bk.
Нажатая кнопка загорается, указывая на то, что
модель редактируется.
•
При нажатии на кнопку
8
происходит переключение
с модели «NORMAL» на модель «FILL-IN» или
наоборот, а на кнопку
9
— с модели «VARIATION»
на модель «FILL-IN» или наоборот. Если выбрана
модель «Вставка», мигает соответствующая кнопка.
Пример: выбрана модель «Вступление».
Добавление к мелодии
сопровождающих голосов
(автогармонизация)
Название типа
Описание
Duet 1
Добавляется нижний второй голос с тесным
расположением (отстоящий на 2—4 ступени).
Duet 2 Добавляется нижний второй голос с
широким расположением (отстоящий
более чем на 4—6 ступеней).
Country Добавляется голос в стиле кантри.
Octave
Добавляется голос в соседней нижней октаве.
5th Добавляется голос, отстоящий на квинту.
3-Way Open
Добавляются 2 голоса с широким
расположением (3-голосное сложение).
3-Way Close
Добавляются 2 голоса с тесным
расположением (3-голосное сложение).
Strings
Добавляются голоса, оптимальные для струнных.
4-Way Open
Добавляются 3 голоса с широким
расположением (4-голосное сложение).
4-Way Close
Добавляются 3 голоса с тесным
расположением (4-голосное сложение).
Block
Добавляются ноты с образованием блок-аккорда.
Big Band Добавляются голоса в стиле биг-бенда.
красный
Создание своего оригинального
стиля путем редактирования
встроенного автоаккомпанемента
(редактирование стиля)
789bk
горит
PX360-RU-1A.indd 26 2015/04/10 14:44:05

Применение автоаккомпанемента
RU-25
6.
Касанием пункта на дисплее выбрать
редактируемую инструментальную
партию.
Стиль, тембр: коснуться пункта на дисплее и выбрать
из появляющегося перечня.
Остальные показатели настройки: изменить
показанное значение с помощью кнопок bs w, q.
•Стили состоят из восьми следующих партий:
ударные, перкуссия, бас, аккорды 1, аккорды 2,
аккорды 3, аккорды 4, аккорды 5
•При нажатии на кнопку bl a во время
редактирования звучит модель аккомпанемента с
внесенными в нее к данному моменту
изменениями. При касании кнопки «Solo» звучит
только редактируемая инструментальная партия.
•В нижеприведенной таблице приведено описание
параметров, которые можно редактировать.
7.
По завершении редактирования нужным
образом откорректировать темп стиля.
•Выставленный в данный момент темп становится
начальным темпом, задаваемым по умолчанию.
8.
На дисплее коснуться значка bq EXIT.
9.
Коснуться кнопки «Write».
Появляется экранная страница для задания номера
создаваемого пользовательского стиля и его названия.
•Для выхода из режима редактирования без
сохранения коснуться значка bq EXIT.
10.
Коснуться кнопки «Rename».
11.
Ввести название стиля.
12.
После ввода названия стиля коснуться
кнопки «Enter».
13.
Коснуться номера, присваиваемого
пользовательскому стилю.
•Если номер для стиля уже занят, рядом с ним стоит
звездочка (*).
14.
Коснуться кнопки «Execute».
Если выбранный для стиля номер свободен,
появляется сообщение «Sure?», если занят —
сообщение «Replace?».
Пункт Описание Значение
Rhythm
(стиль)
Аккомпанемент партии
меняется на
аккомпанемент стиля с
указанным номером. *1
Номер стиля*2
Партия Обеспечивается
включение и
отключение отдельных
партий.
Белый —
партия
отключена.
Красный —
партия звучит.
Tone
(тембр)
Задается другой тембр
(инструмент) для
воспроизведения партии
Название
тембра*3
Volume
(громкость)
Регулируется громкость
отдельной партии.
000—127
Pan
(панорамиро-
вание)
Задается сторона, с
которой партия будет
звучать, — левая или
правая.
–64—0—63*4
Reverb Send
(уровень
реверберации)
Задается уровень
реверберации (стр.
RU-51), применяемой к
звуку отдельной партии.
000—127
Chorus Send
(уровень
хоруса)
Задается уровень хоруса
(стр. RU-51),
применяемого к звуку
отдельной партии.
000—127
Delay Send
(уровень
задержки)
Задается уровень
задержки (стр. RU-51),
применяемой к звуку
отдельной партии.
000—127
*1 Замена аккомпанемента партии приводит к отмене
всех изменений, внесенных к данному моменту.
*2 У вступления всем восьми инструментальным партиям
присваивается стиль с одинаковым номером. Так, если
стиль № 003 присвоить партии аккордов 1, он будет
автоматически присвоен и остальным семи
инструментальным партиям. Если же затем партии
аккордов 2 присвоить стиль № 004, стиль партии
аккордов 1 также поменяется на № 004.
Как и у вступления, стили всех 8 инструментальных
партий концовки также имеют одинаковый номер.
*3 У партий ударных и перкуссии выбираются только
тембры из наборов ударных инструментов.
Выбор звуков из наборов ударных инструментов у
партий баса и аккордов 1—5 невозможен.
*4 Чем меньше значение стереопозиции, тем она левее,
чем больше — тем правее. Значение 0 соответствует
середине.
номер, присваиваемый пользовательскому стилю
PX360-RU-1A.indd 27 2015/04/10 14:44:06

RU-26
Применение автоаккомпанемента
15.
Коснуться кнопки «Yes».
Данные сохраняются.
•Для возвращения на экранную страницу из
описания действия 4 без сохранения коснуться
кнопки «No».
•При сохранении пользовательского стиля под
номером, под которым уже сохранены другие
данные, они заменяются на новые.
•Если объем данных модели аккомпанемента или
инструментальной партии слишком велик и не
позволяет производить редактирование, то на
дисплее появляется сообщение о переполнении
памяти («Memory Full»). В этом случае для
редактирования следует выбрать другую модель
аккомпанемента или инструментальную партию.
1.
На экранной странице «MENU» коснуться
значка «RHYTHM».
2.
Коснуться кнопки «Edit».
3.
Коснуться кнопки «Clear».
4.
Коснуться удаляемого пользовательского
стиля, а затем кнопки «Execute».
5.
Коснуться кнопки «Yes».
Происходит удаление выбранного
пользовательского стиля.
•Для отмены удаления коснуться кнопки «No».
Удаление
пользовательского стиля
PX360-RU-1A.indd 28 2015/04/10 14:44:06

RU-27
Демонстрационная композиция
1.
Нажав на кнопку
bm
ACCOMP ON/OFF
и
не отпуская ее, нажать на кнопку
bl
a
.
Начинается воспроизведение встроенных
композиций по порядку с композиции № 1.
•Смена демонстрационной композиции
выполняется с помощью кнопок bs w, q.
2.
Нажать на кнопку bl a.
Воспроизведение демонстрационной композиции
останавливается.
Воспроизведение композиций продолжается с
повтором, пока не будет остановлено нажатием на
кнопку bl a.
•Во время воспроизведения демонстрационной
композиции выполнимы только действия,
описанные выше.
bsbl bm
Воспроизведение
демонстрационных мелодий
PX360-RU-1A.indd 29 2015/04/10 14:44:06

RU-28
Музыкальные предустановки
Музыкальные предустановки обеспечивают доступ в
одно касание к тембрам, стилям, аккордам, другим
показателям настройки, оптимальным для тех или
иных музыкальных жанров и композиций.
В дополнение к встроенным музыкальным
предустановкам можно создавать собственные,
оригинальные (пользовательские).
Инструмент располагает 305 встроенными
музыкальными предустановками, подразделенными
на 9 групп. Десятая группа предназначена для
пользовательских предустановок.
•Дополнительную информацию см. в разделе
«Перечень музыкальных предустановок»
(стр. A-10).
1.
На экранной странице «MENU» коснуться
значка «MUSIC PRESET».
Появляется экранная страница «MUSIC PRESET»,
включается функция «Auto Chord».
2.
Коснуться названия предустановки.
3.
Коснуться группы с нужной
предустановкой, а затем — ее названия.
Тем самым показатели настройки цифрового
пианино (тембр, стиль и др.) задаются в соответствии
с выбранной предустановкой.
4.
Нажатием на кнопку bl a включить
автоаккомпанемент с предустановленной
аккордовой последовательностью.
Начните играть мелодию.
•Начинается воспроизведение предустановленной
аккордовой последовательности с ее повторением
до тех пор, пока не будет остановлено повторным
нажатием на кнопку bl a.
•Отключение этой функции касанием пункта
«Auto Chord» приводит к отключению
предустановленной аккордовой
последовательности и позволяет воспроизводить
обычную модель автоаккомпанемента.
•Для изменения тональности предустановленной
аккордовой последовательности коснуться пункта
«Key Shift» и с помощью кнопок bs w, q
выполнить изменение.
•Для выключения функции «Auto Chord» нажать
на кнопку bm ACCOMP.
•Подробнее о показателях настройки у выбранной
предустановки см. в «Перечне музыкальных
предустановок» (стр. A-10).
bl bsbm bq
Вызов предустановки
мигает
PX360-RU-1A.indd 30 2015/04/10 14:44:06

Музыкальные предустановки
RU-29
Для создания собственных, оригинальных
музыкальных (пользовательских) предустановок
предусмотрен редактор музыкальных
предустановок. Группа пользовательских
предустановок рассчитана на 50 предустановок.
1.
Выполнить действия 1—3 из раздела
«Вызов предустановки» (стр. RU-28), чтобы
выбрать предустановку в качестве основы
для создания своей пользовательской.
2.
Коснуться кнопки «Edit».
3.
Отредактировать параметры
музыкальной предустановки.
4.
По завершении необходимого
редактирования коснуться кнопки «Write».
5.
Коснуться кнопки «Rename».
6.
Ввести название предустановки.
7.
После ввода названия предустановки
коснуться кнопки «Enter».
8.
Коснуться номера, присваиваемого
предустановке.
•Если номер для предустановки уже занят, рядом с
ним стоит звездочка (*).
9.
Коснуться кнопки «Execute».
Если выбранный номер для предустановки свободен,
появляется сообщение «Sure?», если занят —
сообщение «Replace?».
10.
Коснуться кнопки «Yes».
Данные сохраняются.
•
Для возвращения на экранную страницу из описания
действия 8 без сохранения коснуться кнопки «No».
1.
На экранной странице для выбора
редактируемого объекта (стр. RU-29) касанием
пункта «Chord Edit» открыть экранную
страницу для редактирования аккордовой
последовательности, показанную ниже.
Шаг (координата и аккорд)
Координата в аккордовой последовательности
выражается в виде трех чисел (например, 001:1:00),
означающих: такт
*1
(001), долю (1), импульс (00)
*2
.
Такой ряд из трех чисел называется «шаг».
*1. До 999 тактов
*2. На одну долю приходится 12 импульсов, как
показано ниже.
2.
Нужным образом отредактировать шаг.
•Н
ажатие на кнопку
bl
a
позволяет
воспроизвести отредактированную
последовательность и проверить внесенные
изменения. Во время воспроизведения аккордовой
последовательности ее редактирование невозможно.
Создание оригинальной
предустановки
(пользовательские предустановки
)
3-1. Как отредактировать аккордовую
последовательность
Касанием пункта «Chord Edit» открыть
экранную страницу для редактирования
аккордовой последовательности.
Затем выполнить редактирование, как описано в
подразделе «Как отредактировать аккордовую
последовательность» (стр. RU-29). По
завершении касанием значка
bq
EXIT
вернуться
на экранную страницу, указанную выше.
3-2. Как изменить характер воспроизведения
автоаккомпанемента
Касанием пункта «Parameter Edit» открыть
экранную страницу для редактирования параметров.
Затем выполнить редактирование, как описано в
подразделе «Как изменить характер воспроизведения
автоаккомпанемента» (стр. RU-31). По завершении
касанием значка
bq
EXIT
вернуться на экранную
страницу, указанную выше.
Как отредактировать аккордовую
последовательность
Шаг (координата и аккорд)
01 02 09 10 1100
аккордовая последовательность
такт 1
1-я доля 2-я доля 3-я доля 4-я доля 1-я доля 2-я доля
импульс
001:1:00
002:1:00
В приведенном примере
аккорд C сменяется на
аккорд Am7 здесь.
такт 2
PX360-RU-1A.indd 31 2015/04/10 14:44:07

RU-30
Музыкальные предустановки
3.
По завершении касанием значка bq EXIT
вернуться на экранную страницу для
выбора вида редактирования (стр. RU-29).
•В одной предустановке может содержаться до 999
тактов (примерно).
Если в результате редактирования этот предел
будет превышен, то на дисплее появится
сообщение «Measure Limit» и дальнейшее
редактирование станет невозможным.
■Как в предустановке отредактировать
информацию об аккордах
1.
С помощью экранных значков e и r
выбрать шаг для внесения изменений.
2.
Ввести координату или аккорд.
•Для смены координаты коснуться текущего
значения «Measure», «Beat» или «Tick» и с
помощью кнопок bs w, q изменить значение
координаты.
•Для смены аккорда коснуться его и взять нужный
аккорд на клавиатуре.
•Координата первого шага (001:1:00) является
фиксированной и не может быть изменена. Кроме
того, последний шаг, независимо от разрешения,
всегда составляет один такт.
■Как вставить новый аккорд
1.
С помощью экранных значков e и r
выбрать шаг непосредственно перед
точкой, в которой нужно вставить новый
аккорд.
2.
Коснуться кнопки «Insert» и взять нужный
аккорд на клавиатуре.
■Как вставить последовательность шагов
1.
С помощью экранных значков e и r
выбрать шаг непосредственно перед
точкой, в которой нужно вставить шаг.
2.
Коснуться кнопки «Step Rec».
3.
Коснуться значка ноты.
4.
Коснуться нужной ноты.
5.
Взять на клавиатуре аккорд.
Происходит вставка шага с длительностью,
указанной при выполнении действия 4, и переход к
вводу следующего шага.
•В случае касания значка «Tie» без ввода аккорда
задается лига.
•Касание значка «Rest» без ввода аккорда приводит
к тому, что в этом шаге аккордов звучать не будет.
6.
Завершив ввод шагов, для выхода из
режима редактирования данных еще раз
коснуться кнопки «Step Rec».
■Как удалить шаг
1.
С помощью экранных значков e и r
выбрать удаляемый шаг.
2.
Коснуться кнопки «Delete».
•Удалить первый и последний шаги невозможно.
PX360-RU-1A.indd 32 2015/04/10 14:44:07

Музыкальные предустановки
RU-31
1.
На экранной странице для выбора вида редактирования (стр. RU-29) касанием пункта
«Parameter Edit» открыть экранную страницу для редактирования автоаккомпанемента,
показанную ниже.
2.
Коснуться параметра, который нужно изменить, и с помощью кнопок bs w, q поменять его
значение.
3.
По завершении касанием значка bq EXIT вернуться на экранную страницу для выбора вида
редактирования (стр. RU-29).
Как изменить характер воспроизведения автоаккомпанемента
Параметр Описание Значение
Synchro Type:
режим
автоаккомпанемента
Выбирается состояние готовности к
включению автоаккомпанемента и его тип,
когда выбрана музыкальная предустановка.
Off (без состояния готовности)
Normal — из состояния готовности к обычной
модели.
Variation — из состояния готовности к
вариационной модели.
Intro — из состояния готовности к модели
вступления.
Intro Chord:
аккорд вступления
Выбираются аккорды вступления из числа
мажорных (12 тональностей) и минорных (12
тональностей).
C — B: мажорные (до мажор — си мажор).
Cm — Bm: минорные (до минор — си минор).
Ending Chord:
аккорд концовки
Выбираются аккорды концовки из числа
мажорных (12 тональностей) и минорных (12
тональностей).
C — B: мажорные (до мажор — си мажор).
Cm — Bm: минорные (до минор — си минор).
Auto Fill-In:
включение-
отключение
автоматической
вставки
Задается наличие или отсутствие вставки в
последнем такте аккордовой
последовательности.
Off — вставка не вставляется.
On — вставка вставляется.
Timing Set:
вариация аккордовой
последовательности
Данный параметр позволяет вносить различные
изменения в специфику ритма редактируемой
аккордовой последовательности. Он
применяется для того, чтобы придавать
аккордовым последовательностям большее
соответствие ритму того или иного стиля.
Информацию о различиях в воспроизведении
по каждому из значений см. в части «Задание
момента смены аккордов и воспроизведение
аккордовой последовательности» (стр. RU-32).
Normal, Half, Double, 3/4, 3/2
параметр значение
PX360-RU-1A.indd 33 2015/04/10 14:44:07

RU-32
Музыкальные предустановки
■Задание момента смены аккордов и воспроизведение аккордовой последовательности
В этой части разъясняется характер воспроизведения аккордовых последовательностей в зависимости от
показателя настройки «Timing Set», выставляемого при выполнении действия 2 из подраздела «Как изменить
характер воспроизведения автоаккомпанемента» (стр. RU-31). Отметим, что этот показатель настройки
влияет только на воспроизведение. На самих данных аккордовой последовательности он не отражается.
zNormal
Аккорды воспроизводятся тогда же, когда и на записи.
zHalf
Аккорды воспроизводятся в каждом такте в два раза чаще, чем на записи.
Пример:
Ниже показано, что происходит, когда вариант «Half» выбирается для воспроизведения пользовательской
предустановки, созданной на основе музыкальной предустановки в размере 4/4.
Воспроизведение в режиме «Half» в случае присвоения пользовательской предустановке размера 4/4
Воспроизведение в режиме «Half» в случае присвоения пользовательской предустановке размера 2/4
zDouble
Аккорды воспроизводятся в каждом такте в два раза реже, чем на записи.
При воспроизведении аккордовой последовательности из примера для режима «Half», приведенного выше, в
режиме «Double» получается последовательность, показанная ниже.
Воспроизведение в режиме «Double» в случае присвоения пользовательской предустановке размера 4/4
Воспроизведение в режиме «Double» в случае присвоения пользовательской предустановке размера 8/4
1 2 3 4
Dm A7
1
1 2 3 4
Dm G7
2
1 2 3 4
C Em
3
1 2 3 4
Am C7
4
Такт
Размер
Последовательность
1 2 3 4
Dm A7
1
1 2 3 4
Dm G7
2
1 2 3 4
C Em
3
1 2 3 4
Am C7
4
Такт
Размер
Последовательность
1 2 1 2
Dm A7
1
1 2 1 2
C EmDm G7 Am C7
324
Такт
Размер
Последовательность
1 2 3 4
Dm
1
1 2 3 4
Dm
2
1 2 3 4
C
3
1 2 3 4
Am
4
Такт
Размер
Последовательность
1 2 3 4
Dm
1
5 6 7 8
A7
1 2 3 4
Dm
2
5 6 7 8
G7
1 2
C
3
Такт
Размер
Последовательность
PX360-RU-1A.indd 34 2015/04/10 14:44:08

Музыкальные предустановки
RU-33
z3/4
Аккорды воспроизводятся в каждом такте с частотой 3/4 по сравнению с записью. Этот режим больше всего
подходит для размера 6/8.
При воспроизведении аккордовой последовательности из примера для режима «Half», приведенного выше, в
режиме «3/4» получается последовательность, показанная ниже.
Воспроизведение в режиме «3/4» в случае присвоения пользовательской предустановке размера 4/4
Воспроизведение в режиме «3/4» в случае присвоения пользовательской предустановке размера 6/8
z3/2
Аккорды воспроизводятся в каждом такте с частотой 3/2 по сравнению с записью. Этот режим больше всего
подходит для размера 6/4.
При воспроизведении аккордовой последовательности из примера для режима «Half», приведенного выше, в
режиме «3/2» получается последовательность, показанная ниже.
Воспроизведение в режиме «3/2» в случае присвоения пользовательской предустановке размера 4/4
Воспроизведение в режиме «3/2» в случае присвоения пользовательской предустановке размера 6/4
•В режимах «Double» и «3/2» момент воспроизведения аккорда сдвигается на более позднее время. Аккорды,
не укладывающиеся в такт, не воспроизводятся.
1.
На экранной странице «MENU» коснуться значка «MUSIC PRESET».
2.
Коснуться кнопки «Edit».
3.
Коснуться кнопки «Clear».
4.
Коснуться удаляемой пользовательской предустановки, а затем кнопки «Execute».
5.
Коснуться кнопки «Yes».
Происходит удаление выбранной пользовательской предустановки.
•Для отмены удаления коснуться кнопки «No».
Удаление пользовательской предустановки
1 2 3 4
Dm A7
1
1 2 3 4
Dm G7
2
1 2 3 4
C Em
3
1 2 3 4
Am C7
4
Такт
Размер
Последовательность
1 2 3 4
Dm A7 Dm G7 C Em Am
1
5 6 1 2
2
3 4 5 6
3
1 2 3 4 5 6 1 2
4
Такт
Размер
Последовательность
1 2 3 4
Dm A7
1
1 2 3 4
Dm G7
2
1 2 3 4
C Em
3
1 2 3 4
Am C7
4
Такт
Размер
Последовательность
1 2 3 4
Dm A7 Dm G7 C Em Am
1
5 6 1 2
2
3 4 5 6
3
1 2 3 4 5 6 1 2
4
Такт
Размер
Последовательность
PX360-RU-1A.indd 35 2015/04/10 14:44:08

RU-34
Запись наборов настроек тембров и стилей
Регистрационная память позволяет сохранять
наборы настроек цифрового пианино (тембр, стиль
и т. д.) и мгновенно вызывать их при первой же
необходимости. Регистрационная память упрощает
исполнение сложных композиций, которые требуют
многократной смены тембра и стиля.
Регистрационная память рассчитана на
одновременное хранение до 96 наборов настроек.
Выбор наборов настроек выполняется кнопкой co
BANK и кнопками «REGISTRATION» cp—cs.
•Номер банка меняется нажатием на кнопку co
BANK с последующим нажатием на кнопки bs
w, q.
•Нажатие на кнопку «REGISTRATION» (cp—cs)
позволяет выбрать соответствующую область в
выбранном банке.
•Подробнее об этих показателях настройки см. в
«Перечне параметров» (стр. A-14).
1.
Задать цифровому пианино тембр, стиль,
другие показатели настройки, которые
нужно сохранить.
2.
Нажав на кнопку ct STORE и не отпуская
ее, выполнить следующую операцию.
С помощью кнопок bs w, q выбрать банк для
сохранения набора и нажатием на кнопку
«REGISTRATION» (cp—cs) указать область
памяти.
Данные сохраняются в указанных банке и области.
Пример: банк 4, область 1
cr csco cp cqbs ct
Обл. 1 Обл. 2 Обл. 3 Обл. 4
Банк 1 Набор 1-1 Набор 1-2 Набор 1-3 Набор 1-4
Банк 2 Набор 2-1 Набор 2-2 Набор 2-3 Набор 2-4
.
.
.
.
.
.
.
.
.
.
Банк 24 Набор 24-1 Набор 24-2 Набор 24-3 Набор 24-4
co cp cq cr cs
Как сохранить набор настроей
ctcp cq cr cs
банк
горит
PX360-RU-1A.indd 36 2015/04/10 14:44:08

Запись наборов настроек тембров и стилей
RU-35
1.
Нажатием на кнопку co BANK выбрать
банк с нужным набором настроек.
•Номера выбранных банка и области памяти
отображаются на экранной странице «MAIN» и с
помощью ламп на кнопках.
2.
Нажатием на кнопки «REGISTRATION»
(cp—cs) выбрать область с нужным
набором настроек.
Происходит вызов набора настроек из
регистрационной памяти и соответствующее
автоматическое задание показателей настройки
цифрового пианино.
Пример:
вызов набора настроек из банка 4, область 1.
•Имеется функция «Фиксация параметров
аккомпанемента», позволяющая указать, какие
параметры аккомпанемента при применении
набора настроек меняться не должны.
Подробности см. в части „Экранная страница
«SYSTEM SETTING»“ раздела
«Программирование цифрового пианино»
(стр. RU-48 — RU-55).
■Сохранение наборов настроек на
внешнем устройстве
См. «Подключение к компьютеру» (стр. RU-60).
Как вызвать набор настроек
горит
PX360-RU-1A.indd 37 2015/04/10 14:44:08

RU-36
Запись и воспроизведение
Цифровое пианино позволяет записывать исполняемое на нём и воспроизводить записанное. Цифровое
пианино имеет две функции записи: MIDI- и звукозапись. Это дает возможность выбирать для планируемой
записи ту функцию, которая больше подходит для ее выполнения.
•За убытки, упущенную прибыль, возникновение претензий со стороны третьих лиц в результате утраты
записанных данных, вызванной сбоем в работе, ремонтом, любой другой причиной, фирма «CASIO
COMPUTER CO., LTD.» ответственности не несет.
■Особенности записи
Устройство MIDI-записи Устройство звукозаписи
Информация об исполнении на клавиатуре записывается в
виде MIDI-данных* на системную дорожку или на 16
дорожек (области хранения данных, созданных при
исполнении на клавиатуре) в памяти цифрового пианино.
Информация об исполнении на клавиатуре записывается во
флэш-накопитель USB в виде звуковых данных.
• Информация об исполнении на клавиатуре (нажатие-
отпускание клавиш, характер касания и т. п.)
записывается в виде MIDI-данных.
• По объему MIDI-данные намного меньше звуковых, что
облегчает их последующее редактирование на
компьютере и т. п.
• Максимальный объем записи — 100 композиций, около
50 тыс. нот на композицию (в общей сложности для всех
дорожек).
• Как и при записи на портативный музыкальный
проигрыватель или магнитофон, ноты (звуки)
записываются в виде звуковых данных.
• Звуковые файлы намного больше MIDI-файлов.
Преимущество звуковых файлов в том, что они легко
воспроизводятся на компьютере, портативном
музыкальном проигрывателе и т. п.
• Максимальный объем записи — 100 файлов
длительностью до 74 минут каждый.
3 4
bs
5
MIDI
USB
PX360-RU-1A.indd 38 2015/04/10 14:44:09

Запись и воспроизведение
RU-37
■Особенности воспроизведения
*MIDI
MIDI явлется сокращением английского «Musical Instrument Digital Interface» (цифровой интерфейс
музыкальных инструментов). Это универсальный стандарт, который позволяет музыкальным
инструментам, компьютерам и другим устройствам независимо от их изготовителя обмениваться
информацией об исполнении музыки (нажатие-отпускание клавиш, характер касания и т. п.). Данные,
созданные при исполнении на клавиатуре, в этом случае называют «MIDI-данными».
Устройство MIDI-записи Устройство звукозаписи
Воспроизводятся системная дорожка и дорожки 1—16.
• Воспроизведение с устройства MIDI-записи выполняется
автоматически с помощью внутреннего источника звука
цифрового пианино в соответствии с информацией об
исполнении, записанной в виде MIDI-данных.
Позволяет воспроизводить звуковые данные из флэш-
накопителя USB.
• Устройство звукозаписи воспроизводит звук в
соответствии с формой сигнала, записанного в виде
звуковых данных.
Устройство MIDI-записи Устройство звукозаписи
Позволяет...
Записывать на одну дорожку при воспроизведении
другой дорожки
Системная
дорожка
Исполнение на
инструменте 3
Во время вос-
произведения...
Дорожка 1 Исполнение на
инструменте
·
·
·
Позволяет...
Записывать исполнение при воспроизведении
композиции, записанной на устройство MIDI-записи
Воспроизведение
композиции в
формате
устройства
MIDI-записи
+Исполнение на
инструменте 3Запись
Записывать сигнал с внешнего устройства,
подключенного через вход «LINE IN», параллельно с
исполнением на цифровом пианино и воспроизведением.
•Сигнал, поступающий на вход «AUDIO IN», не
записывается.
Позволяет...
Играть на клавиатуре при воспроизведении дорожек
Системная
дорожка 3Во время воспроизведения...
Дорожка 1 3Во время воспроизведения...
Исполнение на инструменте
Позволяет...
При воспроизведении звуковых данных подыгрывать на
клавиатуре.
Воспроизведение
композиции из
флэш-накопителя USB
+Исполнение на
инструменте
PX360-RU-1A.indd 39 2015/04/10 14:44:09

RU-38
Запись и воспроизведение
Для записи исполнения в память цифрового пианино
выполнить следующие действия.
1.
Задать тембр, стиль, другие нужные
показатели настройки.
•Заданные показатели сохраняются в составе
записанных MIDI-данных.
•Подробнее о том, какие MIDI-данные включаются
в записанную композицию, см. в подчасти
«Системная дорожка» (стр. RU-39).
2.
На экранной странице «MENU» коснуться
значка «MIDI RECORDER».
3.
Коснуться значка 0.
Включается устройство записи, инструмент
переключается в режим записи.
•Нажимание на значок 0 обеспечивает
циклический перебор режимов, как указано ниже.
Режим воспроизведения
Режим записи
4.
Коснуться кнопки «New Data».
Происходит включение системной дорожки для
записи новых данных.
5.
Поиграйте на клавиатуре.
Запись включится, как только вы начнете играть.
•Запись включается также касанием значка X.
•Пианино может быть запрограммировано так,
чтобы в запись включался и автоаккомпанемент.
•В процессе записи горит кнопка 4 MIDI a.
6.
По окончании записи коснуться значка Y.
Лампы у кнопок 3 REC MODE и 4 MIDI a
гаснут, включается режим воспроизведения.
•Вход в режим записи выполняется также
нажатием на кнопку 3 REC MODE с
последующим касанием значка «MIDI
RECORDER». Этот метод позволяет войти в
режим записи для выполнения только новой
записи.
•Объем памяти для записи — около 50 тыс. нот на
композицию. Когда свободного места в памяти
остается не более чем на 100 нот, лампа у кнопки
4 MIDI a часто мигает. По достижении
допустимого предела запись автоматически
прекращается.
•Память цифрового пианино рассчитана на 100
композиций.
•При прекращении питания цифрового пианино
во время записи весь записанный к данному
моменту материал утрачивается. Будьте
осторожны, чтобы во время записи случайно не
выключить инструмент.
Запись в память цифрового
пианино
(устройство MIDI-записи )
не горит
горит мигает
не горит: режим
воспроизведения
PX360-RU-1A.indd 40 2015/04/10 14:44:09

Запись и воспроизведение
RU-39
Устройство записи позволяет записывать партии
отдельных инструментов, левой и правой рук, другие
партии композиции по отдельности, а затем
объединять их в законченную композицию.
■Что такое дорожка?
Дорожка — это отдельно записывающаяся партия
композиции. Устройство MIDI-записи данного
цифрового пианино имеет в общей сложности 17
дорожек, одна из которых системная, как описано
ниже.
zСистемная дорожка
В дополнение к взятым на клавиатуре нотам и
другим данным, отражающим действия,
выполненные при исполнении, системная дорожка
содержит широкий спектр информации о
характеристиках композиции: включенность
функций наложения и разделения, заданные темп
и автоаккомпанемент, тип реверберации и т. д.
При записи композиции на одну дорожку в память
устройства записи, как описано в разделе «Запись
в память цифрового пианино (устройство MIDI-
записи )» (стр. RU-38), весь материал
записывается на системную дорожку.
zДорожки 01—16
Эти дорожки служат для записи берущихся нот,
информации о действиях колесом высоты тона и
педалями, а также о параметрах тембров,
присваиваемых клавиатуре. Объединение этих
дорожек друг с другом и с системной дорожкой
позволяет создать законченную композицию.
■Данные, записывающиеся на дорожки
Ниже перечислены данные, записывающиеся на
дорожки того или иного типа.
Системная дорожка, дорожки 01—16
Информация об исполнении на клавиатуре*1,
параметры присвоенных клавиатуре тембров*1,
действия педалями и колесом высоты тона,
показатели настройки микшера (кроме
включенности партии)
Только системная дорожка
Стиль, заданный баланс, заданные эффекты
(реверберация, хорус, задержка), темп, игра с
автоаккомпанементом и его параметры, установка
мгновенного вызова, игра с музыкальной
предустановкой*2, набор настроек*2, 3
1.
Первую партию записать на системную
дорожку.
•Запись на системную дорожку выполняется, как
описано в разделе «Запись в память цифрового
пианино (устройство MIDI-записи )» (стр. RU-38).
2.
Выбрать тембр для воспроизводимой и
записываемой партии.
3.
На экранной странице «MENU» коснуться
значка «MIDI RECORDER».
4.
Касанием значка
0
войти в режим записи.
5.
Коснуться названия дорожки.
6.
Коснуться дорожки, которая будет
записываться (Solo Track 1 — Solo Track 16).
7.
Начните играть.
Начинаются запись, а также воспроизведение
материала, записанного на системную дорожку, под
которое можно играть.
Как записать определенную дорожку
(партия)
*1. На дорожки 1—16— тембр только верхний 1.
*2. Только вызов.
*3. Содержащаяся в вызванных данных информация
о громкости автоаккомпанемента и
транспонировании в запись не включаются.
PX360-RU-1A.indd 41 2015/04/10 14:44:10

RU-40
Запись и воспроизведение
8.
По окончании исполнения коснуться
значка Y.
Включается режим воспроизведения. Для
воспроизведения записанного к данному моменту
материала коснуться значка X. Для остановки
воспроизведения коснуться значка Y.
•Включение и отключение тех или иных дорожек
(для включения и отключения воспроизведения
соответственно) выполняются в порядке,
описанном ниже. Это позволяет прослушивать
только те дорожки, которые нужны при записи
новой дорожки.
Отдельные записанные дорожки можно приглушить,
чтобы при записи новой дорожки они не звучали.
9.
Повторить действия 2—8 для записи всех
партий, необходимых для завершения
композиции.
•Выбранную дорожку можно перезаписать, не
меняя показателей настройки. Для этого
достаточно коснуться пункта «Rec Type» на
экранной странице, отображаемой в режиме
записи, и выбрать вариант «Re-Recording».
Для перезаписи отдельной части композиции из
устройства записи, которая требует улучшения или
исправления, применяется запись в режиме врезки.
1.
Войти в режим записи устройства MIDI-
записи и выбрать дорожку для записи в
режиме врезки.
•Информацию о том, как выбирать дорожку, см. в
описании действий 4 и 5 в подразделе «Как
записать определенную дорожку (партия)»
(стр. RU-39).
2.
Коснуться пункта «Rec Type».
3.
Коснуться пункта «Punch In Sync».
•Если нужно удалить все данные на дорожке после
фрагмента, записанного в режиме врезки,
коснуться варианта «Punch Out Erase».
4.
Коснуться значка X.
Начинается воспроизведение выбранной дорожки.
5.
Когда воспроизведение дойдет до начала
перезаписываемого фрагмента, взять
одну или несколько нужных нот.
Включается запись в режиме врезки. Продолжить
играть.
•К включению записи в режиме врезки приводит
также воздействие на педаль или колесо высоты
тона.
•Помимо игры на клавиатуре запись в режиме
врезки включается также в результате следующих
действий:
касание варианта «Punch In»*1, смена тембра,
смена ритма*2, смена темпа*2.
*1. Применяется для включения записи в режиме
врезки без изменения исполнения и
показателей настройки.
*2. Только на системной дорожке
•Во время воспроизведения для входа в запись
касание значка s позволяет перейти вперед,
касание значка d — назад. Это позволяет
быстрее перейти к месту записи. Воспроизведение
приостанавливается касанием значка k.
6.
По окончании врезки коснуться значка Y.
Весь материал на дорожке за точкой, в которой
выполнено касание значка Y, сохраняется без
изменений.
•Для отмены врезки по ходу записи и сохранения
первоначальных данных на дорожке коснуться
кнопки «Cancel Punch».
(1) Коснуться пункта «Monitor».
Появляется экранная страница со свойствами
воспроизведения материала из устройства
MIDI-записи.
(2) Для каждой из дорожек может быть выбран
вариант «Mute» или «Solo».
Mute — дорожка не воспроизводится.
Solo — воспроизводится только выбранная
дорожка.
Как перезаписать часть композиции из
устройства записи
(запись в режиме врезки)
ошибка
воспроизведение
Перезаписать
только эту часть
позволяет врезка.
PX360-RU-1A.indd 42 2015/04/10 14:44:10

Запись и воспроизведение
RU-41
Следующий порядок действий позволяет указать
границы врезки.
1.
Войти в режим записи устройства MIDI-
записи и выбрать композицию с
перезаписываемым фрагментом.
2.
С помощью значков s и d отобразить
первый такт записываемого фрагмента и
коснуться кнопки «Set A».
3.
С помощью значков s и d отобразить
последний такт и коснуться кнопки «Set B».
4.
Касанием значка
Y
W вернуться в начало
композиции или с помощью значков s и
d подправить точку начала
воспроизведения.
5.
Коснуться значка 0.
Инструмент переключается в состояние готовности
к записи.
6.
Коснуться кнопки «Rec Type».
7.
Коснуться кнопки «Punch In A-B».
8.
Коснуться значка X.
•Запись в режиме врезки начинается с первого
такта фрагмента и остановится после последнего
такта фрагмента автоматически.
■Как перезаписать фрагмент
длительностью меньше одного такта
Задание фрагмента записи в режиме врезки,
включающего неполный такт, выполняется в
порядке, описанном ниже.
Пример: перезапись фрагмента с 3-й доли 2-го такта по
1-ю долю 4-го такта.
1.
С помощью устройства MIDI-записи
включить воспроизведение композиции с
перезаписываемым фрагментом.
2.
Когда воспроизведение дойдет до точки,
в которой нужно начать врезку, коснуться
кнопки
«
Set A
»
.
•После касания показателя «Measure», «Beat» или
«Tick» для задания точки A можно с помощью
кнопок bs w, q подправить координату
начальной точки.
3.
Когда воспроизведение дойдет до точки,
в которой нужно завершить врезку,
коснуться кнопки «Set B».
•После касания показателя «Measure», «Beat» или
«Tick» для задания точки B можно с помощью
кнопок bs w, q подправить координату
конечной точки.
4.
Касанием значка Y остановить
воспроизведение.
Как перезаписать определенный
фрагмент
(автозапись в режиме врезки)
первый такт фрагментапоследний такт фрагмента
границы врезки
перезапись этого фрагмента
PX360-RU-1A.indd 43 2015/04/10 14:44:10

RU-42
Запись и воспроизведение
5.
Касанием значка
Y
W вернуться в начало
композиции или с помощью значков s и
d подправить точку начала
воспроизведения.
6.
Касанием значка 0 войти в режим записи
и выбрать дорожку для записи в режиме
врезки.
•Информацию о том, как выбирать дорожку, см. в
описании действий 4 и 5 в подразделе «Как
записать определенную дорожку (партия)»
(стр. RU-39).
7.
Коснуться кнопки «Rec Type».
8.
Коснуться кнопки «Punch In A-B».
9.
Коснуться значка X.
•Запись в режиме врезки начинается
автоматически, когда воспроизведение доходит до
начальной точки, и завершается, когда доходит до
конечной точки, указанной при выполнении
действия 3.
Цифровое пианино позволяет в нижеописанном
порядке выполнять автоматическое
воспроизведение MIDI-данных (как в формате
устройства MIDI-записи, так и SMF-файлов) из его
памяти и из флэш-накопителя USB и заниматься,
играя под такое воспроизведение.
•Информацию о том, как вставлять в цифровое
пианино флэш-накопитель USB и импортировать
в инструмент MIDI-данные, см. в разделе
«Загрузка данных из флэш-накопителя USB в
память цифрового пианино» (стр. RU-58).
1.
На экранной странице «MENU» коснуться
значка «MIDI RECORDER».
Появляется экранная страница «MIDI RECORDER».
2.
Коснуться названия файла.
3.
Для воспроизведения MIDI-данных из
памяти цифрового пианино коснуться
вкладки «User», а из флэш-накопителя
USB — вкладки «Media».
4.
Коснуться нужного элемента MIDI-данных.
5.
Коснуться значка X.
Воспроизведение включается.
•Воспроизведение включается также нажатием на
кнопку 4 MIDI a.
•Во время воспроизведения MIDI-данных, в
состоянии готовности к нему и во время его
приостановки допускаются действия,
перечисленные ниже.
6.
Для остановки воспроизведения
коснуться значка Y.
•Воспроизведение останавливается также
нажатием на кнопку 4 MIDI a.
Как воспроизводить MIDI-данные
Касание значка:
Позволяет выполнить следующее:
Воспроизведение с повтором.
Y
WВозвращение в начало композиции.
sПрокрутку назад. Краткое касание
обеспечивает прокрутку на один такт,
длительное — непрерывную прокрутку.
dПрокрутку вперед. Краткое касание
обеспечивает прокрутку на один такт,
длительное — непрерывную прокрутку.
kПриостановку воспроизведения MIDI-
данных и его возобновление.
Во время приостановки значок мигает.
aВключение воспроизведения MIDI-
данных и его остановку.
0Переключение с режима записи на
режим воспроизведения и обратно.
PX360-RU-1A.indd 44 2015/04/10 14:44:11

Запись и воспроизведение
RU-43
Громкость автоматического воспроизведения MIDI-
данных может быть изменена отдельно от
громкости клавиатуры. Подробности см. в части
„Экранная страница «BALANCE»“ раздела
«Программирование цифрового пианино» (стр.
RU-48 — RU-55).
Пианино можно запрограммировать на бесконечное
повторение того фрагмента композиции, который
нужно отработать. Например, можно задать
воспроизведение с повтором фрагмента с такта 5 по
такт 8.
1.
Коснуться значка X.
Включается автоматическое воспроизведение.
2.
Когда воспроизведение дойдет до начала
фрагмента, который нужно повторять,
коснуться кнопки «Set A».
Тем самым такт, на котором выполнено касание
кнопки «Set A», задается как «первый такт».
•Положение начальной точки можно подправить.
После касания показателя «Measure», «Beat» или
«Tick» для задания точки A можно с помощью
кнопок bs w, q подправить ее координату.
3.
Когда воспроизведение дойдет до конца
фрагмента, который нужно повторять,
коснуться кнопки «Set B».
Тем самым такт, на котором выполнено касание
кнопки «Set B», задается как «последний такт».
•Положение конечной точки можно подправить.
После касания показателя «Measure», «Beat» или
«Tick» для задания точки B можно с помощью
кнопок bs w, q подправить ее координату.
4.
Касанием кнопки «A-B Repeat» включить
воспроизведение с повтором.
Начинается воспроизведение заданного фрагмента с
повтором.
5.
Для отключения воспроизведения с
повтором коснуться кнопки «A-B Repeat»
еще раз. Это приводит к восстановлению
обычного воспроизведения.
•Для удаления информации о первом и последнем
тактах коснуться кнопки «Reset A-B».
Как отрегулировать баланс громкости
воспроизведения и клавиатуры
(громкость MIDI)
Как воспроизвести определенный
фрагмент композиции с повтором
(повтор)
начало конец
повторяемые такты
PX360-RU-1A.indd 45 2015/04/10 14:44:11

RU-44
Запись и воспроизведение
1.
На экранной странице «MENU» коснуться
значка «MIDI RECORDER».
2.
Коснуться названия элемента данных.
3.
Коснуться кнопки «User Data Edit».
4.
Коснуться кнопки «Rename».
5.
Коснуться переименовываемого элемента
данных.
6.
Ввести новое название.
7.
После ввода названия коснуться кнопки
«Enter».
8.
Коснуться кнопки «Yes».
•Для отмены переименования коснуться кнопки
«No».
1.
На экранной странице «MENU» коснуться
значка «MIDI RECORDER».
2.
Коснуться названия элемента данных.
3.
Коснуться кнопки «User Data Edit».
4.
Коснуться кнопки «Copy».
5.
Коснуться элемента данных, который
нужно скопировать.
6.
Коснуться кнопки «Execute».
7.
Коснуться кнопки «Yes».
•Для отмены копирования коснуться кнопки «No».
1.
На экранной странице «MENU» коснуться
значка «MIDI RECORDER».
2.
Коснуться названия элемента данных.
3.
Коснуться кнопки «User Data Edit».
4.
Коснуться кнопки «Delete».
5.
Коснуться удаляемого элемента данных.
6.
Коснуться кнопки «Execute».
7.
Коснуться кнопки «Yes».
Происходит удаление выбранного элемента MIDI-
данных.
•Для отмены удаления коснуться кнопки «No».
1.
На экранной странице «MENU» коснуться
значка «MIDI RECORDER».
2.
Коснуться кнопки «Monitor».
3.
Коснуться кнопки «Edit».
4.
Коснуться кнопки «Rename».
5.
Коснуться переименовываемой дорожки.
6.
Ввести новое название.
7.
После ввода названия коснуться кнопки
«Execute».
8.
Коснуться кнопки «Yes».
•Для отмены переименования коснуться кнопки
«No».
Как переименовать записанный
элемент MIDI-данных
Как скопировать записанный элемент
MIDI-данных
Как удалить записанные данные
Как переименовать дорожку
PX360-RU-1A.indd 46 2015/04/10 14:44:11

Запись и воспроизведение
RU-45
1.
На экранной странице «MENU» коснуться
значка «MIDI RECORDER».
2.
Коснуться кнопки «Monitor».
3.
Коснуться кнопки «Edit».
4.
Коснуться кнопки «Copy».
5.
В списке «Source» коснуться дорожки,
которую нужно скопировать.
6.
В списке «Destination» коснуться
дорожки, на которую нужно скопировать
первую.
7.
Коснуться кнопки «Execute».
8.
Коснуться кнопки «Yes».
•Для отмены копирования коснуться кнопки «No».
1.
На экранной странице «MENU» коснуться
значка «MIDI RECORDER».
2.
Коснуться кнопки «Monitor».
3.
Коснуться кнопки «Edit».
4.
Коснуться кнопки «Clear».
5.
Коснуться очищаемой дорожки.
6.
Коснуться кнопки «Execute».
7.
Коснуться кнопки «Yes».
•Для отмены удаления коснуться кнопки «No».
Всё, что исполняется на цифровом пианино,
записывается на флэш-накопитель USB в виде
звуковых данных (WAV-файлов*). Если
параллельно с воспроизведением данных,
хранящихся в памяти цифрового пианино, играть на
нём, на флэш-накопитель USB записывается как то,
что воспроизводится из памяти, так и то, что
исполняется на клавиатуре.
*Линейная ИКМ, 16 бит, 44,1 кГц, стерео
•При каждой новой записи звуковых данных на
флэш-накопитель USB файлу автоматически
присваивается новое название, так что уже
имеющиеся данные не затираются.
•Во время записи на устройство звукозаписи и
воспроизведения из него материала флэш-
накопитель USB не извлекать. Это может
повредить данные в накопителе и порт для него.
ПОДГОТОВКА
•Перед записью на флэш-накопитель USB его
необходимо отформатировать в цифровом
пианино. Дополнительную информацию см. в
разделе «Флэш-накопитель USB» на стр. RU-56.
1.
Вставить флэш-накопитель USB в
предназначенный для него порт на
цифровом пианино.
•При выполнении какого-либо действия с флэш-
накопителем USB и при включении цифрового
пианино со вставленным в него накопителем
цифровое пианино сначала должно его
«смонтировать» для подготовки к обмену данными
с накопителем. В процессе монтирования
накопителя действия на цифровом пианино могут
быть заблокированы. В процессе монтирования на
дисплее отображается сообщение «Media
Mounting». Монтирование накопителя обычно
занимает менее 10—20 секунд, но иногда и более.
Во время монтирования не выполнять на
цифровом пианино никаких действий.
Монтирование накопителя требуется при каждом
его подключении к цифровому пианино.
2.
На экранной странице «MENU» коснуться
значка «AUDIO RECORDER».
Как скопировать одну дорожку на
другую
Как очистить дорожку
Запись на флэш-накопитель
USB (устройство звукозаписи)
Как записать исполнение на флэш-
накопитель USB
PX360-RU-1A.indd 47 2015/04/10 14:44:12

RU-46
Запись и воспроизведение
3.
Коснуться значка 0.
Включается устройство записи, инструмент
переключается в режим записи.
•Нажимание на значок 0 обеспечивает
циклический перебор режимов, как указано ниже.
Pежим воспроизведения
Режим записи
4.
Начните играть.
Включается запись на флэш-накопитель USB.
•Запись включается также касанием значка X.
•В процессе записи горит кнопка 5 AUDIO a.
•Когда лампа у кнопки 5 AUDIO a горит или
мигает, флэш-накопитель USB из порта не
извлекать. Это вызывает прерывание записи и
может привести к повреждению данных.
5.
Для остановки записи коснуться значка
Y
.
•Вход в режим записи выполняется также
нажатием на кнопку 3 REC MODE с
последующим касанием значка «AUDIO
RECORDER».
1.
На экранной странице «MENU» коснуться
значка «AUDIO RECORDER».
2.
Касанием значка 0 войти в режим
записи.
3.
Коснуться значка X.
4.
Нажать на кнопку 4 MIDI a.
•Начинается воспроизведение материала из памяти
цифрового пианино. Начните подыгрывать на
клавиатуре.
5.
Для остановки записи коснуться значка
Y
.
не горит
горит мигает
Как записать исполнение с
воспроизведением материала из
памяти цифрового пианино
горит мигает
PX360-RU-1A.indd 48 2015/04/10 14:44:12

Запись и воспроизведение
RU-47
1.
На экранной странице «MENU» коснуться
значка «AUDIO RECORDER».
•В случае воспроизведения записанного материала
сразу после записи (пока отображается экранная
страница «AUDIO RECORDER») вышеописанное
действие не требуется.
2.
Коснуться названия файла.
Появляется экранная страница для выбора звукового файла.
3.
Коснуться нужной композиции.
4.
Коснуться значка X.
Начинается воспроизведение выбранной композиции.
•Воспроизведение включается также нажатием на
кнопку 5 AUDIO a.
•В процессе воспроизведения мигает кнопка 5
AUDIO a.
•
Во время воспроизведения звуковых данных, в состоянии
готовности к нему и во время его приостановки
допускаются действия, перечисленные ниже.
Отметим, что прокрутка назад (s) и вперед (d)
возможна только при воспроизведении.
5.
Для остановки композиции коснуться значка
Y
.
•Воспроизведение останавливается также
нажатием на кнопку 5 AUDIO a.
Файлы можно удалять по одному.
•Выполнение действий, описанных ниже,
приводит к удалению всех данных в выбранной
композиции. Отметим, что отмена выполненной
операции удаления невозможна. Перед
выполнением нижеописанных действий
убедитесь, что содержащиеся в памяти
цифрового пианино данные вам действительно
не нужны.
1.
На экранной странице «MENU» коснуться
значка «AUDIO RECORDER».
2.
Коснуться названия файла.
3.
Коснуться кнопки «Delete».
4.
Коснуться элемента удаляемых данных.
5.
Коснуться кнопки «Execute».
6.
Коснуться кнопки «Yes».
Происходит удаление выбранного элемента
звуковых данных.
•Для отмены удаления коснуться кнопки «No».
Как играть под воспроизведение данных,
записанных на флэш-накопитель USB
Касание значка:
Позволяет выполнить следующее:
Prev Воспроизведение предыдущего
элемента звуковых данных.
Next Воспроизведение следующего элемента
звуковых данных.
Y
WВозвращение в начало композиции.
sПрокрутку назад. Краткое касание
обеспечивает прокрутку на 1 секунду,
длительное — непрерывную прокрутку.
dПрокрутку вперед. Краткое касание
обеспечивает прокрутку на 1 секунду,
длительное — непрерывную прокрутку.
kПриостановку воспроизведения
звуковых данных и его возобновление.
Во время приостановки значок мигает.
a
Включение воспроизведения с начала
элемента звуковых данных и его остановку.
0Переключение с режима записи на
режим воспроизведения и обратно.
Как из флэш-накопителя USB удалить
звуковой файл
PX360-RU-1A.indd 49 2015/04/10 14:44:12

RU-48
Программирование цифрового пианино
На экранной странице «MENU» выполняется смена
тембра и стиля, транспонирование клавиатуры и
изменение ее динамики, настройки педали и
параметров MIDI, других показателей настройки.
Это означает, что вы можете привести работу
цифрового пианино в соответствие с вашими
собственными потребностями.
1.
На экранной странице «MENU» коснуться
меню с нужными показателями
настройки.
2.
Коснуться пункта, содержащего
показатель настройки, который нужно
изменить.
3.
С помощью дискового регулятора br или
кнопок bs w, q изменить заданное
значение.
br
bs
bt
Программирование
цифрового пианино
PX360-RU-1A.indd 50 2015/04/10 14:44:13

Программирование цифрового пианино
RU-49
■Экранная страница «TONE»
Служит для задания тембра и других параметров клавиатуры.
•Экранная страница «TONE» выводится на дисплей также нажатием на кнопку bt TONE.
■Экранная страница «RHYTHM»
Служит для программирования автоаккомпанемента. Дополнительную информацию см. в разделе
«Применение автоаккомпанемента» (стр. RU-20).
Пункт Описание Значение
Upper 1, Upper 2,
Lower 1, Lower 2
Обеспечивается включение и отключение отдельных партий, задание их
тембра.
Octave Обеспечивается изменение диапазона отдельной партии с шагом в октаву. –2—0—2
Auto Harmonize См. стр. RU-24. Вкл., откл.
Duet См. стр. RU-16. Вкл., откл.
Split См. стр. RU-15. Вкл., откл.
Вкл., откл.
PX360-RU-1A.indd 51 2015/04/10 14:44:13

RU-50
Программирование цифрового пианино
■Экранная страница «BALANCE»
Служит для регулирования громкости клавиатуры, автоаккомпанемента и т. п.
Пункт Описание Значение
Upper 1 Volume См. стр. RU-17. 0—127
Upper 2 Volume См. стр. RU-17. 0—127
Lower 1 Volume См. стр. RU-17. 0—127
Lower 2 Volume См. стр. RU-17. 0—127
Keyboard Volume Регулируется громкость всех партий, управляемых клавиатурой. 0—127
Accomp Volume Регулируется громкость автоаккомпанемента без изменения громкости
тембра клавиатуры.
0—127
MIDI Volume Регулируется громкость воспроизведения MIDI-данных без изменения
громкости тембра клавиатуры.
0—127
Audio Volume Регулируется громкость воспроизведения звуковых данных, записанных на
флэш-накопитель USB.
0—127
Line In Volume Регулируется громкость сигнала на входе «LINE IN». 0—127
Metronome Volume См. стр. RU-18. 0—127
PX360-RU-1A.indd 52 2015/04/10 14:44:13

Программирование цифрового пианино
RU-51
■Экранная страница «EFFECT»
Служит для применения к нотам акустических эффектов.
■Экранная страница «MIDI RECORDER»
Служит для записи исполнения в память цифрового пианино и воспроизведения записи. Дополнительную
информацию см. в разделе «Запись в память цифрового пианино (устройство MIDI-записи )» (стр. RU-38).
■Экранная страница «AUDIO RECORDER»
Служит для звукозаписи исполнения на флэш-накопитель USB (из числа имеющихся в продаже) и
воспроизведения звукозаписи на цифровом пианино. Дополнительную информацию см. в разделе «Запись на
флэш-накопитель USB (устройство звукозаписи)» (стр. RU-45).
■Экранная страница «MUSIC PRESET»
Музыкальные предустановки обеспечивают доступ в одно касание к тембрам, стилям, аккордам, другим
показателям настройки, оптимальным для тех или иных музыкальных жанров и композиций. В дополнение к
встроенным музыкальным предустановкам можно создавать собственные, оригинальные (пользовательские).
Дополнительную информацию см. в разделе «Музыкальные предустановки» (стр. RU-28).
Пункт Описание Значение
Brilliance Регулируется яркость тембра. –3—0—+3
Reverb Type Задается применяемый тип
реверберации.
Room1, Room2, Room3, Hall1, Hall2, Hall3, Plate1, Plate2, Plate3,
Delay, Pan Delay, Large Room1, Large Room2, Stadium1,
Stadium2, Long Delay1, Long Delay2
Chorus Type Задается применяемый тип
хоруса.
Chorus1, Chorus2, Chorus3, Chorus4, FB Chorus, Flanger1,
Flanger2, Flanger3, Flanger4, Short Delay1, Short Delay2,
Short Delay3, Short Delay4, Soft Chorus, Bright Chorus,
Deep Chorus
Delay Type Выбирается тип задержки. Short 1, Short 2, Echo, Short Tempo, Mid Tempo, Long Tempo
Hammer Response Регулируется отставание момента
начала фактического звучания от
момента нажатия на клавишу.
1—4 — чем больше значение, тем больше задержка.
String Resonance Регулируется характерный для
акустического фортепиано
резонанс струн.
1—4 — чем больше значение, тем сильнее резонанс.
PX360-RU-1A.indd 53 2015/04/10 14:44:13

RU-52
Программирование цифрового пианино
■Экранная страница «SYSTEM SETTING»
Служит для регулирования показателей настройки цифрового пианино в целом.
Пункт Описание Значение
Speaker Задается наличие (
«
On
»
) или отсутствие (
«
Off
»
) вывода звука через
динамики цифрового пианино.
Off, On
Touch Response Регулируется динамика клавиатуры. Off — отключена.
Light — громкое звучание
и при слабом нажатии.
Normal — обычная
динамика.
Heavy —
о
бычное звучание
и при сильном нажатии.
Touch Off Velocity Задается значение скорости атаки при отключенном параметре
«Touch Response».
0—127
Metronome Beat Задается число ударов метронома за такт. 0—9
Accomp Freeze
Имеется функция «Accomp Freeze», позволяющая указать, какие
параметры аккомпанемента при применении набора настроек меняться
не должны. Подробности см. в «Перечне параметров» (стр. A-14).
Off, On
Tuning Обеспечивается повышение и понижение звуковысотности
цифрового пианино с шагом в 0,1 Гц относительно стандартной
звуковысотности 440,0 Гц для ля первой октавы.
415,5 Гц — 440,0 Гц — 465,9 Гц
Temperament Обеспечивается изменение темперации клавиатуры и
автоаккомпанемента со стандартной равномерной на другую, более
подходящую для исполнения классики, арабской музыки и др.
Equal, Pure Major,
Pure Minor, Pythagorean,
Kirnberger 3, Werckmeister,
Mean-Tone, Rast, Bayati,
Hijaz, Saba, Dashti,
Chahargah, Segah,
Gurjari Todi,
Chandrakauns, Charukeshi
Temperament Base Note При нажатии на клавишу клавиатуры эта клавиша становится
основным тоном темперации.
C — B (12 вариантов)
Acmp Temperament Если этот параметр отключен, автоаккомпанемент воспроизводится
с применением стандартной равномерной темперации независимо от
того, какой строй выбран с помощью параметра «Temperament Base
Note», указанного выше.
Off, On
Stretch Tuning Повышаются высокие звуки и понижаются низкие с обеспечением
растянутой настройки. Настройка такого вида называется
«растянутой».
Для исполнения с обычной настройкой (нерастянутой) этот
параметр следует отключить.
Off, On
Brightness Регулируется яркость дисплея. 1—13
N. Gate Thresh Отсекается звуковой сигнал с уровнем ниже уставки, поступающий
на выход «LINE IN», что обеспечивает понижение шума. Чем
больше заданное значение, тем ниже уровень отсечки.
1, 2, 3
Operation Lock
Когда этот параметр включен, кнопки цифрового пианино
заблокированы (за исключением кнопки
1
P
и кнопок,
необходимых для разблокировки) и никакие действия с ним
невозможны. Блокировку органов управления следует включать,
когда нужно предотвратить непреднамеренные действия кнопками и
на панели управления.
Off, On
PX360-RU-1A.indd 54 2015/04/10 14:44:14

Программирование цифрового пианино
RU-53
■Экранная страница «CONTROLLER»
Служит для программирования педалей и колеса высоты тона.
Auto Resume Когда этот параметр выставлен на «On», цифровое пианино при
выключении запоминает показатели настройки и при очередном
включении их восстанавливает.
Когда этот параметр выставлен на «Off», при включении цифрового
пианино показатели настройки возвращаются к начальным
значениям по умолчанию.
Off, On
Auto Power Off Выполнятся включение («On») или отключение («Off») функции
автовыключения (стр. RU-7).
Off, On
Factory Reset Служит для восстановления заводских начальных данных в
цифровом пианино и его настройки по умолчанию.
–
Пункт Описание Значение
Pedal Assign Задается функция педального блока, подключенного к гнезду
«ASSIGNABLE PEDAL»: модератор или состенуто.
• Подробнее об этих двух типах педали см. на стр. RU-8.
Sostenuto, Soft
Upper1 Pedal Включать, чтобы при нажатии на педаль выполнялось применение эффекта
к основному тембру.
Off, On
Upper2 Pedal Включать, чтобы при нажатии на педаль выполнялось применение эффекта
к наложенному тембру.
Off, On
Lower1 Pedal Включать, чтобы при нажатии на педаль выполнялось применение эффекта
к основному нижнему тембру.
Off, On
Lower2 Pedal Включать, чтобы при нажатии на педаль выполнялось применение эффекта
к наложенному нижнему тембру.
Off, On
Bend Range Задается с шагом в полутон величина изменения высоты звука при повороте
колеса высоты тона вверх или вниз до упора у партий, исполняемых на
клавиатуре (партий 1-5 порта A).
00—24
Пункт Описание Значение
PX360-RU-1A.indd 55 2015/04/10 14:44:14

RU-54
Программирование цифрового пианино
■Экранная страница «MIXER»
Служит для смены тембра отдельной партии и регулирования ее громкости и реверберации.
Пункт Описание Значение
Part Звучит включенная партия. Партию, звук которой не нужен, отключать. Откл., вкл.
Tone Сменяется тембр. 550
Volume Регулируется громкость. Громкость каждой из партий показана на экранном
индикаторе уровня.
0—127
Pan Задается стереопозиция звука цифрового пианино. 0 соответствует середине;
чем меньше значение стереопозиции, тем она левее, чем больше — тем
правее.
–64—0—+63
Coarse Tune Задается звуковысотность нот отдельной партии с точностью до полутона. –24—0—+24
Fine Tune Задается звуковысотность нот отдельной партии с точностью до цента. –99—0—+99
Bend Range Регулируется диапазон отклонения высоты тона отдельной партии с шагом в
полутон.
0—24
Reverb Send Задается уровень реверберации, применяемой к звуку отдельной партии.
При задании величины 0 эффект реверберации не применяется, при задании
величины 127 применяется максимальная реверберация.
0—127
Chorus Send Задается уровень хоруса, применяемого к звуку отдельной партии.
При задании величины 0 эффект хоруса не применяется, при задании
величины 127 применяется максимальный хорус.
0—127
Delay Send Задается уровень задержки, применяемой к звуку отдельной партии.
При задании величины 0 эффект задержки не применяется, при задании
величины 127 применяется максимальная задержка.
0—127
Port Задается порт. Информацию о MIDI-каналах, присваиваемых портам, см. в
разделе «Соотношение партий и MIDI-каналов» (стр. A-17).
порт A, порт B,
порт C
индикатор уровня
PX360-RU-1A.indd 56 2015/04/10 14:44:14

Программирование цифрового пианино
RU-55
■Экранная страница «MIDI»
Служит для программирования MIDI-параметров.
Информацию о MIDI-каналах, присваиваемых портам, см. в разделе «Соотношение партий и MIDI-каналов»
(стр. A-17).
■Экранная страница «MEDIA»
Служит для сохранения данных во флэш-накопителе USB, вставленном в цифровое пианино, и импорта
данных из накопителя в память пианино. Дополнительную информацию см. в разделе «Флэш-накопитель
USB» (стр. RU-56).
Пункт Описание Значение
Keyboard Channel Выбирается канал для передачи MIDI-данных во время исполнения на
инструменте на внешнее устройство (канал клавиатуры).
01—16
Accomp Out Этот параметр следует включать для передачи MIDI-данных
автоаккомпанемента на внешнее устройство.
Off, On
Chord Judge Выбирается вариант поведения во время воспроизведения
автоаккомпанемента: вводить или не вводить аккорд при получении
аккордовой частью клавиатуры MIDI-сообщения «вкл. ноту».
Off, On
Hi-Res Vel Out Выполняется включение и отключение высокого разрешения для вывода
MIDI-сообщений о скорости атаки.
Off, On
Local Control Когда этот параметр выставлен на «Off», встроенный источник звука
цифрового пианино отключается, так что при нажатии на клавиши оно не
звучит.
Off, On
MIDI Out/Thru Задается функция вывода «MIDI OUT»: «Out» или «Thru». Out, Thru
MIDI In Port Выбирается порт для ввода сигнала с входа «MIDI IN». A, B, C
PX360-RU-1A.indd 57 2015/04/10 14:44:14

RU-56
Флэш-накопитель USB
Цифровое пианино позволяет выполнять с флэш-
накопителем USB следующие действия.
zФорматирование накопителя
zСохранение данных в накопителе
zЗагрузка данных из накопителя в память
цифрового пианино
zУдаление данных из накопителя
zЛегкое воспроизведение файлов с композициями
из накопителя
■Типы данных
*Данное цифровое пианино рассчитано на импорт
стилей, созданных на другом устройстве.
Применимы файлы с расширениями ac7, z00 и ckf.
•Соблюдать меры предосторожности,
изложенные в документации к флэш-
накопителю USB.
•Работать с накопителем в условиях, описанных
ниже, не рекомендуется. В таких условиях
возможно повреждение хранящихся в нём
данных.
•Места с высокой температурой, влажностью,
агрессивной атмосферой.
•Места, подверженные воздействию сильных
электростатических зарядов и цифрового
шума.
•Не извлекать накопитель во время записи и во
время загрузки в него данных. Это может
повредить данные в накопителе и порт для него.
•Не вставлять в порт для флэш-накопителя USB
никаких предметов кроме самого накопителя.
Это может привести к повреждению.
•После очень длительной работы накопитель
нагревается. Это нормальное явление, не
свидетельствующее о неисправности.
•Воздействие статического электричества от
руки или от накопителя на порт для него может
вызвать сбой в работе цифрового пианино. В
этом случае следует выключить цифровое
пианино и опять его включить.
•Композиции, записанные с помощью устройства
MIDI-записи цифрового пианино, хранятся в
накопителе в неизмененном виде и в виде MIDI-
файлов (формат 0 SMF).
•
Стандартные звуковые данные из компьютера
(WAV-файлы) также могут быть сохранены в
накопителе и воспроизведены на цифровом пианино.
•
Исполнение на цифровом пианино может быть
записано непосредственно на накопитель.
Подробности см. в разделе «Запись на флэш-накопитель
USB (устройство звукозаписи)» (стр. RU-45).
•Сохранение отредактированных
автоаккомпанементов в накопителе.
•Сохраненные в накопителе MIDI-файлы и файлы
формата «CASIO» могут быть загружены в
память цифрового пианино (стр. RU-42).
Тип данных Описание
(расширение файла)
Возможные
действия
Сохра-
нение в
накопи-
теле
Загруз-
ка из
накопи-
теля
Пользова-
тельские
стили*
(стр. RU-24)
Автоаккомпанементы,
отредактированные на
данном цифровом
пианино (AC7)
OO
Пользова-
тельские
MIDI-данные
(стр. RU-42,
RU-36)
Музыкальные файлы
одного из следующих
двух типов:
1. стандартные MIDI-
файлы (MID);
SMF-файлы
(форматы 0 и 1)
2. MIDI-данные,
записанные на данном
цифровом пианино
(ZMF)
OO
Пользова-
тельские
музыкальные
предустановки
(стр. RU-29)
Музыкальные
предустановки,
отредактированные на
данном цифровом
пианино (ZMP)
OO
Наборы
настроек
(стр. RU-34)
Тембры и стили из
наборов настроек
(ZRM)
OO
Меры предосторожности при работе с
флэш-накопителем USB и портом для
него
Авторские права
Использовать записи разрешается только в
личных целях. Размножение звукового файла
или файла в музыкальном формате без
разрешения его правообладателя строго
запрещается законами об авторском праве и
международными соглашениями. Строго
запрещаются законами об авторском праве и
международными соглашениями выкладывание
таких файлов в интернете, а также
распространение их среди третьих лиц как за
вознаграждение, так и без него. За нарушение
закона об авторском праве при пользовании
данным цифровым пианино фирма «CASIO
COMPUTER CO., LTD.» никакой ответственности
не несет.
PX360-RU-1A.indd 58 2015/04/10 14:44:15

Флэш-накопитель USB
RU-57
•Через порт для флэш-накопителя USB не
подключать никаких устройств кроме самого
накопителя.
•При выполнении какого-либо действия с флэш-
накопителем USB и при включении цифрового
пианино со вставленным в него накопителем
цифровое пианино сначала должно его
«смонтировать» для подготовки к обмену
данными с накопителем. В процессе
монтирования накопителя действия на
цифровом пианино могут быть заблокированы.
В процессе монтирования на дисплее
отображается сообщение «Media Mounting».
Монтирование накопителя обычно занимает
менее 10—20 секунд, но иногда и более. Во
время монтирования не выполнять на цифровом
пианино никаких действий. Монтирование
накопителя требуется при каждом его
подключении к цифровому пианино.
■Как вставить флэш-накопитель USB
1.
Как показано на нижеприведенной
иллюстрации, вставить флэш-накопитель
USB в предназначенный для него порт на
цифровом пианино.
•Флэш-накопитель USB задвигать осторожно до
упора. Вставляя флэш-накопитель USB, не
прилагать чрезмерного усилия.
■Как извлечь флэш-накопитель USB
1.
Убедиться, что не происходит обмена
данными, и вынуть флэш-накопитель
USB, держа его ровно.
•
Перед записью на флэш-накопитель USB в первый раз
его необходимо отформатировать в цифровом пианино.
•
Перед форматированием флэш-накопителя USB
удостовериться, что на нём нет никаких ценных данных.
•
На данном цифровом пианино выполняется «быстрое
форматирование». Если с флэш-накопителя USB нужно
полностью удалить все данные, отформатируйте его в
компьютере или каком-либо другом устройстве.
Применимые флэш-накопители USB
Данное цифровое пианино рассчитано на работу с
флэш-накопителями USB, отформатированными под
файловую систему FAT32. Если флэш-накопитель
USB отформатирован под другую файловую систему,
переформатировать его под FAT32 в ОС «Windows».
К быстрому форматированию не прибегать.
1.
Флэш-накопитель USB, который нужно
отформатировать, вставить в
предназначенный для него порт на
цифровом пианино.
2.
На экранной странице «MENU» коснуться
значка «MEDIA».
3.
Коснуться кнопки «FORMAT».
Появляется запрос на подтверждение («Sure?»).
4.
Коснуться кнопки «Yes».
•В процессе операции на дисплее сохраняется
сообщение «Please Wait». Пока это сообщение на
дисплее, никаких действий не выполнять.
По завершении форматирования на дисплее
появляется сообщение «Complete».
•
Для отмены форматирования коснуться кнопки «No».
В нижеописанном порядке во флэш-накопителе
USB могут быть сохранены также файлы форматов
WAV (общий звуковой формат) и SMF
(стандартный формат MIDI) с последующим
воспроизведением их на цифровом пианино.
1.
Флэш-накопитель USB вставить в компьютер.
2.
Перенести файлы с композициями для
воспроизведения в папку «MUSICDAT» во
флэш-накопителе USB.
•
Информацию о воспроизведении см. в разделе «Как
играть под воспроизведение данных, записанных на
флэш-накопитель USB» (стр. RU-47).
Подключение флэш-
накопителя USB к
цифровому пианино и его
отсоединение от него
флэш-накопитель USB
порт для флэш-
накопителя USB
Форматирование флэш-
накопителя USB
Сохранение стандартных
файлов с композициями во
флэш-накопителе USB
PX360-RU-1A.indd 59 2015/04/10 14:44:15

RU-58
Флэш-накопитель USB
Данные из памяти цифрового пианино (композиции
в формате устройства MIDI-записи) могут быть
сохранены во флэш-накопителе USB.
•Композиции в формате устройства MIDI-записи
могут быть преобразованы в стандартные MIDI-
файлы (SMF) и сохранены во флэш-накопителе
USB.
•При записи композиции в формате устройства
звукозаписи данные сохраняются
непосредственно во флэш-накопителе USB, так
что нижеописанная операция не требуется.
1.
Вставить флэш-накопитель USB в
предназначенный для него порт на
цифровом пианино.
2.
На экранной странице «MENU» коснуться
значка «MEDIA».
3.
Коснуться кнопки «Save».
4.
Коснуться типа сохраняемых данных.
5.
Коснуться элемента сохраняемых данных.
6.
При необходимости переименовать файл.
7.
После переименования файла коснуться
кнопки «Enter».
Появляется запрос на подтверждение («Sure?»). Если
во флэш-накопителе USB уже есть файл с тем же
названием, появляется сообщение с запросом на
подтверждение («Replace?») о его затирании новым.
8.
Коснуться кнопки «Yes».
•В процессе операции на дисплее сохраняется
сообщение «Please Wait». Пока это сообщение на
дисплее, никаких действий не выполнять. По
завершении сохранения данных на дисплее
появляется сообщение «Complete».
•Для отмены сохранения коснуться кнопки «No».
Данные из цифрового пианино сохраняются во
флэш-накопителе в порядке, описанном ниже.
•Поместить данные (файл) для загрузки в папку
«MUSICDAT» во флэш-накопителе USB.
1.
Вставить флэш-накопитель USB в
предназначенный для него порт на
цифровом пианино.
2.
На экранной странице «MENU» коснуться
значка «MEDIA».
3.
Коснуться кнопки «Load».
4.
Коснуться типа импортируемых данных.
5.
В списке «USB» коснуться элемента
данных, который нужно импортировать.
6.
В списке «User Area» коснуться нужного
адреса для импорта.
•В случае импорта MIDI-данных указать адрес для
импорта невозможно.
7.
Коснуться кнопки «Execute».
Появляется запрос на подтверждение импорта
(«Sure?»). Если по адресу для импорта в памяти
цифрового пианино данные уже есть, появляется
сообщение с запросом о его затирании новыми
(«Replace?»).
8.
Коснуться кнопки «Yes».
•В процессе операции на дисплее сохраняется
сообщение «Please Wait». Пока это сообщение на
дисплее, никаких действий не выполнять. По
завершении импорта данных на дисплее
появляется сообщение «Complete».
•Для отмены импорта коснуться кнопки «No».
Сохранение данных из
цифрового пианино во
флэш-накопителе USB
Загрузка данных из флэш-
накопителя USB в память
цифрового пианино
PX360-RU-1A.indd 60 2015/04/10 14:44:16

Флэш-накопитель USB
RU-59
Данные (файлы), сохраненные во флэш-накопителе
USB, удаляются из него в следующем порядке.
1.
Вставить флэш-накопитель USB в
предназначенный для него порт на
цифровом пианино.
2.
На экранной странице «MENU» коснуться
значка «MEDIA».
3.
Коснуться кнопки «Delete».
4.
Коснуться типа удаляемых данных.
5.
Коснуться элемента удаляемых данных.
6.
Коснуться кнопки «Execute».
Появляется запрос на подтверждение удаления
(«Sure?»).
7.
Коснуться кнопки «Yes».
•В процессе операции на дисплее сохраняется
сообщение «Please Wait». Пока это сообщение на
дисплее, никаких действий не выполнять. По
завершении удаления данных на дисплее
появляется сообщение «Complete».
•Для отмены удаления коснуться кнопки «No».
Удаление данных из флэш-
накопителя USB
PX360-RU-1A.indd 61 2015/04/10 14:44:16

RU-60
Подключение к компьютеру
Подключение цифрового пианино к компьютеру
позволяет выполнять обмен MIDI-данными между
ними. Из цифрового пианино в установленное на
компьютере музыкальное ПО (из числа
имеющегося в продаже) можно передавать данные,
создающиеся при игре на цифровом пианино, а из
компьютера в цифровое пианино — MIDI-данные
для воспроизведения.
Ниже приведены минимальные требования к
компьютерной системе для передачи и приема
MIDI-данных. Перед подключением цифрового
пианино к компьютеру проверьте, соответствует ли
компьютер этим требованиям.
zОперационная система
Windows Vista® *1
Windows® 7 *2
Windows® 8 *3
Windows® 8.1 *4
Mac OS® X (10.3.9, 10.4.11, 10.5.X, 10.6.X, 10.7.X,
10.8.X, 10.9.X)
zПорт USB
•К компьютеру, который не соответствует
вышеуказанным требованиям, инструмент не
подключать. Такое подключение может
привести к нарушениям в работе компьютера.
•Для получения новейшей информации о
поддерживаемых операционных системах
посетите нижеуказанный сайт.
http://world.casio.com/
•В точности соблюдать нижеописанный порядок
действий. Неправильное подключение может
привести к невозможности передачи и приема
данных.
1.
Выключить цифровое пианино и включить
компьютер.
•Музыкальное ПО на компьютере пока не
открывать!
2.
После запуска компьютера подключить
его к цифровому пианино через шнур USB
из числа имеющихся в продаже.
3.
Включить цифровое пианино.
•При первом подключении цифрового пианино к
компьютеру в компьютер автоматически
устанавливается программный драйвер,
необходимый для передачи и приема данных.
4.
Включить на компьютере музыкальное
ПО (из числа имеющегося в продаже).
5.
В музыкальном ПО выполнить
соответствующую настройку и в качестве
MIDI-устройства выбрать «CASIO USB-
MIDI».
•Информацию о том, как выбрать MIDI-
устройство, см. в пользовательской документации
к музыкальному ПО.
•Перед включением музыкального ПО на
компьютере не забудьте включить цифровое
пианино.
Минимальные требования к
компьютерной системе
*1. Windows Vista (32-битная)
*2. Windows 7 (32-, 64-битная)
*3. Windows 8 (32-, 64-битная)
*4. Windows 8.1 (32-, 64-битная)
Как подключить цифровое пианино к
компьютеру
порт USB компьютера
соединитель A
соединитель B
порт USB цифрового
пианино
шнур USB
(типа A-B)
PX360-RU-1A.indd 62 2015/04/10 14:44:16

Подключение к компьютеру
RU-61
•После успешного подключения отсоединять шнур
USB при выключении компьютера и (или)
цифрового пианино не требуется.
•Данное цифровое пианино отвечает стандарту
«General MIDI» (GM) уровня 1.
•Подробные сведения о технических
характеристиках и подключении, касающиеся
передачи и приема MIDI-данных цифровым
пианино, см. в новейшей информации поддержки
на сайте по адресу:
http://world.casio.com/
Сокращение MIDI означает «Musical Instrument
Digital Interface» (цифровой интерфейс
музыкальных инструментов) и является названием
международного стандарта для цифровых сигналов
и соединителей, позволяющего осуществлять обмен
музыкальной информацией между музыкальными
инструментами и компьютерами различных
изготовителей.
Подробнее о реализации MIDI данного цифрового
пианино см. в документе «MIDI Implementation» на
сайте по нижеуказанному адресу:
http://world.casio.com/
•Настройку MIDI-интерфейса цифрового пианино
можно изменить путем изменения канала
передачи MIDI-данных и иных настроечных
параметров. Подробности см. в части „Экранная
страница «MIDI»“ (стр. RU-55).
•Для обмена MIDI-данными с другим электронным
музыкальным инструментом цифровое пианино
соединяется с ним через MIDI-выводы с помощью
MIDI-шнура, приобретаемого дополнительно, или
из числа имеющихся в продаже.
•Если цифровое пианино подключено к
компьютеру через порт USB, выводы MIDI
заблокированы.
Работа с MIDI
Что такое «MIDI»?
PX360-RU-1A.indd 63 2015/04/10 14:44:16

RU-62
Справочная информация
В случае нарушения работы на дисплее появляется одно из сообщений об ошибке, представленных ниже.
•
Для удаления сообщения об ошибке и восстановления обычной индикации коснуться значка
bq EXIT
на дисплее
.
Сообщения об ошибках
Сообщение на
дисплее Причина Способ устранения
No Media 1.
Флэш-накопитель USB не вставлен в предназначенный
для него порт на цифровом пианино.
1. Правильно вставить флэш-накопитель USB в
порт для него.
2. Флэш-накопитель USB был извлечен из порта до
завершения процесса. 2. Не извлекать флэш-накопитель USB до
завершения процесса.
3. Флэш-накопитель USB защищен от записи. 3. Снять у флэш-накопителя USB защиту от записи.
4. Флэш-накопитель USB обеспечен антивирусным
ПО. 4. Взять флэш-накопитель USB, не обеспеченный
антивирусным ПО.
No File В папке «MUSICDAT» отсутствуют файлы, которые
могут загружаться и которые могут
воспроизводиться.
Для загрузки или воспроизведения файла
переместить его в соответствующее место (стр.
RU-57, RU-58) папки «MUSICDAT».
No Data Попытка сохранить пользовательские данные
(предустановки, стили, MIDI-данные и т. п.), не
содержащие данных.
Выбрать элемент пользовательских данных,
содержащий данные.
Read Only Во флэш-накопителе USB уже имеется файл с этим
названием, предназначенный только для чтения.
• Сохранить файл под новым названием.
• Удалить у имеющегося во флэш-накопителе USB
файла атрибут «только для чтения» и записать
новый файл вместо этого файла.
• Взять другой флэш-накопитель USB.
Media Full Во флэш-накопителе USB недостаточно места. Чтобы освободить место для новых данных, удалить
из флэш-накопителя USB часть файлов (стр. RU-59)
или взять другой накопитель.
Too Many Files 1. Во флэш-накопителе USB слишком много
файлов. 1. Чтобы освободить место для новых данных,
удалить из флэш-накопителя USB часть файлов.
2. В папке «MUSICDAT» имеется файл
«TAKE99.WAV». 2. WAV-файл из папки «MUSICDAT» удалить.
Not SMF01 Попытка воспроизвести композицию в формате
SMF 2. Данное цифровое пианино позволяет воспроизводить
файлы только в формате SMF 0 и 1.
Size Over 1. Данные в формате устройства MIDI-записи во
флэш-накопителе USB не воспроизводятся из-за
слишком большого объема.
1. Данное цифровое пианино рассчитано на
воспроизведение данных в формате устройства
MIDI-записи объемом до 700 кбайт (примерно).
2.
SMF-файл во флэш-накопителе USB не
воспроизводится из-за слишком большого объема.
2.
Данное цифровое пианино позволяет
воспроизводить SMF-файлы объемом до 320 кбайт.
3. Импортируемые данные не импортируются из-за
слишком большого объема. 3. Данное цифровое пианино рассчитано на импорт
элементов данных объемом не более
приведенного ниже.
Пользовательские стили — ок. 32 кбайт
Пользовательские предустановки — ок. 6 кбайт
Wrong Data 1. Данные во флэш-накопителе USB повреждены. —
2.
Во флэш-накопителе USB содержатся файлы, на работу
с которыми данное цифровое пианино не рассчитано.
Memory Full 1. Цифровому пианино недостаточно памяти для
преобразования композиции в формате
устройства MIDI-записи в файл SMF и
сохранения его во флэш-накопителе USB.
1. Сократить размер файла с композицией.
Пример:
удалить все ненужные дорожки.
2. Не хватает памяти для операций по
редактированию стилей. 2. Выбрать другую модель аккомпанемента.
3. В процессе редактирования музыкальной
предустановки осталось мало свободной памяти. 3. Цифровое пианино рассчитано на ввод примерно
1 тыс. аккордов.
Format Error 1. Формат флэш-накопителя USB не совместим с
данным цифровым пианино. 1. Отформатировать флэш-накопитель USB на
цифровом пианино.
2. Флэш-накопитель USB поврежден. 2. Взять другой флэш-накопитель USB.
Media Error Флэш-накопитель USB поврежден. Взять другой флэш-накопитель USB.
Measure Limit Попытка ввести данные в формате устройства MIDI-
записи или музыкальную предустановку,
содержащие более 999 тактов.
Цифровое пианино рассчитано на ввод до 999 тактов.
Data Full Попытка сохранить данные, число элементов
которых превышает максимально допустимое. Удалить ненужные данные.
PX360-RU-1A.indd 64 2015/04/10 14:44:17

Справочная информация
RU-63
Поиск и устранение неисправностей
Осложнение Причина Способ устранения См. стр.
При нажатии на клавишу
клавиатуры нет звука.
1. Регулятор «VOLUME»
выставлен на «MIN».
1. Повернуть регулятор «VOLUME» в
сторону надписи «MAX».
) RU-7
2. К одному из гнезд «PHONES»
подключены наушники, или в
него вставлен штекер
адаптера.
2. Отсоединить устройство,
подключенное к гнездам «PHONES».
) RU-8
3. Отключен значок «Upper 1». 3. Касанием значка «Upper 1» включить
его.
) RU-14
4. На экранной странице
«SYSTEM SETTING» отключен
параметр «Speaker».
4. На экранной странице «SYSTEM
SETTING» включить параметр
«Speaker».
) RU-52
Нарушена звуковысотность
цифрового пианино.
1. Цифровое пианино
неправильно настроено.
1. Подстроить цифровое пианино или
выключить его и опять включить.
) RU-19
2. Звуковысотность цифрового
пианино выставлена не на 440,0
Гц.
2. Выставить звуковысотность на 440,0
Гц или выключить цифровое пианино и
опять включить.
) RU-52
3. Установлена нестандартная
темперация.
3. Переставить темперацию на
равномерную, служащую
современным стандартом настройки.
) RU-52
4. Включен октавный сдвиг. 4. Переставить октавный сдвиг на 0. ) RU-49
Тембры и (или) эффекты
звучат странно. Проблема
сохраняется и после
выключения-включения
инструмента.
Пример:
сила звука не
меняется и при изменении
нажатия на клавиши.
Включена функция «Auto
Resume».
Отключить функцию «Auto Resume».
Выключить инструмент и опять
включить.
) RU-53
После подключения
цифрового пианино к
компьютеру не удается
перенести данные.
— 1. Проверить, подключен ли шнур USB к
цифровому пианино и компьютеру, и
правильное ли устройство выбрано в
музыкальном ПО на компьютере.
) RU-60
2. Выключить цифровое пианино и выйти
из музыкального ПО на компьютере.
Снова включить цифровое пианино и
запустить музыкальное ПО на
компьютере.
Аккордовый аккомпанемент
не записывается на
компьютер.
Отключена функция «Accomp
Out».
Включить функцию «Accomp Out». ) RU-55
Не сохраняются данные во
флэш-накопителе USB; не
загружаются данные из
флэш-накопителя USB.
— См. раздел «Сообщения об ошибках». ) RU-62
При передаче файла с
композицией из компьютера
воспроизведение
обрывается.
Вследствие цифрового искажения
от шнура USB или сетевого шнура
обмен данными между
компьютером и цифровым
пианино прерван.
Остановить воспроизведение
композиции, вынуть шнур USB из
цифрового пианино и опять его вставить.
Затем еще раз попробовать
воспроизвести композицию.
Если это не помогает, выйти из MIDI-
программы, вынуть шнур USB из
цифрового пианино и опять его вставить.
Затем опять включить MIDI-программу и
попробовать воспроизвести композицию.
) RU-60
В зависимости от того, в
какой части клавиатуры
взят звук, характер и
громкость тембра несколько
различаются.
Это является неизбежным следствием сэмплирования звука* и на неисправность не
указывает.
*Для воссоздания звука музыкального инструмента берется несколько сэмплов в
нижнем, среднем и верхнем его регистрах. Поэтому в зависимости от того, к какому
регистру сэмпл относится, в характере и громкости тембра может возникать очень
небольшое отличие.
PX360-RU-1A.indd 65 2015/04/10 14:44:17

RU-64
Справочная информация
При нажатии на кнопку
звучащая нота на мгновение
пропадает, или несколько
меняется характер
применения эффектов.
Выполнение действий кнопками во время игры в режиме «Дуэт», с применением
автоаккомпанемента, устройства записи, других функций могут вызывать такие
явления, когда в цифровом пианино переключаются внутренние тембральные
эффекты. Признаком неисправности это не является.
При игре в разных регистрах
клавиатуры октавная
звуковысотность не
меняется.
Отдельные тембры имеют ограничения по диапазону. Это означает, что октавная
звуковысотность у них обычно меняется только до определенной низкой или высокой
ноты. У таких тембров слева от самой низкой возможной ноты повторяется звучание
самой низкой октавы, а справа от самой высокой возможной ноты — звучание самой
высокой октавы. Это объясняется ограниченным диапазоном исходного музыкального
инструмента для каждого из тембров и на неисправность цифрового пианино не
указывает.
Осложнение Причина Способ устранения См. стр.
PX360-RU-1A.indd 66 2015/04/10 14:44:18

Справочная информация
RU-65
Технические характеристики изделия
Модель PX-360MBK
КлавиатураФортепианная, 88 клавиш, под черное дерево и слоновую кость
•Разрешение скорости атаки — макс. 16 256
•Наложение, разделение
•Дуэт — 4 октавы (–2—0—+2)
•Транспонирование — 2 октавы (–12—0—+12)
•Октавный сдвиг — 4 октавы (–2—0—+2)
Источник звука•Число тембров — 550
•Максимальная полифония 128 звуков
•Динамическая чувствительность (3 уровня, откл.)
•Настройка: 415,5 Гц — 440,0 Гц — 465,9 Гц (с точностью до 0,1 Гц)
•Темперация — равномерная и 16 других видов
•Растянутая настройка: вкл., выкл.
Дисплей Сенсорный экран 5,3 дюйма
(цветной ЖКД на тонкопленочных транзисторах, 5,0 дюйма, 528 × 320 пикселей)
Имитатор акустики
инструмента
Линейный морфинг, демпферный резонанс, реакция молоточков, резонанс струн
Эффекты Реверберация (17 типов), хорус (16 типов), задержка (6 типов), ЦОС
Автоаккомпанемент Элементов данных: 200 предустановленных, 10 пользовательских
Музыкальные предустановки Элементов данных: 305 предустановленных, 50 пользовательских
Демонстрационных композиций 6
Устройство MIDI-записи •Функции: запись в реальном времени, воспроизведение
•Число композиций — 100
•Число дорожек — 17
•Емкость — до 50 тыс. нот на композицию (примерно).
•Защита записанных данных с помощью встроенной флэш-памяти
•Громкость устройства MIDI-записи регулируется.
Устройство звукозаписи •Запись в реальном времени на флэш-накопитель USB, воспроизведение*
* Линейная ИКМ, 16 бит, 44,1 кГц, стерео, формат «.WAV»
•Число композиций — 100 файлов
•Максимум 74 минуты (примерно) на один файл
•Громкость устройства звукозаписи регулируется.
Наборы настроек 96 наборов настроек (24 банков по 4 набора)
Метроном •Число долей — 0—9
•Интервал значений темпа — 20—255
•Громкость метронома регулируется.
Педали Демпферная (воспринимающая полунажатие), модератора, состенуто
Другие функции •Специальные кнопки для фортепианых тембров
•Регулируемый баланс
•Резервное копирование параметров
•Блокировка органов управления
MIDI 16-канальный мультитембральный прием
Колесо высоты тонаДиапазон отклонения высоты тона 00—24 полутонов
Флэш-накопитель USB •Емкость — не более 32 Гбайт (рекомендуемая).
•Воспроизведение файлов SMF напрямую, хранение и загрузка данных,
форматирование накопителя, воспроизведение и хранение звуковых данных
PX360-RU-1A.indd 67 2015/04/10 14:44:18

RU-66
Справочная информация
•Технические характеристики и дизайн могут быть изменены без предупреждения.
Входы, выходы•Гнёзда «PHONES»: 2 стереоминигнезда
•Педальные гнёзда — 2 стандартных гнезда
•Источник питания — 12 В пост. тока
•Выводы «MIDI OUT/IN»
•Гнёзда «LINE IN R, L/MONO»: 2 стандартных гнезда;
входной импеданс — 9,0 кОм;
выходное напряжение — 200 мВ
•Гнёзда «LINE OUT R, L/MONO»: 2 стандартных гнезда;
выходной импеданс — 2,3 кОм;
выходное напряжение — макс. 1,8 В (среднеквадр.)
•Звуковой вход: стереоминигнездо;
входной импеданс — 9,0 кОм;
выходное напряжение — 200 мВ
•Порт USB — тип B
•Порт для флэш-накопителя USB — тип A
•Гнездо для подключения педали (только для дополнительно приобретаемого педального блока
SP-33)
Динамики 2 шт.
φ
12 см и 2 шт.
φ
5 см (мощность 8 Вт + 8 ВТ)
Электропитание Адаптер переменного тока AD-A12150LW
•Автовыключение — примерно через 4 часа после последнего действия. Функцию
автовыключения можно отключить.
Потребляемая мощность 12 В = 10 Вт
Габариты 132,2 (ш) × 29,3 (г) × 13,9 (в) см
МассаОколо 11,9 кг
PX360-RU-1A.indd 68 2015/04/10 14:44:18

Справочная информация
RU-67
Обязательно прочитайте и соблюдайте следующие
правила безопасности.
•Перед сдачей на обслуживание или в ремонт
инструмента модели, оснащенной функцией
записи или иной функцией, обеспечивающей
хранение данных, все нужные данные следует
заархивировать на отдельном носителе. В
процессе обслуживания и ремонта к хранящимся в
инструменте данным открыт доступ, не
исключено также их удаление.
■Размещение инструмента
Не рекомендуется устанавливать изделие в
следующих местах:
•в местах, подверженных воздействию прямых
солнечных лучей и высокой влажности;
•в местах, подверженных воздействию очень
высоких и очень низких температур;
•вблизи радиоприемника, телевизора,
видеомагнитофона, тюнера.
•Перечисленные устройства не вызывают
нарушений в работе изделия, но само изделие
может создавать помехи приему
аудиовидеосигналов.
■Уход за инструментом
•Не протирать изделие бензином, спиртом,
разбавителями и им подобными химическими
средствами.
•Протирать изделие мягкой тканью, сухой или
смоченной в слабом водном растворе умеренного
нейтрального моющего средства. Перед
протиранием избыток влаги в ткани отжимать.
■Принадлежности из комплекта изделия и
продаваемые отдельно
Пользоваться только принадлежностями,
предписанными для использования с данным
изделием. Пользование непредписанными
принадлежностями создает риск возгорания,
поражения электрическим током, травмы.
■Линии спая
На наружной поверхности изделия могут быть
заметны линии. Это линии спая, образующиеся в
процессе формования пластмассы. Трещинами и
царапинами они не являются.
■Музыкальный этикет
При эксплуатации изделия всегда помните об
окружающих. Особенно внимательными будьте при
игре ночью и устанавливайте такой уровень
громкости, чтобы никого не беспокоить. Ночью
можно также закрывать окна и надевать наушники.
•Воспроизведение содержания данной инструкции,
как частично, так и полностью, запрещается.
Любое использование содержания данной
инструкции, помимо личного пользования, без
согласия «CASIO» запрещено законами об
авторском праве.
•КОМПАНИЯ «CASIO» НИ ПРИ КАКИХ
ОБСТОЯТЕЛЬСТВАХ НЕ НЕСЕТ
ОТВЕТСТВЕННОСТИ НИ ЗА КАКОЙ УЩЕРБ
(ВКЛЮЧАЯ, В ЧАСТНОСТИ, УБЫТКИ В
СВЯЗИ С УПУЩЕННОЙ ВЫГОДОЙ,
ПЕРЕРЫВОМ В ДЕЯТЕЛЬНОСТИ, ПОТЕРЕЙ
ИНФОРМАЦИИ), ВОЗНИКАЮЩИЙ В
РЕЗУЛЬТАТЕ ПОЛЬЗОВАНИЯ ИЛИ
НЕВОЗМОЖНОСТИ ПОЛЬЗОВАНИЯ
ДАННОЙ ИНСТРУКЦИЕЙ ИЛИ ИЗДЕЛИЕМ,
ДАЖЕ ЕСЛИ КОМПАНИЯ «CASIO» БЫЛА
УВЕДОМЛЕНА О ВОЗМОЖНОСТИ ТАКОГО
УЩЕРБА.
•Содержание данной инструкции может быть
изменено без предупреждения.
■Правила обращения с адаптером
переменного тока
•Сетевая розетка должна быть легкодоступна,
чтобы при возникновении неисправности и при
любой иной необходимости адаптер можно было
вынуть из розетки.
•Адаптер переменного тока предназначен для
эксплуатации только в помещении. Не
пользоваться адаптером там, где на него могут
попасть брызги или воздействовать влага. Не
ставить на адаптер ваз и иных емкостей с
жидкостью.
•Хранить адаптер в сухом месте.
•Пользоваться адаптером в открытом, хорошо
проветриваемом месте.
•Не накрывать адаптер газетой, скатертью,
занавеской, любыми иными подобными
предметами.
•Если вы планируете долго не включать цифровое
пианино, отсоедините адаптер от сетевой розетки.
•Не пытаться чинить адаптер и переделывать его.
•Рабочие условия адаптера переменного тока:
температура — 0—40°C;
влажность (относительная) — 10—90%.
Выходная полярность &
Правила безопасности
PX360-RU-1A.indd 69 2015/04/10 14:44:19

RU-68
Справочная информация
Правила обращения с адаптером переменного тока
Модель AD-A12150LW
1. Прочитать настоящие указания.
2. Настоящие указания хранить под рукой.
3. Учесть все предупреждения.
4. Соблюдать все указания.
5. Не работать с изделием около воды.
6. Протирать изделие только сухой тканью.
7. Не устанавливать изделие у радиаторов, обогревателей, печей, любых иных источников тепла (в
т. ч. усилителей).
8. Пользоваться только приспособлениями и принадлежностями, указанными изготовителем.
9. Любое обслуживание осуществлять силами квалифицированного обслуживающего персонала.
Обслуживание требуется в следующих случаях: повреждение изделия, повреждение сетевого
шнура или разъема, попадание в изделие жидкости, попадание в изделие постороннего предмета,
попадание изделия под дождь или во влажную среду, нарушение нормальной работы изделия,
падение изделия.
10. Не допускать попадания на изделие брызг и капель. Не ставить на изделие предметов с
жидкостью.
11. Не допускать, чтобы электрическая нагрузка превышала номинальную.
12. Перед подключением к источнику питания удостоверяться, что вокруг сухо.
13. Проверять, правильно ли изделие ориентировано.
14. На время грозы, а также если планируется долго не включать изделие, отсоединять его от сети.
15. Не допускать перекрытия вентиляционных отверстий изделия. Устанавливать изделие в
соответствии с указаниями изготовителя.
16. Следить за местонахождением сетевого шнура: на него не должны наступать, он не должен
сильно загибаться, особенно у разъемов и розеток, а также в месте подсоединения к изделию.
17. Адаптер переменного тока должен подключаться к сетевой розетке, расположенной как можно
ближе, чтобы в случае крайней необходимости его можно было немедленно отсоединить.
Нижеприведенный символ предупреждает о таком опасном уровне напряжения в корпусе изделия при
отсутствии изоляции, который может оказаться достаточным для поражения электрическим током.
’
Нижеприведенный символ указывает на то, что в документации к изделию имеются важные указания,
касающиеся его эксплуатации и обслуживания.
*
PX360-RU-1A.indd 70 2015/04/10 14:44:19

Справочная информация
RU-69
STLport
Copyright 1994 Hewlett-Packard Company
Copyright 1996,97 Silicon Graphics Computer Systems, Inc.
Copyright 1997 Moscow Center for SPARC Technology.
Permission to use, copy, modify, distribute and sell this software and
its documentation for any purpose is hereby granted without fee,
provided that the above copyright notice appear in all copies and that
both that copyright notice and this permission notice appear in
supporting documentation. Hewlett-Packard Company makes no
representations about the suitability of this software for any
purpose. It is provided "as is" without express or implied warranty.
Permission to use, copy, modify, distribute and sell this software and
its documentation for any purpose is hereby granted without fee,
provided that the above copyright notice appear in all copies and that
both that copyright notice and this permission notice appear in
supporting documentation. Silicon Graphics makes no representations
about the suitability of this software for any purpose. It is provided
"as is" without express or implied warranty.
Permission to use, copy, modify, distribute and sell this software and
its documentation for any purpose is hereby granted without fee,
provided that the above copyright notice appear in all copies and that
both that copyright notice and this permission notice appear in
supporting documentation. Moscow Center for SPARC Technology makes no
representations about the suitability of this software for any
purpose. It is provided "as is" without express or implied warranty.
PX360-RU-1A.indd 71 2015/04/10 14:44:20

A-1
Приложение
Перечень тембров
Номер
группы Название тембра
Смена
программы
Выбор
банка,
старший
разряд
ЦОС-
эффекты
Piano
001 GRAND PIANO CONCERT 0 2
002 GRAND PIANO BRIGHT 1 2
003 GRAND PIANO STUDIO 0 3 O
004 GRAND PIANO MODERN 0 4 O
005 ROCK PIANO 1 3 O
006 LA PIANO 1 4 O
007 DANCE PIANO 1 1 5
008 DANCE PIANO 2 1 6 O
009 GRAND PIANO MELLOW 0 5 O
010 MONO PIANO 1 0 6
011 MONO PIANO 2 0 7 O
012 TACK PIANO 0 8 O
013 GRAND PIANO CLASSIC 0 9
014 GRAND PIANO DOLCE 0 10 O
015 HONKY-TONK 3 2
016 OCTAVE PIANO 3 3
017 STRINGS PIANO 011 O
018 SYNTH-STR.PIANO 0 12
019 PIANO PAD 013
020 CHOIR PIANO 0 14
021 PIANO CHIME 015
022 ELEC.GRAND PIANO 2 2
023 MODERN E.G.PIANO 2 3
024 CHORUS E.G.PIANO 2 4 O
025 OFF VELO.HARPSICHORD 6 2 O
026 HARPSICHORD 6 3
027 COUPLED HARPSICHORD 6 4 O
028 HARPSICHORD & STRINGS 6 5
Elec.Piano
001 AiR ELEC.PIANO 1 4 2
002 AiR ELEC.PIANO 2 4 3
003 AiR ELEC.PIANO 3 4 4
004 AiR ELEC.PIANO 4 4 5 O
005 AiR ELEC.PIANO 5 4 6 O
006 AiR 60'S E.PIANO 1 4 7
007 AiR 60'S E.PIANO 2 4 8
008 AiR 60'S E.PIANO 3 4 9 O
009 AiR 60'S E.PIANO 4 4 10 O
010 ELEC.PIANO 1 411
011 ELEC.PIANO 2 4 12
012 ELEC.PIANO 3 413
013 ELEC.PIANO 4 4 14
014 ELEC.PIANO 5 415
015 DIGITAL E.PIANO 1 5 2
016 DIGITAL E.PIANO 2 5 3
017 DIGITAL E.PIANO 3 5 4
018 DIGITAL E.PIANO 4 5 5
019 DIGITAL E.PIANO 5 5 6
020 DIGITAL E.PIANO 6 5 7
021 DIGITAL E.PIANO 7 5 8
022 DIGITAL E.PIANO 8 5 9
023 DIGITAL E.PIANO 9 5 10
024 DYNO ELEC.PIANO 1 416
025 DYNO ELEC.PIANO 2 4 17 O
026 60'S ELEC.PIANO 1 418 O
027 60'S ELEC.PIANO 2 4 19 O
028 CHORUS E.PIANO 1 420
029 CHORUS E.PIANO 2 4 21
030 PHASER E.PIANO 1 422 O
031 PHASER E.PIANO 2 4 23 O
032 AMP E.PIANO 1 424 O
033 AMP E.PIANO 2 4 25 O
034 CRUNCH E.PIANO 426 O
035 DIZZY E.PIANO 4 27 O
036 ANALOG E.PIANO 1 511 O
037 ANALOG E.PIANO 2 5 12 O
038 OFF VELO.CLAVI 1 7 2
039 OFF VELO.CLAVI 2 7 3
040 CLAVI 1 7 4
041 CLAVI 2 7 5
042 CLAVI 3 7 6
043 CLAVI 4 7 7
044 WAH CLAVI 1 7 8 O
045 WAH CLAVI 2 7 9 O
046 CRUNCH CLAVI 710 O
047 VIBRAPHONE 1 11 2 O
048 VIBRAPHONE 2 11 3
049 MARIMBA 12 2
050 CELESTA 8 2
051 BRIGHT CELESTA 8 3 O
052 GLOCKENSPIEL 9 2
053 MUSIC BOX 1 10 2
054 MUSIC BOX 2 10 3O
055 XYLOPHONE 13 2
056 TUBULAR BELL 14 2
057 DULCIMER 15 2
Organ
001 DRAWBAR ORGAN 1 16 2 O
002 DRAWBAR ORGAN 2 16 3
003 DRAWBAR ORGAN 3 16 4
004 DRAWBAR ORGAN 4 16 5
005 JAZZ ORGAN 1 17 2
006 JAZZ ORGAN 2 17 3O
007 JAZZ ORGAN 3 17 4
008 PERC.ORGAN 1 17 5O
009 PERC.ORGAN 2 17 6 O
010 PERC.ORGAN 3 17 7O
011 ROCK ORGAN 1 18 2 O
012 ROCK ORGAN 2 18 3
013 ROCK ORGAN 3 18 4
014 ELEC.ORGAN 1 16 6O
015 ELEC.ORGAN 2 16 7 O
016 ELEC.ORGAN 3 16 8
017 70'S ORGAN 17 8 O
018 OVERDRIVE ORGAN 1 16 9O
019 OVERDRIVE ORGAN 2 16 10 O
020 TREMOLO ORGAN 16 11 O
021 FULL DRAWBAR 16 12
022 ROTARY ORGAN 17 9
023 CLICK ORGAN 17 10 O
024 SEQUENCE ORGAN 17 11
025 GOSPEL ORGAN 17 12 O
026 PIPE ORGAN 1 19 2
027 PIPE ORGAN 2 19 3
028 CHAPEL ORGAN 19 4
029 THEATER ORGAN 16 13
030 REED ORGAN 20 2
031 ACCORDION 1 21 2
032 ACCORDION 2 21 3
033 ACCORDION 3 21 4
034 BANDONEON SOLO 23 4
035 BANDONEON 1 23 2
036 BANDONEON 2 23 3
037 HARMONICA 1 22 2
038 HARMONICA 2 22 3
Guitar
001 NYLON STR.GUITAR 1 24 2
002 NYLON STR.GUITAR 2 24 3
003 NYLON STR.GUITAR 3 24 4O
004 STEEL STR.GUITAR 1 25 2
005 STEEL STR.GUITAR 2 25 3
006 STEEL STR.GUITAR 3 25 4
007 12 STR.GUITAR 25 5
008 STEEL GT HARMONICS 31 2
009 JAZZ GUITAR 26 2O
Номер
группы Название тембра
Смена
программы
Выбор
банка,
старший
разряд
ЦОС-
эффекты
PX360-RU-1A.indd 72 2015/04/10 14:44:20

Приложение
A-2
010 OCT JAZZ GUITAR 26 3
011 CLEAN GUITAR 1 27 2O
012 CLEAN GUITAR 2 27 3 O
013 CLEAN GUITAR 3 27 4O
014 CLEAN GUITAR 4 27 5
015 CHORUS CLEAN GUITAR 1 27 6O
016 CHORUS CLEAN GUITAR 2 27 7 O
017 CRUNCH ELEC.GUITAR 1 27 8O
018 CRUNCH ELEC.GUITAR 2 27 9 O
019 CRUNCH ELEC.GUITAR 3 27 10 O
020 CHORUS CRUNCH GUITAR 27 11 O
021 MUTE GUITAR 1 28 2
022 MUTE GUITAR 2 28 3
023 MUTE DIST.GUITAR 28 4O
024 OVERDRIVE GUITAR 1 29 2 O
025 OVERDRIVE GUITAR 2 29 3O
026 DISTORTION GT 1 30 2 O
027 DISTORTION GT 2 30 3O
028 DISTORTION GT 3 30 4 O
029 DISTORTION GT 4 30 5O
030 STEEL GT + STRUM.NOISE M 1 25 32
031 STEEL GT + STRUM.NOISE M 2 25 33
032 STEEL GT + STRUM.NOISE M 3 25 34
033 CLEAN GUITAR M 27 32
034 CRUNCH E.GUITAR M 1 27 33
035 CRUNCH E.GUITAR M 2 27 34
036 DISTORTION GT M 30 32
037 OVERDRIVE GT M 1 29 32
038 OVERDRIVE GT M 2 29 33
039 MUTE OVERDRIVE GT M 1 28 32
040 MUTE OVERDRIVE GT M 2 28 33
Bass
001 ACOUSTIC BASS 1 32 2
002 ACOUSTIC BASS 2 32 3O
003 RIDE BASS 32 4
004 FINGERED BASS 1 33 2
005 FINGERED BASS 2 33 3 O
006 FINGERED BASS 3 33 4
007 FINGERED BASS 4 33 5
008 PICKED BASS 1 34 2
009 PICKED BASS 2 34 3
010 SYNTH-BASS 1 38 2
011 SYNTH-BASS 2 38 3 O
012 SYNTH-BASS 3 38 4O
013 SYNTH-BASS 4 39 2
014 SYNTH-BASS 5 39 3O
015 SYNTH-BASS 6 39 4 O
016 TRANCE BASS 38 5
017 ORGAN BASS 39 5
018 FINGERED BASS M 1 33 32
019 FINGERED BASS M 2 33 33
020 SAW SYNTH-BASS M 39 32
021 SYNTH-BASS M 1 38 32
022 SYNTH-BASS M 2 38 33
Strings
001 STEREO STRINGS 1 49 2
002 STEREO STRINGS 2 48 2
003 STEREO STRINGS 3 48 3
004 WIDE STRINGS 48 4
005 STRINGS 48 5
006 STRING ENSEMBLE 1 48 6
007 STRING ENSEMBLE 2 48 7
008 SLOW STRINGS 49 3
009 BRIGHT STRINGS 48 8O
010 WARM STRINGS 48 9
011 PIZZICATO STRINGS 45 2
012 CHAMBER 48 10
013 OCTAVE STRINGS 48 11
014 ORCHESTRA PAD 48 12
015 SYNTH-STRINGS 1 50 2O
016 SYNTH-STRINGS 2 50 3
017 SYNTH-STRINGS 3 51 2
018 70'S SYNTH-STR. 50 4
019 80'S SYNTH-STR. 50 5
020 FAST SYNTH-STRINGS 50 6
Номер
группы Название тембра
Смена
программы
Выбор
банка,
старший
разряд
ЦОС-
эффекты
021 SLOW SYNTH-STRINGS 50 7
022 PHASER SYNTH-STRINGS 50 8 O
023 OCTAVE SYNTH-STRINGS 51 3
024 VIOLIN 40 2
025 SLOW VIOLIN 40 3
026 VIOLA 41 2
027 CELLO 42 2
028 SLOW CELLO 42 3
029 CONTRABASS 43 2
030 HARP 46 2
031 VIOLIN SECTION 48 13
032 HARP & STRINGS 49 4
033 CHOIR AAHS 52 2
034 CHOIR STRINGS 52 3
035 STRINGS VOICE 52 4
036 SLOW CHOIR 52 5
037 WAH CHOIR 52 6O
038 VOICE DOO 53 2
039 SYNTH-VOICE 1 54 2
040 SYNTH-VOICE 2 54 3
041 VOICE ENSEMBLE 54 4
042 SYNTH-VOICE PAD 54 5
043 CHORUS SYNTH-VOICE 54 6O
044 ORCHESTRA HIT 1 55 2
045 ORCHESTRA HIT 2 55 3O
Brass
001 STEREO BRASS 61 2O
002 BRASS 61 3
003 BRASS SECTION 1 61 4
004 BRASS SECTION 2 61 5
005 HARD BRASS 61 6
006 BRASS SFZ 61 7
007 BRASS & SAX 61 8
008 SYNTH-BRASS 1 62 2
009 SYNTH-BRASS 2 63 2
010 SYNTH-BRASS 3 62 3
011 WARM SYNTH-BRASS 62 4
012 ANALOG SYNTH-BRASS 62 5
013 80'S SYNTH-BRASS 62 6
014 TRANCE BRASS 63 3
015 CHORUS SYNTH-BRASS 62 7O
016 SYNTH-BRASS PAD 63 4
017 TRUMPET 1 56 2O
018 TRUMPET 2 56 3
019 MELLOW TRUMPET 56 4
020 VELO.TRUMPET 56 5
021 MUTE TRUMPET 59 2
022 TROMBONE 57 2
023 VELO.TROMBONE 57 3
024 JAZZ TROMBONE 57 4
025 FRENCH HORN 60 2
026 FRENCH HORN SECTION 60 3
027 TUBA 58 2
Reed
001 ALTO SAX 65 2O
002 BREATHY ALTO SAX 65 3 O
003 TENOR SAX 66 2O
004 BREATHY TENOR SAX 66 3 O
005 SOPRANO SAX 64 2
006 BREATHY S.SAX 64 3
007 BARITONE SAX 67 2
008 HARD A.SAX 65 4
009 SOFT T.SAX 66 4
010 T.SAXYS 66 5
011 CLARINET 71 2
012 VELO.CLARINET 71 3
013 OBOE 68 2
014 ENGLISH HORN 69 2
015 BASSOON 70 2
016 FLUTE 1 73 2 O
017 FLUTE 2 73 3
018 JAZZ FLUTE 73 4
019 PICCOLO 72 2
020 RECORDER 74 2
021 PAN FLUTE 75 2
Номер
группы Название тембра
Смена
программы
Выбор
банка,
старший
разряд
ЦОС-
эффекты
PX360-RU-1A.indd 73 2015/04/10 14:44:21

A-3
Приложение
022 BOTTLE BLOW 76 2
023 WHISTLE 78 2
024 OCARINA 79 2
025 SHAKUHACHI 77 2
Synth
001 SAW LEAD 1 81 2
002 SAW LEAD 2 81 3 O
003 SAW LEAD 3 81 4
004 MELLOW SAW LEAD 81 5
005 SLOW SAW LEAD 81 6
006 PULSE SAW LEAD 81 7
007 TRANCE LEAD 81 8
008 SS LEAD 81 9
009 SQUARE LEAD 1 80 2
010 SQUARE LEAD 2 80 3
011 SQUARE LEAD 3 80 4O
012 SLOW SQUARE LEAD 80 5
013 PHASER SQUARE LEAD 80 6O
014 PULSE LEAD 1 80 7
015 PULSE LEAD 2 80 8
016 SINE LEAD 80 9
017 VELO.SINE LEAD 80 10
018 SQUARE PULSE LEAD 80 11
019 VA SYNTH 1 80 12
020 VA SYNTH 2 80 13
021 VA SYNTH 3 80 14
022 VA SYNTH 4 80 15
023 VA SYNTH 5 80 16
024 VA SYNTH SEQ-BASS 1 81 10
025 VA SYNTH SEQ-BASS 2 81 11 O
026 SEQUENCE SAW 81 12
027 SAW ARPEGGIO 81 13
028 CALLIOPE 82 2
029 VENT LEAD 82 3
030 PIPE LEAD 82 4
031 CHIFF LEAD 83 2
032 VOICE LEAD 85 2
033 VOX LEAD 85 3
034 CHARANG 84 2
035 PLUCK LEAD 84 3
036 GT SYNTH-LEAD 84 4
037 CHURCH LEAD 85 4
038 DOUBLE VOICE LEAD 85 5
039 SYNTH-VOICE LEAD 85 6
040 FIFTH LEAD 86 2
041 FIFTH SAW LEAD 86 3
042 FIFTH SQUARE LEAD 86 4
043 FOURTH LEAD 86 5
044 SEVENTH SEQUENCE 86 6
045 BASS+LEAD 87 2
046 SYNTH-BASS+LEAD 87 3
047 REED LEAD 87 4
048 FANTASY 1 88 2
049 FANTASY 2 88 3O
050 NEW AGE 88 4
051 WARM VOX 89 2
052 WARM PAD 89 3
053 HORN PAD 89 4
054 POLYSYNTH 90 2
055 POLYSYNTH PAD 90 3O
056 SYNTH-PAD 90 4
057 VA SYNTH-PAD 1 90 6O
058 VA SYNTH-PAD 2 90 7 O
059 VA SYNTH-PAD 3 90 8O
060 POLY SAW 90 9
061 BRIGHT SAW PAD 1 90 10
062 BRIGHT SAW PAD 2 90 11
063 SPACE CHOIR 91 2
064 STAR VOICE 91 3 O
065 GLASS PAD 92 2
066 BOTTLE PAD 92 3
067 ETHNIC PAD 93 2
068 METAL PAD 93 3
069 HALO PAD 94 2
070 SWEEP PAD 95 2
Номер
группы Название тембра
Смена
программы
Выбор
банка,
старший
разряд
ЦОС-
эффекты
071 RAIN DROP 96 2
072 WOOD PAD 96 3
073 SOUND TRACK 97 2
074 CRYSTAL 98 2
075 VIBRAPHONE BELL 98 3
076 ATMOSPHERE 99 2
077 ATMOSPHERE PAD 99 3
078 STEEL PAD 99 4
079 BRIGHTNESS 100 2
080 ECHO VOICE 102 2
081 ECHO PAD 102 3
082 POLY DROP 102 4
083 STAR THEME 103 2
084 SPACE PAD 103 3
Ethnic
001 SITAR 1 104 2
002 SITAR 2 104 3
003 TANPURA 1 104 4
004 TANPURA 2 104 5
005 HARMONIUM 1 20 3
006 HARMONIUM 2 20 4
007 SAROD 105 4
008 SHANAI 111 3
009 TABLA 116 16
010 ER HU 1 110 16
011 ER HU 2 110 17
012 ER HU 3 110 18
013 YANG QIN 1 15 3
014 YANG QIN 2 15 4
015 PI PA 1 105 5
016 PI PA 2 105 6
017 DI ZI 1 72 3
018 DI ZI 2 72 4
019 ZHENG 1 107 3
020 ZHENG 2 107 4
021 XIAO 77 5
022 SHENG 109 3
023 SUO NA 111 4
024 CHINESE HARP 46 3
025 OUD 1 105 7
026 OUD 2 105 8
027 NEY 72 5
028 ARABIC ORGAN 16 14
029 ARABIC STRINGS 48 14
030 SAZ 15 5
031 KANUN 15 6
032 BANJO 105 2
033 MUTE BANJO 105 3
034 THUMB PIANO 108 2
035 STEEL DRUMS 114 2
036 RABAB 105 9
037 SHAMISEN 106 2
038 KOTO 107 2
GM
001 GM PIANO 1 0 0
002 GM PIANO 2 1 0
003 GM ELEC.GRAND PIANO 2 0
004 GM HONKY-TONK 3 0
005 GM E.PIANO 1 4 0
006 GM E.PIANO 2 5 0
007 GM HARPSICHORD 6 0
008 GM CLAVI 7 0
009 GM CELESTA 8 0
010 GM GLOCKENSPIEL 9 0
011 GM MUSIC BOX 10 0
012 GM VIBRAPHONE 11 0
013 GM MARIMBA 12 0
014 GM XYLOPHONE 13 0
015 GM TUBULAR BELL 14 0
016 GM DULCIMER 15 0
017 GM ORGAN 1 16 0
018 GM ORGAN 2 17 0
019 GM ORGAN 3 18 0
020 GM PIPE ORGAN 19 0
021 GM REED ORGAN 20 0
Номер
группы Название тембра
Смена
программы
Выбор
банка,
старший
разряд
ЦОС-
эффекты
PX360-RU-1A.indd 74 2015/04/10 14:44:21

Приложение
A-4
022 GM ACCORDION 21 0
023 GM HARMONICA 22 0
024 GM BANDONEON 23 0
025 GM NYLON STR.GUITAR 24 0
026 GM STEEL STR.GUITAR 25 0
027 GM JAZZ GUITAR 26 0
028 GM CLEAN GUITAR 27 0
029 GM MUTE GUITAR 28 0
030 GM OVERDRIVE GT 29 0
031 GM DISTORTION GT 30 0
032 GM GT HARMONICS 31 0
033 GM ACOUSTIC BASS 32 0
034 GM FINGERED BASS 33 0
035 GM PICKED BASS 34 0
036 GM FRETLESS BASS 35 0
037 GM SLAP BASS 1 36 0
038 GM SLAP BASS 2 37 0
039 GM SYNTH-BASS 1 38 0
040 GM SYNTH-BASS 2 39 0
041 GM VIOLIN 40 0
042 GM VIOLA 41 0
043 GM CELLO 42 0
044 GM CONTRABASS 43 0
045 GM TREMOLO STRINGS 44 0
046 GM PIZZICATO 45 0
047 GM HARP 46 0
048 GM TIMPANI 47 0
049 GM STRINGS 1 48 0
050 GM STRINGS 2 49 0
051 GM SYNTH-STRINGS 1 50 0
052 GM SYNTH-STRINGS 2 51 0
053 GM CHOIR AAHS 52 0
054 GM VOICE DOO 53 0
055 GM SYNTH-VOICE 54 0
056 GM ORCHESTRA HIT 55 0
057 GM TRUMPET 56 0
058 GM TROMBONE 57 0
059 GM TUBA 58 0
060 GM MUTE TRUMPET 59 0
061 GM FRENCH HORN 60 0
062 GM BRASS 61 0
063 GM SYNTH-BRASS 1 62 0
064 GM SYNTH-BRASS 2 63 0
065 GM SOPRANO SAX 64 0
066 GM ALTO SAX 65 0
067 GM TENOR SAX 66 0
068 GM BARITONE SAX 67 0
069 GM OBOE 68 0
070 GM ENGLISH HORN 69 0
071 GM BASSOON 70 0
072 GM CLARINET 71 0
073 GM PICCOLO 72 0
074 GM FLUTE 73 0
075 GM RECORDER 74 0
076 GM PAN FLUTE 75 0
077 GM BOTTLE BLOW 76 0
078 GM SHAKUHACHI 77 0
079 GM WHISTLE 78 0
080 GM OCARINA 79 0
081 GM SQUARE LEAD 80 0
082 GM SAW LEAD 81 0
083 GM CALLIOPE 82 0
084 GM CHIFF LEAD 83 0
085 GM CHARANG 84 0
086 GM VOICE LEAD 85 0
087 GM FIFTH LEAD 86 0
088 GM BASS+LEAD 87 0
089 GM FANTASY 88 0
090 GM WARM PAD 89 0
091 GM POLYSYNTH 90 0
092 GM SPACE CHOIR 91 0
093 GM BOWED GLASS 92 0
094 GM METAL PAD 93 0
095 GM HALO PAD 94 0
096 GM SWEEP PAD 95 0
Номер
группы Название тембра
Смена
программы
Выбор
банка,
старший
разряд
ЦОС-
эффекты
097 GM RAIN DROP 96 0
098 GM SOUND TRACK 97 0
099 GM CRYSTAL 98 0
100 GM ATMOSPHERE 99 0
101 GM BRIGHTNESS 100 0
102 GM GOBLINS 101 0
103 GM ECHOES 102 0
104 GM SF 103 0
105 GM SITAR 104 0
106 GM BANJO 105 0
107 GM SHAMISEN 106 0
108 GM KOTO 107 0
109 GM THUMB PIANO 108 0
110 GM BAGPIPE 109 0
111 GM FIDDLE 110 0
112 GM SHANAI 111 0
113 GM TINKLE BELL 112 0
114 GM AGOGO 113 0
115 GM STEEL DRUMS 114 0
116 GM WOOD BLOCK 115 0
117 GM TAIKO 116 0
118 GM MELODIC TOM 117 0
119 GM SYNTH-DRUM 118 0
120 GM REVERSE CYMBAL 119 0
121 GM GT FRET NOISE 120 0
122 GM BREATH NOISE 121 0
123 GM SEASHORE 122 0
124 GM BIRD 123 0
125 GM TELEPHONE 124 0
126 GM HELICOPTER 125 0
127 GM APPLAUSE 126 0
128 GM GUNSHOT 127 0
Drums
001 STANDARD SET 1 0 120
002 STANDARD SET 2 1120
003 STANDARD SET 3 2 120
004 STANDARD SET 4 3120
005 DANCE SET 29 120
006 TRANCE SET 31 120
007 HIP-HOP SET 9 120
008 ROOM SET 8120
009 POWER SET 16 120
010 ROCK SET 17 120
011 ELECTRONIC SET 24 120
012 SYNTH SET 1 25 120
013 SYNTH SET 2 30 120
014 JAZZ SET 32 120
015 BRUSH SET 40 120
016 ORCHESTRA SET 48 120
017 ETHNIC SET 1 49 120
018 ETHNIC SET 2 50 120
Номер
группы Название тембра
Смена
программы
Выбор
банка,
старший
разряд
ЦОС-
эффекты
PX360-RU-1A.indd 75 2015/04/10 14:44:22

A-5
Приложение
•У некоторых гитарных тембров при игре в самом
низком регистре (у левого края клавиатуры) и в
самом высоком регистре (у правого края
клавиатуры) бывают слышны бренчание,
обертоны, другие характерные призвуки.
•Информацию о том, какие ударные инструменты
каким клавишам клавиатуры присваиваются при
выборе набора ударных инструментов, см. в
разделе «Таблица соответствия клавишам звуков
ударных инструментов» на стр. A-6.
PX360-RU-1A.indd 76 2015/04/10 14:44:22

Приложение
A-6
Таблица соответствия клавишам звуков ударных инструментов
Ta bla Ge
Ta bla Ka
Ta bla Te
Ta bla Na
Ta bla Tun
Dholak Ge
Dholak Ke
Dholak Ta 1
Dholak Ta 2
Dholak Na
Dholak Ta 3
Dholak Ring
Mridangam Tha
Mridangam Dhom
Mridangam Dhi
Mridangam Dhin
Mridangam Num
High Q
Slap
Scratch Push
Scratch Pull
Sticks
Square Click
Metronome Click
Metronome Bell
Standard1 Kick 2
Standard1 Kick 1
Side Stick
Standard1 Snare 1
Hand Clap
Standard1 Snare 2
Low Tom 2
Closed Hi-Hat
Low Tom 1
Pedal Hi-Hat
Mid Tom 2
Open Hi-Hat
Mid Tom 1
High Tom 2
Crash Cymbal 1
High Tom 1
Ride Cymbal 1
Chinese Cymbal
Ride Bell
Ta m bourine
Splash Cymbal
Cowbell
Crash Cymbal 2
Vibraslap
Ride Cymbal 2
High Bongo
Low Bongo
Mute High Conga
Open High Conga
Open Low Conga
High Timbale
Low Timbale
High Agogo
Low Agogo
Cabasa
Maracas
Short High Whistle
Long Low Whistle
Short Guiro
Long Guiro
Claves
High Wood Block
Low Wood Block
Mute Cuica
Open Cuica
Mute Triangle
Open Triangle
Shaker
Jingle Bell
Standard2 Kick 2
Standard2 Kick 1
Standard2 Snare 1
Standard2 Snare 2
Standard2 Low Tom 2
Standard2 Closed Hi-Hat
Standard2 Low Tom 1
Standard2 Pedal Hi-Hat
Standard2 Mid Tom 2
Standard2 Open Hi-Hat
Standard2 Mid Tom 1
Standard2 High Tom 2
Standard2 Crash Cymbal 1
Standard2 High Tom 1
Standard2 Ride Cymbal 1
Standard2 Chinese Cymbal
Standard2 Ride Bell
Standard2 Splash Cymbal
Standard2 Crash Cymbal 2
Standard2 Ride Cymbal 2
Standard3 Kick 2
Standard3 Kick 1
Standard3 Snare 1
Standard3 Snare 2
Standard3 Closed Hi-Hat
Standard3 Pedal Hi-Hat
Standard3 Open Hi-Hat
Dance Kick 1
Dance Kick 2
Dance Kick 3
Dance Kick 4
Dance Kick 5
Dance Snare 1
Dance Snare 2
Dance Snare 3
Dance Snare 4
Dance Snare 5
Dance Snare 6
Dance Snare 7
Dance Snare 8
Dance Snare 9
Dance Tambourine
Hip-Hop Snare 4
Hip-Hop Snare 3
Techno Snare
Hip-Hop Rim Shot
Hip-Hop Snare 3 Rev.
Synth2 Kick 1 Rev.
Reverse Cymbal Gate
Hip-Hop Snare 4 Gate
Hip-Hop Snare 3 Gate
Techno Snare Gate
Hip-Hop Side Stick Gate
Hand Clap 2 Gate
Hip-Hop Scratch 1
Hip-Hop Scratch 2
Synth2 Kick 2
Synth2 Kick 1
Synth2 Snare 1
Synth2 Snare 2
Synth2 Low Tom 2
Synth2 Closed Hi-Hat 1
Synth2 Low Tom 1
Synth2 Closed Hi-Hat 2
Synth2 Mid Tom 2
Synth2 Open Hi-Hat
Synth2 Mid Tom 1
Synth2 Hi Tom 2
Synth2 Hi Tom 1
Synth2 Cymbal 2
Synth1 Kick 2
Synth1 Kick 1
Synth1 Rim Shot
Synth1 Snare 1
Synth1 Hand Clap
Synth1 Snare 2
Synth1 Low Tom 2
Synth1 Chh
Synth1 Low Tom 1
Synth1 Phh
Synth1 Mid Tom 2
Synth1 Ohh
Synth1 Mid Tom 1
Synth1 Hi Tom 2
Synth1 Cymbal
Synth1 Hi Tom 1
Synth1 Ride
Chinese Cymbal
Ride Bell
Synth 1 Tambourine
Splash Cymbal
Synth 1 Cowbell
Crash Cymbal 2
Vibraslap
Synth1 Kick 3
Trance Kick 2
Trance Kick 1
Trance Side Stick
Trance Snare 1
Trance Hand Clap
Trance Snare 2
Trance Closed Hi-Hat
Trance Open Hi-Hat 1
Trance Open Hi-Hat 2
Trance Tambourine
Hip-Hop Kick 2
Hip-Hop Kick 1
Hip-Hop Side Stick
Hip-Hop Snare 1
Hip-Hop Hand Clap
Hip-Hop Snare 2
Hip-Hop Closed Hi-Hat
Hip-Hop Pedal Hi-Hat
Hip-Hop Open Hi-Hat
Room Kick 2
Room Kick 1
Room Snare 1
Room Snare 2
Room Low Tom 2
Room Low Tom 1
Room Mid Tom 2
Room Mid Tom 1
Room High Tom 2
Room High Tom 1
Power Kick 2
Power Kick 1
Power Snare 1
Power Snare 2
Room Low Tom 2
Room Low Tom 1
Room Mid Tom 2
Room Mid Tom 1
Room High Tom 2
Room High Tom 1
Rock Kick 2
Rock Kick 1
Rock Side Stick
Rock Snare 1
Rock Snare 2
Rock Closed Hi-Hat
Rock Pedal Hi-Hat
Rock Open Hi-Hat
Rock Crash Cymbal
Rock Ride Cymbal
Rock Splash Cymbal
Elec. Kick 2
Elec. Kick 1
Elec. Snare 1
Elec. Snare 2
Elec. Low Tom 2
Elec. Low Tom 1
Elec. Mid Tom 2
Elec. Mid Tom 1
Elec. High Tom 2
Elec. High Tom 1
Reverse Cymbal
Synth1 Kick 2
Synth1 Kick 1
Synth1 Rim Shot
Synth1 Snare 1
Synth1 Hand Clap
Synth1 Snare 2
Synth1 Low Tom 2
Synth1 Closed Hi-Hat 1
Synth1 Low Tom 1
Synth1 Closed Hi-Hat 2
Synth1 Mid Tom 2
Synth1 Open Hi-Hat
Synth1 Mid Tom 1
Synth1 High Tom 2
Synth1 Crash Cymbal
Synth1 High Tom 1
Synth1 Ride Cymbal
Synth1 Tambourine
Synth1 Cowbell
Synth1 High Bongo
Synth1 Low Bongo
Synth1 Mute Hi Conga
Synth1 Open Hi Conga
Synth1 Open Low Conga
Synth1 Maracas
Synth1 Claves
Synth2 Kick 2
Synth2 Kick 1
Synth1 Rim Shot
Synth2 Snare 1
Synth2 Snare 2
Synth2 Low Tom 2
Synth2 Closed Hi-Hat 1
Synth2 Low Tom 1
Synth2 Closed Hi-Hat 2
Synth2 Mid Tom 2
Synth2 Open Hi-Hat
Synth2 Mid Tom 1
Synth2 High Tom 2
Synth2 High Tom 1
Synth1 Cowbell
Synth1 Maracas
Synth1 Claves
Jazz Kick 2
Jazz Kick 1
Jazz Snare 1
Jazz Snare 2
Jazz Kick 2
Brush Kick
Brush Side Stick
Brush Snare 1
Brush Slap
Brush Snare 2
Brush Crash Cymbal 1
Brush Ride Cymbal 1
Brush Ride Bell
Brush Tambourine
Brush Splash Cymbal
Brush Crash Cymbal 2
Brush Ride Cymbal 2
Closed Hi-Hat
Pedal Hi-Hat
Open Hi-Hat
Ride Cymbal 1
Jazz Kick 1
Concert BD
Concert SD
Castanets
Concert SD
Timpani F
Timpani F#
Timpani G
Timpani G#
Timpani A
Timpani A#
Timpani B
Timpani c
Timpani c#
Timpani d
Timpani d#
Timpani e
Timpani f
Concert Cymbal 2
Concert Cymbal 1
Ta bla Ge
Ta bla Ka
Ta bla Te
Ta bla Na
Ta bla Tun
Dholak Ge
Dholak Ke
Dholak Ta 1
Dholak Ta 2
Dholak Na
Dholak Ta 3
Dholak Ring
Mridangam Tha
Ta blah 1
Ta blah 2
Ta blah 3
Daf 1
Daf 2
Riq 1
Riq 2
Riq 3
Davul 1
Davul 2
Zill 1
Zill 2
Ban Gu
Hu Yin Luo
Xiao Luo
STANDARD
SET 1
STANDARD
SET 2
STANDARD
SET 3
Standard3 Kick 2
Standard3 Kick 1
Standard3 Snare 1
Standard3 Snare 2
STANDARD
SET 4 DANCE SET TRANCE SET HIP-HOP SET ROOM SET POWER SET ROCK SET ELECTRONIC
SET SYNTH SET 1 SYNTH SET 2 JAZZ SET BRUSH SET ORCHESTRA
SET ETHNIC SET 1 ETHNIC SET 2
C-1
D-1
E-1
F-1
G-1
A-1
B-1
C0
D0
E0
F0
G0
A0
B0
C1
D1
E1
F1
G1
A1
B1
C2
D2
E2
F2
G2
A2
B2
C3
D3
E3
F3
G3
A3
B3
C4
D4
E4
F4
G4
A4
B4
C5
D5
E5
F5
G5
A5
B5
1
3
5
6
8
10
12
13
15
17
18
20
22
24
25
27
29
30
32
34
36
37
39
41
42
44
46
48
49
51
53
54
56
58
60
61
63
65
66
68
70
72
73
75
77
78
80
82
84
2
4
7
9
11
14
16
19
21
23
26
28
31
33
35
38
40
43
45
47
50
52
55
57
59
62
64
67
69
71
74
76
79
81
83
C-1
E-1
F-1
A-1
B-1
C0
E0
F0
A0
B0
C1
E1
F1
A1
B1
C2
E2
F2
A2
B2
C3
E3
F3
A3
B3
C4
E4
F4
A4
B4
C5
E5
F5
A5
B5
Номер
клавиши и
ноты
PX360-RU-1A.indd 77 2015/04/10 14:44:24

A-7
Приложение
Bell Tree
Castanets
Mute Surdo
Open Surdo
Applause 1
Applause 2
Ta blah 1
Ta blah 2
Ta blah 3
Daf 1
Daf 2
Riq 1
Riq 2
Riq 3
Davul 1
Davul 2
Zill 1
Zill 2
Ban Gu
Hu Yin Luo
Xiao Luo
Xiao Bo
Low Tang Gu
Mid Tang Gu
High Tang Gu
Hip-Hop Kick 3
Dance Kick 6
Dance Snare 10
Hand Clap 3
Dance Snare 11
Elec Low Tom 2
Hip-Hop Closed Hi-Hat
Elec Low Tom 1
Hip-Hop Pedal Hi-Hat
Elec Mid Tom 2
Hip-Hop Open Hi-Hat
Elec Mid Tom 1
Elec Hi Tom 2
Techno Cymbal
Elec Hi Tom 1
Techno Ride
Low Tom 2
Closed Hi-Hat
Low Tom 1
Pedal Hi-Hat
Mid Tom 2
Open Hi-Hat
Mid Tom 1
High Tom 2
Crash Cymbal 1
High Tom 1
Ride Cymbal 1
Ta m bourine 2
Ta m bourine 3
Cabasa 2
Maracas 2
Claves 2
Mute Triangle 2
Open Triangle 2
Shaker 2
Hand Clap
Hand Clap 2
Mridangam Dhom
Mridangam Dhi
Mridangam Dhin
Mridangam Num
Xiao Bo
Low Tang Gu
Mid Tang Gu
High Tang Gu
C6
D6
E6
F6
G6
A6
B6
C7
D7
E7
F7
G7
A7
B7
C8
D8
E8
F8
G8
A8
B8
C9
D9
E9
F9
G9
85
87
89
90
92
94
96
97
99
101
102
104
106
108
109
111
113
114
116
118
120
121
123
125
126
128
C6
E6
F6
A6
B6
C7
E7
F7
A7
B7
C8
E8
F8
A8
B8
C9
E9
F9
86
88
91
93
95
98
100
103
105
107
110
112
115
117
119
122
124
127
STANDARD
SET 1
STANDARD
SET 2
STANDARD
SET 3
STANDARD
SET 4 DANCE SET TRANCE SET HIP-HOP SET ROOM SET POWER SET ROCK SET ELECTRONIC
SET SYNTH SET 1 SYNTH SET 2 JAZZ SET BRUSH SET ORCHESTRA
SET ETHNIC SET 1 ETHNIC SET 2
•Стрелка (») означает тот же звук, что и в стандартном наборе «STANDARD SET 1».
Номер
клавиши и
ноты#
PX360-RU-1A.indd 78 2015/04/10 14:44:25

Приложение
A-8
Перечень стилей
Номер группы Название стиля
Pops
001 POP ROCK 1
002 POP
003 ELECTROPOP
004 FUNK 8 BEAT
005 UK BEAT
006 6/8 POP
007 ACOUSTIC GUITAR POP
008 POP ROCK 2
009 SLOW SOUL
010 FAST SOUL
011 60's SOUL
012 OLDIES SOUL
013 60's POP
014 60's SHUFFLE
015 POP SHUFFLE
8 Beat
001 STRAIGHT 8 BEAT
002 MELLOW 8 BEAT
003 GUITAR 8 BEAT
004 FAST 8 BEAT
005 8 BEAT
006 OLDIES 8 BEAT
007 60's 8 BEAT
16 Beat
001 16 BEAT
002 FUNK 16 BEAT
003 16 BEAT SHUFFLE
004 FUNK SHUFFLE
005 LATIN FUSION
Rock
001 STRAIGHT ROCK
002 SHUFFLE ROCK
003 6/8 ROCK
004 SHUFFLE BLUES
005 SLOW BLUES
006 ROCK BLUES
007 6/8 BLUES
008 EP BLUES
009 R&B
010 SOFT ROCK
011 LATIN ROCK
012 ORGAN ROCK
013 70's PIANO ROCK
014 ROCK
015 60's ROCK 1
016 60's ROCK 2
017 OLDIES ROCK
018 SLOW ROCK
019 ROCK & ROLL
020 50's PIANO ROCK
021 50's ROCK
022 NEW ORLNS R&R
Dance
001 PIANO HIP-HOP
002 HIP-HOP
003 DANCE POP
004 DISCO POP
005 TECHNO POP
006 TRANCE
007 MODERN R&B
008 MODERN DANCE
009 DISCO SOUL
Jazz
001 SLOW BIG BAND
002 MIDDLE BIG BAND
003 FAST BIG BAND
004 ORCHESTRA SWING
005 SWING
006 SLOW SWING
007 JAZZ WALTZ
008 FOX TROT
009 QUICKSTEP
010 JAZZ COMBO 1
European
001 SCHLAGER
002 POLKA
003 WALTZ 1
004 WALTZ 2
005 SLOW WALTZ
006 VIENNESE WALTZ
007 FRENCH WALTZ
008 SERENADE
009 TANGO
010 MARCH 1
011 MARCH 2
Latin
001 BOSSA NOVA
002 SLOW BOSSA NOVA
003 BEGUINE
004 SAMBA 1
005 SAMBA 2
006 MAMBO
007 RHUMBA
008 CHA-CHA-CHA
009 MERENGUE
010 BOLERO
011 SALSA 1
012 SALSA 2
013 REGGAE
014 POP REGGAE
015 SKA
016 REGGAETON 1
017 REGGAETON 2
018 CUMBIA
019 CALYPSO
020 FORRO
021 PAGODE
022 BANDA
023 PASILLO
024 ARGENTINE CUMBIA
025 PUNTA
026 BACHATA
World
American
001 DIXIE
002 TEX-MEX
003 FAST GOSPEL
004 SLOW GOSPEL
005 HAWAIIAN
Spanish/Eastern European
006 PASODOBLE
007 CAUCASIAN
008 RUSSIAN CHANSON 1
009 RUSSIAN CHANSON 2
010 POLISH WALTZ
Номер группы Название стиля
PX360-RU-1A.indd 79 2015/04/10 14:44:26

A-9
Приложение
•Стили «Piano Rhythms» 011—020 звучат только
при взятии аккорда.
Arabic/Oriental
011 MALFOUF
012 BALADI
013 KHALIJI
014 ADANI
015 MUS
016 SIRTAKI
Indian
017 BHANGRA
018 DADRA
019 GARBA
020 KEHARWA
021 DANDIYA
022 TEEN TAAL
023 BHAJAN
Chinese
024 GUANGDONG
025 JIANGNAN
026 BEIJING
027 DONGBEIYANGGE
028 JINGJU
029 HUANGMEIXI
030 QINQIANG
031 YUJU
032 YAOZU
033 DAIZU
034 MIAOZU
035 MENGGU
036 XINJIANG
037 ZANGZU
038 CHINESE POP
Southeast Asian
039 KRONCONG
040 DANGDUT
Japanese
041 ENKA
Country
001 MODERN COUNTRY
002 COUNTRY 8 BEAT
003 COUNTRY 16 BEAT
004 COUNTRY BALLAD
005 COUNTRY SHUFFLE 1
006 COUNTRY SHUFFLE 2
007 FINGER PICKING COUNTRY
008 COUNTRY WALTZ
009 BLUEGRASS
Various
001 CHRISTMAS SONG
002 CHRISTMAS WALTZ
003 SCREEN SWING
004 SYMPHONY
005 STR QUARTET
Ballad
001 PIANO ROCK BALLAD
002 90's BALLAD
003 MODERN BALLAD
004 ELECTRIC BALLAD
005 SLOW BALLAD 1
006 SLOW BALLAD 2
007 R&B BALLAD
008 16 BEAT BALLAD
009 BRUSH BALLAD
010 POP BALLAD
011 PIANO WALTZ BALLAD
012 90's 6/8 BALLAD
013 6/8 BALLAD 1
014 6/8 BALLAD 2
Номер группы Название стиля
015 EASY LISTENING BALLAD
016 UNPLUGGED BALLAD
017 ROCK BALLAD 1
018 ROCK BALLAD 2
019 6/8 ROCK BALLAD
020 OLDIES BALLAD
Piano Rhythms
001 PIANO 8 BEAT
002 PIANO BALLAD 1
003 PIANO BALLAD 2
004 EP BALLAD 1
005 EP BALLAD 2
006 BLUES BALLAD
007 JAZZ COMBO 2
008 JAZZ COMBO 3
009 RAGTIME
010 BOOGIE-WOOGIE
011 PIANO ROCK & ROLL
012 ARPEGGIO 1
013 ARPEGGIO 2
014 ARPEGGIO 3
015 PIANO MARCH 1
016 PIANO MARCH 2
017 STRIDE PIANO
018 WALTZ 3
019 WALTZ 4
020 WALTZ 5
Номер группы Название стиля
PX360-RU-1A.indd 80 2015/04/10 14:44:26

Приложение
A-10
Перечень музыкальных предустановок
Номер группы Название предустановки
Pops
001 Soft Pop
002 Winter Pop
003 Oldies Pop
004 Alpine Flora
005 Gypsy
006 Rain Pop
007 Movie Waltz
008 Funky Pop
009 Love Pop
010 60's Pop
011 Rising Sun
012 Pop Ska
013 Weep Blues
014 Cartoon
015 Carol
016 My Life
017 Blue Love
018 Xmas Pop
019 Shuffle Pop1
020 Shuffle Pop2
021 70's Soul
022 70's Pop
023 West Coast
024 Bossa Pop
025 Radio Pop
026 Crazy Roll
027 80's Pop 1
028 80's Pop 2
029 UK Pop 1
030 UK Pop 2
031 A Feeling
032 Calling
033 80's EuroPop
034 The World
035 Mexican Pop
036 Guitar Pop
037 90's Pop
038 Wonder
039 Modern Pop 1
040 Modern Pop 2
041 MdrnPopRock
042 Basic 1
043 Basic 2
044 Basic 3
045 Basic 4
046 Basic 5
Dance
001 Funky Disco
002 Funky Clavi
003 Disco Soul
004 70's Disco
005 Disco Lady
006 Staying
007 Up&Down
008 80's Disco
009 80'sDancePop
010 Bb Girl
011 Blv Disco
012 Lady Jam
013 Into Your H
014 Euro Pop
015 Modern Dance
016 Trance
017 ShuffleDance
Rock
001 50's Rock 1
002 50's Rock 2
003 Heartache
004 EP R&R
005 Pop R&B
006 60's Rock 1
007 60's Rock 2
008 60's Rock 3
009 60's Rock 4
010 60's Rock 5
011 Get Rock
012 Honky Rock
013 Wild Rock
014 Alligator
015 Movie Rock
016 Pop Rock
017 16Bt Shuffle
018 Heat Up
019 Hard Rock
020 Grunge Rock
021 Modern Rock
022 R&R
023 Piano R&R
024 Blues
025 8 Bars Blues
026 Riff Rock 1
027 Riff Rock 2
028 Riff Rock 3
Jazz
001 My Swing
002 Your Things
003 Angel
004 Time Passes
005 Piano Trio
006 Goodbye
007 Marine Dance
008 Vine Days
009 TraneChanges
010 RhythmChange
011 Swing Mood
012 The Big Mood
013 Brown Jug
014 Jazz Club
015 All Day Long
016 Avenue
017 Big Band 1
018 Big Band 2
019 Jazz Waltz 1
020 Jazz Waltz 2
021 Jazz Waltz 3
022 Mode Jazz
023 Tea Time
024 Welcome Home
025 Jazz Opera
026 NY City
027 Soul & Jazz
028 Loneliness
029 Foggy
030 Moon Swing
031 Jazz Ballad1
032 Jazz Ballad2
033 Jazz Ballad3
034 PatheticTrip
035 Night Sky
036 Twilight
037 Blues in F
038 Blues in Bb
039 Blues in C
040 II-V
041 II-V-I
042 Minor Blues
Classic
001 Canon
002 Air G String
003 Je Te Veux
004 Adagio
005 Spring
006 Ave Maria
007 JesusBleibet
008 Symphony 25
009 Symphony 40
010 HungriaDance
011 Eine Kleine
012 Pathetique
013 Moonlight
014 PstlSymphony
015 Ode To Joy
016 Le Cygne
017 Swan Lake
018 Valse Fleurs
019 Habanera
020 Nocturne
021 Etude
022 FrenchCancan
023 FantaisieImp
024 Humoresque
Номер группы Название предустановки
PX360-RU-1A.indd 81 2015/04/10 14:44:26

A-11
Приложение
025 Pavane
026 Hope & Glory
027 Moldau
028 FromNewWorld
029 Reverie
030 Nutcracker
031 Liebestraume
032 Gymnopedies
033 Jupiter
034 Entertainer
035 MapleLeafRag
Trad
001 Michael Row
002 GrndpasClock
003 Troika
004 AuldLangSyne
005 Aloha Oe
006 O Sole Mio
007 Furusato
008 SzlaDziweczk
009 Battle Hymn
010 Condor
011 ScarboroFair
012 Danny Boy
013 Greensleeves
014 Annie Laurie
015 AmazingGrace
016 WeWishU Xmas
017 Silent Night
018 Joy To World
019 YankeeDoodle
020 Clarnt Polka
021 TaRaRaBoom
022 Double Eagle
023 Blauen Donau
024 Yellow Rose
025 BeautDreamer
Latin
001 Satellite
002 Rio
003 Aqua
004 Single
005 Sea Shore
006 Poor Pitch
007 Mountain
008 Heartless
009 Carnival
010 Mythology
011 Tico-Tico
012 Beguine
013 Amapola
014 La Paloma
015 Banana Boat
016 Peanut
017 A Cup Of
018 Jamaica
019 60's Movie 1
020 60's Movie 2
021 The No.5
022 Everyday
023 Kiss Me
024 El Tango
025 El Choclo
026 Reggae 1
027 Reggae 2
028 Pop Reggae 1
029 Pop Reggae 2
030 Latin Rock 1
031 Latin Rock 2
032 Modern Latin
Country
001 US Folk 1
002 US Folk 2
003 50's Country
004 70's Country
005 60's Folk
006 Tree
007 A Friend
008 Cowboy
009 Country Bld1
010 Country Bld2
011 Country Bld3
012 CountryWaltz
013 Mdrn Country
Номер группы Название предустановки
Ballad
001 Love Ballad
002 R&B Ballad
003 Soul Ballad
004 Blues Ballad
005 MovieBallad1
006 MovieBallad2
007 MovieBallad3
008 Xmas Ballad
009 Love Me
010 Oldies Bld 1
011 Oldies Bld 2
012 Oldies Bld 3
013 Oldies Bld 4
014 E World
015 Guitar Bld 1
016 Guitar Bld 2
017 Moon Waltz
018 Theme
019 Paradise
020 60's Ballad1
021 60's Ballad2
022 Baroque Bld
023 FrenchBallad
024 Everywhere
025 Wonderful
026 70's Ballad1
027 70's Ballad2
028 70's Ballad3
029 My Song
030 Peace
031 Without
032 Soundtrack
033 Soft Ballad
034 Memories
035 Minor Ballad
036 Pop Ballad 1
037 Pop Ballad 2
038 PianoBallad1
039 PianoBallad2
040 Musical Bld
041 R Ballad
042 Love Song
043 80's Ballad1
044 80's Ballad2
045 80's Ballad3
046 80's Ballad4
047 Friends
048 Rock Ballad1
049 Rock Ballad2
050 Two Flames
051 90's Ballad1
052 90's Ballad2
053 90's Ballad3
054 90's SoulBld
055 I Always
056 6/8 Ballad
057 Wind Ballad
058 90's 6/8 Bld
059 My Ballad
060 MdrnSoulBld1
061 MdrnSoulBld2
062 Mdrn Pf Bld
063 Rap Ballad
064 Dance Ballad
065 MdrnRock Bld
066 Slow Ballad
Номер группы Название предустановки
PX360-RU-1A.indd 82 2015/04/10 14:44:27

Приложение
A-12
Указатель способов взятия аккордов
Аккорды «Fingered 1», «Fingered 2»
*1. В режиме «Fingered 2» трактуется как Am7.
*2. В режиме «Fingered 2» трактуется как Am7b5.
*3. Обращения в некоторых случаях не распознаются.
*4. «Full Range Chord» не действует.
C
Cm
Cdim
Caug *3
C5
Csus4 *3
Csus2 *3
C7
Cm7 *3
CM7
CmM7
Cdim7 *3
CdimM7
C75 *3
Cm75 *3
CM75
Caug7
CaugM7
C7sus4
C6 *1 *3
Cm6 *2 *3
Cadd9
Cmadd9
C69 *3
Cm69 *3
C7 (9)
C7 (9)
C7 (9)
C7 (11)
C7 (13)
C7 (13)
Cm7 (9)
Cm7 (11) *3
CM7 (9)
CmM7 (9)
C5
C8
(только корень и квинта) *4
(только корень или корень +
октава) *4
PX360-RU-1A.indd 83 2015/04/10 14:44:27

A-13
Приложение
В дополнение к аккордам, берущимся в режимах
«Fingered 1» и «Fingered 2», распознаются также
следующие аккорды.
•В режиме «Fingered 3» нижняя из взятых нот
трактуется как основная. Обращения не
распознаются.
•Если в режиме «Full Range» нижняя нота
несколько отстоит от соседней, аккорд трактуется
как аккорд с самостоятельным басом.
•В отличие от режимов «Fingered» 1, 2 и 3, в
режиме «Full Range» для извлечения аккорда
требуется нажать минимум на три клавиши.
Аккорды «Fingered 3», «Full Range»
C
#
C
D
C
F
#
C
F
C
G
C
A
b
C
A
C
Gm
C
Am
C
B
b
m
C
Ddim
C
Fdim
C
FM7
C
A
b
M7
C
F
#
m7
b
5
C
Gdim
C
Adin
C
Bdin
C
A
b
7
C
F7
C
Fm7
C
B
b
C
C
#
m
C
Dm
C
Fm
C
Bm
C
A
b
m
C
F
#
m
C
Gm7
C
A
b
add9
C
C
#
dim
C
F
#
din
C
A
b
din
C
PX360-RU-1A.indd 84 2015/04/10 14:44:27

Приложение
A-14
Перечень параметров
Для проверки показателя настройки следующей категории: См. следующий столбец в нижеприведенной
таблице:
Показатели настройки, которые всегда сохраняются при выключении инструмента 1
Показатели настройки, которые восстанавливаются с прошлого раза в том виде, в каком
они были перед выключением инструмента (когда функция «Auto Resume» выставлена на
«On» (стр. RU-53))
2
Показатели настройки, хранящиеся в регистрационной памяти (стр. RU-34) 3
Показатели настройки, сменяющиеся при выборе установки мгновенного вызова
(стр. RU-23) 4
Показатели настройки, сменяющиеся при выборе рояльного тембра (стр. RU-14). 5
Показатели настройки, сменяющиеся при выборе музыкальной предустановки (стр. RU-28)
6
Показатель
настройки 1 2 3 4 5 6
System Setting
Speaker O
Touch Response OO
Touch Off Velocity O O
Metronome Count O
Accomp Freeze O
Tuning O
Temperament O
Temperament Base Note O
Accomp Temperament O
Stretch Tuning O
Brightness O
N.Gate Thrash O
Auto Resume O
Auto Power Off O
Duet
On/Off OOOOO*3
Octave O O
Duet Pan OO
Controller
Pedal Assign OO
Upper 1 Pedal O O
Upper 2 Pedal OO
Lower 1 Pedal O O
Lower 2 Pedal OO
Bend Range O O
MIDI
Keyboard Channel O
Accomp Out O
Chord Judge O
Hi-Res Vel Out O
Local Control
MIDI In Port O
MIDI Out/Thru O
Main/Tone Setting
Split Point O O
Transpose OO
Part On/Off O O O O O
Part Octave OOOOO
Mixer (настройка микшера для партий 1-5 порта A)
Tone OOOOO
Volume O O O O O
Pan OOOOO
Coarse Tune O O O O O
Fine Tune OOOOO
Bend Range O O O O O
Reverb Send OOOOO
Chorus Send O O O O O
Delay Send OOOOO
Part On/Off
Effect
Brilliance O O O O O
Reverb Type OOOOO
Chorus Type O O O O O
Delay Type OOOOO
Hammer Response O
String Resonance O
Rhythm
Rhythm No OO*1OO
Accomp On/Off O O*1O O
Chord input Type OO*1O
Synchro state O*1O O O
Tempo OO*1OOO
Accomp Part on/off O O*1O O
Harmonize on/off OO OO
Harmonize Type O O O O
Auto Chord OO*1OO
Music Preset Key Shift O O*1
Music Preset O*1*2O*2
Balance
Accomp Volume OO*1
MIDI Volume O
Keyboard Volume O
Audio Volume O
Line in Volume O
Metronome Volume O
Other
Registration Bank O
*1. При включенной фиксации параметров аккомпанемента не
меняются.
*2. Вызывается аккордовая последовательность, хранящаяся под
соответствующим номером.
*3. Выбор музыкальной предустановки приводит к выходу из
режима «Дуэт».
Показатель
настройки 1 2 3 4 5 6
PX360-RU-1A.indd 85 2015/04/10 14:44:28

A-15
Приложение
Примеры аккордов
(A)/BBF/(G)G(G)/AAFCC
/(D)D(D)/EE
Root
Chord
Type
M
m
dim
aug
5
sus4
sus2
7
m7
M7
mM7
dim7
dimM7
75
m75
M75
aug7
augM7
7sus4
PX360-RU-1A.indd 86 2015/04/10 14:44:31

Приложение
A-16
(A)/BBF/(G)G(G)/AAFCC
/(D)D(D)/EE
Root
Chord
Type
6
m6
add9
madd9
69
m69
7 (9)
7 (9)
7 (9)
7 (11)
7 (13)
7 (13)
m7 (9)
m7 (11)
M7 (9)
mM7
(9)
5
8
•Ввиду ограниченности диапазона взятия аккордов у этой модели взятие некоторых из аккордов, показанных выше, может быть невозможно.
PX360-RU-1A.indd 87 2015/04/10 14:44:34

A-17
Приложение
■Порт A: клавиатура, воспроизведение
автоаккомпанемента, другое
■Порт B: воспроизведение системной
дорожки устройства MIDI-записи
■Порт C: воспроизведение сольных
дорожек устройства MIDI-записи
Соотношение партий и
MIDI-каналов
№ партии MIDI-канал *1Функция
1 In:1 Out:01 *2Upper1
2In:2 Out:02 Upper2
3 In:3 Out:03 Lower1
4In:4 Out:04 Lower2
5 In:5 Out:05 Auto Harmonize
6In:6 –
7 In:7 –
8In:8 Metronome
9 In:9 Out:9 Accomp Percussion *3
10 In:10 Out:10 Accomp Drum *3
11 In:11 Out:11 Accomp Bass *3
12 In:12 Out:12 Accomp Chord1 *3
13 In:13 Out:13 Accomp Chord2 *3
14 In:14 Out:14 Accomp Chord3 *3
15 In:15 Out:15 Accomp Chord4 *3
16 In:16 Out:16 Accomp Chord5 *3
№ партии MIDI-канал *1Функция
1 In:1 MIDI Recorder System Track Upper1
2In:2 MIDI Recorder System Track Upper2
3 In:3 MIDI Recorder System Track Lower1
4In:4 MIDI Recorder System Track Lower2
5 In:5 MIDI Recorder System Track Auto
Harmonize
6In:6 –
7 In:7 –
8In:8 –
9 In:9 –
10 In:10 –
11 In:11 –
12 In:12 –
13 In:13 –
14 In:14 –
15 In:15 –
16 In:16 –
№ партии MIDI-канал *1Функция
1 In:1 MIDI Recorder Solo Track 1
2In:2 MIDI Recorder Solo Track 2
3 In:3 MIDI Recorder Solo Track 3
4In:4 MIDI Recorder Solo Track 4
5 In:5 MIDI Recorder Solo Track 5
6In:6 MIDI Recorder Solo Track 6
7 In:7 MIDI Recorder Solo Track 7
8In:8 MIDI Recorder Solo Track 8
9 In:9 MIDI Recorder Solo Track 9
10 In:10 MIDI Recorder Solo Track 10
11 In:11 MIDI Recorder Solo Track 11
12 In:12 MIDI Recorder Solo Track 12
13 In:13 MIDI Recorder Solo Track 13
14 In:14 MIDI Recorder Solo Track 14
15 In:15 MIDI Recorder Solo Track 15
16 In:16 MIDI Recorder Solo Track 16
*1. Порт, принимающий поступающие MIDI-сообщения,
определяется тем, какой MIDI-порт выставлен.
*2. Канал MIDI-вывода для партии 1 порта A
определяется тем, какой канал клавиатуры выставлен.
*3. Задействуется также для игры с автоаккомпанементом
при воспроизведении системной дорожки устройства
MIDI-записи.
PX360-RU-1A.indd 88 2015/04/10 14:44:35

•Чтобы при чтении инструкции иметь эту страницу под рукой, отрежьте ее по пунктирной линии.
PX-360M
br bt ck cm cn
cr cs ctco cp
31
72 8 9 bo bp bqbk bl bm cq
456 cl
bs
PX360-RU-1A.indd 89 2015/04/10 14:44:35

Function Transmitted Recognized Remarks
Basic
Channel
1 - 16
1 - 16
1 - 16
1 - 16
Default
Changed
Note
Number
0 - 127 0 - 127
0 - 127*1True voice
After
Touch
Control
Change
X
X
X
O
Pitch Bender
OO
Key’s
Ch’s
Velocity
O
9nH v = 1 - 127
X
8nH v = 64
O
9nH v = 1 - 127
X
9nH v = 0, 8nH v =**
Note ON
Note OFF
Mode
Mode 3
X
Mode 3
X
Default
Messages
Altered
0,32
1
5
6, 38
7
10
11
16
17
18
19
64
65
66
Bank select
Modulation
Portamento Time
Data entry LSB, MSB
*2
Volume
Pan
Expression
DSP Parameter0
*2
DSP Parameter1
*2
DSP Parameter2
*2
DSP Parameter3
*2
Damper
Portamento Switch
Sostenuto
Sf
O
O
O
O
O
O
O
O
O
O
O
O
O
O
O
X
X
O
O
X
X
X
X
X
X
O
X
O
Model PX-360M Version : 1.0
MIDI Implementation Chart
** зависимости нет
PX360-RU-1A.indd 94 2015/04/10 14:44:36

Function Transmitted Recognized Remarks
Basic
Channel
1 - 16
1 - 16
1 - 16
1 - 16
Default
Changed
Note
Number
0 - 127 0 - 127
0 - 127*1True voice
Program
Change
OO
0 - 127:True #
After
Touch
Control
Change
X
X
X
O
Pitch Bender
OO
System Exclusive
OO
Key’s
Ch’s
Velocity
O
9nH v = 1 - 127
X
8nH v = 64
O
9nH v = 1 - 127
X
9nH v = 0, 8nH v =**
Note ON
Note OFF
Mode
Mode 3
X
Mode 3
X
Default
Messages
Altered
System
Common
X
X
X
X
X
X
: Song Pos
: Song Sel
: Tune
Aux
Messages
Remarks
O
O
X
O
X
X
O
O
X
O
O
X
: All sound off
:
Reset all controller
: Local ON/OFF
: All notes OFF
: Active Sense
: Reset
System
Real Time
O
O
X
X
: Clock
: Commands
0,32
1
5
6, 38
7
10
11
16
17
18
19
64
65
66
67
76
77
78
80
81
82
83
84
88
91
93
94
100, 101
Bank select
Modulation
Portamento Time
Data entry LSB, MSB
*2
Volume
Pan
Expression
DSP Parameter0
*2
DSP Parameter1
*2
DSP Parameter2
*2
DSP Parameter3
*2
Damper
Portamento Switch
Sostenuto
Soft pedal
Vibrato rate
Vibrato depth
Vibrato delay
DSP Parameter4
*2
DSP Parameter5
*2
DSP Parameter6
*2
DSP Parameter7
*2
Portamento Control
High resolution velocity prefix
*3
Reverb send
Chorus send
Delay send
RPN LSB, MSB
*2
Mode 1 : OMNI ON, POLY
Mode 3 : OMNI OFF, POLY
Mode 2 : OMNI ON, MONO
Mode 4 : OMNI OFF, MONO
O : Yes
X : No
O
O
O
O
O
O
O
O
O
O
O
O
O
O
O
O
O
O
O
O
O
O
O
O
O
O
O
O
O
X
X
O
O
X
X
X
X
X
X
O
X
O
O
X
X
X
X
X
X
X
X
O
O
O
O
O
*2
Model PX-360M Version : 1.0
*1. В зависимости от тембра.
*2. Для получения подробной информации см. информацию по внедрению MIDI по адресу
http://world.casio.com/.
*3. только «вкл. ноту»
PX360-RU-1A.indd 2 2015/04/10 14:43:59

PX360-RU-1A
RU
ИНСТРУКЦИЯ ПО ЭКСПЛУАТАЦИИ
Сохраните всю информацию, чтобы обращаться к ней в будущем.
PX-360M
Правила безопасности
Перед тем как приступать к эксплуатации
цифрового пианино, прочитайте брошюру
«Правила безопасности».
MA1504-A Printed in China
C
Данный знак утилизации означает, что упаковка
соответствует экологическому законодательству Германии.
PX360-RU-1A.indd 1 2015/04/10 14:43:59