Century 117 071 User Manual MIG WELDER 1999 Manuals And Guides L0903348
CENTURY Welder Manual L0903348 CENTURY Welder Owner's Manual, CENTURY Welder installation guides
User Manual: Century 117-071 117-071 CENTURY MIG WELDER 1999 - Manuals and Guides View the owners manual for your CENTURY MIG WELDER 1999 #117071. Home:Tool Parts:Century Parts:Century MIG WELDER 1999 Manual
Open the PDF directly: View PDF
.
Page Count: 27

PART# 0M-I17071002
Operator's Manual
80 AMP WIRE FEED
WELDER
Made
in
U.S.A.
Form Number 811-597-000
Revision A
August 1999

TABLE OF CONTENTS... 2
SAFETY SUMMARY ....... 3
IM PORTANT SAFETY
INFORMATION .................. 3
SHOCK HAZARDS ............... 3
FLASH HAZARDS ................ 4
FIRE HAZARDS .................... 5
FUME HAZARDS .................. 6
ADDITIONAL SAFETY
INFORMATION ................... 6
ASSEMBLY ...................... 8
UNPACKING THE WELDER 8
PACKING LIST ..................... 8
ASSEMBLE THE FACE
SHIELD .............................. 8
POWER SOURCE
CONNECTION ................... 9
EXTENSION CORDS ........... 9
SELECTING THE
WELDING WIRE ................ 9
INSTALL THE
WELDING WIRE ................ 9
OPERATION .................. 12
DESCRIPTION ................... 12
OPERATING THE
WELDER .......................... 12
DUTY CYCLE ..................... 12
INTERNAL THERMAL
PROTECTION .................. 12
CONTROLS AND
INDICATORS .................... 12
PREPARATIONS FOR
WELDING ......................... 13
SETTING UP THE
WORK PIECE ................... 13
WELDING POSITIONS ....... 13
PREPARING THE JOINT .... 13
GROUND CLAMP
CONNECTION ................. 14
LEARNING TO WELD ... 15
GET TO KNOW
YOUR WELDER ............... 15
HOLDING THE GUN ........... 15
POSITION THE GUN
TO THE WORKPIECE ..... 15
DISTANCE FROM
THE WORKPIECE ........... 16
LAYING A BEAD ................. 16
TYPES OF WELD BEADS.. 16
WELDING
TECHNIQUES ............. 17
TRAVELING THE GUN ....... 17
TYPES OF WELD BEADS • 17
WELDING POSITIONS ...... 18
MULTIPLE PASS
WELDING ......................... 19
SPECIAL WELDING
METHODS ....................... 19
SPOT WELDING ................. 19
SPOT WELDING
INSTRUCTIONS ............... 20
MAINTENANCE ............. 21
GENERAL
MAINTENANCE ............... 21
MAINTENANCE
AND CLEANING ............... 21
TESTING FOR A
SHORTED NOZZLE ......... 21
MAINTAINING
THE WELDER .................. 22
TROUBLESHOOTING ........ 22
SCHEMATIC .................. 24
REPLACEMENT
PARTS LIST ................. 25
LIMITED WARRANTY ... 26
2

Every craftsman respects the tools with
which they work. They know that the
tools represent years of constantly
improved designs and developments.
The true craftsman also knows that tools
are dangerous if misused or abused.
Reading this operator's manual before
using the welder will enable you to do a
better, safer job. Learn the welder's
applications and limitations as well as
the specific potential hazards peculiar to
welding.
IMPORTANT SAFETY
INFORMATION
READ ALL SAFETY INSTRUCTIONS
CAREFULLY before attempting to
install, operate, or service this welder.
Failure to comply with these instructions
could result In personal injury and/or
property damage.
RETAIN THESE INSTRUCTIONS FOR
FUTURE REFERENCE.
NOTE:
• The following safety alert symbols
identify important safety messages in
this manual.
When you see one of the symbols
shown here, be alert to the possibility
of personal injury and carefully read
the message that follows.
This symbol indicates that the
possibility of electric shock
hazard exists during the
operation of the step(s) that
follow.
This symbol indicates that the
possibility of fire hazard exists
during the operation of the
step(s) that follow.
This symbol indicates that the
helmet must be worn during
the step(s) that follow to
protect against eye damage
and burns due to flash
hazard.
This symbol indicates that the
possibility of toxic gas hazard
exists during operation of the
step(s) that follow.
This symbol indicates that the
possibility of being burned by
hot slag exists during
operation of the step(s) that
follow.
This symbol indicates that the
eye protection should be worn
to protect against flying debris
in the following step(s).
This symbol indicates that the
possibility of injury or death
exists due to improper
handling and maintenance of
compressed gas cylinders or
regulators
Published standards on safety are
available. They are listed in
ADDITIONAL SAFETY
INFORMATION at the end of this
SAFETY SUMMARY.
The National Electrical Code,
Occupational Safety and Health Act
regulations, local industrial codes and
local inspection requirements also
provide a basis for equipment
installation, use, and service.
SHOCK HAZARDS
WARNING
Electric shock can kill! To reduce
the risk of death or serious injury from
shock, read, understand, and follow
the following safety instructions. In
addition, make certain that anyone
else who uses this welding
equipment, or who is a bystander in
the welding area understands and
follows these safety instructions as
well.
3

* IMPORTANT! TO REDUCE THE
RISK OF DEATH, INJURY, OR
PROPERTY DAMAGE, DO NOT
A-I-I-EMPT OPERATION of this
welding equipment until you have read
and understand the following safety
summary.
• Do not, in any manner, come into
physical contact with any part of the
welding current circuit. The welding
current circuit includes:
a. the work piece or any
conductive material in contact
with it,
b. the ground clamp,
c. the electrode or welding rod,
d. any metal parts on the electrode
holder.
Do not weld in a damp area or come
in contact with a moist or wet surface.
• Do not attempt to weld if any part of
clothing or body is wet.
• Do not allow the welding equipment to
come in contact with water or
moisture.
Do not drag welding cables, wire feed
gun, or welder power cord through or
allow them to come into contact with
water or moisture.
Do not touch welder, attempt to turn
welder on or off if any part of the body
or clothing is moist or if you are in
physical contact with water or
moisture.
Do not attempt to plug the welder into
the power source if any part of body
or clothing is moist, or if you are in
physical contact with water or
moisture.
Do not connect welder ground clamp
to or weld on electrical conduit.
• Do not alter power cord or power cord
plug in any way.
• Do not attempt to plug the welder into
the power source if the ground prong
on power cord plug is bent over,
broken off, or missing.
• Do not allow the welder to be
connected to the power source or
attempt to weld if the welder, welding
4
cables, welding site, or welder power
cord are exposed to any form of
atmospheric precipitation, or salt
water spray.
Do not carry coiled welding cables
around shoulders, or any other part of
the body, when they are plugged into
the welder.
• Do not modify any wiring, ground
connections, switches, or fuses in this
welding equipment.
• Wear welding gloves to help insulate
hands from welding circuit.
• Keep all liquid containers far enough
away from the welder and work area
so that if spilled, the liquid can not
possibly come in contact with any part
of the welder or electrical welding
circuit.
Replace any cracked or damaged
parts that are insulated or act as
insulators such as welding cables,
power cord, or electrode holder
IMMEDIATELY.
FLASH HAZARDS
WARNING
ARC RAYS CAN INJURE EYES AND
BURN SKIN! To reduce risk of injury
from arc rays, read, understand, and
follow the following safety instructions. In
addition, make certain that anyone else
that uses this welding equipment, or is a
bystander in the welding area,
understands and follows these safety
instructions as well.
Do not look at an electric arc without
proper protection. A welding arc is
extremely bright and intense and, with
inadequate or no eye protection, the
retina can be burned, leaving a
permanent dark spot in the field of
vision. A shield or helmet with a
number 10 shade filter lens (minimum)
must be used.
Do not strike a welding arc until all
bystanders and you (the welder) have
welding shields and/or helmets in
place.

Do not wear a crackedor broken
helmetand replaceanycracked or
brokenfilter lensesIMMEDIATELY.
Do not allowthe uninsulatedportionof
the wire feedgun to touchthe ground
clamp or groundedworkto preventan
arc flash from beingcreatedon
contact.
Providebystanderswith shieldsor
helmetsfitted with a #10 shadefilter
lens.
Wear protectiveclothing.The intense
lightof the weldingarc can burn the
skin in muchthe sameway as the
sun, even throughlight-weight
clothing.Wear dark clothingof heavy
material.The shirtworn shouldbe
longsleevedand the collar kept
buttonedto protectchestand neck.
ProtectagainstREFLECTEDARC
RAYS.Arc rayscan be reflectedoff
shiny surfacessuch as a glossy
paintedsurface,aluminum,stainless
steel, and glass.It is possiblefor your
eyes to be injuredby reflectedarc
rayseven when wearinga protective
helmetor shield. If weldingwith a
reflectivesurfacebehindyou, arc rays
can bounceoff the surface,then off
the filter lens on the insideof your
helmetor shield,then intoyour eyes.
If a reflectivebackgroundexists in
your weldingarea,either removeit or
cover it with somethingnon-flammable
and non-reflective.Reflectedarc rays
can also cause skin burn in additionto
eye injury.
FIRE HAZARDS
WARNING
FIRE OR EXPLOSION CAN CAUSE
DEATH, INJURY, AND PROPERTY
DAMAGE! To reduce risk of death,
injury, or property damage from fire or
explosion, read, understand, and follow
the following safety instructions. In
addition, make certain that anyone else
that uses this welding equipment, or is a
bystander in the welding area,
understands and follows these safety
instructions as well. REMEMBER! Arc
welding by nature produces sparks, hot
spatter, molten metal drops, hot slag,
and hot metal parts that can start fires,
burn skin, and damage eyes.
• Do not wear gloves or other clothing
that contain oil, grease, or other
flammable substances.
Do not wear flammable hair
preparations.
Do not weld in an area until it is
checked and cleared of combustible
and/or flammable materials. BE
AWARE that sparks and slag can fly
35 feet and can pass through small
cracks and openings. If work and
combustibles cannot be separated by
a minimum of 35 feet, protect against
ignition with suitable, snug-fitting, fire
resistant, covers or shields.
• Do not weld on walls until checking for
and removing combustibles touching
the other side of the walls.
• Do not weld, cut, or perform other
such work on used barrels, drums,
tanks, or other containers that had
contained a flammable or toxic
substance. The techniques for
removing flammable substances and
vapors, to make a used container safe
for welding or cutting, are quite
complex and require special education
and training.
• Do not strike an arc on a compressed
gas or air cylinder or other pressure
vessel. Doing so will create a brittle
area that can result in a violent rupture
immediately or at a later time as a
result of rough handling.
• Do not weld or cut in an area where
the air may contain flammable dust
(such as grain dust), gas, or liquid
vapors (such as gasoline).
• Do not handle hot metal, such as the
workpiece or electrode stubs, with
bare hands.
Wear leather gloves, heavy long
sleeve shirt, cuffless trousers, high-
topped shoes, helmet, and cap. As
necessary, use additional protective
clothing such as leather jacket or
5

sleeves, fire resistant leggings, or
apron. Hot sparks or metal can lodge
in rolled up sleeves, trouser cuffs, or
pockets. Sleeves and collars should
be kept buttoned and pockets
eliminated from the shirt front.
Have fire extinguishing equipment
handy for immediate use! A portable
chemical fire extinguisher, type ABC,
is recommended.
• Wear ear plugs when welding
overhead to prevent spatter or slag
from falling into ear.
• Make sure welding area has a good,
solid, safe floor, preferably concrete or
masonry, not tiled, carpeted, or made
of any other flammable material.
• Protect flammable walls, ceilings, and
floors with heat resistant covers or
shields.
Check welding area to make sure it is
free of sparks, glowing metal or slag,
and flames before leaving the welding
area.
FUME HAZARDS
WARNING
FUMES, GASSES, AND VAPORS CAN
CAUSE DISCOMFORT, ILLNESS, AND
DEATH! To reduce risk of discomfort,
illness, or death, read, understand, and
follow the following safety instructions. In
addition, make certain that anyone else
that uses this welding equipment or is a
bystander in the welding area,
understands and follows these safety
instructions as well.
• Do not weld in an area until it is
checked for adequate ventilation as
described in ANSI standard #Z49.1. If
ventilation is not adequate to
exchange all fumes and gasses
generated during the welding process
with fresh air, do not weld unless you
(the welder) and all bystanders are
wearing air-supplied respirators.
• Do not heat metals coated with, or
that contain, materials that produce
toxic fumes (such as galvanized
6
steel), unless the coating is removed.
Make certain the area is well
ventilated, and the operator and all
bystanders are wearing air-supplied
respirators.
Do not weld, cut, or heat lead, zinc,
cadmium, mercury, beryllium, or
similar metals without seeking
professional advice and inspection of
the ventilation of the welding area.
These metals produce EXTREMELY
TOXIC fumes which can cause
discomfort, illness, and death.
• Do not weld or cut in areas that are
near chlorinated solvents. Vapors from
chlorinated hydrocarbons, such as
trichloroethylene and
perchloroethylene, can be
decomposed by the heat of an electric
arc or its ultraviolet radiation. These
actions can cause PHOSGENE, a
HIGHLY TOXIC gas to form, along
with other lung and eye-irritating
gasses. Do not weld or cut where
these solvent vapors can be drawn
into the work area or where the
ultraviolet radiation can penetrate to
areas containing even very small
amounts of these vapors.
• Do not weld in a confined area unless
it is being ventilated or the operator
(and anyone else in the area) is
wearing an air-supplied respirator.
• Stop welding if you develop
momentary eye, nose, or throat
irritation as this indicates inadequate
ventilation. Stop work and take
necessary steps to improve ventilation
in the welding area. Do not resume
welding if physical discomfort persists.
ADDITIONAL SAFETY
INFORMATION
For additional information concerning
welding safety, refer to the following
standards and comply with them as
applicable.
• ANSI Standard Z49.1 -- SAFETY IN
WELDING AND CUTTING --
obtainable from the American Welding
Society, 550 NW Le Jeune Road,
Miami, FL 33126 Telephone (800)
443-9353, Fax (305) 443-7559 -
www.amweld.org or www.aws.org

• ANSI StandardZ87.1-- SAFE
PRACTICEFOROCCUPATIONAND
EDUCATIONALEYE AND FACE
PROTECTION-- obtainablefrom the
AmericanNationalStandardsInstitute,
11West42ndSt., New York, NY
10036 Telephone (212) 642-4900,
Fax (212) 398-0023 - www.ansi.org
• NFPA Standard 51B -- CUTTING
AND WELDING PROCESS --
obtainable from the National Fire
Protection Association, 1
Batterymarch Park, P.O. Box 9101,
Quincy, MA 02269-9101 Telephone
(617) 770-3000, Fax (617) 770-0700
- www.nfpa.org
• OSHA Standard 29 CFR, Part 1910,
Subpart Q., WELDING, CUTTING
AND BRAZING -- obtainable from
your state OSHA office or U. S. Dept.
of Labor OSHA, Office of Public
Affairs, Room N3647, 200 Constitution
Ave. NW Washhington, DC 20210 -
www.osha.gov
• CSA Standard W117.2 -- Code for
SAFETY IN WELDING AND
CUI-rlNG.- obtainable from
Canadian Standards Association, 178
Rexdale Blvd. Etobicoke, Ontario
M9W 1R3 - www.csa.ca
American Welding Society Standard
A6.0. WELDING AND CUI-FING
CONTAINERS WHICH HAVE HELD
COMBUSTIBLES. -- obtainable from
the American Welding Society, 550
NW Le Jeune Road, Miami, FL 33126
Telephone (800) 443-9353, Fax (305)
443-7559 - www.amweld.org or
www.aws.org
7

The following procedures describe the
process required to assemble, install,
maintain, and prepare to weld with your
new wire feed 80 amp ac welder•
UNPACKING THE WELDER
1. Remove any cartons or bags
containing parts/accessories.
2. Open the cartons or bags packed
with your welder and inspect their
contents for damage• Report any
missing or damaged items
immediately•
3. Layout the parts and compare them
to the illustrations in Figure 1 and
the packing list in Table 1 to
familiarize yourself with the parts
and what they are called• This will
help you when reading the manual•
4. Grasp the top handle of the welder
and lift the welder out of the carton•
Welding Wire
PACKING LIST
Table 1 contains a list of the items you
will find packed in the carton•
Table 1. Packing List
PART NO. ITEM QTY.
Welder 1
332-239-000 Face Shield 1
Face Shield Handle 1
Handle Screws 3
Shaded Lens 1
Clear Lens 1
930-405-000 Parts Bag 1
334-160-000 Contact Tip, 0.030 2
334-203-000 Nozzle 1
331-469-001 Wire .030 Fluxcore (1/2#)
804-502-000 Card, Registration 1
811-597-000 Manual, Instruction 1
Weld Gun Nozzle
Face Shield
Contact Tip
Figure 1. Welder Parts/Accessories
ASSEMBLE THE FACE
SHIELD
•
.
Press one of the lens retainer tabs
(located in the rectangular lens
cavity inside the face shield) toward
the center of the lens cavity and lift
the retainer out of the cavity (may
require the use of a straight blade
screw driver to pry the tab).
Insert the clear plastic lens then the
shaded lens into the rectangular
lens cavity in the face shield• The
lenses are put in from the inside
and the clear lens goes in first to
protect the shaded lens. Insert the
lens retainer in place behind the
shaded lens and snap the tabs into
the holding slots at the ends of the
lens cavity to secure the lenses in
place•
8

.Place the face shield handle over
the mating holes in the face shield
and use the provided handle screws
to mount the face shield handle to
the face shield.
POWER SOURCE
CONNECTION
WARNING
High voltage danger from power
source! Consult a qualified
electrician for proper installation of
receptacle at the power source.
•This welder must be grounded while
in use to protect the operator from
electrical shock. If you are not sure if
your outlet is properly grounded, have
it checked by a qualified electrician.
Do not cut off the grounding prong or
alter the plug in any way and do not
use any adapters between the
welder's power cord and the power
source receptacle.
Make sure the POWER switch is OFF
then connect your welder's power cord
to a properly grounded 120 Vac, 60 Hz,
single phase, 15 amp power source. Do
not operate this welder if the source
voltage is less than 105 Vac or greater
than 132 Vac. Contact a qualified
electrician if this problem exists.
Improper performance and/or damage to
the welder will result if operated on
inadequate or excessive power.
EXTENSION CORDS
For optimum welder performance, an
extension cord should not be used
unless absolutely necessary. If
necessary, care must be taken in
selecting an extension cord appropriate
for use with your specific welder.
Select a properly grounded extension
cord that will mate directly with the ac
power source receptacle and the welder
power cord without the use of adapters.
Make certain that the extension cord is
properly wired and in good electrical
condition.
Extension cords must fit the following
wire size guidelines:
• 0-25 ft. requires #12 gauge
• Do not use an extension cord over 25
ft. in length
SELECTING THE WELDING
WIRE
This welder uses only four inch spools of
0.030 inch (0.8mm) self shielding flux-
core wire, AWS classification number
E71T-GS. Steel from 18 gauge up to
3/16 inch thick can be welded with this
wire.
NOTE:
• Metal thinner than 18 gauge cannot
be welded with this machine.
Attempting to do so will cause burn
through (blowing holes) in the metal
you are intending to weld.
• If a spool has developed heavy
oxidation, the only solution to the
problem is to discard the spool of wire.
If you have an oxidized spool of wire, do
not discard it until you have unspooled a
few turns of wire to see if the wire further
down on the spool is in usable condition,
if not, - discard the spool.
INSTALL THE WELDING
WIRE
WARNING
Electric shock can kill! Always turn the
POWER switch OFF and unplug the
welder's power cord from the ac power
source before installing wire.
1.
.
.
Remove the nozzle and contact tip
from the end of the gun assembly.
Remove the drive tension by
unscrewing (ALL THE WAY in a
counter-clockwise direction) the
tension adjusting screw.
Unwrap the spool of wire then find
the leading end of the wire (it goes
through a hole in the outer edge of
the spool and is bent over the
9

.
(
spool edge to prevent the wire from
unspooling) BUT DO NOT
UNHOOK IT YET.
Place the spool on the spindle in
such a manner that when the wire
comes off the spool, it will look like
the top illustration in Figure 2.
Right
Way
o
Wrong
Way
Figure 2. Proper wire Installation
.Adjust the drive brake hardware on
the top of the spool of wire (see
Figure 3).
a. With one hand, turn the wire
spool and continue turning it
while adjusting the tension.
b. With your free hand, tighten
(turn clockwise) the wing nut.
c. Stop tightening when drag is
felt on the wire spool that you
are turning, then stop hand
turning the wire spool.
ii
.
.
.
.
10.
11.
Figure 3. Drive Brake Assembly
Adjust the drive brake tension. The
purpose of the drive brake is to
cause the spool of wire to stop
turning at nearly the same moment
that wire feeding stops.
After checking to make sure that
your welder is disconnected from
the ac power source, free the
leading end of the wire from the
spool, but do not let go of it until told
to do so, or the wire will unspool
itself.
Using a wire cutter, cut the bent end
off the leading end of the wire so
that only a straight leading end
remains.
Hold the tension arm up off the
drive roller and insert the leading
end of the wire into the inlet guide
tube. Then push it across the drive
roller and into the gun assembly
about six inches.
Line the wire up in the outside
groove of the drive roller, then allow
the drive tension arm to drop onto
the drive roller.
Tighten (turn clockwise) the tension
adjusting screw until the tension
roller is applying enough force on
the wire to prevent it from slipping
out of the drive assembly.
10

12.
13.
Let go of the wire.
Plug the welder's power cord into
the ac power source. Adjust the
HEAT selection switches, on the
front of the welder, to any of the four
heat settings.
WARNING
ARC RAYS CAN INJURE EYES!
To reduce the risk of arc flash, make
certain that the welding wire, when it
finally comes out of the end of the
gun, does not touch the ground
clamp or any grounded piece of
metal. IMPORTANT! The welding
wire is carrying welding current
whenever the welder is turned on--
WHETHER THE TRIGGER IS
PULLED OR NOT!
14. Pull the trigger on the welding gun
to feed the wire through the gun
assembly.
15. When at least an inch of wire sticks
out past the end of the gun, release
the trigger.
16. Install the supplied 0.030 inch
(0.8mm) size contact tip.
17. Slide the contact tip over the wire
(protruding from the end of the
gun). Screw the contact tip into the
end of the gun and hand tighten
securely.
18. Install the nozzle on the gun
assembly.
19. Cut off the excess wire that extends
past the end of the nozzle.
20. Set the wire drive tension.
WARNING
ARC RAYS CAN INJURE EYES!
To reduce the risk of arc flash, make
certain that the wire coming out of
the end of the gun does not come in
contact with the ground clamp or any
grounded material during the drive
tension setting process or arcing will
occur.
a.
b.
Pull the trigger on the gun.
Turn the drive tension
adjustment knob clockwise,
increasing the drive tension
until the wire seems to feed
smoothly with out slipping.
NOTE: If TOO MUCH tension is
applied, the wire will slip on
the drive roller or will not be
able to be fed at all. If TOO
LITTLE tension is applied,
the spool of wire will want to
unspool itself. Readjust the
drive brake tension as
necessary to correct for
either problem.
c. Block the end of the nozzle by
holding it up against
something that doesn't
conduct electricity, such as a
block of wood or a concrete
floor, then trigger the gun
again, the wire should slip at
the drive roller. However, if the
wire bird-nests at the drive
roller, rethread the drive
system using less drive
tension and try again.
When the drive tension is set correctly,
there should be no slippage between the
wire and the drive roller. But if an
obstruction occurs along the wire feed
path, the wire should then slip on the
drive roller.
11

DESCRIPTION
Your new Wire Feed welder is designed
for maintenance and sheet metal
fabrication. The welder consists of a
single-phase power transformer, and a
unique built-in control/feeder. This
welder is capable of welding with 0.030
inch self-shielding flux-core wire.
Now you can weld 18 gauge sheet
metal up to 3/16 inch with a single pass.
You can weld 1/4 inch steel with
beveling and multiple pass techniques.
Table 2 lists your wire feed welder
specifications.
Table 2. Welder Specifications
Primary (input) volts
Welding Range
Primary (inputs) Amps
Phase
Frequency
Secondary (output) volts
Secondary (output) amps
Duty Cycle Rating at 80 amps
Open Circuit Volts (Max.)
120 Vac
60 - 120 Amps
20
Single
60 Hz
17
80
20%
25 Vac
OPERATING THE WELDER
DUTY CYCLE
The duty cycle rating of a welder defines
how long the operator can weld and how
long the welder must be rested and
cooled. Duty cycle is expressed as a
percentage of 10 minutes and
represents the maximum welding time
allowed. The balance of the 10 minute
cycle is required for cooling.
Your new welder has a duty cycle rating
of 20% at the CSA rated output of 80
amps. This means that you can weld for
two (2) minutes out of 10 with the
remaining eight (8) minutes required for
cooling. (See the table 3.)
Table 3. Duty Cycle Ratings
Duty Maximum Required
Cycle Welding Resting
Rating Time Time
20% 2 minutes 8 minutes
40% 4 minutes 6 minutes
60% 6 minutes 4 minutes
80% 8 minutes 2 minutes
100% 10 minutes 0 minutes
CAUTION
Do not constantly exceed the duty
cycle or damage to this welder can
result.
INTERNAL THERMAL
PROTECTION
If you exceed the duty cycle of your
welder, the HIGH/LOW switch will
illuminate, an internal thermal protector
will open and shut off all welder
functions. After cooling, the thermal
protector will automatically reset and the
welder will function normally again.
CONTROLS AND INDICATORS
WARNING
ELECTRIC SHOCK CAN KILL!
To remove the risk of electric shock,
be aware that the POWER switch,
when OFF, does not remove power
from all internal circuitry in the
welder.
The HIGH/LOW RANGE SWITCH
controls the main power to the welder
lights up when the dugy cycle has been
exceeded and selects the two main heat
ranges. When the switch is OFF, there
is still power to some areas of the
welder. When working inside the welder
or when removing panels on the welder,
make sure the welder is unplugged from
the wall outlet.
12

The MINIMAX SELECTOR allows you
to select minimum and maximum heat
settings within the high and low ranges.
Refer to the instruction label inside the
welder's hood for suggestions on which
heat setting to use for your welding job.
PREPARATIONS FOR WELDING
An important factor in making a
satisfactory weld is preparation. This
includes studying the process and
equipment and then practice welding
before attempting to weld finished
product. An organized, safe, convenient,
comfortable, well-lighted work area
should be available to the operator. The
work area should specifically be free of
all flammables with both a fire
extinguisher and bucket of sand
available.
To properly prepare for welding, it is
necessary to:
• Prepare an organized, well lighted
work area (see Figure 4).
• Provide protection for the eyes and
skin of the operator and by-
bystanders.
• Set up the work piece and make the
ground clamp connection.
• Select the electrode.
• Adjust the heat control.
WARNING
Exposure to a welding arc is
extremely harmful to the eyes and
skin. Prolonged exposure to a
welding arc can cause blindness and
burns. Never strike an arc or begin
welding unless you are adequately
protected. Wear flameproof welding
gloves, heavy long sleeved shirt,
cuffless trousers, high topped shoes
and a welding helmet.
,I 1
I\
Figure 4. Work Surface and
Equipment
SETTING UP THE WORK PIECE
WELDING POSITIONS
Welding with an ac wire welder can be
done in any of three basic positions:
Flat, Horizontal, and Vertical. Flat
welding is generally easier, faster and
allows for better penetration. The heat
(amperage) selections will be affected
by the positions. Vertical welding is
usually only attempted when using a dc
welder. If possible, the work piece
should be positioned so that the bead
will run on a flat surface.
PREPARING THE JOINT
For effective welding, the surfaces to be
joined must be free of dirt, rust, scale, oil
or paint. Welding on metals not properly
cleaned will cause a brittle and porous
weld.
If the base metal pieces to be joined are
thick or heavy, it may be necessary to
bevel the edges, with a metal grinder, at
the point of contact, as in Figure 5. The
angle of the bevel should be
approximately 60 degrees.
INCORRECT
CORRECT
Figure 5. Workpiece Preparation
13

WARNING
To help prevent eye injuries when
grinding, always wear goggles. The
grinder must also be inspected to
verify that it is in good condition.
See the chart, TYPES OF WELD
JOINTS, in Figure 6, for detailed
instructions for preparing the weld joint.
During the welding, the work pieces will
become hot and will tend to expand. The
expansion may cause the pieces to shift
from the regular position. If possible, the
work pieces should be clamped into the
position they are to occupy when the
welding is completed.
WARNING
ARC RAYS CAN INJURE EYES
AND BURN SKIN! To reduce the
risk of injury from arc rays, never
strike a welding arc until you, and all
bystanders in the welding area, have
welding helmet or shield in place and
are wearing the recommended
protective clothing. DO NOT
CONTINUE unless you have read,
understand and intend to follow the
entire SAFETY SUMMARY provided
at the front of this manual.
Ground Clamp Connection
The ground clamp connection is part of
the current circuit. A poor connection at
the ground clamp will waste power and
heat. Scrape away dirt, rust, scale, oil or
paint. Make sure the ground clamp
touches the metal.
45° PLATE BUTT WELD JOINTS
37.5 °
SINGLE BEVEL JOINT JOINT
DOUBLE BEVEL JOINT
60 ° PLATE
SINGLE V JOINT
60 °
i_PLATE .,,..
DOUBLE V JOINT
j 60_..
3/32" TO 1/8" 1/8" X YVEE JOINT
I -"11"- 1/16"TO
OLOSEDJOINT
6oo II 6o°
_f _-/ OPEN JOINT l SHOULDER EDGE "x_ "_
..... _)( 1/4,,ORMORE FEATHER EDGE
DOUBLE VEE JOINT 1/8" OR MORE
I _ILLET WELD JOINTS
SINGLE FILLET T-JOINT DOUBLE FILLET T-JOINT
SINGLE STRAP JOINT DOUBLE STRAP JOINT
14 Figure 6. Types of Weld Joints

GET TO KNOW YOUR
WELDER
Whether you have welded before or not,
it is important that you become familiar
with your new welder, its controls, and
the results achieved at different settings.
We strongly recommend that you
practice your new welder on scrap metal
trying different heat settings, base metal
thicknesses, and welding positions for
each type. By doing this you will gain a
feel for how changes in these welding
variables affect the weld.
The self taught welder learns through a
process of trial and error. The best way
to teach yourself how to weld is with
short periods of practice at regular
intervals. All practice welds should be
done on scrap metal that can be
discarded. Do not attempt to make any
repairs on valuable equipment until you
have satisfied yourself that your practice
welds are of good appearance and free
of slag or gas inclusions. What you fail
to learn through practice will be learned
through mistakes and re-welds later on.
HOLDING THE GUN
The best way to hold the welding gun is
the way that feels most comfortable to
you. While practicing to use your new
welder, experiment holding the gun in
different positions until you find the one
that seems to work best for you.
Position The Gun To The Workpiece
There are two angles of the gun nozzle
in relation to the work piece that must be
considered when welding.
1. Angle A (Figure 7) can be varied,
but in most cases the optimum
angle will be 60 degrees. The point
at which the gun handle is parallel
to the work piece. If angle A is
increased, penetration will increase.
If angle A is decreased, penetration
will decrease also.
m m m
Angle A
Figure 7. Gun Position, Angle A
.Angle B (Figure 8) can be varied for
two reasons: to improve the ability
to see the arc in relation to the weld
puddle and to direct the force of the
arc.
I
I
Angle B
Figure 8. Gun Position, Angle B
The force of the welding arc follows a
straight line out of the end of the nozzle.
If angle B is changed, so will the
direction of arc force and the point at
which penetration will be concentrated.
On a butt weld joint, the only reason to
vary angle B from perpendicular
(straight up) to the work piece would be
to improve visibility of the weld puddle.
In this case, angle B can be varied
anywhere from zero to 45 degrees with
30 degrees working about the best.
On a fillet weld joint, the nozzle is
generally positioned in such a manner
so as to split the angle between the
horizontal and vertical members of the
weld joint. In most cases, a fillet weld
will be 45 degrees.
15

Distance From The Workpiece
The end of the welding gun is designed
with the contact tip recessed from the
end of the nozzle and the nozzle
electrically insulated from the rest of the
gun. This permits the operator to
actually rest the nozzle on the work
piece and drag it along while welding.
This can be very helpful to beginning
welders to steady the gun, allowing the
welder to concentrate on welding
technique. If the nozzle is held off the
work piece, the distance between the
nozzle and the work piece should be 1/4
inch to 3/8 inch depending on the gauge
of the metal and the amount of
penetration desired. Moving closer to the
workpiece increases penetration.
Moving away from the workpiece
decreases penetration. The correct
distance must still be maintained, or the
arc may begin sputtering, signaling a
loss in welding performance.
LAYING A BEAD
WARNING
EXPOSURE TO A WELDING ARC
IS EXTREMELY HARMFUL TO THE
EYES AND SKIN! Prolonged
exposure to the welding arc can
cause blindness and burns. Never
strike an arc or begin welding until
you are adequately protected. Wear
flameproof welding gloves, A heavy
long sleeved shirt, cuffless trousers,
high topped shoes and a welding
helmet.
WARNING
ELECTRIC SHOCK CAN KILL! To
prevent ELECTRIC SHOCK, do not
perform any welding while standing,
kneeling, or lying directly on the
grounded work.
TYPES OF WELD BEADS
The following paragraphs discuss the
most commonly used arc welding
beads.
IMPORTANT! The wire in this welder is
always electrically energized whenever
the power is ON and will arc whenever
brought into contact with any electrically
conductive materials that the ground
clamp of the welder is connected to or
with which it is in contact. Therefore, it is
best to clip the wire back to the contact
tip so that you don't create an arc when
lining up on the seam to be welded.
Once you have the gun in position with
the wire lined up on the weld joint, cover
your face with the face shield, pull the
trigger and the arc will start. In a second
or two you will notice a weld puddle form
and the base of the bead beginning to
build. It is now time to begin to travel
with the gun. If you are just learning to
weld, travel by simply dragging the gun
in a straight line and at a steady speed
along the weld joint. Try to achieve a
weld with the desired penetration and a
bead that is fairly flat and consistent in
width.
16

As you become more familiar with your
new welder and better at laying some
simple weld beads, you can begin to try
some different welding techniques to
improve, and add versatility to your
welding skills.
TRAVELING THE GUN
Gun travel refers to the movement of the
gun along the weld joint and is broken
into two elements: Direction and Speed.
A solid weld bead requires that the
welding gun be moved steadily and at
the right speed along the weld joint.
Moving the gun too fast, too slow, or
erratically will prevent proper fusion or
create a lumpy, uneven bead.
1. TRAVEL DIRECTION is the
direction the gun is moved along
the weld joint in relation to the weld
puddle. The gun is either PUSHED
(see Figure 9) into the weld puddle
or PULLED away from the weld
puddle.
Figure 9. Gun Travel Direction
For most welding jobs you will pull the
gun along the weld joint to take
advantage of the greater weld puddle
visibility. However, there are a few
applications where pushing the gun may
provide some advantages:
VERTICAL WELDING can be done by
starting at the top of a weld joint and
pulling the gun down toward the bottom.
However, in the event that puddle
control becomes difficult (such as the
puddle wanting to run downward),
starting a vertical weld at the bottom of a
weld joint and pushing the gun up
toward the top will help to overcome this
problem.
2. TRAVEL SPEED is the rate at which
the gun is being pushed or pulled
along the weld joint. For a fixed
heat setting, the faster the travel
speed, the lower the penetration
and the lower and narrower the
finished weld bead. Likewise, the
slower the travel speed, the deeper
the penetration and the higher and
wider the finished weld bead.
TYPES OF WELD BEADS
,The STRINGER BEAD (Figure 10)
is formed by traveling with the gun
in a straight line while keeping the
wire and nozzle centered over the
weld joint. This is the easiest type of
bead to make and is the type you
have been using up to this point.
,
Figure 10. Stringer Weld Bead
The WEAVE BEAD (Figure 11)is
used when you want to deposit
metal over a wider space than
would be possible with a stringer
bead. It is made by weaving from
side to side while traveling with the
gun. It is best to hesitate
momentarily at each side before
weaving back the other way.
Figure 11. Weave Weld Bead
17

WELDING POSITIONS
There are three basic welding positions:
flat, horizontal, and vertical.
.The FLAT POSITION (Figure 12) is
the easiest of the welding positions
and is probably the one you have
been using thus far. It is best if you
can weld in the flat position if at all
possible as good results are easier
to achieve.
.
Figure 12. Flat Position Weld
The HORIZONTAL POSITION
(Figure 13) is next in difficulty level.
It is performed very much the same
as the flat weld except that angle B
(see POSITION OF THE GUN TO
THE WORK PIECE, above) is such
that the wire, and therefore the arc
force, is directed more toward the
metal above the weld joint. This is
to help prevent the weld puddle
from running downward while still
allowing slow enough travel speed
to achieve good penetration. A good
starting point for angle B is about
30 degrees DOWN from being
perpendicular to the work piece.
Figure 13. Horizontal Position Weld
.The VERTICAL POSITION (Figure
14) is the next most difficult
position. Pulling the gun from top to
bottom may be easier for many
people, but in some instances it can
be difficult to prevent the puddle
from running downward. Pushing
the gun from bottom to top may
provide better puddle control and
allow slower rates of travel speed to
achieve deeper penetration. When
vertical welding, angle B (see
POSITION OF GUN TO THE
WORK PIECE, above) is usually
always kept at zero, but angle A will
generally range from 45 to 60
degrees to provide better puddle
control.
Figure 14. Vertical Position Weld
18

MULTIPLE PASS WELDING
Butt Weld Joints. In PREPARING THE
WORK PIECE, we discussed the need
for edge preparation on thicker materials
by grinding a bevel on the edge of one
or both pieces of the metal being joined.
When this is done, a V is created,
between the two pieces of metal, that
will have to be welded closed. In most
cases more than one pass or bead will
need to be rayed into the joint to close
the V. Laying more than one bead into
the same weld joint is known as a
multiple-pass weld.
NOTE: WHEN USING SELF-
SHIELDING FLUX-CORE
WIRE it is very important to
thoroughly chip and brush
the slag off each completed
weld bead before making
another pass or the next
pass will be of poor quality.
The illustrations in Figure 15 show the
sequence for laying multiple pass beads
into a single V butt joint.
Root Pass
Pass
Figure 15. Triple Pass V Butt Joint
Most fillet weld joints, on metals of
moderate to heavy thickness, will require
multiple pass welds to produce a strong
joint. The illustrations in Figure 16 show
the sequence of laying multiple pass
beads into a T fillet joint and a lap fillet
joint.
Lap Joint Welded
In Three Passes
Figure 16. Triple Pass Lap And T
Weld Joint
SPECIAL WELDING
METHODS
SPOT WELDING
The purpose of a spot weld is to join
pieces of metal together with a spot of
weld instead of a continuous weld bead.
There are three methods of spot
welding: Burn-Through, Punch and Fill,
and Lap (see Figure 17). Each has
advantages and disadvantages
depending on the specific application as
well as personal preference.
PUNCHANDFILL
BURNTHROUGH
LAPSPOT
Figure 17. Spot Weld Methods
1. The BURN-THROUGH METHOD
welds two overlapped pieces of
metal together by burning through
the top piece and into the bottom
piece.
0.030 inch self-shielding flux-core wire
should not be used with the burn-
through method unless the metal is
19

VERY thin or excessive filler metal
build-up and minimal penetration is
acceptable•
Always select the HIGH heat setting with
the burn-through method prior to making
a spot weld.
2• The PUNCH AND FILL METHOD
produces a weld with the most
finished appearance of the three
spot weld methods. In this method,
a hole is punched or drilled into the
top piece of metal and the arc is
directed through this hole to
penetrate into the bottom piece.
The puddle is allowed to fill up the
hole leaving a spot weld that is
smooth and flush with the surface of
the top piece.
Select the, heat setting, as if you were
welding the same thickness material
with a continuous bead.
3. The LAP SPOT METHOD directs
the welding arc to penetrate the
bottom and top pieces, at the same
time, right along each side of the
lap joint seam.
Select the heat setting as if you were
welding the same thickness material
with a continuous bead.
SPOT WELDING INSTRUCTIONS
•Select the heat setting
recommended above for the
method of spot welding you intend
to use.
.
.
Hold the nozzle piece completely
perpendicular to and about 1/4 inch
off the work piece•
Pull the trigger on the gun and
release it when it appears that the
desired penetration has been
achieved.
.
.
Make practice spot welds on scrap
metal, varying the length of time
you hold the trigger, until a desired
spot weld is made.
Make spot welds on the actual work
piece at desired locations.
20

GENERAL MAINTENANCE
This welder has been engineered to give
many years of trouble-free service
providing that a few very simple steps
are taken to properly maintain it.
1. Keep the wire drive compartment lid
closed at all times unless the wire
needs to be changed or the drive
tension needs adjusting.
2. Keep all consumables (contact tips,
nozzles, and gun liner) clean and
replace when necessary. See
CONSUMABLE MAINTENANCE
AND TROUBLESHOOTING later in
this section for detailed information.
.
.
Replace power cord, ground cable,
ground clamp, or gun assembly
when damaged or worn.
Periodically clean dust, dirt, grease,
etc. from your welder. Every six
months or as necessary, remove
the side panels from the welder and
air-blow any dust and dirt that may
have accumulated inside the
welder.
WARNING
ELECTRIC SHOCK CAN KILL! To
reduce the risk of electric shock,
always unplug the welder from its ac
power source before removing side
panels.
MAINTENANCE AND CLEANING
IT IS VERY IMPORTANT TO MAINTAIN
THE CONSUMABLES TO AVOID THE
NEED FOR PREMATURE
REPLACEMENT OF THE GUN
ASSEMBLY.
CAUTION
KEEP THE NOZZLE CLEAN!
During the welding process, spatter
and slag will build up inside the
nozzle and must be cleaned out
periodically. Failure to clean and/or
replace the nozzle in a timely
fashion WILL CAUSE DAMAGE TO
THE FRONT-END OF THE GUN
ASSEMBLY, which is NOT
REPLACEABLE. The results of the
inaction will REQUIRE THE
REPLACEMENT OF THE ENTIRE
GUN ASSEMBLY.
1. Stop welding and clean any
accumulated slag or spatter from
the nozzle every 5 to 10 minutes of
welding time.
2. When welding overhead, if any
molten metal drips from the weld
puddle and falls into the nozzle,
STOP WELDING IMMEDIATELY
and clean the nozzle.
.If the slag cannot be thoroughly
cleaned from the nozzle, REPLACE
THE NOZZLE!
Failure to keep the nozzle adequately
cleaned can result in the following
problems:
A SHORTED nozzle results when
spatter buildup bridges the insulation in
the nozzle allowing welding current to
flow through it as well as the contact tip.
When shorted, a nozzle will steal
welding current from the wire whenever
it contacts the grounded work piece.
This causes erratic welds and reduced
penetration. In addition, a shorted nozzle
overheats the end of the gun which can
DAMAGE the front-end of the gun.
TESTING FOR A SHORTED
NOZZLE
Arcing between the nozzle and the work
piece ALWAYS means the nozzle is
shorted, but this can be hard to detect
through the lens of a welding helmet.
The following testing method is another
way to tell if a nozzle is shorted.
With the welder unplugged from the ac
power source, touch the probes of an
ohmmeter or continuity tester to the end
of the contact tip and the outside of the
21

nozzle. If there is any continuity at all,
the nozzle IS shorted. Clean or replace
as needed.
The following paragraphs describe the
procedures required to maintain and
troubleshoot your welder.
MAINTAINING THE
WELDER
Except for internal and external
cleaning, cleaning the nozzle, and
occasionally retightening screws, there
is no periodic maintenance
recommended for your welder.
TROUBLESHOOTING
The following TROUBLESHOOTING
information is provided as a guide to
help resolve some of the more common
problems that could be encountered.
Table 4 is a troubleshooting table
provided to help you determine a
possible remedy when you are having a
problem with your welder. This table
does not provide all possible solutions,
only those possibilities considered to
likely be common faults. The table
consists of a TROUBLE or symptom, a
POSSIBLE CAUSE for that symptom,
and a POSSIBLE REMEDY for that
symptom.
22

Table 4. Troubleshooting
TROUBLE POSSIBLE REMEDY
Dirty, porous brittle weld Clean or replace nozzle
Wire feed works but no arc
Arc works but not feeding
wire.
Nothing works
Low output or non-
penetrating weld.
Wire is birdnesting at the
drive roller
Wire burns back to contact
tip
Ground clamp and/or cable
gets hot
Gun nozzle arcs to work
surface
POSSIBLE CAUSE
Plugged welding nozzle
1. Bad ground or loose
connection
2. Bad connection to gun or
faulty gun
1. Faulty wire speed circuit
board
2. No tension on the drive
roller
3. Faulty drive motor (very
rare)
1. Faulty trigger on gun
2. Faulty transformer (rare)
3. Exceeded duty cycle;
thermal protector opened
1. Loose connection inside
machine
2. Too long or improper
extension cord
3. Wrong stype or size wire
4. Poor ground connection
5. Wrong size contact tip
6. Loose gun connection or
faulty gun assembly
1. Too much tension on drive
roller
2. Gun liner worn or damaged
3. Contact tip is clogged or
damaged
4. Liner is stretched or is too
long
1. Gun liner is worn or
damaged
2. Liner stretched or is too
long
3. Wrong size contact tip
4. contact tip clogged or
damaged
Bad connection from cable to
clamp
Slag buildup inside nozzle or
nozzle is shorted
1. Check ground and
connections tighten as
necessary
2. Check connection to gun or
replace gun
1. Replace wire speed circuit
board
2. Adjust the drive tension
3. Replace drive motor
1. Replace trigger
2. Replace transformer
3. Allow welder to cool at
least 10 minutes (observe
and maintain proper duty
cycle)
1. Blow inside of machine out
with compressed air, clean
and tighten all connections
2. See EXTENSION CORD
USE in this manual
3. Use only 0.030 (0.8mm)
E71T-GS self shielding flux-
core wire
4. Reposition clamp and
check cable to clamp
connection
5. Use only 0.030 inch
(0.8mm) contact tip
6. Tighten gun or replace gun
1. Adjust the drive tension
see INSTALLING THE
WELDING WIRE
2. Replace gun
3. Replace contact tip
4. Trim liner to proper length
1. Replace gun
2. Trim liner for proper length
3. Use correct size contact tip
4. Replace contact tip
Tighten connection or replace
cable
Clean or replace nozzle as
needed
23

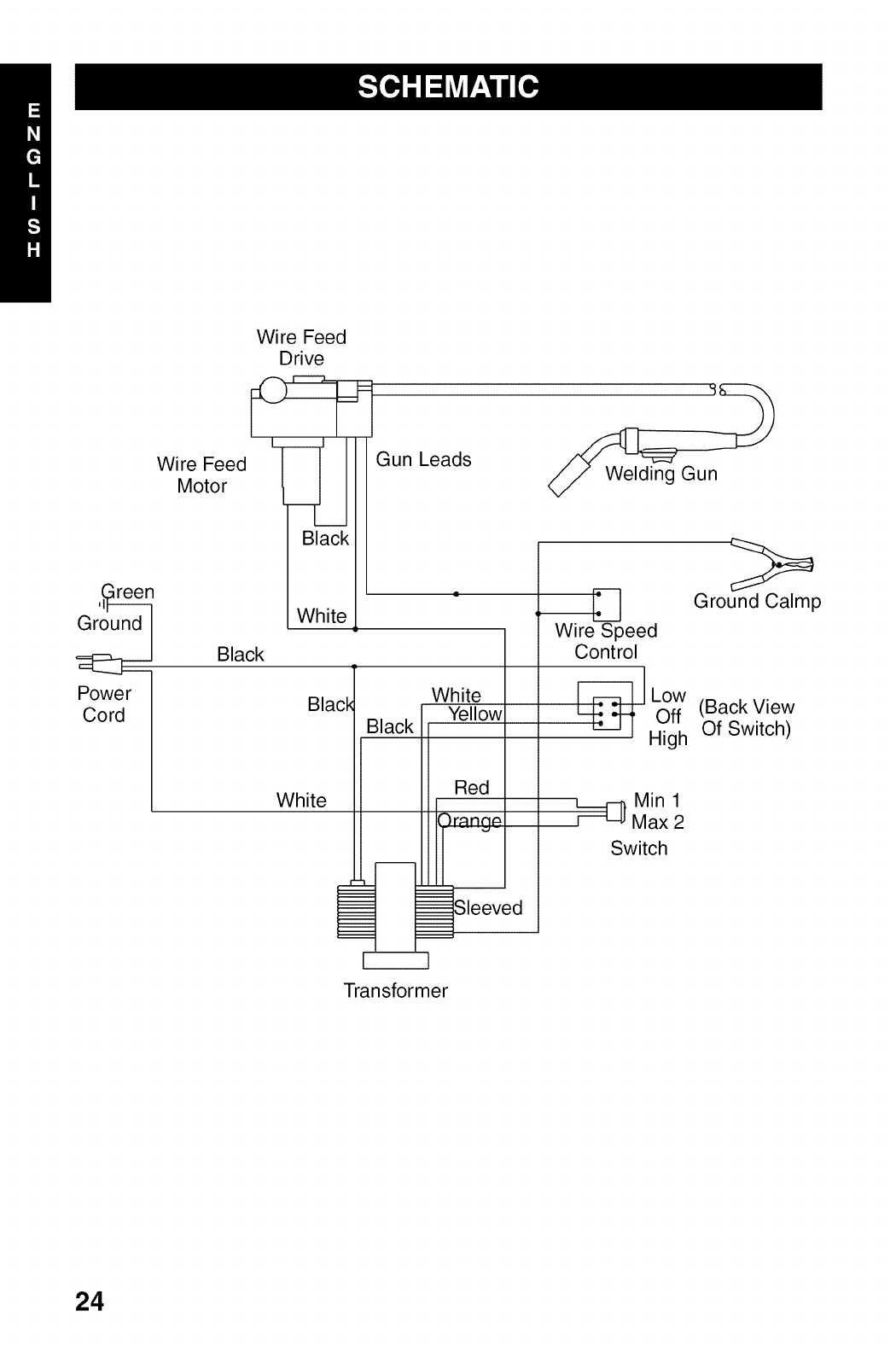
Wire Feed
Motor
Wire Feed
Drive
Black
Gun Leads
Power
Cord
White
Black
Blacl_
White
White
Welding Gun
Yellow
Red
Wire Speed
Control
Low
Off
High
Min 1
Max 2
Switch
Ground Calmp
(Back View
Of Switch)
Transformer
24

1117-o711

Manufacturer warrants that it will repair, at no charge for parts or labor, the Welder or
Welding Gun or Cables, proven defective in material or workmanship, during the following
time period(s) after date of original retail purchase:
For 5 Years: The Welders Transformer and Rectifier
For 2 Years: The Entire Welder (excluding accessories packed with the welder)
For 1 Year: The Welder's Welding Gun
If after reasonable efforts by the manufacturer, the Welder or Welding Gun or Cables is/are
deemed unrepairable, the manufacturer will, at its option, refund the original purchase price or
supplier replacement welder, or welding gun or cables (whichever is defective). This warranty
extends to the Welder, the Welder(s) Transformer and Rectifier, and Welding Gun and Cables
only and does not apply to any accessory items included with the product which are subject to
wear from usage; the replacement or the repair of these items shall be at the expense of the
owner.
This warranty does not extend to the following consumable parts. These parts are consumed
in normal operation of Welders.
CONTACT TIPS, NOZZLES, GUN LINERS, DRIVE ROLLERS.
In addition, this warranty does not extend to any damage caused by the untimely replacement
or maintenance of any of the above listed CONSUMABLE parts.
THE TERMS OF THE MANUFACTURER'S LIMITED WARRANTY CONSTITUTE THE
BUYER'S SOLE AND EXCLUSIVE REMEDY. THE IMPLIED WARRANTIES OR
MERCHANTABILITY AND FITNESS FOR A PARTICULAR PURPOSE ARE LIMITED IN
DURATION TO THIS EXPRESS WARRANTY. AFTER 1/2/5 YEARS (AS APPLICABLE)
FROM DATE OF PURCHASE, ALL RISK OF LOSS FROM WHATEVER REASON
SHALL BE PUT UPON THE PURCHASER.
THE MANUFACTURER SHALL NOT BE LIABLE FOR INCIDENTAL AND
CONSEQUENTIAL DAMAGES UNDER ANY CIRCUMSTANCES: THE
MANUFACTURER'S LIABILITY, IF ANY, SHALL NEVER EXCEED THE PURCHASE
PRICE OF THIS MACHINE REGARDLESS OF WHETHER LIABILITY IS PREDICTED
UPON BREACH OF WARRANTY (EXPRESS OR IMPLIED), NEGLIGENCE, STRICT
TORT OR ANY OTHER THEORY.
This warranty extends to each person who acquires lawful ownership within 1/2/5 years
(as applicable) original retail purchase, but is void if the product has been abused, altered,
misused or improperly packaged and damaged when returned for repair.
This warranty applies to the product only and does not apply to any accessory items
included with the product which are subject to wear from usage; the replacement or repair
of these items shall be at the expense of the owner.
Some states do not permit the limitation of warranties or limitation of consequential or
incidental damages, so the above disclaimer and limitation may not apply to you. This
warranty gives you specific legal rights, and you may also have other rights which vary
from state to state.
TO OBTAIN SERVICES UNDER THIS WARRANTY
For answers to questions concerning use, out-of-warranty service, or warranty/service
information on other Century products, contact:
Century Mfg. Co.
866-236-0044
© CMC 1999
26
Form 811-597-000 Rev. A

117-071 (2171, 83071, 20101)
Item Lincoln Stock #
1
2
3
4
5
6
7
8
9
10
11
12
13
14
15
16
Not Shown
131-419-000
880-406-001
238-542-000
334-221-000
$27119
KP11-30, KH711
KP21T-50
$24355-3
880-459-666
312-076-666
Customer#
880-392-888
880-397-000
410-832-***
410-833-010
131-350-002
412-375-666
410-385-***
880-382-000
238-490-010
334-221-000
246258
246-405-000
43100,334-160-300,
KP2039-2B1, M15523
43480, 334-203-300,
KP1942-1, M15578
248-311-000
246-404-000
880-395-000
880-391-000
312-076-666
Description
Main weld transformer
Thermal breaker assy.
Base
Drive deck
Wire tensioner kit
Fan motor bracket
Hood
Drive motor & gearbox assy.
Gun assy.
Black trigger for 238-490
Red trigger for 238-542
3 position switch
0.030 Contact Tips
KP45-40-15 KP1937-1
334-228-000
Model
117-071
Rated
Output
80 amp
Primary Input Input Plug
120V, 15 amp 15a
Steel welding nozzle
Powercord
2 position switch
Ground cable assy.
PCB, wire speed control
Spindle
G_uunnliner t
diffuser
10/20f2008
Duty Cycle at10%RatedOutput I
Voltage Settings Agency Listing Max Output
4 CSA 80 amps