User manual

©2009 Cervis, Inc.
Small Receiver Transmitter Module
RFM307
Radio Transceiver Description V1.0
Draft 29 April 11:11
™
™

Small Receiver Transmitter Module RFM307
This document is the property of Cervis, Inc. and cannot be copied, modified,
e-mailed, or reproduced without the express prior written consent of Cervis, Inc.
Cervis, Inc. reserves the right to change this manual or edit, delete, or modify any information
without prior notification.
Cervis, Inc.
170 Thorn Hill Road
Warrendale, PA 15086
Phone: 724.741.9000 Fax: 724.741.9001
Visit our Web site at: www.cervisinc.com
© 2009 Cervis, Inc. All rights reserved.
Content is subject to change without notice.

Radio Transceiver Description v1.0
©2009 Cervis, Inc. i
Table of Contents
Table of Contents.......................................................................................................................... i
List of Figures ............................................................................................................................... i
This page intentionally blank...................................................................................................... ii
1.0 Introduction .......................................................................................................................... 1
2.0 General Description.............................................................................................................2
3.0 Transceiver Block Diagrams............................................................................................... 3
4.0 Transceiver Theory of Operation ....................................................................................... 5
4.1 Power Supply ....................................................................................................................5
4.2 Host Interface.................................................................................................................... 5
4.3 Receiver Function............................................................................................................. 5
4.4 Transmitter Function........................................................................................................ 6
4.5 Antenna Connection......................................................................................................... 6
5.0 Tune-Up Procedure.............................................................................................................. 7
6.0 Labels.................................................................................................................................... 8
7.0 Specifications....................................................................................................................... 9
8.0 Signals and Connections.................................................................................................. 10
List of Figures
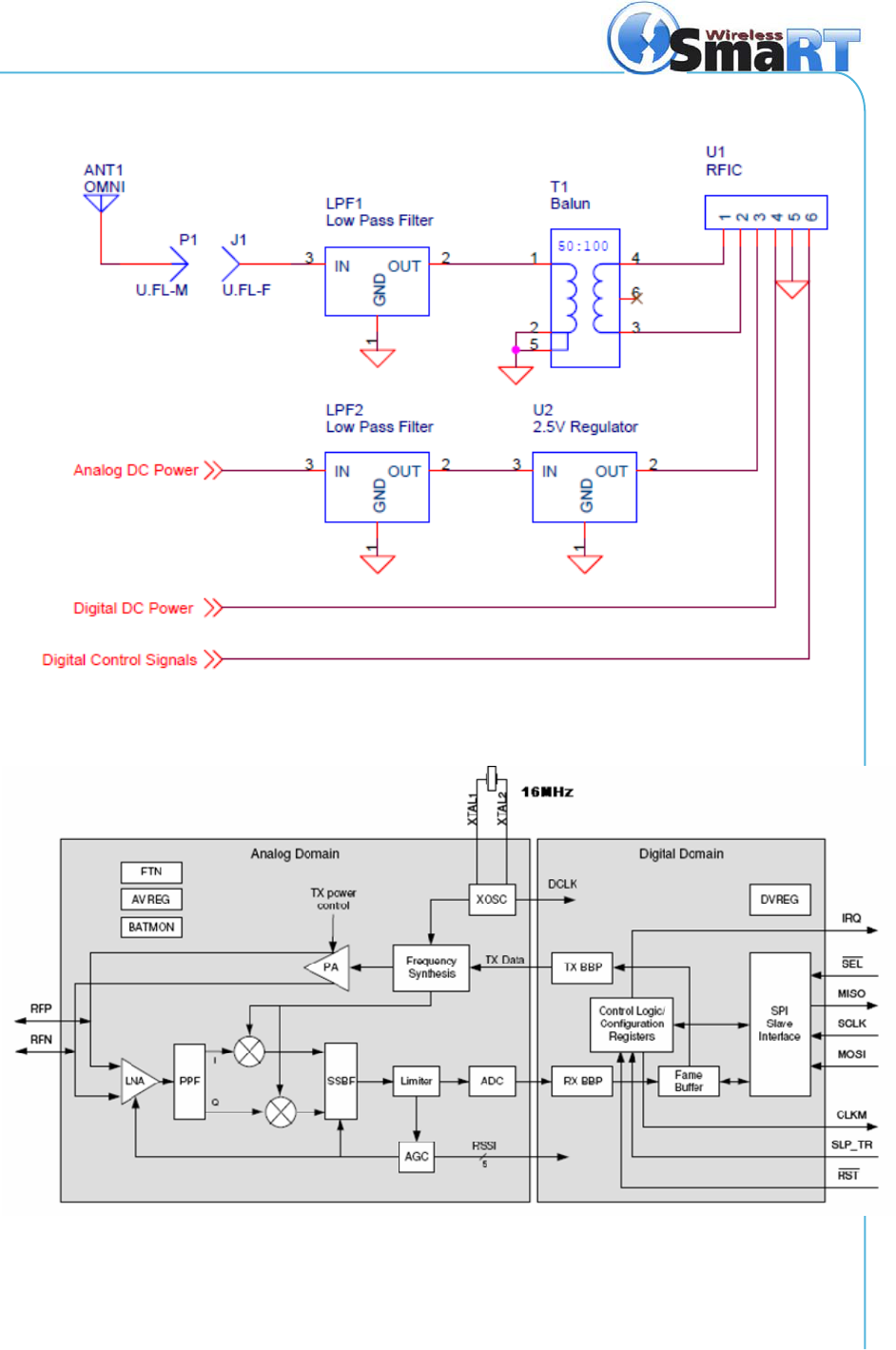
Figure 1. Block Diagram of RFM307, no pa lna...........................................................................3
Figure 2. Block Diagram Atmel AT86RF230 Transceiver (from data sheet) ............................3

Small Receiver Transmitter Module RFM307
Draft 29 April 11:11 ii
This page intentionally blank.

Radio Transceiver Description v1.0
1.0 Introduction
This document describes in detail the implementation of the RFM307 transceiver
module used in the SmaRT product line. It is assumed that the reader has some
hardware and software background related to microprocessor based embedded
systems.

Small Receiver Transmitter Module RFM307
Draft 29 April 11:11 2
2.0 General Description
The RFM307 transceiver module provides wireless communication functions in a
general purpose module that is incorporated into various control system products
typically covered by FCC Part 15.212, configured as split systems. The module is
composed of a single shielded printed circuit board (PCB) assembly. An RF transceiver
integrated circuit (RFIC) implements the active RF circuits, while passive components
provide RF filtering and DC power bypassing. A linear pass regulator IC provides DC
power pre-regulation to reduce possible RF noise associated with the active RF circuits
of the IC. An SPI serial digital interface and several digital I/O signals provide for control
of the functions of the RFIC. The programmable control IC can be any microcontroller
that has sufficient software program capacity, an SPI serial port, several digital I/O bits
and compatible electrical specifications.
The RFIC provides a general capacity to send and receive digital data packets in a
manner suitable to the 2.4GHz ISM band. Carrier modulation is Direct Sequence
Spread Spectrum (DSSS) compatible with the IEEE 802.15.4 ZigBee standard(s), as
supported by the RFIC that is installed. The packet data contents are define by the
application software which may implement a standardized or proprietary
communications protocol, as required.
The RFM307 does not include an antenna as part of the module.
The radio transceiver module is identified as a Cervis Inc. proprietary product
07420307-A-0, which is not intended for resale.

Radio Transceiver Description v1.0
©2009 Cervis, Inc. 3
3.0 Transceiver Block Diagrams
Figure 1. Block Diagram of RFM307, no pa lna
Figure 2. Block Diagram Atmel AT86RF230 Transceiver (from data sheet)

Small Receiver Transmitter Module RFM307
Draft 29 April 11:11 4
The RFIC utilized in the RFM307 is AT86RF230, manufactured by Atmel. The RFIC is a
“low-power 2.4 GHz radio transceiver especially designed for ZigBee/IEEE 802.15.4
applications” according to the AT86RF230 Data Sheet. Most, if not all, subsequent
information is derived from the AT86RF230 Data Sheet. The transceiver IC is capable
of operating in the frequency range of 2405MHz to 2480MHz, divided into 16 pre-
defined channels. The adjustable transmission power is stated to be -17dBm to +3dBm,
+/-3dBm. All RF functions are controlled by an external programmed controller that can
read and write the RFIC’s internal control registers, accessed via the SPI serial digital
control interface and digital I/O control signals. See the manufacturer’s data for
additional details.

Radio Transceiver Description v1.0
©2009 Cervis, Inc. 5
4.0 Transceiver Theory of Operation
4.1 Power Supply
The RFM307 requires DC power from external regulated sources provided by the host
application hardware. The RFIC is internally divided into digital and analog sections,
each provided with an internal linear DC regulator. Power for the digital sections of the
RFIC is bypassed using ceramic capacitors and connected to the RFIC Digital Power
Input, which sets the voltage levels used for the external digital interface signals. The
RFIC internal linear pass regulator further conditions the power used for internal digital
circuits, such as the control registers. Power for the analog sections of the RFIC is
filtered by an LC Pi-network, pre-regulated by the provided external linear pass
regulator, and connected to the RFIC Analog Power Input. The RFIC internal linear
pass regulator further conditions the power used for internal analog circuits, such as RF
amplifier and the synthesizer VCO. By this arrangement, The RFM307 can accept a
wide range of DC power sources, +2.7Vdc to +3.3Vdc, and thus connect to a wide
variety of host applications, yet still provide excellent and consistent RF performance.
4.2 Host Interface
The host control interface is primarily via the SPI serial digital control port. Additional
digital control signals are provided. All digital signals are fully buffered inside the RFIC
to isolate the RF circuits from the digital control signals.
4.3 Receiver Function
(From the AT86RF230 Data Sheet)
The AT86RF230 receiver is split into an analog radio front end and a digital base band
processor (RX BBP).
The RF signal is amplified by an internal low noise amplifier (LNA) and converted down
to an intermediate frequency by a mixer. Channel selectivity is performed using an
integrated band pass filter. A limiting amplifier (Limiter) provides sufficient gain to
overcome the DC offset of the succeeding analog-to-digital converter (ADC) and
generates a digital RSSI signal with 3 dB granularity. The IF signal is sampled and
processed further by the digital base band receiver.
The RX BBP performs additional signal filtering and signal synchronization. The
frequency offset of each frame is calculated by the synchronization unit and is used
during the remaining receive process to correct the offset. The receiver is designed to
handle frequency and symbol rate deviations up to ±120 ppm, caused by combined
receiver and transmitter deviations. Finally the signal is demodulated and the data are
stored to the Frame Buffer.

Small Receiver Transmitter Module RFM307
Draft 29 April 11:11 6
4.4 Transmitter Function
(From the AT86RF230 Data Sheet)
The AT86RF230 transmitter consists of a digital base band processor (TX BBP) and an
analog radio front end. The TX BBP reads the frame data from the Frame Buffer and
performs the bit-to symbol and symbol-to-chip mapping as specified by IEEE 802.15.4
in section 6.5.2.
The O-QPSK modulation signal is generated and fed into the analog radio front end.
The fractional-N frequency synthesizer (PLL) converts the baseband transmit signal to
the RF signal, which is amplified by the internal power amplifier (PA). The PA output is
internally connected to bidirectional differential antenna pins (RFP, RFN), so that no
external antenna switch is needed.
4.5 Antenna Connection
The RFM307 PCB provides a connection path between the RFIC antenna pins and the
physical connection to the application antenna. The unbalanced RFIC 100 Ohm
antenna port pins (RFP, RFN) are connected to a monolithic ceramic balun which
converts the signal into 50 Ohm unbalanced. The unbalanced signal is then conducted
via microstrip transmission line to a monolithic ceramic low-pass filter. The output of the
low-pass filter is further conducted to the antenna port, which can be either the provided
unique U.FL coaxial cable jack or a solder terminal on the edge of the module’s PCB.
There is a DC blocking capacitor between the balun and the low pass filter to protect
the circuit from damage if a power source is inadvertently connected to the antenna
circuit.
Typical antennas are low gain omni-directional, such as monopoles, dipoles and similar
arrangements. An internally mounted antenna is typically provided as part of the host
application hardware. An external port with a suitably unique connector can be provided
for mounting situations where a provided antenna needs to be mounted in a better
location.

Radio Transceiver Description v1.0
©2009 Cervis, Inc. 7
5.0 Tune-Up Procedure
In general, tune-up of the AT86RF230 is pre-determined in software. Insurance that the
radio device is tuned to the correct frequency and adheres to the proper output level is
based on the architecture of the transceiver – including the external components - and
the limits of the software. No manually variable passive components are used in the
design. Variations in frequency, receive mode, and output level are determined in
software through the configuration of specific register or memory locations. Register
values are set prior to the execution of the main application loop.
The Atmel AT86RF230 has two receive modes of operation – Basic and Extended. The
mode of receive operation commonly used by the host applications, such as the
SmaRT 2.4GHz Base Unit BU-200H, is Basic Mode. To set Basic Mode of receive
operation, the AT86RF230 requires that register location 0x02 be set to 0x06. The
ability to change this register is not available to the end user and is pre-determined in
the application code. It cannot be changed during normal use of the product.
The AT86RF230 has three transmit modes of operation – Basic, Extended and Test
modes. In any mode, there are sixteen specific output power levels that can be selected
– +3dBm, +2.6dBm, +2.1dBm, +1.6dBm, +1.1dBm, +0.5dBm, -0.2dBm, -1.2dBm, -
2.2dBm, -3.2dBm, -4.2dBm, -5.2dBm, -7.2dBm, -9.2dBm, -12.2dBm, -17.2dBm. The
host applications, such as the SmaRT 2.4GHz Base Unit BU-200H, operate in
Extended transmit mode only and uses two power level settings: +3dBm and -17.2dBm.
In Active Mode (application mode), the host application operates the AT86RF230 in
Extended transmit mode at +3dBm whereby memory location 0x05 is set to 0x80. In
Association Mode (application mode), where the communication frequency between
nodes is determined, the host application operates the AT86RF230 in Extended
transmit mode at -17.2dBm whereby memory location 0x05 is set to 0x8F. In either
case, the modification of transmit mode and output power level is determined in
software and no manual tuning is required.
The AT86RF230 is able to transmit and receive on 16 distinct frequencies - between
2405MHz to 2480MHz. Each channel is spaced by 5MHz beginning at 2405MHz. In
Association Mode, the communication frequency between nodes is determined. By
default, the AT86RF230 is configured to listen at 2405MHz. This is established in
software by setting the bottom four bits in memory location 0x08 within the transceiver
to 0x0B. During Association Mode, the user – through software – has the ability to
change the communication frequency to 2410MHz, 2415MHz, 2420MHz, 2425MHz,
2430MHz, 2435MHz, 2440MHz, 2445MHz, 2450MHz, 2455MHz, 2460MHz, 2465MHz,
2470MHz, 2475MHz, or 2480MHz. The range of frequencies is limited by hardware and
is a function of the circuit design and the value stored in a specific register location.
A buffered test point, pin 37, is available to measure the crystal oscillator frequency
without affecting the oscillator. For all practical purposes, physical tuning is never
required when the specified components are installed in the circuit. It is possible to trim
the primary crystal by varying the load capacitors and/or using the RFIC’s selectable
internal trim capacitors, should that ever be necessary.

Small Receiver Transmitter Module RFM307
Draft 29 April 11:11 8
6.0 Labels
The RFM307 transceiver module and products the incorporate the RFM307 transceiver
module must be properly labeled.
The RFM307 module must be labeled with the following statement:
Cervis SmaRT 2.4GHz Module
FCC ID: LOBSRF307
The product label must include the following statement:
FCC statements:
15.19 – Two Part Warning
This device complies with Part 15 of the FCC rules. Operation is subject to
the following conditions:
(1) This device may not cause harmful interference and
(2) This device must accept any interference received, including interference that may
cause undesired operation.
15.21 – Unauthorized Modification
NOTICE: The manufacturer is not responsible for any unauthorized modifications to this
equipment made by the user. Such modifications could void the user’s authority to
operate this equipment.
Contains FCC ID: LOBSRF307

Radio Transceiver Description v1.0
©2009 Cervis, Inc. 9
7.0 Specifications
RFM307 General Specifications
Item Description
Digital Power Regulated +2.7 – 3.3 VDC, 20mA max
Analog Power Regulated +2.7 – 3.3 VDC, 20mA max
Digital I/O Signals “CMOS” logic levels
TX RF Power -17.2dBm to +3dBm, +/-3dBm
TX RF Power Max. Not to exceed +6dBm
Frequency Accuracy 2405-2480 MHz, 5 MHz channel spacing +/-100kHz
Modulation DSSS
Size 25mm W x 26mm H x 5mm T
Connector U.FL female jack or PCB pad
Antenna Low gain omni, provided as original equipment

Small Receiver Transmitter Module RFM307
Draft 29 April 11:11 10
8.0 Signals and Connections
RFM307 Pins and Signals
Pin Description
1-16,20,22-24,28,30,31 Ground connection
32 Digital Power input, regulated +2.7 – 3.3 VDC, 20mA max
29 Analog Power input, regulated +2.7 – 3.3 VDC, 20mA max
21 2.4 GHz RF antenna connection (alternate to J2)
34 Serial select input, active low, 1M pullup
19 Serial clock input
17 Serial data input
18 Serial data output
33 Interrupt output, active low, 1M pullup
35 Reset input, active low, 1M pullup
36 Sleep/TR input, 1M pulldown
37 RFIC buffered clock output
26 Gain select, 1M pulldown (reserved)
27 PA enable, active high, 1M pulldown (reserved)
J2 2.4 GHz RF antenna coax connector (alternate to pin 21)

Radio Transceiver Description v1.0
©2009 Cervis, Inc. 11
Visit our Web site at: www.cervisinc.com
SmaRT devices are manufactured by CERVIS, Inc.
© 2009 Cervis, Inc. All rights reserved. Content is subject to change without notice.