Chamberlain 248754 User Manual GARAGE DOOR OPENER Manuals And Guides 1101264L
User Manual: Chamberlain 248754 248754 CHAMBERLAIN GARAGE DOOR OPENER - Manuals and Guides View the owners manual for your CHAMBERLAIN GARAGE DOOR OPENER #248754. Home:Garage Door & Opener Parts:Chamberlain Parts:Chamberlain GARAGE DOOR OPENER Manual
Open the PDF directly: View PDF
.
Page Count: 44

CHAMBERLAIN _
The Chamberlain Group, Inc.
845 Larch Avenue
Elmhurst, Illinois 60126-1196
www.chamberlain.com
SI ( URITI',I,
GARAGE DOOR OPENER
_Model 248754
For Residential Use Only
Owner's Manual
•Please read this manual and the enclosed safety materials carefully!
•Fasten the manual near the garage door after installation.
•The door WILL NOT CLOSE unless The Protector System® is connected
and properly aligned.
•Periodic checks of the opener are required to ensure safe operation.
•The model number label is located on the left side panel of your opener.

TABLE OF CONTENTS
Introduction 2- 7
Safety symbol and signal word review ............... 2
Preparing your garage door ....................... 3
Tools needed .................................. 3
Planning ................................... 4-5
Carton inventory ................................ 6
Hardware inventory ............................. 7
Assembly 8-11
Assemble the rail and install the trolley .............. 8
Fasten the rail to the motor unit .................... 9
Install the idler pulley ............................ 9
Install the belt and attach the belt cap retainer ....... 10
Set the tension ................................ 11
Installation 11-26
Installation safety instructions .................... 11
Determine the header bracket location ............. 12
Install the header bracket ........................ 13
Attach the rail to the header bracket ............... 14
Position the opener ............................. 15
Hang the opener ............................... 16
Install the door control .......................... 17
Install the battery .............................. 18
Install the lights ................................ 18
Attach the emergency release rope and handle ...... 19
Electrical requirements .......................... 20
Install The Protector System ® ................. 21-23
Fasten the door bracket ...................... 24-25
Connect the door arm to the trolley ............. 26-27
Adjustment 28-30
Program the travel limits ........................ 28
Setting the force ............................... 29
Test the safety reversal system ................... 30
Test The Protector System ®...................... 30
Operation 31-37
Operation safety instructions ..................... 31
Using your opener ............................. 31
Using the wall-mounted door control ............... 32
Care of your opener ............................ 33
To open the door manually ...................... 33
Battery backup ................................ 34
Having a problem? (Troubleshooting) .............. 35
Diagnostic chart ............................... 36
Programming 37-38
To add or reprogram a hand-held remote control ..... 37
To erase all codes from motor unit memory ......... 37
3-Button remotes .............................. 37
To add, reprogram or change a
Keyless Entry PIN ............................. 38
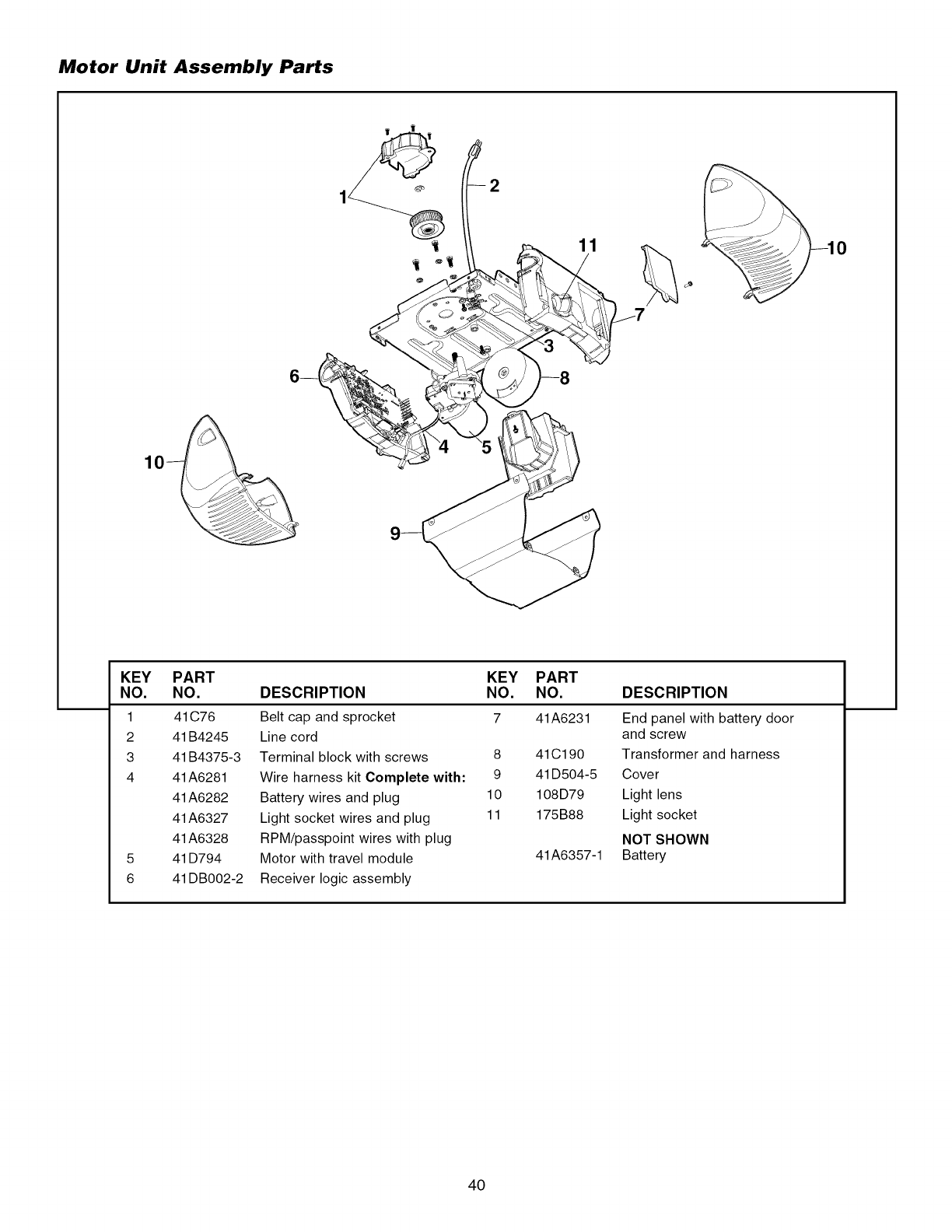
Repair Parts 39-40
Rail assembly parts ............................ 39
Installation parts ............................... 39
Motor unit assembly parts ....................... 40
Accessories 41
Notes 42.43
Repair Parts and Service
Warranty
44
44
INTRODUCTION
Safety Symbol and Signal Word Review
This garage door opener has been designed and tested to offer safe service provided it is installed, operated,
maintained and tested in strict accordance with the instructions and warnings contained in this manual.
Mechanical
Electrical
When you see these Safety Symbols and Signal Words
on the following pages, they will alert you to the
possibility of serious injury or death if you do not
comply with the warnings that accompany them. The
hazard may come from something mechanical or from
electric shock. Read the warnings carefully.
When you see this Signal Word on the following pages, it
will alert you to the possibility of damage to your garage
door and/or the garage door opener if you do not comply
with the cautionary statements that accompany it. Read
them carefully.

Preparing your garage door
Before you begin:
•Disable locks.
• Remove any ropes connected to garage door.
• Complete the following test to make sure your
garage door is balanced and is not sticking or binding:
1. Lift the door about halfway as shown. Release the
door. If balanced, it should stay in place, supported
entirely by its springs.
2. Raise and lower the door to see if there is any
binding or sticking.
If your door binds, sticks, or is out of balance, call a
trained door systems technician.
To prevent possible SERIOUSINJURYor DEATH:
• ALWAYScall a trained door systems technician if garage
door binds, sticks, or is out of balance.An unbalanced
garagedoor may not reversewhen required.
• NEVERtry to loosen, move or adjust garagedoor, door
springs, cables, pulleys, brackets or their hardware,ALL of
which are under EXTREMEtension.
• DisableALL locks and removeALL ropes connected to
garagedoor BEFOREinstalling and operating garagedoor
opener to avoid entanglement.
To prevent damageto garage door and opener:
• ALWAYSdisable locks BEFOREinstalling and operating
the opener.
• ONLY operate garagedoor opener at 120V, 60 Hzto avoid
malfunction and damage.
Sectional Door
One-Piece Door Tools needed
During assembly, installation and adjustment of the
opener, instructions will call for hand tools as
illustrated below.
Stepladder
Level (optional) Pencil
Tape Measure
Wire Cutters
Drill 3/16", 5/16"
_[_ and 5/32"
1/2", 5/8", 7/16", 9/16"
and 1/4"
Hack Saw
Screwdriver
Adjustable End Wrench

Planning
Identify the type and height of your garage door. Survey
your garage area to see if any of the conditions below
apply to your installation. Additional materials may be
required. You may find it helpful to refer back to this
page and the accompanying illustrations as you proceed
with the installation of your opener.
Depending on your requirements, there are several
installation steps which may call for materials or
hardware not included in the carton.
• Installation Step 1 - Look at the wall or ceiling above
the garage door. The header bracket must be securely
fastened to structural supports.
• Installation Step 5 - Do you have a finished ceiling in
your garage? If so, a support bracket and additional
fastening hardware may be required.
• Installation Step 11 - Depending upon garage
construction, extension brackets or wood blocks may
be needed to install sensors.
• Installation Step 11 - Alternate floor mounting of the
safety reversing sensor will require hardware not
provided.
Do you have an access door in addition to the garage
door? If not, Model 7702CB Emergency Key Release
is required. See Accessories page.
Look at the garage door where it meets the floor. Any
gap between the floor and the bottom of the door must
not exceed 1/4" (6 mm). Otherwise, the safety reversal
system may not work properly. See Adjustment Step 3.
Floor or door should be repaired.
SECTIONAL DOOR INSTALLATIONS
• Do you have a steel, aluminum, fiberglass or glass
panel door? If so, horizontal and vertical reinforcement
is required (Installation Step 12).
• The opener should be installed above the center of the
door. If there is a torsion spring or center bearing plate
in the way of the header bracket, it may be installed
within 4 feet (1.2 m) to the left or right of the door
center. See Installation Steps 1 and 12.
• If your door is more than 7 feet (2.1 m) high, see rail
extension kits listed on Accessories page.
SECTIONAL DOOR INSTALLATION
Horizontal and vertical reinforcement
is needed for lightweight garage doors
(fiberglass, steel, aluminum, door with
glass panels, etc.). See page 24 for details.
FINISHED CEILING
Support bracket &
fastening hardware
is required.
See page 16.
Header Wall
Extension
OR
Torsion Spring
unit
Vertical
Centerline
of Garage Door
Wall-
mounted
Door
Control
Safety Reversing Sensor
Gap between floor
and bottom of door
must not exceed 1/4" (6 mm).
Safety
Reversing
Sensor
Door
©
Header CLOSED POSITION
Bracket Trolley
/Stop Bolt Trolley
,
Garage
Door to/ "--] Belt
ring /!_"'X I
/_ / Stooirght I-_ g y> Emer enc Release
_/JJJ/t u-_ _" /_j Arm | Rope & Handle
I I_ _J_ Curved
4eader _ _, Door
Nail Ix_ " Arm
Sarage _ Door
)oo_r_ --{- " Bracket
/

Planning (Continued)
ONE-PIECE DOOR INSTALLATIONS
•Generally, a one-piece door does not require
reinforcement. If your door is lightweight, refer to the
information relating to sectional doors in Installation
Step 12.
• Depending on your door's construction, you may need
additional mounting hardware for the door bracket
(Step 12).
Without a properly working safety reversal system, persons
(particularly small children) could be SERIOUSLYINJURED
or KILLED by a closing garagedoor.
• The gap betweenthe bottom of the garagedoor and the
floor MUST NOTexceed 1/4" (6 mm). Otherwise,the safety
reversal system may not work properly.
• The floor or the garage door MUST be repairedto eliminate
the gap.
ONE-PIECE DOOR WITHOUT TRACK
FINISHED CEILING
_ Header Wall
ap between floor
Safety Reversing Sensor
Rail
J
Access
Door
C
1
Support bracket
& fastening
hardware is required.
See page 16.
Safety Reversing
Sensor
and bottom of door must not exceed 1/4" (6 ram).
Wall-mounted
Door Control
Motor Unit
CLOSED POSITION
Trolley Stop Bolt Belt Trolley
• _racKet _ Y I Emergency
__1 I-- Release
i_ irght i_m_ed _ ROpe & Handle
_ Garage
_,_ Door
CLOSED POSITION
Trolley Stop Bolt Belt Trolley
J J. I _1 ,
z i _L_ _-"
HeaderCorved
Bracket DoorArm -_- [_ - Rail
!
Door I i Emergency
_/¢_ Bracket Straiqht Release
_///I Door Rope &
//'J,,l_ Garage ^_ Handle
_I Door ..... J_
Reversing
Sensor

Carton Inventory
Your garage door opener is packaged in one carton
which contains the motor unit and all parts illustrated
below. Accessories will depend on the model purchased.
If anything is missing, carefully check the packing
material. Parts may be stuck in the foam. Hardware for
assembly and installation is shown on the next page.
Save the carton and packing material until installation
and adjustment is complete.
SECURITY+ ®
3-Button Remote Control (2)
Trolley
Battery
2-Conductor Bell Wire
White & White/Red
Motor Unit with 2 Light Lenses
SECURITY+ ®
3-Button
Mini-Remote Control (1)
Motion Detecting
Door Control
Rail
Center/Back
ySections
@
Idler Pulley
SECURITY+ ®
Keyless Entry
Header Bracket
Belt
Rail
Front (header)
Section
Safety Sensor
Bracket (2)
Belt Cap Retainer
Hanging Brackets
__ntn_g_SR_ns° isi ng Eye)
with 2-Conductor White & White/Black
Bell Wire attached
"U" BracketJ
Curved Door
Arm Section
Safety Labels
and
Literatu re
Door Bracket
Straight Door
Arm Section

Hardware Inventory
Separate all hardware and group as shown below for the assembly and installation procedures.
ASSEMBLY HARDWARE
Nut
Spring/Trolley Nut (1) 3/8" (1)
Bolt 1/4"-20xl-3/4" (2)
@
Lock Nut
1/4"-20 (2)
Lock Washer
3/8" (1)
©
Trolley Threaded Shaft (1)
Master
Link (2) Idler Bolt (1)
INSTALLATION HARDWARE
Carriage Bolt
1/4"-20x 1/2" (2)
0
Lag Screw
5/16"-9xl -5/8" (2)
Lag Screw
5/16"-18xl -7/8" (2)
1/4"-14x5/8" (2)
o]
Clevis Pin
5/16"x1-1/2" (1)
Wing Nut Ring
1/4"-20 (2) Fastener (3)
Hex Bolt
5/16"-18x7/8" (4)
Screw
6ABx1-1/4" (2)
Drywall Anchors (2)
E ol
Clevis Pin
5/16"x1" (1)
Nut 5/16"-18 (8) Handle
Lock Washer 5/16" (7)
Insulated
Staples (30)
Screw 6-32x1" (2)
Spacer (2)
o]
Clevis Pin
5/16"x1-1/4" (1)
Rope

ASSEMBLY STEP 1
Assemble the Rail and Install the
Trolley
To avoid installation difficulties, do not run the
garage door opener until instructed to do so.
The front rail has a cut out "window" at the door end
(see illustration). The hole above this window is larger
on the top of the rail than on the bottom. A smaller hole
3-1/2" (8.9 cm) away is close to the rail edge. Rotate the
back rail so #has a similar hole close to the opposite
edge, about 4-3/4" (12 cm) from the far end.
1. Remove the straight door arm and hanging bracket
packaged inside the front rail and set aside for
Installation Step 5 and 12. NOTE: To prevent INJURY
while unpacking the rail carefully remove the straight
door arm stored within the rail section.
2. Align the rail sections on a flat surface as shown and
slide the tapered ends into the larger ones. Tabs along
the side will lock into place.
To prevent INJURYfrom pinching, keep hands and fingers
away from the joints while assembling the rail.
3. Place the motor unit on packing material to protect
the cover, and rest the back end of the rail on top.
For convenience, put a support under the front end of
the rail.
4. As a temporary stop, insert a screwdriver into the hole
10" (25 cm) from the front end of the rail, as shown.
5. Check to be sure there are 4 plastic wear pads inside
the inner trolley. If they became loose during shipping,
check all packing material. Snap them back into
position as shown.
6. Slide the trolley assembly along the rail from the back
end to the screwdriver.
_ered
End
3ered
End
Trolley
Tapered
End
Back Rails
(TO MOTOR UNIT)
3ered
End
Inner Trolley

ASSEMBLY STEP 2
Fasten the Rail to the Motor Unit
•Insert a 1/4"-20xl-3/4 bolt into the cover protection bolt
hole on the back end of the rail as shown. Tighten
securely with a 1/4"-20 lock nut. Do not overtighten.
• Remove the two bolts from the top of the motor unit.
• Place the "U" bracket, flat side down, on the motor unit
and align the bracket holes with the bolt holes. Fasten
with the previously removed bolts.
• Align the rail assembly with the top of the motor unit.
Slide the rail end onto the "U" bracket, all the way to
the stops that protrude on the top and sides of the
bracket.
To avoid SERIOUSdamage to garagedoor opener, use ONLY
those bolts/fasteners mounted in the top of the opener.
"U" Bracket
Bolt
I Cover
Bolts Motor Unit
Belt Pulley
HARDWARE SHOWN ACTUAL SIZE
__1_ Lock Nut
Bolt 1/4"-20x 1-3/4" 1/4"-20
SLIDE RAIL TO STOPS
ON TOPAND SIDES
OF BRACKET
I
Lock Nut
ASSEMBLY STEP 3
Install the Idler Pulley
• Lay the belt beside the rail, as shown. Grasp the end
with the hooked trolley connector and pass
approximately 12" (30 cm) of belt through the window.
Keep the ribbed side toward the rail, and allow it to
hang until Assembly Step 5.
• Remove the tape from the idler pulley. The inside
center should be pre-greased. If dry, regrease to
ensure proper operation.
• Place the idler pulley into the window as shown.
• Insert the idler bolt from the top through the rail and
pulley. Tighten with a 3/8" lock washer and nut
underneath the rail until the lock washer is
compressed.
• Rotate the pulley to be sure it spins freely.
• Insert a 1/4"-20xl-3/4 bolt into the trolley stop hole in
the front of the rail as shown. Tighten securely with a
1/4"-20 lock nut.
Lock Washer
3/8"
O-
Grease
___ __lnside
Pulley
_ Idler Pulley
Trolley
Connector
Bolt
I
I
(_ Lock
Pulley t Nut
Idler Bolt
HARDWARE SHOWN ACTUAL SIZE
Bolt 1/4"-20x1-3/4" Lock Nut 1/4"-20 Nut 3/8" Lock Washer 3/8"

ASSEMBLY STEP 4
Install the Belt and Attach the Belt
Cap Retainer
1. Pull the belt around the idler pulley and toward the
trolley. The ribbed side must contact the pulley.
2. Hook the trolley connector into the retaining slot on
the trolley as shown.
3. With the trolley against the screwdriver, dispense the
remainder of the belt along the rail length toward the
motor unit and around the belt pulley. The belt pulley
teeth must engage the belt.
4. Check to make sure the belt is not twisted and the
FLAT side of the trolley threaded shaft is facing the
rail. Connect the trolley threaded shaft with the master
link, as illustrated:
• Push pins of master link bar through holes in end of
belt and trolley threaded shaft.
• Push master link cap over pins and past pin
notches.
• Slide clip-on spring over cap and onto pin notches
until both pins are securely locked in place.
5. Insert the trolley threaded shaft through the hole in
the trolley. Be sure the belt is not twisted, and the
FLAT side of the trolley threaded shaft faces the rail.
6. Hold the belt at the trolley shaft as you thread the
spring nut by hand onto the shaft until finger tight
against the trolley. Do not use any tools.
7. Remove the screwdriver.
8. Position the belt cap retainer over the motor unit belt
pulley as shown and fasten to the mounting plate with
8x3/8" hex screws provided.
Master Link
Clip-On Spring
Master Link Cap
Trolley
Connector
Idler Pulley
Retaining
Slot
To avoid possible SERIOUSINJURYto fingers from moving
garagedoor opener:
• ALWAYSkeephand clear of belt pulley while
operating opener.
• Securelyattach belt pulley cover BEFOREoperating.
HARDWARE SHOWN ACTUAL SIZE
Hex Screw 8x3/8"
Spring/Trolley Nut
Hole
.::..
Pin ._
Notch /
Trolley Master
Threaded Link Bar
Shaft
8x3/8" Hex Screws
Belt Cap Retainer
Belt Pulley
Plate
10

ASSEMBLY STEP 5
Set the Tension
•Insert a screwdriver tip into one of the nut ring slots
and brace it firmly against the trolley.
• Place a 7/16" open end wrench on the square end.
Rotate the nut about 1/4 turn until the spring releases
and snaps the nut ring against the trolley.
This sets the spring to optimum belt tension.
You have now finished assembling your garage door
opener. Please read the following warnings before
proceeding to the installation section.
Square
End
I,
Trolley
Nut Rin(
I BEFORE _ IAFTER RELEASE
1-1/4"
(2.5 cm) (3.18 cm)
Nut Rin(
INSTALLATION
IMPORTANT INSTALLATION INSTRUCTIONS
To reduce the risk of SEVERE INJURY or DEATH:
1. READAND FOLLOWALL INSTALLATIONWARNINGSAND
INSTRUCTIONS.
2. Install garage door opener ONLYon properly balancedand
lubricated garage door. An improperly balanced door may
not reversewhen required and could result in SEVERE
INJURY or DEATH.
3. ALL repairs to cables, spring assemblies and other
hardware MUST be made by a trained door systems
technician BEFOREinstalling opener.
4. DisableALL locks and remove ALL ropes connected to
garagedoor BEFOREinstalling opener to avoid
entanglement.
5. Install garage door opener 7 feet (2.1 m) or more
abovefloor.
6. Mount emergency releasehandle6 feet (1.8 m)
abovefloor.
7. NEVERconnect garagedoor opener to power source until
instructed to do so.
8. NEVERwear watches, rings or loose clothing while
installing or servicing opener. They could be caught in
garagedoor or opener mechanisms.
9. Install wall-mounted garagecontrol console:
• within sight of the garagedoor.
• out of reach of children at minimum height of
5 feet (1.5 m).
• awayfrom ALL moving parts of the door.
10. Placeentrapment warning label on wall next to garage
control console.
11. Place manual release/safetyreversetest label in plain view
on inside of garagedoor.
12. Upon completion of installation, test safety reversal
system. Door MUST reverseon contact with a
1-1/2" (3.8 cm) high object (or a 2x4 laid flat) on the floor.
13. To avoid SERIOUSPERSONALINJURY or DEATHfrom
electrocution, disconnect ALL electric and battery power
BEFOREperforming ANY service or maintenance.
11

INSTALLATION STEP 1
Determine the Header Bracket
Location
To prevent possible SERIOUSINJURYor DEATH:
•Header bracket MUST be RIGIDLYfastened to structural
support on headerwall or ceiling, otherwise garagedoor
might not reversewhen required. DO NOTinstall header
bracket over drywall.
• Concrete anchors MUST be used if mounting header
bracket or 2x4 into masonry.
• NEVERtry to loosen, move or adjust garagedoor, springs,
cables, pulleys, brackets, or their hardware,ALL of which
are under EXTREMEtension.
• ALWAYScall a trained door systems technician if garage
door binds, sticks, or is out of balance.An unbalanced
garagedoor might not reversewhen required.
Installation procedures vary according to garage door
types. Follow the instructions which apply to your door.
1. Close the door and mark the inside vertical centerline
of the garage door.
2. Extend the line onto the header wall above the door.
You can fasten the header bracket within 4 feet
(1.22 m) of the left or right of the door center only
if a torsion spring or center bearing plate is in the
way; or you can attach it to the ceiling (see
page 13) when clearance is minimal. (It may be
mounted on the wall upside down if necessary, to
gain approximately 1/2" (1 cm).)
If you need to install the header bracket on a 2x4
(on wall or ceiling), use lag screws (not provided)
to securely fasten the 2x4 to structural supports as
shown here and on page 13.
3. Open your door to the highest point of travel as shown.
Draw an intersecting horizontal line on the header wall
above the high point:
• 2" (5 cm) above the high point for sectional door and
one-piece door with track.
• 8" (20 cm) above the high point for one-piece door
without track.
This height will provide travel clearance for the top
edge of the door.
NOTE: If the total number of inches exceeds the
height available in your garage, use the maximum
height possible, or refer to page 13 for ceiling
installation.
Header Wall
Unfinished
Ceiling
Vertical Centerline
of Garage Door
2x4
OPTIONAL
CEILING
MOUNT
FOR
HEADER
BRACKET
Structural
Supports
Header Wall
*_-L--i2" (5 cm) Track
Highest Point
of Travel
--Door
Sectional door with curved track
Y
Header Wall Track
_'_-_-_2" (5 cm)
_ of Travel
One-piece door with horizontal track
r Wall
Door_ Hightest
i ° Tr ve
One-piece door without track:
jamb hardware
Header Wall
:8" (20 cm)
JO_ i', Highest
, Point
:' of Travel
Pivot
One-piece door without track:
pivot hardware
12

INSTALLATION STEP 2
Install the Header Bracket
You can attach the header bracket either to the wall
above the garage door, or to the ceiling. Follow the
instructions which will work best for your particular
requirements. Do not install the header bracket over
drywall. If installing into masonry, use concrete
anchors (not provided).
WALL HEADER BRACKET INSTALLATION
•Center the bracket on the vertical centerline with the
bottom edge of the bracket on the horizontal line as
shown (with the arrow pointing toward the ceiling).
• Mark the vertical set of bracket holes. Drill 3/16" pilot
holes and fasten the bracket securely to a structural
support with the hardware provided.
HARDWARE SHOWN ACTUAL SIZE
Lag Screw
5/16"-9x 1-5/8"
Header
- Wall
2x4
Structural
Support
/
1
Horizontal
Line
Highest Point of
Garage Door Travel
Wall Mount
Optional
Mounting Holes
Vertical
Centerline
e Door
Lag Screws
5/16"x9x 1-5/8"
Garage
-- Door-
Vertical
Centerline
of Garage Door
CEILING HEADER BRACKET INSTALLATION
• Extend the vertical centerline onto the ceiling as
shown.
• Center the bracket on the vertical mark, no more than
6" (15 cm) from the wall. Make sure the arrow is
pointing away from the wall. The bracket can be
mounted flush against the ceiling when clearance
is minimal.
• Mark the side holes. Drill 3/16" pilot holes and fasten
bracket securely to a structural support with the
hardware provided.
Ceiling Mounting Holes
/
Header /
Bracket
6" (15 cm) Maximurr
Door
Spring
- Finished Ceiling -
Vertical Centerline
of Garage Door
-- Lag Screws
5/16"x9x1-5/8"
- Header Wall -
13

-- Header Wall
Idler Pulley
INSTALLATION STEP 3
Attach the Rail to the Header Bracket
NOTE: (Optional) With some existing installations, you
may re-use the old header bracket with the two plastic
spacers included in the hardware bag. Place the spacers
inside the bracket on each side of the rail, as illustrated.
• Position the opener on the garage floor below the
header bracket. Use packing material as a protective
base. NOTE: If the door spring is in the way, you will
need help. Have someone hold the opener securely on
a temporary support to allow the rail to clear the
spring.
• Position the rail bracket against the header bracket.
• Align the bracket holes and join with a clevis pin
as shown.
• Insert a ring fastener to secure.
Door
Bracket
\
Mounting
Hole
Clevis Pin
Spacer
0
Existing
Header Bracket
0
Mounting
Hole
DPTION WITH
SOME EXISTING
INSTALLATIONS
Opener Carton or
Support
HARDWARE SHOWN ACTUAL SIZE
Clevis Pin 5/16"x1-1/2" Ring Fastener
14

INSTALLATION STEP 4
Position the Opener
Follow instructions which apply to your door type as
illustrated.
SECTIONAL DOOR OR ONE-PIECE DOOR
WITH TRACK
A 2x4 laid flat is convenient for setting an ideal
door-to-rail distance.
• Remove foam packaging.
• Raise the opener onto a stepladder. You will need help
at this point if the ladder is not tall enough.
• Open the door all the way and place a 2x4 laid flat on
the top section beneath the rail.
• If the top section or panel hits the trolley when you
raise the door, pull down on the trolley release arm
to disconnect inner and outer sections. Slide the outer
trolley toward the motor unit. The trolley can remain
disconnected until Installation Step 12 is completed.
To prevent damageto garage door, rest garagedoor opener
rail on 2x4 placed on top section of door.
!ii
oo
ENGAGED
ONE-PIECE DOOR WITHOUT TRACK
A 2x4 on its side is convenient for setting an ideal
door-to-rail distance.
• Remove foam packaging.
• Raise the opener onto a stepladder. You will need help
at this point if the ladder is not tall enough.
• Open the door all the way and place a 2x4 on its side
on the top section of the door beneath the rail.
• The top of the door should be level with the top of the
motor unit. Do not position the opener more than
4" (10 cm) above this point.
I
12x4 is used to determine
the correct mounting height
from ceiling.
15

INSTALLATION STEP 5
Hang the Opener
Three representative installations are shown. Yours may
be different. Hanging brackets should be angled
(Figure 1) to provide rigid support. On finished ceilings
(Figures 2 and 3), attach a sturdy metal bracket to
structural supports before installing the opener. This
bracket and fastening hardware are not provided.
1. Measure the distance from each side of the motor unit
to the structural support.
2. Cut both pieces of the hanging bracket to required
lengths.
3. Drill 3/16" pilot holes in the structural supports.
4. Attach one end of each bracket to a support with
5/16"-18xl -7/8" lag screws.
5. Fasten the opener to the hanging brackets with
5/16"-18x7/8" hex bolts, lock washers and nuts.
6. Check to make sure the rail is centered over the door
(or in line with the header bracket if the bracket is not
centered above the door).
7. Remove the 2x4. Operate the door manually. If the
door hits the rail, raise the header bracket.
NOTE: DO NOT connect power to opener at this time.
HARDWARE SHOWN ACTUAL SIZE
Hex Bolt
5/16"- 18x7/8" Nut 5/16"- 18 Lock Washer 5/16"
To avoid possible SERIOUSINJURYfrom a falling garage
door opener, fasten it SECURELYto structural supports of
the garage. Concrete anchors MUST be used if installing ANY
brackets into masonry.
Figure_ Structural
Lag Screws
Measu re 5/16"-18xl -7/8"
Bolt 5/16"- 18x7/8"
Lock Washer 5/16"
Nut 5/16"-18
Figure 3
Lag Screws
5/16"-18xl -7/8"
Bolt 5/16"-18x7/8"
Lock Washer 5/16"
Nut 5/16"-18
Not Provided)
Bolt 5/16"- 18x7/8"
Lock Washer 5/16"
Nut 5/16"-18
16

INSTALLATION STEP 6
Install the Door Control
Locate door control within sight of door, at a minimum
height of 5 feet (1.5 m) where small children cannot
reach, away from moving parts of door and door
hardware. If installing into drywall, drill 5/32" holes and
use the anchors provided. For pre-wired installations
(as in new home construction), it may be mounted to a
single gang box (Figure 2).
1. Strip 7/16" (11 mm) of insulation from one end of bell
wire and connect to the two screw terminals on back of
door control by color: white wire to 2 and white/red
wire to the 1.
2. Remove cover by gently prying at slot in top of the
cover with a small flat head screwdriver. Fasten with
6ABx1-1/4" self-tapping screws (drywall installation) or
6-32xl" machine screws (into gang box) as follows:
• Install bottom screw, allowing 1/8" (3 mm) to protrude
above wall surface.
• Position bottom of door control on screw head and
slide down to secure. Adjust screw for snug fit.
• Drill and install top screw with care to avoid cracking
plastic housing. Do not overtighten.
• Insert top tabs and snap on cover.
3. (For standard installation only) Run bell wire up wall
and across ceiling to motor unit. Use insulated staples
to secure wire in several places. Do not pierce wire
with a staple, creating a short or open circuit.
4. Strip 7/16" (11 mm) of insulation from end of bell wire.
Connect bell wire to the quick-connect terminals as
follows: white to white and white/red to red.
5. Position the antenna wire as shown.
6. Use tacks or staples to permanently attach entrapment
warning label to wall near door control, and manual
release/safety reverse test label in a prominent
location on inside of garage door.
NOTE: DO NOT connect power and operate opener at
this time. The trolley will travel to the full open position
but will not return to the close position until the sensor
beam is connected and properly aligned.
To prevent possible SERIOUSINJURYor DEATHfrom
electrocution:
• Disconnect ALL electric and battery power BEFORE
performing ANY service or maintenance.
• Connect ONLYto 24 VOLT low voltage wires.
To prevent possible SERIOUSINJURYor DEATHfrom a
closing garage door:
• Install door control within sight of garage door, out of reach
of children at a minimum height of 5 feet (1.5 m), and away
from ALL moving parts of door.
• NEVERpermit children to operate or play with door control
push buttons or remote controls.
• Activate door ONLYwhen it can be seen clearly, is properly
adjusted, and there are no obstructions to door travel.
• ALWAYSkeep garage door in sight until completely closed.
NEVERpermit anyoneto cross path of closing garage door.
Outside Keylock Accessory Connections
To opener quick-connect terminals: white to white;
wh te/red to red.
HARDWARE SHOWN ACTUAL SIZE
(standard installation)
(pre-wired)
_ I_tSaU_tsed
Drywall Anchors
Figure 1Figure 2
STANDARD WALL MOUNT PRE-WIRED INSTALLATION_
To Replace
InsertTop '[I_ v°'tBe"W'rel___l\_ I__-'I
Tabs F,!st. (( 24
_ To Replace ___
"" Insert Top _r_._ _"
Tabs First _ _'k_\_
oONF "___
I _ _ Detector
Push Bar Cover Switch
: _ Detector ON
Push Bar Cover Ds_t_hr I oONF
rr _ Top
I_ _ Mounting
Hole
,_-,,,,,,_L_" _ Terminal
,41 Screws
Bellll _ II Bottom
Wire | _ Mounting
kL_mr_r J) Hole
(BACK VIEW)
Door Control Connections
Strip wire 7/16" (11 mm)
(7/16" (11 ram}}
To insert or release wire,
3ush in tab with screwdriver tip
Red White Grey
17

INSTALLATION STEP 7
Install the Battery Backup
•Make sure motor unit is unplugged
• Using a Phillips head screwdriver, remove the battery
cover on the motor unit
• Partially insert battery into motor unit with terminals
facing out
• Connect the red (+) and black (-) wires from motor
unit to corresponding terminals on battery
• Replace battery cover
ALWAYSwear protective gloves and eye protection when
changing the battery or working around the battery
compartment
Battery Battery Cover
INSTALLATION STEP 8
Install the Lights
• Press the release tabs on both sides of lens Gently
rotate lens back and downward until the lens hinge is
in the fully open position Do not remove the lens
• Install a 100 watt maximum light bulb in each socket
Light bulb size should be A19, standard neck only The
lights will turn ON and remain lit for approximately
4-1/2 minutes when power is connected Then the
lights will turn OFF
• Reverse the procedure to close the lens
• Use A19, standard neck garage door opener bulbs for
replacement
NOTE: Use only standard light bulbs. The use of short
neck or speciafity light bulbs may overheat the endpanel
or light socket.
To prevent possible OVERHEATINGof the endpanel or light
socket:
• DONOTuse short neck or specialty light bulbs.
• DONOTuse halogen bulbs. UseONLY incandescent.
To prevent damage to the opener:
• DONOTuse bulbs larger than IOOW.
• ONLY use A19 size bulbs.
Release Tab
100 Watt (Max) ( _
Standard Light Bulb
100 Watt Light Bul_
(Max)
Standard
/
/
/
H//
Lens
Hinge
18

INSTALLATION STEP 9
Attach the Emergency Release Rope
and Handle
•Thread one end of the rope through the hole in the top
of the red handle so "NOTICE" reads right side up as
shown. Secure with an overhand knot at least
1" (2.5 cm) from the end of the rope to prevent
slipping.
• Thread the other end of the rope through the hole in
the release arm of the outer trolley.
• Adjust rope length so the handle is 6 feet (1.8 m)
above the floor. Ensure that the rope and handle clear
the tops of all vehicles to avoid entanglement. Secure
with an overhand knot.
NOTE: If it is necessary to cut the rope, heat seal the cut
end with a match or lighter to prevent unraveling.
To prevent possible SERIOUSINJURYor DEATHfrom a
falling garagedoor:
• If possible, use emergency releasehandleto disengage
trolley ONLYwhen garage door is CLOSED.Weakor
broken springs or unbalanceddoor could result in an open
door falling rapidly and/or unexpectedly.
• NEVERuse emergency releasehandle unless garage
doorway is clear of persons and obstructions.
• NEVERuse handle to pull door open or closed. If rope knot
becomes untied, you could fall.
Trolley
I
Emergency _ _ Overhand
Knot
Release Handle _ )_..j
19

INSTALLATION STEP 10
Electrical Requirements
To avoid installation difficulties, do not run the
opener at this time.
To reduce the risk of electric shock, your garage door
opener has a grounding type plug with a third grounding
pin. This plug will only fit into a grounding type outlet. If
the plug doesn't fit into the outlet you have, contact a
qualified electrician to install the proper outlet.
RIGH_
To prevent possible SERIOUSINJURYor DEATHfrom
electrocution or fire:
• Disconnect ALL electric and battery power BEFORE
performing ANY service or maintenance.
• Garagedoor installation and wiring MUST be in compliance
with ALL local electrical and building codes.
• NEVERuse an extension cord, 2-wire adapter,or change
plug in ANY way to make it fit outlet. Besure the opener
is grounded.
PERMANENT WIRING
CONNECTION
If permanent wiring is required by your local code,
refer to the following procedure.
To make a permanent connection through the 7/8" (2 cm)
hole in the top of the motor unit:
• Remove the motor unit cover screws and set the cover
aside.
• Remove the attached 3-prong cord.
• Connect the black (line) wire to the screw on the brass
terminal; the white (neutral) wire to the screw on the
silver terminal; and the ground wire to the green
ground screw. The opener must be grounded.
• Reinstall the cover.
To avoid installation difficulties, do not run the
opener at this time.
Ground Tab
Green
Ground Screw
Ground Wire Wire
White Wire Black Wire
20

INSTALLATION STEP 11
Install The Protector System ®
The safety reversing sensor must be connected and
aligned correctly before the garage door opener will
move in the down direction.
IMPORTANT INFORMATION ABOUT
THE SAFETY REVERSING SENSOR
When properly connected and aligned, the sensor will
detect an obstacle in the path of its electronic beam. The
sending eye (with an amber indicator light) transmits an
invisible light beam to the receiving eye (with a green
indicator light). If an obstruction breaks the light beam
while the door is closing, the door will stop and reverse
to full open position, and the opener lights will flash
10 times.
The units must be installed inside the garage so that the
sending and receiving eyes face each other across the
door, no more than 6" (15 cm) above the floor. Either can
be installed on the left or right of the door as long as the
sun never shines directly into the receiving eye lens.
The mounting brackets are designed to clip onto the
track of sectional garage doors without additional
hardware.
Be sure power is not connected to the garagedoor opener
BEFOREinstalling the safety reversing sensor.
To prevent SERIOUSINJURY or DEATHfrom a closing
garagedoor:
• Correctly connect and align the safety reversingsensor.
This required safety device MUST NOTbe disabled.
• Install the safety reversing sensor so beam is NO HIGHER
than 6" (15 cm) above garagefloor.
If it is necessary to mount the units on the wall, the
brackets must be securely fastened to a solid surface
such as the wall framing. Extension brackets (see
accessories) are available if needed. If installing in
masonry construction, add a piece of wood at each
location to avoid drilling extra holes in masonry if
repositioning is necessary.
The invisible light beam path must be unobstructed. No
part of the garage door (or door tracks, springs, hinges,
rollers or other hardware) may interrupt the beam while
the door is closing.
Facing the door from inside the garage.
21

INSTALLING THE BRACKETS
Be sure power to the opener is disconnected. Install
and align the brackets so the sensors will face each
other across the garage door, with the beam no higher
than 6" (15 cm) above the floor. They may be installed in
one of three ways, as follows.
Garage door track installation (preferred):
•Slip the curved arms over the rounded edge of each
door track, with the curved arms facing the door. Snap
into place against the side of the track. It should lie
flush, with the lip hugging the back edge of the track
(Figure 1).
If your door track will not support the bracket securely,
wall installation is recommended.
Wall installation (Figures 2 and 3):
• Place the bracket against the wall with curved arms
facing the door. Be sure there is enough clearance for
the sensor beam to be unobstructed.
• If additional depth is needed, an extension bracket
(see Accessories) or wood blocks can be used.
• Use bracket mounting holes as a template to locate
and drill (2) 3/16" diameter pilot holes on the wall at
each side of the door, no higher than 6" (15 cm) above
the floor.
• Attach brackets to wall with lag screws (not provided).
• If using extension brackets or wood blocks, adjust right
and left assemblies to the same distance out from the
mounting surface. Make sure all door hardware
obstructions are cleared.
Floor installation (Figure 4):
• Use wood blocks or extension brackets
(see Accessories) to elevate sensor brackets so the
lenses will be no higher than 6" (15 cm) above
the floor.
• Carefully measure and place right and left assemblies
at the same distance out from the wall. Be sure all
door hardware obstructions are cleared.
• Fasten to the floor with concrete anchors as shown.
Figure I
__ Door
III , Track
I_]1 3 Lip
DOOR TRACK MOUNT (RIGHT SIDE)
Indicator
Light
Figure 2 WALL MOUNT (RIGHT SIDE)
Figure 3
Fasten Wood Block to Wall with
Lag Screws (Not Provided)
Indicator
"_ S reancSk°rt
-(-N°t Provided)
Lens .......
WALL MOUNT (RIGHT SIDE)
Extension
Bracket
(See Accessories)
(Provided with
Extension Bracket)
(Provided with
Extension
Bracket) _"
Sensor
Bracket
Indicator
Lens Light
Figure 4 FLOOR MOUNT (RIGHT SIDE)
HARDWARE SHOWN ACTUAL SIZE
Carriage Bolt Wing Nut Staples
1/4"-20xl/2" 1/4"-20
2-_ ttach with
Concrete Anchors
; (Not Provided)
Indicator
Light
Bracket
22

MOUNTING AND WIRING THE SAFETY
REVERSING SENSORS
• Slide a 1/4"-20xl/2" carriage bolt head into the slot on
each sensor. Use wing nuts to fasten sensors to
brackets, with lenses pointing toward each other
across the door. Be sure the lens is not obstructed by
a bracket extension (Figure 5).
• Finger tighten the wing nuts.
• Run the wires from both sensors to the opener. Use
insulated staples to secure wire to wall and ceiling.
• Strip 7/16" (11 mm) of insulation from each set of
wires. Separate white and white/black wires sufficiently
to connect to the opener quick-connect terminals.
Twist like colored wires together. Insert wires into
quick-connect holes: white to white and white/black
to grey (Figure 6).
ALIGNING THE SAFETY REVERSING SENSORS
• Plug in the opener. The indicator lights in both the
sending and receiving eyes will glow steadily if wiring
connections and alignment are correct.
The sending eye amber indicator light will glow
regardless of alignment or obstruction. If the green
indicator light in the receiving eye is off, dim, or flickering
(and the invisible light beam path is not obstructed),
alignment is required.
• Loosen the sending eye wing nut and readjust, aiming
directly at the receiving eye. Lock in place.
• Loosen the receiving eye wing nut and adjust sensor
until it receives the sender's beam. When the green
indicator light glows steadily, tighten the wing nut.
Figure 5
Carriage Bolt "_)
1/4"-20xl/2"
TROUBLESHOOTING THE SAFETY
REVERSING SENSORS
1. If the sending eye indicator light does not glow steadily
after installation, check for:
• Electric power to the opener.
• A short in the white or white/black wires. These can
occur at staples, or at opener connections.
• Incorrect wiring between sensors and opener.
• A broken wire.
2. If the sending eye indicator light glows steadily but the
receiving eye indicator light doesn't:
• Check alignment.
• Check for an open wire to the receiving eye.
3. If the receiving eye indicator light is dim, realign either
sensor.
NOTE: When the invisible beam path is obstructed or
misaligned while the door is closing, the door will
reverse. If the door is already open, #will not close. The
opener lights will blink 10 times. See page 21.
Figure 6
Bell Wire
Connect Wire to
Quick-Connect Terminals
...... Bell Wire 1. Strip wire 7/16"
(11 mm)
I 7/16" (11 ram) I
2. Twist like colored
wires together
Safety Reversing
Sensor
Invisible Light Beam
Protection Area
Safety Reversing
Sensor
3. To insert or release
wire, push in tab with
screwdriver tip
Red White Grey
Quick-Connect Terminals
23

INSTALLATION STEP 12
Fasten the Door Bracket
Follow instructions which apply to your door type
as illustrated below or on the following page.
A horizontal reinforcement brace should be long
enough to be secured to two or three vertical
supports. A vertical reinforcement brace should
cover the height of the top panel.
Figure 1 shows one piece of angle iron as the horizontal
brace. For the vertical brace, 2 pieces of angle iron are
used to create a U-shaped support. The best solution is
to check with your garage door manufacturer for an
opener installation door reinforcement kit.
NOTE: Many door reinforcement kits provide for direct
attachment of the clevis pin and door arm. In this case
you will not need the door bracket; proceed to Step 13.
SECTIONAL DOORS
1. Center the door bracket on the previously marked
vertical centerline used for the header bracket
installation. Note correct UP placement, as stamped
inside the bracket.
2. Position the top edge of the bracket 2"-4" (5-10 cm)
below the top edge of the door, OR directly below any
structural support across the top of the door.
3. Mark, drill holes and install as follows, depending on
your door's construction:
Metal or light weight doors using a vertical angle iron
brace between the door panel support and the door
bracket:
• Drill 3/16" fastening holes. Secure the door bracket
using the two 1/4"-14x5/8" self-threading screws
(Figure 2A).
• Alternately, use two 5/16" bolts, lock washers and nuts
(not provided) (Figure 2B).
Metal, insulated or light weight factory reinforced
doors:
• Drill 3/16" fastening holes. Secure the door bracket
using the self-threading screws (Figure 3).
Wood Doors:
• Use top and bottom or side to side door bracket holes.
Drill 5/16" holes through the door and secure bracket
with 5/16"x2" carriage bolts, lock washers and nuts
(not provided) (Figure 4).
NOTE: The 1/4"-14x5/8" self-threading screws are not
intended for use on wood doors.
HARDWARE
SHOWN
!.__.,___ I ACTUAL SIZE
Self-Threading
U Screw
_ 1/4"-14x5/8"
Fiberglass,aluminum or lightweight steel garagedoors WILL
REQUIREreinforcement BEFOREinstallation of door bracket.
Contactyour door manufacturer for reinforcement kit.
Vertical
of Garage
Door
REINFORCEMENT IS NEEDED
FOR LIGHTWEIGHT GARAGE
DOORS (FIBERGLASS,
ALUMINUM, STEEL, DOORS
WITH GLASS PANEL, ETC.).
(NOT PROVIDED)
Figure 1
Vertical
Reinforcement
_ ertical
Centerline
of G_. Door
°°rke'-*d/J
Self-Threading "_1_
Screw
1/4"-14x5/8"
Figure 2A
Vertical
-Centerline
of Garage Door
Figure 3
Vertical
Reinforcement
Not Provided) ,_,-lr_ i'o Ive rtical
I & loll kJcenterline
Ck."I_L I1_1UIofGarage Door
UP
Bracket
Lock Washer ---_ _"
5/16" Nut 1 .1_\
5/16"-18
Figure 2B
(Not Pro.vided) Inside Edge
i of Door or
B% Reinforcement Board
I
5/16"x2"
%1
Vertical i
Centerline
of Gara( e
Door
Figure 4
24

ONE-PIECEDOORS
Please read and comply with the warnings and
reinforcement instructions on the previous page. They
apply to one-piece doors also.
• Center the door bracket on the top of the door, in line
with the header bracket as shown. Mark either the left
and right, or the top and bottom holes.
•Metal Doors: Drill 3/16" pilot holes and fasten the
bracket with the 1/4"-14x5/8" self-threading screws
provided.
•Wood Doors: Drill 5/16" holes and use 5/16"x2"
carriage bolts, lock washers and nuts (not provided) or
5/16"x1-1/2" lag screws (not provided) depending on
your installation needs.
NOTE: The door bracket may be installed on the top
edge of the door if required for your installation. (Refer to
the dotted line optional placement drawing.)
HARDWARE SHOWN
ACTUAL SIZE
Self-Threading Screw
1/4"-14x5/8"
Header Wall
Door
Bracket
2x4 Support
Optional
Placement
of Door
Bracket
Vertical
Centerline of
Garac
-- Finished Ceiling --
HORIZONTAL AND VERTICAL
REINFORCEMENT IS NEEDED
FOR LIGHTWEIGHT GARAGE
DOORS (FIBERGLASS,
ALUMINUM, STEEL, DOORS
WITH GLASS PANEL, ETC.).
NOT PROVIDED)
Door
_ elf-Threading
Screw
', 1/4"-14x5/8"
i
' Top of Door
(inside
Garage)
Edge
of Door
Placement
For a door with no exposed framing,
or for the optional installation, use
lag screws 5/16"x1-1/2" (Not Provided)
to fasten door bracket.
METAL DOOR
Lock
Washer
, 5/16"
i
=
Top of Door
(inside
Garage)
Top Edge
of Door
Optional
Placement
Carriage Bolt
_ __ 5/16"x2"
(Not Provided)
WOOD DOOR
25

INSTALLATION STEP 13
Connect Door Arm to Trolley
Follow instructions which apply to your door type as
illustrated below and on the following page.
SECTIONAL DOORS ONLY
Make sure garage door is fully closed. Pull the
emergency release handle to disconnect the outer trolley
from the inner trolley. Slide the outer trolley back (away
from the pulley) about 8" (20 cm) (Figures 1,2 and 3).
Figure 1:
•Fasten straight door arm section to outer trolley with
the 5/16"xl" clevis pin. Secure the connection with a
ring fastener.
• Fasten curved section to the door bracket in the same
way, using the 5/16"x1-1/4" clevis pin.
Figure 2:
• Bring arm sections together. Find two pairs of holes
that line up and join sections. Select holes as far apart
as possible to increase door arm rigidity.
Figure 3, Hole alignment alternative:
• If holes in curved arm are above holes in straight arm,
disconnect straight arm. Cut about 6" (15 cm) from
the solid end. Reconnect to trolley with cut end down
as shown.
• Bring arm sections together.
• Find two pairs of holes that line up and join with bolts,
lock washers and nuts.
Pull the emergency release handle toward the opener at
a 45 ° angle so that the trolley release arm is horizontal.
Proceed to Adjustment Step 1, page 28. Trolley will
re-engage automatically when opener is operated.
Pulley
/', . ,
.._.1_ _&r-- 8''(20 cm) mm..._',
Trolley /Outer
Stop Bolt /Inner I I ',tl
Rin /TrolleylJ _[ Trolley
. g IC_l _ Clevis Pin
r-astener lilI1 5/16"X1"
IOl,_U.._ Emergency
_, I'1 L-,,,_rT Release
__ V Door I°1_ Handle
_ Bracket I_1
_ _ Straight
_,,,",,,,._.,_o/,_ DoorArm
C)16!sPi/4: _ _ Curved Door Arm
Figure 1
Pulley
(20 cm) min,
Door Bracket
Bolts
Figure 2
Pulley
HARDWARE SHOWN ACTUAL SIZE
Nut 5/16"-18
Clevis Pin
5/16"xl" (Trolley)
Lock Washer 5/16" ' er
Clevis Pin Hex Bolt
5/16"x1-1/4" (Door Bracket) 5/16"-18x7/8" Bolts
5/16"-18x7/8"
_- Cut this end
Figure 3
26

ALL ONE-PIECE DOORS
1. Assemble the Door Arm:
• Fasten the straight and curved door arm sections
together to the longest possible length (with a 2 or 3
hole overlap) (Figure 4).
• Make sure the garage door is fully closed. Connect
the straight door arm section to the door bracket with
the 5/16"x1-1/4" clevis pin.
• Secure with a ring fastener.
• Pull the emergency release handle, disconnecting
the outer trolley from the inner trolley by pulling
straight down on the emergency release handle and
sliding the outer trolley back toward the motor unit.
• Connect the curved door arm section to the trolley
using the 5/16"x1-1/4" clevis pin and ring fastener.
NOTE: Adjusting the limits on the following page:
•The trolley will automatically connect. If not, review
the trolley lockout feature on page 33.
•When setting the up limit on the following page, the
door should not have a "backward" slant when fully
open as illustrated below. A slight backward slant
will cause unnecessary bucking and/or jerking
operation as the door is being opened or closed
from the fully open position (Figure 5).
Figure 4
Door
Bracket _ _ ,,_....,.,,_._ Ring
--7'_5_ _;.. Fastener
_. - _\___----_--<_1 Nuts
|_>_-'_ _'__----_,,.. Lock 5/16"-18
__-',,,,_ Washers I f2_
I_ _ 5/16" I I_/I
ClevisPin Straig &,-O II /I
Bolts
5_1'_'- 18X7/8" _ _,.,..._f CUrved
Door Arm
Figure 5Inner Trolley
Iley
LClosed _Emergency Release Handle
J Door
Inner Trolley
Outer Trolley
Open Door (Incorrect)
27

ADJUSTMENT STEP 1
Program the Travel Limits
Travel limits regulate the points at which the door
will stop when moving up or down. Follow the steps
below to set the limits.
Figure 1 cover
j Protection Bo_t_
Indicator
Light
Black Button
Purple Button
Without a properly installed safety reversalsystem, persons
(particularly small children) could be SERIOUSLYINJURED
or KILLED by a closing garagedoor.
• Incorrect adjustment of garage door travel limits will
interfere with proper operation of safety reversalsystem.
• NEVERuse force adjustments to compensate for a binding
or sticking garage door.
• After ANY adjustments are made,the safety reversalsystem
MUST betested. Door MUST reverseon contact with
1-1/2"vd(3.8 cm) high object or 2x4 laid flat) on floor.
To program the travel limits:
Adjust the position of the door by using the black and
purple buttons. Black moves the door UP (open) and
purple moves the door DOWN (close).
1. Setting the UP position: Press and hold the black
button until the yellow indicator light starts flashing
slowly then release.
2. Push and hold the black button until the door reaches
the desired UP (open) position (Figure 2).
NOTE: Check to be sure the door opens high enough for
your vehicle.
3. Push the remote control or door control (Figure 3).
This sets the UP (open) limit and begins closing the
door.
4. Immediately when the door begins to move down,
press and release either the black or purple button.
This will stop the door.
5. Setting the DOWN position: Push and hold the
purple button until the door reaches the desired
DOWN (closed) position (Figure 4).
6. Once the door is closed, if there appears to have too
much pressure on the door, you may toggle the door
back and forth using the black and purple buttons to
reach the desired closed position.
7. Push the remote control or the door control (Figure 3).
This sets the DOWN (close) limit and should bring the
door to the open position.
• If the opener is not stopping exactly where you
would like it, repeat steps 1 through 7 and program
the limits again.
• When the unit stops in both the desired up (open)
and down (close) positions, proceed to
Adjustment Step 2, Setting the Force.
To prevent damageto vehicles be sure fully open door
provides adequateclearance.
Figure 2 Indicator Light
Push and hold
until the door
is at desired UP
position
t
Figure 3
OR
Figure 4
Indicator Light
!Push either
button to stop
door at desired
DOWN position
28

ADJUSTMENT STEP 2
Setting the Force
The force setting button is located on the left panel
of the motor unit. The force setting measures the
amount of force required to open and close the door.
1. Locate the purple button on the left panel of the motor
unit (Figure 1).
2. Push the purple button twice to enter the opener into
Force Adjustment Mode (Figure 1). The LED (Indicator
Light) will flash quickly.
3. Push the remote control or door control (Figure 2).
The door will travel to the DOWN (close) position.
Push the remote control or control console again, the
door will travel to the UP (open) position. Push the
remote control or door control a third time to send the
door to the DOWN (close) position.
The LED (Indicator Light) will stop flashing when the
force has been learned.
The opener has learned the forces required to open and
close your door.
The door must travel through a complete cycle, UP and
DOWN, in order for the force to be set properly. If the
opener cannot open and close your door fully, inspect
your door to insure that it is balanced properly and is not
sticking or binding. See page 3, "Preparing your
garage door."
Without a properly installed safety reversalsystem, persons
(particularly small children) could be SERIOUSLYINJURED
or KILLED by a closing garagedoor.
• Too much force on garage door will interfere with proper
operation of safety reversalsystem.
• NEVERuse adjustments to compensatefor a binding or
sticking garage door.
• After ANY adjustments are made,the safety reversalsystem
MUST betested. Door MUST reverseon contact with 1-1/2"
(3.8 cm) high object (or 2x4 laid flat) on floor.
Figure 1
Push Purple button
twice to enter
unit into Force
Adjustment Mode
Indicator
Light
Black
Button
Purple
Button
Figure 2
OR
29

ADJUSTMENT STEP 3
Test the Safety Reversal System
TEST
• With the door fully open, place a 1-1/2" (3.8 cm) board
(or a 2x4 laid flat) on the floor, centered under the
garage door.
• Operate the door in the down direction. The door must
reverse on striking the obstruction.
ADJUST
• If the door stops on the obstruction, it is not traveling
far enough in the down direction. Complete Adjustment
Steps 1 and 2 Programming the Limits and Forces.
NOTE: On a sectional door, make sure limit
adjustments do not force the door arm beyond a
straight up and down position. See Figure 3, page 26.
• Repeat the test.
• When the door reverses on the 1-1/2" (3.8 cm) board
(or 2x4 laid flat), remove the obstruction and run the
opener through 3 or 4 complete travel cycles to test
adjustment.
• If the unit continues to fail the Safety Reverse Test,
call for a trained door systems technician.
IMPORTANT SAFETY CHECK:
Test the Safety Reverse System after:
• Each adjustment of door arm length, limits, or force
controls.
• Any repair to or adjustment of the garage door
(including springs and hardware).
• Any repair to or buckling of the garage floor.
• Any repair to or adjustment of the opener.
Without a properly installed safety reversal system, persons
(particularly small children) could be SERIOUSLYINJURED
or KILLEDby a closing garage door.
• Safety reversal system MUST be tested every month.
• After ANY adjustments are made, the safety reversal
system MUST be tested. Door MUST reverseon contact
with 1-1/2" high (3.8 cm) object (or 2x4 laid flat) on
the floor.
(or a 2x4 laid flat)
ADJUSTMENT STEP 4
Test The Protector System ®
• Press the remote control push button to open the door.
• Place the opener carton in the path of the door.
• Press the remote control push button to close the door.
The door will not move more than an inch (2.5 cm),
and the opener lights will flash.
The garage door opener will not close from a remote if
the indicator light in either sensor is off (alerting you to
the fact that the sensor is misaligned or obstructed).
If the opener closes the door when the safety
reversing sensor is obstructed (and the sensors are
no more than 6" (15 cm) above the floor), call for a
trained door systems technician.
Without a properly installed safety reversing sensor, persons
(particularly small children) could be SERIOUSLYINJURED
or KILLEDby a closing garage door.
30
Safety Reversing Sensor Safety Reversing Sensor

OPERATION
IMPORTANT SAFETY INSTRUCTIONS
To reduce the risk of SEVERE INJURY or DEATH:
1. READAND FOLLOWALL WARNINGSAND INSTRUCTIONS.
2. ALWAYSkeep remote controls out of reach of children.
NEVERpermit children to operate or play with garage
control console push buttons or remote controls.
3. ONLYactivate garage door when it can be seen clearly, it is
properly adjusted, and there are no obstructions to door
travel.
4. ALWAYSkeep garage door in sight until completely closed.
NO ONESHOULDCROSSTHE PATHOFTHE MOVING
DOOR.
5. NO ONESHOULDGOUNDERA STOPPED,PARTIALLY
OPENEDDOOR.
6. If possible, use emergency release handleto disengage
trolley ONLYwhen garage door is CLOSED.Weakor broken
springs or unbalanced door could result in an open door
falling rapidly and/or unexpectedly.
7. NEVERuse emergency releasehandle unless garage
doorway is clear of persons and obstructions.
8. NEVERuse handle to pull garagedoor open or closed. If
rope knot becomes untied, you could fall.
9. If one control (force or travel limits) is adjusted, the other
control may also needadjustment.
10. After ANY adjustments are made,the safety reversal
system MUST betested.
11. Safety reversalsystem MUST betested every month.
Garagedoor MUST reverse on contact with 1-1/2" high
(3.8 cm) object (or a 2x4 laid flat) on the floor.
12. ALWAYS KEEPGARAGEDOORPROPERLYBALANCED
(see page3). An improperly balanceddoor may not
reversewhen required and could result in SEVEREINJURY
or DEATH.
13. ALL repairs to cables, spring assembliesand other
hardware, ALL of which are under EXTREMEtension,
MUST be made by a trained door systems technician.
14. To avoid SERIOUSPERSONALINJURYor DEATHfrom
electrocution, disconnect ALL electric and battery power
BEFOREperforming ANY service or maintenance.
15SAVETHESEINSTRUCTIONS.
Using Your Garage Door Opener
Your Security÷ ® opener and hand-held remote control
have been factory-set to a matching code which changes
with each use, randomly accessing over 100 billion new
codes. Your opener will operate with up to eight
Security÷ ® remote controls and one Security÷ ® Keyless
Entry System. If you purchase a new remote, or if you
wish to deactivate any remote, follow the instructions in
the Programming section.
Activate your opener with any of the following:
•The hand-held Remote Control'. Hold the large push
button down until the door starts to move.
• The wall-mounted control console: Hold the push
button or bar down until the door starts to move.
• The Keyless Entry (see Accessories): If provided with
your garage door opener, it must be programmed
before use. See Programming.
When the opener is activated (with the safety
reversing sensor correctly installed and aligned)
1. If open, the door will close. If closed, it will open.
2. If closing, the door will reverse.
3. If opening, the door will stop.
4. If the door has been stopped in a partially open
position, it will close.
5. If obstructed while closing, the door will reverse. If the
obstruction interrupts the sensor beam, the opener
lights will blink for five seconds.
6. If obstructed while opening, the door will stop.
7. If fully open, the door will not close when the beam is
broken. The sensor has no effect in the opening cycle.
If the sensor is not installed, or is misaligned, the door
won't close from a hand-held remote. However, you can
close the door with the control console, the Outside
Keylock, or Keyless Entry, if you activate them until down
travel is complete. If you release them too soon, the door
will reverse.
The opener lights will turn on under the following
conditions: when the opener is initially plugged in; when
power is restored after interruption; when the opener is
activated.
They will turn off automatically after 4-1/2 minutes or
provide constant light when the Light feature on the
Motion Detecting Door Control is activated. Bulb size is
A19. Bulb power is 100 watts maximum.
Security._® light feature: Lights will also turn on when
someone walks through the open garage door. With a
Motion Detecting Door Control, this feature may be
turned off as follows: With the opener lights off, press
and hold the light button for 10 seconds, until the light
goes on, then off again. To restore this feature, start with
the opener lights on, then press and hold the light button
for 10 seconds until the light goes off, then on again.
31

Using the Wall-Mounted Door Control
THE MOTION DETECTING DOOR CONTROL
Press the push bar to open or close the door.
Press again to reverse the door
during the closing cycle or to
stop the door while it's opening.
This door control contains a
motion detector that will
automatically turn on the light
when it detects a person entering
the garage. This feature can be
easily turned off for extended
work light use.
Light feature
Push
Button _
Lock _ --
Button Light
Button
Press the Light button to turn the opener light on or off. It
will not control the opener lights when the door is in
motion. If you turn it on and then activate the opener, the
light will remain on for 4-1/2 minutes. Press again to turn
it off sooner. The 4-1/2 minute interval can be changed to
1-1/2, 2-1/2 or 3-1/2 minutes as follows: Press and hold
the Lock button until the light blinks (about 10 seconds).
A single blink indicates that the timer is reset to 1-1/2
minutes. Repeat the procedure and the light will blink
twice, resetting the timer to 2-1/2 minutes. Repeat again
for a 3-1/2 minute interval, etc., up to a maximum of four
blinks and 4-1/2 minutes.
When using the opener lights as working lights, we
recommend that you first disable the motion sensor See
Motion Detecting Light Feature, following.
Motion Detecting Light Feature: The opener light will
turn on automatically when a person walks in front of the
wall-mounted control console. This feature works by
detecting motion and body heat and may not work in
temperatures around IO0°F, 37.7°C. The opener light will
come on for 5 minutes, then shut off automatically if no
additional motion or heat differential is calculated.
To disable this feature, slide the Detector Switch on the
right side of the door control down (off).
We recommend that you disable the motion sensor when
using the opener lights as working lights. Otherwise, they
will turn off automatically if you are working beyond the
sensor's range.
Lock feature
Designed to prevent operation of the door from hand-held
remote controls. However, the door will open and close
from the Door Control, the Outside Keylock and the
Keyless Entry Accessories.
To activate, press and hold the Lock button for 2
seconds. The push bar light will flash as long as the Lock
feature is on.
To turn off, press and hold the Lock button again for
2 seconds. The push bar light will stop flashing. The Lock
feature will also turn off whenever the "Smart" (learn)
button on the motor unit panel is activated.
Additional feature when used with the
3-button hand-held remote
To control the opener lights:
1. With the door closed, press and
hold a small remote button that
you want to control the light.
2. Press and hold the Light button on the control console.
3. While holding the Light button, press and hold the
Lock button on the control console.
4. After the opener lights flash, release all buttons.
32

Care of Your Opener THE REMOTE CONTROL BATTERY
MAINTENANCE SCHEDULE
Once a Month
• Manually operate door. If it is unbalanced or binding,
call a trained door systems technician.
• Check to be sure door opens and closes fully. Adjust
limits and/or force if necessary (see pages 28 and 29).
• Repeat the safety reverse test. Make any necessary
adjustments (see Adjustment Step 3).
Once a Year
• Oil door rollers, bearings and hinges. The opener does
not require additional lubrication. Do not grease the
door tracks.
To prevent possible SERIOUSINJURYor DEATH:
• NEVERallow small children near batteries.
• If battery is swallowed, immediately notify doctor.
To reduce risk of fire, explosion or chemical burn:
• ReplaceONLYwith 3V2032 coin batteries.
• DONOT recharge, disassemble, heat above 100°C (212°F)
or incinerate.
The lithium battery should produce power for up to
5 years.
To replace battery, use the visor
clip or screwdriver blade to pry
open the case as shown. Insert
battery positive side up (+).
Dispose of old battery properly.
Replace the battery with only
3V2032 coin cell batteries.
NOTICE: To comply with FCCand or Industry Canada rules (IC), adjustment or modifications of
this receiver and/or transmitter are prohibited, except for changing the code setting or replacing
the battery. THERE ARE NO OTHER USER SERVICEABLE PARTS.
Tested to Comply with FCC Standards FOR HOME OR OFFICE USE. Operation is subject to the
following two conditions: (1) this device may not cause harmful interference, and (2) this device
must accept any interference received, including interference that may cause undesired
operation.
To Open the Door Manually
DISCONNECT THE TROLLEY:
The door should be fully closed if
possible. Pull down on the
emergency release handle
(so that the trolley release arm
snaps into a vertical position)
and lift the door manually. The
lockout feature prevents the
trolley from reconnecting
automatically, and the door can
be raised and lowered manually
as often as necessary.
TO RE-CONNECT THE
TROLLEY:
Pull the emergency release
handle toward the opener at an
angle so that the trolley release
arm is horizontal. The trolley will
reconnect on the next UP or
DOWN operation, either
manually or by using the control
console or remote.
Trolley
Trolley --
Release Arm
(In Manual
Disconnect
Position)
Lockout position
(Manual disconnect)
Trolley
Emergency ". _,,Arm
Release Handle _ _ ._
(Down and Back) ""?f_,'
To reconnect 33
To prevent possible SERIOUSINJURYor DEATHfrom a
falling garagedoor:
• If possible, use emergency releasehandleto disengage
trolley ONLYwhen garagedoor is CLOSED.Weak or
broken springs or unbalanceddoor could result in an open
door falling rapidly and/or unexpectedly.
• NEVERuse emergency releasehandle unless garage
doorway is clear of persons and obstructions.
• NEVERuse handle to pull door open or closed. If rope knot
becomes untied, you could fall.

Battery Backup
OPERATING INSTRUCTIONS
1. Test the installed battery with the motor unit.
To test the battery, disconnect the motor unit power cord
from the electrical outlet.
• A solid orange LED indicates the battery is operating
on battery power.
• A flashing orange LED with beep indicates the unit is
operating on battery power and that the battery charge
is low.
• To test the battery is functioning properly, open and
close the garage door.
• Re-connect the motor unit power cord back into the
electrical outlet.
• Verify that the green LED is flashing on the BBU
(indicates that the battery is now charging).
• Test completed.
2. Charge the battery.
• Battery will take 24 to 48 hours to fully charge.
A fully charged battery supplies 12 Vdc to the motor unit
for one to two days of normal operation during an
electrical power outage. If the battery voltage drops too
low, the batteries will disconnect and the motor unit will
no longer operate under battery power.
After the electrical power has been restored, the battery
will recharge within 48 hours. Under normal usage
batteries will last 3 to 5 years.
To obtain maximum battery life and prevent damage,
disconnect the battery when motor unit is unplugged
for an extended period of time.
NOTE: Door operation may be limited until battery is fu@
charged. The motor unit's lights will not turn on during
battery mode.
To reducethe risk of FIREor INJURYto persons:
• Disconnect ALL electric and battery power BEFORE
performing ANY service or maintenance.
• UseONLY Chamberlainpart #41A6357-1 for replacement
battery.
• DO NOTdispose of battery in fire. Battery may explode.
Checkwith local codesfor disposal instructions.
Battery Status LED
NOTE: LED is most visible with worklight off.
GREEN LED:
All systems are normal
• A solid LED light indicates the battery is fully charged.
• A flashing LED indicates the battery is being charged.
NOTE: Battery does not have to be fully charged to
operate the motor unit.
ORANGE LED:
The motor unit has lost power and is operating off of the
battery.
• A solid LED with beep, sounding approximately every
2 seconds, indicates the motor unit is activating the
door and is operating off of the battery.
• A flashing LED with beep, sounding every 30 seconds,
indicates battery is low.
• Once the power is restored the battery will recharge.
This is indicated by a flashing green LED.
RED LED:
• If a red LED remains on when the power is restored,
and is accompanied by a beep sounding every 30
seconds, please call for service.
• To obtain maximum battery life and prevent damage,
also disconnect the battery if you unplug the motor
unit while on vacation or any other extended period
of time.
34

Having a Problem? (Troubleshooting)
1. My door will not close and the light bulbs blink on
my motor unit: The safety reversing sensor must be
connected and aligned correctly before the garage
door opener will move in the down direction.
• Verify the safety reversing sensors are properly
installed, aligned and free of any obstructions. Refer
to Installation Step 11: Install The Protector System ®.
• Check diagnostic LED for flashes on the motor unit
then refer to the Diagnostic Chart on the following
page.
2. My remotes will not activate the door:
• Verify your Motion Detecting Control Console is not
blinking. If it is blinking, deactivate the Lock Mode
following the instructions for Using the Wall Mounted
Door Control
• Reprogram remotes following the programming
instructions. Refer to Programming.
• If remote will still not activate your door, check
diagnostic LED for flashes on motor unit then refer to
Diagnostic Chart on the following page.
Bell Wire
Safety Reversing Sensor
Sending Eye Safety
Reversing Sensor
(Amber Indicator Light)
Receiving Eye
Safety Reversing Sensor
(Green Indicator Light)
3. My door reverses for no apparent reason: Repeat
safety reverse test after adjustments to force or travel
limits. The need for occasional adjustment for the force
and limit settings is normal. Weather conditions in
particular can affect door travel.
• Manually check door for balance or any binding
problems.
• Refer to Adjustment Step 2, Adjust the Force.
4. My door reverses for no apparent reason after fully
closing and touching the floor: Repeat safety
reverse test after adjustments to force or travel limits.
The need for occasional adjustment for the force and
limit settings is normal. Weather conditions in particular
can affect door travel.
• Refer to Adjustment Step 1, Adjust the UP and
DOWN Travel Limits.
5. My lights will not turn off when door is open:
• The garage door opener is equipped with a security
light feature. This feature activates the light on when
the safety reversing sensor beam has been
obstructed. Refer to Operation section; Using the
Wall Mounted Control Console, Light Feature.
6. My motor unit hums briefly:
• First verify that the trolley is against the stop bolt.
• Release the door from the opener by pulling the
Emergency Release Rope.
• Manually bring the door to a closed position.
• Loosen the belt by adjusting the outer nut 4 to 5
turns. This relieves the tension.
• Run the motor unit from the remote control or control
console. The trolley should travel towards the door
and stop. If the trolley re-engages with the door, pull
the Emergency Release Rope to disengage.
_1_ 1-1/4"
(3.18 cm)
• Re-Tighten the outer nut until the trolley spring is
approximately 1-1/4" (3.18 cm) in length.
• If the trolley does not move away from the bolt,
repeat the steps above.
7. Battery status LED is not lit properly:
• Check battery connections.
35

Bell Wire
Safety Reversing Sensor
Diagnostic Chart
Safety reversing sensors
wire open (broken
or disconnected).
OR
Safety reversing sensors
wire shorted or black/
white wire reversed.
Control console or wire
shorted.
Safety reversing sensors
slightly misaligned (dim
or flashing LED).
Possible RPM sensor
failure. Unplug to reset.
Your garage door opener is programmed with self-diagnostic
capabilities. The "Learn" button/diagnostic LED will flash a
number of times then pause signifying #has found a potential
issue. Consult Diagnostic Chart below.
""0 Symptom: One or both of the Indicator lights on the safety reversing sensors
do not glow steady.
•Inspect sensor wires for a short (staple in wire), correct wiring polarity (black/white
wires reversed), broken or disconnected wires, replace/attach as needed.
• Disconnect all wires from back of motor unit.
• Remove sensors from brackets and shorten sensor wires to 1-2 ft (30-60 cm) from
back each of sensor.
• Reattach sending eye to motor unit using shortened wires. If sending eye indicator
light glows steadily, attach the receiving eye.
• Align sensors, if the indicator lights glow replace the wires for the sensors. If the
sensor indicator lights do not light, replace the safety reversing sensors.
-0 Symptom: LED is not fit on control console.
• Inspect control console/wires for a short (staple in wire), replace as needed.
• Disconnect wires at control console, touch wires together. If motor unit activates,
replace control console.
• If motor unit does not activate, disconnect control console wires from motor unit.
Momentarily short across red and white terminals with jumper wire. If motor unit
activates, replace control console wires.
•"0 Symptom: Sending indicator light glows steadily, receiving indicator light is
dim or flashing.
• Realign receiving eye sensor, clean lens and secure brackets.
• Verify door track is firmly secured to wall and does not move.
•"0 Symptom: RPM Sensor =Short travel 6-8" (15-20 cm).
• Unplug unit to reset. Try to operate motor unit, check diagnostic code.
• If it is still flashing 5 times and motor unit moves 6-8" (15-20 cm), replace
RPM sensor.
• If motor unit doesn't operate, motor unit is overheated. Wait 30 minutes and retry.
If motor unit still will not operate replace logic board.
36

PROGRAMMING
NOTICE: If this Security_ "®garage door opener is operated with a non-rolling code remote control, the technical
measure in the receiver of the garage door opener, which provides security against code-theft devices, will be
circumvented. The owner of the copyright in the garage door opener does not authorize the purchaser or supplier of the
non-rolling code remote control to circumvent that technical measure.
Your garage door opener has already been programmed at the factory to operate with your hand-held remote control.
The door will open and close when you press the large push button.
Below are instructions for programming your opener to operate with additional 315 MHz Security÷® remote controls.
To Add or Reprogram a Hand-held Remote Control
USING THE "LEARN" BUTTON USING THE MOTION DETECTING DOOR CONTROL
CONSOLE
1. Press and release the "learn" button
on the motor unit. The learn indicator
light will glow steadily for 30 seconds.
2. Within 30 seconds, press and hold the
button on the hand-held remote* that
you wish to operate your garage door.
3. Release the button when the motor
unit lights blink. It has learned the
code. If light bulbs are not installed,
two clicks will be heard.
\1 /
1. Press and hold the button on the
hand-held remote* that you wish to
operate your garage door.
2. While holding the remote button, press
and hold the LIGHT button on the
Motion Detecting Door Control.
3. Continue holding both buttons while
you press the push bar on the Motion
Detecting Door Control (all three
buttons are held).
4. Release buttons when the motor unit
lights blink. It has learned the code. If
light bulbs are not installed, two clicks
will be heard.
\1 /
To Erase All Codes From Motor
Unit Memory
Press and hold the "learn" button on
motor unit until the learn indicator light
goes out (approximately 6 seconds). All
previous codes are now erased.
Reprogram each remote or keyless
entry you wish to use.
To deactivate any unwanted remote, first erase all codes:
J
37
*3-Button Remotes (315 MHz)
If provided with your garage door opener, the large button
is factory programmed to operate it. Additional buttons on
any Security÷ ® 3-button
remote or mini-remote can
be programmed to operate
other Security÷ ¢ garage
door openers.

To Add, Reprogram or Change a Keyless Entry PIN
NOTE: Your new Keyless Entry must be programmed to operate your garage door opener,
USING THE "LEARN" BUTTON USING THE MOTION DETECTING CONTROL CONSOLE
........_,%_ ii
1. Press and release the "learn" button
on motor unit. The learn indicator light
will glow steadily for 30 seconds.
2. Within 30 seconds, enter a four digit
personal identification number (PIN) of
your choice on the keypad. Then
press and hold the ENTER button.
3. Release the button when the motor
unit lights blink. It has learned the
code. If light bulbs are not installed,
two clicks will be heard.
\1 /
To change an existing, known PIN
If the existing PIN is known, it may be changed by one
person without using a ladder.
1. Press the four buttons for the present PIN, then press
and hold the # button.
The opener light will blink twice. Release the # button.
2. Press the new 4-digit PIN you have chosen, then
press Enter.
The motor unit lights will blink once when the PIN has been
learned.
Test by pressing the new PIN, then press Enter. The door
should move.
To set a temporary PIN
You may authorize access by visitors or service people with
a temporary 4-digit PIN. After a programmed number of
hours or number of accesses, this temporary PIN expires
and will no longer open the door. It can be used to close
the door even after it has expired. To set a temporary PIN:
1. Press the four buttons for your personal entry PIN (not
the last temporary PIN), then press and hold the
button.
The opener light will blink three times. Release the
button.
NOTE: This method requires two people if the Keyless
Entry is already mounted outside the garage.
1,
2,
3,
4,
Enter a four digit personal identification
number (PIN) of your choice on the
keypad. Then press and hold ENTER.
While holding the ENTER button,
press and hold the LIGHT button on
the Motion Detecting Door Control
Console.
Continue holding the ENTER and
LIGHT buttons while you press the
push bar on the Motion Detecting Door
Control Console (all three buttons
are held).
Release buttons when the motor unit
lights blink. It has learned the code. If
light bulbs are not installed, two clicks
will be heard.
\1 /
2. Press the temporary 4-digit PIN you have chosen, then
press Enter.
The opener light will blink four times.
3. To set the number of hours this temporary PIN will work,
press the number of hours (up to 255), then press ¢.
OR
3. To set the number of times this temporary PIN will work,
press the number of times (up to 255), then press #.
The opener light will blink once when the temporary PIN has
been learned.
Test by pressing the four buttons for the temporary PIN,
then press Enter. The door should move. If the temporary
PIN was set to a certain number of openings, remember
that the test has used up one opening. To clear the
temporary password, repeat steps 1-3, setting the number
of hours or times to 0 in step 3.
One Button Close: Opener can be closed by pressing only the ENTER button if the one button close feature has been
activated. This feature has been activated at the factory. To activate or deactivate this feature press and hold buttons 1 and 9
for 10 seconds. The keypad will blink twice when the one button close is active. The keypad will blink four times when one
button close is deactivated.
38

REPAIR PARTS
Rail Assembly Parts
5
Installation Parts
3
KEY
NO.
1
2
3
4
5
6
7
8
9
lO
11
12
13
14
• I
39
KEY PART
NO. NO. DESCRIPTION
1 4A1008 Master link kit
2 41C5141-2 Complete trolley assembly
3 41A5665-2 Complete rail
4 41 B4103 Spring trolley nut
5 144C54 Idler pulley
6 41A5250 Full belt assembly
7 41 D598-1 "U" bracket
NOT SHOWN
183A163 Wear pads
PART
NO. DESCRIPTION
41 C472-7
953D
10A20
956D
29B137
41A2828
41 B4494-1
41A5047-1
41A5047-3
41A5034
178B34
178B35
41A5266-1
41A6357-1
41A5257-10
12B776
114A3352
114A3352SP
Motion detecting door control
3-Button remote control
3V2032 Lithium battery
3-Button mini remote control
Remote control visor clip
Emergency release rope and handle assembly
2-Conductor bell wire, white and white/red
Door bracket w/clevis pin & fastener
Header bracket w/clevis pin & fastener
Safety reversing sensor kit (receiving and
sending eyes) with 3' (.9 m) 2-conductor
bell wire
Straight door arm section
Curved door arm section
Safety reversing sensor brackets (2)
Battery
NOT SHOWN
Installation hardware bag (includes
hardware listed on page 7)
Hanging brackets
Owner's manual
Owner's manual- Spanish

Motor Unit Assembly Parts
11
--8
KEY
NO.
1
2
3
4
5
6
PART
NO.
41 C76
41 B4245
41 B4375-3
41A6281
41A6282
41A6327
41A6328
41 D794
41DB002-2
KEY PART
DESCRIPTION NO. NO. DESCRIPTION
Belt cap and sprocket 7 41A6231
Line cord
Terminal block with screws 8
Wire harness kit Complete with: 9
Battery wires and plug 10
Light socket wires and plug 11
RPM/passpoint wires with plug
Motor with travel module
41C190
41D504-5
108D79
175B88
41A6357-1
End panel with battery door
and screw
Transformer and harness
Cover
Light lens
Light socket
NOT SHOWN
Battery
Receiver logic assembly
40

ACCESSORIES
7702CB Outside Quick Release:
Required for a garage with NO access
door.
953D 3-Button SECURITY.I .® Remote
Control _#:
Includes visor clip.
760CB
8808CB
8810CB
Outdoor Key Switch:
Operates the garage door
automatically from outside when
remote control is not handy.
8 Foot (2.4 m) Rail Extension:
To allow an 8 foot (2.4 m) door to open
fully.
10 Foot (3 m) Rail Extension:
To allow a 10 foot (3 m) door to
open fully.
956D
940D
3-Button Mini-Remote Control
with SECURITY÷ ® _:
With key ring and fastening strip.
SECURITY÷ ®Keyless Entry _):
Enables homeowner to operate
garage door opener from outside by
entering a password on a specially
designed keyboard. Also can add a
temporary password for visitors or
service persons. This temporary
password can be limited to a
programmable number of hours
or entries.
CLDM1 Garage Door Monitor:
Monitors the status of your garage
door from inside your home.
41A5281 Extension Brackets:
(Optional) For safety reversing sensor
installation onto the wall or floor.
To order call: 1-800-528-9131.
CLLAD Remote Light Control _):
Enables homeowner to turn on a lamp,
television or other appliance from their
car with their garage door opener
remote or from anywhere in their home
with an additional Chamberlain
Security÷ ® remote.
41

NOTES
42

NOTES
43

CHAMBERLAIN ®SERVICE
IS ON CALL
OUR LARGE SERVICE ORGANIZATION
SPANS AMERICA
INSTALLATION AND SERVICE INFORMATION IS AS
NEAR AS YOUR TELEPHONE. SIMPLY DIAL OUR
TOLL FREE NUMBER:
1-800-528-9131
www.chamberlain-diy.com
For professional installation, parts and service, contact
your local CHAMBERLAIN ® dealer. Look for him in the
Yellow Pages, or call our Service number for a list of
dealers in your area.
HOW TO ORDER
REPAIR PARTS
Selling prices will be furnished on request, or parts will be
shipped at prevailing prices and you will be billed
accordingly.
WHEN ORDERING REPAIR PARTS, ALWAYS GIVE THE
FOLLOWING INFORMATION:
• PART NUMBER
•PART NAME
•MODEL NUMBER
ADDRESS ORDERS TO:
THE CHAMBERLAIN GROUP, INC.
Technical Support Group
6050 S. Country Club Road
Tucson, Arizona 85706
SERVICE INFORMATION
TOLL FREE NUMBER:
1-800-528-9131
CHAMBERLAIN® ONE-YEAR LIMITED WARRANTY
10 YEAR BELT LIMITED WARRANTY & LIFETIME MOTOR LIMITED WARRANTY
The Chamberlain Group, Inc. ("Seller") warrants to the first retail purchaser of this product, for the residence in which this product is originally
installed, that it is free from defect in materials and/or workmanship for a period of one year from the date of purchase, [and that the belt is free
from defect in materials and/or workmanship for a period of 10 years from the date of purchase and that the motor is free from defect in materials
and/or workmanship for the lifetime of the product]. The proper operation of this product is dependent on your compliance with the instructions
regarding installation, operation, maintenance and testing. Failure to comply strictly with those instructions will void this limited warranty in its
entirety.
If, during the limited warranty period, this product appears to contain a defect covered by this limited warranty, call 1-800-528-9131, toll free,
before dismantling this product. Then send this product, pre-paid and insured, to our service center for warranty repair. You will be advised of
shipping instructions when you call. Please include a brief description of the problem and a dated proof-of-purchase receipt with any product
returned for warranty repair. Products returned to Seller for warranty repair, which upon receipt by Seller are confirmed to be defective and
covered by this limited warranty, will be repaired or replaced (at Seller's sole option) at no cost to you and returned pre-paid. Defective parts will
be repaired or replaced with new or factory-rebuilt parts at Seller's sole option.
ALL IMPLIED WARRANTIES FOR THE PRODUCT, INCLUDING BUT NOT LIMITED TO ANY IMPLIED WARRANTIES OF MERCHANTABILITY
AND FITNESS FOR A PARTICULAR PURPOSE, ARE LIMITED IN DURATION TO THE ONE YEAR LIMITED WARRANTY PERIOD SET
FORTH ABOVE [EXCEPT THE IMPLIED WARRANTIES WITH RESPECT TO THE BELT AND MOTOR, WHICH ARE LIMITED IN DURATION
TO THE BELT 10 YEARS AND MOTOR LIFETIME LIMITED WARRANTY PERIOD FOR THE BELT AND MOTOR], AND NO IMPLIED
WARRANTIES WILL EXIST OR APPLY AFTER SUCH PERIOD. Some states do not allow limitations on how long an implied warranty
lasts, so the above limitation may not apply to you. THIS LIMITED WARRANTY DOES NOT COVER NON-DEFECT DAMAGE, DAMAGE
CAUSED BY IMPROPER INSTALLATION, OPERATION OR CARE (INCLUDING, BUT NOT LIMITED TO ABUSE, MISUSE, FAILURE TO
PROVIDE REASONABLE AND NECESSARY MAINTENANCE, UNAUTHORIZED REPAIRS OR ANY ALTERATIONS TO THIS PRODUCT),
LABOR CHARGES FOR REINSTALLING A REPAIRED OR REPLACED UNIT, REPLACEMENT OF BATTERIES AND LIGHT BULBS OR
UNITS INSTALLED FOR NON-RESIDENTIAL USE.
THIS LIMITED WARRANTY DOES NOT COVER ANY PROBLEMS WITH, OR RELATING TO, THE GARAGE DOOR OR GARAGE DOOR
HARDWARE, INCLUDING BUT NOT LIMITED TO THE DOOR SPRINGS, DOOR ROLLERS, DOOR ALIGNMENT OR HINGES. THIS
LIMITED WARRANTY ALSO DOES NOT COVER ANY PROBLEMS CAUSED BY INTERFERENCE. ANY SERVICE CALL THAT
DETERMINES THE PROBLEM HAS BEEN CAUSED BY ANY OF THESE ITEMS COULD RESULT IN A FEE TO YOU.
UNDER NO CIRCUMSTANCES SHALL SELLER BE LIABLE FOR CONSEQUENTIAL, INCIDENTAL OR SPECIAL DAMAGES ARISING IN
CONNECTION WITH USE, OR INABILITY TO USE, THIS PRODUCT. IN NO EVENT SHALL SELLER'S LIABILITY FOR BREACH OF
WARRANTY, BREACH OF CONTRACT, NEGLIGENCE OR STRICT LIABILITY EXCEED THE COST OF THE PRODUCT COVERED
HEREBY. NO PERSON IS AUTHORIZED TO ASSUME FOR US ANY OTHER LIABILITY IN CONNECTION WITH THE SALE OF THIS
PRODUCT.
Some states do not allow the exclusion or limitation of consequential, incidental or special damages, so the above limitation or exclusion may not
apply to you. This limited warranty gives you specific legal rights, and you may also have other rights which vary from state to state.
© 2009, The Chamberlain Group, Inc.
114A3352C All Rights Reserved