Champion Power Equipment 46598 Owners Manual 46598_manual English_02 27 2013
2015-08-26
: Champion-Power-Equipment Champion-Power-Equipment--46598-Owners-Manual-802528 champion-power-equipment--46598-owners-manual-802528 champion-power-equipment pdf
Open the PDF directly: View PDF
.
Page Count: 29

OWNER’S MANUAL & OPERATING INSTRUCTIONS
10006 Santa Fe Springs Road
Santa Fe Springs CA 90670
USA / 1-877-338-0999
www.championpowerequipment.com
4000 Starting Watts / 3500 Rated Watts
PORTABLE GENERATOR
SAVE THESE INSTRUCTIONS
Important Safety Instructions
are included in this manual.
MADE IN CHINA
REV 46598-20130227
Recoil Start
46598
MODEL NUMBER

*We are always working to improve our products. Therefore, the enclosed product may differ slightly from the image on the cover.
WARNING:
The Engine Exhaust from this product contains chemicals known to the State of California
to cause cancer, birth defects or other reproductive harm.
Have questions or need assistance?
Do not return this product to the store!
WE ARE HERE TO HELP!
Visit our website:
www.championpowerequipment.com
for more info:
• Product Info & Updates
• Frequently Asked Questions
• Tech Bulletins
• Product Registration
– or –
Call our Customer Care Team Toll-Free at:
1-877-338-0999
AN IMPORTANT MESSAGE ABOUT TEMPERATURE:
Your Champion Power Equipment product is designed and rated for continuous operation at ambient temperatures up to
40°C (104°F). When your product is needed your product may be operated at temperatures ranging from -15°C (5°F) to
50°C (122°F) for short periods. If the product is exposed to temperatures outside this range during storage, it should be
brought back within this range before operation. In any event, the product must always be operated outdoors, in a
well-ventilated area and away from doors, windows and other vents.

46598
Recoil Start
PORTABLE GENERATOR
4000 Starting Watts / 3500 Rated Watts
TABLE OF CONTENTS
Introduction ............................ 1
Introduction .......................... 1
Portable Power Generator ................. 1
Accessories .......................... 1
This Booklet .......................... 1
Manual Conventions ....................... 2
Safety Rules ............................ 3
Controls and Features ..................... 5
Generator ............................ 5
Power Panel .......................... 6
Parts Included ........................ 7
Wheel Kit .......................... 7
Other ............................ 7
Assembly .............................. 8
Remove the Generator from the Shipping Carton . 8
Add Engine Oil ........................ 8
Add Fuel ............................ 9
Grounding ........................... 9
Operation ............................. 10
Generator Location .................... 10
Grounding .......................... 10
Surge Protection ...................... 10
Recoil Start ......................... 11
Connecting Electrical Loads .............. 11
Stopping the Engine ................... 11
Do Not Overload Generator ............... 12
Capacity ......................... 12
Power Management .................. 12
Operation at High Altitude ............... 12
Maintenance and Storage .................. 13
Engine Maintenance ................... 13
Oil ............................. 13
Spark Plugs ....................... 13
Air Filter ......................... 13
Spark Arrester ..................... 14
Cleaning ......................... 14
Adjustments ....................... 14
Maintenance Schedule ................ 14
Generator Maintenance ................. 15
Storage ............................ 15
Generator Storage ................... 15
Specifications .......................... 16
Engine Specifications .................. 16
Generator Specifications ................ 16
Fuel .............................. 16
Oil ............................... 16
Spark Plugs ......................... 16
Maintenance Valve Clearance ............. 16
An Important Message About Temperature ..... 16
Parts Diagram ........................ 17
Parts List ........................... 18
Engine Parts Diagram .................. 19
Engine Parts List ..................... 20
Wiring Diagram ....................... 21
Troubleshooting ......................... 22
Warranty ............................. 23
Warranty Qualifications ................. 23
Repair/Replacement Warranty ............. 23
Do Not Return The Unit To
The Place Of Purchase .................. 23
Warranty Exclusions. . . . . . . . . . . . . . . . . . . . 23
Normal Wear ...................... 23
Installation, Use and Maintenance ........ 23
Other Exclusions .................... 23
Limits of Implied Warranty
and Consequential Damage ............ 23
Contact Information .................... 23
Address .......................... 23
Customer Service ................... 23
Technical Service ................... 23

1 REV 46598-20130227
ENGLISH 46598
Introduction
Congratulations on your purchase of a Champion
Power Equipment generator. CPE designs and builds
generators to strict specifications. With proper use and
maintenance, this generator will bring years of satisfying
service.
Portable Power Generator
This unit is a gasoline engine driven, alternating current
(AC) generator. It is designed to supply electrical power
for lighting, appliances, tools and similar equipment.
Record the model and serial numbers as well as date and place of purchase for future reference. Have this
information available when ordering parts and when making technical or warranty inquiries.
Accessories
Champion Power Equipment manufactures and sells
accessories designed to help you get the most from your
purchase. To find out more about our covers and power
cables, please visit our web site at:
www.championpowerequipment.com
This Booklet
Every effort has been made to ensure the accuracy and
completeness of the information in this manual. We reserve
the right to change, alter and/or improve the product and
this document at any time without prior notice.
Champion Power Equipment Support
Model Number
Serial Number
Date of Purchase
Purchase Location
1-877-338-0999
46598
For Oil Type see ‘Add Engine Oil‘ section. For Fuel Type see ‘Add Fuel‘ section.
INTRODUCTION

REV 46598-20130227 2
46598 ENGLISH
MANUAL CONVENTIONS
This manual uses the following symbols to help differentiate between different kinds of information. The safety symbol
is used with a key word to alert you to potential hazards in operating and owning power equipment.
Follow all safety messages to avoid or reduce the risk of serious injury or death.
CAUTION indicates a potentially hazardous
situation which, if not avoided, may result in minor
or moderate injury.
CAUTION
CAUTION used without the safety alert symbol
indicates a potentially hazardous situation which, if
not avoided, may result in property damage.
CAUTION
DANGER indicates an imminently hazardous
situation which, if not avoided, will result in death
or serious injury.
DANGER
WARNING indicates a potentially hazardous
situation which, if not avoided, could result in
death or serious injury.
WARNING
If you have questions regarding your generator, we can
help. Please call our help line at 1-877-338-0999.
NOTE

3 REV 46598-20130227
ENGLISH 46598
SAFETY RULES
Generator exhaust contains carbon monoxide, a
colorless, odorless, poison gas. Breathing carbon
monoxide will cause nausea, dizziness, fainting or
death. If you start to feel dizzy or weak, get to fresh
air immediately.
Operate generator outdoors only in a well ventilated
area.
DO NOT operate the generator inside any building,
including garages, basements, crawlspaces and
sheds, enclosure or compartment, including the
generator compartment of a recreational vehicle.
DO NOT allow exhaust fumes to enter a confined
area through windows, doors, vents or other
openings.
DANGER CARBON MONOXIDE: using a generator
indoors CAN KILL YOU IN MINUTES.
DANGER
Rotating parts can entangle hands, feet, hair,
clothing and/or accessories.
Traumatic amputation or severe laceration can result.
Keep hands and feet away from rotating parts.
Tie up long hair and remove jewelry.
Operate equipment with guards in place.
DO NOT wear loose-fitting clothing, dangling
drawstrings or items that could become caught.
DANGER
Generator produces powerful voltage.
DO NOT touch bare wires or receptacles.
DO NOT use electrical cords that are worn, damaged
or frayed.
DO NOT operate generator in wet weather.
DO NOT allow children or unqualified persons to
operate or service the generator
Use a ground fault circuit interrupter (GFCI) in damp
areas and areas containing conductive material such
as metal decking.
Use approved transfer equipment to isolate generator
from your electric utility and Notify your utility
company before connecting your generator to your
power system.
DANGER
Sparks can result in fire or electrical shock.
When servicing the generator:
Disconnect the spark plug wire and place it where it
cannot contact the plug.
DO NOT check for spark with the plug removed.
Use only approved spark plug testers.
WARNING
Running engines produce heat. Severe burns can
occur on contact.
Combustible material can catch fire on contact.
DO NOT touch hot surfaces.
Avoid contact with hot exhaust gases.
Allow equipment to cool before touching.
Maintain at least three feet of clearance on all sides
to ensure adequate cooling.
Maintain at least five feet of clearance from
combustible materials.
WARNING
Medical and Life Support Uses.
In case of emergency, call 911 immediately.
NEVER use this product to power life support
devices or life support appliances.
NEVER use this product to power medical devices
or medical appliances.
Inform your electricity provider immediately if you
or anyone in your household depends on electrical
euipment to live.
Inform your electrical provider immediately if a
loss of power would cause you or anyone in your
household to experience a medical emergency.
WARNING
The engine exhaust from this product contains
chemicals known to the state of California to cause
cancer, birth defects, or other reproductive harm.
WARNING
Read this manual thoroughly before operating your
generator. Failure to follow instructions could result
in serious injury or death.
WARNING

REV 46598-20130227 4
46598 ENGLISH
SAFETY RULES
Improper treatment or use of the generator can
damage it, shorten its life and void your warranty.
Use the generator only for intended uses.
Operate only on level surfaces.
DO NOT expose generator to excessive moisture,
dust, or dirt.
DO NOT allow any material to block the cooling slots.
If connected devices overheat, turn them off and
disconnect them from the generator.
DO NOT use the generator if:
– Electrical output is lost
– Equipment sparks, smokes or emits flames
– Equipment vibrates excessively
CAUTION
Operation of this equipment may create sparks that
can start fires around dry vegetation.
A spark arrestor may be required. The operator
should contact local fire agencies for laws or
regulations relating to fire prevention requirements.
WARNING
Rapid retraction of the starter cord will pull hand and
arm towards the engine faster than you can let go.
Unintentional startup can result in entanglement,
traumatic amputation or laceration.
Broken bones, fractures, bruises or sprains could result.
When starting engine, pull the starter cord slowly
until resistance is felt and then pull rapidly to avoid
kickback.
DO NOT start or stop the engine with electrical
devices plugged in.
WARNING
Fuel and fuel vapors are highly flammable and
extremely explosive.
Fire or explosion can cause severe burns or death.
Unintentional startup can result in entanglement,
traumatic amputation or laceration.
When adding or removing fuel:
Turn the generator off and let it cool for at least two
minutes before removing the fuel cap. Loosen the
cap slowly to relieve pressure in the tank.
Only fill or drain fuel outdoors in a well-ventilated area.
DO NOT pump gas directly into the generator at the
gas station. Use an approved container to transfer
the fuel to the generator.
DO NOT overfill the fuel tank.
Always keep fuel away from sparks, open flames,
pilot lights, heat and other sources of ignition.
DO NOT light or smoke cigarettes.
When starting the generator:
DO NOT attempt to start a damaged generator.
Make certain that the gas cap, air filter, spark plug,
fuel lines and exhaust system are properly in place.
Allow spilled fuel to evaporate fully before
attempting to start the engine.
Make certain that the generator is resting firmly on
level ground.
When operating the generator:
DO NOT move or tip the generator during operation.
DO NOT tip the generator or allow fuel or oil to spill.
When transporting or servicing the generator:
Make certain that the fuel shutoff valve is in the off
position and the fuel tank is empty.
Disconnect the spark plug wire.
When storing the generator:
Store away from sparks, open flames, pilot lights,
heat and other sources of ignition.
DANGER
Exceeding the generator’s running capacity can
damage the generator and/or electrical devices
connected to it.
DO NOT overload the generator.
Start the generator and allow the engine to stabilize
before connecting electrical loads.
Connect electrical equipment in the off position,
and then turn them on for operation.
Turn electrical equipment off and disconnect before
stopping the generator.
DO NOT tamper with the governed speed.
DO NOT modify the generator in any way.
CAUTION

5 REV 46598-20130227
ENGLISH 46598
Read this owner’s manual before operating your generator. Familiarize yourself with the location and function of the
controls and features. Save this manual for future reference.
Generator
CONTROLS AND FEATURES
(1) Fuel Tank – 3.8 gal. (14.4 L) capacity fuel tank.
(2) Choke – Used to start the engine.
(3) Fuel Valve – Used to turn fuel supply on and off to
engine.
(4) Air Filter – Protects the engine by filtering dust
and debris from the intake air.
(5) Recoil Starter – Used to manually start the engine.
(6) Oil Filler Cap – Check and fill engine oil level.
(7) Power Panel – See “Power Panel” section.
1
2
3
4
5
6
7

REV 46598-20130227 6
46598 ENGLISH
Power Panel
CONTROLS AND FEATURES
(1) Engine Switch – Used to start or stop the
generator.
(2) Circuit Breakers – Protects the generator against
electrical overloads.
(3) Voltmeter – Used to display generator output
voltage.
(4) 120/240 Volt AC, 30 Amp Twist-Lock Receptacle
(NEMA L14-30R) – May be used to supply
electrical power for the operation of 120/240 Volt
AC, 30 Amp, single phase 60 Hz electrical loads.
(5) Voltage switch – Choose between 120V or 240V
(6) 120 Volt AC, 30 Amp Receptacle (NEMA TT-30R)
– May be used to supply electrical power for the
operation of 120 Volt AC, 30 Amp, single phase
60 Hz electrical loads.
(7) 120 Volt AC, 20 Amp Receptacle (NEMA 5-20R)
– May be used to supply electrical power for the
operation of 120 Volt AC, 20 Amp, single phase
60 Hz electrical loads.
(8) Ground Terminal – Consult an electrician for local
grounding regulations.
61 4 53 7 82

7 REV 46598-20130227
ENGLISH 46598
CONTROLS AND FEATURES
Parts Included
Your 46598 Gasoline Powered Generator ships with the
following parts:
Other
– Oil Funnel ............................1
– Spark Plug Socket ....................... 1

REV 46598-20130227 8
46598 ENGLISH
ASSEMBLY
Your generator requires some assembly. This unit ships
from our factory without oil. It must be properly serviced
with fuel and oil before operation.
If you have any questions regarding the assembly of your
generator, call our help line at 1-877-338-0999. Please
have your serial number and model number available.
Remove the Generator from the Shipping Carton
1. Set the shipping carton on a solid, flat surface.
2. Remove everything from the carton except the
generator.
3. Carefully cut each corner of the box from top to
bottom. Fold each side flat on the ground to provide a
surface area to install the wheel kit and support leg.
The recommended oil type is 10W-30 automotive
oil.
NOTE
Add Engine Oil
DO NOT attempt to crank or start the engine before it
has been properly filled with the recommended type and
amount of oil. Damage to the generator as a result of
failure to follow these instructions will void your warranty.
CAUTION
1. Place the generator on a flat, level surface.
2. Remove oil fill cap/dipstick to add oil.
3. Add up to 0.63 qt. (0.6 L) of oil and replace oil fill
cap/dipstick. DO NOT OVERFILL.
4. Check engine oil level daily and add as needed.
The engine is equipped with a low oil shut-off and will
stop when the oil level in the crankcase falls below the
threshold level.
CAUTION
Check oil often during the break-in period. Refer to the
Maintenance section for recommended service intervals.
NOTE
The generator rotor has a sealed, pre-lubricated ball
bearing that requires no additional lubrication for the life
of the bearing.
NOTE
Add Engine Oil Cont’d.

9 REV 46598-20130227
ENGLISH 46598
ASSEMBLY
Add Fuel
1. Use clean, fresh, regular unleaded fuel with a
minimum octane rating of 85 and an ethanol content
of less than 10% by volume.
2. DO NOT mix oil with fuel.
3. Clean the area around the fuel cap.
4. Remove the fuel cap.
5. Slowly add fuel to the tank. DO NOT OVERFILL.
Fuel can expand after filling. A minimum of ¼ in.
(0.64 cm) of space left in the tank is required
for fuel expansion, more than ¼ in. (0.64 cm) is
recommended. Fuel can be forced out of the tank
as a result of expansion if it is overfilled, and can
affect the stable running condition of the product.
When filling the tank, it is recommended to leave
enough space for the fuel to expand.
6. Screw on the fuel cap and wipe away any spilled fuel.
Grounding
Your generator must be properly connected to an
appropriate ground to help prevent electric shock.
A ground terminal connected to the frame of the generator
has been provided on the power panel. For remote
grounding, connect of a length of heavy gauge
(12 AWG minimum) copper wire between the generator
ground terminal and a copper rod driven into the ground.
We strongly recommend that you consult with a qualified
electrician to ensure compliance with local electrical codes.
Failure to properly ground the generator can result
in electric shock.
WARNING
Use regular unleaded gasoline with a minimum
octane rating of 85.
Do not mix oil and gasoline.
Fill tank to approximately ¼ in. (0.64 cm) below the
top of the tank to allow for fuel expansion.
DO NOT pump gas directly into the generator at the
gas station. Use an approved container to transfer
the fuel to the generator.
DO NOT fill fuel tank indoors.
DO NOT fill fuel tank when the engine is running or hot.
DO NOT overfill the fuel tank.
DO NOT light cigarettes or smoke when filling the
fuel tank.
CAUTION
Pouring fuel too fast through the fuel screen may
result in blow back of fuel at the operator while filling.
WARNING
Add Fuel Cont’d.
Our engines work well with 10% or less ethanol
blend fuels. When using blended fuels there are
some issues worth noting:
– Ethanol-gasoline blends can absorb more water
than gasoline alone.
– These blends can eventually separate, leaving
water or a watery goo in the tank, fuel valve and
carburetor.
– With gravity-fed fuel supplies, this compromised
fuel can be drawn into the carburetor and cause
damage to the engine and/or potential hazards.
– There are only a few suppliers of fuel stabilizer
that are formulated to work with ethanol blend
fuels.
– Any damages or hazards caused by using
improper fuel, improperly stored fuel, and/
or improperly formulated stabilizers, are not
covered by manufacture’s warranty.
It is advisable to always shut off the fuel supply,
run the engine to fuel starvation and drain the tank
when the equipment is not in use for more than 30
days.
NOTE

REV 46598-20130227 10
46598 ENGLISH
OPERATION
Generator Location
NEVER operate the generator inside any building,
including garages, basements, crawlspaces and sheds,
enclosure or compartment, including the generator
compartment of a recreational vehicle. Please consult
your local authority. In some areas, generators must
be registered with the local utility. Generators used at
construction sites may be subject to additional rules and
regulations. Generators should be on a flat, level surface
at all times. (Even while not in operation) Generators
must have at least five feet of clearance from all
combustible material. In addition to clearance from all
combustible material, generators must also have at least
three feet of clearance on all sides to allow for adequate
cooling, maintenance and servicing. Generators should
never be started or operated in the back of a SUV,
camper, trailer, in the bed of a truck (regular, flat or
otherwise), under staircases/stairwells, next to walls or
buildings, or in any other location that will not allow for
adequate cooling of the generator and/or the muffler.
DO NOT contain generators during operation. Allow
generators to properly cool before transport or storage.
Place the generator in a well-ventilated area. DO NOT
place the generator near vents or intakes where exhaust
fumes could be drawn into occupied or confined
spaces. Carefully consider wind and air currents when
positioning generator.
Failure to follow proper safety precautions may void
manufacturer’s warranty.
Do not operate or store the generator in rain, snow,
or wet weather.
Using a generator or electrical appliance in wet
conditions, such as rain or snow, or near a pool or
sprinkler system, or when your hands are wet, could
result in electrocution.
WARNING
WARNING
During operation the muffler and exhaust fumes
produced will become hot. If adequate cooling and
breathing space are not supplied, or if the generator
is blocked or contained, temperatures can become
extremely heated and may lead to fire.
Surge Protection
Electronic devices, including computers and many
programmable appliances use components that are
designed to operate within a narrow voltage range and
may be affected by momentary voltage fluctuations.
While there is no way to prevent voltage fluctuations, you
can take steps to protect sensitive electronic equipment.
1. Install UL1449, CSA-listed, plug-in surge suppressors
on the outlets feeding your sensitive equipment.
Surge suppressors come in single- or multi-outlet
styles. They’re designed to protect against virtually
all short-duration voltage fluctuations.
Voltage fluctuation may impair the proper
functioning of sensitive electronic equipment.
CAUTION
Grounding
The generator system ground connects the frame to the
ground terminals on the power panel.
– The generator (stator winding) is isolated from the
frame and from the AC receptacle ground pin.
– Electrical devices that require a grounded receptacle
pin connection will not function if the receptacle
ground pin is not functional.

11 REV 46598-20130227
ENGLISH 46598
OPERATION
Connecting Electrical Loads
1. Let the engine stabilize and warm up for a few
minutes after starting
2. Plug in and turn on the desired 120/240 Volt AC
single phase, 60 Hz electrical loads.
– DO NOT connect 3-phase loads to the generator.
– DO NOT connect 50 Hz loads to the generator.
– DO NOT overload the generator.
Connecting a generator to your electric utility
company’s power lines or to another power source
may be against the law. In addition this action,
if done incorrectly, could damage your generator
and appliances and could cause serious injury or
even death to you or a utility worker who may be
working on nearby power lines. If you plan to run a
portable electric generator during an outage, please
notify your electric utility company immediately
and remember to plug your appliances directly
into the generator. Do not plug the generator into
any electric outlet in your home. Doing so could
create a connection to the utility company power
lines. You are responsible for ensuring that your
generator’s electricity does not feed back into the
electric utility power lines.
If the generator will be connected to a building
electrical system, consult your local utility company
or a qualified electrician. Connections must isolate
generator power from utility power and must comply
with all applicable laws and codes.
NOTE
Stopping the Engine
1. Turn off and unplug all electrical loads. Never start
or stop the generator with electrical devices plugged
in or turned on.
2. Let the generator run at no-load for several minutes
to stabilize internal temperatures of the engine and
generator.
3. Turn the Fuel Valve to the “OFF” position.
4. Let the engine run until fuel starvation has stopped
the engine. This usually takes a few minutes.
5. Press the ignition switch to the “OFF” position.
Important: Always ensure that the Fuel Valve and the
Engine Switch are in the “OFF” position when the engine
is not in use.
If the engine will not be used for a period of two (2) weeks
or longer, please see the Storage section for proper engine
and fuel storage.
NOTE
Connecting Electrical Loads Cont’d.
Recoil Start
1. Make certain the generator is on a flat, level surface.
2. Turn off all electrical loads connected to the
generator. Never start or stop the generator with
electrical devices plugged in and turned on.
3. Turn the Fuel Valve to the “ON” position.
4. Press the Ignition Switch to “ON”.
5. Move the choke lever to the “CHOKE” position.
6. Pull the starter cord slowly until resistance is felt and
then pull rapidly.
7. Do not over-choke. As as soon as engine starts, move
the choke lever to the “RUN” position.
If the engine starts but does not continue to run
make certain that the generator is on a flat, level
surface. The engine is equipped with a low oil
sensor that will prevent the engine from running
when the oil level falls below a critical threshold.
NOTE
Keep choke lever in “Choke” position for only 1
pull of the recoil starter. After first pull, move choke
lever to the “Run” position for up to the next 3
pulls of the recoil starter. Too much choke leads to
spark plug fouling/engine flooding due to the lack of
incoming air. This will cause the engine not to start.
NOTE

REV 46598-20130227 12
46598 ENGLISH
Do Not Overload Generator
Capacity
Follow these simple steps to calculate the running and
starting watts necessary for your purposes.
1. Select the electrical devices you plan on running at
the same time.
2. Total the running watts of these items. This is
the amount of power you need to keep your items
running.
3. Identify the highest starting wattage of all devices
identified in step 1. Add this number to the number
calculated in step 2. Surge wattage is the extra
burst of power needed to start some electric driven
equipment. Following the steps listed under “Power
Management” will guarantee that only one device will
be starting at a time.
Power Management
Use the following formula to convert voltage and
amperage to watts:
Volts x Amps = Watts
To prolong the life of your generator and attached
devices, follow these steps to add electrical load:
1. Start the generator with no electrical load attached
2. Allow the engine to run for several minutes to stabilize.
3. Plug in and turn on the first item. It is best to attach
the item with the largest load first.
4. Allow the engine to stabilize.
5. Plug in and turn on the next item.
6. Allow the engine to stabilize.
7. Repeat steps 5-6 for each additional item.
Never exceed the specified capacity when adding
loads to the generator.
NOTE
OPERATION
Operation at High Altitude
The density of air at high altitude is lower than at sea
level. Engine power is reduced as the air mass and air-
fuel ratio decrease. Engine power and generator output
will be reduced approximately 3½% for every 1000
feet of elevation above sea level. This is a natural trend
and cannot be changed by adjusting the engine. At high
altitudes increased exhaust emissions can also result
due to the increased enrichment of the air fuel ratio.
Other high altitude issues can include hard starting,
increased fuel consumption and spark plug fouling.
To alleviate high altitude issues other than the natural
power loss, Champion Power Equipment can provide a
high altitude carburetor main jet. The alternative main
jet and installation instructions can be obtained by
contacting Customer Support. Installation instructions
are also available in the Technical Bulletin area of the
Champion Power Equipment internet site.
The part number and recommended minimum altitude
for the application of the high altitude carburetor main
jet is listed in the table below.
In order to select the correct high altitude main jet
it is necessary to identify the carburetor model. For
this purpose, a code is stamped on the side of the
carburetor. Select the correct main jet part number
corresponding to the carburetor code found on your
particular carburetor.
Operation using the alternative main jet at
elevations lower than the recommended minimum
altitude can damage the engine. For operation at
lower elevations, the standard main jet must be
used. Operating the engine with the wrong engine
configuration at a given altitude may increase
its emissions and decrease fuel efficiency and
performance.
WARNING
Carburetor
Code Main Jet Part Number Altitude
P19-2-R
Standard 2 6 .1 31 017. 2 0 . R
3500 Feet
(1067 Meters)
Altitude 26.131017.20.01.R
P19-2-Z
Standard 2 6 .1 31 017. 2 0 . Z
Altitude 26.131017.20.01.Z
P19-2-H
Standard 2 6 .1 31 017. 2 0 . H
Altitude 26.131017.20.01.H

13 REV 46598-20130227
ENGLISH 46598
The owner/operator is responsible for all periodic
maintenance.
Complete all scheduled maintenance in a timely manner.
Correct any issue before operating the generator.
Never operate a damaged or defective generator.
Tampering with the factory set governor will void
your warranty.
Air Filter
1. Remove the snap-on cover holding the air fi lter to
the assembly.
2. Remove the foam element.
3. Wash in liquid detergent and water. Squeeze
thoroughly dry in a clean cloth.
4. Saturate in clean engine oil.
5. Squeeze in a clean, absorbent cloth to remove all
excess oil.
6. Place the fi lter in the assembly.
7. Reattach the air fi lter cover and snap in place.
Spark Plugs
1. Remove the spark plug cable from the spark plug.
2. Use a 13/16” or 21 mm socket to remove the plug.
3. Inspect the electrode on the plug. It must be clean and
not worn to produce the spark required for ignition.
4. Make certain the spark plug gap is 0.7 - 0.8 mm or
(0.028 - 0.031 in.).
5. Refer to the spark plug recommendation chart when
replacing the plug.
6. Carefully thread the plug into the engine.
7. Use the spark plug tool to fi rmly install the plug.
8. Attach the spark plug wire to the plug.
For service or parts assistance, contact our help
line at 1-877-338-0999
NOTE
Maintenance, replacement, or repair of emission
control devices and systems may be performed
by any non-road engine repair establishment or
individual.
NOTE
WARNING
WARNING
Improper maintenance will void your warranty.
WARNING
Oil Cont’d.
0.7-0.8 mm
0.028-0.031 in.
MAINTENANCE AND STORAGE
Once oil has been added, a visual check should show
oil about 1-2 threads from running out of the fi ll hole.
If using the dipstick to check oil level, DO NOT screw
in the dipstick while checking.
NOTE
Engine Maintenance
To prevent accidental starting, remove and ground spark
plug wire before performing any service.
Oil
Change oil when the engine is warm. Refer to the oil
specifi cation to select the proper grade of oil for your
operating environment.
1. Remove the oil drain plug with a 12 mm socket and
extension.
2. Allow the oil to drain completely.
3. Replace the drain plug.
4. Remove oil fi ll cap/dipstick to add oil.
5. Add upt to 0.63 qt. (0.6 L) of oil and replace oil fi ll
cap/dipstick. DO NOT OVERFILL.
6. Dispose of used oil at an approved waste
management facility.

REV 46598-20130227 14
46598 ENGLISH
MAINTENANCE AND STORAGE
Adjustments
The air-fuel mixture is not adjustable. Tampering with
the governor can damage your generator and your
electrical devices and will void your warranty. CPE
recommends that you contact our service line at
1-877-338-0999 for all other service and/or adjustment
needs.
Maintenance Schedule
Follow the service intervals indicated in the following
maintenance schedule.
Service your generator more frequently when operating
in adverse conditions.
Contact our helpline at 1-877-338-0999 to locate the
nearest Champion Power Equipment certified service
dealer for your generator or engine maintenance needs.
Use a damp cloth to clean exterior surfaces of the engine.
Use a soft bristle brush to remove dirt and oil.
Use an air compressor (25 PSI) to clear dirt and debris
from the engine.
Cleaning
DO NOT spray engine with water.
CAUTION
Water can contaminate the fuel system.
Spark Arrester
1. Allow the engine to cool completely before servicing
the spark arrester.
2. Remove the two screws holding the cover plate which
retains the end of the spark arrester to the muffler.
3. Remove the spark arrester screen.
4. Carefully remove the carbon deposits from the spark
arrester screen with a wire brush.
5. Replace the spark arrester if it is damaged.
6. Position the spark arrester in the muffler and attach
with the two screws.
Failure to clean the spark arrester will result in degraded
engine performance.
CAUTION
Federal and local laws and administrative
requirements indicate when and where spark
arresters are required. When ordered, spark
arresters are required for operation of this generator
in National Forest lands. In California, this
generator must not be used on any forest- covered
land, brush-covered land, or grass- covered land
unless the engine is equipped with a spark arrester.
NOTE
*To be performed by knowledgeable, experienced owners or
Champion Power Equipment certified dealers.
Every 8 hours or daily
Check oil level
Clean around air intake and muffler
First 5 Hours
Change oil
Every 50 hours or every season
Clean air filter
Change oil if operating under heavy load or in hot
environments
Every 100 hours or every season
Change oil
Clean/Adjust spark plug
Check/Adjust valve clearance*
Clean spark arrester
Clean fuel tank and filter*
Every 250 hours
Clean combustion chamber*
Every 3 years
Replace fuel line

15 REV 46598-20130227
ENGLISH 46598
MAINTENANCE AND STORAGE
Generator Maintenance
Make certain that the generator is kept clean and stored
properly. Only operate the unit on a flat, level surface in
a clean, dry operating environment. DO NOT expose the
unit to extreme conditions, excessive dust, dirt, moisture
or corrosive vapors.
Use a damp cloth to clean exterior surfaces of the generator.
Use a soft bristle brush to remove dirt and oil.
Use an air compressor (25 PSI) to clear dirt and debris
from the generator.
Inspect all air vents and cooling slots to ensure that they
are clean and unobstructed.
DO NOT use a garden hose to clean the generator.
Water can enter the generator through the cooling
slots and damage the generator windings.
CAUTION
Generator exhaust contains odorless and colorless
carbon monoxide gas.
To avoid accidental or unintended ignition of your
generator during periods of storage, the following
precautions should be followed:
– When storing the generator for short or extended
periods of time make sure that the Engine
Switch and the Fuel Valve are set in the OFF
position.
DANGER
Storage
The generator should be started at least once every 14
days and allowed to run for at least 20 minutes. For
longer term storage, please follow these guidelines.
Generator Storage
1. Add a properly formulated fuel stabilizer to the tank.
2. Be sure all appliances are disconnected from the
generator.
3. Run the generator for a few minutes so the treated
fuel cycles through the fuel system and carburetor.
4. Turn the fuel valve to the “Off” position.
5. Let the generator run until fuel starvation has
stopped the engine. This usually takes a few minutes.
6. The generator needs to cool completely before
cleaning and storage.
7. Clean the generator according to the maintenance section.
8. Change the oil.
9. Remove the spark plug and pour about 1⁄2 ounce
of oil into the cylinder. Crank the engine slowly to
distribute the oil and lubricate the cylinder.
10. Reattach the spark plug.
11. Store the unit in a clean, dry place out of direct
sunlight.
Our engines work well with 10% or less ethanol
blend fuels. When using blended fuels there are
some issues worth noting:
– Ethanol-gasoline blends can absorb more water
than gasoline alone.
– These blends can eventually separate, leaving
water or a watery goo in the tank, fuel valve and
carburetor.
– With gravity-fed fuel supplies, this compromised
fuel can be drawn into the carburetor and cause
damage to the engine and/or potential hazards.
– There are only a few suppliers of fuel stabilizer
that are formulated to work with ethanol blend
fuels.
– Any damages or hazards caused by using
improper fuel, improperly stored fuel, and/
or improperly formulated stabilizers, are not
covered by manufacture’s warranty.
It is advisable to always shut off the fuel supply,
run the engine to fuel starvation and drain the tank
when the equipment is not in use for more than 30
days.
NOTE
Generator Storage Cont’d.

REV 46598-20130327 16
46598 ENGLISH
Engine Specifications
– Model .....................YF168FD-2-010
– Displacement .......................196cc
– Type ........................4-Stroke OHV
– Start Type .........................Recoil
Oil
Use 10W-30 automotive oil.
Oil capacity is 0.63 qt. (0.6 L).
DO NOT OVERFILL.
Please reference the following chart for recommended
oil types for use in the generator.
Fuel
Fuel capacity is 3.8 gal. (14.4 L). Use regular unleaded
gasoline with a minimum octane rating of 85 and an
ethanol content of less than 10% by volume.
Generator Specifications
– Model ........................... 46598
– Running Wattage .................3500 Watts
– Starting Wattage .................4000 Watts
– AC Load ...................... 120/240 V
– Phase ............................Single
– Frequency .........................60 Hz
– Fuel Capacity ................3.8 gal. (14.4 L)
– Gross Weight ............... 105.8 lb. (48 kg)
– Net Weight . ................ .
– Height .................18.1 inches (45.9 cm)
– Width .................17.8 inches (45.1 cm)
– Length. . . . . . . . . . . . . . . . . . 23.2 inches (59 cm)
SPECIFICATIONS
Maintenance Valve Clearance
– Intake: 0.13 – 0.17 mm (0.005 – 0.007 in.)
– Exhaust: 0.18 – 0.22 mm (0.007 – 0.009 in.)
Note: Tech bulletin regarding the valve adjustment
procedure is on www.championpowerequipment.com.
Spark Plugs
OEM spark plug: NHSP F6RTC
Replacement spark plug: NGK BPR6ES or equivalent
Make certain the spark plug gap is 0.7 - 0.8 mm or
(0.028 - 0.031 in.).
An Important Message About Temperature
Your Champion Power Equipment product is designed
and rated for continuous operation at ambient
temperatures up to 40°C (104°F). When your product is
needed your product may be operated at temperatures
ranging from -15°C (5°F) to 50°C (122°F) for short
periods. If the product is exposed to temperatures
outside this range during storage, it should be brought
back within this range before operation. In any event,
the product must always be operated outdoors, in a
well-ventilated area and away from doors, windows and
other vents.
99.2 lb. (45 kg)

17 REV 46598-20130227
ENGLISH 46598
SPECIFICATIONS
Parts Diagram
1
2
3
4
5
6
7
8
9
10
11
12
13
14
15
16
17
18 19 20 21
22
23
16
24
25
26
27
28
29
30
31
32
27
33
34
35
36
37
38
39
40
41 42
43
44
45
47
49
5051
52
53
55
27
64
65
6667
68
69
74
75 62 76 77 78 79
80
81
82
83
84
86
87
88 89
71
72
46
54
85
70
13
17
57
58
60
61
62
22
56
59
63
48
73

REV 46598-20130227 18
46598 ENGLISH Parts List
#Part Number Description Qty
126.401 Engine 1
2122.190005.00 Rubber,Fore-Cover 1
3122.190005.01 Rubber,Fore-Cover 1
4123.191100.19 Rotor Assembly 1
52.08.022 Flange Bolt M8×242 1
61.96.08 Washer Ø8 1
71.7244.08 Lock Washer Ø8 1
8123.191200.23 Stator Assembly 1
9123.191002.01 Stator Cover 1
10 122.190002.00 End Housing 1
11 2.08.065 Flange Bolt M6×168 4
12 1.97.1.06 WasherØ6 4
13 1.93.06 Lock Washer Ø6 8
14 122.190300.00 Carbon Brush Assembly 1
15 122.190004.01 Pinch 1
16 1.93.05 Lock Washer Ø5 3
17 1.5783.0516 Bolt M5×16 3
18 1.97.1.05 Washer Ø5 2
19 122.190200.03 AVR 1
20 1.16674.0516 Flange Bolt M5×16 2
21 122.190003.00.48 Generator End Cover 1
22 1.16674.0512.2 Flange Bolt M5×12 3
23 122.190400.00 Terminal Block 1
24 122.190018.00 Bracket,Muffler 1
25 1.16674.0820 Flange Bolt M8×20 3
26 122.190018.01 Bracket,Muffler 1
27 1.5789.0612 Flange Bolt M6×12 7
28 1.9074.4.0514 Bolt And Washer Assembly
M5×14 2
29 46.101503.08 Plate,Spark Arrester 1
30 46.101300.08 Arrester Assembly,Spark 1
31 26.101000.00 Muffler Assembly 1
32 23.102000.03.2 Muffler Cover 1
33 1.6175.08 Nut M8 2
34 1.93.08 Lock Washer Ø8 2
35 1.848.08 Washer Ø8 2
36 26.100001.00 Muffler Gasket 1
37 23.090006.21 Holder,Air Cleaner 1
38 1.5789.0608 Flange Bolt M6×8 1
39 122.070011.05 Pipe,Fuel(5.5in) 1
40 2.06.007 Clamp 2
41 122.070400.05 Fuel Cock 1
42 122.071000.05.48 Fuel Tank 1
43 122.070015.01 Mount Vibration, Fuel Tank 4
44 2.03.004 Washer Ø6 4
45 1.5789.0620.2 Flange Bolt M6×20 4
#Part Number Description Qty
46 23.070301.00 Fuel Filter 1
47 24.070100.00 Fuel Tank Cap 1
48 24.070030.00 Hole,Breather Tube 1
49 24.070014.03 Pipe,Reversal Valve 1
50 2.06.006 Clamp 1
51 24.070800.00 Reversal Valve 1
52 1.819.0510 Screw M5×10 2
53 122.072000.00 Fuel Meter Assembly 1
54 6.2.249.318.2 Frame 1
55 2.05.001 Clamp 2
56 1.6177.1.08 Nut M8 12
57 122.201200.03 Motor Mount 2
58 122.201200.02 Motor Mount 2
59 122.201400.01 Rubber 4
60 1.6177.1.06 Nut M6 1
61 5.1900.026 Grounding Line 1
62 1.862.06 Lock Washer Ø6 2
63 2.08.068.2 Flange Bolt M5×13 4
64 122.01.108.2 Control Panel 1
65 5.1000.004.3 Switch 1
66 5.1400.003 Voltage Meter 1
67 1.848.03.2 Washer Ø3 4
68 1.859.03.2 Lock Washer Ø3 4
69 1.6175.03.2 Nut M3 4
70 5.1120.009 Receptacle L14-30R 1
71 1.9074.4.0414.1 Bolt And Washer Assembly
M4×14 6
72 1.6177.1.04.1 Nut M4 6
73 5.1020.002 Switch 1
74 5.1120.034 Receptacle TT-30R 1
75 5.1120.030 Receptacle 5-20R 1
76 1.5783.0622.3 Bolt M6×22 1
77 1.6175.06.3 Nut M6 2
78 1.97.1.06.3 Washer Ø6 2
79 1.93.06.3 Lock Washer Ø6 2
80 122.210003.01 Grommet 1
81 5.1330.001 Sheath,Wire 1
82 122.210003.03 Grommet 1
83 5.1810.001 Over Voltage Protector 1
84 1.823.0514 Screw M5×14 1
85 5.1210.920 AC.20A Breaker 1
86 5.1200.215 AC.15A Breaker 2
87 122.210002.02 Control Box 1
88 1.9074.1.0538.2 Bolt And Washer Assembly
M5×38 3
89 122.210003.00 Grommet 1

19 REV 46598-20130327
ENGLISH 46598
SPECIfICATIONS
Engine Parts Diagram
1
2345678910
1213
2526 27 29303235 37
38 12 40 41
42
43 44
46
47
21 22
2324
3134 36 39
53
52
102
51
50
4955
56
57
58
54
6062
61
63
65
66
67
68
69
7071
72
74
25
75 1
93
94
95
92
91
90
97
78
79
80
82
83
84
85
86
87
88
76
59
77
96
33
81
73
15
20
48 14
101
51
100
98
45
64
16
99
89
19
11
18
17
19
28
103

REV 46598-20130327 20
46598 ENGLISH
#Part Number Description Qty
11.5789.0608 Flange Bolt M6×8 6
222.061100.00.2 Recoil Starter Cover 1
321.061005.00 Recoil Starter Spring 1
42.10.003 Rope (Ø5×1550) 1
521.061001.01 Recoil Starter Reel 1
645.060003.00 Spring, Ratchet 2
745.060002.00 Starter Ratchet (Iron) 2
845.060009.00 Spring, Ratchet Guide 1
945.060007.00 Ratchet Guide 1
10 45.060008.00 Screw, Ratchet Guide 1
11 24.040004.00 Guide Plate Push Rod 1
12 1.5789.0612 Flange Bolt M6×12 8
13 24.080100.01.48 Fan Cover 1
14 24.091100.21 Base, Air Cleaner 1
15 21.061300.00 Recoil Handle 1
16 24.130004.20 Gasket, Air Cleaner (No
Asbestos) 1
17 22.061000.00 Recoil Assembly 1
18 24.091000.21 Air Cleaner Assembly 1
19 26.131000.20 Carburetor 1
20 2.03.016 Washer, Drain Bolt
(Ø10ר16×1.5) 2
21 2.02.006 Nut (M14×1.5) 1
22 21.060001.01 Pulley, Starter 1
23 23.080001.00 Cooling Fan 1
24 24.120100.02 Flywheel (manual Start EPA) 1
25 2.11.001 Oil Seal (Ø25ר41.3×6) 2
26 2.03.020.1 Washer (Ø6.2ר15×0.5) 1
27 21.110100.00 Gear, Governor 1
28 23.130100.20 Choke Lever 1
29 21.110013.00 Shaft, Governor, Gear 1
30 21.110011.0 0 Clip, Governor, Gear 1
31 22.130003.00 Gasket, Carburetor (No
Asbestos) 1
32 21.110012.01 Bushing, Govorner Gear (Iron) 1
33 24.130002.00 Gasket, Insulator (No Asbestos) 1
34 23.130001.00 Insulator, Carburetor 1
35 23.080600.00 Air Guide, Right Side 1
36 2.01.003 Stud Bolt M6×90 2
37 26.030100.00 Crankcase (200) 1
38 21.127000.01 Oil Level Sensor 1
39 26.010100.00 Cylinder Head (168-2) 1
40 23.050200.00 Connecting Rod 1
41 25.050100.11 Crankshaft (A 200 Engine For
Equipment) 1
42 1.276.6205 Bearing 6205 2
43 24.030008.00 Gasket, Crankcase Cover (No
Asbestos) 1
44 22.031000.00.48 Oil Dipstick Assembly 1
45 122.070011.05 Pipe, Fuel (140) 1
46 23.030007.01 Cover, Crankcase (Engine For
Equipment) 1
47 1.5789.0832.0.8 Flange Bolt M8×32 6
48 23.091002.21 Seal, Air Cleaner 1
49 23.110006.00 Rod Governor 1
50 21.110003.00 Arm, Governor 1
51 1. 617 7.0 6 Flange Nut M6 3
52 21.110001.00 Shaft, Governor Arm 1
53 22.123000.01 Ignition Coil (Silicon Rubber
EPA) 1
#Part Number Description Qty
54 1.5789.0625 Flange Bolt M6×25 2
55 23.110005.01 Spring, Throttle Return 1
56 23.110007.00 Spring, Governor 1
57 2.08.040 Bolt, Governor Arm (M6×21) 1
58 21.110008.00 Pin, Shaft 1
59 24.080300.00 Control Assembly (Engine For
Equipment) 1
60 25.040013.00 Lifter, Valve 2
61 2.04.001 Dowel Pin (Ø9×14) 2
62 26.041000.00 Camshaft (200 EPA) 1
63 2.14.012 S em. Ke y ( 4 ×7. 5 ×19 ) 1
64 2.08.037 Bolt, Drain (M10×1.25×25) 2
65 26.050005.00 Piston 1
66 23.050003.00 Wrist Pin 1
67 2.09.001 Circlip (Ø18× Ø1) 2
68 26.050303.00 Ring, Oil 1
69 26.050302.00 Ring, Second Piston 1
70 26.050301.00 Ring, First Piston 1
71 26.030009.00 Gasket, Cylinder Head (168-2) 1
72 2.04.003 Dowel Pin (Ø10×14) 2
73 23.040002.00 Valve, Intake 1
74 23.040006.00 Valve, Exhaust 1
75 26.080400.01 Air Guide, Lower (200 G) 1
76 2.15.002 (F6RTC) Spark Plug (F6RTC) 1
77 1.5789.0855 Flange Bolt M8×55 4
78 23.040017.00 Oil Seal, Valve (Iron) 2
79 21.040003.00 Spring, Valve 2
80 21.040007.00 Retainer, Exhaust Valve
Spring(up) 1
81 21.040001.00 Retainer, Intake Valve Spring
(up) 1
82 21.040008.00 Rotator, Exhaust Valve 1
83 24.040202.00 Shaft, Rocker Arm 1
84 22.040009.00 Rocker Arm, Intake Valve 2
85 22.040012.00 Screw, Valve Adjustment 2
86 21.040021.00 Nut, Lock 2
87 1.97.1.06 Washer Ø6 2
88 1.6177.1.06 Flange Nut M6 2
89 2 6 .1 31017. 2 0 Standard Main Jet 1
26.131017.20.01 Altitude Main Jet /
90 24.040201.00 Retainer, Rocker Arm 1
91 23.040010.00 Bolt, Rocker Arm 2
92 23.040005.00 Push Rod 2
93 21.020002.01 Gasket, Cylinder Head Cover 1
94 24.021000.00 Cylinder Head Cover (CPE) 1
95 23.020001.02 Breather Tube 1
96 1.5789.0615 Flange Bolt M6×15 4
97 2.01.010 Stud Bolt (M8×35) 2
98 2.06.007 Clip (Ø8×b6) 2
99 24.091200.20 Cover, Air Cleaner 1
100 23.091003.21 Element, Air Cleaner 1
101 23.091001.21 Separator, Air Cleaner 1
102 2.03.021.1 Washer (Ø6.4ר13×1) 1
103 1.5789.0620 Flange Bolt M6×20 1

21 REV 46598-20130227
ENGLISH 46598
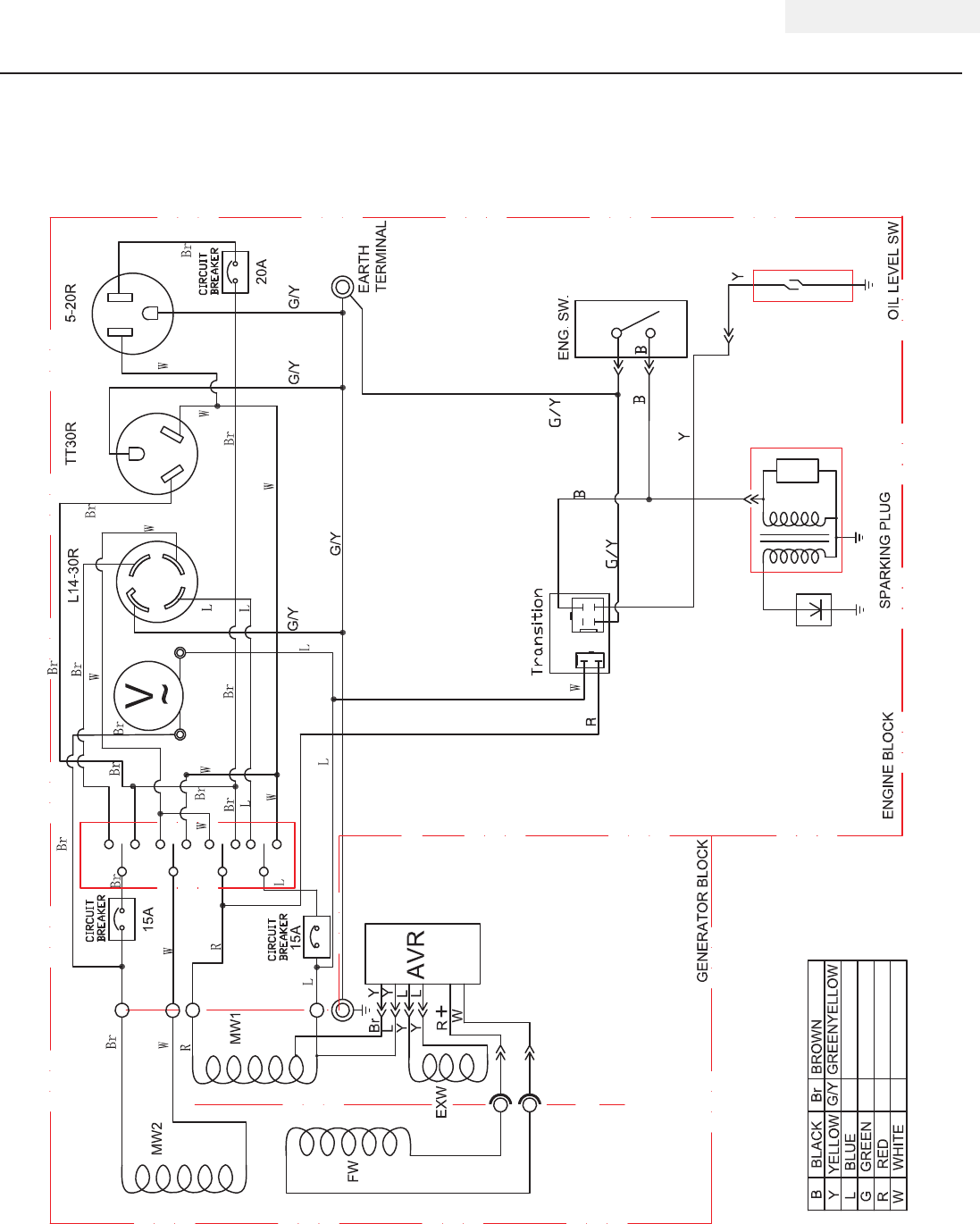
Wiring Diagram
SPECIFICATIONS

REV 46598-20130227 22
46598 ENGLISH
TROUBLESHOOTING
For further technical support:
Technical Service
Mon – Fri 8:30 AM – 5:00 PM (PST/PDT)
Toll Free: 1-877-338-0999
tech@championpowerequipment.com
Problem Cause Solution
Generator will not start No fuel Add fuel
Faulty spark plug Replace spark plug
Unit loaded during start up Remove load from unit
Generator will not start;
Generator starts but runs roughly
Low oil level Fill crankcase to the proper level
Place generator on a flat, level surface
Choke in the wrong position Adjust choke
Spark plug wire loose Attach wire to spark plug
Generator shuts down during operation Out of fuel Fill fuel tank
Low oil level Fill crankcase to the proper level. Place
generator on a flat, level surface
Generator cannot supply enough power or
overheating
Generator is overloaded Review load and adjust. See “Power
Management”
Insufficient ventilation Check for air restriction. Move to a well
ventilated area
No AC output Cable not properly connected Check all connections
Connected device is defective Replace defective device
Circuit breaker is open Reset circuit breaker
Faulty brush assembly Replace brush assembly (Service Center)
Faulty AVR (auto voltage regulator) Replace AVR (Service Center)
Loose wiring Inspect and tighten wiring connections
Other Contact the help line
Generator gallops Engine governor defective Contact the help line
Repeated circuit breaker tripping Overload Review load and adjust. See “Power
Management”
Faulty cords or device Check for damaged, bare or frayed wires.
Replace defective device

23 REV 46598-20130227
ENGLISH 46598
WARRANTY
WARRANTY
CHAMPION POWER EQUIPMENT
2 YEAR LIMITED WARRANTY
Warranty Qualifications
Champion Power Equipment (CPE) will register this
warranty upon receipt of your Warranty Registration Card
and a copy of your sales receipt from one of CPE’s retail
locations as proof of purchase.
Please submit your warranty registration and your proof
of purchase within ten (10) days of the date of purchase.
Repair/Replacement Warranty
CPE warrants to the original purchaser that the
mechanical and electrical components will be free of
defects in material and workmanship for a period of
one year (parts and labor) and two years (parts) from
the original date of purchase (90 days (parts and
labor) and 180 days (parts) for commercial & industrial
use). Transportation charges on product submitted
for repair or replacement under this warranty are the
sole responsibility of the purchaser. This warranty only
applies to the original purchaser and is not transferable.
Do Not Return The Unit To The Place Of Purchase
Contact CPE’s Technical Service and CPE will
troubleshoot any issue via phone or e-mail. If the
problem is not corrected by this method, CPE will, at its
option, authorize evaluation, repair or replacement of the
defective part or component at a CPE Service Center.
CPE will provide you with a case number for warranty
service. Please keep it for future reference. Repairs
or replacements without prior authorization, or at an
unauthorized repair facility, will not be covered by this
warranty.
Warranty Exclusions
This warranty does not cover the following repairs and
equipment:
Normal Wear
Generators need periodic parts and service to perform well.
This warranty does not cover repair when normal use has
exhausted the life of a part or the equipment as a whole.
Installation, Use and Maintenance
This warranty will not apply to parts and/or labor if this
generator is deemed to have been misused, neglected,
involved in an accident, abused, loaded beyond the
generator’s limits, modified, installed improperly or
connected incorrectly to any electrical component.
Installation, Use and Maintenance Cont’d.
Normal maintenance such as spark plugs, air filters,
adjustments, fuel system cleaning and obstruction due
to buildup is not covered by this warranty.
Other Exclusions
This warranty excludes:
– Cosmetic defects such as paint, decals, etc.
– Wear items such as filter elements, o-rings, etc.
– Accessory parts such as starting batteries, and
storage covers.
– Failures due to acts of God and other force majeure
events beyond the manufacturer’s control.
– Problems caused by parts that are not original
Champion Power Equipment parts.
This warranty does not apply to generators used for
prime power in place of a utility.
Limits of Implied Warranty and Consequential Damage
Champion Power Equipment disclaims any obligation to
cover any loss of time, use of this product, freight, or
any incidental or consequential claim by anyone from
using this generator. THIS WARRANTY IS IN LIEU OF
ALL OTHER WARRANTIES, EXPRESS OR IMPLIED,
INCLUDING WARRANTIES OF MERCHANTABILITY OR
FITNESS FOR A PARTICULAR PURPOSE.
A unit provided as an exchange will be subject to the
warranty of the original unit. The length of the warranty
governing the exchanged unit will remain calculated by
reference to the purchase date of the original unit.
This warranty gives you certain legal rights which may
change from state to state. Your state may also have
other rights you may be entitled to that are not listed
within this warranty.
Contact Information
Address
Champion Power Equipment, Inc.
Customer Service
10006 Santa Fe Springs Rd.
Santa Fe Springs, CA 90670
www.championpowerequipment.com
Customer Service
Mon – Fri 8:30 AM – 5:00 PM (PST/PDT)
Toll Free: 1-877-338-0999
info@championpowerequipment.com
Fax no.: 1-562-236-9429
Technical Service
Mon – Fri 8:30 AM – 5:00 PM (PST/PDT)
Toll Free: 1-877-338-0999
tech@championpowerequipment.com
24/7 Tech Support: 1-562-204-1188
Champion Power Equipment, Inc. (CPE),
United States Environment Protection Agency (U.S. EPA)
Emission Control System Warranty
Your Champion Power Equipment (CPE) engine complies with U.S. EPA emission regulations.
YOUR WARRANTY RIGHTS AND OBLIGATIONS:
The US EPA AND CPE are pleased to explain the Federal Emission Control Systems Warranty on your 2013 small
off-road engine and engine powered equipment. New engines and equipment must be designed, built and
equipped, at the time of sale, to meet U.S. EPA regulations for small non-road engines. CPE warrants the emission
control system on your small off-road engine and equipment for the period of time listed below, provided there has
been no abuse, neglect, unapproved modification, or improper maintenance of your equipment.
Your emission control system may include parts such as the carburetor, fuel-injection system, the ignition system,
catalytic converter and fuel lines. Also included may be hoses, belts, connectors and other emission related
assemblies. Where a warrantable condition exits, CPE will repair your small off-road engine at no cost to you
including diagnosis, parts and labor.
MANUFACTURER’S EMISSION CONTROL SYSTEM WARRANTY COVERAGE:
This emission control system is warranted for two years, subject to provisions set forth below. If, during the
warranty period, emission related part on your engine is defective in materials or workmanship, the part will be
repaired or replaced by CPE.
OWNER WARRANTY RESPONSIBILITIES:
As the small off-road engine owner, you are responsible for the performance of the required maintenance listed in
your Owner’s Manual. CPE recommends that you retain all your receipts covering maintenance on your small off-
road engine, but CPE cannot deny warranty solely for the lack of receipts or for your failure to ensure the
performance of all scheduled maintenance.
As the small off-road engine owner, you should however be aware that CPE may deny you warranty coverage if
your small, off-road engine or a part has failed due to abuse, neglect, improper maintenance or unapproved
modifications.
You are responsible for presenting your small off-road engine to an Authorized CPE service outlet or alternate
service outlet as described in (3)(f.) below, CPE dealer or CPE, Santa Fe Springs, Ca. as soon as a problem exists.
The warranty repairs should be completed in a reasonable amount of time, not to exceed 30 days.
If you have any questions regarding your warranty rights and responsibilities, you should contact:
Champion Power Equipment, Inc.
Customer Service
10006 Santa Fe Springs Road
Santa Fe Springs, CA 90670
1-877-338-0999
tech@championpowerequipment.com
EMISSION CONTROL SYSTEM WARRANTY
The following are specific provisions relative to your Emission Control System (ECS) Warranty Coverage.
1. APPLICABILITY: This warranty shall apply to 1997 and later model year small off-road engines. The ECS
Warranty Period shall begin on the date the new engine or equipment is delivered to its original, end-use
purchaser, and shall continue for 24 consecutive months thereafter.
2. GENERAL EMISSIONS WARRANTY COVERAGE
CPE warrants to the original, end-use purchaser of the new engine or equipment and to each subsequent
purchaser that each of its small off-road engines is:
a. Designed, built and equipped so as to conform to U.S. EPA emissions standards for spark-ignited
engines at or below 19 kilowatts.
b. Free from defects in materials and workmanship that cause the failure of a warranted part to be identical
in all material respects to the part as described in the engine manufacturer’s application for certification for a period
of two years.
3. THE WARRANTY ON EMISSION-RELATED PARTS WILL BE INTERPRETED AS FOLLOWS:
a. Any warranted part that is not scheduled for replacement as required maintenance in the Owners
Manual shall be warranted for the ECS Warranty Period. If any such part fails during the ECS Warranty Period, it
shall be repaired or replaced by CPE according to Subsection “d” below. Any such part repaired or replaced under
the ECS Warranty shall be warranted for any remainder of the ECS Warranty Period.
b. Any warranted, emissions-related part which is scheduled only for regular inspection as specified in the
Owners Manual shall be warranted for the ECS Warranty Period. A statement in such written instructions to the
effect of “repair or replace as necessary”, shall not reduce the ECS Warranty Period. Any such part repaired or
replaced under the ECS Warranty shall be warranted for the remainder of the ECS Warranty Period.
c. Any warranted, emissions-related part which is scheduled for replacement as required maintenance in
the Owner’s Manual shall be warranted for the period of time prior to the first scheduled replacement point for that
part. If the part fails prior to the first scheduled replacement, the part shall be repaired or replaced by CPE
according to Subsection “d” below. Any such emissions-related part repaired or replaced under the ECS Warranty,
shall be warranted for the remainder of the ECS Warranty Period prior to the first scheduled replacement point for
such emissions-related part.
d. Repair or replacement of any warranted, emissions-related part under this ECS Warranty shall be
performed at no charge to the owner at a CPE Authorized Service Outlet.
e. The owner shall not be charged for diagnostic labor which leads to the determination that a part covered
by the ECS Warranty is in fact defective, provided that such diagnostic work is performed at a CPE Authorized
Service Outlet.
f. CPE shall pay for covered emissions warranty repairs at non-authorized service outlets under the
following circumstances:
i. The service is required in a population center with a population over 100,000 according to U.S.
Census 2000 without a CPE Authorized Service Outlet AND
ii. The service is required more than 100 miles from a CPE Authorized Service Outlet. The 100 mile
limitation does not apply in the following states: Alaska, Arizona, Colorado, Hawaii, Idaho, Montana, Nebraska,
Nevada, New Mexico, Oregon, Texas, Utah and Wyoming.
g. CPE shall be liable for damages to other original engine components or approved modifications
proximately caused by a failure under warranty of an emission-related part covered by the ECS Warranty.
h. Throughout the ECS Warranty Period, CPE shall maintain a supply of warranted emission-related parts
sufficient to meet the expected demand for such emission-related parts.
i. Any CPE Authorized and approved emission-related replacement part may be used in the performance of
any ECS Warranty maintenance or repair and will be provided without charge to the owner. Such use shall not
reduce CPE’s warranty obligation.
j. Unapproved add-on or modified parts may not be used to modify or repair a CPE engine. Such use voids
this ECS Warranty and shall be sufficient grounds for disallowing an ECS Warranty claim. CPE shall not be liable
hereunder for failures of any warranted parts of a CPE engine caused by the use of such an unapproved add-on or
modified part.

EMISSION-RELATED PARTS INCLUDE THE FOLLOWING: (using those portions of the list applicable to the
engine)
Systems covered by this
warranty
Parts Description
Fuel Metering System
Fuel regulator, Carburetor and internal parts
Air Induction System
Air cleaner, Intake manifold
Ignition System
Spark plug and parts, Magneto ignition system
Exhaust System
Exhaust manifold, catalytic converter
Miscellaneous Parts
Tubing, Fittings, Seals, Gaskets, and Clamps associated with these listed
systems.
Evaporative Emissions
Fuel Tank, Fuel Cap, Fuel Line, Fuel Line Fittings, Clamps, Pressure
Relief Valves, Control Valves, Control Solenoids, Electronic Controls,
Vacuum Control Diaphragms, Control Cables, Control Linkages, Purge
Valves, Vapor Hoses, Liquid/Vapor Separator, Carbon Canister, Canister
Mounting Brackets, Carburetor Purge Port Connector
TO OBTAIN WARRANTY SERVICE:
You must take your CPE engine or the product on which it is installed, along with your warranty registration card or
other proof of original purchase date, at your expense, to any Champion Power Equipment dealer who is
authorized by Champion Power Equipment, Inc. to sell and service that CPE product during his normal business
hours. Alternate service locations defined in Section (3)(f.) above must be approved by CPE prior to service. Claims
for repair or adjustment found to be caused solely by defects in material or workmanship will not be denied because
the engine was not properly maintained and used.
If you have any questions regarding your warranty rights and responsibilities, or to obtain warranty
service, please write or call Customer Service at Champion Power Equipment, Inc.
Champion Power Equipment, Inc.
10006 Santa Fe Springs Road
Santa Fe Springs, CA 90670
1-877-338-0999
Attn.: Customer Service
tech@championpowerequipment.com