Champion Power Equipment 75555I Owners Manual
2015-08-26
: Champion-Power-Equipment Champion-Power-Equipment--75555I-Owners-Manual-802581 champion-power-equipment--75555i-owners-manual-802581 champion-power-equipment pdf
Open the PDF directly: View PDF
.
Page Count: 28

10006 Santa Fe Springs Road
Santa Fe Springs CA 90670 USA
1-877-338-0999
www.championpowerequipment.com
PORTABLE INVERTER GENERATOR
SAVE THESE INSTRUCTIONS
Important Safety Instructions
are included in this manual.
MADE IN CHINA
REV 75555i-20140110
3100 Max Watts / 2800 Rated Watts
OWNER’S MANUAL & OPERATING INSTRUCTIONS
75555i
MODEL NUMBER

*We are always working to improve our products. Therefore, the enclosed product may differ slightly from the image on the cover.
Have questions or need assistance?
Do not return this product to the store!
WE ARE HERE TO HELP!
Visit our website:
www.championpowerequipment.com
for more info:
s Product Info & Updates
s Frequently Asked Questions
s Tech Bulletins
s Product Registration
– or –
Call our Customer Care Team Toll-Free at:
1-877-338-0999
AN IMPORTANT MESSAGE ABOUT TEMPERATURE:
Your Champion Power Equipment product is designed and rated for continuous operation at ambient temperatures up to
40°C (104°F). When your product is needed your product may be operated at temperatures ranging from -15°C (5°F) to
50°C (122°F) for short periods. If the product is exposed to temperatures outside this range during storage, it should be
brought back within this range before operation. In any event, the product must always be operated outdoors, in a
well-ventilated area and away from doors, windows and other vents.

75555i
3100 Max Watts / 2800 Rated Watts
PORTABLE INVERTER GENERATOR
TABLE OF CONTENTS
Introduction ............................ 1
Introduction .......................... 1
Portable Power Generator . ................ 1
Accessories .......................... 1
This Booklet .......................... 1
Manual Conventions . ...................... 2
Safety Rules . ........................... 3
Controls and Features ..................... 5
Inverter ............................. 5
Parts Included ........................ 5
Power Panel .......................... 6
Assembly .............................. 7
Remove the Generator from the Shipping Carton . 7
Add Engine Oil ........................ 7
Add Fuel ............................ 8
Grounding ........................... 8
Operation . ............................. 9
Generator Location ..................... 9
Grounding ........................... 9
Starting the Engine ..................... 9
Economy Control Switch . ................ 10
Connecting Electrical Loads .............. 10
12V DC Outlet ....................... 11
Stopping the Engine ................... 11
Do Not Overload Generator . .............. 11
Capacity ......................... 11
Power Management . ................. 11
Overload Operation .................... 12
Maintenance and Storage .................. 12
Engine Maintenance ................... 12
Oil ............................. 12
Spark Plugs ....................... 12
Air Filter ......................... 13
Cleaning ......................... 13
Spark Arrester ..................... 13
Adjustments . ...................... 13
Maintenance Schedule . ............... 13
Generator Maintenance ................. 14
Storage ............................ 14
Generator Storage ................... 14
Specifications . ......................... 15
Engine Specifications .................. 15
Generator Specifications ................ 15
Fuel .............................. 15
Oil ............................... 15
Spark Plugs ......................... 15
Maintenance Valve Clearance ............. 15
An Important Message About Temperature .... 15
IC Warning .......................... 15
Wiring Diagram ....................... 16
Parts Diagram . ....................... 17
Parts List . .......................... 18
Engine Parts Diagram .................. 19
Engine Parts List ..................... 20
Troubleshooting . ........................ 21
Warranty ............................. 22
Warranty Qualifications ................. 22
Repair/Replacement Warranty . ............ 22
Do Not Return The Unit To
The Place Of Purchase . ................. 22
Warranty Exclusions. . . . . . . . . . . . . . . . . . . . 22
Normal Wear ...................... 22
Installation, Use and Maintenance . ....... 22
Other Exclusions . ................... 22
Limits of Implied Warranty
And Consequential Damage ............ 22
Contact Information . ................... 22
Address . ......................... 22
Customer Service ................... 22
Technical Service ................... 22

1 REV 75555i-20140110
ENGLISH 75555i
Introduction
Congratulations on your purchase of a Champion Power
Equipment inverter generator. CPE designs and builds
generators to strict specifications. With proper use and
maintenance, this generator will bring years of satisfying
service.
Portable Power Generator
This unit is a gasoline engine driven, alternating current
(AC) generator. It is designed to supply electrical power
for lighting, appliances, tools and similar equipment.
Record the model and serial numbers as well as date and place of purchase for future reference. Have this
information available when ordering parts and when making technical or warranty inquiries.
Accessories
Champion Power Equipment manufactures and sells
accessories designed to help you get the most from
your purchase. To find out more about our covers, power
cables and storm kits, please visit our web site at:
www.championpowerequipment.com
This Booklet
Every effort has been made to ensure the accuracy and
completeness of the information in this manual. We reserve
the right to change, alter and/or improve the product and
this document at any time without prior notice.
Champion Power Equipment Support
Model Number
Serial Number
Date of Purchase
Purchase Location
1-877-338-0999
75555i
For Oil Type see ‘Add Engine Oil‘ section. For Fuel Type see ‘Add Fuel‘ section.
INTRODUCTION

REV 75555i-20140110 2
75555i ENGLISH
This manual uses the following symbols to help differentiate between different kinds of information. The safety symbol
is used with a key word to alert you to potential hazards in operating and owning power equipment.
Follow all safety messages to avoid or reduce the risk of serious injury or death.
MANUAL CONVENTIONS
CAUTION indicates a potentially hazardous
situation which, if not avoided, may result in minor
or moderate injury.
CAUTION
CAUTION used without the safety alert symbol
indicates a potentially hazardous situation which, if
not avoided, may result in property damage.
CAUTION
DANGER indicates an imminently hazardous
situation which, if not avoided, will result in death
or serious injury.
DANGER
WARNING indicates a potentially hazardous
situation which, if not avoided, could result in
death or serious injury.
WARNING
If you have questions regarding your generator, we can
help. Please call our help line at 1-877-338-0999
NOTE

3 REV 75555i-20140110
ENGLISH 75555i
SAFETY RULES
Generator exhaust contains carbon monoxide, a
colourless, odourless, poison gas. Breathing carbon
monoxide will cause nausea, dizziness, fainting or
death. If you start to feel dizzy or weak, get to fresh
air immediately.
Operate generator outdoors only in a well ventilated
area.
DO NOT operate the generator inside any building,
including garages, basements, crawlspaces and
sheds, enclosure or compartment, including the
generator compartment of a recreational vehicle.
DO NOT allow exhaust fumes to enter a confined
area through windows, doors, vents or other
openings.
DANGER CARBON MONOXIDE: using a generator
indoors CAN KILL YOU IN MINUTES.
DANGER
Rotating parts can entangle hands, feet, hair,
clothing and/or accessories.
Traumatic amputation or severe laceration can result.
Keep hands and feet away from rotating parts.
Tie up long hair and remove jewelry.
Operate equipment with guards in place.
DO NOT wear loose-fitting clothing, dangling
drawstrings or items that could become caught.
DANGER
Generator produces powerful voltage.
DO NOT touch bare wires or receptacles.
DO NOT use electrical cords that are worn, damaged
or frayed.
DO NOT operate generator in wet weather.
DO NOT allow children or unqualified persons to
operate or service the generator
Use a ground fault circuit interrupter (GFCI) in damp
areas and areas containing conductive material such
as metal decking.
Use approved transfer equipment to isolate generator
from your electric utility and notify your utility
company before connecting your generator to your
power system.
DANGER
Sparks can result in fire or electrical shock.
When servicing the generator:
Disconnect the spark plug wire and place it where it
cannot contact the plug.
DO NOT check for spark with the plug removed.
Use only approved spark plug testers.
WARNING
Running engines produce heat. Severe burns can
occur on contact.
Combustible material can catch fire on contact.
DO NOT touch hot surfaces.
Avoid contact with hot exhaust gases.
Allow equipment to cool before touching.
Maintain at least 3 ft. (91.4 cm) of clearance on all
sides to ensure adequate cooling.
Maintain at least 5 ft. (1.5 m) of clearance from
combustible materials.
WARNING
Medical and Life Support Uses.
In case of emergency, call 911 immediately.
NEVER use this product to power life support
devices or life support appliances.
NEVER use this product to power medical devices
or medical appliances.
Inform your electricity provider immediately if you
or anyone in your household depends on electrical
equipment to live.
Inform your electrical provider immediately if a
loss of power would cause you or anyone in your
household to experience a medical emergency.
WARNING
The engine exhaust from this product contains
chemicals known to the state of California to cause
cancer, birth defects, or other reproductive harm.
WARNING
Read this manual thoroughly before operating your
generator. Failure to follow instructions could result
in serious injury or death.
WARNING

REV 75555i-20140110 4
75555i ENGLISH
SAFETY RULES
Improper treatment or use of the generator can
damage it, shorten its life and void your warranty.
Use the generator only for intended uses.
Operate only on level surfaces.
DO NOT expose generator to excessive moisture,
dust, or dirt.
DO NOT allow any material to block the cooling slots.
If connected devices overheat, turn them off and
disconnect them from the generator.
DO NOT use the generator if:
– Electrical output is lost
– Equipment sparks, smokes or emits flames
– Equipment vibrates excessively
CAUTION
Operation of this equipment may create sparks that
can start fires around dry vegetation.
A spark arrestor may be required. The operator
should contact local fire agencies for laws or
regulations relating to fire prevention requirements.
WARNING
Rapid retraction of the starter cord will pull hand and
arm towards the engine faster than you can let go.
Unintentional startup can result in entanglement,
traumatic amputation or laceration.
Broken bones, fractures, bruises or sprains could result.
When starting engine, pull the starter cord slowly
until resistance is felt and then pull rapidly to avoid
kickback.
DO NOT start or stop the engine with electrical
devices plugged in.
WARNING
Exceeding the generator’s running capacity can
damage the generator and/or electrical devices
connected to it.
DO NOT overload the generator.
Start the generator and allow the engine to stabilize
before connecting electrical loads.
Connect electrical equipment in the off position,
and then turn them on for operation.
Turn electrical equipment off before stopping the
generator.
DO NOT tamper with the governed speed.
DO NOT modify the generator in any way.
CAUTION
Fuel and fuel vapours are highly flammable and
extremely explosive.
Fire or explosion can cause severe burns or death.
Unintentional startup can result in entanglement,
traumatic amputation or laceration.
When adding or removing fuel:
Turn the generator off and let it cool for at least two
minutes before removing the fuel cap. Loosen the
cap slowly to relieve pressure in the tank.
Only fill or drain fuel outdoors in a well-ventilated area.
DO NOT pump gas directly into the generator at the
gas station. Use an approved container to transfer
the fuel to the generator.
DO NOT overfill the fuel tank.
Always keep fuel away from sparks, open flames,
pilot lights, heat and other sources of ignition.
DO NOT light or smoke cigarettes.
When starting the generator:
DO NOT attempt to start a damaged generator.
Make certain that the gas cap, air filter, spark plug,
fuel lines and exhaust system are properly in place.
Allow spilled fuel to evaporate fully before
attempting to start the engine.
Make certain that the generator is resting firmly on
level ground.
When operating the generator:
DO NOT move or tip the generator during operation.
DO NOT tip the generator or allow fuel or oil to spill.
When transporting or servicing the generator:
Make certain that the fuel shutoff valve is in the off
position and the fuel tank is empty.
Disconnect the spark plug wire.
When storing the generator:
Store away from sparks, open flames, pilot lights,
heat and other sources of ignition.
DANGER

5 REV 75555i-20140110
ENGLISH 75555i
Read this owner’s manual before operating your generator. Familiarize yourself with the location and function of the
controls and features. Save this manual for future reference.
(1) Fuel Cap – Remove to add fuel.
(2) Recoil Starter – Used to start the engine.
(3) Power Panel
(4) Muffler
(5) Maintenance Cover
(6) Never Flat Wheels
(7) Carrying Handle
Inverter
CONTROLS AND FEATURES
Parts Included
Your 75555i Gasoline Powered Generator ships with the
following parts:
– Oil funnel . ............................ 1
– Spark plug socket ....................... 1
– RV Adapter Plug ........................ 1
– Automotive style USB adapter
(2.1A and 1A ports) . ..................... 1
– Automotive style battery charge cables . ........ 1
7 7
3 4
2
1
5 6

REV 75555i-20140110 6
75555i ENGLISH
Power Panel
(1) Fuel Valve Knob
(2) Choke
(3) Economy Control Switch
(4) Ground Terminal – Consult an electrician for local
grounding regulations.
(5) 12V DC Automotive Outlet*
(6) 120V / 30A Twist-Lock – (Nema L5-30R) This
receptacle powers 120 Volt AC, 60 Hz, single
phase loads.
(7) 120 V Duplex – Use this duplex to operate 120
Volt AC, single phase, 60 Hz loads.
CONTROLS AND FEATURES
12
3 4 5 6
2
1
(8) Circuit Breaker (Push button) – Protects the
generator against electrical overload.
(9) Oil Warning Light – Check oil level when this light
turns on. Engine will not run when indicator is lit.
(10) Overload Indicator Light – This light turns ON
when the generator is overloaded and will cut
power to the receptacles.
(11) Output Light – Remains ON during normal
operating conditions. Shuts OFF when generator is
overloaded.
(12) Engine Switch
*Warning: Do not operate a device while it is plugged into the 12V DC outlet. Prolonged exposure to engine exhaust can cause
serious injury or death. While charging a device do no place on the exhaust side of the generator. Extreme heat caused by exhaust
can damage the device, and cause a potential fire hazard.
7
11
9
10
8

7 REV 75555i-20140110
ENGLISH 75555i
Your generator requires some assembly. This unit ships
from our factory without oil. It must be properly serviced
with fuel and oil before operation.
If you have any questions regarding the assembly of your
generator, call our help line at 1-877-338-0999. Please
have your serial number and model number available.
Remove the Generator from the Shipping Carton
1. Set the shipping carton on a solid, flat surface.
2. Remove everything from the carton except the
generator.
3. Using the handle of the unit, carefully remove the
generator from the box.
ASSEMBLY
1. Place the generator on a flat, level surface.
2. Loosen the cover screws and remove the
maintenance cover.
5. Check engine oil level daily and add as needed.
3. Remove oil fill cap/dipstick to add oil.
4. Add 0.6 qt. (0.6 L) of oil and replace oil fill cap/
dipstick. DO NOT OVERFILL.
The recommended oil type is 10W-30 automotive
oil.
NOTE
Add Engine Oil
DO NOT attempt to crank or start the engine before
it has been properly filled with the recommended
type and amount of oil. Damage to the generator as
a result of failure to follow these instructions will
void your warranty.
CAUTION
Add Engine Oil Cont’d.
The engine is equipped with a low oil shut-off and
will stop when the oil level in the crankcase falls
below the threshold level.
CAUTION
Check oil often during the break-in period. Refer to
the Maintenance section for recommended service
intervals.
NOTE
The generator rotor has a sealed, pre-lubricated ball
bearing that requires no additional lubrication for
the life of the bearing.
NOTE

REV 75555i-20140110 8
75555i ENGLISH
ASSEMBLY
Grounding
Your generator must be properly connected to an
appropriate ground to help prevent electric shock.
A ground terminal connected to the frame of the generator
has been provided on the power panel. For remote
grounding, connect of a length of heavy gauge (12 AWG
minimum) copper wire between the generator ground
terminal and a copper rod driven into the ground. We
strongly recommend that you consult with a qualified
electrician to ensure compliance with local electrical codes.
Failure to properly ground the generator can result
in electric shock.
WARNING
Add Fuel
1. Use clean, fresh, regular unleaded fuel with a
minimum octane rating of 85 and an ethanol
content of less than 10% by volume.
2. DO NOT mix oil with fuel.
3. Clean the area around the fuel cap.
4. Remove the fuel cap.
5. Slowly add fuel to the tank. DO NOT OVERFILL. Fuel
can expand after filling. A minimum of 6.4 mm (¼ in.)
of space left in the tank is required for fuel expansion,
more than 6.4 mm (¼ in.) is recommended. Fuel
can be forced out of the tank as a result of expansion
if it is overfilled, and can affect the stable running
condition of the product. When filling the tank, it is
recommended to leave enough space for the fuel to
expand.
6. Screw on the fuel cap and wipe away any spilled
fuel.
Use regular unleaded gasoline with a minimum
octane rating of 85.
Do not mix oil and gasoline.
Fill tank to approximately 6.4 mm (¼ in.) below the
top of the tank to allow for fuel expansion.
DO NOT pump gas directly into the generator at the
gas station. Use an approved container to transfer
the fuel to the generator.
DO NOT fill fuel tank indoors.
DO NOT fill fuel tank when the engine is running or hot.
DO NOT overfill the fuel tank.
DO NOT light cigarettes or smoke when filling the
fuel tank.
CAUTION
Pouring fuel too fast through the fuel screen may
result in blow back of fuel at the operator while filling.
WARNING
Our engines work well with 10% or less ethanol
blend fuels. When using blended fuels there are
some issues worth noting:
– Ethanol-gasoline blends can absorb more water
than gasoline alone.
– These blends can eventually separate, leaving
water or a watery goo in the tank, fuel valve and
carburetor.
– With gravity-fed fuel supplies, this compromised
fuel can be drawn into the carburetor and cause
damage to the engine and/or potential hazards.
– There are only a few suppliers of fuel stabilizer
that are formulated to work with ethanol blend
fuels.
– Any damages or hazards caused by using
improper fuel, improperly stored fuel, and/
or improperly formulated stabilizers, are not
covered by manufacture’s warranty.
It is advisable to always shut off the fuel supply,
run the engine to fuel starvation and drain the tank
when the equipment is not in use for more than 30
days.
NOTE
Add Fuel Cont’d.

9 REV 75555i-20140110
ENGLISH 75555i
Starting the Engine
1. Make certain the generator is on a flat, level surface.
2. Disconnect all electrical loads from the generator.
Never start or stop the generator with electrical
devices plugged in or turned on.
3. Turn the fuel valve to the “On” position.
4. Pull choke lever out to the “Choke” position.
5. Turn the engine switch to the “On” position.
OPERATION
Generator Location
NEVER operate the generator inside any building,
including garages, basements, crawlspaces and sheds,
enclosure or compartment, including the generator
compartment of a recreational vehicle. Please consult
your local authority. In some areas, generators must
be registered with the local utility. Generators used at
construction sites may be subject to additional rules and
regulations. Generators should be on a flat, level surface
at all times (even while not in operation). Generators
must have at least 5 ft. (1.5 m) of clearance from all
combustible material. In addition to clearance from all
combustible material, generators must also have at least
3 ft. (91.4 cm) of clearance on all sides to allow for
adequate cooling, maintenance and servicing. Generators
should never be started or operated in the back of a
SUV, camper, trailer, in the bed of a truck (regular, flat
or otherwise), under staircases/stairwells, next to walls
or buildings, or in any other location that will not allow
for adequate cooling of the generator and/or the muffler.
DO NOT contain generators during operation. Allow
generators to properly cool before transport or storage.
Place the generator in a well-ventilated area. DO NOT
place the generator near vents or intakes where exhaust
fumes could be drawn into occupied or confined spaces.
Carefully consider wind and air currents when positioning
generator.
Failure to follow proper safety precautions may void
manufacturer’s warranty.
Do not operate or store the generator in rain, snow,
or wet weather.
Using a generator or electrical appliance in wet
conditions, such as rain or snow, or near a pool or
sprinkler system, or when your hands are wet, could
result in electrocution.
WARNING
WARNING
During operation the muffler and exhaust fumes
produced will become hot. If adequate cooling and
breathing space are not supplied, or if the generator
is blocked or contained, temperatures can become
extremely heated and may lead to fire.
Grounding
The generator system ground connects the frame to the
ground terminals on the power panel.
– The generator (stator winding) is isolated from the
frame and from the AC receptacle ground pin.
– Electrical devices that require a grounded receptacle
pin connection will not function if the receptacle ground
pin is not functional.

REV 75555i-20140110 10
75555i ENGLISH
Economy Control Switch
The Economy Control switch can be activated in order to
minimize fuel consumption and noise while operating the
unit during times of reduced electrical output, allowing
the engine speed to idle during periods of non-use. The
engine speed returns to normal when an electrical load is
connected. When the economy switch is off, the engine
runs at normal speed continuously.
6. Pull the starter cord slowly until resistance is felt
and then pull rapidly.
7. As engine warms up, push the choke lever in to the
“Run” position.
Connecting a generator to your electric utility
company’s power lines or to another power source
may be against the law. In addition this action,
if done incorrectly, could damage your generator
and appliances and could cause serious injury or
even death to you or a utility worker who may be
working on nearby power lines. If you plan to run a
portable electric generator during an outage, please
notify your electric utility company immediately
and remember to plug your appliances directly
into the generator. Do not plug the generator into
any electric outlet in your home. Doing so could
create a connection to the utility company power
lines. You are responsible for ensuring that your
generator’s electricity does not feed back into the
electric utility power lines.
If the generator will be connected to a building
electrical system, consult your local utility company
or a qualified electrician. Connections must isolate
generator power from utility power and must comply
with all applicable laws and codes.
NOTE
OPERATION
Starting the Engine Cont’d. Connecting Electrical Loads
1. Let the engine stabilize and warm up for a few
minutes after starting
2. Plug in and turn on the desired 120 Volt AC single
phase, 60 Hz electrical loads.
– DO NOT connect 3-phase loads to the generator.
– DO NOT connect 50 Hz loads to the generator.
– DO NOT overload the generator.
For periods of high electrical load or momentary
fluctuations, the Economy Control Switch should be
turned OFF.
WARNING
While charging a device do no place on the exhaust
side of the generator. Extreme heat caused by
exhaust can damage the device, and cause a
potential fire hazard.
WARNING
Do not operate a device while it is plugged in to the
12V DC outlet.
Prolonged exposure to engine exhaust can cause
serious injury or death.
WARNING
If the engine starts but does not run make certain
that the generator is on a flat, level surface. The
engine is equipped with a low oil sensor that will
prevent the engine from running when the oil level
falls below a critical threshold.
NOTE
Keep choke lever in “Choke” position for only 1
pull of the recoil starter. After first pull, move choke
lever to the “Run” position for up to the next 3
pulls of the recoil starter. Too much choke leads to
sparkplug fouling/engine flooding due to the lack of
incoming air. This will cause the engine not to start.
NOTE

11 REV 75555i-20140110
ENGLISH 75555i
OPERATION
Do Not Overload Generator
Capacity
Follow these simple steps to calculate the running and
starting watts necessary for your purposes.
1. Select the electrical devices you plan on running at
the same time.
2. Total the running watts of these items. This is
the amount of power you need to keep your items
running.
3. Identify the highest starting wattage of all devices
identified in step 1. Add this number to the number
calculated in step 2. Surge wattage is the extra
burst of power needed to start some electric driven
equipment. Following the steps listed under “Power
Management” will guarantee that only one device
will be starting at a time.
Power Management
Use the following formula to convert voltage and
amperage to watts:
Volts x Amps = Watts
To prolong the life of your generator and attached
devices, follow these steps to add electrical load:
1. Start the generator with no electrical load attached.
2. Allow the engine to run for several minutes to
stabilize.
3. Plug in and turn on the first item. It is best to
attach the item with the largest load first.
4. Allow the engine to stabilize.
5. Plug in and turn on the next item.
6. Allow the engine to stabilize.
7. Repeat steps 5-6 for each additional item.
Never exceed the specified capacity when adding
loads to the generator.
NOTE
Stopping the Engine
1. Turn off and unplug all electrical loads. Never start
or stop the generator with electrical devices plugged
in or turned on.
2. Let the generator run at no-load for several minutes
to stabilize internal temperatures of the engine and
generator.
3. Turn the Fuel Valve to the “OFF” position.
4. Let the engine run until fuel starvation has stopped
the engine. This usually takes a few minutes.
5. Turn the engine switch to the “Off” position.
6. Turn the fuel cap lever vent to the “Off” position
after the generator has cooled down completely.
Important: Always ensure that the Fuel Valve and the
Engine Switch are in the “OFF” position when the
engine is not in use.
If the engine will not be used for a period of two (2)
weeks or longer, please see the storage section for proper
engine and fuel storage.
NOTE
12V DC Outlet
Be sure all electric devices including the lines and plug
connections are in good condition before connection to
the generator.
NOTE
Do not start the vehicle while the battery charging cable is
connected and the generator is running. It will not give the
battery a boost of power. The vehicle or the generator may
be damaged. Charge only vented wet lead acid batteries.
Other types of batteries may burst, causing personal injury
or damage.
CAUTION
The 12V DC outlet can be used with the supplied charge
cable and USB charger and other commercially available
12V DC automotive style plugs. The DC output is
unregulated and can damage some products. Confirm
your accessory input voltage range is at least 12-21V
DC. When using the DC outlet turn the Economy mode
switch to the “OFF” position.
12V DC Outlet – Battery Charging
1. Before connecting the battery charging cable to a
battery that is installed in a vehicle, disconnect the
vehicle battery ground cable from the negative (–)
battery terminal.
2. Plug the battery charging cable into the 12V DC
receptacle of the generator.
3. Connect the red (+) battery charger lead to the red
(+) battery terminal.
4. Connect the black (–) battery charger lead to the
black (–) battery terminal.
5. Start the generator.
Important: The 12V DC outlet is ONLY to be used with
the supplied 12V DC battery charging cable. The 12V
DC output is unregulated and will damage other 12V
DC products. When using the 12V DC outlet, turn the
Economy mode switch to the “OFF” position. Be sure all
electric devices including the lines and plug connections
are in good condition before connection to the generator.

REV 75555i-20140110 12
75555i ENGLISH
Overload Operation
The overload indicator light will turn on when the rated
load is exceeded. When the maximum load is reached,
the LED will blink and cut power to the receptacles. To
recover the power, shut down the engine, wait until the
light turns off and restart the generator.
The owner/operator is responsible for all periodic
maintenance.
Complete all scheduled maintenance in a timely manner.
Correct any issue before operating the generator.
Tampering with the factory set governor will void
your warranty.
Engine Maintenance
To prevent accidental starting, remove and ground spark
plug wire before performing any service.
Oil
Change oil when the engine is warm. Refer to the oil
specification to select the proper grade of oil for your
operating environment.
1. Set the generator on top of a work bench or table.
2. Loosen the cover screws and remove the
maintenance cover.
3. Pop up the rubber maintenance plug, from below
the drain bolt.
Spark Plugs
1. Remove the maintenance cover.
2. Remove the spark plug cable from the spark plug.
3. Use the spark plug tool that shipped with your
generator to remove the plug.
4. Remove the spark plug.
5. Inspect the electrode on the plug. It must be clean
and not worn to produce the spark required for
ignition.
6. Make certain the spark plug gap is 0.7 - 0.8 mm
(0.028 - 0.031 in.).
7. Carefully thread the plug into the engine.
8. Use the spark plug tool to firmly install the plug.
9. Attach the spark plug cap to the plug.
10. Reinstall the spark plug access cap, and
maintenance cover.
For service or parts assistance, contact our help
line at 1- 877- 338- 0999
NOTE
Maintenance, replacement, or repair of emission
control devices and systems may be performed
by any non-road engine repair establishment or
individual.
NOTE
Never operate a damaged or defective generator.
WARNING
WARNING
Improper maintenance will void your warranty.
WARNING
Oil Cont’d.
0.7-0.8 mm
0.028-0.031 in.
MAINTENANCE AND STORAGE
Once oil has been added, a visual check should show
oil about 1-2 threads from running out of the fill hole.
If using the dipstick to check oil level, DO NOT screw
in the dipstick while checking.
NOTE
4. Remove the 12 mm drain bolt.
5. Tilt the generator on its side and allow the oil to
drain completely.
6. Add 0.6 qt. (0.6 L) of oil and replace oil fill cap/
dipstick. DO NOT OVERFILL.
7. Reinstall the maintenance cover and tighten the
cover screws.
8. Dispose of used oil at an approved waste
management facility.

13 REV 75555i-20140110
ENGLISH 75555i
Air Filter
1. Remove the maintenance cover.
2. Locate the air filter plastic cover.
3. Unsnap the locking hinge on the cover.
4. Remove the old filter.
5. Place the new filter in the assembly.
6. Re-snap the hinge on the air filter cover.
7. Reinstall the maintenance cover and tighten the
cover screw securely.
Use a damp cloth to clean exterior surfaces of the engine.
Use a soft bristle brush to remove dirt and oil.
Use an air compressor (25 PSI) to clear dirt and debris
from the engine.
Cleaning
DO NOT spray engine with water.
CAUTION
Water can contaminate the fuel system.
MAINTENANCE AND STORAGE
Adjustments
The air-fuel mixture is not adjustable. Tampering with
the governor can damage your generator and your
electrical devices and will void your warranty. CPE
recommends that you contact our service line at
1-877-338- 0999 for all other service and/or adjustment
needs.
Maintenance Schedule
Follow the service intervals indicated in the following
maintenance schedule.
Service your generator more frequently when operating
in adverse conditions.
Contact our help line at 1-877-338-0999 to locate the
nearest Champion Power Equipment certified service
dealer for your generator or engine maintenance needs.
*To be performed by knowledgeable, experienced owners or
Champion Power Equipment certified dealers.
Spark Arrester
1. Allow the engine to cool completely before servicing
the spark arrester.
2. Remove the two screws holding the cover plate
which retains the end of the spark arrester to the
muffler.
3. Remove the spark arrester screen.
4. Carefully remove the carbon deposits from the spark
arrester screen with a wire brush.
5. Replace the spark arrester if it is damaged.
6. Position the spark arrester in the muffler and attach
with the two screws.
Failure to clean the spark arrester will result in
degraded engine performance.
CAUTION
Every 8 hours or daily
Check oil level
Clean around air intake and muffler
First 5 Hours
Change oil
Every 50 hours or every season
Clean air filter
Change oil if operating under heavy load or in hot
environments
Every 100 hours or every season
Change oil
Clean/Adjust spark plug
Check/Adjust valve clearance*
Clean spark arrester
Clean fuel tank and filter*
Every 3 years
Replace fuel line

REV 75555i-20140110 14
75555i ENGLISH
Storage
The generator should be started at least once every 14
days and allowed to run for at least 20 minutes. For
longer term storage, please follow these guidelines.
Generator Storage
1. Add a properly formulated fuel stabilizer to the tank.
2. Be sure all appliances are disconnected from the
generator.
3. Run the generator for a few minutes so the treated
fuel cycles through the fuel system and carburetor.
4. Turn the fuel valve to the “Off ” position.
5. Let the generator run until fuel starvation has
stopped the engine. This usually takes a few
minutes.
6. The generator needs to cool completely before
cleaning and storage.
7. Remove the spark plug cap, then pull the recoil grip 3
times to drain the gasoline from the carburetor jets.
8. Change the engine oil.
9. Remove the spark plug and pour about a tablespoon
of oil into the cylinder. Crank the engine slowly to
distribute the oil and lubricate the cylinder.
10. Reattach the spark plug.
11. Store the unit in a clean, dry place out of direct
sunlight.
MAINTENANCE AND STORAGE
Generator Maintenance
Make certain that the generator is kept clean and stored
properly. Only operate the unit on a flat, level surface in
a clean, dry operating environment. DO NOT expose the
unit to extreme conditions, excessive dust, dirt, moisture
or corrosive vapours.
Use a damp cloth to clean exterior surfaces of the generator.
Use a soft bristle brush to remove dirt and oil.
Use an air compressor (25 PSI) to clear dirt and debris
from the generator.
Inspect all air vents and cooling slots to ensure that they
are clean and unobstructed.
DO NOT use a garden hose to clean the generator.
Water can enter the generator through the cooling
slots and damage the generator windings.
CAUTION
Generator exhaust contains odourless and
colourless carbon monoxide gas.
To avoid accidental or unintended ignition of your
generator during periods of storage, the following
precautions should be followed:
– When storing the generator for short or extended
periods of time make sure that the Engine
Switch and the Fuel Valve are set in the OFF
position.
DANGER

15 REV 75555i-20140110
ENGLISH 75555i
Oil
Use 10W-30 automotive oil.
Oil capacity is 0.6 qt. (0.6 L).
DO NOT OVERFILL
Please reference the following chart for recommended
oil types for use in the generator.
Fuel
Fuel capacity is 6 L (1.6 gal.). Use regular unleaded
gasoline with a minimum octane rating of 85 and an
ethanol content of less than 10% by volume.
SPECIFICATIONS
Maintenance Valve Clearance
– Intake: 0.06 - 0.12 mm (0.002 - 0.005 in.)
– Exhaust: 0.08 - 0.14 mm (0.003 - 0.006 in.)
Note: Tech bulletin regarding the valve adjustment
procedure is on www.championpowerequipment.com.
Generator Specifications
– Model ........................... 75555i
– Rated Load .................... 2800 Watts
– Maximum Load . ................. 3100 Watts
– AC Load .......................... 120 V
– Phase ............................ Single
– Frequency ......................... 60 Hz
– Fuel Capacity .................. 6 L (1.6 gal.)
– Gross Weight ................ 43 kg (94.8 lb.)
– Net Weight . ................ 37.4 kg (82.5 lb.)
– Height . .................. 18.3 in. (46.4 cm)
– Width ..................... 17.3 in. (44 cm)
– Length. . . . . . . . . . . . . . . . . . . . 22.4 in. (57 cm)
Engine Specifications
– Model ....................... YF166FD-33
– Displacement ....................... 171cc
– Type ........................ 4-Stroke OHV
– Start Type ......................... Recoil
Spark Plugs
OEM spark plug: NHSP F6RTC
Replacement spark plug: NGK BPR6ES or equivalent
Make certain the spark plug gap is 0.7 - 0.8 mm or
(0.028 - 0.031 in.).
IC Warning
This device complies with Industry Canada licence-
exempt RSS standard(s).
Operation is subject to the following two conditions
(1) This device may not cause interference, and
(2) This device must accept any interference, including
interference that may cause undesired operation of the
device.
An Important Message About Temperature
Your Champion Power Equipment product is designed
and rated for continuous operation at ambient
temperatures up to 40°C (104°F). When your product is
needed your product may be operated at temperatures
ranging from -15°C (5°F) to 50°C (122°F) for short
periods. If the product is exposed to temperatures
outside this range during storage, it should be brought
back within this range before operation. In any event,
the product must always be operated outdoors, in a
well-ventilated area and away from doors, windows and
other vents.

REV 75555i-20140110 16
75555i ENGLISH
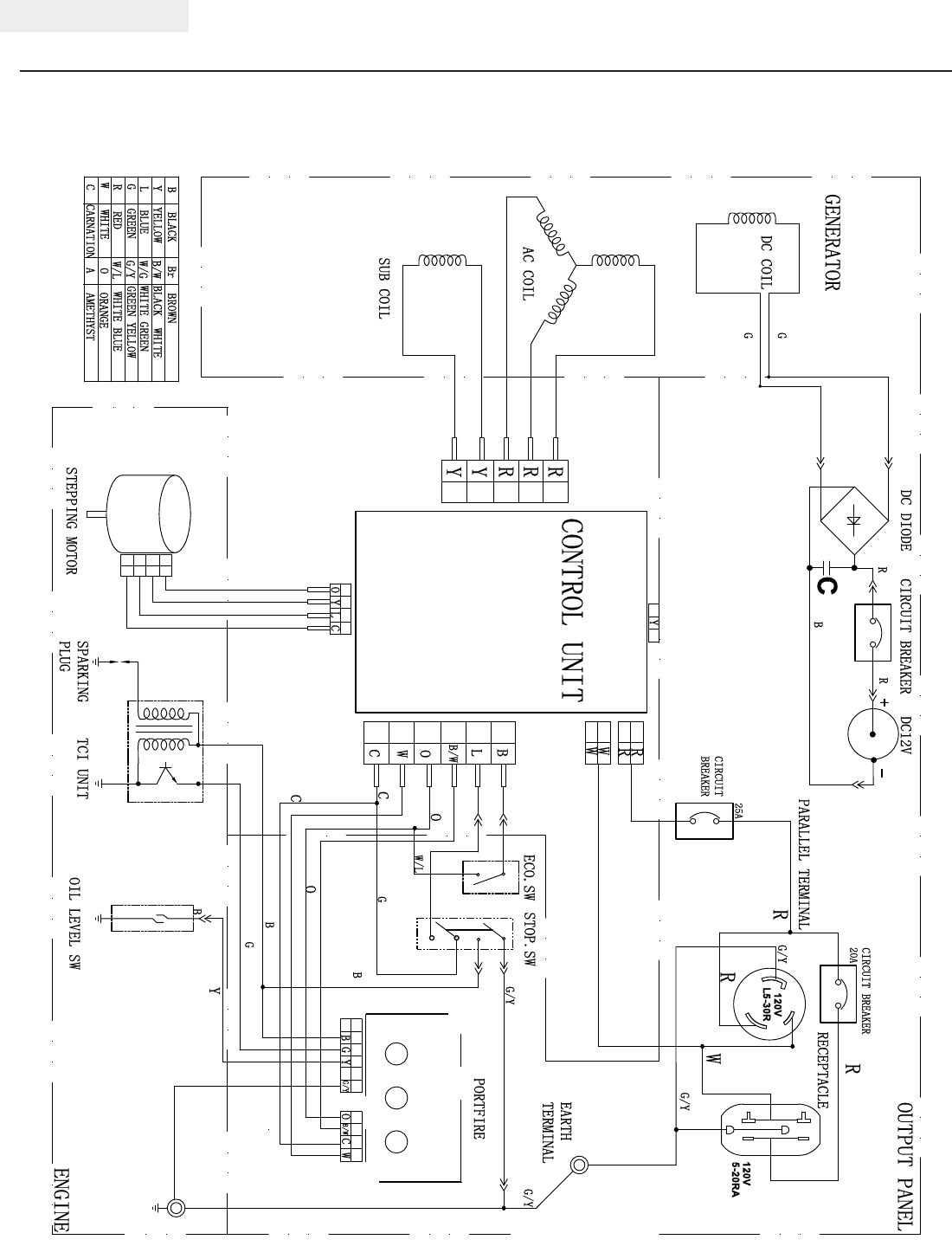
Wiring Diagram
SPECIFICATIONS
120V
5-20RA
120V
L5-30R
C

17 REV 75555i-20140110
ENGLISH 75555i
Parts Diagram
SPECIFICATIONS

REV 75555i-20140110 18
75555i ENGLISH Parts List
# Part Number Description Qty
11.9074.4.0516.1 Screw And Washer Assembly M5×16 4
22.08.052.1 Bolt (M6×16) 10
383.200200.01.2 Cover, Left, Black 1
483.201600.03 Supporter, Left 1
51.5789.0612 Flange Bolt M6×12 10
683.200701.02.2 Handle, Left 1
71.9074.4.0512.1 Screw M5×12 11
883.200500.01.2 Cover, Top, Black 1
983.200502.01 Spillway, Fuel Tank 1
10 83.070100.02 Fuel Tank Cap 1
11 2.06.016 Clamp (Ø8.7×b8) 3
12 83.070011.01 Pipe, Fuel 1
13 2.06.018 Clamp (Ø10.5×b8) 1
14 111.070300.01 Fuel Filter, Wire Mesh 1
15 2.08.068.2 Flange Bolt M5×13 6
16 83.071000.02 Fuel Tank 1
17 83.070300.01 Fuel Filter, Wire Mesh 1
18 1.845.4216 Screw ST4.2×16 6
19 83.081400.01 Muffler Protector Assembly, Upper 1
20 83.081004.01 Pintch 1
21 2.02.001 Nut M6 2
22 83.100001.01 Gasket, Exshaust 1
23 83.101100.01 Muffler Assembly 1
24 46.101300.08 Spark Arrester Assembly 1
25 46.101503.08 Plate, Spark Arrester 1
26 1.9074.4.0514 Screw M5×14 2
27 1.845.4816 Screw ST4.8×16 6
28 1.845.4219 Screw ST4.2×19 1
29 83.081500.01 Muffler Protector Assembly, Lower 1
30 1.5789.0620 Flange Bolt M6×20 6
31 2.08.055.1 Bolt, Maintenance Cover M6×14 2
32 83.200402.01.2 Protector, Rear Cover, Black 1
33 83.200401.01.2 Supporter, Rear Cover, Black 1
34 2.02.014 Nut M6 12
35 2.02.010 Nut M5 8
36 83.200701.03.2 Handle, Left, Black 1
37 83.200704.01.2 Bracket, Left, Black 1
38 83.201600.05 Supporter, Right 1
39 1.818.0614 Screw M6×14 2
40 1.6187.1.08 Lock Nut M8 2
41 2.13.001 Bushing (Ø13.3ר19.3×8) 2
42 1.5789.0612.1 Flange Bolt M6×12 4
43 83.200704.02.2 Bracket, Right, Black 1
44 2.03.001 Bushing (Ø13.3ר19.3×2) 2
45 2.03.002 Washer (Ø13ר20×2.5) 2
46 2.08.002 Bolt M8×28 2
47 83.200701.04.2 Handle, Right, Black 1
48 2.02.002 Nut M6 2
49 83.200705.01.2 Handle, Upper, Black 1
50 83.200705.02.2 Handle, Lower, Black 1
51 1.9074.3.0512.1 Screw M5×12 3
52 1.5789.0635.1 Flange Bolt M6×35 2
53 83.190006.01 Rubber Sleeve, End Cover 1
54 83.190003.01 Generator End Cover 1
55 1.5789.0615 Flange Bolt M6×15 7
56 83.190001.01 Cooling Fan, Rotor 1
57 2.02.006 Flange Nut M14×1.5 1
58 83.191100.01 Rotor Assembly 1
59 1.5789.0645 Flange Bolt M6×45 4
60 83.191200.10 Stator Assembly, Cu, DC12V, CSA 1
61 83.190002.01 End Cover, Mortor 1
# Part Number Description Qty
62 83.402 Engine 1
63 1.6177.1.08 Flange Lock Nut M8 12
64 2.05.050 Wire Clamp, 100 mm 2
65 83.201600.02 Supporter, Left 1
66 83.201600.01 Supporter, Right 1
67 83.201200.01 Motor Mount 4
68 83.200607.01 Plug 1
69 1.6182.06 Lock Nut M6 6
70 83.200601.01.2 Base Setting Componet, Black 1
71 83.201400.01 Rubber 2
72 83.201702.01 Plug, Wheel 2
73 1.894.1.12 Retaining Ring Ø12 2
74 1.848.12 Washer Ø12 2
75 83.201701.01 Wheel, Left 1
76 83.201500.01 Axle 1
77 83.201701.02 Wheel, Right 1
78 83.200305.01 Spring Patch 5
79 83.200304.01 Rubber Seal Sleeve 1
80 1.845.3595 Screw ST3.5×9.5 8
81 83.200303.01.2 Muffler Cover, Right, Black 1
82 83.200701.01.2 Handle, Right, Black 1
83 83.200302.01.2 Cover, Right, Black 1
84 2.08.075.1 Bolt M6×20 2
85 81.220002.00 Mount Rubber, Control Unit 2
86 81.220001.00 Protector, Control Unit 2
87 83.220003.01 Pintch, Controller 2
88 83.221000.01 Control Unit (120V/60Hz) 1
89 1.5783.0520 Bolt M5×20 1
90 1.93.05 Spring Washer Ø5 1
91 5.1800.003 Rectifier 1
92 83.070011.02 Pipe, Fuel 1
93 1.845.4819 Screw ST4.8×19 2
94 1.97.1.05 Washer Ø5 2
95 83.070400.01 Petcock 1
96 83.200101.01.2 Front Cover, Black 1
97 83.200106.01 Protector 1
98 83.061200.01.2 Guide, Rope, Black 1
99 1.823.0408 Screw M4×82
100 83.070001.01 Fuel Knob 1
101 83.130200.01 Pull Choke Assembly 1
102 5.1110.005 Receptacle (DC.12V) 1
103 1.9074.4.0414.1 Screw And Washer Assembly M4×14 4
104 5.1120.023 Receptacle L5-30R 1
105 5.1120.027 Receptacle 5-20R Duplex 1
106 1.6177.1.04.1 Flange Lock Nut M4 4
107 83.210002.01 Control Box 1
108 122.210003.01 Jacket, Control Box 1
109 1.9074.1.0535.2 Screw M5×35 2
110 5.1210.920 AC.20A Breaker, Push Button 1
111 5.1210.925 AC.25A Breaker, Push Button 1
112 5.1200.110.1 Breaker (10A) 1
113 1.818.0514.3 Screw M5×14 2
114 83.210016.00 Speed Limiter 1
115 83.01.12.2 Control Panel, Black 1
116 5.1000.002.1 Ignition Switch 1
117 5.1010.001.1 Economy Switch 1
118 1.5783.0520.3 Bolt M5×20 1
119 1.862.05 Lock Washer Ø5 1
120 1.97.1.05.3 Washer Ø5 2
121 1.6170.05.3 Nut M5 2
122 1.93.05.3 Spring Washer Ø5 1

19 REV 75555i-20140110
ENGLISH 75555i
Engine Parts Diagram
SPECIFICATIONS
98
97
87 86 85 82 81 77 76 75 74
73
48
49
50 51 52 54 56 57 58 59 6261 63 64 66 68 69
72
33
32
29
30
28 26
25
47
46
45
44
43
42
41
40
38
37
36
96
93
100
99
92
91
90
89
88
24
23
21
20
19
1817
16
15
14
13
12
1
2
3
4
5
6
7
8
9
10
11
39
34
60
78
7980
8384
55
5
5
22
94
95
27
35
104
103
102
6765 70 71
35
101
31
53

REV 75555i-20140110 20
75555i ENGLISH Engine Parts List
# Part Number Description Qty
11.5789.0835 Flange Bolt M8×35 6
22.11.014 Oil Seal (Ø25ר40×7) 2
383.030007.01 Cover, Crankcase 1
483.127000.01 Oil Level Sensor 1
51.5789.0612 Flange Bolt M6×12 11
683.030010.01 Plate, Coil 1
783.120100.01 Flywheel 1
883.080001.01 Cooling Fan 1
983.060001.01 Pulley, Starter 1
10 2.02.006 Nut M14×1.5 1
11 83.080100.01.2 Fan Cover, Black 1
12 45.060008.00 Screw, Ratchet Guige 1
13 45.060007.00 Ratchet Guide 1
14 45.060009.00 Spring, Ratchet Guide 1
15 45.060002.00 Starter Ratchet (Iron) 2
16 45.060003.00 Spring, Ratchet 2
17 21.061001.01 Recoil Starter Reel 1
18 21.061005.00 Recoil Starter Spring 1
19 81.061010.01 Rope Button 1
20 81.061006.00 Grip, Starter 1
21 2.10.001 Rope (Ø4×1570) 1
22 2.05.050 Wire Clip, 100 mm 1
23 83.061100.01.2 Recoil Starter Cover, Black 1
24 1.5789.0608 Flange Bolt M6×83
25 83.091200.01 Cover, Air Cleaner 1
26 83.091300.01 Element, Air Cleaner 1
27 1.6177.1.06 Flange Lock Nut M6 2
28 83.090001.01 Flange 1
29 83.091100.01 Base, Air Cleaner 1
30 83.091006.01 Buckle 1
31 83.091008.01 Build Up 1
32 83.091002.02 Seal 1
33 83.090004.01 Pipe, Air Cleaner 1
34 83.130004.01 Gasket, Air Cleaner 1
35 83.130000.01 Carburetor, Assembly 1
36 83.130001.01 Insulator, Carburetor 1
37 83.130002.01 Gasket, Insulator 2
38 1.5789.0620 Flange Bolt M6×20 2
39 83.123000.01 Ignition Coil 1
40 83.030100.01 Crankcase 1
41 83.040013.01 Lifter, Valve 2
42 83.030013.01 Seal Strip, Crankcase Cover 2
43 2.04.002 Dowel Pin (Ø8×14) 2
44 1.276.6205 Bearing 6205 2
45 2.14.017 Woodruff Key (4×6.5×16) 1
46 83.050100.01 Crankshaft 1
47 83.030008.01 Gasket, Crankcase Cover 1
48 1.9074.4.0510 Screw M5×10 4
49 83.080014.01 Air Guide Board 1
50 2.03.016 Washer, Drain Bolt (Ø10ר16×1.5) 1
51 2.08.037 Bolt, Drain (M10×1.25×25) 1
52 83.030009.01 Gasket, Cylinder Head 1
# Part Number Description Qty
53 2.04.003 Dowel Pin (Ø10×14) 2
54 83.040006.01 Valve, Exhaust 1
55 83.040002.01 Valve, Intake 1
56 2.01.017 Stud Bolt (M6×32) 2
57 83.010100.01 Cylinder Head 1
58 2.15.002 Spark Plug (F6RTC) 1
59 83.040017.01 Oil Seal, Valve 1
60 83.040004.01 Guide Plate, Push Rod 1
61 1.5789.0865 Flange Bolt M8×65 2
62 1.5789.0845 Flange Bolt M8×45 2
63 2.01.020 Stud Bolt (M6×97) 2
64 83.040010.01 Bolt, Rocker Arm 2
65 83.040005.01 Push Rod 2
66 83.040003.01 Spring, Valve 2
67 83.040009.01 Rocker Arm, Intake Valve 2
68 83.040001.01 Retainer, Valve Spring (Up) 2
69 83.040014.01 Valve Collet 2
70 21.040020.00 Adjusting Nut, Valve 2
71 21.040021.00 Lock Nut 2
72 83.080200.01 Air Shroud, Cylinder 1
73 23.020001.01 Breather Tube 1
74 83.021101.01 Cover, Cylinder Head 1
75 83.021001.01 Gasket, Cylinder Head Element 1
76 83.021200.01 Element Component, Head Cover 1
77 83.020002.01 Gasket, Cylinder Head Cover 1
78 83.050301.01 Ring, First Piston 1
79 83.050302.01 Ring, Second Piston 1
80 83.050303.01 Ring, Oil 1
81 2.09.002 Circlip (Ø16ר1) 2
82 83.050005.01 Piston 1
83 83.050003.01 Piston Pin 1
84 83.050200.01 Connecting Rod 1
85 83.040100.01 Camshaft 1
86 83.031000.01 Oil Dipstick Assembly 1
87 83.030035.01 Oil Nipple 1
88 81.132001.00 Cover, Stepper Motor 1
89 1.818.0306 Screw M3×62
90 81.132200.00 Stepper Motor Assembly 1
91 1.9074.1.0408 Screw M4×82
92 82.132100.00 Stepper Motor Base 1
93 1.819.0508 Screw M5×81
94 81.130010.00 Spring, Connecter 1
95 81.130008.00 Connecter, Choke Valve Axis 1
96 83.131000.01 Carburetor 1
97 1.9074.3.0512 Screw M5×12 1
98 81.130007.00 Clamp Board, Choke Control Line 1
99 83.130005.01 Support, Stepper Motor 1
100 1.9074.3.0508 Screw M5×82
101 83.131017.01 Standard Main Jet 1
102 83.061000.01 Recoil Assembly 1
103 83.091000.01 Air Cleaner Assembly 1
104 83.021000.01 Cylinder Head Cover 1

21 REV 75555i-20140110
ENGLISH 75555i
TROUBLESHOOTING
For further technical support:
Technical Service
Mon – Fri 8:30 AM – 5:00 PM (PST/PDT)
Toll Free: 1- 877-338- 0999
tech@championpowerequipment.com
Problem Cause Solution
Generator will not start No fuel Add fuel
Faulty spark plug Replace spark plug
Unit loaded during start up Remove load from unit
Generator starts but runs roughly Low oil level Fill crankcase to the proper level
Place generator on a flat, level surface
Choke in the wrong position Adjust choke
Spark plug wire loose Attach wire to spark plug
Generator shuts down during operation Out of fuel Fill fuel tank
Low oil level Fill crankcase to the proper level. Place
generator on a flat, level surface
Generator cannot supply enough power or
overheating
Generator is overloaded Review load and adjust. See “Power
Management”
Insufficient ventilation Check for air restriction. Move to a well
ventilated area
No AC output Cable not properly connected Check all connections
Connected device is defective Replace defective device
Circuit breaker is open Reset circuit breaker
Loose wiring Inspect and tighten wiring connections
Other Contact the help line
Repeated circuit breaker tripping Overload Review load and adjust. See “Power
Management”
Faulty cords or device Check for damaged, bare or frayed wires.
Replace defective device

REV 75555i-20140110 22
75555i ENGLISH
WARRANTY
WARRANTY
CHAMPION POWER EQUIPMENT
2 YEAR LIMITED WARRANTY
Warranty Qualifications
Champion Power Equipment (CPE) will register this
warranty upon receipt of your Warranty Registration Card
and a copy of your sales receipt from one of CPE’s retail
locations as proof of purchase.
Please submit your warranty registration and your proof
of purchase within ten (10) days of the date of purchase.
Repair/Replacement Warranty
CPE warrants to the original purchaser that the
mechanical and electrical components will be free of
defects in material and workmanship for a period of one
year (parts and labour) and two years (parts) from the
original date of purchase (90 days (parts and labour)
and 180 days (parts) for commercial and industrial
use). Transportation charges on product submitted
for repair or replacement under this warranty are the
sole responsibility of the purchaser. This warranty only
applies to the original purchaser and is not transferable.
Do Not Return The Unit To The Place Of Purchase
Contact CPE’s Technical Service and CPE will
troubleshoot any issue via phone or e-mail. If the
problem is not corrected by this method, CPE will, at its
option, authorize evaluation, repair or replacement of the
defective part or component at a CPE Service Centre.
CPE will provide you with a case number for warranty
service. Please keep it for future reference. Repairs
or replacements without prior authorization, or at an
unauthorized repair facility, will not be covered by this
warranty.
Warranty Exclusions
This warranty does not cover the following repairs and
equipment:
Normal Wear
Generators need periodic parts and service to perform well.
This warranty does not cover repair when normal use has
exhausted the life of a part or the equipment as a whole.
Installation, Use and Maintenance
This warranty will not apply to parts and/or labour if this
generator is deemed to have been misused, neglected,
involved in an accident, abused, loaded beyond the
generator’s limits, modified, installed improperly or
connected incorrectly to any electrical component.
Installation, Use and Maintenance Cont’d.
Normal maintenance such as spark plugs, air filters,
adjustments, fuel system cleaning and obstruction due
to buildup is not covered by this warranty.
Other Exclusions
This warranty excludes:
– Cosmetic defects such as paint, decals, etc.
– Wear items such as filter elements, o-rings, etc.
– Accessory parts such as starting batteries, and
storage covers.
– Failures due to acts of God and other force majeure
events beyond the manufacturer’s control.
– Problems caused by parts that are not original
Champion Power Equipment parts.
This warranty does not apply to generators used for
prime power in place of a utility.
Limits of Implied Warranty and Consequential Damage
Champion Power Equipment disclaims any obligation to
cover any loss of time, use of this product, freight, or
any incidental or consequential claim by anyone from
using this generator. THIS WARRANTY IS IN LIEU OF
ALL OTHER WARRANTIES, EXPRESS OR IMPLIED,
INCLUDING WARRANTIES OF MERCHANTABILITY OR
FITNESS FOR A PARTICULAR PURPOSE.
A unit provided as an exchange will be subject to the
warranty of the original unit. The length of the warranty
governing the exchanged unit will remain calculated by
reference to the purchase date of the original unit.
This warranty gives you certain legal rights which may
change from province to province. Your province may
also have other rights you may be entitled to that are not
listed within this warranty.
Contact Information
Address
Champion Power Equipment, Inc.
Customer Service
10006 Santa Fe Springs Rd.
Santa Fe Springs, CA 90670
www.championpowerequipment.com
Customer Service
Mon – Fri 8:30 AM – 5:00 PM (PST/PDT)
Toll Free: 1- 877-338- 0999
info@championpowerequipment.com
Fax no.: 1-562-236-9429
Technical Service
Mon – Fri 8:30 AM – 5:00 PM (PST/PDT)
Toll Free: 1- 877-338- 0999
tech@championpowerequipment.com
24/7 Tech Support: 1-562-204-1188
Champion Power Equipment, Inc (CPE),
Emission Control System Warranty
Your Champion Power Equipment (CPE) engine complies with Environment Canada (EC) emission
regulations.
YOUR WARRANTY RIGHTS AND OBLIGATIONS:
CPE is pleased to explain the Emission Control Systems Warranty on your 2014 small off-road engine.
New engines must be designed, built and equipped, at the time of sale, to meet EC regulations for small
non-road engines. CPE must warrant the emission control system on your small off-road engine for the
period of time listed below, provided there has been no abuse, neglect, unapproved modification, or
improper maintenance of your small off-road engine.
Your emission control system may include parts such as the carburetor, fuel-injection system, the ignition
system, catalytic converter and fuel lines. Also included may be hoses, belts, connectors and other
emission related assemblies. Where a warrantable condition exits, CPE will repair your small off-road
engine at no cost to you including diagnosis, parts and labour.
MANUFACTURER’S EMISSION CONTROL SYSTEM WARRANTY COVERAGE:
This emission control system is warranted for two years, subject to provisions set forth below. If, during
the warranty period, emission related part on your engine is defective in materials or workmanship, the
part will be repaired or replaced by CPE.
OWNER WARRANTY RESPONSIBILITIES:
As the small off-road engine owner, you are responsible for the performance of the required maintenance
listed in your Owner’s Manual. CPE recommends that you retain all your receipts covering maintenance
on your small off-road engine, but CPE cannot deny warranty solely for the lack of receipts or for your
failure to ensure the performance of all scheduled maintenance.
As the small off-road engine owner, you should however be aware that CPE may deny you
warranty coverage if your small, off-road engine or a part has failed due to abuse, neglect,
improper maintenance or unapproved modifications.
You are responsible for presenting your small off-road engine to an Authorized CPE service outlet, CPE
dealer or CPE, Santa Fe Springs, CA., USA as soon as a problem exists. The warranty repairs should be
completed in a reasonable amount of time, not to exceed 30 days.
If you have any questions regarding your warranty rights and responsibilities, you should contact:
Champion Power Equipment, Inc.
Customer Service
10006 Santa Fe Springs Road
Santa Fe Springs, CA 90670
USA
Tel: 1-877-338-0999
tech@championpowerequipment.com
EMISSION CONTROL SYSTEM WARRANTY
The following are specific provisions relative to your Emission Control System Warranty
Coverage.
Emission Control System Warranty (ECS Warranty):
1. APPLICABILITY: The ECS Warranty Period shall begin on the date the new engine or equipment is
delivered to its original, end-use purchaser, and shall continue for 24 consecutive months thereafter.
2. GENERAL EMISSIONS WARRANTY COVERAGE
CPE warrants to the original, end-use purchaser of the new engine or equipment and to each subsequent
purchaser that each of its small off-road engines is:
a. Designed, built and equipped so as to conform at the time of sale with applicable regulations
under the Canadian Environmental Protection Act, 1999 (CEPA 1999).
b. Free from defects in materials and workmanship that cause the failure of a warranted part to be
identical in all material respects to the part as described in the engine manufacturer’s application for
certification for a period of two years.
3. THE WARRANTY ON EMISSION-RELATED PARTS WILL BE INTERPRETED AS
FOLLOWS:
a. Any warranted part that is not scheduled for replacement as required maintenance in the
Owners Manual shall be warranted for the ECS Warranty Period. If any such part fails during the ECS
Warranty Period, it shall be repaired or replaced by CPE according to Subsection “d” below. Any such
part repaired or replaced under the ECS Warranty shall be warranted for any remainder of the ECS
Warranty Period.
b. Any warranted, emissions-related part which is scheduled only for regular inspection as
specified in the Owners Manual shall be warranted for the ECS Warranty Period. A statement in such
written instructions to the effect of “repair or replace as necessary,” shall not reduce the ECS Warranty
Period. Any such part repaired or replaced under the ECS Warranty shall be warranted for the remainder
of the ECS Warranty Period.
c. Any warranted, emissions-related part which is scheduled for replacement as required
maintenance in the Owner’s Manual shall be warranted for the period of time prior to the first scheduled
replacement point for that part. If the part fails prior to the first scheduled replacement, the part shall be
repaired or replaced by CPE according to Subsection “d” below. Any such emissions-related part repaired
or replaced under the ECS Warranty, shall be warranted for the remainder of the ECS Warranty Period
prior to the first scheduled replacement point for such emissions-related part.
d. Repair or replacement of any warranted, emissions-related part under this ECS Warranty shall
be performed at no charge to the owner at a CPE Authorized Service Outlet.
e. The owner shall not be charged for diagnostic labour which leads to the determination that a
part covered by the ECS Warranty is in fact defective, provided that such diagnostic work is performed at
a CPE Authorized Service Outlet.
f. CPE shall be liable for damages to other original engine components or approved modifications
proximately caused by a failure under warranty of an emission-related part covered by the ECS Warranty.
g. Throughout the ECS Warranty Period, CPE shall maintain a supply of warranted emission-
related parts sufficient to meet the expected demand for such emission-related parts.
h. Any CPE Authorized and approved emission-related replacement part may be used in the
performance of any ECS Warranty maintenance or repair and will be provided without charge to the
owner. Such use shall not reduce CPE’s warranty obligation.
i. Unapproved add-on or modified parts may not be used to modify or repair a CPE engine. Such
use voids this ECS Warranty and shall be sufficient grounds for disallowing an ECS Warranty claim. CPE
shall not be liable hereunder for failures of any warranted parts of a
CPE engine caused by the use of such an unapproved add-on or modified part.

EMISSION-RELATED PARTS INCLUDE THE FOLLOWING: (using those portions of the list
applicable to the engine)
Systems Covered By This Warranty
Parts Description
Fuel Metering System
Fuel regulator, carburetor and internal parts
Air Induction System
Air cleaner, intake manifold
Ignition System
Spark plug and parts, magneto ignition system
Exhaust System
Exhaust manifold, catalytic converter
Miscellaneous Parts
Tubing, fittings, seals, gaskets, and clamps
associated with these listed systems.
TO OBTAIN WARRANTY SERVICE:
You must take your CPE engine or the product on which it is installed, along with your warranty
registration card or other proof of original purchase date, at your expense, to any Champion Power
Equipment dealer who is authorized by Champion Power Equipment, Inc. to sell and service that CPE
product during his normal business hours. Claims for repair or adjustment found to be caused solely by
defects in material or workmanship will not be denied because the engine was not properly maintained
and used.
If you have any questions regarding your warranty rights and responsibilities, or to obtain
warranty service, please write or call Customer Service at Champion Power Equipment, Inc.
Champion Power Equipment, Inc.
10006 Santa Fe Springs Road
Santa Fe Springs, CA 90670
USA
1-877-338-0999
Attn: Customer Service
tech@championpowerequipment.com