Chevrolet 2010 Corvette Owners Manual Owner's
2015-10-23
: Chevrolet Chevrolet-2010-Chevrolet-Corvette-Owners-Manual-813972 chevrolet-2010-chevrolet-corvette-owners-manual-813972 chevrolet pdf
Open the PDF directly: View PDF
.
Page Count: 466 [warning: Documents this large are best viewed by clicking the View PDF Link!]
- 2010 Chevrolet Corvette BookTOC
- In Brief
- Seats and Restraint System
- Features and Controls
- Keys
- Doors and Locks
- Windows
- Theft-Deterrent Systems
- Starting and Operating Your Vehicle
- New Vehicle Break-In
- Front Air Dam
- Ignition Positions
- Retained Accessory Power (RAP)
- Starting the Engine
- Automatic Transmission Operation
- Manual Transmission Operation
- Parking Brake
- Shifting Into Park (Automatic Transmission)
- Shifting Out of Park
- Parking the Vehicle (Manual Transmission)
- Parking Over Things That Burn
- Engine Exhaust
- Running the Vehicle While Parked
- Mirrors
- Universal Home Remote System
- Storage Areas
- Roof Panel
- Convertible Top
- Instrument Panel
- Instrument Panel Overview
- Hazard Warning Flashers
- Horn
- Tilt Wheel
- Turn Signal/Multifunction Lever
- Turn and Lane-Change Signals (Auto Signal)
- Headlamp High/Low-Beam Changer
- Flash-to-Pass
- Windshield Wipers
- Windshield Washer
- Cruise Control
- Exterior Lamps
- Wiper Activated Headlamps
- Headlamps on Reminder
- Daytime Running Lamps (DRL)
- Fog Lamps
- Twilight Sentinel®
- Exterior Lighting Battery Saver
- Instrument Panel Brightness
- Courtesy Lamps
- Entry/Exit Lighting
- Reading Lamps
- Battery Run-Down Protection
- Head-Up Display (HUD)
- Accessory Power Outlet(s)
- Ashtray(s) and Cigarette Lighter
- Climate Controls
- Warning Lights, Gages, and Indicators
- Instrument Panel Cluster
- Speedometer and Odometer
- Tachometer
- Safety Belt Reminders
- Airbag Readiness Light
- Passenger Airbag Status Indicator
- Voltmeter Gage
- One-to-Four Shift Light (Manual Transmission)
- Brake System Warning Light
- Antilock Brake System (ABS) Warning Light
- Traction Control System (TCS) Warning Light
- Active Handling System Light
- Engine Coolant Temperature Gage
- Tire Pressure Light
- Malfunction Indicator Lamp
- Engine Oil Pressure Gage
- Security Light
- Fog Lamp Light
- Lights On Reminder
- Highbeam On Light
- Fuel Gage
- Boost Gage (ZR1 Only)
- Driver Information Center (DIC)
- Audio System(s)
- Instrument Panel Overview
- Driving Your Vehicle
- Your Driving, the Road, and the Vehicle
- Defensive Driving
- Drunk Driving
- Control of a Vehicle
- Braking
- Antilock Brake System (ABS)
- Braking in Emergencies
- Traction Control System (TCS)
- Active Handling System
- Competitive Driving Mode
- Limited-Slip Rear Axle
- Selective Ride Control
- Steering
- Off-Road Recovery
- Passing
- Loss of Control
- Racing or Other Competitive Driving
- Driving at Night
- Driving in Rain and on Wet Roads
- Before Leaving on a Long Trip
- Highway Hypnosis
- Hill and Mountain Roads
- Winter Driving
- If Your Vehicle is Stuck in Sand, Mud, Ice, or Snow
- Rocking Your Vehicle to Get It Out
- Loading the Vehicle
- Towing
- Your Driving, the Road, and the Vehicle
- Service and Appearance Care
- Service
- Fuel
- Checking Things Under the Hood
- Hood Release
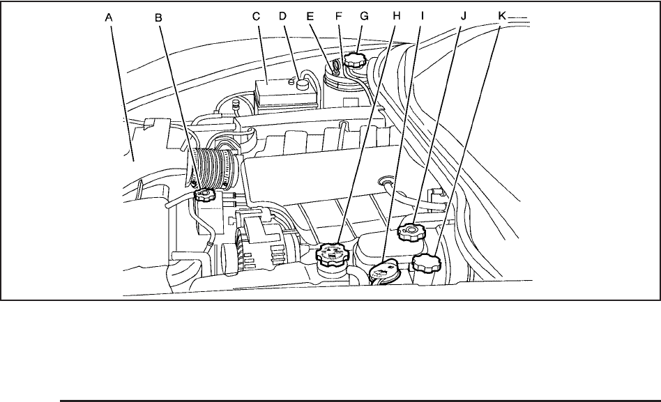
- Engine Compartment Overview
- Engine Oil
- Engine Oil Life System
- Engine Air Cleaner/Filter
- Automatic Transmission Fluid
- Manual Transmission Fluid
- Hydraulic Clutch
- Cooling System (Engine)
- Cooling System (Intercooler)
- Engine Coolant
- Engine Overheating
- Overheated Engine Protection Operating Mode
- Power Steering Fluid
- Windshield Washer Fluid
- Brakes
- Battery
- Jump Starting
- Rear Axle
- Headlamp Aiming
- Bulb Replacement
- Windshield Replacement
- Windshield Wiper Blade Replacement
- Tires
- Winter Tires
- Tire Sidewall Labeling
- Tire Terminology and Definitions
- Run-Flat Tires
- Inflation - Tire Pressure
- High-Speed Operation
- Tire Pressure Monitor System
- Tire Pressure Monitor Operation
- Tire Inspection and Rotation
- When It Is Time for New Tires
- Buying New Tires
- Different Size Tires and Wheels
- Uniform Tire Quality Grading
- Wheel Alignment and Tire Balance
- Wheel Replacement
- Tire Chains
- Lifting the Vehicle
- If a Tire Goes Flat
- Appearance Care
- Interior Cleaning
- Fabric/Carpet
- Coated Moldings
- Leather
- Instrument Panel, Vinyl, and Other Plastic Surfaces
- Cargo Cover and Convenience Net
- Care of Safety Belts
- Weatherstrips
- Washing Your Vehicle
- Cleaning Exterior Lamps/Lenses
- Finish Care
- Windshield and Wiper Blades
- Removable Roof Panel
- Convertible Top
- Aluminum or Chrome-Plated Wheels and Trim
- Tires
- Finish Damage
- Underbody Maintenance
- Fiberglass Springs (Composite Springs)
- Chemical Paint Spotting
- Vehicle Identification
- Electrical System
- Capacities and Specifications
- Maintenance Schedule
- Customer Assistance Information
- Index

In Brief ........................................................... 1-1
Instrument Panel ........................................ 1-2
Initial Drive Information ............................... 1-4
Vehicle Features ...................................... 1-15
Performance and Maintenance ................... 1-21
Seats and Restraint System ............................. 2-1
Front Seats ............................................... 2-2
Safety Belts .............................................. 2-9
Child Restraints ....................................... 2-26
Airbag System ......................................... 2-44
Restraint System Check ............................ 2-60
Features and Controls ..................................... 3-1
Keys ........................................................ 3-3
Doors and Locks ...................................... 3-10
Windows ................................................. 3-16
Theft-Deterrent Systems ............................ 3-18
Starting and Operating Your Vehicle ........... 3-21
Mirrors .................................................... 3-38
Universal Home Remote System ................ 3-41
Storage Areas ......................................... 3-48
Roof Panel .............................................. 3-52
Convertible Top ....................................... 3-56
Instrument Panel ............................................. 4-1
Instrument Panel Overview .......................... 4-3
Climate Controls ...................................... 4-21
Warning Lights, Gages, and Indicators ........ 4-28
Driver Information Center (DIC) .................. 4-46
Audio System(s) ....................................... 4-78
Driving Your Vehicle ....................................... 5-1
Your Driving, the Road, and the Vehicle ....... 5-2
Towing ................................................... 5-33
2010 Chevrolet Corvette Owner Manual M

Service and Appearance Care .......................... 6-1
Service ..................................................... 6-3
Fuel ......................................................... 6-5
Checking Things Under the Hood ............... 6-12
Rear Axle ............................................... 6-58
Headlamp Aiming ..................................... 6-58
Bulb Replacement .................................... 6-59
Windshield Replacement ........................... 6-62
Windshield Wiper Blade Replacement ......... 6-62
Tires ...................................................... 6-64
Appearance Care ..................................... 6-92
Vehicle Identification ............................... 6-101
Electrical System .................................... 6-102
Capacities and Specifications ................... 6-112
Maintenance Schedule ..................................... 7-1
Maintenance Schedule ................................ 7-2
Customer Assistance Information .................... 8-1
Customer Assistance and Information ........... 8-2
Reporting Safety Defects ........................... 8-16
Vehicle Data Recording and Privacy ........... 8-18
Index ................................................................ 1

GENERAL MOTORS, GM, the GM Emblem,
CHEVROLET, the CHEVROLET Emblem, the names
CORVETTE, Z06, ZR1, CORVETTE GRAND SPORT
and the CORVETTE Emblem are registered trademarks
of General Motors Corporation.
This manual describes features that may or may not be
on your specific vehicle either because they are
options that you did not purchase or due to changes
subsequent to the printing of this owner manual.
Please refer to the purchase documentation relating to
your specific vehicle to confirm each of the features
found on your vehicle. For vehicles first sold in Canada,
substitute the name “General Motors of Canada Limited”
for Chevrolet Motor Division wherever it appears in
this manual.
Keep this manual the vehicle for quick reference.
Canadian Owners
Propriétaires Canadiens
A French language copy of this manual can be obtained
from your dealer/retailer or from:
On peut obtenir un exemplaire de ce guide en français
auprès du concessionnaire ou à l’adresse suivante:
Helm, Incorporated
P.O. Box 07130
Detroit, MI 48207
1-800-551-4123
Numéro de poste 6438 de langue française
www.helminc.com
Index
To quickly locate information about the vehicle, use the
index in the back of the manual. It is an alphabetical
list of what is in the manual and the page number where
it can be found.
Litho in U.S.A.
Part No. 25895343 A First Printing
©
2009 General Motors Corporation. All Rights Reserved.
iii

Safety Warnings and Symbols
Warning Messages found on vehicle labels and in this
manual describe hazards and what to do to avoid
or reduce them.
Danger indicates a hazard with a high level of risk
which will result in serious injury or death.
Warning or Caution indicates a hazard that could result
in injury or death.
{WARNING:
These mean there is something that could hurt
you or other people.
Notice: This means there is something that could
result in property or vehicle damage. This would not
be covered by the vehicle’s warranty.
A circle with a slash
through it is a safety
symbol which means
“Do Not,” “Do not do
this,” or “Do not let this
happen.”
Vehicle Symbols
The vehicle has components and labels that use
symbols instead of text. Symbols are shown along with
the text describing the operation or information
relating to a specific component, control, message,
gage, or indicator.
M:This symbol is shown when you need to see your
owner manual for additional instructions or information.
*:This symbol is shown when you need to see a
service manual for additional instructions or information.
iv

Vehicle Symbol Chart
Here are some additional symbols that may be found on
the vehicle and what they mean. For more information
on the symbol, refer to the index.
9:Airbag Readiness Light
#:Air Conditioning
!:Antilock Brake System (ABS)
g:Audio Steering Wheel Controls or OnStar
®
$:Brake System Warning Light
":Charging System
I:Cruise Control
B:Engine Coolant Temperature
O:Exterior Lamps
#:Fog Lamps
.:Fuel Gage
+:Fuses
i:Headlamp High/Low-Beam Changer
j:LATCH System Child Restraints
*:Malfunction Indicator Lamp
::Oil Pressure
}:Power
/:Remote Vehicle Start
>:Safety Belt Reminders
7:Tire Pressure Monitor
F:Traction Control
M:Windshield Washer Fluid
v

✍NOTES
vi

Instrument Panel ..............................................1-2
Initial Drive Information ....................................1-4
Remote Keyless Entry (RKE) System ................1-4
Door Locks ....................................................1-5
Trunk Release ...............................................1-5
Windows .......................................................1-6
Seat Adjustment .............................................1-6
Safety Belt ....................................................1-9
Sensing System for Passenger Airbag ...............1-9
Mirror Adjustment .........................................1-10
Steering Wheel Adjustment ............................1-11
Interior Lighting ............................................1-12
Exterior Lighting ...........................................1-12
Windshield Wiper/Washer ...............................1-13
Climate Controls ...........................................1-14
Transmission ................................................1-14
Vehicle Features .............................................1-15
Radio(s) ......................................................1-15
Satellite Radio ..............................................1-16
Portable Audio Devices ..................................1-17
Steering Wheel Controls ................................1-17
Bluetooth
®
...................................................1-17
Navigation System ........................................1-18
Driver Information Center (DIC) .......................1-18
Cruise Control ..............................................1-20
Power Outlets ..............................................1-20
Roof Panel ..................................................1-20
Convertible ..................................................1-21
Performance and Maintenance .........................1-21
Traction Control System (TCS) .......................1-21
Towing ........................................................1-22
Tire Pressure Monitor ....................................1-22
Z06, Z16, and ZR1 Features ..........................1-22
Engine Oil Life System ..................................1-23
Driving for Better Fuel Economy .....................1-23
Battery ........................................................1-24
Roadside Assistance Program ........................1-24
OnStar
®
......................................................1-24
Section 1 In Brief
1-1

Instrument Panel
1-2

A. Outlet Adjustment on page 4-26.
B. Head-Up Display (HUD) on page 4-16 (If Equipped).
C. Turn Signal/Multifunction Lever on page 4-4.
Cruise Control on page 4-7.Fog Lamps on
page 4-13.Exterior Lamps on page 4-11.
D. Manual Shift Paddles (If Equipped). See Automatic
Transmission Operation on page 3-26.
E. Driver Information Center (DIC) on page 4-46.
F. Instrument Panel Cluster on page 4-29.
G. Windshield Wipers on page 4-6 and Windshield
Washer on page 4-6.
H. DIC Operation and Displays on page 4-46.
I. Hazard Warning Flashers on page 4-3.
J. Audio System(s) on page 4-78.
K. Dual Automatic Climate Control System on
page 4-21.
L. Fuel Door Release Button. See Filling the Tank
on page 6-9. Hatch/Trunk Release Button.
See “Hatch/Trunk Lid Release” under Hatch on
page 3-14.
M. Instrument Panel Brightness on page 4-15.
N. Power Folding Top Switch (If Equipped).
See Convertible Top (Manual) on page 3-56 or
Convertible Top (Power) on page 3-63.
O. Bluetooth
®
on page 4-93 (If Equipped). Audio
Steering Wheel Controls on page 4-104 (If Equipped).
P. Tilt Wheel on page 4-3.
Q. Horn on page 4-3.
R. Telescopic Wheel Button (If Equipped).
See Tilt Wheel on page 4-3.
S. Ignition Positions on page 3-22.
T. Heated Seats on page 2-4 (If Equipped).
U. Shift Lever (Automatic Shown). See Automatic
Transmission Operation on page 3-26 or Manual
Transmission Operation on page 3-31.
V. Active Handling System on page 5-8.
W. Accessory Power Outlet(s) on page 4-20.
X. Selective Ride Control on page 5-14.
Y. Cupholders on page 3-48.
Z. Ashtray(s) and Cigarette Lighter on page 4-21.
AA. Parking Brake on page 3-33.
AB. Glove Box on page 3-48.
AC. Instrument Panel Fuse Block on page 6-103.
1-3

Initial Drive Information
This section provides a brief overview about some of
the important features that may or may not be on your
specific vehicle.
For more detailed information, refer to each of the
features which can be found later in this owner manual.
Remote Keyless Entry (RKE)
System
The keyless access transmitter is used to lock and
unlock the doors from up to 30 m (100 feet) away from
the vehicle.
Press Kto unlock the
driver door. Press again
within five seconds to
unlock both doors.
Press Qto lock all doors.
Press and hold }for approximately one second to
open the hatch/trunk.
Press Lto sound the horn. Press any other button on
the keyless access transmitter to stop it.
Press the button (A) to remove the key. The key can be
used to lock and unlock the glove box and to open
the hatch/trunk lid if power to the vehicle is lost.
See Hatch on page 3-14 for more information.
See Keys on page 3-3 and Keyless Access System
Operation on page 3-5.
1-4

Door Locks
From the outside, press the Qor Kbutton on the
keyless access transmitter.
When you have the transmitter with you, you may also
unlock and open the door by squeezing the door
handle sensor (A).
From the inside, use the power door lock switch (B),
located at the top of the door panel, near both windows.
K(Unlock): Press to unlock the doors.
Q(Lock): Press to lock the doors.
To open a door from the inside after it is locked, press
the button (C) in front of the door handle and push
the door open.
See Power Door Locks on page 3-12.
Trunk Release
V(Hatch/Trunk): Press the hatch/trunk lid release
button, located on the instrument panel, to the left of the
steering wheel. The theft deterrent alarm system must
not be armed.
}(Hatch/Trunk): Press the hatch/trunk lid release
button on the keyless access transmitter.
For more information see Hatch on page 3-14.
1-5

Windows
The power window switches are located on each door.
Pull up or press down on the front of the switch to
raise or lower the window.
For more information, see Power Windows on
page 3-17.
Seat Adjustment
Manual Seats
1. Lift the bar to unlock
the seat.
2. Slide the seat to the
desired position and
release the bar.
Try to move the seat to be sure it is locked in place.
See Manual Seats on page 2-2.
1-6

Power Seats
On vehicles with power seats, the control is located on
the outboard side of the seat.
•Move the control forward or rearward to adjust the
seat location.
•Move the front or rear of the control up or down to
adjust the seat cushion height.
See Power Seats on page 2-3.
Power Lumbar and Side Bolsters
On vehicles with power lumbar and side bolsters:
•Move (A) forward or rearward to adjust lumbar
support.
•Move (B) up or down to adjust the side bolsters.
See Power Lumbar and Side Bolsters on page 2-3.
1-7

Reclining Seatbacks
To recline the seatback:
1. Lift the recline lever.
2. Lean back to position the seatback to where you
want it.
3. Release the lever to lock the seatback into place.
See Reclining Seatbacks on page 2-6.
Heated Seats
On vehicles with heated seats, the buttons are located
on the center console. The ignition must be on for
this feature to work.
L:Press to turn the seat on at the high setting.
Press again to turn it to the low setting
9:Press to turn the system off.
1-8

Safety Belt
Refer to the following sections for important information
on how to use safety belts properly.
•Safety Belts: They Are for Everyone on page 2-9.
•How to Wear Safety Belts Properly on page 2-14.
•Lap-Shoulder Belt on page 2-23.
•Lower Anchors and Tethers for Children (LATCH)
(Coupe and Convertible Models Only) on page 2-35
or Lower Anchors and Tethers for Children
(LATCH) (Z06 and ZR1 Models Only) on page 2-36.
Sensing System for Passenger
Airbag
The passenger sensing system will turn off the right
front passenger frontal airbag and seat-mounted
side impact airbag under certain conditions. The driver
airbags are not affected by this.
The passenger airbag status indicator will be visible in
the rearview mirror when the vehicle is started.
See Passenger Sensing System on page 2-52 for
important information.
Canada
United States
1-9

Mirror Adjustment
Exterior Mirrors
Controls for the outside power mirrors are located on
the driver door.
1. Move the top control to the left or right to select
either the driver or passenger mirror.
2. Use the arrows located on the four-way control pad
to move the mirror in the desired direction.
Keep the control in the center position when not
adjusting either outside mirror.
Manually fold the mirrors inward to prevent damage
when going through an automatic car wash. To fold, pull
the mirror toward the vehicle. Push the mirror outward,
to return it to the original position.
Interior Mirror
Vehicles with an automatic dimming rearview mirror will
automatically reduce headlamp glare coming from
vehicles that are traveling behind you.
See Automatic Dimming Rearview Mirror on page 3-38.
1-10

Steering Wheel Adjustment
The lever is located on the left side of the steering
column. To adjust the steering wheel:
1. Pull the lever toward you.
2. Move the steering wheel up or down into a
comfortable position.
3. Release the lever to lock the steering wheel
in place.
See Tilt Wheel on page 4-3.
Telescopic Steering Column
For vehicles with this
feature, the telescopic
steering column switch is
located on the right
side of the steering
column.
To adjust the telescopic steering column:
1. Push the switch forward to move the wheel away
from you.
2. Pull the switch toward you to move the wheel
closer to you.
The telescopic steering column position can be stored
with your memory settings. See Memory Seat,
Mirrors and Steering Wheel on page 2-4 for more
information.
See Tilt Wheel on page 4-3.
1-11

Interior Lighting
Courtesy Lamps
When any door or the hatch/trunk lid is opened, the
interior lamps will go on, unless it is bright outside.
The courtesy lamps can also be turned on and off by
pressing the instrument panel brightness knob.
Reading Lamps
The inside rearview mirror includes two reading lamps.
The lamps go on when a door is opened. When the
doors are closed, press the lamp buttons to turn on
each lamp.
For more information on interior lighting, see:
•Instrument Panel Brightness on page 4-15.
•Entry/Exit Lighting on page 4-15.
Exterior Lighting
The exterior lamp control is located to the left of the
steering wheel, on the multifunction lever.
O:Turn the band with this symbol on it to operate the
exterior lamps.
O:Turns off all lamps.
AUTO: Sets the exterior lamps to automatic mode.
AUTO mode turns the exterior lamps on and off
depending on how much light is available outside the
vehicle.
1-12

;:Manual operation of the parking lamps and other
exterior lamps.
5:Manual operation of the headlamps and other
exterior lamps.
For more information, see:
•Exterior Lamps on page 4-11.
Windshield Wiper/Washer
The windshield wiper lever is located on the right side of
the steering column.
1:Fast wipes.
6:Slow wipes.
&:Use to set a delay between wipes.
x:Use for a delayed wiping cycle. Turn the
intermittent adjust band down for a longer delay or up
for a shorter delay.
9:Turns off the windshield wipers.
8:Use for a for a single wiping cycle. For more
wipes, hold the band longer.
Windshield Washer: Press the button at the end of the
lever until the washers begin.
See Windshield Wipers on page 4-6 and Windshield
Washer on page 4-6.
1-13

Climate Controls
With this system, the heating, cooling, and ventilation
can be controlled.
A. Driver Temperature
Control
B. Display
C. Passenger
Temperature Control
D. AUTO
E. Air Recirculation
F. Air Conditioning
G. Fan Control
H. Air Delivery
Mode Control
I. Defrost
J. Rear Window
Defogger
See Dual Automatic Climate Control System on
page 4-21.
Transmission
Manual Paddle Shift
(Automatic Transmission)
To operate the Manual Paddle Shift system, the
automatic transmission shifter must be in S (Sport
Mode). The system is activated by pushing the paddle,
above the steering wheel spokes, to manually up-shift
to the next gear, or pulling on the paddle, behind
the steering wheel spokes to manually down-shift.
The current gear will be displayed in the Driver
Information (DIC), or the Head-Up Display (HUD),
if the vehicle has either of these features.
1-14

The Manual Paddle Shift system can be deactivated
by moving the shifter from S (Sport Mode) back to
D (Drive), or by holding the up-shift button for more than
one second.
The Manual Paddle Shift system will not allow either an
up-shift or a down-shift, if the vehicle speed is too
fast or too slow, nor will it allow a start from 4 (Fourth)
or higher gear
See Automatic Transmission Operation on page 3-26.
One to Four Shift Light
(Manual Transmission)
On vehicles with a manual
transmission, when this
light comes on, you can
only shift from 1 (First)
to 4 (Fourth) instead
of 1 (First) to 2 (Second).
For more information about shifting for the best fuel
economy, see Manual Transmission Operation on
page 3-31.
Vehicle Features
Radio(s)
Top Knob (Power/Volume): Press to turn the system
on and off. Turn to increase or decrease the volume.
BAND: Press to switch between FM1, FM2, AM, and
if equipped, XM1 and XM2.
Oe:Turn to select radio stations.
Radio with CD
1-15

tSEEK u:Press to seek stations.
tSCAN u:Press and hold to scan stations.
4:Press to change the information that shows on the
display while listening to the radio.
For more information about these and other radio
features, see Audio System(s) on page 4-78 and
Radio(s) on page 4-79.
Setting Preset Stations
Up to 30 stations (six FM1, six FM2, and six AM, and if
equipped, six XM1, and six XM2) can be programmed.
To program presets:
1. Turn the radio on.
2. Press BAND to select FM1, FM2, AM, or
XM1orXM2.
3. Tune in the desired station.
4. Press AUTO EQ to select the equalization.
5. Press and hold one of the six numbered
pushbuttons until the radio beeps once.
6. Repeat the steps for each pushbutton.
See Radio(s) on page 4-79.
Setting the Clock
To set the clock:
1. Press and hold H until the correct hour displays.
2. Press and hold M until the correct minute displays.
See Setting the Clock on page 4-78.
Satellite Radio
XM is a satellite radio service that is based in the 48
contiguous United States and 10 Canadian provinces.
XM satellite radio has a wide variety of programming
and commercial-free music, coast-to-coast, and in
digital-quality sound.
A fee is required to receive the XM service.
For more information, refer to:
•www.xmradio.com or call 1-800-929-2100 (U.S.)
•www.xmradio.ca or call 1-877-438-9677 (Canada)
See “XM Satellite Radio Service” under Radio(s)
on page 4-79.
1-16

Portable Audio Devices
This vehicle may have an auxiliary input jack, located
on the audio faceplate. External devices such as iPod
®
,
MP3 players, etc. can be connected to the auxiliary
input jack using a 3.5 mm (1/8 in) input jack cable.
See “Using the Auxiliary Input Jack” under Radio(s) on
page 4-79.
Steering Wheel Controls
For vehicles with steering wheel controls, some audio
controls can be adjusted at the steering wheel.
bg:Press to turn on and off the vehicle speakers.
Press and hold longer than two seconds to interact with
the OnStar
®
or Bluetooth systems.
c:Press to reject an incoming call, or to end a call.
e+/e−:Increases or decreases volume.
w/x:Press to change radio stations or select
tracks on a CD.
1 to 6 (Preset Pushbuttons): Press to play stations
that are programmed on the radio preset pushbuttons.
For more information, see Audio Steering Wheel
Controls on page 4-104.
Bluetooth
®
For vehicles with an in-vehicle Bluetooth system,
it allows users with a Bluetooth enabled cell phone to
make and receive hands-free calls using the vehicle’s
audio system and controls.
The Bluetooth enabled cell phone must be paired with
the in-vehicle Bluetooth system before it can be used in
the vehicle. Not all phones will support all functions.
For more information visit www.gm.com/bluetooth.
For more information, see Bluetooth
®
on page 4-93.
1-17

Navigation System
The vehicle’s navigation system provides detailed maps
of most major freeways and roads throughout the
United States and Canada. After a destination has been
set, the system provides turn-by-turn instructions for
reaching the destination. In addition, the system
can help locate a variety of points of interest (POI),
such as banks, airports, restaurants, and more.
See the vehicle’s Navigation System manual for more
information.
Driver Information Center (DIC)
The DIC display is located at the bottom of the
instrument panel cluster. It shows the status of many
vehicle systems and enables access to the
personalization menu. The DIC buttons are located on the instrument panel to
the right of the instrument panel cluster.
1-18

.4:Press to display fuel information such as fuel
economy and range.
2:Press to display gage information like oil pressure
and temperature, coolant temperature, automatic
transmission fluid temperature (if equipped), battery
voltage, and front/rear tire pressures.
TRIP: Press to display your total and trip distance
driven, the elapsed time function, your average speed,
and the engine oil life.
OPTION: Press to choose personal options that are
available on your vehicle, depending on the options your
vehicle is equipped with, such as door locks, easy
entry seats, and language.
RESET: Press, along with the other buttons, to reset
system functions, select personal options, and turn off or
acknowledge messages on the DIC.
For more information, see Driver Information Center
(DIC) on page 4-46.
Vehicle Personalization
Some vehicle features can be programmed by using the
DIC buttons on the left side of the steering wheel.
The features that can be programmed include:
•Units
•Memory Features
•Lighting Features
•Lock and Unlock Feedback
•Door Lock and Unlock Settings
•Language
•Personalization Name
See DIC Vehicle Personalization on page 4-69.
1-19

Cruise Control
The cruise controls are
located at the end of the
multifunction lever.
9:Turns the system off.
R:Turns the system on.
+: Use to make the vehicle accelerate or resume a
previously set speed.
T:Press the button at the end of the lever to set
the speed.
See Cruise Control on page 4-7.
Power Outlets
The accessory power outlet can be used to connect
electrical equipment, such as a cellular phone.
The accessory power outlet is located inside the center
console storage compartment, on the forward left side.
To use the outlet, remove the tethered cap.
See Accessory Power Outlet(s) on page 4-20.
Roof Panel
On vehicles with a removable roof panel, there are
two release latches. One is located on the front of the
roof panel and the other is located on the back of
the roof panel. See Removing the Roof Panel on
page 3-52.
1-20

Until you are sure you can remove the roof panel by
yourself, have someone help you. Once removed,
the roof panel should always be stored properly in the
rear storage compartment.
For more information, see:
•Storing the Roof Panel on page 3-54.
•Installing the Roof Panel on page 3-55.
Convertible
If equipped, the convertible top can be lowered and
stowed under the tonneau cover behind the seats.
For step-by-step instructions, see Convertible Top
(Manual) on page 3-56 or Convertible Top (Power) on
page 3-63.
Performance and Maintenance
Traction Control System (TCS)
The traction control system limits wheel spin. The system
turns on automatically every time the vehicle is started.
•To turn off traction control, press and release don
the console. dilluminates and the appropriate DIC
message displays. See DIC Warnings and Messages
on page 4-51.
•Press and release the button again to turn on
traction control.
See Traction Control System (TCS) on page 5-6.
The vehicle has an Active Handling System that helps
maintain directional control of the vehicle in difficult
driving conditions. See Active Handling System
on page 5-8.
The vehicle may have Competitive Driving Mode
(except ZR1), Performance Traction Management (ZR1),
and Launch Control systems designed to allow
increased performance while accelerating and
cornering. See Competitive Driving Mode on page 5-9.
1-21

Towing
The vehicle was neither designed nor intended to be
towed with any of its wheels on the ground.
See Towing Your Vehicle on page 5-33 and
Recreational Vehicle Towing on page 5-33.
Tire Pressure Monitor
This vehicle may have a Tire Pressure Monitor
System (TPMS).
The Tire Pressure Monitor
alerts you when a
significant reduction in
pressure occurs in one or
more of the vehicle’s
tires by illuminating the low
tire pressure warning
light on the instrument
cluster.
The warning light will remain on until the tire pressure is
corrected. The proper tire pressures for your vehicle
are listed on the Tire and Loading Information label
located on the driver side center pillar (B pillar).
See Loading the Vehicle on page 5-28.
You may notice during cooler conditions that the low tire
pressure warning light will appear when the vehicle is
first started and then turn off as you drive. This may be
an early indicator that your tire pressures are getting
low and the tires need to be inflated to the proper
pressure.
Note: The Tire Pressure Monitor can alert you about
low tire pressure, but it does not replace normal monthly
tire maintenance. It is the driver’s responsibility to
maintain correct tire pressures.
See Tire Pressure Monitor System on page 6-74 and
Tire Pressure Monitor Operation on page 6-76.
Z06, Z16, and ZR1 Features
Checking Engine Oil
ZO6, Z16 (Grand Sport), and ZR1 models have a high
performance dry sump lubrication system. This
system operates differently than a standard engine
lubrication system. See Engine Oil on page 6-20.
You should check the oil level only after the engine has
been thoroughly warmed up and then shut off for at
least five minutes. This ensures that the oil level reading
obtained will be accurate.
1-22

Jump Starting the Battery
The battery of ZO6, Z16 (Grand Sport), and ZR1
models is in the rear of the vehicle. You do not need to
access the battery for jump starting. There are remote
positive (+) and negative (−) terminals under the
hood for this purpose. See Battery on page 6-52 and
Jump Starting on page 6-53.
Engine Oil Life System
The engine oil life system calculates engine oil life
based on vehicle use and displays a DIC message
when it is necessary to change the engine oil and filter.
The oil life system should be reset to 100% only
following an oil change.
Resetting the Oil Life System
1. Press the TRIP button so the OIL LIFE percentage
is displayed.
2. Press RESET and hold for two seconds. OIL LIFE
REMAINING 100% will appear.
See Engine Oil Life System on page 6-27.
Driving for Better Fuel Economy
Driving habits can affect fuel mileage. Here are some
driving tips to get the best fuel economy possible.
•Avoid fast starts and accelerate smoothly.
•Brake gradually and avoid abrupt stops.
•Avoid idling the engine for long periods of time.
•When road and weather conditions are appropriate,
use cruise control, if equipped.
•Always follow posted speed limits or drive more
slowly when conditions require.
•Keep vehicle tires properly inflated.
•Combine several trips into a single trip.
•Replace the vehicle’s tires with the same
TPC Spec number molded into the tire’s sidewall
near the size.
•Follow recommended scheduled maintenance.
1-23

Battery
This vehicle has a maintenance free battery. See
Battery on page 6-52 and Jump Starting on page 6-53.
For ZO6, ZR1, and Grand Sport models the battery
is located in the rear hatch/trunk area. Access to
the battery is not necessary to jump start the vehicle.
There are positive (+) and negative (−) terminals in the
engine compartment.
Roadside Assistance Program
U.S.: 1-800-CHEV-USA (1-800-243-8872)
TTY Users: 1-888-889-2438
Canada: 1-800-268-6800
As the owner of a new Chevrolet, you are automatically
enrolled in the Roadside Assistance program. This
program provides technically trained advisors who are
available 24 hours a day, 365 days a year, minor repair
information or towing arrangements.
Roadside Assistance and OnStar
If you have a current OnStar subscription, press the
OnStar button and the current GPS location will be sent
to an OnStar Advisor who will assess your problem,
contact Roadside Assistance, and relay exact location to
get you the help you need.
Online Owner Center
The Online Owner Center is a complimentary service
that includes online service reminders, vehicle
maintenance tips, online owner manual, special
privileges and more.
Sign up today at: www.gmownercenter.com/chevrolet
(U.S.) or www.gm.ca (Canada).
OnStar
®
OnStar
®
uses several innovative technologies and live
advisors to provide a wide range of safety, security,
navigation, diagnostics, and calling services.
Automatic Crash Response
In a crash, built in sensors can automatically alert an
OnStar advisor who is immediately connected to
the vehicle to see if you need help.
1-24

How OnStar Service Works
Q:This blue button connects you to a specially
trained OnStar advisor to verify your account information
and to answer questions.
]:Push this red emergency button to get priority help
from specially trained OnStar emergency advisors.
X:Push this button for hands-free, voice-activated
calling and to give voice commands for turn-by-turn
navigation.
Crisis Assist, Stolen Vehicle Assistance, Vehicle
Diagnostics, Remote Door Unlock, Roadside Assistance,
Turn-by-Turn Navigation and Hands-Free Calling are
available on most vehicles. Not all OnStar services are
available on all vehicles. For more information see
the OnStar Owner’s Guide or visit www.onstar.com
(U.S.) or www.onstar.ca (Canada), contact OnStar
at 1-888-4-ONSTAR (1-888-466-7827) or TTY
1-877-248-2080, or press Qto speak with an OnStar
advisor 24 hours a day, 7 days a week.
For a full description of OnStar services and system
limitations, see the OnStar Owner’s Guide in the
glove box.
OnStar service is subject to the OnStar terms and
conditions included in the OnStar Subscriber
Information.
OnStar service cannot work unless the vehicle is in a
place where OnStar has an agreement with a wireless
service provider for service in that area. OnStar service
also cannot work unless the vehicle is in a place
where the wireless service provider OnStar has hired for
that area has coverage, network capacity and reception
when the service is needed, and technology that is
compatible with the OnStar service. Not all services
are available everywhere, particularly in remote
or enclosed areas, or at all times.
The OnStar system can record and transmit vehicle
information. This information is automatically sent to an
OnStar call center when Qis pressed, ]is pressed,
or if the airbags or ACR system deploy. This information
usually includes the vehicle’s GPS location and, in
the event of a crash, additional information regarding
the crash that the vehicle was involved in (e.g. the
direction from which the vehicle was hit). When the
virtual advisor feature of OnStar hands-free calling is
used, the vehicle also sends OnStar the vehicle’s
GPS location so they can provide services where it
is located.
1-25

Location information about the vehicle is only available
if the GPS satellite signals are unobstructed and
available.
The vehicle must have a working electrical system,
including adequate battery power, for the OnStar
equipment to operate. There are other problems OnStar
cannot control that may prevent OnStar from providing
OnStar service at any particular time or place. Some
examples are damage to important parts of the vehicle
in a crash, hills, tall buildings, tunnels, weather or
wireless phone network congestion.
OnStar Steering Wheel Controls
This vehicle may have a Talk/Mute button that can be
used to interact with OnStar hands-free calling.
See Audio Steering Wheel Controls on page 4-104 for
more information.
On some vehicles, the mute button can be used to dial
numbers into voice mail systems, or to dial phone
extensions. See the OnStar Owner’s Guide for more
information.
Your Responsibility
Increase the volume of the radio if the OnStar advisor
cannot be heard.
If the light next to the OnStar buttons is red, the system
may not be functioning properly. Press Qand request
a vehicle diagnostic. If the light appears clear (no light is
appearing), your OnStar subscription has expired and
all services have been deactivated. Press Qto confirm
that the OnStar equipment is active.
1-26

Front Seats ......................................................2-2
Manual Seats ................................................2-2
Power Seats ..................................................2-3
Power Lumbar and Side Bolsters ......................2-3
Heated Seats .................................................2-4
Memory Seat, Mirrors and
Steering Wheel ...........................................2-4
Reclining Seatbacks ........................................2-6
Seatback Latches ...........................................2-8
Safety Belts .....................................................2-9
Safety Belts: They Are for Everyone .................2-9
How to Wear Safety Belts Properly .................2-14
Lap-Shoulder Belt .........................................2-23
Safety Belt Use During Pregnancy ..................2-25
Safety Belt Extender .....................................2-26
Child Restraints .............................................2-26
Older Children ..............................................2-26
Infants and Young Children ............................2-29
Child Restraint Systems .................................2-33
Lower Anchors and Tethers for Children
(LATCH) (Coupe and Convertible
Models Only) ............................................2-35
Lower Anchors and Tethers for Children
(LATCH) (Z06 and ZR1 Models Only) .............2-36
Securing a Child Restraint in the Right
Front Seat Position ....................................2-40
Airbag System ...............................................2-44
Where Are the Airbags? ................................2-46
When Should an Airbag Inflate? .....................2-48
What Makes an Airbag Inflate? .......................2-49
How Does an Airbag Restrain? .......................2-49
What Will You See After an Airbag Inflates? .....2-50
Passenger Sensing System ............................2-52
Servicing Your Airbag-Equipped Vehicle ...........2-58
Adding Equipment to Your Airbag-Equipped
Vehicle ....................................................2-58
Restraint System Check ..................................2-60
Checking the Restraint Systems ......................2-60
Replacing Restraint System Parts After
a Crash ...................................................2-61
Section 2 Seats and Restraint System
2-1

Front Seats
Manual Seats
{WARNING:
You can lose control of the vehicle if you try to
adjust a manual driver’s seat while the vehicle is
moving. The sudden movement could startle and
confuse you, or make you push a pedal when you
do not want to. Adjust the driver’s seat only when
the vehicle is not moving.
If the vehicle has a manual seat, it can be moved
forward or rearward.
1. Lift the bar to unlock
the seat.
2. Slide the seat to the
desired position and
release the bar.
Try to move the seat with your body to be sure the seat
is locked in place.
2-2

Power Seats
On vehicles with power seats:
•Move the control forward or rearward to adjust the
seat location.
•Move the front or rear of the control up or down to
adjust the seat cushion height.
Your seat position can be stored and recalled if you
have the memory option. See Memory Seat, Mirrors and
Steering Wheel on page 2-4.
Power Lumbar and Side Bolsters
On vehicles with power lumbar and side bolsters:
Move (A) forward or rearward to adjust lumbar support.
Move (B) up or down to adjust the side bolsters.
2-3

Heated Seats
On vehicles with heated seats, the buttons are located
on the center console.
The ignition must be on for this feature to work.
L:Press to turn the seat on at the high setting.
Press again to turn it to the low setting
9:Press to turn the system off.
Memory Seat, Mirrors and
Steering Wheel
On vehicles with the memory package, the controls are
located on the driver’s door.
1: Saves the seating position for driver 1.
2: Saves the seating position for driver 2.
B:Recalls the easy exit position.
The numbers on the back of the keyless access
transmitters correspond to the numbers on the memory
buttons.
To save seating positions in the memory:
1. Adjust the driver’s seat, both outside mirrors, and
the telescopic steering column to a comfortable
driving position.
2. Press and hold button 1 until two beeps let you
know that the position has been stored in the
memory.
A second seating, mirror, and telescopic steering
column position can be set by repeating the above steps
and pressing button 2.
To recall a memory position:
•On vehicles with an automatic transmission, press
and release the desired button.
If the vehicle is in P (Park), a single beep sounds
and the memory position is recalled after a
brief delay.
If the vehicle is not in P (Park), three beeps sound
and the memory position is not recalled.
2-4

•On vehicles with a manual transmission, when the
vehicle is on, the parking brake needs to be set to
recall the memory position. Press and release
the desired button.
A single beep sounds and the memory position is
recalled after a brief delay.
If the vehicle is on and the parking brake is not set,
three beeps sound and the memory position is
not recalled.
For vehicles with the Auto Memory Recall, see “Auto
Memory Recall” under DIC Vehicle Personalization
on page 4-69 for more information.
To stop recall movement of the memory feature,
press one of the power seat controls, power mirror
or memory buttons, or the telescopic steering
column switch.
Easy Exit Seat
B(Easy Exit Seat): This button is used to program
and recall the desired driver’s seat exit position.
To program an exit position:
1. Recall the desired driving position by pressing
button 1.
2. Adjust the seat and the telescopic steering column
position to a comfortable exit position.
3. Press and hold the exit button until two beeps
sound to let you know that the exit position is
now programmed.
A second exit position can be programmed by repeating
the above steps and pressing button 2.
To recall an exit position:
•On vehicles with an automatic transmission,
the vehicle needs to be in P (Park).
•On vehicles with a manual transmission,
the parking brake must be set.
B:Press to recall an exit position.
One beep will sound and the exit position for the
currently identified driver will be recalled.
For vehicles with the Auto Exit Recall, see “Auto Exit
Recall” under DIC Vehicle Personalization on page 4-69
for more information.
2-5

Reclining Seatbacks
{WARNING:
You can lose control of the vehicle if you try to
adjust a manual driver’s seat while the vehicle is
moving. The sudden movement could startle and
confuse you, or make you push a pedal when you
do not want to. Adjust the driver’s seat only when
the vehicle is not moving.
{WARNING:
If either seatback is not locked, it could move
forward in a sudden stop or crash. That could
cause injury to the person sitting there. Always
push and pull on the seatbacks to be sure they
are locked.
The seats have manual reclining seatbacks. The lever
used to operate them is located on the outboard side of
the seats.
To recline the seatback:
1. Lift the recline lever.
2. Lean back to position the seatback to where you
want it.
3. Release the lever to lock the seatback into place.
2-6

{WARNING:
Sitting in a reclined position when your vehicle is
in motion can be dangerous. Even if you buckle
up, your safety belts cannot do their job when you
are reclined like this.
The shoulder belt cannot do its job. In a crash,
you could go into it, receiving neck or other
injuries.
The lap belt cannot do its job either. In a crash the
belt could go up over your abdomen. The belt
forces would be there, not at your pelvic bones.
This could cause serious internal injuries.
For proper protection when the vehicle is in
motion, have the seatback upright. Then sit well
back in the seat and wear your safety belt
properly.
Do not have a seatback reclined if your vehicle is
moving.
2-7

Seatback Latches
To fold a seatback forward, lift the latch located on top
of the backside of the seat. The seatback locks
when folded down.
To return the seatback upright, lift up on the latch and
push the seatback rearward. The seatback must be
locked in place.
{WARNING:
If either seatback is not locked, it could move
forward in a sudden stop or crash. That could
cause injury to the person sitting there. Always
push and pull on the seatbacks to be sure they
are locked.
2-8

Safety Belts
Safety Belts: They Are for Everyone
This section of the manual describes how to use
safety belts properly. It also describes some things not
to do with safety belts.
{WARNING:
Do not let anyone ride where a safety belt cannot
be worn properly. In a crash, if you or your
passenger(s) are not wearing safety belts, the
injuries can be much worse. You can hit things
inside the vehicle harder or be ejected from the
vehicle. You and your passenger(s) can be
seriously injured or killed. In the same crash, you
might not be, if you are buckled up. Always fasten
your safety belt, and check that your passenger(s)
are restrained properly too.
{WARNING:
It is extremely dangerous to ride in a cargo area,
inside or outside of a vehicle. In a collision, people
riding in these areas are more likely to be
seriously injured or killed. Do not allow people to
ride in any area of your vehicle that is not
equipped with seats and safety belts. Be sure
everyone in your vehicle is in a seat and using a
safety belt properly.
This vehicle has indicators as a reminder to buckle the
safety belts. See Safety Belt Reminders on page 4-31
for additional information.
2-9

In most states and in all Canadian provinces, the law
requires wearing safety belts. Here is why:
You never know if you will be in a crash. If you do have
a crash, you do not know if it will be a serious one.
A few crashes are mild, and some crashes can be so
serious that even buckled up, a person would not
survive. But most crashes are in between. In many of
them, people who buckle up can survive and sometimes
walk away. Without safety belts, they could have
been badly hurt or killed.
After more than 40 years of safety belts in vehicles,
the facts are clear. In most crashes buckling up does
matter... a lot!
Why Safety Belts Work
When you ride in or on anything, you go as fast as
it goes.
Take the simplest vehicle. Suppose it is just a seat
on wheels.
2-10

Put someone on it. Get it up to speed. Then stop the vehicle. The rider
does not stop.
2-11

The person keeps going until stopped by something.
In a real vehicle, it could be the windshield... or the instrument panel...
2-12

or the safety belts!
With safety belts, you slow down as the vehicle does.
You get more time to stop. You stop over more distance,
and your strongest bones take the forces. That is why
safety belts make such good sense.
Questions and Answers About
Safety Belts
Q: Will I be trapped in the vehicle after a crash if I
am wearing a safety belt?
A: You could be — whether you are wearing a safety
belt or not. But your chance of being conscious
during and after an accident, so you can unbuckle
and get out, is much greater if you are belted.
And you can unbuckle a safety belt, even if you are
upside down.
Q: If my vehicle has airbags, why should I have to
wear safety belts?
A: Airbags are supplemental systems only; so they
work with safety belts — not instead of them.
Whether or not an airbag is provided, all occupants
still have to buckle up to get the most protection.
That is true not only in frontal collisions, but
especially in side and other collisions.
2-13

Q: If I am a good driver, and I never drive far from
home, why should I wear safety belts?
A: You may be an excellent driver, but if you are in a
crash — even one that is not your fault — you and
your passenger(s) can be hurt. Being a good
driver does not protect you from things beyond your
control, such as bad drivers.
Most accidents occur within 25 miles (40 km) of
home. And the greatest number of serious
injuries and deaths occur at speeds of less than
40 mph (65 km/h).
Safety belts are for everyone.
How to Wear Safety Belts Properly
This section is only for people of adult size.
Be aware that there are special things to know about
safety belts and children. And there are different
rules for smaller children and infants. If a child will be
riding in the vehicle, see Older Children on page 2-26
or Infants and Young Children on page 2-29.
Follow those rules for everyone’s protection.
It is very important for all occupants to buckle up.
Statistics show that unbelted people are hurt more often
in crashes than those who are wearing safety belts.
Occupants who are not buckled up can be thrown out of
the vehicle in a crash. And they can strike others in
the vehicle who are wearing safety belts.
First, before you or your passenger(s) wear a safety
belt, there is important information you should know.
2-14

Sit up straight and always keep your feet on the floor in
front of you. The lap part of the belt should be worn
low and snug on the hips, just touching the thighs.
In a crash, this applies force to the strong pelvic bones
and you would be less likely to slide under the lap
belt. If you slid under it, the belt would apply force on
your abdomen. This could cause serious or even
fatal injuries. The shoulder belt should go over the
shoulder and across the chest. These parts of the
body are best able to take belt restraining forces.
The shoulder belt locks if there is a sudden stop
or crash.
2-15

Q: What is wrong with this?
A: The shoulder belt is too loose. It will not give as
much protection this way.
{WARNING:
You can be seriously hurt if your shoulder belt is
too loose. In a crash, you would move forward too
much, which could increase injury. The shoulder
belt should fit snugly against your body.
2-16

Q: What is wrong with this?
A: The lap belt is too loose. It will not give nearly as
much protection this way.
{WARNING:
You can be seriously hurt if your lap belt is too
loose. In a crash, you could slide under the lap
belt and apply force on your abdomen. This could
cause serious or even fatal injuries. The lap belt
should be worn low and snug on the hips, just
touching the thighs.
2-17

Q: What is wrong with this?
A: The belt is buckled in the wrong buckle.
{WARNING:
You can be seriously injured if your belt is buckled
in the wrong place like this. In a crash, the belt
would go up over your abdomen. The belt forces
would be there, not on the pelvic bones. This
could cause serious internal injuries. Always
buckle your belt into the buckle nearest you.
2-18

Q: What is wrong with this?
A: The belt is over an armrest.
{WARNING:
You can be seriously injured if your belt goes over
an armrest like this. The belt would be much too
high. In a crash, you can slide under the belt.
The belt force would then be applied on the
abdomen, not on the pelvic bones, and that could
cause serious or fatal injuries. Be sure the belt
goes under the armrests.
2-19

Q: What is wrong with this?
A: The shoulder belt is worn under the arm. It should
be worn over the shoulder at all times.
{WARNING:
You can be seriously injured if you wear the
shoulder belt under your arm. In a crash, your
body would move too far forward, which would
increase the chance of head and neck injury.
Also, the belt would apply too much force to the
ribs, which are not as strong as shoulder bones.
You could also severely injure internal organs like
your liver or spleen. The shoulder belt should go
over the shoulder and across the chest.
2-20

Q: What is wrong with this?
A: The belt is behind the body.
{WARNING:
You can be seriously injured by not wearing the
lap-shoulder belt properly. In a crash, you would
not be restrained by the shoulder belt. Your body
could move too far forward increasing the chance
of head and neck injury. You might also slide
under the lap belt. The belt force would then be
applied right on the abdomen. That could cause
serious or fatal injuries. The shoulder belt should
go over the shoulder and across the chest.
2-21

Q: What is wrong with this?
A: The belt is twisted across the body.
{WARNING:
You can be seriously injured by a twisted belt. In a
crash, you would not have the full width of the belt
to spread impact forces. If a belt is twisted, make
it straight so it can work properly, or ask your
dealer/retailer to fix it.
2-22

Lap-Shoulder Belt
All seating positions in the vehicle have a
lap-shoulder belt.
The following instructions explain how to wear a
lap-shoulder belt properly.
1. Adjust the seat, if the seat is adjustable, so you can
sit up straight. To see how, see “Seats” in the
Index.
2. Pick up the latch plate and pull the belt across you.
Do not let it get twisted.
The lap-shoulder belt may lock if you pull the belt
across you very quickly. If this happens, let the belt
go back slightly to unlock it. Then pull the belt
across you more slowly.
If the shoulder portion of a passenger belt is pulled
out all the way, the child restraint locking feature
may be engaged. If this happens, let the belt
go back all the way and start again.
Engaging the child restraint locking feature in the
right front seating position may affect the passenger
sensing system. See Passenger Sensing System
on page 2-52 for more information.
3. Push the latch plate into the buckle until it clicks.
Pull up on the latch plate to make sure it is secure.
If the belt is not long enough, see Safety Belt
Extender on page 2-26.
Position the release button on the buckle so that
the safety belt could be quickly unbuckled if
necessary.
2-23

4. To make the lap part tight, pull up on the
shoulder belt.
It may be necessary to pull stitching on the safety
belt through the latch plate to fully tighten the
lap belt on smaller occupants.
To unlatch the belt, push the button on the buckle.
The belt should return to its stowed position.
Before a door is closed, be sure the safety belt is out
of the way. If a door is slammed against a safety
belt, damage can occur to both the safety belt and
the vehicle.
2-24

Safety Belt Pretensioners
This vehicle has safety belt pretensioners for the front
outboard occupants. Although the safety belt
pretensioners cannot be seen, they are part of the
safety belt assembly. They can help tighten the safety
belts during the early stages of a moderate to severe
frontal and near frontal crash if the threshold conditions
for pretensioner activation are met. And, for vehicles
with side impact airbags, safety belt pretensioners can
help tighten the safety belts in a side crash.
Pretensioners work only once. If the pretensioners
activate in a crash, they will need to be replaced, and
probably other new parts for the vehicle’s safety
belt system. See Replacing Restraint System Parts
After a Crash on page 2-61.
Safety Belt Use During Pregnancy
Safety belts work for everyone, including pregnant
women. Like all occupants, they are more likely to be
seriously injured if they do not wear safety belts.
A pregnant woman should wear a lap-shoulder belt,
and the lap portion should be worn as low as possible,
below the rounding, throughout the pregnancy.
The best way to protect the fetus is to protect the
mother. When a safety belt is worn properly, it is
more likely that the fetus will not be hurt in a crash.
For pregnant women, as for anyone, the key to making
safety belts effective is wearing them properly.
2-25

Safety Belt Extender
If the vehicle’s safety belt will fasten around you,
you should use it.
But if a safety belt is not long enough, your
dealer/retailer will order you an extender. When you go
in to order it, take the heaviest coat you will wear,
so the extender will be long enough for you.
To help avoid personal injury, do not let someone else
use it, and use it only for the seat it is made to fit.
The extender has been designed for adults. Never use
it for securing child seats. To wear it, attach it to the
regular safety belt. For more information, see the
instruction sheet that comes with the extender.
Child Restraints
Older Children
Older children who have outgrown booster seats should
wear the vehicle’s safety belts.
2-26

The manufacturer’s instructions that come with the
booster seat, state the weight and height limitations for
that booster. Use a booster seat with a lap-shoulder
belt until the child passes the below fit test:
•Sit all the way back on the seat. Do the knees bend
at the seat edge? If yes, continue. If no, return to
the booster seat.
•Buckle the lap-shoulder belt. Does the shoulder belt
rest on the shoulder? If yes, continue. If no, then
return to the booster seat.
•Does the lap belt fit low and snug on the hips,
touching the thighs? If yes, continue. If no, return to
the booster seat.
•Can proper safety belt fit be maintained for the
length of the trip? If yes, continue. If no, return
to the booster seat.
Q: What is the proper way to wear safety belts?
A: An older child should wear a lap-shoulder belt and
get the additional restraint a shoulder belt can
provide. The shoulder belt should not cross the face
or neck. The lap belt should fit snugly below the
hips, just touching the top of the thighs. This applies
belt force to the child’s pelvic bones in a crash.
It should never be worn over the abdomen, which
could cause severe or even fatal internal injuries in
a crash.
According to accident statistics, children and infants are
safer when properly restrained in rear seating positions
than in the front seating positions.
In a crash, children who are not buckled up can strike
other people who are buckled up, or can be thrown
out of the vehicle. Older children need to use safety
belts properly.
2-27

{WARNING:
Never do this.
Never allow two children to wear the same safety
belt. The safety belt can not properly spread the
impact forces. In a crash, the two children can be
crushed together and seriously injured. A safety
belt must be used by only one person at a time.
{WARNING:
Never do this.
Never allow a child to wear the safety belt with the
shoulder belt behind their back. A child can be
seriously injured by not wearing the lap-shoulder
belt properly. In a crash, the child would not be
restrained by the shoulder belt. The child could
move too far forward increasing the chance of
head and neck injury. The child might also slide
under the lap belt. The belt force would then be
applied right on the abdomen. That could cause
serious or fatal injuries. The shoulder belt should
go over the shoulder and across the chest.
2-28

Infants and Young Children
Everyone in a vehicle needs protection! This includes
infants and all other children. Neither the distance
traveled nor the age and size of the traveler changes
the need, for everyone, to use safety restraints. In fact,
the law in every state in the United States and in
every Canadian province says children up to some age
must be restrained while in a vehicle.
{WARNING:
Children can be seriously injured or strangled if a
shoulder belt is wrapped around their neck and
the safety belt continues to tighten. Never leave
children unattended in a vehicle and never allow
children to play with the safety belts.
Airbags plus lap-shoulder belts offer protection for
adults and older children, but not for young children and
infants. Neither the vehicle’s safety belt system nor
its airbag system is designed for them. Every time
infants and young children ride in vehicles, they should
have the protection provided by appropriate child
restraints.
Children who are not restrained properly can strike
other people, or can be thrown out of the vehicle.
2-29

{WARNING:
Never do this.
Never hold an infant or a child while riding in a
vehicle. Due to crash forces, an infant or a child
will become so heavy it is not possible to hold it
during a crash. For example, in a crash at only
40 km/h (25 mph), a 5.5 kg (12 lb) infant will
suddenly become a 110 kg (240 lb) force on a
person’s arms. An infant should be secured in an
appropriate restraint.
2-30

{WARNING:
Never do this.
Children who are up against, or very close to, any
airbag when it inflates can be seriously injured or
killed. Never put a rear-facing child restraint in
the right front seat. Secure a rear-facing child
restraint in a rear seat. It is also better to secure a
forward-facing child restraint in a rear seat. If you
must secure a forward-facing child restraint in the
right front seat, always move the front passenger
seat as far back as it will go.
2-31

Q: What are the different types of add-on child
restraints?
A: Add-on child restraints, which are purchased by the
vehicle’s owner, are available in four basic types.
Selection of a particular restraint should take
into consideration not only the child’s weight, height,
and age but also whether or not the restraint will
be compatible with the motor vehicle in which it will
be used.
For most basic types of child restraints, there are
many different models available. When purchasing a
child restraint, be sure it is designed to be used
in a motor vehicle. If it is, the restraint will have a
label saying that it meets federal motor vehicle
safety standards.
The restraint manufacturer’s instructions that come
with the restraint state the weight and height
limitations for a particular child restraint. In addition,
there are many kinds of restraints available for
children with special needs.
{WARNING:
To reduce the risk of neck and head injury during
a crash, infants need complete support. This is
because an infant’s neck is not fully developed
and its head weighs so much compared with
the rest of its body. In a crash, an infant in a
rear-facing child restraint settles into the restraint,
so the crash forces can be distributed across the
strongest part of an infant’s body, the back and
shoulders. Infants should always be secured in
rear-facing child restraints.
2-32

{WARNING:
A young child’s hip bones are still so small that
the vehicle’s regular safety belt may not remain
low on the hip bones, as it should. Instead, it may
settle up around the child’s abdomen. In a crash,
the belt would apply force on a body area that is
unprotected by any bony structure. This alone
could cause serious or fatal injuries. To reduce the
risk of serious or fatal injuries during a crash,
young children should always be secured in
appropriate child restraints.
Child Restraint Systems
A rear-facing infant
seat (A) provides restraint
with the seating surface
against the back of
the infant.
The harness system holds the infant in place and, in a
crash, acts to keep the infant positioned in the restraint.
A forward-facing child
seat (B) provides restraint
for the child’s body
with the harness.
2-33

A booster seat (C-D) is a child restraint designed to
improve the fit of the vehicle’s safety belt system.
A booster seat can also help a child to see out the
window.
Securing an Add-On Child Restraint in
the Vehicle
{WARNING:
A child can be seriously injured or killed in a crash
if the child restraint is not properly secured in the
vehicle. Secure the child restraint properly in the
vehicle using the vehicle’s safety belt or LATCH
system, following the instructions that came with
that child restraint and the instructions in this
manual.
To help reduce the chance of injury, the child restraint
must be secured in the vehicle. Child restraint systems
must be secured in vehicle seats by lap belts or the
lap belt portion of a lap-shoulder belt, or by the LATCH
system. See Lower Anchors and Tethers for Children
(LATCH) (Coupe and Convertible Models Only) on
page 2-35 or Lower Anchors and Tethers for Children
(LATCH) (Z06 and ZR1 Models Only) on page 2-36
for more information. A child can be endangered in a
crash if the child restraint is not properly secured in
the vehicle.
2-34

When securing an add-on child restraint, refer to the
instructions that come with the restraint which may be on
the restraint itself or in a booklet, or both, and to this
manual. The child restraint instructions are important, so
if they are not available, obtain a replacement copy
from the manufacturer.
Keep in mind that an unsecured child restraint can
move around in a collision or sudden stop and injure
people in the vehicle. Be sure to properly secure
any child restraint in the vehicle — even when no child
is in it.
Securing the Child Within the Child
Restraint
{WARNING:
A child can be seriously injured or killed in a crash
if the child is not properly secured in the child
restraint. Secure the child properly following the
instructions that came with that child restraint.
Lower Anchors and Tethers for
Children (LATCH) (Coupe and
Convertible Models Only)
Some child restraints have a LATCH system. As part of
the LATCH system, your child restraint may have
lower attachments and/or a top tether. The LATCH
system can help hold the child restraint in place during
driving or in a crash. Some vehicles have lower
and/or top tether anchors designed to secure a child
restraint with lower attachments and/or a top tether.
Some child restraints with a top tether are designed to
be used whether the top tether is anchored or not.
Other child restraints require that the top tether
be anchored. A national or local law may require that
the top tether be anchored.
In Canada, the law requires that forward-facing child
restraints have a top tether, and that the tether be
attached.
2-35

Your vehicle does not have lower anchors or top tether
anchors to secure a child restraint with the LATCH
system. If a national or local law requires that your top
tether be anchored, do not use a child restraint in
this vehicle because a top tether cannot be properly
anchored. You must use the safety belts to secure your
child restraint in this vehicle, unless a national or
local law requires that the top tether be anchored.
Refer to your child restraint instructions and instructions
in this manual for securing a child restraint using the
vehicle’s safety belts. See Securing a Child Restraint in
the Right Front Seat Position on page 2-40.
Lower Anchors and Tethers for
Children (LATCH) (Z06 and ZR1
Models Only)
Some child restraints have a LATCH system.
As part of the LATCH system, your child restraint
may have lower attachments and/or a top tether.
The LATCH system can help hold the child restraint
in place during driving or in a crash. Some vehicles have
lower and/or top tether anchors designed to secure a
child restraint with lower attachments and/or a top tether.
Your vehicle does not have lower anchors to
accommodate lower attachments. Your vehicle does
have a top tether anchor. If your child restraint has a
top tether, make sure your child restraint is properly
installed using the top tether anchor and the vehicle’s
safety belt. A child restraint must never be installed
using only the top tether and anchor. Refer to your
child restraint instructions and see Securing a Child
Restraint in the Right Front Seat Position on page 2-40
for instructions on securing your child restraint using
the vehicle’s safety belts.
In order to use the top tether anchors in your vehicle,
you need a child restraint equipped with a top tether.
The child restraint manufacturer will provide you
with instructions on how to use the child restraint and its
top tether. The following explains how to attach a
child restraint with the top tether in your vehicle.
2-36

A top tether (A, C) anchors the top of the child restraint
to the vehicle. A top tether anchor is built into the
vehicle. The top tether attachment (B) on the child
restraint connects to the top tether anchor in the vehicle
in order to reduce the forward movement and rotation
of the child restraint during driving or in a crash.
Your child restraint may have a single tether (A) or a
dual tether (C). Either will have a single attachment (B)
to secure the top tether to the anchor.
Some top tether-equipped child restraints are designed
for use with or without the top tether being attached.
Others require the top tether always to be attached.
In Canada, the law requires that forward-facing
child restraints have a top tether, and that the tether be
attached. Be sure to read and follow the instructions
for your child restraint.
If the child restraint does not have a top tether, one can
be obtained, in kit form, for many child restraints. Ask
the child restraint manufacturer whether or not a kit
is available.
2-37

Top Tether Anchor Locations
i(Top Tether Anchor):
Seating positions with
top tether anchors.
To assist you in locating
the top tether anchors,
the top tether anchor
symbol is located on the
trim cover.
The top tether anchor is located behind the
passenger seat.
2-38

Securing a Child Restraint with a Top Tether
{WARNING:
If a LATCH-type child restraint is not attached to
anchors, the child restraint will not be able to protect
the child correctly. In a crash, the child could be
seriously injured or killed. Install a LATCH-type
child restraint properly using the anchors, or use the
vehicle’s safety belts to secure the restraint,
following the instructions that came with the child
restraint and the instructions in this manual.
1. Secure the child restraint using the vehicle’s safety
belt. See Securing a Child Restraint in the Right
Front Seat Position on page 2-40.
2. If the child restraint manufacturer recommends that
the top tether be attached, attach and tighten the
top tether to the top tether anchor, if equipped.
Refer to the child restraint instructions and
the following steps:
2.1. Find the top tether anchor.
2.2. Press the ribbed area of the trim cover to
open the cover and expose the anchor.
2.3. Route, attach and tighten the top tether
according to your child restraint instructions
and the following instructions:
If the position you are
using has a fixed headrest
or head restraint and
you are using a single
tether, route the tether over
the headrest or head
restraint.
If the position you are
using has a fixed headrest
or head restraint and
you are using a dual tether,
route the tether around
the headrest or head
restraint.
3. Push and pull the child restraint in different
directions to be sure it is secure.
2-39

Securing a Child Restraint in the
Right Front Seat Position
This vehicle has airbags. In addition, the vehicle has a
passenger sensing system which is designed to
turn off the right front passenger frontal airbag and
seat-mounted side impact airbag (if equipped) under
certain conditions. See Passenger Sensing System on
page 2-52 and Passenger Airbag Status Indicator
on page 4-33 for more information, including important
safety information.
A label on the sun visor says, “Never put a rear-facing
child seat in the front.” This is because the risk to
the rear-facing child is so great, if the airbag deploys.
{WARNING:
A child in a rear-facing child restraint can be
seriously injured or killed if the right front passenger
airbag inflates. This is because the back of the
rear-facing child restraint would be very close to the
inflating airbag. A child in a forward-facing child
WARNING: (Continued)
WARNING: (Continued)
restraint can be seriously injured or killed if the
right front passenger airbag inflates and the
passenger seat is in a forward position.
Even if the passenger sensing system has turned
off the right front passenger frontal airbag, no
system is fail-safe. No one can guarantee that an
airbag will not deploy under some unusual
circumstance, even though it is turned off.
Secure rear-facing child restraints in a rear seat,
even if the airbag is off. If you secure a
forward-facing child restraint in the right front seat,
always move the front passenger seat as far back
as it will go. It is better to secure the child restraint
in a rear seat.
See Passenger Sensing System on page 2-52 for
additional information.
Rear-facing child restraints should not be installed in the
vehicle, even if the airbag(s) are off.
2-40

If the child restraint has the LATCH system, see Lower
Anchors and Tethers for Children (LATCH) (Coupe
and Convertible Models Only) on page 2-35 or Lower
Anchors and Tethers for Children (LATCH) (Z06
and ZR1 Models Only) on page 2-36 for how and where
to install the child restraint using LATCH. If a child
restraint is secured using a safety belt and it uses a top
tether, see Lower Anchors and Tethers for Children
(LATCH) (Coupe and Convertible Models Only)
on page 2-35 or Lower Anchors and Tethers for Children
(LATCH) (Z06 and ZR1 Models Only) on page 2-36
for top tether anchor locations.
Do not secure a child seat in a position without a top
tether anchor if a national or local law requires that the
top tether be anchored, or if the instructions that
come with the child restraint say that the top strap must
be anchored.
In Canada, the law requires that forward-facing child
restraints have a top tether, and that the tether be
attached.
You will be using the lap-shoulder belt to secure the
child restraint in this position. Follow the instructions that
came with the child restraint.
1. Move the seat as far back as it will go before
securing the forward-facing child restraint.
When the passenger sensing system has turned off
the right front passenger frontal airbag and
seat-mounted side impact airbag (if equipped),
the off indicator on the passenger airbag status
indicator should light and stay lit when you start the
vehicle. See Passenger Airbag Status Indicator
on page 4-33.
2. Put the child restraint on the seat.
3. Pick up the latch plate, and run the lap and shoulder
portions of the vehicle’s safety belt through or
around the restraint. The child restraint instructions
will show you how.
2-41

4. Push the latch plate into the buckle until it clicks.
Position the release button on the buckle so that
the safety belt could be quickly unbuckled if
necessary.
5. Pull the rest of the shoulder belt all the way out of
the retractor to set the lock.
2-42

6. To tighten the belt, push down on the child restraint,
pull the shoulder portion of the belt to tighten the
lap portion of the belt and feed the shoulder belt
back into the retractor. When installing a
forward-facing child restraint, you may find it
helpful to use your knee to push down on the
child restraint as you tighten the belt.
7. If the child restraint has a top tether, follow the
child restraint manufacturer’s instructions regarding
the use of the top tether. See Lower Anchors
and Tethers for Children (LATCH) (Coupe and
Convertible Models Only) on page 2-35 or Lower
Anchors and Tethers for Children (LATCH)
(Z06 and ZR1 Models Only) on page 2-36 for
more information.
8. Push and pull the child restraint in different
directions to be sure it is secure.
If the airbag or airbags are off, the off indicator in the
passenger airbag status indicator will come on and
stay on when the vehicle is started.
If a child restraint has been installed and the on
indicator is lit, see “If the On Indicator is Lit for a Child
Restraint ” under Passenger Sensing System on
page 2-52 for more information.
To remove the child restraint, unbuckle the vehicle
safety belt and let it return to the stowed position.
2-43

Airbag System
The vehicle has the following airbags:
•A frontal airbag for the driver.
•A frontal airbag for the right front passenger.
•A seat-mounted side impact airbag for the driver.
•A seat-mounted side impact airbag for the right front
passenger.
All of the airbags in the vehicle will have the word
AIRBAG embossed in the trim or on an attached label
near the deployment opening.
For frontal airbags, the word AIRBAG will appear on the
middle part of the steering wheel for the driver and
on the instrument panel for the right front passenger.
With seat-mounted side impact airbags, the word
AIRBAG will appear on the side of the seatback closest
to the door.
Airbags are designed to supplement the protection
provided by safety belts. Even though today’s airbags
are also designed to help reduce the risk of injury
from the force of an inflating bag, all airbags must inflate
very quickly to do their job.
Here are the most important things to know about the
airbag system:
{WARNING:
You can be severely injured or killed in a crash if
you are not wearing your safety belt — even if you
have airbags. Airbags are designed to work with
safety belts, but do not replace them. Also,
airbags are not designed to deploy in every crash.
In some crashes safety belts are your only
restraint. See When Should an Airbag Inflate?
on page 2-48.
Wearing your safety belt during a crash helps
reduce your chance of hitting things inside the
vehicle or being ejected from it. Airbags are
“supplemental restraints” to the safety belts.
Everyone in your vehicle should wear a safety belt
properly — whether or not there is an airbag for
that person.
2-44

{WARNING:
Airbags inflate with great force, faster than the blink
of an eye. Anyone who is up against, or very close
to, any airbag when it inflates can be seriously
injured or killed. Do not sit unnecessarily close to
the airbag, as you would be if you were sitting on
the edge of your seat or leaning forward. Safety
belts help keep you in position before and during a
crash. Always wear your safety belt, even with
airbags. The driver should sit as far back as possible
while still maintaining control of the vehicle.
Occupants should not lean on or sleep against the
door or side windows in seating positions with
seat-mounted airbags.
{WARNING:
Children who are up against, or very close to, any
airbag when it inflates can be seriously injured or
killed. Airbags plus lap-shoulder belts offer
WARNING: (Continued)
WARNING: (Continued)
protection for adults and older children, but not for
young children and infants. Neither the vehicle’s
safety belt system nor its airbag system is
designed for them. Young children and infants
need the protection that a child restraint system
can provide. Always secure children properly in
your vehicle. To read how, see Older Children
on page 2-26 or Infants and Young Children on
page 2-29.
There is an airbag
readiness light on the
instrument panel, which
shows the airbag symbol.
The system checks the airbag electrical system for
malfunctions. The light tells you if there is an electrical
problem. See Airbag Readiness Light on page 4-32
for more information.
2-45

Where Are the Airbags?
The driver frontal airbag is in the middle of the steering
wheel.
The right front passenger frontal airbag is in the
instrument panel on the passenger’s side.
2-46

The seat-mounted side impact airbags for the driver and
right front passenger are in the side of the seatbacks
closest to the door.
{WARNING:
If something is between an occupant and an airbag,
the airbag might not inflate properly or it might force
the object into that person causing severe injury or
even death. The path of an inflating airbag must
be kept clear. Do not put anything between an
occupant and an airbag, and do not attach or put
anything on the steering wheel hub or on or near
any other airbag covering.
Do not use seat accessories that block the inflation
path of a seat-mounted side impact airbag.
Driver Side shown, Passenger Side similar
2-47

When Should an Airbag Inflate?
Frontal airbags are designed to inflate in moderate to
severe frontal or near-frontal crashes to help reduce the
potential for severe injuries mainly to the driver’s or
right front passenger’s head and chest. However, they
are only designed to inflate if the impact exceeds a
predetermined deployment threshold. Deployment
thresholds are used to predict how severe a crash is
likely to be in time for the airbags to inflate and
help restrain the occupants.
Whether the frontal airbags will or should deploy is not
based on how fast your vehicle is traveling. It depends
largely on what you hit, the direction of the impact,
and how quickly your vehicle slows down.
Frontal airbags may inflate at different crash speeds.
For example:
•If the vehicle hits a stationary object, the airbags
could inflate at a different crash speed than if the
vehicle hits a moving object.
•If the vehicle hits an object that deforms, the
airbags could inflate at a different crash speed than
if the vehicle hits an object that does not deform.
•If the vehicle hits a narrow object (like a pole), the
airbags could inflate at a different crash speed
than if the vehicle hits a wide object (like a wall).
•If the vehicle goes into an object at an angle, the
airbags could inflate at a different crash speed
than if the vehicle goes straight into the object.
Thresholds can also vary with specific vehicle design.
Frontal airbags are not intended to inflate during vehicle
rollovers, rear impacts, or in many side impacts.
In addition, your vehicle has dual-stage frontal airbags.
Dual-stage airbags adjust the restraint according to
crash severity. Your vehicle has electronic frontal
sensors, which help the sensing system distinguish
between a moderate frontal impact and a more severe
frontal impact. For moderate frontal impacts, dual-stage
airbags inflate at a level less than full deployment.
For more severe frontal impacts, full deployment occurs.
Your vehicle may have one or two seat position
sensors, depending on what model you have. The seat
position sensor(s) enable the sensing system to
monitor the position of the driver seat (all models
except Z06 and ZR1) and the right front passenger seat
(all models). Seat position sensor(s) provide information
that is used to determine if the airbags should deploy
at a reduced level or at full deployment.
2-48

Your vehicle may or may not have seat-mounted side
impact airbags. See Airbag System on page 2-44.
Seat-mounted side impact airbags are intended to inflate
in moderate to severe side crashes. Seat-mounted
side impact airbags will inflate if the crash severity is
above the system’s designed threshold level. The
threshold level can vary with specific vehicle design.
Seat-mounted side impact airbags are not intended to
inflate in frontal impacts, near-frontal impacts, rollovers,
or rear impacts. A seat-mounted side impact airbag
is intended to deploy on the side of the vehicle that
is struck.
In any particular crash, no one can say whether an
airbag should have inflated simply because of the
damage to a vehicle or because of what the repair
costs were. For seat-mounted side impact airbags,
deployment is determined by the location and severity
of the side impact.
What Makes an Airbag Inflate?
In a deployment event, the sensing system sends an
electrical signal triggering a release of gas from
the inflator. Gas from the inflator fills the airbag
causing the bag to break out of the cover and deploy.
The inflator, the airbag, and related hardware are
all part of the airbag module.
Frontal airbag modules are located inside the steering
wheel and instrument panel. For vehicles with
seat-mounted side impact airbags, there are airbag
modules in the side of the front seatbacks closest
to the door.
How Does an Airbag Restrain?
In moderate to severe frontal or near frontal collisions,
even belted occupants can contact the steering wheel
or the instrument panel. In moderate to severe side
collisions, even belted occupants can contact the inside
of the vehicle.
Airbags supplement the protection provided by safety
belts. Frontal airbags distribute the force of the
impact more evenly over the occupant’s upper body,
stopping the occupant more gradually. Seat-mounted
side impact airbags distribute the force of the impact
more evenly over the occupant’s upper body.
But airbags would not help in many types of collisions,
primarily because the occupant’s motion is not
toward those airbags. See When Should an Airbag
Inflate? on page 2-48 for more information.
Airbags should never be regarded as anything more
than a supplement to safety belts.
2-49

What Will You See After an Airbag
Inflates?
After the frontal and seat-mounted side impact airbags
inflate, they quickly deflate, so quickly that some
people may not even realize the airbags inflated.
Some components of the airbag module may be hot for
several minutes. For location of the airbag modules,
see What Makes an Airbag Inflate? on page 2-49.
The parts of the airbag that come into contact with you
may be warm, but not too hot to touch. There may
be some smoke and dust coming from the vents in the
deflated airbags. Airbag inflation does not prevent
the driver from seeing out of the windshield or being
able to steer the vehicle, nor does it prevent people
from leaving the vehicle.
{WARNING:
When an airbag inflates, there may be dust in the
air. This dust could cause breathing problems for
people with a history of asthma or other breathing
trouble. To avoid this, everyone in the vehicle
should get out as soon as it is safe to do so.
If you have breathing problems but cannot get out
of the vehicle after an airbag inflates, then get
fresh air by opening a window or a door. If you
experience breathing problems following an airbag
deployment, you should seek medical attention.
The vehicle has a feature that may automatically unlock
the doors, turn the interior lamps on, turn on the
hazard warning flashers, and shut off the fuel system
after the airbags inflate. You can lock the doors, turn the
interior lamps off, and turn the hazard warning flashers
off by using the controls for those features.
2-50

{WARNING:
A crash severe enough to inflate the airbags may
have also damaged important functions in the
vehicle, such as the fuel system, brake and
steering systems, etc. Even if the vehicle appears
to be drivable after a moderate crash, there may
be concealed damage that could make it difficult
to safely operate the vehicle.
Use caution if you should attempt to restart the
engine after a crash has occurred.
In many crashes severe enough to inflate the airbag,
windshields are broken by vehicle deformation.
Additional windshield breakage may also occur from the
right front passenger airbag.
•Airbags are designed to inflate only once. After an
airbag inflates, you will need some new parts for
the airbag system. If you do not get them, the airbag
system will not be there to help protect you in
another crash. A new system will include airbag
modules and possibly other parts. The service
manual for your vehicle covers the need to replace
other parts.
•The vehicle has a crash sensing and diagnostic
module which records information after a crash.
See Vehicle Data Recording and Privacy on
page 8-18 and Event Data Recorders on page 8-19.
•Let only qualified technicians work on the airbag
system. Improper service can mean that the
airbag system will not work properly. See your
dealer/retailer for service.
2-51

Passenger Sensing System
The vehicle has a passenger sensing system for the
right front passenger position. The passenger airbag
status indicator will be visible in the rearview mirror
when the vehicle is started.
The words ON and OFF, or the symbol for on and off,
will be visible during the system check. When the
system check is complete, either the word ON or OFF,
or the symbol for on or off, will be visible. See
Passenger Airbag Status Indicator on page 4-33.
The passenger sensing system will turn off the right front
passenger frontal airbag and seat-mounted side impact
airbag under certain conditions. The driver airbags are
not affected by the passenger sensing system.
The passenger sensing system works with sensors that
are part of the right front passenger seat. The sensors
are designed to detect the presence of a properly-seated
occupant and determine if the right front passenger
frontal airbag and seat-mounted side impact airbag
should be enabled (may inflate) or not.
According to accident statistics, children are safer when
properly secured in a rear seat in the correct child
restraint for their weight and size. We recommend that
rear-facing child restraints not be transported in the
vehicle, even if the airbags are off.
United States
Canada
2-52

A label on the sun visor says, “Never put a rear-facing
child seat in the front.” This is because the risk to
the rear-facing child is so great, if the airbag deploys.
{WARNING:
A child in a rear-facing child restraint can be
seriously injured or killed if the right front passenger
airbag inflates. This is because the back of the
rear-facing child restraint would be very close to the
inflating airbag. A child in a forward-facing child
restraint can be seriously injured or killed if the right
front passenger airbag inflates and the passenger
seat is in a forward position.
WARNING: (Continued)
WARNING: (Continued)
Even if the passenger sensing system has turned
off the right front passenger frontal airbag and
seat-mounted side impact airbag (if equipped),
no system is fail-safe. No one can guarantee that
an airbag will not deploy under some unusual
circumstance, even though the airbag(s) are off.
Secure rear-facing child restraints in a rear seat,
even if the airbag(s) are off. If you secure a
forward-facing child restraint in the right front seat,
always move the front passenger seat as far back
as it will go. It is better to secure the child restraint
in a rear seat.
2-53

The passenger sensing system is designed to
turn off the right front passenger frontal airbag and
seat-mounted side impact airbag if:
•The right front passenger seat is unoccupied.
•The system determines that an infant is present in
a rear-facing infant seat.
•The system determines that a small child is present
in a child restraint.
•The system determines that a small child is present
in a booster seat.
•A right front passenger takes his/her weight off of
the seat for a period of time.
•The right front passenger seat is occupied by a
smaller person, such as a child who has outgrown
child restraints.
•Or, if there is a critical problem with the airbag
system or the passenger sensing system.
When the passenger sensing system has turned off the
right front passenger frontal airbag and seat-mounted
side impact airbag, the off indicator will light and stay lit
to remind you that the airbag(s) are off. See Passenger
Airbag Status Indicator on page 4-33.
The passenger sensing system is designed to turn on
(may inflate) the right front passenger frontal airbag and
seat-mounted side impact airbag anytime the system
senses that a person of adult size is sitting properly in
the right front passenger seat.
When the passenger sensing system has allowed the
airbag(s) to be enabled, the on indicator will light and
stay lit to remind you that the airbag or airbags are
active.
2-54

For some children who have outgrown child restraints
and for very small adults, the passenger sensing
system may or may not turn off the right front
passenger frontal airbag and seat-mounted side impact
airbag, depending upon the person’s seating posture
and body build. Everyone in the vehicle who has
outgrown child restraints should wear a safety belt
properly — whether or not there is an airbag for
that person.
{WARNING:
If the airbag readiness light ever comes on and
stays on, it means that something may be wrong
with the airbag system. To help avoid injury to
yourself or others, have the vehicle serviced right
away. See Airbag Readiness Light on page 4-32
for more information, including important safety
information.
If the On Indicator is Lit for a Child
Restraint
If a child restraint has been installed and the on
indicator is lit:
1. Turn the vehicle off.
2. Remove the child restraint from the vehicle.
3. Remove any additional items from the seat such as
blankets, cushions, seat covers, seat heaters, or
seat massagers.
4. Reinstall the child restraint following the directions
provided by the child restraint manufacturer and
refer to Securing a Child Restraint in the Right Front
Seat Position on page 2-40.
5. If, after reinstalling the child restraint and restarting
the vehicle, the on indicator is still lit, turn the
vehicle off. Then slightly recline the vehicle seatback
and adjust the seat cushion, if adjustable, to
make sure that the vehicle seatback is not pushing
the child restraint into the seat cushion.
6. Restart the vehicle.
If the on indicator is still lit, do not install a child
restraint in this vehicle and check with your
dealer/retailer.
2-55

If the Off Indicator is Lit for an
Adult-Size Occupant
If a person of adult-size is sitting in the right front
passenger seat, but the off indicator is lit, it could be
because that person is not sitting properly in the seat.
If this happens, use the following steps to allow the
system to detect that person and enable the right front
passenger frontal airbag and seat-mounted side
impact airbag:
1. Turn the vehicle off.
2. Remove any additional material from the seat, such
as blankets, cushions, seat covers, seat heaters, or
seat massagers.
3. Place the seatback in the fully upright position.
4. Have the person sit upright in the seat, centered on
the seat cushion, with legs comfortably extended.
5. Restart the vehicle and have the person remain in
this position for two to three minutes after the on
indicator is lit.
2-56

Additional Factors Affecting System
Operation
Safety belts help keep the passenger in position on the
seat during vehicle maneuvers and braking, which
helps the passenger sensing system maintain the
passenger airbag status. See “Safety Belts” and
“Child Restraints” in the Index for additional information
about the importance of proper restraint use.
If the shoulder portion of the belt is pulled out all the
way, the child restraint locking feature will be engaged.
This may unintentionally cause the passenger sensing
system to turn the airbag(s) off for some adult size
occupants. If this happens, let the belt go back all the
way and start again.
A thick layer of additional material, such as a blanket or
cushion, or aftermarket equipment such as seat
covers, seat heaters, and seat massagers can affect
how well the passenger sensing system operates.
We recommend that you not use seat covers or other
aftermarket equipment except when approved by GM for
your specific vehicle. See Adding Equipment to Your
Airbag-Equipped Vehicle on page 2-58 for more
information about modifications that can affect how the
system operates.
{WARNING:
Stowing of articles under the passenger seat or
between the passenger seat cushion and seatback
may interfere with the proper operation of the
passenger sensing system.
2-57

Servicing Your Airbag-Equipped
Vehicle
Airbags affect how the vehicle should be serviced.
There are parts of the airbag system in several places
around the vehicle. Your dealer/retailer and the
service manual have information about servicing the
vehicle and the airbag system. To purchase a service
manual, see Service Publications Ordering Information
on page 8-17.
{WARNING:
For up to 10 seconds after the ignition is turned off
and the battery is disconnected, an airbag can still
inflate during improper service. You can be injured
if you are close to an airbag when it inflates. Avoid
yellow connectors. They are probably part of the
airbag system. Be sure to follow proper service
procedures, and make sure the person performing
work for you is qualified to do so.
Adding Equipment to Your
Airbag-Equipped Vehicle
Q: Is there anything I might add to or change
about the vehicle that could keep the airbags
from working properly?
A: Yes. If you add things that change your vehicle’s
frame, bumper system, height, front end or side
sheet metal, they may keep the airbag system from
working properly. Changing or moving any parts
of the front seats, safety belts, the airbag sensing
and diagnostic module, steering wheel, instrument
panel, the inside review mirror, front sensors, or
airbag wiring can affect the operation of the airbag
system.
2-58

In addition, the vehicle has a passenger sensing
system for the right front passenger position,
which includes sensors that are part of the
passenger seat. The passenger sensing system
may not operate properly if the original seat trim is
replaced with non-GM covers, upholstery or
trim, or with GM covers, upholstery or trim designed
for a different vehicle. Any object, such as an
aftermarket seat heater or a comfort enhancing pad
or device, installed under or on top of the seat
fabric, could also interfere with the operation of the
passenger sensing system. This could either
prevent proper deployment of the passenger
airbag(s) or prevent the passenger sensing system
from properly turning off the passenger airbag(s).
See Passenger Sensing System on page 2-52.
If you have any questions about this, you should
contact Customer Assistance before you modify
your vehicle. The phone numbers and addresses
for Customer Assistance are in Step Two of
the Customer Satisfaction Procedure in this manual.
See Customer Satisfaction Procedure on page 8-2.
Q: Because I have a disability, I have to get my
vehicle modified. How can I find out whether
this will affect my airbag system?
A: If you have questions, call Customer Assistance.
The phone numbers and addresses for Customer
Assistance are in Step Two of the Customer
Satisfaction Procedure in this manual. See
Customer Satisfaction Procedure on page 8-2.
Your dealer/retailer and the service manual have
information about the location of the airbag sensors,
sensing and diagnostic module and airbag wiring.
2-59

Restraint System Check
Checking the Restraint Systems
Safety Belts
Now and then, check that the safety belt reminder light,
safety belts, buckles, latch plates, retractors, and
anchorages are all working properly.
Look for any other loose or damaged safety belt system
parts that might keep a safety belt system from doing
its job. See your dealer/retailer to have it repaired.
Torn or frayed safety belts may not protect you
in a crash. They can rip apart under impact forces.
If a belt is torn or frayed, get a new one right away.
Make sure the safety belt reminder light is working.
See Safety Belt Reminders on page 4-31 for more
information.
Keep safety belts clean and dry. See Care of Safety
Belts on page 6-95.
Airbags
The airbag system does not need regularly scheduled
maintenance or replacement. Make sure the airbag
readiness light is working. See Airbag Readiness Light
on page 4-32 for more information.
Notice: If an airbag covering is damaged, opened,
or broken, the airbag may not work properly.
Do not open or break the airbag coverings. If there
are any opened or broken airbag covers, have
the airbag covering and/or airbag module replaced.
For the location of the airbag modules, see What
Makes an Airbag Inflate? on page 2-49. See your
dealer/retailer for service.
2-60

Replacing Restraint System Parts
After a Crash
{WARNING:
A crash can damage the restraint systems in your
vehicle. A damaged restraint system may not
properly protect the person using it, resulting in
serious injury or even death in a crash. To help
make sure your restraint systems are working
properly after a crash, have them inspected and any
necessary replacements made as soon as possible.
If the vehicle has been in a crash, do you need new
safety belts or LATCH system (if equipped) parts?
After a very minor crash, nothing may be necessary.
But the safety belt assemblies that were used during any
crash may have been stressed or damaged. See your
dealer/retailer to have the safety belt assemblies
inspected or replaced.
If the vehicle has the LATCH system and it was being
used during a crash, you may need new LATCH
system parts.
New parts and repairs may be necessary even if the
safety belt or LATCH system (if equipped), was not
being used at the time of the crash.
If an airbag inflates, you will need to replace airbag
system parts. See the part on the airbag system earlier
in this section.
Have the safety belt pretensioners checked if the
vehicle has been in a crash, if the airbag readiness light
stays on after the vehicle is started, or while you are
driving. See Airbag Readiness Light on page 4-32.
2-61

✍NOTES
2-62

Keys ...............................................................3-3
Keyless Access System ...................................3-5
Keyless Access System Operation ....................3-5
Doors and Locks ............................................3-10
Door Locks ..................................................3-10
Power Door Locks ........................................3-12
Automatic Door Lock .....................................3-13
Programmable Automatic Door Unlock .............3-13
Lockout Protection ........................................3-13
Hatch ..........................................................3-14
Windows ........................................................3-16
Power Windows ............................................3-17
Sun Visors ...................................................3-18
Theft-Deterrent Systems ..................................3-18
Theft-Deterrent System ..................................3-18
Immobilizer ..................................................3-20
Immobilizer Operation ....................................3-20
Starting and Operating Your Vehicle ................3-21
New Vehicle Break-In ....................................3-21
Front Air Dam ..............................................3-22
Ignition Positions ..........................................3-22
Retained Accessory Power (RAP) ...................3-23
Starting the Engine .......................................3-24
Automatic Transmission Operation ...................3-26
Manual Transmission Operation ......................3-31
Parking Brake ..............................................3-33
Shifting Into Park
(Automatic Transmission) ............................3-33
Shifting Out of Park ......................................3-35
Parking the Vehicle
(Manual Transmission) ...............................3-35
Parking Over Things That Burn .......................3-35
Engine Exhaust ............................................3-36
Running the Vehicle While Parked ..................3-37
Mirrors ...........................................................3-38
Automatic Dimming Rearview Mirror ................3-38
Compass .....................................................3-38
Outside Power Mirrors ...................................3-40
Outside Automatic Dimming Mirror ..................3-40
Outside Convex Mirror ...................................3-40
Outside Heated Mirrors ..................................3-41
Universal Home Remote System ......................3-41
Universal Home Remote System Operation ......3-41
Section 3 Features and Controls
3-1

Storage Areas ................................................3-48
Glove Box ...................................................3-48
Cupholders ..................................................3-48
Center Console Storage .................................3-48
Floor Mats ...................................................3-48
Rear Storage Area ........................................3-49
Convenience Net ..........................................3-50
Cargo Cover ................................................3-51
Roof Panel .....................................................3-52
Removing the Roof Panel ..............................3-52
Storing the Roof Panel ..................................3-54
Installing the Roof Panel ................................3-55
Convertible Top ..............................................3-56
Convertible Top (Manual) ...............................3-56
Convertible Top (Power) ................................3-63
Section 3 Features and Controls
3-2

Keys
{WARNING:
Leaving children in a vehicle with the keyless
access transmitter is dangerous for many reasons,
children or others could be badly injured or even
killed. They could operate the power windows or
other controls or even make the vehicle move.
The windows will function with the keyless access
transmitter in the vehicle and they could be
seriously injured or killed if caught in the path of a
closing window. Do not leave the keyless access
transmitter in a vehicle with children.
3-3

The key, located inside the
keyless access transmitter,
can be used to lock and
unlock the glove box
and to open the
hatch/trunk lid if power
to the vehicle is lost.
See Hatch on page 3-14
for more information.
Press the button (A) near
the bottom of the keyless
access transmitter to
remove the key. Never pull
the key out without
pressing the button.
This vehicle has a keyless access system with
pushbutton start. See Ignition Positions on page 3-22
for information on starting the vehicle.
Notice: If you ever lose your transmitter(s) and/or
key, it could be difficult to get into your vehicle.
You may even have to damage your vehicle to get
in. Be sure you have a spare transmitter and/or key.
If you are locked out of the vehicle, contact Roadside
Assistance. See Roadside Assistance Program on
page 8-7.
3-4

Keyless Access System
See Radio Frequency Statement on page 8-20 for
information regarding Part 15 of the Federal
Communications Commission (FCC) Rules and
RSS-210/211 of Industry and Science Canada.
Changes or modifications to this system by other than
an authorized service facility could void authorization to
use this equipment.
If there is a decrease in the RKE operating range,
try this:
•Check the distance. The transmitter may be too far
from the vehicle. Stand closer during rainy or
snowy weather.
•Check the location. Other vehicles or objects may
be blocking the signal. Take a few steps to the
left or right, hold the transmitter higher, and
try again.
•Check the transmitter’s battery. See “Battery
Replacement” later in this section.
•If the transmitter is still not working correctly, see
your dealer/retailer or a qualified technician for
service.
Keyless Access System Operation
The Keyless Access System transmitter functions
work up to 30 m (100 feet) away from the vehicle.
Keyless Unlocking
Press the door handle sensor to unlock and open the
doors if the keyless access transmitter is within
range. See Door Locks on page 3-10 and “Passive
Door Unlock” under DIC Vehicle Personalization
on page 4-69 for additional information.
Keyless Locking
The doors lock after several seconds if all doors are
closed and at least one keyless access transmitter
has been removed from the interior of the vehicle.
To customize whether the doors automatically lock when
exiting the vehicle, see “Passive Door Locking” under
DIC Vehicle Personalization on page 4-69 for additional
information.
3-5

Keyless Trunk Opening
Press the hatch/trunk release button located on the rear
of the hatch/trunk lid above the license plate to open
the trunk if the keyless access transmitter is within
range. See Hatch on page 3-14 for additional
information.
There are other conditions that can affect the
performance of the transmitter. See Keyless Access
System on page 3-5 Keyless Access System.
This vehicle comes with
two transmitters.
Q(Lock): Press once to lock the doors. When Qis
pressed twice, the lights flash and the horn sounds
to confirm locking.
K(Unlock): Press once to unlock only the driver door.
Press Ktwice within five seconds to unlock both
doors. The interior lamps may come on.
Pressing Kalso recalls the memory settings.
See Memory Seat, Mirrors and Steering Wheel on
page 2-4 for more information.
}(Hatch/Trunk): Press and hold for about
one second to unlock the hatch/trunk. If the engine is
running, the shift lever must be in P (Park) for an
automatic transmission. For a manual transmission,
the shift lever must be in NEUTRAL with the parking
brake set.
L(Panic): Press to sound the horn. Press any other
button on the keyless access transmitter to stop it.
The vehicle comes with two transmitters. Each
transmitter will have a number on top of it, “1” or “2”.
These numbers correspond to the driver of the vehicle.
For example, the memory seat position for driver 1
will be recalled when using the transmitter labeled “1”,
if enabled through the DIC. See Memory Seat,
Mirrors and Steering Wheel on page 2-4 and DIC
Vehicle Personalization on page 4-69 for more
information.
3-6

Programming Transmitters to the
Vehicle
Only keyless access transmitters programmed to this
vehicle will work. If a transmitter is lost or stolen, a
replacement can be purchased and programmed
through your dealer/retailer. The vehicle can be
reprogrammed so that lost or stolen transmitters no
longer work. Each vehicle can have up to four
transmitters programmed to it.
Programming with a Recognized
Transmitter
A new transmitter can be programmed to the vehicle
when there is one recognized transmitter. For vehicles
sold in Canada, two recognized transmitters are
required to program a new transmitter.
1. The vehicle must be off.
2. Both the recognized and new transmitters must be
with you.
3. Insert the vehicle key into the key cylinder located
above the license plate.
4. Open the hatch/trunk.
5. Turn the key five times within five seconds.
6. The DIC displays READY FOR FOB #2, 3 or 4.
7. Place the new transmitter in the glove box
transmitter pocket with the buttons facing the
passenger side.
8. A beep sounds once programming in complete.
The DIC displays READY FOR #3 or 4, or
MAXIMUM NUMBER OF FOBS LEARNED.
9. To program additional transmitters, repeat Step 7.
Press Acc. on the ignition switch if programming is
complete.
10. Press Kon each newly programmed transmitter to
complete the process.
3-7

Programming without a Recognized
Transmitter
This procedure requires three ten minutes cycles to
complete the programming process. United States
owners are permitted to program a new transmitter to
their vehicle when a recognized transmitter is not
available. The Canadian immobilizer standard requires
that Canadian owners see their dealer/retailer for
programming new transmitters when two recognized
transmitters are not available.
1. The vehicle must be off.
2. Place the new transmitter in the glove box transmitter
pocket with the buttons facing the passenger side.
3. Insert the vehicle key into the key cylinder located
above the license plate.
4. Open the hatch/trunk.
5. Turn the key five times within five seconds.
6. The DIC message displays OFF-ACCESSORY
TO LEARN.
7. Press Acc. on the ignition switch.
8. The DIC reads WAIT 10 MINUTES and counts
down to zero.
9. The DIC displays OFF-ACCESSORY TO LEARN
again.
10. Press Acc. on the ignition switch.
11. Steps 8, 9 and 10 will be repeated two more times.
12. A beep sounds and the DIC reads READY FOR
FOB #1. All previously known transmitter
programming has been erased.
13. A beep sounds once programming in complete.
The DIC displays READY FOR FOB #2.
To program additional transmitters, take transmitter 1
out of the transmitter pocket and place transmitter 2
in the pocket. Up to four transmitters can be
programmed. The DIC then displays MAXIMUM
NUMBER OF FOBS LEARNED and exits the
programming mode.
Press Acc. on the ignition switch to complete the
process.
3-8

14. Press Acc. on the ignition switch if programming
is complete.
15. Press Kon each newly programmed transmitter
to complete the process.
Starting the Vehicle with a Low
Transmitter Battery
If the transmitter battery is weak, the DIC may display
NO FOBS DETECTED when trying to start the vehicle.
To start the vehicle, place the transmitter in the glove
box transmitter pocket with the buttons facing the
passenger side. Then, with the vehicle in P (Park) for
an automatic transmission, press the brake pedal
and /. If the vehicle has a manual transmission,
press the clutch and /. Replace the transmitter battery
as soon as possible. Change the transmitter battery
if the DIC displays FOB BATTERY LOW.
Battery Replacement
Notice: When replacing the battery, do not touch
any of the circuitry on the transmitter. Static from
your body could damage the transmitter.
1. Separate the transmitter with a flat, thin object
inserted into the slot on the side or back of the
transmitter.
2. Remove the old battery. Do not use a metal object.
3. Insert the new battery, positive side facing down.
Replace with a CR2032 or equivalent battery.
4. Reassemble the transmitter.
3-9

Doors and Locks
Door Locks
{WARNING:
Unlocked doors can be dangerous.
•Passengers — especially children — can
easily open the doors and fall out of a moving
vehicle. When a door is locked it will not
open. You increase the chance of being
thrown out of the vehicle in a crash if the
doors are not locked. So, wear safety belts
properly and lock the doors whenever
you drive.
WARNING: (Continued)
WARNING: (Continued)
•Young children who get into unlocked vehicles
may be unable to get out. A child can be
overcome by extreme heat and can suffer
permanent injuries or even death from heat
stroke. Always lock your vehicle whenever
you leave it.
•Outsiders can easily enter through an
unlocked door when you slow down or stop
your vehicle. Locking your doors can help
prevent this from happening.
There are several ways to lock and unlock your vehicle.
From the outside, press the lock or unlock button on
the keyless access transmitter.
3-10

When you have the transmitter with you, you may
also unlock and open the door by squeezing
the door handle sensor (A). You do not have to
press the unlock button on the transmitter.
You will be able to open the door when you press the
door handle sensor and the vehicle recognizes your
keyless access transmitter. When the passenger door is
opened first, the driver’s door will also unlock.
From the inside, use the power door lock switch (B)
located at the top of the door panel near both windows.
See Power Door Locks on page 3-12.
To open a door from the inside, press the button (C)
in front of the door handle and push the door open.
You will hear a tone when the button is pressed.
Door Open to Show Location of Door Handle Sensor
3-11

If power to the vehicle or the keyless access transmitter
is lost, there are two ways to open the door.
1. From inside the vehicle, use the door release
handle located on the floor next to each seat.
Pull the handle up to unlock and unlatch the door.
2. From outside the vehicle, use the key in the cylinder
above the license plate to open the hatch. Then, use
the door release tab (A), located on the carpet inside
the hatch on the driver’s side of the vehicle. Pull the
tab to unlock and unlatch the driver’s door. See Keys
on page 3-3 for information on opening the hatch
during a loss of power.
Power Door Locks
The power door lock switches are located on the doors.
There is an indicator light on the rear of the door
near the window.
K(Unlock): Press to unlock the doors.
When pressed, a beep sounds. If the door is closed, the
light blinks twice. If the door is open, the light flashes.
Q(Lock): Press to lock the doors.
When pressed, a beep sounds. If the door is closed
when pressed, the light comes on for a few seconds,
then turns off. If the door is open when pressed, the light
stays on.
3-12

Automatic Door Lock
The vehicle is programmed so that, when the doors are
closed, the ignition is on and the shift lever is moved
out of P (Park) for automatic transmissions, or when
vehicle speed becomes faster than 8 mph (13 km/h) for
manual transmissions, both doors will lock.
Use the power door unlock switch to unlock the door
when the vehicle is not in P (Park). When the door
is closed again, the doors will lock either when your
foot is removed from the brake or the vehicle speed
becomes faster than 8 mph (13 km/h).
Programmable Automatic Door
Unlock
The vehicle is programmed so that when the shift lever
is moved into P (Park) for automatic transmission
vehicles or when the ignition is turned OFF or is in
Retained Accessory Power (RAP) for manual
transmission vehicles, both doors will unlock.
With the vehicle stopped and the engine running, door
unlocking can be programmed through the Driver
Information Center (DIC). This allows the driver to
choose various unlock settings. For programming
information, see DIC Vehicle Personalization on
page 4-69.
Lockout Protection
Your vehicle can be programmed to sound the horn
three times and unlock the driver door when both doors
are closed and there is a keyless access transmitter
inside the vehicle. When the driver door is opened,
a reminder chime will sound continuously. The vehicle
will remain locked only when at least one transmitter has
been removed from the vehicle and both doors are
closed. See DIC Vehicle Personalization on page 4-69.
3-13

Hatch
{WARNING:
Exhaust gases can enter the vehicle if it is driven
with the liftgate, trunk/hatch open, or with any
objects that pass through the seal between the
body and the trunk/hatch or liftgate. Engine
exhaust contains Carbon Monoxide (CO) which
cannot be seen or smelled. It can cause
unconsciousness and even death.
If the vehicle must be driven with the liftgate, or
trunk/hatch open:
•Close all of the windows.
•Fully open the air outlets on or under the
instrument panel.
WARNING: (Continued)
WARNING: (Continued)
•Adjust the Climate Control system to a setting
that brings in only outside air and set the fan
speed to the highest setting. See Climate
Control System in the Index.
•If the vehicle is equipped with a power liftgate,
disable the power liftgate function.
For more information about carbon monoxide,
see Engine Exhaust on page 3-36.
Notice: Closing the hatch/trunk lid forcefully or
from the sides can cause damage to the glass, the
defogger or the weather stripping. Be sure objects
will fit in the hatch/trunk area before closing the
hatch/trunk lid. When closing the hatch/trunk
lid, gently pull down from the center.
Notice: Do not store heavy or sharp objects in
the rear storage compartments located in the
hatch/trunk area. The objects could damage the
underbody.
3-14

Hatch/Trunk Lid Release
There are several ways to release the hatch/trunk lid.
If your vehicle has an automatic transmission, the
shift lever must be in P (Park). For manual transmission
vehicles, the parking brake must be set when the
ignition is started for the hatch/trunk release to operate.
The parking brake does not need to be set when the
ignition is off for the hatch/trunk release to operate.
See Parking Brake on page 3-33.
V(Hatch/Trunk): Press the hatch/trunk lid release
button, located on the instrument panel to the left of the
steering wheel. The theft-deterrent alarm system
must not be armed.
}(Hatch/Trunk): Press the hatch/trunk lid release
button on the keyless access transmitter. See Keyless
Access System on page 3-5.
Press the hatch/trunk release button located on the rear
of the hatch/trunk lid above the license plate, as long
as you have your transmitter with you.
If your vehicle has lost battery power, open the
hatch/trunk using the vehicle key. See Keys on page 3-3
for more information. The key lock cylinder is located
on the rear of the hatch/trunk lid above the license plate.
Turn the vehicle key clockwise in the lock.
Closing the Rear Compartment
(Except Convertible)
To close the rear compartment lid of your coupe, pull
down on the rear edge of the lid. Lower it until the power
pull down latch feature activates and it will close the
rest of the way and latch automatically.
3-15

Emergency Trunk Release Handle
(Coupe)
Notice: Do not use the emergency trunk release
handle as a tie-down or anchor point when securing
items in the trunk as it could damage the handle.
The emergency trunk release handle is only
intended to aid a person trapped in a latched trunk,
enabling them to open the trunk from the inside.
There is a glow-in-the-dark emergency trunk release
handle located on the rear wall of the trunk below
the latch. This handle will glow following exposure to
light. Pull the release handle down to open the
trunk from the inside.
Windows
{WARNING:
Leaving children, helpless adults, or pets in a
vehicle with the windows closed is dangerous.
They can be overcome by the extreme heat and
suffer permanent injuries or even death from heat
stroke. Never leave a child, a helpless adult, or a
pet alone in a vehicle, especially with the windows
closed in warm or hot weather.
3-16

Power Windows
The power window switches are located on each door.
Pull up or press down on the front of the switch to
raise or lower the window.
Retained Accessory Power (RAP) allows you to use
the power windows when the ignition is off. For more
information, see Retained Accessory Power (RAP)
on page 3-23.
3-17

Express-Down Window
Press the front of the switch to the second position to
activate the express-down feature. If you want to stop the
window as it is lowering, press the switch again.
Window Indexing
This feature automatically lowers the window a small
amount when the door is opened. When the door is
closed, the window will raise to its full up position. If either
window does not index properly, it could be due to loss of
power. Before returning to your dealer/retailer for service,
perform the power window initialize procedure.
Power Window Initialize
After a power reconnect such as battery replacement,
the window index-up feature will not function until
the system is initialized.
Once power is restored:
1. Close the door.
2. Raise the window and hold the switch up for
three seconds after the window is closed.
3. Release the switch, then hold the switch up again
for three seconds and release.
Sun Visors
Pull the visor toward you, or move it to the side to help
reduce glare.
To use the lighted mirror, lift the cover.
Theft-Deterrent Systems
Vehicle theft is big business, especially in some cities.
This vehicle has theft-deterrent features, however,
they do not make it impossible to steal.
Theft-Deterrent System
This vehicle has a theft-deterrent alarm system.
The security light flashes if
a door is open and locked
with the power door
lock switch.
If this light stays on while the engine is running, the
vehicle needs service.
3-18

Arming the System
To arm the system:
•Press Qon the keyless access transmitter.
•Open the door and lock the door with the power
door lock switch. The security light should flash.
Remove the keyless access transmitter from inside
the vehicle and close the door. The security light
stops flashing and stays on. After 30 seconds,
the light should turn off.
The vehicle can be programmed to automatically
lock the doors and arm the theft-deterrent system
when you exit the vehicle. See DIC Vehicle
Personalization on page 4-69.
If a door or the hatch/trunk is opened without using
the keyless access transmitter, the alarm goes off.
The horn sounds for two minutes, then goes off to
save battery power. The vehicle will not start without a
keyless access transmitter present.
The theft-deterrent system does not arm if the driver
door is locked with the power door lock switch after the
doors are closed.
If the keyless access transmitter is removed from the
vehicle while a passenger is in it, have them lock
the doors after they are closed. The alarm will not arm,
so the passenger will not set it off.
Testing the Alarm
To test the system:
1. Make sure the trunk lid/hatch is latched.
2. Lower the window on the driver door.
3. Manually arm the system.
4. Close the doors and wait 30 seconds.
5. Reach through the open window and manually
pull the release lever on the floor.
6. Press the unlock button on the transmitter to turn
off the alarm.
If the alarm does not sound, check to see if the horn
works. The horn fuse may be blown. See Fuses
and Circuit Breakers on page 6-103. If the horn works,
but the alarm does not go off, see your dealer/retailer.
Disarming the System
Press the unlock button on the keyless access
transmitter or squeeze the door handle sensor while
the transmitter is near the vehicle to unlock a door.
Unlocking a door any other way sets off the alarm. If the
alarm sounds, press the unlock button on the keyless
access transmitter to disarm it.
Do not leave the key or device that disarms or
deactivates the theft deterrent system in the vehicle.
3-19

Immobilizer
See Radio Frequency Statement on page 8-20 for
information regarding Part 15 of the Federal
Communications Commission (FCC) Rules and
RSS-210/211 of Industry and Science Canada.
Immobilizer Operation
The vehicle has a passive theft-deterrent system.
The system is automatically armed when the ignition is
turned off.
The immobilization system is disarmed when the ignition
is turned to OFF/ACCESSORY or START and a valid
transmitter is found in the vehicle.
You do not have to manually arm or disarm the system.
The security light comes on if there is a problem with
arming or disarming the theft-deterrent system.
The system has one or more keyless access
transmitters that are matched to an immobilizer control
unit in the vehicle. Only a correctly matched keyless
access transmitter starts the vehicle. The vehicle
may not start if the keyless access transmitter is
damaged.
If the engine does not start and the security light comes
on, there may be a problem with the immobilizer
system. Press the START button again.
If the vehicle does not start and the keyless access
transmitter appears to be undamaged, try another
keyless access transmitter. Or, place the transmitter in
the transmitter pocket. See “NO FOBS DETECTED”
under DIC Warnings and Messages on page 4-51
for additional information. Check the fuse. See Fuses
and Circuit Breakers on page 6-103. If the engine
still does not start with the other transmitter, the vehicle
needs service. If the engine does start, the first
transmitter may be faulty. See your dealer/retailer or
have a new keyless access transmitter programmed to
the vehicle.
The immobilizer system can learn new or replacement
keyless access transmitters. Up to four keyless
access transmitters can be programmed for the vehicle.
To program additional transmitters, see “Matching
transmitter(s) to Your Vehicle” under Keyless Access
System Operation on page 3-5.
Do not leave the key or device that disarms or
deactivates the theft deterrent system in the vehicle.
3-20

Starting and Operating
Your Vehicle
New Vehicle Break-In
Follow these recommended guidelines during the first
1,500 miles/2414 km of driving this vehicle. Parts have a
break-in period and performance will be better in the
long run.
For the first 200 miles/322 km:
•To break in new tires, drive at moderate speeds and
avoid hard cornering for the first 200 miles/322 km.
•New brake linings also need a break- in period. Avoid
making hard stops during the first 200 miles/322 km.
This is recommended every time brake linings are
replaced.
For the first 500 miles/805 km:
•Avoid full throttle starts and abrupt stops.
•Do not exceed 4,000 engine rpm.
•Avoid driving at any one constant speed, fast or
slow, including the use of cruise control.
•Avoid downshifting to brake or slow the vehicle
when the engine speed will exceed 4000 RPM.
•Do not let the engine labor. Never lug the engine
in high gear at low speeds. With a manual
transmission, shift to the next lower gear. This rule
applies at all times, not just during the break-in
period.
For the first 1,500 miles/2414 km:
•Do not participate in track events, sport driving
schools, or similar activities during the first
1,500 miles/2414 km.
•Check engine oil with every refueling and add if
necessary. Oil and fuel consumption may be higher
than normal during the first 1,500 miles/2414 km.
3-21

Front Air Dam
The vehicle is equipped with a front air dam which has
minimal ground clearance.
Vehicles with the ZR-1 package also come with a
splitter made from carbon fiber.
{WARNING:
The splitter in the ZR-1 is made from carbon fiber.
When damaged, the exposed edges can be very
sharp. A person could be injured by these sharp
edges. Use caution when washing the vehicle,
coming in contact with, or removing damaged
carbon fiber parts. See your dealer/retailer for
replacement.
Under normal operation, these components will
occasionally contact some road surfaces (speed bumps,
driveway ramps, etc.). This can be heard inside the
vehicle as a scraping noise. This is normal and does not
indicate a problem.
Use care when approaching bumps or objects on road
surfaces and avoid them when possible.
Ignition Positions
The vehicle has an
electronic keyless ignition
with a pushbutton start.
In order to shift out of P (Park), the vehicle must be
running or in Acc. mode and the regular brake pedal
must be applied.
/(START): Press this button while your foot is on the
brake for an automatic transmission, or while pressing
in the clutch for a manual transmission, to start the
engine. If the vehicle is in OFF or Retained Accessory
Power (RAP) mode, the keyless access transmitter must
be inside the vehicle to start the engine.
3-22

9Acc. (OFF/ACCESSORY): When the engine is
on or the vehicle is in accessory power mode, it is
recommended that a manual transmission be placed
in R (Reverse). An automatic transmission must
be placed in P (Park). Then press the Acc. button to
turn the engine off and place the vehicle in RAP.
See “Retained Accessory Power (RAP)” later for more
information. If an automatic vehicle is not correctly
placed in P (Park) a SHIFT TO PARK message
will display on the Driver Information Center (DIC).
For more information, see DIC Warnings and Messages
on page 4-51.
When the engine is off, press this button to place the
vehicle in accessory mode. ACCESSORY MODE
ON will display on the Driver Information Center (DIC).
This mode allows you to use things like the radio
and the windshield wipers while the engine is off.
Use accessory mode if you must have the vehicle in
motion while the engine is off, for example, if the vehicle
is being pushed or towed.
After being in accessory mode for about 10 minutes, the
vehicle will automatically enter RAP or OFF, depending
on if the doors are opened or closed.
Retained Accessory Power (RAP)
These vehicle accessories can be used for up to
10 minutes after the engine is turned off:
•Audio System
•Power Windows
These features continue to work up to 10 minutes after
the engine is turned off or until either door is opened.
If a door is opened, the power windows and audio
system will shut off.
3-23

Starting the Engine
Move the shift lever to P (Park) or N (Neutral) for an
automatic transmission. For a manual transmission the
vehicle can be started in Neutral or any other gear
as long as the clutch pedal is pressed. To restart
a vehicle with a manual transmission when you are
already moving, use the Neutral position only. To restart
a vehicle with an automatic transmission when you
are already moving, use N (Neutral).
Notice: Do not try to shift to P (Park) if the vehicle
is moving. If you do, you could damage the
transmission. Shift to P (Park) only when the
vehicle is stopped.
The keyless access transmitter must be inside the
vehicle for the ignition to work.
Cell phone chargers can interfere with the operation of
the Keyless Access System. Battery chargers should
not be plugged in when starting or turning off the engine.
To start the vehicle, do the following:
1. For vehicles with an automatic transmission, with
your foot on the brake pedal, press the START
button located on the instrument panel. For vehicles
with a manual transmission, you must also press in
the clutch pedal while pressing the START button.
If there is not a keyless access transmitter in the
vehicle or if there is something causing interference
with it, the DIC will display NO FOBS DETECTED.
See DIC Warnings and Messages on page 4-51
for more information.
2. When the engine begins cranking, let go of the
button and the engine cranks automatically until
it starts. If the battery in the keyless access
transmitter is weak, the DIC displays FOB
BATTERY LOW. You can still drive the vehicle.
See “Battery Replacement” under Keyless Access
System Operation on page 3-5 for more information.
If the fob battery is dead, you need to insert the
fob into the fob slot to enable engine starting.
See “No Fobs Detected” under DIC Warnings and
Messages on page 4-51.
3. Do not race the engine immediately after starting it.
Operate the engine and transmission gently until
the oil warms up and lubricates all moving parts.
3-24

4. If the engine does not start and no DIC message is
displayed, wait 15 seconds before trying again to let
the cranking motor cool down.
If the engine does not start after 5-10 seconds,
especially in very cold weather (below −18°C
or 0°F), it could be flooded with too much gasoline.
Try pushing the accelerator pedal all the way to
the floor while cranking for up to 15 seconds
maximum. Wait at least 15 seconds between each
try, to allow the cranking motor to cool down.
When the engine starts, let go of the accelerator.
If the vehicle starts briefly but then stops again,
repeat these steps. This clears the extra gasoline
from the engine.
Notice: Cranking the engine for long periods of
time, by pressing the START button immediately
after cranking has ended, can overheat and damage
the cranking motor, and drain the battery. Wait at
least 15 seconds between each try, to allow the
cranking motor to cool down.
The vehicle has a Computer-Controlled Cranking
System. This feature assists in starting the engine and
protects components. Once cranking has been initiated,
the engine continues cranking for a few seconds or until
the vehicle starts. If the engine does not start, cranking
automatically stops after 15 seconds to prevent cranking
motor damage. To prevent gear damage, this system
also prevents cranking if the engine is already running.
Notice: The engine is designed to work with the
electronics in the vehicle. If electrical parts or
accessories are added, you could change the way
the engine operates. Before adding electrical
equipment, check with your dealer/retailer. If you
do not, the engine might not perform properly.
Any resulting damage would not be covered by the
vehicle warranty.
Stopping the Engine
If the vehicle has an automatic transmission, move the
shift lever to P (Park) and press and hold the Acc.
(Off/Accessory) button, located on the instrument panel,
until the engine shuts off. If the shift lever is not in
P (Park), the engine shuts off and the vehicle goes into
the Accessory Mode. The DIC displays SHIFT TO
PARK. Once the shifter is moved to P (Park), the vehicle
turns off. If the vehicle has a manual transmission,
it is recommended that you move the shift lever to
R (Reverse) and set the parking brake after you turn
off the engine by pressing and holding the Acc.
(Off/Accessory) button.
If the keyless access transmitter is not detected inside
the vehicle when it is turned to off, the DIC displays
NO FOB – OFF OR RUN?.
See DIC Warnings and Messages on page 4-51 for
more information.
3-25

Automatic Transmission Operation
There are several different
positions for the shift lever.
P (Park): This position locks the rear wheels. It is the
best position to use when starting the engine because
the vehicle cannot move easily.
{WARNING:
It is dangerous to get out of the vehicle if the shift
lever is not fully in P (Park) with the parking brake
firmly set. The vehicle can roll.
Do not leave the vehicle when the engine is
running unless you have to. If you have left the
engine running, the vehicle can move suddenly.
You or others could be injured. To be sure the
vehicle will not move, even when you are on fairly
level ground, always set the parking brake and
move the shift lever to P (Park). See Shifting Into
Park (Automatic Transmission) on page 3-33.
Be sure the shift lever is fully in P (Park) before starting
the engine.
The vehicle has an automatic transmission shift lock
control system. You have to fully apply the brakes and
then press the shift lever button before you can shift
from P (Park) when the vehicle is running. If you cannot
shift out of P (Park), ease pressure on the shift lever
and push the shift lever all the way into P (Park) as you
maintain brake application. Then press the shift lever
button and move the shift lever into another gear.
See Shifting Out of Park on page 3-35.
3-26

R (Reverse): Use this gear to back up.
Notice: Shifting to R (Reverse) while the vehicle is
moving forward could damage the transmission.
The repairs would not be covered by the vehicle
warranty. Shift to R (Reverse) only after the vehicle
is stopped.
To rock the vehicle back and forth to get out of snow,
ice, or sand without damaging the transmission,
see If Your Vehicle is Stuck in Sand, Mud, Ice, or Snow
on page 5-27.
N (Neutral): In this position, the engine does not
connect with the wheels. To restart the engine when the
vehicle is already moving, use N (Neutral) only. If the
vehicle needs towing, see Towing Your Vehicle on
page 5-33.
{WARNING:
Shifting into a drive gear while the engine is
running at high speed is dangerous. Unless your
foot is firmly on the brake pedal, the vehicle could
move very rapidly. You could lose control and hit
people or objects. Do not shift into a drive gear
while the engine is running at high speed.
Notice: Shifting out of P (Park) or N (Neutral) with
the engine running at high speed may damage
the transmission. The repairs would not be covered
by the vehicle warranty. Be sure the engine is
not running at high speed when shifting the vehicle.
D (Drive): This position is for normal driving. It provides
the best fuel economy. If you need more power for
passing, push the pedal down to achieve the desired
level of acceleration.
Downshifting the transmission in slippery road conditions
could result in skidding, see “Skidding” under Loss of
Control on page 5-18.
S (Sport Mode): When in S (Sport Mode), the
transmission will work as an automatic until you use the
Manual Paddle Shift Controls, which activates driver
manual gear selection. See Manual Paddle Shift later in
this section. While in S (Sport Mode), the transmission
will have more noticeable upshifts for sportier vehicle
performance.
3-27

Manual Paddle Shift
While in S (Sport Mode), the paddles located on the
steering wheel can be used to manually up-shift
or down-shift the transmission.
The Manual Paddle Shift system is activated from
S (Sport Mode) by pushing the paddle, above the
steering wheel spokes, to up-shift to the next gear, or
pulling on the paddle, behind the steering wheel spokes,
to down-shift to the next gear.
When accelerating the vehicle from a stop in snowy and
icy conditions, you may want to shift to 2 (Second) or
3 (Third) gear. A higher gear allows you to gain
more traction on slippery surfaces. If traction control is
active, upshifts are delayed to increase your control
of the vehicle. See Traction Control System (TCS) on
page 5-6.
The Manual Paddle Shift system can be deactivated
by moving the shifter from S (Sport Mode) back to
D (Drive), or by holding the up-shift button for more than
one second.
While the Manual Paddle Shift gear selection system is
active, the transmission will automatically downshift
through the gears as the vehicle slows. The transmission
will select 2 (Second) gear as the vehicle stops. From a
stop, the vehicle will start from and hold 2 (Second) gear
unless the driver manually paddle shifts into a different
gear or selects D (Drive). The driver can select 1 (First)
gear for maximum acceleration from a stop.
3-28

When using the Manual
Paddle Shift feature while
in S (Sport Mode), the
current gear will be
displayed in the Driver
Information (DIC), or the
Head-Up Display (HUD),
if the vehicle has either
of these features.
If the vehicle has a Navigation system, see “Head-Up
Display (HUD)” in the Index of the navigation manual.
The Manual Paddle Shift system will not allow either an
up-shift or a down-shift if the vehicle speed is too fast
or too slow, nor will it allow a start from 4 (Fourth)
or higher gear.
If up-shifting does not occur when needed, vehicle
speed will be limited to protect the engine.
When the transmission gear does not respond to a shift
change, the DIC will show an X over the gear display.
When a requested shift is
denied due to the speed
restrictions shown, the DIC
will momentarily show
an X over the gear display
and a chime will sound.
If the vehicle has a HUD, and the transmission gear
does not respond to a shift change, a chime will sound
and the HUD will momentarily show an X over the
gear display.
Manual Paddle Shift operation is available for use with
Cruise Control. See Cruise Control on page 4-7 for
more information.
The vehicle speeds required for Manual Paddle Shift
up-shifts depend on several vehicle inputs, which
will vary the allowed up-shift speed by a few mph (km/h).
3-29

For vehicles with a 2.56:1 Axle Ratio
(RPO GM8)
•Up-shifts to 4 (Fourth) gear require approximately
35 km/h (22 mph).
•Up-shifts to 5 (Fifth) gear require approximately
45 km/h (28 mph).
•Up-shifts to 6 (Sixth) gear require approximately
65 km/h (41 mph).
To prevent damage to the powertrain, Manual Paddle
downshifts to a lower gear cannot be done above certain
speeds. The maximum speed allowed for downshifting
of gears 1 (First) through 4 (Fourth) are:
•Into 4 (Fourth) gear over 250 km/h (155 mph)
•Into 3 (Third) gear over 188 km/h (117 mph)
•Into 2 (Second) gear over 120 km/h (75 mph )
•Into 1 (First) gear over 68 km/h (42 mph).
For vehicles with a 2.73:1 Axle Ratio
(RPO GU2)
•Up-shifts to 4 (Fourth) gear require approximately
31 km/h (19 mph).
•Up-shifts to 5 (Fifth) gear require approximately
39 km/h (24 mph).
•Up-shifts to 6 (Sixth) gear require approximately
57 km/h (35 mph).
To prevent damage to the powertrain, Manual Paddle
downshifts to a lower gear cannot be done above certain
speeds. The maximum speed allowed for downshifting
of gears 1 (First) through 4 (Fourth) are:
•Into 4 (Fourth) gear over 234 km/h (145 mph)
•Into 3 (Third) gear over 176 km/h (109 mph)
•Into 2 (Second) gear over 113 km/h (70 mph )
•Into 1 (First) gear over 64 km/h (40 mph).
If the driver does not request an upshift as the engine
speed approaches fuel shut off RPM, the engine
speed will be limited to protect the engine. See
Tachometer on page 4-31 for more information.
3-30

Manual Transmission Operation
This is the shift pattern for
the six-speed manual
transmission.
Here is how to operate the transmission:
1 (First): Press the clutch pedal and shift into 1 (First).
Then slowly let up on the clutch pedal as you press
the accelerator pedal.
You can shift into 1 (First) when you are going less than
40 mph (64 km/h). If you come to a complete stop
and it is hard to shift into 1 (First), put the shift lever in
Neutral and let up on the clutch. Press the clutch
pedal back down. Then shift into 1 (First).
2 (Second): Press the clutch pedal as you let up on
the accelerator pedal and shift into 2 (Second).
Then, slowly let up on the clutch pedal as you press
the accelerator pedal.
3 (Third), 4 (Fourth), 5 (Fifth) and 6 (Sixth): Shift into
3 (Third), 4 (Fourth), 5 (Fifth) and 6 (Sixth) the same
way you do for 2 (Second). Slowly let up on the clutch
pedal as you press the accelerator pedal.
To stop, let up on the accelerator pedal and press the
brake pedal. Just before the vehicle stops, press
the clutch pedal and the brake pedal, and shift to
Neutral.
Neutral: Use this position when you start or idle the
engine. The shift lever is in Neutral when it is centered
in the shift pattern, not in any gear.
R (Reverse): To back up, press down the clutch
pedal and shift into R (Reverse). Just apply pressure
to get the lever past 5 (Fifth) and 6 (Sixth) into
R (Reverse). Let up on the clutch pedal slowly while
pressing the accelerator pedal.
The six-speed manual transmission has a feature that
allows you to safely shift into R (Reverse) while the
vehicle is rolling at less than 3 mph (5 km/h). You will be
locked out if you try to shift into R (Reverse) while the
vehicle is moving faster than 3 mph (5 km/h).
3-31

Shift Speeds (Manual Transmission)
{WARNING:
If you skip a gear when you downshift, you could
lose control of the vehicle. You could injure
yourself or others. Do not shift down more than
one gear at a time when you downshift.
This chart shows when to shift to the next higher gear
for the best fuel economy.
Manual Transmission Recommended
Shift Speeds in mph (km/h)
Engine Acceleration Shift Speed
1to2 2to3 3to4 4to5 5to6
All
Engines 15 (24) 25 (40) 40 (64) 45 (72) 50 (80)
If the engine speed drops below 900 rpm, or if the
engine is not running smoothly, you should downshift to
the next lower gear. You may have to downshift two
or more gears to keep the engine running smoothly or
for good engine performance.
Notice: When shifting gears, do not move the shift
lever around unnecessarily. This may damage
the transmission. Shift directly into the next gear.
One to Four Shift Light
(Manual Transmission)
When this light comes on,
you can only shift from
1 (First) to 4 (Fourth)
instead of 1 (First) to
2 (Second).
See One-to-Four Shift Light (Manual Transmission) on
page 4-35 for more information.
Downshifting (Manual Transmission)
Do not downshift into the gear shown below at a speed
greater than shown in the table:
1 (First) 50 mph (80 km/h)
2 (Second) 74 mph (119 km/h)
3 (Third) 101 mph (163 km/h)
4 (Fourth) 130 mph (209 km/h)
Notice: If you skip more than one gear when you
downshift, or if you race the engine when you release
the clutch pedal while downshifting, you could
damage the engine, clutch, driveshaft or the
transmission. Do not skip gears or race the engine
when downshifting.
3-32

The six-speed transmission has a spring that centers
the shift lever near 3 (Third) and 4 (Fourth). This spring
helps you know which gear you are in when you are
shifting. Be careful when shifting from 1 (First) to
2 (Second) or downshifting from 6 (Sixth) to 5 (Fifth).
The spring will try to pull the shift lever toward 4 (Fourth)
and 3 (Third). Make sure you move the lever into
2 (Second) or 5 (Fifth). If you let the shift lever move in
the direction of the pulling, you may end up shifting
from 1 (First) to 4 (Fourth) or from 6 (Sixth) to 3 (Third).
Parking Brake
The parking brake lever is located to the right of the
center console.
To set the parking brake, hold the brake pedal down.
Pull the parking brake lever up. If the ignition is on,
the brake system warning light will come on.
To release the parking brake, hold the brake pedal
down. Then push the release button in as you move the
parking brake lever all the way down.
Notice: Driving with the parking brake on can
overheat the brake system and cause premature
wear or damage to brake system parts. Make sure
that the parking brake is fully released and the brake
warning light is off before driving.
Shifting Into Park
(Automatic Transmission)
{WARNING:
It can be dangerous to get out of the vehicle if the
shift lever is not fully in P (Park) with the parking
brake firmly set. The vehicle can roll. If you have
left the engine running, the vehicle can move
suddenly. You or others could be injured. To be
sure the vehicle will not move, even when you are
on fairly level ground, use the steps that follow.
1. Hold the brake pedal set the parking brake.
See Parking Brake on page 3-33 for more
information.
2. Move the shift lever into P (Park) by holding in the
button on the lever and pushing the lever all the
way toward the front of the vehicle.
3. Press the Acc. button (ignition switch) to turn the
engine off.
3-33

Leaving the Vehicle With the Engine
Running (Automatic Transmission)
{WARNING:
It can be dangerous to leave the vehicle with the
engine running. The vehicle could move suddenly
if the shift lever is not fully in P (Park) with the
parking brake firmly set. And, if you leave the
vehicle with the engine running, it could overheat
and even catch fire. You or others could be
injured. Do not leave the vehicle with the engine
running.
If you have to leave the vehicle with the engine running,
be sure the vehicle is in P (Park) and the parking
brake is firmly set before you leave it. After you have
moved the shift lever into P (Park), hold down the
regular brake pedal. See if you can move the shift lever
away from P (Park) without first pushing the button
on the lever. If you can, it means that the shift lever was
not fully locked into P (Park).
Torque Lock (Automatic Transmission)
If you are parking on a hill and you do not shift the
transmission into P (Park) properly, the weight of the
vehicle may put too much force on the parking pawl in
the transmission. You may find it difficult to pull the
shift lever out of P (Park). This is called “torque lock.”
To prevent torque lock, set the parking brake and
then shift into P (Park) properly before you leave the
driver seat. To find out how, see “Shifting Into P (Park)”
listed previously in this section.
When you are ready to drive, move the shift lever out of
P (Park) before you release the parking brake.
If torque lock does occur, you may need to have another
vehicle push yours a little uphill to take some of the
pressure from the transmission parking pawl, so you can
pull the shift lever out of P (Park).
3-34

Shifting Out of Park
Shift lock release prevents shifting out of P (Park)
unless the vehicle is running or in Accessory mode and
the brake pedal is applied.
The shift lock release is always functional except in
the case of an uncharged or low voltage (less than
9-volt) battery. See Jump Starting on page 6-53 for
more information.
To shift out of P (Park) use the following:
1. Apply the brake pedal.
2. Press the shift lever button.
3. Move the shift lever to the desired position.
If you still are unable to shift out of P (Park):
1. Fully release the shift lever button.
2. While holding down the brake pedal, press the shift
lever button again.
3. Move the shift lever to the desired position.
If you still cannot move the shift lever from P (Park),
consult your dealer/retailer or a professional towing
service.
Parking the Vehicle
(Manual Transmission)
Before you get out of the vehicle, move the shift lever
into R (Reverse) and firmly apply the parking brake.
Once the shift lever has been placed into R (Reverse)
with the clutch pedal pressed in, you can turn the ignition
off and release the clutch.
Parking Over Things That Burn
{WARNING:
Things that can burn could touch hot exhaust
parts under the vehicle and ignite. Do not park
over papers, leaves, dry grass, or other things that
can burn.
3-35

Engine Exhaust
{WARNING:
Engine exhaust contains Carbon Monoxide (CO)
which cannot be seen or smelled. Exposure to CO
can cause unconsciousness and even death.
Exhaust may enter the vehicle if:
•The vehicle idles in areas with poor ventilation
(parking garages, tunnels, deep snow that
may block underbody airflow or tail pipes).
•The exhaust smells or sounds strange or
different.
•The exhaust system leaks due to corrosion
or damage.
WARNING: (Continued)
WARNING: (Continued)
•The vehicle’s exhaust system has been
modified, damaged or improperly repaired.
•There are holes or openings in the vehicle
body from damage or after-market
modifications that are not completely sealed.
If unusual fumes are detected or if it is suspected
that exhaust is coming into the vehicle:
•Drive it only with the windows
completely down.
•Have the vehicle repaired immediately.
Never park the vehicle with the engine running in
an enclosed area such as a garage or a building
that has no fresh air ventilation.
3-36

Running the Vehicle While Parked
It is better not to park with the engine running. But if you
ever have to, here are some things to know.
{WARNING:
Idling a vehicle in an enclosed area with poor
ventilation is dangerous. Engine exhaust may
enter the vehicle. Engine exhaust contains Carbon
Monoxide (CO) which cannot be seen or smelled.
It can cause unconsciousness and even death.
Never run the engine in an enclosed area that has
no fresh air ventilation. For more information,
see Engine Exhaust on page 3-36.
{WARNING:
It can be dangerous to get out of the vehicle if the
automatic transmission shift lever is not fully in
P (Park) with the parking brake firmly set. The
vehicle can roll. Do not leave the vehicle when the
engine is running unless you have to. If you have
left the engine running, the vehicle can move
suddenly. You or others could be injured. To be
sure the vehicle will not move, even when you are
on fairly level ground, always set the parking
brake and move the shift lever to P (Park).
Follow the proper steps to be sure the vehicle will not
move. See Shifting Into Park (Automatic Transmission)
on page 3-33.
3-37

Mirrors
Automatic Dimming Rearview Mirror
The vehicle may have an automatic dimming inside
rearview mirror with a compass display and/or
map lamps, and OnStar
®
. The mirror automatically
changes to reduce glare from headlamps behind you.
A time delay feature prevents rapid changing from
the day to night positions while driving under lights and
through traffic.
If the vehicle has OnStar, there are three control buttons
located at the bottom of the mirror. See the OnStar
®
owner’s guide for more information on the services
OnStar
®
provides.
P(On/Off): The automatic dimming feature is activated
when the vehicle is started. Press and hold this button
for up to six seconds to turn this feature on or off.
T(Indicator Light): This light turns on when the
automatic dimming feature is active.
Map Lamps
If the mirror has map lamps, they are located at the
bottom of the mirror. To manually turn the lamps on or
off, press the button next to each lamp.
Cleaning the Mirror
Do not spray glass cleaner directly on the mirror.
Use a soft towel dampened with water.
Compass
Compass Operation
With the compass feature on, each time the vehicle is
started, the compass will take a few seconds to
adjust and display the current compass heading.
For example, NE is displayed for north-east.
3-38

Compass Calibration
Press Ponce to turn the compass display on or off.
If after several seconds the display does not show a
compass heading, there may be a strong magnetic field
interfering with the compass. Interference can be caused
by a magnetic antenna mount, note pad holder or similar
object. If the letter C or CAL appears in the compass
window, the compass needs calibration.
Depending on the mirror, in order to calibrate, CAL must
be displayed in the mirror compass windows. If CAL is
not displayed, press Pfor several seconds or until
CAL is displayed.
If the compass has map lamps, it can be placed in
calibration mode by pressing and holding the left map
light button until a C appears on the compass display.
The mirror compass can be calibrated by driving
the vehicle in circles at 5 mph (8 km/h) or less until the
display reads a direction.
Compass Variance
The mirror is set to zone eight. If you do not live in zone
eight or drive out of the area, the compass variance
needs to be changed to the appropriate zone.
To adjust for compass variance:
1. Find your current location and variance zone
number on the zone map that follows.
2. Press and hold Puntil a Z and a zone number
displays. The compass is now in zone mode.
3. Once the zone number displays, press P
repeatedly until you reach the correct zone number.
Stop pressing Pand the mirror returns to normal
operation.
3-39

Outside Power Mirrors
Controls for the outside power mirrors are located on
the driver door.
To adjust the mirrors:
1. Move the top selector control to the left or right to
select either the driver or passenger mirror.
2. Use the arrows located on the four-way control pad
to move the mirror in the desired direction.
3. Adjust each outside mirror so that a little of the
vehicle and the area behind it can be seen.
Keep the control in the center position when not
adjusting either outside mirror.
If the vehicle has the memory feature, a preferred mirror
position can be stored. See Memory Seat, Mirrors
and Steering Wheel on page 2-4.
Manually fold the mirrors inward to prevent damage
when going through an automatic car wash. To fold, pull
the mirror toward the vehicle. Push the mirror outward,
to return it to the original position.
Outside Automatic Dimming Mirror
If the vehicle has this feature, the driver side outside
mirror adjusts for the glare of headlamps behind
you. This feature is controlled by the on and off setting
on the inside rearview mirror.
Outside Convex Mirror
{WARNING:
A convex mirror can make things, like other
vehicles, look farther away than they really are.
If you cut too sharply into the right lane, you could
hit a vehicle on the right. Check the inside mirror or
glance over your shoulder before changing lanes.
3-40

The passenger side mirror is convex shaped. A convex
mirror’s surface is curved so more can be seen from
the driver seat.
Outside Heated Mirrors
<(Rear Window Defogger): Press to heat the mirrors.
See “Rear Window Defogger” under Dual Automatic
Climate Control System on page 4-21 for more
information.
Universal Home Remote
System
See Radio Frequency Statement on page 8-20 for
information regarding Part 15 of the Federal
Communications Commission (FCC) Rules and
RSS-210/211 of Industry and Science Canada.
The FCC Grant of Equipment Authorization Certificate
number is KOBGTV 06A.
The Canadian Registration ID number is 3521A-GTV06A.
Universal Home Remote System
Operation
On vehicles with this feature there are three round Light
Emitting Diode (LED) indicator lights above the Universal
Home Remote buttons, follow the instructions below.
This system provides a way to replace up to three
remote control transmitters used to activate devices
such as garage door openers, security systems,
and home automation devices.
Do not use this system with any garage door opener
that does not have the stop and reverse feature.
This includes any garage door opener model
manufactured before April 1, 1982.
3-41

Read the instructions completely before attempting to
program the transmitter. Because of the steps involved,
it may be helpful to have another person assist with
programming the transmitter.
Be sure to keep the original remote control transmitter
for use in other vehicles, as well as, for future
programming. Only the original remote control
transmitter is needed for Fixed Code programming.
The programmed buttons should be erased when the
vehicle is sold or the lease ends. See “Erasing Universal
Home Remote Buttons” later in this section.
Park the vehicle outside of the garage when
programming a garage door. Be sure that people and
objects are clear of the garage door or gate that is being
programmed.
Programming Universal Home
Remote — Rolling Code
For questions or help programming the Universal Home
Remote System, call 1-866-572-2728 or go to
learcar2u.com.
Most garage door openers sold after 1996 are Rolling
Code units.
Programming a garage door opener involves
time-sensitive actions, so read the entire procedure
before starting. Otherwise, the device will time out and
the procedure will have to be repeated.
To program up to three devices:
1. Press START or put the vehicle in accessory mode.
See Ignition Positions on page 3-22 for additional
information.
Programming can only occur when the vehicle is
running or in accessory mode.
2. From inside the vehicle, press the two outside
buttons at the same time for one to two seconds,
and immediately release them.
3-42

3. Locate in the garage, the garage door opener
receiver (motor-head unit). Locate the “Learn”
or “Smart” button. It can usually be found where the
hanging antenna wire is attached to the motor-head
unit and may be a colored button. Press this
button. After pressing this button, complete the
following steps in less than 30 seconds.
4. Immediately return to the vehicle. Press and hold
the Universal Home Remote button that will be
used to control the garage door until the garage
door moves. The indicator light, above the selected
button, should slowly blink. This button may
need to be held for up to 20 seconds.
5. Immediately, within one second, release the button
when the garage door moves. The indicator light
blinks rapidly until programming is complete.
6. Press and release the same button again.
The garage door should move, confirming
that programming is successful and complete.
To program another Rolling Code device such as an
additional garage door opener, a security device,
or home automation device, repeat Steps 1-6, choosing
a different function button in Step 4 than what was
used for the garage door opener.
If these instructions do not work, the garage door
opener is probably a Fixed Code unit. Follow the
Programming instructions that follow for a Fixed Code
garage door opener.
3-43

Programming Universal Home
Remote — Fixed Code
For questions or help programming the Universal
Home Remote System, call 1-866-572-2728 or go to
learcar2u.com.
Most garage door openers sold before 1996 are
Fixed Code units.
Programming a garage door opener involves
time-sensitive actions, so read the entire procedure
before starting. Otherwise, the device will time out and
the procedure will have to be repeated.
To program up to three devices:
1. Press START or put the vehicle in accessory mode.
See Ignition Positions on page 3-22 for additional
information.
Programming can only occur when the vehicle is
running or in accessory mode.
2. To verify that the garage door opener is a Fixed
Code unit, remove the battery cover on the hand
held transmitter supplied by the manufacturer of the
garage door opener motor. If there are a row of
dip switches similar to the graphic above, the
garage door opener is a Fixed Code unit. If you do
not see a row of dip switches, return to the
previous section for Programming Universal Home
Remote – Rolling Code.
The hand held transmitter can have between
eight to 12 dip switches depending on the brand of
transmitter.
3-44

The garage door opener receiver (motor head unit)
could also have a row of dip switches that can
be used when programming the Universal Home
Remote. If the total number of switches on the motor
head and hand held transmitter are different, or if
the dip switch settings are different, use the
dip switch settings on the motor head unit to
program the Universal Home Remote. The motor
head dip switch settings can also be used when the
original hand held transmitter is not available.
The panel of switches might not appear exactly as
they do in the examples above, but they should
be similar.
The switch positions on the hand-held transmitter
could be labeled, as follows:
•A switch in the up position could be labeled as
“Up,” “+,” or “On.”
•A switch in the down position could be labeled
as “Down,” “−,” or “Off.”
•A switch in the middle position could be labeled
as “Middle,” “0,” or “Neutral.”
Example of Eight Dip Switches with Two Positions
Example of Eight Dip Switches with Three Positions
3-45

3. Write down the eight to 12 switch settings from
left to right as follows:
•When a switch is in the up position, write “Left.”
•When a switch is in the down position, write
“Right.”
•If a switch is set between the up and down
position, write “Middle.”
The switch settings written down in Step 3
now become the button strokes to be entered
into the Universal Home Remote in Step 5.
Be sure to enter the switch settings written down
in Step 3, in order from left to right, into the
Universal Home Remote, when completing
Step 5.
4. From inside the vehicle, first firmly press all three
buttons at the same time for about three seconds.
Release the buttons to put the Universal Home
Remote into programming mode.
5. The indicator lights blink slowly. Enter each switch
setting from Step 3 into the vehicle’s Universal
Home Remote. You have two and one-half minutes
to complete Step 5. Now press one button on
the Universal Home Remote for each switch setting
as follows:
•If you wrote “Left,” press the left button in the
vehicle.
•If you wrote “Right,” press the right button in the
vehicle.
•If you wrote “Middle,” press the middle button in
the vehicle.
3-46

6. After entering all of the switch positions, again,
firmly press and release all three buttons at the
same time. The indicator lights turn on.
7. Press and hold the button that will be used to
control the garage door until the garage door
moves. The indicator light above the selected button
should slowly blink. This button may need to be
held for up to 55 seconds.
8. Immediately release the button when the garage
door moves. The indicator light blinks rapidly until
programming is complete.
9. Press and release the same button again.
The garage door should move, confirming
that programming is successful and complete.
To program another Fixed Code device such as an
additional garage door opener, a security device,
or home automation device, repeat Steps 1-9, choosing
a different button in Step 7 than what was used for
the garage door opener.
Using Universal Home Remote
Press and hold the appropriate button for at least
half of a second. The indicator light comes on while the
signal is being transmitted.
Operation can occur:
•If the vehicle is in accessory mode.
•If the vehicle is in running.
•If the vehicle is in Retained Accessory Mode (RAP).
See Retained Accessory Power (RAP) on page 3-23
for more information.
•Up to an additional 10 minutes after RAP finishes.
•Up to 10 minutes after any door is opened.
Reprogramming Universal Home
Remote Buttons
Any of the three buttons can be reprogrammed by
repeating the instructions.
3-47

Erasing Universal Home Remote
Buttons
The programmed buttons should be erased when the
vehicle is sold or the lease ends.
To erase either Rolling Code or Fixed Code on the
Universal Home Remote device:
1. Press and hold the two outside buttons at the same
time for approximately 20 seconds, until the
indicator lights, located directly above the buttons,
begin to blink rapidly.
2. Once the indicator lights begin to blink, release both
buttons. The codes from all buttons are erased.
For help or information on the Universal Home Remote
System, call the customer assistance phone number
under Customer Assistance Offices on page 8-6.
Storage Areas
Glove Box
Open the glove box by lifting up on the lever. Use the
key to lock and unlock the lighted glove box.
Cupholders
Two cupholders are located on the center console next
to the shift lever. Slide the handle from the left to the
right side to access the lid.
Center Console Storage
To use this storage area, pull the cover up on the driver
side front edge of the console and swing it to the
passenger side.
Floor Mats
The floor mats are specially designed to remain in
position under your feet and out of reach of the
accelerator pedal. The driver’s side floor mat is held in
place by two locator hooks and the passenger’s
side is held in place by one.
3-48

Be sure that the driver’s side floor mat is properly
placed on the floor so that it does not block the
movement of the accelerator pedal.
How to Remove and Replace the
Floor Mats
To remove the floor mats,
pull up on the rear of the
mat to disconnect from
the locator hooks.
To reinstall the floor mats, line up the openings in the
floor mat over the locator hooks and push down
into place.
Rear Storage Area
Two rear storage compartments are located in the floor
of the rear hatch/trunk area.
To access a storage compartment, pull up to open the
cover. The covers cannot be removed.
For Z06, ZR1 and Grand Sport models, the right rear
compartment stores the battery and cannot be used
for storage.
Notice: Do not store heavy or sharp objects in the
rear storage compartments located in the hatch/trunk
area. The objects could damage the underbody.
Convertible shown, Coupe similar
3-49

Rear Trunk Partition
For vehicles with the power convertible top option only,
there is a trunk partition to keep cargo from getting
in the way of the convertible top. The trunk partition
must be in place for the convertible top to move. If the
trunk partition is not properly in place the ATTACH
TRUNK PARTITION Driver Information Center (DIC)
message displays. See DIC Warnings and Messages
on page 4-51 for more information.
The trunk partition is a flat carpeted board with a
horizontal flap that can be attached to the top of the
trunk to divide the storage compartment or it stores flat
when not in use.
Pull the divider up and snap it onto the snaps on both
sides of the trunk.
Convenience Net
Use the convenience net, located in the rear, to store
small loads as far forward as possible. The net should
not be used to store heavy loads.
3-50

Cargo Cover
For vehicles with this feature, the security shade can
provide hidden storage in the rear area of the vehicle.
The shade is also helpful in blocking the glare from
the removable roof when it is stored in the rear
compartment.
Using the Cargo Cover
1. Hook the elastic loops
on the front corners (A)
of the shade to the
T-nuts located on the
front corners of the rear
hatch frame.
2. Hook the elastic loops on the rear corners (B) of the
shade to the hooks recessed inside the rear hatch
frame, near the rear corners.
3. Grasp the loop at the rear center of the shade and
wrap it around the striker assembly.
4. Push the loop to the
top of the striker
(base plate).
3-51

Roof Panel
On vehicles with a removable roof panel, follow the
procedures when removing or installing it.
Removing the Roof Panel
{WARNING:
Do not try to remove a roof panel while the vehicle
is moving. Trying to remove the roof panel while
the vehicle is moving could cause an accident.
The panel could fall into the vehicle and cause
you to lose control, or it could fly off and strike
another vehicle. You or others could be injured.
Remove the roof panel only when the vehicle is
parked.
Until you are sure you can remove the panel alone,
have someone help you.
Notice: If you drop or rest a roof panel on its
edges, the roof panel, paint and/or weatherstripping
may be damaged. Always place the roof panel in
the stowage receivers after removing it from
the vehicle.
1. Park on a level surface and set the parking brake.
Shift an automatic transmission into P (Park).
Shift a manual transmission into N (Neutral).
2. Make sure the ignition is off.
3. Lower both sun visors.
4. Open the rear hatch and remove any items that
may interfere with proper storage of the roof
panel.
5. Lower the windows.
There are two release latches on the front of the
roof panel and one rear release latch on the back
of the roof panel.
3-52

6. To unlock the release latches on the front of the
roof panel, grasp each handle and pull it outward. The driver’s side handle moves toward the driver’s
door. The passenger’s side handle moves toward
the passenger’s door.
3-53

7. To unlock the rear of
the roof panel’s rear
release latch, press the
back of the release
handle (B). Then press
the button on the
front of the release
handle (A).
Pull down the latch lever.
8. Stand on one side of the vehicle, and if necessary,
have someone stand on the other side. Together,
carefully lift the front edge of the roof panel up
and forward.
9. When the roof panel is loosened from the vehicle,
one person should grasp the roof panel as close to
the center as possible and lift it away from the
vehicle.
Storing the Roof Panel
{WARNING:
If a roof panel is not stored properly, it could be
thrown about the vehicle in a crash or sudden
maneuver. People in the vehicle could be injured.
Whenever you store a roof panel in the vehicle,
always be sure that it is stored securely in the
proper location.
Notice: If you drop or rest a roof panel on its edges,
the roof panel, paint and/or weatherstripping may be
damaged. Always place the roof panel in the stowage
receivers after removing it from the vehicle.
3-54

1. Turn the roof panel so that the front edge of the
panel is facing the storage area.
2. Insert the roof panel so
that the outside front
edges line up between
the receiver covers.
Push forward on
the roof panel until
it stops.
3. Gently place the roof
panel down so that
the back pins on
the roof panel drop
into the receivers in
the back of the
storage area.
Press down firmly to seat the pins in the receivers.
Installing the Roof Panel
{WARNING:
An improperly attached roof panel may fall into or
fly off the vehicle. You or others could be injured.
After installing the roof panel, always check that it
is firmly attached by pushing up on the underside
of the panel. Check now and then to be sure the
roof panel is firmly in place.
Notice: If you drop or rest a roof panel on its edges,
the roof panel, paint and/or weatherstripping may be
damaged. Always place the roof panel in the stowage
receivers after removing it from the vehicle.
In most cases, it makes it easier if two people install the
roof panel.
1. Park on a level surface and set the parking brake.
Shift an automatic transmission into P (Park).
Shift a manual transmission into N (Neutral).
2. Check that the front release latches and the rear
release latch on the vehicle’s roof opening are in
their opened positions before attempting to
install the roof panel.
3-55

3. To remove the roof panel from the rear storage
area of the vehicle, pull up on the rear edge and
remove it from the storage area.
4. Carefully place the roof panel over the top of the
vehicle.
5. Position the rear edge of the roof panel to the
weatherstrip on the back of the roof opening.
Then align and fit the pins at the rear of the roof
panel inside the openings in the rear overhead
weatherstrip. Gently lower the front edge of the roof
panel to the front of the roof opening.
6. Turn the front release
handles inward so that
they latch to the
closed position.
7. Push up on the handle of the rear roof release
handle to latch its hook in the closed position.
8. Push and pull the roof panel up and down and
side-to-side to ensure the roof panel is securely
installed.
Convertible Top
Convertible Top (Manual)
For care and cleaning of the convertible top, see
Convertible Top on page 6-98 under “Service and
Appearance Care”. High pressure car washes may
cause water to enter the vehicle.
If the vehicle has this feature, the following
procedures explain the proper operation of the
manual convertible top.
3-56

The parts of the manual convertible top that are
used when lowering and raising it are:
A. Front Edge of the Convertible Top
B. Rear Edge of the Convertible Top
C. Tonneau Cover
Notice: Leaving the convertible top down and
exposing the interior of your vehicle to outdoor
conditions may cause damage. Always close
the convertible top if leaving your vehicle outdoors.
Notice: Lowering the convertible top when there
are objects in the storage area could damage it
or break the glass rear window. Always verify that
no objects are in the storage area before lowering
the convertible top.
Notice: Lowering the top if it is damp, wet, or dirty
can cause stains, mildew, and damage to the
inside of your vehicle. Dry off the top before
lowering it.
Notice: If you lower the top on your vehicle in cold
weather (0°F/-18°C or lower), you may damage top
components. Do not lower the top in cold weather.
Notice: If you raise or lower the convertible top
while the vehicle is in motion, you could damage the
top or the top mechanism. The repairs would not
be covered by your warranty. Always put an
automatic transmission in (P) Park or a manual
transmission in (N) Neutral before raising or
lowering the convertible top.
3-57

Lowering the Manual Convertible Top
1. Park on a level surface. Shift an automatic
transmission into P (Park) and set the parking
brake. Shift a manual transmission into N (Neutral)
and set the parking brake.
2. Make sure the ignition is off.
3. Make sure the trunk is closed.
4. The convertible top front latch, located above the
inside rearview mirror, must be unlocked. Pull the
convertible top front latch down and turn it clockwise
to unlock it.
5. Lift upward on the front edge (A) of the convertible
top off of the windshield frame. Then lift upward on
the rear edge (B) of the convertible top so it is
vertical to the tonneau cover (C). The front edge (A)
and rear edge (B) should be straight up.
3-58

6. Tilt the driver’s seatback forward and press the
tonneau cover release button located on the
underside of the tonneau cover (C) behind the
driver’s seat. Then raise the tonneau cover (C).
If the tonneau cover does not release and
three chimes are heard, check to make sure the
trunk lid is closed. Also, the cover will not release if
the vehicle alarm is armed.
After pressing the release button, the driver’s and
passenger’s door glass should retract to the
full-down position.
If the vehicle has lost battery power, the tonneau
cover (C) can still be opened using the manual
release cable.
The tonneau cover emergency manual release
cable is located underneath the carpeting behind the
passenger’s seat head restraint, on the underside
forward edge of the tonneau cover. To access
the cable, lift and pull back the carpeting. Also,
see Hatch on page 3-14 for information on the
emergency trunk release handle.
Notice: If you lower the convertible top into the
storage compartment and the rear edge of the top is
not in the full-down position, you could damage
the top. Always verify that the rear edge of the
convertible top is in the full-down position before
lowering the top into the storage compartment.
3-59

7. Pull the cable to release the tonneau cover. 8. Push forward on the front edge (A) of the
convertible top to allow the rear edge (B) of the
convertible top to be moved to its full-down position.
3-60

9. Then move the top rearward to its fully-stored
position.
10. After the top is stored, apply one even push on the
center of the front edge (A) of the convertible top to
assure that the top is fully retracted.
11. Close the tonneau cover (B) by pressing down on it
with a swift, firm motion.
Raising the Manual Convertible Top
1. Park on a level surface. Shift an automatic
transmission into P (Park) and set the parking
brake. Shift a manual transmission into N (Neutral)
and set the parking brake.
2. Lower both windows.
3. Make sure the ignition is off.
4. Tilt the driver’s seat forward and press the tonneau
cover release button, or use the manual release
cable if battery power has been lost. See Step 6
under “Lowering the Manual Convertible Top” earlier
in this section.
After pressing the release button, the driver’s and
passenger’s door glass should retract to the
full-down position, if they have not already been
lowered.
5. Lift the tonneau cover.
3-61

6. Pull the convertible top up by firmly gripping the
front edge (A) near the center and applying a
brisk upward and forward motion to get the top in
the full-up position.
7. Lift the rear edge (B) of the convertible top to its
full-up position by first raising the front edge (A).
8. Close the tonneau cover (C) by pushing it down
with a swift, firm motion.
9. Lower the rear edge (B) of the convertible top by
first slightly pushing the front edge (A) of the
convertible top forward.
10. Push the front edge (A) of the convertible top down
from the outside of the vehicle, or pull the front
edge (A) of the convertible top down from the center
pull-down handle located in the inside of the vehicle.
3-62

11. Pull the top front latch handle down and turn it
counterclockwise to lock the convertible top.
Convertible Top (Power)
For care and cleaning of the convertible top see
Convertible Top on page 6-98 under “Service and
Appearance Care”. High pressure car washes may
cause water to enter the vehicle.
To operate the power convertible top use the
following steps.
Notice: Leaving the convertible top down and
exposing the interior of your vehicle to outdoor
conditions may cause damage. Always close
the convertible top if leaving your vehicle outdoors.
Notice: Lowering the convertible top when there are
objects in the storage area could damage it or break
the glass rear window. Always verify that no objects
are in the storage area before lowering the
convertible top.
Notice: Lowering the top if it is damp, wet, or dirty
can cause stains, mildew, and damage to the inside
of your vehicle. Dry off the top before lowering it.
Notice: If you lower the top on your vehicle in cold
weather (0°F/-18°C or lower), you may damage top
components. Do not lower the top in cold weather.
Notice: If you raise or lower the convertible top
while the vehicle is in motion, you could damage the
top or the top mechanism. The repairs would not
be covered by your warranty. Always put an
automatic transmission in (P) Park or a manual
transmission in (N) Neutral before raising or
lowering the convertible top.
3-63

Lowering the Power Convertible Top
1. Park on a level surface. Start the engine. Shift an
automatic transmission into P (Park) and set the
parking brake. Shift a manual transmission
into N (Neutral), and set the parking brake.
2. Make sure the trunk is closed and the rear trunk
partition in the rear storage area is in the fastened
upright position, and that no objects are forward
of the divider. See “Rear Trunk Partition” under
Rear Storage Area on page 3-49.
3. Release the convertible top front latch, located
above the inside rearview mirror, by pulling and
turning it clockwise toward the driver’s door.
Push upward on the front edge. The windows will
automatically lower.
4. Push and hold the
bottom of the power
convertible top button,
located to the left of
the steering wheel,
on the instrument
panel.
The windows will automatically lower and the convertible
top will lower into the rear of the vehicle. A chime will
sound when the convertible top has lowered completely.
If the radio is on the sound may be muted for a brief
time due to a new audio system equalization being
loaded.
If the convertible top is operated multiple times, the
engine should be running to prevent drain on the
vehicle’s battery. Under certain conditions, the Driver
Information Center (DIC) may display a message
regarding the power convertible top. See DIC Warnings
and Messages on page 4-51 for more information.
3-64

Raising the Power Convertible Top
Notice: If you raise or lower the convertible top
while the vehicle is in motion, you could damage the
top or the top mechanism. The repairs would not
be covered by your warranty. Always put an
automatic transmission in (P) Park or a manual
transmission in (N) Neutral before raising or
lowering the convertible top.
1. Park on a level surface. Start the engine. Shift an
automatic transmission into P (Park) and set the
parking brake. Shift a manual transmission
into N (Neutral) and set the parking brake.
2. Make sure the trunk lid is closed and the rear trunk
partition in the rear storage area is in the fastened
upright position, and that no objects are forward
of the divider. See “Rear Trunk Partition” under
Rear Storage Area on page 3-49.
3. Push and hold the top of the power convertible top
button. The top will raise and the windows will lower
if they were in the raised position. A chime will
sound when the top is raised completely.
4. After the convertible top is completely raised,
release the power convertible top button.
5. Pull the convertible front top latch down and turn it
counterclockwise to lock the convertible top.
If the radio is on the sound may be muted for a brief time
due to a new audio system equalization being loaded.
3-65

If the vehicle has lost power, the convertible top can still
be raised by releasing pressure on the hydraulic pump,
located under the passenger’s side of the tonneau cover,
by using the following steps. The carpet liner on the
passenger’s side must be pulled back to access the
hydraulic pump.
Manual operation of the power convertible top cannot
be attempted for five minutes from the last time the
convertible top button was pressed if the top is
not completely stowed, with the top down and the
tonneau latched, or closed, with the front top latch
locked in place, at the time the convertible top button
was released.
1. Open the tonneau cover by pulling the emergency
release cable.
The tonneau cover emergency release cable is
located behind the passenger’s seat head restraint,
on the underside forward edge of the tonneau
cover. Also, see Hatch on page 3-14 for information
on the emergency trunk release handle.
Be careful when opening the tonneau cover by hand.
If the tonneau cover is opened quickly, damage can
occur to the hinging mechanism, which can prevent
proper operation of the convertible top.
3-66

2. Locate the pressure release bolt on the front side of
the hydraulic pump.
3. Use the wrench, located in the console, and
turn the pressure release bolt counterclockwise
one revolution, to relieve pressure to the hydraulic
pump. This will allow you to manually raise the
convertible top.
4. Then follow the steps under raising the manual
convertible top. See “Convertible Top (Manual)”
under Convertible Top (Manual) on page 3-56
or Convertible Top (Power) on page 3-63.
When power is restored to the vehicle, the hydraulic bolt
must be tightened, by turning it clockwise. The power
convertible top button can then be used to lower or raise
the convertible top.
If the power convertible top is operated multiple times,
the engine should be running to prevent drain on
the vehicle’s battery. Under certain conditions, the
Driver Information Center (DIC) may display a message
regarding the power top. See DIC Warnings and
Messages on page 4-51 for more information.
If the battery has been disconnected, the power
windows must be initialized for the power top to operate.
See Power Windows on page 3-17 for more information.
3-67

✍NOTES
3-68

Instrument Panel Overview ...............................4-3
Hazard Warning Flashers ................................4-3
Horn .............................................................4-3
Tilt Wheel .....................................................4-3
Turn Signal/Multifunction Lever .........................4-4
Turn and Lane-Change Signals (Auto Signal) .....4-5
Headlamp High/Low-Beam Changer ..................4-5
Flash-to-Pass .................................................4-5
Windshield Wipers ..........................................4-6
Windshield Washer .........................................4-6
Cruise Control ................................................4-7
Exterior Lamps .............................................4-11
Wiper Activated Headlamps ............................4-12
Headlamps on Reminder ................................4-12
Daytime Running Lamps (DRL) .......................4-12
Fog Lamps ..................................................4-13
Twilight Sentinel
®
..........................................4-14
Exterior Lighting Battery Saver ........................4-15
Instrument Panel Brightness ...........................4-15
Courtesy Lamps ...........................................4-15
Entry/Exit Lighting .........................................4-15
Reading Lamps ............................................4-15
Battery Run-Down Protection ..........................4-16
Head-Up Display (HUD) .................................4-16
Accessory Power Outlet(s) .............................4-20
Ashtray(s) and Cigarette Lighter ......................4-21
Climate Controls ............................................4-21
Dual Automatic Climate Control System ...........4-21
Outlet Adjustment .........................................4-26
Passenger Compartment Air Filter ...................4-27
Warning Lights, Gages, and Indicators ............4-28
Instrument Panel Cluster ................................4-29
Speedometer and Odometer ...........................4-31
Tachometer .................................................4-31
Safety Belt Reminders ...................................4-31
Airbag Readiness Light ..................................4-32
Passenger Airbag Status Indicator ...................4-33
Voltmeter Gage ............................................4-34
One-to-Four Shift Light
(Manual Transmission) ...............................4-35
Brake System Warning Light ..........................4-35
Antilock Brake System (ABS) Warning
Light ........................................................4-36
Traction Control System (TCS) Warning
Light ........................................................4-37
Active Handling System Light .........................4-38
Engine Coolant Temperature Gage ..................4-39
Tire Pressure Light .......................................4-39
Malfunction Indicator Lamp .............................4-40
Section 4 Instrument Panel
4-1

Engine Oil Pressure Gage .............................4-43
Security Light ...............................................4-44
Fog Lamp Light ............................................4-44
Lights On Reminder ......................................4-44
Highbeam On Light .......................................4-44
Fuel Gage ...................................................4-45
Boost Gage (ZR1 Only) .................................4-46
Driver Information Center (DIC) .......................4-46
DIC Operation and Displays ...........................4-46
DIC Warnings and Messages .........................4-51
Other Messages ...........................................4-68
DIC Vehicle Personalization ............................4-69
Audio System(s) .............................................4-78
Setting the Clock ..........................................4-78
Radio(s) ......................................................4-79
Using an MP3 ..............................................4-90
XM Radio Messages .....................................4-92
Navigation/Radio System ...............................4-93
Bluetooth
®
...................................................4-93
Theft-Deterrent Feature ................................4-103
Audio Steering Wheel Controls ......................4-104
Radio Reception .........................................4-105
Diversity Antenna System .............................4-106
XM™ Satellite Radio Antenna System ............4-106
Section 4 Instrument Panel
4-2

Instrument Panel Overview
Hazard Warning Flashers
The hazard warning flashers warns others that you have
a problem. The button is located near the center of
the instrument panel.
|:Press to make the front and rear turn signal lamps
flash on and off. Press again to turn the flashers off.
The hazard warning flashers work no matter what mode
the ignition is in, even if the ignition is turned off.
When the hazard warning flashers are on, the turn
signals will not work.
Horn
Press near or on the horn symbols on the steering
wheel pad to sound the horn.
Tilt Wheel
The lever is located on the left side of the steering
column. To adjust the steering wheel:
1. Pull the lever toward you.
2. Move the steering wheel up or down into a
comfortable position.
3. Release the lever to lock the steering wheel in
place.
4-3

Telescopic Steering Column
For vehicles with this
feature, the telescopic
steering column switch is
located on the right side of
the steering column.
To adjust the telescopic steering column:
1. Push the switch forward to move the wheel away
from you.
2. Pull the switch toward you to move the wheel closer
to you.
The telescopic steering column position can be stored
with your memory settings. See Memory Seat, Mirrors
and Steering Wheel on page 2-4 for more information.
Turn Signal/Multifunction Lever
The lever on the left side of the steering column
includes the following:
G: Turn and Lane-Change Signals
3: Headlamp High/Low-Beam Changer
#: Fog Lamps
I: Cruise Control
P: Exterior Lamps Control
•Flash-to-Pass Feature. See Flash-to-Pass on
page 4-5.
Information for these features is on the pages following.
4-4

Turn and Lane-Change Signals
(Auto Signal)
An arrow on the instrument
panel cluster flashes in the
direction of the turn or lane
change.
Move the lever all the way up or down to signal
a turn.
Raise or lower the lever until the arrow starts to flash to
signal a lane change. Release the lever and the turn
signal automatically flashes three times. If more flashes
are desired, continue to hold the lever.
The lever returns to its starting position when it is
released.
If after signaling a turn or lane change the arrows flash
rapidly or do not come on, a signal bulb may be
burned out.
Have the bulbs replaced. If the bulb is not burned out,
check the fuse. See Fuses and Circuit Breakers on
page 6-103.
Turn Signal on Chime
A chime sounds if the turn signal has been on for more
than three-quarters of a mile (1.2 km) of driving.
If you need to leave the turn signal on for more than
three-quarters of a mile (1.2 km), turn off the signal and
then turn it back on.
Headlamp High/Low-Beam Changer
To change the headlamps from low beam to high, push
the turn signal lever all the way forward. To change from
high to low beam, pull the lever rearward.
While the high beams
are on, this light on the
instrument panel cluster
will also be lit.
Flash-to-Pass
To use the flash-to-pass feature, briefly pull the turn
signal lever toward you. The high-beam indicator flashes
to indicate to the other driver that you intend to pass.
If the low-beam headlamps are off and the fog lamps are
on, the fog lamps flash.
4-5

Windshield Wipers
The windshield wiper lever is located on the right side of
the steering column.
Move the lever to the following positions:
1(High Speed): Fast wipes.
6(Low Speed): Slow wipes.
&(Delay): Use to set a delay between wipes.
x(Delay Adjustment): Use for a delayed wiping
cycle. Turn the intermittent adjust band down for a longer
delay or up for a shorter delay. The wiper speed can only
be manually adjusted when the lever is in this position.
9(Off): Turns off the windshield wipers.
8(Mist): Move all the way down to mist and release
for a single wiping cycle. The windshield wipers will
stop after one wipe. Hold the band on mist longer for
more wipes.
Heavy snow or ice can overload the wipers. If this
occurs, a circuit breaker will stop the wipers until the
motor cools. Clear all ice and snow from the wiper
blades before using them. If frozen to the windshield,
carefully loosen them or thaw them. Damaged wiper
blades should be replaced. See Windshield Wiper Blade
Replacement on page 6-62.
Windshield Washer
The lever on the right side of the steering column also
controls the windshield washer. There is a button at the
end of the lever. To spray washer fluid on the windshield,
press the button and hold it. The washer will spray until
you release the button. The wipers will continue to clear
the window for about six seconds after the button is
released and then stop or return to your preset speed.
4-6

{WARNING:
In freezing weather, do not use your washer until
the windshield is warmed. Otherwise the washer
fluid can form ice on the windshield, blocking your
vision.
If the fluid in the windshield washer fluid reservoir is low,
the message CHECK WASHER FLUID will appear on
the Driver Information Center (DIC) display. It will take
15 seconds after the bottle is refilled for this message to
turn off. For information on the correct washer fluid to
use, see Windshield Washer Fluid on page 6-45 and
Recommended Fluids and Lubricants on page 7-9.
Cruise Control
With cruise control, a speed of about 40 km/h (25 mph)
or more can be maintained without keeping your foot on
the accelerator. Cruise control does not work at speeds
below about 40 km/h (25 mph).
Cruise control will not work if the parking brake is set, or
if the master cylinder brake fluid level is low.
{WARNING:
Cruise control can be dangerous where you cannot
drive safely at a steady speed. So, do not use the
cruise control on winding roads or in heavy traffic.
Cruise control can be dangerous on slippery roads.
On such roads, fast changes in tire traction can
cause excessive wheel slip, and you could lose
control. Do not use cruise control on slippery roads.
If the vehicle is in cruise control, and has the Traction
Control System (TCS), and it begins to limit wheel spin,
the cruise control automatically disengages. See Traction
Control System (TCS) on page 5-6. When road
conditions allow the cruise control to be safely used
again, it can be turned back on.
4-7

The vehicle has cruise
control.
9(Off): Turns the system off.
R(On): Turns the system on.
+ (Resume/Accelerate): Use to make the vehicle
accelerate or resume a previously set speed.
T(Set): Press this button at the end of the lever to
set the speed.
Setting Cruise Control
{WARNING:
If you leave your cruise control on when you are
not using cruise, you might hit a button and go into
cruise when you do not want to. You could be
startled and even lose control. Keep the cruise
control switch off until you want to use cruise
control.
1. Move the cruise control switch to on.
2. Get up to the speed desired.
3. Press Tat the end of the lever and release it.
4. Take your foot off the accelerator pedal.
When the cruise control is engaged, the CRUISE SET
TO XX MPH message displays on the Driver Information
Center (DIC). See Other Messages on page 4-68.
4-8

Resuming a Set Speed
If the cruise control is set at a desired speed and then
the brakes are applied, the cruise control is disengaged.
But it does not need to be reset.
Once the vehicle is going about 40 km/h (25 mph) or
more, you can move the cruise control switch briefly
from Rto S.
The vehicles goes back up to your chosen speed and
stays there.
If the switch is held at resume/accelerate the vehicle
keeps going faster until the switch is released or the
brake is applied. Do not hold the switch at resume/
accelerate, unless you want the vehicle to go faster.
Increasing Speed While Using Cruise
Control
There are two ways to go to a higher speed:
•Use the accelerator pedal to get to the higher
speed. Press Jat the end of the lever, then
release the button and the accelerator pedal. The
vehicle now cruises at the higher speed. If the
accelerator pedal is held longer than 60 seconds,
cruise control will turn off.
•Move the cruise switch from Rto S. Hold it there
until desired speed is reached, and then release the
switch. To increase the vehicle speed in small
amounts, move the switch briefly to S. Each time this
is done, the vehicle goes about 1.6 km/h (1 mph)
faster.
Reducing Speed While Using Cruise
Control
•Press and hold the set button until the lower speed
desired is reached, then release it.
•To slow down in small amounts, briefly press J.
Each time this is done, the vehicle goes about
1.6 km/h (1 mph) slower.
Passing Another Vehicle While Using
Cruise Control
Use the accelerator pedal to increase the vehicle’s
speed. When you take your foot off the pedal, the
vehicle slows down to the cruise control speed set
earlier.
4-9

Using Cruise Control on Hills
How well the cruise control works on hills depends upon
the vehicle’s speed, load, and the steepness of the hills.
When going up steep hills, you might want to step on the
accelerator pedal to maintain the vehicle’s speed. When
going downhill, you might have to brake or shift to a lower
gear to keep the vehicle’s speed down. When the brakes
are applied the cruise control turns off.
Cruise Control in Sport and Manual Paddle
Shift Gear Selection
When the vehicle is in S (Sport) and the manual paddle
shift controls are not being used, cruise control operates
in the same manner as D (Drive).
When the vehicle is in S (Sport) and the manual paddle
shift controls are being used, cruise control operates as
follows:
•If cruise control is active and a gear is selected with
the manual paddle shift controls, the vehicle speed is
maintained in the driver selected gear and will not
automatically up-shift or down-shift the transmission
while the driver’s gear selection is active.
•If driving in hilly terrain, cruise control may not be
able to maintain vehicle speed if an up-shift or
down-shift is not selected by the driver. While driving
on hilly terrain and cruise control is active with a
manual paddle shift gear selection, the driver must
select the proper gear for the terrain or select
D (Drive) on the gear range selector for full automatic
transmission operation.
Ending Cruise Control
To end a cruise control session, step lightly on the
brake pedal. If the vehicle has a manual transmission,
lightly tapping the clutch will also end a cruise control
session.
Move the cruise control switch to 9to turn the system
completely off.
When cruise control is disengaged, the CRUISE
DISENGAGED message displays on the Driver
Information Center (DIC). See DIC Warnings and
Messages on page 4-51.
Erasing Speed Memory
The cruise control set speed memory is erased when
the cruise control or the ignition is turned off.
4-10

Exterior Lamps
The exterior lamp control is located to the left of the
steering wheel on the multifunction lever.
O(Exterior Lamp Control): Turn the band with this
symbol on it to operate the exterior lamps.
The exterior lamp band has four positions:
O(Off): Turns off all lamps.
AUTO (Automatic): Sets the exterior lamps to automatic
mode. AUTO mode turns the exterior lamps on and off
depending on how much light is available outside the
vehicle.
To override AUTO mode, turn the control to off.
To reset to AUTO mode turn the control to exterior lamps
and then back to AUTO. Automatic mode also resets
when the vehicle is turned off and then back on again if
the control is left in the AUTO position.
;(Parking Lamp): Turns on the parking lamps
together with the following:
•Sidemarker Lamps
•Taillamps
•License Plate Lamps
•Instrument Panel Lights
The parking brake indicator light comes on and stays on
when the parking lamps are on with the engine off and
the ignition to ACC/ACCESSORY.
5(Headlamps): Turns on the headlamps, together
with the previously listed lamps and lights.
4-11

Wiper Activated Headlamps
This feature activates the headlamps and parking
lamps after the windshield wipers have been in use for
approximately 15 seconds and deactivates and
returns to ambient lighting conditions 15 seconds after
the wipers are turned off.
If the exterior lamp control has been turned off or is
in the parking lamp position while the wiper control is
active in any position, the HEADLAMPS SUGGESTED
message appears on the Driver Information Center (DIC).
See DIC Warnings and Messages on page 4-51.
When the ignition is turned off, the wiper-activated
headlamps will immediately turn off.
Headlamps on Reminder
A warning chime will sound if the exterior lamp control
is left on in either the headlamp or parking lamp position
and the driver’s door is opened with the ignition off.
Daytime Running Lamps (DRL)
Daytime Running Lamps (DRL) can make it easier for
others to see the front of your vehicle during the day.
Fully functional daytime running lamps are required on all
vehicles first sold in Canada.
The DRL system makes the front turn signal lamps
come on when the following conditions are met:
•It is still daylight and the ignition is on.
•The exterior lamp control is in the AUTO position.
•The transmission is not in P (Park) or the parking
brake is off.
•The parking brake is off or the vehicle speed is
greater than 8 mph (13 km/h).
When DRL are on, only the front turn signal lamps will
be on. The parking lamps, taillamps, instrument panel
lights, or other exterior lamps will not be on when the DRL
are being used.
When it is dark enough outside, the front turn signal
lamps turn off and the normal low-beam headlamps
turn on.
4-12

When it is bright enough outside, the regular lamps go
off, and the front turn signal lamps will take over. If the
vehicle is started in a dark garage, the automatic
headlamp system comes on immediately. Once the
vehicle leaves the garage, it takes approximately
one minute for the automatic headlamp system to change
to DRL if it is light outside. During that delay, the
instrument panel cluster may not be as bright as usual.
Make sure the instrument panel brightness knob is in the
full bright position. See Instrument Panel Brightness on
page 4-15 for more information.
If it is dark enough outside and the exterior lamp control
is off, a HEADLAMPS SUGGESTED message will
display on the Driver’s Information Center (DIC).
See DIC Warnings and Messages on page 4-51.
Turning the exterior lamp control to off a second time, or
turning on the headlamps will remove the HEADLAMPS
SUGGESTED message in the DIC. If the parking
lamps or the fog lamps were turned on instead, the
HEADLAMPS SUGGESTED message will continue to be
displayed.
The regular headlamp system should be turned on
when needed.
To turn off the DRL, turn the exterior lamp control to the
off position or shift into P (Park). The DRL will stay off
until the control is toggled again or the vehicle is shifted
out of P (Park).
This procedure applies only to vehicles first sold in the
United States.
Fog Lamps
Use fog lamps for better vision in foggy or misty
conditions.
The fog lamps control is located on the multifunction
lever next to the exterior lamp control.
#(Fog Lamps): Turning the band to this position will
turn the fog lamps on.
When you turn the fog lamps on, the fog lamp light will
appear on the instrument panel cluster to indicate that the
fog lamps and the parking lamps are on.
If you turn the high-beam headlamps on, the fog lamps
will turn off. They will turn on again when you switch
to low-beam headlamps.
The ignition must be on for the fog lamps to operate.
Some localities have laws that require the headlamps to
be on along with the fog lamps.
4-13

Twilight Sentinel
®
Twilight Sentinel
®
can turn the lamps on and off for you.
A light sensor on top of the instrument panel makes the
Twilight Sentinel
®
work, so be sure it is not covered.
With Twilight Sentinel
®
, the following will happen:
•When it is dark enough outside, the front turn signal
lamps (DRL) will go off, and the headlamps and
parking lamps will come on. The other lamps that
come on with headlamps will also come on.
•When it is bright enough outside, the headlamps will
go off, and the front turn signal lamps (DRL) will
come on, as long as the exterior lamp switch is in the
AUTO position.
If the vehicle is started in a dark garage, the automatic
headlamp system come on immediately. Once the
vehicle leaves the garage, it takes about one minute for
the automatic headlamp system to change to DRL if it is
light outside. During that delay, the instrument panel
cluster may not be as bright as usual. Make sure the
instrument panel brightness control is in full bright
position. See Instrument Panel Brightness on page 4-15.
You can idle the vehicle with the lamps off, even when
it is dark outside.
After starting the vehicle, turn the exterior lamp control
band on the multifunction lever to off and then release it.
The lamps will remain off until the control band is turned
to off again.
Twilight Sentinel
®
also provides exterior illumination as
you leave the vehicle. If Twilight Sentinel
®
has turned on
the lamps when you turn off the ignition, the lamps will
remain on until:
•The exterior lamp switch is moved from off to the
parking lamp position, or
•A delay time that you select has elapsed.
See “Personal Options” under DIC Vehicle
Personalization on page 4-69 to select the delay time
that you want. You can also select no delay time.
If you turn off the ignition with the exterior lamp switch
in the parking lamp or headlamp position, the Twilight
Sentinel
®
delay will not occur. The lamps will turn off as
soon as the switch is turned off.
The regular headlamp system should be turned on
when needed.
4-14

Exterior Lighting Battery Saver
If the manual parking lamps or headlamps have been
left on, the exterior lamps will turn off as soon as the
ignition is turned off or Retained Accessory Power (RAP)
is active. This protects against draining the battery in
case you have accidentally left the headlamps or parking
lamps on. The battery saver does not work if the
headlamps are turned on after the ignition switch is
turned to off.
If you need to leave the lamps on, use the exterior lamp
control to turn the lamps back on.
Instrument Panel Brightness
The knob for this feature is
located on the left side of
the instrument panel.
Push the knob in to turn on the interior lights.
Turn and hold the knob clockwise to brighten the lights
or counterclockwise to dim them. During the day, this
knob will adjust the instrument panel brightness and at
night will adjust all interior lighting.
Be sure not to have this knob turned all the way down
with the lamps on during the day. Your Driver
Information Center (DIC) may not be visible.
Courtesy Lamps
When any door or the hatch/trunk lid is opened, the
interior lamps will go on unless it is bright outside.
You can also turn the courtesy lamps on and off
by pressing the instrument panel brightness knob.
Entry/Exit Lighting
With entry lighting, the interior lamps will come on when
entering the vehicle. The interior lamps will come on for
about 20 seconds when the engine is off.
You can turn exit and entry lighting off by quickly turning
the courtesy lamps on and off.
Reading Lamps
The inside rearview mirror includes two reading lamps.
The lamps will go on when a door is opened. When the
doors are closed, press each lamp switch to turn them on
individually.
4-15

Battery Run-Down Protection
This vehicle has a feature to help prevent the battery
from being drained in case any of the following lamps
are left on; the underhood lamp, if your vehicle has this
feature, vanity mirror lamps, cargo lamps, reading lamps,
console or glove box lamps. If any of these lamps are
left on, they will automatically time-out after about
10 minutes. To reset it, all of the above lamps must be
turned off or the ignition key on.
Head-Up Display (HUD)
{WARNING:
If the HUD image is too bright, or too high in your
field of view, it may take you more time to see
things you need to see when it is dark outside.
Be sure to keep the HUD image dim and placed
low in your field of view.
For vehicles with the Head-Up Display (HUD), you can
see some of the driver information that appears on the
instrument panel cluster.
The information may be displayed in English or metric
units and appears as an image focused out toward
the front of the vehicle. The HUD consists of the
following information:
•Speedometer
•Turn Signal Indicators
•High-Beam Indicator Symbol
•Tachometer
•Manual Paddle Shift Gear Indicator (If Equipped)
These displays on the HUD are for use when
using the manual paddle shift controls to shift the
transmission. See “Manual Paddle Shift” in Automatic
Transmission Operation on page 3-26.
•Shift Light
This light is used for performance driving to indicate
that the vehicle’s best performance level has been
reached to shift the transmission into the next higher
gear. An arrow pointing up will light up on the display
just prior to reaching the engine fuel cut-off mode.
This cut-off is about 6,500 RPM for the LS3 engine,
6,600 RPM for the LS9 & ZR1 engines and
7,000 RPM for the LS7 engine.
•Check Gages Warning
•Engine Coolant Temperature Gage
4-16

•Transmission Fluid Temperature Gage, (Automatic
Transmission Vehicles Only)
•Engine Oil Temperature Gage
•Engine Oil Pressure Gage
•G-Force Gage
•Boost Gage (If Equipped)
•Audio Functions, Street Mode Only
•Navigation, Only with Navigation Radio,
Turn-by-Turn Guidance
There are three HUD modes that can be viewed in the
HUD display. Press the MODE button to scroll through
these modes in the following order:
Street Mode supports
audio and navigation
functions with your choice
of tachometer settings.
Track Mode 1 supports the
G-Force gage and minor
gages with a circular
tachometer.
Track Mode 2 supports
G-Force gages, boost
gage w/ZR1, and minor
gages with a linear
tachometer.
When the desired HUD display has been selected,
release the MODE button.
Within each mode, the display, can be further
customized by pressing the PAGE button. Pressing this
button in each mode will turn off and on the following:
•Street Mode — No tachometer, circular tachometer,
and linear tachometer.
•Track Modes 1 and 2 — No minor gage, coolant
temperature, transmission oil temperature,
engine oil temperature, engine oil pressure, and
boost gage.
4-17

While in Track Mode 1 or 2, the maximum G value
achieved during the current ignition cycle can be
displayed by pressing and holding the PAGE button.
The maximum G display will be shown until the PAGE
button is released. The maximum G value display will
be identical to the normal G value display, except the
maximum G gage digits (X.XX G) and corresponding
G gage bar will overwrite the current G value.
Be sure to continue scanning the displays, controls and
driving environment just as you would in a vehicle
without HUD. If you never look at the instrument panel
cluster, you may miss something important, such as
a warning light. Under important warning conditions, the
CHECK GAGES warning will illuminate in the HUD.
View your Driver Information Center (DIC) for more
information.
The HUD controls are
located to the left of the
steering wheel.
To adjust the HUD so it can be seen properly, do the
following:
1. Start the engine and press the HUD dimmer control
all the way up by pressing the (+) button.
The brightness of the HUD image is determined by
the light conditions in the direction the vehicle is
facing and where you have the HUD dimmer control
set. If you are facing a dark object or a heavily
shaded area, the HUD may anticipate that you are
entering a dark area and may begin to dim.
It is possible for sunlight to enter the HUD making it
difficult to see the image. The display will return
to normal when the sunlight is no longer entering
the HUD.
4-18

2. Adjust the seat to a comfortable driving position.
If your seat position changes, the HUD may need
to be re-adjusted.
3. Press the up or down arrows to center the HUD
image in your view.
The HUD image can only be adjusted up and down,
not side-to-side.
4. Press the dimmer control downward until the HUD
image is no brighter than necessary.
To turn HUD off, press and hold the (–) button until the
HUD display turns off.
If the sun comes out or it becomes cloudy, the HUD
brightness may need to be adjusted again using the
dimmer control. Polarized sunglasses could make the
HUD image harder to see.
The HUD information can be displayed in one of
six languages including English, Spanish, French,
German, Italian or Japanese. The speedometer can be
displayed in either English or Metric units.
To change the language and unit selections, see
“OPTION” under DIC Operation and Displays on
page 4-46.
Clean the inside of the windshield as needed to remove
any dirt or film that reduces the sharpness or clarity
of the HUD image.
To clean the HUD, spray household glass cleaner on a
soft, clean cloth. Wipe the HUD lens gently, then dry it.
Do not spray cleaner directly on the lens because the
cleaner could leak into the unit.
If the ignition is on and the HUD image cannot be seen,
check to see if:
•Something is covering the HUD unit.
•The HUD dimmer control is adjusted properly.
•The HUD image is adjusted to the proper height.
•Ambient light is low, in the direction the vehicle
is facing.
•A fuse is blown. See Fuses and Circuit Breakers on
page 6-103.
Keep in mind that the windshield is part of the HUD
system. See Windshield Replacement on page 6-62.
4-19

Accessory Power Outlet(s)
The accessory power outlet can be used to connect
electrical equipment, such as a cellular phone.
The accessory power outlet is located inside the center
console storage compartment, on the forward left side.
To use the outlet, remove the tethered cap. When not
using it, always cover the outlet with the protective cap.
Notice: Leaving electrical equipment plugged in
for an extended period of time while the vehicle is
off will drain the battery. Power is always supplied to
the outlets. Always unplug electrical equipment
when not in use and do not plug in equipment that
exceeds the maximum 20 ampere rating.
Certain electrical accessories may not be compatible
with the accessory power outlet and could result in blown
vehicle or adapter fuses. If you experience a problem,
see your dealer/retailer for additional information on
accessory power outlets.
Notice: Adding any electrical equipment to the
vehicle can damage it or keep other components
from working as they should. The repairs would not
be covered by the vehicle warranty. Do not use
equipment exceeding maximum amperage rating of
20 amperes. Check with your dealer/retailer before
adding electrical equipment.
When adding electrical equipment, be sure to follow the
installation instructions included with the equipment.
We recommend that you see a qualified technician or
your dealer/retailer for the proper installation of your
equipment.
Notice: Improper use of the power outlet can cause
damage not covered by the vehicle warranty. Do not
hang any type of accessory or accessory bracket
from the plug because the power outlets are
designed for accessory power plugs only.
4-20

Ashtray(s) and Cigarette Lighter
The ashtray and cigarette lighter are located on the
instrument panel, in front of the shift lever. To use the
ashtray, press on the indentation at the top of the door.
Notice: If papers, pins, or other flammable items
are put in the ashtray, hot cigarettes or other
smoking materials could ignite them and possibly
damage the vehicle. Never put flammable items
in the ashtray.
Loose objects, such as paper clips, can lodge behind
and beneath the ashtray lid and prevent movement
of the lid. You should avoid putting small, loose objects
near the ashtray.
To use the cigarette lighter, push it in all the way and let
go. When it is ready, it will pop back out by itself.
Notice: Holding a cigarette lighter in while it is
heating does not let the lighter back away from the
heating element when it is hot. Damage from
overheating can occur to the lighter or heating
element, or a fuse could be blown. Do not hold a
cigarette lighter in while it is heating.
Climate Controls
Dual Automatic Climate Control
System
With this system the heating, cooling, and ventilation
can be controlled.
A. Driver Temperature
Controls
B. Display
C. Passenger Temperature
Control
D. AUTO
E. Recirculation
F. Air Conditioning
G. Fan Control
H. Air Delivery Mode
Control
I. Defrost
J. Rear Window
Defogger
4-21

When the vehicle is first started, the display shows the
driver’s temperature setting, the outside temperature,
the fan speed and the air delivery, for about 10 seconds.
The outside temperature is shown in the center of the
display. The digital display will show the readings in
Fahrenheit or Celsius. See “Personal Options” under
DIC Vehicle Personalization on page 4-69 for information
on changing your display.
Automatic Operation
AUTO (Automatic): Press the AUTO button to place
the entire system in the automatic mode. When automatic
operation is active, the system automatically controls the
inside temperature, the air delivery mode, and the fan
speed.
After a ten second display of the current settings, the
word AUTO, the driver’s temperature setting and the
outside temperature will be shown. The system operates
to reach the set temperature as quickly as possible. The
AUTO control system works best with the windows up
and the removable roof installed or the convertible top up.
1. Press the AUTO button.
2. Adjust the temperature to a comfortable setting
between 16°C (60°F) and 32°C (90°F). Choosing the
coldest or warmest temperature setting will not cause
the system to heat or cool any faster. A setting of
23°C (73°F) is suggested.
In cold weather, the system will start at reduced fan
speeds to avoid blowing cold air into your vehicle
until warmer air is available. The system starts out
blowing air at the floor but may change modes
automatically as the vehicle warms up to maintain
the chosen temperature setting. The length of
time needed for warm up depends on the outside
temperature and the length of time that has elapsed
since the vehicle was last driven.
3. Wait for the system to regulate. This may take from
10 to 30 minutes. Then adjust the temperature, if
necessary.
Do not cover the solar sensor located in the center of
the instrument panel, near the windshield. For more
information on the solar sensor, see “Sensor” later in this
section.
Manual Operation
Driver Power/Temperature: Press the driver
temperature knob to turn the climate control system off.
This is the only setting that completely shuts off the fan.
The digital display shows only the outside temperature.
The driver and the passenger set temperature and the air
intake mode can still be adjusted when the climate control
is off.
4-22

Passenger Power/Temperature: Press the passenger
temperature knob to turn the passenger’s climate control
system on or off. Turn the knob to increase or decrease
the temperature for the passenger. If the passenger’s
climate control system is off, the driver’s temperature
knob will control the temperature for the entire vehicle.
x9w(Fan): Press to increase or decrease the fan
speed. The fan speed setting will appear in the display.
Pressing the arrows will delete AUTO from the digital
display. The fan graphics with the fan speed bars will be
shown. The AUTO button must be pressed to return to
the automatic fan control.
If the airflow seems low when the fan speed is at the
highest setting, the passenger compartment air filter may
need to be replaced. For more information, see
Passenger Compartment Air Filter on page 4-27 and
Scheduled Maintenance on page 7-3.
N(Air Delivery Mode Control): Press this button to
manually lock in the current air delivery setting and to
stop the automatic mode control. Pressing Ndeletes
AUTO from the digital display and the mode graphics will
be shown. To change the setting, press Nagain. The
AUTO button must be pressed to return to the automatic
mode selection.
To change the current mode, select one of the following:
H(Vent): Air is directed to the instrument panel
outlets, with some air directed to the floor outlets.
%(Bi-Level): Air is divided between the instrument
panel and floor outlets.
6(Floor): Air is directed to the floor outlets, with
some air directed to the windshield and side window
defogger outlets.
-(Floor/Defog): This mode clears the windows of fog
or moisture. Air is directed to the windshield and the floor
outlets, with a small amount to the side window outlets.
In this mode, the system automatically turns off the
recirculation and runs the air-conditioning compressor
unless the outside temperature is at or below freezing.
The recirculation mode cannot be selected while in the
defog mode.
1(Defrost): This mode clears the windows of fog or
frost more quickly. Air is directed to the windshield, with
a small amount directed to the side window outlets.
The indicator light comes on and the digital display will
show the defrost mode symbol and fan speed when
the front defrost mode is being used. In this mode, the
system automatically turns off the recirculation and
runs the air-conditioning compressor, unless the
outside temperature is at or below freezing.
4-23

Recirculation cannot be selected while in the defrost
mode. Pressing 1again will return the system to the
last operating mode.
For severe ice conditions, turn the driver’s temperature
knob to 32°C (90°F) while in defrost mode.
Do not drive the vehicle until all the windows are clear.
^(Air Conditioning Off): Press to turn the air
conditioning compressor off. Press AUTO to return to
automatic operation. When in AUTO, the air conditioning
compressor comes on automatically, as needed.
Air conditioning does not operate at temperatures below
about 2°C to 4°C (35°F to 40°F). In temperatures
above 4°C (40°F), the air conditioning cannot be turned
off in defrost and defog, as it helps to remove moisture
from the vehicle. It also helps to keep the windows clear.
You may notice a slight change in engine performance
when the air-conditioning compressor shuts off and
turns on again. This is normal. The system is designed
to make adjustments to help with fuel economy while
still maintaining the selected temperature.
On hot days, open the windows to let hot inside air
escape; then close them. This helps to reduce the time
it takes for the vehicle to cool down. It also helps the
system to operate more efficiently.
For quick cool down on hot days press the AUTO button
and adjust the temperature to a cool, comfortable setting.
To achieve maximum cool down, do the following:
1. Select Hmode.
2. Press ?.
3. Select the a/c on.
4. Select the coolest temperature.
5. Select the highest fan speed.
Using these settings together for long periods of time
may cause the air inside of your vehicle to become too
dry. To prevent this from happening, after the air in the
vehicle has cooled, turn the recirculation mode off.
The air conditioning system removes moisture from the
air, so a small amount of water might drip under the
vehicle while idling or after turning off the engine. This is
normal.
?(Recirculation): Press to turn the recirculation
mode on or off. An indicator light comes on to show that
recirculation is on. This mode prevents outside air from
entering your vehicle. It can be used to prevent outside
air and odors from entering your vehicle and to help cool
the air inside your vehicle more quickly. Recirculation
mode is not available in defrost or defog mode.
4-24

Sensors
The solar sensor on the vehicle monitors the solar heat
and uses the information to maintain the selected
temperature when operating in AUTO mode by
automatically adjusting the temperature, fan speed
and air delivery system. The system may also supply
cooler air to the side of the vehicle facing the sun. The
recirculation mode will also be activated, as necessary.
Do not cover the solar sensor located on the top of
the instrument panel near the windshield or the system
will not work properly.
There is also a sensor located behind the front bumper.
This sensor reads the outside air temperature and
helps to maintain the temperature inside the vehicle.
Any cover on the front of the vehicle could give a false
reading in the temperature.
If the outside temperature goes up, the displayed
temperature will not change until:
•The vehicle’s speed is above 19 km/h (12 mph) for
five minutes.
•The vehicle’s speed is above 52 km/h (32 mph) for
two and a half minutes.
These delays prevent false readings. If the temperature
goes down, the outside temperature will be shown when
you start the vehicle. If it has been turned off for less than
three hours, the temperature will be recalled from the
previous vehicle operation.
There is also an inside temperature sensor located to
the left of the ignition switch. The automatic climate
control system uses this sensor to receive information,
so if you block or cover it, the system will not function
properly.
Rear Window Defogger
The rear window defogger uses a warming grid to
remove fog or frost from the rear window.
The rear window defogger only works when the engine
is running.
=(Rear Window Defogger): Press to turn the rear
window defogger on or off. Be sure to clear as much
snow from the rear window as possible. An indicator light
comes on to show that the rear window defogger is on.
4-25

The rear window defogger turns off about 10 minutes
after the button is pressed when traveling less than
48 km/h (30 mph). If turned on again, the defogger only
runs for about five minutes before turning off. The
defogger can also be turned off by turning off the engine.
The vehicle has heated outside rearview mirrors. The
mirrors will heat to help clear fog or frost from the
surface of the mirrors when the rear window defogger
button is pressed.
For vehicles with a power convertible top, the rear
window defogger and heated mirrors are automatically
disabled when the power convertible top is moving
or down.
Notice: Do not use anything sharp on the inside of
the rear window. If you do, you could cut or damage
the warming grid, and the repairs would not be
covered by the vehicle warranty. Do not attach a
temporary vehicle license, tape, a decal or anything
similar to the defogger grid.
Outlet Adjustment
Use the tab located on the air outlets to change the
direction of the airflow.
Operation Tips
•Clear away any ice, snow or leaves from the air
inlets at the base of the windshield that may
block the flow of air into your vehicle.
•Use of non-GM approved hood deflectors may
adversely affect the performance of the system.
•Keep the area around the base of the instrument
panel console and air path under the seats clear
of objects to help circulate the air inside of
your vehicle more effectively.
4-26

Passenger Compartment Air Filter
The passenger compartment air filter removes certain
particles from the air including pollen and dust particles.
Reductions in airflow, which may occur more often in
dusty areas, indicate that the filter may need to be
replaced. See Scheduled Maintenance on page 7-3 for
information on how often to replace the filter.
Notice: Driving without a passenger compartment
air filter in place can cause water and small
particles, like paper and leaves, to be pulled into
your climate control system which may cause
damage to it. Make sure you always replace the
old filter with a new one.
The passenger compartment air filter is located on the
passenger side of the engine compartment near the
battery. See Engine Compartment Overview on
page 6-14.
To check or replace the air filter:
1. Remove the cover retainer clips (A) from the
passenger compartment air filter cover.
2. Remove the cover.
4-27

3. Remove the filter and install the new air filter.
4. Replace the filter cover.
5. Attach the retainer clips.
Warning Lights, Gages, and
Indicators
Warning lights and gages can signal that something is
wrong before it becomes serious enough to cause
an expensive repair or replacement. Paying attention to
the warning lights and gages could prevent injury.
Warning lights come on when there might be or there is
a problem with one of the vehicle’s functions. Some
warning lights come on briefly when the engine is started
to indicate they are working.
Gages can indicate when there might be or there is a
problem with one of the vehicle’s functions. Often gages
and warning lights work together to indicate a problem
with the vehicle.
When one of the warning lights comes on and stays on
while driving, or when one of the gages shows there
could be a problem, check the section that explains what
to do. Follow this manual’s advice. Waiting to do
repairs can be costly and even dangerous.
4-28

Instrument Panel Cluster
United States Manual Transmission shown, Canada, Automatic Transmission and Z06 Model similar
4-29

ZR1– United States shown Canada similar
4-30

Speedometer and Odometer
The speedometer shows the speed in either kilometers
per hour (km/h) or miles per hour (mph). For more
information see “Personal Options” under DIC Vehicle
Personalization on page 4-69.
To read the odometer with the ignition off, turn on the
parking lamps.
If the vehicle needs a new odometer installed, the
mileage total of the new odometer will be set to the
original kilometers (miles) of the old odometer. See your
dealer/retailer if the odometer must be replaced in the
vehicle.
Tachometer
The tachometer displays the engine speed in thousands
of revolutions per minute (rpm).
Notice: Fuel shuts off at about 6500 rpm for the
base model, 7000 rpm for the Z06 model, and
6600 rpm for the ZR1 model. If the vehicle continues
to be driven at the fuel shut off rpm, the engine could
be damaged. Be sure to operate the vehicle below the
fuel shut off rpm or reduce the vehicle’s rpm quickly
when the fuel shuts off.
Safety Belt Reminders
Safety Belt Reminder Light
When the engine is started, a chime sounds for
several seconds to remind a driver to fasten the safety
belt, unless the driver safety belt is already buckled.
The safety belt light comes
on and stays on for
several seconds, then
flashes for several more.
This chime and light are repeated if the driver remains
unbuckled and the vehicle is in motion. If the driver
safety belt is already buckled, neither the chime nor the
light comes on.
4-31

Passenger Safety Belt Reminder Light
Several seconds after the engine is started, a chime
sounds for several seconds to remind the front
passenger to buckle their safety belt. The passenger
safety belt light, located on the instrument panel, comes
on and stays on for several seconds and then flashes
for several more.
This chime and light are
repeated if the passenger
remains unbuckled and
the vehicle is in motion.
If the passenger safety belt is buckled, neither the
chime nor the light comes on.
The front passenger safety belt warning light and chime
may turn on if an object is put on the seat such as a
briefcase, handbag, grocery bag, laptop or other
electronic device. To turn off the warning light and or
chime, remove the object from the seat or buckle
the safety belt.
Airbag Readiness Light
The system checks the airbag’s electrical system for
possible malfunctions. If the light stays on it indicates
there is an electrical problem. The system check includes
the airbag sensor, the pretensioners, the airbag modules,
the wiring and the crash sensing and diagnostic module.
For more information on the airbag system, see Airbag
System on page 2-44.
The airbag readiness light
flashes for a few seconds
when the engine is started.
If the light does not come
on then, have it fixed
immediately.
4-32

{WARNING:
If the airbag readiness light stays on after the
vehicle is started or comes on while driving, it
means the airbag system might not be working
properly. The airbags in the vehicle might not inflate
in a crash, or they could even inflate without a
crash. To help avoid injury, have the vehicle
serviced right away.
If there is a problem with the airbag system, an airbag
Driver Information Center (DIC) message can also come
on. See DIC Warnings and Messages on page 4-51
for more information.
Passenger Airbag Status Indicator
The vehicle has the passenger sensing system.
See Passenger Sensing System on page 2-52 for
important safety information. The rearview mirror has a
passenger airbag status indicator.
When the vehicle is started, the passenger airbag status
indicator will light ON and OFF, or the symbol for on and
off, for several seconds as a system check. Then, after
several more seconds, the status indicator will light either
ON or OFF, or either the on or off symbol, to let you know
the status to let you know the status of the right front
passenger frontal and seat-mounted side impact airbags
(if equipped).
United States
Canada
4-33

If the word ON or the on symbol is lit on the passenger
airbag status indicator, it means that the right front
passenger frontal airbag and seat-mounted side impact
airbag (if equipped) are enabled (may inflate).
If the word OFF or the off symbol is lit on the passenger
airbag status indicator, it means that the passenger
sensing system has turned off the right front passenger
frontal airbag and seat-mounted side impact airbag
(if equipped). See Passenger Sensing System on
page 2-52 for more on this, including important safety
information.
If, after several seconds, both status indicator lights
remain on, or if there are no lights at all, there may be a
problem with the lights or the passenger sensing system.
See your dealer/retailer for service.
{WARNING:
If the airbag readiness light ever comes on and
stays on, it means that something may be wrong
with the airbag system. To help avoid injury to
yourself or others, have the vehicle serviced right
away. See Airbag Readiness Light on page 4-32
for more information, including important safety
information.
Voltmeter Gage
The voltmeter shows the
voltage output of the
battery. It shows the
voltage output of the
charging system while the
engine is running.
The reading changes as the rate of charge changes
(with engine speed, for example), but if the voltmeter
reads at 9 volts or below, the instrument panel cluster
and other systems may shut down. The Driver
Information Center (DIC) reads BATTERY VOLTAGE
LOW when the vehicle is at 10 volts or below. Have
it checked right away. Driving with the voltmeter reading
at 10 volts or below could drain the battery and
disable the vehicle.
Base and Z06
4-34

One-to-Four Shift Light
(Manual Transmission)
When this light comes on,
the vehicle can only be
shifted from 1 (First)
to 4 (Fourth) instead of
1 (First) to 2 (Second).
The shift must be completed into 4 (Fourth) to turn off
this feature. This helps the vehicle get the best possible
fuel economy.
After shifting to 4 (Fourth), the vehicle can be
downshifted to a lower gear.
Notice: Forcing the shift lever into any gear except
4 (Fourth) when the 1 TO 4 SHIFT light comes on
may damage the transmission. Shift only from
1 (First) to 4 (Fourth) when the light comes on.
This light comes on when:
•The engine coolant temperature is higher than
169°F (76°C),
•The vehicle is going 15 to 19 mph
(24 to 31 km/h) and
•The vehicle 21 percent throttle or less.
Brake System Warning Light
The vehicle’s hydraulic brake system is divided into
two parts. If one part is not working, the other part can
still work and stop the vehicle. For good braking
both parts need to be working well.
United States Canada
4-35

This light comes on briefly while starting the engine. If it
does not come on, have it fixed so it is ready to warn
if there is a problem.
{WARNING:
The brake system might not be working properly if
the brake system warning light is on. Driving with
the brake system warning light on can lead to a
crash. If the light is still on after the vehicle has
been pulled off the road and carefully stopped,
have the vehicle towed for service.
If this warning light stays on after the engine is started,
the parking brake may still be set or there could be
a brake problem. Refer to Parking Brake on page 3-33
to see if it is set. If the parking brake is not set, have
the brake system inspected right away.
If the light comes on while driving and a CHECK BRAKE
FLUID message shows on the DIC, pull off the road and
stop carefully. The pedal may be harder to push or the
pedal may go closer to the floor. It may take longer to
stop. If the light is still on, have the vehicle towed for
service. See Towing Your Vehicle on page 5-33 and DIC
Warnings and Messages on page 4-51 for more
information.
Antilock Brake System (ABS)
Warning Light
For vehicles with
the Antilock Brake
System (ABS), this
light comes on briefly
when the engine is
started.
If it does not, have the vehicle serviced by your
dealer/retailer. If the system is working normally the
indicator light then goes off.
If the ABS light stays on, turn the ignition off. If the light
comes on while driving, stop as soon as it is safely
possible and turn the ignition off. Then start the engine
again to reset the system. If the ABS light stays on, or
comes on again while driving, the vehicle needs service.
If the regular brake system warning light is not on, the
vehicle still has brakes, but not antilock brakes. If the
regular brake system warning light is also on, the vehicle
does not have antilock brakes and there is a problem with
the regular brakes. See Brake System Warning Light on
page 4-35.
4-36

For vehicles with a Driver Information Center (DIC), see
DIC Warnings and Messages on page 4-51 for all
brake related DIC messages.
Traction Control System (TCS)
Warning Light
The Traction Control
System (TCS) Warning
light comes on briefly when
the engine is started.
If the light does not, have the vehicle serviced by
your dealer/retailer. If the system is working
normally the light then goes off.
If the light stays on, or comes on while driving and a
SERVICE TRACTION SYSTEM message displays in the
Driver Information Center (DIC), the vehicle needs
service.
When the TCS is turned off, this light comes on and a
TRACTION SYSTEM OFF message displays on the DIC.
When this light is on, the TCS system does not limit
wheel spin.
When the TCS is turned back on, this light turns off
and a TRACTION SYSTEM ON message displays on
the DIC
This light also comes on while the vehicle is in the
Competitive Driving Mode.
See Traction Control System (TCS) on page 5-6 and
DIC Warnings and Messages on page 4-51 for
more information.
See Active Handling System on page 5-8 for more
information on Competitive Driving Mode and
Performance Traction Mode.
4-37

Active Handling System Light
The Active Handling
System light comes on
briefly as the engine is
started. If the light does not,
have the vehicle serviced
by your dealer/retailer.
If the system is working
normally the light goes off.
If the light stays on or comes on while driving, a chime
sounds and a SERVICE ACTIVE HANDLING SYSTEM
message appears on the DIC and the vehicle need
service.
This light also comes on while the vehicle is in the
Competitive Driving Mode.
For the ZR1 this light comes on when Performance
Traction mode is activated, along with DIC messages for
the five traction modes.
When the Active Handling System is turned off, the light
comes on, a chime sounds, and the TRACTION SYSTEM
AND ACTIVE HANDLING – OFF message displays in the
DIC. The Traction Control System is off and the Active
Handling System does not assist with controlling the
vehicle.
When the Active Handling System is turned back on,
the light turns off, a chime sounds and the TRACTION
SYSTEM AND ACTIVE HANDLING – ON message
displays in the DIC.
See DIC Warnings and Messages on page 4-51 for
more information.
4-38

Engine Coolant Temperature Gage
This gage shows the engine coolant temperature. If the
gage pointer moves into the shaded area, the engine
is too hot.
This means that the engine coolant has overheated.
If the vehicle has been operating under normal driving
conditions, pull off the road, stop the vehicle and
turn off the engine as soon as possible.
See Engine Overheating on page 6-41 for more
information.
Tire Pressure Light
For vehicles with a tire
pressure monitoring
system, this light comes on
briefly when the engine is
started. It provides
information about tire
pressures and the Tire
Pressure Monitoring
System.
When the Light is On Steady
This indicates that one or more of the tires are
significantly underinflated.
A tire pressure message in the Driver Information
Center (DIC), can accompany the light. See Driver
Information Center (DIC) on page 4-46 for more
information. Stop and check the tires as soon as it is
safe to do so. If underinflated, inflate to the proper
pressure. See Inflation - Tire Pressure on page 6-72 for
more information.
United States Canada
4-39

When the Light Flashes First and Then is
On Steady
This indicates that there may be a problem with the Tire
Pressure Monitor System. The light flashes for about
a minute and stays on steady for the remainder of
the ignition cycle. This sequence repeats with every
ignition cycle. See Tire Pressure Monitor Operation on
page 6-76 for more information.
Malfunction Indicator Lamp
Check Engine Light
A computer system called OBD II (On-Board
Diagnostics-Second Generation) monitors operation of
the fuel, ignition, and emission control systems. It makes
sure that emissions are at acceptable levels for the
life of the vehicle, helping to produce a cleaner
environment.
This comes on briefly while
starting the engine. If it
does not come on, have the
vehicle serviced by your
dealer/retailer.
If the check engine light comes on and stays on, while
the engine is running, this indicates that there is an
OBD II problem and service is required.
Malfunctions often are indicated by the system before
any problem is apparent. Being aware of the light
can prevent more serious damage to the vehicle.
This system assists the service technician in correctly
diagnosing any malfunction.
Notice: If the vehicle is continually driven with this
light on, after a while, the emission controls might
not work as well, the vehicle’s fuel economy might
not be as good, and the engine might not run as
smoothly. This could lead to costly repairs that might
not be covered by the vehicle warranty.
Notice: Modifications made to the engine,
transmission, exhaust, intake, or fuel system of the
vehicle or the replacement of the original tires with
other than those of the same Tire Performance
Criteria (TPC) can affect the vehicle’s emission
controls and can cause this light to come on.
Modifications to these systems could lead to costly
repairs not covered by the vehicle warranty. This
could also result in a failure to pass a required
Emission Inspection/Maintenance test. See
Accessories and Modifications on page 6-3.
4-40

This light comes on during a malfunction in one of
two ways:
Light Flashing: A misfire condition has been detected.
A misfire increases vehicle emissions and could damage
the emission control system on the vehicle. Diagnosis
and service might be required.
The following can prevent more serious damage to the
vehicle:
•Reduce vehicle speed.
•Avoid hard accelerations.
•Avoid steep uphill grades.
If the light continues to flash, when it is safe to do so,
stop the vehicle. Find a safe place to park the vehicle.
Turn off the ignition, wait at least 10 seconds, and restart
the engine. If the light is still flashing, follow the previous
steps and see your dealer/retailer for service as soon as
possible.
Light On Steady: An emission control system
malfunction has been detected on the vehicle. Diagnosis
and service might be required.
An emission system malfunction might be corrected by
doing the following:
•Make sure the fuel cap is fully installed. See Filling
the Tank on page 6-9. The diagnostic system
can determine if the fuel cap has been left off
or improperly installed. A loose or missing fuel
cap allows fuel to evaporate into the atmosphere.
A few driving trips with the cap properly installed
should turn the light off.
•If the vehicle has been driven through a deep
puddle of water, the vehicle’s electrical system
might be wet. The condition is usually corrected
when the electrical system dries out. A few driving
trips should turn the light off.
•Make sure to fuel the vehicle with quality fuel.
Poor fuel quality causes the engine not to run
as efficiently as designed and may cause: stalling
after start-up, stalling when the vehicle is changed
into gear, misfiring, hesitation on acceleration,
or stumbling on acceleration. These conditions
might go away once the engine is warmed up.
If one or more of these conditions occurs, change
the fuel brand used. It will require at least one
full tank of the proper fuel to turn the light off.
See Gasoline Octane on page 6-6.
4-41

If none of the above have made the light turn off, your
dealer/retailer can check the vehicle. The dealer/retailer
has the proper test equipment and diagnostic tools to
fix any mechanical or electrical problems that might have
developed.
Emissions Inspection and Maintenance
Programs
Some state/provincial and local governments have or
might begin programs to inspect the emission control
equipment on the vehicle. Failure to pass this inspection
could prevent getting a vehicle registration.
Here are some things to know to help the vehicle pass
an inspection:
•The vehicle will not pass this inspection if the check
engine light is on with the engine running.
To perform a check engine light bulb check with the
keyless ignition, make sure the transmitter fob is in
the passenger compartment. See Ignition Positions
on page 3-22. Press the bottom of the Acc. button on
the instrument panel and hold the button down for
five seconds. The instrument panel, including the
check engine light, will light up and the ignition will be
on, but the engine will not start — press the bottom of
the Acc. button only briefly, less than five seconds,
the accessory power mode will be turned on, but not
the ignition. After the bulb check, press and release
the Acc. button again to turn the ignition off and avoid
draining the vehicle’s battery.
•The vehicle will not pass this inspection if the OBD II
(on-board diagnostic) system determines that critical
emission control systems have not been completely
diagnosed by the system. The vehicle would be
considered not ready for inspection. This can happen
if the battery has recently been replaced or if the
battery has run down. The diagnostic system is
designed to evaluate critical emission control
systems during normal driving. This can take several
days of routine driving. If this has been done and the
vehicle still does not pass the inspection for lack of
OBD II system readiness, your dealer/retailer can
prepare the vehicle for inspection.
4-42

Engine Oil Pressure Gage {WARNING:
Do not keep driving if the oil pressure is low.
The engine can become so hot that it catches fire.
Someone could be burned. Check the oil as soon
as possible and have the vehicle serviced.
Notice: Lack of proper engine oil maintenance
can damage the engine. The repairs would not be
covered by the vehicle warranty. Always follow
the maintenance schedule in this manual for
changing engine oil.
The engine oil pressure gage shows the engine oil
pressure in psi (pounds per square inch) or
kPa (kilopascals) when the engine is running.
Oil pressure should be 140 to 550 kPa (20 to 80 psi).
In certain situations such as long, extended idles on hot
days, it could read as low as 40 kPa (6 psi) and still
be considered normal. It may vary with engine speed,
outside temperature and oil viscosity, but readings
above the shaded area show the normal operating
range. Readings in the shaded area tell you that the
engine is low on oil, or that you might have some other
oil problem. See Engine Oil on page 6-20.
United States Canada
United States — Z06
and ZR1 Models Canada — Z06 and ZR1
Models
4-43

The engine oil pressure can also be displayed using the
GAGES button on the Driver Information Center (DIC).
See Driver Information Center (DIC) on page 4-46.
Security Light
For information regarding
this light and the vehicle’s
security system, see
Theft-Deterrent System on
page 3-18.
Fog Lamp Light
The fog lamp light comes
on when the fog lamps are
in use.
The light goes out when the fog lamps are turned off.
See Fog Lamps on page 4-13 for more information.
Lights On Reminder
This light comes on
whenever the parking
lamps are on.
See Headlamps on Reminder on page 4-12 for more
information.
Highbeam On Light
This light comes on when
the high-beam headlamps
are in use.
See Headlamp High/Low-Beam Changer on page 4-5
for more information.
4-44

Fuel Gage
The fuel gage shows how
much fuel the vehicle has
left while the engine is on.
An arrow on the fuel gage indicates the side of the
vehicle the fuel door is on.
When the needle approaches the low fuel symbol, a
chime sounds and LOW FUEL appears on the Driver
Information Center (DIC) display. There is still a little fuel
left, but the vehicle’s fuel tank should be filled soon.
Press the RESET button to acknowledge a DIC
message(s). Pressing the RESET button also turns off a
DIC message but the LOW FUEL message comes on
again in 10 minutes if fuel is not added to the vehicle.
Here are five things that some owners ask about. All
these things are normal and do not indicate that
anything is wrong with the fuel gage.
•At the service station, the gas pump shuts off
before the gage reads the full.
•It takes a little more or less fuel to fill up than the
gage indicated. For example, the gage may have
indicated half full, but it took a little more or
less than half of the tank’s capacity to fill the tank.
•The gage pointer may move while cornering,
braking or speeding up.
•The gage may not indicate the tank is empty when
the ignition is turned off.
•The gage reading may change slightly within the
first several minutes after starting the vehicle.
See DIC Operation and Displays on page 4-46 for more
information.
4-45

Boost Gage (ZR1 Only)
For vehicles that have this gage, it is located near the
driver side of the instrument panel cluster.
This gage indicates vacuum during light to moderate
throttle and boost under heavier throttle.
It displays the air pressure level in the intake manifold
before it enters the engine’s combustion chamber.
The gage is automatically centered at zero every time
the engine is started. Actual vacuum or boost is
displayed from this zero point. Changes in ambient
pressure, such as driving in mountains and changing
weather, will slightly change the zero reading.
Driver Information Center (DIC)
The Driver Information Center (DIC) display is located
on the instrument panel cluster and shows driver
personalization features and warning/status messages.
The DIC buttons are located on the instrument panel,
to the right of the cluster.
The DIC comes on when the ignition is turned on. After
displaying CORVETTE BY CHEVROLET, the DIC shows
the information that was last displayed before the engine
was turned off.
If a problem is detected, a warning message appears
on the DIC display. See DIC Warnings and Messages
on page 4-51 for more information.
DIC Operation and Displays
Depending on the features on the vehicle, the drive
gear may display on the DIC. See “Manual Paddle Shift”
under Automatic Transmission Operation on page 3-26
and “Head-Up Display (HUD)” in the index of the
Navigation system manual for more information.
United States Canada
4-46

The Driver Information Center (DIC) has different modes
which can be accessed by pressing the following buttons
located on the instrument panel, to the right of the
instrument panel cluster.
.4(Fuel): Press this button to display fuel information
such as fuel economy and range.
2(Gages): Press this button to display gage
information like oil pressure and temperature, coolant
temperature, automatic transmission fluid temperature, if
equipped, battery voltage, and front/rear tire pressures.
TRIP: Press this button to display your total and trip
distance driven, the elapsed time function, your average
speed, and the engine oil life.
OPTION: Press this button to choose personal options
that are available on your vehicle, depending on the
options your vehicle is equipped with, such as door
locks, easy entry seats, and language.
RESET: Press this button, used along with the other
buttons, to reset system functions, select personal
options, and turn off or acknowledge messages on
the DIC.
FUEL Button
The fuel button displays average fuel economy and
instantaneous fuel economy, calculated for your specific
driving conditions, and range information.
Average Fuel Economy: The average fuel economy
is viewed as a long-term approximation of your overall
driving conditions. You should reset the average fuel
economy display every time you refuel. If you press the
RESET button in this mode while you are driving, the
system will reset this display and begin figuring fuel
economy from that point in time.
4-47

Press the fuel button to display average fuel economy,
such as:
•AVERAGE FUEL ECONOMY 11.7 L/100 km or
•AVERAGE FUEL ECONOMY 20.1 MPG
Instantaneous Fuel Economy: Instantaneous fuel
economy reflects only the fuel economy that the vehicle
has right now and will change frequently as driving
conditions change. Unlike average fuel economy, this
menu item cannot be reset.
Press the fuel button again to display instantaneous fuel
economy, such as:
•INSTANT FUEL ECONOMY 11.7 L/100 km or
•INSTANT FUEL ECONOMY 20.1 MPG
Fuel Range: The range calculates the remaining
distance you can drive without refueling. It is based on
fuel economy and the fuel remaining in the tank.
Press the fuel button again to display the range,
such as:
•RANGE 48 km or
•RANGE 30 MI
If the LOW FUEL warning is displayed or if RANGE is
less than 64 km (40 miles), the display will read
RANGE LOW.
The fuel economy data used to determine fuel range is
an average of recent driving conditions. As your driving
conditions change, this data is gradually updated
automatically.
If the vehicle has been idling for a long time, the range
displayed on the DIC could be abnormally low. The
vehicle must be driven 8–16 km (5–10 miles) to get an
accurate reading.
GAGES Button
The gages button displays oil pressure, oil temperature,
coolant temperature, transmission fluid temperature for
automatic transmission vehicles only, battery voltage,
and tire pressure information.
Oil Pressure: This display shows the oil pressure.
Press the gages button to display the oil pressure,
such as:
•OIL PRESSURE 276 kPa or
•OIL PRESSURE 40 PSI
Oil Temperature: This display shows the oil
temperature.
Press the gages button again to display the oil
temperature, such as:
•OIL TEMPERATURE 112°C or
•OIL TEMPERATURE 234°F
4-48

If the oil temperature is low, the display will show OIL
TEMPERATURE LOW. If the oil temperature is high, the
display will show OIL TEMPERATURE HIGH.
Coolant Temperature: This display shows the engine
coolant temperature.
Press the gages button again to display the coolant
temperature, such as:
•COOLANT TEMPERATURE 51°C or
•COOLANT TEMPERATURE 123°F
If the coolant temperature is low, the display will show
COOLANT TEMPERATURE LOW. If the coolant
temperature is high, the display will show COOLANT
TEMPERATURE HIGH.
Transmission Fluid Temperature: If you have an
automatic transmission vehicle, this display shows the
automatic transmission fluid temperature.
Press the gages button again to display the automatic
transmission fluid temperature, such as:
•TRANS FLUID TEMP 51°C or
•TRANS FLUID TEMP 123°F
If the transmission fluid temperature is low, the
display will show TRANS FLUID TEMP LOW. If the
transmission fluid temperature is high, the display will
show TRANS FLUID TEMP HIGH.
Battery Voltage: This display shows the current battery
voltage.
Press the gages button again to display the battery
voltage, such as:
•BATTERY VOLTAGE 13.5 VOLTS
Tire Pressure: This display shows the tire pressure for
each tire.
Press the gages button again to display the tire pressure
for the front tires, such as:
•FRONT TIRE PRESSURES L 234 kPa R 228 kPa
or
•FRONT TIRE PRESSURES L 34 PSI R 33 PSI
Press the gages button again to display the tire pressure
for the rear tires, such as:
•REAR TIRE PRESSURES L 234 kPa R 228 kPa or
•REAR TIRE PRESSURES L 34 PSI R 33 PSI
4-49

TRIP Button
The TRIP button displays the odometer, trip distance,
elapsed time, average speed, and oil life remaining
information.
Odometer: The odometer shows how far your vehicle
has been driven in either kilometers or miles. Press
the TRIP button to display odometer readings, such as:
•ODOMETER 20008 km or
•ODOMETER 12345 MI
You can also display the odometer by turning on the
parking lamps.
Trip Odometers: There are two trip odometers.
Press the TRIP button to display TRIP
ODOMETER A readings and press the button again
to display TRIP ODOMETER B readings, such as:
•TRIP ODOMETER A 209.9 km or
•TRIP ODOMETER A 130.5 MI
•TRIP ODOMETER B 483.5 km or
•TRIP ODOMETER B 300.5 MI
Both of the trip odometers can be used simultaneously.
The trip odometers can be reset by pressing the
RESET button on the DIC.
There is also a miles since last ignition feature that
displays the number of kilometers (miles) driven
since you last started the vehicle. Press and hold the
RESET button for three seconds, then release it.
The kilometers (miles) since the last ignition cycle
will be set into the trip odometer.
Elapsed Timer: Press the TRIP button until ELAPSED
TIMER is displayed, such as ELAPSED TIMER .00.
When the ignition is in on, the DIC can be used as a
stopwatch. The display can show hours, minutes and
seconds. The elapsed time indicator will record up to
23 hours, 59 minutes and 59 seconds, then it will reset
to zero and continue counting. The display appears as
ELAPSED TIMER .00 in the elapsed time function.
You can start or stop the elapsed time by pressing the
RESET button. To reset the elapsed time to zero,
press the RESET button for three seconds while the
timer is displayed.
Pressing and holding the RESET button for at least
10 seconds will reset the timer display to the time since
last ignition cycle.
Average Speed: Press the TRIP button until the
average speed is displayed, such as:
•AVERAGE SPEED 100 km/h or
•AVERAGE SPEED 62 MPH
4-50

Press and hold the RESET button to reset to
0.0 km/h (mph).
Engine Oil Life: Press the TRIP button until the engine
oil life is displayed, such as OIL LIFE REMAINING 89%.
This is an estimate of the engine oil’s remaining useful
life. It will show 100% when the system is reset after an
oil change. It will alert you to change the oil on a schedule
consistent with your driving conditions.
When the remaining oil life is low, the system will alert
you with the message CHANGE ENGINE OIL.
Remember, you must reset the engine oil life system
yourself after each oil change. It will not reset itself.
To reset the system, see Engine Oil Life System on
page 6-27. Be careful not to reset the engine oil life
system accidentally at any time other than when the oil
has just been changed. It cannot be reset accurately
until the next oil change.
See Scheduled Maintenance on page 7-3 and Engine
Oil on page 6-20 for more information.
OPTION Button
The OPTION button allows you to access the
PERSONAL OPTIONS menu and customize the
personalization settings on your vehicle. See DIC
Vehicle Personalization on page 4-69 for more
information.
RESET Button
The RESET button, used along with other buttons, will
reset system functions and turn off or acknowledge
messages on the DIC.
DIC Warnings and Messages
Messages are displayed on the DIC to notify the
driver that the status of the vehicle has changed and that
some action may be needed by the driver to correct the
condition. Multiple messages may appear one after
another. You can scroll through the messages that may
have been sent at the same time. The DIC is continuously
updated with the vehicle performance status.
Some messages may not require immediate action, but
you can press the RESET button to acknowledge that
you received the messages and to clear them from the
display.
Some messages cannot be cleared from the DIC display
because they are more urgent. These messages require
action before they can be cleared. You should take any
messages that appear on the display seriously and
remember that clearing the messages will only make the
messages disappear, not correct the problem.
4-51

The following are the possible messages that can be
displayed and some information about them.
ABS (Antilock Brake System) ACTIVE
This message displays when the Antilock Brake
System (ABS) is adjusting brake pressure to help
avoid a braking skid.
Slippery road conditions may exist if this message is
displayed, so adjust your driving accordingly. The
message stays on for a few seconds after the system
stops adjusting brake pressure. See Antilock Brake
System (ABS) on page 5-5 for more information.
ACTIVE HANDLING
This message displays when the Active Handling
System is operating. The Active Handling System is a
computer controlled system that assists the driver in
controlling the vehicle in difficult driving conditions. You
may feel or hear the system working and see the ACTIVE
HANDLING message displayed in the DIC. This message
stays on for a few seconds following the active handling
event. This is normal when the system is operating. See
Active Handling System on page 5-8 and Braking on
page 5-3.
ACTIVE HANDLING READY
This message displays when the functional check of the
Active Handling System has been completed. See
Active Handling System on page 5-8 for more
information.
ATTACH TRUNK PARTITION
If the vehicle has a power convertible top, this message
displays and a sound will be heard if the trunk partition is
not in place. Open the hatch/trunk and make sure the
trunk partition is secure and no objects are on the trunk
partition. See Rear Storage Area on page 3-49 for more
information.
BATTERY SAVER ACTIVE
This message displays when the vehicle has detected
that the battery voltage is dropping beyond a reasonable
point. The battery saver system starts reducing certain
features of the vehicle that you may be able to notice. At
the point that features are disabled, this message is
displayed. It means that the vehicle is trying to save the
charge in the battery. Turn off unnecessary accessories
to allow the battery to recharge.
4-52

BUCKLE PASSENGER
This message reminds you to buckle the passenger’s
safety belt.
This message displays and a sound will be heard when
the ignition is on, the driver’s safety belt is buckled, the
passenger’s safety belt is unbuckled with the passenger
airbag enabled, and the vehicle is in motion. You should
have the passenger buckle their safety belt.
The reminder will be repeated if the ignition is on, the
vehicle is in motion, the driver is buckled and the
passenger is still unbuckled, and the passenger airbag
is enabled. If the passenger’s safety belt is already
buckled, this message will not come on.
BUCKLE SEATBELT
This message reminds you to buckle the driver’s
safety belt.
This message displays and a sound will be heard when
the ignition is on, the driver’s safety belt is unbuckled,
and the vehicle is in motion. You should buckle your
safety belt.
If the driver remains unbuckled when the ignition is
on and the vehicle is in motion, the reminder will be
repeated. If the driver’s safety belt is already buckled,
this message will not come on.
This message is an additional reminder to the safety
belt reminder light in the instrument panel cluster.
See Safety Belt Reminders on page 4-31 for more
information.
CHANGE BRAKE PADS
On vehicles with electronic brake pad wear sensors, this
message will be displayed when the pads are worn.
See your dealer/retailer for service.
CHANGE ENGINE OIL
This message displays when the life of the engine oil
has expired. See Scheduled Maintenance on page 7-3.
After an oil change, the engine oil life system must be
reset. See “Engine Oil Life” under DIC Operation and
Displays on page 4-46. Also, see Engine Oil on
page 6-20 and Engine Oil Life System on page 6-27
for more information.
CHECK BRAKE FLUID
This message displays, a sound will be heard, and the
brake system warning light on the instrument panel
cluster turns on if the ignition is on to inform the driver
that the brake fluid level is low. See Brake System
Warning Light on page 4-35. Have the brake system
serviced by your dealer/retailer as soon as possible.
See Brakes on page 6-46.
4-53

CHECK COOLANT LEVEL
This message displays when the engine coolant level is
low. Have the cooling system serviced by your dealer/
retailer as soon as possible. See Engine Coolant on
page 6-36.
CHECK GAS CAP
This message displays if the fuel cap has not been fully
tightened. Check the fuel cap to make sure that it is on
properly. Once tightened, it takes at least one overnight
park to reset or clear this message. If both the CHECK
GAS CAP message and the malfunction indicator lamp in
the instrument panel cluster are on, you may need to see
your dealer/retailer for service. See Malfunction Indicator
Lamp on page 4-40 for more information.
CHECK OIL LEVEL
On some vehicles, this message displays and two
chimes sound if the oil level in the vehicle is low. Once
the vehicle senses a change in the engine oil level, the
light remains off.
If this message appears after starting the engine, the
engine oil level may be too low. You may need to
add oil. See Engine Overheating on page 6-41.
To acknowledge the message, press the RESET button.
The message reappears every 10 minutes until this
condition changes.
CLOSE TRUNK TO MOVE TOP
This message displays and a sound will be heard if
the trunk is open while you are trying to operate
the convertible top. Make sure the trunk is closed before
operating the convertible top. See Convertible Top
(Manual) on page 3-56 or Convertible Top (Power) on
page 3-63.
COMPETITIVE DRIVING MODE
This message displays and a sound will be heard when
the Competitive Driving mode is selected. The instrument
panel cluster light will be on when the Competitive Driving
mode is selected. If your vehicle is equipped with a
manual transmission, Launch Control is available when
this mode selected. The Traction Control System (TCS)
will not be operating while in the Competitive Driving
mode. Adjust your driving accordingly. This system is
available on all models except ZR1. See Competitive
Driving Mode on page 5-9, including the “Launch Control”
information, and Racing or Other Competitive Driving on
page 5-19 for more information.
COOLANT OVER TEMPERATURE
This message displays and a sound will be heard if the
engine coolant exceeds 124°C (255°F). If you have
been operating the vehicle under normal driving
conditions, pull off the road, stop the vehicle, and turn
off the engine as soon as possible.
4-54

You can monitor the coolant temperature with the gages
button on the DIC or the engine coolant temperature
gage on the instrument panel cluster. See Engine
Overheating on page 6-41,DIC Operation and Displays
on page 4-46, and Engine Coolant Temperature Gage on
page 4-39.
To acknowledge the message, press the RESET button.
The message and sound will come back on until this
condition changes. If you do not press the RESET
button, the message remains on until the condition
changes.
CRUISE DISENGAGED
This message displays briefly when you disengage the
cruise control system by stepping on the brake on
an automatic transmission vehicle or the clutch on a
manual transmission vehicle, or by turning off the cruise
control switch. See Cruise Control on page 4-7 for
more information.
ENGINE DRAG CONTROL ACTIVE
This message displays when engine drag control is
active. When driving in a lower gear in rainy, snowy, or
icy conditions and then letting up on the accelerator or
downshifting, the rear wheels may begin to slip and this
message displays. This message stays on for a
few seconds following the engine drag control event.
ENGINE OVERHEATED – STOP
ENGINE
This message displays and a sound will be heard when
the engine has overheated. Stop and turn the engine
off immediately to avoid severe engine damage.
See Engine Overheating on page 6-41.
ENGINE PROTECTION REDUCE
ENGINE RPM
This message displays if the engine oil temperature
exceeds 160°C (320°F). Check the engine coolant
temperature and engine oil level. If the engine is too
hot, see Engine Overheating on page 6-41. The vehicle
may need service, so see your dealer/retailer.
You can monitor the oil temperature with the gages
button on the DIC. See DIC Operation and Displays on
page 4-46.
Multiple chimes sound when this message is displayed.
This message remains displayed and active until the
issue is resolved.
4-55

HEADLAMPS SUGGESTED
This message displays if it is dark enough outside and
the headlamps and the Twilight Sentinel
®
controls are off.
This message informs the driver that turning on the
exterior lamps is recommended. It has become dark
enough outside to require the headlamps and/or other
exterior lamps.
HIGH TIRE PRESSURE
This message may be displayed when one or more of
the tires is over-inflated. This message also displays
LEFT FRONT, RIGHT FRONT, LEFT REAR, or RIGHT
REAR to indicate which tire is affected. You can receive
more than one tire pressure message at a time. To read
other messages that may have been sent at the same
time, press the RESET button. If a tire pressure message
appears on the DIC, stop as soon as you can. Have the
tire pressures checked and set to those shown on the
Tire Loading Information label. See Run-Flat Tires on
page 6-71,Loading the Vehicle on page 5-28,
Inflation - Tire Pressure on page 6-72, and Tire Pressure
Monitor System on page 6-74. The DIC also shows the
tire pressure values. See DIC Operation and Displays on
page 4-46.
To acknowledge the message, press the RESET button.
A message reappears every 10 minutes until the
condition is corrected.
HOT ENGINE AIR CONDITIONING OFF
This message displays when the engine coolant
becomes hotter than the normal operating temperature.
To avoid added strain on a hot engine, the air
conditioning compressor is automatically turned off.
When the coolant temperature returns to normal, the A/C
operation automatically resumes. You can continue to
drive the vehicle. If this message continues to appear,
have the system repaired by your dealer/retailer as soon
as possible to avoid compressor damage.
ICE POSSIBLE
This message displays when the outside air temperature
is cold enough to create icy road conditions. Adjust
your driving accordingly.
LOW FUEL
This message displays when the fuel tank is less than
10 percent full and the display is turned off. A sound will
be heard when this message is displayed. Refill the
fuel tank as soon as possible. See Fuel Gage on
page 4-45.
4-56

LOW OIL PRESSURE
This message displays if low oil pressure levels occur. If
this message appears while the engine is running, stop
the engine and do not operate it until the cause of low oil
pressure is corrected. Severe damage to the engine can
result. A sound will be heard when this message is
displayed. See Engine Oil on page 6-20.
LOW TIRE PRESSURE or TIRE LOW
ADD AIR TO TIRE
{WARNING:
When the LOW TIRE PRESSURE or TIRE FLAT
message is displayed on the Driver Information
Center, your vehicle’s handling capabilities will be
reduced during severe maneuvers. The active
handling system will be affected. See Active
Handling System on page 5-8. If you drive too
fast, you could lose control of your vehicle. You or
others could be injured. Do not drive over 55 mph
(90 km/h) when the LOW TIRE PRESSURE or
TIRE FLAT message is displayed. Drive cautiously
and check your tire pressures as soon as you can.
This message displays when one or more of the tires
is under-inflated. This message also displays LEFT
FRONT, RIGHT FRONT, LEFT REAR, or RIGHT REAR
to indicate which tire is affected. Multiple chimes sound
and the tire pressure light on the instrument panel cluster
turns on when this message is displayed. See Tire
Pressure Light on page 4-39. You can receive more than
one tire pressure message at a time. To read other
messages that may have been sent at the same time,
press the RESET button. If a tire pressure message
appears on the DIC, stop as soon as you can. Have the
tire pressures checked and set to those shown on the
Tire Loading Information label. See Run-Flat Tires on
page 6-71,Loading the Vehicle on page 5-28,Inflation -
Tire Pressure on page 6-72, and Tire Pressure Monitor
System on page 6-74. The DIC also shows the tire
pressure values. See DIC Operation and Displays on
page 4-46.
To acknowledge the message, press the RESET button.
A message reappears every 10 minutes until the
condition is corrected.
4-57

MAXIMUM SPEED 129 km/h (80 MPH)
This message displays when a malfunction is present in
the Selective Ride Control system. The vehicle speed
will be limited to a value determined by the vehicle when
the shock absorber system has failed and the shocks
are in their full soft mode. Have the vehicle serviced by
your dealer/retailer as soon as possible.
To acknowledge the message, press the RESET button.
The message reappears every 10 minutes until this
condition changes.
NO FOBS DETECTED
This message displays if the vehicle does not detect the
presence of a keyless access transmitter when you have
attempted to start the vehicle or a vehicle door has just
closed. The following conditions may cause this message
to appear:
•Driver-added equipment plugged into the accessory
power outlet on the center console is causing
interference. Examples of these devices are cell
phones and cell phone chargers, two-way radios,
power inverters, or similar items. Try moving the
keyless access transmitter away from these devices
when starting the vehicle. In addition, PDA devices
and remote garage and gate openers may also
generate Electromagnetic Interference (EMI) that
may interfere with the keyless access transmitter. Do
not carry the keyless access transmitter in the same
pocket or bag as these devices.
•The vehicle is experiencing Electromagnetic
Interference (EMI). Some locations, such as airports,
automatic toll booths, and some gas stations have
EMI fields which may interfere with the keyless
access transmitter.
If moving the transmitter to different locations within
the vehicle does not help, place the transmitter in the
glove box transmitter pocket with the buttons facing to
the right and then press the START button.
•The vehicle’s battery voltage is low. The battery
voltage must be above 10 volts for the keyless
access transmitter to be detected properly.
4-58

NO FOB - OFF OR RUN?
This message displays when the keyless access
transmitter is not detected inside the vehicle while you
are trying to turn the ignition off. The vehicle may be
near a strong radio antenna signal causing the keyless
access system to be jammed. The vehicle will remain in
ACCESSORY until the vehicle is turned off or is restarted,
or five minutes has expired. If you turn the ignition off and
you cannot find the keyless access transmitter, you will
not be able to restart the vehicle. The keyless access
transmitter needs to be inside of the vehicle in order for
the vehicle to start. See Starting the Engine on page 3-24
for more information.
OPTIONS UNAVAILABLE
This message displays for a few seconds if a keyless
access transmitter that is not labelled 1 or 2 is used and
you try to personalize the features on the vehicle by
pressing the OPTION button. The personalization system
will not recognize the transmitter and the DIC will not
display the current driver number or the menus used to
set personalizations. The personalization features will
then be set to the default states. See DIC Vehicle
Personalization on page 4-69 for more information.
PERF TRAC 1 – WET ACTIVE
HANDLING ON
This message displays and a sound will be heard
when this Performance Traction Management mode is
selected. The instrument panel cluster light will also
be on when this mode is selected. Launch Control
is available when this mode selected. In this mode the
Traction Control and Active Handling System are
available but intended for use on wet race track
conditions. Adjust your driving accordingly. This system
is available only on ZR1 models. See “Performance
Traction Management” and “Launch Control” under
Competitive Driving Mode on page 5-9 and Racing or
Other Competitive Driving on page 5-19 for more
information about the use of this mode.
PERF TRAC 2 – DRY ACTIVE
HANDLING ON
This message displays and a sound will be heard
when this Performance Traction Management mode is
selected. The instrument panel cluster light will also
be on when this mode is selected. Launch Control
is available when this mode selected. In this mode the
Traction Control and Active Handling System are
available but intended for use on dry race track
conditions. Adjust your driving accordingly.
4-59

This system is available only on ZR1 models. See
“Performance Traction Management” and “Launch
Control” under Competitive Driving Mode on page 5-9
and Racing or Other Competitive Driving on page 5-19
for more information about the use of this mode.
PERF TRAC 3 – SPORT ACTIVE
HANDLING ON
This message displays and a sound will be heard
when this Performance Traction Management mode is
selected. The instrument panel cluster light will also be on
when this mode is selected. Launch Control is available
when this mode selected. In this mode the Traction
Control and Active Handling System are available but
intended for use on dry race track conditions. Adjust your
driving accordingly. This system is available only on
ZR1 models. See “Performance Traction Management”
and “Launch Control” under Competitive Driving Mode on
page 5-9 and Racing or Other Competitive Driving on
page 5-19 for more information about the use of
this mode.
PERF TRAC 4 – SPORT ACTIVE
HANDLING OFF
This message displays and a sound will be heard
when this Performance Traction Management mode is
selected. The instrument panel cluster light will also be on
when this mode is selected. Launch Control is available
when this mode selected. In this mode the Traction
Control is available but intended for use on dry race track
conditions. The Active Handling System is disabled when
this mode is selected. This mode will require more driver
skill than modes 1-3. Adjust your driving accordingly.
This system is available only on ZR1 models. See
“Performance Traction Management” and “Launch
Control” under Competitive Driving Mode on page 5-9
and Racing or Other Competitive Driving on page 5-19 for
more information about the use of this mode.
PERF TRAC 5 – RACE ACTIVE
HANDLING OFF
This message displays and a sound will be heard
when this Performance Traction Management mode is
selected. The instrument panel cluster light will also be on
when this mode is selected. Launch Control is available
when this mode selected. In this mode the Traction
Control is available but intended for use on dry race track
conditions. The Active Handling System is disabled when
this mode is selected. This mode will require more driver
skill than modes 1-4. Adjust your driving accordingly.
4-60

This system is available only on ZR1 models. See
“Performance Traction Management” and “Launch
Control” under Competitive Driving Mode on page 5-9
and Racing or Other Competitive Driving on page 5-19 for
more information about the use of this mode.
PRESS BRAKE TO START ENGINE
(Automatic Transmission Only)
This message displays if you try to start the engine by
pressing the keyless ignition start button without having
the brake pressed. The brake needs to be pressed when
starting the engine. See Ignition Positions on page 3-22
for more information.
REDUCED ENGINE POWER
If this message displays and the check engine light
comes on, a noticeable reduction in the vehicle’s
performance may occur. If the REDUCED ENGINE
POWER message is displayed, but there is no reduction
in performance, proceed to your destination. The
performance may be reduced the next time the vehicle
is driven.
The vehicle may be driven at a reduced speed while
the REDUCED ENGINE POWER message is displayed,
but acceleration and speed may be reduced.
Anytime the check engine light stays on, the vehicle
should be taken to your dealer/retailer as soon as
possible for diagnosis and repair. See Malfunction
Indicator Lamp on page 4-40 for more information.
Multiple chimes sound when this message is displayed.
To acknowledge the message, press the RESET button.
The message reappears every five minutes until this
condition changes.
If the REDUCED ENGINE POWER message is
displayed in combination with the COOLANT OVER
TEMPERATURE message, see Engine Overheating on
page 6-41.
SERVICE ACTIVE HANDLING SYSTEM
This message displays if there is a problem with the
Active Handling System and the vehicle needs service.
The active handling system light on the instrument panel
cluster also turns on and a sound will be heard. See your
dealer/retailer. When this message is displayed, the
system is not working. Adjust your driving accordingly.
See Active Handling System on page 5-8 for more
information.
4-61

SERVICE AIR CONDITIONING
This message displays when the electronic sensors that
control the air conditioning and heating systems are no
longer working. Have the climate control system serviced
by your dealer/retailer if you notice a drop in heating and
air conditioning efficiency.
SERVICE ANTILOCK BRAKES
If this message displays while you are driving, stop as
soon as possible and turn the ignition off. Then start the
engine again to reset the system. If the message stays
on, or comes back on again while you are driving, the
vehicle is in need of service. See your dealer/retailer. If
the antilock brake system (ABS) warning light is on and
the regular brake system warning light is not on, you still
have brakes, but do not have ABS. If the regular brake
system warning light is also on, you do not have ABS and
there is a problem with the brakes. See Antilock Brake
System (ABS) Warning Light on page 4-36 and Brake
System Warning Light on page 4-35.
If this message is displayed, the Traction Control
System (TCS) and the Active Handling System will
also be disabled. The DIC will scroll three messages:
SERVICE ANTILOCK BRAKES, SERVICE TRACTION
SYSTEM, and SERVICE ACTIVE HANDLING, and
the instrument panel cluster lights will come on along
with a sound. When the service message is displayed,
the computer controlled systems will not assist the
driver. Have the system repaired by your dealer/retailer
as soon as possible. Adjust your driving accordingly.
To acknowledge these messages, press the RESET
button.
SERVICE CHARGING SYSTEM
If this message displays while you are driving, there may
be a problem with the electrical charging system. It could
mean that there is a loose or broken drive belt or that
there is another electrical problem. Have the vehicle
checked right away by your dealer/retailer. Driving while
this message is on could drain the battery.
If you must drive a short distance with the message on,
be certain to turn off the vehicle’s accessories, such
as the radio and air conditioner.
Multiple chimes sound when this message is displayed.
To acknowledge the message, press the RESET button.
The message reappears every 10 minutes until this
condition changes.
SERVICE ELECTRICAL SYSTEM
This message displays if an electrical problem has
occurred within the Powertrain Control Module (PCM).
Have the vehicle serviced by your dealer/retailer.
4-62

SERVICE FUEL SYSTEM
This message displays if the Powertrain Control Module
(PCM) has detected a problem within the fuel system.
Have the vehicle serviced by your dealer/retailer. This
message also displays when the cluster is not getting fuel
information from the PCM.
SERVICE RIDE CONTROL
This message displays when the Selective Ride Control
system has detected a malfunction and the system must
be serviced. See your dealer/retailer. If a fault is present
in the Selective Ride Control system which causes the
shocks to be in their full soft condition, the messages
SERVICE RIDE CONTROL, SHOCKS INOPERATIVE,
and MAXIMUM SPEED 129 km/h (80 MPH) will display
together. See Selective Ride Control on page 5-14 for
more information.
SERVICE TIRE MONITOR
This message displays if a part on the Tire Pressure
Monitor System (TPMS) is not working properly. The tire
pressure light also flashes and then remains on during
the same ignition cycle. See Tire Pressure Light on
page 4-39. Several conditions may cause this message
to appear. See Tire Pressure Monitor Operation on
page 6-76 for more information. If the warning comes on
and stays on, there may be a problem with the TPMS.
See your dealer/retailer.
SERVICE TRACTION SYSTEM
If this message displays when you are driving, there is a
problem with the Traction Control System (TCS) and
the vehicle is in need of service. See your dealer/retailer.
When this message is displayed, the system will not
limit wheel spin. Adjust your driving accordingly.
The traction control system (TCS) warning light on the
instrument panel cluster will also turn on and a sound will
be heard.
When this message is displayed, the computer
controlled systems will not assist the driver in controlling
the vehicle. Have the system repaired by your dealer/
retailer as soon as possible. Adjust your driving
accordingly. See Traction Control System (TCS) on
page 5-6 for more information.
To acknowledge the message, press the RESET button.
SERVICE TRANSMISSION
This message displays when there is a problem with the
transmission. See your dealer/retailer for service.
SERVICE VEHICLE SOON
This message displays and a sound will be heard when
there may be an electrical or another system problem
with the vehicle. Have your vehicle checked by your
dealer/retailer if this message keeps appearing.
4-63

SET PARK BRAKE FOR SEAT RECALL
If the vehicle has a manual transmission, this message
displays if you try to recall the memory positions when the
ignition is on and the parking brake is not set. If the
vehicle is on, you must set the parking brake in order for
the memory positions to recall. See Memory Seat, Mirrors
and Steering Wheel on page 2-4 for more information.
SET PARK BRAKE TO MOVE TOP
If the vehicle has a manual transmission, this message
displays and a sound will be heard if you try to operate
the power convertible top without first setting the parking
brake. Set the parking brake before trying to operate the
power convertible top. See Convertible Top (Manual) on
page 3-56 or Convertible Top (Power) on page 3-63 for
more information.
SHIFT TO PARK
If the vehicle has an automatic transmission, this
message displays if the vehicle is not in P (Park) when
the engine is being turned off. The vehicle will be in
ACCESSORY Once the shift lever is moved to P (Park),
the vehicle will turn off.
The vehicle will remain in ACCESSORY, without the
20 minute time-out period, until the shift lever is moved
to P (Park) or until the driver presses the pushbutton
to restart the vehicle. See Ignition Positions on
page 3-22 for more information.
SHIFT TO PARK OR SET PARK BRAKE
FOR TOP
If the vehicle has an automatic transmission, this
message displays and a sound will be heard if you try
to operate the power convertible top without first shifting
into P (Park) or setting the parking brake. Either shift
the vehicle into P (Park) or set the parking brake before
trying to operate the power convertible top. See
Convertible Top (Manual) on page 3-56 or Convertible
Top (Power) on page 3-63 for more information.
SHOCKS INOPERATIVE
This message displays when a malfunction is present in
the Selective Ride Control system which is causing
the shocks to be in their full soft mode. This is a warning
to the driver that the vehicle handling may be affected.
Have the vehicle serviced by your dealer/retailer as
soon as possible.
To acknowledge the message, press the RESET button.
The message reappears every 10 minutes until this
condition changes.
4-64

TIRE FLAT
{WARNING:
When the LOW TIRE PRESSURE or TIRE FLAT
message is displayed on the Driver Information
Center, your vehicle’s handling capabilities will be
reduced during severe maneuvers. If you drive too
fast, you could lose control of your vehicle. You or
others could be injured. Do not drive over 55 mph
(90 km/h) when the LOW TIRE PRESSURE or
TIRE FLAT message is displayed. Drive cautiously
and check your tire pressures as soon as you can.
This message displays when one or more of the tires is
flat. This message also displays LEFT FRONT,
RIGHT FRONT, LEFT REAR, or RIGHT REAR to
indicate which tire is affected. Multiple chimes sound
and the tire pressure light on the instrument panel
cluster comes on when this message is displayed. See
Tire Pressure Light on page 4-39.
This message is followed by the MAXIMUM SPEED
90 km/h (55 MPH) message, and then by the REDUCED
HANDLING message. The Active Handling System
will intervene more quickly when a flat tire has been
detected. Adjust your driving accordingly.
You can receive more than one tire pressure message
at a time. To read other messages that may have
been sent at the same time, press the RESET button.
If a tire pressure message appears on the DIC, stop as
soon as you can. Have the tire pressures checked
and set to those shown on the Tire Loading Information
label. See Run-Flat Tires on page 6-71,Loading the
Vehicle on page 5-28,Inflation - Tire Pressure on
page 6-72, and Tire Pressure Monitor System on
page 6-74. The DIC also shows the tire pressure values.
See DIC Operation and Displays on page 4-46.
To acknowledge the message, press the RESET button.
A message reappears every 10 minutes until the
condition is corrected.
TOO COLD TO MOVE TOP
This message displays and a sound will be heard when
the power convertible top button is pressed and the
power convertible top pump motor temperature is
below −20°C (−4°F). Wait for the power convertible top
pump motor to warm up before using the power
convertible top.
4-65

TOP MOTOR OVER TEMPERATURE
This message displays and a sound will be heard
when the power convertible top button is pressed and
the power convertible top pump motor temperature is
over 105°C (221°F). Wait for the power convertible top
pump motor to cool down before using the power
convertible top.
TOP NOT SECURE
This message displays and a sound will be heard when
the power convertible top button is released before the
top open or close operation is complete or if the top is
closed without the header latch engaged. Press and hold
the convertible top button to fully open or close the top,
and make sure that the header latch is engaged after the
top is closed.
TRACTION SYSTEM ACTIVE
This message displays when the Traction Control
System (TCS) is limiting wheel spin. Slippery road
conditions may exist if this message is displayed, so
adjust your driving accordingly. The message stays on
for a few seconds after the TCS stops limiting wheel
spin. See Traction Control System (TCS) on page 5-6
for more information.
TRACTION SYSTEM AND ACTIVE
HANDLING – OFF
This message displays, the instrument panel cluster
light turns on, and a sound will be heard when the
Traction Control System (TCS) and Active Handling
System are turned off by pressing the Active Handling
System button on the console for five seconds. The
Antilock Brake System (ABS) remains on with the TCS
and Active Handling System off. Adjust your driving
accordingly. See Traction Control System (TCS)
on page 5-6 and Active Handling System on page 5-8
for more information.
To acknowledge this message, press the RESET
button.
TRACTION SYSTEM AND ACTIVE
HANDLING – ON
If the Traction Control System (TCS) and Active
Handling System are off, this message displays briefly,
the instrument panel cluster light turns off, and a
sound will be heard when the TCS and Active Handling
System are turned on by briefly pressing the Active
Handling System button on the console. See Traction
Control System (TCS) on page 5-6 and Active Handling
System on page 5-8 for more information.
4-66

TRACTION SYSTEM – OFF
This message displays and stays on, a sound will be
heard, and the traction control system (TCS) warning
light on the instrument panel cluster turns on when
the TCS is turned off by pressing the Active Handling
System button on the console. See Traction Control
System (TCS) Warning Light on page 4-37. See Traction
Control System (TCS) on page 5-6 for more information.
To acknowledge the message, press the RESET
button.
TRACTION SYSTEM – ON
This message displays and a sound will be heard when
the Traction Control System (TCS) is turned on by
pressing the Active Handling System button on the
console. This message automatically clears from the DIC
display on its own. See Traction Control System (TCS) on
page 5-6 for more information.
TRANSMISSION HOT IDLE ENGINE
This message displays and four chimes sound if the
transmission fluid temperature rises above 132°C
(270°F) or rises rapidly. The transmission may shift
gears or apply the torque converter clutch to reduce the
fluid temperature. Driving aggressively or driving on
long hills can cause the transmission fluid temperature
to be higher than normal. If this message appears,
you may continue to drive at a slower speed.
Monitor the transmission fluid temperature and allow it
to cool to at least 110°C (230°F). The transmission fluid
temperature can be monitored with the gages button
on the DIC. See DIC Operation and Displays on
page 4-46 and Automatic Transmission Fluid on
page 6-32. Also check the engine coolant temperature.
If it is also hot, see Engine Overheating on page 6-41.
If this message is displayed during normal vehicle
operation on flat roads, the vehicle may need service.
See your dealer/retailer for an inspection.
If driving in a performance or competitive manner, the
use of (S) Sport Automatic Mode or (S) Sport Manual
Paddle Shift gear selection is recommended. See
Automatic Transmission Operation on page 3-26 for
more information.
To acknowledge the message, press the RESET button.
The message reappears every 10 minutes until this
condition changes. If you do not press the RESET
button, the message remains on the display until the
condition changes.
TURN SIGNAL ON
This message displays and a sound will be heard if a
turn signal is left on for 1.2 km (three-quarters of a mile).
Move the turn signal/multifunction lever to the off
position.
To acknowledge this message, press the RESET
button.
4-67

UNLATCH HEADER TO MOVE TOP
This message displays and a sound will be heard if you
try to lower the convertible top without first unlocking
the top. Move the latch handle to unlock the convertible
top. See Convertible Top (Manual) on page 3-56 or
Convertible Top (Power) on page 3-63.
Other Messages
Here are more messages that you can receive on your
Driver Information Center (DIC). To acknowledge a
message and read another message that may have
come on at the same time, press the RESET button.
•ACCESSORY MODE ON
•BATTERY VOLTAGE HIGH
See Voltmeter Gage on page 4-34.
•BATTERY VOLTAGE LOW
See Voltmeter Gage on page 4-34.
•CHECK WASHER FLUID
See Windshield Washer Fluid on page 6-45.
•CRUISE SET TO XXX MPH (XXX km/h)
See Cruise Control on page 4-7.
•DRIVER DOOR AJAR
•FOB AUTOLEARN WAIT XX MINUTES
See “Matching Transmitter(s) to Your Vehicle” under
Keyless Access System Operation on page 3-5.
•FOB BATTERY LOW
See “Battery Replacement” under Keyless Access
System Operation on page 3-5.
•HATCH AJAR (Coupe)
•INTRUSION SENSOR OFF, if your vehicle has this
feature
•INTRUSION SENSOR ON, if your vehicle has this
feature
•KNOWN FOB
See “Matching Transmitter(s) to Your Vehicle” under
Keyless Access System Operation on page 3-5.
•MAXIMUM NUMBER OF FOBS LEARNED
See “Matching Transmitter(s) to Your Vehicle” under
Keyless Access System Operation on page 3-5.
•OFF–ACCESSORY TO LEARN
See “Matching Transmitter(s) to Your Vehicle” under
Keyless Access System Operation on page 3-5.
•PASSENGER DOOR AJAR
4-68

•READY FOR FOB #X
See “Matching Transmitter(s) to Your Vehicle” under
Keyless Access System Operation on page 3-5.
•TONNEAU AJAR (Convertible)
•TRUNK AJAR (Convertible)
•UPSHIFT NOW
See Manual Transmission Operation on page 3-31.
DIC Vehicle Personalization
Many features on your vehicle can be personalized.
This means that the operation of these features can be
set to operate differently depending on who is driving
the vehicle. See “Personal Options” later in this section
for the features that you can personalize.
The personalization settings for other features are
automatically updated and saved as the driver adjusts
them. These include the following settings and presets:
•The radio presets, tone, volume, fade, balance,
equalization (EQ) settings and source (radio or CD)
•The last climate control setting
•The Head-Up Display (HUD) position and dimming
level, if your vehicle has this feature
•The instrument panel cluster dimming level and last
selected DIC display
Separate personalization settings are saved for
two different drivers. One of the keyless access
transmitters is assigned to driver 1. The other is
assigned to driver 2. The back of the keyless access
transmitters are labelled 1 or 2 to correspond to
each driver.
The current driver’s preferences are recalled when one
of the following occurs:
•The lock or unlock button on the keyless access
transmitter, labelled 1 or 2, is pressed.
•The appropriate memory button, 1 or 2, located on
the driver’s door is pressed. See Memory Seat,
Mirrors and Steering Wheel on page 2-4 for more
information.
•A valid keyless access transmitter is detected upon
opening the driver’s door.
If more than one valid keyless access transmitter is
detected upon opening the driver’s door, the driver
preferences for the lowest driver number will be recalled.
4-69

If a keyless access transmitter that is not labelled 1 or 2
is used, the personalization system will not recognize
the transmitter. The Driver Information Center (DIC) will
not display a current driver number and the features
that are normally programmed through the DIC will be
set to the default states. Also, if the OPTION button
is pressed, the DIC does not display the menus used to
set personalizations, but instead displays OPTIONS
UNAVAILABLE for a few seconds.
Entering the Personal Options Menu
To enter the personal options menu, use the following
steps:
1. If you have an automatic transmission vehicle, turn
the vehicle on with the shift lever in P (Park).
If you have a manual transmission vehicle, turn the
vehicle on with the parking brake set.
To avoid excessive drain on the battery, it is
recommended that the headlamps are turned off.
2. Press the OPTION button and you will enter the
PERSONAL OPTIONS menu.
The DIC will display the current driver
number (1 or 2) for a few seconds and then will
display instructions on which buttons to use for
setting the personalizations. The RESET button is
used to select a setting for a particular feature. The
OPTION button is used to move to the next feature.
3. Press the OPTION button while the instruction
screen is displayed to enter the first personalization
menu item.
4. Once you have cycled through all of the personal
options, pressing the OPTION button a final time
exits the personal options menu. In addition, if no
button is pressed within 45 seconds, the DIC will exit
the personal options menu.
Personal Options
The following options are available for programming:
Display Units: This option allows you to choose
the measurement units.
Press the OPTION button until DISPLAY UNITS
appears on the display, then press the RESET button to
scroll through the following modes:
•ENGLISH (default)
•METRIC
If you choose ENGLISH, all information will be displayed
in English units.
If you choose METRIC, all information will be displayed
in metric units.
When the mode you want is selected, press the
OPTION button to set your choice and advance to the
next personal option.
4-70

Auto Memory Recall (Automatic Transmission only):
If your automatic transmission vehicle has the memory
package, you may have this option. This option allows
the driver’s seat, the telescopic steering column, if your
vehicle has this feature, and the outside rearview mirrors
to automatically move to the current driver’s set position
when the engine starts.
Press the OPTION button until AUTO MEMORY RECALL
appears on the display, then press the RESET button to
scroll through the following modes:
•YES
•NO (default)
If you choose YES, the driver’s seat, the outside
rearview mirrors and the telescopic steering column, if
your vehicle has this feature, positions are recalled when
you turn the ignition on.
If you choose NO, this option will turn off.
When the mode you want is selected, press the
OPTION button to set your choice and advance to the
next personal option.
Auto Exit Recall: If your vehicle has the memory
package, you may have this option. This option allows
the driver’s seat and telescopic steering column, if your
vehicle has this feature, to automatically move to the
current driver’s exit position when one of the following
occurs:
•The vehicle is turned off or in Retained Accessory
Power (RAP) or accessory mode and the driver’s
door is opened.
•The vehicle is turned off or in RAP and the unlock
button on the keyless access transmitter is pressed.
In order for the Auto Exit Recall feature to work on an
automatic transmission vehicle, the vehicle must be
in P (Park). On a manual transmission vehicle, the
parking brake must be set.
Press the OPTION button until AUTO EXIT RECALL
appears on the display, then press the RESET button to
scroll through the following modes:
•YES
•NO (default)
If you choose YES, when you turn the ignition off and
open the driver’s door or press the unlock button on the
keyless access transmitter, the seat and the telescopic
steering wheel, if your vehicle has this feature, will return
to their stored exit positions for an easy exit or an easy
entrance when returning to the vehicle.
4-71

The seat and steering wheel will only return to the
stored driving position if you press the appropriate
memory button or activate the auto memory recall
feature.
If you choose NO, this option will turn off.
When the mode you want is selected, press the
OPTION button to set your choice and advance to the
next personal option.
Approach Lights: This option briefly turns on the
parking lamps, the high-beam headlamps and the
back-up lamps during low light periods when the keyless
access transmitter is used to unlock the vehicle.
Press the OPTION button until APPROACH LIGHTS
appears on the display, then press the RESET button to
scroll through the following modes:
•OFF
•ON (default)
If you choose OFF, this option will turn off.
If you choose ON, the parking lamps, the high-beam
headlamps, and the back-up lamps will come on
for 20 seconds during low light periods when all of the
following occurs:
•You press the unlock button on the keyless access
transmitter.
•Both of the doors are closed.
•The vehicle is off or in RAP.
The lamps remain on for 20 seconds or until a door
is opened, the lock button on the keyless access
transmitter is pressed or the vehicle is no longer off or
in RAP.
See Keyless Access System on page 3-5 for more
information.
When the mode you want is selected, press the
OPTION button to set your choice and advance to the
next personal option.
Twilight Delay: This option allows you to set the amount
of time you want the parking lamps and high-beam
headlamps to remain on after you exit the vehicle. This
will occur when the vehicle is off or in RAP and the
headlamps are on due to the automatic headlamp
system. The parking lamps and high-beam headlamps
will remain on until the driver selected time expires, the
exterior lamp control is activated or the vehicle is no
longer off or in RAP.
Press the OPTION button until TWILIGHT DELAY
appears on the display, then press the RESET button to
scroll through the following modes:
•OFF
•15 S
•30 S (default)
•90 S
4-72

If you choose OFF, this option will turn off.
If you choose 15 S, the twilight delay time will be set to
15 seconds.
If you choose 30 S, the twilight delay time will be set to
30 seconds.
If you choose 90 S, the twilight delay time will be set to
90 seconds.
When the mode you want is selected, press the
OPTION button to set your choice and advance to the
next personal option.
Flash at Unlock: This option activates the front and
rear turn signals for two short flashes when the unlock or
hatch/trunk button on the keyless access transmitter
is pressed. This will only occur when the vehicle is off.
Press the OPTION button until FLASH AT UNLOCK
appears on the display, then press the RESET button to
scroll through the following modes:
•YES (default)
•NO
If you choose YES, the front and rear turn signals will
flash twice when you press the unlock button or the
hatch/trunk button on the keyless access transmitter.
If you choose NO, this option will turn off.
When the mode you want is selected, press the
OPTION button to set your choice and advance to the
next personal option.
Flash at Lock: This option activates the front and rear
turn signals for one long flash when the lock button
on the keyless access transmitter is pressed. This will
only occur when the vehicle is off. If the lock button
on the keyless access transmitter is pressed again
within five seconds, the horn will sound regardless of
which setting you have selected.
Press the OPTION button until FLASH AT LOCK
appears on the display, then press the RESET button to
scroll through the following modes:
•YES (default)
•NO
If you choose YES, the front and rear turn signals will
flash once when you press the lock button on the
keyless access transmitter.
If you choose NO, this option will turn off.
When the mode you want is selected, press the
OPTION button to set your choice and advance to the
next personal option.
4-73

FOB Reminder: This option sounds the horn three
times when the driver’s door is closed and there
is a keyless access transmitter inside the interior of the
vehicle. This will only occur when the vehicle is off.
Press the OPTION button until FOB REMINDER
appears on the display, then press the RESET button to
scroll through the following modes:
•YES
•NO (default)
If you choose YES, the horn will sound three times
when a keyless access transmitter is inside of the
vehicle while the ignition is turned off and the driver’s
door is closed.
If you choose NO, this option will turn off.
When the mode you want is selected, press the
OPTION button to set your choice and advance to the
next personal option.
Passive Door Locking: This option allows you to select
whether the doors automatically lock during normal
vehicle exit. When the ignition is turned off and all doors
become closed, the vehicle will determine how many
keyless access transmitters remain in the vehicle interior.
If at least one keyless access transmitter has been
removed from the interior of the vehicle, the doors will
lock after a short delay.
For example, if there are two keyless access transmitters
in the vehicle and one is removed, the other will be locked
in. The keyless access transmitter locked in the vehicle
can still be used to start the vehicle or unlock the doors, if
needed. A person approaching the outside of the locked
vehicle without an authorized keyless access transmitter,
however, will not be able to open the door, even with a
transmitter in the vehicle.
You may temporarily disable the passive door
locking feature by pressing the door unlock switch for
three seconds on an open door. Passive door locking will
then remain disabled until a door lock switch is pressed or
until the power mode transitions from the off power mode.
Press the OPTION button until PASSIVE DOOR
LOCKING appears on the display, then press the RESET
button to scroll through the following modes:
•OFF (default)
•SILENT
•HORN
If you choose OFF, this option will turn off.
If you choose SILENT, the doors will automatically lock
a short time after you remove a keyless access
transmitter from the interior of the vehicle and close
both doors.
4-74

If you choose HORN, the doors will automatically lock
and the horn will sound a short time after you remove a
keyless access transmitter from the interior of the vehicle
and close both doors.
If you are parking in a quiet area and do not want the
horn to sound when the doors lock, press the lock button
on the keyless access transmitter immediately after
removing it from the interior and closing the doors. This
will lock the doors and cancel the passive locking for
this ignition cycle.
When the mode you want is selected, press the
OPTION button to set your choice and advance to the
next personal option.
Passive Door Unlock: This option allows you to select
which doors will automatically unlock when you approach
and open the driver’s door with the keyless access
transmitter. See Door Locks on page 3-10 for more
information.
Press the OPTION button until PASSIVE DOOR
UNLOCK appears on the display, then press the RESET
button to scroll through the following modes:
•DRIVER
•BOTH (default)
If you choose DRIVER, only the driver’s door will
automatically unlock when you approach and open the
driver’s door with the keyless access transmitter.
If you choose BOTH, both doors will automatically
unlock when you approach and open the driver’s door
with the keyless access transmitter.
Auto Unlock: This option allows you to select whether
the driver’s door, both doors or neither door automatically
unlocks when the shift lever is moved into P (Park) for
automatic transmission vehicles or when the ignition is
turned off or is in RAP for manual transmission vehicles.
Press the OPTION button until AUTO UNLOCK appears
on the display, then press the RESET button to scroll
through the following modes:
•OFF
•DRIVER
•BOTH (default)
If you choose OFF, this option will turn off.
If you choose DRIVER, on automatic transmission
vehicles, the driver’s door will automatically unlock when
the shift lever is moved into P (Park). On manual
transmission vehicles, the driver’s door will automatically
unlock when the ignition is turned off or is in RAP.
If you choose BOTH, on automatic transmission
vehicles, both doors will automatically unlock when
the shift lever is moved into P (Park). On manual
transmission vehicles, both doors will automatically
unlock when the ignition is turned off or is in RAP.
4-75

When the mode you want is selected, press the
OPTION button to set your choice and advance to the
next personal option.
Language: This option allows you to select the
language the DIC, the Head-Up Display (HUD), if your
vehicle has this feature, and the radio uses to display
messages. Each language mode will be displayed in its
own language. For example, English will be displayed
as ENGLISH, Spanish as ESPANOL, etc. If your vehicle
has the navigation system, you will not have the
Japanese language mode.
Press the OPTION button until LANGUAGE appears on
the display, then press the RESET button to scroll
through the following modes:
•ENGLISH (default)
•DEUTSCH (German)
•FRANCAIS (French)
•ITALIANO (Italian)
•ESPANOL (Spanish)
If you choose a language that you do not understand,
press the OPTION and RESET buttons for five seconds.
The DIC will begin displaying all of the various
languages one by one for as long as the buttons are
pressed. When the desired language is displayed,
release the buttons and the DIC will set to this language.
When the mode you want is selected, press the
OPTION button to set your choice and advance to the
next personal option.
Personalize Name: This option allows you to type
in a name or greeting that will appear on the DIC
display whenever the corresponding keyless access
transmitter (1 or 2) is used or one of the memory
buttons (1 or 2) located on the driver’s door is pressed.
Press the OPTION button until PERSONALIZE NAME
appears on the display, then press the RESET button to
scroll through the following modes:
•YES
•NO (default)
If you choose YES, you can type in a name that will
appear on the DIC display.
To program a name, use the following procedure:
1. Enter the PERSONAL OPTIONS menu and select
the driver number (1 or 2) that you would like to
program by following the instructions listed
previously under “Entering the Personal
Options Menu”.
2. Press the OPTION button until the PERSONALIZE
NAME option appears on the display.
3. Select YES under PERSONALIZE NAME by
pressing the RESET button.
4-76

4. Press the OPTION button and a cursor will display
where you can insert a letter.
5. Press the OPTION button again until the letter you
want is displayed. To scroll through the letters faster
and without a beeping noise, keep the OPTIONS
button depressed. There are alpha/numeric
characters and a blank space available.
6. Then press the RESET button to select the letter of
your choice and proceed on to the next space to
the right.
If you make a mistake and would like to clear or
replace a letter, perform the following steps:
6.1. Press the RESET button to reach the letter
you would like to change.
6.2. Press the OPTION button to scroll through
the letter choices.
6.3. Press the RESET button to select the letter
and proceed on to the next space to the
right.
7. Repeat Steps 5 and 6 until the name or greeting
you want is complete. After the name or greeting
is complete, keep pressing the RESET button
until the display turns blank and exits out of this
option. You can program up to 20 characters.
If you choose NO, this option will turn off.
If a customized name or greeting is not programmed,
the DIC display will show Driver 1 or Driver 2 to
correspond with either the number on the back of the
keyless access transmitter (1 or 2) that is being used or
to the memory button (1 or 2) that is pressed.
PERSONALIZE NAME is the last option available to
program in the PERSONAL OPTIONS menu. Pressing
the OPTION button after this setting will exit you from the
PERSONAL OPTIONS menu. The last item you were in
prior to entering PERSONAL OPTIONS will then display
on the DIC.
4-77

Audio System(s)
Determine which radio the vehicle has and read the
following pages to become familiar with its features.
{WARNING:
Taking your eyes off the road for extended periods
could cause a crash resulting in injury or death to
you or others. Do not give extended attention to
entertainment tasks while driving.
This system provides access to many audio and non
audio listings.
To minimize taking your eyes off the road while driving,
do the following while the vehicle is parked:
•Become familiar with the operation and controls of
the audio system.
•Set up the tone, speaker adjustments, and preset
radio stations.
For more information, see Defensive Driving on
page 5-2.
Notice: Contact your dealer/retailer before adding
any equipment.
Adding audio or communication equipment could
interfere with the operation of the vehicle’s engine,
radio, or other systems, and could damage them.
Follow federal rules covering mobile radio and
telephone equipment.
The vehicle has Retained Accessory Power (RAP).
With RAP, the audio system can be played even after
the ignition is turned off. See Retained Accessory
Power (RAP) on page 3-23 for more information.
Setting the Clock
To set the clock:
1. Press and hold H until the correct hour displays.
2. Press and hold M until the correct minute displays.
The clock mode automatically times out with the
changed display format set as the current default setting.
4-78

Radio(s)
The vehicle has one of these radios as its audio
system.
An indicator light on the upper left side of the radio
flashes when the ignition is off, to indicate the theft
deterrent feature is set. For more information, see
Theft-Deterrent Feature on page 4-103.
Playing the Radio
Top Knob (Power/Volume): Press to turn the system
on and off. Turn to increase or decrease the volume.
MUTE: Press to silence the system. Press again to turn
the sound on.
This button is not available on the Six-Disc CD Radio.
4(Information): Press until the desired display is
shown, then hold for two seconds until radio beeps once
to change the default display. The selected display is
now the default.
For RDS:
Press 4to change the display. The display options are
station name, RDS station frequency, PTY, and the
name of the program (if available).
For XM™:
Press 4to retrieve four different categories of
information related to the current song or channel:
Artist, Song Title, Category or PTY, Channel Number/
Channel Name.
Single CD Radio shown, Six-Disc CD Radio similar
4-79

Audio Settings
Press and hold Oewhen no tone or speaker control
is displayed to adjust all tone and speaker controls
to the middle position. AUDIO SETTINGS CENTERED
displays.
Adjusting the Tone (Bass/Treble)
Oe(Bass/Treble): To adjust the Bass or Treble:
Press and release Oeuntil BASS or TREBLE
displays.
•Turn the Oeknob to increase or to decrease the
level.
•Press and hold the Oeknob until the level
changes to the middle position.
Adjusting the Speakers (Balance/Fade)
Oe(Balance/Fade): To adjust the Balance:
Press and release Oeuntil BALANCE displays.
•Turn the Oeknob to move the sound toward the
right or the left speakers.
•Press and hold the Oeknob until the level
changes to the middle position.
To adjust the Fade:
Press and release Oeuntil FADE displays
•Turn the Oeknob to move the sound toward the
front or the rear speakers.
•Press and hold the Oeknob until the level
changes to the middle position.
AUTO EQ (Automatic Equalization): The radio saves
separate AUTO EQ settings for each preset and
source.
For vehicles without the Bose
®
sound system:
•Press AUTO EQ to select equalization settings
designed for CLASSICAL, POP, ROCK, JAZZ,
TALK, and COUNTRY.
•Selecting CUSTOM or changing bass or treble,
returns the EQ to the manual bass and treble
settings.
For vehicles with the Bose
®
sound system:
•Press AUTO EQ to select equalization settings from
EQ1 through EQ6.
•Selecting CUSTOM or changing bass or treble,
returns the EQ to the manual bass and treble
settings.
4-80

AUTO n(Automatic Volume): Automatic volume
automatically adjusts the audio system to make up for
road and wind noise, by increasing the volume as vehicle
speed increases.
For vehicles without the Bose
®
sound system:
1. Set the volume at the desired level.
2. Press AUTO nto select AUTO VOLUME MIN
(minimum), AUTO VOLUME MED (medium), or
AUTO VOLUME MAX (maximum). Each higher
setting provides more volume compensation
at faster vehicle speeds.
3. Press AUTO nuntil AUTO VOLUME OFF
displays to turn automatic volume off.
For vehicles with the Bose
®
sound system:
Vehicles with the Bose
®
sound system include Bose
®
AudioPilot
®
noise compensation technology. AudioPilot
®
continuously adjusts the audio system equalization to
compensate for background noise. This feature is
most effective at lower radio volume settings where
background noise can affect how well the audio is heard.
At higher volume settings, there may be little or no
adjustments by AudioPilot
®
. For additional information
on AudioPilot
®
, visit bose.com/audiopilot.
To use AudioPilot
®
:
1. Set the volume at the desired level.
2. Press AUTO nuntil AUTO VOLUME ON
displays.
3. Press AUTO nuntil AUTO VOLUME OFF
displays to turn off AudioPilot
®
.
Using the Radio
Radio Data System (RDS)
RDS features are available for use only on FM stations
that broadcast RDS information. The station name or call
letters display while the radio is tuned to an RDS station.
This system relies upon receiving specific information
from these stations and works only when the information
is available. In rare cases, a radio station can broadcast
incorrect information that causes the radio features to
work improperly. If this happens, contact the radio station.
With RDS, the radio can:
•Seek to stations broadcasting the selected type of
programming.
•Receive announcements concerning local and
national emergencies.
•Display messages from radio stations.
•Seek to stations with traffic announcements.
4-81

•Provide the time of day.
•Provide a program type (PTY) for current
programming.
•Provide the name of the program being broadcast.
XM™ Satellite Radio Service
XM is a satellite radio service that is based in the
48 contiguous United States and 10 Canadian
provinces. XM Satellite Radio has a wide variety
of programming and commercial-free music,
coast-to-coast, and in digital-quality sound. A service
fee is required to receive the XM service. For more
information, contact XM at xmradio.com or call
1-800-929-2100 in the U.S. and xmradio.ca or call
1-877-438-9677 in Canada.
Finding an FM/AM/XM Station
BAND: Press to switch between FM1, FM2, AM, XM1
or XM2.
Oe(Tune): Turn to select radio stations.
tSEEK u:Press to go to the previous or to the next
station and stay there.
The radio only stops at stations with a strong signal.
tSCAN u:Press and hold tor ufor two seconds
until FREQUENCY SCAN displays. The radio goes
to a station, plays for a few seconds, then goes on to
the next station. Press tor uagain to stop scanning.
To scan preset stations:
Press and hold tor ufor four seconds until PRESET
SCAN displays. The radio goes to the next preset
station, plays for a few seconds, then goes to the next
preset station. Press tor uagain or one of the
pushbuttons to stop scanning presets.
The radio only scans stations with a strong signal.
1-6 (Preset Pushbuttons): Press to play stations that
are programmed to the radio preset pushbuttons.
Setting Preset Stations
Up to 30 stations (six FM1, six FM2, and six AM,
six XM1 and six XM2), and equalization settings for
each station can be programmed on the six numbered
pushbuttons.
To set presets:
1. Turn the radio on.
2. Press BAND to select FM1, FM2, AM, or XM1
or XM2.
3. Tune in the desired station.
4-82

4. Press AUTO EQ to select the equalization.
5. Press and hold one of the six numbered
pushbuttons until the radio beeps once.
6. Repeat the steps for each pushbutton.
Finding a Category (CAT) Station
(XM Satellite Radio Service Only)
To select an XM station by category:
1. Press CAT. The last selected category displays.
2. Turn the Oeknob to select a category.
3. Press tor uto go to a category’s station.
SEEKING CATEGORY displays.
4. To go to another station within that category, press
the CAT button to display the category, then
press tor uto go to another station.
If the radio cannot find the desired category, NONE
displays and the radio returns to the last station tuned.
SCAN: To scan the stations within a category:
1. Press CAT. The last selected category displays.
2. Turn the Oeknob to select a category.
3. Press and hold tor uuntil a beep sounds and
SCAN CATEGORY displays. The radio begins
scanning the stations in the category.
4. Press tor uto stop scanning.
Radio Messages
CAL ERR (Calibration Error): Displays if the radio is
no longer configured properly for the vehicle. The
vehicle must be returned to your dealer/retailer for
service.
LOC (Locked): Displays when the THEFTLOCK
®
system has locked up. The vehicle must be returned to
your dealer/retailer for service.
If any error occurs repeatedly or cannot be corrected,
contact your dealer/retailer.
RDS Messages
ALERT!: Alert warns of local or national emergencies.
When an alert announcement comes on the current
radio station, ALERT! displays. The announcement is
heard, even if the volume is low or a CD is playing. If a
CD is playing, play stops during the announcement.
Alert announcements cannot be turned off.
4-83

ALERT! is not affected by tests of the emergency
broadcast system. This feature is not supported by all
RDS stations.
4(Information): If the current station has a message,
INFO (information) displays. Press 4to see the message.
The message can display the artist, song title, call in
phone numbers, etc.
If the entire message is not displayed, parts of the
message appears every three seconds. To scroll through
the message, press and release 4. A new group of
words display after every press of the button. Once the
complete message has displayed, INFO disappears from
the display until another new message is received. The
last message can be displayed by pressing this button.
The last message until a new message is received or the
radio is tuned to a different station.
NO INFO displays when a message is not available from
a station.
TRAF (Traffic): TA (traffic) displays when the station
broadcasts traffic announcements, the announcement
will be played.
Press TRAF and the radio seeks to a station that
broadcasts traffic announcements. When a station is
found, the radio stops seeking and TA displays.
NO TRAFFIC INFO displays if a station that broadcasts
traffic announcements can not be found.
Press TRAF to turn off the traffic announcements if
TA is on the display.
The radio plays the traffic announcement even if the
volume is low. The radio interrupts the play of a CD if
the last tuned station broadcasts traffic announcements.
This function does not apply to XM Satellite Radio
Service.
Radio Messages for XM Only
See XM Radio Messages on page 4-92 XM Radio
Messages later in this section for further detail.
Using the CD Player
The CD player can play smaller 3 inch (8 cm) single
CDs with an adapter ring.
A CD in the player it stays in the player when the
ignition is turned off. When the ignition or radio is turned
on, the CD starts to play where it stopped, if it was
the last selected audio source.
Loading a CD
Single CD Radio:
Insert the CD partway into the slot, label side up, until
the player pulls the CD in. The CD begins playing
automatically.
4-84

The CD symbol displays when a CD is inserted, and
the track number displays when each new track starts
to play.
Six-Disc CD Radio:
If more than one CD has been loaded, a number for
each CD displays.
M(Load): Press to load CDs into the CD player.
To insert one CD:
1. Press M.
2. Load a CD and insert the CD partway into the slot,
label side up when INSERT CD # displays. The
player pulls the CD in.
To insert multiple CDs:
1. Press and hold Mfor two seconds. Two beeps
sound and LOAD ALL DISCS displays.
2. Load a CD and insert the CD partway into the slot,
label side up when INSERT CD # displays. The
player pulls the CD in.
3. Wait for INSERT CD # to display after the previous
CD is loaded, then load the next CD. The CD
player takes up to six CDs.
To load more than one CD but less than six, complete
Steps 1 through 3. When finished loading CDs, press
the Mbutton to cancel the loading function. The radio
begins to play the last CD loaded.
Playing a CD
Oe(Tune): Turn to go to the next or previous track.
{(Reverse): Press and hold to reverse within the
current track.
|(Fast Forward): Press and hold to fast forward
through the current track.
tSEEK u:Press the left arrow to go to the start of
the current track if more than eight seconds have
played. Press the right arrow to go to the start of the
next track. If either arrow is held or pressed more than
once, the player continues moving backward or
forward through the CD.
tSCAN u:To scan one CD, press and hold either
arrow for more than two seconds until SCAN displays and
a beep sounds. The radio goes to the next track, plays for
10 seconds, then goes to the next track. Press either
arrow again, to stop scanning.
4-85

To scan all loaded CDs, press and hold either arrow for
more than four seconds until SCAN displays and a beep
sounds. Use this feature to listen to 10 seconds of the
first track of each loaded CD. Press either arrow again, to
stop scanning.
AUTO EQ (Automatic Equalization): Press to select
the equalization setting while playing a CD. The
equalization is stored when a CD is played. For more
information on AUTO EQ, see “AUTO EQ” listed
previously in this section.
BAND: Press to listen to the radio when a CD is
playing. The inactive CD(s) remains inside the radio for
future listening.
CD AUX (Auxiliary): Press to play a CD when listening
to the radio. CD displays when a CD is in the player.
If your system has a remote playback device, pressing
this button a second time allows the remote device
to play.
X(Eject): Press to eject a CD from the Single CD
Radio and the Six-Disc CD Radio.
Single CD Radio: Press Xto eject a CD.
Six-Disc CD Radio:
Press Xto eject the CD that is currently playing.
To eject multiple CDs:
1. Press and hold Xfor two seconds. A beep sounds
and EJECT ALL displays.
2. The ejected CD can be removed when REMOVE
DISC displays.
To stop ejecting the CDs, press the Mor X.
The CD is automatically pulled back into the player if the
CD is not removed after 25 seconds. Pushing a CD back
into the player, before the 25 second time period is
complete causes the player to sense an error and the CD
player tries to eject the CD several times before stopping.
Wait for the timer to expire before pressing Xagain.
Pressing Xrepeatedly after trying to push a CD
in manually causes the CD players 25-second eject
timer to reset.
RPT (Repeat): Press to hear a track or an entire CD
over again.
Single CD Radio:
Press RPT to hear a track over again, REPEAT
displays. Press again to turn off repeat, REPEAT OFF
displays.
4-86

Six-Disc CD Radio:
•Press RPT until REPEAT displays to repeat a track.
•Press RPT until REPEAT ONE DISC displays to
repeat an entire CD
•Press RPT until REPEAT OFF displays to turn off
repeat.
RDM (Random): Press to hear the tracks in random,
rather than sequential order, on one CD or all of
the loaded CDs.
Single CD Radio:
Press and release RDM, until RANDOM DISC PLAY
displays. Press and release the RDM until RANDOM
OFF displays to turn off random play.
Six-Disc CD Radio:
•Press and release RDM until RANDOM DISC PLAY
displays to play the tracks on one CD in random
order. Once all tracks on this disc have played,
RANDOM DISC PLAY will repeat.
•Press and release RDM until RANDOM ALL DISCS
displays to play the tracks on all of the CDs that are
loaded in random order.
•Press and release RDM until RANDOM OFF
displays to turn off random play.
R(Song List): The Song List feature can save
20 track selections.
To save tracks:
1. If S-LIST is displayed, press Rto turn it off.
2. Select the desired CD by pressing the numbered
pushbutton and then use uor Oeknob to
select the track to be saved.
3. Press and hold Runtil a beep sounds and
ADDED SONG displays.
4. Repeat Steps 2 and 3 to save other selections.
SONGLIST FULL displays if more than 20 selections are
stored.
To play tracks:
1. Press R. One beep sounds and S-LIST displays.
The recorded tracks begin to play in the order they
were saved
2. Press tor uto go back or forward within the
saved tracks.
4-87

To delete tracks:
1. Press Rto turn song list on. S-LIST displays.
2. Press tor u, use the Oeknob to select the
desired track to be deleted.
3. Press and hold Runtil SONG REMOVED displays.
After a track has been deleted, the remaining tracks
are moved up the list. When another track is added to
the song list, the track is added to the end of the list.
To delete the entire song list:
1. Press Rto turn song list on. S-LIST displays.
2. Press and hold Rfor more than four seconds. One
beep sounds and SONGLIST EMPTY displays to
confirm that the song list has been deleted.
If a CD is ejected, and the song list contains saved
tracks from that CD, those tracks are automatically
deleted from the song list. Any tracks saved to the song
list again are added to the bottom of the list.
To end song list mode, press R. One beep sounds
and S-LIST is removed from the display.
Care of CDs and the CD Player
Care of CDs
Store CD(s) in their original cases or other protective
cases and away from direct sunlight and dust. The CD
player scans the bottom of the disc. If the bottom of
a CD is damaged it may not play properly or at all. Do
not touch the bottom of a CD while handling it. Pick
up CDs by grasping the outer edges or the edge of the
hole and the outer edge.
If the surface of a CD is dirty, take a soft, lint free cloth or
dampen a clean, soft cloth in a mild, neutral detergent
solution mixed with water, and clean it. Make sure the
wiping process starts from the center to the edge.
Care of the CD Player
Do not add labels to a CD, it could get caught in the CD
player. Use a marking pen to write on the top of the
CD if a description is needed.
Do not use CD lens cleaners, they could damage the
CD player.
4-88

Notice: If a label is added to a CD, or more than
one CD is inserted into the slot at a time, or an
attempt is made to play scratched or damaged CDs,
the CD player could be damaged. While using the
CD player, use only CDs in good condition without
any label, load one CD at a time, and keep the
CD player and the loading slot free of foreign
materials, liquids, and debris.
If an error displays, see “CD Messages” later in this
section.
Using the Auxiliary Input Jack
The radio system has an auxiliary input jack located on
the right side of the faceplate. This is not an audio
output; do not plug the headphone set into the front
auxiliary input jack. An external audio device can
be connected to the auxiliary input jack for use as
another source for audio listening.
Drivers are encouraged to set up any auxiliary device
while the vehicle is in P (Park). See Defensive
Driving on page 5-2.
Connect a 3.5 mm (1/8 in.) cable to the radio’s front
auxiliary input jack to use a portable audio player. The
radio displays AUX INPUT DEVICE when a device
is connected and begins playing audio from that device.
Top Knob (Power/Volume): Turn to increase or
decrease the volume of the portable player. Additional
volume adjustments can be made from the portable
device.
BAND: Press to listen to the radio while a portable
audio device is playing. The portable audio device
continues playing.
CD/AUX (CD/Auxiliary): Press to play a CD while a
portable audio device is playing. Press again and
the system begins playing audio from the connected
portable audio player. If a portable audio player is
connected, AUX INPUT DEVICE displays. If a portable
audio player is not connected, AUX INPUT DEVICE
does not display.
4-89

Using an MP3
MP3 Format
Radios with the MP3 feature can only play CD-R discs.
Do not mix standard audio and MP3 files on the
same disc.
Supported File Structure
Radios with the MP3 feature support up to:
•50 folders.
•11 folders in depth.
•50 playlists.
•255 files.
•10 sessions.
Root Directory:
The root directory is treated as a folder. Files are stored
in the root directory when the disc or storage device
does not contain folders. Files accessed from the root
directory display as F1 ROOT.
Empty Folder:
Folders that do not contain files are skipped, and the
player advances to the next folder that contains files.
Supported Bit Rates
The following bit rates are supported: 32 kbps, 40 kbps,
56 kbps, 64 kbps, 80 kbps, 96 kbps, 112 kbps, 128 kbps,
160 kbps, 192 kbps, 224 kbps, 256 kbps, and 320 kbps or
a variable bit rate.
File Naming
ID3v1 and ID3v2 tags are supported. The track name
contained in the ID3 tag is shown on the display. The
display only shows up to 32 characters for track and file
names.
If the track name is not contained in the ID3 tag, the
display shows the file name without the file extension.
Playlists
Playlists that do not have a .mp3 or .wpl extension may
not work.
Preprogrammed playlists created by WinAmp™,
MusicMatch™, or Real Jukebox™ software are
supported and they cannot be edited using the radio.
Playing an MP3
Insert a CD partway into the slot, label side up. The
player pulls it in, and READING displays. The CD should
begin playing and the CD symbol displays.
4-90

If the ignition or radio is turned off with a CD-R in the
player, it stays in the player. When the ignition or radio is
turned on, the CD-R starts to play where it stopped, if
it was the last selected audio source.
As each new track starts to play, the track number
displays.
Order of Play
Tracks are played sequentially in the following order:
1. Playlists.
2. Files contained in the root directory.
3. Files contained in folders.
O/e(Tune): Turn to go to the next or previous
track.
{(Previous Folder): Press to go to the first track in
the previous folder. Press and hold to reverse through
the current track.
|(Next Folder): Press to go to the first track in the
next folder. Press and hold to fast forward the current
track.
RDM (Random): Press to hear the tracks in random,
rather than sequential order, on one CD, one folder,
or all of the loaded CDs.
Press and release RDM until:
•RANDOM DISC PLAY displays to play the tracks
on the CD in random order.
•RANDOM FOLDER displays to play the tracks in
the folder in random order.
•RANDOM ALL DISCS displays to play the tracks on
all of the CDs that are loaded in random order.
•RANDOM OFF displays to turn off random play.
RPT (Repeat): Press to hear a track, CD, or a folder
over again.
Press and release RPT until:
•REPEAT displays to repeat a track.
•REPEAT ONE DISC displays to repeat a CD.
•REPEAT FOLDER displays to repeat a folder.
•REPEAT OFF displays to turn off repeated play.
tSEEK u:Press tto go to the start of the current
track, if more than eight seconds have played. Press u
to go to the next track. Press tor umore than once to
continue moving backward or forward through the CD.
4(Information): Press to display the artist name and
album contained in the ID3 tag.
4-91

BAND: Press to listen to the radio when a CD is
playing. The inactive CD remains inside the radio for
future listening.
CD AUX (Auxiliary): Press to play a CD when listening
to the radio. The CD symbol displays when a CD is
loaded.
XM Radio Messages
XL (Explicit Language Channels): These channels,
or any others, can be blocked by calling
1-800-852-XMXM (9696).
Updating: The encryption code in the receiver is being
updated, and no action is required. This process should
take no longer than 30 seconds.
No Signal: The system is functioning correctly, but the
vehicle is in a location that is blocking the XM signal.
When the vehicle is moved into an open area, the signal
should return.
Loading XM: The audio system is acquiring and
processing audio and text data. No action is needed.
This message should disappear shortly.
CH Off Air: This channel is not currently in service.
Tune in to another channel.
CH Unauth: This channel is blocked or cannot be
received with your XM Subscription package.
CH Unavail: This previously assigned channel is no
longer assigned. Tune to another station. If this station
was one of the presets, choose another station for that
preset button.
No Info:No artist, song title, category, or text information
is available at this time on this channel. The system is
working properly.
Not Found: There are no channels available for the
selected category. The system is working properly.
XM Locked: The XM receiver in the vehicle may have
previously been in another vehicle. For security
purposes, XM receivers cannot be swapped between
vehicles. If this message is received after having
the vehicle serviced, check with your dealer/retailer.
Radio ID: If tuned to channel 0, this message will
alternate with the XM Radio 8 digit radio ID label. This
label is needed to activate the service.
Unknown: If this message is received when tuned to
channel 0, there may be a receiver fault. Consult with
your dealer/retailer.
Chk XMRcvr: If this message does not clear within a
short period of time, the receiver may have a fault.
Consult with your dealer/retailer.
4-92

Navigation/Radio System
For vehicles with a navigation radio system, see the
separate Navigation System manual.
Bluetooth
®
Vehicles with a Bluetooth system can use a Bluetooth
capable cell phone with a Hands Free Profile to make and
receive phone calls. The system can be used while the
key is in ON/RUN or ACC/ACCESSORY position. The
range of the Bluetooth system can be up to 9.1 m (30 ft).
Not all phones support all functions, and not all phones
are guaranteed to work with the in-vehicle Bluetooth
system. See www.gm.com/bluetooth for more information
on compatible phones.
Voice Recognition
The Bluetooth system uses voice recognition to interpret
voice commands to dial phone numbers and name tags.
Noise: Keep interior noise levels to a minimum. The
system may not recognize voice commands if there is
too much background noise.
When to Speak: A short tone sounds after the system
responds indicating when it is waiting for a voice
command. Wait until the tone and then speak.
How to Speak: Speak clearly in a calm and natural
voice.
Audio System
When using the in-vehicle Bluetooth system, sound
comes through the vehicle’s front audio system speakers
and over-rides the audio system. Use the audio system
volume knob, during a call, to change the volume level.
The adjusted volume level remains in memory for later
calls. To prevent missed calls, a minimum volume level is
used if the volume is turned down too low.
Bluetooth Controls
Use the buttons located on the steering wheel to
operate the in-vehicle Bluetooth system. See Audio
Steering Wheel Controls on page 4-104 for more
information.
bg(Push To Talk): Press to answer incoming calls,
to confirm system information, and to start speech
recognition.
c(Phone On Hook): Press to end a call, reject a
call, or to cancel an operation.
4-93

Pairing
A Bluetooth enabled cell phone must be paired to the
in-vehicle Bluetooth system first and then connected to
the vehicle before it can be used. See the cell phone
manufacturers user guide for Bluetooth functions
before pairing the cell phone. If a Bluetooth phone
is not connected, calls will be made using OnStar
®
Hands-Free Calling, if available. Refer to the OnStar
owner’s guide for more information.
Pairing Information:
•Up to five cell phones can be paired to the in-vehicle
Bluetooth system.
•The pairing process is disabled when the vehicle is
moving.
•The in-vehicle Bluetooth system automatically links
with the first available paired cell phone in the order
the phone was paired.
•Only one paired cell phone can be connected to the
in-vehicle Bluetooth system at a time.
•Pairing should only need to be completed once,
unless changes to the pairing information have been
made or the phone is deleted.
To link to a different paired phone, see Linking to a
Different Phone later in this section.
Pairing a Phone
1. Press and hold bgfor two seconds. The system
responds with “Ready” followed by a tone.
2. Say “Bluetooth”. The system responds with
“Bluetooth ready” followed by a tone.
3. Say “Pair”. The system responds with instructions
and a four digit PIN number. The PIN number will
be used in Step 4.
4. Start the Pairing process on the cell phone that will
be paired to the vehicle. Reference the cell phone
manufacturers user guide for information on
this process.
Locate the device named “General Motors” in the
list on the cellular phone and follow the instructions
on the cell phone to enter the four digit PIN number
that was provided in Step 3.
5. The system prompts for a name for the phone. Use
a name that best describes the phone. This name
will be used to indicate which phone is connected.
The system then confirms the name provided.
6. The system responds with “<Phone name> has
been successfully paired” after the pairing process
is complete.
7. Repeat Steps 1 through 7 for additional phones to
be paired.
4-94

Listing All Paired and Connected Phones
1. Press and hold bgfor two seconds. The
system responds with “Ready” followed by a tone.
2. Say “Bluetooth”. The system responds with
“Bluetooth ready” followed by a tone.
3. Say “List”. The system lists all the paired Bluetooth
devices. If a phone is connected to the vehicle, the
system will say “Is connected” after the connected
phone.
Deleting a Paired Phone
1. Press and hold bgfor two seconds. The system
responds with “Ready” followed by a tone.
2. Say “Bluetooth”. The system responds with
“Bluetooth ready” followed by a tone.
3. Say “Delete”. The system asks which phone to
delete followed by a tone.
4. Say the name of the phone to be deleted. If the
phone name is unknown, use the “List” command
for a list of all paired phones. The system responds
with “Would you like to delete <phone name>?
Yes or No” followed by a tone
5. Say “Yes” to delete the phone. The system
responds with “OK, deleting <phone name>”.
Linking to a Different Phone
1. Press and hold bgfor two seconds. The system
responds with “Ready” followed by a tone.
2. Say “Bluetooth”. The system responds with
“Bluetooth ready” followed by a tone.
3. Say “Change phone”. The system responds with
“Please wait while I search for other phones”.
•If another phone is found, the response will be
“<Phone name> is now connected”.
•If another phone is not found, the original phone
remains connected.
Storing Name Tags
The system can store up to thirty phone numbers as
name tags that are shared between the Bluetooth and
OnStar systems.
The system uses the following commands to store and
retrieve phone numbers:
•Store
•Digit Store
•Directory
4-95

Using the Store Command
The store command allows a phone number to be
stored without entering the digits individually.
1. Press and hold bgfor two seconds. The system
responds with “Ready” followed by a tone.
2. Say “Store”. The system responds with “Store,
number please” followed by a tone.
3. Say the complete phone number to be stored at
once with no pauses.
•If the system recognizes the number it responds
with “OK, Storing” and repeats the phone
number.
•If the system is unsure it recognizes the phone
number, it responds with “Store” and repeats
the number followed by “Please say yes or no”.
If the number is correct, say “Yes”. If the
number is not correct, say “No”. The system will
ask for the number to be re-entered.
4. After the system stores the phone number, it
responds with “Please say the name tag” followed
by a tone.
5. Say a name tag for the phone number. The name
tag is recorded and the system responds with
“About to store <name tag>. Does that sound OK?”.
•If the name tag does not sound correct, say
“No” and repeat Step 5.
•If the name tag sounds correct, say “Yes” and
the name tag is stored. After the number is
stored the system returns to the main menu.
Using the Digit Store Command
The digit store command allows a phone number to be
stored by entering the digits individually.
1. Press and hold bgfor two seconds. The system
responds with “Ready” followed by a tone.
2. Say “Digit Store”. The system responds with
“Please say the first digit to store” followed by
a tone.
4-96

3. Say the first digit to be stored. The system will
repeat back the digit it heard followed by a tone.
Continue entering digits until the number to be
stored is complete.
•If an unwanted number is recognized by the
system, say “Clear” at any time to clear the
last number.
•To hear all of the numbers recognized by the
system, say “Verify” at any time and the
system will repeat them.
4. After the complete number has been entered, say
“Store”. The system responds with “Please say the
name tag” followed by a tone.
5. Say a name tag for the phone number. The name
tag is recorded and the system responds with
“About to store <name tag>. Does that sound OK?”.
•If the name tag does not sound correct, say
“No” and repeat Step 5.
•If the name tag sounds correct, say “Yes” and
the name tag is stored. After the number is
stored the system returns to the main menu.
Using the Directory Command
The directory command lists all of the name tags stored
by the system. To use the directory command:
1. Press and hold bgfor two seconds. The system
responds with “Ready” followed by a tone.
2. Say “Directory”. The system responds with
“Directory” and then plays back all of the stored
name tags. When the list is complete, the system
returns to the main menu.
Deleting Name Tags
The system uses the following commands to delete
name tags:
•Delete
•Delete all name tags
Using the Delete Command
The delete command allows specific name tags to be
deleted.
To use the delete command:
1. Press and hold bgfor two seconds. The system
responds with “Ready” followed by a tone.
2. Say “Delete”. The system responds with “Delete,
please say the name tag” followed by a tone.
4-97

3. Say the name tag to be deleted. The system
responds with “Would you like to delete,
<name tag>? Please say yes or no”.
•If the name tag is correct, say “Yes” to delete the
name tag. The system responds with “OK,
deleting <name tag>, returning to the main menu.”
•If the name tag is incorrect, say “No”. The system
responds with “No. OK, let’s try again, please say
the name tag.”
Using the Delete All Name Tags Command
The delete all name tags command deletes all stored
phone book name tags and route name tags for OnStar
(if present).
To use the delete all name tags command:
1. Press and hold bgfor two seconds. The system
responds with “Ready” followed by a tone.
2. Say “Delete all name tags”. The system responds
with “You are about to delete all name tags stored
in your phone directory and your route destination
directory. Are you sure you want to do this? Please
say yes or no.”
•Say “Yes” to delete all name tags.
•Say “No” to cancel the function and return to the
main menu.
Making a Call
Calls can be made using the following commands:
•Dial
•Digit Dial
•Call
•Re-dial
Using the Dial Command
1. Press and hold bgfor two seconds. The system
responds with “Ready” followed by a tone.
2. Say “Dial”. The system responds with “Dial using
<phone name>. “Number please” followed by
a tone.
3. Say the entire number without pausing.
•If the system recognizes the number, it responds
with “OK, Dialing” and dials the number.
•If the system does not recognize the number,
it confirms the numbers followed by a tone.
If the number is correct, say “Yes”. The system
responds with “OK, Dialing” and dials the
number. If the number is not correct, say “No”.
The system will ask for the number to be
re-entered.
4-98

Using the Digit Dial Command
1. Press and hold bgfor two seconds. The system
responds with “Ready” followed by a tone.
2. Say “Digit Dial”. The system responds with “Digit
dial using <phone name>, please say the first digit
to dial” followed by a tone.
3. Say the digit to be dialed one at a time. Following
each digit, the system will repeat back the digit it
heard followed by a tone.
4. Continue entering digits until the number to be
dialed is complete. After the whole number has
been entered, say “Dial”. The system responds with
“OK, Dialing” and dials the number.
•If an unwanted number is recognized by the
system, say “Clear” at any time to clear the
last number.
•To hear all of the numbers recognized by the
system, say “Verify” at any time and the
system will repeat them.
Using the Call Command
1. Press and hold bgfor two seconds. The system
responds with “Ready” followed by a tone.
2. Say “Call”. The system responds with “Call using
<phone name>. Please say the name tag” followed
by a tone.
3. Say the name tag of the person to call.
•If the system clearly recognizes the name tag it
responds with “OK, calling, <name tag>” and
dials the number.
•If the system is unsure it recognizes the right
name tag, it confirms the name tag followed
by a tone. If the name tag is correct, say
“Yes”. The system responds with “OK, calling,
<name tag>” and dials the number. If the
name tag is not correct, say “No”. The system
will ask for the name tag to be re-entered.
Once connected, the person called will be heard
through the audio speakers.
4-99

Using the Re-dial Command
1. Press and hold bgfor two seconds. The system
responds with “Ready” followed by a tone.
2. After the tone, say “Re-dial”. The system responds
with “Re-dial using <phone name>” and dials the
last number called from the connected Bluetooth
phone.
Once connected, the person called will be heard
through the audio speakers.
Receiving a Call
When an incoming call is received, the audio system
mutes and a ring tone is heard in the vehicle.
•Press bgand begin speaking to answer the call.
•Press cto ignore a call.
Call Waiting
Call waiting must be supported on the Bluetooth phone
and enabled by the wireless service carrier to work.
•Press bgto answer an incoming call when
another call is active. The original call is placed
on hold.
•Press bgagain to return to the original call.
•To ignore the incoming call, continue with the
original call with no action.
•Press cto disconnect the current call and switch
to the call on hold.
Three-Way Calling
Three-Way Calling must be supported on the Bluetooth
phone and enabled by the wireless service carrier
to work.
1. While on a call press bg. The system responds
with “Ready” followed by a tone.
2. Say “Three-way call”. The system responds with
“Three-way call, please say dial or call”.
3. Use the dial or call command to dial the number of
the third party to be called.
4. Once the call is connected, press bgto link all
the callers together.
Ending a Call
Press cto end a call.
4-100

Muting a Call
During a call, all sounds from inside the vehicle can be
muted so that the person on the other end of the call
cannot hear them.
To Mute a call
1. Press bg. The system responds with “Ready”
followed by a tone.
2. Say “Mute Call”. The system responds with “Call
muted”.
To Cancel Mute
1. Press bg. The system responds with “Ready”
followed by a tone.
2. After the tone, say “Mute Call”. The system
responds with “Resuming call”.
Transferring a Call
Audio can be transferred between the in-vehicle
Bluetooth system and the cell phone.
To Transfer Audio to the Cell Phone
During a call with the audio in the vehicle:
1. Press bg. The system responds with “Ready”
followed by a tone.
2. Say “Transfer Call.” The system responds with
“Transferring call” and the audio will switch from
the vehicle to the cell phone.
To Transfer Audio to the In-Vehicle
Bluetooth System
The cellular phone must be paired and connected with
the Bluetooth system before a call can be transferred.
The connection process can take up to two minutes after
the key is turned to the ON/RUN or ACC/ACCESSORY
position.
During a call with the audio on the cell phone,
press bgfor more than two seconds. The audio
switches from the cell phone to the vehicle.
4-101

Voice Pass-Thru
Voice Pass-Thru allows access to the voice recognition
commands on the cell phone. See the cell phone
manufacturers user guide to see if the cell phone
supports this feature. This feature can be used to
verbally access contacts stored in the cell phone.
1. Press and hold bgfor two seconds. The system
responds with “Ready” followed by a tone.
2. Say “Bluetooth”. The system responds with
“Bluetooth ready” followed by a tone.
3. Say “Voice”. The system responds with “OK,
accessing <phone name>”.
•The cell phone’s normal prompt messages will
go through its cycle according to the phone’s
operating instructions.
Dual Tone Multi-Frequency (DTMF)
Tones
The in-vehicle Bluetooth system can send numbers and
numbers stored as name tags during a call. This is used
when calling a menu driven phone system. Account
numbers can be programmed into the phonebook for
retrieval during menu driven calls.
Sending a Number During a Call
1. Press bg. The system responds with “Ready”
followed by a tone.
2. Say “Dial”. The system responds with “Say a
number to send tones” followed by a tone.
3. Say the number to send.
•If the system clearly recognizes the number it
responds with “OK, Sending Number” and the
dial tones are sent and the call continues.
•If the system is not sure it recognized the
number properly, it responds “Dial Number,
Please say yes or no?” followed by a tone.
If the number is correct, say “Yes”. The system
responds with “OK, Sending Number” and
the dial tones are sent and the call continues.
4-102

Sending a Stored Name Tag During a Call
1. Press bg. The system responds with “Ready”
followed by a tone.
2. Say “Send name tag.” The system responds
with “Say a name tag to send tones” followed by
a tone.
3. Say the name tag to send.
•If the system clearly recognizes the name tag it
responds with “OK, Sending <name tag>” and
the dial tones are sent and the call continues.
•If the system is not sure it recognized the name
tag properly, it responds “Dial <name tag>,
Please say yes or no?” followed by a tone. If the
name tag is correct, say “Yes”. The system
responds with “OK, Sending <name tag>” and
the dial tones are sent and the call continues.
Clearing the System
Unless information is deleted out of the in-vehicle
Bluetooth system, it will be retained indefinitely. This
includes all saved name tags in the phonebook
and phone pairing information. For information on how
to delete this information, see the above sections
on Deleting a Paired Phone and Deleting Name Tags.
Other Information
The Bluetooth
®
word mark and logos are owned by the
Bluetooth
®
SIG, Inc. and any use of such marks by
General Motors is under license. Other trademarks and
trade names are those of their respective owners.
See Bluetooth
®
on page 4-93 for FCC information.
Theft-Deterrent Feature
THEFTLOCK
®
is designed to discourage theft of the
vehicle’s radio by learning a portion of the Vehicle
Identification Number (VIN). The radio does not operate
and LOCKED displays if the radio is stolen or moved
to a different vehicle.
When the when the ignition is in the off position, a
blinking red light on the upper left side of the radio
indicates that THEFTLOCK
®
is armed.
4-103

Audio Steering Wheel Controls
For vehicles with steering wheel controls, some audio
controls can be adjusted at the steering wheel.
bg(Mute/Push to Talk): Press to silence the vehicle
speakers only. Press again to turn the sound on.
For vehicles with Bluetooth or OnStar
®
systems press
and hold bgfor longer than two seconds to interact
with those systems. See Bluetooth
®
on page 4-93 and
the OnStar Owner’s Guide for more information.
c(Phone On Hook): Press to reject an incoming
call, or end a current call.
wx(Next/Previous): Press to change radio stations
or select tracks on a CD.
To change radio stations:
•Press wor xto go to the next or to the previous
radio station and stay there. The radio only seeks
stations with a strong signal that are in the
selected band.
•Press and hold wor xfor two seconds until
SCAN displays and a beep sounds to scan stations.
The radio goes to a station, plays for a few seconds,
then goes to the next station. Press again to stop
scanning.
•Press and hold wor xfor four seconds until
PRESET SCAN displays and a beep sounds to scan
presets. The radio goes to a station, plays for a
few seconds, then goes to the next station. Press
again to stop scanning.
4-104

To select tracks on a CD:
•Press wor xto go to the next or to the previous
track when a CD is playing.
•Press and hold wor xfor more than two seconds
to scan the current CD. The CD goes to the next
track, plays the first 10 seconds, then goes to
the next track. Press again to stop scanning.
•Press and hold wor xfor more than four seconds
to scan all of the CDs loaded. The CD goes to
the next CD, plays the first 10 seconds of each
track, then goes to the next CD. Press again to
stop scanning.
+e−e(Volume): Press to increase or to decrease
the radio volume.
1 to 6 (Preset Pushbuttons): Press to play stations
that are programmed on the radio preset pushbuttons.
Radio Reception
Frequency interference and static can occur during
normal radio reception if items such as cell phone
chargers, vehicle convenience accessories, and external
electronic devices are plugged into the accessory power
outlet. If there is interference or static, unplug the item
from the accessory power outlet.
AM
The range for most AM stations is greater than for FM,
especially at night. The longer range can cause station
frequencies to interfere with each other. For better radio
reception, most AM radio stations boost the power levels
during the day, and then reduce these levels during the
night. Static can also occur when things like storms and
power lines interfere with radio reception. When this
happens, try reducing the treble on the radio.
FM Stereo
FM signals only reach about 10 to 40 miles
(16 to 65 km). Although the radio has a built-in electronic
circuit that automatically works to reduce interference,
some static can occur, especially around tall buildings or
hills, causing the sound to fade in and out.
XM™ Satellite Radio Service
XM Satellite Radio Service gives digital radio reception
from coast-to-coast in the 48 contiguous United States,
and in Canada. Just as with FM, tall buildings or hills can
interfere with satellite radio signals, causing the sound to
fade in and out. In addition, traveling or standing under
heavy foliage, bridges, garages, or tunnels may cause
loss of the XM signal for a period of time.
4-105

Cellular Phone Usage
Cellular phone usage may cause interference with the
vehicle’s radio. This interference may occur when
making or receiving phone calls, charging the phone’s
battery, or simply having the phone on. This interference
causes an increased level of static while listening to
the radio. If static is received while listening to the radio,
unplug the cellular phone and turn it off.
Diversity Antenna System
The AM-FM antenna is a hidden self tuning system. It
optimizes the AM and FM signals relative to the vehicle’s
position and radio station source. No maintenance or
adjustments are needed.
XM™ Satellite Radio Antenna
System
For vehicles with XM Satellite Radio Service, the
antenna is located on the roof or on the trunk lid of the
vehicle. Keep the antenna clear of obstructions for
clear radio reception.
4-106

Your Driving, the Road, and the Vehicle ............5-2
Defensive Driving ...........................................5-2
Drunk Driving .................................................5-2
Control of a Vehicle ........................................5-3
Braking .........................................................5-3
Antilock Brake System (ABS) ...........................5-5
Braking in Emergencies ...................................5-6
Traction Control System (TCS) .........................5-6
Active Handling System ...................................5-8
Competitive Driving Mode ................................5-9
Limited-Slip Rear Axle ...................................5-14
Selective Ride Control ...................................5-14
Steering ......................................................5-16
Off-Road Recovery .......................................5-17
Passing .......................................................5-18
Loss of Control .............................................5-18
Racing or Other Competitive Driving ................5-19
Driving at Night ............................................5-22
Driving in Rain and on Wet Roads ..................5-22
Before Leaving on a Long Trip .......................5-23
Highway Hypnosis ........................................5-24
Hill and Mountain Roads ................................5-24
Winter Driving ..............................................5-25
If Your Vehicle is Stuck in Sand, Mud, Ice,
or Snow ...................................................5-27
Rocking Your Vehicle to Get It Out .................5-28
Loading the Vehicle ......................................5-28
Towing ..........................................................5-33
Towing Your Vehicle .....................................5-33
Recreational Vehicle Towing ...........................5-33
Towing a Trailer ...........................................5-33
Section 5 Driving Your Vehicle
5-1

Your Driving, the Road, and
the Vehicle
Defensive Driving
Defensive driving means “always expect the
unexpected.” The first step in driving defensively is to
wear your safety belt — See Safety Belts: They Are for
Everyone on page 2-9.
{WARNING:
Assume that other road users (pedestrians,
bicyclists, and other drivers) are going to be
careless and make mistakes. Anticipate what they
might do and be ready. In addition:
•Allow enough following distance between you
and the driver in front of you.
•Focus on the task of driving.
Driver distraction can cause collisions resulting in
injury or possible death. These simple defensive
driving techniques could save your life.
Drunk Driving
{WARNING:
Drinking and then driving is very dangerous. Your
reflexes, perceptions, attentiveness, and judgment
can be affected by even a small amount of alcohol.
You can have a serious — or even fatal — collision
if you drive after drinking. Do not drink and drive or
ride with a driver who has been drinking. Ride home
in a cab; or if you are with a group, designate a
driver who will not drink.
Death and injury associated with drinking and driving is
a global tragedy.
Alcohol affects four things that anyone needs to drive a
vehicle: judgment, muscular coordination, vision, and
attentiveness.
5-2

Police records show that almost 40 percent of all motor
vehicle-related deaths involve alcohol. In most cases,
these deaths are the result of someone who was
drinking and driving. In recent years, more than
17,000 annual motor vehicle-related deaths have been
associated with the use of alcohol, with about
250,000 people injured.
For persons under 21, it is against the law in every
U.S. state to drink alcohol. There are good medical,
psychological, and developmental reasons for
these laws.
The obvious way to eliminate the leading highway
safety problem is for people never to drink alcohol and
then drive.
Medical research shows that alcohol in a person’s
system can make crash injuries worse, especially
injuries to the brain, spinal cord, or heart. This means
that when anyone who has been drinking — driver
or passenger — is in a crash, that person’s chance of
being killed or permanently disabled is higher than if the
person had not been drinking.
Control of a Vehicle
The following three systems help to control the vehicle
while driving — brakes, steering, and accelerator.
At times, as when driving on snow or ice, it is easy to
ask more of those control systems than the tires and
road can provide. Meaning, you can lose control of the
vehicle. See Traction Control System (TCS) on
page 5-6 and Active Handling System on page 5-8.
Adding non-dealer/non-retailer accessories can affect
vehicle performance. See Accessories and Modifications
on page 6-3.
Braking
See Brake System Warning Light on page 4-35.
Braking action involves perception time and reaction
time. Deciding to push the brake pedal is perception
time. Actually doing it is reaction time.
Average reaction time is about three-fourths of a
second. But that is only an average. It might be less
with one driver and as long as two or three seconds
or more with another. Age, physical condition,
alertness, coordination, and eyesight all play a
part. So do alcohol, drugs, and frustration.
5-3

But even in three-fourths of a second, a vehicle
moving at 100 km/h (60 mph) travels 20 m (66 feet).
That could be a lot of distance in an emergency,
so keeping enough space between the vehicle and
others is important.
And, of course, actual stopping distances vary greatly
with the surface of the road, whether it is pavement
or gravel; the condition of the road, whether it is
wet, dry, or icy; tire tread; the condition of the brakes;
the weight of the vehicle; and the amount of brake force
applied.
Avoid needless heavy braking. Some people drive in
spurts, heavy acceleration followed by heavy braking,
rather than keeping pace with traffic. This is a mistake.
The brakes might not have time to cool between
hard stops. The brakes will wear out much faster with a
lot of heavy braking. Keeping pace with the traffic
and allowing realistic following distances eliminates a lot
of unnecessary braking. That means better braking
and longer brake life.
If the engine ever stops while the vehicle is being
driven, brake normally but do not pump the brakes.
If the brakes are pumped, the pedal could get harder to
push down. If the engine stops, there will still be
some power brake assist but it will be used when the
brake is applied. Once the power assist is used up,
it can take longer to stop and the brake pedal will be
harder to push.
Under certain weather or operating conditions,
occasional brake squeak, squeal, or other noise might
be heard with the vehicle’s performance braking system.
This brake system is designed for superior fade
resistance and consistent operation using high
performance brake pads. Brake noise and brake dust
are normal and do not affect system performance.
Adding non-dealer/non-retailer accessories can affect
vehicle performance. See Accessories and Modifications
on page 6-3.
5-4

Antilock Brake System (ABS)
This vehicle has the Antilock Brake System (ABS), an
advanced electronic braking system that helps prevent a
braking skid.
When the engine is started and the vehicle begins to
drive away, ABS checks itself. A momentary motor
or clicking noise might be heard while this test is going
on, and it might even be noticed that the brake pedal
moves a little. This is normal.
If there is a problem with
ABS, this warning light
stays on. See Antilock
Brake System (ABS)
Warning Light on
page 4-36.
Let us say the road is wet and you are driving safely.
Suddenly, an animal jumps out in front of you. You slam
on the brakes and continue braking. Here is what
happens with ABS:
A computer senses that the wheels are slowing down.
If one of the wheels is about to stop rolling, the computer
will separately work the brakes at each wheel.
ABS can change the brake pressure to each wheel, as
required, faster than any driver could. This can help
the driver steer around the obstacle while braking hard.
As the brakes are applied, the computer keeps
receiving updates on wheel speed and controls braking
pressure accordingly.
Remember: ABS does not change the time needed to
get a foot up to the brake pedal or always decrease
stopping distance. If you get too close to the vehicle in
front of you, there will not be enough time to apply
the brakes if that vehicle suddenly slows or stops.
Always leave enough room up ahead to stop, even
with ABS.
Using ABS
Do not pump the brakes. Just hold the brake pedal
down firmly and let antilock work. A motor or clicking
noise might be heard and the brake pedal might be felt
to move a little during a stop, but this is normal.
5-5

Braking in Emergencies
ABS allows the driver to steer and brake at the same
time. In many emergencies, steering can help more than
even the very best braking.
Brake Assist
This vehicle has a brake assist feature that responds to
emergency braking by generating additional pressure
and engaging the ABS. When this happens, the
brake pedal will feel easier to push. Just hold the brake
pedal down firmly and let the system work for you.
You might feel the brakes vibrate or notice some noise,
but this is normal. The brakes will return to normal
operation after the brake pedal is released.
Brake assist cannot compensate for unsafe driving
practices and braking effectiveness, itself, depends on
the condition of the road, tires, and brakes and
vehicle mass.
Traction Control System (TCS)
The vehicle has a Traction Control System (TCS) that
limits wheel spin. This is especially useful in slippery
road conditions. The system operates only if it senses
that the rear wheels are spinning too much or are
beginning to lose traction. When this happens, the
system works the rear brakes and reduces engine power
(by closing the throttle and managing engine spark) to
limit wheel spin.
The TRACTION SYSTEM ACTIVE message displays on
the Driver Information Center (DIC) when TCS is
limiting wheel spin. See DIC Warnings and Messages
on page 4-51. The system may be heard or felt
while it is working, but this is normal.
If cruise control is being used when TCS begins to
limit wheel spin, the cruise control will automatically
disengage. Cruise control may be reengaged when road
conditions allow. See Cruise Control on page 4-7.
5-6

The SERVICE TRACTION
SYSTEM message and
the TCS warning light will
come on if there is a
problem with TCS.
See DIC Warnings and
Messages on page 4-51.
When this light and the SERVICE TRACTION SYSTEM
message are on, the system will not limit wheel spin.
Adjust your driving accordingly.
TCS automatically comes on whenever the vehicle is
started. To limit wheel spin, especially in slippery
road conditions, the system should always be left on.
TCS can be turned off if needed.
To turn the system off,
press the button located
on the console.
The system can be turned on or off at any time by
pressing the ACTIVE HANDLING button. The DIC will
display the appropriate message when the button
is pushed.
Notice: When traction control is turned off, or
Competitive Driving Mode is active, it is possible to
lose traction. If you attempt to shift with the drive
wheels spinning with a loss of traction, it is possible
to cause damage to the transmission. Do not
attempt to shift when the drive wheels do not have
traction. Damage caused by misuse of the vehicle
is not covered. See the warranty book for additional
information.
Adding non-dealer/non-retailer accessories can affect
the vehicle’s performance. See Accessories and
Modifications on page 6-3 for more information.
5-7

Active Handling System
The Active Handling System is a computer controlled
system that helps the driver maintain directional control
of the vehicle in difficult driving conditions. This is
accomplished by selectively applying any one of the
vehicle’s brakes.
The ACTIVE HANDLING message will come on when
the system is operating. See DIC Warnings and
Messages on page 4-51 for more information.
The system may be heard or felt while it is working.
This is normal.
The SERVICE ACTIVE
HANDLING SYSTEM
message is displayed, the
instrument cluster light
comes on, and a sound
is heard if there is a
problem with the system.
See DIC Warnings and Messages on page 4-51 for
more information.
When this light and the SERVICE ACTIVE HANDLING
SYSTEM message are on, the system is not
operational. Adjust your driving accordingly.
The Active Handling System comes on automatically
whenever the vehicle is started. To help maintain
directional control of the vehicle, the system should
always be left on. The system can be turned off needed.
If the Active Handling System is turned off, the Traction
Control System will also be turned off. Adjust your
driving accordingly.
To turn the system off,
press the Active Handling
button on the console
until TRACTION SYSTEM
AND ACTIVE HANDLING
SYSTEM — OFF is
displayed.
The system can be turned back on at any time by
pressing the button. The DIC will display the appropriate
message when the button is pushed.
5-8

If the Tire Pressure Monitor (TPM) system detects a flat
tire and the Driver Information Center (DIC) displays
TIRE FLAT, or if the TPM system is malfunctioning and
the DIC displays SERVICE TIRE MONITOR, the
Active Handling System will be affected as follows:
•The Active Handling System cannot be turned off by
the driver.
•If the Active Handling System is off, it will be turned
on automatically.
•Competitive Driving Mode or Performance Traction
Management is unavailable.
•The Active Handling System will feel different in
aiding and maintaining directional control.
Competitive Driving Mode
Competitive Driving Mode, Performance Traction
Management, and Launch Control are systems designed
to allow increased performance while accelerating
and/or cornering. This is accomplished by regulating
and optimizing the engine, brakes, and suspension
performance. These modes are for use at a closed
course race track and are not intended for use on
public roads. They will not compensate for a driver’s
inexperience or lack of familiarity with the race
track. Drivers who prefer to allow the system to have
more control of the engine, brake, and suspension
are advised to turn the normal traction control and active
handling systems on. See Racing or Other Competitive
Driving on page 5-19 for more information.
Notice: Do not attempt to shift when the drive
wheels are spinning and do not have traction.
This may cause damage to the transmission.
Damage caused by misuse of the vehicle is not
covered by the vehicle warranty. See the warranty
book for additional information.
5-9

Competitive Driving Mode (Except ZR1)
Competitive Driving Mode allows full engine power
while the Active Handling System helps maintain
directional control of the vehicle by selective brake
application. In this mode, TCS is off and Launch Control
is available. Adjust your driving style to account for
the available engine power. See Launch Control later
in this section.
This light is on when
the vehicle is in the
Competitive Driving Mode.
This optional handling mode can be selected by pressing
the ACTIVE HANDLING button on the console quickly
two times. COMPETITIVE DRIVING MODE displays in
the Driver Information Center (DIC). See DIC Warnings
and Messages on page 4-51 for more information.
When the ACTIVE HANDLING button is pressed
again, the Active Handling and TCS systems are on.
The TRACTION SYSTEM AND ACTIVE HANDLING-ON
message displays briefly in the DIC and a chime is
heard.
Performance Traction
Management (ZR1)
Performance Traction Management integrates the
Traction Control, Active Handling and Selective Ride
Control systems to provide improved and consistent
performance when cornering. The amount of available
engine power is based on the mode selected, track
conditions, driver skill, and the radius of each corner.
This light is on when
the vehicle is in the
Performance Traction
Management Mode.
5-10

This optional handling mode can be selected by
pressing the ACTIVE HANDLING button on the console
quickly two times. PERF TRAC 1 - WET ACTIVE
HANDLING ON displays in the DIC.
To experience the performance benefit of this system,
after entering a curve and at the point where the
driver would normally start to increase acceleration,
the accelerator pedal can be fully pressed. The
Performance Traction Management system will modify
the level of engine power for a smooth and consistent
corner exit.
To select a mode while in
Performance Traction
Management, turn the
knob located on the
console.
The Performance Traction Management system contains
five modes. These modes are selected by turning
the Selective Ride Control/Performance Traction
Management knob on the center console. The driver
scrolls up or down through modes 1-5 by rotating
the knob to the right or left.
The following is a DIC display description and the
recommended usage of each mode:
PERF TRAC 1 – WET ACTIVE
HANDLING ON
•Intended for all driver skill levels
•Wet or damp conditions only — not intended for
use in heavy rain or standing water
•Active Handling is on and engine power is reduced
based on conditions
PERF TRAC 2 – DRY ACTIVE
HANDLING ON
•For use by less experienced drivers or while
learning a new track
•Dry conditions only
•Active Handling is on and engine power is slightly
reduced
5-11

PERF TRAC 3 – SPORT ACTIVE
HANDLING ON
•For use by drivers who are familiar with the track
•Dry conditions only
•Requires more driving skill than mode 2
•Active Handling is on and more engine power is
available than in mode 2
PERF TRAC 4 – SPORT ACTIVE
HANDLING OFF
•For use by drivers who are familiar with the track
•Dry conditions only
•Requires more driving skill than modes 2 or 3
•Active Handling is off and available engine power is
the same as mode 3
PERF TRAC 5 – RACE ACTIVE
HANDLING OFF
•For use by experienced drivers who are familiar
with the track
•Dry conditions only
•Requires more driving skill than in other modes
•Active Handling is off and engine power is available
for maximum cornering speed
Press and release the ACTIVE HANDLING button to
turn off Performance Traction Management and return to
the Active Handling and Traction Control Systems.
The TRACTION SYSTEM AND ACTIVE HANDLING-ON
message displays briefly in the DIC and a chime is
heard.
5-12

Launch Control
A Launch Control feature is available, within Competitive
Driving Mode (except ZR1) or Performance Traction
Management (ZR1), on vehicles with a manual
transmission to allow the driver to achieve high levels of
vehicle acceleration in a straight line. Launch Control
is a form of traction control that manages tire spin while
launching the vehicle. This feature is intended for
use during closed course race events where consistent
zero to sixty and quarter mile times are desirable.
Launch Control is only available when the following
criteria are met:
•Competitive Driving Mode is selected (except ZR1)
or any of the Performance Traction Management
modes are selected (ZR1). The TCS light comes on
the instrument panel and the appropriate DIC
message displays.
•The vehicle is not moving.
•The steering wheel is pointing straight.
•The clutch is pressed and the vehicle is in first gear.
•The accelerator pedal is rapidly applied to wide open
throttle.
The Launch Control feature will initially limit engine
speed as the driver rapidly applies the accelerator pedal
to wide open throttle. A smooth, quick release of the
clutch, while maintaining the fully pressed accelerator
pedal, will manage wheel slip. Complete shifts as
described in Manual Transmission Operation on
page 3-31.
After the vehicle is launched, the system continues in
Competitive Mode (except ZR1) or Performance Traction
Management (ZR1).
Competitive Driving Mode, Performance Traction
Management, and Launch Control are systems designed
for a closed course race track and not intended for
use on public roads. The systems are not intended to
compensate for lack of driver experience or familiarity
with the race track.
5-13

Limited-Slip Rear Axle
Vehicles with a limited-slip rear axle can give more
traction on snow, mud, ice, sand or gravel. It works like
a standard axle most of the time, but when traction
is low, this feature allows the drive wheel with the most
traction to move the vehicle.
Selective Ride Control
The vehicle may have a ride control system called
Magnetic Selective Ride Control. The system provides
the following performance benefits:
•Reduced Impact Harshness
•Improved Road Isolation
•Improved High-Speed Stability
•Improved Handling Response
•Better Control of Body Ride Motions
Except ZR1
This knob is located on the
center console. Turn it to
select the suspension
of your choice.
TOUR: Use for normal city and highway driving.
This setting provides a smooth, soft ride.
SPORT: Use where road conditions or personal
preference demand more control. This setting provides
more “feel”, or response to the road conditions.
The setting can be changed at any time. Based on road
conditions, steering wheel angle and the vehicle speed,
the system automatically adjusts to provide the best
handling while providing a smooth ride. The Tour and
Sport modes will feel similar on a smooth road. Select a
new setting whenever driving conditions change.
5-14

Three Driver Information Center (DIC) messages
(SERVICE RIDE CONTROL, SHOCKS INOPERATIVE
and MAXIMUM SPEED 80 MPH (129 KM/H) display
when a malfunction occurs with the Selective Ride
Control system. Refer to DIC Warnings and Messages
on page 4-51 for more information.
ZR1
This knob is located on the
center console. Turn it to
select the suspension
of your choice. The knob
will return to the center
position when released.
The switch will illuminate
the current suspension
setting.
TOUR: Use for normal city and highway driving.
This setting provides a smooth, soft ride.
SPORT: Use where road conditions or personal
preference demand more control. This setting provides
more “feel”, or response to the road conditions.
The setting can be changed at any time. Based on road
conditions, steering wheel angle and the vehicle speed,
the system automatically adjusts to provide the best
handling while providing a smooth ride. The Tour and
Sport modes will feel similar on a smooth road. Select a
new setting whenever driving conditions change.
The Selective Ride knob will not display the Tour or
Sport setting when the Performance Traction
Management mode is selected. When this mode is
selected, turning the Selective Ride knob will change the
Performance Traction Management mode and the
suspension setting will be determined automatically.
See Competitive Driving Mode on page 5-9 for
more information.
Three Driver Information Center (DIC) messages
(SERVICE RIDE CONTROL, SHOCKS INOPERATIVE
and MAXIMUM SPEED 80 MPH (129 KM/H) display
when a malfunction occurs with the Selective Ride
Control system. Refer to DIC Warnings and Messages
on page 4-51 for more information.
5-15

Steering
Power Steering
If power steering assist is lost because the engine stops
or the system is not functioning, the vehicle can be
steered but it will take more effort.
Magnetic Speed Variable Assist
Steering System
This system continuously adjusts the effort felt when
steering at all vehicle speeds. It provides ease
when parking, yet a firm, solid feel at highway speeds.
Steering Tips
It is important to take curves at a reasonable speed.
Traction in a curve depends on the condition of the tires
and the road surface, the angle at which the curve is
banked, and vehicle speed. While in a curve, speed is
the one factor that can be controlled.
If there is a need to reduce speed, do it before entering
the curve, while the front wheels are straight.
Try to adjust the speed so you can drive through the
curve. Maintain a reasonable, steady speed. Wait to
accelerate until out of the curve, and then accelerate
gently into the straightaway.
Steering in Emergencies
There are times when steering can be more effective
than braking. For example, you come over a hill and find
a truck stopped in your lane, or a car suddenly pulls
out from nowhere, or a child darts out from between
parked cars and stops right in front of you. These
problems can be avoided by braking — if you can
stop in time. But sometimes you cannot stop in time
because there is no room. That is the time for evasive
action — steering around the problem.
The vehicle can perform very well in emergencies like
these. First apply the brakes. See Braking on page 5-3.
It is better to remove as much speed as possible
from a collision. Then steer around the problem, to the
left or right depending on the space available.
5-16

An emergency like this requires close attention and a
quick decision. If holding the steering wheel at the
recommended 9 and 3 o’clock positions, it can be turned
a full 180 degrees very quickly without removing either
hand. But you have to act fast, steer quickly, and
just as quickly straighten the wheel once you have
avoided the object.
The fact that such emergency situations are always
possible is a good reason to practice defensive driving
at all times and wear safety belts properly.
Off-Road Recovery
The vehicle’s right wheels can drop off the edge of a
road onto the shoulder while driving.
If the level of the shoulder is only slightly below the
pavement, recovery should be fairly easy. Ease off the
accelerator and then, if there is nothing in the way,
steer so that the vehicle straddles the edge of the
pavement. Turn the steering wheel 8 to 13 cm
(3 to 5 inches), about one-eighth turn, until the right
front tire contacts the pavement edge. Then turn
the steering wheel to go straight down the roadway.
5-17

Passing
Passing another vehicle on a two-lane road can be
dangerous. To reduce the risk of danger while passing:
•Look down the road, to the sides, and to crossroads
for situations that might affect a successful pass.
If in doubt, wait.
•Watch for traffic signs, pavement markings, and
lines that could indicate a turn or an intersection.
Never cross a solid or double-solid line on your side
of the lane.
•Do not get too close to the vehicle you want to
pass. Doing so can reduce your visibility.
•Wait your turn to pass a slow vehicle.
•When you are being passed, ease to the right.
Loss of Control
Let us review what driving experts say about what
happens when the three control systems — brakes,
steering, and acceleration — do not have enough friction
where the tires meet the road to do what the driver has
asked.
In any emergency, do not give up. Keep trying to steer
and constantly seek an escape route or area of less
danger.
Skidding
In a skid, a driver can lose control of the vehicle.
Defensive drivers avoid most skids by taking reasonable
care suited to existing conditions, and by not overdriving
those conditions. But skids are always possible.
The three types of skids correspond to the vehicle’s three
control systems. In the braking skid, the wheels are not
rolling. In the steering or cornering skid, too much speed
or steering in a curve causes tires to slip and lose
cornering force. And in the acceleration skid, too much
throttle causes the driving wheels to spin.
Remember: Any traction control system helps avoid only
the acceleration skid. If the traction control system is
off, then an acceleration skid is best handled by easing
your foot off the accelerator pedal.
5-18

If the vehicle starts to slide, ease your foot off the
accelerator pedal and quickly steer the way you want
the vehicle to go. If you start steering quickly enough,
the vehicle may straighten out. Always be ready for
a second skid if it occurs.
Of course, traction is reduced when water, snow, ice,
gravel, or other material is on the road. For safety, slow
down and adjust your driving to these conditions. It is
important to slow down on slippery surfaces because
stopping distance will be longer and vehicle control more
limited.
While driving on a surface with reduced traction,
try your best to avoid sudden steering, acceleration, or
braking, including reducing vehicle speed by shifting
to a lower gear. Any sudden changes could cause
the tires to slide. You may not realize the surface is
slippery until the vehicle is skidding. Learn to recognize
warning clues — such as enough water, ice, or
packed snow on the road to make a mirrored
surface — and slow down when you have any doubt.
Remember: Any Antilock Brake System (ABS) helps
avoid only the braking skid.
Racing or Other Competitive Driving
Racing or competitive driving may affect the vehicle
warranty. See the warranty book before using the
vehicle for racing or other competitive driving.
Notice: If you use the vehicle for racing or other
competitive driving, the engine may use more oil
than it would with normal use. Low oil levels can
damage the engine. For information on how to
add oil, see Engine Oil on page 6-20.
Z06, ZR1, and Grand Sport Only: Be sure to check
the oil level often during racing or other competitive
driving and keep the level at or near the upper
mark that shows the proper operating range on the
engine oil dipstick.
Except Z06, ZR1, and Grand Sport: Be sure to check
the oil level often during racing or other competitive
driving and keep the level at or near 1 L (1 quart)
above the upper mark that shows the proper
operating range on the engine oil dipstick. After the
competitive driving, remove excess oil so that the
level on the dipstick is not above the upper mark
that shows the proper operating range.
Z06, ZR1, and Grand Sport Only: For racing or
competitive driving, it is recommended that the brake
fluid be replaced with a high performance brake fluid
that has a dry boiling point greater than 279°C (534°F).
5-19

After conversion to the high performance brake fluid,
follow the brake fluid service recommendations outlined
by the fluid manufacturer. Do not use silicone or
DOT-5 brake fluids.
If the vehicle is a Z06, ZR1, or Grand Sport model,
it has greaseable outer ends on both of the rear
toe-links. Under normal use, lubrication should be
performed as described in the maintenance schedule.
See Scheduled Maintenance on page 7-3 and
Recommended Fluids and Lubricants on page 7-9.
If using the vehicle for racing, lubrication should
be performed at the end of each racing day. See your
dealer/retailer for lubrication and make sure any needed
repairs are made at once. Proper procedures for
performing these services can be found in the service
manual. See Service Publications Ordering Information
on page 8-17.
If the vehicle is used for racing or other competitive
driving, the rear axle fluid temperatures may be higher
than would occur in normal driving. We recommend
that the rear axle fluid be drained and refilled with new
fluid after every 24 hours of racing or competitive
driving. See Recommended Fluids and Lubricants on
page 7-9 for what fluid to use.
ZR1 Brake Burnish Procedure
Notice: These procedures are specific to the ZR1
with ceramic brake rotors. These procedures should
not be run on other Corvette models as damage
may result.
Notice: The new vehicle break-in period should
be completed before performing the brake
burnish procedure or damage may occur to the
powertrain/engine. See New Vehicle Break-In
on page 3-21.
When performed as instructed, these procedures will
not damage the brakes. During the burnishing
procedure, the brake pads will smoke and produce an
odor. The braking force and pedal travel may increase.
After the procedure is complete, the brake pads may
appear white at the rotor contact.
5-20

Street High Performance Brake Burnishing
Procedure
Run this procedure in a safe manner and in compliance
with all local and state ordinances/laws regarding
motor vehicle operation. Run this procedure only on
dry pavement.
1. From a stop, accelerate as rapidly as possible
without activating traction control to a speed of
97 kph (60 mph).
2. Use enough pedal force to completely stop the
vehicle in 4 to 5 seconds. If ABS activates,
braking is too hard.
3. Repeat steps 1 and 2, 50 times. This should take
about 10 minutes.
4. After completing the 50 stops, cool the brakes by
driving for 8 km (5 miles) at 97 kph (60 mph).
As with all high performance brake systems, some
amount of brake squeal is normal.
Racing/Track Brake Burnish Procedure
To prepare the ZR1 brake system for track events and
racing, the Street High Performance Brake Burnish
as described previously should be completed.
In addition to completing the Street High Performance
Brake Burnishing Procedure, the following additional
procedure needs to be completed to make the
ZR1 brake system ready for track events and racing.
This procedure should only be run on a track and only
on dry pavement.
Notice: Brake pedal fade will occur during this track
burnish procedure and can cause brake pedal travel
and force to increase. This could extend stopping
distance until the brakes are fully burnished.
1. Drive a normal first lap and not too aggressive.
2. Laps 2 and 3 should be gradually driven faster and
more aggressive, while allowing for reduced brake
output and increased stopping distance due to
brake fade.
3. Lap 4 as near to full speed, while allowing for
reduced brake output and increased stopping
distance due to brake fade.
4. Laps 5 and 6 should be cool down laps
5. Lap 7 should be normal driving or an easy out lap.
5-21

Driving at Night
Night driving is more dangerous than day driving because
some drivers are likely to be impaired — by alcohol or
drugs, with night vision problems, or by fatigue.
Night driving tips include:
•Drive defensively.
•Do not drink and drive.
•Reduce headlamp glare by adjusting the inside
rearview mirror.
•Slow down and keep more space between you and
other vehicles because headlamps can only light up
so much road ahead.
•Watch for animals.
•When tired, pull off the road.
•Do not wear sunglasses.
•Avoid staring directly into approaching headlamps.
•Keep the windshield and all glass on your vehicle
clean — inside and out.
•Keep your eyes moving, especially during turns
or curves.
No one can see as well at night as in the daytime.
But, as we get older, these differences increase.
A 50-year-old driver might need at least twice as much
light to see the same thing at night as a 20-year-old.
Driving in Rain and on Wet Roads
Rain and wet roads can reduce vehicle traction and
affect your ability to stop and accelerate. Always drive
slower in these types of driving conditions and avoid
driving through large puddles and deep-standing
or flowing water.
{WARNING:
Wet brakes can cause crashes. They might not
work as well in a quick stop and could cause
pulling to one side. You could lose control of the
vehicle.
After driving through a large puddle of water or a
car/vehicle wash, lightly apply the brake pedal until
the brakes work normally.
Flowing or rushing water creates strong forces.
Driving through flowing water could cause your
vehicle to be carried away. If this happens, you
and other vehicle occupants could drown. Do not
ignore police warnings and be very cautious about
trying to drive through flowing water.
5-22

Hydroplaning
Hydroplaning is dangerous. Water can build up under
your vehicle’s tires so they actually ride on the
water. This can happen if the road is wet enough and
you are going fast enough. When your vehicle is
hydroplaning, it has little or no contact with the road.
There is no hard and fast rule about hydroplaning.
The best advice is to slow down when the road is wet.
Other Rainy Weather Tips
Besides slowing down, other wet weather driving tips
include:
•Allow extra following distance.
•Pass with caution.
•Keep windshield wiping equipment in good shape.
•Keep the windshield washer fluid reservoir filled.
•Have good tires with proper tread depth. See Tires
on page 6-64.
•Turn off cruise control.
Before Leaving on a Long Trip
To prepare your vehicle for a long trip, consider having
it serviced by your dealer/retailer before departing.
Things to check on your own include:
•Windshield Washer Fluid: Reservoir full?
Windows clean — inside and outside?
•Wiper Blades: In good shape?
•Fuel, Engine Oil, Other Fluids: All levels checked?
•Lamps: Do they all work and are lenses clean?
•Tires: Are treads good? Are tires inflated to
recommended pressure?
•Weather and Maps: Safe to travel?
Have up-to-date maps?
5-23

Highway Hypnosis
Always be alert and pay attention to your surroundings
while driving. If you become tired or sleepy, find a
safe place to park your vehicle and rest.
Other driving tips include:
•Keep the vehicle well ventilated.
•Keep interior temperature cool.
•Keep your eyes moving — scan the road ahead
and to the sides.
•Check the rearview mirror and vehicle
instruments often.
Hill and Mountain Roads
Driving on steep hills or through mountains is different
than driving on flat or rolling terrain. Tips for driving
in these conditions include:
•Keep the vehicle serviced and in good shape.
•Check all fluid levels and brakes, tires, cooling
system, and transmission.
•Going down steep or long hills, shift to a lower gear.
{WARNING:
If you do not shift down, the brakes could get so
hot that they would not work well. You would then
have poor braking or even none going down a hill.
You could crash. Shift down to let the engine
assist the brakes on a steep downhill slope.
5-24

{WARNING:
Coasting downhill in N (Neutral) or with the ignition
off is dangerous. The brakes will have to do all the
work of slowing down and they could get so hot
that they would not work well. You would then
have poor braking or even none going down a hill.
You could crash. Always have the engine running
and the vehicle in gear when going downhill.
•Stay in your own lane. Do not swing wide or cut
across the center of the road. Drive at speeds
that let you stay in your own lane.
•Top of hills: Be alert — something could be in your
lane (stalled car, accident).
•Pay attention to special road signs (falling rocks
area, winding roads, long grades, passing or
no-passing zones) and take appropriate action.
Winter Driving
Driving on Snow or Ice
Drive carefully when there is snow or ice between the
tires and the road, creating less traction or grip. Wet ice
can occur at about 0°C (32°F) when freezing rain
begins to fall, resulting in even less traction. Avoid
driving on wet ice or in freezing rain until roads can be
treated with salt or sand.
Drive with caution, whatever the condition. Accelerate
gently so traction is not lost. Accelerating too quickly
causes the wheels to spin and makes the surface under
the tires slick, so there is even less traction.
Try not to break the fragile traction. If you accelerate too
fast, the drive wheels will spin and polish the surface
under the tires even more.
The Traction Control System (TCS) on page 5-6
improves the ability to accelerate on slippery roads,
but slow down and adjust your driving to the road
conditions. The Active Handling System on page 5-8
might also activate. When driving through deep
snow, turn off the traction control system to help
maintain vehicle motion at lower speeds.
5-25

The Antilock Brake System (ABS) on page 5-5 improves
vehicle stability during hard stops on a slippery roads,
but apply the brakes sooner than when on dry
pavement.
Allow greater following distance on any slippery road
and watch for slippery spots. Icy patches can occur on
otherwise clear roads in shaded areas. The surface
of a curve or an overpass can remain icy when the
surrounding roads are clear. Avoid sudden steering
maneuvers and braking while on ice.
Turn off cruise control, if equipped, on slippery surfaces.
Blizzard Conditions
Being stuck in snow can be in a serious situation.
Stay with the vehicle unless there is help nearby.
If possible, use the Roadside Assistance Program
on page 8-7. To get help and keep everyone in the
vehicle safe:
•Turn on the Hazard Warning Flashers on page 4-3.
•Tie a red cloth to an outside mirror.
{WARNING:
Snow can trap engine exhaust under the vehicle.
This may cause exhaust gases to get inside.
Engine exhaust contains carbon monoxide (CO)
which cannot be seen or smelled. It can cause
unconsciousness and even death.
If the vehicle is stuck in the snow:
•Clear away snow from around the base of
your vehicle, especially any that is blocking
the exhaust pipe.
•Check again from time to time to be sure
snow does not collect there.
•Open a window about 5 cm (two inches) on
the side of the vehicle that is away from the
wind to bring in fresh air.
•Fully open the air outlets on or under the
instrument panel.
•Adjust the Climate Control system to a setting
that circulates the air inside the vehicle and
set the fan speed to the highest setting.
See Climate Control System in the Index.
WARNING: (Continued)
5-26

WARNING: (Continued)
For more information about carbon monoxide,
see Engine Exhaust on page 3-36.
Snow can trap exhaust gases under your vehicle.
This can cause deadly CO (carbon monoxide) gas
to get inside. CO could overcome you and kill you.
You cannot see it or smell it, so you might not
know it is in your vehicle. Clear away snow from
around the base of your vehicle, especially any
that is blocking the exhaust.
Run the engine for short periods only as needed to
keep warm, but be careful.
To save fuel, run the engine for only short periods as
needed to warm the vehicle and then shut the engine off
and close the window most of the way to save heat.
Repeat this until help arrives but only when you feel
really uncomfortable from the cold. Moving about
to keep warm also helps.
If it takes some time for help to arrive, now and then
when you run the engine, push the accelerator pedal
slightly so the engine runs faster than the idle speed.
This keeps the battery charged to restart the vehicle and
to signal for help with the headlamps. Do this as little
as possible to save fuel.
If Your Vehicle is Stuck in Sand,
Mud, Ice, or Snow
Slowly and cautiously spin the wheels to free the
vehicle when stuck in sand, mud, ice, or snow.
See Rocking Your Vehicle to Get It Out on page 5-28.
If the vehicle has a traction system, it can often help
to free a stuck vehicle. Refer to the vehicle’s traction
system in the Index. If stuck too severely for the traction
system to free the vehicle, turn the traction system off
and use the rocking method.
{WARNING:
If the vehicle’s tires spin at high speed, they can
explode, and you or others could be injured.
The vehicle can overheat, causing an engine
compartment fire or other damage. Spin the
wheels as little as possible and avoid going above
55 km/h (35 mph) as shown on the speedometer.
For information about using tire chains on the vehicle,
see Tire Chains on page 6-86.
5-27

Rocking Your Vehicle to Get It Out
Turn the steering wheel left and right to clear the
area around the front wheels. Turn the traction control
system off. Shift back and forth between R (Reverse)
and a forward gear, spinning the wheels as little as
possible. For a manual transmission, shift slowly
between either 1 (First) or 2 (Second) and R (Reverse),
allowing the wheels to stop before shifting into gear.
To prevent transmission wear, wait until the wheels stop
spinning before shifting gears. Release the accelerator
pedal while shifting, and press lightly on the accelerator
pedal when the transmission is in gear. Slowly
spinning the wheels in the forward and reverse
directions causes a rocking motion that could free the
vehicle. If that does not get the vehicle out after a
few tries, it might need to be towed out. If the vehicle
does need to be towed out, see Towing Your Vehicle
on page 5-33.
Loading the Vehicle
It is very important to know how much weight your
vehicle can carry. This weight is called the
vehicle capacity weight and includes the weight of
all occupants, cargo and all nonfactory-installed
options. Two labels on your vehicle show how
much weight it may properly carry, the Tire and
Loading Information label and the Certification
label.
{WARNING:
Do not load the vehicle any heavier than the
Gross Vehicle Weight Rating (GVWR), or
either the maximum front or rear Gross Axle
Weight Rating (GAWR). If you do, parts on
the vehicle can break, and it can change the
way your vehicle handles. These could
cause you to lose control and crash. Also,
overloading can shorten the life of the
vehicle.
5-28

Tire and Loading Information Label
A vehicle specific Tire and Loading Information
label is attached to the center pillar (B-pillar)
of your vehicle. With the driver’s door open,
you will find the label attached below the door
latch. This label shows the number of occupant
seating positions (A), and the maximum vehicle
capacity weight (B) in kilograms and pounds.
The Tire and Loading Information label also shows
the size of the original equipment tires (C) and
the recommended cold tire inflation pressures (D).
For more information on tires and inflation see
Tires on page 6-64 and Inflation - Tire Pressure
on page 6-72.
There is also important loading information on the
vehicle Certification label. It tells you the Gross
Vehicle Weight Rating (GVWR) and the Gross
Axle Weight Rating (GAWR) for the front and
rear axle. See “Certification Label” later in this
section.
Steps for Determining Correct Load Limit
1. Locate the statement “The combined weight of
occupants and cargo should never exceed
XXX kg or XXX lbs” on your vehicle’s placard.
2. Determine the combined weight of the driver
and passengers that will be riding in your
vehicle.
3. Subtract the combined weight of the driver
and passengers from XXX kg or XXX lbs.
Label Example
5-29

4. The resulting figure equals the available
amount of cargo and luggage load capacity.
For example, if the “XXX” amount equals
1400 lbs and there will be five 150 lb
passengers in your vehicle, the amount of
available cargo and luggage load capacity is
650 lbs (1400 −750 (5 x 150) = 650 lbs).
5. Determine the combined weight of luggage
and cargo being loaded on the vehicle.
That weight may not safely exceed the
available cargo and luggage load capacity
calculated in Step 4.
6. If your vehicle will be towing a trailer, the load
from your trailer will be transferred to your
vehicle. Consult this manual to determine how
this reduces the available cargo and luggage
load capacity of your vehicle.
Your vehicle is neither designed nor intended
to tow a trailer.
Item Description Total
AVehicle Capacity
Weight for
Example 1 =
400 lbs (181 kg)
BSubtract Occupant
Weight @ 150 lbs
(68kg)x1= 150 lbs (68 kg)
CAvailable Occupant
and Cargo Weight = 250 lbs (113 kg)
Example 1
5-30

Item Description Total
AVehicle Capacity
Weight for
Example 2 =
400 lbs (181 kg)
BSubtract Occupant
Weight @ 150 lbs
(68kg)x2= 300 lbs (136 kg)
CAvailable Cargo
Weight = 100 lbs (45 kg)
Item Description Total
AVehicle Capacity
Weight for
Example 3 =
400 lbs (181 kg)
BSubtract Occupant
Weight @ 200 lbs
(91kg)x2= 400 lbs (181 kg)
CAvailable Cargo
Weight = 0 lbs (0 kg)
Example 2 Example 3
5-31

Refer to your vehicle’s Tire and Loading
Information label for specific information about
your vehicle’s capacity weight and seating
positions. The combined weight of the driver,
passengers and cargo should never exceed your
vehicle’s capacity weight.
Certification Label
A vehicle specific Certification label is attached to
the rear edge of the driver’s door. It tells you
the gross weight capacity of your vehicle,
called the Gross Vehicle Weight Rating (GVWR).
The GVWR includes the weight of the vehicle,
all occupants, fuel and cargo. Never exceed the
GVWR for your vehicle, or the Gross Axle Weight
Rating (GAWR) for either the front or rear axle.
Do not load your vehicle with more weight than it
was designed to carry. See “Steps for Determining
Correct Load Limit” earlier in this section.
{WARNING:
Do not load the vehicle any heavier than the
Gross Vehicle Weight Rating (GVWR), or
either the maximum front or rear Gross Axle
Weight Rating (GAWR). If you do, parts on
the vehicle can break, and it can change
the way your vehicle handles. These could
cause you to lose control and crash. Also,
overloading can shorten the life of the
vehicle.
Notice:Overloading the vehicle may cause
damage. Repairs would not be covered by the
vehicle warranty. Do not overload the vehicle.
5-32

If you put things inside your vehicle — like
suitcases, tools, packages or anything else — they
will go as fast as the vehicle goes. If you have to
stop or turn quickly, or if there is a crash, they will
keep going.
{WARNING:
Things you put inside your vehicle can strike
and injure people in a sudden stop or turn, or
in a crash.
•Put things in the rear area of your
vehicle. Try to spread the weight evenly.
•Never stack heavier things, like
suitcases, inside the vehicle so that some
of them are above the tops of the seats.
•Do not leave an unsecured child restraint
in your vehicle.
•When you carry something inside the
vehicle, secure it whenever you can.
Towing
Towing Your Vehicle
To avoid damage, the disabled vehicle should be towed
with all four wheels off the ground. Consult your
dealer/retailer or a professional towing service if the
disabled vehicle must be towed. See Roadside
Assistance Program on page 8-7.
Recreational Vehicle Towing
Notice: Dolly towing or dinghy towing the vehicle
may cause damage because of reduced ground
clearance. Always put the vehicle on a flatbed truck
or trailer.
The vehicle was neither designed nor intended to be
towed with any of its wheels on the ground. If the vehicle
must be towed, see “Towing Your Vehicle” earlier in
this section.
Towing a Trailer
The vehicle is neither designed nor intended to tow
a trailer.
5-33

✍NOTES
5-34

Service ............................................................6-3
Accessories and Modifications ..........................6-3
California Proposition 65 Warning .....................6-4
California Perchlorate Materials Requirements .....6-4
Doing Your Own Service Work .........................6-4
Adding Equipment to the Outside of the
Vehicle ......................................................6-5
Fuel ................................................................6-5
Gasoline Octane ............................................6-6
Gasoline Specifications ....................................6-6
California Fuel ...............................................6-7
Additives .......................................................6-7
Fuels in Foreign Countries ...............................6-8
Filling the Tank ..............................................6-9
Filling a Portable Fuel Container .....................6-12
Checking Things Under the Hood ....................6-12
Hood Release ..............................................6-13
Engine Compartment Overview .......................6-14
Engine Oil ...................................................6-20
Engine Oil Life System ..................................6-27
Engine Air Cleaner/Filter ................................6-28
Automatic Transmission Fluid .........................6-32
Manual Transmission Fluid .............................6-33
Hydraulic Clutch ...........................................6-33
Cooling System (Engine) ................................6-34
Cooling System (Intercooler) ...........................6-35
Engine Coolant .............................................6-36
Engine Overheating .......................................6-41
Overheated Engine Protection Operating Mode ...6-43
Power Steering Fluid .....................................6-44
Windshield Washer Fluid ................................6-45
Brakes ........................................................6-46
Battery ........................................................6-52
Jump Starting ...............................................6-53
Rear Axle .......................................................6-58
Headlamp Aiming ...........................................6-58
Bulb Replacement ..........................................6-59
High Intensity Discharge (HID) Lighting ............6-59
Halogen Bulbs ..............................................6-59
Headlamps, Front Turn Signal, and
Parking Lamps ..........................................6-59
Taillamps, Turn Signal, and Stoplamps ............6-61
Replacement Bulbs .......................................6-61
Windshield Replacement .................................6-62
Windshield Wiper Blade Replacement ..............6-62
Tires ..............................................................6-64
Winter Tires .................................................6-65
Tire Sidewall Labeling ...................................6-66
Tire Terminology and Definitions .....................6-68
Run-Flat Tires ..............................................6-71
Inflation - Tire Pressure .................................6-72
Section 6 Service and Appearance Care
6-1

High-Speed Operation ...................................6-74
Tire Pressure Monitor System .........................6-74
Tire Pressure Monitor Operation .....................6-76
Tire Inspection and Rotation ...........................6-78
When It Is Time for New Tires .......................6-78
Buying New Tires .........................................6-79
Different Size Tires and Wheels ......................6-81
Uniform Tire Quality Grading ..........................6-82
Wheel Alignment and Tire Balance ..................6-83
Wheel Replacement ......................................6-83
Tire Chains ..................................................6-86
Lifting the Vehicle .........................................6-86
If a Tire Goes Flat ........................................6-91
Appearance Care ............................................6-92
Interior Cleaning ...........................................6-92
Fabric/Carpet ...............................................6-93
Coated Moldings ...........................................6-94
Leather .......................................................6-94
Instrument Panel, Vinyl, and Other Plastic
Surfaces ..................................................6-94
Cargo Cover and Convenience Net .................6-94
Care of Safety Belts ......................................6-95
Weatherstrips ...............................................6-95
Washing Your Vehicle ...................................6-95
Cleaning Exterior Lamps/Lenses .....................6-96
Finish Care ..................................................6-96
Windshield and Wiper Blades .........................6-97
Removable Roof Panel ..................................6-98
Convertible Top ............................................6-98
Aluminum or Chrome-Plated Wheels
and Trim ..................................................6-99
Tires ...........................................................6-99
Finish Damage ...........................................6-100
Underbody Maintenance ...............................6-100
Fiberglass Springs (Composite Springs) ..........6-100
Chemical Paint Spotting ...............................6-100
Vehicle Identification .....................................6-101
Vehicle Identification Number (VIN) ................6-101
Service Parts Identification Label ...................6-101
Electrical System ..........................................6-102
Add-On Electrical Equipment .........................6-102
Headlamp Wiring ........................................6-102
Windshield Wiper Fuses ...............................6-102
Power Windows and Other Power Options ......6-102
Fuses and Circuit Breakers ..........................6-103
Instrument Panel Fuse Block ........................6-103
Engine Compartment Fuse Block ...................6-107
Capacities and Specifications ........................6-112
Section 6 Service and Appearance Care
6-2

Service
For service and parts needs, visit your dealer/retailer.
You will receive genuine GM parts and GM-trained and
supported service people.
Genuine GM parts have one of these marks:
Accessories and Modifications
When non-dealer/non-retailer accessories are added to
the vehicle, they can affect vehicle performance and
safety, including such things as airbags, braking,
stability, ride and handling, emissions systems,
aerodynamics, durability, and electronic systems like
antilock brakes, traction control, and stability control.
Some of these accessories could even cause
malfunction or damage not covered by the vehicle
warranty.
Damage to vehicle components resulting from the
installation or use of non-GM certified parts, including
control module modifications, is not covered under
the terms of the vehicle warranty and may affect
remaining warranty coverage for affected parts.
GM Accessories are designed to complement and
function with other systems on the vehicle. Your GM
dealer/retailer can accessorize the vehicle using
genuine GM Accessories. When you go to your GM
dealer/retailer and ask for GM Accessories, you
will know that GM-trained and supported service
technicians will perform the work using genuine
GM Accessories.
Also, see Adding Equipment to Your Airbag-Equipped
Vehicle on page 2-58.
6-3

California Proposition 65 Warning
Most motor vehicles, including this one, contain and/or
emit chemicals known to the State of California to
cause cancer and birth defects or other reproductive
harm. Engine exhaust, many parts and systems,
many fluids, and some component wear by-products
contain and/or emit these chemicals.
California Perchlorate Materials
Requirements
Certain types of automotive applications, such as
airbag initiators, seat belt pretensioners, and lithium
batteries contained in remote keyless transmitters,
may contain perchlorate materials. Special handling
may be necessary. For additional information, see
www.dtsc.ca.gov/hazardouswaste/perchlorate.
Doing Your Own Service Work
{WARNING:
You can be injured and the vehicle could be
damaged if you try to do service work on a vehicle
without knowing enough about it.
•Be sure you have sufficient knowledge,
experience, the proper replacement parts,
and tools before attempting any vehicle
maintenance task.
•Be sure to use the proper nuts, bolts, and
other fasteners. English and metric fasteners
can be easily confused. If the wrong fasteners
are used, parts can later break or fall off.
You could be hurt.
If doing some of your own service work, use the proper
service manual. It tells you much more about how to
service the vehicle than this manual can. To order
the proper service manual, see Service Publications
Ordering Information on page 8-17.
This vehicle has an airbag system. Before attempting
to do your own service work, see Servicing Your
Airbag-Equipped Vehicle on page 2-58.
6-4

Keep a record with all parts receipts and list the
mileage and the date of any service work performed.
See Maintenance Record on page 7-13.
Adding Equipment to the Outside of
the Vehicle
Things added to the outside of the vehicle can affect the
airflow around it. This can cause wind noise and can
affect fuel economy and windshield washer performance.
Check with your dealer/retailer before adding equipment
to the outside of the vehicle.
Fuel
Use of the recommended fuel is an important part of
the proper maintenance of this vehicle. To help
keep the engine clean and maintain optimum vehicle
performance, we recommend the use of gasoline
advertised as TOP TIER Detergent Gasoline.
Look for the TOP TIER label on the fuel pump to ensure
gasoline meets enhanced detergency standards
developed by auto companies. A list of marketers
providing TOP TIER Detergent Gasoline can be found
at www.toptiergas.com.
The 8th digit of the Vehicle Identification Number (VIN)
shows the code letter or number that identifies the
vehicle’s engine. The VIN is at the top left of the
instrument panel. See Vehicle Identification Number
(VIN) on page 6-101.
6-5

Gasoline Octane
If the vehicle has the 6.2L V8 engine (VIN Code W),
use premium unleaded gasoline with a posted octane
rating of 91 or higher. You can also use regular
unleaded gasoline rated at 87 octane or higher, but the
vehicle’s acceleration could be slightly reduced, and
a slight audible knocking noise, commonly referred to as
spark knock, might be heard. If the octane is less
than 87, a heavy knocking noise might be heard
when driving. If this occurs, use a gasoline rated at
87 octane or higher as soon as possible. Otherwise,
you could damage the engine. If heavy knocking
is heard when using gasoline rated at 87 octane or
higher, the engine needs service.
If the vehicle has the 6.2L V8 engine (VIN Code T)
or the 7.0L V8 engine (VIN Code E), use premium
unleaded gasoline with a posted octane rating of 91
or higher. For best performance, use premium
unleaded gasoline with a posted octane rating of 93.
In an emergency, you can use regular unleaded
gasoline with an octane rating of 87 or higher.
If 87 octane fuel is used, do not perform any aggressive
driving maneuvers such as wide open throttle
applications. You might also hear audible spark knock
during acceleration. Refill the tank with premium fuel
as soon as possible to avoid damaging the engine.
If heavy knocking is heard when using gasoline
rated at 91 octane or higher, the engine needs service.
Gasoline Specifications
At a minimum, gasoline should meet ASTM specification
D 4814 in the United States or CAN/CGSB-3.5 or
3.511 in Canada. Some gasolines contain an
octane-enhancing additive called methylcyclopentadienyl
manganese tricarbonyl (MMT). We recommend against
the use of gasolines containing MMT. See Additives
on page 6-7 for additional information.
6-6

California Fuel
If the vehicle is certified to meet California Emissions
Standards, it is designed to operate on fuels that
meet California specifications. See the underhood
emission control label. If this fuel is not available
in states adopting California emissions standards, the
vehicle will operate satisfactorily on fuels meeting federal
specifications, but emission control system performance
might be affected. The malfunction indicator lamp
could turn on and the vehicle might fail a smog-check
test. See Malfunction Indicator Lamp on page 4-40.
If this occurs, return to your authorized dealer/retailer
for diagnosis. If it is determined that the condition
is caused by the type of fuel used, repairs might not
be covered by the vehicle warranty.
Additives
To provide cleaner air, all gasolines in the United States
are now required to contain additives that help prevent
engine and fuel system deposits from forming, allowing
the emission control system to work properly. In most
cases, nothing should have to be added to the fuel.
However, some gasolines contain only the minimum
amount of additive required to meet U.S. Environmental
Protection Agency regulations. To help keep fuel
injectors and intake valves clean, or if the vehicle
experiences problems due to dirty injectors or valves,
look for gasoline that is advertised as TOP TIER
Detergent Gasoline.
For customers who do not use TOP TIER Detergent
Gasoline regularly, one bottle of GM Fuel System
Treatment PLUS, added to the fuel tank at every engine
oil change, can help clean deposits from fuel injectors
and intake valves. GM Fuel System Treatment PLUS
is the only gasoline additive recommended by
General Motors.
6-7

Also, your dealer/retailer has additives that will help
correct and prevent most deposit-related problems.
Gasolines containing oxygenates, such as ethers and
ethanol, and reformulated gasolines might be available
in your area. We recommend that you use these
gasolines, if they comply with the specifications
described earlier. However, E85 (85% ethanol) and
other fuels containing more than 10% ethanol must
not be used in vehicles that were not designed for
those fuels.
Notice: This vehicle was not designed for fuel that
contains methanol. Do not use fuel containing
methanol. It can corrode metal parts in the fuel
system and also damage plastic and rubber parts.
That damage would not be covered under the
vehicle warranty.
Some gasolines that are not reformulated for low
emissions can contain an octane-enhancing additive
called methylcyclopentadienyl manganese tricarbonyl
(MMT); ask the attendant where you buy gasoline
whether the fuel contains MMT. We recommend against
the use of such gasolines. Fuels containing MMT can
reduce the life of spark plugs and the performance of
the emission control system could be affected.
The malfunction indicator lamp might turn on. If this
occurs, return to your dealer/retailer for service.
Fuels in Foreign Countries
If you plan on driving in another country outside the
United States or Canada, the proper fuel might be hard
to find. Never use leaded gasoline or any other fuel
not recommended in the previous text on fuel. Costly
repairs caused by use of improper fuel would not
be covered by the vehicle warranty.
To check the fuel availability, ask an auto club, or
contact a major oil company that does business in the
country where you will be driving.
6-8

Filling the Tank
{WARNING:
Fuel vapor burns violently and a fuel fire can
cause bad injuries. To help avoid injuries to you
and others, read and follow all the instructions on
the fuel pump island. Turn off the engine when
refueling. Do not smoke near fuel or when
refueling the vehicle. Do not use cellular phones.
Keep sparks, flames, and smoking materials away
from fuel. Do not leave the fuel pump unattended
when refueling the vehicle. This is against the law
in some places. Do not re-enter the vehicle while
pumping fuel. Keep children away from the fuel
pump; never let children pump fuel.
The tethered fuel cap is located behind a hinged fuel
door on the driver side of the vehicle.
6-9

The fuel door release
button is located on the
instrument panel to the
left of the steering wheel.
Push the button to
release the fuel door.
There is also a manual
fuel door release tab.
It is located against the
upper trim in the rear
compartment on the
driver side of the vehicle.
Pull the tab to release
the fuel door.
To remove the fuel cap, turn it slowly counterclockwise.
While refueling, let the cap hang by the tether below
the fuel fill opening.
{WARNING:
Fuel can spray out on you if you open the fuel cap
too quickly. If you spill fuel and then something
ignites it, you could be badly burned. This spray
can happen if the tank is nearly full, and is more
likely in hot weather. Open the fuel cap slowly and
wait for any hiss noise to stop. Then unscrew the
cap all the way.
6-10

Be careful not to spill fuel. Do not top off or overfill the
tank and wait a few seconds after you have finished
pumping before removing the nozzle. Clean fuel from
painted surfaces as soon as possible. See Washing
Your Vehicle on page 6-95.
When replacing the fuel cap, turn it clockwise until it
clicks. Make sure the cap is fully installed. The
diagnostic system can determine if the fuel cap has
been left off or improperly installed. This would allow fuel
to evaporate into the atmosphere. See Malfunction
Indicator Lamp on page 4-40.
The CHECK GAS CAP message displays on the
Driver Information Center (DIC) if the fuel cap is not
properly installed. See DIC Warnings and Messages
on page 4-51 for more information.
{WARNING:
If a fire starts while you are refueling, do not
remove the nozzle. Shut off the flow of fuel by
shutting off the pump or by notifying the station
attendant. Leave the area immediately.
Notice: If you need a new fuel cap, be sure to get
the right type. Your dealer/retailer can get one
for you. If you get the wrong type, it may not fit
properly. This may cause the malfunction indicator
lamp to light and may damage the fuel tank and
emissions system. See Malfunction Indicator Lamp
on page 4-40.
6-11

Filling a Portable Fuel Container
{WARNING:
Never fill a portable fuel container while it is in
the vehicle. Static electricity discharge from the
container can ignite the fuel vapor. You can be
badly burned and the vehicle damaged if this
occurs. To help avoid injury to you and others:
•Dispense fuel only into approved containers.
•Do not fill a container while it is inside a
vehicle, in a vehicle’s trunk, pickup bed, or on
any surface other than the ground.
•Bring the fill nozzle in contact with the inside
of the fill opening before operating the nozzle.
Contact should be maintained until the filling
is complete.
•Do not smoke while pumping fuel.
•Do not use a cellular phone while
pumping fuel.
Checking Things Under
the Hood
{WARNING:
An electric fan under the hood can start up and
injure you even when the engine is not running.
Keep hands, clothing, and tools away from any
underhood electric fan.
{WARNING:
Things that burn can get on hot engine parts and
start a fire. These include liquids like fuel, oil,
coolant, brake fluid, windshield washer and other
fluids, and plastic or rubber. You or others could
be burned. Be careful not to drop or spill things
that will burn onto a hot engine.
6-12

Hood Release
To open the hood:
1. Pull the hood
release lever with
this symbol on it.
It is located inside
the vehicle below the
instrument panel on
the driver side.
2. Go to the side of the vehicle and pull up on the rear
edge of the hood, near the windshield.
Before closing the hood, be sure all the filler caps are
on properly. Then, just pull the hood down and
close it firmly.
6-13

Engine Compartment Overview
If the vehicle has the 6.2 L LS3 V8 engine (without the dry sump engine oil tank) and you are facing the front of the
vehicle, when the hood is opened:
6-14

A. Clutch Master Cylinder Reservoir (If Equipped).
See Hydraulic Clutch on page 6-33.
B. Windshield Washer Fluid Reservoir. See “Adding
Washer Fluid” under Windshield Washer Fluid
on page 6-45.
C. Brake Fluid Reservoir. See “Brake Fluid” under
Brakes on page 6-46.
D. Coolant Surge Tank and Pressure Cap. See Engine
Coolant on page 6-36.
E. Engine Air Cleaner/Filter on page 6-28.
F. Power Steering Fluid Reservoir. See Power Steering
Fluid on page 6-44.
G. Engine Oil Fill Cap. See “When to Add Engine Oil”
under Engine Oil on page 6-20.
H. Engine Oil Dipstick. See “Checking Engine Oil”
under Engine Oil on page 6-20.
I. Engine Compartment Fuse Block on page 6-107.
J. Passenger Compartment Air Filter (Out of View).
See Passenger Compartment Air Filter on page 4-27.
K. Battery on page 6-52.
6-15

If the vehicle has the 6.2 L LS9 Supercharged V8 engine and you are facing the front of the vehicle, when the hood
is opened:
6-16

A. Intercooler. See Cooling System (Engine) on
page 6-34 or Cooling System (Intercooler) on
page 6-35.
B. Engine Air Cleaner/Filter on page 6-28.
C. Power Steering Fluid Reservoir and Cap. See Power
Steering Fluid on page 6-44.
D. Coolant Surge Tank and Pressure Cap. See Engine
Coolant on page 6-36.
E. Windshield Washer Fluid Reservoir. See “Adding
Washer Fluid” under Windshield Washer Fluid
on page 6-45.
F. Clutch Master Cylinder Reservoir (If Equipped).
See Hydraulic Clutch on page 6-33.
G. Brake Fluid Reservoir. See “Brake Fluid” under
Brakes on page 6-46.
H. Passenger Compartment Air Filter (Out of View).
See Passenger Compartment Air Filter on page 4-27.
I. Engine Oil Fill Cap. See “When to Add Engine Oil”
under Engine Oil on page 6-20.
J. Dry Sump Engine Oil Tank. See “Changing Engine
Oil and Filter” Engine Oil on page 6-20.
K. Engine Oil Dipstick. See “Checking Engine Oil”
under Engine Oil on page 6-20.
L. Remote Positive (+) Terminal (Out of View).
See Jump Starting on page 6-53.
M. Engine Compartment Fuse Block on page 6-107.
6-17

If the vehicle has the 6.2 L LS3 V8 engine with the manual transmission (with the dry sump engine oil tank) or the
7.0 L LS7 V8 engine and you are facing the driver side of the vehicle, when the hood is opened:
6-18

A. Engine Air Cleaner/Filter on page 6-28.
B. Power Steering Fluid Reservoir. See Power Steering
Fluid on page 6-44.
C. Engine Compartment Fuse Block on page 6-107.
D. Remote Positive (+) Terminal (Out of View).
See Jump Starting on page 6-53.
E. Engine Oil Dipstick. See “Checking Engine Oil”
under Engine Oil on page 6-20.
F. Dry Sump Engine Oil Tank. See “Changing Engine
Oil and Filter” Engine Oil on page 6-20.
G. Engine Oil Fill Cap. See “When to Add Engine Oil”
under Engine Oil on page 6-20.
H. Coolant Surge Tank and Pressure Cap. See Engine
Coolant on page 6-36.
I. Windshield Washer Fluid Reservoir. See “Adding
Washer Fluid” under Windshield Washer Fluid
on page 6-45.
J. Brake Fluid Reservoir. See “Brake Fluid” under
Brakes on page 6-46.
K. Clutch Master Cylinder Reservoir. See Hydraulic
Clutch on page 6-33.
6-19

Engine Oil
Checking Engine Oil
(Except ZO6, ZR1, and Grand Sport)
If the CHECK OIL LEVEL message displays on
the Driver Information Center (DIC), check the engine
oil level right away. For more information, see Driver
Information Center (DIC) on page 4-46. Check the
engine oil level regularly; this is an added reminder.
It is a good idea to check the engine oil level at each
fuel fill. In order to get an accurate reading, the oil must
be warm and the vehicle must be on level ground.
The engine oil dipstick handle is a yellow loop.
See Engine Compartment Overview on page 6-14 for
the location of the engine oil dipstick.
1. Turn off the engine and give the oil a few minutes
to drain back into the oil pan. If this is not done,
the oil dipstick might not show the actual level.
2. Pull out the dipstick and clean it with a lint-free
paper towel or a cloth, then push it back in all
the way.
3. Remove the dipstick again, keeping the tip down
and read the level on the cross-hatched area. Oil
levels that fall in the cross-hatched area are normal.
4. Push the dipstick back in all the way.
When to Add Engine Oil
(Except ZO6, ZR1, and Grand Sport)
If the oil is below the cross-hatched area at the tip
of the dipstick, add at least one liter/quart of the
recommended oil. This section explains what kind of
oil to use. For engine oil crankcase capacity, see
Capacities and Specifications on page 6-112.
See Racing or Other Competitive Driving on page 5-19
for additional information on engine oil.
Notice: Do not add too much oil. If the engine has
so much oil that the oil level gets above the
cross-hatched area that shows the proper operating
range, the engine could be damaged.
6-20

See Engine Compartment
Overview on page 6-14
for the location of the
engine oil fill cap.
Add enough oil to put the level somewhere in the proper
operating range. Push the dipstick all the way back in
when through.
Checking Engine Oil
(ZO6, ZR1, and Grand Sport)
A. Engine Oil Dipstick
B. Engine Oil Fill Cap
It is a good idea to check the engine oil level at each
fuel fill. In order to get an accurate reading, the oil must
be warm and the vehicle must be on level ground.
The engine oil dipstick handle is a yellow loop.
The dipstick is located on the dry sump engine oil tank.
See Engine Compartment Overview on page 6-14
for the location of the dry sump engine oil tank.
6-21

These vehicles have a racetrack-ready dry sump engine
lubrication system. This high-performance system
operates differently than a standard engine lubrication
system and requires a special procedure when checking
the engine oil level. Follow this procedure closely
when checking the engine oil level.
The engine oil level must be checked when the engine
is warm. Cold oil level in the dry sump tank may not
indicate the actual amount of oil in the system.
With this system, engine oil is contained in an
external tank, separate from the engine. Under normal
operating conditions, the oil pan under the engine
does not store any oil. If the vehicle has been parked
for an extended period without the engine being started,
some oil will seep back into the oil pan, reducing the
amount of oil held in the dry sump tank and there
could be no engine oil at all showing on the dipstick.
This is normal since the dipstick is designed to
read engine oil level only after the engine has run
long enough to reach normal operating temperature.
Do not add engine oil based on cold engine dipstick
readings. The engine oil level on the dipstick will also be
inaccurate if checked while the engine is running.
1. To obtain an accurate engine oil level reading, warm
up the engine to at least 80°C (175°F). Cold oil will
not give a correct oil level reading.
2. Once the engine is warm, turn off the engine.
Checking the oil while the engine is running
will result in an incorrect oil level reading.
3. Wait at least five minutes (but not more than
20 minutes) to allow oil to drain and settle in
the engine.
4. Remove the dipstick from the external engine oil
tank and clean it with a lint-free paper towel or a
cloth. Re-insert the dipstick into the external oil tank,
pushing it all the way in until it stops.
5. Remove the dipstick from the oil tank and read the
level on the cross-hatched area. Oil levels that fall
in the cross-hatched area are normal.
6-22

When to Add Engine Oil
(ZO6, ZR1, and Grand Sport)
If the oil is below the cross-hatched area at the tip
of the dipstick, add at least one liter/quart of the
recommended oil through the oil fill cap opening in
the oil tank. This section explains what kind of oil to use.
For engine oil crankcase capacity, see Capacities and
Specifications on page 6-112.
See Racing or Other Competitive Driving on page 5-19
for additional information on engine oil.
Notice: Do not add too much oil. If the engine has
so much oil that the oil level gets above the
cross-hatched area that shows the proper operating
range, the engine could be damaged.
See Engine Compartment
Overview on page 6-14
for the location of the
external engine oil tank
and fill cap.
Add enough oil to put the level somewhere in the proper
operating range. Push the dipstick all the way back
into the oil tank when through.
6-23

Changing Engine Oil and Filter
(ZO6, ZR1, and Grand Sport)
These vehicles have a racetrack-ready dry sump engine
lubrication system. This high-performance system
operates differently than a standard engine lubrication
system and requires a special procedure when changing
the engine oil and filter. Follow this procedure closely
when changing the engine oil and filter.
A. Engine Oil Drain Plugs
B. Seals
ZO6 Shown, ZR1 and Grand Sport Similar
6-24

1. Remove the two engine oil drain plugs from the
bottom of the engine oil pan. One drain plug
drains the external oil tank via the oil transfer supply
line. The other drain plug drains residual oil from
the crankcase sump. Allow the oil to drain.
2. Once the oil has been drained from the engine,
remove the engine oil filter and allow the oil to
drain.
3. Re-install both drain plugs and tighten them to
25 Y(18 lb ft).
4. Replace the oil filter and tighten it to 30 Y
(22 lb ft). See Maintenance Replacement Parts on
page 7-11 for the correct filter.
5. Oil is filled through the opening in the top of the
external engine oil tank. Remove the oil fill cap.
6. Add 9.9 L (10.5 quarts) of oil to the oil tank.
See Capacities and Specifications on page 6-112.
7. Install the oil fill cap and insert the dipstick,
if removed.
8. Start the engine and let it run at idle for at least
15 seconds. This will circulate the fresh engine
oil through the lubrication system.
9. Shut off the engine and check the oil level as
described under “Checking Engine Oil (ZO6, ZR1,
and Grand Sport).”
6-25

What Kind of Engine Oil to Use
Look for three things:
•GM4718M
This vehicle’s engine requires a special oil meeting
GM Standard GM4718M. Oils meeting this
standard may be identified as synthetic. However,
not all synthetic oils will meet this GM standard.
Use only an oil that meets GM Standard GM4718M.
Notice: Using oils that do not have the GM4718M
Standard designation can cause engine damage
not covered by the vehicle warranty.
•SAE 5W-30
SAE 5W-30 is best for the vehicle. These numbers
on an oil container show its viscosity, or thickness.
Do not use other viscosity oils such as SAE 20W-50.
•American Petroleum Institute (API) starburst symbol
Oils meeting these
requirements should have
the starburst symbol on
the container. This symbol
indicates that the oil
has been certified by the
American Petroleum
Institute (API).
This vehicle’s engine was filled at the factory with a
Mobil 1
®
synthetic oil meeting all requirements for
this vehicle.
Substitute Engine Oil: When adding oil to maintain
engine oil level, oil meeting GM Standard GM4718M
might not be available. You can add substitute oil
designated SAE 5W-30 with the starburst symbol at all
temperatures. Substitute oil not meeting GM Standard
GM4718M should not be used for an oil change.
6-26

Engine Oil Additives / Engine Oil
Flushes
Do not add anything to the oil. The recommended oils
with the starburst symbol that meet GM Standard
GM4718M are all that is needed for good performance
and engine protection.
Engine oil system flushes are not recommended and
could cause engine damage not covered by the vehicle
warranty.
Engine Oil Life System
When to Change Engine Oil
This vehicle has a computer that indicates when to
change the engine oil and filter. This is based on engine
revolutions and engine temperature, and not on
mileage. Based on driving conditions, the mileage at
which an oil change is indicated can vary considerably.
For the oil life system to work properly, the system
must be reset every time the oil is changed.
Z06, ZR1, and Grand Sport models have a
racetrack-ready dry sump engine lubrication system.
This high-performance system operates differently than
a standard engine lubrication system and requires a
special procedure when changing the engine oil
and filter. See Engine Oil on page 6-20.
When the system has calculated that oil life has been
diminished, it indicates that an oil change is necessary.
A CHANGE ENGINE OIL message comes on. Change
the oil as soon as possible within the next 1 000 km
(600 miles). It is possible that, if driving under the best
conditions, the oil life system might not indicate that
an oil change is necessary for over a year. However, the
engine oil and filter must be changed at least once a
year and at this time the system must be reset.
Your dealer/retailer has trained service people who will
perform this work using genuine parts and reset the
system. It is also important to check the oil regularly and
keep it at the proper level.
If the system is ever reset accidentally, the oil must be
changed at 5 000 km (3,000 miles) since the last oil
change. Remember to reset the oil life system whenever
the oil is changed.
6-27

How to Reset the Engine Oil Life
System
The Engine Oil Life System calculates when to
change the engine oil and filter based on vehicle use.
Whenever the oil is changed, reset the system so it can
calculate when the next oil change is required. If a
situation occurs where the oil is changed prior to
a CHANGE ENGINE OIL message being turned on,
reset the system.
To reset the CHANGE ENGINE OIL message after an
oil change:
1. Press the TRIP button so the OIL LIFE percentage
is displayed.
2. Press RESET and hold for two seconds. OIL LIFE
REMAINING 100% will appear.
If the CHANGE ENGINE OIL message comes back on
when the vehicle is started, the engine oil life system
has not reset. Repeat the procedure.
What to Do with Used Oil
Used engine oil contains certain elements that can be
unhealthy for your skin and could even cause cancer.
Do not let used oil stay on your skin for very long.
Clean your skin and nails with soap and water, or a
good hand cleaner. Wash or properly dispose of
clothing or rags containing used engine oil. See the
manufacturer’s warnings about the use and disposal of
oil products.
Used oil can be a threat to the environment. If you
change your own oil, be sure to drain all the oil from the
filter before disposal. Never dispose of oil by putting it
in the trash, pouring it on the ground, into sewers, or into
streams or bodies of water. Recycle it by taking it to a
place that collects used oil.
Engine Air Cleaner/Filter
See Engine Compartment Overview on page 6-14 for
the location of the engine air cleaner/filter.
Notice: If you spray water into the engine air
cleaner/filter intake and water enters the engine air
cleaner/filter housing, you could damage your
vehicle’s engine. The repairs would not be covered
by your warranty. Do not spray water into the
engine air cleaner/filter intake and/or housing.
If you are cleaning the vehicle with the hood open,
take care not to spray water directly near the filter
opening of the air cleaner, as shown in the illustration,
as this could damage the vehicle’s engine.
6-28

When to Inspect the Engine Air
Cleaner/Filter
Inspect the air cleaner/filter at the Maintenance II
intervals and replace them at the first oil change after
each 80 000 km (50,000 mile) interval. See Scheduled
Maintenance on page 7-3 for more information.
If you are driving in dusty/dirty conditions, inspect the
filter at each engine oil change.
How to Inspect the Engine Air
Cleaner/Filter
To inspect the air cleaner/filter, remove the filter from
the vehicle and lightly shake the filter to release
loose dust and dirt. If the filter remains caked with dirt,
a new filter is required.
To inspect or replace the engine air cleaner/filter:
1. Open the hood. See Hood Release on page 6-13.
A. Tube
B. Clamp
C. Duct
2. Remove the tube (A) from the air cleaner assembly.
3. Loosen the clamp (B) at the throttle body and
remove the duct (C).
6.2 L V8 Engine LS3 shown, 6.2 L V8 Engine LS9
and 7.0 L V8 Engine LS7 similar
6-29

A. Mass Air Flow Sensor Connector
B. Connector Lock
4. Remove the connector lock (B) located at the
bottom of the mass air flow sensor connector (A).
5. Press on the top and bottom of the mass air flow
sensor connector (A) and remove.
6.2 L V8 Engine LS3 shown, 6.2 L V8 Engine LS9
and 7.0 L V8 Engine LS7 similar 6.2 L V8 Engine LS3
6-30

6. To access the air filter element, gently pull the air
cleaner assembly upward until the fasteners are
released from the retainer pins in the upper radiator
support.
The LS3 engine has three retainer pins and the
LS7 and LS9 engines have two.
A. Screw
B. Filter Cover
C. Filter
7. To remove the filter from the LS3 and LS7 engines,
remove the six screws (A) securing the filter
cover (B) then pull away from to gain access to
the air filter (C).
To remove the filter assembly from the LS9 engine,
remove the six screws securing the filter cover.
The filter cover and the air filter are one piece.
6.2 L V8 Engine LS9 shown, 7.0 L V8 Engine LS7
similar 6.2 L V8 Engine LS3 shown, 6.2 L V8 Engine LS9
and 7.0 L V8 Engine LS7 similar
6-31

8. Inspect or replace the filter or filter cover assembly.
See Maintenance Replacement Parts on page 7-11.
9. Reverse Steps 2 through 7 to replace the air
cleaner/filter cover.
{WARNING:
Operating the engine with the air cleaner/filter off
can cause you or others to be burned. The air
cleaner not only cleans the air; it helps to stop
flames if the engine backfires. If it is not there and
the engine backfires, you could be burned. Do not
drive with it off, and be careful working on the
engine with the air cleaner/filter off.
Notice: If the air cleaner/filter is off, a backfire
can cause a damaging engine fire. And, dirt can
easily get into the engine, which will damage
it. Always have the air cleaner/filter in place when
you are driving.
Automatic Transmission Fluid
How to Check Automatic
Transmission Fluid
It is not necessary to check the transmission fluid level.
A transmission fluid leak is the only reason for fluid loss.
If a leak occurs, take the vehicle to your dealer/retailer
service department and have it repaired as soon
as possible.
There is a special procedure for checking and changing
the transmission fluid. Because this procedure is difficult,
you should have this done at your dealer/retailer service
department. Contact your dealer/retailer for additional
information or the procedure can be found in the service
manual. To purchase a service manual, see Service
Publications Ordering Information on page 8-17.
Notice: Use of the incorrect automatic transmission
fluid may damage the vehicle, and the damages
may not be covered by the vehicle’s warranty.
Always use the automatic transmission fluid listed
in Recommended Fluids and Lubricants on page 7-9.
Change the fluid and filter at the intervals listed in
Scheduled Maintenance on page 7-3, and be sure to
use the fluid listed in Recommended Fluids and
Lubricants on page 7-9.
6-32

Manual Transmission Fluid
It is not necessary to check the manual transmission
fluid level. A transmission fluid leak is the only reason for
fluid loss. If a leak occurs, take the vehicle to your
dealer/retailer service department and have it repaired
as soon as possible. See Recommended Fluids
and Lubricants on page 7-9 for the proper fluid to use.
Hydraulic Clutch
It is not necessary to regularly check clutch fluid unless
you suspect there is a leak in the system. Adding
fluid will not correct a leak. A fluid loss in this system
could indicate a problem. Have the system inspected
and repaired.
When to Check and What to Use
The hydraulic clutch fluid
reservoir cap has this
symbol on it. See Engine
Compartment Overview
on page 6-14 for reservoir
location.
Refer to the Maintenance Schedule for the proper fluid
to use. See Recommended Fluids and Lubricants
on page 7-9. The fluid requires changing every
two years. See Scheduled Maintenance on page 7-3.
How to Check and Add Fluid
Visually check the clutch fluid reservoir to make sure
the fluid level is at the MIN (minimum) line on the side of
the reservoir. The hydraulic clutch fluid system should
be closed and sealed.
Do not remove the cap to check the fluid level or to
top-off the fluid level. Remove the cap only when
necessary to add the proper fluid until the level
reaches the MIN line.
6-33

Cooling System (Engine)
The cooling system allows the engine to maintain the
correct working temperature.
A. Electric Engine Cooling Fan
B. Coolant Surge Tank with Pressure Cap
{WARNING:
An electric engine cooling fan under the hood can
start up even when the engine is not running and
can cause injury. Keep hands, clothing, and tools
away from any underhood electric fan.
{WARNING:
Heater and radiator hoses, and other engine parts,
can be very hot. Do not touch them. If you do, you
can be burned.
Do not run the engine if there is a leak. If you run
the engine, it could lose all coolant. That could
cause an engine fire, and you could be burned.
Get any leak fixed before you drive the vehicle.
7.0L Engine shown, 6.2L Engine similar
6-34

Notice: Using coolant other than DEX-COOL
®
can
cause premature engine, heater core, or radiator
corrosion. In addition, the engine coolant could
require changing sooner, at 50 000 km (30,000 miles)
or 24 months, whichever occurs first. Any repairs
would not be covered by the vehicle warranty.
Always use DEX-COOL
®
(silicate-free) coolant in
the vehicle.
Cooling System (Intercooler)
The 6.2L LS9 supercharged V8 engine has an
intercooler cooling system. See Engine Compartment
Overview on page 6-14 for location of the intercooler.
The intercooler cooling system has a special procedure
for draining and adding coolant. Because this
procedure is difficult, see your dealer/retailer for service
if the intercooler is low on coolant. The procedure
can also be found in the service manual. To purchase a
service manual, see Service Publications Ordering
Information on page 8-17.
Checking Coolant
1. Verify that the engine and intercooler are no
longer hot.
2. Place a cloth to absorb possible coolant loss under
the driver’s side bleeder valve (A).
3. Loosen, but do not completely unscrew the bleeder
valve to check for coolant in the system.
4. Tighten the bleeder valve if there is coolant flowing
out of the bleeder valve.
5. If there is no coolant flowing out of the bleeder
valve, there could be a leak in the system.
Tighten the bleeder valve and contact your
dealer/retailer for service.
6-35

Engine Coolant
The cooling system in the vehicle is filled with
DEX-COOL
®
engine coolant. This coolant is designed
to remain in the vehicle for five years or 240 000 km
(150,000 miles), whichever occurs first.
The following explains the cooling system and how to
check and add coolant when it is low. If there is a
problem with engine overheating, see Engine
Overheating on page 6-41.
What to Use
{WARNING:
Adding only plain water to the cooling system can
be dangerous. Plain water, or some other liquid
such as alcohol, can boil before the proper coolant
mixture will. The vehicle’s coolant warning system
is set for the proper coolant mixture. With plain
WARNING: (Continued)
WARNING: (Continued)
water or the wrong mixture, the engine could get
too hot but would not get the overheat warning.
The engine could catch fire and you or others
could be burned. Use a 50/50 mixture of clean,
drinkable water and DEX-COOL
®
coolant.
Use a 50/50 mixture of clean, drinkable water and
DEX-COOL
®
coolant. If using this mixture, nothing else
needs to be added. This mixture:
•Gives freezing protection down to −37°C (−34°F),
outside temperature.
•Gives boiling protection up to 129°C (265°F),
engine temperature.
•Protects against rust and corrosion.
•Will not damage aluminum parts.
•Helps keep the proper engine temperature.
6-36

Notice: If an improper coolant mixture is used,
the engine could overheat and be badly damaged.
The repair cost would not be covered by the vehicle
warranty. Too much water in the mixture can
freeze and crack the engine, radiator, heater core,
and other parts.
Notice: If extra inhibitors and/or additives are used
in the vehicle’s cooling system, the vehicle could
be damaged. Use only the proper mixture of
the engine coolant listed in this manual for the
cooling system. See Recommended Fluids and
Lubricants on page 7-9 for more information.
Checking Coolant
The vehicle must be on a level surface when checking
the coolant level.
Check to see if coolant is visible in the coolant surge
tank. If the coolant inside the coolant surge tank is
boiling, do not do anything else until it cools down.
If coolant is visible but the coolant level is not at
or above the FULL COLD mark, add a 50/50 mixture of
clean, drinkable water and DEX-COOL coolant at the
coolant recovery tank, but be sure the cooling system is
cool before this is done. See Engine Coolant on
page 6-36 for more information.
The engine coolant surge
tank is located toward
the rear of the engine
compartment on the
driver side of the vehicle.
See Engine Compartment
Overview on page 6-14
for more information
on location.
When the engine is cold, the coolant level should be at
the FULL COLD mark on the coolant surge tank.
When the engine is hot, the level could be higher than
the FULL COLD line. If the coolant is below the
FULL COLD line when the engine is hot, there could be
a leak in the cooling system.
If the coolant is low, add the coolant or take the vehicle
to a dealer/retailer for service.
6-37

How to Add Coolant to the Coolant
Surge Tank
{WARNING:
You can be burned if you spill coolant on hot
engine parts. Coolant contains ethylene glycol and
it will burn if the engine parts are hot enough.
Do not spill coolant on a hot engine.
{WARNING:
Steam and scalding liquids from a hot cooling
system can blow out and burn you badly. They are
under pressure, and if you turn the coolant surge
tank pressure cap — even a little — they can
come out at high speed. Never turn the cap when
the cooling system, including the coolant surge
tank pressure cap, is hot. Wait for the cooling
system and coolant surge tank pressure cap to
cool if you ever have to turn the pressure cap.
If coolant is needed, add the proper DEX-COOL
®
coolant mixture directly to the surge tank, but be sure
the cooling system is cool before this is done.
6-38

1. When the cooling system, including the coolant
surge tank pressure cap and upper radiator
hose, is no longer hot, remove the pressure cap.
Turn the pressure cap slowly counterclockwise
about one-quarter turn and then stop.
If you hear a hiss, wait for that to stop.
A hiss means there is still some pressure left.
2. Keep turning the pressure cap slowly, and
remove it.
3. Fill the coolant surge tank with the proper
DEX-COOL coolant mixture until the level inside
stabilizes at the FULL COLD mark on the front
of the surge tank.
6-39

4. With the coolant surge tank pressure cap off, start
the engine and let it run until you can feel the upper
radiator hose getting hot. Any time during this
procedure, watch out for the engine cooling fan.
By this time, the coolant level inside the coolant
surge tank may be lower. If the level is lower, add
more of the proper mixture to the coolant surge tank
until the level stabilizes at the FULL COLD mark
on the coolant surge tank.
5. Replace the pressure cap. Be sure the pressure
cap is hand-tight and fully seated.
Check the level in the surge tank when the system
has cooled down. If the coolant is not at the
proper level, repeat Steps 1 through 4, then reinstall
the pressure cap. If the coolant is not at the proper
level when the system cools down again, see
your dealer/retailer.
Notice: If the pressure cap is not tightly installed,
coolant loss and possible engine damage may
occur. Be sure the cap is properly and tightly
secured.
6-40

Engine Overheating
The vehicle has several indicators to warn of engine
overheating.
There is an engine coolant temperature gage on the
instrument panel cluster. See Engine Coolant
Temperature Gage on page 4-39. The vehicle may also
display a COOLANT OVER TEMPERATURE message
on the Driver Information Center (DIC). See DIC
Warnings and Messages on page 4-51 for more
information.
You may decide not to lift the hood but to get service
help right away. See Roadside Assistance Program
on page 8-7.
If you do decide to lift the hood, make sure the vehicle
is parked on a level surface.
Then check to see if the engine cooling fan is running.
If the engine is overheating, the fan should be
running. If it is not, do not continue to run the engine
and have the vehicle serviced.
Notice: Engine damage from running your engine
without coolant is not covered by your warranty.
See Overheated Engine Protection Operating Mode
on page 6-43 for information on driving to a safe
place in an emergency.
Notice: If the engine catches fire while driving with
no coolant, the vehicle can be badly damaged.
The costly repairs would not be covered by
the vehicle warranty. See Overheated Engine
Protection Operating Mode on page 6-43 for
information on driving to a safe place in an
emergency.
6-41

If Steam Is Coming From Your Engine
{WARNING:
Steam from an overheated engine can burn you
badly, even if you just open the hood. Stay away
from the engine if you see or hear steam coming
from it. Turn it off and get everyone away from the
vehicle until it cools down. Wait until there is no sign
of steam or coolant before you open the hood.
If you keep driving when the vehicles engine is
overheated, the liquids in it can catch fire. You or
others could be badly burned. Stop the engine if it
overheats, and get out of the vehicle until the
engine is cool.
See Overheated Engine Protection Operating Mode
on page 6-43 for information on driving to a safe
place in an emergency.
If No Steam Is Coming From Your
Engine
If an engine overheat warning is displayed but no steam
can be seen or heard, the problem may not be too
serious. Sometimes the engine can get a little too hot
when the vehicle:
•Climbs a long hill on a hot day.
•Stops after high-speed driving.
•Idles for long periods in traffic.
If the overheat warning is displayed with no sign of
steam:
1. Turn the air conditioning off.
2. Turn the heater on to the highest temperature and
to the highest fan speed. Open the windows as
necessary.
3. If in a traffic jam, shift to N (Neutral) while stopped.
If it is safe to do so, pull off the road, shift to
P (Park) or N (Neutral) and let the engine idle.
6-42

If the temperature overheat gage is no longer in the
overheat zone or an overheat warning no longer
displays, the vehicle can be driven. Continue to drive
the vehicle slow for about 10 minutes. Keep a safe
vehicle distance from the car in front of you. If the
warning does not come back on, continue to drive
normally.
If the warning continues, pull over, stop, and park the
vehicle right away.
If there is no sign of steam, idle the engine for
three minutes while parked. If the warning is still
displayed, turn off the engine until it cools down.
Also, see “Overheated Engine Protection Operating
Mode” next in this section.
Overheated Engine Protection
Operating Mode
This emergency operating mode lets the vehicle be
driven to a safe place, up to 50 miles (80 km), in
an emergency situation. If an overheated engine
condition exists and the messages COOLANT OVER
TEMPERATURE and REDUCED ENGINE POWER are
displayed, along with the check engine light, an
overheat protection mode which alternates firing groups
of cylinders helps prevent engine damage. In this
mode, there is a significant loss in power and engine
performance.
Driving extended distances in the overheat protection
mode should be avoided.
Notice: After driving in the overheated engine
protection operating mode, to avoid engine damage,
allow the engine to cool before attempting any
repair. The engine oil will be severely degraded.
Repair the cause of coolant loss, change the oil
and reset the oil life system. See Engine Oil
on page 6-20.
6-43

Power Steering Fluid
See Engine Compartment
Overview on page 6-14 for
reservoir location.
When to Check Power Steering Fluid
It is not necessary to regularly check power steering fluid
unless you suspect there is a leak in the system or
you hear an unusual noise. A fluid loss in this system
could indicate a problem. Have the system inspected
and repaired.
How to Check Power Steering Fluid
To check the power steering fluid:
1. Turn the ignition off and let the engine compartment
cool down.
2. Wipe the cap and the top of the reservoir clean.
3. Unscrew the cap and wipe the dipstick with a
clean rag.
4. Replace the cap and completely tighten it.
5. Remove the cap again and look at the fluid level on
the dipstick. There are markings on both sides of
the dipstick.
The level should be at the FULL COLD mark.
If necessary, add only enough fluid to bring the
level up to the mark.
When the engine
compartment is hot,
the level should be at the
HOT mark. When the
engine compartment is
cool, the level should be at
the FULL COLD mark.
6-44

What to Use
To determine what kind of fluid to use, see
Recommended Fluids and Lubricants on page 7-9.
Always use the proper fluid.
Notice: Use of the incorrect fluid may damage the
vehicle and the damages may not be covered by
the vehicle’s warranty. Always use the correct fluid
listed in Recommended Fluids and Lubricants
on page 7-9.
Windshield Washer Fluid
What to Use
When the vehicle needs windshield washer fluid, be
sure to read the manufacturer’s instructions before use.
If the vehicle will be operating in an area where the
temperature may fall below freezing, use a fluid that has
sufficient protection against freezing.
Adding Washer Fluid
Open the cap with the
washer symbol on it.
Add washer fluid until the
tank is full. See Engine
Compartment Overview on
page 6-14 for reservoir
location.
Notice:
•When using concentrated washer fluid, follow
the manufacturer’s instructions for adding
water.
•Do not mix water with ready-to-use washer fluid.
Water can cause the solution to freeze and
damage your washer fluid tank and other parts
of the washer system. Also, water does not
clean as well as washer fluid.
•Fill the washer fluid tank only three-quarters full
when it is very cold. This allows for fluid
expansion if freezing occurs, which could
damage the tank if it is completely full.
•Do not use engine coolant (antifreeze) in your
windshield washer. It can damage the vehicle’s
windshield washer system and paint.
6-45

Brakes
Brake Fluid
The brake master cylinder
reservoir is filled with DOT
3 brake fluid. See Engine
Compartment Overview on
page 6-14 for the location
of the reservoir.
There are only two reasons why the brake fluid level in
the reservoir might go down:
•The brake fluid level goes down because of normal
brake lining wear. When new linings are installed,
the fluid level goes back up.
•A fluid leak in the brake hydraulic system can also
cause a low fluid level. Have the brake hydraulic
system fixed, since a leak means that sooner
or later the brakes will not work well.
Do not top off the brake fluid. Adding fluid does not
correct a leak. If fluid is added when the linings
are worn, there will be too much fluid when new brake
linings are installed. Add or remove brake fluid, as
necessary, only when work is done on the brake
hydraulic system.
{WARNING:
If too much brake fluid is added, it can spill on
the engine and burn, if the engine is hot enough.
You or others could be burned, and the vehicle
could be damaged. Add brake fluid only when
work is done on the brake hydraulic system.
See “Checking Brake Fluid” in this section.
Refer to the Maintenance Schedule to determine when
to check the brake fluid. See Scheduled Maintenance
on page 7-3.
6-46

Checking Brake Fluid
Check brake fluid by looking at the brake fluid reservoir.
See Engine Compartment Overview on page 6-14.
The fluid level should be above the MIN mark on the
reservoir. If it is not, have the brake hydraulic system
checked to see if there is a leak.
After work is done on the brake hydraulic system, make
sure the level is between the MIN and MAX marks.
What to Add
Use only new DOT 3 brake fluid from a sealed container.
See Recommended Fluids and Lubricants on page 7-9.
Always clean the brake fluid reservoir cap and the
area around the cap before removing it. This helps keep
dirt from entering the reservoir.
{WARNING:
With the wrong kind of fluid in the brake hydraulic
system, the brakes might not work well. This could
cause a crash. Always use the proper brake fluid.
Notice:
•Using the wrong fluid can badly damage brake
hydraulic system parts. For example, just a
few drops of mineral-based oil, such as engine
oil, in the brake hydraulic system can damage
brake hydraulic system parts so badly that they
will have to be replaced. Do not let someone
put in the wrong kind of fluid.
•If brake fluid is spilled on the vehicle’s painted
surfaces, the paint finish can be damaged.
Be careful not to spill brake fluid on the vehicle.
If you do, wash it off immediately. See Washing
Your Vehicle on page 6-95.
6-47

Brake Wear (Except ZR1)
This vehicle has disc brakes. Disc brake pads have
built-in wear indicators that make a high-pitched warning
sound when the brake pads are worn and new pads
are needed. The sound can come and go or be heard all
the time the vehicle is moving, except when applying
the brake pedal firmly.
{WARNING:
The brake wear warning sound means that soon
the brakes will not work well. That could lead to an
accident. When the brake wear warning sound is
heard, have the vehicle serviced.
Notice: Continuing to drive with worn-out brake
pads could result in costly brake repair.
Some driving conditions or climates can cause a brake
squeal when the brakes are first applied or lightly
applied. This does not mean something is wrong with
the brakes.
Brake linings should always be replaced as complete
axle sets.
Brake Wear (ZR1 Only)
The ZR1 model does not have built-in brake pad wear
indicators and periodic visual inspection of the brake
pads is required to determine when to replace the
brake pads.
Notice: Continuing to drive with worn-out brake
pads could result in costly brake repair.
•Make sure that the brakes have been given
sufficient time to cool and then set the park brake.
•Brake pads can be visually inspected through the
wheel by inspecting the outer brake pads at each
wheel.
Rear Front
6-48

•Brake pads should be replaced when worn to
two mm of pad thickness. New pads are 10 mm thick.
•In addition, brake pad inspection is required any time
the tires are removed.
The ZR1 also has an electronic brake pad wear sensor
system. When pads are worn, the CHANGE BRAKE
PADS message displays in the Driver Information
Center. See DIC Warnings and Messages on page 4-51.
Some driving conditions or climates can cause a brake
squeal when the brakes are first applied or lightly
applied. This does not mean something is wrong with
the brakes.
Brake linings should always be replaced as complete
axle sets.
Brake Rotor Wear
ZR1 models have ceramic brake rotors. Rotors should
be visually inspected whenever the brake pads are
replaced. Rotors also need to be weighed before brake
pads are replaced to confirm that the rotor mass is
greater than the wear-out mass printed on the rotor.
The rotor can be reused if the weight of the rotor
is above the mass limit. Rotor inspection and weighing
methods can be found in the service manual. See
Service Publications Ordering Information on page 8-17.
6-49

Brake Rotor Protector
{WARNING:
Ceramic rotors will be very hot after operation and
touching them may cause burns. Be sure brake
system is completely cool prior to installation of
protector, or coming in contact with them.
Notice: Rotors may be chipped if hard contact is
made with the wheel during wheel installation or
removal. Always use the rotor protectors. Be sure to
carefully follow wheel removal and installation
instructions.
6-50

A rotor protector should always be installed before any
wheel removal. The protector can be installed by feeding
it through the wheel spokes and slipping it over the outer
edge of the rotor. Leave the protector in place, over the
rotor edge, until the wheel is re-installed. Rotor protectors
are available through your dealer/retailer.
Brake Pedal Travel
See your dealer/retailer if the brake pedal does not
return to normal height, or if there is a rapid increase in
pedal travel. This could be a sign that brake service
might be required.
Brake Adjustment
Every brake stop, the disc brakes automatically adjust
for wear.
Replacing Brake System Parts
The braking system on a vehicle is complex. Its many
parts have to be of top quality and work well together if
the vehicle is to have really good braking. The vehicle
was designed and tested with top-quality brake parts.
When parts of the braking system are replaced — for
example, when the brake linings wear down and
new ones are installed — be sure to get new approved
replacement parts. If this is not done, the brakes
might not work properly. For example, if someone puts
in brake linings that are wrong for the vehicle, the
balance between the front and rear brakes can
change — for the worse. The braking performance
expected can change in many other ways if the wrong
replacement brake parts are installed.
6-51

Battery
Refer to the replacement number on the original battery
label when a new battery is needed.
For battery replacement, see your dealer/retailer or the
service manual. To purchase a service manual, see
Service Publications Ordering Information on page 8-17.
{DANGER:
Battery posts, terminals, and related accessories
contain lead and lead compounds, chemicals
known to the State of California to cause cancer
and reproductive harm. Wash hands after
handling.
Vehicle Storage
{WARNING:
Batteries have acid that can burn you and gas that
can explode. You can be badly hurt if you are not
careful. See Jump Starting on page 6-53 for tips
on working around a battery without getting hurt.
Infrequent Usage: Remove the black, negative (−) cable
from the battery to keep the battery from running down.
See “Power Window Initialization” in Power Windows on
page 3-17.
Extended Storage: Remove the black, negative (−)
cable from the battery or use a battery trickle charger.
6-52

Jump Starting
If your battery has run down, you may want to use
another vehicle and some jumper cables to start your
vehicle. Be sure to use the following steps to do it safely.
{WARNING:
Batteries can hurt you. They can be dangerous
because:
•They contain acid that can burn you.
•They contain gas that can explode or ignite.
•They contain enough electricity to burn you.
If you do not follow these steps exactly, some or
all of these things can hurt you.
Notice: If you try to start your vehicle by pushing
or pulling it, you could damage your vehicle. Do not
push or pull your vehicle to start it; instead, use
the jump starting procedure in this manual to start
your vehicle when the battery has run down.
1. Check the other vehicle. It must have a 12-volt
battery with a negative ground system.
Notice: If the other vehicle’s system is not a 12-volt
system with a negative ground, both vehicles can
be damaged. Only use vehicles with 12-volt systems
with negative grounds to jump start your vehicle.
2. Get the vehicles close enough so the jumper cables
can reach, but be sure the vehicles are not touching
each other. If they are, it could cause a ground
connection you do not want. You would not be able
to start your vehicle, and the bad grounding
could damage the electrical systems.
To avoid the possibility of the vehicles rolling, set
the parking brake firmly on both vehicles involved
in the jump start procedure. Put an automatic
transmission in P (Park) or a manual transmission
in Neutral before setting the parking brakes.
Notice: If you leave the radio or other accessories
on during the jump starting procedure, they could be
damaged. The repairs would not be covered by the
warranty. Always turn off the radio and other
accessories when jump starting the vehicle.
3. Turn off the ignition on both vehicles. Unplug
unnecessary accessories plugged into the cigarette
lighter or the accessory power outlet. Turn off
the radio and all lamps that are not needed.
This will avoid sparks and help save both batteries.
And it could save the radio!
6-53

4. Open the hoods and locate the positive (+) and
negative (−) terminal locations on each vehicle.
Your vehicle has a remote positive (+) terminal (A)
and a remote negative (−) terminal (B), as shown
in the illustration, which should be used to jump start
your vehicle.
The remote positive (+) terminal (A) can be
accessed by opening the cover of the engine
compartment fuse block.
The remote negative (−) terminal (B) is located
underneath the engine cover, below the engine oil
fill cap.
See Engine Compartment Overview on page 6-14
for the location of the engine compartment fuse
block and engine oil fill cap.
You will not need to access the battery for jump
starting. The remote terminals are for that purpose.
{WARNING:
An electric fan can start up even when the engine
is not running and can injure you. Keep hands,
clothing and tools away from any underhood
electric fan.
6.2 L LS3 shown, 7.0 L LS7 and 6.2 L LS9 similar
6-54

{WARNING:
Using an open flame near a battery can cause
battery gas to explode. People have been hurt
doing this, and some have been blinded. Use a
flashlight if you need more light.
Be sure the battery has enough water. You do not
need to add water to the battery installed in your
new vehicle. But if a battery has filler caps, be
sure the right amount of fluid is there. If it is low,
add water to take care of that first. If you do not,
explosive gas could be present.
Battery fluid contains acid that can burn you.
Do not get it on you. If you accidentally get it in
your eyes or on your skin, flush the place with
water and get medical help immediately.
{WARNING:
Fans or other moving engine parts can injure you
badly. Keep your hands away from moving parts
once the engine is running.
5. Check that the jumper cables do not have loose or
missing insulation. If they do, you could get a
shock. The vehicles could be damaged too.
Before you connect the cables, here are some
basic things you should know. Positive (+) will go to
positive (+) or to a remote positive (+) terminal if
the vehicle has one. Negative (−) will go to a heavy,
unpainted metal engine part or to a remote
negative (−) terminal if the vehicle has one.
Do not connect positive (+) to negative (−)oryou
will get a short that would damage the battery
and maybe other parts too. And do not connect the
negative (−) cable to the negative (−) terminal on
the dead battery because this can cause sparks.
6-55

6. Connect the red positive (+) cable to the positive (+)
terminal of the dead battery. Use a remote
positive (+) terminal if the vehicle has one.
7. Do not let the other end touch metal. Connect it
to the positive (+) terminal of the good battery.
Use a remote positive (+) terminal if the vehicle
has one.
8. Now connect the black negative (−) cable to the
negative (−) terminal of the good battery. Use a
remote negative (−) terminal if the vehicle has one.
Do not let the other end touch anything until the
next step. The other end of the negative (−) cable
does not go to the dead battery. It goes to a
heavy, unpainted metal engine part or to a remote
negative (−) terminal on the vehicle with the
dead battery.
9. Connect the other end of the negative (−) cable at
least 18 inches (45 cm) away from the dead battery,
but not near engine parts that move. The electrical
connection is just as good there, and the chance
of sparks getting back to the battery is much less.
Your vehicle has a remote negative (−) terminal
for this purpose.
10. Now start the vehicle with the good battery and run
the engine for a while.
11. Try to start the vehicle that had the dead battery.
If it will not start after a few tries, it probably needs
service.
Notice: If the jumper cables are connected or
removed in the wrong order, electrical shorting may
occur and damage the vehicle. The repairs would
not be covered by the vehicle warranty. Always
connect and remove the jumper cables in the correct
order, making sure that the cables do not touch
each other or other metal.
6-56

A. Heavy, Unpainted Metal Engine Part or Remote
Negative (−) Terminal
B. Good Battery or Remote Positive (+) and
Negative (−) Terminals
C. Dead Battery or Remote Positive (+) Terminal
To disconnect the jumper cables from both vehicles,
do the following:
1. Disconnect the black negative (−) cable from the
vehicle that had the dead battery.
2. Disconnect the black negative (−) cable from the
vehicle with the good battery.
3. Disconnect the red positive (+) cable from the
vehicle with the good battery.
4. Disconnect the red positive (+) cable from the other
vehicle.
5. Return the engine fuse block cover to its original
position.
6. You may also need to initialize the power windows.
See “Power Window Initialize” under Power
Windows on page 3-17 for more information.
Jumper Cable Removal
6-57

Rear Axle
When to Check Lubricant
It is not necessary to regularly check rear axle fluid
unless you suspect there is a leak or you hear an
unusual noise. A fluid loss could indicate a problem.
Have it inspected and repaired.
How to Check Lubricant
To get an accurate reading, the vehicle should be on a
level surface.
If the level is below the bottom of the filler plug hole,
you will need to add some lubricant. Add enough
lubricant to raise the level to the bottom of the filler
plug hole.
What to Use
To add lubricant when the level is low, use Dexron LS
Gear Oil 75W-90 (GM Part No. US. 88862624, in
Canada 88862625) meeting GM Specification 9986290.
To completely refill after draining, see Recommended
Fluids and Lubricants on page 7-9. Then fill to the
bottom of the filler plug hole with the Synthetic Gear
Lubricant.
Headlamp Aiming
Headlamp aim has been preset at the factory and
should need no further adjustment.
However, if your vehicle is damaged in a crash, the
headlamp aim may be affected. Aim adjustment to the
low-beam headlamps may be necessary if oncoming
drivers flash their high-beam headlamps at you
(for vertical aim).
If the headlamps need to be re-aimed, it is
recommended that you take the vehicle to your
dealer/retailer for service.
6-58

Bulb Replacement
For the proper type of replacement bulbs, see
Replacement Bulbs on page 6-61.
For any bulb changing procedure not listed in this
section, contact your dealer/retailer.
High Intensity Discharge (HID)
Lighting
{WARNING:
The low beam high intensity discharge lighting
system operates at a very high voltage. If you try to
service any of the system components, you could
be seriously injured. Have your dealer/retailer or a
qualified technician service them.
The vehicle may have HID headlamps. After an HID
headlamp bulb has been replaced, you may notice
that the beam is a slightly different shade than it was
originally. This is normal.
Halogen Bulbs
{WARNING:
Halogen bulbs have pressurized gas inside and
can burst if you drop or scratch the bulb. You or
others could be injured. Be sure to read and follow
the instructions on the bulb package.
Headlamps, Front Turn Signal, and
Parking Lamps
A. High-beam Headlamp
B. Low-beam Headlamp
C. Front Parking/Turn Signal/Daytime Running
Lamp (DRL)
6-59

If the low-beam headlamp needs to be replaced, see
your dealer/retailer. See High Intensity Discharge (HID)
Lighting on page 6-59 for more information.
To replace a high-beam or front parking/turn
signal/DRL bulb:
1. Turn the wheel to allow access to the wheel well.
2. Remove the three outer fasteners to move the
access panel back.
3. Remove the outer cover to expose the high-beam
headlamp bulb socket.
4. Remove the headlamp
bulb by releasing the
outer tabs from
the socket.
5. Remove the front parking/turn signal bulb by turning
the bulb socket counterclockwise.
6. Replace the high-beam headlamp bulb with a new
bulb and reattach to the bulb socket.
Replace the front parking/turn signal bulb by turning
the bulb socket clockwise.
7. Reverse the Steps 2 through 4 to reinstall.
6-60

Taillamps, Turn Signal, and
Stoplamps
To replace a stoplamp, taillamp/turn signal bulb:
1. Remove the screw from the top of the lamp assembly.
2. Tilt the lamp assembly toward you.
3. Turn the bulb socket one-quarter turn
counterclockwise and pull it out.
4. Pull the bulb straight out to remove it from the
socket.
5. Push the new bulb in the bulb socket until it snaps
into place.
6. Reinstall the lamp assembly by first lining up the
tabs on the bottom of the lamp assembly with the
tabs in the vehicle, then slide it in.
7. Replace the screw at the top of the lamp assembly.
Replacement Bulbs
Exterior Lamp Bulb Number
Front Parking/Turn
Signal/Daytime Running
Lamp (DRL) 5702KA
Headlamp, High-Beam Lamp H9
Sidemarker Lamp W3W
Stoplamp/Taillamp/Turn
Signal Lamp 3057KX
For replacement bulbs not listed here, contact your
dealer/retailer.
6-61

Windshield Replacement
The windshield is part of the Head-Up Display (HUD)
system. If you ever have to get the windshield replaced,
get one that is designed for HUD or the HUD image
may look out of focus.
Windshield Wiper Blade
Replacement
Windshield wiper blades should be inspected for wear
and cracking. See Scheduled Maintenance on page 7-3
for more information.
Replacement blades come in different types and are
removed in different ways. For the proper type and length,
see Maintenance Replacement Parts on page 7-11.
It is a good idea to clean or replace the wiper blade
assembly every six months. Allowing the wiper blade arm
to touch the windshield when no wiper blade is installed
could damage the windshield. Any damage that occurs
would not be covered by the vehicle’s warranty. Do not
allow the wiper blade arm to touch the windshield.
To remove the wiper blade assembly:
1. Open the hood to gain access to the windshield
wipers.
2. Lift the wiper arm away from the windshield.
A. Blade Assembly
B. Arm Assembly
C. Locking Tab
D. Blade Pivot
E. Hook Slot
F. Arm Hook
3. Press down on the blade assembly pivot locking
tab (C). Pull down on the blade assembly (A) to
release it from the wiper arm hook (F).
4. Remove the insert from the blade assembly (A).
The insert has two notches at one end that are
locked by the bottom claws of the blade assembly.
At the notch end, pull the insert from the blade
assembly.
6-62

To install the new wiper insert:
1. Slide the insert (D), notched end last, into the end
with the two blade claws (A). Slide the insert all the
way through the blade claws at the opposite
end (B). The plastic caps (C) will be forced off as
the insert is fully installed.
2. Be sure the notches are locked by the bottom
claws. Make sure that all other claws are properly
locked on both sides of the insert slots.
3. Put the blade assembly pivot in the wiper arm hook.
Pull up until the pivot locking tab locks in the
hook slot.
4. Carefully lower the wiper arm and blade assembly
onto the windshield.
Installation guide:
A. Claw in Notch
B. Correct Installation
C. Incorrect Installation
6-63

Tires
Your new vehicle comes with high-quality tires
made by a leading tire manufacturer. If you ever
have questions about your tire warranty and where
to obtain service, see your vehicle Warranty
booklet for details. For additional information refer
to the tire manufacturer.
{WARNING:
•Poorly maintained and improperly used
tires are dangerous.
•Overloading your tires can cause
overheating as a result of too much
flexing. You could have an air-out and a
serious accident. See Loading the
Vehicle on page 5-28.
WARNING: (Continued)
WARNING: (Continued)
•Underinflated tires pose the same danger
as overloaded tires. The resulting
accident could cause serious injury.
Check all tires frequently to maintain the
recommended pressure. Tire pressure
should be checked when your tires are
cold. See Inflation - Tire Pressure on
page 6-72.
•Overinflated tires are more likely to be
cut, punctured, or broken by a sudden
impact — such as when you hit a
pothole. Keep tires at the recommended
pressure.
•Worn, old tires can cause accidents.
If your tread is badly worn, or if your tires
have been damaged, replace them.
See High-Speed Operation on page 6-74 for
inflation pressure adjustment for high speed
driving.
6-64

Low-Profile Performance Tire
The original equipment tires on your vehicle are
classified as low-profile performance tires.
These tires are designed for very responsive
driving on wet or dry pavement. You may also
notice more road noise with low-profile tires and
that they tend to wear faster.
Notice: If the vehicle has low-profile tires,
they are more susceptible to damage from road
hazards or curb impact than standard profile
tires. Tire and/or wheel assembly damage
can occur when coming into contact with
road hazards like, potholes, or sharp edged
objects, or when sliding into a curb. The
vehicle warranty does not cover this type of
damage. Keep tires set to the correct inflation
pressure and, when possible avoid contact
with curbs, potholes, and other road hazards.
Winter Tires
If you expect to drive on snow or ice covered roads
often, you may want to get winter tires for your vehicle.
All season tires provide good overall performance on
most surfaces but they may not offer the traction
you would like or the same level of performance as
winter tires on snow or ice covered roads.
Winter tires, in general, are designed for increased
traction on snow and ice covered roads. With winter
tires, there may be decreased dry road traction,
increased road noise, and shorter tread life. After
switching to winter tires, be alert for changes in vehicle
handling and braking.
See your dealer/retailer for details regarding winter tire
availability and proper tire selection. Also, see Buying
New Tires on page 6-79.
If you choose to use winter tires:
•Use tires of the same brand and tread type on all
four wheel positions.
•Use only radial ply tires of the same size, load range,
and speed rating as the original equipment tires.
Winter tires with the same speed rating as your original
equipment tires may not be available for H, V, W, Y,
and ZR speed rated tires. If you choose winter tires with
a lower speed rating, never exceed the tire’s maximum
speed capability.
6-65

Tire Sidewall Labeling
Useful information about a tire is molded into its
sidewall. The example below shows a typical
passenger (p-metric) tire sidewall.
(A) Tire Size:The tire size is a combination of
letters and numbers used to define a particular
tire’s width, height, aspect ratio, construction type,
and service description. See the “Tire Size”
illustration later in this section for more detail.
(B) TPC Spec (Tire Performance Criteria
Specification):Original equipment tires designed
to GM’s specific tire performance criteria have
a TPC specification code molded onto the sidewall.
GM’s TPC specifications meet or exceed all
federal safety guidelines.
(C) DOT (Department of Transportation):
The Department of Transportation (DOT) code
indicates that the tire is in compliance with the
U.S. Department of Transportation Motor Vehicle
Safety Standards.
(D) Tire Identification Number (TIN):The letters
and numbers following DOT code are the Tire
Identification Number (TIN). The TIN shows
the manufacturer and plant code, tire size, and
date the tire was manufactured. The TIN is molded
onto both sides of the tire, although only one side
may have the date of manufacture.
(E) Tire Ply Material:The type of cord and
number of plies in the sidewall and under the
tread.
Passenger (P-Metric) Tire Example
6-66

(F) Uniform Tire Quality Grading (UTQG):
Tire manufacturers are required to grade
tires based on three performance factors:
treadwear, traction and temperature resistance.
For more information see Uniform Tire Quality
Grading on page 6-82.
(G) Maximum Cold Inflation Load Limit:
Maximum load that can be carried and the
maximum pressure needed to support that load.
Tire Size
The following illustration shows an example of a
typical passenger (p-metric) vehicle tire size.
(A) Passenger (P-Metric) Tire:The United States
version of a metric tire sizing system. The letter P
as the first character in the tire size means a
passenger vehicle tire engineered to standards set
by the U. S. Tire and Rim Association.
(B) Tire Width:The three-digit number indicates
the tire section width in millimeters from sidewall
to sidewall.
(C) Aspect Ratio:A two-digit number that
indicates the tire height-to-width measurements.
For example, if the tire size aspect ratio is 60,
as shown in item C of the illustration, it would
mean that the tire’s sidewall is 60 percent as high
as it is wide.
(D) Construction Code:A letter code is used to
indicate the type of ply construction in the tire.
The letter R means radial ply construction;
the letter D means diagonal or bias ply
construction; and the letter B means belted-bias
ply construction.
(E) Rim Diameter:Diameter of the wheel in
inches.
(F) Service Description:These characters
represent the load index and speed rating of the
tire. The load index represents the load carry
capacity a tire is certified to carry. The speed
rating is the maximum speed a tire is certified to
carry a load.
6-67

Tire Terminology and Definitions
Air Pressure:The amount of air inside the
tire pressing outward on each square inch of the
tire. Air pressure is expressed in pounds per
square inch (psi) or kilopascal (kPa).
Accessory Weight:This means the combined
weight of optional accessories. Some examples of
optional accessories are, automatic transmission,
power steering, power brakes, power windows,
power seats, and air conditioning.
Aspect Ratio:The relationship of a tire’s height
to its width.
Belt:A rubber coated layer of cords that is
located between the plies and the tread. Cords
may be made from steel or other reinforcing
materials.
Bead:The tire bead contains steel wires wrapped
by steel cords that hold the tire onto the rim.
Bias Ply Tire:A pneumatic tire in which the plies
are laid at alternate angles less than 90 degrees
to the centerline of the tread.
Cold Tire Pressure:The amount of air pressure
in a tire, measured in pounds per square inch
(psi) or kilopascals (kPa) before a tire has built up
heat from driving. See Inflation - Tire Pressure
on page 6-72.
Curb Weight:The weight of a motor vehicle with
standard and optional equipment including the
maximum capacity of fuel, oil, and coolant,
but without passengers and cargo.
DOT Markings:A code molded into the sidewall
of a tire signifying that the tire is in compliance
with the U.S. Department of Transportation (DOT)
motor vehicle safety standards. The DOT code
includes the Tire Identification Number (TIN),
an alphanumeric designator which can also identify
the tire manufacturer, production plant, brand,
and date of production.
GVWR:Gross Vehicle Weight Rating. See
Loading the Vehicle on page 5-28.
GAWR FRT:Gross Axle Weight Rating for the
front axle. See Loading the Vehicle on page 5-28.
GAWR RR:Gross Axle Weight Rating for the
rear axle. See Loading the Vehicle on page 5-28.
6-68

Intended Outboard Sidewall:The side of an
asymmetrical tire, that must always face outward
when mounted on a vehicle.
Kilopascal (kPa):The metric unit for air pressure.
Light Truck (LT-Metric) Tire:A tire used on
light duty trucks and some multipurpose passenger
vehicles.
Load Index:An assigned number ranging from
1 to 279 that corresponds to the load carrying
capacity of a tire.
Maximum Inflation Pressure:The maximum air
pressure to which a cold tire can be inflated.
The maximum air pressure is molded onto the
sidewall.
Maximum Load Rating:The load rating for a tire
at the maximum permissible inflation pressure
for that tire.
Maximum Loaded Vehicle Weight:The sum of
curb weight, accessory weight, vehicle capacity
weight, and production options weight.
Normal Occupant Weight:The number of
occupants a vehicle is designed to seat multiplied
by 150 lbs (68 kg). See Loading the Vehicle on
page 5-28.
Occupant Distribution:Designated seating
positions.
Outward Facing Sidewall:The side of an
asymmetrical tire that has a particular side that
faces outward when mounted on a vehicle.
The side of the tire that contains a whitewall, bears
white lettering, or bears manufacturer, brand,
and/or model name molding that is higher
or deeper than the same moldings on the other
sidewall of the tire.
Passenger (P-Metric) Tire:A tire used on
passenger cars and some light duty trucks and
multipurpose vehicles.
Recommended Inflation Pressure:Vehicle
manufacturer’s recommended tire inflation
pressure as shown on the tire placard. See
Inflation - Tire Pressure on page 6-72 and Loading
the Vehicle on page 5-28.
6-69

Radial Ply Tire:A pneumatic tire in which the
ply cords that extend to the beads are laid at
90 degrees to the centerline of the tread.
Rim:A metal support for a tire and upon which
the tire beads are seated.
Sidewall:The portion of a tire between the tread
and the bead.
Speed Rating:An alphanumeric code assigned to
a tire indicating the maximum speed at which a
tire can operate.
Traction:The friction between the tire and the
road surface. The amount of grip provided.
Tread:The portion of a tire that comes into
contact with the road.
Treadwear Indicators:Narrow bands, sometimes
called wear bars, that show across the tread of
a tire when only 1/16 inch (1.6 mm) of tread
remains. See When It Is Time for New Tires on
page 6-78.
UTQGS (Uniform Tire Quality Grading
Standards):A tire information system that
provides consumers with ratings for a tire’s
traction, temperature, and treadwear. Ratings are
determined by tire manufacturers using
government testing procedures. The ratings are
molded into the sidewall of the tire. See Uniform
Tire Quality Grading on page 6-82.
Vehicle Capacity Weight:The number of
designated seating positions multiplied by 150 lbs
(68 kg) plus the rated cargo load. See Loading
the Vehicle on page 5-28.
Vehicle Maximum Load on the Tire:Load on
an individual tire due to curb weight, accessory
weight, occupant weight, and cargo weight.
Vehicle Placard:A label permanently attached to
a vehicle showing the vehicle’s capacity weight
and the original equipment tire size and
recommended inflation pressure. See “Tire and
Loading Information Label” under Loading
the Vehicle on page 5-28.
6-70

Run-Flat Tires
This vehicle, when new, had run-flat tires. There is no
spare tire, no tire changing equipment, and no place
to store a tire in the vehicle. Run-flat tires perform
so well without any air that a Tire Pressure Monitor
System (TPMS) is used to alert you if a tire has
lost pressure.
{WARNING:
When the low tire warning light is displayed on the
instrument panel cluster, your vehicle’s handling
capabilities will be reduced during severe
maneuvers. If you drive too fast, you could lose
control of your vehicle. You or others could be
injured. Do not drive over 55 mph (90 km/h) when
the low tire warning light is displayed. Drive
cautiously and check your tire pressures as soon
as you can.
If a tire goes flat, you will not need to stop on the side
of the road to change the tire. You can just keep on
driving. The shorter the distance you drive and the
slower the speed, the greater the chance that the tire
will not have to be replaced. If you drive on a deflated
run-flat tire for 25 miles (40 km) or less and at speeds of
55 mph (90 km/h) or less, there is a good chance that
the tire can be repaired. The tires on coupe, convertible
and Z06 models can operate effectively with no air
pressure for up to 100 miles (160 km) at speeds up to
55 mph (90 km/h), but the tire would then have to
be replaced. The tires on ZR1 models can operate
effectively with no air pressure for up to 50 miles (80 km)
at speeds up to 55 mph (90 km/h), but the tire would
then have to be replaced. When a tire is filled with air, it
provides a cushion between the road and the wheel.
Because you will not have this cushion when driving on
a deflated tire, try to avoid potholes that could damage
your wheel and require replacement of it.
Some road hazards can damage a tire beyond repair.
This damage could occur even before you have
driven on the tire in a deflated condition. When a tire
has been damaged, or if you have driven any distance
on a run-flat tire, check with an authorized run-flat
tire service center to determine whether the tire can be
repaired or should be replaced. To maintain your
vehicle’s run-flat feature, all replacement tires must be
self-supporting tires. As soon as possible, contact
the nearest authorized GM or run-flat servicing facility
for inspection and repair or replacement. To locate
the nearest GM or run-flat servicing facility, call
Roadside Assistance. For phone numbers and Roadside
Service details see Roadside Assistance Program on
page 8-7.
6-71

{WARNING:
Run-flat tires are constructed differently than other
tires and could explode during improper service.
You or others could be injured or killed if you
attempt to repair, replace, dismount, or mount a
run-flat tire. Let only an authorized run-flat service
center repair, replace, dismount, and mount
run-flat tires.
The valve stems on your run-flat tires have sensors that
are part of the Tire Pressure Monitor System (TPMS).
See Tire Pressure Monitor System on page 6-74. These
sensors contain batteries which are designed to last
for 10 years under normal driving conditions. See your
dealer/retailer if you ever need to have a wheel
replaced, or if the sensors ever need replacement.
Notice: Using liquid sealants can damage the tire
valves and tire pressure monitor sensors in the
vehicle’s run-flat tires. This damage would not be
covered by warranty. Do not use liquid sealants
in the vehicle’s run-flat tires.
Inflation - Tire Pressure
Tires need the correct amount of air pressure to
operate effectively.
Notice: Do not let anyone tell you that
under-inflation or over-inflation is all right.
It is not. If your tires do not have enough air
(under-inflation), you can get the following:
•Too much flexing
•Too much heat
•Tire overloading
•Premature or irregular wear
•Poor handling
•Reduced fuel economy
If your tires have too much air (over-inflation),
you can get the following:
•Unusual wear
•Poor handling
•Rough ride
•Needless damage from road hazards
6-72

A vehicle specific Tire and Loading Information
label is attached to your vehicle. This label shows
your vehicle’s original equipment tires and the
correct inflation pressures for your tires when they
are cold. The recommended cold tire inflation
pressure, shown on the label, is the minimum
amount of air pressure needed to support
your vehicle’s maximum load carrying capacity.
For additional information regarding how much
weight your vehicle can carry, and an example of
the Tire and Loading Information label, see
Loading the Vehicle on page 5-28. How you load
your vehicle affects vehicle handling and ride
comfort. Never load your vehicle with more weight
than it was designed to carry.
When to Check
Check your tires once a month or more.
How to Check
Use a good quality pocket-type gage to check
tire pressure. You cannot tell if your tires are
properly inflated simply by looking at them.
Radial tires may look properly inflated even when
they are under-inflated. Check the tire’s inflation
pressure when the tires are cold. Cold means your
vehicle has been sitting for at least three hours
or driven no more than 1 mile (1.6 km).
Remove the valve cap from the tire valve stem.
Press the tire gage firmly onto the valve to
get a pressure measurement. If the cold tire
inflation pressure matches the recommended
pressure on the Tire and Loading Information
label, no further adjustment is necessary. If the
inflation pressure is low, add air until you reach the
recommended amount.
If you overfill the tire, release air by pushing on
the metal stem in the center of the tire valve.
Re-check the tire pressure with the tire gage.
Be sure to put the valve caps back on the valve
stems. They help prevent leaks by keeping out dirt
and moisture.
6-73

High-Speed Operation
{WARNING:
Driving at high speeds, 160 km/h (100 mph) or
higher, puts an additional strain on tires. Sustained
high-speed driving causes excessive heat build up
and can cause sudden tire failure. You could have
a crash and you or others could be killed. Some
high-speed rated tires require inflation pressure
adjustment for high speed operation. When speed
limits and road conditions are such that a vehicle
can be driven at high speeds, make sure the tires
are rated for high speed operation, in excellent
condition, and set to the correct cold tire inflation
pressure for the vehicle load.
If you will be driving your vehicle at speeds of 175 mph
(282 km/h) or higher, where it is legal, set the cold
inflation pressure to the maximum inflation pressure
shown on the tire sidewall, or 38 psi (265 kPa),
whichever is lower. See the example following. When
you end this high-speed driving, return the tires to
the cold inflation pressure shown on the Tire and
Loading Information label. See Loading the Vehicle on
page 5-28.
Example:
You will find the maximum load and inflation pressure
molded on the tire’s sidewall, in small letters, near
the rim flange. It will read something like this: Maximum
load 690 kg (1521 lbs) 300 kPa (44 psi) Max. Press.
For this example, you would set the inflation pressure for
high-speed driving at 38 psi (265 kPa).
Racing or other competitive driving may affect the
warranty coverage of your vehicle. See your warranty
booklet for more information.
Tire Pressure Monitor System
The Tire Pressure Monitor System (TPMS) uses radio
and sensor technology to check tire pressure levels.
The TPMS sensors monitor the air pressure in
your vehicle’s tires and transmit tire pressure readings
to a receiver located in the vehicle.
Each tire, including the spare (if provided), should be
checked monthly when cold and inflated to the inflation
pressure recommended by the vehicle manufacturer
on the vehicle placard or tire inflation pressure label.
(If your vehicle has tires of a different size than the size
indicated on the vehicle placard or tire inflation
pressure label, you should determine the proper tire
inflation pressure for those tires.)
6-74

As an added safety feature, your vehicle has been
equipped with a tire pressure monitoring system (TPMS)
that illuminates a low tire pressure telltale when one
or more of your tires is significantly under-inflated.
Accordingly, when the low tire pressure telltale
illuminates, you should stop and check your tires as
soon as possible, and inflate them to the proper
pressure. Driving on a significantly under-inflated tire
causes the tire to overheat and can lead to tire failure.
Under-inflation also reduces fuel efficiency and tire
tread life, and may affect the vehicle’s handling
and stopping ability.
Please note that the TPMS is not a substitute for proper
tire maintenance, and it is the driver’s responsibility to
maintain correct tire pressure, even if under-inflation
has not reached the level to trigger illumination of
the TPMS low tire pressure telltale.
Your vehicle has also been equipped with a TPMS
malfunction indicator to indicate when the system is not
operating properly. The TPMS malfunction indicator
is combined with the low tire pressure telltale. When the
system detects a malfunction, the telltale will flash
for approximately one minute and then remain
continuously illuminated. This sequence will continue
upon subsequent vehicle start-ups as long as the
malfunction exists.
When the malfunction indicator is illuminated, the
system may not be able to detect or signal low tire
pressure as intended. TPMS malfunctions may occur
for a variety of reasons, including the installation
of replacement or alternate tires or wheels on the vehicle
that prevent the TPMS from functioning properly.
Always check the TPMS malfunction telltale after
replacing one or more tires or wheels on your vehicle to
ensure that the replacement or alternate tires and
wheels allow the TPMS to continue to function properly.
See Tire Pressure Monitor Operation on page 6-76
for additional information.
Federal Communications Commission
(FCC) and Industry and Science
Canada
See Radio Frequency Statement on page 8-20 for
information regarding Part 15 of the Federal
Communications Commission (FCC) Rules and
RSS-210/211 of Industry and Science Canada.
6-75

Tire Pressure Monitor Operation
This vehicle may have a Tire Pressure Monitor System
(TPMS). The TPMS is designed to warn the driver
when a low tire pressure condition exists. TPMS sensors
are mounted onto each tire and wheel assembly on
your vehicle. The TPMS sensors monitor the air
pressure in the vehicle’s tires and transmits the tire
pressure readings to a receiver located in the vehicle.
When a low tire pressure
condition is detected, the
TPMS illuminates the
low tire pressure warning
light, located in the
instrument panel cluster.
At the same time a message to check the pressure in a
specific tire appears on the Driver Information Center
(DIC) display. The low tire pressure warning light
and the DIC warning message appear at each ignition
cycle until the tires are inflated to the correct inflation
pressure. Using the DIC, tire pressure levels can
be viewed by the driver. For additional information and
details about the DIC operation and displays see
DIC Operation and Displays on page 4-46 and DIC
Warnings and Messages on page 4-51.
The low tire pressure warning light may come on in cool
weather when the vehicle is first started, and then
turn off as you start to drive. This could be an early
indicator that the air pressure in the tire(s) are getting
low and need to be inflated to the proper pressure.
A Tire and Loading Information label, attached to your
vehicle, shows the size of your vehicle’s original
equipment tires and the correct inflation pressure for
your vehicle’s tires when they are cold. See Loading the
Vehicle on page 5-28, for an example of the Tire and
Loading Information label and its location on your
vehicle. Also see Inflation - Tire Pressure on page 6-72
for additional information.
Your vehicle’s TPMS can warn you about a low tire
pressure condition but it does not replace normal
tire maintenance. See Tire Inspection and Rotation on
page 6-78,When It Is Time for New Tires on page 6-78,
and Tires on page 6-64.
Notice: Liquid tire sealants could damage the Tire
Pressure Monitor System (TPMS) sensors. Sensor
damage caused by using a tire sealant is not
covered by your warranty. Do not use liquid tire
sealants.
6-76

TPMS Malfunction Light and Message
The TPMS will not function properly if one or more of the
TPMS sensors are missing or inoperable. When the
system detects a malfunction, the low tire warning light
flashes for about one minute and then stays on for
the remainder of the ignition cycle. A DIC warning
message is also displayed. The low tire warning light
and DIC warning message come on at each ignition
cycle until the problem is corrected. Some of the
conditions that can cause the malfunction light and
DIC message to come on are:
•The TPMS sensor matching process was not done
or not completed successfully. The DIC message
should go off after successfully completing the
sensor matching process.
•One or more TPMS sensors are missing or
damaged. Under these conditions the TPMS
malfunction light (low tire warning light) comes on,
and at the same time the DIC message is
displayed. The DIC message and TPMS malfunction
light should go off once the TPMS sensors are
installed and the sensor matching process is
performed successfully.
•Replacement tires or wheels do not match your
vehicle’s original equipment tires or wheels.
Tires and wheels other than those recommended
for your vehicle could prevent the TPMS from
functioning properly. See Buying New Tires on
page 6-79.
•Operating electronic devices or being near facilities
using radio wave frequencies similar to the TPMS
could cause the TPMS sensors to malfunction.
If the TPMS is not functioning it cannot detect or
signal a low tire condition. See your dealer/retailer for
service if the TPMS malfunction light and DIC message
comes on and stays on.
6-77

TPMS Sensor Matching Process
Each TPMS sensor has a unique identification code.
Any time you replace one or more of the TPMS sensors
or rotate your vehicle’s tires, the identification codes
will need to be matched to the new tire/wheel position.
The sensors are matched to the tire/wheel positions
in the following order: driver side front tire, passenger
side front tire, passenger side rear tire, and driver
side rear tire using a TPMS diagnostic tool. See your
dealer/retailer for service.
Tire Inspection and Rotation
We recommend that you regularly inspect your
vehicle’s tires for signs of wear or damage
Also check for damaged wheels. See When It Is
Time for New Tires on page 6-78 and Wheel
Replacement on page 6-83.
The tires on your vehicle are different sizes front
to rear. Due to this, the tires should not be rotated.
Each tire and wheel should be used only in the
position it is in.
When It Is Time for New Tires
Various factors, such as maintenance, temperatures,
driving speeds, vehicle loading, and road conditions,
influence when you need new tires.
One way to tell when it is
time for new tires is to
check the treadwear
indicators, which will
appear when your tires
have only 1/16 inch
(1.6 mm) or less of tread
remaining.
You need a new tire if any of the following statements
are true:
•You can see the indicators at three or more places
around the tire.
•You can see cord or fabric showing through the
tire’s rubber.
6-78

•The tread or sidewall is cracked, cut or snagged
deep enough to show cord or fabric.
•The tire has a bump, bulge or split.
•The tire has a puncture, cut or other damage that
cannot be repaired well because of the size or
location of the damage.
The rubber in tires degrades over time, even if they are
not being used. This is also true for the spare tire, if
your vehicle has one. Multiple conditions affect how fast
this aging takes place, including temperatures, loading
conditions, and inflation pressure maintenance. With
proper care and maintenance tires will typically wear out
before they degrade due to age. If you are unsure
about the need to replace your tires as they get older,
consult the tire manufacturer for more information.
Buying New Tires
GM has developed and matched specific tires for your
vehicle. The original equipment tires installed on
your vehicle, when it was new, were designed to meet
General Motors Tire Performance Criteria Specification
(TPC Spec) system rating. If you need replacement
tires, GM strongly recommends that you get tires with
the same TPC Spec rating. This way, your vehicle
will continue to have tires that are designed to give the
same performance and vehicle safety, during normal
use, as the original tires.
GM’s exclusive TPC Spec system considers over a
dozen critical specifications that impact the overall
performance of your vehicle, including brake system
performance, ride and handling, traction control, and tire
pressure monitoring performance. GM’s TPC Spec
number is molded onto the tire’s sidewall near the tire
size. If the tires have an all-season tread design,
the TPC Spec number will be followed by an MS for
mud and snow. See Tire Sidewall Labeling on
page 6-66, for additional information.
6-79

GM recommends replacing tires in sets of four. This is
because uniform tread depth on all tires will help
keep your vehicle performing most like it did when the
tires were new. Replacing less than a full set of tires can
affect the braking and handling performance of your
vehicle. See Tire Inspection and Rotation on page 6-78.
Winter tires with the same speed rating as your
original equipment tires may not be available for H, V,
W, Y and ZR speed rated tires. If you choose snow
tires with a lower speed rating, never exceed the tire’s
maximum speed capability.
{WARNING:
Mixing tires could cause you to lose control while
driving. If you mix tires of different sizes (other
than those originally installed on your vehicle),
brands, or types (radial and bias-belted tires), the
vehicle may not handle properly, and you could
have a crash. Using tires of different sizes
WARNING: (Continued)
WARNING: (Continued)
(other than those originally installed on your
vehicle), brands or types, may also cause damage
to your vehicle. Be sure to use the correct size,
brand, and type tires on all four wheels.
{WARNING:
If you use bias-ply tires on the vehicle, the
wheel rim flanges could develop cracks after
many miles of driving. A tire and/or wheel
could fail suddenly, causing a crash. Use
only radial-ply tires with the wheels on the
vehicle.
If you must replace your vehicle’s tires with those that
do not have a TPC Spec number, make sure they
are the same size, load range, speed rating, and
construction type (radial and bias-belted tires) as your
vehicle’s original tires.
6-80

Vehicles that have a tire pressure monitoring system
could give an inaccurate low-pressure warning if
non-TPC Spec rated tires are installed on it. Non-TPC
Spec rated tires may give a low-pressure warning that is
higher or lower than the proper warning level you
would get with TPC Spec rated tires. See Tire Pressure
Monitor System on page 6-74.
Your vehicle’s original equipment tires are listed on the
Tire and Loading Information label. See Loading the
Vehicle on page 5-28, for more information about the
Tire and Loading Information label and its location
on your vehicle.
Different Size Tires and Wheels
If you add wheels or tires that are a different size than
your original equipment wheels and tires, this may
affect the way your vehicle performs, including its
braking, ride and handling characteristics, stability,
and resistance to rollover. Additionally, if your vehicle
has electronic systems such as, antilock brakes, traction
control, and electronic stability control, the performance
of these systems can be affected.
{WARNING:
If you add different sized wheels, your vehicle may
not provide an acceptable level of performance
and safety if tires not recommended for those
wheels are selected. You may increase the
chance that you will crash and suffer serious
injury. Only use GM specific wheel and tire
systems developed for your vehicle, and have
them properly installed by a GM certified
technician.
See Buying New Tires on page 6-79 and Accessories
and Modifications on page 6-3 for additional information.
6-81

Uniform Tire Quality Grading
Quality grades can be found where applicable
on the tire sidewall between tread shoulder
and maximum section width. For example:
Treadwear 200 Traction AA
Temperature A
The following information relates to the system
developed by the United States National Highway
Traffic Safety Administration (NHTSA), which
grades tires by treadwear, traction, and
temperature performance. This applies only to
vehicles sold in the United States. The grades are
molded on the sidewalls of most passenger car
tires. The Uniform Tire Quality Grading (UTQG)
system does not apply to deep tread, winter-type
snow tires, space-saver, or temporary use
spare tires, tires with nominal rim diameters of
10 to 12 inches (25 to 30 cm), or to some
limited-production tires.
While the tires available on General Motors
passenger cars and light trucks may vary with
respect to these grades, they must also conform
to federal safety requirements and additional
General Motors Tire Performance Criteria (TPC)
standards.
Treadwear
The treadwear grade is a comparative rating
based on the wear rate of the tire when tested
under controlled conditions on a specified
government test course. For example, a tire
graded 150 would wear one and a half (1.5) times
as well on the government course as a tire
graded 100. The relative performance of tires
depends upon the actual conditions of their use,
however, and may depart significantly from the
norm due to variations in driving habits, service
practices, and differences in road characteristics
and climate.
Traction – AA, A, B, C
The traction grades, from highest to lowest,
are AA, A, B, and C. Those grades represent
the tire’s ability to stop on wet pavement as
measured under controlled conditions on specified
government test surfaces of asphalt and
concrete. A tire marked C may have poor traction
performance.
6-82

Temperature – A, B, C
The temperature grades are A (the highest), B,
and C, representing the tire’s resistance to
the generation of heat and its ability to dissipate
heat when tested under controlled conditions on a
specified indoor laboratory test wheel. Sustained
high temperature can cause the material of the tire
to degenerate and reduce tire life, and excessive
temperature can lead to sudden tire failure.
The grade C corresponds to a level of performance
which all passenger car tires must meet under
the Federal Motor Vehicle Safety Standard
No. 109. Grades B and A represent higher levels
of performance on the laboratory test wheel
than the minimum required by law. It should be
noted that the temperature grade for this tire
is established for a tire that is properly inflated and
not overloaded. Excessive speed, underinflation,
or excessive loading, either separately or in
combination, can cause heat buildup and possible
tire failure.
Wheel Alignment and Tire Balance
The tires and wheels on your vehicle were aligned
and balanced carefully at the factory to give you
the longest tire life and best overall performance.
Adjustments to wheel alignment and tire balancing will
not be necessary on a regular basis. However, if you
notice unusual tire wear or your vehicle pulling to
one side or the other, the alignment might need to be
checked. If you notice your vehicle vibrating when
driving on a smooth road, the tires and wheels might
need to be rebalanced. See your dealer/retailer for
proper diagnosis.
Wheel Replacement
Replace any wheel that is bent, cracked, or badly
rusted or corroded. If wheel nuts keep coming loose,
the wheel, wheel bolts, and wheel nuts should be
replaced. If the wheel leaks air, replace it (except some
aluminum wheels, which can sometimes be repaired).
See your dealer/retailer if any of these conditions exist.
Your dealer/retailer will know the kind of wheel you need.
Each new wheel should have the same load-carrying
capacity, diameter, width, offset, and be mounted
the same way as the one it replaces.
6-83

If you need to replace any of your wheels, wheel bolts
or wheel nuts, replace them only with new GM original
equipment parts. This way, you will be sure to have
the right wheel, wheel bolts, and wheel nuts for
your vehicle.
{WARNING:
Using the wrong replacement wheels, wheel bolts,
or wheel nuts on your vehicle can be dangerous.
It could affect the braking and handling of your
vehicle, make your tires lose air and make you lose
control. You could have a collision in which you or
others could be injured. Always use the correct
wheel, wheel bolts, and wheel nuts for replacement.
{WARNING:
Putting a used wheel on the vehicle is dangerous.
You cannot know how it has been used or how far it
has been driven. It could fail suddenly and cause a
crash. If you have to replace a wheel, use a new
GM original equipment wheel.
Notice: The wrong wheel can also cause problems
with bearing life, brake cooling, speedometer or
odometer calibration, headlamp aim, bumper height,
vehicle ground clearance, and tire clearance to
the body and chassis.
{WARNING:
Rust or dirt on a wheel, or on the parts to
which it is fastened, can make wheel nuts
become loose after a time. The wheel could
come off and cause a crash. When you
change a wheel, remove any rust or dirt from
places where the wheel attaches to the
vehicle. In an emergency, you can use a
cloth or a paper towel to do this; but be sure
to use a scraper or wire brush later, if you
need to, to get all the rust or dirt off.
6-84

Tightening Wheel Lug Nuts
{WARNING:
Never use oil or grease on studs or the threads of
the wheel nuts. If you do, the wheel nuts might
come loose and the wheel could fall off, causing
a crash.
{WARNING:
Incorrect wheel nuts or improperly tightened wheel
nuts can cause the wheel to become loose and
even come off. This could lead to a crash. Be sure
to use the correct wheel nuts. If you have to
replace them, be sure to get new GM original
equipment wheel nuts.
Notice: Improperly tightened wheel nuts can lead
to brake pulsation and rotor damage. To avoid
expensive brake repairs, evenly tighten the wheel
nuts in the proper sequence and to the proper
torque specification.
Tighten the wheel lug nuts
firmly in a crisscross
sequence as shown.
6-85

Tire Chains
{WARNING:
Do not use tire chains. There is not enough
clearance. Tire chains used on a vehicle without
the proper amount of clearance can cause
damage to the brakes, suspension, or other
vehicle parts. The area damaged by the tire
chains could cause you to lose control of the
vehicle and you or others may be injured in a
crash. Use another type of traction device only if
its manufacturer recommends it for use on the
vehicle and tire size combination and road
conditions. Follow that manufacturer’s instructions.
To help avoid damage to the vehicle, drive slowly,
re-adjust or remove the device if it is contacting
the vehicle, and do not spin the wheels. If you do
find traction devices that will fit, install them on the
rear tires.
Lifting the Vehicle
{WARNING:
Lifting a vehicle can cause an injury. The vehicle
can slip off the jack and roll over you or other
people. You and they could be badly injured.
Find a level place to lift your vehicle. To help
prevent the vehicle from moving:
1. Set the parking brake firmly.
2. Put an automatic transmission shift lever in
P (Park), or shift a manual transmission
to 1 (First) or R (Reverse).
3. Turn off the engine.
To be even more certain the vehicle won’t move,
you can put blocks in front of and behind the
wheels.
6-86

{WARNING:
Getting under a vehicle when it is jacked up is
dangerous. If the vehicle slips off the jack, you
could be badly injured or killed. Never get under a
vehicle when it is supported only by a jack.
{WARNING:
Raising the vehicle with the jack improperly
positioned can damage the vehicle or the vehicle
may fall and cause your or others injury.
If you ever use a jack to lift your vehicle, follow the
instructions that came with the jack, and be sure to use
the correct lifting points to avoid damaging your vehicle.
Notice: Lifting your vehicle improperly can
damage your vehicle and result in costly repairs
not covered by your warranty. To lift your vehicle
properly, follow the advice in this part.
To help prevent vehicle damage:
•Be sure to place a block or pad between the
jack and the vehicle.
•Make sure the jack you are using spans at least
two crossmember ribs.
•Lift only in the areas shown in the following
pictures.
For additional information, see your dealer/retailer
and the Chevrolet Corvette service manual.
6-87

Lifting From the Front
The front lifting points can be accessed from either side
of your vehicle, behind the front tires.
1. Locate the front lifting points (A), according to the
illustration shown.
2. Be sure to place a block or pad between the jack
and the vehicle.
6-88

3. Lift the vehicle with the jack, making sure the jack
spans at least two of the crossmember ribs (B).
Lifting From the Rear
The rear lifting points can be accessed from the rear of
the vehicle, on either the driver’s or passenger’s side.
6-89

1. Locate the rear lifting points (A), according to the
illustration shown.
2. Be sure to place a block or pad between the jack
and the vehicle.
3. Lift the vehicle with the jack, making sure the jack
spans at least two of the crossmember ribs (B).
For more information, see Doing Your Own Service
Work on page 6-4.
6-90

If a Tire Goes Flat
It is unusual for a tire to blow out while you are driving,
especially if you maintain the tires properly. If air
goes out of a tire, it is much more likely to leak out
slowly. See Tires on page 6-64 for additional
information. But if you should ever have a blowout, here
are a few tips about what to expect and what to do:
If a front tire fails, the flat tire creates a drag that pulls
the vehicle toward that side. Take your foot off the
accelerator pedal and grip the steering wheel firmly.
Steer to maintain lane position, and then gently brake to
a stop well out of the traffic lane.
A rear blowout, particularly on a curve, acts much like a
skid and may require the same correction you would
use in a skid. In any rear blowout remove your foot from
the accelerator pedal. Get the vehicle under control
by steering the way you want the vehicle to go. It may
be very bumpy and noisy, but you can still steer.
Gently brake to a stop, well off the road if possible.
The vehicle has no spare tire, no tire changing
equipment, and no place to store a tire.
The vehicle, when new, had run-flat tires. This type of
tire can operate effectively with no air pressure, so
you will not need to stop on the side of the road
to change a flat tire. You can just keep on driving.
The shorter the distance you drive and the slower the
speed, the greater the chance that the run-flat tire
will not have to be replaced. Run-flat tires perform so
well without any air that a Tire Pressure Monitor System
(TPMS) is used to alert you if a tire has lost pressure.
See Run-Flat Tires on page 6-71 and Tire Pressure
Monitor System on page 6-74.
{WARNING:
Special tools and procedures are required to
service a run-flat tire. If these special tools and
procedures are not used you or others could
be injured and the vehicle could be damaged.
Always be sure the proper tools and procedures,
as described in the service manual, are used.
To order a service manual, see Service Publications
Ordering Information on page 8-17.
6-91

Appearance Care
Interior Cleaning
The vehicle’s interior will continue to look its best if it is
cleaned often. Although not always visible, dust and
dirt can accumulate on the upholstery. Dirt can damage
carpet, fabric, leather, and plastic surfaces. Regular
vacuuming is recommended to remove particles from the
upholstery. It is important to keep the upholstery from
becoming and remaining heavily soiled. Soils should be
removed as quickly as possible. The vehicle’s interior
may experience extremes of heat that could cause
stains to set rapidly.
Lighter colored interiors may require more frequent
cleaning. Use care because newspapers and garments
that transfer color to home furnishings may also
transfer color to the vehicle’s interior.
When cleaning the vehicle’s interior, only use cleaners
specifically designed for the surfaces being cleaned.
Permanent damage may result from using cleaners on
surfaces for which they were not intended. Use glass
cleaner only on glass. Remove any accidental
over-spray from other surfaces immediately. To prevent
over-spray, apply cleaner directly to the cleaning cloth.
Notice: Using abrasive cleaners when cleaning
glass surfaces on the vehicle, could scratch
the glass and/or cause damage to the rear window
defogger. When cleaning the glass on the vehicle,
use only a soft cloth and glass cleaner.
Many cleaners contain solvents that may become
concentrated in the vehicle’s breathing space. Before
using cleaners, read and adhere to all safety instructions
on the label. While cleaning the vehicle’s interior,
maintain adequate ventilation by opening the vehicle’s
doors and windows.
Dust may be removed from small buttons and knobs
using a small brush with soft bristles.
Products that remove odors from the vehicle’s
upholstery and clean the vehicle’s glass can be obtained
from your dealer/retailer.
Do not clean the vehicle using:
•A knife or any other sharp object to remove a soil
from any interior surface.
•A stiff brush. It can cause damage to the vehicle’s
interior surfaces.
•Heavy pressure or aggressive rubbing with a
cleaning cloth. Use of heavy pressure can damage
the interior and does not improve the effectiveness
of soil removal.
6-92

•Laundry detergents or dishwashing soaps with
degreasers can leave residue that streaks and
attracts dirt. For liquid cleaners, about 20 drops per
gallon (3.78 L) of water is a good guide. Use only
mild, neutral-pH soaps.
•Too much cleaner that saturates the upholstery.
•Organic solvents such as naptha, alcohol, etc. that
can damage the vehicle’s interior.
Fabric/Carpet
Use a vacuum cleaner with a soft brush attachment
frequently to remove dust and loose dirt. A canister
vacuum with a beater bar in the nozzle may only
be used on floor carpet and carpeted floor mats.
For any soil, always try to remove it first with plain water
or club soda. Before cleaning, gently remove as much
of the soil as possible using one of the following
techniques:
•For liquids: gently blot the remaining soil with a
paper towel. Allow the soil to absorb into the
paper towel until no more can be removed.
•For solid dry soils: remove as much as possible
and then vacuum.
To clean:
1. Saturate a lint-free, clean white cloth with water or
club soda.
2. Wring the cloth to remove excess moisture.
3. Start on the outside edge of the soil and gently rub
toward the center. Continue cleaning, using a clean
area of the cloth each time it becomes soiled.
4. Continue to gently rub the soiled area until the
cleaning cloth remains clean.
5. If the soil is not completely removed, use a mild
soap solution and repeat the cleaning process
that was used with plain water.
If any of the soil remains, a commercial fabric cleaner or
spot lifter may be necessary. When a commercial
upholstery cleaner or spot lifter is to be used, test a
small hidden area for colorfastness first. If the locally
cleaned area gives any impression that a ring formation
may result, clean the entire surface.
After the cleaning process has been completed, a paper
towel can be used to blot excess moisture from the
fabric or carpet.
6-93

Coated Moldings
These moldings are around the hatch opening in the
rear area.
•When lightly soiled, wipe with a sponge or soft
lint-free cloth dampened with water.
•When heavily soiled, use warm soapy water.
Leather
A soft cloth dampened with water can be used to
remove dust. If a more thorough cleaning is necessary,
a soft cloth dampened with a mild soap solution can
be used. Allow the leather to dry naturally. Do not use
heat to dry. Never use steam to clean leather. Never
use spot lifters or spot removers on leather. Many
commercial leather cleaners and coatings that are sold
to preserve and protect leather may permanently
change the appearance and feel of the leather and are
not recommended. Do not use silicone or wax-based
products, or those containing organic solvents to clean
the vehicle’s interior because they can alter the
appearance by increasing the gloss in a non-uniform
manner. Never use shoe polish on leather.
Instrument Panel, Vinyl, and Other
Plastic Surfaces
A soft cloth dampened with water may be used to
remove dust. If a more thorough cleaning is necessary,
a clean soft cloth dampened with a mild soap solution
can be used to gently remove dust and dirt. Never use
spot lifters or removers on plastic surfaces. Many
commercial cleaners and coatings that are sold to
preserve and protect soft plastic surfaces may
permanently change the appearance and feel of the
interior and are not recommended. Do not use silicone
or wax-based products, or those containing organic
solvents to clean the vehicle’s interior because they can
alter the appearance by increasing the gloss in a
non-uniform manner.
Some commercial products may increase gloss on the
instrument panel. The increase in gloss may cause
annoying reflections in the windshield and even make it
difficult to see through the windshield under certain
conditions.
Cargo Cover and Convenience Net
Wash with warm water and mild detergent, rinse
with cold water and tumble dry on low. Do not use
chlorine bleach.
6-94

Care of Safety Belts
Keep belts clean and dry.
{WARNING:
Do not bleach or dye safety belts. It may severely
weaken them. In a crash, they might not be able
to provide adequate protection. Clean safety belts
only with mild soap and lukewarm water.
Weatherstrips
Silicone grease on weatherstrips will make them last
longer, seal better, and not stick or squeak. Apply
silicone grease with a clean cloth. During very cold,
damp weather frequent application may be required.
See Recommended Fluids and Lubricants on page 7-9.
Washing Your Vehicle
The best way to preserve your vehicle’s finish is to keep
it clean by washing it often.
Notice: Certain cleaners contain chemicals that can
damage the emblems or nameplates on the vehicle.
Check the cleaning product label. If it states that
it should not be used on plastic parts, do not use it
on the vehicle or damage may occur and it would
not be covered by the warranty.
Do not wash the vehicle in direct sunlight. Use a car
washing soap. Do not use cleaning agents that
are petroleum based or that contain acid or abrasives,
as they can damage the paint, metal or plastic on
your vehicle. Approved cleaning products can be
obtained from your dealer/retailer. Follow all
manufacturers’ directions regarding correct product
usage, necessary safety precautions and appropriate
disposal of any vehicle care product.
Rinse the vehicle well, before washing and after to
remove all cleaning agents completely. If they are
allowed to dry on the surface, they could stain.
6-95

Dry the finish with a soft, clean chamois or an all-cotton
towel to avoid surface scratches and water spotting.
Notice: If you drive the vehicle through an
automatic car wash that does not have enough
clearance for the wide rear tires and wheels, you
could damage the vehicle. Verify with the manager
of the car wash that the vehicle will fit before
entering the car wash or use a touchless car wash.
High pressure car washes may cause water to enter
the vehicle. Avoid using high pressure washes
closer than 12 inches (30 cm) to the surface of the
vehicle. Use of power washers exceeding 1,200 psi
(8 274 kPa) can result in damage or removal of
paint and decals.
Cleaning Exterior Lamps/Lenses
Use only lukewarm or cold water, a soft cloth and a
car washing soap to clean exterior lamps and lenses.
Follow instructions under Washing Your Vehicle on
page 6-95.
Finish Care
Occasional waxing or mild polishing of the vehicle by
hand may be necessary to remove residue from
the paint finish. Approved cleaning products can be
obtained from your dealer/retailer.
If the vehicle has a basecoat/clearcoat paint finish, the
clearcoat gives more depth and gloss to the colored
basecoat. Always use waxes and polishes that are
non-abrasive and made for a basecoat/clearcoat paint
finish.
Notice: Machine compounding or aggressive
polishing on a basecoat/clearcoat paint finish may
damage it. Use only non-abrasive waxes and
polishes that are made for a basecoat/clearcoat
paint finish on the vehicle.
Foreign materials such as calcium chloride and other
salts, ice melting agents, road oil and tar, tree sap, bird
droppings, chemicals from industrial chimneys, etc.,
can damage the vehicle’s finish if they remain on painted
surfaces. Wash the vehicle as soon as possible.
If necessary, use non-abrasive cleaners that are marked
safe for painted surfaces to remove foreign matter.
Exterior painted surfaces are subject to aging, weather
and chemical fallout that can take their toll over a
period of years. To help keep the paint finish looking
new, keep the vehicle garaged or covered whenever
possible.
6-96

Protecting Exterior Bright Metal Parts
Bright metal parts should be cleaned regularly to keep
their luster. Washing with water is all that is usually
needed. However, chrome polish may be used on
chrome or stainless steel trim, if necessary.
Use special care with aluminum trim. To avoid damaging
protective trim, never use auto or chrome polish,
steam or caustic soap to clean aluminum. A coating of
wax, rubbed to high polish, is recommended for all
bright metal parts.
ZR1 Carbon Fiber Panels
Carbon fiber panels can be washed and waxed like any
other panels.
Use a clear or black pigmented wax on the inner hood
carbon fiber panel.
ZR1 Hood Window
The hood window on the ZR1 can be cleaned in the
same manner as the headlamp lenses. See Cleaning
Exterior Lamps/Lenses on page 6-96 for more
information.
Windshield and Wiper Blades
Clean the outside of the windshield with glass cleaner.
Clean the rubber blades using a lint free cloth or
paper towel soaked with windshield washer fluid or a
mild detergent. Wash the windshield thoroughly
when cleaning the blades. Bugs, road grime, sap, and a
buildup of vehicle wash/wax treatments may cause
wiper streaking. Replace the wiper blades if they are
worn or damaged.
Wipers can be damaged by:
•Extreme dusty conditions
•Sand and salt
•Heat and sun
•Snow and ice, without proper removal
6-97

Removable Roof Panel
Notice: If you use a glass treatment and/or
conditioner that contains ethyl alcohol or ethyl
sulfate on the roof panel, you could damage
the panel. The repairs would not be covered by your
warranty. Only use a GM-approved glass cleaner
on the roof panel.
Special care is necessary when cleaning, removing,
and/or storing the roof panel.
•Flush with water to remove dust and dirt, then dry
the panel.
•Clean a transparent roof panel with GM Glass
Cleaner. Leave the cleaner on the panel for
one minute, then wipe the panel with a soft, lint-free
cloth. Do not use glass cleaner on a painted roof
panel.
•Do not use abrasive cleaning materials on either
type of panel.
If water drops are frequently allowed to dry on the roof
panel, impurities in the water will adhere to the top.
These impurities may etch or mar the finish. When the
panel gets wet, dry it off.
Convertible Top
The vehicle’s convertible top should be cleaned often.
However, high pressure car washes may cause water to
enter your vehicle.
When you hand wash the top, do it in partial shade.
Use a mild soap, lukewarm water and a soft sponge.
A chamois or cloth may leave lint on the top, and
a brush can chafe the threads in the top fabric.
Do not use detergents, harsh cleaners, solvents or
bleaching agents.
Wet the entire vehicle and wash the top evenly to avoid
spots or rings. Let the soap remain on the fabric for
a few minutes. When the top is really dirty, use a
mild foam-type cleaner. Thoroughly rinse the entire
vehicle, then let the top dry in direct sunlight.
To protect the convertible top:
•After you wash the vehicle, make sure the top is
completely dry before you lower it.
•Do not get any cleaner on the vehicle’s painted
finish; it could leave streaks.
•If you decide to go through an automatic car wash,
ask the manager if the equipment could damage
your top.
6-98

Aluminum or Chrome-Plated
Wheels and Trim
The vehicle may have either aluminum or chrome-plated
wheels.
Keep the wheels clean using a soft clean cloth with mild
soap and water. Rinse with clean water. After rinsing
thoroughly, dry with a soft clean towel. A wax may then
be applied.
Notice: Chrome wheels and other chrome trim may
be damaged if the vehicle is not washed after driving
on roads that have been sprayed with magnesium,
calcium or sodium chloride. These chlorides are
used on roads for conditions such as ice and dust.
Always wash the vehicle’s chrome with soap and
water after exposure.
Notice: Using strong soaps, chemicals, abrasive
polishes, cleaners, brushes, or cleaners that contain
acid on aluminum or chrome-plated wheels, could
damage the surface of the wheel(s). The repairs
would not be covered by the vehicle warranty.
Use only approved cleaners on aluminum or
chrome-plated wheels.
The surface of these wheels is similar to the painted
surface of the vehicle. Do not use strong soaps,
chemicals, abrasive polishes, abrasive cleaners,
cleaners with acid, or abrasive cleaning brushes on
them because they could damage the surface. Do not
use chrome polish on aluminum wheels.
Notice: Using chrome polish on aluminum wheels
could damage the wheels. The repairs would not
be covered by the vehicle warranty. Use chrome
polish on chrome wheels only.
Use chrome polish only on chrome-plated wheels, but
avoid any painted surface of the wheel, and buff off
immediately after application.
Notice: Driving the vehicle through an automatic
car wash that has silicone carbide tire cleaning
brushes, could damage the aluminum or
chrome-plated wheels. The repairs would not be
covered by the vehicle warranty. Never drive
a vehicle that has aluminum or chrome-plated
wheels through an automatic car wash that uses
silicone carbide tire cleaning brushes.
Tires
To clean the tires, use a stiff brush with tire cleaner.
Notice: Using petroleum-based tire dressing
products on the vehicle may damage the paint finish
and/or tires. When applying a tire dressing, always
wipe off any overspray from all painted surfaces
on the vehicle.
6-99

Finish Damage
Any stone chips, fractures or deep scratches in the
finish should be repaired right away. Bare metal
will corrode quickly and may develop into major
repair expense.
Minor chips and scratches can be repaired with
touch-up materials available from your dealer/retailer.
Larger areas of finish damage can be corrected in your
dealer’s/retailer’s body and paint shop.
Underbody Maintenance
Chemicals used for ice and snow removal and dust
control can collect on the underbody. If these are not
removed, corrosion and rust can develop on the
underbody parts such as fuel lines, frame, floor pan,
and exhaust system even though they have corrosion
protection.
At least every spring, flush these materials from the
underbody with plain water. Clean any areas where mud
and debris can collect. Dirt packed in close areas of
the frame should be loosened before being flushed.
Your dealer/retailer or an underbody car washing system
can do this.
Fiberglass Springs
(Composite Springs)
Notice: If you use acidic or corrosive cleaning
products, engine degreasers or aluminum cleaning
agents on fiberglass springs, you may damage
the springs. The repairs would not be covered by
your warranty. Use only approved cleaners
when cleaning your vehicle’s fiberglass springs.
Chemical Paint Spotting
Some weather and atmospheric conditions can create a
chemical fallout. Airborne pollutants can fall upon and
attack painted surfaces on the vehicle. This damage can
take two forms: blotchy, ring-shaped discolorations,
and small, irregular dark spots etched into the
paint surface.
Although no defect in the paint job causes this, we will
repair, at no charge to the owner, the surfaces of
new vehicles damaged by this fallout condition within
12 months or 12,000 miles (20 000 km) of purchase,
whichever occurs first.
6-100

Vehicle Identification
Vehicle Identification Number (VIN)
This legal identifier is in the front corner of the
instrument panel, on the driver side. It can be seen
through the windshield from outside. The VIN also
appears on the Vehicle Certification and Service Parts
labels and certificates of title and registration.
Engine Identification
The eighth character in the VIN is the engine code.
This code identifies the vehicle’s engine, specifications,
and replacement parts. See “Engine Specifications”
under Capacities and Specifications on page 6-112 for
the vehicle’s engine code.
Service Parts Identification Label
This label, on the inside of the glove box, has the
following information:
•Vehicle Identification Number (VIN)
•Model designation
•Paint information
•Production options and special equipment
Do not remove this label from the vehicle.
6-101

Electrical System
Add-On Electrical Equipment
Notice: Do not add anything electrical to the
vehicle unless you check with your dealer/retailer
first. Some electrical equipment can damage
the vehicle and the damage would not be covered
by the vehicle’s warranty. Some add-on electrical
equipment can keep other components from
working as they should.
Add-on equipment can drain the vehicle battery, even if
the vehicle is not operating.
The vehicle has an airbag system. Before attempting to
add anything electrical to the vehicle, see Servicing
Your Airbag-Equipped Vehicle on page 2-58 and Adding
Equipment to Your Airbag-Equipped Vehicle on
page 2-58.
Headlamp Wiring
The headlamp wiring is protected by fuses in the fuse
block. An electrical overload will cause the lamps to turn
off. If this happens, have the headlamp wiring checked
right away.
Windshield Wiper Fuses
The windshield wiper motor is protected by a circuit
breaker and a fuse. If the motor overheats due to heavy
snow, etc., the wiper will stop until the motor cools.
If the overload is caused by some electrical problem,
have it fixed.
Power Windows and Other Power
Options
Circuit breakers protect the power seats, power
windows, and other power accessories. When the
current load is too heavy, the circuit breaker opens and
closes, protecting the circuit until the problem is fixed
or goes away.
6-102

Fuses and Circuit Breakers
The wiring circuits in the vehicle are protected from
short circuits by a combination of J-Case fuses,
mini-fuses and circuit breakers. This greatly reduces the
chance of fires caused by electrical problems.
Look at the silver-colored band inside the fuse. If the
band is broken or melted, replace the fuse. Be sure you
replace a bad fuse with a new one of the identical
size and rating.
If you ever have a problem on the road and do not have
a spare fuse, you can borrow one that has the same
amperage. Just pick some feature of the vehicle that you
can get along without – like the radio or cigarette
lighter – and use its fuse, if it is the correct amperage.
Replace it as soon as you can.
Vehicles with the ZR–1 package have an intercooler
relay located on the fan shroud. See your dealer/retailer.
Vehicles with the ZR–1 package also have a fuel
system mini-fuse. It is located near the battery in the
battery storage compartment in the rear of the vehicle.
Instrument Panel Fuse Block
The instrument panel fuse block is located on the
passenger side of the vehicle, under the instrument
panel and under the toe-board.
Remove the carpet and toe-board covering to access
the fuse block by pulling at the top of each corner of the
panel. Open the fuse block cover to access the fuses.
You can remove fuses using the fuse puller.
6-103

6-104

Fuses Usage
BCK/UP LAMP Reverse Lamps
BLANK Not Used
BLANK Not Used
BTSI SOL/STR
WHL LCK Brake Transmission Shift Interlock,
Steering Wheel Column Lock
CLSTR/HUD Cluster, Heads-Up Display
CRUISE
SWITCH Cruise Control Switch
CTSY/LAMP Courtesy Lamp
DR LCK Door Locks
DRIV DR
SWITCH Driver Door Switch
ECM Engine Control Module (ECM)
EXH MDL Exhaust Module (Z06 & ZR1),
Spare (Coupe and Convertible)
Fuses Usage
GM LAN
RUN/CRNK GM LAN Devices
HTD SEAT/
WPR RLY Heated Seat, Wiper Relays
HVAC/PWR
SND Heating. Ventilation/Air Conditioning,
Power Sounder
IGN SWTCH/
INTR SNSR Ignition Switch, Intrusion Sensor
ISRVM/HVAC Electric Inside Rearview Mirror,
Heating, Ventilation, Air Conditioning
ONSTAR OnStar
®
RDO/S-BAND Radio, S-Band
REAR FOG/
ALDL/TOP
SWTCH
Rear Fog Lamp, Assembly Line
Diagnostic Link Connector,
Convertible Top Switch
REVERSE
LAMPS Reverse Lamps
6-105

Fuses Usage
RUN CRNK Run/Crank Relay
SDM/AOS
SWTCH
AIRBAG
Sensing and Diagnostic Module,
Automatic Occupant Sensing
Module, Airbag
SPARE Spare
SPARE Spare
SPARE Spare
SPARE Spare
STOP LAMP Stop Lamp
SWC DM Steering Wheel Dimming
TELE
SWTCH/MSM Telescope Switch, Memory Seat
Module
TONNEAU
RELSE Tonneau Release
TPA Tonneau Pulldown Actuator
Fuses Usage
BLANK Blank
BLANK Blank
FUEL DR
RELSE Fuel Door Release
REAR/FOG Rear Fog Lamps
TONNEAU
RELSE Tonneau Release
TRUNK RELSE Trunk Release
Fuses Usage
AUX PWR Auxiliary Power
BLANK Not Used
BLANK Not Used
BLANK Not Used
6-106

Fuses Usage
BLANK Not Used
BLANK Not Used
BLANK Not Used
BLANK Not Used
DRVR HTD
SEAT Driver Heated Seat
LTR Cigarette Lighter
PASS HTD
SEAT Passenger Heated Seat
PWR SEATS
MSM Power Seats, Memory Seat Module
PWR/ WNDWS/
TRUNK/FUEL
RELSE
Power Windows, Trunk, Fuel Door
Release
Fuses Usage
TRUNK RELSE Trunk Release
WPR DWELL Wiper Dwell
WPR/WSW Windshield Wiper/Washer
Engine Compartment Fuse Block
There is one fuse block in the engine compartment
located on the passenger side of the vehicle. See
Engine Compartment Overview on page 6-14 for more
information on location.
Notice: Spilling liquid on any electrical components
on the vehicle may damage it. Always keep the
covers on any electrical component.
6-107

6-108

For ZR1 models, the Fuel System fuse is located at
the battery.
Fuse Usage
1Transmission Control
Module/Transmission
2 Horn, Alternator Sense
3Antilock Braking System (ABS)/Real
Time Damping
4 Wiper
5 Stoplamps/Back-Up Lamps
6 Oxygen Sensor
7 Battery Main 5
8 Parking Lamps
9Powertrain Relay Input/Electronic
Throttle Control
10 Manual Transmission Solenoids
Fuse Usage
11 Antilock Braking System
12 Odd Numbered Fuel Injectors
13 Electronic Suspension Control
(Option)
14 Canister Purge Solenoid, Mass Air
Flow Sensor
15 Air Conditioner Compressor
16 Even Numbered Fuel Injectors
17 Windshield Washer
18 Headlamp Washer
19 Passenger Side Low-Beam
Headlamp
20 Fuel Pump (except ZR1)
21 Driver Side Low-Beam Headlamp
22 Front Fog Lamp
6-109

Fuse Usage
23 Passenger Side High-Beam
Headlamp
24 Driver Side High-Beam Headlamp
56 Engine Control Module (ECM)/
Transmission Control
Module (TCM)/Easy Key Module
J-Style Fuses Usage
25 Cooling Fan
26 Battery Main 3
27 Antilock Brake System
28 Heating/Ventilation/Air Conditioning
Blower
29 Battery Main 2
30 Starter
J-Style Fuses Usage
31 Audio Amplifier
32 Intercooler Pump
33 Battery Main 1
Micro-Relays Usage
34 Horn
35 Air Conditioning Compressor
36 Windshield Washer
37 Parking Lamps, Foglamps
38 Front Fog Lamp
39 High-Beam Headlamp
46 Headlamp Washer
55 Fuel Pump (except ZR1)
6-110

Mini-Relays Usage
40 Rear Defog
41 Windshield Wiper High/Low
42 Windshield Wiper Run/Accessory
43 Crank
44 Powertrain Ignition 1
45 Windshield Wiper On/Off
47 Low-Beam Headlamp
Spare Fuses Usage
48 Spare
49 Spare
50 Spare
Spare Fuses Usage
51 Spare
52 Spare
53 Spare
54 Fuse Puller
Diodes Usage
§Diode 1
§Wiper
§Diode 2
6-111

Capacities and Specifications
The following approximate capacities are given in English and metric conversions.
See Recommended Fluids and Lubricants on page 7-9 for more information.
Application Capacities
Metric English
Air Conditioning Refrigerant R134a
For the air conditioning system refrigerant charge
amount, see the refrigerant caution label located
under the hood. See your dealer/retailer for more
information.
Cooling System
6.2L LS3 V8 Engine 11.3 L 11.9 qt
6.2L LS9 V8 Supercharged Engine – Cooling System 12.0 L 12.7 qt
6.2L LS9 V8 Supercharged Engine – Supercharger
Intercooler Cooling System 4.9 L 5.2 qt
7.0L LS7 V8 Engine 11.3 L 11.9 qt
Engine Oil with Filter
6.2L LS3 V8 5.7 L 6.0 qt
6.2L LS3 V8 with Z52 Dry Sump Oil System 9.9 L 10.5 qt
6.2L LS9 V8 Supercharged Engine 9.9 L 10.5 qt
7.0L LS7 V8 Engine 9.9 L 10.5 qt
6-112

Application Capacities
Metric English
Fuel Tank 68.0 L 18.0 gal
Transmission Fluid
Automatic Transmission (Pan Removal and Filter
Replacement) 6.2 L 6.5 qt
Manual Transmission – Base 3.5 L 3.6 qt
Manual Transmission – Z16 4.0 L 4.2 qt
Manual Transmission – Z06 4.3 L 4.5 qt
Manual Transmission – ZR1 4.3 L 4.5 qt
Wheel Nut Torque 140 Y100 lb ft
All capacities are approximate. When adding, be sure to fill to the approximate level, as recommended in this
manual. Recheck fluid level after filling
6-113

Engine Specifications
Engine VIN Code Transmission Spark Plug Gap Firing Order
6.2L LS3 V8 W Automatic
Manual 1.016 mm (0.040 in) 1–8–7–2–6–5–4–3
6.2L LS9 V8 T Manual 1.016 mm (0.040 in) 1–8–7–2–6–5–4–3
7.0L LS7 V8 E Manual 1.016 mm (0.040 in) 1–8–7–2–6–5–4–3
Engine Data
Engine Horsepower Torque Displacement Compression Ratio
6.2L LS3 V8 without
option NPP 430 @ 5900 rpm 424 lb ft @ 4600 rpm 6.2L 10.69:1
6.2L LS3 V8 with
option NPP 436 @ 5900 rpm 428 lb ft @ 4600 rpm 6.2L 10.69:1
6.2L LS9 V8
Supercharged 638 @ 6500 rpm 604 lb ft @ 3800 rpm 6.2L 9.10:1
7.0L LS7 V8 505 @ 6300 rpm 470 lb ft @ 4800 rpm 7.0L 11.00:1
6-114

Maintenance Schedule ......................................7-2
Introduction ...................................................7-2
Scheduled Maintenance ...................................7-3
Owner Checks and Services ............................7-8
Recommended Fluids and Lubricants ................7-9
Maintenance Replacement Parts .....................7-11
Engine Drive Belt Routing ..............................7-12
Maintenance Record .....................................7-13
Section 7 Maintenance Schedule
7-1

Maintenance Schedule
Introduction
Notice: Maintenance intervals, checks, inspections,
recommended fluids, and lubricants are necessary
to keep this vehicle in good working condition.
Damage caused by failure to follow scheduled
maintenance might not be covered by the vehicle
warranty.
Proper vehicle maintenance helps to keep the vehicle in
good working condition, improves fuel economy, and
reduces vehicle emissions for better air quality.
Because of all the different ways people use vehicles,
maintenance needs vary. The vehicle might need
more frequent checks and services. Please read the
information under Scheduled Maintenance. To keep the
vehicle in good condition, see your dealer/retailer.
The maintenance schedule is for vehicles that:
•carry passengers and cargo within recommended
limits on the Tire and Loading Information label.
See Loading the Vehicle on page 5-28.
•are driven on reasonable road surfaces within legal
driving limits.
•use the recommended fuel. See Gasoline Octane
on page 6-6.
{WARNING:
Performing maintenance work on a vehicle can be
dangerous. In trying to do some jobs, you can be
seriously injured. Do your own maintenance work
only if you have the required know-how and the
proper tools and equipment for the job. If you have
any doubt, see your dealer/retailer to have a
qualified technician do the work. See Doing Your
Own Service Work on page 6-4.
At your General Motors dealer/retailer, you can be
certain that you will receive the highest level of service
available. Your dealer /retailer has specially trained
service technicians, uses genuine GM replacement
parts, as well as, up to date tools and equipment
to ensure fast and accurate diagnostics.
The proper replacement parts, fluids, and lubricants to
use are listed in Recommended Fluids and Lubricants
on page 7-9 and Maintenance Replacement Parts
on page 7-11. We recommend the use of genuine parts
from your dealer/retailer.
7-2

Scheduled Maintenance
When the Change Engine Oil Message
Displays
Change engine oil and filter. See Engine Oil on
page 6-20.An Emission Control Service.
When the Change Engine Oil message displays, service
is required for the vehicle as soon as possible, within the
next 1 000 km/600 miles. If driving under the best
conditions, the engine oil life system might not indicate
the need for vehicle service for more than a year. The
engine oil and filter must be changed at least once a year
and the oil life system must be reset. Your dealer/retailer
has trained service technicians who will perform this work
and reset the system. If the engine oil life system is
reset accidentally, service the vehicle within 5 000 km/
3,000 miles since the last service. Reset the oil life
system whenever the oil is changed. See Engine Oil Life
System on page 6-27.
When the Change Engine Oil message displays,
certain services, checks, and inspections are required.
The services described for Maintenance Ishould be
performed at every engine oil change. The services
described for Maintenance II should be performed when:
•Maintenance Iwas performed the last time the
engine oil was changed.
•It has been 10 months or more since the Change
Engine Oil message has displayed or since the last
service.
Maintenance I
•Change engine oil and filter. See Engine Oil on
page 6-20.An Emission Control Service.
•Engine coolant level check. See Engine Coolant on
page 6-36.
•Windshield washer fluid level check. See Windshield
Washer Fluid on page 6-45.
•Tire inflation check. See Inflation - Tire Pressure on
page 6-72.
•Tire wear inspection. See Tire Inspection and
Rotation on page 6-78.
•Fluids visual leak check (or every 12 months,
whichever occurs first). A leak in any system must
be repaired and the fluid level checked.
7-3

•Engine air cleaner filter inspection (vehicles driven
in dusty conditions only). See Engine Air Cleaner/
Filter on page 6-28.
•Brake system inspection (or every 12 months,
whichever occurs first).
Maintenance II
•Perform all services described in Maintenance I.
•Steering and suspension inspection. Visual
inspection for damaged, loose, or missing parts or
signs of wear.
•Engine cooling system inspection. Visual inspection
of hoses, pipes, fittings, and clamps and
replacement, if needed.
•Windshield wiper blade inspection for wear, cracking,
or contamination and windshield and wiper blade
cleaning, if contaminated. See Windshield and Wiper
Blades on page 6-97. Worn or damaged wiper blade
replacement. See Windshield Wiper Blade
Replacement on page 6-62.
•Body hinges and latches, key lock cylinders, any
folding seat hardware, and rear compartment, hood,
and console door hinges and latches lubrication. See
Recommended Fluids and Lubricants on page 7-9.
More frequent lubrication may be required when
vehicle is exposed to a corrosive environment.
Applying silicone grease on weatherstrips with a
clean cloth makes them last longer, seal better, and
not stick or squeak.
•Restraint system component check. See Checking
the Restraint Systems on page 2-60.
•Engine air cleaner filter inspection. See Engine Air
Cleaner/Filter on page 6-28.
•Passenger compartment air filter replacement
(or every 12 months, whichever occurs first). More
frequent replacement may be required if vehicle is
driven regularly under dusty conditions.
7-4

Additional Required Services
At Each Fuel Stop
•Engine oil level check. See Engine Oil on page 6-20.
•Engine coolant level check. See Engine Coolant on
page 6-36.
•Windshield washer fluid level check. See Windshield
Washer Fluid on page 6-45.
Once a Month
•Tire inflation check. See Inflation - Tire Pressure on
page 6-72.
•Tire wear inspection. See Tire Inspection and
Rotation on page 6-78.
Once a Year
•Starter switch check. See Owner Checks and
Services on page 7-8.
•Parking brake and automatic transmission P (Park)
mechanism check. See Owner Checks and
Services on page 7-8.
•Automatic transmission shiftlock control system
check. See Owner Checks and Services on
page 7-8.
•Engine cooling system and pressure cap pressure
check. Radiator and air conditioning condenser
outside cleaning. See Cooling System (Engine) on
page 6-34 or Cooling System (Intercooler) on
page 6-35.
•Exhaust system and nearby heat shields inspection
for loose or damaged components.
•Accelerator pedal check for damage, high effort, or
binding. Replace if needed.
Once Every Two Years
•Clutch hydraulic system drain, flush, and refill.
Service at a regular service interval (Ior II)
every two years. This service can be complex; have
your dealer/retailer perform this service. See
Hydraulic Clutch on page 6-33.
First Engine Oil Change After Every
40 000 km/25,000 Miles
•Fuel system inspection for damage or leaks.
•ZR1 Only: Engine air cleaner filter replacement.
See Engine Air Cleaner/Filter on page 6-28.
7-5

First Engine Oil Change After Every
80 000 km/50,000 Miles
•Engine air cleaner filter replacement. See Engine
Air Cleaner/Filter on page 6-28.
•Automatic transmission fluid change (severe
service) for vehicles mainly driven in heavy
city traffic in hot weather, in hilly or mountainous
terrain, when frequently towing a trailer, or used for
taxi, police, or delivery service. See Automatic
Transmission Fluid on page 6-32.
First Engine Oil Change After Every
160 000 km/100,000 Miles
•Automatic transmission fluid change (normal
service). See Automatic Transmission Fluid
on page 6-32.
•Spark plug replacement and spark plug wires
inspection. An Emission Control Service.
First Engine Oil Change After Every
240 000 km/150,000 Miles
•Engine cooling system drain, flush, and refill,
cooling system and cap pressure check, and
cleaning of outside of radiator and air conditioning
condenser (or every 5 years, whichever occurs
first). See Engine Coolant on page 6-36.An
Emission Control Service.
•ZR1 Only: Intercooler system drain, flush, and refill
(or every 5 years, whichever occurs first). See
Engine Coolant on page 6-36.
•Engine accessory drive belt inspection for fraying,
excessive cracks, or obvious damage and
replacement, if needed. An Emission Control
Service.
7-6

Scheduled Maintenance
Service Maintenance IMaintenance II
Change engine oil and filter. Reset oil life system. ••
Engine coolant level check. ••
Windshield washer fluid level check. ••
Tire inflation pressures check. ••
Tire wear inspection. ••
Fluids visual leak check. ••
Engine air cleaner filter inspection (vehicles driven in dusty conditions only). ••
Brake system inspection. ••
Steering and suspension inspection. •
Engine cooling system inspection. •
Windshield wiper blades inspection. •
Body components lubrication. •
Restraint system components check. •
Engine air cleaner filter inspection (vehicles not driven in dusty conditions). •
Passenger compartment air filter replacement. •
7-7

Owner Checks and Services
Starter Switch Check
{WARNING:
When you are doing this inspection, the vehicle
could move suddenly. If the vehicle moves, you or
others could be injured.
1. Before starting this check, be sure there is enough
room around the vehicle.
2. Firmly apply both the parking brake and the regular
brake. See Parking Brake on page 3-33.
Do not use the accelerator pedal, and be ready to
turn off the engine immediately if it starts.
3. For automatic transmission vehicles, try to start the
engine in each gear. The vehicle should start only in
P (Park) or N (Neutral). If the vehicle starts in any
other position, contact your dealer/retailer for service.
For manual transmission vehicles, put the shift lever
in Neutral, push the clutch pedal down halfway, and
try to start the engine. The vehicle should start only
when the clutch pedal is pushed down all the way to
the floor. If the vehicle starts when the clutch pedal is
not pushed all the way down, contact your dealer/
retailer for service.
Automatic Transmission Shift Lock
Control System Check
{WARNING:
When you are doing this inspection, the vehicle
could move suddenly. If the vehicle moves, you or
others could be injured.
1. Before starting this check, be sure there is enough
room around the vehicle. It should be parked on a
level surface.
2. Firmly apply the parking brake. See Parking Brake
on page 3-33.
Be ready to apply the regular brake immediately if
the vehicle begins to move.
3. With the engine off and without applying the regular
brake, try to move the shift lever out of P (Park)
with normal effort. If the shift lever moves out
of P (Park), contact your dealer/retailer for service.
7-8

Parking Brake and Automatic
Transmission P (Park) Mechanism
Check
{WARNING:
When you are doing this check, the vehicle could
begin to move. You or others could be injured and
property could be damaged. Make sure there is
room in front of the vehicle in case it begins to roll.
Be ready to apply the regular brake at once should
the vehicle begin to move.
Park on a fairly steep hill, with the vehicle facing
downhill. Keeping your foot on the regular brake, set the
parking brake.
•To check the parking brake’s holding ability: With the
engine running and the transmission in N (Neutral),
slowly remove foot pressure from the regular brake
pedal. Do this until the vehicle is held by the parking
brake only.
•To check the P (Park) mechanism’s holding ability:
With the engine running, shift to P (Park). Then
release the parking brake followed by the regular
brake.
Contact your dealer/retailer if service is required.
Recommended Fluids and
Lubricants
Fluids and lubricants identified below by name, part
number, or specification can be obtained from your
dealer/retailer.
Usage Fluid/Lubricant
Engine Oil
The engine requires a special engine
oil meeting GM Standard GM4718M.
Oils meeting this standard can be
identified as synthetic, and should
also be identified with the American
Petroleum Institute (API) Certified for
Gasoline Engines starburst symbol.
However, not all synthetic API oils
with the starburst symbol will meet
this GM standard. Look for and use
only an oil that meets GM Standard
GM4718M. For the proper viscosity,
see Engine Oil on page 6-20.
Engine Coolant
50/50 mixture of clean, drinkable
water and use only DEX-COOL
®
Coolant. See Engine Coolant on
page 6-36.
ZR1 Only:
Intercooler
System
50/50 mixture of clean, drinkable
water and use only DEX-COOL
®
Coolant. See Engine Coolant on
page 6-36.
7-9

Usage Fluid/Lubricant
Hydraulic Brake
System
DOT 3 Hydraulic Brake Fluid
(GM Part No. U.S. 88862806, in
Canada 88862807).
Windshield
Washer Optikleen
®
Washer Solvent.
Hydraulic
Clutch System
Hydraulic Clutch Fluid. Use only
GM Part No. U.S. 88958860, in
Canada 88901244, Super DOT-4
brake fluid.
Power Steering
System
GM Power Steering Fluid
(GM Part No. U.S. 89021184, in
Canada 89021186).
Chassis
Lubrication
(Rear Toe-Link
Outer Ends with
ZO6, ZR1, or
Z51 Option)
Chassis Lubricant
(GM Part No. U.S. 12377985, in
Canada 88901242) or lubricant
meeting requirements of NLGI #2,
Category LB or GC-LB.
Manual
Transmission
Manual Transmission Fluid
(GM Part No. U.S. 88861800, in
Canada 88861801).
Automatic
Transmission DEXRON
®
-VI Automatic
Transmission Fluid.
Usage Fluid/Lubricant
Key Lock
Cylinders
Multi-Purpose Lubricant, Superlube
(GM Part No. U.S. 12346241, in
Canada 10953474).
Rear Axle
(Limited-Slip
Differential)
DEXRON
®
LS Gear Oil. See Rear
Axle on page 6-58.
Hood Latch
Assembly,
Secondary
Latch, Pivots,
Spring
Anchor, and
Release Pawl
Lubriplate Lubricant Aerosol
(GM Part No. U.S. 12346293, in
Canada 992723) or lubricant
meeting requirements of NLGI #2,
Category LB or GC-LB.
Hood and Door
Hinges
Multi-Purpose Lubricant, Superlube
(GM Part No. U.S. 12346241, in
Canada 10953474).
Weatherstrip
Conditioning
Weatherstrip Lubricant
(GM Part No. U.S. 3634770, in
Canada 10953518) or
Dielectric Silicone Grease
(GM Part No. U.S. 12345579, in
Canada 992887).
7-10

Maintenance Replacement Parts
Replacement parts identified below by name, part number, or specification can be obtained from your dealer/retailer.
Part GM Part Number ACDelco Part Number
Engine Air Cleaner/Filter
6.2L LS3 V8 and 7.0L LS7 V8 Engines 15776148 A3077C
6.2L LS9 V8 Supercharged Engine 25940997 A3107C
Engine Oil Filter
6.2L LS3 V8 Engine 89017524 PF48
6.2L LS3 V8 Engine with Z52 Dry Sump Oil System 12626224 UPF-48R
6.2L LS9 V8 Supercharged Engine 12626224 UPF-48R
7.0L LS7 V8 Engine 12626224 UPF-48R
Passenger Compartment Air Filter Element 15848592 CF139
Spark Plug
6.2L LS3 V8 Engine 12621258 41-110
6.2L LS9 V8 Supercharged Engine 12571165 41-104
7.0L LS7 V8 Engine 12571165 41-104
Wiper Blades — 52.5 cm (20.7 in)
Driver Side 12335960 —
Passenger Side 12335961 —
7-11

Engine Drive Belt Routing
6.2L LS3 V8, 7.0L LS7 V8 Engines
6.2L LS9 V8 Engine
7-12

Maintenance Record
After the scheduled services are performed, record the date, odometer reading, who performed the service, and the
type of services performed in the boxes provided. Retain all maintenance receipts.
Maintenance Record
Date Odometer
Reading Serviced By Services Performed
7-13

Maintenance Record (cont’d)
Date Odometer
Reading Serviced By Services Performed
7-14

Maintenance Record (cont’d)
Date Odometer
Reading Serviced By Services Performed
7-15

Maintenance Record (cont’d)
Date Odometer
Reading Serviced By Services Performed
7-16

Customer Assistance and Information ...............8-2
Customer Satisfaction Procedure ......................8-2
Online Owner Center ......................................8-5
Customer Assistance for Text Telephone
(TTY) Users ...............................................8-6
Customer Assistance Offices ............................8-6
GM Mobility Reimbursement Program ................8-7
Roadside Assistance Program ..........................8-7
Scheduling Service Appointments ....................8-11
Courtesy Transportation Program ....................8-11
Collision Damage Repair ................................8-13
Reporting Safety Defects ................................8-16
Reporting Safety Defects to the
United States Government ..........................8-16
Reporting Safety Defects to the
Canadian Government ................................8-16
Reporting Safety Defects to General Motors .....8-16
Service Publications Ordering Information .........8-17
Vehicle Data Recording and Privacy ................8-18
Event Data Recorders ...................................8-19
OnStar
®
......................................................8-20
Navigation System ........................................8-20
Radio Frequency
Identification (RFID) ...................................8-20
Radio Frequency Statement ...........................8-20
Section 8 Customer Assistance Information
8-1

Customer Assistance and
Information
Customer Satisfaction Procedure
Your satisfaction and goodwill are important to
your dealer and to Chevrolet. Normally, any concerns
with the sales transaction or the operation of the vehicle
will be resolved by the dealer’s sales or service
departments. Sometimes, however, despite the best
intentions of all concerned, misunderstandings can
occur. If your concern has not been resolved to your
satisfaction, the following steps should be taken:
STEP ONE: Discuss your concern with a member of
dealership management. Normally, concerns can
be quickly resolved at that level. If the matter has
already been reviewed with the sales, service, or parts
manager, contact the owner of the dealership or the
general manager.
STEP TWO: If after contacting a member of dealership
management, it appears your concern cannot be
resolved by the dealership without further help, in the
U.S., call the Chevrolet Customer Assistance Center at
1-800-222-1020. In Canada, call General Motors of
Canada Customer Communication Centre at
1-800-263-3777 (English), or 1-800-263-7854 (French).
We encourage you to call the toll-free number in
order to give your inquiry prompt attention. Have the
following information available to give the Customer
Assistance Representative:
•Vehicle Identification Number (VIN). This is
available from the vehicle registration or title, or the
plate at the top left of the instrument panel and
visible through the windshield.
•Dealership name and location.
•Vehicle delivery date and present mileage.
When contacting Chevrolet, remember that your
concern will likely be resolved at a dealer’s facility.
That is why we suggest following Step One first.
8-2

STEP THREE — U.S. Owners: Both General Motors
and your dealer are committed to making sure you
are completely satisfied with your new vehicle. However,
if you continue to remain unsatisfied after following
the procedure outlined in Steps One and Two, you can
file with the Better Business Bureau (BBB) Auto Line
Program to enforce your rights.
The BBB Auto Line Program is an out of court program
administered by the Council of Better Business Bureaus
to settle automotive disputes regarding vehicle repairs or
the interpretation of the New Vehicle Limited Warranty.
Although you may be required to resort to this informal
dispute resolution program prior to filing a court action,
use of the program is free of charge and your case will
generally be heard within 40 days. If you do not agree
with the decision given in your case, you may reject it and
proceed with any other venue for relief available to you.
You may contact the BBB Auto Line Program using the
toll-free telephone number or write them at the following
address:
BBB Auto Line Program
Council of Better Business Bureaus, Inc.
4200 Wilson Boulevard
Suite 800
Arlington, VA 22203-1838
Telephone: 1-800-955-5100
dr.bbb.org/goauto
This program is available in all 50 states and the District
of Columbia. Eligibility is limited by vehicle age,
mileage, and other factors. General Motors reserves the
right to change eligibility limitations and/or discontinue
its participation in this program.
8-3

STEP THREE — Canadian Owners: In the event that
you do not feel your concerns have been addressed after
following the procedure outlined in Steps 1 and 2,
General Motors of Canada Limited wants you to be aware
of its participation in a no-charge Mediation/Arbitration
Program. General Motors of Canada Limited has
committed to binding arbitration of owner disputes
involving factory-related vehicle service claims. The
program provides for the review of the facts involved by
an impartial third party arbiter, and may include an
informal hearing before the arbiter. The program is
designed so that the entire dispute settlement process,
from the time you file your complaint to the final decision,
should be completed in about 70 days. We believe our
impartial program offers advantages over courts in most
jurisdictions because it is informal, quick, and free of
charge.
For further information concerning eligibility in the
Canadian Motor Vehicle Arbitration Plan (CAMVAP), call
toll-free 1-800-207-0685, or call the General Motors
Customer Communication Centre, 1-800-263-3777
(English), 1-800-263-7854 (French), or write to:
The Mediation/Arbitration Program
c/o Customer Communication Centre
General Motors of Canada Limited
Mail Code: CA1-163-005
1908 Colonel Sam Drive
Oshawa, Ontario L1H 8P7
Your inquiry should be accompanied by the Vehicle
Identification Number (VIN).
8-4

Online Owner Center
Online Owner Center (U.S.) —
www.gmownercenter.com/chevrolet
Information and services customized for your specific
vehicle — all in one convenient place.
•Digital owner manual, warranty information,
and more
•Online service and maintenance records
•Find Chevrolet dealers for service nationwide
•Exclusive privileges and offers
•Recall notices for your specific vehicle
•OnStar
®
and GM Cardmember Services Earnings
summaries
Other Helpful Links:
Chevrolet — www.chevrolet.com
Chevrolet Merchandise — www.chevymall.com
Help Center — www.chevrolet.com/helpcenter
•FAQ
•Contact Us
My GM Canada (Canada) — www.gm.ca
My GM Canada is a password-protected section of
www.gm.ca where you can save information on
GM vehicles, get personalized offers, and use handy
tools and forms with greater ease.
Here are a few of the valuable tools and services you
will have access to:
•My Showroom: Find and save information on
vehicles and current offers in your area.
•My Dealers/Retailers: Save details such as address
and phone number for each of your preferred GM
dealers/retailers.
•My Driveway: Access quick links to parts and
service estimates, check trade-in values, or
schedule a service appointment by adding the
vehicles you own to your driveway profile.
•My Preferences: Manage your profile and use tools
and forms with greater ease.
To sign up, visit the My GM Canada section within
www.gm.ca.
8-5

Customer Assistance for Text
Telephone (TTY) Users
To assist customers who are deaf, hard of hearing, or
speech-impaired and who use Text Telephones (TTYs),
Chevrolet has TTY equipment available at its Customer
Assistance Center. Any TTY user in the U.S. can
communicate with Chevrolet by dialing: 1-800-833-CHEV
(2438). (TTY users in Canada can dial 1-800-263-3830.)
Customer Assistance Offices
Chevrolet encourages customers to call the toll-free
number for assistance. However, if a customer wishes
to write or e-mail Chevrolet, the letter should be
addressed to:
United States — Customer Assistance
Chevrolet Motor Division
Chevrolet Customer Assistance Center
P.O. Box 33170
Detroit, MI 48232-5170
Chevrolet.com
1-800-222-1020
1-800-833-2438 (For Text Telephone devices (TTYs))
Roadside Assistance: 1-800-CHEV-USA (243-8872)
From Puerto Rico:
1-800-496-9992 (English)
1-800-496-9993 (Spanish)
From U.S. Virgin Islands:
1-800-496-9994
Canada — Customer Assistance
General Motors of Canada Limited
Customer Communication Centre, CA1-163-005
1908 Colonel Sam Drive
Oshawa, Ontario L1H 8P7
gmcanada.com
1-800-263-3777 (English)
1-800-263-7854 (French)
1-800-263-3830 (For Text Telephone devices (TTYs))
Roadside Assistance: 1-800-268-6800
Overseas — Customer Assistance
Please contact the local General Motors Business Unit.
8-6

Mexico, Central America and Caribbean
Islands/Countries (Except Puerto Rico
and U.S. Virgin Islands) — Customer
Assistance
General Motors de Mexico, S. de R.L. de C.V.
Customer Assistance Center
Paseo de la Reforma # 2740
Col. Lomas de Bezares
C.P. 11910, Mexico, D.F.
01-800-508-0000
Long Distance: 011-52-53 29 0 800
GM Mobility Reimbursement
Program
This program, available to qualified applicants, can
reimburse you up to $1,000 of the cost of eligible
aftermarket adaptive equipment required for your vehicle,
such as hand controls or a wheelchair/scooter lift.
The offer is available for a very limited period of time
from the date of vehicle purchase/lease. For more
details, or to determine your vehicle’s eligibility, visit
gmmobility.com or call the GM Mobility Assistance
Center at 1-800-323-9935. Text telephone (TTY) users,
call 1-800-833-9935.
General Motors of Canada also has a Mobility Program.
Call 1-800-GM-DRIVE (463-7483) for details. TTY
users call 1-800-263-3830.
Roadside Assistance Program
For U.S. purchased vehicles, call 1-800-CHEV-USA
(1-800-243-8872); (Text telephone (TTY):
1-888-889-2438).
For Canadian purchased vehicles, call 1-800-268-6800.
Service is available 24 hours a day, 365 days a year.
8-7

Calling for Assistance
When calling Roadside Assistance, have the following
information ready:
•Your name, home address, and home telephone
number
•Telephone number of your location
•Location of the vehicle
•Model, year, color, and license plate number of the
vehicle
•Odometer reading, Vehicle Identification Number
(VIN), and delivery date of the vehicle
•Description of the problem
Coverage
Services are provided up to 5 years/100,000 miles
(160 000 km), whichever comes first.
In the U.S., anyone driving the vehicle is covered. In
Canada, a person driving the vehicle without permission
from the owner is not covered.
Roadside Assistance is not a part of the New Vehicle
Limited Warranty. Chevrolet and General Motors of
Canada Limited reserve the right to make any changes
or discontinue the Roadside Assistance program at
any time without notification.
Chevrolet and General Motors of Canada Limited
reserve the right to limit services or payment to an owner
or driver if they decide the claims are made too often,
or the same type of claim is made many times.
8-8

Services Provided
•Emergency Fuel Delivery: Delivery of enough fuel
for the vehicle to get to the nearest service station.
•Lock-Out Service: Service is provided to unlock the
vehicle if you are locked out. A remote unlock may
be available if you have OnStar
®
. For security
reasons, the driver must present identification
before this service is given.
•Emergency Tow From a Public Road or
Highway: Tow to the nearest Chevrolet dealer for
warranty service, or if the vehicle was in a crash
and cannot be driven. Assistance is also given when
the vehicle is stuck in the sand, mud, or snow.
•Flat Tire Change: Service is provided to change a
flat tire with the spare tire. The spare tire, if equipped,
must be in good condition and properly inflated.
It is the owner’s responsibility for the repair or
replacement of the tire if it is not covered by the
warranty.
•Battery Jump Start: Service is provided to jump
start a dead battery.
Services Not Included in Roadside
Assistance
•Impound towing caused by violation of any laws.
•Legal fines.
•Mounting, dismounting or changing of snow tires,
chains, or other traction devices.
•Towing or services for vehicles driven on a
non-public road or highway.
8-9

Services Specific to Canadian
Purchased Vehicles
•Fuel delivery: Reimbursement is approximately
$5 Canadian. Diesel fuel delivery may be
restricted. Propane and other fuels are not provided
through this service.
•Lock-Out Service: Vehicle registration is required.
•Trip Routing Service: Detailed maps of North
America are provided when requested either
with the most direct route or the most scenic route.
There is a limit of six requests per year. Additional
travel information is also available. Allow three
weeks for delivery.
•Trip Interruption Benefits and Assistance: Must
be over 250 kilometres from where your trip was
started to qualify. General Motors of Canada Limited
requires pre-authorization, original detailed
receipts, and a copy of the repair orders. Once
authorization has been received, the Roadside
Assistance advisor will help you make arrangements
and explain how to receive payment.
•Alternative Service: If assistance cannot be
provided right away, the Roadside Assistance
advisor may give you permission to get local
emergency road service. You will receive payment,
up to $100, after sending the original receipt to
Roadside Assistance. Mechanical failures may be
covered, however any cost for parts and labor
for repairs not covered by the warranty are
the owner responsibility.
8-10

Scheduling Service Appointments
When your vehicle requires warranty service, contact
your dealer/retailer and request an appointment.
By scheduling a service appointment and advising your
service consultant of your transportation needs, your
dealer/retailer can help minimize your inconvenience.
If your vehicle cannot be scheduled into the service
department immediately, keep driving it until it can be
scheduled for service, unless, of course, the problem is
safety-related. If it is, please call your dealership/retailer,
let them know this, and ask for instructions.
If the dealer/retailer requests you to bring the vehicle for
service, you are urged to do so as early in the work
day as possible to allow for the same day repair.
Courtesy Transportation Program
To enhance your ownership experience, we and our
participating dealers are proud to offer Courtesy
Transportation, a customer support program for vehicles
with the New Vehicle Limited Warranty (Base Warranty
Coverage period in Canada) and extended powertrain,
and hybrid specific warranty in both the U.S. and Canada.
Several courtesy transportation options are available to
assist in reducing your inconvenience when warranty
repairs are required.
Courtesy Transportation is not a part of the New Vehicle
Limited Warranty. A separate booklet entitled “Warranty
and Owner Assistance Information” furnished with
each new vehicle provides detailed warranty coverage
information.
8-11

Transportation Options
Warranty service can generally be completed while you
wait. However, if you are unable to wait, GM helps
to minimize your inconvenience by providing several
transportation options. Depending on the circumstances,
your dealer can offer you one of the following:
Shuttle Service
Shuttle service is the preferred means of offering
Courtesy Transportation. Dealers may provide you with
shuttle service to get you to your destination with
minimal interruption of your daily schedule. This includes
one-way or round trip shuttle service within reasonable
time and distance parameters of the dealer’s area.
Public Transportation or Fuel
Reimbursement
If your vehicle requires overnight warranty repairs, and
public transportation is used instead of the dealer’s
shuttle service, the expense must be supported by
original receipts and can only be up to the maximum
amount allowed by GM for shuttle service. In addition, for
U.S. customers, should you arrange transportation
through a friend or relative, limited reimbursement for
reasonable fuel expenses may be available. Claim
amounts should reflect actual costs and be supported by
original receipts. See your dealer for information
regarding the allowance amounts for reimbursement of
fuel or other transportation costs.
Courtesy Rental Vehicle
Your dealer may arrange to provide you with a courtesy
rental vehicle or reimburse you for a rental vehicle
that you obtain if your vehicle is kept for an overnight
warranty repair. Rental reimbursement will be limited
and must be supported by original receipts. This
requires that you sign and complete a rental agreement
and meet state/provincial, local, and rental vehicle
provider requirements. Requirements vary and may
include minimum age requirements, insurance coverage,
credit card, etc. You are responsible for fuel usage
charges and may also be responsible for taxes, levies,
usage fees, excessive mileage, or rental usage
beyond the completion of the repair.
It may not be possible to provide a like-vehicle as a
courtesy rental.
Additional Program Information
All program options, such as shuttle service, may not be
available at every dealer. Please contact your dealer
for specific information about availability. All Courtesy
Transportation arrangements will be administered
by appropriate dealer personnel.
General Motors reserves the right to unilaterally modify,
change or discontinue Courtesy Transportation at
any time and to resolve all questions of claim eligibility
pursuant to the terms and conditions described
herein at its sole discretion.
8-12

Collision Damage Repair
If your vehicle is involved in a collision and it is
damaged, have the damage repaired by a qualified
technician using the proper equipment and quality
replacement parts. Poorly performed collision repairs
diminish your vehicle’s resale value, and safety
performance can be compromised in subsequent
collisions.
Collision Parts
Genuine GM Collision parts are new parts made with the
same materials and construction methods as the parts
with which your vehicle was originally built. Genuine GM
Collision parts are your best choice to ensure that your
vehicle’s designed appearance, durability, and safety are
preserved. The use of Genuine GM parts can help
maintain your GM New Vehicle Warranty.
Recycled original equipment parts may also be used for
repair. These parts are typically removed from vehicles
that were total losses in prior crashes. In most cases,
the parts being recycled are from undamaged sections
of the vehicle. A recycled original equipment GM
part, may be an acceptable choice to maintain your
vehicle’s originally designed appearance and safety
performance, however, the history of these parts is not
known. Such parts are not covered by your GM New
Vehicle Limited Warranty, and any related failures
are not covered by that warranty.
Aftermarket collision parts are also available. These are
made by companies other than GM and may not
have been tested for your vehicle. As a result, these
parts may fit poorly, exhibit premature
durability/corrosion problems, and may not perform
properly in subsequent collisions. Aftermarket parts are
not covered by your GM New Vehicle Limited
Warranty, and any vehicle failure related to such parts
are not covered by that warranty.
8-13

Repair Facility
We recommend that you choose a collision repair
facility that meets your needs before you ever need
collision repairs. Your dealer/retailer may have a
collision repair center with GM-trained technicians and
state of the art equipment, or be able to recommend
a collision repair center that has GM-trained technicians
and comparable equipment.
Insuring Your Vehicle
Protect your investment in your GM vehicle with
comprehensive and collision insurance coverage. There
are significant differences in the quality of coverage
afforded by various insurance policy terms. Many
insurance policies provide reduced protection to your
GM vehicle by limiting compensation for damage repairs
by using aftermarket collision parts. Some insurance
companies will not specify aftermarket collision
parts. When purchasing insurance, we recommend that
you assure your vehicle will be repaired with GM
original equipment collision parts. If such insurance
coverage is not available from your current insurance
carrier, consider switching to another insurance carrier.
If your vehicle is leased, the leasing company may
require you to have insurance that assures repairs with
Genuine GM Original Equipment Manufacturer (OEM)
parts or Genuine Manufacturer replacement parts. Read
your lease carefully, as you may be charged at the
end of your lease for poor quality repairs.
If a Crash Occurs
Here is what to do if you are involved in a crash.
•Check to make sure that you are all right. If you are
uninjured, make sure that no one else in your
vehicle, or the other vehicle, is injured.
•If there has been an injury, call emergency services
for help. Do not leave the scene of a crash until all
matters have been taken care of. Move your
vehicle only if its position puts you in danger or you
are instructed to move it by a police officer.
•Give only the necessary and requested information
to police and other parties involved in the crash.
Do not discuss your personal condition, mental
frame of mind, or anything unrelated to the crash.
This will help guard against post-crash legal action.
•If you need roadside assistance, call GM Roadside
Assistance. See Roadside Assistance Program on
page 8-7 for more information.
•If your vehicle cannot be driven, know where the
towing service will be taking it. Get a card from
the tow truck operator or write down the driver’s
name, the service’s name, and the phone number.
•Remove any valuables from your vehicle before it is
towed away. Make sure this includes your insurance
information and registration if you keep these
items in your vehicle.
8-14

•Gather the important information you will need from
the other driver. Things like name, address, phone
number, driver’s license number, vehicle license
plate, vehicle make, model and model year, Vehicle
Identification Number (VIN), insurance company
and policy number, and a general description of the
damage to the other vehicle.
•If possible, call your insurance company from the
scene of the crash. They will walk you through
the information they will need. If they ask for
a police report, phone or go to the police
department headquarters the next day and you can
get a copy of the report for a nominal fee. In
some states/provinces with “no fault” insurance
laws, a report may not be necessary. This is
especially true if there are no injuries and both
vehicles are driveable.
•Choose a reputable collision repair facility for your
vehicle. Whether you select a dealer/retailer or a
private collision repair facility to fix the damage,
make sure you are comfortable with them.
Remember, you will have to feel comfortable with
their work for a long time.
•Once you have an estimate, read it carefully and
make sure you understand what work will be
performed on your vehicle. If you have a question,
ask for an explanation. Reputable shops welcome
this opportunity.
Managing the Vehicle Damage Repair
Process
In the event that your vehicle requires damage repairs,
GM recommends that you take an active role in its
repair. If you have a pre-determined repair facility of
choice, take your vehicle there, or have it towed there.
Specify to the facility that any required replacement
collision parts be original equipment parts, either new
Genuine GM parts or recycled original GM parts.
Remember, recycled parts will not be covered by your
GM vehicle warranty.
Insurance pays the bill for the repair, but you must live
with the repair. Depending on your policy limits, your
insurance company may initially value the repair using
aftermarket parts. Discuss this with your repair
professional, and insist on Genuine GM parts.
Remember if your vehicle is leased you may be
obligated to have the vehicle repaired with Genuine GM
parts, even if your insurance coverage does not pay
the full cost.
If another party’s insurance company is paying for the
repairs, you are not obligated to accept a repair
valuation based on that insurance company’s collision
policy repair limits, as you have no contractual limits with
that company. In such cases, you can have control of
the repair and parts choices as long as cost stays within
reasonable limits.
8-15

Reporting Safety Defects
Reporting Safety Defects to the
United States Government
If you believe that your vehicle has a defect which
could cause a crash or could cause injury or
death, you should immediately inform the National
Highway Traffic Safety Administration (NHTSA)
in addition to notifying General Motors.
If NHTSA receives similar complaints, it may open
an investigation, and if it finds that a safety
defect exists in a group of vehicles, it may order a
recall and remedy campaign. However, NHTSA
cannot become involved in individual problems
between you, your dealer, or General Motors.
To contact NHTSA, you may call the Vehicle
Safety Hotline toll-free at 1-888-327-4236
(TTY: 1-800-424-9153); go to
http://www.safercar.gov; or write to:
Administrator, NHTSA
1200 New Jersey Avenue, S.E.
Washington, D.C. 20590
You can also obtain other information about motor
vehicle safety from http://www.safercar.gov.
Reporting Safety Defects to the
Canadian Government
If you live in Canada, and you believe that your vehicle
has a safety defect, notify Transport Canada
immediately, in addition to notifying General Motors of
Canada Limited. Call them at 1-800-333-0510 or write to:
Transport Canada
Road Safety Branch
2780 Sheffield Road
Ottawa, Ontario K1B 3V9
Reporting Safety Defects to General
Motors
In addition to notifying NHTSA (or Transport Canada) in
a situation like this, please notify General Motors.
Call 1-800-222-1020, or write:
Chevrolet Motor Division
Chevrolet Customer Assistance Center
P.O. Box 33170
Detroit, MI 48232-5170
In Canada, call 1-800-263-3777 (English) or
1-800-263-7854 (French), or write:
General Motors of Canada Limited
Customer Communication Centre, CA1-163-005
1908 Colonel Sam Drive
Oshawa, Ontario L1H 8P7
8-16

Service Publications Ordering
Information
Service Manuals
Service Manuals have the diagnosis and repair
information on engines, transmission, axle suspension,
brakes, electrical, steering, body, etc.
Service Bulletins
Service Bulletins give additional technical service
information needed to knowledgeably service General
Motors cars and trucks. Each bulletin contains
instructions to assist in the diagnosis and service of
your vehicle.
Owner Information
Owner publications are written specifically for owners
and intended to provide basic operational information
about the vehicle. The owner manual includes the
Maintenance Schedule for all models.
In-Portfolio: Includes a Portfolio, Owner Manual, and
Warranty Booklet.
RETAIL SELL PRICE: $35.00 (U.S.) plus processing fee
Without Portfolio: Owner Manual only.
RETAIL SELL PRICE: $25.00 (U.S.) plus processing fee
Current and Past Model Order Forms
Technical Service Bulletins and Manuals are available
for current and past model GM vehicles. To request
an order form, specify year and model name of
the vehicle.
8-17

ORDER TOLL FREE: 1-800-551-4123
Monday-Friday 8:00 AM - 6:00 PM
Eastern Time
For Credit Card Orders Only
(VISA-MasterCard-Discover), visit Helm, Inc.
on the World Wide Web at: helminc.com
Or you can write to:
Helm, Incorporated
P.O. Box 07130
Detroit, MI 48207
Prices are subject to change without notice and without
incurring obligation. Allow ample time for delivery.
Note to Canadian Customers: All listed prices are
quoted in U.S. funds. Canadian residents are to make
checks payable in U.S. funds.
Vehicle Data Recording and
Privacy
Your GM vehicle has a number of sophisticated
computers that record information about the vehicle’s
performance and how it is driven. For example,
your vehicle uses computer modules to monitor and
control engine and transmission performance, to monitor
the conditions for airbag deployment and deploy
airbags in a crash and, if so equipped, to provide
antilock braking to help the driver control the vehicle.
These modules may store data to help your
dealer/retailer technician service your vehicle. Some
modules may also store data about how you operate the
vehicle, such as rate of fuel consumption or average
speed. These modules may also retain the owner’s
personal preferences, such as radio pre-sets, seat
positions, and temperature settings.
8-18

Event Data Recorders
This vehicle has an Event Data Recorder (EDR). The
main purpose of an EDR is to record, in certain crash or
near crash-like situations, such as an airbag deployment
or hitting a road obstacle, data that will assist in
understanding how a vehicle’s systems performed. The
EDR is designed to record data related to vehicle
dynamics and safety systems for a short period of time,
typically 30 seconds or less. The EDR in this vehicle
is designed to record such data as:
•How various systems in your vehicle were operating
•Whether or not the driver and passenger safety
belts were buckled/fastened
•How far, if at all, the driver was pressing the
accelerator and/or brake pedal
•How fast the vehicle was traveling
This data can help provide a better understanding of the
circumstances in which crashes and injuries occur.
Important: EDR data is recorded by your vehicle only
if a non-trivial crash situation occurs; no data is
recorded by the EDR under normal driving conditions
and no personal data (e.g., name, gender, age,
and crash location) is recorded. However, other parties,
such as law enforcement, could combine the EDR
data with the type of personally identifying data routinely
acquired during a crash investigation.
To read data recorded by an EDR, special equipment is
required, and access to the vehicle or the EDR is
needed. In addition to the vehicle manufacturer, other
parties, such as law enforcement, that have the special
equipment, can read the information if they have
access to the vehicle or the EDR.
GM will not access this data or share it with others
except: with the consent of the vehicle owner or, if the
vehicle is leased, with the consent of the lessee; in
response to an official request of police or similar
government office; as part of GM’s defense of litigation
through the discovery process; or, as required by
law. Data that GM collects or receives may also be used
for GM research needs or may be made available to
others for research purposes, where a need is shown
and the data is not tied to a specific vehicle or
vehicle owner.
8-19

OnStar
®
If the vehicle has OnStar and you subscribe to the
OnStar services, please refer to the OnStar Terms and
Conditions for information on data collection and use.
Navigation System
If your vehicle has a navigation system, use of the
system may result in the storage of destinations,
addresses, telephone numbers, and other trip
information. Refer to the navigation system operating
manual for information on stored data and for deletion
instructions.
Radio Frequency
Identification (RFID)
RFID technology is used in some vehicles for functions
such as tire pressure monitoring and ignition system
security, as well as in connection with conveniences
such as key fobs for remote door locking/unlocking and
starting, and in-vehicle transmitters for garage door
openers. RFID technology in GM vehicles does not use
or record personal information or link with any other
GM system containing personal information.
Radio Frequency Statement
This vehicle has systems that operate on a radio
frequency that comply with Part 15 of the Federal
Communications Commission (FCC) Rules and with
RSS-210/211 of Industry and Science Canada.
Operation is subject to the following two conditions:
1. The device may not cause interference.
2. The device must accept any interference received,
including interference that may cause undesired
operation of the device.
Changes or modifications to any of these systems by
other than an authorized service facility could void
authorization to use this equipment.
8-20

A
Accessories and Modifications ............................ 6-3
Accessory Power ............................................ 3-23
Accessory Power Outlets ................................. 4-20
Active Handling System ..................................... 5-8
Active Handling System Light ........................... 4-38
Additives, Fuel ................................................. 6-7
Add-On Electrical Equipment ........................... 6-102
Air Cleaner/Filter, Engine ................................. 6-28
Air Dam, Front ............................................... 3-22
Air Filter, Passenger Compartment .................... 4-27
Airbag
Adding Equipment to Your Airbag-Equipped
Vehicle ................................................... 2-58
Airbag System
How Does an Airbag Restrain? ...................... 2-49
Passenger Sensing System ........................... 2-52
Servicing Your Airbag-Equipped Vehicle .......... 2-58
What Makes an Airbag Inflate? ...................... 2-49
What Will You See After an Airbag Inflates? .... 2-50
When Should an Airbag Inflate? .................... 2-48
Where Are the Airbags? ............................... 2-46
Airbags
Passenger Status Indicator ........................... 4-33
Readiness Light .......................................... 4-32
System Check ............................................. 2-44
Antenna
Diversity ................................................... 4-106
Antenna, XM™ Satellite Radio Antenna
System ..................................................... 4-106
Antilock Brake System (ABS) ............................. 5-5
Warning Light ............................................. 4-36
Appearance Care
Aluminum or Chrome-Plated Wheels .............. 6-99
Care of Safety Belts .................................... 6-95
Cargo Cover and Convenience Net ................ 6-94
Chemical Paint Spotting .............................. 6-100
Cleaning Exterior Lamps/Lenses .................... 6-96
Coated Moldings ......................................... 6-94
Convertible Top ........................................... 6-98
Fabric/Carpet .............................................. 6-93
Fiberglass Springs ..................................... 6-100
Finish Care ................................................. 6-96
Finish Damage .......................................... 6-100
Instrument Panel, Vinyl, and Other Plastic
Surfaces ................................................. 6-94
Interior Cleaning .......................................... 6-92
Leather ...................................................... 6-94
Removable Roof Panel ................................. 6-98
Tires .......................................................... 6-99
Underbody Maintenance ............................. 6-100
Washing Your Vehicle ................................... 6-95
Weatherstrips .............................................. 6-95
Windshield and Wiper Blades ........................ 6-97
1

Ashtray ......................................................... 4-21
Assistance Program, Roadside ........................... 8-7
Audio System ................................................. 4-78
Audio Steering Wheel Controls .................... 4-104
Navigation/Radio System, see Navigation
Manual ................................................... 4-93
Radio Reception ........................................ 4-105
Setting the Clock ......................................... 4-78
Theft-Deterrent Feature ............................... 4-103
XM™ Satellite Radio Antenna System ........... 4-106
Audio System(s) ............................................. 4-79
Automatic Door Lock ....................................... 3-13
Automatic Transmission
Fluid .......................................................... 6-32
Operation ................................................... 3-26
Axle, Rear ..................................................... 6-58
B
Battery .......................................................... 6-52
Exterior Lighting Battery Saver ...................... 4-15
Run-Down Protection ................................... 4-16
Belt Routing, Engine ....................................... 7-12
Bluetooth
®
..................................................... 4-93
Boost Gage ................................................... 4-46
Brake
Emergencies ................................................ 5-6
Brakes .......................................................... 6-46
Antilock ....................................................... 5-5
Parking ...................................................... 3-33
System Warning Light .................................. 4-35
Braking ........................................................... 5-3
Braking in Emergencies ..................................... 5-6
Break-In, New Vehicle ..................................... 3-21
Bulb Replacement ........................................... 6-61
Fog Lamps ................................................. 4-13
Halogen Bulbs ............................................ 6-59
Headlamp Aiming ........................................ 6-58
Headlamps ................................................. 6-59
Headlamps, Front Turn Signal, and
Parking Lamps ......................................... 6-59
High Intensity Discharge (HID) Lighting ........... 6-59
Taillamps, Turn Signal and Stoplamps ............ 6-61
Buying New Tires ........................................... 6-79
C
Calibration ..................................................... 3-38
California
Perchlorate Materials Requirements ................. 6-4
Warning ....................................................... 6-4
California Fuel .................................................. 6-7
Canadian Owners ............................................... iii
Capacities and Specifications .......................... 6-112
2

Carbon Monoxide ............................................ 3-14
Engine Exhaust ........................................... 3-36
Winter Driving ............................................. 5-25
Care of
Safety Belts ................................................ 6-95
Cargo Cover .................................................. 3-51
CD, MP3 ....................................................... 4-90
Center Console Storage ................................... 3-48
Chains, Tire ................................................... 6-86
Check
Engine Lamp .............................................. 4-40
Checking Things Under the Hood ...................... 6-12
Chemical Paint Spotting ................................. 6-100
Child Restraints
Infants and Young Children ........................... 2-29
Lower Anchors and Tethers for Children . 2-35, 2-36
Older Children ............................................. 2-26
Securing a Child Restraint in the
Right Front Seat Position .......................... 2-40
Systems ..................................................... 2-33
Cigarette Lighter ............................................. 4-21
Circuit Breakers ............................................ 6-103
Cleaning
Aluminum or Chrome-Plated Wheels .............. 6-99
Cargo Cover and Convenience Net ................ 6-94
Coated Moldings ......................................... 6-94
Convertible Top ........................................... 6-98
Cleaning (cont.)
Exterior Lamps/Lenses ................................. 6-96
Fabric/Carpet .............................................. 6-93
Fiberglass Springs ..................................... 6-100
Finish Care ................................................. 6-96
Instrument Panel, Vinyl, and Other Plastic
Surfaces ................................................. 6-94
Interior ....................................................... 6-92
Leather ...................................................... 6-94
Removable Roof Panel ................................. 6-98
Tires .......................................................... 6-99
Underbody Maintenance ............................. 6-100
Washing Your Vehicle ................................... 6-95
Weatherstrips .............................................. 6-95
Windshield and Wiper Blades ........................ 6-97
Climate Control System
Outlet Adjustment ........................................ 4-26
Climate Control Systems
Dual Automatic ............................................ 4-21
Climate Controls ............................................. 1-14
Clock, Setting ................................................. 4-78
Clutch, Hydraulic ............................................. 6-33
Collision Damage Repair .................................. 8-13
Compass ....................................................... 3-38
Competitive Driving Mode .................................. 5-9
Competitive Driving, Racing or Other ................. 5-19
Control of a Vehicle .......................................... 5-3
Convenience Net ............................................ 3-50
3

Convertible Top ...................................... 3-56, 3-63
Coolant
Engine ....................................................... 6-36
Engine Temperature Gage ............................ 4-39
Cooling System ...................................... 6-34, 6-35
Courtesy Lamps ............................................. 4-15
Courtesy Transportation Program ...................... 8-11
Cruise Control .................................................. 4-7
Cupholders .................................................... 3-48
Customer Assistance ......................................... 8-6
Offices ......................................................... 8-6
Text Telephone (TTY) Users ........................... 8-6
Customer Information
Service Publications Ordering Information ........ 8-17
Customer Satisfaction Procedure ........................ 8-2
D
Damage Repair, Collision ................................. 8-13
Data Recorders, Event .................................... 8-19
Daytime Running Lamps (DRL) ......................... 4-12
Defensive Driving ............................................. 5-2
Disc, MP3 ...................................................... 4-90
Displays
Head-Up .................................................... 4-16
Diversity Antenna System ............................... 4-106
Doing Your Own Service Work ........................... 6-4
Door
Automatic Door Lock .................................... 3-13
Locks ........................................................ 3-10
Power Locks ............................................... 3-12
Programmable Automatic Door Unlock ............ 3-13
Driver Information Center (DIC) ......................... 4-46
DIC Operation and Displays .......................... 4-46
DIC Vehicle Personalization .......................... 4-69
DIC Warnings and Messages ........................ 4-51
Other Messages .......................................... 4-68
Driving
At Night ..................................................... 5-22
Before a Long Trip ...................................... 5-23
Competitive .................................................. 5-9
Defensive ..................................................... 5-2
Drunk .......................................................... 5-2
Highway Hypnosis ....................................... 5-24
Hill and Mountain Roads .............................. 5-24
In Rain and on Wet Roads ........................... 5-22
Loss of Control ........................................... 5-18
Off-Road Recovery ...................................... 5-17
Rocking Your Vehicle to Get it Out ................. 5-28
Winter ........................................................ 5-25
Driving for Better Fuel Economy ....................... 1-23
Dual Automatic Climate Control System ............. 4-21
4

E
EDR ............................................................. 8-18
Electrical Equipment, Add-On .......................... 6-102
Electrical System
Engine Compartment Fuse Block ................. 6-107
Fuses and Circuit Breakers ......................... 6-103
Headlamp Wiring ....................................... 6-102
Instrument Panel Fuse Block ....................... 6-103
Power Windows and Other Power Options ....... 6-102
Windshield Wiper Fuses ............................. 6-102
Engine
Air Cleaner/Filter ......................................... 6-28
Check and Service Engine Soon Lamp ........... 4-40
Compartment Overview ................................ 6-14
Coolant ...................................................... 6-36
Coolant Temperature Gage ........................... 4-39
Cooling System ................................... 6-34, 6-35
Drive Belt Routing ....................................... 7-12
Exhaust ..................................................... 3-36
Oil ............................................................. 6-20
Oil Pressure Gage ....................................... 4-43
Overheated Protection Operating Mode ........... 6-43
Overheating ................................................ 6-41
Starting ...................................................... 3-24
Engine Oil
Life System ................................................ 6-27
Entry/Exit Lighting ........................................... 4-15
Event Data Recorders ..................................... 8-19
Extender, Safety Belt ....................................... 2-26
Exterior Lamps ............................................... 4-11
Exterior Lighting Battery Saver .......................... 4-15
F
Filter
Engine Air Cleaner ...................................... 6-28
Finish Damage ............................................. 6-100
Flashers, Hazard Warning .................................. 4-3
Flash-to-Pass ................................................... 4-5
Flat Tire ........................................................ 6-91
Floor Mats ..................................................... 3-48
Fluid
Automatic Transmission ................................ 6-32
Power Steering ........................................... 6-44
Windshield Washer ...................................... 6-45
Fog Lamps
Bulb Replacement ....................................... 4-13
Light .......................................................... 4-44
Front Air Dam ................................................ 3-22
Fuel ............................................................... 6-5
Additives ...................................................... 6-7
California Fuel .............................................. 6-7
Filling a Portable Fuel Container .................... 6-12
Filling the Tank ............................................. 6-9
Fuels in Foreign Countries .............................. 6-8
5

Fuel (cont.)
Gage ......................................................... 4-45
Gasoline Octane ........................................... 6-6
Gasoline Specifications .................................. 6-6
Fuel Economy
Driving for Better ......................................... 1-23
Fuses
Engine Compartment Fuse Block ................. 6-107
Fuses and Circuit Breakers ......................... 6-103
Instrument Panel Fuse Block ....................... 6-103
Windshield Wiper ....................................... 6-102
G
Gages
Boost ......................................................... 4-46
Engine Coolant Temperature ......................... 4-39
Engine Oil Pressure ..................................... 4-43
Fuel .......................................................... 4-45
Speedometer .............................................. 4-31
Tachometer ................................................. 4-31
Voltmeter Gage ........................................... 4-34
Garage Door Opener ....................................... 3-41
Gasoline
Octane ........................................................ 6-6
Specifications ............................................... 6-6
Glove Box ..................................................... 3-48
GM Mobility Reimbursement Program .................. 8-7
H
Halogen Bulbs ................................................ 6-59
Hatch/Trunk ................................................... 3-14
Hazard Warning Flashers ................................... 4-3
Headlamp Wiring ........................................... 6-102
Headlamps
Aiming ....................................................... 6-58
Bulb Replacement ....................................... 6-59
Daytime Running Lamps (DRL) ..................... 4-12
Exterior Lamps ............................................ 4-11
Flash-to-Pass ............................................... 4-5
Headlamps, Front Turn Signal, and
Parking Lamps ......................................... 6-59
High Intensity Discharge (HID) Lighting ........... 6-59
High/Low Beam Changer ................................ 4-5
On Reminder .............................................. 4-12
Wiper Activated ........................................... 4-12
Head-Up Display (HUD) ................................... 4-16
Heated Seats ................................................... 2-4
Highbeam On Light ......................................... 4-44
High-Speed Operation, Tires ............................. 6-74
Highway Hypnosis ........................................... 5-24
Hill and Mountain Roads .................................. 5-24
Hood
Checking Things Under ................................ 6-12
Release ..................................................... 6-13
6

Horn ............................................................... 4-3
How to Wear Safety Belts Properly ................... 2-14
Hydraulic Clutch ............................................. 6-33
I
Ignition Positions ............................................. 3-22
Immobilizer .................................................... 3-20
Infants and Young Children, Restraints ............... 2-29
Inflation - Tire Pressure ................................... 6-72
Installing the Roof Panel .................................. 3-55
Instrument Panel
Brightness .................................................. 4-15
Cluster ....................................................... 4-29
Introduction ...................................................... 7-2
J
Jump Starting ................................................. 6-53
K
Keyless Access System ..................................... 3-5
Keyless Access System, Operation ...................... 3-5
Keys ............................................................... 3-3
L
Labeling, Tire Sidewall ..................................... 6-66
Lamps
Courtesy .................................................... 4-15
Daytime Running (DRL) ................................ 4-12
Exterior Lighting Battery Saver ...................... 4-15
Malfunction Indicator .................................... 4-40
Reading ..................................................... 4-15
Twilight Sentinel
®
........................................ 4-14
Lap-Shoulder Belt ........................................... 2-23
LATCH System for Child Restraints ........... 2-35, 2-36
Latches, Seatback ............................................ 2-8
Lifting the Vehicle, Tires ................................... 6-86
Lighting
Entry/Exit ................................................... 4-15
Lights
Active Handling System ................................ 4-38
Airbag Readiness ........................................ 4-32
Antilock Brake System (ABS) Warning ............ 4-36
Brake System Warning ................................. 4-35
Exterior Lamps ............................................ 4-11
Flash-to-Pass ............................................... 4-5
Fog Lamps ................................................. 4-44
Highbeam On ............................................. 4-44
High/Low Beam Changer ................................ 4-5
Lights On Reminder ..................................... 4-44
7

Lights (cont.)
On Reminder .............................................. 4-12
One-to-Four Shift ......................................... 4-35
Passenger Airbag Status Indicator .................. 4-33
Safety Belt Reminders .................................. 4-31
Security ..................................................... 4-44
Tire Pressure .............................................. 4-39
Traction Control System (TCS) Warning .......... 4-37
Limited-Slip Rear Axle ..................................... 5-14
Loading Your Vehicle ....................................... 5-28
Locks
Automatic Door Lock .................................... 3-13
Door .......................................................... 3-10
Lockout Protection ....................................... 3-13
Power Door ................................................ 3-12
Programmable Automatic Door Unlock ............ 3-13
Loss of Control ............................................... 5-18
Lower Anchors and Tethers for Children ..... 2-35, 2-36
Lumbar
Power and Side Bolsters ................................ 2-3
M
Maintenance Schedule
Maintenance Record .................................... 7-13
Maintenance Replacement Parts .................... 7-11
Owner Checks and Services ........................... 7-8
Recommended Fluids and Lubricants ............... 7-9
Scheduled Maintenance ................................. 7-3
Malfunction Indicator Lamp ............................... 4-40
Manual Seats ................................................... 2-2
Manual Transmission
Fluid .......................................................... 6-33
Operation ................................................... 3-31
Memory Seat, Mirrors, Steering Wheel Controls ....... 2-4
Message
DIC Warnings and Messages ........................ 4-51
Mirrors
Automatic Dimming Rearview ........................ 3-38
Outside Automatic Dimming Mirror ................. 3-40
Outside Convex Mirror ................................. 3-40
Outside Heated Mirrors ................................ 3-41
Outside Power Mirrors .................................. 3-40
MP3 ............................................................. 4-90
N
Navigation System, Privacy .............................. 8-20
Navigation/Radio System,
see Navigation Manual ................................. 4-93
Net, Convenience ........................................... 3-50
New Vehicle Break-In ...................................... 3-21
O
Odometer ...................................................... 4-31
Off-Road
Recovery .................................................... 5-17
8

OilEngine ....................................................... 6-20
Engine Oil Life System ................................. 6-27
Engine Oil Pressure Gage ............................ 4-43
Older Children, Restraints ................................ 2-26
One-to-Four Shift Light .................................... 4-35
Online Owner Center ........................................ 8-5
OnStar, Privacy .............................................. 8-20
OnStar
®
System ............................................. 1-24
Operation, Universal Home Remote System ........ 3-41
Outlet Adjustment ............................................ 4-26
Outlets
Accessory Power ......................................... 4-20
Outside
Automatic Dimming Mirror ............................. 3-40
Convex Mirror ............................................. 3-40
Heated Mirrors ............................................ 3-41
Power Mirrors ............................................. 3-40
Overheated Engine Protection Operating Mode ..... 6-43
Owner Checks and Services .............................. 7-8
Owners, Canadian .............................................. iii
P
Paint, Damage .............................................. 6-100
Panel, Roof .................................................... 3-52
Park
Shifting Into ................................................ 3-33
Shifting Out of ............................................ 3-35
Parking
Brake ........................................................ 3-33
Over Things That Burn ................................. 3-35
Parking Your Vehicle ....................................... 3-35
Passenger Airbag Status Indicator ..................... 4-33
Passenger Compartment Air Filter ..................... 4-27
Passenger Sensing System .............................. 2-52
Passing ......................................................... 5-18
Perchlorate Materials Requirements,
California ..................................................... 6-4
Phone
Bluetooth
®
.................................................. 4-93
Power
Door Locks ................................................. 3-12
Electrical System ....................................... 6-102
Lumbar and Side Bolsters .............................. 2-3
Retained Accessory (RAP) ............................ 3-23
Seat ............................................................ 2-3
Steering Fluid ............................................. 6-44
Windows .................................................... 3-17
Pregnancy, Using Safety Belts .......................... 2-25
Privacy .......................................................... 8-18
Navigation System ....................................... 8-20
OnStar ....................................................... 8-20
Radio Frequency Identification (RFID) ............. 8-20
Program
Courtesy Transportation ................................ 8-11
Programmable Automatic Door Unlock ............... 3-13
Proposition 65 Warning, California ....................... 6-4
9

R
Racing or Other Competitive Driving .................. 5-19
Radio Frequency
Identification (RFID) ..................................... 8-20
Statement ................................................... 8-20
Radio(s) ........................................................ 4-79
Radios
Navigation/Radio System, see Navigation
Manual ................................................... 4-93
Reception ................................................. 4-105
Setting the Clock ......................................... 4-78
Theft-Deterrent .......................................... 4-103
Reading Lamps .............................................. 4-15
Rear Axle ...................................................... 6-58
Limited-Slip ................................................. 5-14
Rear Storage ................................................. 3-49
Rearview Mirrors
Automatic Dimming ...................................... 3-38
Reclining Seatbacks .......................................... 2-6
Recommended Fluids and Lubricants .................. 7-9
Recreational Vehicle Towing ............................. 5-33
Reimbursement Program, GM Mobility ................. 8-7
Remote, Keyless Access System ........................ 3-5
Removing the Roof Panel ................................ 3-52
Replacement Bulbs ......................................... 6-61
Replacement Parts
Maintenance ............................................... 7-11
Reporting Safety Defects
Canadian Government .................................. 8-16
General Motors ........................................... 8-16
U.S. Government ......................................... 8-16
Restraint System Check
Checking the Restraint Systems .................... 2-60
Replacing Restraint System Parts
After a Crash .......................................... 2-61
Retained Accessory Power (RAP) ...................... 3-23
Ride Control Systems
Active Handling ............................................. 5-8
Limited Slip Rear Axle .................................. 5-14
Selective .................................................... 5-14
Roadside Assistance Program ............................ 8-7
Rocking Your Vehicle to Get it Out .................... 5-28
Roof Panel .................................................... 3-52
Installing the Roof Panel ............................... 3-55
Removing the Roof Panel ............................. 3-52
Storing the Roof Panel ................................. 3-54
Run-Flat Tires ................................................ 6-71
Running the Vehicle While Parked ..................... 3-37
10

S
Safety Belts
Care of ...................................................... 6-95
Extender .................................................... 2-26
How to Wear Safety Belts Properly ................ 2-14
Lap-Shoulder Belt ........................................ 2-23
Reminders .................................................. 4-31
Safety Belts Are for Everyone ......................... 2-9
Use During Pregnancy ................................. 2-25
Safety Defects Reporting
Canadian Government .................................. 8-16
General Motors ........................................... 8-16
U.S. Government ......................................... 8-16
Safety Warnings and Symbols .............................. iv
Scheduled Maintenance ..................................... 7-3
Scheduling Appointments ................................. 8-11
Seatback Latches ............................................. 2-8
Seats
Heated Seats ............................................... 2-4
Memory, Mirrors ............................................ 2-4
Power Lumbar and Side Bolsters .................... 2-3
Power Seats ................................................. 2-3
Reclining Seatbacks ...................................... 2-6
Securing a Child Restraint
Right Front Seat Position .............................. 2-40
Security
Light .......................................................... 4-44
Selective Ride Control ..................................... 5-14
Service ........................................................... 6-3
Accessories and Modifications ......................... 6-3
Adding Equipment to the Outside of the
Vehicle ..................................................... 6-5
Doing Your Own Work ................................... 6-4
Engine Soon Lamp ...................................... 4-40
Parts Identification Label ............................. 6-101
Publications Ordering Information ................... 8-17
Scheduling Appointments .............................. 8-11
Servicing Your Airbag-Equipped Vehicle .............. 2-58
Setting the Clock ............................................ 4-78
Shifting
Out of Park ................................................ 3-35
Shifting Into Park ............................................ 3-33
Signals, Turn and Lane-Change .......................... 4-5
Specifications and Capacities .......................... 6-112
Speedometer .................................................. 4-31
Starting the Engine ......................................... 3-24
Steering ........................................................ 5-16
Steering Wheel Controls, Audio ....................... 4-104
Steering Wheel Controls, Memory ....................... 2-4
Steering Wheel, Tilt Wheel ................................. 4-3
11

Storage Areas
Center Console ........................................... 3-48
Convenience Net ......................................... 3-50
Cupholders ................................................. 3-48
Glove Box .................................................. 3-48
Rear .......................................................... 3-49
Storing the Roof Panel .................................... 3-54
Stuck in Sand, Mud, Ice, or Snow ..................... 5-27
Sun Visors ..................................................... 3-18
T
Tachometer .................................................... 4-31
Taillamps
Turn Signal, and Stoplamps .......................... 6-61
Text Telephone (TTY) Users ............................... 8-6
Theft - Deterrent System .................................. 3-18
Theft-Deterrent Feature .................................. 4-103
Theft-Deterrent Systems .......................... 3-18, 3-20
Immobilizer ................................................. 3-20
Tilt Wheel ........................................................ 4-3
Time, Setting .................................................. 4-78
Tires ............................................................. 6-64
Aluminum or Chrome-Plated Wheels,
Cleaning ................................................. 6-99
Buying New Tires ........................................ 6-79
Chains ....................................................... 6-86
Cleaning .................................................... 6-99
Tires (cont.)
Different Size .............................................. 6-81
High-Speed Operation .................................. 6-74
If a Tire Goes Flat ....................................... 6-91
Inflation - Tire Pressure ................................ 6-72
Inspection and Rotation ................................ 6-78
Lifting the Vehicle ........................................ 6-86
Pressure Light ............................................. 4-39
Pressure Monitor Operation ........................... 6-76
Pressure Monitor System .............................. 6-74
Run-Flat ..................................................... 6-71
Sidewall Labeling ......................................... 6-66
Terminology and Definitions ........................... 6-68
Uniform Tire Quality Grading ......................... 6-82
Wheel Alignment and Tire Balance ................. 6-83
Wheel Replacement ..................................... 6-83
When It Is Time for New Tires ...................... 6-78
Winter ........................................................ 6-65
Towing
Recreational Vehicle ..................................... 5-33
Towing a Trailer .......................................... 5-33
Your Vehicle ............................................... 5-33
Traction
Active Handling System ................................. 5-8
Control System (TCS) .................................... 5-6
Control System Warning Light ....................... 4-37
Limited-Slip Rear Axle .................................. 5-14
Selective Ride Control .................................. 5-14
12

Transmission
Fluid, Automatic ........................................... 6-32
Fluid, Manual .............................................. 6-33
One-to-Four Shift Light ................................. 4-35
Transmission Operation, Automatic .................... 3-26
Transmission Operation, Manual ........................ 3-31
Transportation Program, Courtesy ...................... 8-11
Trunk/Hatch ................................................... 3-14
Turn and Lane-Change Signals .......................... 4-5
Turn Signal/Multifunction Lever ........................... 4-4
Twilight Sentinel
®
............................................ 4-14
U
Uniform Tire Quality Grading ............................ 6-82
Universal Home Remote System ....................... 3-41
Operation ................................................... 3-41
V
Vehicle
Control ........................................................ 5-3
Loading ...................................................... 5-28
Parking Your ............................................... 3-35
Running While Parked .................................. 3-37
Symbols ......................................................... iv
Vehicle Data Recording and Privacy .................. 8-18
Vehicle Identification
Number (VIN) ............................................ 6-101
Service Parts Identification Label .................. 6-101
Vehicle Personalization
DIC ........................................................... 4-69
Ventilation Adjustment ...................................... 4-26
Visors ........................................................... 3-18
Voltmeter Gage .............................................. 4-34
W
Warning Lights, Gages, and Indicators ............... 4-28
Warnings
DIC Warnings and Messages ........................ 4-51
Hazard Flashers ............................................ 4-3
Safety and Symbols ......................................... iv
Wheels
Alignment and Tire Balance .......................... 6-83
Different Size .............................................. 6-81
Replacement ............................................... 6-83
When It Is Time for New Tires .......................... 6-78
Windows ....................................................... 3-16
Power ........................................................ 3-17
Windshield
Replacement ............................................... 6-62
Washer ........................................................ 4-6
Washer Fluid .............................................. 6-45
13

Windshield (cont.)
Wiper Blade Replacement ............................. 6-62
Wiper Blades, Cleaning ................................ 6-97
Wiper Fuses ............................................. 6-102
Wipers ......................................................... 4-6
Winter Driving ................................................ 5-25
Winter Tires ................................................... 6-65
Wiper Activated Headlamps .............................. 4-12
X
XM Radio Messages ....................................... 4-92
XM™ Satellite Radio
Antenna ................................................... 4-106
14