Chevrolet 2013 Tahoe Owners Manual 00 Introduction_en_US 1..4
2015-03-09
: Chevrolet Chevrolet-2013-Tahoe-Owners-Manual-590789 chevrolet-2013-tahoe-owners-manual-590789 chevrolet pdf
Open the PDF directly: View PDF
.
Page Count: 60
- 2013 Chevrolet Tahoe Police andSpecial Service Packages BookTOC
- Introduction
- Keys, Doors, and Windows
- Seats and Restraints
- Instruments and Controls
- Lighting
- Driving and Operating
- Vehicle Care
- Technical Data
- Special Equipment Options
- SEO Standard Options
- SEO Available Options
- Dual Battery System - SEO 6A6
- Exterior Lamp Emergency Flashing System - SEO 6J7
- Inactive Rear Door Handles - SEO 6B2
- Inactive Rear Door Locks - SEO 6N6
- Inactive Rear Door Windows - SEO 6N5
- Spotlamp - SEO 7X6
- Spotlamps - SEO 7X7
- Wiring Provisions for Emergency Vehicle Roof Light - SEO TRW
- Wiring Provisions for Horn/Siren Circuit - SEO 6J4
- Wiring Provisions for Vehicle Grille Lamps and Speaker/Siren - SEO 6J3
- Wiring Provisions Front Speakers - SEO WX7
- Index

Black plate (1,1)
Chevrolet Tahoe Police and Special Service Packages - 2013 - CRC - 3/30/12
2013 Chevrolet Tahoe Police and
Special Service Packages M
Keys, Doors, and
Windows .................... 2-1
Keys and Locks . . . . . . . . . . . . . . . 2-1
Seats and Restraints . . . . . . . . . 3-1
Airbag System . . . . . . . . . . . . . . . . . 3-1
Instruments and Controls . . . . 5-1
Warning Lights, Gauges, and
Indicators . . . . . . . . . . . . . . . . . . . . 5-2
Information Displays . . . . . . . . . . . 5-3
Lighting . . . . . . . . . . . . . . . . . . . . . . . 6-1
Exterior Lighting . . . . . . . . . . . . . . . 6-1
Driving and Operating . . . . . . . . 9-1
Driving Information . . . . . . . . . . . . . 9-1
Starting and Operating . . . . . . . . . 9-4
Towing.........................9-5
Vehicle Care . . . . . . . . . . . . . . . . . 10-1
Wheels and Tires . . . . . . . . . . . . . 10-1
Appearance Care . . . . . . . . . . . . . 10-2
Technical Data . . . . . . . . . . . . . . . 12-1
Vehicle Data . . . . . . . . . . . . . . . . . . 12-2
Special Equipment
Options . . . . . . . . . . . . . . . . . . . . . 15-1
SEO Standard Options . . . . . . . 15-2
SEO Available Options . . . . . . 15-10
Index ..................... i-1

Black plate (2,1)
Chevrolet Tahoe Police and Special Service Packages - 2013 - CRC - 3/30/12
ii Introduction
The names, logos, emblems,
slogans, vehicle model names, and
vehicle body designs appearing in
this manual including, but not limited
to, GM, the GM logo, CHEVROLET,
the CHEVROLET Emblem, and
TAHOE are trademarks and/or
service marks of General Motors
LLC, its subsidiaries, affiliates,
or licensors.
This manual describes features that
may or may not be on your specific
vehicle either because they are
options that you did not purchase or
due to changes subsequent to the
printing of this owner manual.
Please refer to the purchase
documentation relating to your
specific vehicle to confirm each of
the features found on your vehicle.
For vehicles first sold in Canada,
substitute the name “General
Motors of Canada Limited”for
Chevrolet Motor Division wherever it
appears in this manual.
The Tahoe Police Package
(SEO PPV) is designed for police
work up to and including high‐speed
emergency vehicle operations.
The Tahoe Special Service Package
(SEO 5W4) is neither designed nor
intended for use in high‐speed
emergency vehicle operations.
Canadian Vehicle Owners
Propriétaires Canadiens
A French language copy of this
manual can be obtained from your
dealer or from:
On peut obtenir un exemplaire de
ce guide en français auprès du
concessionnaire ou à l'adresse
suivante:
Helm, Incorporated
Attention: Customer Service
47911 Halyard Drive
Plymouth, MI 48170
Litho in U.S.A.
Part No. 20955138 A First Printing ©2012 General Motors LLC. All Rights Reserved.

Black plate (3,1)
Chevrolet Tahoe Police and Special Service Packages - 2013 - CRC - 3/30/12
Introduction iii
Using this Supplement
This supplement contains
information specific to the unique
components of the vehicle. It does
not explain everything you need to
know about the vehicle. Read this
supplement along with the owner
manual to learn about the vehicle's
features and controls.
Index
A good place to look for what you
need is the Index in back of this
supplement. It is an alphabetical list
of what is in the supplement, and
the page number where you will
find it.

Black plate (4,1)
Chevrolet Tahoe Police and Special Service Packages - 2013 - CRC - 3/30/12
iv Introduction
2NOTES

Black plate (1,1)
Chevrolet Tahoe Police and Special Service Packages - 2013 - CRC - 3/30/12
Keys, Doors, and Windows 2-1
Keys, Doors, and
Windows
Keys and Locks
Specific Cylinder Unit for Single
Key - Random Code
System . . . . . . . . . . . . . . . . . . . . . . 2-1
Keys and Locks
Specific Cylinder Unit for
Single Key - Random
Code System
If your vehicles are equipped with
one of these options, the entire fleet
of vehicle locks can be operated
with one key.
.SEO 6E2 - Specific Fleet
Key Code
.SEO 6E8 - Specific Fleet
Key Code
Your vehicle will be equipped with a
standard production random key
code if one of the optional fleet
codes was not ordered.
A maximum of 10 keys may be
learned for a vehicle immobilizer
(Passkey III+) with a random key
code. Vehicles with the specific fleet
key option (SEO 6E2 or SEO 6E8)
may have an unlimited number of
keys learned using one of the
original master keys.
For specific key code information,
contact your dealer.
Your vehicles will be equipped with
a key cylinder in the ignition lock
and the driver door only. Remote
keyless entry (RKE) is a standard
feature and operates all other doors
and the rear liftgate. Six additional
RKE transmitters may have been
ordered with your vehicle. See your
dealer for additional information
regarding availability of more
RKE units for your vehicle.
The RKE transmitter for your police
vehicle has the vehicle locator/panic
alarm button disabled. The horn will
not sound and the exterior lights will
not flash when the button is
pressed.

Black plate (2,1)
Chevrolet Tahoe Police and Special Service Packages - 2013 - CRC - 3/30/12
2-2 Keys, Doors, and Windows
Remote Keyless Entry
Transmitter Programming -
SEO AMF - Fleet Package of 6
Unprogrammed Remote Units
Do not operate or program the
transmitters in the vicinity of other
vehicles that are in the keyless
entry program mode. This prevents
the programming of the transmitters
to the incorrect vehicle.
When programming SEO AMF
transmitters, the original two
transmitters delivered with the
vehicle must also be programmed at
the same time or they will not
function with the vehicle.
Up to eight transmitters may be
programmed to the RKE on Police
and Special Service Package
equipped vehicles. The first four
transmitters are given the position of
#1-#4 in the RKE. Any further
transmitters will also be assigned to
position #4.
Verify that the proper transmitters
are learned to the vehicle. Do not
learn a transmitter with a remote
start button to a vehicle that does
not have remote start.
To access this DIC display, the
vehicle must be in P (Park). To
match a remote keyless entry
transmitter to the vehicle, do the
following:
1. Press the trip odometer reset
stem until RELEARN REMOTE
KEY displays.
2. Press and hold the trip reset
stem for three seconds. The
message REMOTE KEY
LEARNING ACTIVE will display.
3. At the same time, press and
hold Qand Kon the first
transmitter for approximately
15 seconds. A beep will sound
indicating the transmitter is
matched to the vehicle.
4. Repeat Step 3 to match up to
five more transmitters. A total of
eight transmitters can be
matched per vehicle.
5. To exit the programming
mode, turn the ignition key
to LOCK/OFF.

Black plate (1,1)
Chevrolet Tahoe Police and Special Service Packages - 2013 - CRC - 3/30/12
Seats and Restraints 3-1
Seats and
Restraints
Airbag System
Questions and Answers About
Airbags and Specialty Law
Enforcement Vehicles . . . . . . . 3-1
Notices for Customer Installed
Equipment . . . . . . . . . . . . . . . . . . . 3-3
Airbag Deployment
Diagrams . . . . . . . . . . . . . . . . . . . . 3-4
Airbag System
Questions and Answers
About Airbags and
Specialty Law
Enforcement Vehicles
Q: Can equipment such as radar
devices, video cameras, and
radio trees be mounted in a
specialty vehicle equipped
with a right front passenger
frontal airbag?
A: Yes, but care must be taken to
properly mount the equipment
outside of the airbag
“deployment zone.”
Q: What is the airbag
“deployment zone”?
A: The term “deployment zone”
describes the space an airbag
takes up when fully inflated.
Airbags need room to work
properly, and anything in the
“deployment zone” — such
as improperly mounted
equipment —can greatly affect
the performance of the airbag.
{WARNING
Airbags inflate with great force,
faster than the blink of an eye. No
objects, such as shotguns, should
be placed over or near the airbag
covers. Equipment mounted too
close to an inflating airbag could
break and become a dangerous
projectile in a crash, causing
injury to the vehicle's occupants.
Also, an object too close to an
inflating airbag could prevent the
airbag from operating properly.
If this ever happens, the airbag
would not be able to protect
occupants the way it was
designed to. To help prevent
injury and to allow the airbag to
perform as it was designed, do
not mount equipment inside the
airbag deployment zone.

Black plate (2,1)
Chevrolet Tahoe Police and Special Service Packages - 2013 - CRC - 3/30/12
3-2 Seats and Restraints
Q: How can I identify the airbag
“deployment zone”in my
vehicle?
A: See Airbag Deployment
Diagrams on page 3‑4for more
information. The diagrams
provide the approximate
dimensions of the “deployment
zones”for your specialty vehicle.
Before doing any service work,
including the installation of any
equipment, consult the
appropriate service manual.
Q: Is it possible to shield
equipment so it does not
interfere with airbag
deployment?
A: While shielding may protect
certain equipment from being
damaged or dislodged, it may
also negatively affect how an
airbag inflates. Therefore, we
cannot recommend the
placement of any equipment in
the deployment zone, even
when shielding.
Q: Can the installation of push
bumpers on the front end of
the vehicle affect the
deployment of the airbag?
A: It is not likely that installing push
bumpers will affect sensing for
the airbag as long as the vehicle
structure itself is not modified.
GM is not aware of any adverse
defects from the many push
bumpers that have been
installed on current model GM
police vehicles with airbags.
Q: Is there anything I might add
to the front or sides of the
vehicle that could keep the
airbags from working
properly?
A: Yes. If you add things that
change your vehicle's frame,
bumper system, height, front end
or side sheet metal, they may
keep the airbag system from
working properly. Also, the
airbag system may not work
properly if you relocate any of
the airbag sensors.
If you have any questions
about this, you should contact
Customer Assistance before you
modify your vehicle. The phone
numbers and addresses for
Customer Assistance are in
Step Two of the Customer
Satisfaction Procedures in the
owner manual. See “Customer
Satisfaction Procedure”in the
owner manual Index.
The service manual has information
about the location of the airbag
sensors, sensing and diagnostic
module, and airbag wiring. See
“Service Publications Ordering
Information”in the owner manual.

Black plate (3,1)
Chevrolet Tahoe Police and Special Service Packages - 2013 - CRC - 3/30/12
Seats and Restraints 3-3
Notices for Customer
Installed Equipment
Read the following notices before
installing equipment on your
specialty vehicle.
Notice: GM-approved service
procedures must be followed
to remove and reinstall the
instrument panel to the pad in
order to ensure proper airbag
deployment.
Notice: Do not mount equipment
on the passenger side of the
instrument panel top pad
deployment zone. Equipment
should not be mounted on or
around the passenger airbag
opening because of a deploying
airbag. To allow the airbag to
perform as it was designed, do
not mount equipment inside the
airbag deployment zone.
Notice: The police vehicle has
roof-rail airbags. Do not mount a
security barrier such that the
ends of the barrier or brackets
are within the roof-rail
deployment zones.
Notice: The police vehicle has
roof-rail airbags and a rollover
sensor. The rollover sensor is
mounted on the centerline of the
vehicle between the driver and
right front passenger positions.
If the vehicle has bucket seats,
the rollover sensor will be
exposed. Do not mount
equipment within 25 mm (1 in) of
the rollover sensor. This may
affect the performance of the
airbag system. To allow the
airbags to perform as they are
designed, do not mount
equipment near this area.
Notice: Avoid installing wiring for
roof-rail emergency lighting or
radio antennas that may restrict
the proper deployment of the
roof-rail airbags.

Black plate (4,1)
Chevrolet Tahoe Police and Special Service Packages - 2013 - CRC - 3/30/12
3-4 Seats and Restraints
Airbag Deployment Diagrams
Instrument Panel Top View –Approximate Airbag Deployment Zone
A. Passenger Side Instrument
Panel Top Surface Zone
B. Passenger Side Airbag Module
Trim Panel —Rear Edge
C. Passenger Side Door
D. Approximate Dimensions of
Inflated Airbag
E. Passenger Side Airbag
Deployment Zone
F. Passenger Centerline
G. Inside Rearview Mirror
H. Vehicle Centerline
I. Driver Centerline
J. Driver Side Airbag
Deployment Zone
K. Front of Steering Wheel
L. Driver Side Door
M. Shift Selector Arc
See Notices for Customer Installed
Equipment on page 3‑3for more
information.

Black plate (5,1)
Chevrolet Tahoe Police and Special Service Packages - 2013 - CRC - 3/30/12
Seats and Restraints 3-5
Side View of Driver Side Airbag
Deployment Zone
A. Top Edge of Windshield
B. Top of Instrument Panel
C. Inflated Airbag —Steering
Wheel
D. Centerline of Steering Column
at Mid-Tilt
E. Driver Airbag Deployment Zone
F. Front of Steering Wheel
See Notices for Customer Installed
Equipment on page 3‑3for more
information.
Side View of Passenger Side
Airbag Deployment Zone
A. Top Edge of Windshield
B. Inside Rearview Mirror
C. Instrument Panel Top
Surface Zone
D. Passenger Side Airbag Module
Trim Panel —Rear Edge
E. Inflated Airbag —Horizontal
Dimension (Approximate
390 mm (15.4 in))
F. Inflated Airbag —Vertical
Dimension (Approximate
490 mm (19.3 in))
G. Inflated Airbag —Instrument
Panel
H. Passenger Airbag
Deployment Zone
See Notices for Customer Installed
Equipment on page 3‑3for more
information.

Black plate (6,1)
Chevrolet Tahoe Police and Special Service Packages - 2013 - CRC - 3/30/12
3-6 Seats and Restraints
Roof-rail and Seat-mounted Side Impact Airbag Deployment Zones -
Passenger Side shown, Driver Side similar
A. Front of Deployment Zone at
Front Upper Corner of Front
Door Pad
B. Windshield Pillar Trim with Grab
Handle
C. Visor
D. Deployment Zone
E. Top of Deployment Zone —
Along Roof-rail at Edge of
Headliner
F. Back of Deployment Zone —At
Rear Top Corner of Rear
Door Pad
G. Rear Quarter Window
H. Top Edge of Interior
Quarter Trim
I. Bottom of Airbag Deployment
Zone —Parallel to Outside
Bottom Edge of Rear Quarter
Glass
J. Dimension at Mirror Patch from
Top Edge of Front Door Pad
K. Center of Door Trim Pull Handle
L. Top Surface of Outboard Seat
Cushion
M. Top Edge of Front Door Pad
N. Back Edge of Center Pillar Trim
O. Top Edge of Rear Door Pad
P. Bottom Outside Edge of Rear
Quarter Window
See Notices for Customer Installed
Equipment on page 3‑3for more
information.

Black plate (7,1)
Chevrolet Tahoe Police and Special Service Packages - 2013 - CRC - 3/30/12
Seats and Restraints 3-7
Roof-rail and Seat-mounted Side Impact Airbag Driver and Passenger
Deployment Zones - View from Rear Cargo Area
A. Roof-rail Airbag
Deployment Zone
B. Underside of Headliner
C. Edge of Headliner
D. Inner Center Pillar Trim
E. Bottom of Door Windows
F. Front Seat Headrest
G. Seat Centerline
H. Inner Door Pad
I. Seat-mounted Side Impact
Airbag deployment Zone —
Front Seat
J. Top Surface of Outboard Front
Seat Cushion
See Notices for Customer Installed
Equipment on page 3‑3for more
information.

Black plate (8,1)
Chevrolet Tahoe Police and Special Service Packages - 2013 - CRC - 3/30/12
3-8 Seats and Restraints
2NOTES

Black plate (1,1)
Chevrolet Tahoe Police and Special Service Packages - 2013 - CRC - 3/30/12
Instruments and Controls 5-1
Instruments and
Controls
Warning Lights, Gauges, and
Indicators
Instrument Cluster . . . . . . . . . . . . 5-2
Speedometer . . . . . . . . . . . . . . . . . 5-3
Odometer . . . . . . . . . . . . . . . . . . . . . 5-3
Information Displays
Driver Information
Center (DIC) . . . . . . . . . . . . . . . . . 5-3

Black plate (2,1)
Chevrolet Tahoe Police and Special Service Packages - 2013 - CRC - 3/30/12
5-2 Instruments and Controls
Warning Lights, Gauges, and Indicators
Instrument Cluster
Tahoe Police Package 6-Speed Automatic Transmission (English Shown, Metric Similar)

Black plate (3,1)
Chevrolet Tahoe Police and Special Service Packages - 2013 - CRC - 3/30/12
Instruments and Controls 5-3
The Tahoe Special Service Package
instrument panel cluster is similar to
the Tahoe Police Package
instrument panel cluster, except that
the maximum speed displayed is
lower and additional indicators may
be present. See “Instrument Cluster”
in the Index of your owner manual
for more information.
Speedometer
Your speedometer lets you see your
speed in both kilometers per hour
(km/h) and miles per hour (mph).
The speedometer for the Tahoe
Police Package (SEO PPV) displays
a maximum vehicle speed of
225 km/h (140 mph). The
speedometer for the Tahoe Special
Service Package (SEO 5W4)
displays a maximum vehicle speed
of 193 km/h (120 mph). The Tahoe
Special Service Package is not
designed nor intended for use in
high-speed emergency vehicle
operations.
Odometer
Your odometer shows how far your
vehicle has been driven, either in
kilometers or miles.
Information Displays
Driver Information
Center (DIC)
The Tahoe Police Package and
Special Service Packages do not
have DIC buttons. You can turn off
or acknowledge the available DIC
messages by using the trip
odometer reset stem located on the
instrument panel cluster.
The DIC will display engine running
hours.
See the owner manual for additional
information on the DIC.

Black plate (4,1)
Chevrolet Tahoe Police and Special Service Packages - 2013 - CRC - 3/30/12
5-4 Instruments and Controls
2NOTES

Black plate (1,1)
Chevrolet Tahoe Police and Special Service Packages - 2013 - CRC - 3/30/12
Lighting 6-1
Lighting
Exterior Lighting
Exterior Lamp Controls . . . . . . . . 6-1
Exterior Lighting
Exterior Lamp Controls
The following exterior lighting
features apply to vehicles first sold
in the United States.
The vehicle has Daytime Running
Lamps (DRL) and an Automatic
Headlamp System (AHS). The DRL
and AHS can be turned to OFF with
the headlamp switch when the
transmission is in P (Park) and the
engine is at idle. If the engine is not
turned off, the DRL and AHS will
remain OFF when the transmission
is placed in gear. The vehicle may
be driven with the lamps off for one
ignition cycle.
The vehicle may have been built
with SEO 9G8, DRL AND AHS
DISABLE. This feature turns off
DRL and AHS and requires manual
control of the exterior lighting. See
your dealer to restore the DRL and
AHS to normal operation.
For vehicles first sold in Canada,
the DRL and AHS can be turned off
if the transmission is in P (Park).
See “DRL”in the owner manual.
Special Features
The following standard features are
disabled in the Police Package and
Special Service Package.
.Entry Lighting and Exit Lighting
.Remote Keyless Entry Feedback
(Horn Beep) and (Lamps Flash)
Automatic Door Locking is standard.
If you need it disabled, see your
dealer.
The vehicle may have SEO UTQ
which disables the theft deterrent
system visual and audible warning.
See “Vehicle Security”in the owner
manual.

Black plate (2,1)
Chevrolet Tahoe Police and Special Service Packages - 2013 - CRC - 3/30/12
6-2 Lighting
2NOTES

Black plate (1,1)
Chevrolet Tahoe Police and Special Service Packages - 2013 - CRC - 3/30/12
Driving and Operating 9-1
Driving and
Operating
Driving Information
Vehicle Load Limits . . . . . . . . . . . 9-1
Starting and Operating
Fast Idle System . . . . . . . . . . . . . . 9-4
Towing
Trailer Towing . . . . . . . . . . . . . . . . . 9-5
Driving Information
Vehicle Load Limits
The information in this section of the
supplement is for those who intend
to install additional equipment to the
police vehicle after it has left the
factory, and for those who will be
driving and loading the vehicle with
passengers and/or cargo.
Two labels on your vehicle show
how much weight it was designed to
carry, the Tire and Loading
Information label and the
Certification/Tire label. These labels
are attached to your vehicle and
give you the maximum load
capacity, the Gross Vehicle Weight
Rating (GVWR) and the Gross Axle
Weight Rating (GAWR) for your
vehicle. See “Vehicle Load Limits”in
the owner manual Index for
additional loading information.
The following guidelines can help
you with proper loading and load
distribution when installing
additional equipment on the
Tahoe Police Package.
{WARNING
Do not load the vehicle any
heavier than the Gross
Vehicle Weight Rating
(GVWR), or either the
maximum front or rear Gross
Axle Weight Rating (GAWR).
This can cause systems to
break and change the way the
vehicle handles. This could
cause loss of control and a
crash. Overloading can also
shorten the life of the vehicle.

Black plate (2,1)
Chevrolet Tahoe Police and Special Service Packages - 2013 - CRC - 3/30/12
9-2 Driving and Operating
Adding Equipment to Your
Vehicle
Before adding accessories or
equipment to your police vehicle,
there are some things you need
to know:
.The police vehicle's maximum
capacity weight.
.The weight of your police
vehicle, including a full tank of
fuel but without a driver and
passengers.
.The weight of items you plan on
adding to your police vehicle,
like roof mounted light bar(s),
push bumpers, security
barrier(s), rear storage
organizer, highway flares, fire
extinguishers, weapons,
ammunition, radios, and video
equipment.
.The weight and number of
passengers you intend to carry
in your vehicle.
.The total weight of any
additional cargo you intend to
carry in your vehicle.
When planning your vehicle
equipment installation remember not
to exceed the Gross Vehicle Weight
Rating (GVWR) or the Gross Axle
Weight Rating (GAWR) of the front
or rear axles. To keep the available
load weight less than the vehicle
capacity weight, you may need to
limit the number of passengers you
carry in your vehicle or change your
choice of additional equipment.
Center of Gravity (CG)
A vehicle's center of gravity is an
imaginary location inside the vehicle
and is a balance point for the
vehicle mass as it moves down the
road. The police vehicle's center of
gravity, before you add a load and
passengers, is approximately
midway between the center of the
axles, up from the ground to just
below the front window, and
between the driver and passenger.
Equipment location and weight on
the vehicle's center of gravity is
important to keep in mind when
planning an installation. Heavy
equipment should be positioned as
low and as far forward in the rear
load compartment as possible. Try
to mount the equipment below the
bottom of the side windows. Refer
to the Loading Zone chart and
diagram to help with your
installation plan.
A procedure to make the necessary
measurements and formulas to
calculate the vehicle longitudinal,
lateral and vertical position of the
center of gravity can be found in the
GM Coachbuilders Manual.
Equipment required to conduct the
measurements for calculating the
center of gravity are:
.Weight scales of sufficient
capacity to measure the vehicle
weight at each wheel.

Black plate (3,1)
Chevrolet Tahoe Police and Special Service Packages - 2013 - CRC - 3/30/12
Driving and Operating 9-3
.A post‐type hoist or other means
to safely elevate the front of the
vehicle to at least an angle of
20 degrees above horizontal.
See your GM dealer to get more
information about this coachbuilder
procedure.
Keeping the center of gravity
midway between the axles is also
important to provide proper braking
performance. About half the total
vehicle weight on each axle is
recommended.
Weigh your vehicle after the
additional equipment has been
installed to determine the actual
weight of your vehicle. Weigh the
vehicle with a full tank of fuel and
without passengers. You may need
to put a limit on how many people or
other equipment you can carry
inside your vehicle after the
additional equipment has been
installed.
Loading Zones
A. Front Floor to Roof Zone Area
B. Front Roof Zone Area
C. Back of Front Door
D. Rear Roof Zone Area
E. Rear Floor to Roof Zone Area
F. Ground

Black plate (4,1)
Chevrolet Tahoe Police and Special Service Packages - 2013 - CRC - 3/30/12
9-4 Driving and Operating
Loading Zone Weight Chart
Loading Zones
Front Axle
Weight
Rear Axle
Weight Total
Roof 14 kg (30 lbs) 18 kg (41 lbs) 32 kg (71 lbs)
Floor to Roof 49 kg (108 lbs) 195 kg (429 lbs) 244 kg (537 lbs)
Total 63 kg (138 lbs ) 213 kg (470 lbs) 276 kg (608 lbs)
Using heavier suspension
components to get added durability
might not change your weight
ratings. Ask your dealer to help you
load your vehicle the right way.
Starting and
Operating
Fast Idle System
While parked with the engine idling
for an extended period, turn off the
following factory equipment if
emergency lighting and
communication equipment are
operating:
.Air Conditioner
.Fan
.Rear Window Defogger
.Factory Audio System
See “Running the Vehicle While
Parked”in the owner manual.
Engine Idle Speed - Alternator
Output
Normal idle speed for the engine is
set for 600 rpm. To increase
alternator output while the
transmission remains in P (Park) or
N (Neutral), and the electrical load
on the alternator is large enough,
the engine idle speed can rise to as
high as 800 to 1000 rpm.

Black plate (5,1)
Chevrolet Tahoe Police and Special Service Packages - 2013 - CRC - 3/30/12
Driving and Operating 9-5
Towing
Trailer Towing
The Tahoe Police Package (SEO
PPV) is not intended to tow a trailer.
The Tahoe Special Service Package
(SEO 5W4) can be equipped for
trailer towing. See “Trailer Towing”
in the owner manual for more
information.

Black plate (6,1)
Chevrolet Tahoe Police and Special Service Packages - 2013 - CRC - 3/30/12
9-6 Driving and Operating
2NOTES

Black plate (1,1)
Chevrolet Tahoe Police and Special Service Packages - 2013 - CRC - 3/30/12
Vehicle Care 10-1
Vehicle Care
Wheels and Tires
Tires . . . . . . . . . . . . . . . . . . . . . . . . . 10-1
Tire Pressure Monitor
System . . . . . . . . . . . . . . . . . . . . . 10-1
Appearance Care
Floor Mats . . . . . . . . . . . . . . . . . . . 10-2
Wheels and Tires
Tires
Tahoe Police and Special
Service Packages
Refer to the Tire and Loading
Information label, located on the
driver B-pillar, for information
regarding tire sizes, speed
ratings, and recommended tire
inflation pressures. See "Tire
and Loading Information Label"
under Vehicle Load Limits in the
owner manual for more
information. The Special Service
Package is not designed nor
intended for use in high‐speed
emergency vehicle operations.
Wheels
Metal hub caps are standard
with SEO PPV. These caps are
bolted to the wheels and do not
require removal when rotating or
removing the wheels. Loosening
or tightening the decorative
wheel attachment nuts can be
done with the hub caps in place.
Tire Pressure Monitor
System
The Tahoe Police and Special
Service Packages may have a Tire
Pressure Monitor System (TPMS).
Sensors are mounted on each tire
and wheel assembly. Only the
Tahoe Police Package (SEO PPV)
has a TPM sensor in the full‐size
spare tire and wheel assembly. The
TPM system will not monitor or
display the spare tire's air pressure
until it is installed onto one of the
four tire/wheel positions on your
vehicle.
Once installed, the spare tire's
sensor code must be matched its
new tire/wheel position on your
vehicle. See “Tire Pressure Monitor
System”in your owner manual
Index for information about the
TPM system.

Black plate (2,1)
Chevrolet Tahoe Police and Special Service Packages - 2013 - CRC - 3/30/12
10-2 Vehicle Care
Appearance Care
Floor Mats
{WARNING
If a floor mat is the wrong size or
is not properly installed, it can
interfere with the pedals.
Interference with the pedals can
cause unintended acceleration
and/or increased stopping
distance which can cause a crash
and injury. Make sure the floor
mat does not interfere with the
pedals.
Use the following guidelines for
proper floor mat usage.
.The original equipment floor
mats were designed for the
vehicle. If the floor mats need
replacing, it is recommended
that GM certified floor mats be
purchased. Non-GM floor mats
may not fit properly and may
interfere with the pedals. Always
check that the floor mats do not
interfere with the pedals.
.Use the floor mat with the
correct side up. Do not turn
it over.
.Do not place anything on top of
the driver side floor mat.
.Use only a single floor mat on
the driver side.
.Do not place one floor mat on
top of another.

Black plate (2,1)
Chevrolet Tahoe Police and Special Service Packages - 2013 - CRC - 3/30/12
12-2 Technical Data
Vehicle Data
Capacities and Specifications
Capacities
Application Capacities
Metric English
Cooling System 17.1 L 18.1 quarts

Black plate (1,1)
Chevrolet Tahoe Police and Special Service Packages - 2013 - CRC - 3/30/12
Special Equipment Options 15-1
Special Equipment
Options
SEO Standard Options
SEO Standard Options -
Police Package and Special
Service Package . . . . . . . . . . . 15-2
Wiring Provisions for 12-Volt
Battery Power Supply . . . . . . 15-3
Auxiliary Battery Power
Junction Blocks . . . . . . . . . . . . 15-9
Equipment Grounding Studs
- Rear Compartment . . . . . . 15-10
Radio Suppression
Grounding Straps . . . . . . . . . 15-10
SEO Available Options
Dual Battery System -
SEO 6A6 . . . . . . . . . . . . . . . . . . 15-10
Exterior Lamp Emergency
Flashing System -
SEO 6J7 . . . . . . . . . . . . . . . . . . 15-11
Inactive Rear Door Handles -
SEO 6B2 . . . . . . . . . . . . . . . . . . 15-14
Inactive Rear Door Locks -
SEO 6N6 . . . . . . . . . . . . . . . . . 15-14
Inactive Rear Door Windows
- SEO 6N5 . . . . . . . . . . . . . . . . 15-14
Spotlamp - SEO 7X6 . . . . . . . 15-14
Spotlamps - SEO 7X7 . . . . . . 15-14
Wiring Provisions for
Emergency Vehicle Roof
Light - SEO TRW . . . . . . . . . 15-15
Wiring Provisions for Horn/
Siren Circuit - SEO 6J4 . . . 15-20
Wiring Provisions for Vehicle
Grille Lamps and Speaker/
Siren - SEO 6J3 . . . . . . . . . . 15-22
Wiring Provisions Front
Speakers - SEO WX7 . . . . . 15-24

Black plate (2,1)
Chevrolet Tahoe Police and Special Service Packages - 2013 - CRC - 3/30/12
15-2 Special Equipment Options
SEO Standard
Options
SEO Standard Options -
Police Package and
Special Service Package
Notice: GM cannot be
responsible for any changes
made to the vehicle. Have all
electrical and body modifications
performed by experienced
technicians.
.Be sure that any modified or
added wiring will work
properly with your vehicle's
wiring system.
.See that all wiring is properly
protected by fuses, and not
causing an overload to
connectors and components.
.Do not route wiring in
areas of the vehicle where
temperatures can be high or
where wiring may be cut,
pinched or rubbed.
.See that all added wiring is
of the same or smaller gauge
than the wire it is being
attached to for proper fuse
protection.
.Be sure that all holes drilled
in the body are properly
sealed and corrosion
protected. See that the
vehicle's wiring harnesses,
piping and other components
have not been displaced or
damaged during customer
installations of equipment
and wiring.

Black plate (3,1)
Chevrolet Tahoe Police and Special Service Packages - 2013 - CRC - 3/30/12
Special Equipment Options 15-3
Wiring Provisions for
12-Volt Battery Power
Supply

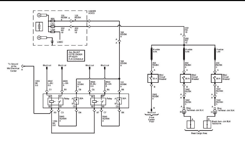
Black plate (4,1)
Chevrolet Tahoe Police and Special Service Packages - 2013 - CRC - 3/30/12
15-4 Special Equipment Options
Wiring Provisions ‐12‐Volt Battery Power

Black plate (5,1)
Chevrolet Tahoe Police and Special Service Packages - 2013 - CRC - 3/30/12
Special Equipment Options 15-5

Black plate (6,1)
Chevrolet Tahoe Police and Special Service Packages - 2013 - CRC - 3/30/12
15-6 Special Equipment Options
The vehicle is equipped with wiring
provisions for a 12-volt battery
power supply. Refer to the following
information when adding electrical
accessories that will use the 12-volt
power supply feeds connected to
the vehicle's electrical system. The
wiring harness is located below the
instrument panel near the center of
the vehicle. The following
information describes the breaker
and relay location and provides a
wiring diagram to aid in connecting
customer equipment.
Electrical Connections
Notice: Before modifying or
adding any wiring, be sure that it
will work properly with your
vehicle's wiring system. Because
there are so many modifications
that can be made for many
different bodies and accessories,
GM cannot take responsibility
for any changes made. Such
changes may not be covered by
your GM Warranty. Have the work
done by an experienced electrical
technician.
All wiring must be properly
protected by fuses, etc. and must
be routed properly so that it will
not be cut, pinched or rubbed by
other parts of the vehicle. Do not
route wiring in areas where it will
be very hot. Be sure not to
overload the vehicle's wiring,
connectors and components. All
added wire must be at least the
same size as the wire being
attached to for proper fuse
protection.
Installation Instructions –12‐Volt
Accessory Power Supply
1. Disconnect the negative (−)
battery cable at the battery. The
negative (−) battery cable must
be disconnected before the
positive wiring lead is connected
to the power accessory.
2. Locate the power supply
harnesses, one under the
instrument panel near the center
of the vehicle, and one within the
driver side rear cargo area jack
stowage compartment.
3. Prepare the wires that are to be
used to connect the power
accessory. Do not remove the
unused wires. Tape unused
wires back in their original
position under the instrument
panel.
4. Complete the wiring installation
of the customer added
accessory with additional wire
required for the specific
electrical accessory power
connection. The wire gauge,
3.0 mm² (12 gauge), should be
the same as the wiring of the
installed harness.
5. The ignition must be turned to
OFF prior to attaching the cables
to the battery, or serious damage
to the Body Control Module
(BCM) may result.
The windshield wiper switch and
the radio must be turned off
before attaching cables to the
battery.

Black plate (7,1)
Chevrolet Tahoe Police and Special Service Packages - 2013 - CRC - 3/30/12
Special Equipment Options 15-7
6. Reconnect the negative (−)
battery cable to the battery.
Torque the bolt to 5 Y
(3.6 lb ft).
7. Reset the clock time and radio
pushbuttons as desired.
The 12‐volt battery power is
supplied through two underhood
mega fuses, one 125 amp and one
60 amp. This underhood power is
fed to the breaker/relay center via a
harness that passes through the
driver side front of the dash, and
routes across the instrument panel
to a position forward of the glove
box. The breaker/relay center is
mounted to the instrument panel
structure forward of the glove box.
The center includes a plastic
bracket, two relays, two 30 amp
breakers and three 50 amp mega
circuit breakers.
Two 30 amp breakers supply power
from the underhood 60 amp mega
fuse through the contacts of the
control relays to 3.0 mm² (12 gauge)
blunt cut wires. These two blunt cut
leads are part of wire coil under the
instrument panel near the center of
the vehicle.
Each relay is operated by a 0.5 mm²
(20 gauge) blunt cut, light or dark
blue control lead included in the
122 cm (4 ft) loop of wire coiled
under the instrument panel.
Three 50 amp mega circuit
breakers, protected by three fusible
links, supply power directly from the
underhood 125 amp mega fuse
through three, 5.0 mm² (10 gauge)
wires. Two of the wires are routed
through the body harness to buss
junction blocks in the left rear of the
cargo area and secured near the
jack and tools. This 122 cm (4 ft) of
coiled wires can be accessed by
removing the cup holder on the top
of the trim panel. The third 5 mm²
(10 gauge) wire is a blunt cut lead
which is part of the 122 cm (4 ft)
loop of wire coiled under the
instrument panel near the center of
the vehicle.
An 8 mm² (8 gauge) ground lead is
also provided, and it is located
under the front passenger sill plate.
It can be accessed by removing the
sill plate and pulling the loop of wire
at the front of the plate. The lead is
122 cm (4 ft) long.
Blunt cut ignition controlled power
and signal circuits are also included
in the wire coiled under the
instrument panel near the center of
the vehicle. They include:
.*A yellow, 0.5 mm² (20 gauge)
circuit, Hot in ACCESSORY,
RUN or RAP (Retained
Accessory Power).
.A pink, 0.5 mm² (20 gauge)
circuit, Hot in START and RUN.
(7A maximum load)
.*A yellow/black, 0.5 mm²
(20 gauge) transmission park
signal. This circuit provides
switched power when the
transmission is in P (Park) and
the engine is running.

Black plate (8,1)
Chevrolet Tahoe Police and Special Service Packages - 2013 - CRC - 3/30/12
15-8 Special Equipment Options
The circuit is at 0 volts when the
transmission is in any other
position, i.e., R (Reverse),
N (Neutral), D (Drive) or
M (Manual). Note that the circuit
is also at 12 volts with the
transmission in P (Park) and the
ignition in LOCK/OFF. To avoid
the possibility of undesired
parasitic electrical load with the
ignition in LOCK/OFF it is
suggested that the Park/Signal
circuit be isolated by routing it
through the normally open
contact of a customer furnished
ignition controlled relay.
.A dark green/white, 0.5 mm²
(20 gauge) Vehicle Speed
Signal (VSS) provides
4,000 pulses per mile.
*These two circuits share a
15 amp fuse. (10 amp combined
maximum load)
Servicing Relays and Fuses
Fuse/Relay Center
Enlarged View of the Fuse Block
A. Relays and Circuit Breakers
B. Front of the Vehicle
C. Floor of the Vehicle
D. Glove Box
E. Tab
The following information tells how
to access the vehicle's relay and
breaker center for checking and
replacing breakers.
The breaker and relay center is
located behind and above the
instrument panel storage
compartment. Remove contents
from the storage tray. Using the tab
at the back of the compartment,
drop the tray down gently toward
the floor. It will hang from the hinge.
The breaker/relay center is located
above the right rear corner of the
storage compartment. The bracket
is attached to the instrument panel
structure with two screws.
Replace a 30 amp circuit breaker
with GM Part No. 12182117 circuit
breaker, or equivalent. Replace a
relay with a GM Part No. 12193604

Black plate (9,1)
Chevrolet Tahoe Police and Special Service Packages - 2013 - CRC - 3/30/12
Special Equipment Options 15-9
relay, or equivalent. Replace a
50 amp circuit breaker with a GM
Part No. 15319848 circuit breaker,
or equivalent.
Reinstall the storage tray into the
compartment by lifting it into the
instrument panel.
Auxiliary Battery Power
Junction Blocks
Two auxiliary power junction blocks
are located within the driver side
rear cargo area jack stowage
compartment. Each junction block is
powered directly from the battery
through a 50 amp circuit breaker for
connection to customer‐furnished
equipment. The two circuit breakers
are located in the breaker/relay
panel forward of the instrument
panel glove box. A maximum load of
50 amps (600 watts) can be
connected to each junction block.
The wiring diagram for this circuit is
shown as part of the diagram for
“Wiring Provisions –12 Volt Battery
Power”.
The two junction blocks are
connected to coiled 1.5 m (5 ft)
branches of the rear body harness
and fastened near the jack.
Mounting of the junction blocks can
be at customer‐selected rear cargo
area locations permitted by the
branch harness length and using
customer‐furnished mounting
hardware.
The junction blocks should not be
attached to the interior trim plastic
components without appropriate
backing hardware to the mounting
bolts.
To connect the customer-furnished
equipment at the junction blocks,
use the following steps:
1. Disconnect the negative (−)
battery cable.
2. Connect the customer-furnished
equipment positive leads to the
junction block terminals and
tighten to 15 N·m (11 lb ft).
The ignition must be turned off
and the vehicle vacated prior to
connecting the negative (−)
battery cable to the battery.
3. Reconnect the negative (−)
battery cable to the battery.
Torque the bolt to 5 Y
(3.6 lb ft).
4. Set the time on the clock and
radio pushbuttons as needed.
See “Introduction”in the
Infotainment section of the
owner manual for more
information.

Black plate (10,1)
Chevrolet Tahoe Police and Special Service Packages - 2013 - CRC - 3/30/12
15-10 Special Equipment Options
Equipment Grounding
Studs - Rear
Compartment
Your Tahoe Police or Special
Service Package has grounding
studs located at the lower driver
side and passenger side rear
compartment liftgate opening for
connection to customer electrical
equipment. A 1.52 m (5 ft) blunt cut
length of #8 awg copper wire is
coiled inside the jack storage
compartment to permit grounding of
electrical equipment that may be
mounted forward in the rear
compartment and behind the
second row seatback.
Radio Suppression
Grounding Straps
Your Tahoe Police Package and
Special Service Package are
equipped with additional grounding
straps in the following locations:
.Driver side front frame body
mount bracket to underbody
.Driver side rear frame body
mount bracket to rear underbody
.Passenger side rear frame body
mount bracket to rear underbody
.Passenger side center frame
body mount bracket to center
underbody
.Exhaust pipe hanger rod to rear
frame
SEO Available
Options
Dual Battery System -
SEO 6A6
This vehicle may have a dual
battery system. The two batteries
are connected so that both supply
battery power to the vehicle at the
same time —they are connected in
parallel. See “Battery”in the owner
manual for additional information
on batteries.

Black plate (11,1)
Chevrolet Tahoe Police and Special Service Packages - 2013 - CRC - 3/30/12
Special Equipment Options 15-11
Exterior Lamp
Emergency Flashing
System - SEO 6J7
SEO 6J7 provides a high-beam
headlamps flashing module, rear
lamps flashing and control wire for a
customer-furnished switch to turn
the module on or off. The flasher
control wire is coiled under the
center of the instrument panel. This
control lead may be combined with
the interior wiring leads for SEO 6J3
when that option is ordered with
SEO 6J7.
The headlamps flashing module is
located below the passenger side
front headlamp and forward of the
passenger side front wheel. The
module is connected to an inline
connector in the forward lamp
harness. The headlamps flashing
module is activated by the
application of 12 volts to a dark
green/red wire coiled in the
passenger side footwell.
When activated, the driver and
passenger side high-beam
headlamps and the high-beam
instrument panel cluster light will
flash alternately at 2.4 flashes per
second.
When the headlamps flashing
module is turned on, the module
sends a signal to the Body Control
Module (BCM). The BCM alternately
flashes the stop lamps and backup
lamps. Depressing the brake pedal
will override the stop lamp flashing
and placing the transmission in
reverse will override the backup
lamp flashing.
Activation of the headlamp and
rearlamp flashing can be separated
by opening the dark-blue/yellow
BCM circuit at the flasher module
connector, C122–F, and applying a
customer-switched ground to the
harness side of the wire in the
connector.
During daylight conditions, the
Daytime Running Lamps (DRL) are
automatically turned off whenever
the headlamps flasher module is
activated. During nighttime
conditions, the low-beam
headlamps turn on automatically
while the high-beam headlamps
flash. Turning on the high-beam
headlamps manually with the turn
signal/multifunction lever will
override the flashing module and
the high-beam headlamps will
operate continuously.

Black plate (12,1)
Chevrolet Tahoe Police and Special Service Packages - 2013 - CRC - 3/30/12
15-12 Special Equipment Options
Headlamps Flasher Module —
SEO 6J7
A 20 amp fuse protects the flasher
module circuit. This fuse is located
in the underhood fuse block in the
engine compartment on the driver
side of the vehicle and is labelled
HEADLAMP WASHER. See “Engine
Compartment Fuse Block”in the
Vehicle Care section of the Tahoe
owner manual for more information.
When it is dark outside, the
taillamps will turn on automatically.
The Center High-Mounted Stoplamp
(CHMSL) will not flash and will
operate only when the regular brake
pedal is pressed.

Black plate (13,1)
Chevrolet Tahoe Police and Special Service Packages - 2013 - CRC - 3/30/12
Special Equipment Options 15-13
Forward Lamp Harness In-Line Connector for use with Headlamps Flasher Module, Option 6J7

Black plate (14,1)
Chevrolet Tahoe Police and Special Service Packages - 2013 - CRC - 3/30/12
15-14 Special Equipment Options
Inactive Rear Door
Handles - SEO 6B2
Your vehicle may be equipped with
inactive door handles. The rear
doors can only be opened from the
outside.
Inactive Rear Door
Locks - SEO 6N6
Your vehicle may be equipped with
inactive rear door locks. The rear
door locks do not lock or unlock at
the door. Only the driver power door
lock switch locks or unlocks the rear
door locks.
Inactive Rear Door
Windows - SEO 6N5
Your vehicle may be equipped with
inactive rear door window control
switches. Only the driver power
window switches can operate the
rear windows.
Spotlamp - SEO 7X6
Spotlamp –Windshield Pillar
Mounted
A Unity Series 330, high intensity,
100 watt halogen (H3 bulb) 15 cm
(six inch) spotlamp is mounted in the
left windshield pillar. The lamp is
protected by a 15 amp fuse located
in the underhood electrical center.
See the service manual for lamp
replacement procedures.
Spotlamp Harness –SEO 7X6,
SEO 7X7
Spotlamps - SEO 7X7
SEO 7X7 includes a driver side and
a passenger side spotlamp located
in the windshield pillars. Each
spotlamp is protected by a separate
15 amp fuse located in the
underhood electrical center.
For spotlamp bulb replacement
procedures, see the appropriate
section of the service manual.

Black plate (15,1)
Chevrolet Tahoe Police and Special Service Packages - 2013 - CRC - 3/30/12
Special Equipment Options 15-15
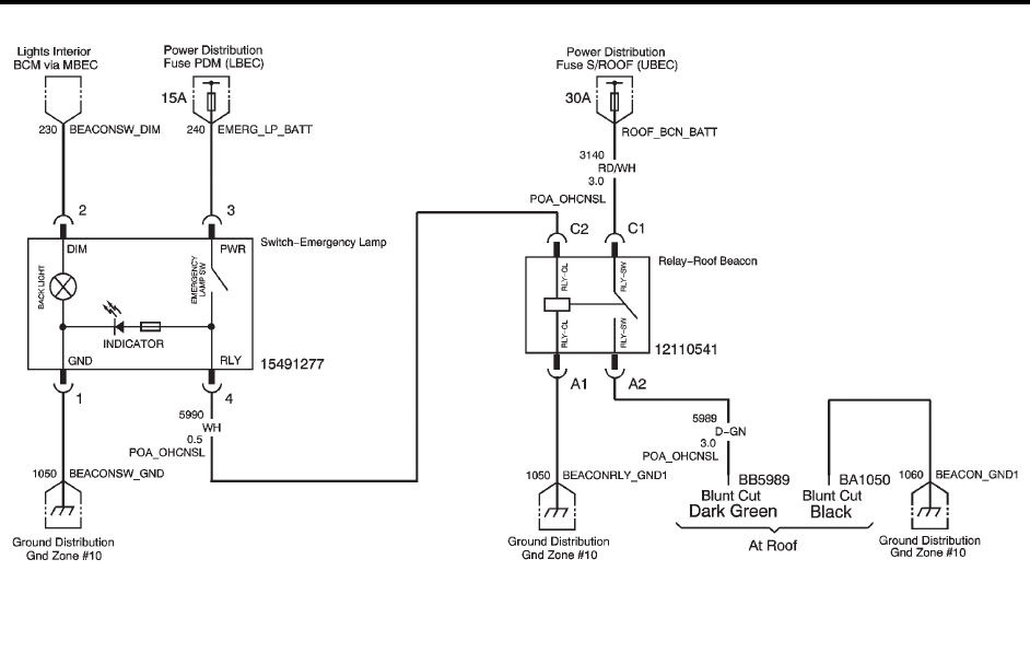
Wiring Provisions for
Emergency Vehicle Roof
Light - SEO TRW
Battery power is supplied through a
30 amp fuse to a wiring harness
located in the roof. Power is
controlled with a switch located in
the overhead console. The
customer or vehicle upfitter must
complete the installation to an
added accessory such as an
emergency beacon lamp.
Maximum rated electrical load is
21 amps (250 watts). The added
electrical requirements must not
exceed 21 amps (250 watts).
Running the accessory for long
periods of time with the engine off
may run the battery down.
Installation Instructions –
Emergency Vehicle Roof
Panel Lamp
Wiring to the accessory can be
done by either directly connecting
the wire in the roof to the accessory
(Option A) or by using Wiring
Harness Package part number
12150250 obtained from GM
Service Parts (Option B).
A. 645 mm (25.39 in)
B. 440 mm (17.32 in)
C. 100 mm (3.94 in) square
D. Roof Centerline
E. Roof Edge
1. Disconnect the negative (−)
battery cable at the battery.
2. Make the electrical connections
using either option A or option B.
Notice: Pulling the wiring
harness through a panel hole that
has sharp edges may cause
damage to the wire and/or wire
insulation. Remove sharp edges
from the panel hole before pulling
the wire through it.
Option A: Roof Wires Directly to
Accessory
1. Drill a 10 to 13 mm (3/8 in to
1/2 in) hole in the outer roof
panel in the area shown in the
illustration. The hole should only
go through the outer panel.
Remove all sharp edges from
the drilled hole.
2. Remove the inside overhead
console access panel/lamp
lenses.
3. The accessory harness is coil
tied to the passenger side of the
vehicle at the console inner
bracket.
4. Cut the tape holding the
harness coil.

Black plate (16,1)
Chevrolet Tahoe Police and Special Service Packages - 2013 - CRC - 3/30/12
15-16 Special Equipment Options
5. As one person watches the roof
hole from the outside for the end
of the harness, a second person
from the inside of the vehicle
should snake the harness
toward the hole.
6. Pull out the wiring harness being
careful to avoid scraping the
insulation on the edge of
the hole.
7. Extend the wiring harness to the
accessory.
8. Connect the dark green wire to
the accessory hot terminal.
9. Connect the black wire to the
accessory ground terminal.
10. Cover the hole in the roof with
a durable sealant such as
silicone rubber sealer.
11. Reinstall the overhead console
access panel/lamp lenses.
Option B: Use Wiring Harness
Package 12150250. Obtain from
GM Service Parts through the
GM Dealership
1. Drill a 32 mm (1.25 in) hole in
the outer roof panel in the area
shown in the illustration. The
hole should only go through the
outer panel. Remove all sharp
edges from the drilled hole.
2. Remove the inside overhead
console access panel/lamp
lenses.
3. The accessory harness is coil
tied to the passenger side of the
vehicle at the console inner
bracket.
4. Cut the tape holding the
harness coil.
5. As one person watches the roof
hole from the outside for the end
of the harness, a second person
from the inside of the vehicle
should snake the harness
toward the hole.
6. Pull out the wiring harness being
careful to avoid scraping the
insulation on the edge of
the hole.
7. Cut the wire to length. Install
terminals to wire ends and insert
into the connector. The dark
green wire goes to cavity A and
the black wire in cavity B. Push
in the secondary lock to retain
the wires.
8. Attach the harness assembly
from the package to the
accessory. Cover with the
supplied conduit for added
protection. Connect the orange
wire to the accessory hot
terminal and the black wire to
the ground.
9. Complete the connection from
the roof harness to the extension
harness. Cover the mated
connector with the supplied
foam. Push the foam covered
connection and excess wire
through the roof panel hole.

Black plate (17,1)
Chevrolet Tahoe Police and Special Service Packages - 2013 - CRC - 3/30/12
Special Equipment Options 15-17
10. Reinstall the overhead console
access panel/lamp lenses.
Restoring Power
The auxiliary lamp switch is located
on the overhead console.
This switch includes wiring
provisions for a dealer or a qualified
service center to install an auxiliary
roof lamp. When the wiring is
connected to an auxiliary roof
mounted lamp, pressing the bottom
of the switch will activate the lamp
and illuminate an indicator light at
the bottom of the switch.
Pressing the top of the switch again
will turn off the roof mounted lamp
and indicator.
1. Be sure that the auxiliary lamp
switch is off.
2. Vacate the vehicle and
reconnect the battery cable.
3. Turn the auxiliary lamp switch
on. The accessory should now
be working. If it is not working,
check the connections.
4. After ensuring that the
accessory is working properly,
install the grommet in the hole.
Seal with silicone sealer to
prevent water leakage.
Notice: Overloading the vehicle's
electrical system may damage
your vehicle's accessories.
Do not overload the vehicle's
system by having unnecessary
accessories on at the same time.
Option B
A. Black Wire
B. Orange Wire
C. To Roof Mounted Lamp
D. Harness Assembly
E. Grommet (Roof)
F. Foam Insulator (Adhesive‐
Backed)
G. Harness Connector, Secondary
Lock and Terminal
H. Dark Green and Black Wires
I. Vehicle Outer Roof Panel

Black plate (18,1)
Chevrolet Tahoe Police and Special Service Packages - 2013 - CRC - 3/30/12
15-18 Special Equipment Options
Wiring Diagram for SEO TRW

Black plate (19,1)
Chevrolet Tahoe Police and Special Service Packages - 2013 - CRC - 3/30/12
Special Equipment Options 15-19
Maintenance
The emergency roof light circuit is
fed from the fuse labeled Sunroof
located in the underhood electrical
center. Always replace the fuse with
a 30 amp mini-fuse.

Black plate (20,1)
Chevrolet Tahoe Police and Special Service Packages - 2013 - CRC - 3/30/12
15-20 Special Equipment Options
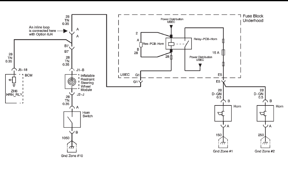
Wiring Provisions for
Horn/Siren Circuit -
SEO 6J4
This provision permits customer
connection of a switch to select
either horn or siren operation when
the horn pad is pressed.
A 0.35 mm² (22 gauge) wire is
connected to an in-line connector in
the horn circuit of the instrument
panel harness under the instrument
panel. The end of this harness
extension is in a 1.5 m (5 ft) loop of
wire coiled under the center of the
instrument panel.

Black plate (21,1)
Chevrolet Tahoe Police and Special Service Packages - 2013 - CRC - 3/30/12
Special Equipment Options 15-21
Wiring Diagram for SEO 6J4 Inline Connector

Black plate (22,1)
Chevrolet Tahoe Police and Special Service Packages - 2013 - CRC - 3/30/12
15-22 Special Equipment Options
Wiring Provisions for
Vehicle Grille Lamps and
Speaker/Siren - SEO 6J3
Alternating Signal Flasher
A. Blunt cut ends for the
Customer-Furnished Grille
Lamps and Customer-Furnished
Siren/Speaker
B. Control Wires from
In-Line Connector in
Forward Lamp Harness for
Customer-Furnished Grille
Lamps and Speaker
The SEO 6J3 wiring provision option
consists of a 1.5 m (5 ft) wiring
harness coiled underneath the
instrument panel on the passenger
side. The wiring circuits are routed
from underneath the instrument
panel to a 30 cm (1 ft) coil secured
in the area behind the grille. There
are four 1.0 mm² (16 gauge) wires
for connecting to the grille lights
(GRY, TAN) and siren speaker
(LT BU, LT GN)
The SEO 6J3 wiring provision also
includes one 0.8 mm² (18 gauge)
control wire for the SEO 6J7 exterior
lamps emergency flashing system.
When option SEO 6J7 is installed
without option SEO 6J3, only the
dark green/red control wire is
provided for connection to
customer-furnished 12-volt
switching to turn the emergency
flashing system on or off.

Black plate (23,1)
Chevrolet Tahoe Police and Special Service Packages - 2013 - CRC - 3/30/12
Special Equipment Options 15-23
Wiring Diagram for SEO 6J3 and SEO 6J7

Black plate (24,1)
Chevrolet Tahoe Police and Special Service Packages - 2013 - CRC - 3/30/12
15-24 Special Equipment Options
Wiring Provisions Front
Speakers - SEO WX7
About 165 cm (65 in) of auxiliary
speaker wire is run from the
instrument panel radio connector
and is coiled under the center of the
instrument panel. The wiring permits
the connection of front speakers to
customer-installed communication
equipment.
Radio outputs from the front
speakers are sent to the rear
speakers to maintain the required
open door/key in the ignition
reminder chime
Electrical Connections
1. Disconnect the negative (−)
battery cable at the battery.
2. Remove the tape from the wire
coiled under the instrument
panel to uncoil it.
3. Using proper electrical
connectors, connect the
wires for the left front audio
output of the customer-installed
communication device. The left
front positive wire is tan and the
left front negative wire is gray.
4. Using proper electrical
connectors, connect the
wires for the right front audio
output of the customer-installed
communication device. The right
front positive wire is light green
and the right front negative wire
is dark green. The electrical
impedance of each speaker
installed is 10 ohms.
Notice: Overloading the vehicle's
electrical system may damage
your vehicle's accessories.
Do not overload the vehicle's
system by having unnecessary
accessories on at the same time.
5. The ignition must be turned off
and the vehicle must be vacated
prior to attaching the cable to the
battery. Connect the negative (−)
battery cable to the battery and
tighten the bolt to 5 N·m
(3.7 lb ft).
6. Set the time on the clock and
radio pushbuttons as needed.
See “Introduction”in the
Infotainment section of the
owner manual for more
information.

Black plate (25,1)
Chevrolet Tahoe Police and Special Service Packages - 2013 - CRC - 3/30/12
Special Equipment Options 15-25
Wiring Diagram for SEO WX7 Inline Connector

Black plate (26,1)
Chevrolet Tahoe Police and Special Service Packages - 2013 - CRC - 3/30/12
15-26 Special Equipment Options
2NOTES

Black plate (1,1)
Chevrolet Tahoe Police and Special Service Packages - 2013 - CRC - 3/30/12
INDEX i-1
A
Airbags
Deployment Diagrams . . . . . . . . . 3-4
Questions and Answers
About Airbags and
Specialty Law
Enforcement Vehicles . . . . . . . . 3-1
Auxiliary
Available Option . . . . . . . . . . . . . .15-9
Auxiliary Battery Power
Junction Blocks, Available
Option . . . . . . . . . . . . . . . . . . . . . . . . 15-9
B
Battery
Dual System - SEO 6Y6 . . . . 15-10
Power Junction Blocks . . . . . . .15-9
Wiring Provisions for
12-Volt Power Supply . . . . . . .15-3
C
Canadian Vehicle Owners . . . . . . . . .ii
Capacities and
Specifications . . . . . . . . . . . . . . . . 12-2
Circuit
Wiring Provisions for
Horn/Siren - SEO 6J4 . . . . . 15-20
Cluster, Instrument . . . . . . . . . . . . . 5-2
Customer-installed
Equipment, Notices . . . . . . . . . . . 3-3
D
Deployment Diagrams . . . . . . . . . . 3-4
Door Locks
Inactive Rear - SEO 6N6 . . . 15-14
Driver Information
Center (DIC) . . . . . . . . . . . . . . . . . . 5-3
Driving
Vehicle Load Limits . . . . . . . . . . . . 9-1
Dual Battery System -
SEO 6Y6 . . . . . . . . . . . . . . . . . . . . 15-10
E
Equipment Grounding
Studs - Rear
Compartment . . . . . . . . . . . . . . . 15-10
Equipment Grounding
Studs, Rear
Compartment . . . . . . . . . . . . . . . 15-10
Exterior Lamp Controls . . . . . . . . . 6-1
Exterior Lamp Emergency
Flashing System -
SEO 6J7 . . . . . . . . . . . . . . . . . . . . 15-11

Black plate (2,1)
Chevrolet Tahoe Police and Special Service Packages - 2013 - CRC - 3/30/12
i-2 INDEX
F
Fast Idle System . . . . . . . . . . . . . . . . 9-4
Floor Mats . . . . . . . . . . . . . . . . . . . . . 10-2
G
Gauges
Odometer . . . . . . . . . . . . . . . . . . . . . . 5-3
Speedometer . . . . . . . . . . . . . . . . . . 5-3
Groundig Studs, Rear
Compartment . . . . . . . . . . . . . . . 15-10
Grounding Straps
Radio Suppression . . . . . . . . . 15-10
H
Horn/Siren, Wiring
Provisions - SEO 6J4 . . . . . . . 15-20
I
Idle System
Fast . . . . . . . . . . . . . . . . . . . . . . . . . . . 9-4
Inactive Rear Door
Handles - SEO 6B2 . . . . . . . . . 15-14
Inactive Rear Door Locks -
SEO 6N6 . . . . . . . . . . . . . . . . . . . . 15-14
Inactive Rear Door
Windows - SEO 6N5 . . . . . . . . 15-14
Instrument Cluster . . . . . . . . . . . . . . 5-2
Introduction . . . . . . . . . . . . . . . . . . . . . . . .ii
K
Keys
Single Key Random Code
System . . . . . . . . . . . . . . . . . . . . . . . 2-1
L
Lamps
Exterior Controls . . . . . . . . . . . . . . . 6-1
Exterior Emergency
Flashing System -
SEO 6J7 . . . . . . . . . . . . . . . . . . .15-11
Vehicle Grille Wiring
Provisions - SEO 6J3 . . . . . 15-22
Lights
Wiring Provisions for
Emergency Vehicle -
SEO TRW . . . . . . . . . . . . . . . . . 15-15
M
Monitor System, Tire
Pressure . . . . . . . . . . . . . . . . . . . . . 10-1

Black plate (3,1)
Chevrolet Tahoe Police and Special Service Packages - 2013 - CRC - 3/30/12
INDEX i-3
N
Notices for
Customer-installed
Equipment . . . . . . . . . . . . . . . . . . . . 3-3
O
Odometer . . . . . . . . . . . . . . . . . . . . . . . 5-3
P
Police Package and Special
Service Package, SEO
Standard Options . . . . . . . . . . . . 15-2
Q
Questions and Answers
About Airbags and
Specialty Law Enforcement
Vehicles . . . . . . . . . . . . . . . . . . . . . . . 3-1
R
Radio Suppression
Grounding Straps . . . . . . . . . . . 15-10
Rear Compartment
Equipment Grounding
Studs . . . . . . . . . . . . . . . . . . . . . 15-10
Rear Door Handles
Inactive - SEO 6B2 . . . . . . . . . 15-14
S
Safety Belts
Questions and Answers
About Airbags and
Specialty Law
Enforcement Vehicles . . . . . . . . 3-1
SEO Standard Options
Police Package and
Special Service Package . . . .15-2
Speaker/Siren, Wiring
Provisions - SEO 6J3 . . . . . . . 15-22
Speakers
Wiring Provisions, Front -
SEO WX7 . . . . . . . . . . . . . . . . . 15-24
Special Equipment Options
Inactive Rear Door
Handles - SEO 6B2 . . . . . . . 15-14
Specific Cylinder Unit for
Single Key - Random Code
System . . . . . . . . . . . . . . . . . . . . . . . . 2-1
Specifications and
Capacities . . . . . . . . . . . . . . . . . . . . 12-2
Speedometer . . . . . . . . . . . . . . . . . . . 5-3
Spotlamp
SEO 7X6 . . . . . . . . . . . . . . . . . . . 15-14
Spotlamps
SEO 7X7, Available
Option . . . . . . . . . . . . . . . . . . . . . 15-14
Supplement
Using . . . . . . . . . . . . . . . . . . . . . . . . . . . .iii

Black plate (4,1)
Chevrolet Tahoe Police and Special Service Packages - 2013 - CRC - 3/30/12
i-4 INDEX
T
Tires
Pressure Monitor System . . . . .10-1
Towing
Trailer . . . . . . . . . . . . . . . . . . . . . . . . . 9-5
Trailer
Towing . . . . . . . . . . . . . . . . . . . . . . . . . 9-5
U
Using This Supplement . . . . . . . . . . . iii
V
Vehicle
Canadian Owners . . . . . . . . . . . . . . . ii
Load Limits . . . . . . . . . . . . . . . . . . . . 9-1
W
Windows
Inactive Rear Door -
SEO 6N5 . . . . . . . . . . . . . . . . . . 15-14
Wiring Provisions
12-Volt Battery Power
Supply . . . . . . . . . . . . . . . . . . . . . .15-3
Emergency Vehicle Roof
Light - SEO TRW . . . . . . . . . 15-15
Front Speakers -
SEO WX7 . . . . . . . . . . . . . . . . . 15-24
Horn/Siren Circuit -
SEO 6J4 . . . . . . . . . . . . . . . . . . 15-20
Vehicle Grille Lamps, and
Speaker/Siren -
SEO 6J3 . . . . . . . . . . . . . . . . . . 15-22
Wiring Provisions -
SEO 6J3 . . . . . . . . . . . . . . . . . . . . 15-22
