Chungear Co CE10007 Ceiling Fan Remote Controller (Transmitter) User Manual
Chungear Industrial Co Ltd Ceiling Fan Remote Controller (Transmitter)
User manual

CEILING FAN REMOTE CONTROLLER 
OPERATION AND INSTALLATION INSTRUCTIONS 
(Please keep this instruction pamphlet.) 
IMPORTANT POINTS TO REMEMBER:   
1.Read and save these instructions. 
2.Please note that all fixed wiring appliances should be installed by a qualified electrician. 
3.The supply to the remote control receiver should be connected through a mains switch, i.e. existing wall 
switch. 
4.Disconnect from power supply at wall switch before working on remote control receiver or ceiling fan. 
5.Install receiver into the ceiling fan canopy of the fan to ensure proper protection. 
6.This unit is to be used for the control of ceiling fan and in a AC110/120V 60Hz power supply only. 
7.Do not install in damp locations or immerse in water. (For indoor use only.) 
8.Do not pull on or cut leads shorter. 
9.Do not drop or bump the unit. 
10. PLEASE NOTE: The battery will weaken with age and should be replaced before leaking takes place 
as this will damage the transmitter. Dispose of used battery properly, keep the battery out of reach of 
children. 
11. CAUTION: To reduce the risk of fire or injury, do not use this product in conjunction with any variable 
(rheostat) wall control. 
INSTALLATION INSTRUCTIONS 
1.Ceiling fan must be set at HIGH speed and light kit (If any) at ON position by pressing the “Light Switch” 
after installation. 
2.Once the connection has been made, the receiver inserts into the drop rod hanging bracket. The canopy 
comes up to cover the receiver and bracket. 
IMPORTANT 
YOU MUST SET CEILING FAN MANUAL SWITCH TO HIGH SPEED AND LIGHT KIT 
(IF ANY) TO ON POSITION BEFORE OPERATING REMOTE CONTROL. 
CAUTION: INCORRECT WIRE CONNECTION WOULD DAMAGE THIS RECEIVER. 

FUNCTIONS OF TRANSMITTER              
OFF:Turn off the fan.                                
HI:Turn on the fan at high speed.                       
MED:Turn on the fan at medium speed                  
LOW:Turn on the fan at low speed         
F/R:Turn on the fan at FOR OR REV state             
UP&DOWN LIGHT: Press and release immediately to turn on or off the light. 
         Press and hold to dim or brighten lights to the desired       
level and release. (Only for the tungsten bulb.). 
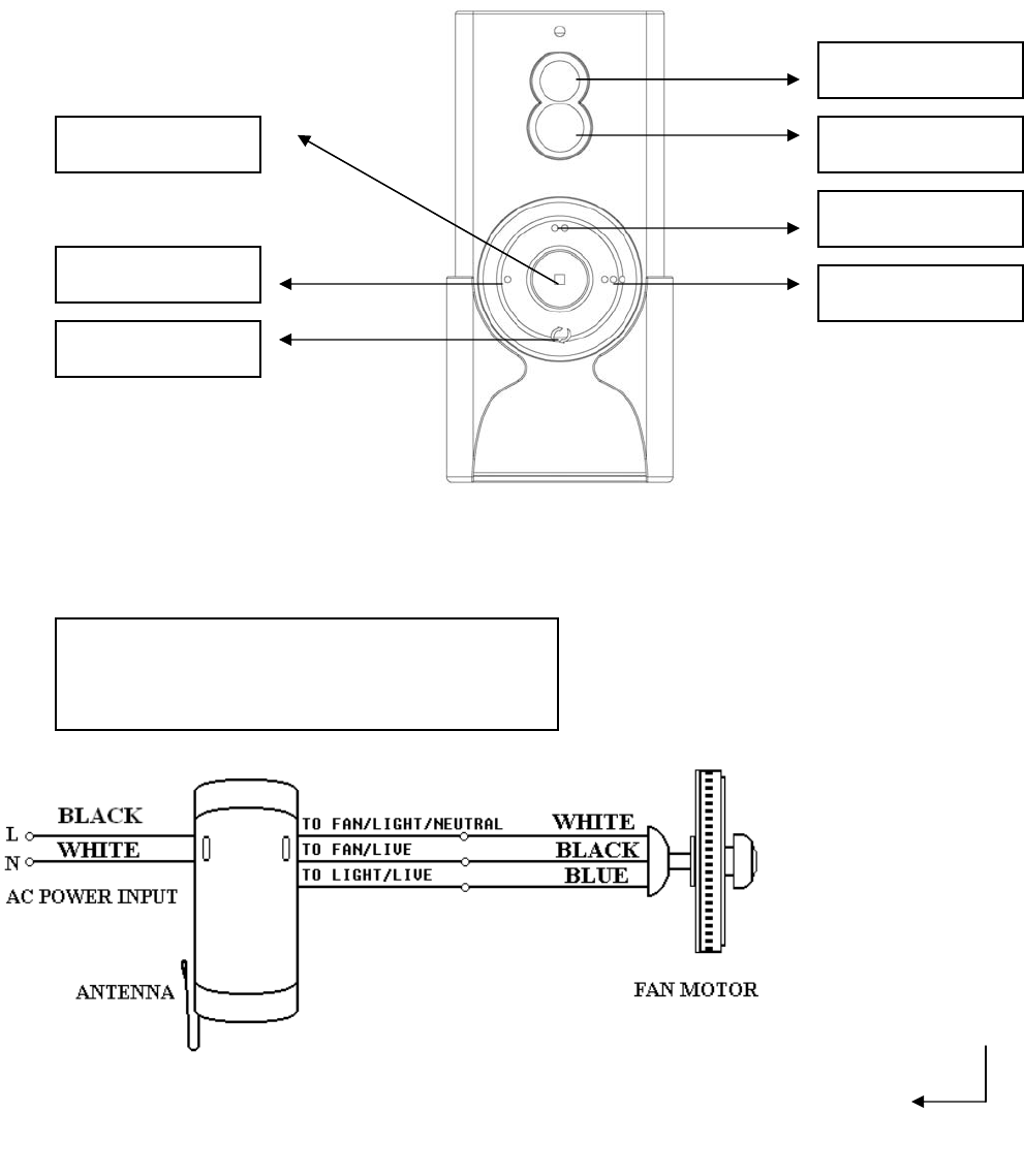
Ceiling Fan Remote Control 
Wiring Connection 
Installation of Transmitter 
Wall Mount Holder with 
two screws. 
DOWN LIGHT 
UP LIGHT 
MED 
HI 
F/R 
LOW 
FAN OFF 
MODEL:TR110A
FEDERAL COMMUNICATIONS COMMISSION 
INTERFERENCE STATEMENT   
This equipment has been tested and found to comply with the limits for a Class B digital device, pursuant to Part 15 of 
the FCC Rules. These limits are desi
g
ned    to 
p
rovide reasonable 
p
rotection a
g
ainst harmful interference in a residential 
installation. This equipment generates, uses and can radiate radio frequency energy and, if not installed and used in 
accordance with the instructions, may cause harmful interference to radio communications. However, there is no 
g
uarantee that interference will not occur in a 
p
articular installation. If this e
q
ui
p
ment does cause harmful interference to 
radio or television rece
p
tion
,
 which can be determined b
y
 turnin
g
 the e
q
ui
p
ment off and on
,
 the user is encoura
g
ed to tr
y
to correct the interference by one or more of the following measures:   
--Reorient or relocate the receiving antenna. --Increase the separation between the equipment and receiver. 
--Connect the equipment into an outlet on a circuit different from that to which the receiver is connected. 
--Consult the dealer or an experienced radio/TV technician for help.   
CAUTION:   
To assure continued FCC compliance:   
Any changes or modifications not expressly approved by the grantee of this device could void the user's authority to 
operate the equipment.   
FCC ID:KUJCE10007 
This device complies with Part 15 of the FCC Rules. Operation is subject to the following two 
conditions: (1) This device may not cause harmful interference, and (2) this device must accept any 
interference received, including interference that may cause undesired operation.