Chungear Co CE9802 Ceiling Fan Remote Controller (Transmitter) User Manual
Chungear Industrial Co Ltd Ceiling Fan Remote Controller (Transmitter)
User manual

CEILING FAN REMOTE CONTROLLER 
OPERATION AND INSTALLATION INSTRUCTIONS 
(Please keep this instruction pamphlet.) 
IMPORTANT POINTS TO REMEMBER:   
1.Read and save these instructions. 
2.Please note that all fixed wiring appliances should be installed by a qualified electrician. 
3.The supply to the remote control receiver should be connected through a mains switch, i.e. existing wall 
switch. 
4.Disconnect from power supply at wall switch before working on remote control receiver or ceiling fan. 
5.Install receiver into the ceiling fan canopy of the fan to ensure proper protection. 
6.This unit is to be used for the control of ceiling fan and in a AC110/120V 60Hz power supply only. 
7.Do not install in damp locations or immerse in water. (For indoor use only.) 
8.Do not pull on or cut leads shorter. 
9.Do not drop or bump the unit. 
10. PLEASE NOTE: The battery will weaken with age and should be replaced before leaking takes place 
as this will damage the transmitter. Dispose of used battery properly, keep the battery out of reach of 
children. 
11. CAUTION: To reduce the risk of fire or injury, do not use this product in conjunction with any variable 
(rheostat) wall control. 
INSTALLATION INSTRUCTIONS 
1.Ceiling fan must be set at HIGH speed and light kit (If any) at ON position by pressing the “Light Switch” 
after installation. 
2.Once the connection has been made, the receiver inserts into the drop rod hanging bracket. The canopy 
comes up to cover the receiver and bracket. 
IMPORTANT 
YOU MUST SET CEILING FAN MANUAL SWITCH TO HIGH SPEED AND LIGHT KIT 
(IF ANY) TO ON POSITION BEFORE OPERATING REMOTE CONTROL. 
CAUTION: INCORRECT WIRE CONNECTION WOULD DAMAGE THIS RECEIVER. 

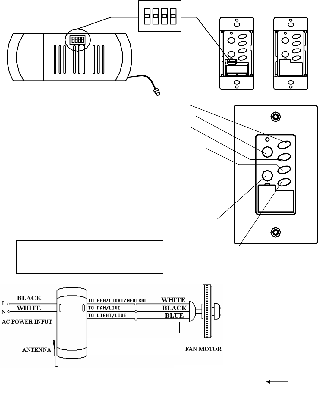
CODE SWITCH 
1.CODE SWITCH: Codes are set by pushing dip switches up or down. It is imperative that the code used 
for both transmitter and receiver is exactly the same, otherwise remote controller will not work. Please 
note the code switch will enable you to operate a second remote controller independently. For example, if 
you have two ceiling fans with 2 remote control units, set 2 different codes for each set of 
transmitter/receivers. This means you can operate each ceiling fan independently. 
2.Your remote control is ready for use after battery installation. 
 SLIDE OUT
COVER BY PRESS DOWN AND
TO OPEN BATTERY HOUSING 
DIP SWITCH
ANTENNA
RECEIVER
4321
ON DIP
FUNCTIONS OF TRANSMITTER          HI       
                                          LIGHT                         
OFF   :Turn off the fan.                          MED      
HI    :Turn on the fan at high speed.                     
MED  :Turn on the fan at medium speed             LOW    
LOW  :Turn on the fan at low speed                        
LIGHT :The first press and release immediately to turn on the up light     
and turn off the down light. The second press and release immediately to 
turn on the up light and down light, The third press and release immediately 
to turn off the up light and down light, The fourth press and release 
immediately to turn off the up light and turn off the down light         
F/R:  Press the key ,the fan will run in Reverse direction         F/R 
 OFF 
Ceiling Fan Remote Control 
Wiring Connection 
Installation of Transmitter 
Wall Mount Holder with 
two screws. 
TO UPLIGHT  RED 
FEDERAL COMMUNICATIONS COMMISSION 
INTERFERENCE STATEMENT   
This equipment has been tested and found to comply with the limits for a Class B digital device, pursuant to Part 15 of 
the FCC Rules. These limits are designed    to provide reasonable protection against harmful interference in a residential 
installation. This equipment generates, uses and can radiate radio frequency energy and, if not installed and used in 
accordance with the instructions, may cause harmful interference to radio communications. However, there is no 
guarantee that interference will not occur in a 
p
articular installation. If this e
q
ui
p
ment does cause harmful interference to 
radio or television rece
p
tion
,
 which can be determined b
y
 turnin
g
 the e
q
ui
p
ment off and on
,
 the user is encoura
g
ed to tr
y
to correct the interference by one or more of the following measures:   
--Reorient or relocate the receiving antenna. --Increase the separation between the equipment and receiver. 
--Connect the equipment into an outlet on a circuit different from that to which the receiver is connected. 
--Consult the dealer or an experienced radio/TV technician for help.   
CAUTION:   
To assure continued FCC compliance:   
Any changes or modifications not expressly approved by the grantee of this device could void the user's authority to 
operate the equipment.   
FCC ID:KUJCE9802 
This device complies with Part 15 of the FCC Rules. Operation is subject to the following two 
conditions: (1) This device may not cause harmful interference, and (2) this device must accept any 
interference received, including interference that may cause undesired operation.