Circuit Design CDP02ER457 UHF Narrow Band Multi Channel Transmitter User Manual OG CDP 02E R 457M 11e
Circuit Design, Inc. UHF Narrow Band Multi Channel Transmitter OG CDP 02E R 457M 11e
Users Manual

OG_CDP-02E-R-457M_v11e
OPERATION GUIDE
UHF Narrow band radio data module
CDP-TX/RX-02E-R 457 MHz
Operation Guide
Version 1.1 (May.2008)
CIRCUIT DESIGN, INC.,
7557-1 Hotaka, Azumino-city
Nagano 399-8303 JAPAN
Tel: + +81-(0)263-82-1024
Fax: + +81-(0)263-82-1016
e-mail: info@circuitdesign.jp
http://www.cdt21.com

OPERATION GUIDE.
OG_CDP-02E-R-457M_v11e Circuit Design, Inc.
2
CONTENTS
FEATURES & APPLICATIONS ......................................................................... 3
GENERAL DESCRIPTION................................................................................ 3
SPECIFICATIONS ............................................................................................ 4
PIN DESCRIPTION........................................................................................... 7
CHANNEL AND FREQUENCY SETTING......................................................... 9
POWER SETTING ............................................................................................ 9
ANTENNAS..................................................................................................... 10
BLOCK DIAGRAM ......................................................................................... 11
DIMENSIONS ................................................................................................ 13
TEST DATA..................................................................................................... 15
REGULATORY COMPLIANCE INFORMATION ............................................ 16
CAUTION & WARNINGS ............................................................................... 17
REVISION HISTORY ...................................................................................... 18
APPLICATION NOTE ..................................................................................... 19

OPERATION GUIDE.
OG_CDP-02E-R-457M_v11e Circuit Design, Inc.
3
GENERAL DESCRIPTION & FEATURES
Features
FCC Part 90 (transmitter) and Part 15 compliant (receiver)
1 mW / 10 mW selectable
Frequency selection free in 32 channels for 457 MHz
High sensitivity receiver
FM narrow band modulation
Applications
Mobile / Handheld Portable device defined by FCC
Factory automation M2M
Remote control
Security systems
Alarms
Telemetry systems
General description
The CDP-TX-02E-R and CDP-RX-02E-R are a RoHS compliant FCC approved embedded industrial
narrowband FM radio transmitter and receiver.
They are suitable for various application fields such as wireless data communication, telemetry or
wireless security systems. They are easy to use and integrate into application systems.
Both CDP-TX-02E-R and CDP-RX-02E-R are equipped with a frequency synthesizer system with
micro controller. Available frequency ranges are from 457.5 MHz to 457.8875 MHz (32 channels: 16
ch x 2 groups). The compact size, low operating voltage and frequency selectability of the CDP-
TX/RX-02E-R make it ideal for various applications where its interference rejection and practical
distance range is far better than similar RF modules based on wide band SAW-resonator frequency
generators.

OPERATION GUIDE.
OG_CDP-02E-R-457M_v11e Circuit Design, Inc.
4
SPECIFICATIONS
General specification
* The MIN/TYP/MAX values for the RF output power and BER are specified in the range of operating temperature.
* All values in the specification column are measured and specified with 50 ohm terminal and at 25 °C +/- 10 °C unless
otherwise noted.
Item Unit Specification Remarks MIN TYP MAX
Reference FCC Part 90 (TX) FCC Part 15 (RX)
Communication method One-way
Operating frequency range MHz 457.6 MHz band Within SAW filter band 457.5 458.5
Operation temperature range °C -20 to 60 No dew condensation -20 60
Storage temperature range °C -30 to 70 No dew condensation -30 70
Aging rate ppm +/- 1 / year TX freq., RX Lo freq. -1 1
Initial frequency tolerance * ppm +/- 2 TX freq., RX Lo freq. -2 2
Dimensions (TX-02E) mm 26 x 36 x 10 Not including protrusion
Weight (TX-02E) g 14 14
Dimensions (RX-02E) mm 30 x 50 x 9 Not including protrusion
Weight (RX-02E) g 20 20
* Initial frequency tolerance is frequency drift at delivery within 1 year after the final adjustment
Electrical specification
Common to TX/RX
Item Unit Specification Remarks MIN TYP MAX
Oscillation type PLL controlled VCO
Frequency stability ppm +/- 4 (-20 to 60°C) Reference temp.=25°C -4 4
Channel span kHz 25 25
Number of channel ch (Max 16ch x 2) selectable
Default channel setting ch
Data rate bps 2400 (1.2 kHz) DO / DI 2400
Max. pulse width ms 20 DO / DI 20
Min. pulse width µs 410 DO / DI 410
Data polarity Positive DI Vs Do
Lo level for channel select V GND 0 0.4
Hi level for channel select V 2.7 or open 2.5 3.0
PLL reference frequency MHz 21.25 (TCXO) 21.25
PLL response ms 30 from PLL setting to LD out 30 100
Antenna impedance Ω 50 (Nominal) 50
Operating voltage V 3 - 12 3 12
TX consumption current mA 43 @ 10mW Vcc=3.0V 43 48
TX consumption current mA 33 @ 1mW Vcc=3.0V 33 38
RX consumption current mA 30 Vcc=3.0V 30 35

OPERATION GUIDE.
OG_CDP-02E-R-457M_v11e Circuit Design, Inc.
5
Transmitter
Item Specification Remarks MIN TYP MAX
RF output power ( 10 mW) mW 10 at 457.6 MHz 7 10 13
RF output power ( 10 mW) mW Over all frequency range and operating temp. range 4 16
RF output power ( 1 mW) mW 0.3 1 2.6
Deviation kHz ± 2.1 PN9 2400bps / LPF=20k ± 1.6 ± 2.1 ± 2.6
DI input level for Lo V L=GND 0 0.4
DI input level for Hi V Hi=3V 3 5.5
TX carrier start up ms 50 From power on to f ± 1.5ppm 50 100
TX carrier start up at ch change ms 35 Shift 25kHz to f ± 1.5ppm 35 85
Residual FM noise kHz 0.17 DI=L,LPF=20k 0.17 0.4
Spurious emission dBc 30 (50 ohm contact) * up to 4 th harmonics 30 40
Adjacent CH power dBc 40 PN9 2400 bps 40
Receiver
Item Specification Remarks MIN TYP MAX
Receiver type Double superheterodyne
1st IF frequency MHz 21.7 21.7
2nd IF frequency kHz 450 450
Max. input level dBm 10 10
BER (0 error / 2556 bits) dBm -116 PN9 2400bps -106 -116
BER (1% error) dBm -120 PN9 2400bps -120
Sensitivity 12dB / SINAD dBm -120 fm1k / dev 2.0k CCITT -120
dB 70 (1st Mix) 70
Spurious response rejections dB 55 (2nd Mix) 55
Adjacent CH selectivity dB 60 dB (±25k) 60
Blocking dB 84 dB (+/- 1MHz) 84
Intermodulation dB
50 dB (f-200k+f-100k)
Two signal method, 1% error
50
DO output level for Hi V Hi = Vcc Z = 100 kohm or more Vcc x0.8 Vcc
DO output level for Lo V Lo = GND Z = 100 kohm or more 0 0.7
RSSI rising time ms 30 (from PLL setup) CH shift of 25kHz 30 60
Time until valid Data-out ms 50 (from PLL setup) CH shift of 25kHz 50 100
RSSI rising time ms 50 (from PLL setup) When power ON 50 100
Time until valid Data-out ms 70 (from PLL setup) When power ON 70 140
Spurious radiation (1st Lo) dBm -57 ( 50 ohm contact) * Up to 4 th harmonics -60 -57
mV 235 (457.6 MHz) with -110 dBm 195 235 275
RSSI
mV 230 (457.6MHz) with -116 dBm 155 195 235
Notes about the specification values
BER: RF level where no error per 2556 bits is confirmed with the signal of PN9 and 2400 bps.
BER (1% error): RF level where 1% error per 2556 bits is confirmed with the signal of PN9 and 2400 bps.
Spurious response, CH selectivity: Jamming signal used in the measurement is unmodulated.
Intermodulation: Ratio between the receiver input level with BER 1% and the signal level (PN9 2400 bps) added at the
points of "Receiving frequency -200 kHz" + "Receiving frequency -100 kHz" with which BER 1% is
achieved.
Time until valid Data-out: Valid DO is determined at the point where Bit Error Rate meter starts detecting the signal of
2400 bps, 1010 repeated signal.
Conditions: All specifications are specified based on the data measured in a shield room using the PLL setting controller
board prepared by Circuit Design.
Measurement equipment SG = ANRITSU communication analyzer MT2605
Spectrum analyzer = ANRITSU MS2663G / BER measure = ANRITSU MP1201G

OPERATION GUIDE.
OG_CDP-02E-R-457M_v11e Circuit Design, Inc.
6
NOTICE
* Communication range depends on the operation environment and ambient surrounding.
* For improvement, specifications are subject to change without prior notice.
* Antenna connection of receiver CDP-RX-02E-R is designed as pin connection. Sensitivity, spurious emission
and unwanted radiation levels may vary with the pattern used between the RF pin and the coaxial connection.
Please make sure to verify those parameters before use.
* The feet of the shield case should be soldered to the wide GND pattern to avoid any change in characteristics.

OPERATION GUIDE.
OG_CDP-02E-R-457M_v11e Circuit Design, Inc.
7
PIN DESCRIPTION
CDP-TX-02E-R
Pin name I/O Description Equivalent circuit
ANT O
RF output terminal
Antenna impedance nominal 50 Ω
GND I
The ground for the power supply.
Connect it to the ground plane as well as
to the bottom part of the case. The
ground plane has an impact on the range
and the stability of operation.
VCC I
The power supply terminal. The supply
voltage is DC 3.0 to 12 V. Power supply
noise and ripple have an impact on
performance, so eliminate them as far as
possible with filters and capacitors.
DATAIN I
Digital data input terminal
Interface voltage: H = 3 to 5.5V L = GND

OPERATION GUIDE.
OG_CDP-02E-R-457M_v11e Circuit Design, Inc.
8
CDP-RX-02E-R
Pin name I/O Description Equivalent circuit
ANT O
RF input terminal
Antenna impedance nominal 50 Ω
GND I
The ground for the power supply.
Connect it to the ground plane as
well as to the bottom part of the case.
The ground plane has an impact on
the range and the stability of
operation.
VCC I
The power supply terminal. The
supply voltage is DC 3.0 to 12 V.
Power supply noise and ripple have
an impact on performance, so
eliminate them as far as possible with
filters and capacitors.
RSSI O
The receive level output of the
receiver.
The strength of the RF level (electric
field intensity) is output as a direct-
current voltage.
DATA I
Digital data output terminal
Interface voltage: H = Vcc L = GND
AF O
The demodulated output of the
receiver. The DC offset is about 1 V.
Refer to the specifications for the
amplitude level.

OPERATION GUIDE.
OG_CDP-02E-R-457M_v11e Circuit Design, Inc.
9
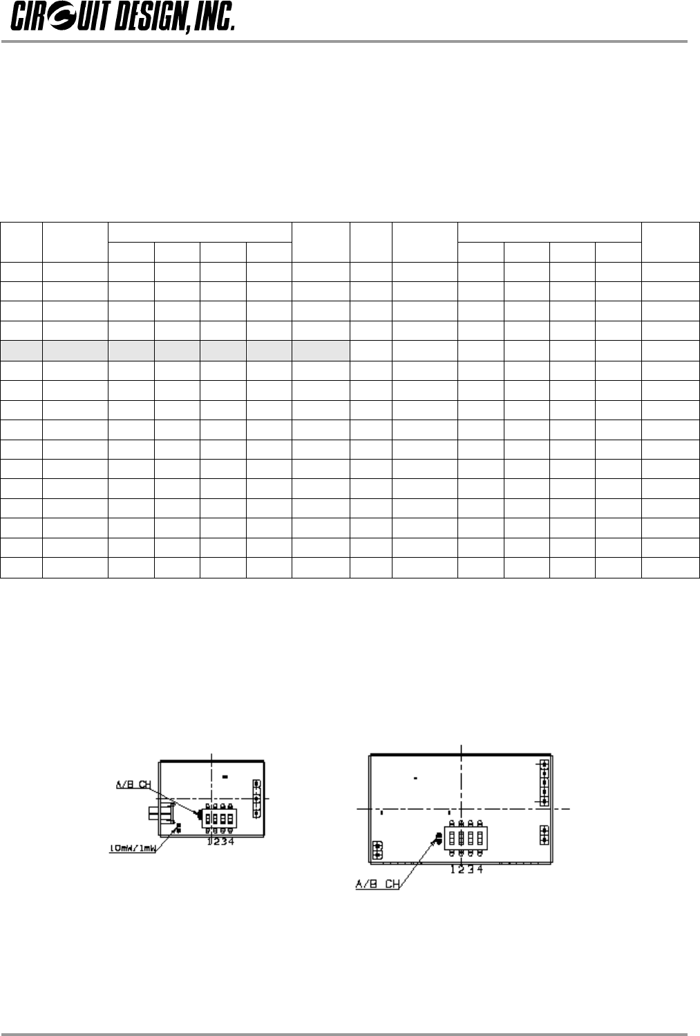
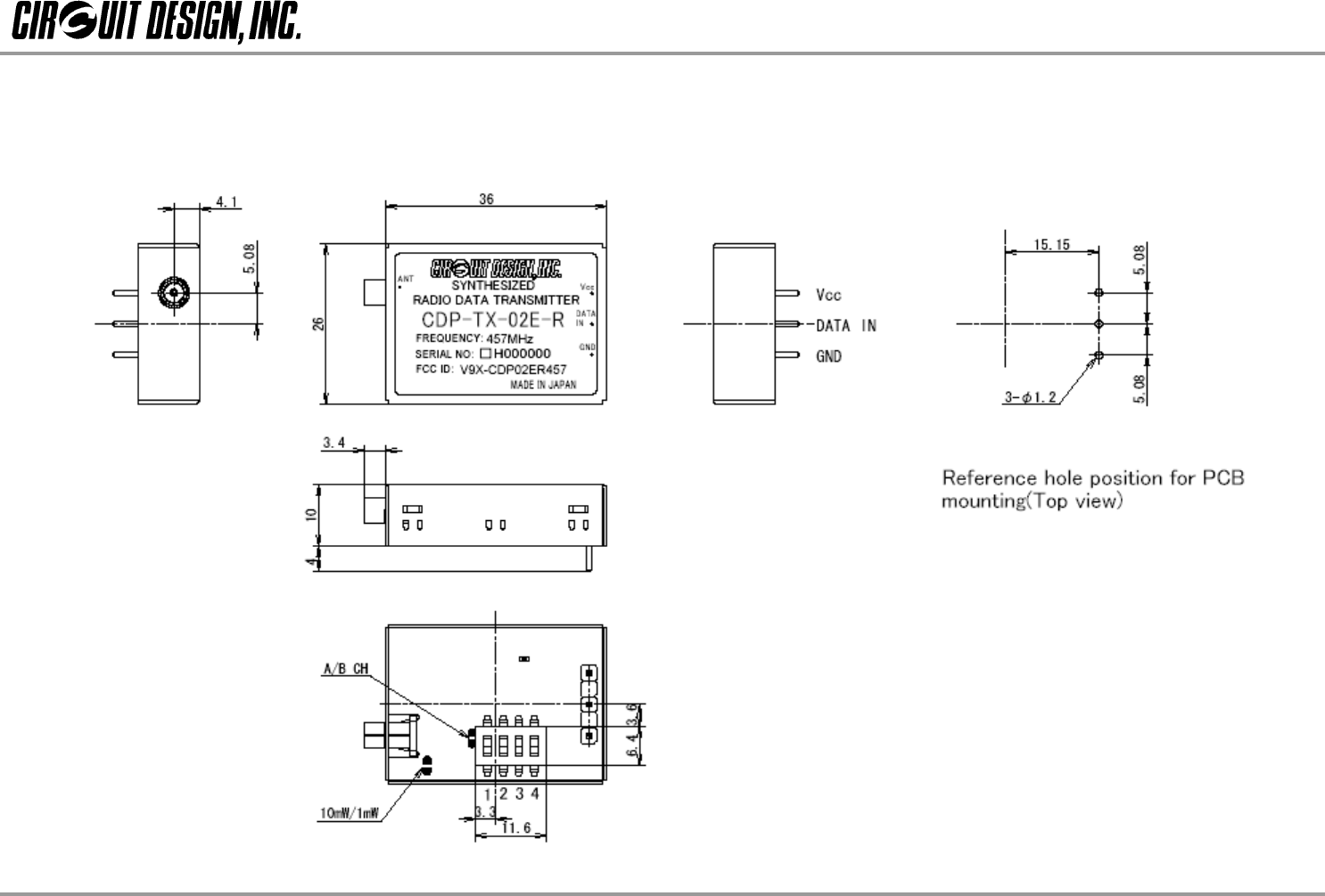
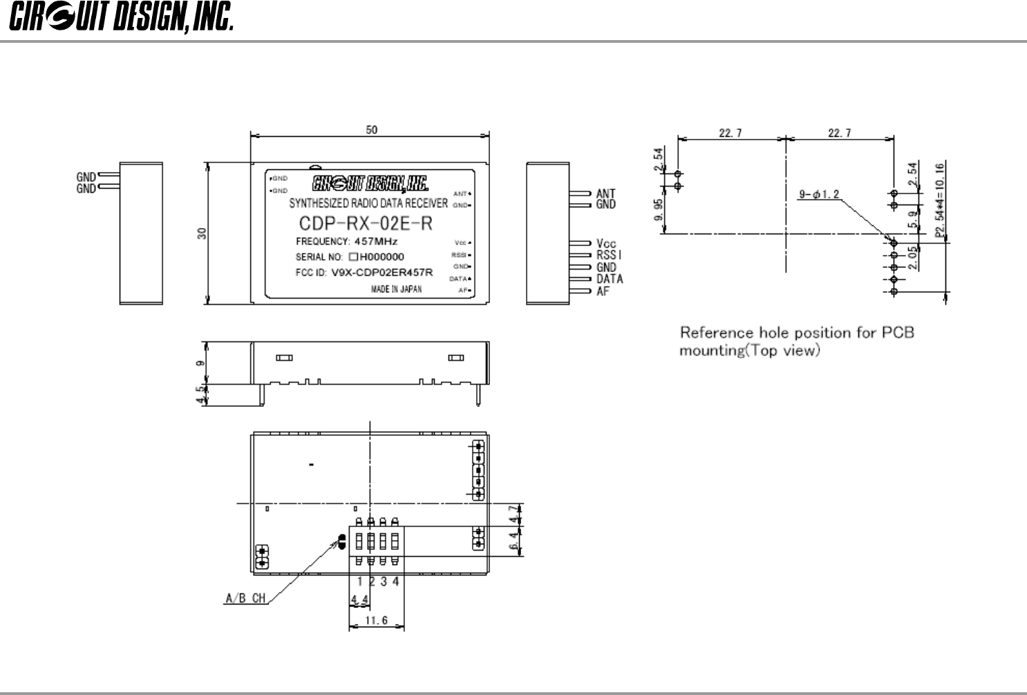
CHANNEL AND FREQUENCY SETTINGS
By use of a chip mounted 4-bit switch or pins and a jumper on the PCB, you can select easily between the 32
channels. The 32 channels are divided into 2 groups: Group A and Group B. Each group of channels can be
selected by soldering the jumper ON or OFF. When the jumper (JP2) is ON, Group A is selected. When the
jumper is OFF, Group B is selected. There are 16 channels in each group and they can easily be selected using
the 4-bit switch. Before shipment all the modules are set to Group A channel 5. (457.6 MHz)
Channel Table
4-bit Switch * 4-bit Switch *
Ch Freq.
(MHz) 1 2 3 4
Jumper Ch Freq.
(MHz) 1 2 3 4
Jumper
A1 457.5000 ON ON ON ON ON B1 457.5125 ON ON ON ON OFF
A2 457.5250 OFF ON ON ON ON B2 457.5375 OFF ON ON ON OFF
A3 457.5500 ON OFF ON ON ON B3 457.5625 ON OFF ON ON OFF
A4 457.5750 OFF OFF ON ON ON B4 457.5875 OFF OFF ON ON OFF
A5 457.6000 ON ON OFF ON ON B5 457.6125 ON ON OFF ON OFF
A6 457.6250 OFF ON OFF ON ON B6 457.6375 OFF ON OFF ON OFF
A7 457.6500 ON OFF OFF ON ON B7 457.6625 ON OFF OFF ON OFF
A8 457.6750 OFF OFF OFF ON ON B8 457.6875 OFF OFF OFF ON OFF
A9 457.7000 ON ON ON OFF ON B9 457.7125 ON ON ON OFF OFF
A10 457.7250 OFF ON ON OFF ON B10 457.7375 OFF ON ON OFF OFF
A11 457.7500 ON OFF ON OFF ON B11 457.7625 ON OFF ON OFF OFF
A12 457.7750 OFF OFF ON OFF ON B12 457.7875 OFF OFF ON OFF OFF
A13 457.8000 ON ON OFF OFF ON B13 457.8125 ON ON OFF OFF OFF
A14 457.8250 OFF ON OFF OFF ON B14 457.8375 OFF ON OFF OFF OFF
A15 457.8500 ON OFF OFF OFF ON B15 457.8625 ON OFF OFF OFF OFF
A16 457.8750 OFF OFF OFF OFF ON B16 457.8875 OFF OFF OFF OFF OFF
* A5: Default setting 4 bit switch: ON = L (GND) OFF = H (Open)
JP2: Frequency Group Setting (Switch: ON = “L” / OFF = “H”)
Group A: Jumper ON Group B: Jumper OFF (Default)
(Example) Set to channel B10 (457.7375 MHz)
Group B: JP2: Jumper OFF Dip Switch: OFF, ON, ON, OFF (ON: Short to GND)
Position of the JP1, JP2 and DIP SW
POWER SETTING
CDP-TX-02E-R can be set to either 10 mW or 1 mW by a jumper on the PCB.
JP1: Power Setting (Switch: ON = “L” / OFF = “H”)
10 mW: Jumper ON (Default) 1 mW: Jumper OFF
JP1 CDP-TX-02E-R
JP2
CDP-RX-02E-R
JP1

OPERATION GUIDE.
OG_CDP-02E-R-457M_v11e Circuit Design, Inc.
10
ANTENNAS
The most important factors for safe data transmission are a good antenna and RF grounding, both for the
transmitter and the receiver. Without an antenna it is impossible to transmit data over a long distance.
The standard antenna is a Lambda/4 wire protected by a plastic cover.
The receiver has a simple antenna input pin. Any suitable UHF antenna can be connected to it.
The easiest way to connect an antenna to the CDP-RX-02E-R is to solder a 17 cm wire directly to the antenna
input. A 50 Ohm coaxial cable can be used to extend the distance between the antenna and the receiver. The
shielding of the antenna wire should be soldered to the case near the antenna input of the CDP-RX-02E-R.
It is possible, but not recommended to connect the receiver module and the antenna by a connection on the
PCB. This will decrease the receiver performance in most cases.
To find the best method of installation for the transmitter and receiver, many things should be considered and
tested. It is recommended that you read specialized literature on antennas and radiation characteristics to gain
a better understanding of these fields. A detailed explanation cannot be given here.
Notice: For CDP-TX-02E-R, use the antenna provided. Using other antennas may invalidate compliance
with the regulatory standards.
In most cases the following basic rules will help you.
• Connect an antenna with 50 Ohm impedance for 457 MHz.
• The easiest construction is a wire of approximately 17 cm.
• Place the antenna vertically, straight up or down from the transmitter and receiver module.
• Do not cover the antenna with metal parts.
• The connection of the metal surface of the transmitter and receiver case to a larger metal part (ground
plane) will increase radiation and reception efficiency. These metal parts should not be placed near the
antenna.
• The best range is achieved if the transmitter and receiver antenna are in direct line of sight. Any object in
between the transmitter and receiver antenna, and metallic objects in particular, will decrease the range.
• The transmission is influenced by reflections of the transmitter signal on metallic surfaces. By overlaying
the direct and reflected signal with a 180 degree phase shift the signal can almost fade out. These
reflections and fade-outs can result in data drop-outs in mobile applications.
• The human body can have a similar effect as metal objects. Pocket transmitters should be held in your
hand, held in a position away from the body and pointed in the direction of the receiver.

OPERATION GUIDE.
OG_CDP-02E-R-457M_v11e Circuit Design, Inc.
11
BLOCK DIAGRAM <CDP-TX-02E-R>

OPERATION GUIDE.
OG_CDP-02E-R-457M_v11e Circuit Design, Inc.
12
<CDP-RX-02E-R>

OPERATION GUIDE.
OG_CDP-02E-R-457M_v11e Circuit Design, Inc.
13
DIMENSIONS
<CDP-TX-02E-R>

OPERATION GUIDE.
OG_CDP-02E-R-457M_v11e Circuit Design, Inc.
14
<CDP-RX-02E-R>

OG_CDP-02E-R-457M_v11e Circuit Design, Inc.
15
OPERATION GUIDE
TEST DATA
RSSI output
0
100
200
300
400
500
600
700
-130 -120 -110 -100 -90 -80 -70 -60 -50 -40 -30 -20 -10 0
RF level (dBm)
RSSI (mV)

OG_CDP-02E-R-457M_v11e Circuit Design, Inc.
16
OPERATION GUIDE
Regulatory compliance information
CDP-RX-02E-R 457 MHz
This device complies with Part 15 of the FCC Rules. Operation is subject to the following two conditions: (1)
This device may not cause harmful interference, and (2) This device must accept any interference received,
including interference that may cause undesired operation.
Caution:
Any changes or modifications not expressly approved by the party responsible for product compliance could
void the user's authority to operate the equipment.
CDP-TX-02E-R 457 MHz
Caution Exposure to radio frequency radiation:
To comply with FCC RF exposure compliance requirements, a separation distance of at least 20 cm must be
maintained between the antenna of this device and all persons. This device must not be co-located or operating
in conjunction with any other antenna or transmitter.
Labelling:
Circuit Design transmitter module CDP-TX-02E-R 457 MHz labelled as below.
FCC ID: V9X-CDP02ER457
The proposed FCC ID label format is to be placed on the module. If FCC ID is not visible when the module is
installed into the system, "Contains FCC ID: V9X-CDP02ER457" shall be placed on the outside of final host
system.
Circuit Design receiver module CDP-RX-02E-R 457 MHz labelled as below.
FCC ID: V9X-CDP02ER457R
The proposed FCC ID label format is to be placed on the module. If FCC ID is not visible when the module is
installed into the system, "Contains FCC ID: V9X-CDP02ER457R" shall be placed on the outside of final host
system.

OG_CDP-02E-R-457M_v11e Circuit Design, Inc.
17
OPERATION GUIDE
Cautions
• As the radio module communicates using electronic radio waves, there are cases where transmission will be
temporarily cut off due to the surrounding environment and method of usage. The manufacturer is exempt
from all responsibility relating to resulting harm to personnel or equipment and other secondary damage.
• Do not use the equipment within the vicinity of devices that may malfunction as a result of electronic radio
waves from the radio module.
• The manufacturer is exempt from all responsibility relating to secondary damage resulting from the operation,
performance and reliability of equipment connected to the radio module.
• Communication performance will be affected by the surrounding environment, so communication tests should
be carried out before actual use.
• Ensure that the power supply for the radio module is within the specified rating. Short circuits and reverse
connections may result in overheating and damage and must be avoided at all costs.
• Ensure that the power supply has been switched off before attempting any wiring work.
• The case is connected to the GND terminal of the internal circuit, so do not make contact between the '+' side
of the power supply terminal and the case.
• When batteries are used as the power source, avoid short circuits, recharging, dismantling, and pressure.
Failure to observe this caution may result in the outbreak of fire, overheating and damage to the equipment.
Remove the batteries when the equipment is not to be used for a long period of time. Failure to observe this
caution may result in battery leaks and damage to the equipment.
• Do not use this equipment in vehicles with the windows closed, in locations where it is subject to direct
sunlight, or in locations with extremely high humidity.
• The radio module is neither waterproof nor splash proof. Ensure that it is not splashed with soot or water. Do
not use the equipment if water or other foreign matter has entered the case.
• Do not drop the radio module or otherwise subject it to strong shocks.
• Do not subject the equipment to condensation (including moving it from cold locations to locations with a
significant increase in temperature.)
• Do not use the equipment in locations where it is likely to be affected by acid, alkalis, organic agents or
corrosive gas.
• Do not bend or break the antenna. Metallic objects placed in the vicinity of the antenna will have a great
effect on communication performance. As far as possible, ensure that the equipment is placed well away
from metallic objects.
• The GND for the radio module will also affect communication performance. If possible, ensure that the case
GND and the circuit GND are connected to a large GND pattern.
Warnings
• Do not take a part or modify the equipment.
• Do not remove the product label (the label attached to the upper surface of the module.) Using a module from
which the label has been removed is prohibited.
Circuit Design, Inc. All right reserved
No part of this document may be copied or distributed in part or in whole without the prior written consent o
f
Circuit Design, Inc.
Customers are advised to consult with Circuit Design sales representatives before ordering.
Circuit Design, Inc. believes the furnished information is accurate and reliable. However, Circuit Design, Inc.
reserves the right to make changes to this product without notice.

OG_CDP-02E-R-457M_v11e Circuit Design, Inc.
18
OPERATION GUIDE
REVISION HISTORY
Version Date Description Remark
1.1 May. 2008 CDP-TX/RX-02E-R 457MHz The first issue

OG_CDP-02E-R-457M_v11e Circuit Design, Inc.
19
OPERATION GUIDE
Application note (Design guide for RF transmitter and receiver)
The following problems generally apply to radio modules
For stable operation, it is recommned to solder the shield case to PCB wide plane GND
Problem Solution
Touching or moving the antenna changes its impedance, which
causes variations in emission power. The variation appears as
distortion in the modulating signal and causes communication errors.
Fix the position of the antenna to avoid moving it.
Positioning of the antenna is an important factor in operating the radio module
efficiently.
If a change in the circuit length occurs due to the on/off of switch etc.
in the electronic circuit connected to the radio module in the system
in which the radio module is integrated, the high frequency electric
potential can vary, disturbing the modulating signal, leading to
communication errors.
Add bypass capacitors of 100 to 470 pF in the immediate vicinity of the switches.
Make the area beneath the radio module a ground pattern, utilizing part of the shield.
If the power line and/or the signal input line are long the printed line
can be subject to high frequency noise. This noise may cause
communication errors.
Block high frequency elements by adding a choke coil to each line.
Circuit Design’s receivers are designed to be vibration resistant.
However there is a limit to the amount of shock and vibration the
module can sustain due to its construction.
In order to fix the receiver to the PCB strongly, solder the case to the PCB.
When using a radio receiver where vibration is always present, use a shock absorber
or fix the PCB at the vicinity of the four corners of the receiver module in addtion to
fixing the four corners of the PCB on which the radio module is mounted.
Circuit Design’s receivers are designed for high sensitivity. They will
obtain radio signals over long distances. On the other hand, the
receiver is sensitive to noise from the microcomputer and
surrounding digital circuits due to its high sensitivity.
Make the area beneath the radio module a ground pattern, utilizing part of the shield.
Block high frequency elements by adding a choke coil to each line.
Soldering point

OG_CDP-02E-R-457M_v11e Circuit Design, Inc.
20
OPERATION GUIDE
A PCB example built for CDP-TX-02E-R taking into consideration the above points is shown below.
Model No. RPB-T02N-1
Circuit Design, Inc. All rights reserved.
No part of this document may be copied or distributed in part or in whole without the prior written consent of Circuit Design, Inc.