Circuit Design LMD400RC UHF Narrow Band Multi Channel Transceiver User Manual OG LMD 400 R C v12e
Circuit Design, Inc. UHF Narrow Band Multi Channel Transceiver OG LMD 400 R C v12e
Users manual

OG_LMD-400-R-C_v12e
OPERATION GUIDE
UHF Narrow band multi channel transceiver
LMD-400-R 458-462.5 MHz
Operation Guide
Version 1.2 (Oct. 2010)
CIRCUIT DESIGN, INC.,
7557-1 Hotaka, Azumino
Nagano 399-8303 JAPAN
Tel: + +81-(0)263-82-1024
Fax: + +81-(0)263-82-1016
e-mail: info@circuitdesign.jp
http://www.circuitdesign.jp

OG_LMD-400-R-C_v12e Circuit Design, Inc.2
OPERATION GUIDE
CONTENTS
GENERAL DESCRIPTION & FEATURES...........................3
SPECIFICATIONS LMD-400-R 458-462.5 MHz...............4
PIN DESCRIPTION.............................................................6
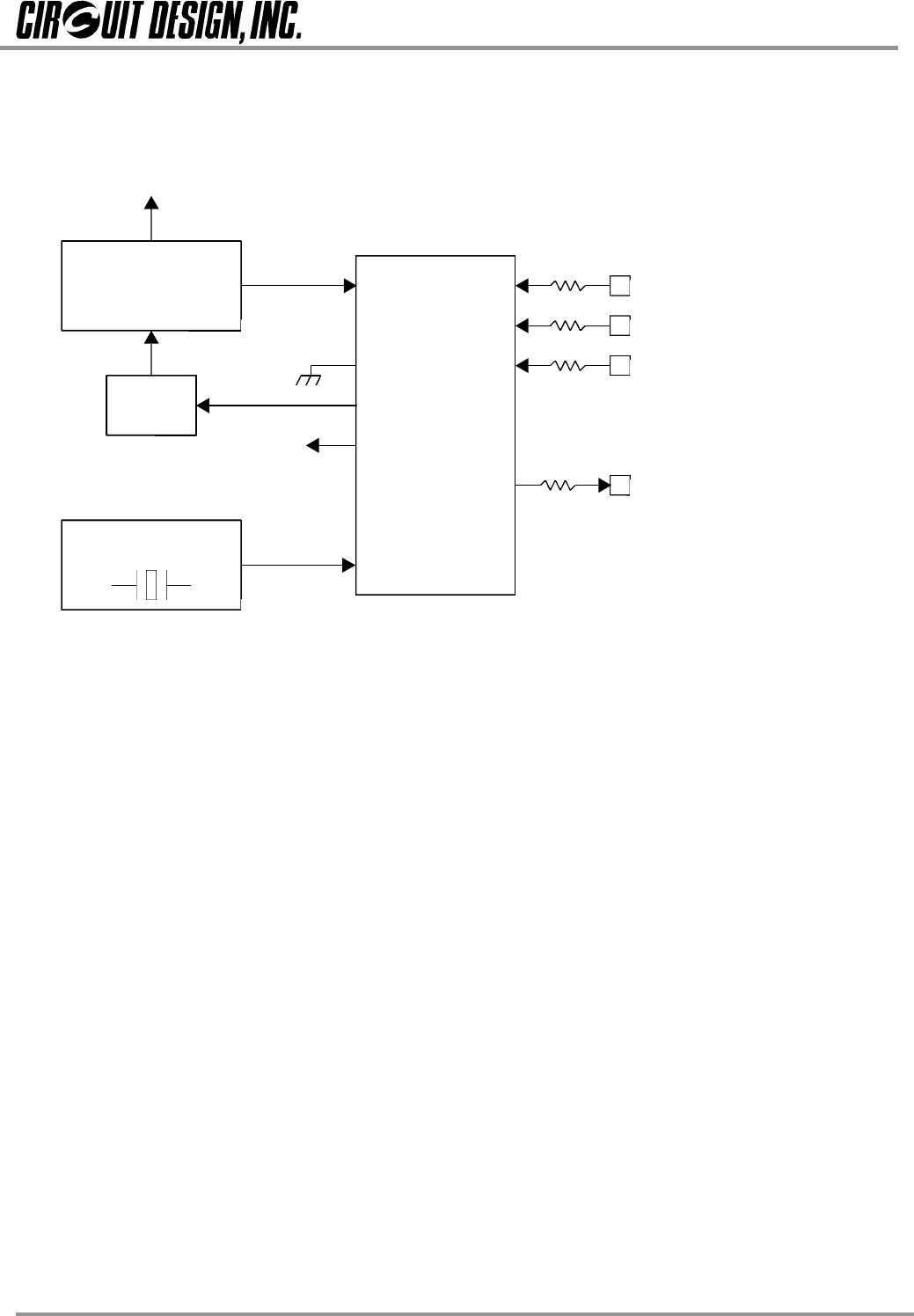
BLOCK DIAGRAM...............................................................8
DIMENSIONS......................................................................9
PLL IC CONTROL .............................................................10
PLL IC control ..................................................................10
How to calculate the setting values for the PLL register........ 11
Method of serial data input to the PLL ................................12
TIMING CHART.................................................................13
PLL FREQUENCY SETTING REFERENCE .....................15
REGULATORY COMPLIANCE INFORMATION................17
CAUTIONS & WARNINGS................................................18
REVISION HISTORY.........................................................19

OG_LMD-400-R-C_v12e Circuit Design, Inc.3
OPERATION GUIDE
GENERAL DESCRIPTION & FEATURES
General Description
The LMD-400-R (458-462.5MHz) is a synthesized multi channel transceiver module for use under
the FCC Part 90Private Land Mobile Radio (PLMR) services and RSS-119 .
This simple, compact and low power transceiver is designed for embedding
in user's portableorfixedequipment and suitable for various low power
industrial telecontrol and telemetry applications requiring high performance and reliability.
All high frequency circuits are enclosed inside a robust housing to provide superior resistance
against shock and vibration. Using a TCXO as the reference oscillator circuit of the radio component
ensures high frequency stability in the temperature range from -20 to +60 °C.
The LMD-400-R is the same size and pin-compatible with Circuit Design’s EN 300220 compliant
license-exempt transceiver model STD-302N-R that has been widely used as a standard transceiver
for remote control in industrial radio applications.
EN 300 113 compliant European versions are available in 438-442 MHz, 458-462 MHz. A custom
variant in the 400 MHz band, with 4 MHz switching range is available for volume orders.
Features
Programmable RF channel with 12.5 kHz channel space
10 mW, GFSK, 4800 bps
Low power operation 3- 5.5V, 52mA/TX, 42mA/RX
High receiver selectivity & blocking
Small size 50 x 30 x 9 mm
Excellent mechanical durability, high vibration & shock resistance
Wide operation range - 20 to +60 °C
FCC part 90 and RSS-119 certified
Applications
Industrial remote control
Telemetry
Remote monitoring / Security
Data acquisition/ SCADA

OG_LMD-400-R-C_v12e Circuit Design, Inc.4
OPERATION GUIDE
SPECIFICATIONS
LMD-400-R 458-462.5 MHz All ratings at 25 +/-10 °C unless otherwise noted
General characteristics
Item Units MIN TYP MAX Remarks
Applicable standard FCC Part 90.267, RSS-119
Communication method Simplex, Half-duplex
Emission class F1D
Modulation type GFSK
Operating frequency range MHz 458.000 462.500
Operation temperature range °C -20 60 No dew condensation
Storage temperature range °C -30 75 No dew condensation
Aging rate ppm -1 1 TX freq., RX Lo freq.
Initial frequency tolerance ppm -1.5 1.5 TX freq., RX Lo freq.
Dimensions mm 30 x 50 x 9 mm Not including antenna
Weight g 25 g
Electrical specification <Common>
Item MIN TYP MAX Remarks
Oscillation type PLL controlled VCO
Frequency stability (-20 to 60°C) ppm -2.5 2.5 Reference frequency at 25 °C
TX/RX switching time ms 15 20 DI/DO
Channel step kHz 12.5
Data rate bps 2400 4800 DO/DI
Max. pulse width ms 15 20 DO/DI
Min. pulse width us 200 DO/DI
Data polarity Positive DO/DI
PLL reference frequency MHz 21.25 TCXO
PLL response ms 30 60 from PLL setting to LD out
Antenna impedance Ω 50 Nominal
Operating voltage V 3.0 5.5
TX consumption current mA 52 Vcc = 3.0 V
RX consumption current mA 42 Vcc = 3.0 V
Transmitter part
Item MIN TYP MAX Remarks
RF output power mW 10 Conducted 50 Ω
Deviation kHz +/-2.0 +/-2.4 +/-2.8 PN9 4800 bps
DI input level V 0 5.5 L= GND, H = 3 V- Vcc
Residual FM noise kHz 0.08 DI=L, LPF=20 kHz
-37 < 1000 MHz, conducted 50 Ω
Spurious emission dBm -31 > 1000 MHz, conducted 50 Ω
Adjacent CH power nW 200 PN9 4800
*
* The RF output power cannot be changed or adjusted.

OG_LMD-400-R-C_v12e Circuit Design, Inc.5
OPERATION GUIDE
Receiver part
Item MIN TYP MAX Remarks
Receiver type Double superheterodyne
1st IF frequency MHz 21.7
2nd IF frequency kHz 450
Maximum input level dBm 10
BER (0 error/2556 bits) *1 dBm -113 PN 9 4800bps
BER (1 % error) *2 dBm -116 PN 9 4800bps
Sensitivity 12dB/ SINAD dBm -116 fm1 k/ dev 2.4 kHz CCITT
Co-channel rejection dB -7 D/U ratio
70 1 st Mix, 2 signal method, 1 % error
Spurious response rejection *3 dB 70 2 nd Mix, 2 signal method, 1 % error
65 25 kHz ch, 2 signal method, 1 % error
Adjacent CH selectivity *3 dB 55 12.5 kHz ch, 2 signal method, 1 % error
Blocking dB 84 Unwanted signal +/-1M,
2 signal method,
1 % error
DO output level V 2.8 L = GND H = 2.8 V
30 50 CH shift of 25 kHz (from PLL setup)
RSSI rising time ms 50 70 When power ON (from PLL setup)
50 100 CH shift of 25 kHz (from PLL setup)
Time until valid Data-out *4 ms 70 120 When power ON (from PLL setup)
Spurious radiation (1st Lo) dBm -60 -57 Conducted 50 Ω
260 310 360 With –100 dBm
RSSI mV 190 240 290 With –110 dBm
Specifications are subject to change without prior notice
Notice
The time required until a stable DO is established may get longer due to the possible frequency drift
caused by operation environment changes, especially when switching from TX to RX, from RX to TX and
changing channels. Please make sure to optimize the timing. The recommended preamble is more than
20 ms.
Antenna connection is designed as pin connection.
RF output power, sensitivity, spurious emission and spurious radiation levels may vary with the pattern
used between the RF pin and the coaxial connection. Please make sure to verify those parameters
before use.
The feet of the shield case should be soldered to the wide GND pattern to avoid any change in
characteristics.
Notes about the specification values
*1 BER: RF level where no error per 2556 bits is confirmed with the signal of PN9 and 4800 bps.
*2 BER (1 % error) : RF level where 1% error per 2556 bits is confirmed with the signal of PN9 and 4800 bps.
*3 Spurious response, CH selectivity: The deviation of the unwanted signal is 12% of the channel separation
(=1.5kHz). Modulation frequency is 400Hz.
*4 Time until valid Data-out : Valid DO is determined at the point where Bit Error Rate meter starts detecting
the signal of 4800 bps, 1010repeated signal.
All specifications are specified based on the data measured in a shield room using the PLL setting controller
board prepared by Circuit Design.

OG_LMD-400-R-C_v12e Circuit Design, Inc.6
OPERATION GUIDE
PIN DESCRIPTION
Pin name I/O Description Equivalent circuit
RF I/O RF input terminal
Antenna impedance nominal 50 Ω
GND I
GROUND terminal
The GND pins and the feet of the shield case
shoud be connected to the wide GND
pattern.
VCC I Power supply terminal
DC 3.0 to 5.5 V
TXSEL I
TX select terminal
GND = TXSEL active
To enable the transmitter circuits, connect
TXSEL to GND and RXSEL to OPEN or 2.8
V.
RXSEL I
RX select terminal
GND= RXSEL active
To enable the receiver circuits, connect
RXSEL to GND and TXSEL to OPEN or 2.8
V.
AF O
Analogue output terminal
There is DC offset of approx. 1 V.
Refer to the specification table for amplitude
level.
CLK I PLL data setting input terminal
Interface voltage H = 2.8 V, L = 0 V
DATA I PLL data setting input terminal
Interface voltage H = 2.8 V, L = 0 V
LE I PLL data setting input terminal
Interface voltage H = 2.8 V, L = 0 V
100nH
47P
RF
GND
SAW FILTER
REG
VCC
47P
10µ
22µ 47P
2.8V
2.8V
10
TXSEL
2.8V 20K
2.8V
10
RXSEL
2.8V 20K
MB15E03
CLK
2K
MB15E03
DATA
2K
MB15E03
LE
2K

OG_LMD-400-R-C_v12e Circuit Design, Inc.7
OPERATION GUIDE
LD O PLL lock/unlock monitor terminal
Lock = H (2.8 V), Unlock = L (0 V)
RSSI O Received Signal Strength Indicator terminal
DO O Data output terminal
Interface voltage: H=2.8V, L=0V
DI I
Data input terminal
Interface voltage: H=2.8V to Vcc, L=0V
Input data pulse width Min.100 μs Max. 15
ms
2K
MB15E03
102
2.8V
LD
102
DO
2K
10K
2.8V

OPERATION GUIDE.
OG_LMD-400-R-C_v12e Circuit Design, Inc.9
DIMENSIONS
LMD-400RC

.
OG_LMD-400-R-C_v12e Circuit Design, Inc.10
OPERATION GUIDE
PLL IC CONTROL
PLL IC control
LMD-400-R is equipped with an internal PLL frequency synthesizer as shown in Figure 1. The operation of
the PLL circuit enables the VCO to oscillate at a stable frequency. Transmission frequency is set externally by
the controlling IC. LMD-400-R has control terminals (CLK, LE, DATA) for the PLL IC and the setting data is
sent to the internal register serially via the data line. Also LMD-400-R has a Lock Detect (LD) terminal that
shows the lock status of the frequency. These signal lines are connected directly to the PLL IC through a 2 kΩ
resistor.
The interface voltage of LMD-400-R is 2.8 V, so the control voltage must be the same.
LMD-400-R comes equipped with a Fujitsu MB15E03SL PLL IC. Please refer to the manual of the PLL IC.
The following is a supplementary description related to operation with LMD-400-R. In this description, the
same names and terminology as in the PLL IC manual are used, so please read the manual beforehand.
OSCin
OSCout
Vp
VCC
Do
GND
Xf in
Fin
R
PSTD-302
Control pin name
ZC
PS
LE
Data
2kohm
MB15E03SL
Reference Oscillator
LPF
Voltage Controled
Oscillator
VCO
PLL
CLK
DATA
LE
LD
LD/f out
+2.8v
#:Control v oltage = +2.8v
21.25MHz
up to 1200MHz
Figure 1
CLK
2kohm
2kohm
2kohm
TCXO

.
OG_LMD-400-R-C_v12e Circuit Design, Inc.11
OPERATION GUIDE
How to calculate the setting values for the PLL register
The PLL IC manual shows that the PLL frequency setting value is obtained with the following equation.
fvco = [(M x N)+A] x fosc / R -- Equation 1
fvco : Output frequency of external VCO
M: Preset divide ratio of the prescaler (64 or 128)
N: Preset divide ratio of binary 11-bit programmable counter (3 to 2,047)
A: Preset divide ratio of binary 7-bit swallow counter (0 ≤ A ≤ 127 A<N))
fosc: Output frequency of the reference frequency oscillator
R: Preset divide ratio of binary 14-bit programmable reference counter (3 to 16,383)
With LMD-400-R, there is an offset frequency (foffset) 21.7 MHz for the transmission RF channel frequency fch.
Therefore the expected value of the frequency generated at VCO (fexpect) is as below.
fvco = fexpect = fch – foffset ---- Equation 2
The PLL internal circuit compares the phase to the oscillation frequency fvco. This phase comparison
frequency (fcomp) must be decided. fcomp is made by dividing the frequency input to the PLL from the reference
frequency oscillator by reference counter R. LMD-400-R uses 21.25 MHz for the reference clock fosc. fcomp is
one of 6.25 kHz, 12.5 kHz or 25 kHz.
The above equation 1 results in the following with n = M x N + A, where “n” is the number for division.
fvco=n*fcomp ---- Equation 3 n = fvco/fcomp ---- Equation 4 note: fcomp = fosc/R
Also, this PLL IC operates with the following R, N, A and M relational expressions.
R=fosc/fcomp ---- Equation 5 N = INT (n / M) ---- Equation 6 A = n - (M x N) ---- Equation 7
INT: integer portion of a division.
As an example, the setting value of RF channel frequency fch 458.000 MHz can be calculated as below.
The constant values depend on the electronic circuits of LMD-400-R.
Conditions: Channel center frequency: fch = 458.000 MHz
Constant: Offset frequency: foffset=21.7 MHz
Constant: Reference frequency: fosc=21.25 MHz
Set 12.5 kHz for Phase comparison frequency and 64 for Prescaler value M
The frequency of VCO will be
fvco = fexpect = fch - foffset = 458.000 –21.7 = 436.300 MHz
Dividing value “n” is derived from Equation 4
n = fvco / fcomp = 436.300 MHz/12.5 kHz = 34904
Value “R” of the reference counter is derived from Equation 5.
R = fosc/fcomp = 21.25 MHz/12.5 kHz = 1700
Value “N” of the programmable counter is derived from Equation 6.
N = INT (n/M) = INT(34904/64) = 545
Value “A“ of the swallow counter is derived from Equation 7.
A = n – (M x N) =34904 – 64 x 545 = 24
The frequency of LMD-400-R is locked at a center frequency fch by inputting the PLL setting values N, A and
R obtained with the above equations as serial data. The above calculations are the same for the other
frequencies.
Excel sheets that contain automatic calculations for the above equations can be found on our web site
(www.circuitdesign.jp).
The result of the calculations is arranged as a table in the CPU ROM. The table is read by the channel
change routine each time the channel is changed, and the data is sent to the PLL.

.
OG_LMD-400-R-C_v12e Circuit Design, Inc.12
OPERATION GUIDE
Method of serial data input to the PLL
After the RF channel table plan is decided, the data needs to be allocated to the ROM table and read from
there or calculated with the software.
Together with this setting data, operation bits that decide operation of the PLL must be sent to the PLL.
The operation bits for setting the PLL are as follows. These values are placed at the head of the reference
counter value and are sent to the PLL.
1. CS: Charge pump current select bit
CS = 0 +/-1.5 mA select VCO is optimized to +/-1.5 mA
2. LDS: LD/fout output setting bit
LDS = 0 LD select Hardware is set to LD output
3. FC: Phase control bit for the phase comparator
FC = 1 Hardware operates at this phase
The PLL IC, which operates as shown in the block diagram in the manual, shifts the data to the 19-bit shift
register and then transfers it to the respective latch (counter, register) by judging the CNT control bit value
input at the end.
1. CLK [Clock]: Data is shifted into the shift register on the rising edge of this clock.
2. LE [Load Enable]: Data in the 19-bit shift register is transferred to respective latches on the rising edge of
the clock. The data is transferred to a latch according to the control bit CNT value.
3. Data [Serial Data]: You can perform either reference counter setup or programmable counter setup first.
CS
Inv alid Data
LDS FC SW R14 R13 CNT=1R1
1st data
2nd data N11 N10 N9 N8 N7 N6 CNT=0A1
1st Data 2nd Data
DATA
CLK
LE
MSB LSB
t6
t5t4
t3t2t1
t0
#: t0,t5 >= 100 ns t1,t2,t6 >= 20 ns t3,t4 >= 30 ns
#: Keep the LEterminal at a low level, w hen w rite the data to the shift resister.
STD-302
terminal name
Figure 2

.
OG_LMD-400-R-C_v12e Circuit Design, Inc.13
OPERATION GUIDE
TIMING CHART
Control timing in a typical application is shown in Figure 3.
Initial setting of the port connected to the radio module is performed when power is supplied by the CPU and
reset is completed. MOS-FET for supply voltage control of the radio module, RXSEL and TXSEL are set to
inactive to avoid unwanted emissions. The power supply of the radio module is then turned on. When the
radio module is turned on, the PLL internal resistor is not yet set and the peripheral VCO circuit is unstable.
Therefore data transmission and reception is possible 40 ms after the setting data is sent to the PLL at the
first change of channel, however from the second change of channel, the circuit stabilizes within 20 ms and is
able to handle the data.
Changing channels must be carried out in the receive mode. If switching is performed in transmission mode,
unwanted emission occurs.
If the module is switched to the receive mode when operating in the same channel, (a new PLL setting is not
necessary) it can receive data within 5 ms of switching*1. For data transmission, if the RF channel to be used
for transmission is set while still in receiving mode, data can be sent at 5 ms after the radio module is
switched from reception to transmission*2.
Check that the Lock Detect signal is “high” 20 ms after the channel is changed. In some cases the Lock
Detect signal becomes unstable before the lock is correctly detected, so it is necessary to note if processing
of the signal is interrupted. It is recommended to observe the actual waveform before writing the process
program.
*1 DC offset may occur due to frequency drift caused by ambient temperature change. Under conditions
below -10 °C, 10 to 20 ms delay of DO output is estimated. The customer is urged to verify operation at low
temperature and optimize the timing.
*2 Sending ‘10101…..’ preamble just after switching to transmission mode enables smoother operation of the
binarization circuit of the receiver. Preamble length: -20 °C - +60 °C: 15 ms (Typical)

.
OG_LMD-400-R-C_v12e Circuit Design, Inc.14
OPERATION GUIDE
Receiv e mode
RXSEL
STD-302
Pow er on
TXSEL
CPU control,
CH change
&
Data rec.
Timing
Data transmit
#:6 10 to 20 ms later, the receiver can receive the data after changing the channel.
Data #:6
LD
CH CH
Data #:7
5 ms
10 to 20 ms
#:4 RFchannel change must be performed in receiving mode.
#:7 5 ms later, the data can be received if the RF channel is not changed.
5 ms #:4
40 ms
CPU
Pow er on
CH Data #:5
5 ms 5 ms
Check LD signal
Check LD signal
Normal statusStatus immediately after pow er comes on.
Channel change No channel change
#:4
#:2 Initialize the port connected to the module.
#:3 Supply pow er to the module after initializing CPU.
#:1 Reset control CPU
#:1 #:2 #:4
#:3
#:5 40 ms later, the receiver can receive the data after changing the channel..
Figure 3: Timing diagram for STD-302
activ e period
Receiv e mode
activ e period
Receiv e mode
activ e period
Transmit mode
activ e
Check LD signal
Activ e period
Transmit mode
activ e
Transmit mode
activ e
LMD-400
LMD-400
Power on

OG_LMD-400-R-C_v12e Circuit Design, Inc.15
OPERATION GUIDE
PLL FREQUENCY SETTING DATA REFERENCE
Example : Setting from 458.000 MHz to 458.6125 MHz
Channel
Frequency
FCH
Expect
Frequency
FEXPECT
Lock
Frequency
FVCO
(MHz) (MHz) (MHz)
Number of
Division n
Programable
Counter
N
Swallow Counter
A
458.0000 436.3000 436.3000 34904 545 24
458.0125 436.3125 436.3125 34905 545 25
458.0250 436.3250 436.3250 34906 545 26
458.0375 436.3375 436.3375 34907 545 27
458.0500 436.3500 436.3500 34908 545 28
458.0625 436.3625 436.3625 34909 545 29
458.0750 436.3750 436.3750 34910 545 30
458.0875 436.3875 436.3875 34911 545 31
458.1000 436.4000 436.4000 34912 545 32
458.1125 436.4125 436.4125 34913 545 33
458.1250 436.4250 436.4250 34914 545 34
458.1375 436.4375 436.4375 34915 545 35
458.1500 436.4500 436.4500 34916 545 36
458.1625 436.4625 436.4625 34917 545 37
458.1750 436.4750 436.4750 34918 545 38
458.1875 436.4875 436.4875 34919 545 39
458.2000 436.5000 436.5000 34920 545 40
458.2125 436.5125 436.5125 34921 545 41
458.2250 436.5250 436.5250 34922 545 42
458.2375 436.5375 436.5375 34923 545 43
458.2500 436.5500 436.5500 34924 545 44
458.2625 436.5625 436.5625 34925 545 45
458.2750 436.5750 436.5750 34926 545 46
458.2875 436.5875 436.5875 34927 545 47
458.3000 436.6000 436.6000 34928 545 48
458.3125 436.6125 436.6125 34929 545 49
458.3250 436.6250 436.6250 34930 545 50
458.3375 436.6375 436.6375 34931 545 51
458.3500 436.6500 436.6500 34932 545 52
458.3625 436.6625 436.6625 34933 545 53
Parameter name Value
Phase Comparing Frequency Fcomp [kHz]
12.5
Start Channel Frequency Fch [MHz] 458.000
Channel Step Frequency [kHz]
12.5
Number of Channel
50
Prescaler M64
Parameter name Value
Reference Frequency Fosc [MHz] 21.25
Offset Frequency Foffset [MHz] 21.7
: For data input
: Result of calculation
: Fixed value
Parameter name Value
Reference Counter R1700
Programmable Counter NMin. Value 545
Programmable Counter NMax. Value 546
Swallow Counter AMin. Value 0
Swallow Counter AMax. Value 63

OG_LMD-400-R-C_v12e Circuit Design, Inc.16
OPERATION GUIDE
458.3750 436.6750 436.6750 34934 545 54
458.3875 436.6875 436.6875 34935 545 55
458.4000 436.7000 436.7000 34936 545 56
458.4125 436.7125 436.7125 34937 545 57
458.4250 436.7250 436.7250 34938 545 58
458.4375 436.7375 436.7375 34939 545 59
458.4500 436.7500 436.7500 34940 545 60
458.4625 436.7625 436.7625 34941 545 61
458.4750 436.7750 436.7750 34942 545 62
458.4875 436.7875 436.7875 34943 545 63
458.5000 436.8000 436.8000 34944 546 0
458.5125 436.8125 436.8125 34945 546 1
458.5250 436.8250 436.8250 34946 546 2
458.5375 436.8375 436.8375 34947 546 3
458.5500 436.8500 436.8500 34948 546 4
458.5625 436.8625 436.8625 34949 546 5
458.5750 436.8750 436.8750 34950 546 6
458.5875 436.8875 436.8875 34951 546 7
458.6000 436.9000 436.9000 34952 546 8
458.6125 436.9125 436.9125 34953 546 9
Excel sheets that contain automatic calculations for the above equations can be found on our web site
(www.circuitdesign.jp).
For the frequencies where the LMD-400-R can be used in US, refer to “Data transceiver for use in the USA under
FCC Part 90 License”.

OG_LMD-400-R-C_v12e Circuit Design, Inc.17
OPERATION GUIDE
Regulatory compliance information
The LMD-400-R complies with the FCC Part 90.
Labelling:
The LMD-400-R 458 MHz-462.5 MHz is labeled as below:
FCC ID: V9X-LMD400RC
The proposed FCC ID label format is to be placed on the module. If FCC ID is not visible when the module is
installed into the system, "Contains FCC ID: V9X-LMD400RC" shall be placed on the outside of final host
system.
Exposuretoradiofrequencyradiation:Formobileequipment
ThisequipmentcomplieswithFCCradiationexposurelimitssetforthforanuncontrolledenvironmentand
meetstheFCCradiofrequency(RF)ExposureGuidelines.
ThisequipmenthasverylowlevelsofRFenergythatisdeemedtocomplywithoutmaximumpermissive
exposureevaluation(MPE).
Exposuretoradiofrequencyradiation:Forportableequipment
ThisequipmentcomplieswithFCCradiationexposurelimitssetforthforanuncontrolledenvironmentand
meetstheFCCradiofrequency(RF)ExposureGuidelines.
ThisequipmenthasverylowlevelsofRFenergythatisdeemedtocomplywithouttestingofspecific
absorptionrate(SAR).
Thisdevicemustnotbecolocatedoroperatinginconjunctionwithanyotherantennaortransmitter.
Thisdeviceissupposedtobeoperatedunder90.267.However,therearesomelimitationsasbelow:
90.267(e)(1)GroupCfrequenciesareavailableforvoiceandnonvoiceoperationsonacoprimarybasis.
OnlymobileoperationswillbeauthorizedonGroupCfrequencies.Stationsmayoperateatfixedlocationsfora
temporaryperiodoftime.Nostationsoperatingatapermanentfixedlocationwillbeauthorizedon
GroupCfrequencies.
90.267(f)(2)GroupDfrequenciessubjectto§90.35(c)(63)arelimitedtocentralstationalarmusewithin
theurbanareasdescribedin§90.35(c)(63).Outsidetheurbanareasdescribedin§90.35(c)(63),GroupD
frequenciessubjectto§90.35(c)(63)areavailableforgeneralIndustrial/Businessuseonacoordinatedbasis,
pursuantto§§90.35(b)(2)and90.175(b).
90.267(f)(3)GroupDfrequenciessubjectto§90.35(c)(66)arelimitedtocentralstationalarmusenationwide.
90.267(h)(5)Continuouscarrieroperationsareprohibitedonthesefrequencies.
The LMD-400-R complies with Part 15 Subpart B of the FCC Rules. Operation is subject to the condition that
this device does not cause harmful interference.
NOTE: The LMD-400-R has been tested and found to comply with the limits for a Class B digital device,
pursuant to Part 15 of the FCC Rules. These limits are designed to provide reasonable protection against
harmful interference in a commercial installation. This equipment generates, uses, and can radiate radio
frequency energy and, if not installed and used in accordance with the instructions, may cause harmful
interference to radio communications. However, there is no guarantee that interference will not occur in a
particular installation. If this equipment does cause harmful interference to radio or television reception, which
can be determined by turning the equipment off and on, the user is encouraged to try to correct the
interference by one or more of the following measures:
· Reorient or relocate the receiving antenna.
· Keep water and moisture out of all antenna and radio fittings.
· Check all antenna connections – any imbalance in coax cable can cause radio interference and receive /
transmit problems.
Caution:
Changes or modifications not expressly approved by the party responsible for compliance could avoid the
user’s authority to operate the equipment.

Licensing of end-use products
LMD-400-R 458 MHz-462.5 MHz holds equipment authorization for transmitting equipment under Title 47 of the
Code of Federal Regulations Part 90. (FCC Identifier: V9X-LMD400R)
This shall be the only guarantee of Circuit Design Inc for compliance with FCC regulations. Those who integrate
LMD-400-R 458 MHz-462.5 MHz in a system and operate the radio system in the United States are required to
apply for a user station license before the equipment can be operated. Application for the station license in Part 90
may be required to be submitted to a certified frequency coordinator for frequency coordination, then the FCC
licensing bureau issues a license for equipment users/stations. As local frequency management issues are
involved in licensing, Circuit Design Inc shall not be held liable for failure in obtaining the station license. Circuit
Design Inc recommends users to contact a certified frequency coordinator in the region in advance to confirm
whether or not a license can be granted.
For more details, please refer to “Data transceiver for use in the USA under FCC Part 90 License”.

OPERATION GUIDE
Regulatory compliance information
The LMD-400-R complies with RSS-119.
Caution: Any changes or modifications not expressly approved by the party responsible for product
compliance could void the user's authority to operate the equipment.
Labelling:
The LMD-400-R 458 MHz-462.5 MHz is labeled as below.
IC Number: 6079A- LMD400R
The proposed IC Number label format is to be placed on the module. If IC Number is not visible when the
module is installed into the system, “Contains IC: 6079A- LMD400R” shall be placed on the outside of final
host system.
Antenna
This radio transmitter IC Number 6079A- LMD400R has been approved by Industry Canada to operate with the
antenna types listed below with the maximum permissible gain and required antenna impedance for each antenna
type indicated. Antenna types not included in this list, having a gain greater than the maximum gain indicated for
that type, are strictly prohibited for use with this device.
The antenna used this module is as follows;
Antenna Type & Antenna Gain;
Whip Antenna (ANT-LEA-01-R), 1.83dBi
Whip Antenna (ANT-RIG-01-R), 1.68dBi
Caution: Exposure to Radio Frequency Radiation
To comply with IC RF exposure compliance requirements, a separation distance of at least 20 cm
must be maintained between the antenna of this device and all persons. This device must not be
co-located or operating in conjunction with any other antenna or transmitter.
Pour se conformer aux exigences en matière d'exposition RF IC, une distance de séparation d'au
moins 20 cm doit être maintenue entre l'antenne de cet appareil et toutes les personnes. Cet appareil
ne doit pas être co-localisées ou opérant en conjonction avec une autre antenne ou un autre
émetteur.
Licensing of end-use products
LMD-400-R 458 MHz-462.5 MHz holds equipment authorization for transmitting equipment under RSS-119.
(IC Number:
6079A- LMD400R
)
This shall be the only guarantee of Circuit Design Inc. for compliance with Industry Canada regulations. Those who
integrate LMD-400-R 458 MHz-462.5 MHz in a system and operate the radio system in Canada are required to apply
for a user station license before the equipment can be operated. Application for the station license in RSS-119
may be required to be submitted to a certified frequency coordinator for frequency coordination, then the
Industry Canada licensing bureau issues a license for equipment users/stations. As local frequency management
issues are involved in licensing, Circuit Design Inc. shall not be held liable for failure in obtaining the station license.
Circuit Design Inc. recommends users to contact a certified frequency coordinator in the region in advance to confirm
whether or not a license can be granted.

OG_LMD-400-R-C_v12e Circuit Design, Inc.18
OPERATION GUIDE
Important notice
Customers are advised to consult with Circuit Design sales representatives before ordering.
Circuit Design believes the provided information is accurate and reliable. However, Circuit Design reserves the
right to make changes to this product without notice.
Circuit Design products are neither designed nor intended for use in life support applications where malfunction
can reasonably be expected to result in significant personal injury to the user. Any use of Circuit Design products
in such safety-critical applications is understood to be fully at the risk of the customer and the customer must
fully indemnify Circuit Design, Inc for any damages resulting from any improper use.
As the radio module communicates using electronic radio waves, there are cases where transmission will be
temporarily cut off due to the surrounding environment and method of usage. The manufacturer is exempt from
all responsibility relating to resulting harm to personnel or equipment and other secondary damage.
The manufacturer is exempt from all responsibility relating to secondary damage resulting from the operation,
performance and reliability of equipment connected to the radio module.
Copyright
All rights in this operation guide are owned by Circuit Design, Inc. No part of this document may be copied or
distributed in part or in whole without the prior written consent of Circuit Design, Inc.
Cautions
As the radio module communicates using electronic radio waves, there are cases where transmission will be
temporarily cut off due to the surrounding environment and method of usage. The manufacturer is exempt from
all responsibility relating to resulting harm to personnel or equipment and other secondary damage.
Do not use the equipment within the vicinity of devices that may malfunction as a result of electronic radio waves
from the radio module.
The manufacturer is exempt from all responsibility relating to secondary damage resulting from the operation,
performance and reliability of equipment connected to the radio module.
Communication performance will be affected by the surrounding environment, so communication tests should be
carried out before actual use.
Ensure that the power supply for the radio module is within the specified rating. Short circuits and reverse
connections may result in overheating and damage and must be avoided at all costs.
Ensure that the power supply has been switched off before attempting any wiring work.
The case is connected to the GND terminal of the internal circuit, so do not make contact between the '+' side of
the power supply terminal and the case.
When batteries are used as the power source, avoid short circuits, recharging, dismantling, and pressure. Failure
to observe this caution may result in the outbreak of fire, overheating and damage to the equipment. Remove the
batteries when the equipment is not to be used for a long period of time. Failure to observe this caution may
result in battery leaks and damage to the equipment.
Do not use this equipment in vehicles with the windows closed, in locations where it is subject to direct sunlight,
or in locations with extremely high humidity.
The radio module is neither waterproof nor splash proof. Ensure that it is not splashed with soot or water. Do not
use the equipment if water or other foreign matter has entered the case.
Do not drop the radio module or otherwise subject it to strong shocks.
Do not subject the equipment to condensation (including moving it from cold locations to locations with a
significant increase in temperature.)
Do not use the equipment in locations where it is likely to be affected by acid, alkalis, organic agents or corrosive
gas.
Do not bend or break the antenna. Metallic objects placed in the vicinity of the antenna will have a great effect on
communication performance. As far as possible, ensure that the equipment is placed well away from metallic
objects.
The GND for the radio module will also affect communication performance. If possible, ensure that the case GND
and the circuit GND are connected to a large GND pattern.
Warnings
Do not take a part or modify the equipment.
Do not remove the product label (the label attached to the upper surface of the module.) Using a module from
which the label has been removed is prohibited.

OG_LMD-400-R-C_v12e Circuit Design, Inc.19
OPERATION GUIDE
REVISION HISTORY
Version Date Description Remark
0.9 Sept. 2009 Preliminary
1.0 Jan. 2010
1.1 Apr. 2010 Some minor corrections
1.2 Oct. 2010 Specification : RSSI values are changed