Circuit Design MUD1R 905-925 MHZ EMBEDDED LOW POWER RADIO MODEM User Manual OG MU D1 R v099Fe
Circuit Design, Inc. 905-925 MHZ EMBEDDED LOW POWER RADIO MODEM OG MU D1 R v099Fe
Users Manual

OG_MU-D1-R_v099Fe
OPERATION GUIDE
Embedded low power radio modem
MU-D1-R 915MHz
Operation Guide
Version 0.99F (Nov. 2010)
CIRCUIT DESIGN, INC.,
7557-1 Hotaka, Azumino
Nagano 399-8303, JAPAN
Tel: +81-(0)263-82-1024
Fax: +81-(0)263-82-1016
E-mail: info@circuitdesign.jp
Web site: http://www.circuitdesign.jp

OG_MU-D1-R_v099Fe Circuit Design, Inc.
4
OPERATION GUIDE
The MU-D1-R is an FCC part15 compliant embedded low power radio modem for transmission of serial data. Since
it is possible to control the radio component using dedicated simple commands, the user can concentrate on
developing the transmitting and receiving programs for their system.
The commands of MU-D1-R are compatible with the commands used for Circuit Design’s MU-1 and MU-2 series.
Transmitting and receiving data and issuing commands are performed using a UART*1 interface with a single-chip
CPU and the modem can also be controlled via the COM port (RS232C format) of the computer, making it possible
for the user to develop systems quickly*2.
The receiving part contains two independent receivers and operates as a true diversity receiver which provides
stable receiving performance even in proximity operation prone to multipath effect.
The MU-D1-R is designed to minimize design difficulties involving high frequency components, so that the user can
embed the modem in their system with peace of mind.
Important
It is not possible simply to replace communication using existing RS232C system equipment connected
with a cable, with MU-D1-R wireless communication. In order to build wireless systems, issues specific to
radio communications must be solved. The hardware and software must be newly designed specifically
for the MU-D1-R.
*1 UART (Universal Asynchronous Receiver Transmitter)
*2 The RS232C interface board with a D-Sub 9-pin connector is available
1.1.1 Features
FCC part15.247 compliant
Command compatible with the MU-1 and MU-2 series
Serial data can be transmitted with a simple system of commands.
Offers a wide communication range with stable operation.
The true diversity receiving system achieves stable communication
The transceiver function is incorporated within a compact unit.
Ideal for battery operated applications thanks to operation at low voltage and low consumption current.
Uses the UART interface commonly available with on-board CPUs.
The high frequency circuit is designed specifically as an embedded radio unit, to operate stably on the user
system circuit board.
1:1, 1:N, and N:N systems can be built by flexibly setting link parameters.
It is possible to assess locally the status of radio waves and field noise at the source station.
RF power selectable by switching the power amplifier ON/OFF
Using a TCXO in the control part achieves a wide operating temperature range from -20 ºC to 65 ºC
1.1.2 Applications
Serial data transmission
Energy monitoring, data monitoring devices, handy terminals, barcode readers, housing equipment control
Telecontrol
Various warning systems, remote control for construction machinery, display devices, motor control, lifters
Remote control of FA equipment
Telemetry
Security systems, water level monitors for rivers and dams, temperature and humidity gauges, rain gauges,
pressure gauges, voltmeters, ampere meters
Chapter 1 The MU-D1-R
1.1 Outline

OG_MU-D1-R_v099Fe Circuit Design, Inc.
6
OPERATION GUIDE
The VCC terminal of the MU-D1-R is connected directly to the power source of the mounted CPU. Ensure that the
voltage of the power supply is regulated to within DC +4.0 v to +5.0 v.
Basically the MU-D1-R uses hardware flow control with RTS or CTS, however 3-line control can be used without the
hardware flow control. In this case, set the CTS terminal to Low level. In addition, care is required with the timing of
transmitting and receiving.
Example 1 and Example 2 are basically the same methods except for the difference in control voltage.
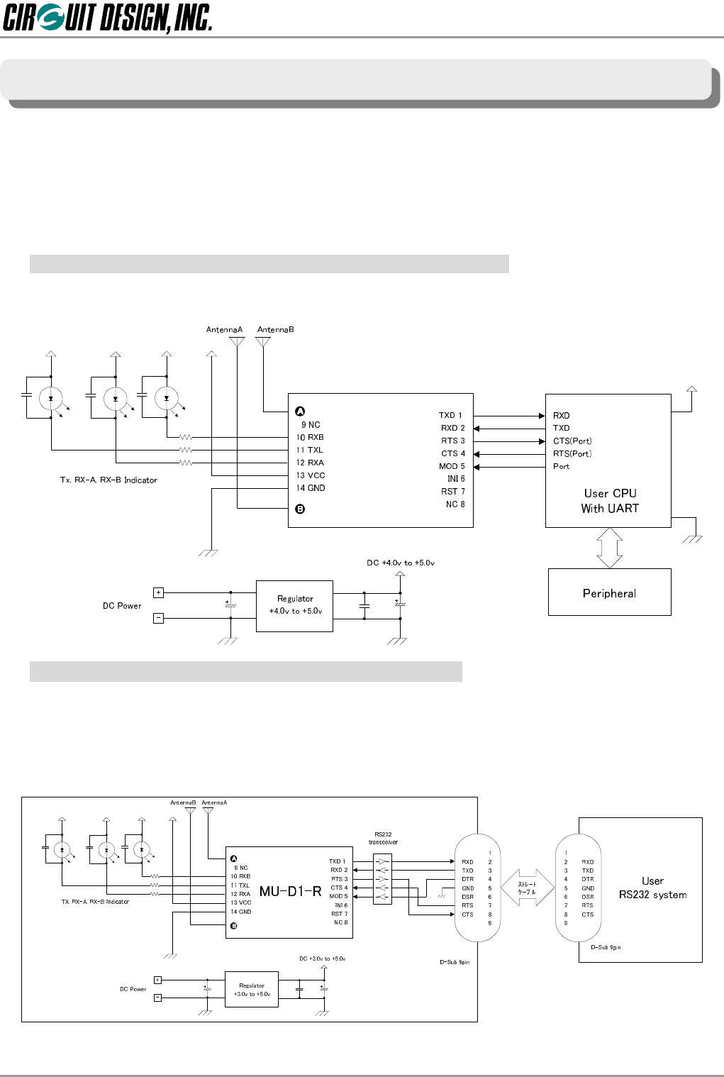
1.3.1 Example 1: Controlling the MU-D1-R with the on-board CPU
It is possible to interface the MU-D1-R directly using the UART interface of the on-board CPU.
MU-D1-R
1.3.2 Example 2: Controlling the MU-D1-R via RS232C
1. Using the RS232 port of your computer, you can develop a new program for OS’s such as Windows and the like.
In this case, use an RS232C transceiver. (The program for existing system equipment will not work.)
2. By supplying power to the MU-D1-R with a cable, you can also isolate the radio component from your system and
locate it in the most suitable environment. The distance can be extended by 15 m to 50 m, but the exact distance
should be confirmed through experiments.
* It is also possible to supply power using the No.1 pin of the D-Sub-connector.
1.3 Example of the Control Method

OG_MU-D1-R_v099Fe Circuit Design, Inc.
10
OPERATION GUIDE
The frequency channels that the MU-D1-R can use are channels 1 to 20 in the 915 MHz band.
To set the channel, use the command format ‘@CH + channel number’.
Example: Set channel 15 as the channel to use.
Specify the channel following ‘@CH’ with 2 ASCII (hexadecimal) characters.
Control command: @CH 0F CRLF
Control response: *CH = 0F CRLF
* : Default channel
MU-D1-R 915 MHz
Channel Frequency Channel Frequency
Dec. (Hex) MHz Dec. (Hex) MHz
1(01) 905.5 11(0B) 915.5
2(02) 906.5 12(0C) 916.5
3(03) 907.5 13(0D) 917.5
4(04) 908.5 14(0E) 918.5
5(05) 909.5 15(0F) 919.5
6(06) 910.5 16(10) 920.5
7(07) 911.5 17(11) 921.5
8(08) 912.5 18(12) 922.5
9(09) 913.5 19(13) 923.5
10(0A) 914.5 20(14) 924.5
2.3 Channel Table

OG_MU-D1-R_v099Fe Circuit Design, Inc.
52
OPERATION GUIDE
USA-Federal Communications Commission (FCC)
The MU-D1-R complies with Part 15 of the FCC Rules.
Operation is subject to the following two conditions:
(1) This device may not cause harmful interference, and
(2) This device must accept any interference received, including interference that may cause undesired operation.
Caution
Any changes or modifications not expressly approved by the party responsible for compliance could void the user’s
authority to operate the equipment.
Labeling
Circuit Design RF module MU-D1-R labeled as below.
FCC ID: V9X-MUD1R
The proposed with FCC ID label format is to be placed on the module. If FCC ID is not visible when the module is
installed into the system, “Contains FCC ID: V9X-MUD1R ” shall be placed on the outside of final host system.
Caution: Exposure to Radio Frequency Radiation.
To comply with FCC RF exposure compliance requirements, a separation distance of at least 20 cm must be
maintained between the antenna of this device and all persons. This device must not be co-located or operating in
conjunction with any other antenna or transmitter.
Chapter 9 Regulatory Compliance
9.1 Regulatory Compliance of the MU-D1-R
This equipment has been tested and found to comply with the limits for a Class B digital device, pursuant to part 15 of
the FCC Rules. These limits are designed to provide reasonable protection against harmful interference in a
residential installation. This equipment generates, uses and can radiate radio frequency energy and, if not installed
and used in accordance with the instructions, may cause harmful interference to radio communications. However,
there is no guarantee that interference will not occur in a particular installation. If this equipment does cause harmful
interference to radio or television reception, which can be determined by turning the equipment off and on, the user is
encouraged to try to correct the interference by one or more of the following measures:
--Reorient or relocate the receiving antenna.
--Increase the separation between the equipment and receiver.
--Connect the equipment into an outlet on a circuit different from that to which the receiver is connected.
--Consult the dealer or an experienced radio/TV technician for help.

OG_MU-D1-R_v099Fe Circuit Design, Inc.
53
OPERATION GUIDE
Important notice
•Customers are advised to consult with Circuit Design sales representatives before ordering.
Circuit Design believes the provided information is accurate and reliable. However, Circuit Design reserves the
right to make changes to this product without notice.
• Circuit Design products are neither designed nor intended for use in life support applications where malfunction
can reasonably be expected to result in significant personal injury to the user. Any use of Circuit Design products
in such safety-critical applications is understood to be fully at the risk of the customer and the customer must fully
indemnify Circuit Design, Inc for any damages resulting from any improper use.
• As the radio module communicates using electronic radio waves, there are cases where transmission will be
temporarily cut off due to the surrounding environment and method of usage. The manufacturer is exempt from all
responsibility relating to resulting harm to personnel or equipment and other secondary damage.
• The manufacturer is exempt from all responsibility relating to secondary damage resulting from the op eration,
performance and reliability of equipment connected to the radio module.
Copyright
• All rights in this operation guide are owned by Circuit Design, Inc. No part of this document may be copied or
distributed in part or in whole without the prior written consent of Circuit Design, Inc.
Cautions
• Do not use the equipment within the vicinity of devices that may malfunction as a result of electronic radio waves
from the radio module.
• Communication performance will be affected by the surrounding environment, so communication tests should be
carried out before actual use.
• Ensure that the power supply for the radio module is within the specified rating. Short circuits and reverse
connections may result in overheating and damage and must be avoided at all costs.
• Ensure that the power supply has been switched off before attempting any wiring work.
• The case is connected to the GND terminal of the internal circuit, so do not make contact between the '+' side of
the power supply terminal and the case.
• When batteries are used as the power source, avoid short circuits, recharging, dismantling, and pressure. Failure
to observe this caution may result in the outbreak of fire, overheating and damage to the equipment. Remove the
batteries when the equipment is not to be used for a long period of time. Failure to observe this caution may result
in battery leaks and damage to the equipment.
• Do not use this equipment in vehicles with the windows closed, in locations where it is subject to direct sunlight, or
in locations with extremely high humidity.
• The radio module is neither waterproof nor splash proof. Ensure that it is not splashed with soot or water. Do not
use the equipment if water or other foreign matter has entered the case.
• Do not drop the radio module or otherwise subject it to strong shocks.
• Do not subject the equipment to condensation (including moving it from cold locations to locations with a
significant increase in temperature.)
• Do not use the equipment in locations where it is likely to be affected by acid, alkalis, organic agents or corrosive
gas.
• Do not bend or break the antenna. Metallic objects placed in the vicinity of the antenna will have a great effect on
communication performance. As far as possible, ensure that the equipment is placed well away from metallic
objects.
• The GND for the radio module will also affect communication performance. If possible, ensure that the case GND
and the circuit GND are connected to a large GND pattern.
Warnings
• Do not take a part or modify the equipment.
• Do not remove the product label (the label attached to the upper surface of the module.) Using a module from
which the label has been removed is prohibited.
Copyright 2010, Circuit Design, Inc.