Clarke Alto C2K Series Users Manual
C2K Series to the manual 82514290-841a-4a86-aa7a-8be14156ed91
2015-02-05
: Clarke Clarke-Alto-C2K-Series-Users-Manual-530619 clarke-alto-c2k-series-users-manual-530619 clarke pdf
Open the PDF directly: View PDF
.
Page Count: 42
- Operator's Manual
- CONTENTS OF THIS BOOK
- OPERATOR SAFETY INSTRUCTIONS
- MACHINE INTRODUCTION
- ACCESSORIES
- Machine Specifications
- HOW TO PREPARE THE MACHINE FOR OPERATION
- 120 VOLT MACHINES Connection Instructions
- HOW TO OPERATE THE MACHINE
- MAINTENANCE
- Parts and Service Manual
- MAINTENANCE
- Assembly Drawing
- Assembly Drawing Parts List
- AssemblyDrawing
- Assembly Parts List
- Motor Assembly Drawing & Parts List
- 120V Motor Electrical Schematic
- Gearbox Assembly Drawing & Parts List
- Gearbox Assembly Drawing & Parts List
- Motor Assembly Drawing & Parts List
- 120V Motor Connection Diagram
- Gearbox Assembly Drawing & Parts List
- 120V Motor Assembly Drawing & Parts List
- Gearbox Assembly Drawing & Parts List
- Wiring Diagram 120V-60Hz
- Wiring Diagram 120V
- ALTO ® PRODUCT SUPPORT BRANCHES
- CLARKE TECHNOLOGY LIMITED U.S. WARRANTY

Form No. 70152A 2/01 CLARKE TECHNOLOGY Printed in the U.S.A.
READ THIS BOOK
CAUTION: Read the Operator's Manual before using the appliance.
This book has important information for the use and safe operation of this machine. Failure to read
this book prior to operating or attempting any service or maintenance procedure to your ALTO
machine could result in injury to you or to other personnel; damage to the machine or to other property
could occur as well. You must have training in the operation of this machine before using it. If your
operator cannot read this manual, have it explained fully before attempting to operate this machine.
All directions given in this book are as seen from the operator’s position at the rear of the machine.
For new books write to: ALTO U. S. Inc., 2100 Highway 265, Springdale, Arkansas 72764.
C2K Series
120V
Polisher
Operator's Manual
Libro De Instrucciones
Manuel D’utilisation
E

Page -2 - CLARKE TECHNOLOGY Operator's Manual - C2K Series 120V
CONTENTS OF THIS BOOK
Operator Safety Instructions ............................................................................................... 5
Machine Introduction .......................................................................................................... 6
Accessories .....................................................................................................................11
Machine Specifications .................................................................................................... 14
How To Prepare the Machine for Operation....................................................................... 18
How to Install the Brush or Pad Driver ........................................................................ 18
How to Adjust the Handle ........................................................................................... 18
Instructions for Connection to Power Supply & Elect. Ground, 120V ................................ 20
How to Operate the Machine ............................................................................................ 22
How To Start/Stop The Machine ................................................................................. 22
How to Control the Machine ....................................................................................... 22
Maintenance .................................................................................................................... 22
Section II Parts and Service Manual
Maintenance .................................................................................................................... 26
Assembly Drawing ........................................................................................................... 28
Assembly Parts List ................................................................................................. 29
Assembly Drawing ........................................................................................................... 30
Assembly Parts List .................................................................................................. 31
Motor Assembly Drawing & Parts List .............................................................................. 32
Gearbox Assembly Drawing & Parts List ......................................................................... 33
Gearbox Assembly Drawing & Parts List ......................................................................... 34
Motor Assembly Drawing & Parts List .............................................................................. 35
Gearbox Assembly Drawing & Parts List ......................................................................... 36
Motor Assembly Drawing and Parts List........................................................................... 37
Gearbox Assembly Drawing and Parts List ...................................................................... 38
Wiring Diagrams .............................................................................................................. 39

CLARKE TECHNOLOGY Operator's Manual - C2K Series 120V Page - 3 -
INDICE
Instrucciones de seguridad para el operador ..........................................................................7
Presentación de la máquina....................................................................................................8
Accesorios ............................................................................................................................ 12
Especificaciones de la puilidora C2K .................................................................................... 15
Preparación de la máquina para trabajar .............................................................................. 19
Instalación del cepillo o del portadisco .................................................................................. 19
Reglaje de la tobera .............................................................................................................. 19
Instrucciones para la conexión con la red 120 V ................................................................... 21
Funcionamiento de la máquina ............................................................................................. 23
Arranque y parada ................................................................................................................. 23
Dominio del desplazamiento de la máquina.......................................................................... 23
Mantenimiento .......................................................................................................................23
SECCION II PIEZAS Y SERVICO
Mantenimiento .......................................................................................................................27
C2K Series
LIBRO DE INSTRUCCIONES
LEA ESTE LIBRO
CUIDADO: Lea el Libro de Instrucciones antes de usar este aparato.
Contiene información importante para el uso y funcionamiento correcto y seguro de la máquina.
Lea este libro completamente antes de arrancar la máquina o hacer cualquier operación de
mantenimiento. Si non sigue las instrucciones, corre el peligro de herirse o causar lesiones al
personal, o causar daños importantes a la máquina o a su entorno. Antes de usar la máquina, es
indispensable seguir una formación. Si Usted (o el operador) no habla español, solicite (o
proporciónele) todas las informaciones necesarias. El libro está traducido en otros idiomas.
Todas las indicaciones de dirección dadas en este libro están dadas desde la posición del operador
en la parte de atrás de la máquina.
Puede Ud. conseguir libros suplementarios dirigiéndose a su distribuidor ALTO.

Page -4 - CLARKE TECHNOLOGY Operator's Manual - C2K Series 120V
LISEZ CE MANUEL
ATTENTION: Lire le manuel d'utilisation avant de faire fonctionner l'appareil.
Il contient des informations importantes pour une utilisation correcte de la machine, en toute
sécurité. Lisez-le complètement avant de mettre la machine en marche ou d’effectuer un entretien.
A défaut, vous risqueriez de vous blesser ou de blesser d’autres membres du personnel,
d’endommager sérieusement la machine ou de provoquer des dégâts dans son environnement.
Avant de se servir de la machine, il est indispensable d’avoir reçu une formation. Si vous-même (ou
l’opérateur) ne parlez pas français, veuillez demander (ou lui fournir) toutes les explications
nécessaires. Des versions du manuel existent en d’autres langues.
Toutes les indications de direction figurant dans ce manuel sont visualisées depuis la position du
conducteur, à l’arrière de la machine.
Pour toute commande de manuels, adressez-vous à votre revendeur ALTO.
INDEX
Consignes de sécurité pour l’opérateur ............................................................................... 9
Présentation de la machine................................................................................................ 10
Accessoires ....................................................................................................................... 13
Spécifications de la cireuse de série C2K.......................................................................... 16
Préparation de la machine avant la mise en service .......................................................... 19
Installation de la brosse ou du porte-disque ....................................................................... 19
Réglage du timon ............................................................................................................... 19
Instructions pour le raccordement au réseau 120V ........................................................... 21
Fonctionnement de la machine .......................................................................................... 23
Mise en marche et arrêt ..................................................................................................... 23
Maîtrise du déplacement de la machine ............................................................................. 23
Entretien ............................................................................................................................. 23
SECTION II, PIECES ET DEPANNAGE
Entretien ............................................................................................................................. 27
C2K Series
MANUEL D’UTILISATION

CLARKE TECHNOLOGY Operator's Manual - C2K Series 120V Page - 5 -
OPERATOR SAFETY INSTRUCTIONS
WARNING AVERTISSEMENT ADVERTENCIA
DANGER means: Severe bodily injury or death can occur to you or other personnel if the DANGER
statements found on this machine or in this Owner's Manual are ignored or are not
adhered to. Read and observe all DANGER statements found in this Owner's
Manual and on your machine.
WARNING means: Injury can occur to you or to other personnel if the WARNING statements found on
your machine or in this Owner's Manual are ignored or are not adhered to. Read
and observe all WARNING statements found in this Owner's Manual and on your
machine.
CAUTION means: Damage can occur to the machine or to other property if the CAUTION statements
found on your machine or in this Owner's Manual are ignored or are not adhered to.
Read and observe all CAUTION statements found in this Owner's Manual and on
your machine.
DANGER: Failure to read the Owner's Manual prior to operating or attempting any service or maintenance
procedure to your machine could result in injury to you or to other personnel; damage to the
machine or to other property could occur as well. You must have training in the operation of this
machine before using it. If you or your operator(s) cannot read English, have this manual
explained fully before attempting to operate this machine.
DANGER: To reduce the risk of fire, use only commercially available floor cleaners and waxes intended for
machine application.
DANGER: Risk of explosion. Floor sanding can result in an explosive mixture of fine dust and air. To
reduce risk of explosion, use floor sanding machine only in well ventilated area.
DANGER: Operating a machine that is not completely or fully assembled could result in injury or property
damage. Do not operate this machine until it is completely assembled. Inspect the machine
carefully before operation.
DANGER: Electrocution could occur if maintenance and repairs are performed on a unit that is not discon-
nected from the power source. Disconnect the power supply before attempting any maintenance
or service. Always remove the electrical plug from the electrical outlet before changing the brush,
pad or other attachment and before leaving the machine.
DANGER: Using a machine with a damaged power cord could result in an electrocution. Do not use the
machine if the power cord is damaged. Do not use the electrical cord to move the machine.
WARNING: Maintenance and repairs performed by unauthorized personnel could result in damage or injury.
Maintenance and repairs must be performed by authorized personnel only. Keep all fasteners
tight. Keep adjustments according to specifications.
WARNING: Electrical components of this machine can "short-out" if exposed to water or moisture. Keep the
electrical components of the machine dry. Wipe the machine down after each use. For storage,
keep the machine in a dry building.
WARNING: Always use a three-wire electrical system connected to the electrical ground. For maximum
protection against electric shock, use a circuit that is protected by a ground fault interrupter.
Consult your electrical contractor.
WARNING: To prevent damage to the power cord, do not let the brush, pad, pad driver or wheels touch the
power cord when the machine is running. Always lift the cord over the machine. Do not pull the
power cord to move the machine.
WARNING: Operating a machine without observing all labels and instructional information could result in
injury or damage. Read all machine labels before attempting to operate. Make sure all of the
labels and instructional information are attached or fastened to the machine. Get replacement
labels and decals from your authorized distributor.

Page -6 - CLARKE TECHNOLOGY Operator's Manual - C2K Series 120V
OPERATOR SAFETY INSTRUCTIONS (cont.)
WARNING: Use of this machine as a step or furniture could result in injury or damage. Do not use this
machine as a step or furniture. Do not ride on this machine.
WARNING: To avoid injury keep hands, feet and loose clothing away from all moving parts of this
machine.
WARNING: Injury to operator or bystanders could occur if an abrupt change in floor surface texture is
encountered when using this machine. Abrupt change in floor surface texture can cause a
sudden pulling motion by this machine. This sudden pulling motion can result in loss of
control of the machine which could injure the operator or bystanders. Avoid motions that
could cause machine to cross from a smooth floor surface to a carpeted or rough texture
floor surface Avoid motions that could allow the machine to come in contact with low
obstacles, such as floor electrical outlets, door stops or entry molding, etc.
WARNING: Water solutions or cleaning materials used with this type of machine can leave wet areas
on the floor surface. These areas can cause a dangerous condition for the operator or
other persons. Always put CAUTION signs near the area being cleaned.
WARNING: Any alterations or modifications of this machine could result in damage to the machine or
injury to the operator or other bystanders. Alterations or modifications not authorized by
the manufacturer voids any and all warranties and liabilities.
CAUTION: The machine is heavy. Get assistance before attempting to transport or move it.
NOTE: This machine is intended for commercial use.
MACHINE INTRODUCTION
The CLARKE TECHNOLOGY C2K Series
The C2K Series are floor maintaining machines that can be used for polishing, spraying, buffing, stripping and
shampooing. The machines can be used on wood, vinyl, terrazzo or cement floors. With the shampoo brush, the
machines can be used to clean carpet and with the sanding disc they can be used to sand floors.

CLARKE TECHNOLOGY Operator's Manual - C2K Series 120V Page - 7 -
WARNING AVERTISSEMENT ¡ AVISO !
INSTRUCCIONES PARA LA SEGURIDAD DEL OPERADOR
¡ PELIGRO ! : Si no sigue la indicación PELIGRO, se pueden causar lesiones graves, incluso mortales. Lea
y siga todas las indicaciones PELIGRO que se encuentran en el libro y en la máquina.
¡ AVISO ! : Si no sigue la indicación AVISO, se pueden causar lesiones sea al operador sea a otro
personal y/o daños materiales. Lea y siga todas las indicaciones AVISO que se encuentran
en el libro y en la máquina.
¡ CUIDADO ! : Si no sigue la indicación CUIDADO, se puede estropear la máquina o causar daños
materiales. Lea y siga las indicaciones CUIDADO que se encuentran en el libro y en la
máquina.
¡ CUIDADO ! Siempre lea este libro de instrucciones antes de arrancar la máquina o hacer un
mantenimiento. A falta de esta precaución, corre el peligro de herirse o causar lesiones a
colegas ; podría Ud. también causar daños a la máquina o a su lugar de trabajo. Se debe
aprender el manejo de esta máquina antes de usarla. Si Usted (o su plantilla) no conoce el
español, se ruega dejarse explicar todo el libro antes de usar la máquina.
¡ CUIDADO ! Para evitar un peligro de incendio, use sólo productos de limpieza y cera para el suelo
especialmente concebidos para máquinas.
¡ CUIDADO ! Peligro de explosión : mientras apomaza un parqué, una mezcla explosiva de partículas de
polvo y aire puede formarse. Para reducir el peligro de explosión, use la máquina sólo en
locales perfectamente ventilados.
¡ CUIDADO ! Si usa una máquina antes de que esté completamente montada, corre el peligro de herirse
o causar daños materiales. No opere la máquina antes de que esté completamente
montada. Compruebe cuidadosamente el estado de la máquina antes de cada utilización.
¡ CUIDADO ! Si efectúa un mantenimiento o una reparación sin desconectar la máquina, hay un riesgo
de electrocución. Desconecte el enchufe de la caja conectada con la red antes de
empezar el mantenimiento o la reparación. Siempre desconecte el enchufe de la caja de
enchufe conectada con la red antes de cambiar el cepillo, el disco o cualquier otro
accesorio y si deja la máquina sin vigilarla.
¡ CUIDADO ! Si opera la máquina con un cable de alimentación estropeado, se puede causar una
electrocución. No use nunca la máquina si el cable de alimentación está estropeado. No
tire de la máquina usando el cable eléctrico.
¡ AVISO ! Una reparación o un mantenimiento efectuado por personas no cualificadas puede causar
lesiones
y/o daños materiales. Todas las operaciones de mantenimiento o de reparación de la
máquina deben ser efectuadas por técnicos cualificados. Compruebe que las fijaciones
están correctamente apretadas. Haga reglajes conforme a las indicaciones dadas en el
libro.
¡ AVISO ! Hay un riesgo de cortocircuito si los componentes eléctricos de una máquina están
expuestos a la humedad o son mojados. Procure que los componentes eléctricos sean
siempre secos. Seque cuidadosamente la máquina después de cada utilización. Guarde
la máquina en un local seco.

Page -8 - CLARKE TECHNOLOGY Operator's Manual - C2K Series 120V
¡ AVISO ! Use siempre un cable con tres conductores puestos a tierra. Para una protección óptima,
conecte la máquina con una caja de enchufe conectada con la red que tiene un diferencial.
Si tiene alguna duda, sírvase acudir a un eléctrico cualificado.
¡ AVISO ! Para evitar daños al cable de alimentación, procure que el cepillo, el disco, el portadisco o
las ruedas no toquen el cable, cuando la máquina funciona. Levante siempre el cable por
encima de la máquina. No tire de la máquina para acercar la máquina.
¡ AVISO ! Si usa la máquina sin respetar todas las instrucciones escritas en los adhesivos y los
carteles, corre el peligro de causar lesiones y daños materiales. Lea todas las indicaciones
escritas en la máquina antes de la primera utilización. Compruebe que todos los adhesivos y
las instrucciones estén colocados en los sitios previstos. Si es preciso, haga un nuevo
pedido a su distribuidor Clarke Technology.
¡ AVISO ! No use la máquina como escabel o mueble. Corre el peligro de causar lesiones o daños
materiales. No use la máquina como medio de transporte.
¡ AVISO ! Para evitar herirse, sírvase mantener une distancia de seguridad suficiente entre las partes
móviles de la máquina y sus manos o sus pies. No lleve ropas holgadas.
¡ AVISO ! Una modificación brusca de la textura del suelo puede causar un sobresalto de la máquina
de la cual el operador pierde momentáneamente el dominio. Eso puede causar lesiones al
operador o a otras personas encontrándose cerca. Procure que la máquina no pase de una
superficie lisa a una alfombra o una superficie más rugosa. Procure que la máquina no esté
en contacto con cajas de enchufe colocadas en el suelo, topes de puerta o casquillos, etc.
¡ AVISO ! Las soluciones acuosas o los productos de limpieza usados con esta máquina pueden dejar
zonas húmedas en el suelo, que pueden ser causa de peligro para el operador u otras
personas. Ponga siempre señales de PRECAUCION cerca de la superficie que está
limpiando.
¡ AVISO ! Esta máquina pesa. Transpórtela o desplácela con ayuda de otra persona.
NOTA : Esta máquina es de uso comercial.
PRESENTACION DE LA MAQUINA
Modelos CLARKE TECHNOLOGY Serie C2K
Estos modelos se concibieron para el mantenimiento del suelo y pueden ser utilizados para el pulido, el
alisado, el decapado y la limpieza con champú. Son convenientes para los suelos de madera, de vinilo, de
terrazo o de cemento. Con el cepillo de champú se puede limpiar el alfombra, mientras que el disco de pulido
se usa para pulir los suelos.

CLARKE TECHNOLOGY Operator's Manual - C2K Series 120V Page - 9 -
INSTRUCTIONS POUR LA SECURITE DE L’OPERATEUR
WARNING AVERTISSEMENT ¡ AVISO !
! DANGER ! Le non-respect des consignes précédées du mot DANGER peut occasionner des
blessures graves, voire entraîner la mort. Lisez et respectez toutes les consignes DAN-
GER figurant dans ce manuel et sur la machine.
AVERTISSEMENT Le non-respect des consignes AVERTISSEMENT peut entraîner des blessures pour
l’opérateur ou d’autres membres du personnel et/ou occasionner des dégâts matériels.
Lisez et respectez toutes les consignes AVERTISSEMENT figurant dans ce manuel et sur
la machine.
ATTENTION Le non-respect des consignes signalées par le mot ATTENTION peut entraîner des
dégâts à la machine ou dans son environnement. Lisez et observez toutes les consignes
ATTENTION figurant dans ce manuel et sur la machine.
! DANGER ! Lisez toujours ce manuel d’instructions avant de mettre la machine en service ou de
procéder à un entretien. A défaut, vous risqueriez de vous blesser ou de blesser des
collègues de travail; vous pourriez également provoquer des dégâts à la machine ou sur
votre lieu de travail. Vous devez avoir reçu une formation avant d’utiliser la machine. Si
vous (ou les membres de votre personnel) ne connaissez pas le français, veuillez vous
faire expliquer le manuel complètement avant de commencer à utiliser la machine.
! DANGER ! Pour éviter tout risque d’incendie, n’utiliser que des produits de nettoyage et des cires
pour sol spécialement conçus pour un usage en machine
! DANGER ! Risque d’explosion : lors du ponçage d’un parquet, un mélange explosif de particules
de fine poussière et d’air peut se former. Pour réduire le risque d’explosion, n’utiliser la
machine que dans des locaux parfaitement ventilés.
! DANGER ! Si vous utilisez une machine avant qu’elle ne soit complètement montée, vous risquez
de vous blesser ou de provoquer des dégâts matériels. Ne mettez pas la machine en
service avant qu’elle ne soit complètement montée. Vérifiez soigneusement l’état de la
machine avant chaque utilisation.
! DANGER ! Si vous procédez à un entretien ou à une réparation sans avoir débranché la machine, il
y a risque d’électrocution. Débranchez la fiche de la prise réseau avant de commencer
tout entretien ou toute réparation. Débranchez toujours la fiche de la prise réseau avant
de changer la brosse, le disque ou tout autre accessoire et si vous laissez la machine
sans surveillance.
! DANGER ! L’utilisation d’une machine lorsque le câble d’alimentation est endommagé peut
provoquer une électrocution. Ne jamais utiliser la machine si le câble d’alimentation
est endommagé. Ne pas utiliser le câble électrique pour tirer la machine.
AVERTISSEMENT Un entretien ou des réparations effectués par des personnes non qualifiées risque de
provoquer des blessures et/ou des dégâts matériels. Tous les travaux d’entretien ou
de réparation de la machine doivent être effectués par des techniciens qualifiés. Bien
veiller à ce que les fixations soient correctement serrées. Effectuer les réglages
conformément aux indications figurant dans le manuel.
AVERTISSEMENT Risque de court-circuit si les composants électriques d’une machine ont été exposés
à l’humidité ou sont mouillés. Veillez à ce que les composants électriques soient
toujours secs. Essuyer soigneusement la machine après chaque utilisation.
Entreposer la machine dans un local sec.

Page -10 - CLARKE TECHNOLOGY Operator's Manual - C2K Series 120V
AVERTISSEMENT Utiliser toujours un câble à trois conducteurs, relié à la terre. Pour une protection
optimale, branchez la machine sur une prise réseau équipé d’un différentiel. En cas
de doute, veuillez faire appel à un électricien qualifié.
AVERTISSEMENT Pour éviter d’endommager le câble d’alimentation, veillez à ce que la brosse, le
disque, le porte-disque ou les roues ne touchent pas le câble, lorsque la machine
fonctionne. Soulevez toujours le câble au-dessus de la machine. Ne tirez pas le
câble pour faire avancer la machine.
AVERTISSEMENT Si vous utilisez une machine sans respecter toutes les consignes figurant sur les
auto-collants et les panneaux d’instructions, vous risquez de provoquer des
blessures et des dégâts matériels. Lisez toutes les indications figurant sur la
machine avant la première utilisation. Vérifiez que tous les auto-collants et les
instructions sont positionnés aux endroits requis . Au besoin, recommandez-en chez
votre revendeur Clarke Technology.
AVERTISSEMENT Ne pas utiliser cette machine comme escabeau ou comme meuble. Risque de
blessure ou de dégât matériel. Ne pas utiliser la machine comme moyen de trans-
port.
AVERTISSEMENT Pour éviter d’être blessé, veillez à maintenir une distance de sécurité suffisante entre
les parties mobiles de la machine et vos mains ou vos pieds. Ne portez pas de
vêtements amples.
AVERTISSEMENT Une modification abrupte de la texture du sol peut provoquer un sursaut de la ma-
chine qui échapperait ainsi momentanément au contrôle de l’opérateur, risquant de le
blesser ou de blesser des personnes se trouvant à proximité immédiate. Soyez
attentif à ne pas faire passer la machine d’une surface lisse sur un tapis ou sur une
surface plus rugueuse. Veillez à ce que la machine n’entre pas en contact avec des
prises électriques placées dans le sol, des arrêts de porte ou des entretoises, etc.
AVERTISSEMENT Les solutions aqueuses ou les produits de nettoyage utilisés avec ce type de
machine peuvent laisser des zones humides sur le sol, qui représentent un danger
potentiel pour l’opérateur ou pour d’autres personnes. Placez toujours des panneaux
d’avertissement “ATTENTION” près de la surface que vous nettoyez.
AVERTISSEMENT Cette machine est lourde. Faites-vous aider pour la transporter ou pour la déplacer.
NOTE: Cette machine est destinée à un usage commercial.
PRESENTATION DE LA MACHINE
Modèles CLARKE TECHNOLOGY Série C2K
Ces modèles sont destinés à l’entretien du sol et peuvent être utilisés pour le polissage, le lissage, le décapage
et le nettoyage avec un shampoing. Ils conviennent pour des sols en bois, en vinyle, en terrazzo ou en ciment.
La brosse à shampoing permet de nettoyer les tapis, tandis que le disque de ponçage s’utilise pour le ponçage
des sols.

CLARKE TECHNOLOGY Operator's Manual - C2K Series 120V Page - 11 -
ACCESSORIES
The following accessories are available.
1. Polishing and waxing brushes.
2. Brushes with natural or synthetic bristles for
scrubbing.
3. Brushes with steel wire bristles.
4. Synthetic pad holders.
Model C2K- 16 18 160 180 200 1600 1800
Code Number 01194A 01195A 01196A 01197A 01198A 01199A 01200A
Solution Tank Assembly 50026A 50026A 50026A 50026A 50026A 50026A 50026A
Spray Buff Attachment ---------- ---------- ---------- ---------- ---------- ---------- ----------
Weight Kit ---------- ---------- ---------- ---------- ---------- 10086A 10086A
Polyproplene Scrub Brush 51704A 51706A 51704A 51706A 51707A 51704A 51706A
Standard Pad Driver 50864A 50865A 50864A 50865A 50866A 50864A 50865A
Perma Grip Pad Driver 53159A 53157A 53159A 53157A 53156A 53159A 53157A
Super Grip Drive Pad 37007A 37009A 37007A 37009A 37011A 37007A 37009A
Carpet Nylon Brush ----------- ----------- ---------- ---------- ----------- 51498A 51701A
High Speed Pad Driver ---------- ---------- ---------- ---------- ---------- ---------- ----------
Sanding Disc Driver ---------- ----------- ----------- ---------- ----------- 450214 460215
Abrasive Coated Tynex ---------- ----------- 51443A 51445A 51446A 51443A 51445A
Steel Wire Brush 410963 410984 410963 410984 480924 410963 410984
Capture (Carpet) Scrub Brush ---------- ---------- ---------- ---------- ---------- ---------- 11405A
Grinding Disk Assembly ---------- ---------- ---------- ---------- ---------- 450212 500212
Dust Skirt Kit 10087A 10088A 10087A 10088A 10089A 10087A 10088A
5. Synthetic pads for polishing, scrubbing,
stripping and spray buffing.
6. Brushes with metal or wood backs and with
holes to let the solution flow through.
7. Solution tank.
8. Sanding discs.
9. Solution Buff Accessory
Model C2K- 2000 160HS 180HS 200HS 1600DS 2000DS
Code Number 01201A 01202A 01203A 01204A 01205A 01206A
Solution Tank Assembly 50026A 50026A 50026A 50026A 50026A 50026A
Spray Buff Attachment ---------- 440570 440570 440570 440570 440570
Weight Kit 10086A ---------- ---------- ---------- 10086A 10086A
Polyproplene Scrub Brush 51707A 51704A 51706A 51707A 51704A 51707A
Standard Pad Driver 50866A 50864A 50865A 50866A 50864A 50866A
Perma Grip Pad Driver 53156A 53159A 53157A 53156A 53159A 53156A
Super Grip Drive Pad 37011A 37007A 37009A 37011A 37007A 37011A
Carpet Nylon Brush ----------- ----------- ----------- ---------- ----------- -----------
High Speed Pad Driver ---------- 53154A 53153A 17518A 53154A 17518A
Sanding Disc Driver ----------- ----------- ----------- ----------- ----------- -----------
Abrasive Coated Tynex 51446A ----------- ----------- ----------- ----------- -----------
Steel Wire Brush 480924 ----------- ----------- ----------- ----------- -----------
Capture (Carpet) Scrub Brush 11406A ----------- ----------- ----------- ----------- -----------
Grinding Disk Assembly ----------- ----------- ----------- ----------- ----------- -----------
Dust Skirt Kit 10089A 10087A 10088A 10089A 10087A 10089A
WARNING: Use only brushes and accessories supplied by the manufacturer.

Page -12 - CLARKE TECHNOLOGY Operator's Manual - C2K Series 120V
ACCESORIOS
Los accesorios siguientes son disponibles :
1. Cepillos para encerar y pulir.
2. Cepillos para fregar con filamentos en fibras
naturales o sintéticas.
3. Cepillos de alambre de acero.
4. Portadiscos sintéticos.
5. Discos sintéticos para pulir, fregar, decapar y
lustrar con tampón.
6. Cepillos con el dorso de metal o de madera y con
canales para dispersar la solución.
7. Depósito de solución.
8. Discos para pulir.
9. Juego de accesorios para lustrar por pulverización
con tampón.
ModeloC2K 2000 160HS 180HS 200HS 1600DS 2000DS
Número de código 01201A 01202A 01203A 01204A 01205A 01206A
Conjunto de depósito de solución
50026A 50026A 50026A 50026A 50026A 50026A
Conjunto del vaporizador ---------- 440570 440570 440570 440570 440570
Juego de pesas 10086A ---------- ---------- ---------- 10086A 10086A
Cepillo de polipropileno para fregar
51707A 51704A 51706A 51707A 51704A 51707A
Portadisco con sujeción Standard
50866A 50864A 50865A 50866A 50864A 50866A
Portadisco con sujeción Perma Grip
53156A 53159A 53157A 53156A 53159A 53156A
Portadisco con sujeción Super Grip
37011A 37007A 37009A 37011A 37007A 37011A
Cepillo de nilón para alfombras ----------- ----------- ---------- ----------- ----------- -----------
Portadisco de alta velocidad ---------- 53154A 53153A 17518A 53154A 17518A
Portadisco para discos de arenado
----------- ----------- ----------- ----------- ----------- -----------
Tynex cubierto de abrasivo 51446A ----------- ----------- ----------- ----------- -----------
Cepillo de alambre de acero 480924 ----------- ----------- ----------- ----------- -----------
Cepillo para fregar alfombras (Capture)
11406A ----------- ----------- ----------- ----------- -----------
Conjunto de disco de amolar ----------- ----------- ----------- ----------- ----------- -----------
Faldón de protección contra el polvo
10089A 10087A 10088A 10089A 10087A 10089A
AVISO: Utilice únicamente las escobillas y los accesorios suministrados por el fabricante.
ModeloC2K 16 18 160 180 200 1600 1800
Número de código 01194A 01195A 01196A 01197A 01198A 01199A 01200A
Conjunto de depósito de solución
50026A 50026A 50026A 50026A 50026A 50026A 50026A
Conjunto del vaporizador ----------- ---------- ---------- ---------- ----------- ---------- -----------
Juego de pesas ---------- ---------- ---------- ---------- ---------- 10086A 10086A
Cepillo de polipropileno para fregar
51704A 51706A 51704A 51706A 51707A 51704A 51706A
Portadisco con sujeción Standard
50864A 50865A 50864A 50865A 50866A 50864A 50865A
Portadisco con sujeción Perma Grip
53159A 53157A 53159A 53157A 53156A 53159A 53157A
Portadisco con sujeción Super Grip
37007A 37009A 37007A 37009A 37011A 37007A 37009A
Cepillo de nilón para alfombras ----------- ----------- ----------- ----------- ----------- 51498A 51701A
Portadisco de alta velocidad ----------- ---------- ---------- ---------- ----------- ---------- -----------
Portadisco para discos de arenado
----------- ----------- ----------- ----------- ----------- 450214 460215
Tynex cubierto de abrasivo ----------- ----------- 51443A 51445A 51446A 51443A 51445A
Cepillo de alambre de acero 410963 410984 410963 410984 480924 410963 410984
Cepillo para fregar alfombras (Capture)
---------- ---------- ---------- ---------- ---------- ---------- 11405A
Conjunto de disco de amolar ---------- ---------- ---------- ---------- ---------- 450212 500212
Faldón de protección contra el polvo
10087A 10088A 10087A 10088A 10089A 10087A 10088A

CLARKE TECHNOLOGY Operator's Manual - C2K Series 120V Page - 13 -
ACCESSOIRES
Les accessoires suivants sont disponibles:
1. Brosses pour cirer et polir
2. Brosses de récurage, avec brins en fibres
naturelles ou synthétiques.
3. Brosses avec brins en acier
4. Porte-disques synthétiques
5. Disques synthétiques pour le polissage, le
récurage, le décapage et le lustrage au tampon.
ModèleC2K 2000 160HS 180HS 200HS 1600DS 2000DS
Numéro de code 01201A 01202A 01203A 01204A 01205A 01206A
Ensemble de réservoir de solution 50026A 50026A 50026A 50026A 50026A 50026A
Ensemble du vaporisateur ----------- 440570 440570 440570 440570 440570
Poids du Kit 10086A ----------- ---------- ---------- 10086A 10086A
Brosse de récurage en polypropylène 51707A 51704A 51706A 51707A 51704A 51707A
Ensemble porte-disque avec fixation Standard
50866A 50864A 50865A 50866A 50864A 50866A
Ensemble porte-disque avec fixation Perma Grip
53156A 53159A 53157A 53156A 53159A 53156A
Ensemble porte-disque avec fixation Super Grip
37011A 37007A 37009A 37011A 37007A 37011A
Brosse nylon pour tapis ----------- ----------- ----------- ----------- ----------- -----------
Porte-disque grande vitesse ----------- 53154A 53153A 17518A 53154A 17518A
Disque d'abrasif ----------- ----------- ----------- ----------- ----------- -----------
Nylon Tynex revêtu d'abrasif 51446A ----------- ----------- ----------- ----------- -----------
Brosse brins d'acier 480924 ----------- ----------- ----------- ----------- -----------
Brosse de récurage Capture pour tapis 11406A ----------- ----------- ----------- ----------- -----------
Ensemble de meulage ----------- ----------- ----------- ----------- ----------- -----------
Tablier à poussière 10089A 10087A 10088A 10089A 10087A 10089A
AVERTISSEMENT: N'utiliser que les brosses et accessoires fournis par le fabricant.
ModèleC2K 16 18 160 180 200 1600 1800
Numéro de code 01194A 01195A 01196A 01197A 01198A 01199A 01200A
Ensemble de réservoir de solution
50026A 50026A 50026A 50026A 50026A 50026A 50026A
Ensemble du vaporisateur ----------- ---------- ---------- ---------- ----------- ---------- -----------
Poids du Kit ----------- ---------- ---------- ---------- ----------- 10086A 10086A
Brosse de récurage en polypropylène
51704A 51706A 51704A 51706A 51707A 51704A 51706A
Ensemble porte-disque avec 50864A 50865A 50864A 50865A 50866A 50864A 50865A
fixation Standard
Ensemble porte-disque avec 53159A 53157A 53159A 53157A 53156A 53159A 53157A
fixation Perma Grip
Ensemble porte-disque avec 37007A 37009A 37007A 37009A 37011A 37007A 37009A
fixation Super Grip
Brosse nylon pour tapis ----------- ----------- ---------- ---------- ----------- 51498A 51701A
Porte-disque grande vitesse ---------- ----------- ---------- ----------- ---------- ----------- -----------
Disque d'abrasif ----------- ----------- ----------- ----------- ----------- 450214 460215
Nylon Tynex revêtu d'abrasif ----------- ----------- 51443A 51445A 51446A 51443A 51445A
Brosse brins d'acier 410963 410984 410963 410984 480924 410963 410984
Brosse de récurage Capture ----------- ---------- ---------- ----------- ----------- ----------- 11405A
pour tapis
Ensemble de meulage ----------- ---------- ---------- ----------- ----------- 450212 500212
Tablier à poussière 10087A 10088A 10087A 10088A 10089A 10087A 10088A
6. Brosses avec dos en métal ou en bois et avec
gouttières pour la dispersion de solution.
7. Réservoir de solution
8. Disques de ponçage
9. Kit d’accessoires pour le lustrage par
pulvérisation au tampon.

Page -14 - CLARKE TECHNOLOGY Operator's Manual - C2K Series 120V
Model C2K-16 C2K-18
Code Number 01194A 01195A
Voltage (Volts) 120 120
Frequency (Hz) 60 60
Current (Amps) 12 12
Power (hp) 0.75 0.75
Brush Diameter (inches) 16 18
Block Diameter (inches) 14 16
Brush Speed (rpm) 175 175
Cord Length (feet) 50 50
Weight (pounds) 88 89
Machine Specifications
Model C2K-160 C2K-180 C2K-200 C2K-160HS C2K-180HS C2K-200HS
Code Number 01196A 01197A 01198A 01202A 01203A 01204A
Voltage (Volts) 120 120 120 120 120 120
Frequency (Hz) 60 60 60 60 60 60
Current (Amps) 14 14 14 14 14 14
Power (hp) 1111 1 1
Brush Diameter (inches) 16 18 20 16 18 20
Block Diameter (inches) 14 16 18 14 16 18
Brush Speed (rpm) 175 175 175 290 290 290
Cord Length (feet) 50 50 50 50 50 50
Weight (pounds) 88 89 91 88 89 91
Model C2K-1600 C2K-1800 C2K-2000 C2K-1600DS C2K-2000DS
Code Number 01199A 01200A 01201A 01205A 01206A
Voltage (Volts) 120 120 120 120 120
Frequency (Hz) 60 60 60 60 60
Current (Amps) 15 15 15 15 15
Power (hp) 1.5 1.5 1.5 1.5 1.5
Brush Diameter (inches) 16 18 20 16 20
Block Diameter (inches) 14 16 18 14 18
Brush Speed (rpm) 175 175 175 180/320 180/320
Cord Length (feet) 50 50 50 50 50
Weight 89 90 92 81 84

CLARKE TECHNOLOGY Operator's Manual - C2K Series 120V Page - 15 -
Especificaciones de la pulidora C2K
Model C2K-1600 C2K-1800 C2K-2000 C2K-1600HD C2K-2000DS
Número de código 01199A 01200A 01201A 01205A 01206A
Tensión (V) 120 120 120 120 120
Frecuencia (Hz) 60 60 60 60 60
Corriente (A) 15 15 15 15 15
Potencia (hp) 1.5 1.5 1.5 1.5 1.5
Diámetro del cepillo (pulgadas) 16 18 20 16 20
Diámetro del bloque (pulgadas) 14 16 18 14 18
Velocidad del cepillo (rpm) 175 175 175 180/320 180/320
Longitud del cable de añadido 50 50 50 50 50
(pies)
Peso (libras) 89 90 92 81 84
Modelo C2K-16 C2K-18
Número de código 01194A 01195A
Tensión (V) 120 120
Frecuencia (Hz) 60 60
Corriente (A) 12 12
Potencia (hp) 0.75 0.75
Diámetro del cepillo (pulgadas) 16 18
Diámetro del bloque (pulgadas) 14 16
Velocidad del cepillo (rpm) 175 175
Longitud del cable de añadido 50 50
(pies)
Peso (libras) 88 89
Modelo C2K-160 C2K-180 C2K-200 C2K-160HS C2K-180HS C2K-200HS
Número de código 01196A 01197A 01198A 01202A 01203A 01204A
Tensión (V) 120 120 120 120 120 120
Frecuencia (Hz) 60 60 60 60 60 60
Corriente (A) 14 14 14 14 14 14
Potencia (hp) 1 1 1 1 1 1
Diámetro del cepillo (pulgadas) 16 18 20 16 18 20
Diámetro del bloque (pulgadas) 14 16 18 14 16 18
Velocidad del cepillo (rpm) 175 175 175 290 290 290
Longitud del cable de añadido 50 50 50 50 50 50
(pies)
Peso (libras) 88 89 91 88 89 91

Page -16 - CLARKE TECHNOLOGY Operator's Manual - C2K Series 120V
Spécifications de la cireuse de série C2K
Modèle C2K-1600 C2K-1800 C2K-2000 C2K-1600DS C2K-2000DS
Numéro de code 01199A 01200A 01201A 01205A 01206A
Tension (volts) 120 120 120 120 120
Fréquence (Hz) 60 60 60 60 60
Courant (Amps) 15 15 15 15 15
Puissance (hp) 1.5 1.5 1.5 1.5 1.5
Diamètre de brosse (pouces) 16 18 20 16 20
Diamètre du bloc (pouces) 14 16 18 14 18
Vitesse de brosse (rpm) 175 175 175 180/320 180/320
Longueur du cordon (pieds) 50 50 50 50 50
Poids (livers) 89 90 92 81 84
Modèle C2K-16 C2K-18
Numéro de code 01194A 01195A
Tension (volts) 120 120
Fréquence (Hz) 60 60
Courant (Amps) 12 12
Puissance (hp) 0.75 0.75
Diamètre de brosse (pouces) 16 18
Diamètre du bloc (pouces) 14 16
Vitesse de brosse (rpm) 175 175
Longuer du cordon (pieds) 50 50
Poids (livers) 88 89
Modèle C2K-160 C2K-180 C2K-200 C2K-160HS C2K-180HS C2K-200HS
Numéro de code 01196A 01197A 01198A 01202A 01203A 01204A
Tension (volts) 120 120 120 120 120 120
Fréquence (Hz) 60 60 60 60 60 60
Courant (Amps) 14 14 14 14 14 14
Puissance (hp) 1111 1 1
Diamètre de brosse (pouces) 16 18 20 16 18 20
Diamètre du bloc (pouces) 14 16 18 14 16 18
Vitesse de brosse (rpm) 175 175 175 290 290 290
Longueur du cordon (pieds) 50 50 50 50 50 50
Poids (livers) 88 89 91 88 89 91

CLARKE TECHNOLOGY Operator's Manual - C2K Series 120V Page - 17 -
NOTES

Page -18 - CLARKE TECHNOLOGY Operator's Manual - C2K Series 120V
HOW TO PREPARE THE MACHINE FOR
OPERATION
WARNING: Always remove the electrical
plug from the electrical outlet before
installing or changing the pad or brush.
How To Install The Brush Or Pad Driver
To install the brush or pad driver, follow this
procedure:
1. Put the handle in the vertical position.
2. To lock the handle, push the locking lever
down.See figure 1.
3. Tilt the machine backward until the handle is on
the floor. See figure 2.
4. Put one foot on each side of the machine. See
figure 2.
5. Align the lugs (1) on the locking plate into the
pad driver adapter openings (2). See figure 3.
6. To lock the brush or pad into position, turn the
brush or pad driver clockwise.
7. Turn the brush or pad counterclockwise to
unlock and remove the brush.
8. Lift the machine to the vertical position.
NOTE: To prevent damage to the brush or pad
driver, remove the accessory while not in use.
Keep the brush in a cool, dry place.
How To Adjust The Handle
To adjust the handle, follow this procedure:
1. The locking lever is on the lower part of the
handle tube. Use your foot to lift the lever.
See figure 1.
2. Lower the handle to the best operating position.
NOTE: For the best operating position, keep your
back straight, bend only your arms.
3. Using your foot, push the locking lever down.
4. Hold the handle against your body for the best
control.
Figure 1
Figure 2
Figure 3
1. The lugs.
2. The drive adpater openings.
1. Espigas
2. Aberturas del acoplamiento
1. Ergots
2. Ouvertures de l'accouplement

CLARKE TECHNOLOGY Operator's Manual - C2K Series 120V Page - 19 -
PREPARACION DE LA MAQUINA
PARA TRABAJAR
AVISO : Desconecte siempre el enchufe
de la caja de enchufe conectada
con la red antes de instalar o
cambiar el disco o el cepillo.
Cómo instalar el cepillo o el portadisco
Para instalar una cabeza de cepillo o un portadisco,
sigue este procedimiento :
1. Coloque la tobera en posición vertical.
2. Para bloquear la tobera, empuje la palanca de
bloqueo (hacia abajo). (Véase fig. 1)
3. Vuelque la máquina hacia atrás hasta que la
tobera toca el suelo. (Véase fig. 2).
4. “Cabalgando” sobre la máquina (Véase fig. 2)
5. Inserte el arrastre central del cepillo sobre el
acoplamiento de la máquina. (Véase fig. 3)
6. Fije el cepillo o el disco girando en el sentido de
las agujas del reloj.
7. Para quitar el cepillo o el disco, desbloquee el
accesorio girando en el sentido contrario de las
agujas del reloj, pues sáquelo.
8. Coloque de nuevo la máquina en posición
vertical.
NOTA : Para evitar causar daños al cepillo o al
portadisco, quite el accesorio cuando guarda la
máquina. Guarde la máquina en un sitio seco y
fresco.
Reglaje de la tobera
Para reglar la tobera, sigue este procedimiento :
1. La palanca de bloqueo se encuentra en la parte
inferior del montante de la tobera. Levante la
palanca con el pie. (Véase fig. 1).
2. Baje la tobera en la posición de trabajo la más
confortable.
NOTA : La mejor posición de trabajo es cuando
la espalda está recta y los brazos son doblados.
3. Con el pie baje la palanca de bloqueo.
4. Para controlar mejor la máquina, tenga el mango
cerca del cuerpo mientras trabaja.
PREPARATION DE LA MACHINE
AVANT LA MISE EN SERVICE
AVERTISSEMENT: Débranchez toujours la
fiche de la prise réseau
avant d’installer ou de
changer le disque ou la
brosse.
Comment installer la brosse ou le porte-disque
Pour placer une tête de brosse ou un porte-disque,
procéder comme suit:
1. Placer le timon en position verticale.
2. Pour verrouiller le timon, presser le levier de
verrouillage (vers le bas) (Voir fig.1)
3. Incliner la machine vers l’arrière jusqu’à ce que le
timon touche le sol. (Voir fig.2)
4. En “chevauchant” la machine (Voir fig. 2)
5. Insérer l’entraînement central de la brosse sur
l’accouplement de la machine.(Voir fig. 3)
6. Fixer la brosse ou le disque par pivotement dans
le sens horlogique.
7. Pour déposer la brosse ou le disque, débloquer
l’accessoire par pivotement dans le sens anti-
horlogique, puis le retirer.
8. Redresser la machine en position verticale.
NOTE: Pour éviter d’endommager la brosse ou
le porte-disque, enlever l’accessoire lorsque
vous entreposez la machine. Entreposer la
machine dans un endroit sec et frais.
Réglage du timon
Pour régler le timon, procéder comme suit :
1. Le levier de verrouillage se trouve sur la partie
inférieure du montant du timon. Relever le levier
avec le pied (Voir fig.1).
2. Abaisser le timon dans la position de travail la
plus confortable.
NOTE La meilleure position de travail est celle
où le dos est bien droit et où seuls les bras sont
fléchis.
3. Avec le pied, abaisser le levier de verrouillage.
4. Pour mieux contrôler la machine, tenir la poignée
près du corps pendant le travail.

Page -20 - CLARKE TECHNOLOGY Operator's Manual - C2K Series 120V
Figure 4
Figure 4a
Figure 4b
120 VOLT MACHINES
Instructions for connection to the power
supply and the electrical ground.
This product must be grounded. If it should malfunction
or breakdown, grounding provides a path of least
resistance for electric current to reduce the risk of
electrical shock. This product is equipped with a cord
having an equipment-grounding conductor and ground-
ing plug. The plug must be inserted into an appropriate
oulet that is properly installed and grounded in accor-
dance with all local codes and ordinances.
WARNING: Improper connection of the equip-
ment-grounding conductor can result in a risk of
electric shock. Check with a qualified electrician
or service person if you are in doubt as to whether
the outlet is properly grounded. Do not modify the
plug provided with the product - if it will not fit the
outlet, have a proper outlet installed by a qualified
electrician.
This product is for use on a nominal 120 volt circuit and
has a grounding attachment plug that looks like the plug
illustrated in Fig. 4. Make sure that the product is
connected to an outlet having the same configuration as
the plug. No adaptor should be used with this product.
WARNING: To prevent possible electric shock,
protect the machine from rain. Keep the machine
in a dry building.
WARNING: To prevent possible electric shock,
always use a 3-wire electrical system connected
to the electrical ground. For maximum protection
against electrical shock, use a circuit that is
protected by a ground fault circuit interrupter.
Consult your electrical contractor.
WARNING: Do not cut, remove or break the
ground pin. If the outlet does not fit the plug,
consult your electrical contractor.
WARNING: Have worn, cut or damaged
cords replaced by an authorized service person.
EXTENSION CORDS
Use only an approved extension cord with three
conductors, a plug with three terminals, and a
connector body with three holes. The machine has a
power cord with wire size 14 AWG (AWG means
American Wire Gauge).
WARNING: If you use an extension cord,
use an extension cord with minimum wire size
12 AWG. Do not use an extension cord longer
than 50 feet. Do not join two extension cords.
Grounded
Outlet
Grounding
Pin
Grounded
Outlet
Box
Toma
corriente
con polo
de tierra.
Terminal
de tierra
Tapa del
toma
corriente
con polo
de tierra.
Prise de
courant
avec mise
à la terre
Broche de mise
à la terre.
Boîte de
sortie
mise à la
terre
(United States, Mexico and Canada)

CLARKE TECHNOLOGY Operator's Manual - C2K Series 120V Page - 21 -
INSTRUCCIONES PARA LA CONEXION ELECTRICA
DE LA MAQUINA
La máquina debe ser puesta a tierra. En caso de mal
funcionamiento o de avería, el hilo de tierra es un
camino de menor resistencia que permite el paso de
corriente ; por lo cual se reduce el riesgo de choque
eléctrico. La máquina tiene un cable de alimentación
con tres conductores y un enchufe con tres clavijas de
las cuales una está puesta a tierra. El enchufe sólo
puede ser conectado con una caja de enchufe
reglamentaria, puesta a tierra con todas las reglas del
arte y conforme a los reglamentos locales.
AVISO : Una conexión incorrecta del conduc-
tor de puesta a tierra puede causar un choque
eléctrico. Acuda a un técnico autorizado o a un
electricista si tiene alguna duda acerca de la
puesta a tierra correcta de la caja de enchufe
conectada con la red. Nunca modifique el
enchufe suministrado con la máquina. Si no
encaja el enchufe en la caja de enchufe
conectada con la red, haga instalar una caja de
enchufe adecuada por un electricista autorizado.
Esta máquina debe funcionar en un circuito de potencia
nominal de 120 V. Tiene un enchufe con una clavija de
puesta a tierra semejante al enchufe reproducido en la
figura 4a. Compruebe que la máquina esté conectada
con una caja de enchufe que tiene la configuración
adecuada. No utilice ningún adaptador.
AVISO: Para evitar el peligro de choque
eléctrico, proteja la máquina de la lluvia.
Guárdela en un local seco.
AVISO: Para evitar el peligro de
electrocución, conecte la máquina con una red
que tiene tres conductores, está puesta a tierra y
tiene un diferencial. Si tiene alguna duda,
diríjase a un electricista autorizado.
AVISO: Nunca rompa, quite o corte la clavija
de puesta a tierra. Si la caja de enchufe no
corresponde al enchufe, acude a un electricista
autorizado.
AVISO: Si el cable de alimentación está
desgastado, dañado o cortado, hágalo cambiar
inmediatamente por un técnico autorizado.
AÑADIDOS
Use sólo un añadido con tres conductores, de los
cuales uno está puesto a tierra, y con un enchufe con
tres clavijas y un conector con tres aberturas. La
máquina tiene un cable de alimentación de 14 AWG
(American Wire Gauge) (Calibre estadounidense para
alambre) de sección.
¡ AVISO !Use un añadido de cable de 12 AWG
de sección. No use ningún añadido de más de 50
pies de largo. Nunca conecte dos añadidos.
INSTRUCTIONS POUR LE RACCORDEMENT
ELECTRIQUE
Cette machine doit être mise à la terre. En cas de
dysfonctionnement ou de panne, le fil de terre
constitue un chemin de moindre résistance qui
permet le passage du courant, réduisant ainsi le
risque de choc électrique. La machine est munie d’un
câble d’alimentation à trois conducteurs et d’une fiche
à trois broches, dont une sert à la mise à la terre. La
fiche ne peut être branchée que dans une prise
réglementaire, reliée à la terre selon les règles de l’art
et qui satisfait à tous les règlements locaux.
AVERTISSEMENT: Une mise à la terre
incorrecte peut provoquer un choc électrique. Si
vous avez le moindre doute quant à la mise à la
terre de votre prise réseau, faites-la vérifier par
un électricien ou un technicien agréé. Ne
modifiez jamais la fiche fournie avec la ma-
chine. Si la fiche ne rentre pas dans la prise
réseau dont vous disposez, faites installer une
prise adéquate par un électricien agréé.
Cette machine doit être utilisée sur un circuit d’une
puissance nominale de 120 V. Elle est munie d’une
fiche avec broche de mise à la terre semblable à celle
illustrée à la figure 4b. Vérifiez que la prise à laquelle
la machine doit être raccordée présente une configu-
ration correspondant à la fiche. N’utilisez pas
d’adaptateur.
AVERTISSEMENT: Pour éviter tout risque de
choc électrique, protégez la machine de la
pluie. Entreposez-la dans un local sec.
AVERTISSEMENT: Pour éviter tout risque
d’électrocution, connectez la machine sur un
réseau à trois conducteurs, relié à la terre et
muni d’un différentiel. En cas de doute,
adressez-vous à un électricien agréé.
AVERTISSEMENT:Ne jamais casser, enlever
ou couper la broche de mise à la terre. Si la
prise ne correspond pas à la fiche, faire appel à
un électricien agréé.
AVERTISSEMENT:Si le câble d’alimentation
est usé, endommagé ou entaillé, faites-le
remplacer immédiatement par un technicien
agréé.
ALLONGES
N’utiliser qu’une allonge à trois conducteurs, dont un
de mise à la terre, munie d’une fiche à trois broches
et d’un connecteur à trois orifices. La machine est
équipée d’un câble d’alimentation de 14 AWG
(American Wire Gauge) de section.
! AVERTISSEMENT ! Utilisez un câble de
rallonge d’une section de 12 AWG. N’utilisez pas
de rallonge d’une longueur supérieure à 50
pieds. Ne raccordez jamais deux rallonges.
MAQUINAS 120 V. MACHINES 120 V.

Page -22 - CLARKE TECHNOLOGY Operator's Manual - C2K Series 120V
Figure 5
HOW TO OPERATE THE MACHINE
How To Start/Stop The Machine
WARNING: Never start a polisher when
the handle is in the vertical
position.
The following step applies to the C2K-1600DS and C2K-
2000DS only:Select high or low speed with the switch
located on the motor cover. Moving the switch lever up
selects high speed. Moving the switch lever down
selects low speed.
The following steps apply to all C2K series:
The switch to start and stop the machine is activated
by the interlock switch (1) and the levers (2) under the
handle grips. See figure 5.
To start the machine, follow this procedure:
1. Lower the handle
2. Lock the handle in the best position for operation.
NOTE: Make sure you hold the handle with both
hands.
3. Push the interlock switch (1), and apply pressure to
the levers (2). See figure 5.
How To Control The Machine
NOTE: Make sure you hold the handle with both
hands.
The side to side movement of the machine is controlled
by raising the handle and pressing down on the handle.
To move the machine to the left, press down on the
handle slightly. To move the machine to the right, raise
the handle slightly.
MAINTENANCE
WARNING: Maintenance must be done
by authorized personnel
only.
Maintenance Instructions
Return the machine to a Clarke Technology Authorized
Service Location every 12 months for maintenance
inspections.
1
22

CLARKE TECHNOLOGY Operator's Manual - C2K Series 120V Page - 23 -
FUNCIONAMIENTO DE LA MAQUINA
Arranque y parada
AVISO : Nunca arranque una pulidora
cuando la tobera está en posición
vertical.
Sólo para el modelo C2K-1600DS, C2K-2000DS:
Seleccione la velocidad (alta o moderada - high o low)
por medio del interruptor situado en la tapa del motor.
Velocidad alta : la palanca está empujada hacia
arriba. Velocidad moderada : la palanca está
empujada hacia abajo.
Los siguientes pasos se aplican a toda la serie C2K:
El interruptor de arranque/parada se opera empujando
el botón de cierre de seguridad (1) y usando las
palancas (2) situadas debajo del mango de mando
(Véase fig. 5).
Para arrancar la máquina, siga este procedimiento :
1. Baje la tobera.
2. Bloquee la tobera en la posición de trabajo la
más
confortable para el operador.
NOTA : Siempre tenga el mango con ambas
manos.
3. Empuje el botón de cierre (1) y presione con
las manos sobre las palancas (2). (Véase
fig. 5).
DOMINIO DE LA MAQUINA
NOTA : Siempre tenga el mango con ambas
manos.
Para ir de un lado al otro, levante o baje lentamente la
tobera de la máquina.
Para dirigir la máquina hacia la izquierda, presione la
tobera.
Para dirigir la máquina hacia la derecha, levante
despacio la tobera.
MANTENIMIENTO
AVISO : El mantenimiento debe ser
efectuado por untécnico autorizado.
Instrucciones para el mantenimiento
Cada 12 meses, la máquina debe ser mandada a un
centro técnico autorizado Clarke Technology para ser
comprobada.
MISE EN SERVICE DE LA MACHINE
Mise en Marche et Arrêt
AVERTISSEMENT: Ne jamais mettre une
polisseuse en marche
lorsque le timon est en
position verticale.
Uniquement pour le modèle C2K-1600DS, C2K-
2000DS :
Sélectionnez la vitesse (élevée ou modérée - high
ou low ) au moyen de l’interrupteur situé sur le
couvercle du moteur. Vitesse élevée : levier
poussé vers le haut. Vitesse modérée : levier
poussé vers le bas.
Les étapes suivantes s'appliquent à tous les modèles
de la série C2K:
L’interrupteur de marche/arrêt est activé par
pression sur le bouton de verrouillage de sécurité
(1) et par les leviers (2) situés sous la poignée de
commande (Voir fig. 5).
Pour mettre la machine en marche, procéder comme
suit :
1. Abaisser le timon
2. Verrouiller le timon dans la position de travail la
plus confortable pour l’opérateur.
NOTE : Il faut toujours tenir la poignée des deux
mains.
3. Pousser sur le bouton de verrouillage (1) et
appliquer une pression des mains sur les leviers
(2). (Voir fig. 5).
MAITRISE DE LA MACHINE
NOTE : Il faut toujours tenir la poignée des deux
mains.
Pour aller d’un côté à l’autre, lever ou abaisser
lentement le timon de la machine.
Pour faire aller la machine vers la gauche, appliquer
une pression sur le timon.
Pour faire aller la machine vers la droite, relever
légèrement le timon.
ENTRETIEN
AVERTISSEMENT: L’entretien doit toujours
être effectué par un
technicien agréé.
Instructions pour l’entretien
Tous les 12 mois, la machine doit être renvoyée dans
un centre technique agréé Clarke Technology , pour
vérification.

Page -24 - CLARKE TECHNOLOGY Operator's Manual - C2K Series 120V
NOTES

CLARKE TECHNOLOGY Operator's Manual - C2K Series 120V Page - 25 -
C2K Series
120V
Section II
Parts and Service Manual
(70152A)

Page -26 - CLARKE TECHNOLOGY Operator's Manual - C2K Series 120V
MAINTENANCE
WARNING: Maintenance must be done by
authorized personnel only.
CAUTION:
Keep all adjustments according
to specifications.
Maintenance Instructions
Return the machine to a Clarke Technology Authorized
Service Location every 12 months for maintenance
inspections.
Switches
WARNING: All electrical repairs must be
done by authorized personnel only. The
machine must be tested after electrical
repairs to make sure it is safe to operate.
Disconnect the electrical plug from the
electrical outlet before doing any
electrical repairs.
The start and stop switch has an interlock which pre-
vents the contacts from being closed. If any part of the
switch is not operating, replace the part. If any part of the
electrical system of the machine is not operating or is
damaged, replace the part. Make sure all connections
are tight. Return the machine to the Clarke Technology
Service Branch or a Clarke Technology Authorized
Service Center for electrical repairs or testing.
Maintenance Of The Motor
Induction type motors do not require motor brushes.
C2K-1600DS and C2K-2000DS require motor brushes.
If repairs to the gear unit or motor are needed, do not
disassemble the gears and motor. Return the machine
to the nearest Clarke Technology Service Branch or
Clarke Technology Authorized Service Center.
For safe operation, and longer life to your Clarke Tech-
nology product, use only Clarke Technology parts.
NOTE: The grease (503802) for the gear box needs
to be changed every year. The C2K-1600, C2K-
1600DS, C2K-1800, C2K-2000 and C2K-2000DS re-
quire 8 oz. of grease. All other C2K series require
9 oz. of grease.

CLARKE TECHNOLOGY Operator's Manual - C2K Series 120V Page - 27 -
MANTENIMIENTO
AVISO: El mantenimiento debe ser
efectuadopor un técnico autorizado.
PRUDENCIA:Todos los reglajes deben ser
realizados conforme a las indicaciones
descritas en este libro.
Instrucciones para el mantenimiento
Cada 12 meses, la máquina debe ser mandada a un
centro técnico autorizado CLARKE TECHNOLOGY para
ser comprobada.
Interruptores
AVISO: Todas las reparaciones eléctricas
deben ser efectuadas por técnicos
autorizados. Después de cada reparación,
hay que comprobar el aislamiento
eléctrico. Desconecte siempre el enchufe
del cable de alimentación antes de realizar
cualquier reparación eléctrica.
El interruptor arranque/parada tiene un seguro que
impide a los contactos que se cierren. Si un componente
del interruptor no funciona, cambie este componente. Si
une pieza del sistema eléctrico de la máquina no
funciona o está dañada, cambie la pieza. Compruebe
que todas las conexiones están bien fijadas. Mande la
máquina a un centro técnico autorizado CLARKE TECH-
NOLOGY para cualquier reparación o comprobación del
sistema eléctrico.
Mantenimiento del motor
Los motores de inducción no requieren la utilización de
escobillas. C2K-1600DS y C2K-2000DS requieren
escobillas.
Si tiene que efectuar reparaciones al sistema de
accionamiento o al motor, no desmonte la máquina,
mándela a un centro técnico autorizado CLARKE TECH-
NOLOGY.
Para alargar la longevidad de la máquina y garantizar su
funcionamiento óptimo, use sólo recambios CLARKE
TECHNOLOGY.
NOTA: La grasa del sistema de accionamiento
(503802) debe ser cambiada cada año. Los modelos
C2K-1600, C2K-1600DS, C2K-1800, C2K-2000 y C2K-
2000DS necesitan 236 cm³ de grasa. Todos los
demás sistemas de accionamiento de la serie C2K
necesitan 266cm3 de grasa.
ENTRETIEN
AVERTISSEMENT:L'entretien doit toujours
être effectué par un technicien agréé.
PRUDENCE: Tous les réglages doivent être
réalisés conformément aux indications
figurant dans ce manuel.
Instructions pour l'entretien
Tous les 12 mois, la machine doit être renvoyée dans
un centre technique agréé CLARKE TECHNOLOGY ,
pour vérification.
Interrupteurs
AVERTISSEMENT:Toutes les réparations
électriques doivent être effectuées par des
techniciens agréés. Après toute réparation,
l'isolation électrique doit être vérifiée.
Débrancher toujours la fiche du câble
d'alimentation avant de procéder à toute
réparation électrique.
L'interrupteur marche/arrêt est muni d'une sécurité qui
empêche les contacts de se refermer. Si un élément
de l'interrupteur ne fonctionne pas, remplacer cet
élément. Si une pièce du système électrique de la
machine ne fonctionne pas ou est endommagée,
remplacez la pièce. Vérifiez que toutes les
connexions sont bien fixées. Renvoyez la machine
dans un centre technique agréé CLARKE TECHNOL-
OGY pour toute réparation ou vérification du système
électrique.
Entretien du moteur
Les moteurs à induction ne nécessitent pas
l'utilisation de balais. Les modèles C2K-1600DS et
C2K-2000DS nécessitent des balais de moteur.
Si des réparations doivent être faites au système
d'entraînement ou au moteur, ne pas démonter la
machine mais la renvoyer dans un centre technique
agréé CLARKE TECHNOLOGY.
Pour prolonger la vie de la machine et garantir son
fonctionnement optimal, n'utilisez que des pièces de
rechange CLARKE TECHNOLOGY.
NOTE : La graisse du système d'entraînement
(503802) doit être changée chaque année. Les
modèles C2K-1600, C2K-1600DS, C2K-1800, C2K-
2000 et C2K-2000DS il faut 236 cm3 de graisse.
Tous les autres systèmes d'entraînement de la
série C2K nécessitent 266cm3 de graisse.

Page -28 - CLARKE TECHNOLOGY Operator's Manual - C2K Series 120V
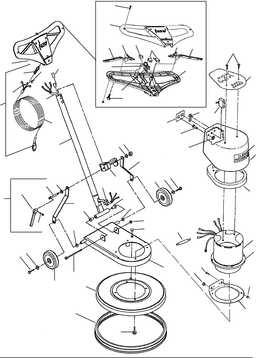
CLARKE TECHNOLOGY
C2K-16, C2K-18, C2K-160, C2K-180, C2K-200,
C2K-1600, C2K-1800, C2K-2000, C2K-160HS, C2K-180HS, C2K-200HS
Assembly Drawing 2/01
1
2
345643
9
7
8
10
1
31
29
30
1
23
24
32
33
34
36
27
25
24
123
28
22
25
26
19
26
37
18
17
16
15
14
20
22
21
38
13
39
40
41
43
44
1
10
46
11
47
42

CLARKE TECHNOLOGY Operator's Manual - C2K Series 120V Page - 29 -
Ref. Part No. Description Qty.
1 85383A Screw, 10-32 x 3/4 10
2 50779A Handle, Front 1
3 50798A Lever, Switch 2
4 50820A Spring, Extension 2
5 50806A Button, Interlock 1
6 40109A Switch 2
7 50799A Interlock, Main 1
8 50821A Spring, Compression 1
9 50780A Handle, Rear 1
10 920722 Nut, 10-32 ESNA 7
11 962957 Screw 2
13 10092A Cord, Interconnect 1
14 461404 Cam, Locking (included in 42) 1
15 925592 Roll Pin, ¼ (included in 42) 1
16 441301 Bolt, Locking Cam
(included in 42)
1
17 980349 Washer, Wear Cam 1
18 50791A Arm Link, RH 1
19 50781A Clamp, Handle 1
20 50792A Arm Link, LH 1
21 980645 Washer, Flat 3/81
22 920342 Nut, 3/8 -16 ESNA 2
23 87035A Washer, Fender #10 SS 2
24 50793A Wheel, 5" 2
25 87050A Washer, 5/8 Nylon 2
26 50794A Bushing, Nylon 2
27 80087A Screw, 3/8 -16 x 6 1
28 57120A Plug, Button 1
29 50955A Motor, 3/4 HP (16, 18) 1
44635A Motor, 1 HP (160, 180, 200) 1
50858B Motor, 1.5 HP (1600) 1
50858A Motor, 1.5 HP (1800, 2000) 1
30 54409A Gearbox (16, 18, 160, 180, 200) 1
52093A Gearbox (160HS, 180HS, 200HS) 1
50851A Gearbox (1600, 1800, 2000) 1
31 50822A Cover, Motor (16, 18, 160, 180 1
200, 160HS, 180HS, 200HS)
50823A Cover, Motor (1600, 1800, 2000) 1
32 50790A Frame, Main 1
33 50785A Shield, Brush (16, 160, 1600) 1
50786A Shield, Brush (18, 180, 1800) 1
50787A Shield, Brush (200, 2000) 1
34 50782A Bumper, (16, 160, 1600) 1
50783A Bumper, (18, 180, 1800) 1
50784A Bumper, (200, 2000) 1
36 85817A Screw, 5/16-18 x 21/84
37 50796A Bushing, Cord 1
38 50795A Tube, Handle 1
40 50797A Relief, Strain (included w/41) 1
41 10083A Cord Assembly (includes 40) 1
42 441401 Cam Assembly (incl. 14, 15 & 16) (1)
43 747553 Strain Relief 1
44 77378A Label 1
45 980603 Lockwasher #10 1
46K170686 Lock nut (not illustrated) 1
47 50930A Cord Retainer 1
CLARKE TECHNOLOGY
C2K-16, C2K-18, C2K-160, C2K-180, C2K-200,
C2K-1600, C2K-1800, C2K-2000, C2K-160HS, C2K-180HS, C2K-200HS
Assembly Drawing Parts List 2/01
Note: K indicates a
change has been made
since last publication of
this manual

Page -30 - CLARKE TECHNOLOGY Operator's Manual - C2K Series 120V
CLARKE TECHNOLOGY
C2K-1600DS and C2K-2000DS
Assembly Drawing 2/01
1
2
345
8
7
643
9
40
13
14
15
123
54
1
10
55
56
57
51
39
38 22
21
19
20
16 17 37
26
1826 25
22
28
25
24
27
33
34
36
32
24 23 1
1
48
10
29
45
30
30a
52
31
50
47
49
46
44 43
41
42

CLARKE TECHNOLOGY Operator's Manual - C2K Series 120V Page - 31 -
CLARKE TECHNOLOGY
C2K-1600DS and C2K-2000DS
Assembly Parts List 2/01
Ref. Part No. Description Qty.
1 85383A Screw, 10-32 x 3/48
2 50779A Handle, Front 1
3 50798A Lever, Switch 2
4 50820A Spring, Extension 2
5 50806A Button, Interlock 1
6 40109A Switch 2
7 50799A Interlock, Main 1
8 50821A Spring, Compression 1
9 50780A Handle, Rear 1
10 920722 Nut, 10-32 ESNA 8
13 10084A Cord, Interconnect 1
14 461404 Cam, Locking (Included in 51) 1
15 925592 Roll Pin, ¼ (Included in 51) 1
16 441301 Bolt, Locking Cam (included in 51) 1
17 980349 Washer, Wear Cam 1
18 50791A Arm Link, RH 1
19 50781A Clamp, Handle 1
20 50792A Arm Link, LH 1
21 980645 Washer, Flat 3/81
22 920342 Nut, 3/8 -16 ESNA 2
23 87035A Washer, Fender #10 SS 2
24 50793A Wheel, 5" 2
25 87050A Washer, 5/8 Nylon 2
26 50794A Bushing, Nylon 2
27 80087A Screw, 3/8 -16 x 6 1
28 57120A Plug, Button 1
29 50825A Bracket 1
30 44651A Motor/Gearbox 1
30a 63602A Gearbox (1)
31 50824A Cover, Motor 1
32 50790A Frame, Main 1
33 50785A Shield, Brush (1600) 1
50787A Shield, Brush (2000) 1
34 50782A Bumper, (1600) 1
50784A Bumper, (2000) 1
36 85817A Screw, 5/16-18 x 21/84
37 50796A Bushing, Cord 1
38 50795A Tube, Handle 1
40 50797A Relief, Strain (included w/54) 1
41 85517A Screw 2
42 70151A Label, Dual Speed 1
43 47402BKSwitch SPDT 1
44 57165AKPlug, Nylon Hole 1
45 40181AKInsulated Jumper 1
46 34259A Light 1
47 80201A Clip 1
48 747553 Strain Relief 1
49 77200A Label, (High-Low) 1
50 77378A Label 1
51 441401 Cam Assembly
(incl. 14, 15, & 16) (1)
52 30605A Baffle 1
54 10083A Cord Assembly (includes 40) 1
55 170686KLocknut 1
56 962957 Screw 1
57 50930A Cord Retainer 1
Note: K indicates a
change has been made
since last publication of
this manual

Page -32 - CLARKE TECHNOLOGY Operator's Manual - C2K Series 120V
CLARKE TECHNOLOGY
C2K-16, C2K-18, C2K-160, C2K-180, C2K-200, C2K-160HS, C2K-180HS and C2K-200HS
120V - 60 Hz Motor Assembly Drawing & Parts List 9/99
Note: If your machine has motor #44635A refer to this
drawing for service part replacement.
Ref. Part No. Description Qty.
1 58030A Screw #10-32 x.31 LG. 2
2 52018A Capacitor Case 1
3 52019A Start Capacitor 1
4 54330A Gasket, Capacitor Case 1
5 737502 Strain Relief 1
6 58028A Stator Frame Asm 1
7 50400A Rotor and Shaft Assembly 1
8 58029A Centrifugal Switch Asm. 1
9 902550 203 Bearing 1
Ref. Part No. Description Qty.
10 58673A Wave Spring Washer 1
11 58032A Stationary Switch 1
12 54713A Stationary Switch Insulation 1
13 53523A Bracket Opp. Shaft End 1
14 58911A Terminal Board Asm. 1
15 58912A Terminal Board 1
16 58034A Screw #10-32 x .31 2
17 50691A Bolt, .250-28 x 6.75 LG 4
18 58031A Screw, #8-32 x .38 LG 2
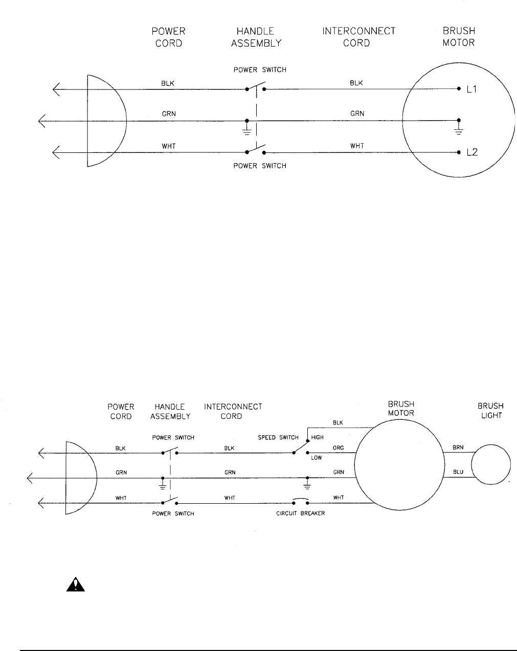
120V Motor
Electrical Schematic
12
3
45
6
7
8910 11 12
13 14 15 16
17
18

CLARKE TECHNOLOGY Operator's Manual - C2K Series 120V Page - 33 -
Ref. Part No. Description Qty.
1 80141A KScrew, Socket Hd. Cap 6
2
3 56922A Plate, Retainer 1
4 902606 Bearing 3
5 58513A Spacer, Sleeve 1
6 53524A Endshield 1
7 962794 Screw 10-24" x 1" 6
8 54858A Cover, Housing 1
9 902736 Bearing 1
10 58314A Retainer 1
11 442473 Coupling 1
12 58313A Gear, Pinion 1
14 902737 Bearing, Needle 6
15 52020A Cage 1
16 54408A Gear, Idler 2
17 58312A Shaft 2
18 902573 Bearing 1
19 54856A Housing, Drive 1
20
21 54409A Gearbox Asm., Complete (1)
CLARKE TECHNOLOGY
C2K-16, C2K-18, C2K-160, C2K-180 and C2K-200
Gearbox Assembly Drawing & Parts List 2/01
Note: If your machine has gearbox #54409A refer to this
drawing for service part replacement.
1
2
3
4
5
6
7
8
9
10
11
4
12
4
14
15
16
17
14 18
19
21
Note: K indicates a
change has been made
since last publication of
this manual

Page -34 - CLARKE TECHNOLOGY Operator's Manual - C2K Series 120V
CLARKE TECHNOLOGY
C2K-160HS, C2K 180HS and C2K 200HS
Gearbox Assembly Drawing & Parts List 2/00
Note: If your machine has gearbox #50884A or #52093A refer
to this drawing for service part replacement.
Ref. Part No. Description Qty. Qty.
1 80141AKScrew, Socket Hd. Cap 6 6
2
3 56922A Plate, Retainer 1 1
4 902606 Bearing 1 1
5 58513A Spacer, Sleeve 1 1
6 53524A Endshield 1 1
7 962794 Screw 10-24" x 1" 6 6
8 54858A Cover, Housing 1 1
9 902736 Bearing 1 1
10 58314A Retainer 1 1
11 442473 Coupling 1 1
12 50887A Gear, Pinion 1 -
50854A Gear, Pinion - 1
13 902606 Bearing - 2
14 902737 Bearing, Needle 4 4
15 50886A Cage 1 -
50855A Cage - 1
16 50888A Gear, Idler 2 -
50856A Gear, Idler - 2
17 58312A Shaft 2 2
18 902573 Bearing 1 1
19 50857A Housing, Drive 1 1
20 52093A Gearbox Asm., Complete - (1)
50884A Gearbox Asm., Complete (1) -
1
3
4
5
6
7
8
9
10
11
14
17
14 18
19
20
12
15
16
13
13
50884A
52093A
Note: K indicates a
change has been made
since the last publication
of this manual.

CLARKE TECHNOLOGY Operator's Manual - C2K Series 120V Page - 35 -
CLARKE TECHNOLOGY
C2K-1600, C2K-1800, C2K-2000
Motor Assembly Drawing & Parts List 9/00
Note: If your machine has motor #50858A or #50858B refer
to this drawing for service part replacements.
50858A 50858B
Ref. Part #'s Part #'s Description Qty
1 50861A 50861A Ball Bearing 1
2 50860A Centrifugal Switch 1
2(a) 51072A Stationary Switch 1
2(b) 51070A Centrifugal Mechanism 1
3 50859A 51073A Rotor 1
4 50862A 50862A Capacitor, Start 1
5 50863A 50863A Capacitor, Run 1
6 50858A 50858B Motor , Complete (1)
120V Motor
Connection Diagram
123
4
6
5
2a
2b

Page -36 - CLARKE TECHNOLOGY Operator's Manual - C2K Series 120V
CLARKE TECHNOLOGY
C2K-1600, C2K-1800, C2K-2000
Gearbox Assembly Drawing & Parts List 2/01
NOTE: If your machine has gearbox #50851A, refer to this drawing for service part replacement.
Ref Part No. Description Qty.
1 80141AKScrew, Socket Hd. Cap 6
4 902606 Bearing, Ball 3
5 58520A Spacer, Sleeve 1
6 50852A Endshield 1
7 962794 Screw #10-24 x 1" 6
8 54858A Cover, Housing 1
9 902736 Bearing 1
10 58314A Retainer 1
11 442473 Coupling 1
12 58313A Gear, Pinion 1
13 902737 Bearing, Needle 6
14 N/A Cage 1
15 54408A Gear, Idler 3
16 58312A Shaft 3
17 902573 Bearing, Ball 1
18 54856A Housing, Drive 1
19 50851A Gearbox Asm., Complete (1)
Note: K indicates a
change has been made
since last publication of
this manual

CLARKE TECHNOLOGY Operator's Manual - C2K Series 120V Page - 37 -
Ref Part No. Description Qty.
1 50717A Thru-Bolt 2
2 N/A Commutator Bracket 1
3 56282A Hex Nut 1
4 912287 Rectifier 1
5 962399 Screw 1
6 448396 Spring (Included with #8) (4)
7 51405A Brush Asm., (Included w/#8) (4)
8 40410AKBrush Board Asm. (incl #'s 6,7,16, 18,19) 1
9 962310 Screw 4
10 980608 #8 Flat Washer 1
11 58057A Stator Frame 1
12 902550 Bearing-Upper (Included w/#13) (1)
13 40322A Armature Asm. (Includes #12) 1
14 N/A Strain Relief 1
15 N/A Bushing 1
16 55648A Red Lead (Included with #8) 1
17 980076 Wave Washer 1
18 55647A Yellow Lead (Included with #8) 1
19 59606A Varistor (Included w/#8) (1)
20 46735A Speed Control 1
CLARKE TECHNOLOGY
C2K-1600DS and C2K-2000DS
120V Motor Assembly Drawing & Parts List 2/01
NOTE: If your machine has motor/gearbox #44651A, refer to this drawing for service part replacement.
1
32
1
410 5
20
6
15
19
6
667
7
9
917
8
9
16
18
11 12
13
14
Note: Kindicates a
change has been made
since last publication of
this manual

CLARKE TECHNOLOGY
C2K-1600DS and C2K-2000DS
Gearbox Assembly Drawing & Parts List 2/01
NOTE: If your machine has gearbox #63602A, refer to this drawing for service part replacement.
Ref Part No. Description Qty.
1 80141AKScrew, Socket Hd. Cap 6
2
3 56922A Retainer, Bearing 1
4 902606 Bearing, Ball 3
5 58520A Spacer, Sleeve 1
6 53539A Endshield 1
7 962794 Screw 10-24" x 1" 6
8 54858A Cover, Housing 1
9 902736 Bearing 1
10 58314A Retainer 1
11 442473 Coupling 1
12 58313A Gear, Pinion 1
13 902737 Bearing, Needle 6
14 N/A Cage 1
15 54408A Gear, Idler 3
16 58312A Shaft 3
17 902573 Bearing, Ball 1
18 54856A Housing, Drive 1
19 63602A Gearbox Asm., Complete (1)
18
17
13
16
15
14
13
4
12
4
11
10
9
8
7
6
5
4
3
1
19
Page -38 - CLARKE TECHNOLOGY Operator's Manual - C2K Series 120V
Note: K indicates a
change has taken place
since last publication of
this manual

CLARKE TECHNOLOGY
C2K-1600DS and C2K-2000DS
Wiring Diagram 120V 9/99
CLARKE TECHNOLOGY
C2K-16, C2K-18, C2K-160, C2K-180, C2K-200,
C2K-1600, C2K-1800, C2K-2000, C2K-160HS, C2K-180HS, C2K-200HS
Wiring Diagram 120V-60Hz 9/99
WARNING: All electrical repairs must be performed by qualified personnel only.
Page -39 - CLARKE TECHNOLOGY Operator's Manual - C2K Series 120V

NOTES

ALTO® PRODUCT SUPPORT BRANCHES
PRODUCTION FACILITIES
ALTO Danmark A/S, Aalborg
Blytaekkervej 2
DK-9000 Aalborg
+45 72 18 21 00
ALTO Danmark A/S, Hadsund
Industrikvarteret
DK-9560 Hadsund
+45 72 18 21 00
SALES SUBSIDIARIES
ALTO Canada Ltd., Rexdale Ontario
24 Constellation Ct.
(416) 675-5830
ALTO Overseas Inc., Sydney (Australia)
1B/8 Resolution Drive
Caringbah NSW 2229
+61 2 9524 6122
ALTO Cleaning Systems Asia Pte Ltd., Singapore
No. 17 Link Road
Singapore 619034
+65 268 1006
ALTO Deutschland GmbH, Frondenberg (Germany)
Ardeyer Str. 15
D-58730 Frondenberg
+49 2373 754 200
ALTO Cleaning Systems (UK) Ltd., Penrith
Gilwilly Industrial Estate
Penrith
Cumbria CA11 9BN
+44 1768 868 995
ALTO France S.A. Strasbourg
B.P. 44, 4 Place d’Ostwald
F-67036 Strasbourg
Cedex 2
+33 3 8828 8400
ALTO Nederland B.V. Vianen
Stuartweg 4C
NL-4131 NJ Vianen
+31 347 324000
ALTO Sverige AB, Molndal (Sweden)
Aminogatan 18
Box 4029
S-431 04 Molndal
+46 31 706 73 00
ALTO Norge A/S, Oslo (Norway)
Bjornerudveien 24
N-1266
+47 2275 1770
CLARKE TECHNOLOGY
AMERICAN SANDERS TECHNOLOGY
A.L. COOK TECHNOLOGY
Customer Service Headquarters and
Factory
2100 Highway 265
Springdale, Arkansas 72764
(501) 750-1000
Technical Service
1-800-356-7274
U. S. A. Locations European Locations
HEAD OFFICE
ALTO U.S. Inc., St. Louis, Missouri
16253 Swingley Ridge Road, Suite 200
Chesterfield, Missouri 63017-1725
PRODUCTION FACILITIES
ALTO U.S. Inc., Springdale, Arkansas
2100 Highway 265
Springdale, Arkansas 72764
(501) 750-1000
Customer Service - 1-800-253-0367
Technical Service - 1-800-356-7274
ALTO U.S. Inc., Bowling Green, Ohio 43402
1100 Haskins
ALTO U.S. Inc., Clearwater, Florida 33765
1500 N. Belcher Road
SERVICE FACILITIES
ALTO U.S. Inc., Carlstadt, New Jersey 07072
150 Commerce Road
(201) 460-4774
ALTO U.S. Inc., Elk Grove, Illinois 60007
2280 Elmhurst Road
(847) 956-7900
ALTO U.S. Inc., Denver, Colorado 80204
1955 West 13th Ave.
(303) 623-4367
ALTO U.S. Inc., Houston, Texas 77040
7215 North Gessner Road
SALES AND SERVICE FACILITIES
SALES AND SERVICE FACILITIES
ALTO U.S. Inc., Madison Heights, Michigan 48071-0158
29815 John R.
(810) 544-6300
ALTO U.S. Inc., Marietta, Georgia 30062
1355 West Oak Common Lane
(770) 973-5225

CLARKE TECHNOLOGY LIMITED U.S. WARRANTY
This ALTO Industrial/Commercial Product is warranted to be free from defects in materials and
workmanship under normal use and service for a period of five years from the date of purchase, when
operated and maintained in accordance with Clarke Technology's Maintenance and Operations In-
structions.
This warranty is extended only to the original purchaser for use of the product. It does not cover
normal wear parts such as electrical cable, rubber parts and motor brushes.
Clarke Technology's liability under this warranty is limited to repair of the product and/or replace-
ment of parts and is given to purchaser in lieu of all other remedies, including INCIDENTAL AND
CONSEQUENTIAL DAMAGES.
THERE ARE NO EXPRESS WARRANTIES OTHER THAN THOSE SPECIFIED HEREIN. THERE
ARE NO WARRANTIES WHICH EXTEND BEYOND THE DESCRIPTION OF THE FACE HEREOF. NO
WARRANTIES, INCLUDING BUT NOT LIMITED TO WARRANTY OF MERCHANTABILITY, SHALL BE
IMPLIED. A warranty registration card is provided with your Clarke Technology floor machine. Return
the card to assist Clarke Technology in providing the performance you expect from your new floor
machine.
If a difficulty develops with the product, you should: (a) Contact the nearest authorized Clarke
Technology repair location or contact the Clarke Technology Service Operations Department, 2100
Highway 265, Springdale, AR 72764, for the nearest authorized Clarke Technology repair location.
Only these locations are authorized to make repairs to the product under this warranty. (b) Return the
product to the nearest Clarke Technology repair location. Transportation charges to and from the
repair location must be prepaid by the purchaser. Clarke Technology will repair the product and/or
replace any defective parts without charge within a reasonable time after receipt of the product.
ALTO U.S. Inc., 2100 Highway 265, Springdale, Arkansas 72764.
2100 Highway 265
Springdale, Arkansas, 72764
ALTO reserves the right to make changes or improvements
to its machine without notice.
Always use genuine Clarke Technology Parts for repair.
CLARKE TECHNOLOGY