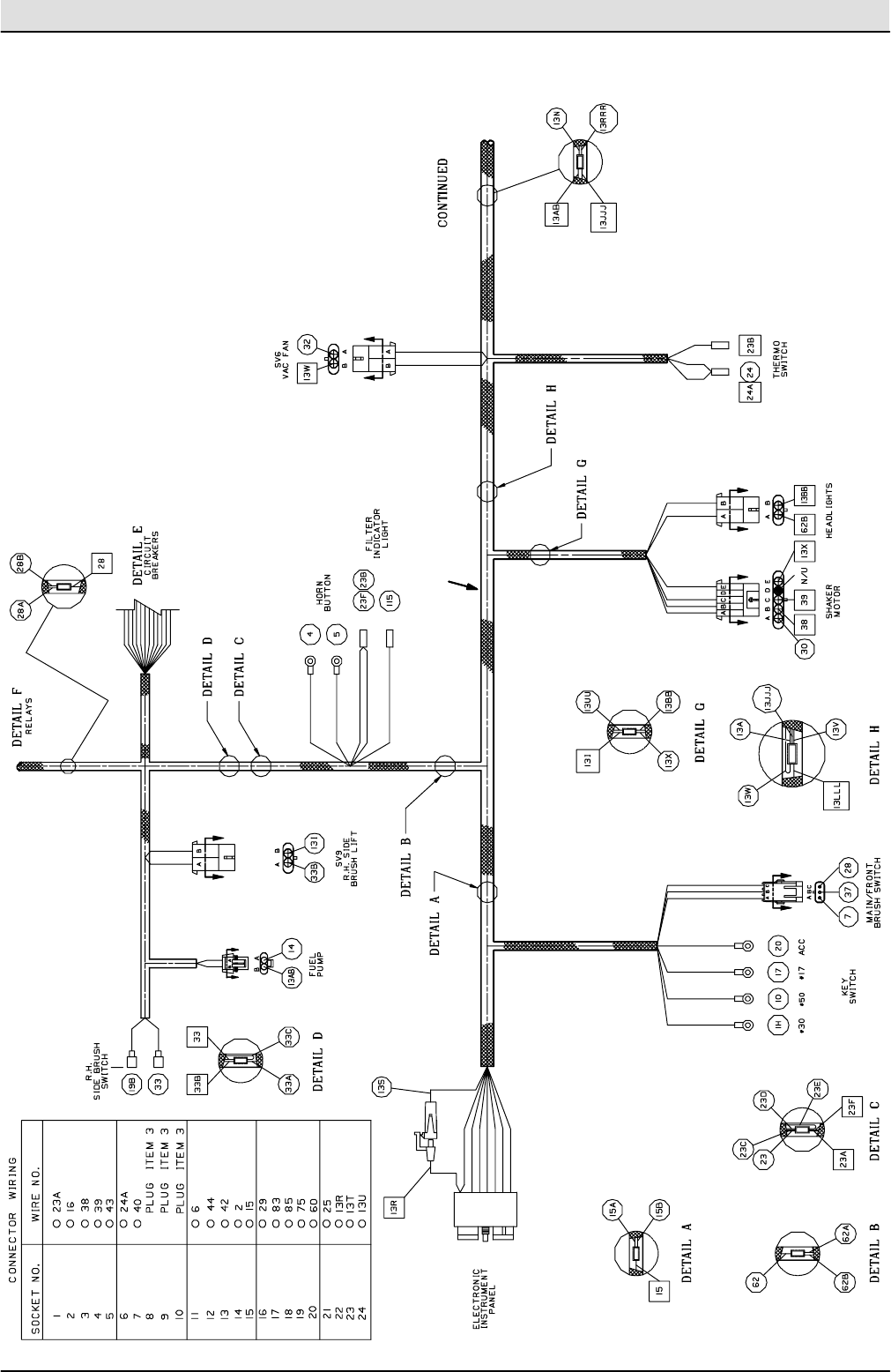
Clemas 800 (004000 ) CE Parts Manual LPG Ride On Sweeper
800_LPG_Ride_on_Swee.. 800_LPG_Ride_on_Sweeper_Parts_Manual
User Manual: Clemas
Open the PDF directly: View PDF
.
Page Count: 308 [warning: Documents this large are best viewed by clicking the View PDF Link!]

800 LPG
RIDE ON SWEEPER
PARTS MANUAL
Clemas & Co. Unit 5 Ashchurch Business Centre, Alexandra Way, Tewkesbury,
Gloucestershire, GL20 8NB.
Tel: 01684 850777 Fax: 01684 850707
Email: info@clemas.co.uk Web: www.clemas.co.uk

STANDARD PARTS -- STANDARDTEILEN -- PIÈCES STANDARD
800 330126 (10--99)
2-4
09922 -- 800, G,LP
Fig. 1 -- General Recommended Maintenance Items — Allgemein empfohlene Wartungspositionen —
Entretiens généraux recommandés
Ref. Tennant
Part No. Description Bezeichnung Designation Qty/
Zahl
o
77632 )Maint kit skirts Wartungsatz, Schürze Jeu de pièces Entretien, Jupe 1
Y73870 Skirt, brush door Schürze Jupe 2
Y64788 Skirt, brushdoor Schürze Jupe 2
Y70453 Strip, retainer Metallprofil, halterung Bande, arrêtoir 2
Y62955 Skirt, seal Schürze Jupe 1
Y62957 Channel, retainer, seal Kanal, Führung Canal 1
Y62954 Blade, deflector Wischgummi, ablenkblech Pale, déflecteur 1
Y62956 Strap, retainer, seal Riemen Sangle 1
Y43500 Chain, link Kettenankerung Ancrage De Chaîne 1
o
79032 Maint kit skirts 800hr Wartungsatz, Schürze, 800 hr Jeu de pièces Entretien, Jupe,
800 hr 1
Y64919 Seal, pan, top Dichtung Joint 1
Y64920 Channel, retainer U--profil, halterung Profilé, arrêtoir 1
Y73654 Seal, brush comp, side 810 Dichtung Joint 2
Y73888 Skirt, front, indoor Schürze Jupe 2
o
380709 Maintenance Kit, 400HR, G/lp Wartungsatz, 400HR, G/lp Jeu de pièces Entretien,
400HR, G/lp 1
Y39703--2 Element, filter, oil Ölfilter Filtre À Huile 4
Y60846 Sparkplug Zündkerze Bougie d’allumage 4
Y84883 Valve, pc Ventil Soupape, Clapet 1
Y36050 Filter, Fuel Kraftstoffilter Filtre a carburant 1
Y60933 Element, Filter,Air Luftfiltereinsatz Element filtre a air 1
Y60934 Element, Filter,Air Luftfiltereinsatz Element filtre a air 1
o
380710 Maintenance Kit, 400HR, Lp Wartungsatz, 400HR, Lp Jeu de pièces Entretien,
400HR, Lp 1
Y39703--2 Element, filter, oil Ölfilter Filtre À Huile 4
Y60846 Sparkplug Zündkerze Bougie d’allumage 4
Y84883 Valve, pc Ventil Soupape, Clapet 1
Y60933 Element, Filter,Air Luftfiltereinsatz Element filtre a air 1
Y60934 Element, Filter,Air Luftfiltereinsatz Element filtre a air 1
o
77634 Maint kit, 800hr 800/810 Wartungsatz, 800hr Jeu de pièces Entretien,
800hr 1
Y34306 Breather, hyd Entlüfter, hydraulik Reniflard, hydraulique 1
Y31613 Strainer--hyd suction
25--100--03 Sieb, hydraulik Filter, Crépine, hydraulique 1
Y10664 Filter, oil, hyd Filter, Hydraulik Filtre, Hydraulique 1
Y65869--5 Oil, hydr. 15/40 Öl, Hydraulik Huile, Hydraulique 3
Y36050 Filter, Fuel Kraftstoffilter Filtre a carburant 1
Y60933 Element, Filter,Air Luftfiltereinsatz Element filtre a air 1
Y60934 Element, Filter,Air Luftfiltereinsatz Element filtre a air 1
Home
Find...
Go To..

PIÈCES STANDARD -- STANDARDTEILEN -- STANDARD PARTS
2-5
800 330126 (9--97)
Fig. 2 -- Replacement Brushes — Ersatzbürsten — Brosses de rechange
1
2
04313 -- 800
Ref. Tennant
Part No. Description Bezeichnung Designation Qty/
Zahl
135326 )Brush, sweep, 50l, poly Bürste, fegen, 50länge, poly-
ethylen Balai, balayer, 50de long,
polyéthylène 1
1 35324 Brush, sweep, 50l, p w Kehrwalze Brosse Principale 1
1 35327 Brush, sweep, 50l, wire Kehrwalze Brosse Principale 1
1 35325 Brush, outside, 50l, poly Bürste, außenseite, 50länge,
polyethylen Balai, extérieur, 50de long,
polyéthylène 1
1 35336 Brush, patrol, 50l, nylon Kehrwalze Brosse Principale 1
135323 Brush, sweep, 50l, nyl Bürste, fegen, 50länge, nylon Balai, balayer, 50de long, ny-
lon 1
o
2 75011 Brush, disk, sweep, 26d, nyl Seitenbesen Brosse Latérale 1
Y51021N Brush, disk, sweep, 26d, nyl Seitenbesen Brosse Latérale 1
Y51963 Adaptor Zwischenstück Raccord 1
o
2 75010 Brush, disk, sweep, 26d, fltw Seitenbesen Brosse Latérale 1
Y51542 Brush, disk, sweep, 26d, fltw Seitenbesen Brosse Latérale 1
Y51963 Adaptor Zwischenstück Raccord 1
o
2 70649 Brush, disk, sweep, 26d, poly Seitenbesen Brosse Latérale 1
Y70538 Brush, disk, sweep, 26d, poly Seitenbesen Brosse Latérale 1
Y51963 Adaptor Zwischenstück Raccord 1
Home
Find...
Go To..
(24SR)
1 66020 Brush-Sweep - Nylon (8DR).....................................1

STANDARD PARTS -- STANDARDTEILEN -- PIÈCES STANDARD
800 330126 (6--02)
2-6
Fig. 3 -- Main Frame Group — Hauptfahrgestell--Gruppe — Groupe châssis
1
2
3
4
5
6
7
8
9
11
10
12
13
14
15
16
17
19
20
21
22
23
24
25
26
27
28
29
30
31
32
33
8
9
13
26
11
12
33
7
34
35
36
37
38
32
18
40 39
39
Home
Find...
Go To..

PIÈCES STANDARD -- STANDARDTEILEN -- STANDARD PARTS
2-7
800 330126 (6--02)
09800 -- G, LP
Fig. 3 -- Main Frame Group — Hauptfahrgestell--Gruppe — Groupe châssis
Ref. Tennant
Part No. Description Bezeichnung Designation Qty/
Zahl
177777 )Frame, Main Rahmen Châssis 1
2 77782 Panel wldt, rear, rh Blech, Tabel Tableau 1
3 77734 Panel wldt, rear, lh Blech, Tabel Tableau 1
4 79680 Bumper Stoßstange Pare--chocs 1
5 79681 Bumper Stoßstange Pare--chocs 1
677680 Door, bumper Klappe Porte 1
7 77593 Bar Stab Barre 2
8 86860 Bearing, thrust Lager, schub Palier, poussée 4
9 36758 Bolt, shld .50d x 0.50, .38--16 Bolzen Boulon 2
10 70517 Bracket Bügel Support 1
11 63544 Bumper, corner Stoßstange, ecke Pare--chocs, coin 2
12 63663 Plate, guide, bumper Platte Plaque, Plateau 2
13 69904 Spring, recirculation Feder, rezirkulation Ressort, recirculation 1
14 62954 Blade, deflector Wischgummi, ablenkblech Pale, déflecteur 1
15 62956 Strap, retainer, seal Riemen Sangle 1
16 62955 Skirt, seal Schürze Jupe 1
17 62957 Channel, retainer, seal Kanal, Führung Canal 1
18 21168 Rivet, plstc Niete, kunststoff Rivet, plastique 5
19 74066 Insulation, foam Schalldämpfungsi Mousse Isolation acoustique 1
20 43500 Chain, link Kettenankerung Ancrage De Chaîne 1
21 64919 Seal, pan, top Dichtung Joint 1
22 64920 Channel, retainer U--profil, halterung Profilé, arrêtoir 1
23 73724 Shield, dust Schutzschild, staub Protection, poussière 1
24 70843 Strip, retainer Metallprofil, halterung Bande, arrêtoir 1
25 70844 Strip, retainer Metallprofil, halterung Bande, arrêtoir 1
26 74064 Insulation, foam Schalldämpfungsi Mousse Isolation acoustique 2
27 73863 Insulation, s/foam 1.0x3.0x3.0 Schalldämpfungsi Mousse Isolation acoustique 2
28 73862 Insulation, s/foam 1.5x4.0x4.0 Schalldämpfungsi Mousse Isolation acoustique 2
29 74067 Insulation, foam Schalldämpfungsi Mousse Isolation acoustique 1
30 73645 Channel, mtg U--profil, montage Profilé, montage 1
31 79010 Seal Dichtung Joint 1
o
32 57941 Light assy stop/red 12v-- . a Licht Phare 2
Y45780 Lamp Lampe Lampe 1
33 87515 Grommet, rubber Seilring Virole 2
34 43363 Hook Haken Crochet 1
35 56506 Chain, jack Kette, wagenheber Chaîne, cric 1
36 79608 Pin, hitch Stift, Bolzen Goupille, Axe 1
37 74920 Grommet, Flexible Seilring Virole 1
38 79670 Strip, edging Streifen Bande, Ruban 1
39 79671 Weight, lpg/gas Gewicht, lpg/benzin Poids, pgl/essence 1
40 86798 Pad, tread Bodenmatte Renfort de sol 1
Home
Find...
Go To..

STANDARD PARTS -- STANDARDTEILEN -- PIÈCES STANDARD
800 330126 (6--02)
2-8
Fig. 4 -- Left Brush Door Group — Linke Bürsten Klappen--Gruppe — Groupe portes de brosse
gauche
2
3
4
5
6
7
9
10
1
11
13
14
15
15
12
15
8
8
Home
Find...
Go To..

PIÈCES STANDARD -- STANDARDTEILEN -- STANDARD PARTS
2-9
800 330126 (9--97)
07583 -- 800
Fig. 4 -- Left Brush Door Group — Linke Bürsten Klappen--Gruppe — Groupe portes de brosse gauche
Ref. Tennant
Part No. Description Bezeichnung Designation Qty/
Zahl
164801 )Door, brush Klappe Porte 1
2 73870 Skirt, brush door Schürze Jupe 1
3 70453 Strip, retainer Metallprofil, halterung Bande, arrêtoir 1
4 58489 Latch, hook lh Sperre Loquet 1
5 58898 Bolt, latch Bolzen, Schraube Boulon 1
670809 Seal, door, brush, lh Dichtung Joint 1
7 73654 Seal, brush comp, side 810 Dichtung Joint 1
8 21168 Rivet, plstc Niete, kunststoff Rivet, plastique 5
9 21282 Strip, retainer Metallprofil, halterung Bande, arrêtoir 1
10 70597 Angle Profil Angle 1
11 73648 Strip, retainer Metallprofil, halterung Bande, arrêtoir 1
12 64788 Skirt, brushdoor Schürze Jupe 1
13 73888 Skirt, front, indoor Schürze Jupe 1
14 74062 Insulation, s/foam, door, lh Schalldämpfungsi Mousse Isolation acoustique 1
15 41178 Washer, flat, .25 fender Unterlegscheibe, flach, .25
schutzhaube Rondelle, plat, .25 aile 6
Home
Find...
Go To..

STANDARD PARTS -- STANDARDTEILEN -- PIÈCES STANDARD
800 330126 (7--00)
2-10
Fig. 5 -- Right Brush Door Group — Rechte--Bürsten--Klappen--Gruppe — Groupe portes de brosse
droite
2
3
4
5
6
7
9
10
1
11
12
13
14
15
15
15
8
Home
Find...
Go To..

PIÈCES STANDARD -- STANDARDTEILEN -- STANDARD PARTS
2-11
800 330126 (9--97)
07584 -- 800
Fig. 5 -- Right Brush Door Group — Rechte--Bürsten--Klappen--Gruppe — Groupe portes de brosse
droite
Ref. Tennant
Part No. Description Bezeichnung Designation Qty/
Zahl
164802 )Door, brush Klappe Porte 1
2 73870 Skirt, brush door Schürze Jupe 1
3 70453 Strip, retainer Metallprofil, halterung Bande, arrêtoir 1
4 58844 Latch, hook, rh Sperre Loquet 1
5 58898 Bolt, latch Bolzen, Schraube Boulon 1
670808 Seal, door, brush, rh Dichtung Joint 1
7 73654 Seal, brush comp, side 810 Dichtung Joint 1
8 21168 Rivet, plstc Niete, kunststoff Rivet, plastique 5
9 21282 Strip, retainer Metallprofil, halterung Bande, arrêtoir 1
10 70598 Angle Profil Angle 1
11 73649 Strip, retainer Metallprofil, halterung Bande, arrêtoir 1
12 64788 Skirt, brushdoor Schürze Jupe 1
13 73888 Skirt, front, indoor Schürze Jupe 1
14 74063 Insulation, foam Schalldämpfungsi Mousse Isolation acoustique 1
15 41178 Washer, flat, .25 fender Unterlegscheibe, flach, .25
schutzhaube Rondelle, plat, .25 aile 6
Home
Find...
Go To..

STANDARD PARTS -- STANDARDTEILEN -- PIÈCES STANDARD
800 330126 (6--02)
2-12
Fig. 6 -- Operator Station Group — Bediener--Station--Gruppe —Groupe Station opérateur
1
2
37
4
5
6
7
8
9
10
11
12
32
33
15
16
17
18
19
31
21
22
23
24
25
26
27
6
6
7
7
7
7
7
7
7
6
29
28
30
31
13
14
20
31
31
31
36
35
34
3
Home
Find...
Go To..

PIÈCES STANDARD -- STANDARDTEILEN -- STANDARD PARTS
2-13
800 330126 (6--02)
350667 -- G, LP
Fig. 6 -- Operator Station Group — Bediener--Station--Gruppe —Groupe Station opérateur
Ref. Tennant
Part No. Description Bezeichnung Designation Qty/
Zahl
1380680 )Panel, Operator Fach Compartiment 1
o
2 63294 Seat, suspension Sitz, aufhängung Siège, suspension 1
Y3 311336 Armrest, Black [Seats
Inc#152685vn20] Speziell’S Schablone Spécial’S Gabarit 1
4 40716 Sleeve Buchse Manchon 2
5 63751 Bracket Bügel Support 1
651176 Dampener, engine Dämpfer Amortisseur 4
7 04414 Washer Unterlegscheibe Rondelle 8
8 64884 Panel, cover, access Blech, Tabel Tableau 1
9 70450 ¡Panel, air conditioning Blech, Tabel Tableau 1
9 375696 ©Panel, Access Blech, Tabel Tableau 1
10 70756 Bumper, rubber Stoßstange gummi Pare--chocs caoutchouc 1
11 76495 Tread, floormat, rubber Bodenmatte Renfort de sol 1
12 54615 Rod, seat Stange Bielle 1
13 76888 Plugbtn 1.25h.12 max black-
nyl Kerzen--Knopf Bouchon 1
14 77399 Plug, hole Stopfen, öffnung Bouchon, trou 3
15 57820 Seal, 48.0 lg. Dichtung Joint 1
16 73903 Seal, bulb, sd--0504 24.50lg Dichtung Joint 1
17 73901 Seal, 7.00 lg Dichtung Joint 1
18 74081 Seal Dichtung Joint 1
19 44777 Seal,foam rbr Dichtung Joint 1
20 62595--3 Molding, trim Form Pièce Moulée 1
21 62595--2 Molding, trim Form Pièce Moulée 1
22 79028 Seal, rod, adjuster Dichtung Joint 1
o
76494 Sealing kit, operator comp Dichtsatz Kit de Joint d’etancheite 1
Y23 76285 Insulation, s/foam, seat Schalldämpfungsi Mousse Isolation acoustique 2
Y24 79116 Seal, dust Dichtung, staub Joint, poussière 1
25 82921 Bumper, rubber Stoßstange gummi Pare--chocs caoutchouc 1
26 77340 Seal, bulb, sd--0504 28.00lg Dichtung Joint 1
27 76492 Bar Stab Barre 1
28 41178 Washer, flat, .25 fender Unterlegscheibe, flach, .25
schutzhaube Rondelle, plat, .25 aile 1
29 21246 Rivet, plstc Niete, kunststoff Rivet, plastique 1
30 49282 Molding, trim 16ga&thinnr
10.0 Form Pièce Moulée 1
31 75428 Plugbutton .75H Kerzen--Knopf Bouchon 9
32 380728 Panel, Side Blech, Tabel Tableau 1
33 70704 Panel, fuel, inlet, lpg Blech, Tabel, lpg Tableau, lpg 1
34 380692 Molding, Trim Form Pièce Moulée 1
35 23946 Insulation Schalldämpfungsi Mousse Isolation acoustique 1
36 33806 Plugbutton Kerzen--Knopf Bouchon 1
37 70478 Panel, support Blech, Tabel Tableau 1
¡Serial number Seriennummer Numéro De Serie (004000--004439 )
©Serial number Seriennummer Numéro De Serie (004440-- )
Home
Find...
Go To..

STANDARD PARTS -- STANDARDTEILEN -- PIÈCES STANDARD
800 330126 (5--98)
2-14
Fig. 7 -- Engine Cover Group — Motorhauben--Gruppe — Groupe couvercle du moteur
1
2
3
4
5
6
7
8
9
10
11
12
13
14
15
16
17
18
19 20
21
22
23
24
25
26
27
28
29
30
31 32
8
33
34
17
3
Home
Find...
Go To..

PIÈCES STANDARD -- STANDARDTEILEN -- STANDARD PARTS
2-15
800 330126 (6--02)
350669 -- ALL
Fig. 7 -- Engine Cover Group — Motorhauben--Gruppe — Groupe couvercle du moteur
Ref. Tennant
Part No. Description Bezeichnung Designation Qty/
Zahl
164312 )Lintel Sturz Linteau 1
2 380533 Brace, Center Versteifung, Verstärkung Renfort 1
3 380532 Bracket, Center Halter Support 2
4 64278 Lintel Sturz Linteau 1
5 64279 Strip, spacer Streifen Bande, Ruban 2
675303 Cover Abdeckung Couvercle 1
7 76870 Insulation,s/foam .8 x 19.3 x
20.3 Schalldämpfungsi Mousse Isolation acoustique 1
8 74040 Hinge Scharnier Charnière 2
9 21131 Bracket Bügel Support 1
10 43454 Washer Unterlegscheibe Rondelle 2
11 12271 U--Nut Clip Mutter Écrou 3
12 77778 Seal, bulb, sd--0504 19.75lg Dichtung Joint 1
13 21230 Plate, support Schild, unterstützung Plaque signalétique, support 1
14 59192 Latch, bolt Sperre, Klinke, Verschluss Loquet 1
15 58844 Latch, hook, rh Sperre, Klinke, Verschluss Loquet 1
16 375537 Insulation, Sound Schalldämpfungsi Mousse Isolation acoustique 1
17 53461--2 Seal,foam rbr, .62 .62w 24.5l Dichtung Joint 1
18 75128 Spindle, adjustment Spindel Pivot, Fusée, Broche 1
19 369704 Horn Hupe Avertisseur 1
20 21643 Wire, lead Draht, blei Fil, plomb 1
21 75883 Rod, support cover Stange Bielle 1
22 375536 Panel, Cover Blech, Tabel Tableau 1
23 77711 Panel, Cover, Corner Blech, Tabel Tableau 1
24 47958 Panel, Vacuum Duct Blech, Tabel Tableau 1
25 375513 Bracket, L Halter Support 1
26 380761 Insulation S/Foam Schalldämpfungsi Mousse Isolation acoustique 1
27 380762 Insulation S/Foam Schalldämpfungsi Mousse Isolation acoustique 1
28 380763 Insulation S/Foam Schalldämpfungsi Mousse Isolation acoustique 1
29 380764 Insulation S/Foam Schalldämpfungsi Mousse Isolation acoustique 1
30 380760 Panel, Corner, Eng Cover Blech, Tabel Tableau 1
31 55845 Scr--Hxfmgm Schraube, sechskant Vis, hexagonal 1
32 82727 Plugbutton Kerzen--Knopf Bouchon 1
33 77399 Clip Spange, Clip Agrafe 11
34 55756 Seal Dichtung Joint 1
Home
Find...
Go To..

STANDARD PARTS -- STANDARDTEILEN -- PIÈCES STANDARD
800 330126 (6--02)
2-16
Fig. 8 -- Engine Side Door Group — Motor--Seitenklappen--Gruppe — Groupe porte latérale du moteur
1
2
3
4
5
6
7
9
8
4
10
12
11
12
11
14
13
15
Home
Find...
Go To..

PIÈCES STANDARD -- STANDARDTEILEN -- STANDARD PARTS
2-17
800 330126 (6--02)
350680 -- ALL
Fig. 8 -- Engine Side Door Group — Motor--Seitenklappen--Gruppe — Groupe porte latérale du moteur
Ref. Tennant
Part No. Description Bezeichnung Designation Qty/
Zahl
123950 ¡)Door, Engine Klappe Porte 1
2 64543 Hinge, pin Scharnier Charnière 1
3 70628 Hinge, pin Scharnier Charnière 1
4 64545 Hinge Scharnier Charnière 2
5 58489 Latch, hook lh Sperre, Klinke, Verschluss Loquet 1
670407 Angle Profil Angle 1
7 59192 Latch, bolt Sperre, Klinke, Verschluss Loquet 1
8 53461--2 Seal,foam rbr, .62 .62w 24.5l Dichtung Joint 1
9 57820 Seal, 48.0 lg. Dichtung Joint 1
10 375695 ©Door, Engine Klappe, Motor Porte, Du Moteur 1
11 375693 ©Panel, Louver Blech, Tabel Entlüften,
Belüften Tableau, Mettre À L’air Libre 4
12 06524 ©Rivet, Pop Pop--Niete Rivet, Pop 16
13 09258 ©Screw, Pan, M 6 X 1.0 X 40,
4.8 Scr Panhd M 6x 1.0 40 Scr Panhd M 6x 1.0 40 1
14 44851 ©Bumper, Rbr, 1.5d 1.50 0.28h Gummi--StoßStange Pare--Chocs Caoutchouc 1
15 08708 ©Nut, Hex, Lock, M06 X 1.0, Nl Nut Hxlocnyln M 6 D985 C Nut Hxlocnyln M 6 D985 C 1
¡Serial number Seriennummer Numéro De Serie (004000--004408 )
©Serial number Seriennummer Numéro De Serie (004409-- )
Home
Find...
Go To..

STANDARD PARTS -- STANDARDTEILEN -- PIÈCES STANDARD
800 330126 (9--97)
2-18
Fig. 9 -- Rear Door Group — Heck--Klappe--Gruppe — Groupe porte arrière
2
3
45
6
7
1
4
8
9
10
11
12
13
9
12
Home
Find...
Go To..

PIÈCES STANDARD -- STANDARDTEILEN -- STANDARD PARTS
2-19
800 330126 (9--97)
350682 -- ALL
Fig. 9 -- Rear Door Group — Heck--Klappe--Gruppe — Groupe porte arrière
Ref. Tennant
Part No. Description Bezeichnung Designation Qty/
Zahl
148006 )Door wldt, rear Klappe Porte 1
2 51787 Bumper, rubber Stoßstange gummi Pare--chocs caoutchouc 3
3 64419 Cooler, oil, hyd Ölkühler, Hydraulik Radiateur d’huile, Hydraulique 1
4 42260 Fitting, hyd, str Armatur, hydraulik, gerade Raccord, hydraulique, droit 2
5 51322 Isolator, vibration Isolator, vibration Silentbloc, vibration 4
659661 Latch Riegel Loquet 1
7 65252 Plate, striker Platte Plaque, Plateau 1
8 36192 Lanyard assy Kabel, Seil Câble 1
9 82830 Sleeve Buchse Manchon 2
o
10 10664 Filter, oil, hyd Filter Filtre 1
Y11 65221 Element, filter Filtereinsatz Element filtre 1
12 46481 Fitting, hyd, elbow Fitting hydraulik Douille hydraulique 2
13 65222 Sender, filter, hydraulic Geber Unitée Émittrice 1
Home
Find...
Go To..

STANDARD PARTS -- STANDARDTEILEN -- PIÈCES STANDARD
800 330126 (9--97)
2-20
Fig. 10 -- Hopper Lift Arms Group — Kehrichtbehälter--Hebearm--Gruppe —
Groupe bras de lavage de la trémie
1
2
3
4
6
15
7
8
9
10
11
12
13
14
2
3
4
4
4
8
8
8
6
7
9
10
13
5
15
5
4
8
4
4
8
18
16
17
Home
Find...
Go To..

PIÈCES STANDARD -- STANDARDTEILEN -- STANDARD PARTS
2-21
800 330126 (9--97)
351196 -- CE
Fig. 10 -- Hopper Lift Arms Group — Kehrichtbehälter--Hebearm--Gruppe —
Groupe bras de lavage de la trémie
Ref. Tennant
Part No. Description Bezeichnung Designation Qty/
Zahl
1380741 )Arm, Hopper Lift Arm Bras 1
2 58293 Bearing, journal Lager, journal Palier, journal 4
3 77463 Pin Stift Goupille 2
4 58293 Bearing, journal Lager, journal Palier, journal 8
5 83554 Plate, Retainer Platte Plaque, Plateau 4
683551 Pin, Wldt Stift Goupille 2
7 76235 Bar Stab Barre 2
8 57936 Bearing, journal Lager, journal Palier, journal 2
9 83553 Pin Stift Goupille 2
10 76470 Pin Stift Goupille 2
11 380681 Arm, Safety Arm Bras 1
12 63926 Ring, retaining Ring, halterungs-- Bague, retenue 1
13 76471 Pin Stift Goupille 2
14 59965 Switch, roller Schalter Interrupteur 1
15 83549 Plate, Link Plaque, Plateau Tringle De Base 4
16 77747 Strip, Retainer Streifen Bande, Ruban 2
17 77748 Skirt, Safety Schürze Jupe 2
18 82834 Sleeve Buchse Manchon 2
18 34054 Sleeve Buchse Manchon 2
18 79131 Sleeve Hülse Manchon, Chemise 2
Home
Find...
Go To..

STANDARD PARTS -- STANDARDTEILEN -- PIÈCES STANDARD
800 330126 (9--97)
2-22
Fig. 11 -- Hopper Cylinder Group — Kehrichtbehälter--Zylinder--Gruppe — Groupe cylindre trémie
2
3
4
56
7
8
9
10
11
12
14
15
17
18
9
11
15
17
14
1
16
20
13
20
16
19
13
1
20
16
20
19
14
16
Home
Find...
Go To..

PIÈCES STANDARD -- STANDARDTEILEN -- STANDARD PARTS
2-23
800 330126 (10--99)
07585 -- ALL
Fig. 11 -- Hopper Cylinder Group — Kehrichtbehälter--Zylinder--Gruppe — Groupe cylindre trémie
Ref. Tennant
Part No. Description Bezeichnung Designation Qty/
Zahl
183553 )Pin Wldt. Stift, Bolzen Goupille, Axe 2
2 62975 Cylinder, hyd Zylinder, hydraulik Cylindre, hydraulique 1
3 47512 Fitting, hyd, elbow Fitting hydraulik Douille hydraulique 1
4 55686 Fitting, hyd, str Armatur, hydraulik, gerade Raccord, hydraulique, droit 1
5 16456 Fitting, hyd, restrictor Armatur, hydraulik, drossel Raccord, hydraulique, étrang-
leur 1
639210 Fitting, hyd, elbow Fitting hydraulik Douille hydraulique 1
7 59866 Bearing, journal Lager, journal Palier, journal 1
8 63583 Pin Stift Goupille 1
9 58359 Retainer, ring Haltering Anneau D’arrêt 2
10 64156 Bar Stab Barre 1
11 57936 Bearing, journal Lager, journal Palier, journal 2
12 83553 Pin, 1.250 Od X 4.50 Stift, Bolzen Goupille, Axe 1
13 83554 Plate, Pin Retainer Platte Plaque, Plateau 2
14 47638 Fitting, hyd, elbow Fitting hydraulik Douille hydraulique 4
15 63584 Pin Stift Goupille 2
16 83555 Spacer Abstandstück Entretoise 4
17 67767 Clamp, cable Kabelschelle Attache cable 2
18 75891 Plate, spacer Platte Plaque, Plateau 2
o
19 379050 Cylinder, hyd Zylinder, hydraulik Cylindre, hydraulique 2
Y20 57936 Bearing, journal Lager, journal Palier, journal 2
Home
Find...
Go To..

STANDARD PARTS -- STANDARDTEILEN -- PIÈCES STANDARD
800 330126 (6--02)
2-24
Fig. 12 -- Hopper Group — Kehrichtbehälter--Gruppe — Groupe trémie
1
2
3
4
5
17
7
89
10
11
12
13
14
15
16
18
2
6
19
20 21
21
20
16
Home
Find...
Go To..

PIÈCES STANDARD -- STANDARDTEILEN -- STANDARD PARTS
2-25
800 330126 (9--97)
07573 -- 800
Fig. 12 -- Hopper Group — Kehrichtbehälter--Gruppe — Groupe trémie
Ref. Tennant
Part No. Description Bezeichnung Designation Qty/
Zahl
176487 )Hopper Kehrichtbehälter Trémie 1
2 63665 Filter, dust, panel Filter Filtre 2
3 63667 Seal, dust Dichtung, staub Joint, poussière 1
4 63668 Bar Stab Barre 2
5 63669 Angle Profil Angle 1
676474 Panel, hopper, bottom, lh Blech, Tabel Tableau 1
7 76384 Panel, bottom, rh Platte, unterseite, rechts Panneau, bas, droit 1
8 73678 Skirt, lip Schürze, lippe Jupe, lèvre 1
9 73679 Skirt, lip Schürze, lippe Jupe, lèvre 1
10 63647 Angle Profil Angle 1
11 74046 Panel, deflector, dirt, rh Platte, ablenkblech, schmutz,
rechts Panneau, déflecteur, saleté,
droit 1
12 74045 Panel, deflector, dirt lh Platte, ablenkblech, schmutz
links Panneau, déflecteur, saleté
gauche 1
13 73772 Bracket, mtg Bügel, montage Support, montage 1
14 73771 Skirt, deflector Schürze, ablenkblech Jupe, déflecteur 1
15 73749 Strip, retainer Metallprofil, halterung Bande, arrêtoir 1
16 79139 Strip, hopper Streifen Bande, Ruban 2
17 70388 Duct, inlet Kanal, einlaß Conduit, admission 1
18 74069 Plate, cover Platte Plaque, Plateau 1
19 73887 Plate, cover Platte Plaque, Plateau 1
20 79597 Seal, foam Dichtung Joint 2
21 79600 Seal, foam Dichtung Joint 2
Home
Find...
Go To..

STANDARD PARTS -- STANDARDTEILEN -- PIÈCES STANDARD
800 330126 (9--97)
2-26
Fig. 13 -- Hopper Door Group — Kehrichtbehälter--Klappen--Gruppe — Groupe porte trémie
2
3
4
5
6
7
8
9
10
11
12
1
3
4
5
6
7
8
9
10
Home
Find...
Go To..

PIÈCES STANDARD -- STANDARDTEILEN -- STANDARD PARTS
2-27
800 330126 (9--97)
07575 -- ALL
Fig. 13 -- Hopper Door Group — Kehrichtbehälter--Klappen--Gruppe — Groupe porte trémie
Ref. Tennant
Part No. Description Bezeichnung Designation Qty/
Zahl
139210 )Fitting, hyd, elbow Fitting hydraulik Douille hydraulique 2
2 83618 Door, hopper Klappe Porte 1
3 79138 Sleeve Buchse Manchon 2
4 79596 Washer Unterlegscheibe Rondelle 4
5 35688 Bearing, journal Lager, journal Palier, journal 2
621721 Cylinder, hyd Zylinder, hydraulik Cylindre, hydraulique 2
7 82825 Fitting, hyd, elbow Fitting hydraulik Douille hydraulique 2
8 77097 Fitting, hyd, elbow Fitting hydraulik Douille hydraulique 2
9 64893 Pin Stift Goupille 2
10 21722 Pin, clevis Gabelstift Axe de chape 2
11 75012 Bracket, mounting, fitting Montage--Bügel Bride de fixation 1
12 34392 Fitting, hyd, tee Armatur, hydraulik, t--stück Raccord, hydraulique, raccord
en t 2
Home
Find...
Go To..

STANDARD PARTS -- STANDARDTEILEN -- PIÈCES STANDARD
800 330126 (6--01)
2-28
Fig. 14 -- Hopper Cover Group — Kehrichtbehälterdeckel--Gruppe — Groupe couvercle trémie
2
3
4
5
6
7
8
9
10
1
11
12
13
14
15
16
17
18
19
20
21
22
23
24
25
12
2
2
3
4
5
6
8
9
11
13
15
20
23
24
25
24
26
27
28
Home
Find...
Go To..

PIÈCES STANDARD -- STANDARDTEILEN -- STANDARD PARTS
2-29
800 330126 (6--01)
351198 -- CE
Fig. 14 -- Hopper Cover Group — Kehrichtbehälterdeckel--Gruppe — Groupe couvercle trémie
Ref. Tennant
Part No. Description Bezeichnung Designation Qty/
Zahl
177388 )Bracket, mtg Bügel, montage Support, montage 2
2 51787 Bumper, rubber Stoßstange gummi Pare--chocs caoutchouc 4
3 70762 Hinge Scharnier Charnière 2
4 04843 Bearing, flange Flanschlager Roulement À Flasque 4
5 70761 Tube, 0.62d .44b 2.44, stl Rohr Tuyau, Tube, Gicleur 2
669906 Spring--gas, engine cover Gasfeder Ressort À gaz 2
7 77394 Panel, headlight Blech, Tabel Tableau 1
8 70730 Hinge Scharnier Charnière 2
9 74015 Sleeve Buchse Manchon 2
10 70742 Pin Stift Goupille 1
11 58524 Headlight Vorderscheinwerfer Phare 2
12 65278 Panel, fender, rh Platte, schutzhaube, rechts Panneau, aile, droit 1
13 11747 Bearing Lager Palier 2
14 65281 Panel wldt, fender, lh Platte, schutzhaube, rechts Panneau, aile, droit 1
15 01274 Spring, tension Feder, spannung Ressort, tension 2
16 79019 Latch, hook, rh, single catch Sperre, Klinke, Verschluss Loquet 1
17 75047 Bracket Bügel Support 1
18 75046 Bracket Bügel Support 1
19 21221 Cover, hopper Deckel Couvercle 1
20 79591 Bumper, cover Stoßstange Pare--chocs 2
21 77400 Angle, mtg Profil, montage Angle, montage 1
22 63378 Magnet Magnet Aimant 1
23 375564 Seal, urethane covered foam Dichtung Joint 2
24 375565 Seal, urethane covered foam Dichtung Joint 3
25 375566 Seal, urethane covered foam Dichtung Joint 3
26 381962 ¡Handle, Container Handgriff, Behälter Poignée, Conteneur 1
27 382726 ¡Screw, Pan, M06x1.0 X 25,
4.8 Schraube, Wanne, M06x1.0 X
25, 4.8 Vis, Carter, M06x1.0 X 25, 4.8 2
28 08708 ¡Nut, Hex, Lock, M06 X 1.0, Nl Mutter, Sechskant, Schloß,
M06 X 1.0, Ny Ecrou, Hexagonal, Verrou,
M06 X 1.0, Nyl 2
¡Serial number Seriennummer Numéro De Serie (004625-- )
Home
Find...
Go To..

STANDARD PARTS -- STANDARDTEILEN -- PIÈCES STANDARD
800 330126 (9--97)
2-30
Fig. 15 -- Hopper Bumper Group — Kehrichtbehälter--Stoßstangem--Gruppe —
Groupe pare--chos de la trémie
2
3
4
5
6
7
1
7
Home
Find...
Go To..

PIÈCES STANDARD -- STANDARDTEILEN -- STANDARD PARTS
2-31
800 330126 (9--97)
09802 -- ALL
Fig. 15 -- Hopper Bumper Group — Kehrichtbehälter--Stoßstangem--Gruppe —
Groupe pare--chos de la trémie
Ref. Tennant
Part No. Description Bezeichnung Designation Qty/
Zahl
183547 )Bumper Wldt Stoßstange Pare--chocs 1
2 83548 Bumper, support, hopper, lh Stoßstange Pare--chocs 1
3 83620 Bumper Stoßstange Pare--chocs 1
4 83622 Bumper Stoßstange Pare--chocs 1
5 77523 Guard wldt, hopper Schutz Protecteur 1
677516 Bracket wldt, mtg, headlight Montage--Bügel Bride de fixation 1
7 63671 Latch, bumper Sperre, Klinke, Verschluss Loquet 2
Home
Find...
Go To..

STANDARD PARTS -- STANDARDTEILEN -- PIÈCES STANDARD
800 330126 (9--97)
2-32
Fig. 16 -- Filter Box Group — Staubfilterkasten--Gruppe — Groupe filtre antipoussière
2
3
4
5
6
7
8
9
10
1
12
13
14
16
17
18
19
20
21
22
23
24
25
11
16
16
15
14
16
26
27
Home
Find...
Go To..

PIÈCES STANDARD -- STANDARDTEILEN -- STANDARD PARTS
2-33
800 330126 (5--98)
07576 -- ALL
Fig. 16 -- Filter Box Group — Staubfilterkasten--Gruppe — Groupe filtre antipoussière
Ref. Tennant
Part No. Description Bezeichnung Designation Qty/
Zahl
164580 )Panel wldt, shaker Blech, Tabel Tableau 2
2 64874 Ferrule Leiterplatte Manchon 8
3 64873 Disc Scheibe Disque 8
4 48069 Filter (option) Filter (Wahlweise) Filtre (Au Choix) 2
o
4 63297 Filter (standard) Filter (Serienmässige) Filtre (standard) 2
Y563311 Screen, filter Sieb, Schirm Tamis 1
6 64618 Ring, isolator, outer rbr Ring Anneau, Joint 8
7 64621 Bushing, isolator Büchse Bague 8
8 31999 Motor electric 13.6 vdc Motor elektrisch 13.6 vgs Moteur électrique 13.6 vcc 2
9 64559 Clamp, cable Kabelschelle Attache cable 2
10 64567 Shaft, eccentric Welle, exzentrisch Axe, excentrique 2
11 32006 Bearing Lager Palier 2
12 64394 Link, eccentric Gestänge, exzentrisch Biellette, excentrique 2
o
13 77471 Kit, replmt, bar Satz Jeu de pièces, Lot 2
Y14 63233 Bearing, fiberglide Lager, fiberglide Palier, fiberglide 2
Y15 63234 Sleeve Buchse Manchon 1
Y16 59633 Bearing, thrust Lager, schub Palier, poussée 4
Y17 58357 Bolt, shld .50d x 1.00, .38--16 Bolzen, Schraube Boulon 2
18 64392 Spring Feder Ressort 4
19 64501 Ring, shaker Ring, klopfer Bague, secoueur 2
20 64410 Guide Führung Guide 4
21 64500 Ring, mounting, filter Ring Anneau, Joint 2
22 70651 Ring, retaining Ring, halterungs-- Bague, retenue 2
23 21303 Seal kit, shaker panel Dichtsatz Kit de Joint d’etancheite 2
24 43555 Clamp, wormdrive Klemme, schneckeantrieb Attache, transmission à vis
sans fin 2
25 73734 Seal, dust Dichtung, staub Joint, poussière 2
26 70650 Screw, set Schraube Vis De Pression, Vis De Fixa-
tion 2
27 32009 Bar Stab Barre 2
Home
Find...
Go To..

STANDARD PARTS -- STANDARDTEILEN -- PIÈCES STANDARD
800 330126 (9--97)
2-34
Fig. 17 -- Pressure Switch Group — Druckschaltereinheit — Groupe avertisseur de pression
2
3
4
5
6
7
8
9
1
8
5
10
Home
Find...
Go To..

PIÈCES STANDARD -- STANDARDTEILEN -- STANDARD PARTS
2-35
800 330126 (9--97)
07626 -- ALL
Fig. 17 -- Pressure Switch Group — Druckschaltereinheit — Groupe avertisseur de pression
Ref. Tennant
Part No. Description Bezeichnung Designation Qty/
Zahl
175465 )Switch, pressure Schalter Interrupteur 1
2 82739 Fitting, breather Fitting Douille 1
3 40607 Fitting, brass, str Armatur, messing, gerade Raccord, laiton, droit 1
4 39923 Fitting, bkhd Armatur, schott Raccord, cloison de sépara-
tion 1
5 34864 Strainrelief Druckentlastung Soulageur de traction 2
673727 Hose, vacuum Schlauch, vakuum Tuyau, aspiration 1
7 10632--4 Grommet, rubber Seilring, Augenring, Tülle Virole 1
8 49266 Tie, cable 1.75d max 7.50lg Spannstrebe Serre--cable 8
9 26395--1 Clamp, cable Kabelschelle Attache cable 2
10 43454 Washer Unterlegscheibe Rondelle 1
Home
Find...
Go To..

STANDARD PARTS -- STANDARDTEILEN -- PIÈCES STANDARD
800 330126 (6--02)
2-36
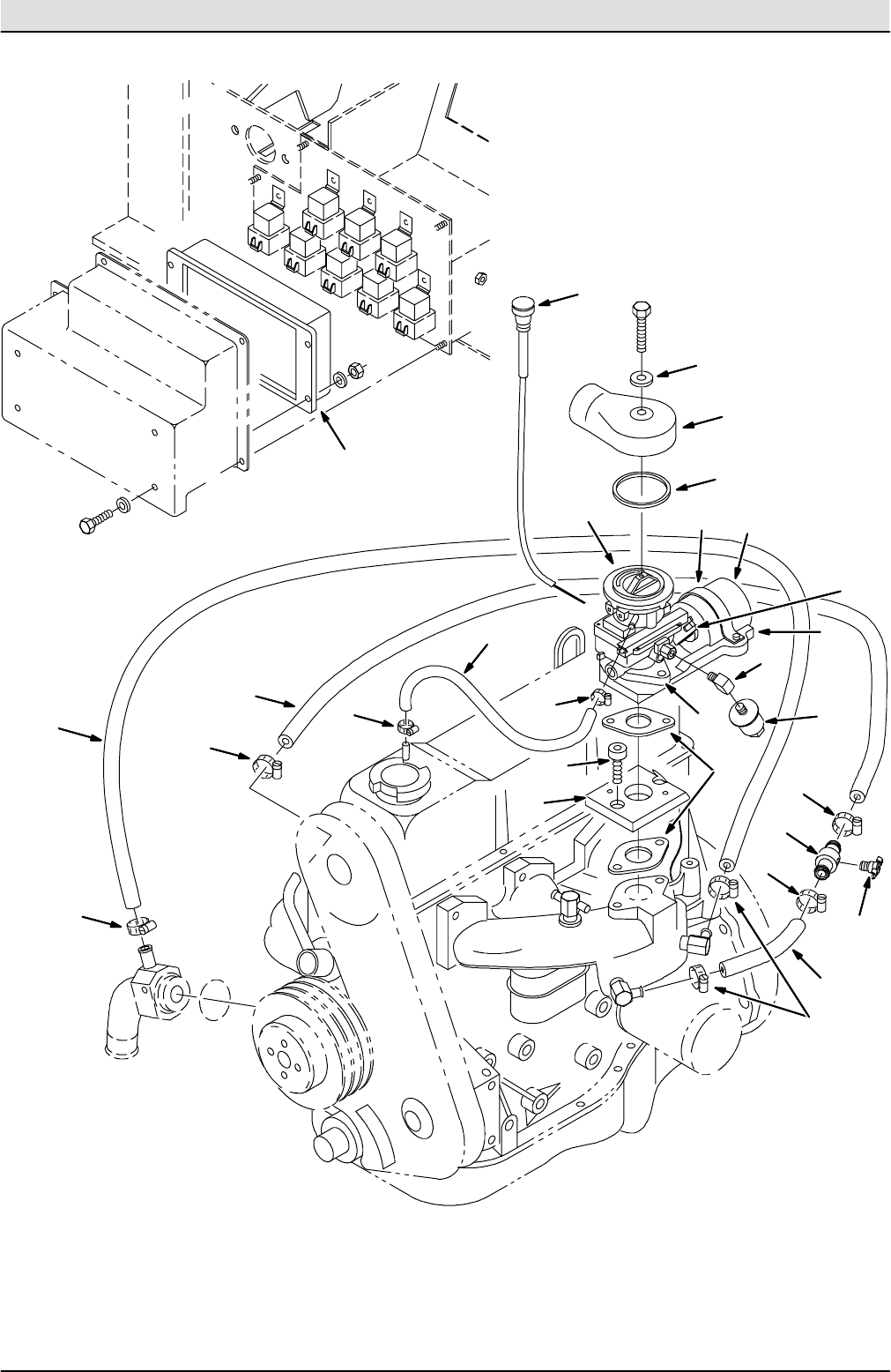
Fig. 18 -- Engine Group — Motorgruppe — Groupe moteur
1
2
3
4
5
6
7
8
9
10
11
14
15
16
20
12
13
18
19
17
21
22
23
Home
Find...
Go To..

PIÈCES STANDARD -- STANDARDTEILEN -- STANDARD PARTS
2-37
800 330126 (6--02)
10614 -- G, LP
Fig. 18 -- Engine Group — Motorgruppe — Groupe moteur
Ref. Tennant
Part No. Description Bezeichnung Designation Qty/
Zahl
183652 ¡)Engine, ford lrg423(See 2.3L
Engine Bkdn) Motor Du Moteur 1
1 385411 ©Engine Purch Kit, Lrg 425
(See 2.5L Engine Bkdn) Motor Du Moteur 1
2 83664 Sheave, eng crank, fd w/tg Riemenscheiben, Seilleitrollen Roue (De Chaîne), Poulie 1
3 83729 Adaptor, Water Pump Verbindungsstück Raccord 1
4 83731 Plate, mounting, water pump Befestigungsplatte Plaque de montage 1
5385417 Bracket Bügel Support 1
6 59375 Trim, Molding Form Pièce Moulée 1
7 21294 Cover Abdeckung Couvercle 1
8 19774 Hose, vacuum Schlauch, vakuum Tuyau, aspiration 1
9 17414 Fitting, hyd, str Armatur, hydraulik, gerade Raccord, hydraulique, droit 1
10 79399 Switch, pressure oil Schalter Interrupteur 1
11 36165 Send unit, temperature Geber Unitée Émittrice 1
12 83750 Bracket, alternator mounting Montage--Bügel Bride de fixation 1
13 31038 Bracket--L Halter Support 1
14 31526 Arm Arm Bras 1
o
15 60559 Alternator Lichtmaschine Alternateur 1
Y61931 Regulator Regler Régulateur 1
Y86041 Bearing, ball Lagerkugel Bille De Roulement 1
Y61529 Kit, brush Kohlebürste satz Jeu balais charbon 1
Y61531 Rectifier Gleichrichter Redresseur 1
Y70160 Pulley, alternator Riemenscheibe Poulie 1
16 83692 Belt, v Riemen, v Courroie, v 1
17 83581 Guard Schutz Protecteur 1
18 82731 Wire, ground Draht, boden Fil, sol 1
19 34065 Boot kasten Capuchon 3
20 83853 Cover Weldt. Deckel Couvercle 1
21 61363 Boot kasten Capuchon 2
22 83747 Bracket, Ignition Halter, Zündung Support, Allumage 1
23 578723 Cap, Vinyl, 0.21id 0.50l Red Verteiler--Endkappe Capuchon Fin Collecteur 1
¡Serial number Seriennummer Numéro De Serie (004000--004215 )
©Serial number Seriennummer Numéro De Serie (004216-- )
Home
Find...
Go To..

STANDARD PARTS -- STANDARDTEILEN -- PIÈCES STANDARD
800 330126 (6--02)
2-38
Fig. 19 -- Engine Mount Group — Motor--Montage--Gruppe — Groupe attaches du moteur
1
2
3
4
6
7
8
9
10 11
12
14 15
13
5
2
3
16
17
Home
Find...
Go To..

PIÈCES STANDARD -- STANDARDTEILEN -- STANDARD PARTS
2-39
800 330126 (6--02)
10612 -- G, LP
Fig. 19 -- Engine Mount Group — Motor--Montage--Gruppe — Groupe attaches du moteur
Ref. Tennant
Part No. Description Bezeichnung Designation Qty/
Zahl
183674 )Bracket, mtg Bügel, montage Support, montage 1
2 63695 Isolator, mtg Isolator, montage Silentbloc, montage 2
3 04414 Washer Unterlegscheibe Rondelle 2
4 385426 Bracket, Eng Mtg Rh Motorlagerbock Bridedefixationdemoteur 1
5 57773 Wire ass’y--elect.,ground Kabelsatz, kpl. Ensemble de fil 1
677430 Bracket, mtg Bügel, montage Support, montage 1
7 57048 Washer Unterlegscheibe Rondelle 1
8 63263 Isolator, mtg Isolator, montage Silentbloc, montage 1
9 77434 Bracket, mtg Bügel, montage Support, montage 1
10 77435 Bracket, mounting, eng rear
rh Motorlagerbock Bridedefixationdemoteur 1
11 380598 Bracket Wldt, Eng/Alt Mount Motorlagerbock Bridedefixationdemoteur 1
12 83673 Plate, Spacer, Mtg, Eng 2.3Fd Platte Plaque, Plateau 1
13 63535 ¡Channel, mtg, engine Kanal, Führung Canal 1
13 385412 ©Channel, wldt, Mtg, Eng, Rear Kanal, Führung, Hinten Canal, Support du Moteur,
Posterior 1
14 35980 Coupling, flywheel Kupplung, Verbindung Accouplement 1
15 83689 ¡Housing, flywheel, 2.3Lrg Gehäuse 2.3Lrg Boitier, Carter 2.3Lrg 1
15 385433 ©Housing, flywheel, 2.5Lrg Gehäuse 2.5Lrg Boitier, Carter 2.5Lrg 1
16 14296 ©Pin, Roll Stift, Bolzen Goupille, Axe 3
17 375193 Screw, Hex, M08 X 1.00 X
16, 10.9 Schraube Vis 6
¡Serial number Seriennummer Numéro De Serie (004000--004215 )
©Serial number Seriennummer Numéro De Serie (004216-- )
Home
Find...
Go To..

STANDARD PARTS -- STANDARDTEILEN -- PIÈCES STANDARD
800 330126 (6--02)
2-40
Fig. 20 -- Carburetor Group, Gasoline — Vergaser--Gruppe, Benzin — Groupe carburateur, essence
55
6
7
8
9
10
11
12
13
24, 25
20
19
2
4
4
3
4
4
15
4
14
1
16 17
18
21
22
23
Home
Find...
Go To..

PIÈCES STANDARD -- STANDARDTEILEN -- STANDARD PARTS
2-41
800 330126 (6--01)
10610 -- G
Fig. 20 -- Carburetor Group, Gasoline — Vergaser--Gruppe, Benzin — Groupe carburateur, essence
Ref. Tennant
Part No. Description Bezeichnung Designation Qty/
Zahl
130389 )Hose, heater Heizungsschlauch Tuyau chauffage 1
2 13048 Hose, heater Heizungsschlauch Tuyau chauffage 1
3 60762 Hose, heater Heizungsschlauch Tuyau chauffage 1
4 63810 Clamp, wormdrive Klemme, schneckeantrieb Attache, transmission à vis
sans fin 6
5 43844 Clamp, wormdrive Klemme, schneckeantrieb Attache, transmission à vis
sans fin 2
670876 ¡Hose, rubber Gummischlauch Tuyau caoutchouc 1
6 375718 ©Hose, rubber Gummischlauch Tuyau caoutchouc 1
7 24924 Washer Unterlegscheibe Rondelle 1
8 57934 Adaptor, elbow, carburetor Verbindungsstück Raccord 1
9 16738 Gasket Dichtungen Joint 1
10 74443 Gasket Dichtungen Joint 2
11 83686 Adapter, Carburetor Verbindungsstück Raccord 1
12 33951 Screw, soc, m06 Schraube Vis 2
13 47313A Cable, choke Kabel, Seil Câble 1
14 83580 Fitting, Brass Drain Cock Fitting Douille 1
15 83578 ¢Tube, Air Bleed Rohr Tuyau, Tube, Gicleur 1
o
83678 ¢Governor, gas Elektronik--regelung, benzin Régulateur, essence 1
Yo83639 ¢Governor, gas Elektronik--regelung, benzin Régulateur, essence 1
YY 16 78897 ¢Carburetor, lsg Vergaser Carburateur 1
YY 17 83683 ¢Actuator Betätigungselement Mécanisme de commande 1
YY 18 83682 ¢Bracket Bügel Support 1
YY 19 11984 ¢Fitting, elbow Fitting Douille 1
YY 20 36050 ¢Filter, fuel Kraftstoffilter Filtre a carburant 1
YY 21 83685 ¢Strap. mounting, actuator Riemen Sangle 1
YY 22 83684 ¢Linkage kit Gestänge Timonerie, Tringlerie 1
YY 23 74443 ¢Gasket Dichtungen Joint 1
Yo24 83758 ¢Controlbox, governor Betätigungskasten Boitier de Commande 1
YY 374625 ¢Plug, Control Box Stopfen,
Betätigungskasten Bouchon, Boitier de Comman-
de 2
o
385415 £Governor, gas Elektronik--regelung, benzin Régulateur, essence 1
Yo83639 £Governor, gas Elektronik--regelung, benzin Régulateur, essence 1
YY 16 385414 £Carburetor, lsg Vergaser, Benzin,
Splitflansch/ [Lsg--425 Carburateur, Essence,
Flasque Fendu/ [Ls 1
YY 17 83683 £Actuator Betätigungselement Mécanisme de commande 1
YY 18 83682 £Bracket Bügel Support 1
YY 19 11984 £Fitting, elbow Fitting Douille 1
YY 20 36050 £Filter, fuel Kraftstoffilter Filtre a carburant 1
YY 21 83685 £Strap. mounting, actuator Riemen Sangle 1
YY 22 83684 £Linkage kit Gestänge Timonerie, Tringlerie 1
YY 23 74443 £Gasket Dichtungen Joint 1
YY 24 374127 ¥Kit, Replmt, Control, Govnr Drehzahlregler Regulateur 1
Yo25 83758 ¤Controlbox, governor
(Replaced by 374127) Betätigungskasten Boitier de Commande 1
YY 374625 ¤Plug, Control Box Stopfen, Betätigungskasten Bouchon, Boitier de Comman-
de 2
¡Serial number Seriennummer Numéro De Serie (004000--004309 )
©Serial number Seriennummer Numéro De Serie (004310-- )
¢Serial number Seriennummer Numéro De Serie (004000--004306 )
£Serial number Seriennummer Numéro De Serie (004307-- )
¤Serial number Seriennummer Numéro De Serie (004307--xxxxxx )
¥Serial number Seriennummer Numéro De Serie ( xxxxxx-- )
Home
Find...
Go To..

STANDARD PARTS -- STANDARDTEILEN -- PIÈCES STANDARD
800 330126 (6--02)
2-42
Fig. 21 -- Carburetor Group, LPG — Vergaser--Gruppe, LPG — Groupe carburateur, GPL
1
23
5
7
8
9
6
5
4
10
11
12
13, 16
14
15
Home
Find...
Go To..

PIÈCES STANDARD -- STANDARDTEILEN -- STANDARD PARTS
2-43
800 330126 (6--02)
10618 -- LP
Fig. 21 -- Carburetor Group, LPG — Vergaser--Gruppe, LPG — Groupe carburateur, GPL
Ref. Tennant
Part No. Description Bezeichnung Designation Qty/
Zahl
133951 )Screw, soc, m06--1.0 x
20,12.9 Schraube Vis 2
2 83686 Adapter, Carburetor Verbindungsstück Raccord 1
3 74443 Gasket Dichtungen Joint 2
4 70876 ¡Hose, rubber Gummischlauch Tuyau caoutchouc 1
4 375718 ©Hose, rubber Gummischlauch Tuyau caoutchouc 1
543844 Clamp, wormdrive Klemme, schneckeantrieb Attache, transmission à vis
sans fin 2
o
83679 Governor, lpg Elektronik--regelung, lpg Régulateur, pgl 1
Yo83640 Governor, lpg Elektronik--regelung, lpg Régulateur, pgl 1
YY 6 73017 Carburetor, lpg, with gasket Treibgas (Propangas) Vergas-
er Carburateur Pour Gaz Lpg 1
YY 7 83683 Actuator Betätigungselement Mécanisme de commande 1
YY 883682 Bracket Bügel Support 1
YY 9 83684 Linkage kit Gestänge Timonerie, Tringlerie 1
YY 10 69097 Fitting, hyd, elbow Fitting hydraulik Douille hydraulique 1
YY 11 74443 Gasket Dichtungen Joint 1
YY 12 83685 Strap. mounting, actuator Riemen Sangle 1
YY 13 374127 £Kit, Replmt, Control, Govnr,
[All Purps] Drehzahlregler Regulateur 1
Y14 53029 Fitting, brass, elbow Fitting Douille 1
Y15 74402 Fitting, special Armatur, speziell Raccord, spécial 1
o16 83758 ¢Controlbox, governor Betätigungskasten Boitier de Commande 1
Y374625 ¢Plug, Control Box Stopfen, Betätigungskasten Bouchon, Boitier de Comman-
de 2
¡Serial number Seriennummer Numéro De Serie (004000--004309 )
©Serial number Seriennummer Numéro De Serie (004310-- )
¢Serial number Seriennummer Numéro De Serie (004000--xxxxxx )
£Serial number Seriennummer Numéro De Serie ( xxxxxx-- )
Home
Find...
Go To..

STANDARD PARTS -- STANDARDTEILEN -- PIÈCES STANDARD
800 330126 (6--02)
2-44
Fig. 22 -- Vaporizer Group, LPG (004000--004818) — Verdampfer--Gruppe, LPG (004000--004818) —
Groupe vaporisateur, GPL (004000--004818)
1
2
3
4
5
6
7
8
9
10
11
12
13
13
16
17
12
12
12
11
12
12
15
14
18 19
20
Home
Find...
Go To..

PIÈCES STANDARD -- STANDARDTEILEN -- STANDARD PARTS
2-45
800 330126 (6--02)
10616 -- LP
Fig. 22 -- Vaporizer Group, LPG (004000--004818) — Verdampfer--Gruppe, LPG (004000--004818) —
Groupe vaporisateur, GPL (004000--004818)
Ref. Tennant
Part No. Description Bezeichnung Designation Qty/
Zahl
170849 ¡)Bracket, mtg Bügel, montage Support, montage 1
o
2 374648 ¡Vaporizer, lpg Verdampfer, lpg Vaporisateur, pgl 1
Y374649 ¡Vaporizer repair kit Verdampfer Vaporisateur, Diffuseur 1
o
3 73020 ¡Filter, fuelock Filter, fuelock-- kraftstoff-
verschluß Filtre, fuelock 1
Y65527 ¡Fuelock replacement kit Einbausatz, Filter, fuelock--
kraftstoffverschluß Ensemble Remplac, Filtre,
fuelock 1
415724 ¡Fitting, hyd, str Armatur, hydraulik, gerade Raccord, hydraulique, droit 2
5 59808 ¡Fuelline Kraftstoffleitung Conduite de carburant 1
6 53268 ¡Fitting, brass, tee Armatur, messing, t--stück Raccord, laiton, raccord en t 1
7 17414 ¡Fitting, hyd, str Armatur, hydraulik, gerade Raccord, hydraulique, droit 1
8 23156 ¡Switch, pressure, lpg Schalter Interrupteur 1
940607 ¡Fitting, brass, str Armatur, messing, gerade Raccord, laiton, droit 1
10 34072 ¡Hose, vacuum Schlauch, vakuum Tuyau, aspiration 1
11 51839 ¡Fitting, brass, elbow Fitting Douille 2
12 63810 ¡Clamp, wormdrive Klemme, schneckeantrieb Attache, transmission à vis
sans fin 8
13 72979 ¡Hose, heater Heizungsschlauch Tuyau chauffage 2
14 30389 ¡Hose, heater Heizungsschlauch Tuyau chauffage 1
15 60726 ¡Hose, heater Heizungsschlauch Tuyau chauffage 1
16 46611 ¡Fitting, hyd, elbow Fitting Douille 1
17 60725 ¡Hose, lpg Schlauch, lpg Tuyau, pgl 1
18 83578 ¡Tube, Air Bleed Rohr Tuyau, Tube, Gicleur 1
19 83580 ¡Fitting, Brass Drain Cock Fitting Douille 1
20 374615 ©Wire Kit, LP Kabelsatz Eu de fils 1
¡Serial number Seriennummer Numéro De Serie (004000--004818 )
©Serial number Seriennummer Numéro De Serie (004000--004215 )
Home
Find...
Go To..

STANDARD PARTS -- STANDARDTEILEN -- PIÈCES STANDARD
800 330126 (6--02)
2-46
Fig. 23 -- Vaporizer Group, LPG (004819-- ) — Verdampfer--Gruppe, LPG (004819-- ) —
Groupe vaporisateur, GPL (004819-- )
1
2
3
4
5
6
7
8
9
10
11
12
13
14
15
16
17
18 19
20
21
22
23
23
23
23
23
23
Home
Find...
Go To..

PIÈCES STANDARD -- STANDARDTEILEN -- STANDARD PARTS
2-47
800 330126 (6--02)
10616 -- LP
Fig. 23 -- Vaporizer Group, LPG (004819-- ) — Verdampfer--Gruppe, LPG (004819-- ) —
Groupe vaporisateur, GPL (004819-- )
Ref. Tennant
Part No. Description Bezeichnung Designation Qty/
Zahl
1374154 ¡)Angle, Mtg, .12x1x1x4.5L Halterung Support 1
2 07789 ¡Nut, Hex, Flng, M05 X 0.8 Mutter Ecrou 2
3 383170 ¡Controller, Lpg, 12Vdc Steuerung, Regulateur, 1
4 06942 ¡Screw, Hex, M06 X 1.0 X 16,
8.8 Schraube, M 6x 16 D933 8.8c Vis Six Pans, M 6x 16 D933
8.8c 2
5 32483 ¡Washer, Flt, .25 Sae U--Scheibe, Stahl, 6.5x14x0.8
CRondelle Plate Acier,
6.5x14x0.8 C 2
632982 ¡Washer, Lock, Int, .25 Federring, Innen, 1/4 D6797j
CFrein D’Ecrou Interieur, 1/4
D6797j C 2
7 27048 ¡Fitting, Brs, E90, Pm04/Pf04 Fitting, 90, Npt/Npt
04pf04pm Douille El90, Npt/Npt
04pf04pm 1
8 17521 ¡Fitting, Plug, Pm08 Sq Head Stopfen, Npt 08pm Sq Head Bouchon Douille, Npt 08pm
Sq Head 1
9 01997 ¡Fitting, Brs, E45, Pm06/Pf06 Ftg--Hyd Brass Npt/Npt
06pm/06p Ftg--Hyd Brass Npt/Npt
06pm/06p 1
10 27767 ¡Fitting, Brs, Str, Pm06/Em10 Bürstenfitting Douille Brosse 1
11 60726 ¡Hose, Heater, Str, 0.62id 15.0 Schlauch, Heizer, Gerade,
0.62innen--D 1 Tuyau, Appareil De
Chauffage, Droit, 0.6 1
12 63810 ¡Clamp--Wormdrive, 0.56--
1.06D Schlauchschelle Attache Entrainement Vis
Sans Fin 8
13 72979 ¡Hose, .62Id X 20.0 Lng
Heater Hose .62 Idx20.0 Lng Heater Hose .62 Idx20.0 Lng Heater 2
14 30389 ¡Hose,Heater .62Idx53.0Lg Schlauch, Heizer,
0.62innen--D 53.0länge Tuyau, Appareil De
Chauffage, 0.62diamèt 1
15 60726 ¡Hose,Heater .62Idx15.0Lg Schlauch, Heizer, Gerade,
0.62innen--D 1 Tuyau, Appareil De
Chauffage, Droit, 0.6 1
16 46611 ¡Ftg--Hyd E90 Pm08/Jm10 Fitting, 90, Npt/Jic
08pm14jm Douille El90, Npt/Jic
08pm14jm 1
17 60725 ¡Hose Lpg, 10Lpg 28In.Lg Schlauch Tuyau 1
18 83578 ¡Tube, Air Bleed Rohr Tube 1
19 83580 ¡Fitting, Brass Drain Cock Bürstenfitting Douille Brosse 1
20 17414 ¡Fitting, Hyd, Str, Pm04/Pf02 Fitting, Gerade, Npt/Npt
02pf04pm Douille Droite, Npt/Npt
02pf04pm 1
21 23156 ¡Switch Druckschalter Lpg Interrupteur Pression Lpg 1
22 51839 ¡Fitting, Brs, E90,
Pm06/Em10 Bürstenfitting 90 Douille Brosse El90 1
23 63810 ¡Clamp, Hose, Wormdrive,
0.56--1.06d Schlauchschelle Attache Entrainement Vis
Sans Fin 8
¡Serial number Seriennummer Numéro De Serie (004819-- )
Home
Find...
Go To..

STANDARD PARTS -- STANDARDTEILEN -- PIÈCES STANDARD
800 330126 (5--98)
2-48
Fig. 24 -- Air Cleaner Group — Luft--Reinigungs--Gruppe — Groupe épurateur d’air
5
6
7
9
1
2
3
4
4
9
8
10
11
12
13
14
Home
Find...
Go To..

PIÈCES STANDARD -- STANDARDTEILEN -- STANDARD PARTS
2-49
800 330126 (10--99)
350700 -- G, LP
Fig. 24 -- Air Cleaner Group — Luft--Reinigungs--Gruppe — Groupe épurateur d’air
Ref. Tennant
Part No. Description Bezeichnung Designation Qty/
Zahl
o
148014 )Cleaner, air al se Reinigungsmittel, luft Nettoyant, air 1
Y2 60934 Element, filter, air Luftfiltereinsatz Element filtre a air 1
Y3 60933 Element, filter, air Luftfiltereinsatz Element filtre a air 1
Y4 07562 Nut, wing, .44--20, special Mutter Écrou 2
5 76321 Strap, mtg, air cleaner Riemen Sangle 2
603026 Indicator, air filter Anzeiger Indicateur 1
7 75666 Filter, pre--cleaner, a/c Filter Filtre 1
8 380592 Hose, Molded Schlauch Durite 1
9 43555 Clamp, wormdrive Klemme, schneckeantrieb Attache, transmission à vis
sans fin 2
10 380591 Grommet, Rbr Seilring, Augenring, Tülle Virole 1
11 54527 Ring, Rubber Ring, Gummi Anneau, Joint, Caoutchouc 4
12 54528 Bushing, Rubber Büchse, Gummi Bague, Caoutchouc 4
13 45177 Sleeve Hülse Manchon 4
14 41178 Washer, Fender Scheibe, Kotflügel Rondelle, Aile 4
Home
Find...
Go To..

STANDARD PARTS -- STANDARDTEILEN -- PIÈCES STANDARD
800 330126 (9--97)
2-50
Fig. 25 -- Muffler Group — Schalldämpfer--Gruppe — Groupe silencieux
2
3
7
4
85
6
1
9
10
Home
Find...
Go To..

PIÈCES STANDARD -- STANDARDTEILEN -- STANDARD PARTS
2-51
800 330126 (9--97)
351200 -- G, LP, CE
Fig. 25 -- Muffler Group — Schalldämpfer--Gruppe — Groupe silencieux
Ref. Tennant
Part No. Description Bezeichnung Designation Qty/
Zahl
121138 )Bracket Bügel Support 1
2 70631 Pipe, exhaust Rohr, auspuff Tuyeau, échappement 1
3 76383 Muffler, exhaust Schalldämpfer, auspuff Silencieux, échappement 1
4 05881 Clamp, tube Klemme Attache 1
5 82661 Isolator, vibration Isolator, vibration Silentbloc, vibration 2
621136 Bracket Bügel Support 1
7 70832 Screen, muffler Sieb, Schirm Tamis 1
8 05880 Clamp, tube Klemme Attache 1
9 22297 Clamp, wormdrive Klemme, schneckeantrieb Attache, transmission à vis
sans fin 1
10 77688 Plate wldt, diffuser t/pipe ec Platte Plaque, Plateau 1
Home
Find...
Go To..

STANDARD PARTS -- STANDARDTEILEN -- PIÈCES STANDARD
800 330126 (9--97)
2-52
Fig. 26 -- Fuel Tank Group, Gas — Benzintank--Gruppe — Groupe réservoir de carburant, essence
1
4
3
2
6
7
8
9
10 11
12
13
14
15
16
17
17
5
Home
Find...
Go To..

PIÈCES STANDARD -- STANDARDTEILEN -- STANDARD PARTS
2-53
800 330126 (5--98)
10622 -- G
Fig. 26 -- Fuel Tank Group, Gas — Benzintank--Gruppe — Groupe réservoir de carburant, essence
Ref. Tennant
Part No. Description Bezeichnung Designation Qty/
Zahl
o
176907 )Tank, fuel Kraftstofftank Réservoir carburant 1
Y2 21732 Gasket Dichtung Joint 1
Y3 21731 Send--unit Sender Unité émettrice 1
4 69899 Cap, fuel, chain Tankverschlußdeckel Bouchon/Carburant 1
5 87396 Strap weldmt, gas tank Riemen Sangle 2
670477 Plate, mounting, tank, gas Befestigungsplatte Plaque de montage 1
7 78043 Fitting, brass, str Armatur, messing, gerade Raccord, laiton, droit 1
8 77558 Fuelline Kraftstoffleitung Conduite de carburant 1
9 36050 Filter, fuel Kraftstoffilter Filtre a carburant 1
10 59015 Pump, fuel Kraftstoffpumpe Pompe carburant 1
11 75854 Bracket, Pump Montage--Bügel Bride de fixation 1
12 40585 Fitting, brass, str Armatur, messing, gerade Raccord, laiton, droit 1
13 83644 Fuelline Kraftstoffleitung Conduite de carburant 1
14 25610 Fitting, brass Armatur, messing Raccord, laiton 1
15 83643 Fuelline Kraftstoffleitung Conduite de carburant 1
16 70173 Hose, fuel Kraftstoffsschlauch Tuyau carburant 1
17 76736 Clamp, cable Kabelschelle Attache cable 2
Home
Find...
Go To..

STANDARD PARTS -- STANDARDTEILEN -- PIÈCES STANDARD
800 330126 (9--97)
2-54
Fig. 27 -- Fuel Tank Group, LPG — LPG--Tank--Gruppe — Groupe bonbonne de carburant, GPL
2
3
4
56
7
8
9
12
1
11
12
13
14
15
16
17
18
19
10
20 21
22
23
Home
Find...
Go To..

PIÈCES STANDARD -- STANDARDTEILEN -- STANDARD PARTS
2-55
800 330126 (6--02)
351204 -- LP, CE
Fig. 27 -- Fuel Tank Group, LPG — LPG--Tank--Gruppe — Groupe bonbonne de carburant, GPL
Ref. Tennant
Part No. Description Bezeichnung Designation Qty/
Zahl
170718 )Plate, mounting Befestigungsplatte Plaque de montage 1
2 70719 Angle, mtg Profil, montage Angle, montage 1
3 70435 Bracket Bügel Support 1
4 58589 Strap, mtg.-- lp tank Riemen Sangle 1
5 58590 Strap, tank retainer -- lp Riemen Sangle 1
657297 Strap, hinge -- lp tank mtg RiemenRiemen Sangle 1
o
7 53400--1 Latch assy, lpg tank mtg,w/nut Sperre, Klinke, Verschluss Loquet 1
Y8 53400--4 Nut Mutter Ecrou 1
9 26496 Coupling Kopplung Accouplement 1
10 74089 Plate wldt Platte Plaque, Plateau 1
11 22308--3 Hose, lpg Schlauch, lpg Tuyau, pgl 1
12 47720 Fitting, hyd, elbow Fitting hydraulik Douille hydraulique 2
13 56976A Fitting, tee Armatur, t--stück Raccord, raccord en t 1
14 78122 Fitting, bkhd Armatur, schott Raccord, cloison de sépara-
tion 1
15 27048 Fitting, pipe, elbow Fitting Douille 1
16 24047 Valve, press relief, lpg rego Ventil Soupape, Clapet 1
17 11442--23 Fitting, str Armatur, gerade Raccord, droit 1
18 374158 Hose, Lpg, Med05
Pm04str/Pm04str 46.0l Schlauch Tuyau 1
19 24928--1 Tank--lp,33@,liq,both,fill ga l Tank, lpg Réservoir, lpg 1
20 97680 Coupling Kupplung Accouplement 1
21 990709 Ftg--str, npt/npt 04pf04pf Fitting, gerade, npt/npt
04pf04pf Douille droite, npt/npt
04pf04pf 1
22 990367 Ftg--str, npt/jic 04pm08jf Fitting, gerade, npt/jic
04pm08jf Douille droite, npt/jic
04pm08jf 1
23 990366 Coupling nut lp Kupplung Accouplement 1
Home
Find...
Go To..

STANDARD PARTS -- STANDARDTEILEN -- PIÈCES STANDARD
800 330126 (10--99)
2-56
Fig. 28 -- Radiator Hose Group — Kühler--Schlauch--gruppe — Groupe Durite radiateur
2
3
4
5
7
8
1
2
2
2
2
2
2
2
2
6
9
Home
Find...
Go To..

PIÈCES STANDARD -- STANDARDTEILEN -- STANDARD PARTS
2-57
800 330126 (10--99)
07723 -- G, LP
Fig. 28 -- Radiator Hose Group — Kühler--Schlauch--gruppe — Groupe Durite radiateur
Ref. Tennant
Part No. Description Bezeichnung Designation Qty/
Zahl
183690 )Hose, radiator Kühlerschlauch Tuyau radiateur 1
2 11531 Clamp, wormdrive Klemme, schneckeantrieb Attache, transmission à vis
sans fin 9
3 70754 Tube, Coolant, 1.5od Lower Rohr Tuyau, Tube, Gicleur 1
4 70635 Hose, radiator Kühlerschlauch Tuyau radiateur 1
5 70636 Hose, radiator Kühlerschlauch Tuyau radiateur 1
683691 Tube, Radiator, Upper Rohr Tuyau, Tube, Gicleur 1
7 78750 Coupling, hose Kupplung, Verbindung Accouplement 1
8 74058 Bracket Bügel Support 1
9 54911--32 Draincock Ablaßhahn Robinet de vidange 1
Home
Find...
Go To..

STANDARD PARTS -- STANDARDTEILEN -- PIÈCES STANDARD
800 330126 (7--00)
2-58
Fig. 29 -- Radiator Group — Kühlergruppe — Groupe radiateur
1
2
3
4
5
7
8
9
10
11
12 13
14
15
16
17
18
19
20
21
5
5
5
6
6
9
13
22
Home
Find...
Go To..

PIÈCES STANDARD -- STANDARDTEILEN -- STANDARD PARTS
2-59
800 330126 (6--02)
350681 -- CE
Fig. 29 -- Radiator Group — Kühlergruppe — Groupe radiateur
Ref. Tennant
Part No. Description Bezeichnung Designation Qty/
Zahl
148056 )Duct, Rear Leitkanal Canalisation 1
o
2 73140 Radiator Kühler Radiateur 1
Y3 31755 Cap, radiator Kühlerverschlußdeckel Bouchon De Radiateur 1
Y4 51305 Draincock Ablaßhahn Robinet de vidange 1
5 63818 Seal, duct Dichtung Joint 4
659734 Seal, fan, vac outlet Dichtung Joint 2
7 64621 Bushing, isolator Büchse Bague 2
8 64618 Ring, isolator, outer rbr Ring Anneau, Joint 2
9 58228 Plate, spring -- side brush Platte Plaque, Plateau 4
10 77452 Spacer Distanzstück Entretoise 2
11 380739 Shroud Wldt, Fan Umhüllung Tablier 1
12 375511 Bracket, L Halter Support 1
13 51322 Isolator, vibration Isolator, vibration Silentbloc, vibration 3
14 70703 Channel, fan motor Kanal, Führung Canal 1
15 63542 Motor--hyd, gear in 10.0 Hydraulikmotor Moteur Hydraulique 1
16 47512 Fitting, hyd, elbow Fitting hydraulik Douille hydraulique 1
17 31599 Fitting, hyd, tee Armatur, hydraulik, t--stück Raccord, hydraulique, raccord
en t 1
18 52402 Fitting, hyd, str Armatur, hydraulik, gerade Raccord, hydraulique, droit 1
19 375586 Fan, radiator Lüfter Ventilateur 1
20 380758 Bracket, Mtg Montage--Bügel Bride de fixation 1
21 74082 Nut, Hex, Std, .31--32, 5 Mutter, .31--32 G5 Pl EcrouHex.,.31--32G5Pl 1
22 02247 ¡Fitting, Plug Armatur, Stopfen Raccord, Bouchon 1
¡Serial number Seriennummer Numéro De Serie (004495-- )
Home
Find...
Go To..

STANDARD PARTS -- STANDARDTEILEN -- PIÈCES STANDARD
800 330126 (9--97)
2-60
Fig. 30 -- Battery Group — Batterie--Gruppe — Groupe batterie
2
1
3
4
5
Home
Find...
Go To..

PIÈCES STANDARD -- STANDARDTEILEN -- STANDARD PARTS
2-61
800 330126 (9--97)
09819 -- G, LP
Fig. 30 -- Battery Group — Batterie--Gruppe — Groupe batterie
Ref. Tennant
Part No. Description Bezeichnung Designation Qty/
Zahl
177490 )Bracket, mtg, battery Montage--Bügel Bride de fixation 1
2 77579 Bracket, battery Halter Support 1
3 77602 Battery, 12v, wet Batterie, 12v, naß Batterie, 12v, mouillé 1
4 68869 Cable, battery Kabel, Seil Câble 1
560293 Wire, 42.0 lg, 2ga, neg Draht, Leitung Fil 1
Home
Find...
Go To..

STANDARD PARTS -- STANDARDTEILEN -- PIÈCES STANDARD
800 330126 (6--01)
2-62
Fig. 31 -- Rear Wheel Drive Group — Heckantrieb--Rad--Gruppe — Groupe roues motrices arrière
2
3
4
5
6
7
8
9
10
1
11
12
13
14
24
17
18
19
20
22
12
17
18
23
15
21
16
27
26
25
Home
Find...
Go To..

PIÈCES STANDARD -- STANDARDTEILEN -- STANDARD PARTS
2-63
800 330126 (6--01)
07567 -- ALL
Fig. 31 -- Rear Wheel Drive Group — Heckantrieb--Rad--Gruppe — Groupe roues motrices arrière
Ref. Tennant
Part No. Description Bezeichnung Designation Qty/
Zahl
163491 )Pivot wldt, wheel Schwenk D’articulation 1
2 63471 Plate, pivot Platte Plaque, Plateau 1
3 63426 ¢Motor--hyd gear in 29.9 b
3000 Hydraulikmotor Moteur Hydraulique 1
3 22626 £Motor--hyd gear (See Bkdn) Hydraulikmotor Moteur Hydraulique 1
4 67310 Fitting, hyd, str Armatur, hydraulik, gerade Raccord, hydraulique, droit 2
534359 Fitting, hyd, elbow Fitting hydraulik Douille hydraulique 1
6 63540 ¡Housing, support, wheel Gehäuse Boitier, Carter 1
6 21740 ©Housing, support, wheel Gehäuse Boitier, Carter 1
7 09718 Fitting, grease Schmiernippel, gerade Graisseur droit 1
8 63543 ¡Bracket, rep. by 375534 Bügel, erneuert. durch 375534 Support, remplacé.par 375534 1
8375575 ©Bracket Bügel Support 1
9 73733 Channel, retainer U--profil, halterung Profilé, arrêtoir 1
10 73731 Sleeve Buchse Manchon 1
11 53601 Cylinder, hyd Zylinder, hydraulik Cylindre, hydraulique 1
12 56820 Fitting, hyd, elbow Fitting hydraulik Douille hydraulique 2
13 64887 Rod--end Stabende Extrémité de la bielle 1
14 64886 Rod--end Stabende Extrémité de la bielle 1
o
15 79140 Hub & stud assy, 9/16 Nabe Moyeu 1
Y16 79152 Stud, wheel Stiftschraube Goujon, Tenon 6
17 51341 Bearing, cone Lager, kegel Palier, cône 2
18 51340 Bearing, cup Lager, tasse Palier, coupelle 2
19 369701 Washer Unterlegscheibe Rondelle 1
20 41073 Nut, lock, special, 2.16--18 Mutter Écrou 1
21 375762 Washer Unterlegscheibe Rondelle 1
22 63496 Ring, retaining Ring, halterungs-- Bague, retenue 1
23 67767 Clamp, cable Kabelschelle Serre--câble 1
24 79153 Nut, wheel, .56--18 Mutter Écrou 6
25 19659 Sleeve Buchse Manchon 1
26 39305 Screw, soc, .50--13 x 2.75, al Schraubensockel Douille Filetée 4
27 375576 Screw, soc m12x1.75 Schraubensockel Douille Filetée 4
¡Serial number Seriennummer Numéro De Serie (004000--004033 )
©Serial number Seriennummer Numéro De Serie (004034-- )
¢Serial number Seriennummer Numéro De Serie (004000--004206 )
£Serial number Seriennummer Numéro De Serie (004207-- )
Home
Find...
Go To..

STANDARD PARTS -- STANDARDTEILEN -- PIÈCES STANDARD
800 330126 (6--01)
2-64
Fig. 32 -- Front Wheels and Brakes Group — Vorderräder-- und Bremsen--Gruppe —
Groupe roues avant et freins
10
3
4
5
6
11
9
1
2
78
Home
Find...
Go To..

PIÈCES STANDARD -- STANDARDTEILEN -- STANDARD PARTS
2-65
800 330126 (6--01)
07568 -- ALL
Fig. 32 -- Front Wheels and Brakes Group — Vorderräder-- und Bremsen--Gruppe —
Groupe roues avant et freins
Ref. Tennant
Part No. Description Bezeichnung Designation Qty/
Zahl
177790 )Brake, rh (See Breakdowns) Bremse, rechts Frein, droit 1
2 77770 Brake, lh (See Breakdowns) Bremse, links Frein, gauche 1
3 17808 Bearing, cup Lager, tasse Palier, coupelle 2
4 51338 Bearing, cup Lager, tasse Palier, coupelle 2
5 51193 Bearing, cone Lager, kegel Palier, cône 2
614242 Nut, hex, slot, 1.00--20 Sechskantmutter Écrou Hexagonal 2
o
7 79151 Drum, brake Trommelbremse Tambour De Frein 2
Y8 79152 Stud, wheel Stiftschraube Goujon, Tenon 6
9 79153 Nut, wheel, .56--18 Mutter Écrou 12
10 17809 Bearing, cone Lager, kegel Palier, cône 2
11 51373 Cap, grease Kappe Capuchon 2
Home
Find...
Go To..

STANDARD PARTS -- STANDARDTEILEN -- PIÈCES STANDARD
800 330126 (9--97)
2-66
Fig. 33 -- Wheel Group — Rad--Gruppe — Groupe roue
2
3
4
1
1
4
Home
Find...
Go To..

PIÈCES STANDARD -- STANDARDTEILEN -- STANDARD PARTS
2-67
800 330126 (5--98)
07621 -- ALL
Fig. 33 -- Wheel Group — Rad--Gruppe — Groupe roue
Ref. Tennant
Part No. Description Bezeichnung Designation Qty/
Zahl
o
380747 )Tire & Rim Assy Reifen Pneumatique 3
Y1 64059 Tire & flap assy Reifen Pneumatique 1
Y2 64058 Tube, inner Rohr, innen-- Tube, intérieur 1
Y3 45786 Cap, valve stem Kappe Capuchon 1
Y4380746 Rim Assy, CE Felge Jante 1
Home
Find...
Go To..

STANDARD PARTS -- STANDARDTEILEN -- PIÈCES STANDARD
800 330126 (9--97)
2-68
Fig. 34 -- Brake Pedals Group — Bremspedal--Gruppe — Groupe pédale de frein
12
3
4
5
6
7
8
14
11
17
18
19
20
21
22
23
24
9
10
12
13
11
20
9
15
16 25
Home
Find...
Go To..

PIÈCES STANDARD -- STANDARDTEILEN -- STANDARD PARTS
2-69
800 330126 (9--97)
07602 -- ALL
Fig. 34 -- Brake Pedals Group — Bremspedal--Gruppe — Groupe pédale de frein
Ref. Tennant
Part No. Description Bezeichnung Designation Qty/
Zahl
163295 )Pedal Wldt Pedal Pédale 1
2 51109 Pad Schutzscheibe Patin 1
3 64635 Spacer Distanzstück Entretoise 1
4 57311 Spacer Distanzstück Entretoise 1
5 70550 Rod wldt, push, brake Stange Bielle 1
664950 Cylinder, master brake Zylinder Cylindre 1
7 76653 Pin, clevis Gabelstift Axe de chape 1
8 51483 Fitting, brass, tee Armatur, messing, t--stück Raccord, laiton, raccord en t 1
9 51562 Sleeve Buchse Manchon 2
10 86034 Spacer Distanzstück Entretoise 2
11 46236 Clamp, cable Kabelschelle Attache cable 4
12 76491 Bracket, adj Bügel, adj. verstellbar Support, réglable 1
13 76490 Rod--thread, 2end
m08x1.25x10lg Stange Bielle 1
14 79593 Tube Assy, Brake Bremsbelag GarnitureDeFrein 1
15 79594 Tube Assy, Brake Bremsbelag GarnitureDeFrein 1
16 375526 Insulation, S/Foam Schalldämpfungsi Mousse Isolation acoustique 1
17 70506 Bar Stab Barre 1
18 64556 Cable, brake Seilzugbremse CâbleDeFrein 1
19 64558 Cable, brake Seilzugbremse CâbleDeFrein 1
20 65129 Clamp, cable Kabelschelle Attache cable 2
21 75575 Spring, tension Feder, spannung Ressort, tension 1
22 31775 Molding, trim 11--14ga 4.0 Form Pièce Moulée 1
23 74022 Strip, Retainer Streifen Bande, Ruban 1
24 51545 Lever, brake Bremshebel Levier De Frein À Main 1
25 380717 Insulation, Sound Foam Schalldämpfungsi Mousse Isolation acoustique 1
Home
Find...
Go To..

STANDARD PARTS -- STANDARDTEILEN -- PIÈCES STANDARD
800 330126 (9--97)
2-70
Fig. 35 -- Directional Pedal Group — Fahrpedal--Gruppe — Groupe pedale de direction
2
3
4
5
6
7
8
9
10
11
12
13
14
15 16
17
18
19 20
21
22
23 24
25
26
27
28
1
14
17
29
30
30
Home
Find...
Go To..

PIÈCES STANDARD -- STANDARDTEILEN -- STANDARD PARTS
2-71
800 330126 (9--97)
350684 -- ALL
Fig. 35 -- Directional Pedal Group — Fahrpedal--Gruppe — Groupe pedale de direction
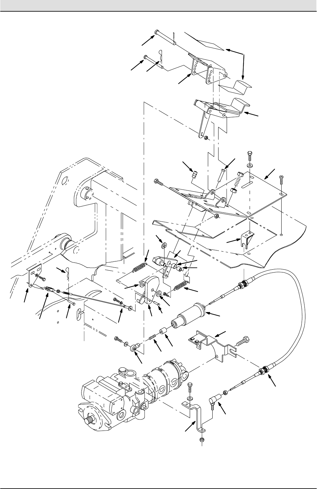
Ref. Tennant
Part No. Description Bezeichnung Designation Qty/
Zahl
1380683 )Pedal Wldt, Propel Lower Pedal Pédale 1
2 84103 Pedal, Upper Pedal Pédale 1
3 82839 Pad, tread Bodenmatte Renfort de sol 1
4 59668 Pin, clevis Gabelstift Axe de chape 1
5 59672 Pin, clevis Gabelstift Axe de chape 1
6380566 Panel, Access Blech, Tabel Tableau 1
7 76647 Pin, clevis Gabelstift Axe de chape 1
8 76523 Screw, set, m10--1.5 x 20,
45h Schraube Vis De Pression 1
9 380567 Bracket, Wldt,Cable Halter Support 1
10 70747 Bar Stab Barre 1
11 07449 Bearing, fiberglide Lager, fiberglide Palier, fiberglide 1
12 74051 Sleeve Buchse Manchon 1
13 86953 Ring, retaining Ring, halterungs-- Bague, retenue 1
14 54222 Spring, tension Feder, spannung Ressort, tension 2
15 70783 Cam Nocke Came 1
16 82168 Pin, clevis Gabelstift Axe de chape 1
17 41722 Washer Unterlegscheibe Rondelle 2
18 70749 Cable, speed control Kabel, Seil Câble 1
19 14595--1 Clevis Gabelstück Chape 1
20 14605 Pin, clevis Gabelkopfbolzen, 0.25d X
0.75l Pl Axe De Chape, 0.25d X 0.75l
Pl 1
21 70725 Plate Schild Plaque signalétique 1
22 68866 Rod--end Stabende Extrémité de la bielle 1
23 36971 Rod--thrd, full .25--28 Stange Bielle 1
24 380568 Spacer Abstandstück Entretoise 1
25 63292 Spring, propel, centering Feder Ressort 1
26 63276 Cable, push--pull Kabel, Seil Câble 1
27 14601 Balljoint Kugellager Joint à rotule 1
28 380514 Lever, Pump Hebel Levier 1
29 380513 Bracket, Mtg Montage--Bügel Bride de fixation 1
30 08085 Pin, hair cotter Stift, haar splint Goupille, poil goupille fendue 2
Home
Find...
Go To..

STANDARD PARTS -- STANDARDTEILEN -- PIÈCES STANDARD
800 330126 (9--97)
2-72
Fig. 36 -- Hydraulic Pumps Group — Hydraulik--Pumpengruppe — Groupe pompes hydrauliques
2
3
4
5
6
7
8
9
10
1
11
12
12
Home
Find...
Go To..

PIÈCES STANDARD -- STANDARDTEILEN -- STANDARD PARTS
2-73
800 330126 (6--01)
07597 -- G, LP
Fig. 36 -- Hydraulic Pumps Group — Hydraulik--Pumpengruppe — Groupe pompes hydrauliques
Ref. Tennant
Part No. Description Bezeichnung Designation Qty/
Zahl
174163 ¡)Pump, hyd piston v (see
Breakdowns) Pumpe, Kolben Pompe, Piston 1
1 373404 ©Pump, hyd piston v (see
Breakdowns) Pumpe, Kolben Pompe, Piston 1
2 52911 Fitting, hyd, elbow Fitting hyd, E90 Douille hyd, E90 2
3 46481 Fitting, hyd, elbow Fitting hyd, E90 Douille hyd, E90 1
4 67310 Fitting, hyd, str Armatur, hydraulik, gerade Raccord, hydraulique, droit 1
562389 Fitting, hyd, tee Armatur, hydraulik, t--stück Raccord, hydraulique, raccord
en t 1
6 65145--1 Seal, oring Dichtung Joint 1
7 62561 Pump--hyd gear ex .66 r 2500
(see Breakdowns) Pumpe, Zahnrad Pompe, Pignon Engrenage 1
8 47508 Fitting, hyd, str Armatur, hydraulik, gerade Raccord, hydraulique, droit 1
9 56692 Fitting, hyd, str Armatur, hydraulik, gerade Raccord, hydraulique, droit 2
10 58858 Fitting, hyd, str Armatur, hydraulik, gerade Raccord, hydraulique, droit 1
11 19544 Fitting, hyd, elbow Fitting hyd, E90 Douille hyd, E90 1
12 07934 Fitting, hyd, elbow Fitting hyd, E90 Douille hyd, E90 2
¡Serial number Seriennummer Numéro De Serie (004000--004586 )
©Serial number Seriennummer Numéro De Serie (004587-- )
Home
Find...
Go To..

STANDARD PARTS -- STANDARDTEILEN -- PIÈCES STANDARD
800 330126 (6--01)
2-74
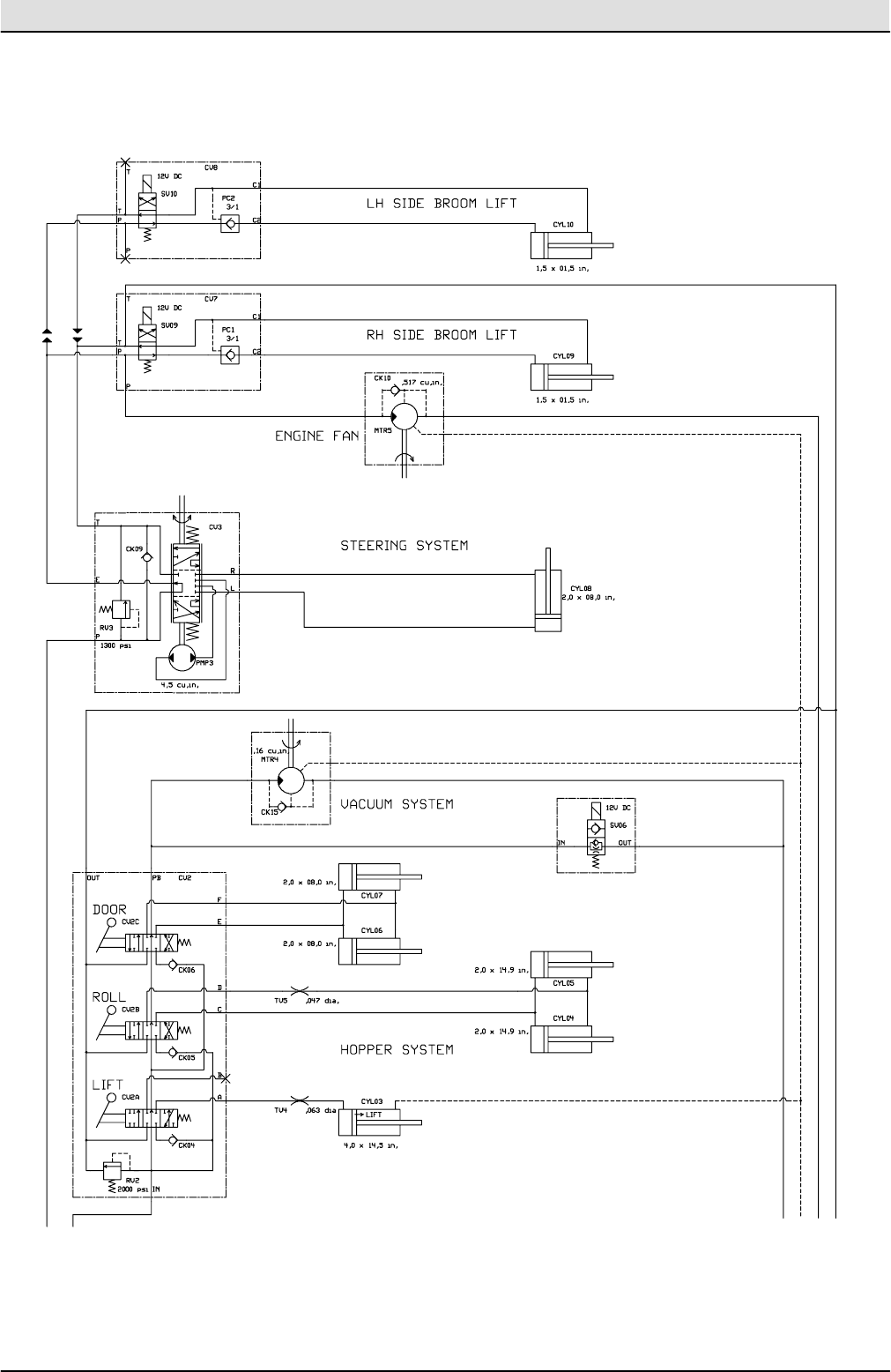
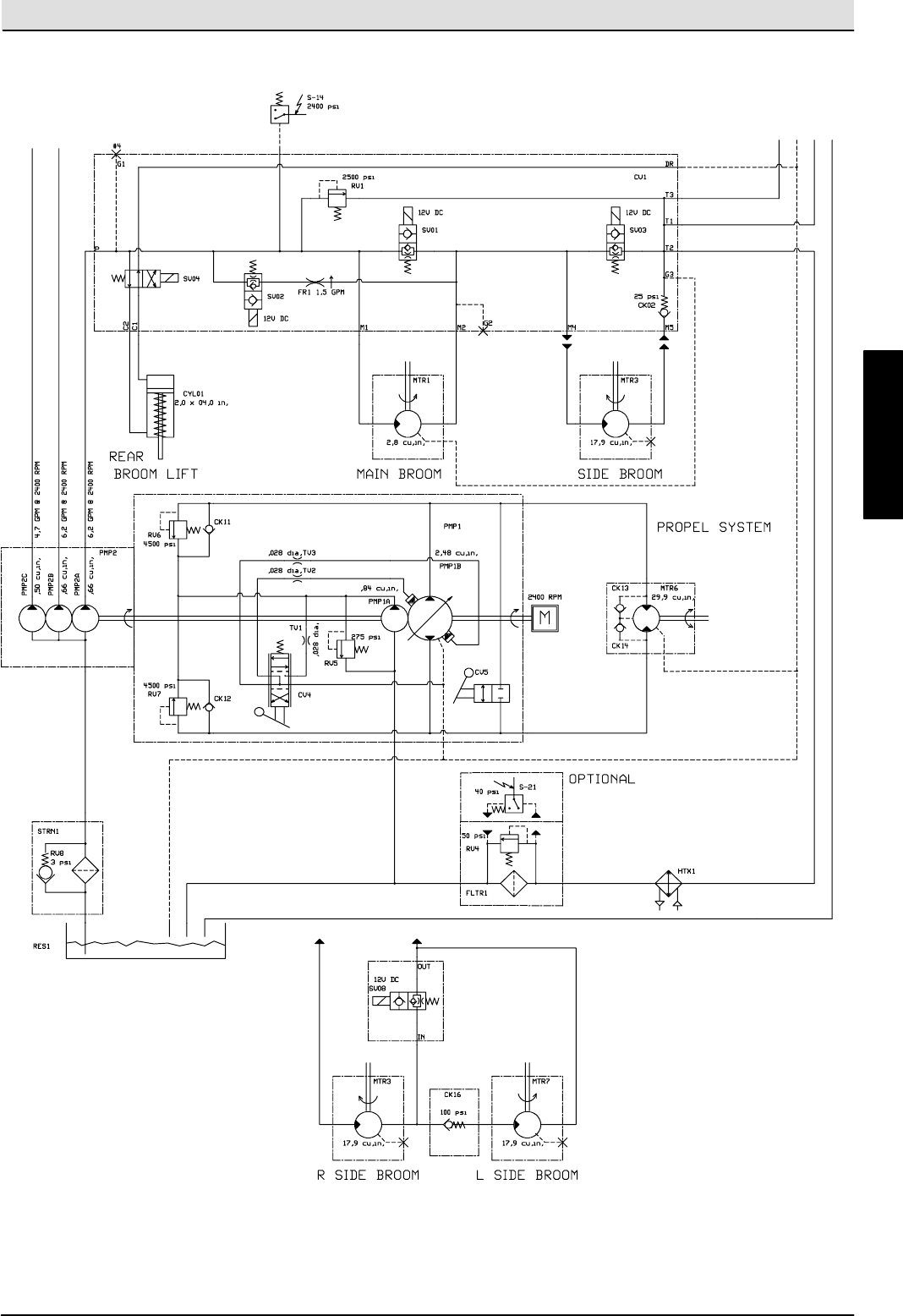
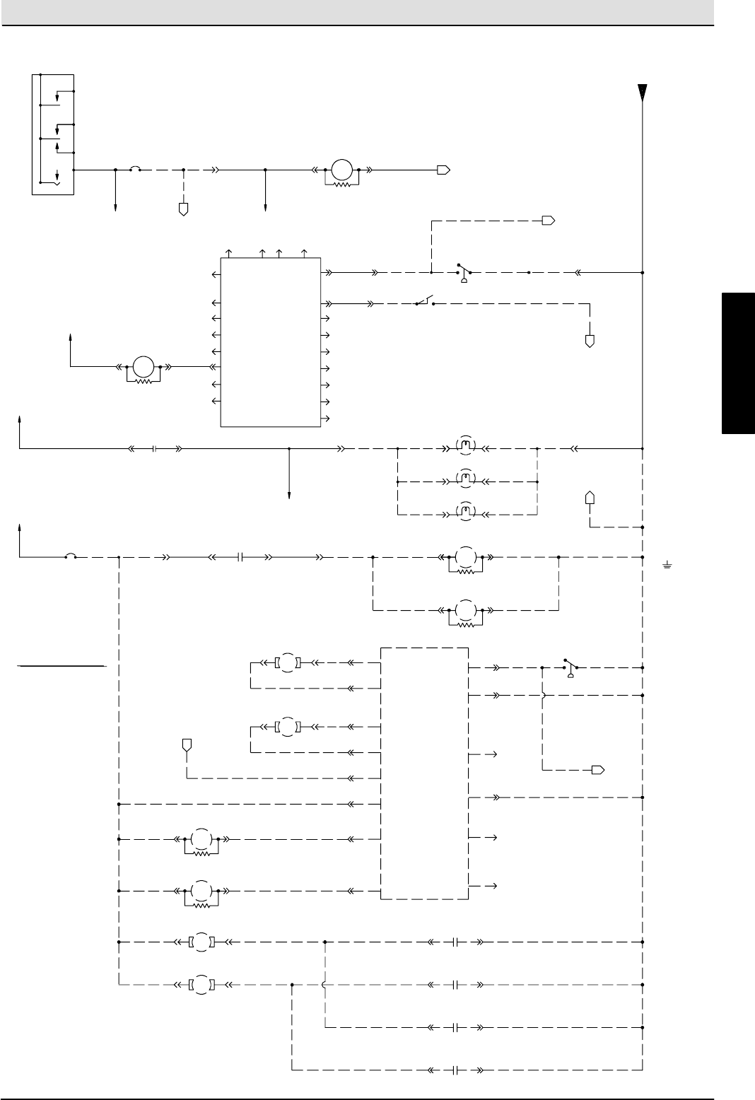
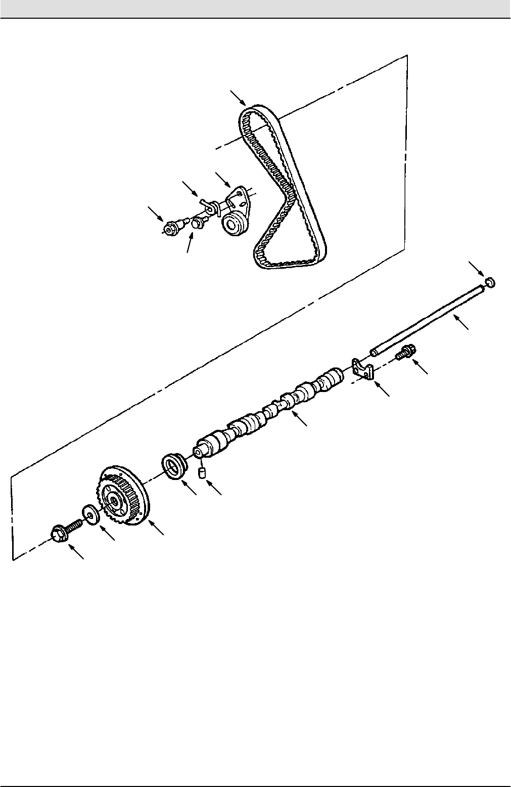
Fig. 37 -- Hydraulic Schematic — Hydraulik--Schema — Schéma du système hydraulique
09912 -- 800
12 3456
Home
Find...
Go To..

PIÈCES STANDARD -- STANDARDTEILEN -- STANDARD PARTS
2-75
800 330126 (6--02)
Fig. 37 -- Hydraulic Schematic — Hydraulik--Schema — Schéma du système hydraulique
09912 -- 800
12 3456
Home
Find...
Go To..

STANDARD PARTS -- STANDARDTEILEN -- PIÈCES STANDARD
800 330126 (6--01)
2-76
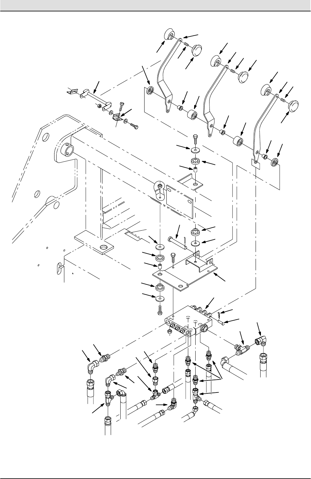
Fig. 38 -- Hydraulic Hose Group — Hydraulik--Hydraulik--Schlauchgruppe — Groupe tuyaux
hydrauliques
G3
4
C2
T
P
C1
SW C2
C1
P
T1
T2
M2
T3
M1M4
M5
DR
IN
OUT
E
PB
F
D
C
IN
OUT
A
PT R
L
IN
OUT
1
2
3
4
5
6
7
8
9
10
11
12 13
14
15
16
17
18
19
20
21
22
23
23
24
25
26
27
28
29
30
31
32
33
34
35
39
37
38
36
19
20
5
4
1
Home
Find...
Go To..

PIÈCES STANDARD -- STANDARDTEILEN -- STANDARD PARTS
2-77
800 330126 (6--01)
07616 -- 800
Fig. 38 -- Hydraulic Hose Group — Hydraulik--Hydraulik--Schlauchgruppe — Groupe tuyaux
hydrauliques
Ref. Tennant
Part No. Description Bezeichnung Designation Qty/
Zahl
165194 )Hose, hyd Schlauch, hydraulik Tuyau, hydraulique 3
2 65197 Hose, hyd Schlauch, hydraulik Tuyau, hydraulique 1
3 65224 Hose, hyd Schlauch, hydraulik Tuyau, hydraulique 1
4 65188 Hose, hyd Schlauch, hydraulik Tuyau, hydraulique 2
5 57173 Hose, hyd Schlauch, hydraulik Tuyau, hydraulique 2
676498 Hose, hyd Schlauch, hydraulik Tuyau, hydraulique 1
7 79642 Hose, hyd Schlauch, hydraulik Tuyau, hydraulique 1
8 21117 Hose, hyd Schlauch, hydraulik Tuyau, hydraulique 1
9 21119 Hose, hyd Schlauch, hydraulik Tuyau, hydraulique 1
10 77641 Hose, hyd Schlauch, hydraulik Tuyau, hydraulique 1
11 77640 Hose, hyd Schlauch, hydraulik Tuyau, hydraulique 1
12 71552 Hose, hyd Schlauch, hydraulik Tuyau, hydraulique 1
13 55700 Hose, hyd Schlauch, hydraulik Tuyau, hydraulique 1
14 82843 Hose, hyd Schlauch, hydraulik Tuyau, hydraulique 1
15 82820 Hose, hyd Schlauch, hydraulik Tuyau, hydraulique 1
16 65195 Hose, hyd Schlauch, hydraulik Tuyau, hydraulique 1
17 65212 Hose, hyd Schlauch, hydraulik Tuyau, hydraulique 1
18 65204 Hose, hyd Schlauch, hydraulik Tuyau, hydraulique 1
19 34355 Hose, hyd Schlauch, hydraulik Tuyau, hydraulique 2
20 57963 Hose, hyd Schlauch, hydraulik Tuyau, hydraulique 4
21 34379 Hose, hyd Schlauch, hydraulik Tuyau, hydraulique 1
22 65213 Hose, hyd Schlauch, hydraulik Tuyau, hydraulique 1
23 34360 Hose, hyd Schlauch, hydraulik Tuyau, hydraulique 2
24 33799 Hose, hyd Schlauch, hydraulik Tuyau, hydraulique 1
25 65199 Hose, hyd Schlauch, hydraulik Tuyau, hydraulique 1
26 01987 Hose, hyd Schlauch, hydraulik Tuyau, hydraulique 1
27 16431 Hose, hyd Schlauch, hydraulik Tuyau, hydraulique 1
28 82835 Hose, hyd Schlauch, hydraulik Tuyau, hydraulique 1
29 76497 Hose, hyd Schlauch, hydraulik Tuyau, hydraulique 1
30 65191 Hose, hyd Schlauch, hydraulik Tuyau, hydraulique 1
31 57944 Hose, hyd Schlauch, hydraulik Tuyau, hydraulique 1
32 21729 Hose, hyd Schlauch, hydraulik Tuyau, hydraulique 2
33 65196 Hose, hyd Schlauch, hydraulik Tuyau, hydraulique 1
34 31563 Hose, hyd Schlauch, hydraulik Tuyau, hydraulique 1
35 65201 Hose, hyd Schlauch, hydraulik Tuyau, hydraulique 2
36 65205 Hose, hyd Schlauch, hydraulik Tuyau, hydraulique 1
37 65202 Hose, hyd Schlauch, hydraulik Tuyau, hydraulique 1
38 77473 Hose, hyd Schlauch, hydraulik Tuyau, hydraulique 1
39 380675 Hose, hyd Schlauch, hydraulik Tuyau, hydraulique 1
Home
Find...
Go To..

STANDARD PARTS -- STANDARDTEILEN -- PIÈCES STANDARD
800 330126 (6--01)
2-78
Fig. 39 -- Hydraulic Reservoir Group — Hydraulik--Behälter--Gruppe — Groupe réservoir hydraulique
2
3
9
17
7
8
10
1
11
12
13
14
15
16
6
4
5
Home
Find...
Go To..

PIÈCES STANDARD -- STANDARDTEILEN -- STANDARD PARTS
2-79
800 330126 (6--01)
07603 -- ALL
Fig. 39 -- Hydraulic Reservoir Group — Hydraulik--Behälter--Gruppe — Groupe réservoir hydraulique
Ref. Tennant
Part No. Description Bezeichnung Designation Qty/
Zahl
o
1380736 )Reservoir, 12.5 gallon Hydraulik--tank, 12.5 gallon Réservoir, 12.5 gallon 1
Yo2 34306 Breather, hyd Entlüfter, hydraulik Reniflard, hydraulique 1
YY 3 61288 Gasket Dichtungen Joint 2
YY 4 70072 Cap, breather, with gasket Kappe Capuchon 1
YY 5 70006 Gasket, cap, hyd Dichtung Joint 1
Y665215 Gauge, level sensing Anzeige, füllstand erfassen Jauge, niveau détection 1
7 42260 Fitting, hyd, str Armatur, hydraulik, gerade Raccord, hydraulique, droit 1
8 40514 Fitting, hyd, tee Armatur, hydraulik, t--stück Raccord, hydraulique, raccord
en t 1
9 76316 Fitting, hyd, tee Armatur, hydraulik, t--stück Raccord, hydraulique, raccord
en t 1
10 57994 Fitting, hyd, elbow Fitting hyd, E90 Douille hyd, E90 1
11 34390 Fitting, hyd, tee Armatur, hydraulik, t--stück Raccord, hydraulique, raccord
en t 1
12 39210 Fitting, hyd, elbow Fitting hyd, E90 Douille hyd, E90 1
13 31613 Strainer--hyd suction
25--100--03 Sieb Filter, Crépine 1
14 58858 Fitting, hyd, str Armatur, hydraulik, gerade Raccord, hydraulique, droit 1
15 19459 Fitting, hyd, elbow Fitting hyd, E90 Douille hyd, E90 1
16 33817 Fitting, hyd, plug Fitting Stopfen Bouchon Douille 1
17 42215 Fitting, hyd, tee Armatur, hydraulik, t--stück Raccord, hydraulique, raccord
en t 1
Home
Find...
Go To..

STANDARD PARTS -- STANDARDTEILEN -- PIÈCES STANDARD
800 330126 (6--01)
2-80
Fig. 40 -- Hydraulic Solenoid Valve Group — Hydraulik--Zugmagnetventil--Gruppe —
Groupe soupape magnétique du système hydraulique
C1
T1
C2
T3
DR
M1
T2
SW
M2
P
M5
M4
G3
2
3
4
5
6
7
8
9
10
15
11
12
13
14
14
13
7
2
7
1
4
Home
Find...
Go To..

PIÈCES STANDARD -- STANDARDTEILEN -- STANDARD PARTS
2-81
800 330126 (6--01)
07650 -- 800
Fig. 40 -- Hydraulic Solenoid Valve Group — Hydraulik--Zugmagnetventil--Gruppe —
Groupe soupape magnétique du système hydraulique
Ref. Tennant
Part No. Description Bezeichnung Designation Qty/
Zahl
132129 )Screw, flat, m08--1.25x
20,10.9 Schraube Vis 3
2 44869 Fitting, hyd, str Armatur, hydraulik, gerade Raccord, hydraulique, droit 3
3 17980 Fitting, hyd, elbow Fitting hyd, E90 Douille hyd, E90 1
4 44868 Fitting, hyd, elbow Fitting hyd, E90 Douille hyd, E90 2
5 45482 Fitting, hyd, tee Armatur, hydraulik, t--stück Raccord, hydraulique, raccord
en t 1
656690 Fitting, hyd, str Armatur, hydraulik, gerade Raccord, hydraulique, droit 1
7 77097 Fitting, hyd, elbow Fitting hyd, E90 Douille hyd, E90 3
8 59577 Fitting, hyd, str Armatur, hydraulik, gerade Raccord, hydraulique, droit 1
9 31605 Fitting, hyd, str Armatur, hydraulik, gerade Raccord, hydraulique, droit 1
10 77575 Switch assy, press, hyd Schalter Interrupteur 1
11 57993 Fitting, hyd, str Armatur, hydraulik, gerade Raccord, hydraulique, droit 1
12 64228 Plate, mounting valve,sole-
noid Befestigungsplatte Plaque de montage 1
13 10911 Isolator Isolator Silentbloc 2
14 06146 Bracket, mtg Bügel, montage Support, montage 2
15 84014 Valve, hyd control sol Hydraulikventil Soupape Hydraulique 1
Home
Find...
Go To..

STANDARD PARTS -- STANDARDTEILEN -- PIÈCES STANDARD
800 330126 (6--01)
2-82
Fig. 41 -- Hydraulic Valve Group — Hydraulik--Ventilgruppe — Groupe soupape hydraulique
IN
PB
C
E
A
F
D
OUT
4
5
29
1
13
14
1516
17
19
20
21
22
23
24
25
17
17
23
23
21
21
22
22
24
24
17
15
16
14
18
26
26
27
27
3
5
6
7
10
11
12
2
9
9
28
8
30
31
Home
Find...
Go To..

PIÈCES STANDARD -- STANDARDTEILEN -- STANDARD PARTS
2-83
800 330126 (6--01)
351206 -- CE
Fig. 41 -- Hydraulic Valve Group — Hydraulik--Ventilgruppe — Groupe soupape hydraulique
Ref. Tennant
Part No. Description Bezeichnung Designation Qty/
Zahl
1375563 )Valve, hyd control man Hydraulikventil Soupape Hydraulique 1
2 47638 Fitting, hyd, elbow Fitting hyd, E90 Douille hyd, E90 1
3 44869 Fitting, hyd, str Armatur, hydraulik, gerade Raccord, hydraulique, droit 1
4 49933 Fitting, hyd, tee Armatur, hydraulik, t--stück Raccord, hydraulique, raccord
en t 1
5 17980 Fitting, hyd, elbow Fitting hyd, E90 Douille hyd, E90 2
647504 Fitting, hyd, elbow Fitting hyd, E90 Douille hyd, E90 1
7 42215 Fitting, hyd, tee Armatur, hydraulik, t--stück Raccord, hydraulique, raccord
en t 2
8 77488 Pin, clevis Gabelstift Axe de chape 3
9 55685 Fitting, hyd, str Armatur, hydraulik, gerade Raccord, hydraulique, droit 3
10 52402 Fitting, hyd, str Armatur, hydraulik, gerade Raccord, hydraulique, droit 1
11 57411 Fitting, hyd, tee Armatur, hydraulik, t--stück Raccord, hydraulique, raccord
en t 1
12 57988 Fitting, hyd, tee Armatur, hydraulik, t--stück Raccord, hydraulique, raccord
en t 1
13 77485 Bracket, mtg Bügel, montage Support, montage 1
14 62173 Bushing, isolator--inner, rub-
ber Büchse Bague 3
15 62172 Ring Ring Bague 3
16 64905 Sleeve Buchse Manchon 3
17 30013 Washer, flat, .31 fender Unterlegscheibe, flach, .31
schutzhaube Rondelle, plat, .31 aile 6
18 77491 Handle Handgriff Poignée 1
19 77492 Handle Handgriff Poignée 1
20 77493 Handle Handgriff Poignée 1
21 64434 Knob Knopf Bouton 3
22 70827 Knob Knopf Bouton 3
23 70847 Screw, set, m06--1.0 x 20,
45h Schraube Vis De Pression 3
24 36556 Bearing Lager Palier 3
25 06474A Pin, clevis Gabelstift Axe de chape 1
26 77498 Spacer Distanzstück Entretoise 2
27 77499 Spacer Distanzstück Entretoise 2
28 16455 Fitting, hyd, restrictor Armatur, hydraulik, drossel Raccord, hydraulique, étrang-
leur 1
29 08085 Pin, hair cotter Stift, haar splint Goupille, poil goupille fendue 3
30 75845 Angle, Mnt Winkel Angle 2
31 75848 Lever Wldt, Lockout Hebel Levier 1
Home
Find...
Go To..

STANDARD PARTS -- STANDARDTEILEN -- PIÈCES STANDARD
800 330126 (6--01)
2-84
Fig. 42 -- Side Brush Group — Seitenbürsten--Gruppe — Groupe brosse latérale
2
3
4
5
6
8
9
10
1
11
12
13
14
15
16
17
19
20
21
22
23
24
25
26
27
7
36
7
3
17
18
7
15
28
29
32
30
35
31
34
33
21
Home
Find...
Go To..

PIÈCES STANDARD -- STANDARDTEILEN -- STANDARD PARTS
2-85
800 330126 (6--01)
351208 -- CE
Fig. 42 -- Side Brush Group — Seitenbürsten--Gruppe — Groupe brosse latérale
Ref. Tennant
Part No. Description Bezeichnung Designation Qty/
Zahl
179781 )Motor, hyd gear in 17.9 b
1500 Hydraulikmotor Moteur Hydraulique 1
2 47508 Fitting, hyd, str Armatur, hydraulik, gerade Raccord, hydraulique, droit 2
3 42207 Fitting, hyd, str Armatur, hydraulik, gerade Raccord, hydraulique, droit 2
4 21268 Guard wldt, side brush ec Schutz Protecteur 1
5 21238 Guard Schutzvorrichtung Protecteur 1
665168 Bracket, mtg Bügel, montage Support, montage 1
7 65174 Spacer Distanzstück Entretoise 5
8 65170 Bracket Bügel Support 1
9 70521 Bracket Bügel Support 1
10 70627 Bearing Lager Palier 1
11 70526 Shaft, pivot Welle Arbre, Axe 1
12 70524 Washer Unterlegscheibe Rondelle 1
13 70525 Spacer Distanzstück Entretoise 1
14 36328 Washer, belleville, .50 Unterlegscheibe, belleville--
dichtungsring, .50 Rondelle, belleville, .50 1
15 04761 Bearing, flange Lager Palier, Roulement 2
16 70431 Pin Stift Goupille 1
17 70626 Bolt,eye,m08 Augenbolzen, Augenschraube Boulon À Oeil 2
18 65160 Spring, extension Feder, verlängerung Ressort, prolongement 2
19 65173 Bracket Bügel Support 1
20 65180 Spring, compression Feder, kompression Ressort, compression 1
21 375400 ¡Kit, Cable, Side Brush
[800/810] Satz, Kabel, Seil, Seitenbe-
sen Jeu de pièces, Lot, Câble,
Brosse Latérale 1
22 86328 Clamp, cable Kabelschelle Serre--câble 1
23 21120 Pin, Hair Cotter Splint Goupille Fendue 1
24 75028 Sleeve Buchse Manchon 1
25 74059 Spacer Distanzstück Entretoise 1
26 74060 Bracket Bügel Support 1
27 49263 Tie cable 3.00d max 3.34lg Spannstrebe Serre--cable 2
28 06537 Screw, hex Schraube Vis 1
29 76438 Screw, hex Schraube Vis 1
30 21215 Plate, angle Platte Plaque, Plateau 1
31 375401 ©Cable, 0.25d Kabel, Seil Câble 1
32 375402 ©Sping, Tors, 0.81id .09wir
0.34coil Rh Feder, Torsion Ressort, Torsion 1
33 375770 ©Hook, Cable, .44d Ball Haken Crochet 1
34 375404 ©Spacer Abstandstück Entretoise 1
35 375405 ©Bolt, Shld, 12mmx12mm,
M10x1.5 Bolzen, Schraube Boulon 1
36 32486 ©Washer, Flt, .50 Sae Unterlegscheibe, Flach, .50
Sae Rondelle, Plat, .50 Sae 2
¡Serial number Seriennummer Numéro De Serie (004000-- xxxxxx )
©Serial number Seriennummer Numéro De Serie ( xxxxxx-- )
Home
Find...
Go To..

STANDARD PARTS -- STANDARDTEILEN -- PIÈCES STANDARD
800 330126 (6--01)
2-86
Fig. 43 -- Side Brush Lift Group — Seitenbürsten--Hebe--Gruppe — Groupe levage de la brosse
latérale
1
2
3
34
6
6
7
8
9
11
12
10
13
15
16
17
18
19
20
21
22
23
24
25
26
27
29
30
31
34
7
8
9
18
26
28
3
14
31
32
4
26
5
33
34
35
36
37
38
39
40
41 34
36
35
39
37
4
4
4
Home
Find...
Go To..

PIÈCES STANDARD -- STANDARDTEILEN -- STANDARD PARTS
2-87
800 330126 (6--01)
07578 -- ALL
Fig. 43 -- Side Brush Lift Group — Seitenbürsten--Hebe--Gruppe — Groupe levage de la brosse latérale
Ref. Tennant
Part No. Description Bezeichnung Designation Qty/
Zahl
177669 )Plate wldt Platte Plaque, Plateau 1
2 70532 Cable, retaining Kabel, halterungs-- Câble, retenue 1
3 74391 Pulley assy, cable, 1.5 Riemenscheibe Poulie 2
4 375416 ¡Kit, Roller, Side Brush Lift,
[800/810] Satz, Rolle, Seitenbürsten--
Hebe Jeu de pièces, Lot, Galet, le-
vage de la brosse latérale 4
5 23936 Cable, retaining Kabel, halterungs-- Câble, retenue 1
6375415 ©Plate, side brush, roller Platte Plaque, Plateau 2
7 73737 Sleeve Buchse Manchon 2
8 77584 Plate Schild Plaque signalétique 2
9 74090 Bearing Lager Palier 2
10 77597 Sleeve Buchse Manchon 1
11 77727 Sleeve Buchse Manchon 1
12 77459 Spacer Distanzstück Entretoise 1
13 77601 Plate, angle Platte Plaque, Plateau 1
14 77600 Sleeve Buchse Manchon 1
15 77097 Fitting, hyd, elbow Fitting hyd, E90 Douille hyd, E90 2
16 379020 Cylinder, hyd Zylinder, hydraulik Cylindre, hydraulique 1
17 51813 Pin, clevis Gabelstift Axe de chape 2
18 08179 Pin, cotter Stift, splint Goupille, goupille fendue 2
19 21231 Bracket Bügel Support 1
20 77605 Knob, plastic Knopf Bouton 1
21 41131 Nut, low crown, .62--18 Mutter Écrou 1
22 77682 Rod, thread Stab, gewinde Bielle, fil 1
23 65561 Switch rocker spst Schalter kniehebel einpoliger
ein--aus--schalter Interrupteur culbuteur unipol-
aire et undirectionne 1
24 57807 Cover Abdeckung Couvercle 1
25 57772 Plate--cover Platte Plaque, Plateau 1
26 65174 Spacer Distanzstück Entretoise 3
27 21109 ¢Plate, cover Platte Plaque, Plateau 1
28 56820 Fitting, hyd, elbow Fitting hyd, E90 Douille hyd, E90 1
29 84016 Valve, hyd control sol Hydraulikventil Soupape Hydraulique 1
30 77097 Fitting, hyd, elbow Fitting hyd, E90 Douille hyd, E90 2
31 56690 Fitting, hyd, str Armatur, hydraulik, gerade Raccord, hydraulique, droit 3
32 47504 Fitting, hyd, elbow Fitting hyd, E90 Douille hyd, E90 1
33 375666 £Plate, cover Platte Plaque, Plateau 1
34 80395 ©Sleeve, 0.50d 0.32b 0.65l Ss Buchse Manchon 1
35 76570 ©Screw, Hex, M08 X 1.25 Schraube, Sechskant Vis, Hexagonal 1
36 32492 ©Washer, Flt, .38 Std Unterlegscheibe, Flach, .38
Standard Rondelle, Plat, .38 Standard 1
37 07791 ©Nut, Hex, Flng, M08 X 1.25 Mutter, Sechskant, , M08 X
1.25 Ecrou, Hexagonal, , M08 X
1.25 1
38 41342 ©Screw, Hex, M08 X 1.25 X
40, 8.8 Schraube, Sechskant, M08 X
1.25 X 40, 8 Vis, Hexagonal, M08 X 1.25 X
40, 8.8 1
39 33924 ©Washer, Flat, M10 Unterlegscheibe, Flach, M10 Rondelle, Plat, M10 1
40 09028 ©Screw, Hex, M10 Schraube, Sechskant, M10 X
1.5 X 25, E Vis, Hexagonal, 1
41 32715 ©Nut, Hex, Lock Mutter, Sechskant Ecrou, Hexagonal, 1
¡Serial number Seriennummer Numéro De Serie (004000-- xxxxxx )
©Serial number Seriennummer Numéro De Serie ( xxxxxx-- )
¢Serial number Seriennummer Numéro De Serie (004000--004274 )
£Serial number Seriennummer Numéro De Serie (004275-- )
Home
Find...
Go To..
21.2 L
16.8 L

STANDARD PARTS -- STANDARDTEILEN -- PIÈCES STANDARD
800 330126 (6--01)
2-88
Fig. 44 -- Main Brush Drive Group — Kehrwalzeantrieb--Gruppe —
Groupe entraînement de la brosse principale
2
3
4
5
6
7
8
9
10
1
11
12
13 14
17
18
19
2
3
15
14
16
20
21
22
Home
Find...
Go To..

PIÈCES STANDARD -- STANDARDTEILEN -- STANDARD PARTS
2-89
800 330126 (6--01)
07569 -- ALL
Fig. 44 -- Main Brush Drive Group — Kehrwalzeantrieb--Gruppe —
Groupe entraînement de la brosse principale
Ref. Tennant
Part No. Description Bezeichnung Designation Qty/
Zahl
163436 )Shaft,wldt main brush Welle Arbre, Axe 1
2 51448 Bearing Lager Palier 2
3 51449 Flange, bearing Lager Palier, Roulement 4
4 63541 Plate, mounting, latch Befestigungsplatte Plaque de montage 1
5 54878 Latch Riegel Loquet 1
663449 Arm Arm Bras 1
7 24899 Bearing, ball Lagerkugel Bille De Roulement 1
8 30251 Shaft idler Welle leerlauf--nabe Axe pignon 1
9 55779 Plug wldt, idler Freilaufstopfen Bouton--pignon 1
10 30252 Strip, retainer Metallprofil, halterung Bande, arrêtoir 1
11 30253 Plate, seal Platte Plaque, Plateau 1
12 30255 Plug tube Stopfen Bouchon 1
13 63450 Arm Arm Bras 1
14 53434 Motor--hyd gear in 2.8 b2500 Hydraulikmotor Moteur Hydraulique 1
15 44869 Fitting, hyd, str Armatur, hydraulik, gerade Raccord, hydraulique, droit 2
16 60732 Seal foam rubber .75x1.5x3.5 Dichtung Joint 1
17 87631 Plug weld, brush drive, sweep Antriebstopfen satz Ensemble bouton d’entraîne-
ment 1
18 51564 Washer Unterlegscheibe Rondelle 1
19 64811 Bar Stab Barre 1
20 34330 Sleeve Buchse Manchon 1
21 75612 Screw, set, m12--1.75x 30,
45h Schraube Vis De Pression 1
22 55586 Fitting, hyd, str Armatur, hydraulik, gerade Raccord, hydraulique, droit 1
Home
Find...
Go To..

STANDARD PARTS -- STANDARDTEILEN -- PIÈCES STANDARD
800 330126 (6--01)
2-90
Fig. 45 -- Main Brush Lift Group — Kehrwalzehub--Gruppe — Groupe levage de la brosse principale
1
3
4
5
6
7
8
9
2
10 6
7
12
11
Home
Find...
Go To..

PIÈCES STANDARD -- STANDARDTEILEN -- STANDARD PARTS
2-91
800 330126 (6--01)
07579 -- 800
Fig. 45 -- Main Brush Lift Group — Kehrwalzehub--Gruppe — Groupe levage de la brosse principale
Ref. Tennant
Part No. Description Bezeichnung Designation Qty/
Zahl
151534 )Pin, clevis Gabelkopfbolzen Axe De Chape 1
2 70583 Rod, threaded .50--13 Stange Bielle 1
3 54096 Cylinder, hyd Zylinder, hydraulik Cylindre, hydraulique 1
4 77097 Fitting, hyd, elbow Fitting hydraulik Douille hydrauliqu 1
5 34359 Fitting, hyd, elbow Fitting hydraulik Douille hydrauliqu 1
633404 Spring, tension Feder, spannung Ressort, tension 2
7 64132 Tube, retainer, spring Rohr Tuyau, Tube, Gicleur 2
8 64233 Cable, lift, main brush Kabel, Seil Câble 1
9 65248 Bracket, brush lift Halter Support 2
10 65249 Tube, spacer, brush lift Rohr Tuyau, Tube, Gicleur 2
11 61969 ¡Switch rocker spst Schalter kniehebel einpoliger
ein--aus--schalter Interrupteur culbuteur unipol-
aire et undirectionne 1
12 57807 ¡Cover Abdeckung Couvercle 1
¡Serial number Seriennummer Numéro De Serie (004275-- )
Home
Find...
Go To..

STANDARD PARTS -- STANDARDTEILEN -- PIÈCES STANDARD
800 330126 (6--01)
2-92
Fig. 46 -- Main Brush Adjustment Group — Hauptbürsten--Einstelleinheit —
Groupe réglage de brosse principale
2
3
4
5
6
1
Home
Find...
Go To..

PIÈCES STANDARD -- STANDARDTEILEN -- STANDARD PARTS
2-93
800 330126 (6--01)
09816 -- ALL
Fig. 46 -- Main Brush Adjustment Group — Hauptbürsten--Einstelleinheit —
Groupe réglage de brosse principale
Ref. Tennant
Part No. Description Bezeichnung Designation Qty/
Zahl
177578 )Rod, thread Stab, gewinde Bielle, fil 1
2 77605 Knob, plastic Knopf Bouton 1
3 51693 Spring, compression Feder, kompression Ressort, compression 1
4 77580 Plate, adj, brush Platte Plaque, Plateau 1
5 79028 Seal, rod, adjuster Dichtung Joint 1
611716 Fitting, grease Schmiernippel, gerade Graisseur droit 1
Home
Find...
Go To..

STANDARD PARTS -- STANDARDTEILEN -- PIÈCES STANDARD
800 330126 (6--01)
2-94
Fig. 47 -- Vacuum Fan Group — Vakuumgebläse--Gruppe — Groupe extracteur
2
3
4
5
6
7
8
9
10
1
11
12
13
14
10
10
7
9
8
13
10
19
17
18
16
15
18
20
Home
Find...
Go To..

PIÈCES STANDARD -- STANDARDTEILEN -- STANDARD PARTS
2-95
800 330126 (6--01)
07590 -- ALL
Fig. 47 -- Vacuum Fan Group — Vakuumgebläse--Gruppe — Groupe extracteur
Ref. Tennant
Part No. Description Bezeichnung Designation Qty/
Zahl
177531 )Housing, fan, vacuum Gehäuse Boitier, Carter 1
2 75456 Shim Füllstück Cale de réglage 1
2 75456--1 Shim Füllstück Cale de réglage 1
2 75456--2 Shim Füllstück Cale de réglage 1
2 75456--3 Shim Füllstück Cale de réglage 3
275456--4 Shim Füllstück Cale de réglage 3
3 03922 Impeller 9.5 dia. 18 blade mac Flügelrad Turbine 1
4 41130 Nut, low crown, .50--20 Mutte Écrou 1
5 58114 Kit, repair, fan Reparatursatz, Lüfter Trousse De Réparation, Venti-
lateur 1
6 77532 Housing, fan, vacuum Gehäuse Boitier, Carter 1
764621 Bushing, isolator Büchse Bague 2
8 64618 Ring, isolator, outer rbr Ring Anneau, Joint 2
9 64299 Spacer Distanzstück Entretoise 2
10 58228 Plate, spring -- side brush Platte Plaque, Plateau 4
11 70825 Bracket Bügel Support 1
12 79122 Gasket Dichtungen Joint 1
13 73685 Clamp, wormdrive Klemme, schneckeantrieb Attache, transmission à vis
sans fin 2
14 73646 Hose Schlauch Tuyau 1
15 73650 Insulation, acoustic, fan Schalldämpfungsi Mousse Isolation acoustique 1
16 77553 Plate, vac fan Platte Plaque, Plateau 1
17 40870--8 Hose, vacuum, with cuff Vakuumschlauch Tuyau 1
18 23498 Clamp, wormdrive Klemme, schneckeantrieb Attache, transmission à vis
sans fin 2
19 31504 Shim Füllstück Cale de réglage 1
20 375721 Bracket, Angle Bügel, Profil Support, Angle 1
Home
Find...
Go To..

STANDARD PARTS -- STANDARDTEILEN -- PIÈCES STANDARD
800 330126 (6--01)
2-96
Fig. 48 -- Vacuum Fan Motor Group — Vakuumgebläse--Motor--Gruppe — Groupe moteur de
l’extracteur
1
2
3
4
5
6
7
8
9
10
11
12
14
15
13
16 17
Home
Find...
Go To..

PIÈCES STANDARD -- STANDARDTEILEN -- STANDARD PARTS
2-97
800 330126 (6--02)
07607 -- 800
Fig. 48 -- Vacuum Fan Motor Group — Vakuumgebläse--Motor--Gruppe — Groupe moteur de l’extracteur
Ref. Tennant
Part No. Description Bezeichnung Designation Qty/
Zahl
154275A )Bracket, mtg Bügel, montage Support, montage 1
2 54274 Isolator, vibration Isolator, vibration Silentbloc, vibration 4
3 19117 Motor--hyd gear ex .16 l 2300 Hydraulikmotor Moteur Hydraulique 1
4 77097 Fitting, hyd, elbow Fitting hydraulik Douille hydrauliqu 1
5 56692 Fitting, hyd, str Armatur, hydraulik, gerade Raccord, hydraulique, droit 1
656821 Fitting, hyd, elbow Fitting hydraulik Douille hydrauliqu 1
7 44869 Fitting, hyd, str Armatur, hydraulik, gerade Raccord, hydraulique, droit 1
8 42226 Fitting, hyd, elbow Fitting hydraulik Douille hydrauliqu 1
9 70775 Bracket, Valve Montage--Bügel Bride de fixation 1
10 05611 Isolator, vibration Isolator, vibration Silentbloc, vibration 1
11 70810 Insulation , acoustic, vac fan Schalldämpfungsi Mousse Isolation acoustique 1
12 70790 Plate, retainer Schild, halterung Plaque signalétique, arrêtoir 1
13 84015 Valve, hyd control sol Hydraulikventil Soupape Hydraulique 1
14 02713 Thermostat assy 155 deg Thermostat Thermostat 1
15 82733 Gasket Dichtungen Joint 1
16 54862 Screw, Flt, .38--16 X 1.75, Al Imbussenkschraube, 3/8
Uncx1”3/4 C Vis Six Pans A Bague
Soudee, 3/8 Uncx1”3 4
17 39534 Screw, Flt Schraube, Flach Vis, Plat 4
Home
Find...
Go To..

STANDARD PARTS -- STANDARDTEILEN -- PIÈCES STANDARD
800 330126 (6--01)
2-98
Fig. 49 -- Steering Wheel Group — Lenkrad--Gruppe — Groupe volant de direction
2
3
4
7
1
17
6
15
16
18
9
5
10
8
11
12
14
13
12
20
19
Home
Find...
Go To..

PIÈCES STANDARD -- STANDARDTEILEN -- STANDARD PARTS
2-99
800 330126 (6--01)
07609 -- ALL
Fig. 49 -- Steering Wheel Group — Lenkrad--Gruppe — Groupe volant de direction
Ref. Tennant
Part No. Description Bezeichnung Designation Qty/
Zahl
164651 )Rod, latch, steering, tilt Stange Bielle 1
2 70717 Ring, retaining Ring, halterungs-- Bague, retenue 1
3 22290 Spring, compression Feder, kompression Ressort, compression 1
4 64655 Channel, mtg, steering latch Kanal, Führung Canal 1
5 70709 Bearing, flange Lager Palier, Roulement 2
647585 Bearing, flange Lager Palier, Roulement 3
7 04706 Handle Handgriff Poignée 1
8 64586 Bracket Bügel Support 1
o
9 64631 Column, steering Säule, lenkung Montant, direction 1
Y74142 Boot Schutzmanschette Coiffe 1
10 21195 Screw, Hex, .38--16 x 0.75, al Schraube Vis, hexagonal 2
11 65242 Steer control hyd#4 04.5 1300 Lenk ventil Soupape De Direction 1
12 56690 Fitting, hyd, str Armatur, hydraulik, gerade Raccord, hydraulique, droit 5
13 44078 Switch, pushmom, spst100a
12v Schalter Interrupteur 1
14 49263 Tie cable 3.00d max 3.34lg Spannstrebe Serre--cable 3
15 56398 Wheel steering 14diax36 Lenkrad Volant (De Direction) 1
16 70623 Plate, mount, steering boot Platte Plaque, Plateau 1
17 75968 Seal, bearing Dichtung Joint 1
18 70622 Seal, boot, steering column Dichtung Joint 1
19 56185 Nut, hex, jam, m20 x 1.5 x 4 Sechskantmutter Écrou Hexagonal 1
20 72970 Rivet, plstc Niete, kunststoff Rivet, plastique 4
Home
Find...
Go To..

STANDARD PARTS -- STANDARDTEILEN -- PIÈCES STANDARD
800 330126 (6--02)
2-100
Fig. 50 -- Instrument Panel Assembly — Armaturenbrett--Gruppe — Assemblage tableau de bord
2
3
4
5
6
7
8
9
10
1
11
12
17
14
1
15
19
16
18 13
11
20
Home
Find...
Go To..

PIÈCES STANDARD -- STANDARDTEILEN -- STANDARD PARTS
2-101
800 330126 (6--02)
09907 -- G, LP
Fig. 50 -- Instrument Panel Assembly — Armaturenbrett--Gruppe — Assemblage tableau de bord
Ref. Tennant
Part No. Description Bezeichnung Designation Qty/
Zahl
o
59970 )Kit, replmt, panel Armarurenbrett satz Tableau de bord 1
Y1 59976 Kit, replmt, housing, instrm Gehäuse satz Ens. Boitier 1
Y2 59977 Kit, replmt, seal Dichtungssatz Jeu d’etancher 1
Yo3 59974 Kit, replmt, circuitboard Schaltbrett satz Tableau--distribution 1
YY 4 59978 Kit, replmt, hourmeter Stundenzähler Compteur--horaire 1
Y559979 Touch panel replmt kit f/56300 Kontaktbrett satz Panneau--toucher 1
Y6 59971 Kit, replmt, lamp, f/59972 Lampe satz Jeu d’lampe 2
Y7 56346 Kit, replmt, lamp, f/56330 Lampe satz Jeu d’lampe 1
8 10632--5 Grommet, rubber Seilring Virole 4
9 61969 ¡Switch, rocker dpdt Schalter, kniehebel zweipolig-
er umschalter Interrupteur, culbuteur bipol-
aire et bidirectionne 1
10 57807 ¡Cover Abdeckung Couvercle 1
o
11 87536 Switch ignition Schalter zündung Interrupteur allumage 1
Y12 87866 Key, switch, set of two Keil Clavette 1
13 382516 Boot,Switch Schutzmanschette, Schalter Coiffe, Interrupteur 1
14 79648 Seal, handle, valve Dichtung Joint 1
15 64141 Light assy panl/red 14v--levl Licht Phare 1
16 07641 ¢Boot,Switch Schutzmanschette, Schalter Coiffe, Interrupteur 1
17 65245 ©Panel, cover, dash Blech, Tabel Tableau 1
18 56992 ©Plugbutton Kerzen--Knopf Bouchon 1
19 65245 ¡Panel, cover, dash Blech, Tabel Tableau 1
20 73736 Washer, 1.15b 1.75d .08, Stl Scheibe Rondelle 1
¡Serial number Seriennummer Numéro De Serie (004000--004274 )
©Serial number Seriennummer Numéro De Serie (004275-- )
¢Serial number Seriennummer Numéro De Serie (004322-- )
Home
Find...
Go To..

STANDARD PARTS -- STANDARDTEILEN -- PIÈCES STANDARD
800 330126 (6--01)
2-102
Fig. 51 -- Circuit Breaker and Relay Group — Schutzschalter-- und Relais--Gruppe —
Groupe coupe--circuit et relais
1
3
4
5
6
7
8
46
2
1
1
See Carburator Group
9
Home
Find...
Go To..

PIÈCES STANDARD -- STANDARDTEILEN -- STANDARD PARTS
2-103
800 330126 (6--01)
07735 -- G, LP
Fig. 51 -- Circuit Breaker and Relay Group — Schutzschalter-- und Relais--Gruppe —
Groupe coupe--circuit et relais
Ref. Tennant
Part No. Description Bezeichnung Designation Qty/
Zahl
156186 )Relay, shrouded, 12 vdc Relais Relais 8
2 70398 Plate mtg relay Befestigungsplatte Plaque de montage 1
3 70402 Cover, panel Deckel Couvercle 1
4 57803 Circuitbreaker Schutzschalter Coupe--circuit 5
5 87583 Circuitbreaker Schutzschalter Coupe--circuit 1
657751 Boot kasten Capuchon 6
7 57167 Plugbtn .62h .03--.12 blacknyl Kerzen--Knopf Bouchon 3
8 70411 Plate, circuit breaker Platte Plaque, Plateau 1
9 76888 Button, Plug Kerzen--Knopf Bouchon 1
Home
Find...
Go To..

STANDARD PARTS -- STANDARDTEILEN -- PIÈCES STANDARD
800 330126 (6--01)
2-104
Fig. 52 -- Electrical Schematic — Elektroschaltbild — Schèma Électrique
10502 -- G, LP
13AC/BLK
C
A
72/ORA
73//WHTTAN/WHT
TAN/ORA
ALTERNATOR
LIGHT 2
TO EIP
2
1
RED/GRN
G
SPARK
PLUGS
18B/ORA
18S/ORA
18T/ORA
TO EIP
15A/BLU
H
13AB/BLK14/YEL SV--14
FUEL PUMP
87A
3087
FUEL
PUMP
RELAY
TO EIP
6/GRN
18R/ORA
TAN/ORA
A
N/U
N/U
18D/ORA
BLK
TAN/WHT
IGNITION
COIL
MODULE
GRY/RED
GRY/RED
YEL/BLK
9
10
11
1
7
12
2
3
4
6
8
ELECTRONIC
SPARK
CONTROL
CRANK
POSITION
SENSOR
ELECTRONIC
COOLANT
TEMPERATURE
SENSOR
ELECTRONIC
GOVERNOR
CONTROL
BOX
B
A
D
C
H
F
E
5
1H/RED
17/ORA
10/GRY
IGNITION SWITCH
S--10
( X INDICATES A
CLOSED CONTACT )
M12
85 86
START
STARTRUN
OFF
PREHEAT
X
XXX
XX
X
IGN.
19
30
BATT.
50
17
N/U
20/BLU
RUN/
ACC
18J/ORA18H/ORA
NEUTRAL START
SWITCH OPTION
10C/GRY 12A/BRN 12/BRN M1 STARTER RELAY COIL
S--3
G
F
13DDD/BLK 13X/BLK
13EEE/BLK
13III/BLK
30B/GRY
L.H. SHAKER
R.H. SHAKER
30A/GRY
MTR
18C/ORA18/ORA
1G/RED
1D/RED
5/PUR
1/RED M1 STARTER RELAY
1A/RED OUT GND ALTERNATOR
BATTERY 13/BLK
STARTER MOTOR
13A/BLK
THROTTLE
ACTUATOR
SENSE
15A
M1
86/PUR
84/GRN
12/BRN
20A/BLU
12V
540 C.C.A.
1B/RED 2/ORA
55A MAX.
CHARGE
13E/BLK
8685 M3
86
85 13EE/BLK
CB--4
MTR
15A
B
1C/RED
1E/RED
15A
4/YEL HORN
HORN BUTTON
PB--1
11/PUR
CB--1
CB--2 87 M4 30 MTR
30/GRY
2.5A
CB--3 22/YEL 87 30
M3
GROUND
LINE
CAB
OPTION
TO ELECTRONIC
INSTRUMENT PANEL
C
E
3/BLU
UNSWITCHED POWER
23/GRY SWITCHED POWER
TO EIP
D
STARTER RELAY COIL
M2
ACC
LINE
83/BRN 85/BLU
SEPARATE
Home
Find...
Go To..

PIÈCES STANDARD -- STANDARDTEILEN -- STANDARD PARTS
2-105
800 330126 (6--01)
Fig. 52 -- Electrical Schematic — Elektroschaltbild — Schèma Électrique
10502 -- G, LP
94/YEL93A/ORA
93B/ORA
15B/BLU
15A/BLU15/BLU FROM ELECTRONIC
GOVERNOR CONTROLG
HOPPER DOOR SWITCH 2
PRESSURE
SETTING
CLOSES AT
20” H O
62D/YEL
62E/YEL
13JJ/
BLK
13II/
BLK
AIR
CONDITIONER
OPTION
HYDRAULIC
FLUID
FILTER
M2
96B/ORA
96A/ORA
30 AMP
74G/PUR
74F/PUR
74D/PUR
76/ORA
93/ORA
89/BRN89A/BRN
87/PUR
91A/GRY
91/GRY
8730
BACK--UP
LIGHT
CURB
LIGHT 13AA/BLK
1G/RED
N. O.
23G/GRY
FILTER
INDICATOR
SWITCH
FILTER
INDICATOR
LIGHT
M. BRUSH HYD.
PRESSURE SWITCH
115/ORA S--21
23F/GRY
SEPARATE
GF
13AAA/BLK13BBB/BLK13CCC/BLK
13MMM/BLK
13AAA/BLK
13BBB/BLK
13NNN/BLK
13TT/BLK76B/ORA
FLASHING
LIGHT
ROTATING
LIGHT
62C/YEL
13L/BLK13KK/BLK
13BB/BLK
L.H.
HEADLIGHT
R.H.
HEADLIGHT
62A/YEL
WARNING
LIGHT
OPTION
BACK--UP
LIGHT
OPTION
13BB/BLK
13X/BLK13DDD/BLK13FFF/BLK
39A/GRY
38A/PUR38/PUR
39/GRY
76A/ORA
62H/YEL
62B/YEL 62F/YEL
62G/YEL
13HH/BLK
23/GRY
3
13 5
4
7
12
23
22
2
15
13B/BLK
16/GRN
SEPARATE
SEPARATE
HEADLIGHT
OPTION
S--11
(L.P. ONLY)
SWITCHED POWER
UNSWITCHED POWER
S--16
1F/RED
6/GRN
D
23E/GRY
THERMO
SWITCH
FAN SW
OFF
13U/BLK
24
ON
OFF
SP3
SP2
SP1
C
E
FROM ELECTRONIC
GOVERNOR CONTROL
85/
BLU
83/
BRN
OIL
PRESSURE
SWITCH
C
S--6
N.O.
N.C.
13QQ/BLK
13NN/BLK
11
FROM
IGNITION
SWITCH
A/C CLUTCH
CAB
OPTION
13DD/BLK
CAB
ENVIRONMENTAL
FAN CONTROL
FROM
ALTERNATOR
HOPPER DIFFERENTIAL
PRESSURE SWITCH
23A/GRY
74/PUR
74B/PUR
74A/PUR
23D/GRY
23B/GRY
9/ORA
S--5
N.C.H.O.
77/GRY
WINDSHIELD
WIPER MTR
CB--8
DOME LIGHT
S--9 13SS/BLK
96/ORA
MTR
MTR
S--17
S--15
CB--5
S--14
S--13
GROUND
LINE
CHASSIS
GROUND
13GG/BLK
13FF/BLK
B
M6
M7
8730
8730
62/YEL
88/GRN
80/BLU
79/
YEL
15 AMP
BACK--UP ALARM UNIT
FLASHER
FOOT
SWITCH
S--18
YEL BLU
”P”
”L”
BLU
YEL
BRN
”X”
GRY/
BLK
GRY
BLK
GRN
RED
DIRECTIONAL
SWITCH
BRAKE
SWITCH
FLASHER
TAIL LHT L.H.
TAIL LHT R.H.
RUN LHT L.H.
RUN LHT R.H.
GROUND
LINE
FULL=90
EMPTY=0
HEADLIGHT RELAY
WARNING LIGHT
SHAKER RELAY
FAN RELAY
23C/GRY
43/BLU
M6
M7
M4
M5
85 86
85 86
85 86
13M/BLK
13T/BLK
13S/BLK13R/BLK
40/YEL
60/GRN
75/BRN
29/GRN
85 86
2/ORA
20
19
21
18
17
16
14
6
1
L.P. GND.
24A/PUR
44/GRY
42/ORA
25/
BRN
24/PUR
HOPPER
THERMAL SW.
CLOSES AT
225°F
S--4
ELECTRONIC
INSTRUMENT
PANEL
COOLANT TEMP
SENDER
N.C.
C
N.O.
FUEL SENDER SE--1
SE--2
LOW L.P. FUEL
S--2
Home
Find...
Go To..

STANDARD PARTS -- STANDARDTEILEN -- PIÈCES STANDARD
800 330126 (6--01)
2-106
Fig. 52 -- Electrical Schematic — Elektroschaltbild — Schèma Électrique
10502 -- G, LP
S--12
VAC FAN
SHUT OFF
33D/GRN
33C/GRN
13P/BLK
SV--10
SV--9 13I/BLK
M. BRUSH
LIFT
M11
13KKK/BLK
33B/GRN
33A/GRN
26B/PUR
26A/PUR
L.H. SIDE
BRUSH LIFT
MOV
R.H. SIDE
BRUSH LIFT
MOV
35/YEL
26/PUR
8586
8730
13VV/BLK
SV--8
NCC
S--8
L.H. SIDE BRUSH
L.H. SIDE
BRUSH
MOV
21R/ORA20B/BLU CB--7
15 AMP
19B/GRY 19A/GRY 13D/BLK
SV--3
SV--4
MOV
NCC
S--7
R.H. SIDE BRUSH
33/GRN
MOV
R.H. SIDE
BRUSH
13N/BLK
N. O.
810 ONLY
31A/GRY
19C/GRY
28/BRN
28A/BRN28B/BRN
31B/GRY
13ZZ/BLK
MAIN/FRONT
BRUSH
8730
8685
8730
8685
MTR
M
CB
PM
J
P
PB
VM
POWER RELAY
MOTOR
CIRCUIT BREAKER
PERMANENT MAGNET
JACK--FEM. SOCKET
PLUG--MALE PIN
PUSHBUTTON
VOLTMETER
HM
SV
S
ACC
GND
C
N.O.
N.C.
HOURMETER
SOLENOID VALVE
SWITCH
ACCESSORY
GROUND CHASSIS
COMMON
NORMALLY OPEN
NORMALLY CLOSED
LEGEND
FU FUSE NOV METAL OXIDE VARISTOR
13C/BLK
7/PUR
SV--1
SV--5
SV--2
SV--6
FR. BRUSH
LIFT
MOV
B
A
C
19/GRY
31/GRY
FAN
MOV
13G/BLK
8730
M5
M10
S--1
37/YEL
M8
LITTER
BRUSH
MOV
MAIN
BRUSH
MOV
21D/ORA
21C/ORA
8730
M9
13F/BLK21B/ORA
85 86
32/GRN21A/ORA
13Y/BLK
13W/BLK
13V/BLK
27/YEL21/ORA20A/BLU CB--6
15 AMP
GROUND
LINE
ACC
LINE
Home
Find...
Go To..

PIÈCES STANDARD -- STANDARDTEILEN -- STANDARD PARTS
2-107
800 330126 (6--01)
Fig. 52 -- Electrical Schematic — Elektroschaltbild — Schèma Électrique
E
K
10502 -- G, LP
J
J
K
38C/PUR
38A/PUR
38B/PUR TO RFS
CIRCUITRY
BOX
NOT
USED
FROM HOPPER
DIFFERENTIAL
PRESSURE
SWITCH #1
38B/PUR
SWITCHED
POWER
UNSWITCHED
POWER
J2--C
J2--B
J2--A
J1--A
J2--G
J2--F
J2--E
J2--D
J1--E
J1--D
J2--H
J1--C
J1--F
J1--B
P2--H
P1--F
P1--B
P2--D
P2--E
P2--F
P2--G
P1--A
P2--A
P2--B
P2--C
29/GRN23C/GRY M4
STD.
SHAKER
RELAY
85 86
VANE
MOTORS
MAX. 3.0
AMPS
2
PRESSURE
SETTING
CLOSES AT
6.5” H O
2
SHAKER
MOTORS
VOLT 13.6
HP .04
AMP 4.5
PRESSURE
SETTING
CLOSES AT
20” H O
13AQ/BLK
HOPPER DOOR SWITCH
RFS OPTION
13AL/BLK
13AJ/BLK
13AK/BLK
13AH/BLK
TO RFS
CIRCUITRY
BOX
FROM CB--4
CONTROL
POWER -- FROM
KEY SWITCH
30C/GRY
30B/GRY
102B/GRY
102A/GRY102/GRY
101B/ORA
101A/ORA101/ORA
11G/PUR
107/BRN
108/GRN
11F/PUR
11E/PUR
MTR
RH SHAKER
MOTOR
11C/PUR
MTR
LH SHAKER
MOTOR
11B/PUR
13AS/BLK
13AR/BLK
M20
M19
R.H. SHAKER
MOTOR OVERRIDE
L.H. SHAKER
MOTOR OVERRIDE
LH SHAKER
RFS CONTROL
RH SHAKER
RFS CONTROL
8685
8685
CURB LIGHT
L.H. HEADLIGHT
R.H. HEADLIGHT
M20
M19
RH SHAKER
MOTOR OVERRIDE
LH SHAKER
MOTOR OVERRIDE
RH SHAKER
RFS CONTROL
LH SHAKER
RFS CONTROL
30
30
87
87
UNSWITCHED
POWER
IGNITION
SWITCH
S--10
ELECTRONIC
INSTRUMENT
PANEL
(RFS OPTION)
FOR STANDARD
EIP WIRING
11/PUR
S--22
18H/ORA
20A/BLU
H
H
18/ORA18P/ORA
18Q/ORA
SEPARATE
13AG/BLK11A/PUR11B/PUR 30A/GRY30/GRY
30
M4
87
CB--2
15A
1D/RED
M18
M17
13AT/BLK13AU/BLK 13X/BLK
13AQ/BLK
13AP/BLK
13AM/BLK
13AN/BLK
62F/YEL
62H/YEL
62G/YEL
IGN.
ACC 18C/ORA
START
15A
19
30
BATT.
50
17
20/BLU 8685 M3
CB--4
TO EIP
6/GRN
13BB/BLK
62A/YEL
62B/YEL74B/PUR
M6 8730 62/YEL
87
87
30
30
106/BRN
105/YEL
104/BLU
103/GRN
13AE/BLK
13AF/BLK
18Q/ORA
13AD/BLK
M18
M17
85 86
8685
HOPPER DIFFERENTIAL
PRESSURE SWITCH #1
RH VANE
ACTUATOR MOTOR
LH VANE
ACTUATOR MOTOR
MTR POSITIVE
HERE = CLOSE
POSITIVE
HERE = CLOSE
HOPPER DIFFERENTIAL
PRESSURE SWITCH #2
MTR
N.C.
C
N.O.
NOT
USED
NOT
USED
GRY
WHT
RED
ORA
BRN
YEL
BLU
BLK
GRN
TAN
PUR
PNK
RFS
CIRCUITRY
BOX
39A/GRY
38/PUR
39/GRY
3
13 5
4
7
12
23
22
2
15
24
11 S--13
GROUND
LINE
20
19
21
18
17
16
14
6
1
S--4
N.C.
C
N.O.
Home
Find...
Go To..

STANDARD PARTS -- STANDARDTEILEN -- PIÈCES STANDARD
800 330126 (6--01)
2-108
Fig. 53 -- Wire Harnesses Group — Kabelstrang--Gruppe — Groupe faisceau de fils
(004000--004274)
1
Main Wire Harness
Home
Find...
Go To..

PIÈCES STANDARD -- STANDARDTEILEN -- STANDARD PARTS
2-109
800 330126 (6--01)
Fig. 53 -- Wire Harnesses Group — Kabelstrang--Gruppe — Groupe faisceau de fils
(004000--004274)
1
Main Wire Harness
Home
Find...
Go To..

STANDARD PARTS -- STANDARDTEILEN -- PIÈCES STANDARD
800 330126 (6--01)
2-110
Fig. 53 -- Wire Harnesses Group — Kabelstrang--Gruppe — Groupe faisceau de fils
(004000--004274)
1
Main Wire Harness
Home
Find...
Go To..

PIÈCES STANDARD -- STANDARDTEILEN -- STANDARD PARTS
2-111
800 330126 (6--01)
Fig. 53 -- Wire Harnesses Group — Kabelstrang--Gruppe — Groupe faisceau de fils
(004000--004274)
Hopper Wire Harness
2
Home
Find...
Go To..

STANDARD PARTS -- STANDARDTEILEN -- PIÈCES STANDARD
800 330126 (6--01)
2-112
Fig. 53 -- Wire Harnesses Group — Kabelstrang--Gruppe — Groupe faisceau de fils
(004000--004274)
Tail Light Wire Harness
3
Home
Find...
Go To..

PIÈCES STANDARD -- STANDARDTEILEN -- STANDARD PARTS
2-113
800 330126 (6--01)
351147, 351144, 351145 -- G, LP
Fig. 53 -- Wire Harnesses Group — Kabelstrang--Gruppe — Groupe faisceau de fils
(004000--004274)
Ref. Tennant
Part No. Description Bezeichnung Designation Qty/
Zahl
183693 ¡)Harness, main Kabelbaum, haupt-- Faisceau de fils, principal 1
2 83695 ¡Harness, Hopper Kabelstrang Faisceau De Fils 1
3 70400 ¡Harness, light Kabelbaum, licht Faisceau de fils, léger 1
¡Serial number Seriennummer Numéro De Serie (004000--004274 )
Home
Find...
Go To..

STANDARD PARTS -- STANDARDTEILEN -- PIÈCES STANDARD
800 330126 (6--01)
2-114
Fig. 54 -- Wire Harnesses Group — Kabelstrang--Gruppe — Groupe faisceau de fils
(004275-- )
1
Main Wire Harness
Home
Find...
Go To..

PIÈCES STANDARD -- STANDARDTEILEN -- STANDARD PARTS
2-115
800 330126 (6--01)
Fig. 54 -- Wire Harnesses Group — Kabelstrang--Gruppe — Groupe faisceau de fils
(004275-- )
1
Main Wire Harness
Home
Find...
Go To..

STANDARD PARTS -- STANDARDTEILEN -- PIÈCES STANDARD
800 330126 (6--01)
2-116
Fig. 54 -- Wire Harnesses Group — Kabelstrang--Gruppe — Groupe faisceau de fils
(004275-- )
1
Main Wire Harness
Home
Find...
Go To..

PIÈCES STANDARD -- STANDARDTEILEN -- STANDARD PARTS
2-117
800 330126 (6--01)
Fig. 54 -- Wire Harnesses Group — Kabelstrang--Gruppe — Groupe faisceau de fils
(004275-- )
Hopper Wire Harness
2
Home
Find...
Go To..

STANDARD PARTS -- STANDARDTEILEN -- PIÈCES STANDARD
800 330126 (6--01)
2-118
Fig. 54 -- Wire Harnesses Group — Kabelstrang--Gruppe — Groupe faisceau de fils
(004275-- )
Tail Light Wire Harness
3
Home
Find...
Go To..

PIÈCES STANDARD -- STANDARDTEILEN -- STANDARD PARTS
2-119
800 330126 (6--02)
351147, 351144, 351145 -- G, LP
Fig. 54 -- Wire Harnesses Group — Kabelstrang--Gruppe — Groupe faisceau de fils
(004275-- )
Ref. Tennant
Part No. Description Bezeichnung Designation Qty/
Zahl
1398315 ¡)Harness, main Kabelbaum, haupt-- Faisceau de fils, principal 1
2 83695 ¡Harness, Hopper Kabelstrang Faisceau De Fils 1
3 70400 ¡Harness, light Kabelbaum, licht Faisceau de fils, léger 1
¡Serial number Seriennummer Numéro De Serie (004275-- )
Home
Find...
Go To..

STANDARD PARTS -- STANDARDTEILEN -- PIÈCES STANDARD
800 330126 (6--01)
2-120
Fig. 55 -- Label Group — Aufkleber--Gruppe — Groupe autocollants
2
3
1
08774 -- 800, CE
Ref. Tennant
Part No. Description Bezeichnung Designation Qty/
Zahl
166188 )Label set, info & haz 355 Aufklebersatz Autocollants 1
2 75347 Label set, operational 800l ec Aufkleber stellen, 800länge
eg
Autocollant jeu, 800de long
ce
1
3 70536 Label, numerals 800 Aufkleber, ordnungszahlen
800
Autocollant, numéros 800 2
375550 Tape, Warning 15ft Rhz Warnung Avertissement 1
375551 Tape, Warning 15ft Lhz Warnung Avertissement 1
Home
Find...
Go To..

PIÈCES OPTIONS -- ZUBEHÖR -- OPTIONS
3-1
800 330126 (6--02)
SECTION
ABSCHNITT
CHAPITRE
CONTENTS
INHALTSVERZEICHNIS PAGE/
TABLE DES MATIERES SEITE
Fig. 1 -- Flashing Light Kit, Overhead Guard
Blinklicht--Satz, Überkopf--Schutz
Jeu de pièces gyrophare, protège--conducteur 3-4..............................................
Fig. 2 -- Flashing Light Kit, Cab
Blinklicht--Satz, Fahrerhaus
Jeu de pièces gyrophare, Cabine 3-6.........................................................
Fig. 3 -- Revolving Light Kit, Overhead Guard
Blinklicht--Satz, Überkopf Schutz
Jeu de pièces gyrophare, protège--conducteur 3-8..............................................
Fig. 4 -- Revolving Light Kit, Cab
Blinklicht--Satz, Fahrerhaus
Jeu de pièces gyrophare, Cabine 3-10........................................................
Fig. 5 -- Flashing Light Kit, Low
Blinklicht--Satz LRC
Jeu de pièces gyrophare, côtés droit et gauche 3-12............................................
Fig. 6 -- Revolving Light Kit, Low
Blinklicht--Satz, LRC
Jeu de pièces gyrophare, côtés droit et gauche 3-14............................................
Fig. 7 -- Back--Up Alarm Kit
Rückfahr--Alarm--Satz
Jeudepiècesalarmedesécurité 3-16........................................................
Fig. 8 -- Turn Signal Kit
Blinklicht Satz
Jeu de pièces de clignotant 3-18.............................................................
Fig. 9 -- Overhead Guard Kit
Überkopf--Schutz--Satz
Jeu de pièces protège--conducteur 3-20.......................................................
Fig. 10 -- Hopper Floor Kit
Behälterboden--Satz
Groupe fond de bac à déchets 3-22..........................................................
Fig. 11 -- Bumper Assembly, SE
Stoßstangen--Baugruppe, SE
Assembllage pare--chocs, SE 3-23...........................................................
Fig. 12 -- Side Brush Lift Group, L.H.
Seitenbürsten--Hebe--Gruppe, Links
Groupe levage de la brosse latérale, À Gauche 3-24............................................
Fig. 13 -- Side Brush Group, L.H.
Seitenbürsten--Gruppe, Links
Groupe brosse latérale, À Gauche 3-26.......................................................
Fig. 14 -- Side Brush Electrical Group, Lh
Seitenbürsten--Elektrik--Gruppe, Links
Groupe composants électriques brosse latérale, À Gauche 3-28.................................
Fig. 15 -- Side Brush Hydraulic Hose Group, Lh
Geitenbürsten--Hydraulikschlauch--Gruppe, Links
Groupe tuyaux hydrauliques de la brosse latérale, À Gauche 3-29................................
Fig. 16 -- Side Brush Light Kit
Seitenbürsten--Leuchten--Satz
Jeu de pièces feu de la brosse latérale 3-30...................................................
Fig. 17 -- Cab Kit
Fahrerhaus Satz
Jeu de pièces Cabine 3-32..................................................................
Fig. 18 -- Mirror Kit
Rückspiegel--Satz
Jeu de pièces Rétroviseur 3-34..............................................................
3
Home
Find...
Go To..

OPTIONS -- ZUBEHÖR -- PIÈCES OPTIONS
800 330126 (6--02)
3-2
CONTENTS
INHALTSVERZEICHNIS PAGE/
TABLE DES MATIERES SEITE
Fig. 19 -- Air Conditioning and Heater Group
Luftkonditionierungs-- und Heizungseinheit
Groupe climatisation et radiateur 3-36........................................................
Fig. 20 -- Air Conditioning Compressor Group
Luftkonditionierungs--Kompressoreinheit
Groupe compresseur de climatisation 3-38....................................................
Fig. 21 -- Air Conditioning and Heater Electrical Group
Luftkonditionierungs-- und Heizungselektronik
Groupe électique de climatisation et radiateur 3-39.............................................
Fig. 22 -- Heater Group
Heizungseinheit
Groupe radiateur 3-40......................................................................
Fig. 23 -- Heater Electrical Group
Heizungselektronik
Groupe électique radiateur 3-42..............................................................
Fig. 24 -- Alternator Group, SE
Lichtmaschinen--Gruppe, SE
Groupe alternateur, SE 3-44.................................................................
Fig. 25 -- Vacuum Wand Kit
Handsauger--Satz
Jeu de pièces manche d’aspiration 3-46......................................................
Fig. 26 -- Side Brush Dust Control Kit
Seitenbürsten--Staubschutz--Satz
Jeudepiècesaspirationdelabrosselatérale 3-48.............................................
Fig. 27 -- Solid Tire and Rim Assembly
Vollgummireifen-- und Felgen--Satz
Ensemble roue pleine et jante 3-50...........................................................
Fig. 28 -- Protectoseal Fuel Tank Cap Group
Protectoseal--Kraftstofftankverschluß--Gruppe
Groupe couvercle du réservoir de carburant à joint protecto 3-51.................................
Fig. 29 -- Seat Belt Kit
Sitzgurt--Satz
Jeu de pièces ceinture de sécurité 3-52.......................................................
Fig. 30 -- Neutral Start Group
Leerlauf--Start--Einheit
Groupe démarrage au point mort 3-53........................................................
Fig. 31 -- RFS Filter System Group
Regenerativfilter--Systemeinheit
Groupe systéme de filtre régénératif 3-54.....................................................
Fig. 32 -- Air Conditioning Drain Hose Kit
Klimaanlage--Ablassschlauch--Satz
Lot tuyau de drainage du climatiseur 3-56.....................................................
Fig. 33 -- Documentation Group
Dokumentations--Gruppe
Groupe documentation 3-58.................................................................
Home
Find...
Go To..

PIÈCES OPTIONS -- ZUBEHÖR -- OPTIONS
3-3
800 330126 (6--01)
Home
Find...
Go To..

OPTIONS -- ZUBEHÖR -- PIÈCES OPTIONS
800 330126 (6--01)
3-4
Fig. 1 -- Flashing Light Kit, Overhead Guard — Blinklicht--Satz, Überkopf--Schutz —
Jeu de pièces gyrophare, protège--conducteur
2
3
4
5
6
7
8
9
10
1
11
Home
Find...
Go To..

PIÈCES OPTIONS -- ZUBEHÖR -- OPTIONS
3-5
800 330126 (6--01)
07654 -- ALL
Fig. 1 -- Flashing Light Kit,
Overhead Guard
— Blinklicht--Satz, Überkopf--Schutz —
Jeu de pièces gyrophare, protège--conducteur
Ref. Tennant
Part No. Description Bezeichnung Designation Qty/
Zahl
o
73755 )Kit, light, 800/810 Satz, licht, 800/810 Jeu de pièces, léger, 800/810 1
Yo1 82063 Light, flashing, amber, 12v--re Blinklicht Gyrophare 1
YY 58520 Lens,flashing lite fr207 amber Linse, Orange Lentille, Ambre 1
YY 45779 Lamp Lampe Lampe 1
Y2 73899 Bracket Bügel Support 1
Y373898 Panel Platte Panneau 1
Y4 10632--20 Grommet, rubber Seilring Virole 2
Y5 74000 Harness, light Kabelbaum, licht Faisceau de fils, léger 1
Y6 86331 Duct, vinyl Kanal, vinyl Conduit, vinyle 1
Y7 10632--4 Grommet, rubber Seilring Virole 1
Y845272 Guard, lamp Schutz Protecteur 1
Y9 55248 Mount, cable tie Kabelhalter Appui lien cable 6
Y10 49266 Tie, cable 1.75d max 7.50lg Spannstrebe Serre--cable 6
Y11 56186 Relay, shrouded, 12 vdc Relais Relais 1
58518 Lens,flashing lite fr207 red Linse, rot Lentille, Rouge 1
58519 Lens,flashing lite fr207 blue Linse, Blau Lentille, Bleu 1
Home
Find...
Go To..

OPTIONS -- ZUBEHÖR -- PIÈCES OPTIONS
800 330126 (6--01)
3-6
Fig. 2 -- Flashing Light Kit, Cab — Blinklicht--Satz,
Fahrerhaus
—
Jeu de pièces gyrophare, Cabine
2
3
4
5
6
7
9
10
1
11
8
Home
Find...
Go To..

PIÈCES OPTIONS -- ZUBEHÖR -- OPTIONS
3-7
800 330126 (6--01)
07658 -- ALL
Fig. 2 --
Flashing Light Kit, Cab — Blinklicht--Satz,
Fahrerhaus
—
Jeu de pièces gyrophare, Cabine
Ref. Tennant
Part No. Description Bezeichnung Designation Qty/
Zahl
o
73751 )Kit, light, 800/810 Satz, licht, 800/810 Jeu de pièces, léger, 800/810 1
Yo1 82063 Light, flashing, amber, 12v--re Blinklicht Gyrophare 1
YY 58520 Lens,flashing lite fr207 amber Linse, Orange Lentille, Ambre 1
YY 45779 Lamp Lampe Lampe 1
Y2 73899 Bracket Bügel Support 1
Y373898 Panel Platte Panneau 1
Y4 10632--20 Grommet, rubber Seilring Virole 2
Y5 74000 Harness, light Kabelbaum, licht Faisceau de fils, léger 1
Y6 86331 Duct, vinyl Kanal, vinyl Conduit, vinyle 1
Y7 45272 Guard, lamp Schutz Protecteur 1
Y829233 Bumper, Rubber Stoßstange gummi Pare--chocs caoutchouc 1
Y9 56186 Relay, shrouded, 12 vdc Relais Relais 1
Y10 55248 Mount, cable tie Kabelhalter Appui lien cable 6
Y11 49266 Tie, cable 1.75d max 7.50lg Spannstrebe Serre--cable 6
58518 Lens,flashing lite fr207 red Linse, rot Lentille, Rouge 1
58519 Lens,flashing lite fr207 blue Linse, Blau Lentille, Bleu 1
Home
Find...
Go To..

OPTIONS -- ZUBEHÖR -- PIÈCES OPTIONS
800 330126 (6--01)
3-8
Fig. 3 -- Revolving Light Kit, Overhead Guard — Blinklicht--Satz, Überkopf Schutz —
Jeu de pièces gyrophare, protège--conducteur
2
3
4
5
6
8
9
10
1
11
7
Home
Find...
Go To..

PIÈCES OPTIONS -- ZUBEHÖR -- OPTIONS
3-9
800 330126 (6--01)
07656 -- ALL
Fig. 3 -- Revolving Light Kit, Overhead Guard — Blinklicht--Satz, Überkopf Schutz —
Jeu de pièces gyrophare, protège--conducteur
Ref. Tennant
Part No. Description Bezeichnung Designation Qty/
Zahl
o
73757 )Kit, light, 800/810 Satz, licht, 800/810 Jeu de pièces, léger, 800/810 1
Yo1 82200 Light,rev.amber 12v Warndrehlicht Clignotant 1
YY 44681--1 Lens,rev.light,amber Linse, Orange Lentille, Ambre 1
YY 45779 Lamp Lampe Lampe 1
Y2 73899 Bracket Bügel Support 1
Y373898 Panel Platte Panneau 1
Y4 10632--20 Grommet, rubber Seilring Virole 2
Y5 74000 Harness, light Kabelbaum, licht Faisceau de fils, léger 1
Y6 86331 Duct, vinyl Kanal, vinyl Conduit, vinyle 1
Y7 10632--4 Grommet, rubber Seilring Virole 1
Y845272 Guard, lamp Schutz Protecteur 1
Y9 55248 Mount, cable tie Kabelhalter Appui lien cable 6
Y10 49266 Tie, cable 1.75d max 7.50lg Spannstrebe Serre--cable 6
Y11 56186 Relay, shrouded, 12 vdc Relais Relais 1
44681 Lens,rev.light,red Linse, rot Lentille, Rouge 1
44681--2 Lens,rev.light,blue Linse, Blau Lentille, Bleu 1
Home
Find...
Go To..

OPTIONS -- ZUBEHÖR -- PIÈCES OPTIONS
800 330126 (6--01)
3-10
Fig. 4 -- Revolving Light Kit, Cab — Blinklicht--Satz,
Fahrerhaus
—
Jeu de pièces gyrophare,
Cabine
2
3
4
5
6
8
9
10
1
11
7
Home
Find...
Go To..

PIÈCES OPTIONS -- ZUBEHÖR -- OPTIONS
3-11
800 330126 (6--01)
07660 -- ALL
Fig. 4 --
Revolving Light Kit, Cab — Blinklicht--Satz,
Fahrerhaus
—
Jeu de pièces gyrophare,
Cabine
Ref. Tennant
Part No. Description Bezeichnung Designation Qty/
Zahl
o
73753 )Kit, light, 800/810 Satz, licht, 800/810 Jeu de pièces, léger, 800/810 1
Yo1 82200 Light,rev.amber 12v Warndrehlicht Clignotant 1
YY 44681--1 Lens,rev.light,amber Linse, Orange Lentille, Ambre 1
YY 45779 Lamp Lampe Lampe 1
Y2 73899 Bracket Bügel Support 1
Y373898 Panel Platte Panneau 1
Y4 10632--20 Grommet, rubber Seilring Virole 2
Y5 74000 Harness, light Kabelbaum, licht Faisceau de fils, léger 1
Y6 86331 Duct, vinyl Kanal, vinyl Conduit, vinyle 1
Y7 45272 Guard, lamp Schutz Protecteur 1
Y829233 Bumper, Rubber Stoßstange gummi Pare--chocs caoutchouc 1
Y9 56186 Relay, shrouded, 12 vdc Relais Relais 1
Y10 55248 Mount, cable tie Kabelhalter Appui lien cable 6
Y11 49266 Tie, cable 1.75d max 7.50lg Spannstrebe Serre--cable 6
44681 Lens,rev.light,red Linse, rot Lentille, Rouge 1
44681--2 Lens,rev.light,blue Linse, Blau Lentille, Bleu 1
Home
Find...
Go To..

OPTIONS -- ZUBEHÖR -- PIÈCES OPTIONS
800 330126 (6--01)
3-12
Fig. 5 -- Flashing Light Kit, Low — Blinklicht--Satz LRC — Jeu de pièces gyrophare, côtés droit et
gauche
1
2
3
4
5
6
7
8
9
Home
Find...
Go To..

PIÈCES OPTIONS -- ZUBEHÖR -- OPTIONS
3-13
800 330126 (6--01)
351133 -- ALL
Fig. 5 -- Flashing Light Kit, Low — Blinklicht--Satz LRC — Jeu de pièces gyrophare, côtés droit et
gauche
Ref. Tennant
Part No. Description Bezeichnung Designation Qty/
Zahl
o
380643 )Kit, Light, Flsh, Low Blinklicht--Satz Jeu de pièces de clignotant 1
Y1 31954 Pedestal Postament Piédestal 1
Y210632--9 Grommet, rubber Seilring Virole 1
Y310632--12 Grommet, rubber Seilring Virole 1
Yo482063 Light, flashing, amber, 12v--re Blinklicht Gyrophare 1
YY 58520 Lens,flashing lite fr207 amber Linse, Orange Lentille, Ambre 1
YY 45779 Lamp Lampe Lampe 1
Y5 380691 Harness, Alarm, Backup Kabelstrang Faisceau De Fils 1
Y6 56186 Relay, shrouded, 12 vdc Relais Relais 1
Y7 55248 Mount, cable tie Kabelhalter Appui lien cable 2
Y849266 Tie, cable 1.75d max 7.50lg Spannstrebe Serre--cable 2
Y910632--4 Grommet Seilring Virole 1
58518 Lens,flashing lite fr207 red Linse, rot Lentille, Rouge 1
58519 Lens,flashing lite fr207 blue Linse, Blau Lentille, Bleu 1
Home
Find...
Go To..

OPTIONS -- ZUBEHÖR -- PIÈCES OPTIONS
800 330126 (6--01)
3-14
Fig. 6 -- Revolving Light Kit, Low — Blinklicht--Satz, LRC —
Jeu de pièces gyrophare, côtés droit et gauche
1
2
3
4
5
6
7
8
9
Home
Find...
Go To..

PIÈCES OPTIONS -- ZUBEHÖR -- OPTIONS
3-15
800 330126 (6--01)
351135 -- ALL
Fig. 6 -- Revolving Light Kit, Low — Blinklicht--Satz, LRC —
Jeu de pièces gyrophare, côtés droit et gauche
Ref. Tennant
Part No. Description Bezeichnung Designation Qty/
Zahl
o
380644 )Kit, Light, Revl, Low Warndrehlicht--Satz Jeu de pièces de clignotant 1
Y1 31954 Pedestal Postament Piédestal 1
Y210632--9 Grommet, rubber Seilring Virole 1
Y310632--12 Grommet, rubber Seilring Virole 1
Yo4 82200 Light,rev.amber 12v Warndrehlicht Clignotant 1
YY 44681--1 Lens,rev.light,amber Linse, Orange Lentille, Ambre 1
YY 45779 Lamp Lampe Lampe 1
Y5 380691 Harness, Alarm, Backup Kabelstrang Faisceau De Fils 1
Y6 56186 Relay, shrouded, 12 vdc Relais Relais 1
Y7 55248 Mount, cable tie Kabelhalter Appui lien cable 2
Y849266 Tie, cable 1.75d max 7.50lg Spannstrebe Serre--cable 2
Y910632--4 Grommet Seilring Virole 1
44681 Lens,rev.light,red Linse, rot Lentille, Rouge 1
44681--2 Lens,rev.light,blue Linse, Blau Lentille, Bleu 1
Home
Find...
Go To..

OPTIONS -- ZUBEHÖR -- PIÈCES OPTIONS
800 330126 (6--01)
3-16
Fig. 7 -- Back--Up Alarm Kit — Rückfahr--Alarm--Satz — Jeu de pièces alarme de sécurité
1
2
3
4
5
7
6
8
9
10
Home
Find...
Go To..

PIÈCES OPTIONS -- ZUBEHÖR -- OPTIONS
3-17
800 330126 (6--01)
351137 -- ALL
Fig. 7 -- Back--Up Alarm Kit — Rückfahr--Alarm--Satz — Jeu de pièces alarme de sécurité
Ref. Tennant
Part No. Description Bezeichnung Designation Qty/
Zahl
o
380640 )Kit, Alarm, Backup Rückfahr--Alarm--Satz Jeudepiècesalarmedesé-
curité 1
Y
o
1 382978 Light, spot 12v 32cp Licht Phare 1
YY 393770 Lamp, 12VDC 55w Lampe, Leuchte Lampe 1
Y2 61923 Horn Hupe Avertisseur 1
Y3 24576--1 Bracket Bügel Support 1
Y424576 Flasher Blinklicht--schalter Clignotant 1
Y5 59965 Switch, roller Schalter Interrupteur 1
Y6 380691 Harness, Alarm, Back--up Kabelstrang Faisceau De Fils 1
Y7 10632--4 Grommet Seilring Virole 1
Y8 55248 Mount, Tie Kabelhalter Appui lien 2
Y949266 Tie, Cable Spannstrebe Serre--cable 2
Y10 76385 Bracket, Angle Bügel, Profil Support, Angle 1
Home
Find...
Go To..

OPTIONS -- ZUBEHÖR -- PIÈCES OPTIONS
800 330126 (6--02)
3-18
Fig. 8 -- Turn Signal Kit -- Blinklicht Satz -- Jeu de pièces de clignotant
1
2
3
4
5
6
7
8
9
11
12
13
14
9
9
10
13
15
9
13
13
Home
Find...
Go To..

PIÈCES OPTIONS -- ZUBEHÖR -- OPTIONS
3-19
800 330126 (6--02)
11166 -- ALL
Fig. 8 -- Turn Signal Kit -- Blinklicht Satz -- Jeu de pièces de clignotant
Ref. Tennant
Part No. Description Bezeichnung Designation Qty/
Zahl
o
380712 )Kit, Signal, Turn Ci Lichter Vorne, Blink &
Seitenbesen Ci Eclairage Avant,
Clignotant, Brosse 1
Y1 60751 Signal Turn Blinker, Neu Clignotant Nouveau Modele 1
Y276423 Harness, Light, Road Kabelbaum, licht Faisceau de fils, léger 1
Y318342 Boot, Protector Kasten, 90grad .43d. .25d. Capuchon, 90degré .43dia
.25dia 1
Y4 11399 Clamp--Wormdrive, 0.81--
1.50D Schlauchschelle Attache Entrainement Vis
Sans Fin 1
Y524576--1 Bracket, Flasher Bracket, Flasher Bracket, Flasher 1
Y631922 Flasher Heavy Duty Blinker, 12v Clignotant, 12v 1
Y741139 Washer--Loc Int--Ext 10 Pltd Unterlegscheibe, Schloß,
Intern--Extern, Rondelle, Verrou,
Interne--Externe, #10 1
Y8 49266 Tie, Cable Kabelbinder, 20cm Serre--Cable, 20cm 4
Y
o
934848 Light Assy Mark/Yel 12V-- . A Blinkerlampensatz Lampe Ensemble Clignotant 4
YY 87948 Bulb, #194 Glühbirne Ampoule 1
Y10 41140 Washer--Loc Int--Ext .25 Pltd Washer Int/Ex 6.6x19x0.9 C Washer Int/Ex 6.6x19x0.9 C 8
Y11 06927 Screw, Pan, M04 Kugelkopfschraube, M 4x 16
D7985 4.8c Vis A Tete Cylindr., M 4x 16
D7985 4.8c 8
Y12 02850 Nut, Hex, Lock Mutter Hxlocnyln M 4 D985
CNut Hxlocnyln M 4 D985 C 8
Y13 10632--5 Grommet Rbr 0.25Id For
.09Matl Grommet Rbr .25id Grommet Rbr .25id 5
Y14 10632--8 Grommet,Rbr,0.75Id,For
.13Matl Tülle, 1.25 X 0.12 X 0.75 Virole, 1.25 X 0.12 X 0.75 1
Y15 13959 Switch Schalter Interrupteur 1
Home
Find...
Go To..

OPTIONS -- ZUBEHÖR -- PIÈCES OPTIONS
800 330126 (6--01)
3-20
Fig. 9 -- Overhead Guard Kit — Überkopf--Schutz--Satz — Jeu de pièces protège--conducteur
1
2
3
4
Home
Find...
Go To..

PIÈCES OPTIONS -- ZUBEHÖR -- OPTIONS
3-21
800 330126 (6--01)
07652 -- ALL
Fig. 9 -- Overhead Guard Kit — Überkopf--Schutz--Satz — Jeu de pièces protège--conducteur
Ref. Tennant
Part No. Description Bezeichnung Designation Qty/
Zahl
o
70669 )Kit, guard, overhead Überkopf--Schutz--Satz Jeu de pièces protège--con-
ducteur 1
Y1 65258 Guard, overhead Schutz Protecteur 1
Y2 70454 Bracket, mtg Bügel, montage Support, montage 1
Y3 74007 Insulation, foam Schalldämpfungsi Mousse Isolation acoustique 1
Y433806 Plugbutton Kerzen--Knopf Bouchon 6
Home
Find...
Go To..

OPTIONS -- ZUBEHÖR -- PIÈCES OPTIONS
800 330126 (6--01)
3-22
Fig. 10 -- Hopper Floor Kit — Behälterboden--Satz — Groupe fond de bac à déchets
1
2
07668 -- 800
Ref. Tennant
Part No. Description Bezeichnung Designation Qty/
Zahl
o
70686 )Kit, floor, hopper, ss Behälterboden--Satz Groupe fond de bac à déchets 1
Y1 77611 Panel, hopper, bottom, rh Blech, Tabel Tableau 1
Y2 77613 Panel, hopper, bottom, lh Blech, Tabel Tableau 1
Home
Find...
Go To..

PIÈCES OPTIONS -- ZUBEHÖR -- OPTIONS
3-23
800 330126 (6--01)
Fig. 11 -- Bumper Assembly, SE — Stoßstangen--Baugruppe, SE — Assembllage pare--chocs, SE
2
3
4
5
1
1
09909 -- ALL
Ref. Tennant
Part No. Description Bezeichnung Designation Qty/
Zahl
o
83557 )Bumper Assy, Se Stoßstangen--Baugruppe, SE Assembllage pare--chocs, SE 1
Y1 70802 Leg, bumper Bein Pied 2
Y2 70793 Brace Strebe Renfort 1
Y3 70815 Tube, cross, bumper, se Rohr Tuyau 1
Y4 83626 Bumper wldt, se, right, front Stoßstange Pare--chocs 1
Y583627 Bumper wldt, se, left, front Stoßstange Pare--chocs 1
Home
Find...
Go To..

OPTIONS -- ZUBEHÖR -- PIÈCES OPTIONS
800 330126 (6--01)
3-24
Fig. 12 -- Side Brush Lift Group, L.H. — Seitenbürsten--Hebe--Gruppe, Links —
Groupe levage de la brosse latérale, À Gauche
1
2
3
4
5
6
7
8
9
10
11
12
13
14
15 16
17
18
19
20
21
23
30
24
25
27
4
5
23
30
30
30
25
21
13
26
26
28
21
29
32
31
31 32
35
35
34
34
36
36
33
33
22
22
22
22
Home
Find...
Go To..

PIÈCES OPTIONS -- ZUBEHÖR -- OPTIONS
3-25
800 330126 (6--02)
07741 -- ALL
Fig. 12 -- Side Brush Lift Group, L.H. — Seitenbürsten--Hebe--Gruppe, Links —
Groupe levage de la brosse latérale, À Gauche
Ref. Tennant
Part No. Description Bezeichnung Designation Qty/
Zahl
177458 )Bracket Bügel Support 1
2 77569 Plate wldt Platte Plaque, Plateau 1
3 70532 Cable, retaining Kabel, halterungs-- Câble, retenue 1
4 77584 Plate Schild Plaque signalétique 2
5 74090 Bearing Lager Palier 2
677597 Sleeve Buchse Manchon 1
7 77727 Sleeve Buchse Manchon 1
8 77459 Spacer Distanzstück Entretoise 1
9 77783 Plate, angle Platte Plaque, Plateau 1
10 77600 Sleeve Buchse Manchon 2
11 379020 Cylinder, hyd Zylinder, hydraulik Cylindre, hydraulique 1
12 51813 Pin, clevis Gabelstift Axe de chape 2
13 77097 Fitting, hyd, elbow Fitting hydraulik Douille hydraulique 4
14 84016 Valve, hyd control sol Hydraulikventil Soupape Hydraulique 1
15 21231 Bracket Bügel Support 1
16 56820 Fitting, hyd, elbow Fitting hydraulik Douille hydraulique 1
17 56690 Fitting, hyd, str Armatur, hydraulik, gerade Raccord, hydraulique, droit 1
18 65561 Switch rocker spst Schalter kniehebel einpoliger
ein--aus--schalter Interrupteur culbuteur unipol-
aire et undirectionne 1
19 57807 Cover Abdeckung Couvercle 1
20 77738 Block Block Bloc 1
21 65174 Spacer Distanzstück Entretoise 3
22 375416 Kit, Roller, Side Brush Lift,
[800/810] Satz, Rolle, Seitenbürsten--
Hebe Jeu de pièces, Lot, Galet, le-
vage de la brosse latérale 1
23 375415 Plate, side brush, roller Platte Plaque, Plateau 2
24 41186 Washer, belleville, .31 Unterlegscheibe, belleville--
dichtungsring, .31 Rondelle, belleville, .31 1
25 73737 Sleeve Buchse Manchon 2
26 74391 Pulley rep.by74391 Riemenscheibe en-
euert.durch74391 Poulie remplacé.par74391 2
27 32492 Washer, flat, .38 hard Unterlegscheibe, flach, .38
hart Rondelle, plat, .38 dur 2
28 46482 Fitting, hyd, plug Fitting hydraulik Douille hydraulique 2
29 23936 Cable, retaining Kabel, halterungs-- Câble, retenue 1
30 80395 Sleeve Buchse Manchon 4
31 76570 Screw, Hex, M08 X 1.25 X
30, 8.8 Schraube, Sechskant, M08 X
1.25 X 30, 8 Vis, Hexagonal, M08 X 1.25 X
30, 8.8 2
32 32492 Washer, Flt, .38 Std Unterlegscheibe, Flach, .38
Standard Rondelle, Plat, .38 Standard 2
33 07791 Nut, Hex, Flng, M08 X 1.25 Mutter, Sechskant, , M08 X
1.25 Ecrou, Hexagonal, , M08 X
1.25 2
34 33924 Washer, Flat, M10,
10.5x21x2ss Unterlegscheibe, Flach Rondelle, Plat, M10,
10.5x21x2acier Inox 2
35 09028 Screw, Hex, M10 X 1.5 X 25,
Ss Schraube, Sechskant, M10 X
1.5 X 25, E Vis, Hexagonal, M10 X 1.5 X
25, Acier 2
36 32715 Nut, Hex, Lock, M10 X 1.5,
Ss Mutter, Sechskant, Schloß Ecrou, Hexagonal, Verrou 2
Home
Find...
Go To..
21.2 L
16.8 L

OPTIONS -- ZUBEHÖR -- PIÈCES OPTIONS
800 330126 (6--01)
3-26
Fig. 13 -- Side Brush Group, L.H. — Seitenbürsten--Gruppe, Links — Groupe brosse latérale, À
Gauche
M5
M4
2
3
4
5
6
7
89
10
1
11
12
13
14
15
16
17
18
19
20
21
22
23
41
25
26
27
28
29
30
31
32
33
34
35
36
20
8
10
8
45
38
33
37
39
24
44
40
42
43
Home
Find...
Go To..

PIÈCES OPTIONS -- ZUBEHÖR -- OPTIONS
3-27
800 330126 (6--01)
07739 -- 800
Fig. 13 -- Side Brush Group, L.H. — Seitenbürsten--Gruppe, Links — Groupe brosse latérale, À Gauche
Ref. Tennant
Part No. Description Bezeichnung Designation Qty/
Zahl
179781 )Motor, hyd gear Hydraulikmotor Moteur Hydraul 1
2 47508 Fitting, hyd, str Armatur, hydraulik, gerade Raccord, hydraulique, droit 2
3 76461 Sleeve Buchse Manchon 1
4 86328 Clamp, cable Kabelschelle Attache cable 1
5 21250 Guard Schutzvorrichtung Protecteur 1
621252 Guard Schutzvorrichtung Protecteur 1
7 75142 Bracket, mtg Bügel, montage Support, montage 1
8 65174 Spacer Distanzstück Entretoise 5
9 75099 Bracket Bügel Support 1
10 04761 Bearing, flange Lager Palier, Roulement 2
11 74059 Spacer Distanzstück Entretoise 1
12 75899 Bracket Bügel Support 1
13 75117 Bracket Bügel Support 1
14 70627 Bearing Lager Palier 1
15 70526 Shaft, pivot Welle Arbre, Axe 1
16 70524 Washer Unterlegscheibe Rondelle 1
17 70525 Spacer Distanzstück Entretoise 1
18 36328 Washer, belleville, .50 Unterlegscheibe, belleville Rondelle, belleville, .50 1
19 70431 Pin Stift Goupille 1
20 70626 Bolt, eye Bolzen, Schraube Boulon 2
21 65160 Spring, extension Feder Ressort 2
22 65173 Bracket Bügel Support 1
23 65180 Spring, compression Feder, kompression Ressort, compression 1
24 375417 ¡Kit, Cable, Side Brush, Lh
[800/810] Satz, Kabel, Seil, Seitenbe-
sen Jeu de pièces, Lot, Câble,
Brosse Latérale 1
25 49263 Tie cable Spannstrebe Serre--cable 1
26 84015 Valve, hyd cont Hydraulikventil Soupape Hydraul 1
27 47637 Fitting, hyd, str Armaturd, hyraulik, gerade Raccord, hydraulique, droit 1
28 67683 Fitting, hyd, tee Armatur, hydraulik, t--stück Raccord, hydraulique, raccord
en t 1
29 44868 Fitting, hyd, elbow Fitting hydraulik Douille hydraulique 1
30 45482 Fitting, hyd, tee Armatur, hydraulik, t--stück Raccord, hydraulique, raccord
en t 1
31 47753 Fitting, hyd, str Armatur, hydraulik, gerade Raccord, hydraulique, droit 1
32 17980 Fitting, hyd, elbow Fitting hydraulik Douille hydraulique 1
33 63416 Washer Unterlegscheibe Rondelle 4
34 84581 Pin Stift Goupille 1
35 56690 Fitting, hyd, str Armatur, hydraulik, gerade Raccord, hydraulique, droit 2
36 79621 Check valve,100 psi Rückschlagventil Clapet de décharge 1
37 79622 Plate, mounting, check valve Befestigungsplatte Plaque de montage 1
38 21251 Plate, angle Platte Plaque 1
39 16472 Ftg E 45 Armatur Raccord 1
40 375403 ©Spring, torsion Feder, torsion Ressort, torsion 1
41 375401 ©Cable, 0.25d, 21.2l Kabel, Seil Câble 1
42 375770 ©Hook, Cable, .44d Ball Haken Crochet 1
43 375404 ©Spacer Abstandstück Entretoise 1
44 375405 ©Bolt, Shld, 12mmx12mm Bolzen, Schraube Boulon 1
45 32486 ©Washer, Flt, .50 Sae Unterlegscheibe, Flach, .50
Sae Rondelle, Plat, .50 Sae 2
¡Serial number Seriennummer Numéro De Serie (004000-- xxxxxx )
©Serial number Seriennummer Numéro De Serie ( xxxxxx-- )
Home
Find...
Go To..

OPTIONS -- ZUBEHÖR -- PIÈCES OPTIONS
800 330126 (6--01)
3-28
Fig. 14 -- Side Brush Electrical Group, Lh — Seitenbürsten--Elektrik--Gruppe, Links —
Groupe composants électriques brosse latérale, À Gauche
1
10501 -- ALL
Ref. Tennant
Part No. Description Bezeichnung Designation Qty/
Zahl
183699 )Harness, Side Brush, L.H. Kabelstrang Faisceau De Fils 1
Home
Find...
Go To..

PIÈCES OPTIONS -- ZUBEHÖR -- OPTIONS
3-29
800 330126 (6--01)
Fig. 15 -- Side Brush Hydraulic Hose Group, Lh — Seitenbürsten--Hydraulikschlauch--Gruppe,
Links— Groupe tuyaux hydrauliques de la brosse latérale, À Gauche
5
1
2
4
3
4
3
08763 -- 800
Ref. Tennant
Part No. Description Bezeichnung Designation Qty/
Zahl
176684 )Hose, hyd Schlauch, hydraulik Tuyau, hydraulique 1
2 65194 Hose, hyd Schlauch, hydraulik Tuyau, hydraulique 1
3 78998 Hose, hyd Schlauch, hydraulik Tuyau, hydraulique 2
4 57963 Hose, hyd Schlauch, hydraulik Tuyau, hydraulique 2
501999 Hose, hyd Schlauch, hydraulik Tuyau, hydraulique 1
Home
Find...
Go To..

OPTIONS -- ZUBEHÖR -- PIÈCES OPTIONS
800 330126 (6--02)
3-30
Fig. 16 -- Side Brush Light Kit — Seitenbürsten--Leuchten--Satz — Jeu de pièces feu de la brosse
latérale
2
8
4
1
4
3
5
6
7
3
Home
Find...
Go To..

PIÈCES OPTIONS -- ZUBEHÖR -- OPTIONS
3-31
800 330126 (6--02)
08756 -- ALL
Fig. 16 -- Side Brush Light Kit — Seitenbürsten--Leuchten--Satz — Jeu de pièces feu de la brosse
latérale
Ref. Tennant
Part No. Description Bezeichnung Designation Qty/
Zahl
o
70699 )Light Kit, Side Brush Seitenbesen--Beleuchtungssat
zEnsemble D’Eclairage Brosse
Laterale 1
Y
o
1 382979 Light, Spot, 12VDC 55w Suchscheinwerfer Projecteur 1
YY 393770 Lamp, 12VDC 55w Lampe Lampe 1
Y2 76385 Bracket, Angle Stütze Support 1
Y3 30013 Washer, Flat, 0.31 Fender U--Scheibe, Stahl, 8.7x29x1.2
CRondelle Plate Acier,
8.7x29x1.2 C 1
Y441141 Washer--Loc Int--Ext .31
Pltd Washer Int/Ex 8.3x22x0.9 C Washer Int/Ex 8.3x22x0.9 C 2
Y5 32960 Nut, Hex, Lock, .31--24, Nl Nut Hxlocnyln 5/16 Ecrou Hxlocnyln 5/16 (Bielle
7200) 1
Y6 16931 Screw, Hex, M08 X 1.25 X
20, 8.8 Schraube, M 8x 20 D933 8.8c Vis Six Pans, M 8x 20 D933
8.8c 1
Y7 08709 Nut, Hex, Lock, M08 X
1.25,Nl Sicherheitsmutter, Nylon, M 8
D985 C Contre--Ecrou Hex. Nylon, M
8 D985 C 1
Y810632--5 Grommet Rbr 0.25Id For
.09Matl Grommet Rbr .25id Grommet Rbr .25id 1
Home
Find...
Go To..

OPTIONS -- ZUBEHÖR -- PIÈCES OPTIONS
800 330126 (6--02)
3-32
Fig. 17 -- Cab Kit — Fahrerhaus Satz — Jeu de pièces Cabine
1
13
18
12
7
14
8
6
3
10
9
11
19
16
4
5
17
15
2
20
21
Home
Find...
Go To..

PIÈCES OPTIONS -- ZUBEHÖR -- OPTIONS
3-33
800 330126 (6--02)
351139 -- G, LP
Fig. 17 --
Cab Kit — Fahrerhaus Satz — Jeu de pièces Cabine
NOTE: The Cab kit, TENNANT Part Number 380601 is for gas machines and includes Fig. 17 and Fig. 18.
HINWEIS:
Fahrerhaus Satz
, Tennant--Bestell--Nr. 380601, Benzin enthälten , Fig. 17 und Fig. 18.
REMARQUE: Jeu de pièces
Cabine
, tennant article n°380601, Essence comprend , Fig. 17 et Fig. 18.
NOTE: The Cab kit, TENNANT Part Number 380604 is for Lpg machines and includes Fig. 17 and Fig. 18.
HINWEIS:
Fahrerhaus Satz
, Tennant--Bestell--Nr. 380604, Lpg enthälten , Fig. 17 und Fig. 18.
REMARQUE: Jeu de pièces
Cabine
, tennant article n°380604, GLP comprend , Fig. 17 et Fig. 18.
Ref. Tennant
Part No. Description Bezeichnung Designation Qty/
Zahl
1380602 )Cab Assembly Fahrerhaus Cabine 1
2 380634 Cover, Cab Pressurizer Deckel Couvercle 1
3 380635 Gasket, Cab Pressurizer Dichtung Joint 1
4 74455 Screw, hex, fmg, m06--1.0 x
12 Schraube Vis 14
5 57803 Circuitbreaker Schutzschalter Coupe--circuit 1
657751 Boot kasten Capuchon 1
7 44851 Bumper, rubber Stoßstange gummi Pare--chocs caoutchouc 1
8 76522 Tread, floormat, rubber, cab Bodenmatte Renfort de sol 1
9 41178 Washer, flat, .25 fender Unterlegscheibe, flach, .25
schutzhaube Rondelle, plat, .25 aile 1
10 21246 Rivet, plstc Niete, kunststoff Rivet, plastique 1
11 77652 Insulation, foam Schalldämpfungsi Mousse Isolation acoustique 1
12 76516 Insulation, s/foam, front Schalldämpfungsi Mousse Isolation acoustique 1
13 76515 Insulation, Acstc, Side Upper,
Cab, .6 Schalldämpfungsi Mousse Isolation acoustique 1
14 70620 Cover, fuel inlet Deckel Couvercle 1
15 70785 Bracket Bügel Support 1
16 70788 Cover, cab Deckel Couvercle 1
17 79011 Seal, cab Dichtung Joint 1
18 374760 Seal, mounting, cab Dichtung Joint 1
19 374761 Seal, urethane Dichtung Joint 1
20 374762 Seal, urethane Dichtung Joint 1
21 383185 Latch Assy, Rbr, 1.6d
1.4l/1.0d 1.0l Riegel Loquet 1
Home
Find...
Go To..

OPTIONS -- ZUBEHÖR -- PIÈCES OPTIONS
800 330126 (6--01)
3-34
Fig. 18 -- Mirror Kit — Rückspiegel--Satz — Jeu de pièces Rétroviseur
1
2
3
4
5
6
7
8
10
9
Home
Find...
Go To..

PIÈCES OPTIONS -- ZUBEHÖR -- OPTIONS
3-35
800 330126 (6--01)
08961 -- ALL
Fig. 18 -- Mirror Kit — Rückspiegel--Satz — Jeu de pièces Rétroviseur
NOTE: The Cab kit, TENNANT Part Number 380601 is for gas machines and includes Fig. 17 and Fig. 18.
HINWEIS:
Fahrerhaus Satz
, Tennant--Bestell--Nr. 380601, Benzin enthälten , Fig. 17 und Fig. 18.
REMARQUE: Jeu de pièces
Cabine
, tennant article n°380601, Essence comprend , Fig. 17 et Fig. 18.
NOTE: The Cab kit, TENNANT Part Number 380604 is for Lpg machines and includes Fig. 17 and Fig. 18.
HINWEIS:
Fahrerhaus Satz
, Tennant--Bestell--Nr. 380604, Lpg enthälten , Fig. 17 und Fig. 18.
REMARQUE: Jeu de pièces
Cabine
, tennant article n°380604, GLP comprend , Fig. 17 et Fig. 18.
Ref. Tennant
Part No. Description Bezeichnung Designation Qty/
Zahl
o
76898 )Kit, mirror Rückspiegel--Satz Jeu de pièces Rétroviseur 1
Y1 68445 Mirror, convex, round Spiegel, konvex, rund Miroir, convexe, rond 1
Y2 75881 Guard, mirror Schutz Protecteur 1
Y3 75880 Bracket, mtg Bügel, montage Support, montage 1
Y4 41434 Bushing, flange Büchse Bague 2
Y570761 Tube, 0.62d .44b 2.44, stl Rohr Tuyau 1
Y6 12549 Spring, gas 80 lb Feder, benzin 80 lb pfund Ressort, essence 80 livre 1
Y
o
7 369786 Mirror Assy, Flat, 5.1d Rückspiegel Rétroviseur 1
YY 8 369787 Mirror, Flat, 5.1d Rückspiegel Rétroviseur 1
YY 9 49032 Bracket, Mtg, Mirror, Rearview Montage--Bügel Bride de fixation 1
YY 10 74455 Screw, Hex, M06 X 1.0 X 12,
Fmg Schraube, Sechskant Vis, hexagonal 1
Home
Find...
Go To..

OPTIONS -- ZUBEHÖR -- PIÈCES OPTIONS
800 330126 (6--02)
3-36
Fig. 19 -- Air Conditioning and Heater Group — Luftkonditionierungs-- und Heizungseinheit —
Groupe climatisation et radiateur
A
B
B
C
D
A
D
C
D
C
1
23
4
5
6
7
8
9
10
11
24
13
14
15
16
17
18
19
20
7
7
8
9
12
16
17
19
18
GAS
LPG
21
22 30 22
7
29 26
28
25
7
23
27
29
31
11
21
21
Home
Find...
Go To..

PIÈCES OPTIONS -- ZUBEHÖR -- OPTIONS
3-37
800 330126 (6--02)
350811 -- G, LP
Fig. 19 -- Air Conditioning and Heater Group — Luftkonditionierungs-- und Heizungseinheit —
Groupe climatisation et radiateur
NOTE: Air Conditioning and Heater Kit, Tennant Part Number 380574, includes Fig. 19, Fig. 20 and Fig. 21.
HINWEIS: Luftkonditionierungs-- und Heizungseinheit, Tennant--Bestell--Nr. 380574, enthälten Fig. 19, Fig. 20
und Fig. 21.
REMARQUE: Jeu de pièces climatisation et radiateur, tennant article n°380574, comprend Fig. 19, Fig. 20 et
Fig. 21.
Ref. Tennant
Part No. Description Bezeichnung Designation Qty/
Zahl
1380613 )Box Assy, Heat/Ac Komponente des Luftkondi-
tionierungs-- und Heizungs-
gehäuses
Elément de boîtier de clima-
tisation et radiateur 1
2 380689 Filter,Panel 23.5 x 6.5 x 2
143plts Filter Filtre 1
3 380625 Condenser Assy, A/C Komponente des Luftkondi-
tionierungs--Kondensator-
gehäuses
Elément de boîtier de conde-
nateur de climatisation 1
4 380630 Gage, Sight Ac Instrument, Messer Jauge 1
5 380684 A/C Hose Schlauch Durite 1
6380615 Elbow, Heater Stutzen Coude 2
7 63810 Clamp, wormdrive Klemme, schneckeantrieb Attache, transmission à vis
sans fin 6
8 380685 Hose, A/C Schlauch Durite 1
9 380686 ¤Hose, A/C Schlauch Durite 1
9 375751 ¥Hose, A/C Schlauch Durite 1
10 375512 Sleeve, 65 in Buchse, 65 in Manchon, 65 in 1
11 41016 Clamp, hose Klemme schlauch Attache , tuyau 2
12 43558A Cable, choke Starterzugseil Câble De Starter 1
13 380663 Label, Pull--Heat Aufkleber Autocollant 1
14 380618 ¡Valve, Heater Ventil Soupape, Clapet 1
15 380673 Label,Caution Aufkleber Autocollant 1
16 380621 Hose--Heater Heizungsschlauch Tuyau chauffage 1
17 380620 Hose--Heater Heizungsschlauch Tuyau chauffage 1
18 72979 ¢Hose, heater Heizungsschlauch Tuyau chauffage 1
18 61870 £Hose, heater Heizungsschlauch Tuyau chauffage 1
19 72978 ¢Hose, heater Heizungsschlauch Tuyau chauffage 1
19 61869 £Hose, heater Heizungsschlauch Tuyau chauffage 1
20 77811 Grommet Tülle Passe--fil 1
21 763116 Tie, Cable, Nyl Kabelbinder, Kabel Lien, Câble, Nylon 1
o
375728 ©Valve Assy, Heater Ventil, Baugruppe Soupape, Clapet 1
Y22 59901 ©Fitting, brass, str Armatur, messing, gerade Raccord, laiton, droit 2
Y23 31507 ©Valve --3Way Ventil Soupape, Clapet 1
Y24 43242 ©Swivel Drehgelenk Pivot 1
Y25 09092--1 ©Clamp Klemme Attache 2
Y26 40573 ©Fitting, Hyd. Str Fitting hyd, gerade Douille hyd droite 1
Y27 45142 ©Bolt, U Bolzen Boulon 1
Y28 375726 ¢Bracket, Mtg. Valve Montage--Bügel Bride de fixation 1
Y29 30268 ©Fitting, Brass Fitting Douille 2
Y30 24450 ©Fitting, Brass, Tee T--fitting Douille, T 1
Y31 374129 £Bracket, Mtg. Valve Montage--Bügel Bride de fixation 1
¡Serial number Seriennummer Numéro De Serie (004000--004374 )
©Serial number Seriennummer Numéro De Serie (004375-- )
¢Serial number Seriennummer Numéro De Serie (004000--004718 )
£Serial number Seriennummer Numéro De Serie (004719-- )
¤Serial number Seriennummer Numéro De Serie (004000--004480 )
¥Serial number Seriennummer Numéro De Serie (004481-- )
Home
Find...
Go To..

OPTIONS -- ZUBEHÖR -- PIÈCES OPTIONS
800 330126 (6--01)
3-38
Fig. 20 -- Air Conditioning Compressor Group — Luftkonditionierungs--Kompressoreinheit —
Groupe compresseur de climatisation
1
2
3
4
4
350810 -- G, LP
NOTE: Air Conditioning and Heater Kit, Tennant Part Number 380574, includes Fig. 19, Fig. 20 and Fig. 21.
HINWEIS: Luftkonditionierungs-- und Heizungseinheit, Tennant--Bestell--Nr. 380574, enthälten Fig. 19, Fig. 20
und Fig. 21.
REMARQUE: Jeu de pièces climatisation et radiateur, tennant article n°380574, comprend Fig. 19, Fig. 20 et
Fig. 21.
Ref. Tennant
Part No. Description Bezeichnung Designation Qty/
Zahl
177674 )Compressor, a/c Kompressorein Compresseur 1
2 380676 ¡Belt, V Keilriemen Courroie Trapézoïdale 1
2 375729 ©Belt, V Keilriemen Courroie Trapézoïdale 1
3 380563 Bracket, Belt Halter Support 1
4 380697 Link, Tension Gestänge Bielette, Maillon 2
¡Serial number Seriennummer Numéro De Serie (004000-- xxxxxx )
©Serial number Seriennummer Numéro De Serie (xxxxxx-- )
Home
Find...
Go To..

PIÈCES OPTIONS -- ZUBEHÖR -- OPTIONS
3-39
800 330126 (6--01)
Fig. 21 -- Air Conditioning and Heater Electrical Group — Luftkonditionierungs-- und
Heizungselektronik — Groupe électique de climatisation et radiateur
1
2
3
4
567
8
9
3
350815 -- ALL
NOTE: Air Conditioning and Heater Kit, Tennant Part Number 380574, includes Fig. 19, Fig. 20 and Fig. 21.
HINWEIS: Luftkonditionierungs-- und Heizungseinheit, Tennant--Bestell--Nr. 380574, enthälten Fig. 19, Fig. 20
und Fig. 21.
REMARQUE: Jeu de pièces climatisation et radiateur, tennant article n°380574, comprend Fig. 19, Fig. 20 et
Fig. 21.
Ref. Tennant
Part No. Description Bezeichnung Designation Qty/
Zahl
156186 )Relay, shrouded, 12 vdc Relais Relais 2
2 76473 Circuitbreaker Schutzschalter Coupe--circuit 2
3 380617 Duct, Heater A/C Leitkanal Canalisation 2
4 380619 Switch,3Way Blow Schalter Interrupteur 1
5 380661 Knob Knopf Bouton 2
6380662 Label, Hi/Med/Lo Aufkleber Autocollant 1
7 380690 Plate, Switch Platte Plaque, Plateau 1
8 380624 Switch, Temp Schalter Interrupteur 1
9 380665 Label, Thermostat Aufkleber Autocollant 1
Home
Find...
Go To..

OPTIONS -- ZUBEHÖR -- PIÈCES OPTIONS
800 330126 (6--02)
3-40
Fig. 22 -- Heater Group — Heizungseinheit — Groupe radiateur
D
C
D
C
4
5
69
8
7
18
3
15
11
12
13
14
9
9
2
10
11
13
12
10
GAS
LPG
1
22
9
22 20
17
19
23
9
15
21
16
24
Home
Find...
Go To..

PIÈCES OPTIONS -- ZUBEHÖR -- OPTIONS
3-41
800 330126 (6--02)
350813 -- G, LP
Fig. 22 -- Heater Group — Heizungseinheit — Groupe radiateur
NOTE: Heater Kit, Tennant Part Number 380610, includes Fig. 22 and Fig. 23.
HINWEIS: Heizungseinheit, Tennant--Bestell--Nr. 380610, enthälten Fig. 22 und Fig. 23.
REMARQUE: Jeu de pièces radiateur, tennant article n°380610, comprend Fig. 22 et Fig. 23.
Ref. Tennant
Part No. Description Bezeichnung Designation Qty/
Zahl
1380618 ¡)Valve, Heater Ventil Soupape, Clapet 1
2 43558A Cable, choke Starterzugseil Câble De Starter 1
3 380663 Label, Pull--Heat Aufkleber Autocollant 1
4 380614 Box Assy, Heat Komponente des Heizungs-
gehäuses Elément de boîtier de radiate-
ur 1
5 380689 Filter,Panel Filter Filtre 1
6380615 Elbow, Heater Stutzen Coude 2
7 86328 Clamp, cable Kabelschelle Serre--câble 2
8 375512 Sleeve Buchse Manchon 1
9 63810 Clamp, wormdrive Klemme, schneckeantrieb Attache, transmission à vis
sans fin 6
10 380621 Hose, heater Heizungsschlauch Tuyau chauffage 1
11 380620 Hose, heater Heizungsschlauch Tuyau chauffage 1
12 72979 ¢Hose, heater Heizungsschlauch Tuyau chauffage 1
12 61870 £Hose, heater Heizungsschlauch Tuyau chauffage 1
13 72978 ¢Hose, heater Heizungsschlauch Tuyau chauffage 1
13 61869 £Hose, heater Heizungsschlauch Tuyau chauffage 1
14 77811 Grommet Tülle Passe--fil 1
o
375728 ©Valve Assy, Heater Ventil, Baugruppe Soupape, Clapet, Assem-
blage 1
Y15 59901 ©Fitting, brass, str Armatur, messing, gerade Raccord, laiton, droit 2
Y16 31507 ©Valve --3Way Ventil Soupape, Clapet 1
Y17 43242 ©Swivel Drehgelenk Pivot 1
Y18 09092--1 ©Clamp Klemme Attache 2
Y19 40573 ©Fitting, Hyd. Str Fitting hyd, gerade Douille hyd droite 1
Y20 45142 ©Bolt, U Bolzen Boulon 1
Y21 375726 ¢Bracket, Mtg. Valve Montage--Bügel Bride de fixation 1
Y22 30268 ©Fitting, Brass Fitting Douille 2
Y23 24450 ©Fitting, Brass, Tee T--fitting Douille, T 1
Y24 374129 £Bracket, Mtg. Valve Montage--Bügel Bride de fixation 1
¡Serial number Seriennummer Numéro De Serie (004000--004374 )
©Serial number Seriennummer Numéro De Serie (004375-- )
¢Serial number Seriennummer Numéro De Serie (004000--004718 )
£Serial number Seriennummer Numéro De Serie (004719-- )
Home
Find...
Go To..

OPTIONS -- ZUBEHÖR -- PIÈCES OPTIONS
800 330126 (6--01)
3-42
Fig. 23 -- Heater Electrical Group — Heizungselektronik — Groupe électique radiateur
1
2
3
4
5
6
7
8
3
Home
Find...
Go To..

PIÈCES OPTIONS -- ZUBEHÖR -- OPTIONS
3-43
800 330126 (6--02)
350816 -- ALL
Fig. 23 -- Heater Electrical Group — Heizungselektronik — Groupe électique radiateur
NOTE: Heater Kit, Tennant Part Number 380610, includes Fig. 22 and Fig. 23.
HINWEIS: Heizungseinheit, Tennant--Bestell--Nr. 380610, enthälten Fig. 22 und Fig. 23.
REMARQUE: Jeu de pièces radiateur, tennant article n°380610, comprend Fig. 22 et Fig. 23.
Ref. Tennant
Part No. Description Bezeichnung Designation Qty/
Zahl
156186 )Relay, shrouded, 12 vdc Relais Relais 1
2 76473 Circuitbreaker Schutzschalter Coupe--circuit 1
3 380617 Duct, Heater A/C Leitkanal Canalisation 2
4 380619 Switch,3Way Blow Schalter Interrupteur 1
5 380661 Knob Knopf Bouton 1
6380662 Label, Hi/Med/Lo Aufkleber Autocollant 1
7 380690 Plate, Switch Platte Plaque, Plateau 1
8 56992 Plugbtn .50h .03--.12 blacknyl Kerzen--Knopf Bouchon 1
Home
Find...
Go To..

OPTIONS -- ZUBEHÖR -- PIÈCES OPTIONS
800 330126 (6--01)
3-44
Fig. 24 -- Alternator Group, SE — Lichtmaschinen--Gruppe, SE — Groupe alternateur, SE
1
2
34
5
Home
Find...
Go To..

PIÈCES OPTIONS -- ZUBEHÖR -- OPTIONS
3-45
800 330126 (6--01)
351151 -- G, LP
Fig. 24 -- Alternator Group, SE — Lichtmaschinen--Gruppe, SE — Groupe alternateur, SE
Ref. Tennant
Part No. Description Bezeichnung Designation Qty/
Zahl
o
380702 )Kit, Alternator Drehstromlichtmaschine satz Jeu de pièces, Alternateur 1
Y1 75828 Alternator Lichtmaschine Alternateur 1
Y2 77555 Sheave, alternator, se Riemenscheiben Roue 1
Y3 83641 Belt, v Riemen, v Courroie, v 1
Y4 31525 Wire, ground Draht, boden Fil, sol 1
Y521223 Guard, alternator Schutz Protecteur 1
Home
Find...
Go To..

OPTIONS -- ZUBEHÖR -- PIÈCES OPTIONS
800 330126 (6--01)
3-46
Fig. 25 -- Vacuum Wand Kit — Handsauger--Satz — Jeu de pièces manche d’aspiration
23
4
5
6
7
8
9
10
1
11
12 13
14
15
16
17
18
19
20
21
22
23
24
25
26
27
28
29
30
31
3
4
12
24
Home
Find...
Go To..

PIÈCES OPTIONS -- ZUBEHÖR -- OPTIONS
3-47
800 330126 (6--02)
07672 -- ALL
Fig. 25 -- Vacuum Wand Kit — Handsauger--Satz — Jeu de pièces manche d’aspiration
Ref. Tennant
Part No. Description Bezeichnung Designation Qty/
Zahl
o
70668 )Wand kit, vac Handabsaugung Satz Jeu de pièces Aspiration à
main 1
Y1 73871 Plate, mounting, vac door Befestigungsplatte Plaque de montage 1
Y2 75701 Plate wldt, vac door Platte Plaque, Plateau 1
Y3 75876 Seal, foam rbr, .19 .75w 47.1l Dichtung Joint 2
Y4 75877 Seal, foam rbr .19 .75w 8.43l Dichtung Joint 2
Y521047 Shaft Welle Axe 1
Y6 82962 Balljoint Kugellager Joint à rotule 1
Y7 11676 Stud, adj Stiftschraube, adj. verstellbar Goujon, réglable 1
Y8 51531 Balljoint Kugellager Joint à rotule 1
Y9 23146 Pin Stift Goupille 1
Y10 19035 Spring, compression Feder, kompression Ressort, compression 1
Y11 21041 Disc Scheibe Disque 1
Y12 04843 Bearing, flange Lager Palier, Roulement 2
Y13 21054 Box Kasten Boîtier 1
Y14 21104 Panel, cover Blech, Tabel Tableau 1
Y15 73880 Plate Schild Plaque signalétique 1
Y16 79646 Plate, latch Platte Plaque, Plateau 1
Y17 79647 Angle Profil Angle 1
Y18 79644 Handle Handgriff Poignée 1
Y19 26565 Knob,0.38--16,1.25dia,plastic Knopf Bouton 1
Y20 79674 Seal Dichtung Joint 1
Y21 74074 Adaptor Zwischenstück Raccord 1
Y22 54009 Hose, vacuum, with cuff Vakuumschlauch Tuyau 1
Y23 54012 Wand Handsauger Manche 1
Y24 36158 Clip Federklemme Attache 8
Y25 42124 Plug, drain Stopfen, ablassen Bouchon, vidange 1
Y26 374012 Chain Kette Chaîne 1
Y27 26395--2 Clamp, cable Kabelschelle Attache cable 1
Y28 76286 Adaptor Zwischenstück Raccord 1
Y29 76338 Bar Stab Barre 1
Y30 70659 Grip, handle, flat Handgriff Poignée 2
Y31 76406 Label, vac wand Aufkleber Autocollant 1
Home
Find...
Go To..

OPTIONS -- ZUBEHÖR -- PIÈCES OPTIONS
800 330126 (6--01)
3-48
Fig. 26 -- Side Brush Dust Control Kit — Seitenbürsten--Staubschutz--Satz —
Jeu de pièces aspiration de la brosse latérale
1
2
3
4
5
6
7
8
9
10
11
12
13
Home
Find...
Go To..

PIÈCES OPTIONS -- ZUBEHÖR -- OPTIONS
3-49
800 330126 (6--01)
07678 -- ALL
Fig. 26 -- Side Brush Dust Control Kit — Seitenbürsten--Staubschutz--Satz —
Jeu de pièces aspiration de la brosse latérale
Ref. Tennant
Part No. Description Bezeichnung Designation Qty/
Zahl
o
76100 )Dust control kit, side brush Seitenbürsten--Staubschutz--
Satz Jeudepiècesaspirationdela
brosse latérale 1
Y1 76036 Skirt, deflection Schürze Jupe 1
Y2 76030 Bracket, mtg Bügel, montage Support, montage 1
Y3 76038 Strip, retainer Metallprofil, halterung Bande, arrêtoir 1
Y4 75901 Skirt, cover, sbdc Schürze Jupe 1
Y576049 Skirt, retainer Schürze, halterung Jupe, arrêtoir 1
Y6 77759 Bracket Bügel Support 1
Y7 75989 Plate wldt, skirt Platte Plaque, Plateau 1
Y8 76069 Skirt, cover, sbdc Schürze Jupe 1
Y9 76055 Plate, retainer Schild, halterung Plaque signalétique, arrêtoir 1
Y10 76074 Skirt Schürze Jupe 1
Y11 76081 Skirt Schürze Jupe 1
Y12 76084 Bracket Bügel Support 1
Y13 77755 Plate Schild Plaque signalétique 1
Home
Find...
Go To..

OPTIONS -- ZUBEHÖR -- PIÈCES OPTIONS
800 330126 (6--01)
3-50
Fig. 27 -- Solid Tire and Rim Assembly — Vollgummireifen-- und Felgen--Satz —
Ensemble roue pleine et jante
1
2
07666 -- ALL
Ref. Tennant
Part No. Description Bezeichnung Designation Qty/
Zahl
o
121671 )Tire & rim assy, solid6.5 Vollgummireifen-- und Fel-
gen--Satz Ensemble roue pleine et jante 1
Y2 63228 Tire, solid 6.50--10 Vollgummireifen Bandage Plein 1
Home
Find...
Go To..

PIÈCES OPTIONS -- ZUBEHÖR -- OPTIONS
3-51
800 330126 (6--01)
Fig. 28 -- Protectoseal Fuel Tank Cap Group — Protectoseal--Kraftstofftankverschluß--Gruppe —
Groupe couvercle du réservoir de carburant à joint protecto
1
07471 -- ALL
Ref. Tennant
Part No. Description Bezeichnung Designation Qty/
Zahl
102506--6 )Cap, fuel, protectoseal Protectoseal--Kraftstofftank-
verschluß couvercle du réservoir de car-
burant à joint protecto 1
Home
Find...
Go To..

OPTIONS -- ZUBEHÖR -- PIÈCES OPTIONS
800 330126 (6--01)
3-52
Fig. 29 -- Seat Belt Kit — Sitzgurt--Satz — Jeu de pièces ceinture de sécurité
2
1
07674 -- ALL
Ref. Tennant
Part No. Description Bezeichnung Designation Qty/
Zahl
o
70690 )Kit, seat belt Sitzgurt--satz JeudepiècesCeinturedeSé-
curité 1
Y1 30533 Belt, seat Sitzgurt Ceinture de Sécunté 1
Y2 87337 Latch, door Sperre Loquet 1
Home
Find...
Go To..

PIÈCES OPTIONS -- ZUBEHÖR -- OPTIONS
3-53
800 330126 (6--01)
Fig. 30 -- Neutral Start Group — Leerlauf--Start--Einheit — Groupe démarrage au point mort
1
2
09831 -- ALL
Ref. Tennant
Part No. Description Bezeichnung Designation Qty/
Zahl
163407 )Harness, start Kabelstrang Faisceau De Fils 1
2 74164 ¡Pump, hyd piston v 2.48 (See
breakdowns) Hydraulikpumpe Pompe Hydraulique 1
2 373405 ©Pump, hyd piston v 2.48 (See
breakdowns) Hydraulikpumpe Pompe Hydraulique 1
¡Serial number Seriennummer Numéro De Serie (004000--004586 )
©Serial number Seriennummer Numéro De Serie (004587-- )
Home
Find...
Go To..

OPTIONS -- ZUBEHÖR -- PIÈCES OPTIONS
800 330126 (6--01)
3-54
Fig. 31 -- RFS Filter System Group — Regenerativfilter--Systemeinheit —
Groupe systéme de filtre régénératif
2
3
4
5
6
7
8
9
10
1
11
12
13
14
15
16
17
18
19
20
21
22
23
24
25
26
27
28
29
30
31
28
29
29
34
32
Home
Find...
Go To..

PIÈCES OPTIONS -- ZUBEHÖR -- OPTIONS
3-55
800 330126 (6--01)
10229--10232 -- ALL
Fig. 31 -- RFS Filter System Group — Regenerativfilter--Systemeinheit —
Groupe systéme de filtre régénératif
Ref. Tennant
Part No. Description Bezeichnung Designation Qty/
Zahl
o
79174 )Rfs kit Regenerativfilter--Systemein-
heit Groupe systéme de filtre ré-
génératif 1
Y1 79160 Duct Kanal Conduit 2
Y2 79156 Plate, shutter Platte Plaque, Plateau 2
Y3 79159 Shaft, pivot Welle Arbre, Axe 4
Y4 11747 Bearing Lager Palier 4
Y579158 Coupling Kopplung Accouplement 2
Y6 20634 Screw, set, #10--24 x 0.25, nl Schraube Vis De Pression 4
Y7 79157 Bracket, mtg Bügel, montage Support, montage 2
Y8 79170 Motor, elec Elektromotor Moteur électrique 2
Y9 79172 Seal, o--ring Dichtung Joint 2
Y10 79167 Seal Dichtung Joint 2
Y11 79155 Cover, motor Deckel Couvercle 2
Y12 79168 Seal Dichtung Joint 2
Y13 79177 Plate, mounting, rfs control Platte Plaque, Plateau 1
Yo14 79176 Controller Steuergerät Régulateur 1
YY 15 59954 Cover, Housing Deckel Couvercle 1
YY 16 59921 Gasket, Cover Dichtungen, Abdeckung, Alu Joint, Couvercle, Aluminium 1
Y17 56186 Relay, shrouded, 12 vdc Relais Relais 4
Y18 75465 Switch, pressure Schalter Interrupteur 1
Y19 10632--4 Grommet, rubber Seilring Virole 1
Y20 82739 Fitting, breather Fitting Douille 1
Y21 40607 Fitting, brass, str Armatur, messing, gerade Raccord, laiton, droit 1
Y22 21301 Hose, vacuum Schlauch, vakuum Tuyau, aspiration 1
Y23 39923 Fitting, bkhd Armatur, schott Raccord, cloison de sépara-
tion 1
Y24 43454 Washer Unterlegscheibe Rondelle 1
Y25 79169 Cover, electrical Deckel Couvercle 1
Y26 40678 Clamp, cable Kabelschelle Serre--câble 2
Y27 49266 Tie, cable 7.50lg Spannstrebe Serre--cable 12
Y28 34864 Strainrelief Druckentlastung Soulageur de traction 2
Y29 46236 Clamp, cable Kabelschelle Serre--câble 3
Y30 79025 Harness, motor Kabelstrang Faisceau De Fils 2
Y31 79026 Harness, hopper Kabelstrang Faisceau De Fils 1
Y83706 Harness, jumper Kabelbaum, überbrückungs-
draht Faisceau de fils, câble de
controle 1
Y32 70851 Seal, urethane Dichtung Joint 1
Y44961 Tie, cable Spannstrebe Serre--cable 28
Y23935 Seal, filter Dichtung Joint 2
Y57809 Breaker--Cicuit Sicherungsautomat Coupe--circuit 2
Home
Find...
Go To..

OPTIONS -- ZUBEHÖR -- PIÈCES OPTIONS
800 330126 (6--02)
3-56
Fig. 32 -- Air Conditioning Drain Hose Kit -- Klimaanlage--Ablassschlauch--Satz --
Lot tuyau de drainage du climatiseur
3
1
4
4
3
3
3
3
3
4
2
4
4
Home
Find...
Go To..

PIÈCES OPTIONS -- ZUBEHÖR -- OPTIONS
3-57
800 330126 (6--02)
353660 -- ALL
Fig. 32 -- Air Conditioning Drain Hose Kit -- Klimaanlage--Ablassschlauch--Satz --
Lot tuyau de drainage du climatiseur
Ref. Tennant
Part No. Description Bezeichnung Designation
Qty/
Zah
l
o
374133 )Kit, Ci, Drain Hose, A/C Klimaanlage--Ablasssch-
lauch--Satz Lot tuyau de drainage du cli-
matiseur 1
Y1 374134 Hose Assy, Drain, A/C Schlauch Durite 1
Y2 374135 Hose Assy, Drain, A/C Schlauch Durite 1
Y3 49266 Tie, Cable, Nyl, 07.3l .19w
1.8 Max D Kabelbinder, 20cm Serre--Cable, 20cm 10
Y455248 Mount, Cable Tie Kabelhalter Appui Lien Cable 10
Home
Find...
Go To..

OPTIONS -- ZUBEHÖR -- PIÈCES OPTIONS
800 330126 (6--01)
3-58
Fig. 33 -- Documentation Group — Dokumentations--Gruppe — Groupe documentation
000 MM 000
3
1
4
2
5
07501 -- 800, G, LP, CE
Ref. Tennant
Part No. Description Bezeichnung Designation Qty/
Zahl
1330126 )Manual Parts 800G Ersatzteilbuch 800G Livre des Pièces 800G 1
2 330127 Manual--Inst 800G DE Bedienungsanleitung, DE Manuel d’utilisation, DE 1
2 330128 Manual--Inst 800G DK Bedienungsanleitung, DK Manuel d’utilisation, DK 1
2 330129 Manual--Inst 800G EN Bedienungsanleitung, EN Manuel d’utilisation, EN 1
2 330130 Manual--Inst 800G ES Bedienungsanleitung, ES Manuel d’utilisation, ES 1
2330131 Manual--Inst 800G FI Bedienungsanleitung, FI Manuel d’utilisation, FI 1
2 330132 Manual--Inst 800G FR Bedienungsanleitung, FR Manuel d’utilisation, FR 1
2 330133 Manual--Inst 800G GR Bedienungsanleitung, GR Manuel d’utilisation, GR 1
2 330134 Manual--Inst 800G IT Bedienungsanleitung, IT Manuel d’utilisation, IT 1
2 330135 Manual--Inst 800G NL Bedienungsanleitung, NL Manuel d’utilisation, NL 1
2330136 Manual--Inst 800G NO Bedienungsanleitung, NO Manuel d’utilisation, NO 1
2 330137 Manual--Inst 800G PT Bedienungsanleitung, PT Manuel d’utilisation, PT 1
2 330138 Manual--Inst 800G SE Bedienungsanleitung, SE Manuel d’utilisation, SE 1
3 MM337 Manual, Service 800/810 Servicekatalog Livre des service 1
4 21791 Service Manual FD (Lrg) 2.3L Motor Servicekatalog Livre des service Moteur 1
4385439 Service Manual FD (Lrg) 2.5L Motor Servicekatalog Livre des service Moteur 1
5 330716 Manual, Cd--Rom, Parts, All
(Ce) Handbuch, Cd--Rom, Teile,
(Ce) Manuel, Cd--Rom, Pièces,
(Ce) 1
EN = English, DE = Deutsch, FR = Français, NL = Nederlands, ES = Español, IT = Italiano, SE = Svenska,
DK = Dansk, NO = Norsk, FI = Suomi, PT = Português
Home
Find...
Go To..

COMPOSANTES -- KOMPONENTEN -- BREAKDOWNS
4-1
800 330126 (6--01)
SECTION
ABSCHNITT
CHAPITRE
CONTENTS
INHALTSVERZEICHNIS PAGE/
TABLE DES MATIERES SEITE
Fig. 1 -- Hydraulic Piston Pump Breakdown, 74163
Hydraulik--Kolbenpumpen--Komponente
Composantes pompe hydraulique à pistons 4-4................................................
Fig. 2 -- Hydraulic Piston Pump Breakdown, 74163
Hydraulik--Kolbenpumpen--Komponente
Composantes pompe hydraulique à pistons 4-6................................................
Fig. 3 -- Hydraulic Piston Pump Breakdown, 373404
Hydraulik--Kolbenpumpen--Komponente
Composantes pompe hydraulique à pistons 4-8................................................
Fig. 4 -- Hydraulic Piston Pump Breakdown, 373404
Hydraulik--Kolbenpumpen--Komponente
Composantes pompe hydraulique à pistons 4-10...............................................
Fig. 5 -- Hydraulic Manual Control Breakdown, 74273
Hydraulik--Steuerventil--Komponente
Composantes soupape de commande hydraulique 4-12.........................................
Fig. 6 -- Hydraulic Piston Pump Breakdown, 74164
Hydraulik--Kolbenpumpen--Komponente
Composantes pompe hydraulique à pistons 4-14...............................................
Fig. 7 -- Hydraulic Piston Pump Breakdown, 74164
Hydraulik--Kolbenpumpen--Komponente
Composantes pompe hydraulique à pistons 4-16...............................................
Fig. 8 -- Hydraulic Piston Pump Breakdown, 373405
Hydraulik--Kolbenpumpen--Komponente
Composantes pompe hydraulique à pistons 4-18...............................................
Fig. 9 -- Hydraulic Piston Pump Breakdown, 373405
Hydraulik--Kolbenpumpen--Komponente
Composantes pompe hydraulique à pistons 4-20...............................................
Fig. 10 -- Hydraulic Manual Control Breakdown, 373369
Hydraulik--Steuerventil--Komponente
Composantes soupape de commande hydraulique 4-22.........................................
Fig. 11 -- Hydraulic Gear Pump Breakdown, 62561
Hydraulik--Getriebepumpe--Komponente
Composantes pompe à engrenage hydraulique 4-24............................................
Fig. 12 -- Hydraulic Motor Breakdown, 63426
Hydraulik--Motor--Komponente
Composantes moteur hydraulique 4-26.......................................................
Fig. 13 -- Hydraulic Motor Breakdown, 22626
Hydraulik--Motor--Komponente
Composantes moteur hydraulique 4-28.......................................................
Fig. 14 -- Hydraulic Motor Breakdown, 53434
Hydraulik--Motor--Komponente
Composantes moteur hydraulique 4-30.......................................................
Fig. 15 -- Hydraulic Motor Breakdown, 79781
Hydraulik--Motor--Komponente
Composantes moteur hydraulique 4-31.......................................................
Fig. 16 -- Hydraulic Motor Breakdown, 19117
Hydraulik--Motor--Komponente
Composantes moteur hydraulique 4-32.......................................................
Fig. 17 -- Hydraulic Motor Breakdown, 63542
Hydraulik--Motor--Komponente
Composantes moteur hydraulique 4-33.......................................................
Fig. 18 -- Hydraulic Steering Valve Breakdown, 65242
Hydraulik--Lenkventil--Komponente
Composantes soupape de direction hydraulique 4-34...........................................
4
Home
Find...
Go To..

COMPOSANTES -- KOMPONENTEN -- BREAKDOWNS
4-2
800 330126 (6--01)
CONTENTS
INHALTSVERZEICHNIS PAGE/
TABLE DES MATIERES SEITE
Fig. 19 -- Hydraulic Solenoid Valve Breakdown, 84015
Hydraulik--Zugmagnetventil--Komponente
Composantes soupape magnétique du système hydraulique 4-35................................
Fig. 20 -- Hydraulic Valve Breakdown, 375563
Hydraulik--Ventil--Komponente
Composantes soupape hydraulique 4-36......................................................
Fig. 21 -- Hydraulic Solenoid Valve Breakdown, 84014
Hydraulik--Zugmagnetventil--Komponente
Composantes soupape magnétique du système hydraulique 4-38................................
Fig. 22 -- Hydraulic Solenoid Valve Breakdown, 84016
Hydraulik--Zugmagnetventil--Komponente
Composantes soupape magnétique du système hydraulique 4-40................................
Fig. 23 -- Hydraulic Cylinder Breakdown, 53601
Hydraulik--Zylinder--Komponente
Composantes cylindre hydraulique 4-41.......................................................
Fig. 24 -- Hydraulic Cylinder Breakdown, 62975
Hydraulik--Zylinder--Komponente
Composantes cylindre hydraulique 4-42.......................................................
Fig. 25 -- Cab Assembly
Fahrerhaus Baugruppe
Assemblage Cabine 4-44...................................................................
Fig. 26 -- Cab Door Assembly
Fahrerhaus--Klappen--Baugruppe
Assemblage porte cabine 4-48...............................................................
Fig. 27 -- Cab Insulation Group
Fahrerhaus--Schalldämpfungsi--Gruppe
Groupe Mousse Isolation acoustique cabine 4-50..............................................
Fig. 28 -- Cab Wire Harness Group
Fahrerhaus Kabelstrang Gruppe
Groupe faisceau de fils Cabine 4-52..........................................................
Fig. 29 -- AC Condenser Box Breakdown, 380625
Komponente des Luftkonditionierungs--Kondensatorgehäuses
Elément de boîtier de condenateur de climatisation 4-53........................................
Fig. 30 -- AC and Heater Box Breakdown, 380613
Komponente des Luftkonditionierungs-- und Heizungsgehäuses
Elément de boîtier de climatisation et radiateur 4-54............................................
Fig. 31 -- Heater Box Breakdown, 380614
Komponente des Heizungsgehäuses
Elément de boîtier de radiateur 4-56..........................................................
Fig. 32 -- Right Hand (Rh) Brake Assy, 77790
Rechts Brems Satz
Côté Droit, À Droite Ensemble Frein 4-58.....................................................
Fig. 33 -- Left Hand (L.h.) Brake Assy, 77770
Links Brems Satz
À Gauche (À G.) Ensemble Frein 4-60........................................................
Home
Find...
Go To..

COMPOSANTES -- KOMPONENTEN -- BREAKDOWNS
4-3
800 330126 (6--01)
Home
Find...
Go To..

COMPOSANTES -- KOMPONENTEN -- BREAKDOWNS
4-4
800 330126 (6--01)
Fig. 1 -- Hydraulic Piston Pump Breakdown, 74163 — Hydraulik--Kolbenpumpen--Komponente —
Composantes pompe hydraulique à pistons
11
6
13
14
15
27
26
29
28
29
11
11
25
231
16
17
not sold separately
3
5
8
12
19
20
25
22
23 11
18
21
9
24
11
11
910
2
7
1
30
31
4
11
11
not sold separately
Home
Find...
Go To..

COMPOSANTES -- KOMPONENTEN -- BREAKDOWNS
4-5
800 330126 (6--01)
10136 -- ALL
Fig. 1 -- Hydraulic Piston Pump Breakdown, 74163 — Hydraulik--Kolbenpumpen--Komponente —
Composantes pompe hydraulique à pistons
NOTE: Piston Pump, TENNANT Part Number 74163, includes Fig. 1, Fig. 2 and Fig. 5.
HINWEIS: Heizungseinheit, Tennant--Bestell--Nr. 74163, enthälten Fig. 1, Fig. 2 und Fig. 5.
REMARQUE: Jeu de pièces radiateur, tennant article n°74163, comprend Fig. 1, Fig. 2 et Fig. 5.
Ref.
Tennant
Part No. Description Bezeichnung Designation
Qty/
Zahl
174184 )Nut Mutter Ecrou 1
2 74223 Screw Schraube Vis 8
3 61882 Kit, Rotating, Pump, Hyd Satz, Rotierend, Pumpe,
Hydraulik Jeu De Pièces, Tournant,
Pompe, Hydrauli 1
4 74253 Piston Kolben Piston 1
5 74254 Follower, Piston StößEl, Kolben Gâchette, Piston 1
674256 Plate, Cover En Platte, Deckel Plaque, Plateau, Couvercle 1
7 74257 Plate, Cover En Platte, Deckel Plaque, Plateau, Couvercle 1
8 74258 Plate, Cam, [Eaton] Schild, Nocke, [Eaton] Plaque Signalétique, Came,
[Eaton] 1
9 74240 Race, Bearing Rennen, Lager Chemin De Roulement, Palier 2
10 74210 Bearing Lager Palier 1
11 74283 Kit, Seal, Hyd, Pump Satz, Dichtung, Hydraulik,
Pumpe Jeu De Pièces, Joint,
Hydraulique, Pompe 1
12 74262 Screw Schraube Vis 6
o
74263 Housing S/A En Gehäuse Boitier, Carter 1
Y13 79771 Housing En Gehäuse Boitier, Carter 1
Y14 37462 Bearing Lager Palier 1
Y15 79742 Plug Stopfen Bouchon 1
o
16 79743 Cradle Assy Schlitten Aufbau Berceau Assemblage 1
Y17 79744 Dowel Bushing En Paßtift, Büchse Têton, Bague 2
Y18 79745 Bushing Durchführung Bague 1
Y19 79746 Screw, Cap Kappe Schraube Capuchon Vis 1
20 79747 Cap Screw En Kappe Schraube Capuchon Vis 2
21 74265 Shaft Welle Axe 1
22 74266 Nut Mutter Ecrou 1
23 74267 Washer, Lock Unterlegscheibe, Schloß Rondelle, Verrou 1
24 37460 Washer Unterlegscheibe Rondelle 1
25 13907 Plug, O--Ring Stopfen, O--Ring Bouchon, O--Ring 2
26 79779 Plug, O--Ring Stopfen, O--Ring Bouchon, O--Ring 1
27 74272 Arm Arm Bras 1
28 74273 Control Steuerung Commande 1
29 74276 Orifice, Valve Blende, Ventil Orifice, Valve 1
30 74280 Washer Unterlegscheibe Rondelle 1
31 74281 Washer En Unterlegscheibe Rondelle 8
Home
Find...
Go To..

COMPOSANTES -- KOMPONENTEN -- BREAKDOWNS
4-6
800 330126 (6--01)
Fig. 2 -- Hydraulic Piston Pump Breakdown, 74163 — Hydraulik--Kolbenpumpen--Komponente —
Composantes pompe hydraulique à pistons
1
2
3
4
5
7
8
11
12
13
14
10
16
17
18
20
21
22
6
2
2
1
19
15
20
9
Home
Find...
Go To..

COMPOSANTES -- KOMPONENTEN -- BREAKDOWNS
4-7
800 330126 (6--01)
10136--09670 -- ALL
Fig. 2 -- Hydraulic Piston Pump Breakdown, 74163 — Hydraulik--Kolbenpumpen--Komponente —
Composantes pompe hydraulique à pistons
NOTE: Piston Pump, TENNANT Part Number 74163, includes Fig. 1, Fig. 2 and Fig. 5.
HINWEIS: Heizungseinheit, Tennant--Bestell--Nr. 74163, enthälten Fig. 1, Fig. 2 und Fig. 5.
REMARQUE: Jeu de pièces radiateur, tennant article n°74163, comprend Fig. 1, Fig. 2 et Fig. 5.
Ref.
Tennant
Part No. Description Bezeichnung Designation
Qty/
Zahl
174259 )Valve, Relief Ventil, Entlastung Valve, Décharge 2
2 74283 Kit, Seal, Hyd, Pump Satz, Dichtung, Hydraulik,
Pumpe Jeu De Pièces, Joint,
Hydraulique, Pompe 1
3 74260 Screw, Cap En Kappe Schraube Capuchon Vis 2
4 74261 Screw, Cap En Kappe Schraube Capuchon Vis 2
5 61886 Plate, Valve, [Eaton] Schild, Ventil, [Eaton] Plaque Signalétique, Valve,
[Eaton] 1
679708 Repair Info, Pump Reparatur Informationen,
Pumpe Réparation Information,
Pompe 1
o
7 74264 Backplate S/A Rückenlehne, Platte Dossier, Plaque, Plateau 1
Y8 34159 Bearing Lager Palier 1
Y9 79748 Roll Pin En Rollenstift Goupille Cylindrique 1
10 74270 Key Schlüssel Clé 1
o
11 74271 Adapter, Charge Pump Verbindungsstück Raccord 1
Y12 79749 Bushing Durchführung Bague 1
Y13 79750 Plug En Stopfen Bouchon 1
Y14 79751 Shims En Ausgleichscheibe Cale De Reglage 1
Y15 79752 Spring En Feder Ressort 1
Y16 79753 Poppet Tellerventil Soupape--Clapet 1
17 74274 Ring, Gerotor, [Eaton] Ring, Gerotor, [Eaton] Bague, Gerotor, [Eaton] 1
18 74275 Ring, Gerotor, [Eaton] Ring, Gerotor, [Eaton] Bague, Gerotor, [Eaton] 1
19 74277 Coupler Koppler Coupleur 1
20 74278 Ring, Retaining Ring, Halterungs Bague, Retenue 2
21 74279 Actuator Betätigungselement Mécanisme De Commande 1
22 74282 Washer En Unterlegscheibe Rondelle 4
Home
Find...
Go To..

COMPOSANTES -- KOMPONENTEN -- BREAKDOWNS
4-8
800 330126 (6--01)
Fig. 3
-- Hydraulic Piston Pump Breakdown, 373404
— Hydraulik--Kolbenpumpen--Komponente —
Composantes pompe hydraulique à pistons
2
3
5
6
8
7
1
12
13
14
15
19
20
27
25
26
22
23
29
28
30
31
21
9
11
24
11
11
910
4
11
11
11
29
11
11
25
231
16
17
not sold separately
not sold separately
18
Home
Find...
Go To..

COMPOSANTES -- KOMPONENTEN -- BREAKDOWNS
4-9
800 330126 (6--01)
10136 -- ALL
Fig. 3 -- Hydraulic Piston Pump Breakdown, 373404
— Hydraulik--Kolbenpumpen--Komponente —
Composantes pompe hydraulique à pistons
NOTE: Piston Pump, TENNANT Part Number 373404, includes Fig. 3, Fig. 4 and Fig. 5.
HINWEIS: Heizungseinheit, Tennant--Bestell--Nr. 373404, enthälten Fig. 3, Fig. 4 und Fig. 5.
REMARQUE: Jeu de pièces radiateur, tennant article n°373404, comprend Fig. 3, Fig. 4 et Fig. 5.
Ref.
Tennant
Part No. Description Bezeichnung Designation
Qty/
Zahl
174184 )Nut Mutter Ecrou 1
2 74223 Screw Schraube Vis 8
3 61882 Kit, Rotating, Pump, Hyd Satz, Rotierend, Pumpe,
Hydraulik Jeu De Pièces, Tournant,
Pompe, Hydrauli 1
4 373407 Piston, Servo Kolben Piston 1
5 74254 Follower, Piston StößEl, Kolben Gâchette, Piston 1
674256 Plate, Cover En Platte, Deckel Plaque, Plateau, Couvercle 1
7 74257 Plate, Cover En Platte, Deckel Plaque, Plateau, Couvercle 1
8 74258 Plate, Cam, [Eaton] Schild, Nocke, [Eaton] Plaque Signalétique, Came,
[Eaton] 1
9 74240 Race, Bearing Rennen, Lager Chemin De Roulement, Palier 2
10 74210 Bearing Lager Palier 1
11 74283 Kit, Seal, Hyd, Pump Satz, Dichtung, Hydraulik,
Pumpe Jeu De Pièces, Joint,
Hydraulique, Pompe 1
12 74262 Screw Schraube Vis 6
o
373408 Housing Gehäuse Boitier, Carter 1
Y13 373409 Housing Gehäuse Boitier, Carter 1
Y14 37462 Bearing Lager Palier 1
Y15 79742 Plug Stopfen Bouchon 1
o
16 373410 Cradle Schlitten Aufbau Berceau Assemblage 1
Y17 373218 Pin, Dowel Paßtift Cheville 2
Y18 373414 Bushing Durchführung Bague 1
Y19 373415 Screw, Cap Kappe Schraube Capuchon Vis 1
20 79747 Cap Screw En Kappe Schraube Capuchon Vis 2
21 74265 Shaft Welle Axe 1
22 74266 Nut Mutter Ecrou 1
23 74267 Washer, Lock Unterlegscheibe, Schloß Rondelle, Verrou 1
24 37460 Washer Unterlegscheibe Rondelle 1
25 13907 Plug, O--Ring Stopfen, O--Ring Bouchon, O--Ring 2
26 79779 Plug, O--Ring Stopfen, O--Ring Bouchon, O--Ring 1
27 74272 Arm Arm Bras 1
28 74273 Control Steuerung Commande 1
29 74276 Orifice, Valve Blende, Ventil Orifice, Valve 1
30 74280 Washer Unterlegscheibe Rondelle 1
31 74281 Washer En Unterlegscheibe Rondelle 8
Home
Find...
Go To..

COMPOSANTES -- KOMPONENTEN -- BREAKDOWNS
4-10
800 330126 (6--01)
Fig. 4 -- Hydraulic Piston Pump Breakdown, 373404
— Hydraulik--Kolbenpumpen--Komponente —
Composantes pompe hydraulique à pistons
1
2
3
4
5
7
8
11
12
13
14
10
16
17
18
20
21
22
6
2
2
1
19
15
20
9
Home
Find...
Go To..

COMPOSANTES -- KOMPONENTEN -- BREAKDOWNS
4-11
800 330126 (6--01)
10136,09670 -- ALL
Fig. 4 -- Hydraulic Piston Pump Breakdown, 373404
— Hydraulik--Kolbenpumpen--Komponente —
Composantes pompe hydraulique à pistons
NOTE: Piston Pump, TENNANT Part Number 373404, includes Fig. 3, Fig. 4 and Fig. 5.
HINWEIS: Heizungseinheit, Tennant--Bestell--Nr. 373404, enthälten Fig. 3, Fig. 4 und Fig. 5.
REMARQUE: Jeu de pièces radiateur, tennant article n°373404, comprend Fig. 3, Fig. 4 et Fig. 5.
Ref.
Tennant
Part No. Description Bezeichnung Designation
Qty/
Zahl
174259 )Valve, Relief Ventil, Entlastung Valve, Décharge 2
2 74283 Kit, Seal, Hyd, Pump Satz, Dichtung, Hydraulik,
Pumpe Jeu De Pièces, Joint,
Hydraulique, Pompe 1
3 373374 Screw, Cap Schraube, Kappe Vis, Capuchon 2
4 373375 Screw, Cap Schraube, Kappe Vis, Capuchon 2
5 61886 Plate, Valve, [Eaton] Schild, Ventil, [Eaton] Plaque Signalétique, Valve,
[Eaton] 1
6373406 Repair Info, Pump Reparatur Informationen,
Pumpe Réparation Information,
Pompe 1
o
7 373412 Backplate Rückenlehne, Platte Dossier, Plaque, Plateau 1
Y8 34159 Bearing Lager Palier 1
Y9 79748 Roll Pin En Rollenstift Goupille Cylindrique 1
10 74270 Key Schlüssel Clé 1
o
11 74271 Adapter, Charge Pump Verbindungsstück Raccord 1
Y12 79749 Bushing Durchführung Bague 1
Y13 79750 Plug En Stopfen Bouchon 1
Y14 79751 Shims En Ausgleichscheibe Cale De Reglage 1
Y15 79752 Spring En Feder Ressort 1
Y16 79753 Poppet Tellerventil Soupape--Clapet 1
17 74274 Ring, Gerotor, [Eaton] Ring, Gerotor, [Eaton] Bague, Gerotor, [Eaton] 1
18 74275 Ring, Gerotor, [Eaton] Ring, Gerotor, [Eaton] Bague, Gerotor, [Eaton] 1
19 74277 Coupler Koppler Coupleur 1
20 74278 Ring, Retaining Ring, Halterungs Bague, Retenue 2
21 373413 Actuator, Valve, Bypass Betätigungselement Mécanisme De Commande 1
22 74282 Washer En Unterlegscheibe Rondelle 4
Home
Find...
Go To..

COMPOSANTES -- KOMPONENTEN -- BREAKDOWNS
4-12
800 330126 (6--01)
Fig. 5 -- Hydraulic Manual Control Breakdown, 74273 — Hydraulik--Steuerventil--Komponente —
Composantes soupape de commande hydraulique
2
3
5
6
7
8
9
10
1
3
11
12
13
14
15
5
4
Home
Find...
Go To..

COMPOSANTES -- KOMPONENTEN -- BREAKDOWNS
4-13
800 330126 (6--01)
10134 -- ALL
Fig. 5 -- Hydraulic Manual Control Breakdown, 74273 — Hydraulik--Steuerventil--Komponente —
Composantes soupape de commande hydraulique
NOTE: Piston Pump, TENNANT Part Number 74163, includes Fig. 1, Fig. 2 and Fig. 5.
HINWEIS: Heizungseinheit, Tennant--Bestell--Nr. 74163, enthälten Fig. 1, Fig. 2 und Fig. 5.
REMARQUE: Jeu de pièces radiateur, tennant article n°74163, comprend Fig. 1, Fig. 2 et Fig. 5.
NOTE: Piston Pump, TENNANT Part Number 373404, includes Fig. 3, Fig. 4 and Fig. 5.
HINWEIS: Heizungseinheit, Tennant--Bestell--Nr. 373404, enthälten Fig. 3, Fig. 4 und Fig. 5.
REMARQUE: Jeu de pièces radiateur, tennant article n°373404, comprend Fig. 3, Fig. 4 et Fig. 5.
Ref.
Tennant
Part No. Description Bezeichnung Designation
Qty/
Zahl
o
74273 )Control Steuerung Commande 1
Y1 79754 Housing, Control Gehäuse, Steuerung Boîtier, Commande 1
Y2 79755 Plug En Stopfen Bouchon 1
Y3 79776 Kit, Seal, Hyd, Valve Satz, Dichtung, Hydraulik,
Ventil Jeu De Pièces, Joint,
Hydraulique, Valve 1
Y4 79756 Ring, Retaining En Haltering, Sicherungsring Anneau D’arrêt 1
Y579757 Spring,Retainer En Feder Ressort 2
Y6 79758 Spring, Cntr En Feder Ressort 1
Y7 79759 Valve Spool En Schieberspule Tiroir De Soupape 1
Y8 79760 Screw, Set En Schraube Vis De Pression 1
Y9 79761 Link, Feedback En Gestänge, Glied Bielette, Maillon 1
Y10 79762 Dowel Pin En Paßtift Cheville 1
Y11 79763 Ring, Retaining En Haltering, Sicherungsring Anneau D’arrêt 1
Y12 79764 Bell Crank En Winkelhebel, Kniehebel Articulation 1
Y13 79765 Screw, Set En Schraube Vis De Pression 1
Y14 79766 Shaft Welle Axe 1
Y15 79767 Pin, Headed En Stift, Bolzen Goupille, Axe 1
Home
Find...
Go To..

COMPOSANTES -- KOMPONENTEN -- BREAKDOWNS
4-14
800 330126 (6--01)
Fig. 6 -- Hydraulic Piston Pump Breakdown, 74164 — Hydraulik--Kolbenpumpen--Komponente —
Composantes pompe hydraulique à pistons
2
7
1
30
31
21
9
11
24
11
11
910
4
11
5
6
12
15
19
27 22
23
29
28
11
25
231
16
not sold separately
18
3
8
29
11
17
13
14
20
25
26
11
not sold separately
11
Home
Find...
Go To..

COMPOSANTES -- KOMPONENTEN -- BREAKDOWNS
4-15
800 330126 (6--01)
10136 -- ALL
Fig. 6 -- Hydraulic Piston Pump Breakdown, 74164 — Hydraulik--Kolbenpumpen--Komponente —
Composantes pompe hydraulique à pistons
NOTE: Piston Pump, TENNANT Part Number 74164, includes Fig. 6, Fig. 7 and Fig. 10.
HINWEIS: Heizungseinheit, Tennant--Bestell--Nr. 74164, enthälten Fig. 6, Fig. 7 und Fig. 10.
REMARQUE: Jeu de pièces radiateur, tennant article n°74164, comprend Fig. 6, Fig. 7 et Fig. 10.
Ref.
Tennant
Part No. Description Bezeichnung Designation
Qty/
Zahl
174184 )Nut Mutter Ecrou 1
2 74223 Screw Schraube Vis 8
3 61882 Kit, Rotating, Pump, Hyd Satz, Rotierend, Pumpe,
Hydraulik Jeu De Pièces, Tournant,
Pompe, Hydrauli 1
4 74253 Piston Kolben Piston 1
5 74254 Follower, Piston StößEl, Kolben Gâchette, Piston 1
674256 Plate, Cover En Platte, Decke Plaque, Plateau, Couvercle 1
7 74257 Plate, Cover En Platte, Decke Plaque, Plateau, Couvercle 1
8 74258 Plate, Cam, [Eaton] Schild, Nocke, [Eaton] Plaque Signalétique, Came,
[Eaton] 1
9 74240 Race, Bearing Rennen, Lager Chemin De Roulement, Palier 2
10 74210 Bearing Lager Palier 1
11 74283 Kit, Seal, Hyd, Pump Satz, Dichtung, Hydraulik,
Pumpe Jeu De Pièces, Joint,
Hydraulique, Pompe 1
12 74262 Screw Schraube Vis 6
o
74263 Housing S/A En Gehäuse Boitier, Carter 1
Y13 79771 Housing En Gehäuse Boitier, Carter 1
Y14 37462 Bearing Lager Palier 1
Y15 79742 Plug Stopfen Bouchon 1
o
16 79743 Cradle Assy Schlitten Aufbau Berceau Assemblage 1
Y17 79744 Dowel Bushing En Durchführung Bague 2
Y18 79745 Bushing Durchführung Bague 1
Y19 79746 Screw, Cap Kappe Schraube Capuchon Vis 1
20 79747 Cap Screw En Kappe Schraube Capuchon Vis 2
21 74265 Shaft Welle Axe 1
22 74266 Nut Mutter Ecrou 1
23 74267 Washer, Lock Unterlegscheibe, Schloß Rondelle, Verrou 1
24 37460 Washer Unterlegscheibe Rondelle 1
25 13907 Plug, O--Ring Stopfen, O--Ring Bouchon, O--Ring 2
26 79779 Plug, O--Ring Stopfen, O--Ring Bouchon, O--Ring 1
27 74272 Arm Arm Bras 1
28 373369 Control, Pump, Hyd Steuerung, Pumpe, Hydraulik Commande, Pompe,
Hydraulique 1
29 74276 Orifice, Valve Blende, Ventil Orifice, Valve 1
30 74280 Washer Unterlegscheibe Rondelle 1
31 74281 Washer En Unterlegscheibe Rondelle 8
Home
Find...
Go To..

COMPOSANTES -- KOMPONENTEN -- BREAKDOWNS
4-16
800 330126 (6--01)
Fig. 7 -- Hydraulic Piston Pump Breakdown, 74164 — Hydraulik--Kolbenpumpen--Komponente —
Composantes pompe hydraulique à pistons
1
2
3
4
5
7
8
11
12
13
14
10
16
17
18
20
21
22
6
2
2
1
19
15
20
9
Home
Find...
Go To..

COMPOSANTES -- KOMPONENTEN -- BREAKDOWNS
4-17
800 330126 (6--01)
10136--09670 -- ALL
Fig. 7 -- Hydraulic Piston Pump Breakdown, 74164 — Hydraulik--Kolbenpumpen--Komponente —
Composantes pompe hydraulique à pistons
NOTE: Piston Pump, TENNANT Part Number 74164, includes Fig. 6, Fig. 7 and Fig. 10.
HINWEIS: Heizungseinheit, Tennant--Bestell--Nr. 74164, enthälten Fig. 6, Fig. 7 und Fig. 10.
REMARQUE: Jeu de pièces radiateur, tennant article n°74164, comprend Fig. 6, Fig. 7 et Fig. 10.
Ref.
Tennant
Part No. Description Bezeichnung Designation
Qty/
Zahl
174259 )Valve, Relief Ventil, Entlastung Valve, Décharge 2
2 74283 Kit, Seal, Hyd, Pump Satz, Dichtung, Hydraulik,
Pumpe Jeu De Pièces, Joint,
Hydraulique, Pompe 1
3 74260 Screw, Cap En Schraube, Kappe Vis, Capuchon 2
4 74261 Screw, Cap En Schraube, Kappe Vis, Capuchon 2
5 61886 Plate, Valve, [Eaton] Schild, Ventil, [Eaton] Plaque Signalétique, Valve,
[Eaton] 1
679708 Repair Info, Pump Reparatur Informationen,
Pumpe Réparation Information,
Pompe 1
o
7 74264 Backplate S/A Rückenlehne, Platte Dossier, Plaque, Plateau 1
Y8 34159 Bearing Lager Palier 1
Y9 79748 Roll Pin En Rollenstift Goupille Cylindrique 1
10 74270 Key Schlüssel Clé 1
o
11 74271 Adapter, Charge Pump Verbindungsstück Raccord 1
Y12 79749 Bushing Durchführung Bague 1
Y13 79750 Plug En Stopfen Bouchon 1
Y14 79751 Shims En Ausgleichscheibe Cale De Reglage 1
Y15 79752 Spring En Feder Ressort 1
Y16 79753 Poppet Tellerventil Soupape--Clapet 1
17 74274 Ring, Gerotor, [Eaton] Ring, Gerotor, [Eaton] Bague, Gerotor, [Eaton] 1
18 74275 Ring, Gerotor, [Eaton] Ring, Gerotor, [Eaton] Bague, Gerotor, [Eaton] 1
19 74277 Coupler Koppler Coupleur 1
20 74278 Ring, Retaining Ring, Halterungs Bague, Retenue 2
21 74279 Actuator Betätigungselement Mécanisme De Commande 1
22 74282 Washer En Unterlegscheibe Rondelle 4
Home
Find...
Go To..

COMPOSANTES -- KOMPONENTEN -- BREAKDOWNS
4-18
800 330126 (6--01)
Fig. 8 -- Hydraulic Piston Pump Breakdown, 373405
— Hydraulik--Kolbenpumpen--Komponente —
Composantes pompe hydraulique à pistons
2
3
5
6
8
7
1
12
13
14
15
19
20
27
25
26
22
23
29
28
30
31
21
9
11
24
11
11
9
10
4
11
11
11
29
11
11
25
231
16
17
not sold separately
not sold separately
18
Home
Find...
Go To..

COMPOSANTES -- KOMPONENTEN -- BREAKDOWNS
4-19
800 330126 (6--01)
10136 -- ALL
Fig. 8 -- Hydraulic Piston Pump Breakdown, 373405
— Hydraulik--Kolbenpumpen--Komponente —
Composantes pompe hydraulique à pistons
NOTE: Piston Pump, TENNANT Part Number 373405, includes Fig. 8, Fig. 9 and Fig. 10.
HINWEIS: Heizungseinheit, Tennant--Bestell--Nr. 373405, enthälten Fig. 8, Fig. 9 und Fig. 10.
REMARQUE: Jeu de pièces radiateur, tennant article n°373405, comprend Fig. 8, Fig. 9 et Fig. 10.
Ref.
Tennant
Part No. Description Bezeichnung Designation
Qty/
Zahl
174184 )Nut Mutter Ecrou 1
2 74223 Screw Schraube Vis 8
3 61882 Kit, Rotating, Pump, Hyd Satz, Rotierend, Pumpe,
Hydraulik Jeu De Pièces, Tournant,
Pompe, Hydrauli 1
4 373407 Piston, Servo Kolben Piston 1
5 74254 Follower, Piston StößEl, Kolben Gâchette, Piston 1
674256 Plate, Cover En Platte, Decke Plaque, Plateau, Couvercle 1
7 74257 Plate, Cover En Platte, Decke Plaque, Plateau, Couvercle 1
8 74258 Plate, Cam, [Eaton] Schild, Nocke, [Eaton] Plaque Signalétique, Came,
[Eaton] 1
9 74240 Race, Bearing Rennen, Lager Chemin De Roulement, Palier 2
10 74210 Bearing Lager Palier 1
11 74283 Kit, Seal, Hyd, Pump Satz, Dichtung, Hydraulik,
Pumpe Jeu De Pièces, Joint,
Hydraulique, Pompe 1
12 74262 Screw Schraube Vis 6
o
373408 Housing Gehäuse Boitier, Carter 1
Y13 373409 Housing Gehäuse Boitier, Carter 1
Y14 37462 Bearing Lager Palier 1
Y15 79742 Plug Stopfen Bouchon 1
o
16 373410 Cradle Schlitten Aufbau Berceau Assemblage 1
Y17 373218 Pin, Dowel Paßtift Cheville 2
Y18 373414 Bushing Durchführung Bague 1
Y19 373415 Screw, Cap Kappe Schraube Capuchon Vis 1
20 79747 Cap Screw En Kappe Schraube Capuchon Vis 2
21 74265 Shaft Welle Axe 1
22 74266 Nut Mutter Ecrou 1
23 74267 Washer, Lock Unterlegscheibe, Schloß Rondelle, Verrou 1
24 37460 Washer Unterlegscheibe Rondelle 1
25 13907 Plug, O--Ring Stopfen, O--Ring Bouchon, O--Ring 2
26 79779 Plug, O--Ring Stopfen, O--Ring Bouchon, O--Ring 1
27 74272 Arm Arm Bras 1
28 373369 Control, Pump, Hyd Steuerung, Pumpe, Hydraulik Commande, Pompe,
Hydraulique 1
29 74276 Orifice, Valve Blende, Ventil Orifice, Valve 1
30 74280 Washer Unterlegscheibe Rondelle 1
31 74281 Washer En Unterlegscheibe Rondelle 8
Home
Find...
Go To..

COMPOSANTES -- KOMPONENTEN -- BREAKDOWNS
4-20
800 330126 (6--01)
Fig. 9 -- Hydraulic Piston Pump Breakdown, 373405
— Hydraulik--Kolbenpumpen--Komponente —
Composantes pompe hydraulique à pistons
1
2
3
4
5
7
8
11
12
13
14
10
16
17
18
20
21
22
6
2
2
1
19
15
20
9
Home
Find...
Go To..

COMPOSANTES -- KOMPONENTEN -- BREAKDOWNS
4-21
800 330126 (6--01)
10136,09670 -- ALL
Fig. 9 -- Hydraulic Piston Pump Breakdown, 373405
— Hydraulik--Kolbenpumpen--Komponente —
Composantes pompe hydraulique à pistons
NOTE: Piston Pump, TENNANT Part Number 373405, includes Fig. 8, Fig. 9 and Fig. 10.
HINWEIS: Heizungseinheit, Tennant--Bestell--Nr. 373405, enthälten Fig. 8, Fig. 9 und Fig. 10.
REMARQUE: Jeu de pièces radiateur, tennant article n°373405, comprend Fig. 8, Fig. 9 et Fig. 10.
Ref.
Tennant
Part No. Description Bezeichnung Designation
Qty/
Zahl
174259 )Valve, Relief Ventil, Entlastung Valve, Décharge 2
2 74283 Kit, Seal, Hyd, Pump Satz, Dichtung, Hydraulik,
Pumpe Jeu De Pièces, Joint,
Hydraulique, Pompe 1
3 373374 Screw, Cap Schraube, Kappe Vis, Capuchon 2
4 373375 Screw, Cap Schraube, Kappe Vis, Capuchon 2
5 61886 Plate, Valve, [Eaton] Schild, Ventil, [Eaton] Plaque Signalétique, Valve,
[Eaton] 1
6373406 Repair Info, Pump eparatur Informationen,
Pumpe Réparation Information,
Pompe 1
o
7 373412 Backplate Rückenlehne, Platte Dossier, Plaque, Plateau 1
Y8 34159 Bearing Lager Palier 1
Y9 79748 Roll Pin En Rollenstift Goupille Cylindrique 1
10 74270 Key Schlüssel Clé 1
o
11 74271 Adapter, Charge Pump Verbindungsstück Raccord 1
Y12 79749 Bushing Durchführung Bague 1
Y13 79750 Plug En Stopfen Bouchon 1
Y14 79751 Shims En Ausgleichscheibe Cale De Reglage 1
Y15 79752 Spring En Feder Ressort 1
Y16 79753 Poppet Tellerventil Soupape--Clapet 1
17 74274 Ring, Gerotor, [Eaton] Ring, Gerotor, [Eaton] Bague, Gerotor, [Eaton] 1
18 74275 Ring, Gerotor, [Eaton] Ring, Gerotor, [Eaton] Bague, Gerotor, [Eaton] 1
19 74277 Coupler Koppler Coupleur 1
20 74278 Ring, Retaining Ring, Halterungs Bague, Retenue 2
21 373413 Actuator, Valve, Bypass Betätigungselement Mécanisme De Commande 1
22 74282 Washer En Unterlegscheibe Rondelle 4
Home
Find...
Go To..

COMPOSANTES -- KOMPONENTEN -- BREAKDOWNS
4-22
800 330126 (6--01)
Fig. 10 -- Hydraulic Manual Control Breakdown, 373369 — Hydraulik--Steuerventil--Komponente —
Composantes soupape de commande hydraulique
2
3
5
6
7
8
9
10
1
3
11
12 13
14
15
5
4
3
3
16 17
18
19
20
Home
Find...
Go To..

COMPOSANTES -- KOMPONENTEN -- BREAKDOWNS
4-23
800 330126 (6--01)
10139 -- ALL
Fig. 10 -- Hydraulic Manual Control Breakdown, 373369 — Hydraulik--Steuerventil--Komponente —
Composantes soupape de commande hydraulique
NOTE: Piston Pump, TENNANT Part Number 74164, includes Fig. 6, Fig. 7 and Fig. 10.
HINWEIS: Heizungseinheit, Tennant--Bestell--Nr. 74164, enthälten Fig. 6, Fig. 7 und Fig. 10.
REMARQUE: Jeu de pièces radiateur, tennant article n°74164, comprend Fig. 6, Fig. 7 et Fig. 10.
NOTE: Piston Pump, TENNANT Part Number 373405, includes Fig. 8, Fig. 9 and Fig. 10.
HINWEIS: Heizungseinheit, Tennant--Bestell--Nr. 373405, enthälten Fig. 8, Fig. 9 und Fig. 10.
REMARQUE: Jeu de pièces radiateur, tennant article n°373405, comprend Fig. 8, Fig. 9 et Fig. 10.
Ref.
Tennant
Part No. Description Bezeichnung Designation
Qty/
Zahl
o
373369 )Control, Pump, Hyd Steuerung, Pumpe, Hydraulik Commande, Pompe,
Hydraulique 1
Y1 79777 Housing,Control En Gehäuse, Steuerung Boîtier, Commande 1
Y2 79755 Plug En Stopfen Bouchon 1
Y3 79776 Kit, Seal, Hyd, Valve Satz, Dichtung, Hydraulik,
Ventil Jeu De Pièces, Joint,
Hydraulique, Valve 1
Y4 79756 Ring, Retaining En Haltering, Sicherungsring Anneau D’arrêt 1
Y579757 Spring,Retainer En Feder Ressort 2
Y6 79758 Spring, Cntr En Feder Ressort 1
Y7 79772 Vlv Spool Wide En Schieberspule Tiroir De Soupape 1
Y8 79760 Screw, Set En Schraube Vis De Pression 1
Y9 79761 Link, Feedback En Gestänge, Glied Bielette, Maillon 1
Y10 79762 Dowel Pin En Paßtift Cheville 1
Y11 79763 Ring, Retaining En Haltering, Sicherungsring Anneau D’arrêt 1
Y12 79764 Bell Crank En Winkelhebel, Kniehebel Articulation 1
Y13 79765 Screw, Set En Schraube Vis De Pression 1
Y14 79766 Shaft Welle Axe 1
Y15 79767 Pin, Headed En Stift, Bolzen Goupille, Axe 1
Y16 373371 Adaptor, Neutral Zwischenstück,
Leerlauf--Stellung Raccord, Point Mort 1
Y17 79774 Ball En Kugel Rotule 1
Y18 373372 Pin, Control Assy Stift, Steuerung Aufbau Goupille, Commande
Assemblage 1
Y19 79760 Screw, Set En Schraube Vis De Pression 1
Y20 373373 Switch, Lockout Schalter Interrupteur 1
Home
Find...
Go To..

COMPOSANTES -- KOMPONENTEN -- BREAKDOWNS
4-24
800 330126 (6--01)
Fig. 11 -- Hydraulic Gear Pump Breakdown, 62561 — Hydraulik--Getriebepumpe--Komponente —
Composantes pompe à engrenage hydraulique
1
2
3
4
5
6
7
8
9
10
11
12
13
14
15
16
3
4
5
16
16
16
16
16
16
17
Home
Find...
Go To..

COMPOSANTES -- KOMPONENTEN -- BREAKDOWNS
4-25
800 330126 (6--01)
07488--09670 -- ALL
Fig. 11 -- Hydraulic Gear Pump Breakdown, 62561 — Hydraulik--Getriebepumpe--Komponente —
Composantes pompe à engrenage hydraulique
Ref.
Tennant
Part No. Description Bezeichnung Designation
Qty/
Zahl
o
62561 )Pump, Hyd, Gear [Ex ] 0.66
[R] 2500 Pumpe, Hydraulik, Zahnrad
[Ex ] 0.66 [R] Pompe, Hydraulique,
Engrenage [Ex ] 0.66 1
Y1 58242 Plate, Back Schild, Rückseite Plaque Signalétique, Arrière 1
Y2 74149 Plate, Front Schild, Vorderseite Plaque Signalétique, Avant 1
Y3 74150 Body Assy Zylinderkörper Aufbau Carrosserie Assemblage 2
Y4 74151 Gear, Idler Zahnrad, Leerlauf--Nabe Engrenage, Pignon 2
Y574152 Plate, Adapter 2
Y6 74148 Gear Zahnrad Engrenage 1
Y7 65226 Drive Gear Assy Getriebe Zahnrad Aufbau Entraînement Engrenage
Assemblage 1
Y8 74154 Screw, Cap Schraube, Kappe Vis, Capuchon 8
Y9 74160 Key, Round Schlüssel, Rund Clé, Rond 1
Y10 74157 Body Assy Zylinderkörper Aufbau Carrosserie Assemblage 1
Y11 74153 Gear Zahnrad Pignon Engrenage 1
Y12 74158 Gear, Idler Zahnrad, Leerlauf--Nabe Engrenage, Pignon 1
Y13 74156 Key, Round Schlüssel, Rund Clé, Rond 1
Y14 74159 Washer Unterlegscheibe Rondelle 4
Y15 74161 Plug, O--Ring Stopfen, O--Ring Bouchon, O--Ring 1
Y16 59305 Kit, Seal, Hyd, Pump Satz, Dichtung, Hydraulik,
Pumpe Jeu De Pièces, Joint,
Hydraulique, Pompe 1
17 763483 Repair Info, Pump Reparatur Informationen,
Pumpe Réparation Information,
Pompe 1
Home
Find...
Go To..

COMPOSANTES -- KOMPONENTEN -- BREAKDOWNS
4-26
800 330126 (6--01)
Fig. 12 -- Hydraulic Motor Breakdown, 63426 — Hydraulik--Motor--Komponente —
Composantes moteur hydraulique
1
2
3
4
5
6
7
8
9
10
11
12
13
14
15
16
17
18
19
20
21
20
20
20
20
21
21
Home
Find...
Go To..

COMPOSANTES -- KOMPONENTEN -- BREAKDOWNS
4-27
800 330126 (6--01)
01655 -- ALL
Fig. 12 -- Hydraulic Motor Breakdown, 63426 — Hydraulik--Motor--Komponente —
Composantes moteur hydraulique
Ref.
Tennant
Part No. Description Bezeichnung Designation
Qty/
Zahl
o
63426 )Motor, Hyd Rep.By 22651 Motor, Hydraulik
Erneuert.Durch 22651 Moteur, Hydraulique
Remplacé.Par 22651 1
Y1 34180 Shaft, Bearing Welle, Lager Arbre, Axe, Palier, Roulement 1
Y2 74132 Housing, Bearing Gehäuse, Lager Boîtier, Palier 1
Y3 74133 Retainer Halterung Arrêtoir 1
Y4 37943 Bolt Bolzen Boulon 6
Y534181 Drive Antrieb Entraînement 1
Y6 34182 Gerotor Gerotor Gerotor 1
Y7 34184 Valve Plate Ventil Schild Valve Plaque Signalétique 1
Y8 34183 Valve Drive Ventil Fahrer Valve Conducteur 1
Y9 34185 Valve Ventil Valve 1
Y10 34178 Spring Feder Ressort 3
Y11 37723 Plate Schild Plaque Signalétique 1
Y12 74134 Housing Gehäuse Boîtier 1
Y13 37766 Ball Kugel Rotule 2
Y14 74137 Plug Stopfen Bouchon 2
Y15 34179 Spring Feder Ressort 2
Y16 74135 Screw, Cap Cl Schraube, Kappe Vis, Capuchon 2
Y17 74136 Screw, Cap Cl Schraube, Kappe Vis, Capuchon 2
Y18 45622 Nut Mutter Ecrou 1
Y19 45623 Key Schlüssel Clé 1
Y20 40380 Kit, Seal, Motor Satz, Dichtung, Motor Jeu De Pièces, Joint, Moteur 1
Y21 65227 Kit, Seal, Hyd, Motor Satz, Dichtung, Hydraulik,
Motor Jeu De Pièces, Joint,
Hydraulique, Moteu 1
Home
Find...
Go To..

COMPOSANTES -- KOMPONENTEN -- BREAKDOWNS
4-28
800 330126 (6--01)
Fig. 13 -- Hydraulic Motor Breakdown, 22626 — Hydraulik--Motor--Komponente —
Composantes moteur hydraulique
1
2
34
5
6
7
8
9
10
11
12
13
14
15
16
17
18
19
20
21
20
20
20
20
21
21
22
23
Home
Find...
Go To..

COMPOSANTES -- KOMPONENTEN -- BREAKDOWNS
4-29
800 330126 (6--01)
01655--09670 -- ALL
Fig. 13 -- Hydraulic Motor Breakdown, 22626 — Hydraulik--Motor--Komponente —
Composantes moteur hydraulique
Ref.
Tennant
Part No. Description Bezeichnung Designation
Qty/
Zahl
o
22626 )Motor, Hyd, Gear, [In] 29.9 B
3000 Motor, Hydraulik, Zahnrad Moteur, Hydraulique,
Engrenage 1
Y1 22629 Shaft Welle Axe 1
Y2 22630 Housing, Bearing Gehäuse, Lager Boîtier, Palier 1
Y3 22636 Retainer, Front Halterung Arrêtoir 1
Y4 37943 Bolt Bolzen Boulon 6
Y534181 Drive Antrieb Entraînement 1
Y6 74214 Geroler Set Geroler Stellen Geroler Jeu 1
Y7 34184 Valve Plate Ventil Schild Valve Plaque Signalétique 1
Y8 34183 Valve Drive Ventil Fahrer Valve Conducteur 1
Y9 34185 Valve Ventil Valve 1
Y10 34178 Spring Feder Ressort 3
Y11 37723 Plate Schild Plaque Signalétique 1
Y12 74134 Housing Gehäuse Boîtier 1
Y13 37766 Ball Kugel Rotule 2
Y14 74137 Plug Stopfen Bouchon 2
Y15 34179 Spring Feder Ressort 2
Y16 74135 Screw, Cap Cl Schraube, Kappe Vis, Capuchon 2
Y17 74136 Screw, Cap Cl Schraube, Kappe Vis, Capuchon 2
Y18 45622 Nut Mutter Ecrou 1
Y19 45623 Key Schlüssel Clé 1
Y20 22646 Kit, Seal Satz, Dichtung Jeu De Pièces, Joint 1
Y21 22645 Kit, Seal Satz, Dichtung Jeu De Pièces, Joint 1
Y74220 Kit, Seal, Hyd, Motor Satz, Dichtung, Hydraulik,
Motor Jeu De Pièces, Joint,
Hydraulique, Moteu 1
Y22 74098 Plug, O--Ring Stopfen, O--Ring Bouchon, O--Ring 1
23 74246 Repair Info,Mtr Cl Reparatur Informationen,
Pumpe Réparation Information,
Pompe 1
Home
Find...
Go To..

COMPOSANTES -- KOMPONENTEN -- BREAKDOWNS
4-30
800 330126 (6--01)
Fig. 14 -- Hydraulic Motor Breakdown, 53434 — Hydraulik--Motor--Komponente —
Composantes moteur hydraulique
1
2
3
4
56
7
8
9
11
1
05348 -- ALL
Ref.
Tennant
Part No. Description Bezeichnung Designation
Qty/
Zahl
o
53434 )Motor, Hyd, Gear, [In] 02.8 B
2500 Motor, Hydraulik, Zahnrad,
[In] 02.8 B ( Moteur, Hydraulique,
Engrenage, [In] 02. 1
Y1 61490 Kit, Replmt, Seal Satz, Erneuerung, Dichtung Jeu De Pièces,
Remplacement, Joint 1
Y2 31354 Flange Flansch Flasque 1
Yo3 58278 Output Shaft Assy Abtriebswelle Arbre Secondaire 1
YY 4 45628 Bearing, Thrust Lager, Schub Palier, Poussée 1
YY 516695 Race Thrust Rennen Schub Chemin De Roulement
Poussée 1
Y6 34176 Drive Getriebe Entraînement 1
Y7 58270 Geroler Set Geroler Stellen Geroler Jeu 1
Y8 00500--15 Key, Woodruff Schlüssel, Woodruff Clé, Woodruff 1
Y939527 Nut, Hex, Sltd, .75--16 Sechskantmutter Écrou Hexagona 1
Home
Find...
Go To..

COMPOSANTES -- KOMPONENTEN -- BREAKDOWNS
4-31
800 330126 (6--01)
Fig. 15 -- Hydraulic Motor Breakdown, 79781 — Hydraulik--Motor--Komponente —
Composantes moteur hydraulique
1
2
4
56
7
1
1
3
13
11
12
10
9
8
07716--09670 -- ALL
Ref.
Tennant
Part No. Description Bezeichnung Designation
Qty/
Zahl
o
79781 )Motor, Hyd, Gear, [In] 17.9 B
1500 Motor, Hydraulik, Zahnrad,
[In] 17.9 Moteur, Hydraulique,
Engrenage, [In] 17 1
Y1 61490 Kit, Replmt, Seal Satz, Erneuerung, Dichtung Jeu De Pièces,
Remplacement, Joint 1
Y2 79782 Flange Flansch Flasque 1
Y3 16694 Shaft, Output Welle, Output Axe, Rendement 1
Y4 45628 Bearing, Thrust Lager, Schub Palier, Poussée 1
Y516695 Race Thrust Rennen Schub Chemin De Roulement
Poussée 1
Y6 31380 Drive Getriebe Entraînement 1
Y7 31385 Gerotor Set Gerotor Stellen Gerotor Jeu 1
Y8 37555 Screw Schraube Vis 4
Y9 74100 Housing Gehäuse Boîtier 1
Y10 74094 Spacer Distanzstück Entretoise 1
Y11 74101 End Cap Cl Ende, Kappe Terminal, Capuchon 1
Y12 65232 Cap Screw Cl Schraube, Kappe Vis, Capuchon 5
Y13 74250 Instruction, Repair, Motor Reparatur Informationen,
Pumpe Réparation Information,
Pompe 1
Home
Find...
Go To..

COMPOSANTES -- KOMPONENTEN -- BREAKDOWNS
4-32
800 330126 (6--01)
Fig. 16 -- Hydraulic Motor Breakdown, 19117 — Hydraulik--Motor--Komponente —
Composantes moteur hydraulique
1
05190 -- ALL
Ref. Tennant
Part No. Description Bezeichnung Designation
Qty/
Zahl
o
19117 )Motor, Hyd, Gear, [Ex] .16 L
2300 Motor, Hydraulik, Zahnrad,
[Ex].16 Lä Moteur, Hydraulique,
Engrenage, [Ex] 1
Y1 00954 Key, Sq, 0.12 X 0.12, 01.00l Schlüssel, Quadratisch, 0.12
X 0.12, 01. Clé, Carré, 0.12 X 0.12,
01.00de Long 1
Y74233 Kit, Seal, Gear, Hyd Motor Satz, Dichtung, Zahnrad,
Hydraulik Motor Jeu De Pièces, Joint,
Engrenage, Hydraul 1
Home
Find...
Go To..

COMPOSANTES -- KOMPONENTEN -- BREAKDOWNS
4-33
800 330126 (6--01)
Fig. 17 -- Hydraulic Motor Breakdown, 63542 — Hydraulik--Motor--Komponente —
Composantes moteur hydraulique
1
10556 -- ALL
Ref. Tennant
Part No. Description Bezeichnung Designation
Qty/
Zahl
o
63542 )Motor, Hyd, Gear, [In] 10.0 B
3000 Motor, Hydraulik, Zahnrad,
[In] Moteur, Hydraulique,
Engrenage, [In] 1
Y1 00960 Key, Sq, 0.12 X 0.12, 00.50l Schlüssel, Quadratisch, 0.12
X 0.12, 00. Clé, Carré, 0.12 X 0.12,
00.50de Long 1
Y74233 Kit, Seal, Gear, Hyd Motor Satz, Dichtung, Zahnrad,
Hydraulik Motor Jeu De Pièces, Joint,
Engrenage, Hydraul 1
Home
Find...
Go To..

COMPOSANTES -- KOMPONENTEN -- BREAKDOWNS
4-34
800 330126 (6--01)
Fig. 18 -- Hydraulic Steering Valve Breakdown, 65242 — Hydraulik--Lenkventil--Komponente —
Composantes soupape de direction hydraulique
1
2
3
4
5
6
7
8
11
11
11
11
Not sold seperately
O--ring Groove
Back Side
10 9
11
Not sold seperately
13
O--ring Groove
Back Side
O--ring Groove
Back Side
Not sold seperately
12
09936--09670 -- ALL
Ref. Tennant
Part No. Description Bezeichnung Designation
Qty/
Zahl
o
65242 )Steer--Control, Hyd#4, 04.5
1300 Lenkungssteuerung,
Hydraulik#4, 04.5 130 Commande De Direction,
Hydraulique#4, 04 1
Y1 74174 Cap, Screw Kappe, Schraube Capuchon, Vis 6
Y2 74194 Cap, End Kappe, Ende Capuchon, Extrémité 1
Y3 65235 Gerotor Set Gerotor Stellen Gerotor Jeu 1
Y4 74182 Plate, Wear Schild, Abnutzung Plaque Signalétique, Usure 1
Y558596 Drive Getriebe Entraînement 1
Y6 74218 Pin Stift Goupille 1
Y7 74109 Race, Bearing Rennen, Lager Chemin De Roulement, Palier 2
Y8 74110 Bearing, Needle Lager, Nadel Palier, Aiguille 1
Y9 74112 Bushing, Seal Durchführung, Dichtung Bague, Joint 1
Y10 74111 Retainer, Ring Halterung, Ring Arrêtoir, Bague 1
Y11 74190 Kit, Seal, Hyd, Scu Satz, Dichtung, Hydraulik,
Lenkungssteue Jeu De Pièces, Joint,
Hydraulique, Scu 1
Y12 74195 Kit, Spring Satz, Feder Jeu De Pièces, Ressort 1
13 74251 Instruction, Repair Reparatur Informationen,
Pumpe Réparation Information,
Pompe 1
Home
Find...
Go To..

COMPOSANTES -- KOMPONENTEN -- BREAKDOWNS
4-35
800 330126 (6--01)
Fig. 19 -- Hydraulic Solenoid Valve Breakdown, 84015 — Hydraulik--Zugmagnetventil--Komponente —
Composantes soupape magnétique du système hydraulique
1
2
3
4
5
4
07639 -- ALL
Ref. Tennant
Part No. Description Bezeichnung Designation
Qty/
Zahl
o
84015 )Valve, Hyd Ventil, Hydraulik Valve, Hydraulique 1
Yo1 79739 Valve, Stem Ventil, Stiel Valve, Voix 1
YY 2 79731 Nut Mutter Ecrou 1
YY 3 79711 Kit, Seal, Hyd, Valve Satz, Dichtung, Hydraulik,
Ventil Jeu De Pièces, Joint,
Hydraulique, Valve 1
YY 4 79740 Kit, Seal, Hyd, Valve Satz, Dichtung, Hydraulik,
Ventil Jeu De Pièces, Joint,
Hydraulique, Valve 1
Y521917 Solenoid, 12v Magnetspule, 12keilriemen Solénoïde, 12courroie
Trapézoïdale 1
Home
Find...
Go To..

COMPOSANTES -- KOMPONENTEN -- BREAKDOWNS
4-36
800 330126 (6--01)
Fig. 20 -- Hydraulic Valve Breakdown, 375563 — Hydraulik--Ventil--Komponente —
Composantes soupape hydraulique
1
17
Not sold seperately
2
3
4
5
6
7
8
9
10
11
12
13
14
15
16 16
16
16
16
CONTROL VALVE
Spool #1 Hopper Lift
Spool #2 Hopper Dump
Spool #3 Hopper Door
Spool
Spool
Spool #1
#2
#3
Home
Find...
Go To..

COMPOSANTES -- KOMPONENTEN -- BREAKDOWNS
4-37
800 330126 (6--01)
10408--09670 -- ALL
Fig. 20 -- Hydraulic Valve Breakdown, 375563 — Hydraulik--Ventil--Komponente —
Composantes soupape hydraulique
Ref. Tennant
Part No. Description Bezeichnung Designation
Qty/
Zahl
o
375563 )Valve, Hyd Control Man Ventil, Hydraulik Valve, Hydraulique 1
Y1 79822 Spacer Distanzstück Entretoise 3
Y2 79786 Plunger Kolben Plongeur 3
Y3 79787 Spring Feder Ressort 3
Y4 79823 Plug Stopfen Bouchon 1
Y579788 Bushing Durchführung Bague 3
Y6 79789 Cap Assy Kappe Aufbau Capuchon Assemblage 3
Y7 79790 Plug Assembly En Stopfen, Baugruppe Bouchon, Assemblage 1
Y8 79791 P0ppet Hilfsventilplättchen Obturateur 1
Y9 79792 Retainer, Ring Halterung, Ring Arrêtoir, Bague 3
Y10 79793 Shim .035 Thk En Ausgleichscheibe Cale De Reglage 1
Y10 79798 Shim .015 Thk En Ausgleichscheibe Cale De Reglage 1
Y10 79799 Shim .010 Thk En Ausgleichscheibe Cale De Reglage 1
Y11 79794 Washer Unterlegscheibe Rondelle 3
Y12 79795 Plug, W/ O--Ring Stopfen, Breit/ O--Ring Bouchon, De Large/ O--Ring 3
Y13 79824 Spring Feder Ressort 3
Y14 79797 Spring Feder Ressort 1
Y15 13904 Plug, O--Ring Stopfen, O--Ring Bouchon, O--Ring 1
Y16 79812 Kit, Seal, Hyd, Valve Satz, Dichtung, Hydraulik,
Ventil Jeu De Pièces, Joint,
Hydraulique, Valve 1
Y17 79820 Instruction, Repair, Valve Reparatur Informationen,
Pumpe Réparation Information,
Pompe 1
Home
Find...
Go To..

COMPOSANTES -- KOMPONENTEN -- BREAKDOWNS
4-38
800 330126 (6--01)
Fig. 21 -- Hydraulic Solenoid Valve Breakdown, 84014 — Hydraulik--Zugmagnetventil--Komponente —
Composantes soupape magnétique du système hydraulique
15 15
1
12
9
6
5
14
11
3
3
9
9
1
7
16
17
3
3
15
16
17
17
17
1
2
2
16
17
10
18
18
13
4
8
4
4
4
8
4
4
Home
Find...
Go To..

COMPOSANTES -- KOMPONENTEN -- BREAKDOWNS
4-39
800 330126 (6--01)
07644 -- 800
Fig. 21 -- Hydraulic Solenoid Valve Breakdown, 84014 — Hydraulik--Zugmagnetventil--Komponente —
Composantes soupape magnétique du système hydraulique
Ref. Tennant
Part No. Description Bezeichnung Designation
Qty/
Zahl
o
84014 )Valve, Hyd Ventil, Hydraulik Valve, Hydraulique 1
Yo1 79739 Valve, Stem Ventil, Stiel Valve, Voix 3
YY 2 79731 Nut Mutter Ecrou 1
YY 3 79711 Kit, Seal, Hyd, Valve Satz, Dichtung, Hydraulik,
Ventil Jeu De Pièces, Joint,
Hydraulique, Valve 1
YY 4 79740 Kit, Seal, Hyd, Valve Satz, Dichtung, Hydraulik,
Ventil Jeu De Pièces, Joint,
Hydraulique, Valve 1
Yo579719 Valve Stem 4w2p Ventil, Stiel Valve, Voix 1
YY 6 79728 Nut Mutter Ecrou 1
YY 7 79711 Kit, Seal, Hyd, Valve Satz, Dichtung, Hydraulik,
Ventil Jeu De Pièces, Joint,
Hydraulique, Valve 1
YY 8 79740 Kit, Seal, Hyd, Valve Satz, Dichtung, Hydraulik,
Ventil Jeu De Pièces, Joint,
Hydraulique, Valve 1
Y9 21917 Solenoid, 12v Magnetspule, 12keilriemen Solénoïde, 12courroie
Trapézoïdale 4
Yo10 74146 Cart, Check Valve Karre, Kontrolle Ventil Charrette, Controle Valve 1
YY 11 79711 Kit, Seal, Hyd, Valve Satz, Dichtung, Hydraulik,
Ventil Jeu De Pièces, Joint,
Hydraulique, Valve 1
Yo12 65240 Valve, Relief Ventil, Entlastung Valve, Décharge 1
YY 13 79711 Kit, Seal, Hyd, Valve Satz, Dichtung, Hydraulik,
Ventil Jeu De Pièces, Joint,
Hydraulique, Valve 1
Yo14 74268 Cart, Flow Ct 1.5 Patrone Cartouche 1
YY 15 79711 Kit, Seal, Hyd, Valve Satz, Dichtung, Hydraulik,
Ventil Jeu De Pièces, Joint,
Hydraulique, Valve 1
Y16 13902 Plug, O--Ring Stopfen, O--Ring Bouchon, O--Ring 6
Y17 74098 Plug, O--Ring Stopfen, O--Ring Bouchon, O--Ring 5
Y18 13904 Plug, O--Ring Stopfen, O--Ring Bouchon, O--Ring 3
Home
Find...
Go To..

COMPOSANTES -- KOMPONENTEN -- BREAKDOWNS
4-40
800 330126 (6--01)
Fig. 22 -- Hydraulic Solenoid Valve Breakdown, 84016 — Hydraulik--Zugmagnetventil--Komponente —
Composantes soupape magnétique du système hydraulique
1
3
4
5
6
7
8
8
8
4
2
10499 -- ALL
Ref. Tennant
Part No. Description Bezeichnung Designation
Qty/
Zahl
o
84016 )Valve, Hyd Ventil, Hydraulik Valve, Hydraulique 1
Yo1 79719 Valve Stem 4w2p Ventil, Stiel Valve, Voix 1
YY 2 79728 Nut Mutter Ecrou 1
YY 3 79711 Kit, Seal, Hyd, Valve Satz, Dichtung, Hydraulik,
Ventil Jeu De Pièces, Joint,
Hydraulique, Valve 1
YY 4 79740 Kit, Seal, Hyd, Valve Satz, Dichtung, Hydraulik,
Ventil Jeu De Pièces, Joint,
Hydraulique, Valve 1
Y521917 Solenoid, 12v Magnetspule, 12keilriemen Solénoïde, 12courroie
Trapézoïdale 1
Yo6 74145 Valve, Cartridge, Cntrl, Pilot Ventil, Filterpatrone, Steuern,
Führung Valve, Cartouche,
Commander, Pilote 1
YY 7 79711 Kit, Seal, Hyd, Valve Satz, Dichtung, Hydraulik,
Ventil Jeu De Pièces, Joint,
Hydraulique, Valve 1
Y8 13902 Plug, O--Ring Stopfen, O--Ring Bouchon, O--Ring 3
Home
Find...
Go To..

COMPOSANTES -- KOMPONENTEN -- BREAKDOWNS
4-41
800 330126 (6--01)
Fig. 23 -- Hydraulic Cylinder Breakdown, 53601 — Hydraulik--Zylinder--Komponente —
Composantes cylindre hydraulique
1
1
1
07494 -- ALL
Ref. Tennant
Part No. Description Bezeichnung Designation
Qty/
Zahl
o
53601 )Cylinder, Hyd, 2.0b, .
L,08.00strk,1500 Zylinder, Hydraulik Cylindre, Hydraulique 1
Y1 04483 Kit, Seal, Hyd Satz, Dichtung, Hydraulik Jeu De Pièces, Joint,
Hydraulique 1
Home
Find...
Go To..

COMPOSANTES -- KOMPONENTEN -- BREAKDOWNS
4-42
800 330126 (6--01)
Fig. 24 -- Hydraulic Cylinder Breakdown, 62975 — Hydraulik--Zylinder--Komponente —
Composantes cylindre hydraulique
1
1
1
10404 -- ALL
Ref. Tennant
Part No. Description Bezeichnung Designation
Qty/
Zahl
o
62975 )Cylinder, Hyd, 4.0b, .
L,14.50strk,2500 Zylinder, Hydraulik Cylindre, Hydraulique 1
Y1 79783 Kit, Seal, Hyd, Cylinder Satz, Dichtung, Hydraulik,
Zylinder Jeu De Pièces, Joint,
Hydraulique, Cylin 1
2 79784 Repair Info, Cyl Reparatur Informationen, Zyl. Réparation Information,
Cylindre 1
Home
Find...
Go To..

COMPOSANTES -- KOMPONENTEN -- BREAKDOWNS
4-43
800 330126 (6--01)
Home
Find...
Go To..

COMPOSANTES -- KOMPONENTEN -- BREAKDOWNS
4-44
800 330126 (6--01)
Fig. 25 -- Cab
Assembly
— Fahrerhaus Baugruppe —
Assemblage Cabine
1
2
3,11
4
5
6
7
8
17
18
19
13
15
22
29
21
16
10
14
12
9
28
33
25
24
27
30
30
14
20
23
26
29
30
30
29
29
29
27
29
31
32 29
Home
Find...
Go To..

COMPOSANTES -- KOMPONENTEN -- BREAKDOWNS
4-45
800 330126 (6--01)
353528 -- ALL
Fig. 25 -- Cab Assembly
— Fahrerhaus Baugruppe —
Assemblage Cabine
NOTE: The Cab Assembly, TENNANT Part Number 380602 includes Fig. 25, Fig. 26, Fig. 27, and Fig. 28.
HINWEIS: Fahrerhaus Baugruppe, Tennant--Bestell--Nr. 380602, enthälten Fig. 25, Fig. 26, Fig. 27 und Fig. 28.
REMARQUE: Assemblage Cabine, tennant article n°380602, comprend Fig. 25, Fig. 26, Fig. 27 et Fig. 28.
Ref. Tennant
Part No. Description Bezeichnung Designation
Qty/
Zahl
1380732 )Cab Assy, W/ Label And
Mirror, [800g] Kabine Aufbau, Breit/
Aufkleber, [800g] Cabine Assemblage, De
Large/ Autocollant 1
1 374758 Cab Assy, Lpg, W/Mirror
800/810 Kabine Aufbau, Breit/
Aufkleber Cabine Assemblage, De
Large/ Autocollant 1
o
2 75822 Pane, Glass, Winshield Scheibe, Glas Vitre, Verre 1
Y3 374769 Sealant, Silicone, [Ge#1203
Black] Tube Sealant, Silicone, [Ge#1203
Black] Tube Sealant, Silicone, [Ge#1203
Black] Tube 1
o
475823 Pane, Glass, Sliding Scheibe, Glas Vitre, Verre 1
Y
o
5 21307 Glass Assy, Front Cab Glas Aufbau, Vorderseite
Kabine Verre Assemblage, Avant
Cabine 1
YY 6 374750 Latch, Window, Cab Sperre Loquet 1
Y
o
7 21308 Pane, Glass Scheibe, Glas Vitre, Verre 1
YY 8 374750 Latch, Window, Cab Sperre Loquet 1
Y
o
921309 FrameAssy--CabJd Rahmen Kpl. Ensemble De Châssis 1
YY 10 374765 Keeper, Latch, Window Schutzring, Sperre Détente, Loquet 1
Y11 374769 Sealant, Silicone, [Ge#1203
Black] Tube Sealant, Silicone, [Ge#1203
Black] Tube Sealant, Silicone, [Ge#1203
Black] Tube 1
12 21310 Seal Kit Jd Dichtsatz Kit de Joint d’etancheite 1
13 75824 Pane, Glass Scheibe, Glas Vitre, Verre 1
14 75825 Spacer Distanzstück Entretoise 5
15 76948 Gasket Dichtungen Joint 2
16 76950 Latch Riegel Loquet 1
17 76971 Ring, Rear Window Ring, Heck Fenster Bague, Arrière Fenêtre 1
18 380708 Pin, Drive Stift, Fahrer Goupille, Conducteur 1
19 76973 Seal Dichtung Joint 1
20 76977 Motor, Ele, Wiper Motor, El, Wischer Moteur, Électrique,
Essuie--Glace 1
21 76980 Arm Arm Bras 1
22 76982 Arm, Wiper Arm, Wischer Bras, Essuie--Glace 1
23 76985 Switch Schalter Interrupteur 1
24 380694 Label, Wiper Aufkleber Autocollant 1
o
25 76996 Lamp Assembly, Dome, 12v Lampe Baugruppe,
Überzogener Dorn, 12kei Lampe Assemblage, Dôme,
12courroie Trapé 1
Y374759 Lamp, 12vdc 15watt [T 4.75] Lampe Lampe 1
26 380577 Harness, Wiper / Light/ A/C,
Cab, [800l] Kabelbaum, Wischer / Licht/
A/Mitte, Kab Faisceau De Fils,
Essuie--Glace / Léger/ 1
27 77811 Grommet Tülle Passe--Fil 2
28 77812 Wire Draht Fil 2
29 77813 Spacer Distanzstück Entretoise 8
30 77814 Closure Verschluß Fermeture 4
31 77815 Disconnect, Male Trennung, Stecker Déconnexion, Mâle 2
29 380692 Molding, Trim, .08--.11 26.50l FormgußProfil,
Zurechtmachen Pièce Moulée, Garniture 1
32 380692 Molding, Trim, .08--.11 26.50l FormgußProfil,
Zurechtmachen Pièce Moulée, Garniture 1
33 380695 Seal, Window Dichtung, Fenster Joint, Fenêtre 1
Home
Find...
Go To..

COMPOSANTES -- KOMPONENTEN -- BREAKDOWNS
4-46
800 330126 (6--02)
Fig. 26 -- Cab Door
Assembly
— Fahrerhaus--Klappen--Baugruppe —
Assemblage porte cabine
1
2
3
5
7
10
11
12
13
17
18
14
15
9
4
19
6
16
8
20
Home
Find...
Go To..

COMPOSANTES -- KOMPONENTEN -- BREAKDOWNS
4-47
800 330126 (6--01)
08784 -- ALL
Fig. 26 -- Cab Door
Assembly
— Fahrerhaus--Klappen--Baugruppe —
Assemblage porte cabine
NOTE: The Cab Assembly, TENNANT Part Number 380602 includes Fig. 25, Fig. 26, Fig. 27, and Fig. 28.
HINWEIS: Fahrerhaus Baugruppe, Tennant--Bestell--Nr. 380602, enthälten Fig. 25, Fig. 26, Fig. 27 und Fig. 28.
REMARQUE: Assemblage Cabine, tennant article n°380602, comprend Fig. 25, Fig. 26, Fig. 27 et Fig. 28.
Ref. Tennant
Part No. Description Bezeichnung Designation
Qty/
Zahl
o
75821 )Door Klappe Porte 1
Y1 77816 Door Klappe Porte 1
Y
o
2 77817 Pane, Sliding Scheibe, Glas Vitre, Verre 1
YY 3 21311 Glass Assy, Front Door Glas Aufbau, Vorderseite
Klappe Verre Assemblage, Avant
Porte 1
YY
Y4 374750 Latch, Window, Cab Sperre Loquet 1
YY 521312 Pane, Glass Scheibe, Glas Vitre, Verre 1
YY
Y6 374750 Latch, Window, Cab Sperre Loquet 1
YY 7 21313 Frame, Door Gestell, Klappe Porte 1
YY 8 374765 Keeper, Latch, Window Schutzring, Sperre Détente , Loquet 1
YY 9 374769 Sealant, Silicone, [Ge#1203
Black] Tube Sealant, Silicone, [Ge#1203
Black] Tube Sealant, Silicone, [Ge#1203
Black] Tube 1
Y10 77821 Link, Connecting Gestänge, Glied Bielette, Maillon 1
Y11 77822 Pin Stift, Bolzen Goupille, Axe 2
Y12 77823 Plate Schild Plaque Signalétique 1
Y13 77824 Insulation, Foam Isolation, Schaum Isolation, Mousse 1
Y
o
14 77818 Paddle, Handle Paddel, Handgriff Pale, Poignée 1
YY 21150 Key, Door, Set Of Two Keil, Satz Clavette, Jeu 1
Y15 77819 Bracket Bügel Support 2
Y16 77820 Clam Latch Sperre Loquet 1
17 58490 Pin Stift Goupille 1
18 76976 Shim Füllstück Cale De Réglage 2
19 374757 Kit,Seal, Glass, Door, Cab
[800l] Dichtsatz Kit de Joint d’etancheite 1
20 311336 Armrest, Black [Seats
Inc#152685vn20] Speziell’S Schablone Spécial’S Gabarit 1
Home
Find...
Go To..

COMPOSANTES -- KOMPONENTEN -- BREAKDOWNS
4-48
800 330126 (6--01)
Fig. 27 -- Cab Insulation Group — Fahrerhaus--Schalldämpfungsi--Gruppe —
Groupe Mousse Isolation acoustique cabine
1
2
3
4
5
6
7
8
9
10
11
12
Home
Find...
Go To..

COMPOSANTES -- KOMPONENTEN -- BREAKDOWNS
4-49
800 330126 (6--01)
08953 -- ALL
Fig. 27 -- Cab Insulation Group — Fahrerhaus--Schalldämpfungsi--Gruppe —
Groupe Mousse Isolation acoustique cabine
NOTE: The Cab Assembly, TENNANT Part Number 380602 includes Fig. 25, Fig. 26, Fig. 27, and Fig. 28.
HINWEIS: Fahrerhaus Baugruppe, Tennant--Bestell--Nr. 380602, enthälten Fig. 25, Fig. 26, Fig. 27 und Fig. 28.
REMARQUE: Assemblage Cabine, tennant article n°380602, comprend Fig. 25, Fig. 26, Fig. 27 et Fig. 28.
Ref. Tennant
Part No. Description Bezeichnung Designation Qty/
Zahl
177800 )Headliner, front Schalldämpfungsi Mousse Isolation acoustique 1
2 77801 Headliner, rear Schalldämpfungsi Mousse Isolation acoustique 1
3 77802 Insulation, foam Schalldämpfungsi Mousse Isolation acoustique 1
4 77803 Insulation, foam Schalldämpfungsi Mousse Isolation acoustique 1
5 77804 Insulation, foam Schalldämpfungsi Mousse Isolation acoustique 1
677805 Insulation, foam Schalldämpfungsi Mousse Isolation acoustique 1
7 77806 Insulation, foam Schalldämpfungsi Mousse Isolation acoustique 1
8 77807 Insulation, foam Schalldämpfungsi Mousse Isolation acoustique 1
9 77808 Insulation, foam Schalldämpfungsi Mousse Isolation acoustique 1
10 77809 Insulation, foam Schalldämpfungsi Mousse Isolation acoustique 1
o
76521 Kit, insulation, sound Schalldämpfungsi Mousse Isolation acoustique 1
Y11 76516 Insulation, s/foam, front Schalldämpfungsi Mousse Isolation acoustique 1
Y12 77652 Insulation, foam Schalldämpfungsi Mousse Isolation acoustique 1
Home
Find...
Go To..

COMPOSANTES -- KOMPONENTEN -- BREAKDOWNS
4-50
800 330126 (6--01)
Fig. 28 -- Cab Wire Harness Group — Fahrerhaus Kabelstrang Gruppe — Groupe faisceau de fils Cabine
1
NOTE: The Cab Assembly, TENNANT Part Number 380602 includes Fig. 25, Fig. 26, Fig. 27, and Fig. 28.
HINWEIS: Fahrerhaus Baugruppe, Tennant--Bestell--Nr. 380602, enthälten Fig. 25, Fig. 26, Fig. 27 und Fig. 28.
REMARQUE: Assemblage Cabine, tennant article n°380602, comprend Fig. 25, Fig. 26, Fig. 27 et Fig. 28.
351143 -- ALL
Ref. Tennant
Part No. Description Bezeichnung Designation Qty/
Zahl
1380577 )Harness, Cab Kabelstrang Faisceau De Fils 1
Home
Find...
Go To..

COMPOSANTES -- KOMPONENTEN -- BREAKDOWNS
4-51
800 330126 (6--01)
Fig. 29 -- AC Condenser Box Breakdown, 380625 —
Komponente des Luftkonditionierungs--Kondensatorgehäuses—
Elément de boîtier de condenateur de climatisation
1
2
3
4
5
6
7
8
9
10
3
3
3
350830 -- ALL
Ref. Tennant
Part No. Description Bezeichnung Designation
Qty/
Zahl
o
380625 )Condenser Kondensator Condensator 1
Y1 380666 Housing, Condenser Gehäuse, Kondensator Boîtier, Condensateur 1
Y2 380667 Coil, Condenser Spule, Kondensator Bobine, Condensateur 1
Y3 380668 Spacer, Condenser Distanzstück, Kondensator Entretoise, Condensateur 6
Y4 380669 Fan Ventilator Ventilateur 2
Y5380670 Fan, Foot Ventilator, Fuß Ventilateur, Pied 8
Y6 380671 Fitting Armatur Raccord 1
Y7 380672 Switch, Pressure Schalter, Druck Interrupteur, Pression 1
Y8 380627 Kit, Dryer Satz, Trockner Jeu De Pièces, Séchoir 1
Y9 380628 Clamp Klemme Attache 1
Y10 380626 Tube Rohr Tube 1
Home
Find...
Go To..

COMPOSANTES -- KOMPONENTEN -- BREAKDOWNS
4-52
800 330126 (6--02)
Fig. 30 -- AC and Heater Box Breakdown, 380613 —
Komponente des Luftkonditionierungs-- und Heizungsgehäuses —
Elément de boîtier de climatisation et radiateur
1
1
1
2
3
4
5
67
8
1
9
10 9
Home
Find...
Go To..

COMPOSANTES -- KOMPONENTEN -- BREAKDOWNS
4-53
800 330126 (6--02)
350826 -- ALL
Fig. 30 -- AC and Heater Box Breakdown, 380613 —
Komponente des Luftkonditionierungs-- und Heizungsgehäuses —
Elément de boîtier de climatisation et radiateur
Ref. Tennant
Part No. Description Bezeichnung Designation Qty/
Zahl
o
380613 )Box Assy, Heat/Ac Kasten Aufbau, Heizer,
A/Mitte Boîtier Assemblage, Appareil
De Chauffa 1
Y1 388407 Housing Assembly Gehäuse, Heizer Boîtier, Appareil De
Chauffage 1
Y2 87579 Latch, Tension Riegel, Spannung Loquet, Tension 1
Y3 380649 Blower, Heat/Ac Gebläse, Heizer Compresseur, Appareil De
Chauffage 1
Y4 380650 Heater Coil Spule, Heizung Bobine, Appareil De Chauf-
fage 1
Y5380651 Coil, Evaporator Spule, Verdampfer Bobine, Évaporateur 1
Y6 380652 Valve, Expansion Ventil, Ausdehnung Valve, Dilatation 1
Y7 380578 A/C Hose#10 134A Schlauch Tuyau 1
Y8 380579 A/C Hose #6 134A Schlauch Tuyau 1
Y9 380659 Duck Bill Ventil, Ablassen Valve, Vidange 4
Y10 380616 Gasket, Box/Cab Dichtungen, Kasten/Kabine Joint, Boîtier/Cabine 1
Home
Find...
Go To..

COMPOSANTES -- KOMPONENTEN -- BREAKDOWNS
4-54
800 330126 (6--02)
Fig. 31 -- Heater Box Breakdown, 380614 — Komponente des Heizungsgehäuses —
Elément de boîtier de radiateur
1
1
1
2
3
5
54
1
6
96
7
8
Home
Find...
Go To..

COMPOSANTES -- KOMPONENTEN -- BREAKDOWNS
4-55
800 330126 (6--02)
350828 -- ALL
Fig. 31 -- Heater Box Breakdown, 380614 — Komponente des Heizungsgehäuses —
Elément de boîtier de radiateur
Ref. Tennant
Part No. Description Bezeichnung Designation Qty/
Zahl
o
380614 )Box Assy, Heat Kasten Aufbau, Heizer Boîtier Assemblage, Appareil
De Chauffa 1
Y1 388407 Housing Assembly Gehäuse, Heizer Boîtier, Appareil De
Chauffage 1
Y2 87579 Latch, Tension Riegel, Spannung Loquet, Tension 1
Y3 380649 Blower, Heat/Ac Gebläse, Heizer Compresseur, Appareil De
Chauffage 1
Y4 380650 Heater Coil Spule, Heizung Bobine, Appareil De Chauf-
fage 1
Y5380660 Brkt,Mtg,Htr Coil Bügel, Montage, Heizer Support, Montage, Appareil
De Chauffage 2
Y6 380659 Duck Bill Ventil, Ablassen Valve, Vidange 4
Y7 57167 Plugbtn .62H .03--.12 Blacknyl Kerzen--Knopf Bouchon 1
Y8 82727 Plugbtn .88H .03--.12 Blacknyl Kerzen--Knopf Bouchon 1
Y9380616 Gasket, Box/Cab Dichtungen, Kasten/Kabine Joint, Boîtier/Cabine 1
Home
Find...
Go To..

COMPOSANTES -- KOMPONENTEN -- BREAKDOWNS
4-56
800 330126 (6--01)
Fig. 32 -- Right Hand (Rh) Brake Assy, 77790 — Rechts Brems Satz —
Côté Droit, À Droite Ensemble Frein
1
2
3
4
5
8
6
7
9
5
4
Home
Find...
Go To..

COMPOSANTES -- KOMPONENTEN -- BREAKDOWNS
4-57
800 330126 (6--01)
353623 -- ALL
Fig. 32 -- Right Hand (Rh) Brake Assy, 77790 — Rechts Brems Satz —
Côté Droit, À Droite Ensemble Frein
Ref. Tennant
Part No. Description Bezeichnung Designation Qty/
Zahl
o
77790 )Brake, rh Bremse, rechts Frein, droit 1
Y1 77768 Backing Plate Rh Gegenplatte Plaque D’appui 1
Y2 70613 Shoe, brake Bremsbacken Patin (De Frein) 1
Y3 70612 Shoe, brake Bremsbacken Patin (De Frein) 1
Y4 21728 Spring, hold down Feder Ressort 2
Y570617 Spring, return Feder, zurückkehren Ressort, retour 2
Y6 70618 Spring, return Feder, zurückkehren Ressort, retour 1
Y7 70609 Cylinder, wheel, brake Zylinder Cylindre 1
Y8 70603 Clamp, hold down Klemme Attache 1
Y970615 Adjuster, manual Einsteller, Versteller Pièce De Réglage 1
Home
Find...
Go To..

COMPOSANTES -- KOMPONENTEN -- BREAKDOWNS
4-58
800 330126 (6--01)
Fig. 33 -- Left Hand (L.h.)Brake Assy, 77770 — Links Brems Satz —
À Gauche (À G.) Ensemble Frein
1
2
3
4
5
8
6
7
9
5
4
Home
Find...
Go To..

COMPOSANTES -- KOMPONENTEN -- BREAKDOWNS
4-59
800 330126 (6--01)
353624 -- ALL
Fig. 33 -- Left Hand (L.h.)Brake Assy, 77770 — Links Brems Satz —
À Gauche (À G.) Ensemble Frein
Ref. Tennant
Part No. Description Bezeichnung Designation Qty/
Zahl
o
77770 )Brake, lh Bremse, links Frein, gauche 1
Y1 77769 Plate, backing, lh Platte Plaque, Plateau 1
Y2 70613 Shoe, brake Bremsbacken Patin (De Frein) 1
Y3 70611 Shoe, brake Bremsbacken Patin (De Frein) 1
Y4 21728 Spring, hold down Feder Ressort 2
Y570617 Spring, return Feder, zurückkehren Ressort, retour 2
Y6 70618 Spring, return Feder, zurückkehren Ressort, retour 1
Y7 70609 Cylinder, wheel, brake Zylinder Cylindre 1
Y8 70603 Clamp, hold down Klemme Attache 1
Y970615 Adjuster, manual Einsteller, Versteller Pièce De Réglage 1
Home
Find...
Go To..

COMPOSANTES -- KOMPONENTEN -- BREAKDOWNS
4-60
800 330126 (6--01)
Home
Find...
Go To..

COMPOSANTES MOTEUR -- MOTOR KOMPONENTEN -- 2.3L ENGINE PARTS
5-1
800 330126 (6--02)
SECTION
ABSCHNITT
CHAPITRE
CONTENTS
INHALTSVERZEICHNIS PAGE/
TABLE DES MATIERES SEITE
Fig. 1 -- Cylinder Block Group
Zylinderblock--Gruppe
Groupe bloc cylindres 5-2...................................................................
Fig. 2 -- Gaskets Group
Dichtungen--Gruppe
Groupe joints 5-4..........................................................................
Fig. 3 -- Cylinder Head Group
Zylinderkopf--Gruppe
Groupe culasse 5-6........................................................................
Fig. 4 -- Front Cover Group
Vorderhauben--Gruppe
Groupe couvercle avant 5-7.................................................................
Fig. 5 -- Starter Breakdown
Anlasser--Komponente
Composantes démarreur 5-8................................................................
Fig. 6 -- Oil Pan Group
Ölwannen--Gruppe
Groupe carter inférieur 5-10.................................................................
Fig. 7 -- Crankshaft Group
Kurbelwellen--Gruppe
Groupe carter de vilebrequin 5-12............................................................
Fig. 8 -- Manifolds Group
Krümmergruppe
Groupe collecteur 5-14.....................................................................
Fig. 9 -- Flywheel Group
Schwungrad--Gruppe
Groupe volant--moteur 5-15.................................................................
Fig. 10 -- Camshaft Group
Nockenwellen--Gruppe
Groupe arbre à cames 5-16.................................................................
Fig. 11 -- Valve, Rocker Arm Group
Ventil--Kipphebel--Gruppe
Groupe soupape, culbuteur 5-18.............................................................
Fig. 12 -- Piston Group
Kolben--Gruppe
Groupe Piston 5-20........................................................................
Fig. 13 -- Water Pump Group
Wasserpumpen--Gruppe
Groupe pompe à eau 5-21..................................................................
Fig. 14 -- Ignition Group
Zündungsgruppe
Groupe allumage 5-22......................................................................
5
Home
Find...
Go To..

2.3L ENGINE PARTS -- MOTOR KOMPONENTEN -- COMPOSANTES MOTEUR
800 330126 (6--02)
5-2
Fig. 1 -- Cylinder Block Group — Zylinderblock--Gruppe — Groupe bloc cylindres
3
1
2
4
5
6
7
8
9
10
11
12
13
14
15
16
17
18
19
20
8
6
21
21
Home
Find...
Go To..

COMPOSANTES MOTEUR -- MOTOR KOMPONENTEN -- 2.3L ENGINE PARTS
5-3
800 330126 (6--02)
10525 -- 800L, 8410, G, LP
Fig. 1 -- Cylinder Block Group — Zylinderblock--Gruppe — Groupe bloc cylindres
Ref. Tennant
Part No. Description Bezeichnung Designation Qty/
Zahl
184875 )Cyl Block Assy (Short Block
Assy) Zylinderblock Bloc des Cilindres 1
o
2 84876 Block Assy Zylinderblock Bloc des Cilindres 1
Y3 73958 Dowel PaßStift Cheville 2
Y4 73921 Plug--Std 2.078 Stopfen, Standard Bouchon, Standard 1
Y4 73920 Plug .06 O/S Stopfen Bouchon --
Y584877 Plug, 1.50 Cup Stopfen Bouchon 4
Y6 73917 Plug 3/8 Npt Stopfen Bouchon 5
Y6 36268 Plug 1/4 Npt Stopfen Bouchon 2
Y7 54911--32 Draincock,End.Block AblaßHahn--Endblock Robinet D’Evac., Blocage Fin
De Course 1
Y8 84878 Dowel,Frnt Cover Paßstift Cheville 2
Y973975 Dowel Paßstift Cheville 2
Y10 73950 Bolt M12 Bolzen Boulon 9
Y11 74516 Stud M12 Stiftschraube Goujon 1
Y12 84879 Baffle Schutzplatte Ecran 1
13 84880 Bolt, M6X16.5mm Bolzen Boulon 2
14 10723 Indicator,Oil MeßStab Tige De Jeuge 1
15 10724 Short Tube Rohr ÖlmeßStab Tube Tige De Jeuge 1
16 84882 Separator Abscheider Séparateur 1
17 84883 Pcv Vlv Asy Ventil Soupape Sécurité 1
18 84884 Hose Schlauch Tuyau 1
19 39703--2 Filter Element, Oil Ölfilter Filtre Huile Moteur (528d) 1
20 84962 Insert--Oilfilt Mitnehmer Piece Rapportee 1
21 54333 Clamp Klemme F.
Schneckengetriebe Attache Entrainementvis Sans
Fin 2
Home
Find...
Go To..

2.3L ENGINE PARTS -- MOTOR KOMPONENTEN -- COMPOSANTES MOTEUR
800 330126 (9--97)
5-4
Fig. 2 -- Gaskets Group — Dichtungen--Gruppe — Groupe joints
1
3
4
5
6
7
8
9
10
11
13
14
15
2
11 1111
12
Home
Find...
Go To..

COMPOSANTES MOTEUR -- MOTOR KOMPONENTEN -- 2.3L ENGINE PARTS
5-5
800 330126 (9--97)
10444 -- 800L, 8410, G, LP
Fig. 2 -- Gaskets Group — Dichtungen--Gruppe — Groupe joints
Ref. Tennant
Part No. Description Bezeichnung Designation Qty/
Zahl
o
184885 )Gskt Kit,Lower Dichtungssatz JeuDeJoints 1
Y2 84886 Gskt,Frnt Cvr Dichtungen
Erneuert.Durch84896 Joint Remplacé.Par84896 1
Y3 84887 Gskt,Pmp/Putube Dichtungen Joint 1
Y4 60833 Oil Seal, Front Öldichtring Joint D’Huile 1
Y5 84888 Seal, Rear Dichtung
Erneuert.Durch84947 Joint
Remplacé.Par84947 1
Y684889 Gasket,Oil Pan Dichtung Joint 1
Y7 37157 Gasket Oil Dichtung F. AblaßStopfen Joint Bouchon Evacuation 1
Y8 84983 Gskt,Water Pump Dichtung Joint 1
o
9 84891 Gskt Kit,Upper Dichtungssatz Jeu De Joints 1
Y10 60806 Gasket, Head Zylinderkopfpackung Joint De Culasse 1
Y11 84892 Seal,Valve Stem Dichtung, Ventil Stiel
Erneuert.Durch849 Joint, Valve Voix
Remplacé.Par84958 8
Y12 84893 Gskt,Rockr Cvr Dichtung Joint 1
Y13 60833 Oil Seal, Front Öldichtring Joint D’Huile 1
Y14 74538 Gskt--Waterout Dichtung Joint 1
Y15 84894 Gskt,In.Manfld Dichtungen
Erneuert.Durch84991 Joint Remplacé.Par84991 1
Home
Find...
Go To..

2.3L ENGINE PARTS -- MOTOR KOMPONENTEN -- COMPOSANTES MOTEUR
800 330126 (7--00)
5-6
Fig. 3 -- Cylinder Head Group — Zylinderkopf--Gruppe — Groupe culasse
1
2
3
4
6
2
5
10445 -- 800L, 8410, G, LP
Ref. Tennant
Part No. Description Bezeichnung Designation Qty/
Zahl
184907 )Head--W/O Valves Zylinderkopf Culasse 1
2 36268 Plug 1/4 Npt Stopfen Bouchon 2
3 84910 Plug,1.50 Cup Stopfen Bouchon 1
4 60806 Gasket, Head Zylinderkopfpackung Joint De Culasse 1
5 73927 Bolt M12 Bolzen (Set Of 10) Boulon (Set Of 10) 10
660817 Bearing Cam, Lager Palier 4
6 73936 Bearing, .016 Camshaft Lager Palier --
Home
Find...
Go To..

COMPOSANTES MOTEUR -- MOTOR KOMPONENTEN -- 2.3L ENGINE PARTS
5-7
800 330126 (9--97)
Fig. 4 -- Front Cover Group — Vorderhauben--Gruppe — Groupe couvercle avant
1
2
3
4
5
7
8
9
10
11
12
13
5
6
10446 -- 800L, 8410, G, LP
Ref. Tennant
Part No. Description Bezeichnung Designation Qty/
Zahl
184895 )Lower Cover Abdeckung Couvercle 1
2 84896 Gskt,Front Cvr Dichtung Joint 1
3 84897 Inner Cover Abdeckung, Innen Couvercle, Intérieur 1
4 84898 Outer Cover Abdeckung, ÄußEres Couvercle, Éxterieur 1
5 74536 Plug Stopfen Bouchon 2
684899 Bolt, M8 X 17 Schd Bolzen Boulon 1
7 84900 Stud,M8X51.0mm Stiftschraube Goujon 1
8 84901 Nut, M6 Mutter Ecrou 1
9 84902 Scr&Wsh,M6X22.5 Schraube Vis 1
10 84903 Stud,M6X61.8mm Stiftschraube Goujon 1
11 84904 Bolt,M6X37.5mm Bolzen Boulon 3
12 84905 Sensor,Crnksft Fühler Capteur 1
13 84906 Screw,M6X22.5mm Schraube Vis 1
Home
Find...
Go To..

2.3L ENGINE PARTS -- MOTOR KOMPONENTEN -- COMPOSANTES MOTEUR
800 330126 (9--98)
5-8
Fig. 5 -- Starter Breakdown — Anlasser--Komponente — Composantes démarreur
2
3
4
5
6
7
8
10
13
14
15
16
17
18
19
20
21
22
24
25
1
9
23
11 12 10
10
Home
Find...
Go To..

COMPOSANTES MOTEUR -- MOTOR KOMPONENTEN -- 2.3L ENGINE PARTS
5-9
800 330126 (9--98)
10523 -- 800L, 8410, G, LP
Fig. 5 -- Starter Breakdown — Anlasser--Komponente — Composantes démarreur
Ref. Tennant
Part No. Description Bezeichnung Designation Qty/
Zahl
o
60938 )Motor, Starting, Perm Mag,
12V Anlassermotor Demarreur 1
Y1 79640 Retaining Ring Sicherungsring, e----ring, Anneau d arret anneau e 1
Y2 84999 Armature Anker Induit 1
Y3 79956 Washer Unterlegscheibe Rondelle 1
Y4 79628 Plate & Brg Schild Plaque 1
Y579629 Brush Holder Bürstenhalter Porte--Balai 1
Y6 79630 Lever Hebel Levier 1
Y7 79631 Frame&Mag.As Rahmen Châssis 1
Y8 79632 Bolt--Thru Bolzen Boulon 2
Y9 79970 Term.Cover Batteriepolabdeckung Cache Pole Batterie 1
Yo10 79633 Kit--Attaching Halter Piece Auxiliaire 1
YY 11 79957 Nut&Washer,M8 Mutter, Breit/ Unterlegscheibe Ecrou, De Large/ Rondelle 1
Y12 370829 Solenoid Elektromagnet Solenoide 1
Y13 79634 Hsg W/Brg Gehäuse Boitier 1
Y14 79635 Bearing Lager Palier 1
Y15 79960 Planet Bearing Schild Plaque 3
Y16 79961 Bearing Lager Palier 1
Y17 79962 Statnry Gear Zahnrad Pignon 1
Y18 79963 Retnr.Gear Zahnrad Pignon 1
Y19 79964 Seal Dichtung Joint 1
Y20 79965 Arm.Thr.Ball Kugel Rotule 1
Y21 79966 Gear Assy Zahnrad Pignon 3
Y22 79636 Ring--Drv.Stop Sicherungsring Anneau d arret anneau e 1
Y23 79967 Retainer Sicherungsring Anneau d arret anneau e 1
Y24 79638 Drive Assy Antrieb Entrainement 1
Y25 79969 Shft Asy,Output Ausgangswellensatz Ensemble D’Arbre Mené 1
Home
Find...
Go To..

2.3L ENGINE PARTS -- MOTOR KOMPONENTEN -- COMPOSANTES MOTEUR
800 330126 (9--97)
5-10
Fig. 6 -- Oil Pan Group — Ölwannen--Gruppe — Groupe carter inférieur
3
4
5
6
7
8
9
10
11
12 13
14
15
16
17
18
19
20
12
21
Home
Find...
Go To..

COMPOSANTES MOTEUR -- MOTOR KOMPONENTEN -- 2.3L ENGINE PARTS
5-11
800 330126 (9--97)
10522 -- 800L, 8410, G, LP
Fig. 6 -- Oil Pan Group — Ölwannen--Gruppe — Groupe carter inférieur
Ref. Tennant
Part No. Description Bezeichnung Designation Qty/
Zahl
184963 )Oil Pump Pumpe, Öl Pompe, Huile 1
2 84964 O--Ring,2.375 Dichtung, O--Ring Joint, O--Ring 1
3 84965 O--Ring--2.250 Dichtung, O--Ring Joint, O--Ring 1
4 84966 Gskt,Oilpmp/Blk Dichtungen, Pumpe, Öl Joint, Pompe, Huile 1
5 84967 Bolt,M6X47.5mm Bolzen Boulon 4
684968 Oil Pickup Tube Rohr Tube 1
7 84969 Gskt,Pu Tube Dichtung Joint 1
8 84970 Bolt,M8X20.0mm Bolzen Boulon 2
9 84971 Nut,M10 Mutter Ecrou 1
10 84972 Oil Pan Assy Öl Wanne Aufbau Huile Carter Assemblage 1
11 84889 Gasket,Oil Pan Dichtung Joint 1
12 37127 Oil Plug Stopfen Bouchon 1
13 37157 Gasket Oil Dichtung F. AblaßStopfen Joint Bouchon Evacuation 1
14 84973 Bolt,M6X27.5mm Bolzen Boulon 16
15 84974 Bolt,M6X52.5mm Bolzen Boulon 2
16 84975 Oil Pan Spacer Distanzstück Entretoise --
16 84976 Oil Pan Spacer Distanzstück Entretoise --
16 84977 Oil Pan Spacer Distanzstück Entretoise --
17 84978 Oil Pmp Sprkt Ritzel, Öl Pumpe Pignon, Huile Pompe 1
18 84979 Bolt,M10X40.0mm Bolzen Boulon 1
19 74561 Washer Unterlegscheibe Rondelle 1
20 84980 Camsft.Sensor Nocken Came 1
21 84981 Bolt,M5X20.0M Bolzen Boulon 2
Home
Find...
Go To..

2.3L ENGINE PARTS -- MOTOR KOMPONENTEN -- COMPOSANTES MOTEUR
800 330126 (9--97)
5-12
Fig. 7 -- Crankshaft Group — Kurbelwellen--Gruppe — Groupe carter de vilebrequin
1
2
3
4
5
6
7
8
9
10
Home
Find...
Go To..

COMPOSANTES MOTEUR -- MOTOR KOMPONENTEN -- 2.3L ENGINE PARTS
5-13
800 330126 (6--01)
10526 -- 800L, 8410, G, LP
Fig. 7 -- Crankshaft Group — Kurbelwellen--Gruppe — Groupe carter de vilebrequin
Ref. Tennant
Part No. Description Bezeichnung Designation Qty/
Zahl
184923 )Crankshaft Asy Kurbelwelle Vilebrequin 1
2 84924 Crnksft Sprckt Ritzel, Kurbelwelle Pignon, Vilebrequin 1
3 84925 Crnkshaft Key Schlüssel, Kurbelwelle Clé, Vilebrequin 1
4 84926 Bolt,M14X55.0M Bolzen Boulon 1
5 84927 Wash M15 1.53Od Unterlegscheibe Rondelle 1
684928 Main Brg,Stdred Lager Palier 4
6 84929 Main Brg,Stdblu Lager Palier --
6 84930 Main Brg,.002 Upper Lager Palier --
6 84931 Main Brg,.010 Upper Lager Palier --
6 84932 Kit, Bearing Crankshaft Lager
New(4x84932+1x84939+5x84
945)
Palier
New(4x84932+1x84939+5x84
945)
--
684933 Main Brg,.030 Upper Lager Palier --
7 84934 Thr.Brg,Stdred Lager Palier 1
7 84937 Thr.Brg,Stdblue Lager Palier --
7 84935 Thr.Brg,.002 Upper Lager Palier --
7 84938 Thr.Brg,.010 Upper Lager Palier --
784940 Thr.Brg,.030 Upper Lager Palier --
8 84941 Main Brg,Stdred Lager Palier 5
8 84942 Main Brg,Stdblu Lager Palier --
8 84943 Main Brg,.002 Lower Lager Palier --
8 84944 Main Brg,.010 Lower Lager Palier --
884946 Main Brg,.030 Lower Lager Palier --
9 60833 Oil Seal, Front Öldichtring Joint D’Huile 1
10 84947 Crnksft Seal--Rear Dichtung, Kurbelwelle
Erneuert.Durch6083 Joint, Vilebrequin
Remplacé.Par60834 1
Home
Find...
Go To..

2.3L ENGINE PARTS -- MOTOR KOMPONENTEN -- COMPOSANTES MOTEUR
800 330126 (9--98)
5-14
Fig. 8 -- Manifolds Group — Krümmergruppe — Groupe collecteur
1
2
4
5
6
7
8
10
12
13
3
14
910
11
15
18
16 17
10529 -- 800L, 8410, G, LP
Ref. Tennant
Part No. Description Qty/
Zahl
184990 )Int.Manifold Krümmer, Einlaß Collecteur, Admission 1
2 84991 Gskt,Int.Mnfld EinlaßVerteilerdichtung Joint Collecteur Admission 1
3 84992 Bolt,M8X25.0mm Bolzen Boulon 7
4 74527 Vac.Fitting Armatur Raccord 1
5 74509 Exh.Manifold Krümmer, Auspuff Collecteur, Échappement 1
684995 Gskt,Exh.Mnfld Dichtung Joint 1
7 84996 Bolt,M10X55.0M Bolzen Boulon 6
8 84997 Plug, 1/2Npt Stopfen Bouchon 1
9 79972 Stud Stiftschraube Goujon 3
10 79973 Nut M8--1.25 Mutter Ecrou 3
11 79974 Spacer Distanzstück Entretoise 1
12 84985 Elbow,90 deg Armatur Raccord 2
13 36048 Gasket, Exh. Flange Auspuffdichtung Joint Echappement 1
14 73917 Plug 3/8 NPT Stopfen Bouchon 2
15 79976 Lifting Eye Bolzen Boulon 1
16 21792 Spacer Distanzstück Entretoise 1
17 21793 Spacer Distanzstück Entretoise 1
18 21794 Stud Spurstange Goujon 2
Home
Find...
Go To..

COMPOSANTES MOTEUR -- MOTOR KOMPONENTEN -- 2.3L ENGINE PARTS
5-15
800 330126 (9--98)
Fig. 9 -- Flywheel Group — Schwungrad--Gruppe — Groupe volant--moteur
1
2
3
10527 -- 800L, 8410, G, LP
Ref. Tennant
Part No. Description Qty/
Zahl
o
1370103 )Replm Kit, Flywheel Schwungrad Reparatursatz Volant--Moteur Remplacement 1
Yo370102 Flywheel Schwungrad Volant--Moteur 1
YY 62424 Flywheel Ring Gear Schwungrad, Ford, Erneuern Volant--Moteur, Ford,
Remanier 6
2 64038 Bolt,M10X58.0mm Bolzen Boulon 12
383669 Rear Plate Schild, Heck Motor Plaque Signalétique, Arrière
Moteur 1
Home
Find...
Go To..

2.3L ENGINE PARTS -- MOTOR KOMPONENTEN -- COMPOSANTES MOTEUR
800 330126 (9--97)
5-16
Fig. 10 -- Camshaft Group — Nockenwellen--Gruppe — Groupe arbre à cames
1
2
3
4
5
6
7
8
9
10
11
12
13
14
15
Home
Find...
Go To..

COMPOSANTES MOTEUR -- MOTOR KOMPONENTEN -- 2.3L ENGINE PARTS
5-17
800 330126 (9--98)
10520 -- 800L, 8410, G, LP
Fig. 10 -- Camshaft Group — Nockenwellen--Gruppe — Groupe arbre à cames
Ref. Tennant
Part No. Description Qty/
Zahl
184915 )Camshaft Nockenwelle Arbre à cames 1
2 84916 Rod Stab, Schieben Bielle, Pousser 1
3 84917 Plug Stopfen Bouchon 1
4 73967 Tens.Asy&Tbelt Tesion Assy & T Belt Tesion Assy & T Belt 1
5 73970 Spring, Tension Zugfeder Ressort De Traction 1
684919 Bolt,Tens.Sprn Bolzen Boulon 1
7 74552 Bolt Bolzen Boulon 1
8 84978 Camshft Sprckt Ritzel, Öl Pumpe Pignon, Huile Pompe 1
9 84921 Pin, 1/4X.32 Stift Goupille 1
10 74545 Bolt M12X45 Bolzen Boulon 1
11 73937 Washer Unterlegscheibe Rondelle 1
12 84936 Timing Belt Riemen (Timing) Courroie (Timing) 1
13 73954 Plate Schild Plaque Signalétique 1
14 74548 Scr&Wash M6 Schraube Vis 2
15 60833 Oil Seal, Front Öldichtring Joint D’Huile 1
Home
Find...
Go To..

2.3L ENGINE PARTS -- MOTOR KOMPONENTEN -- COMPOSANTES MOTEUR
800 330126 (9--97)
5-18
Fig. 11 -- Valve, Rocker Arm Group — Ventil--Kipphebel--Gruppe — Groupe soupape, culbuteur
1
2
3
4
5
6
7
8
9
10
11
12
13
14
Home
Find...
Go To..

COMPOSANTES MOTEUR -- MOTOR KOMPONENTEN -- 2.3L ENGINE PARTS
5-19
800 330126 (9--98)
10521 -- 800L, 8410, G, LP
Fig. 11 -- Valve, Rocker Arm Group — Ventil--Kipphebel--Gruppe — Groupe soupape, culbuteur
Ref. Tennant
Part No. Description Bezeichnung Designation Qty/
Zahl
184950 )Tap.Assy--Valve AblaßHahn Robinet 8
2 84951 Std.Exh.Valve Ventil Soupape 4
3 84952 Std.Int.Valve Ventil Soupape 4
4 84953 Vlv.Guide Bushing Durchführung Bague --
5 84954 Valve Spring Feder Ressort 8
684955 Vlv.Spg.Retainr Ring, Halterungs Bague, Retenue 8
7 84956 Vlv.Spg.Key Fd Keil Clavette 16
8 84957 Arm, Rocker, Valve Arm Bras 8
9 84958 Vlv.Stem Seal Fd Dichtung Joint 8
10 370876 Cover, Valve Abdeckung, Ventil Couvercle, Valve 1
11 73995 Gasket Dichtung Joint 1
12 84961 Scr&Wsh,M6x15.0mfd Schraube Vis 8
13 60836 Cap, Breather Entlüfter Reniflard 1
14 36164 Label, Starter Fd Aufkleber Autocollant 1
Home
Find...
Go To..

2.3L ENGINE PARTS -- MOTOR KOMPONENTEN -- COMPOSANTES MOTEUR
800 330126 (9--97)
5-20
Fig. 12 -- Piston Group — Kolben--Gruppe — Groupe Piston
1
3
5
4
6
7
2
10447 -- 800L, 8410, G, LP
Ref. Tennant
Part No. Description Bezeichnung Designation Qty/
Zahl
184911 )Piston, Std. Kolben Piston 4
2 84912 Piston Pin Stift Goupille 4
3 84913 Ring Set,Std. Ringsatz Jeu D’Anneaux 2
4 60812 Bearing Lager Palier 8
4 73977 Brg--Conn.Rod Lager Palier --
473978 Brg--Conn.Rod Lager Palier --
4 73979 Brg--Conn.Rod Lager Palier --
4 73980 Brg--Conn.Rod Lager Palier --
4 73981 Brg--Conn.Rod Lager Palier --
4 73982 Brg--Conn.Rod Lager Palier --
o
584914 Connecting Rd Verbinden Stab Aufbau Mise En Circuit Bielle Assem-
blage 4
Y6 60813 Nut, Conrod--8 Mutter Ecrou 8
Y7 60814 Bolt--Conrod--4 Bolzen Boulon 8
Home
Find...
Go To..

COMPOSANTES MOTEUR -- MOTOR KOMPONENTEN -- 2.3L ENGINE PARTS
5-21
800 330126 (9--97)
Fig. 13 -- Water Pump Group — Wasserpumpen--Gruppe — Groupe pompe à eau
1
2
7
8
6
11
12
5
4
10 13
9
4
13
3
10528 -- 800L, 8410, G, LP
Ref. Tennant
Part No. Description Bezeichnung Designation Qty/
Zahl
o
184982 )Water Pump Wasserpumpe Pompe A Eau 1
Y2 84983 Gskt,Water Pump Dichtung Joint 1
3 84984 Bolt,M8X53.0mm Bolzen Boulon 1
4 84998 Stud Stiftschraube Goujon 2
o
5 73996 Water Outlet Outlet Water Outlet Water 1
Y674538 Gasket Water Outlet Connec-
tion Dichtung Joint 1
7 84988 Bolt,M8X18.0M Bolzen Boulon 2
8 84987 Therm 190 W/Gsk Thermostat Thermostat 1
9 84994 Bolt, M8X12.0mm Bolzen Boulon 1
10 36014 Sheave, Water Pump Riemenscheibe Poulie 1
11 84989 Temperature sensor Temperatur--Fühler Capteur Temperature 1
12 79975 O--Ring, Water Pump Adaptor O--Ring Joint Torique 1
13 84993 Locknut Mutter Ecrou 2
Home
Find...
Go To..

2.3L ENGINE PARTS -- MOTOR KOMPONENTEN -- COMPOSANTES MOTEUR
800 330126 (9--97)
5-22
Fig. 14 -- Ignition Group — Zündungsgruppe — Groupe allumage
2
3
4
5
1
1
2
3
4
6
10524--350562 -- 800L, 8410, G, LP
Ref. Tennant
Part No. Description Bezeichnung Designation Qty/
Zahl
183732 )Ignition Coil Zündspule Bobine Allumage 1
2 83676 Ignition Module Zündmodul Module D’Allumage 1
3 83707 Wire Harness Kabelstrang,
Gehäusevorderseite Faisceau De Cables Tableau
Avant 1
4 60846 Spark Plug Zündkerze Bougie (8400) 4
5 83677 Wire Asy,Spark Plug Zündkabelsatz Faisceau De Fils 1
684882 Separator Abscheider Séparateur 1
Home
Find...
Go To..

COMPOSANTES MOTEUR -- MOTOR KOMPONENTEN -- 2.5L ENGINE PARTS
6-1
800 330126 (9--98)
SECTION
ABSCHNITT
CHAPITRE
CONTENTS
INHALTSVERZEICHNIS PAGE/
TABLE DES MATIERES SEITE
Fig. 1 -- Cylinder Block Group
Zylinderblock--Gruppe
Groupe bloc cylindres 6-2...................................................................
Fig. 2 -- Gaskets Group
Dichtungen--Gruppe
Groupe joints 6-4..........................................................................
Fig. 3 -- Cylinder Head Group
Zylinderkopf--Gruppe
Groupe culasse 6-6........................................................................
Fig. 4 -- Front Cover Group
Vorderhauben--Gruppe
Groupe couvercle avant 6-7.................................................................
Fig. 5 -- Starter Breakdown
Anlasser--Komponente
Composantes démarreur 6-8................................................................
Fig. 6 -- Oil Pan Group
Ölwannen--Gruppe
Groupe carter inférieur 6-10.................................................................
Fig. 7 -- Crankshaft Group
Kurbelwellen--Gruppe
Groupe carter de vilebrequin 6-12............................................................
Fig. 8 -- Manifolds Group
Krümmergruppe
Groupe collecteur 6-14.....................................................................
Fig. 9 -- Flywheel Group
Schwungrad--Gruppe
Groupe volant--moteur 6-15.................................................................
Fig. 10 -- Camshaft Group
Nockenwellen--Gruppe
Groupe arbre à cames 6-16.................................................................
Fig. 11 -- Valve, Rocker Arm Group
Ventil--Kipphebel--Gruppe
Groupe soupape, culbuteur 6-18.............................................................
Fig. 12 -- Piston Group
Kolben--Gruppe
Groupe Piston 6-20........................................................................
Fig. 13 -- Water Pump Group
Wasserpumpen--Gruppe
Groupe pompe à eau 6-21..................................................................
Fig. 14 -- Ignition Group
Zündungsgruppe
Groupe allumage 6-22......................................................................
6
Home
Find...
Go To..

2.5L ENGINE PARTS -- MOTOR KOMPONENTEN -- COMPOSANTES MOTEUR
800 330126 (6--02)
6-2
Fig. 1 -- Cylinder Block Group — Zylinderblock--Gruppe — Groupe bloc cylindres
3
1
2
4
6
7
8
9
10
11
12
13
14
15
16
17
18
19
8
6
4
5
20
20
Home
Find...
Go To..

COMPOSANTES MOTEUR -- MOTOR KOMPONENTEN -- 2.5L ENGINE PARTS
6-3
800 330126 (6--02)
10525 -- 800L, 8410, G, LP
Fig. 1 -- Cylinder Block Group — Zylinderblock--Gruppe — Groupe bloc cylindres
Ref. Tennant
Part No. Description Bezeichnung Designation
Qty/
Zahl
1370847 )Cyl Block Assy (Short Block
Assy) Zylinderblock Bloc des Cilindres 1
o
2 370848 Block Assy Block, Motor Bloc, Moteur 1
Y3 73958 Dowel PaßStift Cheville 2
Y4 73921 Plug--Std 2.078 Stopfen, Standard Bouchon, Standard 5
Y4 73920 Plug .06 O/S Stopfen Bouchon --
Y584879 Baffle Schutzplatte Ecran 1
Y6 73917 Plug 3/8 Npt Stopfen Bouchon 5
Y6 36268 Plug 1/4 Npt Stopfen Bouchon 2
Y7 54911--32 Draincock,End.Block AblaßHahn--Endblock Robinet D’Evac., Blocage Fin
De Course 1
Y8 84878 Dowel,Frnt Cover Paßstift Cheville 2
Y9370873 Dowel Stift, Dübel Goupille, Cheville 2
Y10 73950 Bolt M12 Bolzen Boulon 9
Y11 74516 Stud M12 Stiftschraube Goujon 1
12 84962 Insert--Oilfilt Mitnehmer Piece Rapportee 1
13 84880 Bolt, M6X16.5mm Bolzen Boulon 2
14 370850 Indicator,Oil Öl--MeßStab Jauge D’Huile 1
15 10724 Short Tube Rohr ÖlmeßStab Tube Tige De Jeuge 1
16 84882 Separator Abscheider Séparateur 1
17 84883 Pcv Vlv Asy Ventil Soupape Sécurité 1
18 84884 Hose Schlauch Tuyau 1
19 39703--2 Filter Element, Oil Ölfilter Filtre Huile Moteur (528d) 1
20 54333 Clamp Klemme F.
Schneckengetriebe Attache Entrainementvis Sans
Fin 2
Home
Find...
Go To..

2.5L ENGINE PARTS -- MOTOR KOMPONENTEN -- COMPOSANTES MOTEUR
800 330126 (9--98)
6-4
Fig. 2 -- Gaskets Group — Dichtungen--Gruppe — Groupe joints
1
3
4
5
6
8
9
10
11
13
14
2
11 1111
12
7
Home
Find...
Go To..

COMPOSANTES MOTEUR -- MOTOR KOMPONENTEN -- 2.5L ENGINE PARTS
6-5
800 330126 (9--98)
10444 -- 800L, 8410, G, LP
Fig. 2 -- Gaskets Group — Dichtungen--Gruppe — Groupe joints
Ref. Tennant
Part No. Description Bezeichnung Designation
Qty/
Zahl
o
1370851 )Gskt Kit,Lower Dichtungssatz JeuDeJoints 1
Y2 84896 Gskt,Frnt Cvr Dichtung Joint 1
Y3 84887 Gskt,Pmp/Putube Dichtung Joint 1
Y4 60833 Oil Seal, Front Öldichtring Joint D’Huile 1
Y5 60834 Seal, Rear Dichtung, Öl Joint, Huile 1
Y684889 Gasket,Oil Pan Dichtung Joint 1
Y7 84983 Gskt,Water Pump Dichtung Joint 1
o
8 84891 Gskt Kit,Upper Dichtungssatz Jeu De Joints 1
Y9 84991 Gskt,In.Manfld EinlaßVerteilerdichtung Joint Collecteur Admission 1
Y10 60806 Gasket, Head Zylinderkopfpackung Joint De Culasse 1
Y11 84958 Seal,Valve Stem Dichtung Joint 8
Y12 73995 Gskt,Rockr Cvr Dichtung Joint 1
Y13 60833 Oil Seal, Front Öldichtring Joint D’Huile 1
Y14 74538 Gskt--Waterout Dichtung Joint 1
Home
Find...
Go To..

2.5L ENGINE PARTS -- MOTOR KOMPONENTEN -- COMPOSANTES MOTEUR
800 330126 (7--00)
6-6
Fig. 3 -- Cylinder Head Group — Zylinderkopf--Gruppe — Groupe culasse
1
2
3
4
6
2
5
10445 -- 800L, 8410, G, LP
Ref. Tennant
Part No. Description Bezeichnung Designation
Qty/
Zahl
184907 )Head--W/O Valves Zylinderkopf Culasse 1
2 36268 Plug 1/4 Npt Stopfen Bouchon 2
3 84910 Plug,1.50 Cup Stopfen Bouchon 1
4 60806 Gasket, Head Zylinderkopfpackung Joint De Culasse 1
5 73927 Bolt M12 Bolzen (Set Of 10) Boulon (Set Of 10) 10
660817 Bearing Cam, Lager Palier 4
6 73936 Bearing, .016 Camshaft Lager Palier --
Home
Find...
Go To..

COMPOSANTES MOTEUR -- MOTOR KOMPONENTEN -- 2.5L ENGINE PARTS
6-7
800 330126 (9--98)
Fig. 4 -- Front Cover Group — Vorderhauben--Gruppe — Groupe couvercle avant
1
2
3
4
5
7
8
9
10
11
12
13
5
6
10446 -- 800L, 8410, G, LP
Ref. Tennant
Part No. Description Bezeichnung Designation
Qty/
Zahl
184895 )Lower Cover Abdeckung Couvercle 1
2 84896 Gskt,Front Cvr Dichtung Joint 1
3 84897 Inner Cover Abdeckung, Innen Couvercle, Intérieur 1
4 84898 Outer Cover Abdeckung, ÄußEres Couvercle, Éxterieur 1
5 74536 Plug Stopfen Bouchon 2
684899 Bolt, M8 X 17 Schd Bolzen Boulon 1
7 84900 Stud,M8X51.0mm Stiftschraube Goujon 1
8 84901 Nut, M6 Mutter Ecrou 1
9 84902 Scr&Wsh,M6X22.5 Schraube Vis 1
10 84903 Stud,M6X61.8mm Stiftschraube Goujon 1
11 84904 Bolt,M6X37.5mm Bolzen Boulon 3
12 84905 Sensor,Crnksft Fühler Capteur 1
13 84906 Screw,M6X22.5mm Schraube Vis 1
Home
Find...
Go To..

2.5L ENGINE PARTS -- MOTOR KOMPONENTEN -- COMPOSANTES MOTEUR
800 330126 (9--98)
6-8
Fig. 5 -- Starter Breakdown — Anlasser--Komponente — Composantes démarreur
2
3
4
5
6
7
8
10
13
14
15
16
17
18
19
20
21
22
24
25
1
9
23
11 12 10
10
Home
Find...
Go To..

COMPOSANTES MOTEUR -- MOTOR KOMPONENTEN -- 2.5L ENGINE PARTS
6-9
800 330126 (9--98)
10523 -- 800L, 8410, G, LP
Fig. 5 -- Starter Breakdown — Anlasser--Komponente — Composantes démarreur
Ref. Tennant
Part No. Description Bezeichnung Designation
Qty/
Zahl
o
60938 )Motor, Starting, Perm Mag,
12V Anlassermotor Demarreur 1
Y1 79640 Retaining Ring Sicherungsring, e----ring, Anneau d arret anneau e 1
Y2 84999 Armature Anker Induit 1
Y3 79956 Washer Unterlegscheibe Rondelle 1
Y4 79628 Plate & Brg Schild Plaque 1
Y579629 Brush Holder Bürstenhalter Porte--Balai 1
Y6 79630 Lever Hebel Levier 1
Y7 79631 Frame&Mag.As Rahmen Châssis 1
Y8 79632 Bolt--Thru Bolzen Boulon 2
Y9 79970 Term.Cover Batteriepolabdeckung Cache Pole Batterie 1
Yo10 79633 Kit--Attaching Halter Piece Auxiliaire 1
YY 11 79957 Nut&Washer,M8 Mutter, Breit/ Unterlegscheibe Ecrou, De Large/ Rondelle 1
Y12 370829 Solenoid Elektromagnet Solenoide 1
Y13 79634 Hsg W/Brg Gehäuse Boitier 1
Y14 79635 Bearing Lager Palier 1
Y15 79960 Planet Bearing Schild Plaque 3
Y16 79961 Bearing Lager Palier 1
Y17 79962 Statnry Gear Zahnrad Pignon 1
Y18 79963 Retnr.Gear Zahnrad Pignon 1
Y19 79964 Seal Dichtung Joint 1
Y20 79965 Arm.Thr.Ball Kugel Rotule 1
Y21 79966 Gear Assy Zahnrad Pignon 3
Y22 79636 Ring--Drv.Stop Sicherungsring Anneau d arret anneau e 1
Y23 79967 Retainer Sicherungsring Anneau d arret anneau e 1
Y24 79638 Drive Assy Antrieb Entrainement 1
Y25 79969 Shft Asy,Output Ausgangswellensatz Ensemble D’Arbre Mené 1
Home
Find...
Go To..

2.5L ENGINE PARTS -- MOTOR KOMPONENTEN -- COMPOSANTES MOTEUR
800 330126 (9--98)
6-10
Fig. 6 -- Oil Pan Group — Ölwannen--Gruppe — Groupe carter inférieur
3
4
5
6
7
8
9
10
11
12
14
15
16
17
18
19
20
12
13
Home
Find...
Go To..

COMPOSANTES MOTEUR -- MOTOR KOMPONENTEN -- 2.5L ENGINE PARTS
6-11
800 330126 (9--98)
10522 -- 800L, 8410, G, LP
Fig. 6 -- Oil Pan Group — Ölwannen--Gruppe — Groupe carter inférieur
Ref. Tennant
Part No. Description Bezeichnung Designation
Qty/
Zahl
184963 )Oil Pump Pumpe, Öl Pompe, Huile 1
2 84964 O--Ring,2.375 Dichtung, O--Ring Joint, O--Ring 1
3 84965 O--Ring--2.250 Dichtung, O--Ring Joint, O--Ring 1
4 84966 Gskt,Oilpmp/Blk Dichtungen, Pumpe, Öl Joint, Pompe, Huile 1
5 84967 Bolt,M6X47.5mm Bolzen Boulon 4
6370852 Oil Pickup Tube Rohr, Lieferwagen, Öl Tube, Ramasser, Huile 1
7 84969 Gskt,Pu Tube Dichtung Joint 1
8 84970 Bolt,M8X20.0mm Bolzen Boulon 2
9 84971 Nut,M10 Mutter Ecrou 1
10 370853 Oil Pan Assy Wanne, Öl Carter, Huile 1
11 84889 Gasket,Oil Pan Dichtung Joint 1
12 370854 Oil Plug Stopfen Bouchon 1
13 84981 Bolt,M5X20.0M Bolzen Boulon 2
14 84973 Bolt,M6X27.5mm Bolzen Boulon 16
15 84974 Bolt,M6X52.5mm Bolzen Boulon 2
16 84975 Oil Pan Spacer Distanzstück Entretoise --
16 84976 Oil Pan Spacer Distanzstück Entretoise --
16 84977 Oil Pan Spacer Distanzstück Entretoise --
17 84978 Oil Pmp Sprkt Ritzel, Öl Pumpe Pignon, Huile Pompe 1
18 84979 Bolt,M10X40.0mm Bolzen Boulon 1
19 74561 Washer Unterlegscheibe Rondelle 1
20 84980 Camsft.Sensor Nocken Came 1
Home
Find...
Go To..

2.5L ENGINE PARTS -- MOTOR KOMPONENTEN -- COMPOSANTES MOTEUR
800 330126 (9--98)
6-12
Fig. 7 -- Crankshaft Group — Kurbelwellen--Gruppe — Groupe carter de vilebrequin
1
2
3
4
5
6
7
8
9
10
Home
Find...
Go To..

COMPOSANTES MOTEUR -- MOTOR KOMPONENTEN -- 2.5L ENGINE PARTS
6-13
800 330126 (9--98)
10526 -- 800L, 8410, G, LP
Fig. 7 -- Crankshaft Group — Kurbelwellen--Gruppe — Groupe carter de vilebrequin
Ref. Tennant
Part No. Description Bezeichnung Designation
Qty/
Zahl
1370855 )Crankshaft Asy Kurbelwelle Aufbau Vilebrequin Assemblage 1
2 84924 Crnksft Sprckt Ritzel, Kurbelwelle Pignon, Vilebrequin 1
3 84925 Crnkshaft Key Schlüssel, Kurbelwelle Clé, Vilebrequin 1
4 84926 Bolt,M14X55.0M Bolzen Boulon 1
5 84927 Wash M15 1.53Od Unterlegscheibe Rondelle 1
6370857 Main Brg,Stdred Lager, Haupt Palier, Principal 4
6 370878 Main Brg,.02 Lager, Haupt Palier, Principal --
6 370858 Main Brg,.05 Lager, Haupt Palier, Principal --
6 370859 Main Brg,.25 Lager, Haupt Palier, Principal --
6 370860 Main Brg,.50 Lager, Haupt Palier, Principal --
6370861 Main Brg,.75 Lager, Haupt Palier, Principal --
6 370879 Main Brg,1.0 Lager, Haupt Palier, Principal --
7 370862 Thr.Brg,Stdred Lager, Schub Palier, Poussée 1
7 370863 Thr.Brg,.02 Lager, Schub Palier, Poussée --
7 370864 Thr.Brg,.65 Lager, Schub Palier, Poussée --
7370865 Thr.Brg,.25 Lager, Schub Palier, Poussée --
7 370866 Thr.Brg,.50 Lager, Schub Palier, Poussée --
7 370880 Thr.Brg,.75 Lager, Schub Palier, Poussée --
7 370881 Thr.Brg,1.0 Lager, Schub Palier, Poussée --
8 370867 Main Brg,Stdred Lager, Haupt Palier, Principal 5
8370868 Main Brg,.02 Lager, Haupt Palier, Principal --
8 370869 Main Brg,.05 Lager, Haupt Palier, Principal --
8 370870 Main Brg,.25 Lager, Haupt Palier, Principal --
8 370871 Main Brg,.50 Lager, Haupt Palier, Principal --
8 370872 Main Brg,.75 Lager, Haupt Palier, Principal --
8370882 Main Brg,1.0 Lager, Haupt Palier, Principal --
9 60833 Oil Seal, Front Öldichtring Joint D’Huile 1
10 60834 Crnksft Seal--Rear Dichtung, Öl Joint, Huile 1
Home
Find...
Go To..

2.5L ENGINE PARTS -- MOTOR KOMPONENTEN -- COMPOSANTES MOTEUR
800 330126 (9--98)
6-14
Fig. 8 -- Manifolds Group — Krümmergruppe — Groupe collecteur
1
2
4
5
6
7
8
10
12
13
3
14
910
11
15
18
16 17
10529 -- 800L, 8410, G, LP
Ref. Tennant
Part No. Description Bezeichnung Designation
Qty/
Zahl
184990 )Int.Manifold Krümmer, Einlaß Collecteur, Admission 1
2 84991 Gskt,Int.Mnfld EinlaßVerteilerdichtung Joint Collecteur Admission 1
3 84992 Bolt,M8X25.0mm Bolzen Boulon 7
4 74527 Vac.Fitting Armatur Raccord 1
5 74509 Exh.Manifold Krümmer, Auspuff Collecteur, Échappement 1
684995 Gskt,Exh.Mnfld Dichtung Joint 1
7 84996 Bolt,M10X55.0M Bolzen Boulon 6
8 84997 Plug, 1/2Npt Stopfen Bouchon 1
9 79972 Stud Stiftschraube Goujon 3
10 79973 Nut M8--1.25 Mutter Ecrou 3
11 79974 Spacer Distanzstück Entretoise 1
12 84985 Elbow,90 deg Armatur Raccord 2
13 36048 Gasket, Exh. Flange Auspuffdichtung Joint Echappement 1
14 73917 Plug 3/8 NPT Stopfen Bouchon 2
15 79976 Lifting Eye Bolzen Boulon 1
16 21792 Spacer Distanzstück Entretoise 1
17 21793 Spacer Distanzstück Entretoise 1
18 21794 Stud Spurstange Goujon 2
Home
Find...
Go To..

COMPOSANTES MOTEUR -- MOTOR KOMPONENTEN -- 2.5L ENGINE PARTS
6-15
800 330126 (9--98)
Fig. 9 -- Flywheel Group — Schwungrad--Gruppe — Groupe volant--moteur
1
2
3
10527 -- 800L, 8410, G, LP
Ref. Tennant
Part No. Description Bezeichnung Designation
Qty/
Zahl
o
1370103 )Replm Kit, Flywheel Schwungrad Reparatursatz Volant--Moteur Remplacement 1
Yo370102 Flywheel Schwungrad Volant--Moteur 1
YY 62424 Flywheel Ring Gear Schwungrad, Ford, Erneuern Volant--Moteur, Ford,
Remanier 6
2 64038 Bolt,M10X58.0mm Bolzen Boulon 12
383669 Rear Plate Schild, Heck Motor Plaque Signalétique, Arrière
Moteur 1
Home
Find...
Go To..

2.5L ENGINE PARTS -- MOTOR KOMPONENTEN -- COMPOSANTES MOTEUR
800 330126 (9--98)
6-16
Fig. 10 -- Camshaft Group — Nockenwellen--Gruppe — Groupe arbre à cames
1
2
3
4
5
6
7
8
9
10
11
12
13
14
15
Home
Find...
Go To..

COMPOSANTES MOTEUR -- MOTOR KOMPONENTEN -- 2.5L ENGINE PARTS
6-17
800 330126 (9--98)
10520 -- 800L, 8410, G, LP
Fig. 10 -- Camshaft Group — Nockenwellen--Gruppe — Groupe arbre à cames
Ref. Tennant
Part No. Description Bezeichnung Designation
Qty/
Zahl
184915 )Camshaft Nockenwelle Arbre à cames 1
2 84916 Rod Stab, Schieben Bielle, Pousser 1
3 84917 Plug Stopfen Bouchon 1
4 73967 Tens.Asy&Tbelt Tesion Assy & T Belt Tesion Assy & T Belt 1
5 73970 Spring, Tension Zugfeder Ressort De Traction 1
684919 Bolt,Tens.Sprn Bolzen Boulon 1
7 74552 Bolt Bolzen Boulon 1
8 84978 Camshft Sprckt Ritzel, Öl Pumpe Pignon, Huile Pompe 1
9 84921 Pin, 1/4X.32 Stift Goupille 1
10 74545 Bolt M12X45 Bolzen Boulon 1
11 73937 Washer Unterlegscheibe Rondelle 1
12 84936 Timing Belt Riemen (Timing) Courroie (Timing) 1
13 73954 Plate Schild Plaque Signalétique 1
14 74548 Scr&Wash M6 Schraube Vis 2
15 60833 Oil Seal, Front Öldichtring Joint D’Huile 1
Home
Find...
Go To..

2.5L ENGINE PARTS -- MOTOR KOMPONENTEN -- COMPOSANTES MOTEUR
800 330126 (9--98)
6-18
Fig. 11 -- Valve, Rocker Arm Group — Ventil--Kipphebel--Gruppe — Groupe soupape, culbuteur
1
2
3
4
5
6
7
8
9
10
11
12
13
14
Home
Find...
Go To..

COMPOSANTES MOTEUR -- MOTOR KOMPONENTEN -- 2.5L ENGINE PARTS
6-19
800 330126 (9--98)
10521 -- 800L, 8410, G, LP
Fig. 11 -- Valve, Rocker Arm Group — Ventil--Kipphebel--Gruppe — Groupe soupape, culbuteur
Ref. Tennant
Part No. Description Bezeichnung Designation
Qty/
Zahl
184950 )Tap.Assy--Valve AblaßHahn Robinet 8
2 84951 Std.Exh.Valve Ventil Soupape 4
3 84952 Std.Int.Valve Ventil Soupape 4
4 84953 Vlv.Guide Bushing Durchführung Bague --
5 84954 Valve Spring Feder Ressort 8
684955 Vlv.Spg.Retainr Ring, Halterungs Bague, Retenue 8
7 84956 Vlv.Spg.Key Fd Keil Clavette 16
8 84957 Arm, Rocker, Valve Arm Bras 8
9 84958 Vlv.Stem Seal Fd Dichtung Joint 8
10 370876 Cover, Valve Abdeckung, Ventil Couvercle, Valve 1
11 73995 Gasket Dichtung Joint 1
12 84961 Scr&Wsh,M6x15.0mfd Schraube Vis 8
13 60836 Cap, Breather Entlüfter Reniflard 1
14 36164 Label, Starter Fd Aufkleber Autocollant 1
Home
Find...
Go To..

2.5L ENGINE PARTS -- MOTOR KOMPONENTEN -- COMPOSANTES MOTEUR
800 330126 (9--98)
6-20
Fig. 12 -- Piston Group — Kolben--Gruppe — Groupe Piston
1
3
5
4
6
7
2
10447 -- 800L, 8410, G, LP
Ref. Tennant
Part No. Description Bezeichnung Designation
Qty/
Zahl
1370888 )Piston, Std. Kolben, Standard Piston, Standard 4
2 370889 Piston Pin Stift, Kolben Goupille, Piston 4
3 370890 Ring Set,Std. Satz, Ring, Standard Jeu De Pièces, Bague,
Standard 2
4 370891 Bearing Lager Palier 8
o
5 370892 Connecting Rd Stab, Verbinden Bielle, Mise En Circuit 4
Y660813 Nut, Conrod--8 Mutter Ecrou 8
Y7 60814 Bolt--Conrod--4 Bolzen Boulon 8
Home
Find...
Go To..

COMPOSANTES MOTEUR -- MOTOR KOMPONENTEN -- 2.5L ENGINE PARTS
6-21
800 330126 (9--98)
Fig. 13 -- Water Pump Group — Wasserpumpen--Gruppe — Groupe pompe à eau
1
2
7
8
6
11
12
5
4
10 13
9
4
13
3
10528 -- 800L, 8410, G, LP
Ref. Tennant
Part No. Description Bezeichnung Designation
Qty/
Zahl
o
184982 )Water Pump Wasserpumpe Pompe A Eau 1
Y2 84983 Gskt,Water Pump Dichtung Joint 1
3 84984 Bolt,M8X53.0mm Bolzen Boulon 1
4 84998 Stud Stiftschraube Goujon 2
o
5 73996 Water Outlet Outlet Water Outlet Water 1
Y674538 Gasket Water Outlet Connec-
tion Dichtung Joint 1
7 84988 Bolt,M8X18.0M Bolzen Boulon 2
8 84987 Therm 190 W/Gsk Thermostat Thermostat 1
9 84994 Bolt, M8X12.0mm Bolzen Boulon 1
10 36014 Sheave, Water Pump Riemenscheibe Poulie 1
11 84989 Temperature sensor Temperatur--Fühler Capteur Temperature 1
12 79975 O--Ring, Water Pump Adaptor O--Ring Joint Torique 1
13 84993 Locknut Mutter Ecrou 2
Home
Find...
Go To..

2.5L ENGINE PARTS -- MOTOR KOMPONENTEN -- COMPOSANTES MOTEUR
800 330126 (6--02)
6-22
Fig. 14 -- Ignition Group — Zündungsgruppe — Groupe allumage
2
3
4
5
1
1
2
3
4
6
10524--350562 -- 800L, 8410, G, LP
Ref. Tennant
Part No. Description Bezeichnung Designation
Qty/
Zahl
183732 )Ignition Coil Zündspule Bobine Allumage 1
2 370874 Ignition Module 1
3 370875 Wire Harness Kabelbaum, Draht, Motor Faisceau De Fils, Fil, Moteur 1
4 60846 Spark Plug Zündkerze Bougie (8400) 4
5 83677 Wire Asy,Spark Plug Zündkabelsatz Faisceau De Fils 1
684882 Separator Abscheider Séparateur 1
Home
Find...
Go To..

RENVOI -- QUER VERZEICHNIS -- CROSS REFERENCE
7-1
800 330126 (6--02)
SECTION
ABSCHNITT
CHAPITRE
PAGE/
CONTENTS -- INHALTSVERZEICHNIS -- TABLE DES MATIERES SEITE
PART NUMBER TO PAGE NUMBER CROSS REFERENCE LIST 7-2......................................
REFERENZLISTE TEILNUMMER -- SEITE 7-2..........................................................
LISTE DES CORRESPONDANCES NUMERO PIECE/NUMERO DE PAGE 7-2.............................
PART DESCRIPTION TO PAGE NUMBER CROSS REFERENCE LIST 7-12...............................
REFERENZLISTE TEILBESCHREIBUNG -- SEITE 7-19.................................................
LISTE DES CORRESPONDANCES DESCRIPTION PIECE/NUMERO DE PAGE 7-24......................
7
Home
Find...
Go To..

CROSS REFERENCE -- QUER VERZEICHNIS -- RENVOI
800 330126 (6--02)
7-2
PART NUMBER TO PAGE NUMBER CROSS REFERENCE LIST
REFERENZLISTE TEILNUMMER -- SEITE
LISTE DES CORRESPONDANCES NUMERO PIECE/NUMERO DE PAGE
Part Page
Number Number
Ersatzteil Seite
Nummer Nummer
Numéro de la Numéro de la
Piéce Page
MM337 3-58........
00500--15 4-30......
00954 4-32........
00960 4-33........
01274 2-29........
01987 2-77........
01997 2-47........
01999 3-29........
02247 2-59........
02506--6 3-51.......
02713 2-97........
02850 3-19........
03026 2-49........
03922 2-95........
04414 2-13, 2-39........
04483 4-41........
04706 2-99........
04761 2-85, 3-27........
04843 2-29, 3-47........
05611 2-97.........
05880 2-51........
05881 2-51........
06146 2-81........
06474A 2-83.......
06524 2-17........
06537 2-85........
06927 3-19........
06942 2-47........
07449 2-71........
07562 2-49........
07641 2-101........
07789 2-47........
07791 2-87, 3-25........
07934 2-73........
08085 2-71, 2-83........
08179 2-87........
08708 2-17, 2-29........
08709 3-31........
09028 2-87, 3-25........
09092--1 3-37, 3-41.......
09258 2-17........
09718 2-63........
10632--12 3-13, 3-15......
10632--20 3-5, 3-7, 3-9, 3-11......
10632--4 2-35, 3-5, 3-9, 3-13,....... 3-15, 3-17, 3-55
10632--5 2-101, 3-19, 3-31.......
10632--8 3-19.......
10632--9 3-13, 3-15.......
10664 2-4, 2-19........
10723 5-3........
10724 5-3, 6-3........
10911 2-81.........
11399 3-19.........
11442--23 2-55......
11531 2-57.........
Part Page
Number Number
Ersatzteil Seite
Nummer Nummer
Numéro de la Numéro de la
Piéce Page
11676 3-47.........
11716 2-93.........
11747 2-29, 3-55.........
11984 2-41.........
12271 2-15........
12549 3-35........
13048 2-41........
13902 4-39, 4-40........
13904 4-37, 4-39........
13907 4-5, 4-9, 4-15, 4-19........
13959 3-19........
14242 2-65........
14296 2-39........
14595--1 2-71.......
14601 2-71........
14605 2-71........
15724 2-45........
16431 2-77........
16455 2-83........
16456 2-23........
16472 3-27........
16694 4-31........
16695 4-30, 4-31........
16738 2-41........
16931 3-31........
17414 2-37, 2-45, 2-47........
17521 2-47........
17808 2-65........
17809 2-65........
17980 2-81, 2-83, 3-27........
18342 3-19........
19035 3-47........
19117 2-97, 4-32.........
19459 2-79........
19544 2-73........
19659 2-63........
19774 2-37........
20634 3-55........
21041 3-47........
21047 3-47........
21054 3-47........
21104 3-47.........
21109 2-87.........
21117 2-77.........
21119 2-77.........
21120 2-85.........
21131 2-15.........
21136 2-51.........
21138 2-51.........
21150 4-47.........
21168 2-7, 2-9, 2-11.........
21195 2-99.........
21215 2-85........
21221 2-29........
21223 3-45........
21230 2-15........
Part Page
Number Number
Ersatzteil Seite
Nummer Nummer
Numéro de la Numéro de la
Piéce Page
21231 2-87, 3-25........
21238 2-85........
21246 2-13, 3-33........
21250 3-27........
21251 3-27........
21252 3-27........
21268 2-85........
21282 2-9, 2-11........
21294 2-37........
21301 3-55........
21303 2-33........
21307 4-45........
21308 4-45........
21309 4-45........
21310 4-45........
21311 4-47.........
21312 4-47........
21313 4-47........
21643 2-15........
21671 3-50........
21721 2-27........
21722 2-27........
21728 4-57, 4-59........
21729 2-77........
21731 2-53........
21732 2-53........
21740 2-63........
21791 3-58........
21792 5-14, 6-14........
21793 5-14, 6-14........
21794 5-14, 6-14........
21917 4-35, 4-39, 4-40........
22290 2-99........
22297 2-51........
22308--3 2-55.......
22626 2-63, 4-29........
22629 4-29........
22630 4-29........
22636 4-29........
22645 4-29........
22646 4-29........
23146 3-47........
23156 2-45, 2-47........
23498 2-95........
23935 3-55........
23936 2-87, 3-25........
23946 2-13........
23950 2-17........
24047 2-55........
24450 3-37, 3-41........
24576--1 3-17, 3-19.......
24576 3-17........
24899 2-89........
24924 2-41........
24928--1 2-55.......
25610 2-53........
Home
Find...
Go To..

RENVOI -- QUER VERZEICHNIS -- CROSS REFERENCE
7-3
800 330126 (6--02)
Part Page
Number Number
Ersatzteil Seite
Nummer Nummer
Numéro de la Numéro de la
Piéce Page
26395--1 2-35.......
26395--2 3-47.......
26496 2-55........
26565 3-47........
27048 2-47, 2-55........
27767 2-47........
29233 3-7, 3-11........
30013 2-83, 3-31........
30251 2-89........
30252 2-89........
30253 2-89........
30255 2-89........
30268 3-37, 3-41........
30389 2-41, 2-45, 2-47........
30533 3-52........
31038 2-37........
311336 2-13, 4-47........
31354 4-30........
31380 4-31........
31385 4-31........
31504 2-95........
31507 3-37, 3-41........
31525 3-45........
31526 2-37........
31563 2-77........
31599 2-59........
31605 2-81........
31613 2-4, 2-79........
31755 2-59........
31775 2-69........
31922 3-19........
31954 3-13, 3-15........
31999 2-33........
32006 2-33........
32009 2-33........
32129 2-81........
32483 2-47........
32486 2-85, 3-27........
32492 2-87, 3-25........
32715 2-87, 3-25........
32960 3-31........
32982 2-47........
330126 3-58........
330127 3-58........
330128 3-58........
330129 3-58........
330130 3-58........
330131 3-58........
330132 3-58........
330133 3-58........
330134 3-58........
330135 3-58........
330136 3-58........
330137 3-58........
330138 3-58........
330716 3-58........
33404 2-91........
33799 2-77........
33806 2-13, 3-21........
33817 2-79........
Part Page
Number Number
Ersatzteil Seite
Nummer Nummer
Numéro de la Numéro de la
Piéce Page
33924 2-87, 3-25........
33951 2-41, 2-43........
34054 2-21........
34065 2-37........
34072 2-45........
34159 4-7, 4-11, 4-17, 4-21........
34176 4-30........
34178 4-27, 4-29........
34179 4-27, 4-29........
34180 4-27........
34181 4-27, 4-29........
34182 4-27........
34183 4-27, 4-29........
34184 4-27, 4-29........
34185 4-27, 4-29........
34306 2-4, 2-79........
34330 2-89........
34355 2-77........
34359 2-63, 2-91........
34360 2-77........
34379 2-77........
34390 2-79........
34392 2-27........
34848 3-19........
34864 2-35, 3-55........
35323 2-5........
35324 2-5........
35325 2-5........
35326 2-5........
35327 2-5........
35336 2-5........
35688 2-27........
35980 2-39........
36014 5-21, 6-21........
36048 5-14, 6-14........
36050 2-4, 2-41, 2-53........
36158 3-47........
36164 5-19, 6-19........
36165 2-37........
36192 2-19........
36268 5-3, 5-6, 6-3, 6-6........
36328 2-85, 3-27........
36556 2-83........
36758 2-7........
369701 2-63........
369704 2-15........
36971 2-71........
369786 3-35........
369787 3-35........
370102 5-15, 6-15........
370103 5-15, 6-15........
370829 5-9, 6-9........
370847 6-3........
370848 6-3........
370850 6-3........
370851 6-5........
370852 6-11........
370853 6-11........
370854 6-11........
370855 6-13........
Part Page
Number Number
Ersatzteil Seite
Nummer Nummer
Numéro de la Numéro de la
Piéce Page
370857 6-13........
370858 6-13........
370859 6-13........
370860 6-13........
370861 6-13........
370862 6-13........
370863 6-13........
370864 6-13........
370865 6-13........
370866 6-13........
370867 6-13........
370868 6-13........
370869 6-13........
370870 6-13........
370871 6-13........
370872 6-13........
370873 6-3........
370874 6-22........
370875 6-22........
370876 5-19, 6-19........
370878 6-13........
370879 6-13........
370880 6-13........
370881 6-13........
370882 6-13........
370888 6-20........
370889 6-20........
370890 6-20........
370891 6-20........
370892 6-20........
37127 5-11........
37157 5-5, 5-11........
373218 4-9, 4-19........
373369 4-15, 4-19, 4-23........
373371 4-23........
373372 4-23........
373373 4-23........
373374 4-11, 4-21........
373375 4-11, 4-21........
373404 2-73........
373405 3-53........
373406 4-11, 4-21........
373407 4-9, 4-19........
373408 4-9, 4-19........
373409 4-9, 4-19........
373410 4-9, 4-19........
373412 4-11, 4-21........
373413 4-11, 4-21........
373414 4-9, 4-19........
373415 4-9, 4-19........
374012 3-47........
374127 2-41, 2-43........
374129 3-37, 3-41........
374133 3-57........
374134 3-57........
374135 3-57........
374154 2-47........
374158 2-55........
37460 4-5, 4-9, 4-15, 4-19........
374615 2-45........
Home
Find...
Go To..

CROSS REFERENCE -- QUER VERZEICHNIS -- RENVOI
800 330126 (6--02)
7-4
Part Page
Number Number
Ersatzteil Seite
Nummer Nummer
Numéro de la Numéro de la
Piéce Page
37462 4-5, 4-9, 4-15, 4-19........
374625 2-41, 2-43........
374648 2-45........
374649 2-45........
374750 4-45, 4-47........
374757 4-47........
374758 4-45........
374759 4-45........
374760 3-33........
374761 3-33........
374762 3-33........
374765 4-45, 4-47........
374769 4-45, 4-47........
375193 2-39........
375400 2-85........
375401 2-85, 3-27........
375402 2-85........
375403 3-27........
375404 2-85, 3-27........
375405 2-85, 3-27........
375415 2-87, 3-25........
375416 2-87, 3-25........
375417 3-27........
375511 2-59........
375512 3-37, 3-41........
375513 2-15........
375526 2-69........
375536 2-15........
375537 2-15........
37555 4-31........
375550 2-120........
375551 2-120........
375563 2-83, 4-37........
375564 2-29........
375565 2-29........
375566 2-29........
375575 2-63........
375576 2-63........
375586 2-59........
375666 2-87........
375693 2-17........
375695 2-17........
375696 2-13........
375718 2-41, 2-43........
375721 2-95........
375726 3-37, 3-41........
375728 3-37, 3-41........
375729 3-38........
375751 3-37........
375762 2-63........
375770 2-85, 3-27........
37723 4-27, 4-29........
37766 4-27, 4-29........
379020 2-87, 3-25........
379050 2-23........
37943 4-27, 4-29........
380513 2-71........
380514 2-71........
380532 2-15........
380533 2-15........
Part Page
Number Number
Ersatzteil Seite
Nummer Nummer
Numéro de la Numéro de la
Piéce Page
380563 3-38........
380566 2-71........
380567 2-71........
380568 2-71........
380577 4-45, 4-50........
380578 4-53........
380579 4-53........
380591 2-49........
380592 2-49........
380598 2-39........
380602 3-33........
380613 3-37, 4-53........
380614 3-41, 4-55........
380615 3-37, 3-41........
380616 4-53, 4-55........
380617 3-39, 3-43........
380618 3-37, 3-41........
380619 3-39, 3-43........
380620 3-37, 3-41........
380621 3-37, 3-41........
380624 3-39........
380625 3-37, 4-51........
380626 4-51........
380627 4-51........
380628 4-51........
380630 3-37........
380634 3-33........
380635 3-33........
380640 3-17........
380643 3-13........
380644 3-15........
380649 4-53, 4-55........
380650 4-53, 4-55........
380651 4-53........
380652 4-53........
380659 4-53, 4-55........
380660 4-55........
380661 3-39, 3-43........
380662 3-39, 3-43........
380663 3-37, 3-41........
380665 3-39........
380666 4-51........
380667 4-51........
380668 4-51........
380669 4-51........
380670 4-51........
380671 4-51........
380672 4-51........
380673 3-37........
380675 2-77........
380676 3-38........
380680 2-13........
380681 2-21........
380683 2-71........
380684 3-37........
380685 3-37........
380686 3-37........
380689 3-37, 3-41........
380690 3-39, 3-43........
380691 3-13, 3-15, 3-17........
Part Page
Number Number
Ersatzteil Seite
Nummer Nummer
Numéro de la Numéro de la
Piéce Page
380692 2-13, 4-45........
380694 4-45........
380695 4-45........
380697 3-38........
380702 3-45........
380708 4-45........
380709 2-4........
380710 2-4........
380712 3-19........
380717 2-69........
380728 2-13........
380732 4-45........
380736 2-79........
380739 2-59........
380741 2-21........
380746 2-67........
380747 2-67........
380758 2-59........
380760 2-15........
380761 2-15........
380762 2-15........
380763 2-15........
380764 2-15........
381962 2-29........
382516 2-101........
382726 2-29........
382978 3-17........
382979 3-31........
383170 2-47........
383185 3-33........
385411 2-37........
385412 2-39........
385414 2-41........
385415 2-41........
385417 2-37........
385426 2-39........
385433 2-39........
385439 3-58........
388407 4-53, 4-55........
39210 2-23, 2-27, 2-79........
39305 2-63........
393770 3-17, 3-31........
39527 4-30........
39534 2-97........
39703--2 2-4, 5-3, 6-3.......
398315 2-119........
39923 2-35, 3-55........
40380 4-27........
40514 2-79........
40573 3-37, 3-41........
40585 2-53........
40607 2-35, 2-45, 3-55........
40678 3-55........
40716 2-13........
40870--8 2-95.......
41016 3-37........
41073 2-63........
41130 2-95.........
41131 2-87.........
41139 3-19.........
Home
Find...
Go To..

RENVOI -- QUER VERZEICHNIS -- CROSS REFERENCE
7-5
800 330126 (6--02)
Part Page
Number Number
Ersatzteil Seite
Nummer Nummer
Numéro de la Numéro de la
Piéce Page
41140 3-19.........
41141 3-31.........
41178 2-9, 2-11, 2-13, 2-49,......... 3-33
41186 3-25.........
41342 2-87........
41434 3-35........
41722 2-71........
42124 3-47........
42207 2-85........
42215 2-79, 2-83........
42226 2-97........
42260 2-19, 2-79........
43242 3-37, 3-41........
43363 2-7........
43454 2-15, 2-35, 3-55........
43500 2-4, 2-7........
43555 2-33, 2-49........
43558A 3-37, 3-41.......
43844 2-41, 2-43........
44078 2-99........
44681--1 3-9, 3-11, 3-15.......
44681--2 3-9, 3-11, 3-15.......
44681 3-9, 3-11, 3-15........
44777 2-13........
44851 2-17, 3-33........
44868 2-81, 3-27........
44869 2-81, 2-83, 2-89, 2-97........
44961 3-55........
45142 3-37, 3-41........
45177 2-49........
45272 3-5, 3-7, 3-9, 3-11........
45482 2-81, 3-27........
45622 4-27, 4-29........
45623 4-27, 4-29........
45628 4-30, 4-31........
45779 3-5, 3-7, 3-9, 3-11,........ 3-13, 3-15
45780 2-7........
45786 2-67........
46236 2-69, 3-55........
46481 2-19, 2-73........
46482 3-25........
46611 2-45, 2-47.........
47313A 2-41.......
47504 2-83, 2-87........
47508 2-73, 2-85, 3-27........
47512 2-23, 2-59........
47585 2-99........
47637 3-27........
47638 2-23, 2-83........
47720 2-55........
47753 3-27........
47958 2-15........
48006 2-19........
48014 2-49........
48056 2-59........
48069 2-33........
49032 3-35........
49263 2-85, 2-99, 3-27........
Part Page
Number Number
Ersatzteil Seite
Nummer Nummer
Numéro de la Numéro de la
Piéce Page
49266 2-35, 3-5, 3-7, 3-9,........ 3-11, 3-13, 3-15, 3-17,
3-19, 3-55, 3-57
49282 2-13........
49933 2-83........
51021N 2-5.......
51109 2-69.........
51176 2-13.........
51193 2-65.........
51305 2-59........
51322 2-19, 2-59........
51338 2-65........
51340 2-63........
51341 2-63........
51373 2-65........
51448 2-89........
51449 2-89........
51483 2-69........
51531 3-47........
51534 2-91........
51542 2-5........
51545 2-69........
51562 2-69........
51564 2-89........
51693 2-93........
51787 2-19, 2-29........
51813 2-87, 3-25........
51839 2-45, 2-47........
51963 2-5........
52402 2-59, 2-83........
52911 2-73.........
53029 2-43........
53268 2-45........
53400--1 2-55.......
53400--4 2-55.......
53434 2-89, 4-30........
53461--2 2-15, 2-17.......
53601 2-63, 4-41........
54009 3-47........
54012 3-47........
54096 2-91........
54222 2-71........
54274 2-97........
54275A 2-97.......
54333 5-3, 6-3........
54527 2-49........
54528 2-49........
54615 2-13........
54862 2-97........
54878 2-89........
54911--32 2-57, 5-3, 6-3......
55248 3-5, 3-7, 3-9, 3-11,........ 3-13, 3-15, 3-17, 3-57
55586 2-89........
55685 2-83........
55686 2-23........
55700 2-77........
55756 2-15........
55779 2-89........
55845 2-15........
Part Page
Number Number
Ersatzteil Seite
Nummer Nummer
Numéro de la Numéro de la
Piéce Page
56185 2-99........
56186 2-103, 3-5, 3-7, 3-9,........ 3-11, 3-13, 3-15, 3-39,
3-43, 3-55
56346 2-101........
56398 2-99........
56506 2-7........
56690 2-81, 2-87, 2-99, 3-25,........ 3-27
56692 2-73, 2-97........
56820 2-63, 2-87, 3-25........
56821 2-97........
56976A 2-55.......
56992 2-101, 3-43........
57048 2-39........
57167 2-103, 4-55........
57173 2-77........
57297 2-55........
57311 2-69.........
57411 2-83.........
57751 2-103, 3-33........
57772 2-87........
57773 2-39........
57803 2-103, 3-33........
57807 2-87, 2-91, 2-101,........ 3-25
57809 3-55........
57820 2-13, 2-17........
578723 2-37........
57934 2-41........
57936 2-21, 2-23........
57941 2-7........
57944 2-77........
57963 2-77, 3-29........
57988 2-83........
57993 2-81........
57994 2-79........
58114 2-95.........
58228 2-59, 2-95........
58242 4-25........
58270 4-30........
58278 4-30........
58293 2-21........
58357 2-33........
58359 2-23........
58489 2-9, 2-17........
58490 4-47........
58518 3-5, 3-7, 3-13........
58519 3-5, 3-7, 3-13........
58520 3-5, 3-7, 3-13........
58524 2-29........
58589 2-55........
58590 2-55........
58596 4-34........
58844 2-11, 2-15........
58858 2-73, 2-79........
58898 2-9, 2-11........
59015 2-53........
59192 2-15, 2-17........
59305 4-25........
Home
Find...
Go To..

CROSS REFERENCE -- QUER VERZEICHNIS -- RENVOI
800 330126 (6--02)
7-6
Part Page
Number Number
Ersatzteil Seite
Nummer Nummer
Numéro de la Numéro de la
Piéce Page
59375 2-37........
59577 2-81........
59633 2-33........
59661 2-19........
59668 2-71........
59672 2-71........
59734 2-59........
59808 2-45........
59866 2-23........
59901 3-37, 3-41........
59921 3-55........
59954 3-55........
59965 2-21, 3-17........
59970 2-101........
59971 2-101........
59974 2-101........
59976 2-101........
59977 2-101........
59978 2-101........
59979 2-101........
60293 2-61........
60559 2-37........
60725 2-45, 2-47........
60726 2-45, 2-47........
60732 2-89........
60751 3-19........
60762 2-41........
60806 5-5, 5-6, 6-5, 6-6........
60812 5-20........
60813 5-20, 6-20........
60814 5-20, 6-20........
60817 5-6, 6-6........
60833 5-5, 5-13, 5-17, 6-5,........ 6-13, 6-17
60834 6-5, 6-13........
60836 5-19, 6-19........
60846 2-4, 5-22, 6-22........
60933 2-4, 2-49........
60934 2-4, 2-49........
60938 5-9, 6-9........
61288 2-79........
61363 2-37........
61490 4-30, 4-31........
61529 2-37........
61531 2-37........
61869 3-37, 3-41........
61870 3-37, 3-41........
61882 4-5, 4-9, 4-15, 4-19........
61886 4-7, 4-11, 4-17, 4-21........
61923 3-17........
61931 2-37........
61969 2-91, 2-101........
62172 2-83........
62173 2-83........
62389 2-73........
62424 5-15, 6-15........
62561 2-73, 4-25........
62595--2 2-13.......
62595--3 2-13.......
62954 2-4, 2-7........
Part Page
Number Number
Ersatzteil Seite
Nummer Nummer
Numéro de la Numéro de la
Piéce Page
62955 2-4, 2-7........
62956 2-4, 2-7........
62957 2-4, 2-7........
62975 2-23, 4-42........
63228 3-50........
63233 2-33........
63234 2-33........
63263 2-39........
63276 2-71........
63292 2-71........
63294 2-13........
63295 2-69........
63297 2-33........
63311 2-33.........
63378 2-29........
63407 3-53........
63416 3-27........
63426 2-63, 4-27........
63436 2-89........
63449 2-89........
63450 2-89........
63471 2-63........
63491 2-63........
63496 2-63........
63535 2-39........
63540 2-63........
63541 2-89........
63542 2-59, 4-33........
63543 2-63........
63544 2-7........
63583 2-23........
63584 2-23........
63647 2-25........
63663 2-7........
63665 2-25........
63667 2-25........
63668 2-25........
63669 2-25........
63671 2-31........
63695 2-39........
63751 2-13........
63810 2-41, 2-45, 2-47, 3-37,........ 3-41
63818 2-59........
63926 2-21........
64038 5-15, 6-15........
64058 2-67........
64059 2-67........
64132 2-91........
64141 2-101........
64156 2-23........
64228 2-81........
64233 2-91........
64278 2-15........
64279 2-15........
64299 2-95........
64312 2-15........
64392 2-33........
64394 2-33........
64410 2-33........
Part Page
Number Number
Ersatzteil Seite
Nummer Nummer
Numéro de la Numéro de la
Piéce Page
64419 2-19........
64434 2-83........
64500 2-33........
64501 2-33........
64543 2-17........
64545 2-17........
64556 2-69........
64558 2-69........
64559 2-33........
64567 2-33........
64580 2-33........
64586 2-99........
64618 2-33, 2-59, 2-95........
64621 2-33, 2-59, 2-95........
64631 2-99........
64635 2-69........
64651 2-99........
64655 2-99........
64788 2-4, 2-9, 2-11........
64801 2-9........
64802 2-11........
64811 2-89.........
64873 2-33........
64874 2-33........
64884 2-13........
64886 2-63........
64887 2-63........
64893 2-27........
64905 2-83........
64919 2-4, 2-7........
64920 2-4, 2-7........
64950 2-69........
65129 2-69........
65145--1 2-73.......
65160 2-85, 3-27........
65168 2-85........
65170 2-85........
65173 2-85, 3-27........
65174 2-85, 2-87, 3-25, 3-27........
65180 2-85, 3-27........
65188 2-77........
65191 2-77........
65194 2-77, 3-29........
65195 2-77........
65196 2-77........
65197 2-77........
65199 2-77........
65201 2-77........
65202 2-77........
65204 2-77........
65205 2-77........
65212 2-77........
65213 2-77........
65215 2-79........
65221 2-19........
65222 2-19........
65224 2-77........
65226 4-25........
65227 4-27........
65232 4-31........
Home
Find...
Go To..

RENVOI -- QUER VERZEICHNIS -- CROSS REFERENCE
7-7
800 330126 (6--02)
Part Page
Number Number
Ersatzteil Seite
Nummer Nummer
Numéro de la Numéro de la
Piéce Page
65235 4-34........
65240 4-39........
65242 2-99, 4-34........
65245 2-101........
65248 2-91........
65249 2-91........
65252 2-19........
65258 3-21........
65278 2-29........
65281 2-29........
65527 2-45........
65561 2-87, 3-25........
65869--5 2-4.......
66188 2-120........
67310 2-63, 2-73........
67683 3-27........
67767 2-23, 2-63........
68445 3-35........
68866 2-71........
68869 2-61........
69097 2-43........
69899 2-53........
69904 2-7........
69906 2-29........
70006 2-79........
70072 2-79........
70160 2-37........
70173 2-53........
70388 2-25........
70398 2-103........
70400 2-113, 2-119........
70402 2-103........
70407 2-17........
70411 2-103.........
70431 2-85, 3-27........
70435 2-55........
70450 2-13........
70453 2-4, 2-9, 2-11........
70454 3-21........
70477 2-53........
70478 2-13........
70506 2-69........
70517 2-7........
70521 2-85........
70524 2-85, 3-27........
70525 2-85, 3-27........
70526 2-85, 3-27........
70532 2-87, 3-25........
70536 2-120........
70538 2-5........
70550 2-69........
70583 2-91........
70597 2-9........
70598 2-11........
70603 4-57, 4-59........
70609 4-57, 4-59........
70611 4-59.........
70612 4-57........
70613 4-57, 4-59........
70615 4-57, 4-59........
Part Page
Number Number
Ersatzteil Seite
Nummer Nummer
Numéro de la Numéro de la
Piéce Page
70617 4-57, 4-59........
70618 4-57, 4-59........
70620 3-33........
70622 2-99........
70623 2-99........
70626 2-85, 3-27........
70627 2-85, 3-27........
70628 2-17........
70631 2-51........
70635 2-57........
70636 2-57........
70649 2-5........
70650 2-33........
70651 2-33........
70659 3-47........
70668 3-47........
70669 3-21........
70686 3-22........
70690 3-52........
70699 3-31........
70703 2-59........
70704 2-13........
70709 2-99........
70717 2-99........
70718 2-55........
70719 2-55........
70725 2-71........
70730 2-29........
70742 2-29........
70747 2-71........
70749 2-71........
70754 2-57........
70756 2-13........
70761 2-29, 3-35........
70762 2-29........
70775 2-97........
70783 2-71........
70785 3-33........
70788 3-33........
70790 2-97........
70793 3-23........
70802 3-23........
70808 2-11........
70809 2-9........
70810 2-97........
70815 3-23........
70825 2-95........
70827 2-83........
70832 2-51........
70843 2-7........
70844 2-7........
70847 2-83........
70849 2-45........
70851 3-55........
70876 2-41, 2-43........
71552 2-77........
72970 2-99........
72978 3-37, 3-41........
72979 2-45, 2-47, 3-37, 3-41........
73017 2-43........
Part Page
Number Number
Ersatzteil Seite
Nummer Nummer
Numéro de la Numéro de la
Piéce Page
73020 2-45........
73140 2-59........
73645 2-7........
73646 2-95........
73648 2-9........
73649 2-11........
73650 2-95........
73654 2-4, 2-9, 2-11........
73678 2-25........
73679 2-25........
73685 2-95........
73724 2-7........
73727 2-35........
73731 2-63........
73733 2-63........
73734 2-33........
73736 2-101........
73737 2-87, 3-25........
73749 2-25........
73751 3-7........
73753 3-11........
73755 3-5........
73757 3-9........
73771 2-25........
73772 2-25........
73862 2-7........
73863 2-7........
73870 2-4, 2-9, 2-11........
73871 3-47........
73880 3-47........
73887 2-25........
73888 2-4, 2-9, 2-11........
73898 3-5, 3-7, 3-9, 3-11........
73899 3-5, 3-7, 3-9, 3-11........
73901 2-13........
73903 2-13........
73917 5-3, 5-14, 6-3, 6-14........
73920 5-3, 6-3........
73921 5-3, 6-3........
73927 5-6, 6-6........
73936 5-6, 6-6........
73937 5-17, 6-17........
73950 5-3, 6-3........
73954 5-17, 6-17........
73958 5-3, 6-3........
73967 5-17, 6-17........
73970 5-17, 6-17........
73975 5-3........
73977 5-20........
73978 5-20........
73979 5-20........
73980 5-20........
73981 5-20........
73982 5-20........
73995 5-19, 6-5, 6-19........
73996 5-21, 6-21........
74000 3-5, 3-7, 3-9, 3-11........
74007 3-21........
74015 2-29........
74022 2-69........
Home
Find...
Go To..

CROSS REFERENCE -- QUER VERZEICHNIS -- RENVOI
800 330126 (6--02)
7-8
Part Page
Number Number
Ersatzteil Seite
Nummer Nummer
Numéro de la Numéro de la
Piéce Page
74040 2-15........
74045 2-25........
74046 2-25........
74051 2-71........
74058 2-57........
74059 2-85, 3-27........
74060 2-85........
74062 2-9........
74063 2-11........
74064 2-7........
74066 2-7........
74067 2-7........
74069 2-25........
74074 3-47........
74081 2-13........
74082 2-59........
74089 2-55........
74090 2-87, 3-25........
74094 4-31........
74098 4-29, 4-39........
74100 4-31........
74101 4-31........
74109 4-34........
74110 4-34.........
74111 4-34.........
74112 4-34.........
74132 4-27........
74133 4-27........
74134 4-27, 4-29........
74135 4-27, 4-29........
74136 4-27, 4-29........
74137 4-27, 4-29........
74142 2-99........
74145 4-40........
74146 4-39........
74148 4-25........
74149 4-25........
74150 4-25........
74151 4-25........
74152 4-25........
74153 4-25........
74154 4-25........
74156 4-25........
74157 4-25........
74158 4-25........
74159 4-25........
74160 4-25........
74161 4-25........
74163 2-73........
74164 3-53........
74174 4-34........
74182 4-34........
74184 4-5, 4-9, 4-15, 4-19........
74190 4-34........
74194 4-34........
74195 4-34........
74210 4-5, 4-9, 4-15, 4-19........
74214 4-29........
74218 4-34........
74220 4-29........
Part Page
Number Number
Ersatzteil Seite
Nummer Nummer
Numéro de la Numéro de la
Piéce Page
74223 4-5, 4-9, 4-15, 4-19........
74233 4-32, 4-33........
74240 4-5, 4-9, 4-15, 4-19........
74246 4-29........
74250 4-31........
74251 4-34........
74253 4-5, 4-15........
74254 4-5, 4-9, 4-15, 4-19........
74256 4-5, 4-9, 4-15, 4-19........
74257 4-5, 4-9, 4-15, 4-19........
74258 4-5, 4-9, 4-15, 4-19........
74259 4-7, 4-11, 4-17, 4-21........
74260 4-7, 4-17........
74261 4-7, 4-17........
74262 4-5, 4-9, 4-15, 4-19........
74263 4-5, 4-15........
74264 4-7, 4-17........
74265 4-5, 4-9, 4-15, 4-19........
74266 4-5, 4-9, 4-15, 4-19........
74267 4-5, 4-9, 4-15, 4-19........
74268 4-39........
74270 4-7, 4-11, 4-17, 4-21........
74271 4-7, 4-11, 4-17, 4-21........
74272 4-5, 4-9, 4-15, 4-19........
74273 4-5, 4-9, 4-13........
74274 4-7, 4-11, 4-17, 4-21........
74275 4-7, 4-11, 4-17, 4-21........
74276 4-5, 4-9, 4-15, 4-19........
74277 4-7, 4-11, 4-17, 4-21........
74278 4-7, 4-11, 4-17, 4-21........
74279 4-7, 4-17........
74280 4-5, 4-9, 4-15, 4-19........
74281 4-5, 4-9, 4-15, 4-19........
74282 4-7, 4-11, 4-17, 4-21........
74283 4-5, 4-7, 4-9, 4-11,........ 4-15, 4-17, 4-19, 4-21
74391 2-87, 3-25........
74402 2-43........
74443 2-41, 2-43........
74455 3-33, 3-35........
74509 5-14, 6-14........
74516 5-3, 6-3........
74527 5-14, 6-14........
74536 5-7, 6-7........
74538 5-5, 5-21, 6-5, 6-21........
74545 5-17, 6-17........
74548 5-17, 6-17........
74552 5-17, 6-17........
74561 5-11, 6-11........
74920 2-7........
75010 2-5........
75011 2-5.........
75012 2-27........
75028 2-85........
75046 2-29........
75047 2-29........
75099 3-27........
75117 3-27.........
75128 2-15........
75142 3-27........
Part Page
Number Number
Ersatzteil Seite
Nummer Nummer
Numéro de la Numéro de la
Piéce Page
75303 2-15........
75347 2-120........
75428 2-13........
75456--1 2-95.......
75456--2 2-95.......
75456--3 2-95.......
75456--4 2-95.......
75456 2-95........
75465 2-35, 3-55........
75575 2-69........
75612 2-89........
75666 2-49........
75701 3-47........
75821 4-47........
75822 4-45........
75823 4-45........
75824 4-45........
75825 4-45........
75828 3-45........
75845 2-83........
75848 2-83........
75854 2-53........
75876 3-47........
75877 3-47........
75880 3-35........
75881 3-35........
75883 2-15........
75891 2-23........
75899 3-27........
75901 3-49........
75968 2-99........
75989 3-49........
76030 3-49........
76036 3-49........
76038 3-49........
76049 3-49........
76055 3-49........
76069 3-49........
76074 3-49........
76081 3-49........
76084 3-49........
76100 3-49........
76235 2-21........
76285 2-13........
76286 3-47........
763116 3-37........
76316 2-79........
76321 2-49........
76338 3-47........
763483 4-25........
76383 2-51........
76384 2-25........
76385 3-17, 3-31........
76406 3-47........
76423 3-19........
76438 2-85........
76461 3-27........
76470 2-21........
76471 2-21........
76473 3-39, 3-43........
Home
Find...
Go To..

RENVOI -- QUER VERZEICHNIS -- CROSS REFERENCE
7-9
800 330126 (6--02)
Part Page
Number Number
Ersatzteil Seite
Nummer Nummer
Numéro de la Numéro de la
Piéce Page
76474 2-25........
76487 2-25........
76490 2-69........
76491 2-69........
76492 2-13........
76494 2-13........
76495 2-13........
76497 2-77........
76498 2-77........
76515 3-33........
76516 3-33, 4-49........
76521 4-49........
76522 3-33........
76523 2-71........
76570 2-87, 3-25........
76647 2-71........
76653 2-69........
76684 3-29........
76736 2-53........
76870 2-15........
76888 2-13, 2-103........
76898 3-35........
76907 2-53........
76948 4-45........
76950 4-45........
76971 4-45........
76973 4-45........
76976 4-47........
76977 4-45........
76980 4-45........
76982 4-45........
76985 4-45........
76996 4-45........
77097 2-27, 2-81, 2-87, 2-91,........ 2-97, 3-25
77340 2-13........
77388 2-29........
77394 2-29........
77399 2-13, 2-15........
77400 2-29........
77430 2-39........
77434 2-39........
77435 2-39........
77452 2-59........
77458 3-25........
77459 2-87, 3-25........
77463 2-21........
77471 2-33........
77473 2-77........
77485 2-83........
77488 2-83........
77490 2-61........
77491 2-83........
77492 2-83........
77493 2-83........
77498 2-83........
77499 2-83........
77516 2-31........
77523 2-31........
77531 2-95........
Part Page
Number Number
Ersatzteil Seite
Nummer Nummer
Numéro de la Numéro de la
Piéce Page
77532 2-95........
77553 2-95........
77555 3-45........
77558 2-53........
77569 3-25........
77575 2-81........
77578 2-93........
77579 2-61........
77580 2-93........
77584 2-87, 3-25........
77593 2-7........
77597 2-87, 3-25........
77600 2-87, 3-25........
77601 2-87........
77602 2-61........
77605 2-87, 2-93........
77611 3-22.........
77613 3-22........
77632 2-4........
77634 2-4........
77640 2-77........
77641 2-77........
77652 3-33, 4-49........
77669 2-87........
77674 3-38........
77680 2-7........
77682 2-87........
77688 2-51........
77711 2-15.........
77727 2-87, 3-25........
77734 2-7........
77738 3-25........
77747 2-21........
77748 2-21........
77755 3-49........
77759 3-49........
77768 4-57........
77769 4-59........
77770 2-65, 4-59........
77777 2-7........
77778 2-15........
77782 2-7........
77783 3-25........
77790 2-65, 4-57........
77800 4-49........
77801 4-49........
77802 4-49........
77803 4-49........
77804 4-49........
77805 4-49........
77806 4-49........
77807 4-49........
77808 4-49........
77809 4-49........
77811 3-37, 3-41, 4-45.........
77812 4-45........
77813 4-45........
77814 4-45........
77815 4-45........
77816 4-47........
Part Page
Number Number
Ersatzteil Seite
Nummer Nummer
Numéro de la Numéro de la
Piéce Page
77817 4-47........
77818 4-47........
77819 4-47........
77820 4-47........
77821 4-47........
77822 4-47........
77823 4-47........
77824 4-47........
78043 2-53........
78122 2-55........
78750 2-57........
78897 2-41........
78998 3-29........
79010 2-7........
79011 3-33.........
79019 2-29........
79025 3-55........
79026 3-55........
79028 2-13, 2-93........
79032 2-4........
79116 2-13.........
79122 2-95........
79131 2-21........
79138 2-27........
79139 2-25........
79140 2-63........
79151 2-65........
79152 2-63, 2-65........
79153 2-63, 2-65........
79155 3-55........
79156 3-55........
79157 3-55........
79158 3-55........
79159 3-55........
79160 3-55........
79167 3-55........
79168 3-55........
79169 3-55........
79170 3-55........
79172 3-55........
79174 3-55........
79176 3-55........
79177 3-55........
79399 2-37........
79591 2-29........
79593 2-69........
79594 2-69........
79596 2-27........
79597 2-25........
79600 2-25........
79608 2-7........
79621 3-27........
79622 3-27........
79628 5-9, 6-9........
79629 5-9, 6-9........
79630 5-9, 6-9........
79631 5-9, 6-9........
79632 5-9, 6-9........
79633 5-9, 6-9........
79634 5-9, 6-9........
Home
Find...
Go To..

CROSS REFERENCE -- QUER VERZEICHNIS -- RENVOI
800 330126 (6--02)
7-10
Part Page
Number Number
Ersatzteil Seite
Nummer Nummer
Numéro de la Numéro de la
Piéce Page
79635 5-9, 6-9........
79636 5-9, 6-9........
79638 5-9, 6-9........
79640 5-9, 6-9........
79642 2-77........
79644 3-47........
79646 3-47........
79647 3-47........
79648 2-101........
79670 2-7........
79671 2-7........
79674 3-47........
79680 2-7........
79681 2-7........
79708 4-7, 4-17........
79711 4-35, 4-39, 4-40.........
79719 4-39, 4-40........
79728 4-39, 4-40........
79731 4-35, 4-39........
79739 4-35, 4-39........
79740 4-35, 4-39, 4-40........
79742 4-5, 4-9, 4-15, 4-19........
79743 4-5, 4-15........
79744 4-5, 4-15........
79745 4-5, 4-15........
79746 4-5, 4-15........
79747 4-5, 4-9, 4-15, 4-19........
79748 4-7, 4-11, 4-17, 4-21........
79749 4-7, 4-11, 4-17, 4-21........
79750 4-7, 4-11, 4-17, 4-21........
79751 4-7, 4-11, 4-17, 4-21........
79752 4-7, 4-11, 4-17, 4-21........
79753 4-7, 4-11, 4-17, 4-21........
79754 4-13........
79755 4-13, 4-23........
79756 4-13, 4-23........
79757 4-13, 4-23........
79758 4-13, 4-23........
79759 4-13........
79760 4-13, 4-23........
79761 4-13, 4-23........
79762 4-13, 4-23........
79763 4-13, 4-23........
79764 4-13, 4-23........
79765 4-13, 4-23........
79766 4-13, 4-23........
79767 4-13, 4-23........
79771 4-5, 4-15........
79772 4-23........
79774 4-23........
79776 4-13, 4-23........
79777 4-23........
79779 4-5, 4-9, 4-15, 4-19........
79781 2-85, 3-27, 4-31........
79782 4-31........
79783 4-42........
79784 4-42........
79786 4-37........
79787 4-37........
79788 4-37........
Part Page
Number Number
Ersatzteil Seite
Nummer Nummer
Numéro de la Numéro de la
Piéce Page
79789 4-37........
79790 4-37........
79791 4-37........
79792 4-37........
79793 4-37........
79794 4-37........
79795 4-37........
79797 4-37........
79798 4-37........
79799 4-37........
79812 4-37........
79820 4-37........
79822 4-37........
79823 4-37........
79824 4-37........
79956 5-9, 6-9........
79957 5-9, 6-9........
79960 5-9, 6-9........
79961 5-9, 6-9........
79962 5-9, 6-9........
79963 5-9, 6-9........
79964 5-9, 6-9........
79965 5-9, 6-9........
79966 5-9, 6-9........
79967 5-9, 6-9........
79969 5-9, 6-9........
79970 5-9, 6-9........
79972 5-14, 6-14........
79973 5-14, 6-14........
79974 5-14, 6-14........
79975 5-21, 6-21........
79976 5-14, 6-14........
80395 2-87, 3-25........
82063 3-5, 3-7, 3-13........
82168 2-71........
82200 3-9, 3-11, 3-15........
82661 2-51........
82727 2-15, 4-55........
82731 2-37........
82733 2-97........
82739 2-35, 3-55........
82820 2-77........
82825 2-27........
82830 2-19........
82834 2-21........
82835 2-77........
82839 2-71........
82843 2-77........
82921 2-13........
82962 3-47........
83547 2-31........
83548 2-31........
83549 2-21........
83551 2-21........
83553 2-21, 2-23........
83554 2-21, 2-23........
83555 2-23........
83557 3-23........
83578 2-41, 2-45, 2-47........
83580 2-41, 2-45, 2-47........
Part Page
Number Number
Ersatzteil Seite
Nummer Nummer
Numéro de la Numéro de la
Piéce Page
83581 2-37........
83618 2-27........
83620 2-31........
83622 2-31........
83626 3-23........
83627 3-23........
83639 2-41........
83640 2-43........
83641 3-45........
83643 2-53........
83644 2-53........
83652 2-37........
83664 2-37........
83669 5-15, 6-15........
83673 2-39........
83674 2-39........
83676 5-22........
83677 5-22, 6-22........
83678 2-41........
83679 2-43........
83682 2-41, 2-43........
83683 2-41, 2-43........
83684 2-41, 2-43........
83685 2-41, 2-43........
83686 2-41, 2-43........
83689 2-39........
83690 2-57........
83691 2-57........
83692 2-37........
83693 2-113........
83695 2-113, 2-119........
83699 3-28........
83706 3-55........
83707 5-22........
83729 2-37........
83731 2-37........
83732 5-22, 6-22........
83747 2-37........
83750 2-37........
83758 2-41, 2-43........
83853 2-37........
84014 2-81, 4-39........
84015 2-97, 3-27, 4-35........
84016 2-87, 3-25, 4-40........
84103 2-71........
84581 3-27........
84875 5-3........
84876 5-3........
84877 5-3........
84878 5-3, 6-3........
84879 5-3, 6-3........
84880 5-3, 6-3........
84882 5-3, 5-22, 6-3, 6-22........
84883 2-4, 5-3, 6-3........
84884 5-3, 6-3........
84885 5-5........
84886 5-5........
84887 5-5, 6-5........
84888 5-5........
84889 5-5, 5-11, 6-5, 6-11........
Home
Find...
Go To..

RENVOI -- QUER VERZEICHNIS -- CROSS REFERENCE
7-11
800 330126 (6--02)
Part Page
Number Number
Ersatzteil Seite
Nummer Nummer
Numéro de la Numéro de la
Piéce Page
84891 5-5, 6-5........
84892 5-5........
84893 5-5........
84894 5-5........
84895 5-7, 6-7........
84896 5-7, 6-5, 6-7........
84897 5-7, 6-7........
84898 5-7, 6-7........
84899 5-7, 6-7........
84900 5-7, 6-7........
84901 5-7, 6-7........
84902 5-7, 6-7........
84903 5-7, 6-7........
84904 5-7, 6-7........
84905 5-7, 6-7........
84906 5-7, 6-7........
84907 5-6, 6-6........
84910 5-6, 6-6........
84911 5-20.........
84912 5-20........
84913 5-20........
84914 5-20........
84915 5-17, 6-17........
84916 5-17, 6-17........
84917 5-17, 6-17........
84919 5-17, 6-17........
84921 5-17, 6-17........
84923 5-13........
84924 5-13, 6-13........
84925 5-13, 6-13........
84926 5-13, 6-13........
84927 5-13, 6-13........
84928 5-13........
84929 5-13........
84930 5-13........
84931 5-13........
84932 5-13........
84933 5-13........
84934 5-13........
84935 5-13........
84936 5-17, 6-17........
84937 5-13........
84938 5-13........
84940 5-13........
84941 5-13........
84942 5-13........
84943 5-13........
84944 5-13........
84946 5-13........
84947 5-13........
84950 5-19, 6-19........
84951 5-19, 6-19........
84952 5-19, 6-19........
84953 5-19, 6-19........
84954 5-19, 6-19........
84955 5-19, 6-19........
84956 5-19, 6-19........
84957 5-19, 6-19........
84958 5-19, 6-5, 6-19........
84961 5-19, 6-19........
Part Page
Number Number
Ersatzteil Seite
Nummer Nummer
Numéro de la Numéro de la
Piéce Page
84962 5-3, 6-3........
84963 5-11, 6-11........
84964 5-11, 6-11........
84965 5-11, 6-11........
84966 5-11, 6-11........
84967 5-11, 6-11........
84968 5-11........
84969 5-11, 6-11........
84970 5-11, 6-11........
84971 5-11, 6-11........
84972 5-11........
84973 5-11, 6-11........
84974 5-11, 6-11........
84975 5-11, 6-11........
84976 5-11, 6-11........
84977 5-11, 6-11........
84978 5-11, 5-17, 6-11, 6-17........
84979 5-11, 6-11........
84980 5-11, 6-11........
84981 5-11, 6-11........
84982 5-21, 6-21........
84983 5-5, 5-21, 6-5, 6-21........
84984 5-21, 6-21........
84985 5-14, 6-14........
84987 5-21, 6-21........
84988 5-21, 6-21........
84989 5-21, 6-21........
84990 5-14, 6-14........
84991 5-14, 6-5, 6-14........
84992 5-14, 6-14........
84993 5-21, 6-21........
84994 5-21, 6-21........
84995 5-14, 6-14........
84996 5-14, 6-14........
84997 5-14, 6-14........
84998 5-21, 6-21........
84999 5-9, 6-9........
86034 2-69........
86041 2-37........
86328 2-85, 3-27, 3-41........
86331 3-5, 3-7, 3-9, 3-11........
86798 2-7........
86860 2-7........
86953 2-71........
87337 3-52........
87396 2-53........
87515 2-7........
87536 2-101........
87579 4-53, 4-55........
87583 2-103........
87631 2-89........
87866 2-101........
87948 3-19........
97680 2-55........
990366 2-55........
990367 2-55........
990709 2-55........
Home
Find...
Go To..

CROSS REFERENCE -- QUER VERZEICHNIS -- RENVOI
800 330126 (6--02)
7-12
PART DESCRIPTION TO PAGE NUMBER CROSS REFERENCE LIST
A
A/C Hose #6 134A, 4-53
A/C Hose#10 134A, 4-53
A/C Hose, 3-37
Actuator, Valve, Bypass, 4-11, 4-21
Actuator, 2-41, 2-43, 4-7, 4-17
Adapter, Carburetor, 2-41, 2-43
Adapter, Charge Pump, 4-7, 4-11, 4-17,
4-21
Adaptor, elbow, carburetor, 2-41
Adaptor, Neutral, 4-23
Adaptor, Water Pump, 2-37
Adaptor, 2-5, 3-47
Adjuster, manual, 4-57, 4-59
Alternator, 2-37, 3-45
Angle, Mnt, 2-83
Angle, Mtg, .12x1x1x4.5L, 2-47
Angle, mtg, 2-29, 2-55
Angle, 2-9, 2-11, 2-17, 2-25, 3-47
Arm.Thr.Ball, 5-9, 6-9
Arm, Hopper Lift, 2-21
Arm, Rocker, Valve, 5-19, 6-19
Arm, Safety, 2-21
Arm, Wiper, 4-45
Arm, 2-37, 2-89, 4-5, 4-9, 4-15, 4-19, 4-45
Armature, 5-9, 6-9
Armrest, Black [Seats Inc#152685vn20],
2-13, 4-47
B
Backing Plate Rh, 4-57
Backplate S/A, 4-7, 4-17
Backplate, 4-11, 4-21
Baffle,5-3,6-3
Ball En, 4-23
Ball, 4-27, 4-29
Balljoint, 2-71, 3-47
Bar, 2-7, 2-13, 2-21, 2-23, 2-25, 2-33, 2-69,
2-71, 2-89, 3-47
Battery, 12v, wet, 2-61
Bearing Cam,, 5-6, 6-6
Bearing, .016 Camshaft, 5-6, 6-6
Bearing, ball, 2-37, 2-89
Bearing, cone, 2-63, 2-65
Bearing, cup, 2-63, 2-65
Bearing, fiberglide, 2-33, 2-71
Bearing, flange, 2-29, 2-85, 2-99, 3-27,
3-47
Bearing, journal, 2-21, 2-23, 2-27
Bearing, Needle, 4-34
Bearing, Thrust, 4-30, 4-31
Bearing, thrust, 2-7, 2-33
Bearing, 2-29, 2-33, 2-83, 2-85, 2-87, 2-89,
3-25, 3-27, 3-55, 4-5, 4-7, 4-9, 4-11,
4-15, 4-17, 4-19, 4-21, 5-9, 5-20, 6-9,
6-20
Bell Crank En, 4-13
Bell Crank En, 4-23
Belt,seat,3-52
Belt,V,3-38
Belt, v, 2-37, 3-45
Blade, deflector, 2-4, 2-7
BlockAssy,5-3,6-3
Block, 3-25
Blower, Heat/Ac, 4-53, 4-55
Body Assy, 4-25
Bolt M12, 5-3, 5-6, 6-3, 6-6
Bolt M12X45, 5-17, 6-17
Bolt, eye, m08, 2-85
Bolt,eye,3-27
Bolt,latch,2-9,2-11
Bolt, M6X16.5mm, 5-3, 6-3
Bolt, M8 X 17 Schd, 5-7, 6-7
Bolt, M8X12.0mm, 5-21, 6-21
Bolt, shld .50d x 0.50, .38--16, 2-7
Bolt, shld .50d x 1.00, .38--16, 2-33
Bolt, Shld, 12mmx12mm, M10x1.5, 2-85
Bolt, Shld, 12mmx12mm, 3-27
Bolt, U, 3-37, 3-41
Bolt,M10X40.0mm, 5-11, 6-11
Bolt,M10X55.0M, 5-14, 6-14
Bolt,M10X58.0mm, 5-15, 6-15
Bolt,M14X55.0M, 5-13, 6-13
Bolt,M5X20.0M, 5-11, 6-11
Bolt,M6X27.5mm, 5-11, 6-11
Bolt,M6X37.5mm, 5-7, 6-7
Bolt,M6X47.5mm, 5-11, 6-11
Bolt,M6X52.5mm, 5-11, 6-11
Bolt,M8X18.0M, 5-21, 6-21
Bolt,M8X20.0mm, 5-11, 6-11
Bolt,M8X25.0mm, 5-14, 6-14
Bolt,M8X53.0mm, 5-21, 6-21
Bolt,Tens.Sprn, 5-17, 6-17
Bolt--Conrod--4, 5-20, 6-20
Bolt--Thru, 5-9, 6-9
Bolt, 4-27, 4-29, 5-17, 6-17
Boot, Protector, 3-19
Boot,Switch, 2-101
Boot, 2-37, 2-99, 2-103, 3-33
Box Assy, Heat/Ac, 3-37, 4-53
Box Assy, Heat, 3-41, 4-55
Box, 3-47
Brace, Center, 2-15
Brace, 3-23
Bracket Wldt, Eng/Alt Mount, 2-39
Bracket wldt, mtg, headlight, 2-31
Bracket, adj, 2-69
Bracket, alternator mounting, 2-37
Bracket, Angle, 2-95, 3-17, 3-31
Bracket, battery, 2-61
Bracket, Belt, 3-38
Bracket, brush lift, 2-91
Bracket, Center, 2-15
Bracket, Eng Mtg Rh, 2-39
Bracket, Flasher, 3-19
Bracket, Ignition, 2-37
Bracket, L, 2-15, 2-59
Bracket, mounting, eng rear rh, 2-39
Bracket, mounting, fitting, 2-27
Bracket, Mtg. Valve, 3-37, 3-41
Bracket, mtg, battery, 2-61
Bracket, Mtg, Mirror, Rearview, 3-35
Bracket, Mtg, 2-59, 2-71
Bracket, mtg, 2-25, 2-29, 2-39, 2-45, 2-81,
2-83, 2-85, 2-97, 3-21, 3-27, 3-35,
3-49, 3-55
Bracket, Pump, 2-53
Bracket, rep. by 375534, 2-63
Bracket, Valve, 2-97
Bracket, Wldt,Cable, 2-71
Bracket--L, 2-37
Bracket, 2-7, 2-13, 2-15, 2-29, 2-37, 2-41,
2-43, 2-51, 2-55, 2-57, 2-63, 2-85,
2-87, 2-95, 2-99, 3-5, 3-7, 3-9, 3-11,
3-17, 3-25, 3-27, 3-33, 3-49, 4-47
Brake, lh (See Breakdowns), 2-65
Brake, lh, 4-59
Brake, rh (See Breakdowns), 2-65
Brake, rh, 4-57
Breaker--Cicuit, 3-55
Breather, hyd, 2-4, 2-79
Brg--Conn.Rod, 5-20
Brkt,Mtg,Htr Coil, 4-55
Brush Holder, 5-9, 6-9
Brush, disk, sweep, 26d, fltw, 2-5
Brush, disk, sweep, 26d, nyl, 2-5
Brush, disk, sweep, 26d, poly, 2-5
Brush, outside, 50l, poly, 2-5
Brush, patrol, 50l, nylon, 2-5
Brush, sweep, 50l, nyl, 2-5
Brush, sweep, 50l, p w, 2-5
Brush, sweep, 50l, poly, 2-5
Brush, sweep, 50l, wire, 2-5
Bulb, #194, 3-19
Bumper Assy, Se, 3-23
Bumper wldt, se, left, front, 3-23
Bumper wldt, se, right, front, 3-23
Bumper Wldt, 2-31
Bumper, corner, 2-7
Bumper, cover, 2-29
Bumper, Rbr, 1.5d 1.50 0.28h, 2-17
Bumper, Rubber, 3-7, 3-11
Bumper, rubber, 2-13, 2-19, 3-33
Bumper, support, hopper, lh, 2-31
Bumper,2-7,2-31
Bushing, flange, 3-35
Bushing, isolator--inner, rubber, 2-83
Bushing, isolator, 2-33, 2-59, 2-95
Bushing, Rubber, 2-49
Bushing, Seal, 4-34
Bushing, 4-5, 4-7, 4-9, 4-11, 4-15, 4-17,
4-19, 4-21, 4-37
Button, Plug, 2-103
C
Cab Assembly, 3-33
Cab Assy, Lpg, W/Mirror 800/810, 4-45
Cab Assy, W/ Label And Mirror, [800g],
4-45
Cable, 0.25d, 21.2l, 3-27
Cable, 0.25d, 2-85
Cable, battery, 2-61
Cable, brake, 2-69
Cable, choke, 2-41, 3-37, 3-41
Cable, lift, main brush, 2-91
Cable, push--pull, 2-71
Cable, retaining, 2-87, 3-25
Cable, speed control, 2-71
Cam, 2-71
Camsft.Sensor, 5-11, 6-11
Camshaft, 5-17, 6-17
Camshft Sprckt, 5-17, 6-17
Cap Assy, 4-37
Cap Screw En, 4-15
Home
Find...
Go To..

RENVOI -- QUER VERZEICHNIS -- CROSS REFERENCE
7-13
800 330126 (6--02)
Cap Screw Cl, 4-31
CapScrewEn,4-5,4-9,4-19
Cap, breather, with gasket, 2-79
Cap, Breather, 5-19, 6-19
Cap, End, 4-34
Cap, fuel, chain, 2-53
Cap, fuel, protectoseal, 3-51
Cap, grease, 2-65
Cap, radiator, 2-59
Cap, Screw, 4-34
Cap, valve stem, 2-67
Cap, Vinyl, 0.21id 0.50l Red, 2-37
Carburetor, lpg, with gasket, 2-43
Carburetor, lsg, 2-41
Cart, Check Valve, 4-39
Cart,FlowCt1.5,4-39
Chain, jack, 2-7
Chain, link, 2-4, 2-7
Chain, 3-47
Channel, fan motor, 2-59
Channel, mtg, engine, 2-39
Channel, mtg, steering latch, 2-99
Channel, mtg, 2-7
Channel, retainer, seal, 2-4, 2-7
Channel, retainer, 2-4, 2-7, 2-63
Channel, wldt, Mtg, Eng, Rear, 2-39
Check valve,100 psi, 3-27
Circuitbreaker, 2-103, 3-33, 3-39, 3-43
Clam Latch, 4-47
Clamp, cable, 2-23, 2-33, 2-35, 2-53, 2-63,
2-69, 2-85, 3-27, 3-41, 3-47, 3-55
Clamp, hold down, 4-57, 4-59
Clamp, Hose, Wormdrive, 0.56--1.06d,
2-47
Clamp, hose, 3-37
Clamp, tube, 2-51
Clamp, wormdrive, 2-33, 2-41, 2-43, 2-45,
2-49, 2-51, 2-57, 2-95, 3-37, 3-41
Clamp--Wormdrive, 0.56-- 1.06D, 2-47
Clamp--Wormdrive, 0.81-- 1.50D, 3-19
Clamp, 3-37, 3-41, 4-51, 5-3, 6-3
Cleaner, air al se, 2-49
Clevis, 2-71
Clip, 2-15, 3-47
Closure, 4-45
Coil, Condenser, 4-51
Coil, Evaporator, 4-53
Column, steering, 2-99
Compressor, a/c, 3-38
Condenser Assy, A/C, 3-37
Condenser, 4-51
Connecting Rd, 5-20, 6-20
Control, Pump, Hyd, 4-15, 4-19, 4-23
Control, 4-5, 4-9, 4-13
Controlbox, governor (Replaced by
374127), 2-41
Controlbox, governor, 2-41, 2-43
Controller, Lpg, 12Vdc, 2-47
Controller, 3-55
Cooler, oil, hyd, 2-19
Coupler, 4-7, 4-11, 4-17, 4-21
Coupling nut lp, 2-55
Coupling, flywheel, 2-39
Coupling, hose, 2-57
Coupling, 2-55, 3-55
Cover Weldt., 2-37
Cover, Cab Pressurizer, 3-33
Cover, cab, 3-33
Cover, electrical, 3-55
Cover, fuel inlet, 3-33
Cover, hopper, 2-29
Cover, Housing, 3-55
Cover, motor, 3-55
Cover, panel, 2-103
Cover, Valve, 5-19, 6-19
Cover, 2-15, 2-37, 2-87, 2-91, 2-101, 3-25
CradleAssy,4-5,4-15
Cradle, 4-9, 4-19
Crankshaft Asy, 5-13, 6-13
Crnksft Seal--Rear, 5-13, 6-13
Crnksft Sprckt, 5-13, 6-13
Crnkshaft Key, 5-13, 6-13
Cyl Block Assy (Short Block Assy), 5-3, 6-3
Cylinder, Hyd, 2.0b, . L,08.00strk,1500,
4-41
Cylinder, Hyd, 4.0b, . L,14.50strk,2500,
4-42
Cylinder, hyd, 2-23, 2-27, 2-63, 2-87, 2-91,
3-25
Cylinder, master brake, 2-69
Cylinder, wheel, brake, 4-57, 4-59
D
Dampener, engine, 2-13
Disc, 2-33, 3-47
Disconnect, Male, 4-45
Door wldt, rear, 2-19
Door,brush,2-9,2-11
Door, bumper, 2-7
Door, Engine, 2-17
Door, hopper, 2-27
Door, 4-47
Dowel Bushing En, 4-5, 4-15
Dowel Pin En, 4-13, 4-23
Dowel,Frnt Cover, 5-3, 6-3
Dowel, 5-3, 6-3
Draincock,End.Block, 5-3, 6-3
Draincock, 2-57, 2-59
DriveAssy,5-9,6-9
Drive Gear Assy, 4-25
Drive, 4-27, 4-29, 4-30, 4-31, 4-34
Drum,brake,2-65
Duck Bill, 4-53, 4-55
Duct, Heater A/C, 3-39, 3-43
Duct, inlet, 2-25
Duct,Rear,2-59
Duct,vinyl,3-5,3-7,3-9,3-11
Duct, 3-55
Dust control kit, side brush, 3-49
E
Elbow, Heater, 3-37, 3-41
Elbow,90 deg, 5-14, 6-14
Element, filter, air, 2-49
Element, filter, oil, 2-4
Element, Filter,Air, 2-4
Element, filter, 2-19
End Cap Cl, 4-31
EnginePurchKit,Lrg425(See2.5L
Engine Bkdn), 2-37
Engine, ford lrg423(See 2.3L Engine
Bkdn), 2-37
Exh.Manifold, 5-14, 6-14
F
Fan, Foot, 4-51
Fan, radiator, 2-59
Fan, 4-51
Ferrule, 2-33
Filter (option), 2-33
Filter (standard), 2-33
Filter Element, Oil, 5-3, 6-3
Bumper, rubber, 2-29
Filter, dust, panel, 2-25
Filter, Fuel, 2-4
Filter, fuel, 2-41, 2-53
Filter, fuelock, 2-45
Filter, oil, hyd, 2-4, 2-19
Filter, pre--cleaner, a/c, 2-49
Filter,Panel 23.5 x 6.5 x 2 143plts, 3-37
Filter,Panel, 3-41
Fitting, bkhd, 2-35, 2-55, 3-55
Fitting, Brass Drain Cock, 2-41, 2-45, 2-47
Fitting, brass, elbow, 2-43, 2-45
Fitting, brass, str, 2-35, 2-45, 2-53, 3-37,
3-41, 3-55
Fitting, Brass, Tee, 3-37, 3-41
Fitting, brass, tee, 2-45, 2-69
Fitting, Brass, 3-37, 3-41
Fitting, brass, 2-53
Fitting, breather, 2-35, 3-55
Fitting, Brs, E45, Pm06/Pf06, 2-47
Fitting, Brs, E90, Pm04/Pf04, 2-47
Fitting, Brs, E90, Pm06/Em10, 2-47
Fitting, Brs, Str, Pm06/Em10, 2-47
Fitting, elbow, 2-41
Fitting, grease, 2-63, 2-93
Fitting, Hyd. Str, 3-37, 3-41
Fitting, hyd, elbow, 2-19, 2-23, 2-27, 2-43,
2-45, 2-55, 2-59, 2-63, 2-73, 2-79,
2-81, 2-83, 2-87, 2-91, 2-97, 3-25,
3-27
Fitting, hyd, plug, 2-79, 3-25
Fitting, hyd, restrictor, 2-23, 2-83
Fitting, Hyd, Str, Pm04/Pf02, 2-47
Fitting, hyd, str, 2-19, 2-23, 2-37, 2-45,
2-59, 2-63, 2-73, 2-79, 2-81, 2-83,
2-85, 2-87, 2-89, 2-97, 2-99, 3-25,
3-27
Fitting, hyd, tee, 2-27, 2-59, 2-73, 2-79,
2-81, 2-83, 3-27
Fitting, pipe, elbow, 2-55
Fitting, Plug, Pm08 Sq Head, 2-47
Fitting, Plug, 2-59
Fitting, special, 2-43
Fitting, str, 2-55
Fitting, tee, 2-55
Fitting, 4-51
Flange, bearing, 2-89
Flange, 4-30, 4-31
Flasher Heavy Duty, 3-19
Flasher, 3-17
Flywheel Ring Gear, 5-15, 6-15
Flywheel, 5-15, 6-15
Follower, Piston, 4-5, 4-9, 4-15, 4-19
Frame Assy--Cab Jd, 4-45
Frame, Door, 4-47
Frame, Main, 2-7
Frame&Mag.As, 5-9, 6-9
Ftg E 45, 3-27
Ftg--Hyd E90 Pm08/Jm10, 2-47
Home
Find...
Go To..

CROSS REFERENCE -- QUER VERZEICHNIS -- RENVOI
800 330126 (6--02)
7-14
Ftg--str, npt/jic 04pm08jf, 2-55
Ftg--str, npt/npt 04pf04pf, 2-55
Fuelline, 2-45, 2-53
Fuelock replacement kit, 2-45
G
Gage, Sight Ac, 3-37
Gasket Oil, 5-5, 5-11
Gasket Water Outlet Connection, 5-21,
6-21
Gasket, Box/Cab, 4-53, 4-55
Gasket, Cab Pressurizer, 3-33
Gasket, cap, hyd, 2-79
Gasket, Cover, 3-55
Gasket, Exh. Flange, 5-14, 6-14
Gasket, Head, 5-5, 5-6, 6-5, 6-6
Gasket,Oil Pan, 5-5, 5-11, 6-5, 6-11
Gasket, 2-41, 2-43, 2-53, 2-79, 2-95, 2-97,
4-45, 5-19, 6-19
Gauge, level sensing, 2-79
GearAssy,5-9,6-9
Gear, Idler, 4-25
Gear, 4-25
Geroler Set, 4-29, 4-30
Gerotor Set, 4-31, 4-34
Gerotor, 4-27
Glass Assy, Front Cab, 4-45
Glass Assy, Front Door, 4-47
Governor, gas, 2-41
Governor, lpg, 2-43
Grip, handle, flat, 3-47
Grommet Rbr 0.25Id For .09Matl, 3-19,
3-31
Grommet, Flexible, 2-7
Grommet, Rbr, 2-49
Grommet, rubber, 2-7, 2-35, 2-101, 3-5,
3-7, 3-9, 3-11, 3-13, 3-15, 3-55
Grommet,Rbr,0.75Id,For .13Matl, 3-19
Grommet, 3-13, 3-15, 3-17, 3-37, 3-41,
4-45
Gskt Kit,Lower, 5-5, 6-5
Gskt Kit,Upper, 5-5, 6-5
Gskt,Exh.Mnfld, 5-14, 6-14
Gskt,FrntCvr,5-5,6-5
Gskt,Front Cvr, 5-7, 6-7
Gskt,In.Manfld, 5-5, 6-5
Gskt,Int.Mnfld, 5-14, 6-14
Gskt,Oilpmp/Blk, 5-11, 6-11
Gskt,Pmp/Putube, 5-5, 6-5
Gskt,Pu Tube, 5-11, 6-11
Gskt,Rockr Cvr, 5-5, 6-5
Gskt,Water Pump, 5-5, 5-21, 6-5, 6-21
Gskt--Waterout, 5-5, 6-5
Guard wldt, hopper, 2-31
Guard wldt, side brush ec, 2-85
Guard, alternator, 3-45
Guard,lamp,3-5,3-7,3-9,3-11
Guard, mirror, 3-35
Guard, overhead, 3-21
Guard, 2-37, 2-85, 3-27
Guide, 2-33
H
Handle, Container, 2-29
Handle, 2-83, 2-99, 3-47
Harness, Alarm, Back--up, 3-17
Harness, Alarm, Backup, 3-13, 3-15
Harness, Cab, 4-50
Harness, Hopper, 2-113, 2-119
Harness, hopper, 3-55
Harness, jumper, 3-55
Harness, Light, Road, 3-19
Harness, light, 2-113, 2-119, 3-5, 3-7, 3-9,
3-11
Harness, main, 2-113, 2-119
Harness, motor, 3-55
Harness, Side Brush, L.H., 3-28
Harness, start, 3-53
Harness, Wiper / Light/ A/C, Cab, [800l],
4-45
Head--W/O Valves, 5-6, 6-6
Headlight, 2-29
Headliner, front, 4-49
Headliner, rear, 4-49
Heater Coil, 4-53, 4-55
Hinge, pin, 2-17
Hinge, 2-15, 2-17, 2-29
Hook, Cable, .44d Ball, 2-85, 3-27
Hook, 2-7
Hopper, 2-25
Horn, 2-15, 3-17
HoseAssy,Drain,A/C,3-57
Hose Lpg, 10Lpg 28In.Lg, 2-47
Hose, .62Id X 20.0 Lng Heater, 2-47
Hose,A/C,3-37
Hose,fuel,2-53
Hose, Heater, Str, 0.62id 15.0, 2-47
Hose, heater, 2-41, 2-45, 3-37, 3-41
Hose, hyd, 2-77, 3-29
Hose, Lpg, Med05 Pm04str/Pm04str 46.0l,
2-55
Hose, lpg, 2-45, 2-55
Hose, Molded, 2-49
Hose, radiator, 2-57
Hose, rubber, 2-41, 2-43
Hose, vacuum, with cuff, 2-95, 3-47
Hose, vacuum, 2-35, 2-37, 2-45, 3-55
Hose,Heater .62Idx15.0Lg, 2-47
Hose,Heater .62Idx53.0Lg, 2-47
Hose--Heater, 3-37
Hose, 2-95, 5-3, 6-3
Housing Assembly, 4-53, 4-55
Housing En, 4-5, 4-15
HousingS/AEn,4-5,4-15
Housing, Bearing, 4-27, 4-29
Housing, Condenser, 4-51
Housing, Control, 4-13
Housing, fan, vacuum, 2-95
Housing, flywheel, 2.3Lrg, 2-39
Housing, flywheel, 2.5Lrg, 2-39
Housing, support, wheel, 2-63
Housing,Control En, 4-23
Housing, 4-9, 4-19, 4-27, 4-29, 4-31
Hsg W/Brg, 5-9, 6-9
Hub & stud assy, 9/16, 2-63
I
Ignition Coil, 5-22, 6-22
Ignition Module, 5-22, 6-22
Impeller 9.5 dia. 18 blade mac, 2-95
Indicator, air filter, 2-49
Indicator,Oil, 5-3, 6-3
Inner Cover, 5-7, 6-7
Insert--Oilfilt, 5-3, 6-3
Instruction, Repair, Motor, 4-31
Instruction, Repair, Valve, 4-37
Instruction, Repair, 4-34
Insulation , acoustic, vac fan, 2-97
Insulation S/Foam, 2-15
Insulation, acoustic, fan, 2-95
Insulation, Acstc, Side Upper, Cab, .6,
3-33
Insulation, Foam, 4-47
Insulation, foam, 2-7, 2-11, 3-21, 3-33,
4-49
Insulation, s/foam 1.0x3.0x3.0, 2-7
Insulation, s/foam 1.5x4.0x4.0, 2-7
Insulation, s/foam, door, lh, 2-9
Insulation, s/foam, front, 3-33, 4-49
Insulation, s/foam, seat, 2-13
Insulation, S/Foam, 2-69
Insulation, Sound Foam, 2-69
Insulation, Sound, 2-15
Insulation,s/foam .8 x 19.3 x 20.3, 2-15
Insulation, 2-13
Int.Manifold, 5-14, 6-14
Isolator, mtg, 2-39
Isolator, vibration, 2-19, 2-51, 2-59, 2-97
Isolator, 2-81
K
Keeper, Latch, Window, 4-45, 4-47
Key, Door, Set Of Two, 4-47
Key, Round, 4-25
Key, Sq, 0.12 X 0.12, 00.50l, 4-33
Key, Sq, 0.12 X 0.12, 01.00l, 4-32
Key, switch, set of two, 2-101
Key, Woodruff, 4-30
Key, 4-7, 4-11, 4-17, 4-21, 4-27, 4-29
Kit, Alarm, Backup, 3-17
Kit, Alternator, 3-45
Kit, Bearing Crankshaft, 5-13
Kit, brush, 2-37
Kit, Cable, Side Brush [800/810], 2-85
Kit, Cable, Side Brush, Lh [800/810], 3-27
Kit,Ci,DrainHose,A/C,3-57
Kit, Dryer, 4-51
Kit, floor, hopper, ss, 3-22
Kit, guard, overhead, 3-21
Kit, insulation, sound, 4-49
Kit, light, 800/810, 3-5, 3-7, 3-9, 3-11
Kit, Light, Flsh, Low, 3-13
Kit, Light, Revl, Low, 3-15
Kit, mirror, 3-35
Kit, repair, fan, 2-95
Kit, replmt, bar, 2-33
Kit, replmt, circuitboard, 2-101
Kit, Replmt, Control, Govnr, [All Purps],
2-43
Kit, Replmt, Control, Govnr, 2-41
Kit, replmt, hourmeter, 2-101
Kit, replmt, housing, instrm, 2-101
Home
Find...
Go To..

RENVOI -- QUER VERZEICHNIS -- CROSS REFERENCE
7-15
800 330126 (6--02)
Kit, replmt, lamp, f/56330, 2-101
Kit, replmt, lamp, f/59972, 2-101
Kit, replmt, panel, 2-101
Kit, Replmt, Seal, 4-30, 4-31
Kit, replmt, seal, 2-101
Kit, Roller, Side Brush Lift, [800/810], 2-87,
3-25
Kit,Rotating,Pump,Hyd,4-5,4-9,4-15,
4-19
Kit, Seal, Gear, Hyd Motor, 4-32, 4-33
Kit, Seal, Hyd, Cylinder, 4-42
Kit, Seal, Hyd, Motor, 4-27, 4-29
Kit, Seal, Hyd, Pump, 4-5, 4-7, 4-9, 4-11,
4-15, 4-17, 4-19, 4-21, 4-25
Kit,Seal,Hyd,Scu,4-34
Kit, Seal, Hyd, Valve, 4-13, 4-23, 4-35,
4-37, 4-39, 4-40
Kit,Seal,Hyd,4-41
Kit, Seal, Motor, 4-27
Kit, Seal, 4-29
Kit, seat belt, 3-52
Kit, Signal, Turn, 3-19
Kit, Spring, 4-34
Kit,Seal, Glass, Door, Cab [800l], 4-47
Kit--Attaching, 5-9, 6-9
Knob, plastic, 2-87, 2-93
Knob,0.38--16,1.25dia,plastic, 3-47
Knob, 2-83, 3-39, 3-43
L
Label set, info & haz 355, 2-120
Label set, operational 800l ec, 2-120
Label, Hi/Med/Lo, 3-39, 3-43
Label, numerals 800, 2-120
Label, Pull--Heat, 3-37, 3-41
Label, Starter Fd, 5-19, 6-19
Label, Thermostat, 3-39
Label, vac wand, 3-47
Label, Wiper, 4-45
Label,Caution , 3-37
Lamp Assembly, Dome, 12v, 4-45
Lamp, 12vdc 15watt [T 4.75], 4-45
Lamp, 12VDC 55w, 3-17, 3-31
Lamp, 2-7, 3-5, 3-7, 3-9, 3-11, 3-13, 3-15
Lanyard assy, 2-19
Latch assy, lpg tank mtg,w/nut, 2-55
Latch Assy, Rbr, 1.6d 1.4l/1.0d 1.0l, 3-33
Latch, bolt, 2-15, 2-17
Latch, bumper, 2-31
Latch, door, 3-52
Latch, hook lh, 2-9, 2-17
Latch, hook, rh, single catch, 2-29
Latch, hook, rh, 2-11, 2-15
Latch, Tension, 4-53, 4-55
Latch, Window, Cab, 4-45, 4-47
Latch, 2-19, 2-89, 4-45
Leg, bumper, 3-23
Lens,flashing lite fr207 amber, 3-5, 3-7,
3-13
Lens,flashing lite fr207 blue, 3-5, 3-7, 3-13
Lens,flashing lite fr207 red, 3-5, 3-7, 3-13
Lens,rev.light,amber, 3-9, 3-11, 3-15
Lens,rev.light,blue, 3-9, 3-11, 3-15
Lens,rev.light,red, 3-9, 3-11, 3-15
Lever Wldt, Lockout, 2-83
Lever, brake, 2-69
Lever, Pump, 2-71
Lever, 5-9, 6-9
Lifting Eye, 5-14, 6-14
Light Assy Mark/Yel 12V-- . A, 3-19
Light assy panl/red 14v--levl, 2-101
Light assy stop/red 12v-- . a, 2-7
Light Kit, Side Brush, 3-31
Light, flashing, amber, 12v--re, 3-5, 3-7,
3-13
Light, spot 12v 32cp, 3-17
Light, Spot, 12VDC 55w, 3-31
Light,rev.amber 12v, 3-9, 3-11, 3-15
Link, Connecting, 4-47
Link, eccentric, 2-33
Link, Feedback En, 4-13, 4-23
Link, Tension, 3-38
Linkage kit, 2-41, 2-43
Lintel, 2-15
Locknut, 5-21, 6-21
Lower Cover, 5-7, 6-7
M
Magnet, 2-29
Main Brg,.002 Lower, 5-13
Main Brg,.002 Upper, 5-13
Main Brg,.010 Lower, 5-13
Main Brg,.010 Upper, 5-13
Main Brg,.02, 6-13
Main Brg,.030 Lower, 5-13
Main Brg,.030 Upper, 5-13
Main Brg,.05, 6-13
Main Brg,.25, 6-13
Main Brg,.50, 6-13
Main Brg,.75, 6-13
Main Brg,1.0, 6-13
Main Brg,Stdblu, 5-13
Main Brg,Stdred, 5-13, 6-13
Maint kit skirts 800hr, 2-4
Maint kit skirts, 2-4
Maint kit, 800hr 800/810, 2-4
Maintenance Kit, 400HR, G/lp, 2-4
Maintenance Kit, 400HR, Lp, 2-4
Manual Parts 800G, 3-58
Manual, Cd--Rom, Parts, All (Ce), 3-58
Manual, Service 800/810, 3-58
Manual--Inst 800G DE, 3-58
Manual--Inst 800G DK, 3-58
Manual--Inst 800G EN, 3-58
Manual--Inst 800G ES, 3-58
Manual--Inst 800G FI, 3-58
Manual--Inst 800G FR, 3-58
Manual--Inst 800G GR, 3-58
Manual--Inst 800G IT, 3-58
Manual--Inst 800G NL, 3-58
Manual--Inst 800G NO, 3-58
Manual--Inst 800G PT, 3-58
Manual--Inst 800G SE, 3-58
Mirror Assy, Flat, 5.1d, 3-35
Mirror, convex, round, 3-35
Mirror, Flat, 5.1d, 3-35
Molding, trim , 2-13
Molding, trim 11--14ga 4.0, 2-69
Molding, trim 16ga&thinnr 10.0, 2-13
Molding, Trim, .08--.11 26.50l, 4-45
Molding, Trim, 2-13
Molding, trim, 2-13
Motor electric 13.6 vdc, 2-33
Motor, Ele, Wiper, 4-45
Motor, elec, 3-55
Motor, hyd gear in 17.9 b 1500, 2-85
Motor, hyd gear, 3-27
Motor, Hyd Rep.By 22651, 4-27
Motor, Hyd, Gear, [Ex] .16 L 2300, 4-32
Motor, Hyd, Gear, [In] 10.0 B 3000, 4-33
Motor, Hyd, Gear, [In] 02.8 B 2500, 4-30
Motor, Hyd, Gear, [In] 17.9 B 1500, 4-31
Motor, Hyd, Gear, [In] 29.9 B 3000, 4-29
Motor, Starting, Perm Mag, 12V, 5-9, 6-9
Motor--hyd gear (See Bkdn), 2-63
Motor--hyd gear ex .16 l 2300, 2-97
Motor--hyd gear in 2.8 b2500, 2-89
Motor--hyd gear in 29.9 b 3000, 2-63
Motor--hyd, gear in 10.0, 2-59
Mount, Cable Tie, 3-57
Mount, cable tie, 3-5, 3-7, 3-9, 3-11, 3-13,
3-15
Mount, Tie, 3-17
Muffler, exhaust, 2-51
N
Nut M8--1.25, 5-14, 6-14
Nut, Conrod--8, 5-20, 6-20
Nut, Hex, Flng, M05 X 0.8, 2-47
Nut, Hex, Flng, M08 X 1.25, 2-87, 3-25
Nut, hex, jam, m20 x 1.5 x 4, 2-99
Nut, Hex, Lock, .31--24, Nl, 3-31
Nut, Hex, Lock, M06 X 1.0, Nl, 2-17, 2-29
Nut, Hex, Lock, M08 X 1.25,Nl, 3-31
Nut, Hex, Lock, M10 X 1.5, Ss, 3-25
Nut, Hex, Lock, 2-87, 3-19
Nut, hex, slot, 1.00--20, 2-65
Nut, Hex, Sltd, .75--16, 4-30
Nut, Hex, Std, .31--32, 5, 2-59
Nut, lock, special, 2.16--18, 2-63
Nut, low crown, .50--20, 2-95
Nut, low crown, .62--18, 2-87
Nut,M6,5-7,6-7
Nut, wheel, .56--18, 2-63, 2-65
Nut, wing, .44--20, special, 2-49
Nut,M10, 5-11, 6-11
Nut&Washer,M8, 5-9, 6-9
Nut, 2-55, 4-5, 4-9, 4-15, 4-19, 4-27, 4-29,
4-35, 4-39, 4-40
O
O--Ring, Water Pump Adaptor, 5-21, 6-21
O--Ring,2.375, 5-11, 6-11
O--Ring--2.250, 5-11, 6-11
Oil Pan Assy, 5-11, 6-11
Oil Pan Spacer, 5-11, 6-11
Oil Pickup Tube, 5-11, 6-11
Oil Plug, 5-11, 6-11
Oil Pmp Sprkt, 5-11, 6-11
Oil Pump, 5-11, 6-11
Oil Seal, Front, 5-5, 5-13, 5-17, 6-5, 6-13,
6-17
Oil, hydr. 15/40, 2-4
Orifice, Valve, 4-5, 4-9, 4-15, 4-19
Outer Cover, 5-7, 6-7
Output Shaft Assy, 4-30
Home
Find...
Go To..

CROSS REFERENCE -- QUER VERZEICHNIS -- RENVOI
800 330126 (6--02)
7-16
P
P0ppet, 4-37
Pad, tread, 2-7, 2-71
Pad, 2-69
Paddle, Handle, 4-47
Pane, Glass, Sliding, 4-45
Pane, Glass, Winshield, 4-45
Pane, Glass, 4-45, 4-47
Pane, Sliding, 4-47
Panel wldt, fender, lh, 2-29
Panel wldt, rear, lh, 2-7
Panel wldt, rear, rh, 2-7
Panel wldt, shaker, 2-33
Panel, Access, 2-13, 2-71
Panel, air conditioning, 2-13
Panel, bottom, rh, 2-25
Panel, Corner, Eng Cover, 2-15
Panel, cover, access, 2-13
Panel, Cover, Corner, 2-15
Panel, cover, dash, 2-101
Panel, Cover, 2-15
Panel, cover, 3-47
Panel, deflector, dirt lh, 2-25
Panel, deflector, dirt, rh, 2-25
Panel, fender, rh, 2-29
Panel, fuel, inlet, lpg, 2-13
Panel, headlight, 2-29
Panel, hopper, bottom, lh, 2-25, 3-22
Panel, hopper, bottom, rh, 3-22
Panel, Louver, 2-17
Panel, Operator, 2-13
Panel, Side, 2-13
Panel, support, 2-13
Panel, Vacuum Duct, 2-15
Panel, 3-5, 3-7, 3-9, 3-11
Pcv Vlv Asy, 5-3, 6-3
Pedal Wldt, Propel Lower, 2-71
Pedal Wldt, 2-69
Pedal, Upper, 2-71
Pedestal, 3-13, 3-15
Pin Wldt., 2-23
Pin, 1.250 Od X 4.50, 2-23
Pin, 1/4X.32, 5-17, 6-17
Pin, clevis, 2-27, 2-69, 2-71, 2-83, 2-87,
2-91, 3-25
Pin, Control Assy, 4-23
Pin, cotter, 2-87
Pin, Dowel, 4-9, 4-19
Pin, Drive, 4-45
Pin, Hair Cotter, 2-85
Pin, hair cotter, 2-71, 2-83
Pin, Headed En, 4-13, 4-23
Pin, hitch, 2-7
Pin, Roll, 2-39
Pin, Wldt, 2-21
Pin, 2-21, 2-23, 2-27, 2-29, 2-85, 3-27,
3-47, 4-34, 4-47
Pipe, exhaust, 2-51
Piston Pin, 5-20, 6-20
Piston, Servo, 4-9, 4-19
Piston, Std., 5-20, 6-20
Piston, 4-5, 4-15
Pivot wldt, wheel, 2-63
Planet Bearing, 5-9, 6-9
Plate & Brg, 5-9, 6-9
Plate mtg relay, 2-103
Plate wldt, diffuser t/pipe ec, 2-51
Plate wldt, skirt, 3-49
Plate wldt, vac door, 3-47
Plate wldt, 2-55, 2-87, 3-25
Plate, Adapter, 4-25
Plate, adj, brush, 2-93
Plate, angle, 2-85, 2-87, 3-25, 3-27
Plate, Back, 4-25
Plate, backing, lh, 4-59
Plate, Cam, [Eaton], 4-5, 4-9, 4-15, 4-19
Plate, circuit breaker, 2-103
Plate, Cover En, 4-5, 4-9, 4-15, 4-19
Plate, cover, 2-25, 2-87
Plate, Front, 4-25
Plate, guide, bumper, 2-7
Plate, latch, 3-47
Plate, Link, 2-21
Plate, mount, steering boot, 2-99
Plate, mounting valve,solenoid, 2-81
Plate, mounting, check valve, 3-27
Plate, mounting, latch, 2-89
Plate, mounting, rfs control, 3-55
Plate, mounting, tank, gas, 2-53
Plate, mounting, vac door, 3-47
Plate, mounting, water pump, 2-37
Plate, mounting, 2-55
Plate, Pin Retainer, 2-23
Plate, pivot, 2-63
Plate, Retainer, 2-21
Plate, retainer, 2-97, 3-49
Plate, seal, 2-89
Plate, shutter, 3-55
Plate, side brush, roller, 2-87, 3-25
Plate, Spacer, Mtg, Eng 2.3Fd, 2-39
Plate, spacer, 2-23
Plate, spring -- side brush, 2-59, 2-95
Plate, striker, 2-19
Plate, support, 2-15
Plate, Switch, 3-39, 3-43
Plate, vac fan, 2-95
Plate, Valve, [Eaton], 4-7, 4-11, 4-17, 4-21
Plate, Wear, 4-34
Plate--cover, 2-87
Plate, 2-71, 2-87, 3-25, 3-47, 3-49, 4-27,
4-29, 4-47, 5-17, 6-17
Plug En, 4-7, 4-11, 4-21
Plug .06 O/S, 5-3, 6-3
Plug1/4Npt,5-3,5-6,6-3,6-6
Plug 3/8 NPT, 5-14, 6-14
Plug 3/8 Npt, 5-3, 6-3
Plug Assembly En, 4-37
Plug En, 4-13, 4-17, 4-23
Plug tube, 2-89
Plug weld, brush drive, sweep, 2-89
Plug wldt, idler, 2-89
Plug, 1.50 Cup, 5-3
Plug, 1/2Npt, 5-14, 6-14
Plug, Control Box, 2-41, 2-43
Plug, drain, 3-47
Plug, hole, 2-13
Plug, O--Ring, 4-5, 4-9, 4-15, 4-19, 4-25,
4-29, 4-37, 4-39, 4-40
Plug, W/ O--Ring, 4-37
Plug,1.50 Cup, 5-6, 6-6
Plug--Std 2.078, 5-3, 6-3
Plug, 4-5, 4-9, 4-15, 4-19, 4-27, 4-29, 4-37,
5-7, 5-17, 6-7, 6-17
Plugbtn .50h .03--.12 blacknyl, 3-43
Plugbtn .62H .03--.12 Blacknyl, 4-55
Plugbtn .62h .03--.12 blacknyl, 2-103
Plugbtn .88H .03--.12 Blacknyl, 4-55
Plugbtn 1.25h.12 max blacknyl, 2-13
Plugbutton .75H, 2-13
Plugbutton, 2-13, 2-15, 2-101, 3-21
Plunger, 4-37
Poppet, 4-7, 4-11, 4-17, 4-21
Pulley assy, cable, 1.5, 2-87
Pulley rep.by74391, 3-25
Pulley, alternator, 2-37
Pump,fuel,2-53
Pump, hyd piston v (see Breakdowns),
2-73
Pump, hyd piston v 2.48 (See
breakdowns), 3-53
Pump, Hyd, Gear [Ex ] 0.66 [R] 2500, 4-25
Pump--hyd gear ex .66 r 2500 (see
Breakdowns), 2-73
R
Race Thrust, 4-30, 4-31
Race, Bearing, 4-5, 4-9, 4-15, 4-19, 4-34
Radiator, 2-59
Rear Plate, 5-15, 6-15
Rectifier, 2-37
Regulator, 2-37
Relay, shrouded, 12 vdc, 2-103, 3-5, 3-7,
3-9, 3-11, 3-13, 3-15, 3-39, 3-43, 3-55
Repair Info, Cyl, 4-42
Repair Info, Pump, 4-7, 4-11, 4-17, 4-21,
4-25
Repair Info,Mtr Cl, 4-29
Replm Kit, Flywheel, 5-15, 6-15
Reservoir, 12.5 gallon, 2-79
Retainer, Front, 4-29
Retainer, Ring, 4-34, 4-37
Retainer, ring, 2-23
Retainer, 4-27, 5-9, 6-9
Retaining Ring, 5-9, 6-9
Retnr.Gear,5-9,6-9
Rfs kit, 3-55
Rim Assy, CE, 2-67
Ring Set,Std., 5-20, 6-20
Ring, Gerotor, [Eaton], 4-7, 4-11, 4-17,
4-21
Ring, isolator, outer rbr, 2-33, 2-59, 2-95
Ring, mounting, filter, 2-33
Ring, Rear Window, 4-45
Ring, Retaining En, 4-13, 4-23
Ring, Retaining, 4-7, 4-11, 4-17, 4-21
Ring, retaining, 2-21, 2-33, 2-63, 2-71,
2-99
Ring, Rubber, 2-49
Ring, shaker, 2-33
Ring--Drv.Stop, 5-9, 6-9
Ring, 2-83
Rivet, plstc, 2-7, 2-9, 2-11, 2-13, 2-99, 3-33
Rivet, Pop, 2-17
Rod wldt, push, brake, 2-69
Rod, latch, steering, tilt, 2-99
Rod, seat, 2-13
Rod, support cover, 2-15
Rod, thread, 2-87, 2-93
Rod, threaded .50--13, 2-91
Rod--end, 2-63, 2-71
Rod--thrd, full .25--28, 2-71
Home
Find...
Go To..

RENVOI -- QUER VERZEICHNIS -- CROSS REFERENCE
7-17
800 330126 (6--02)
Rod--thread, 2end m08x1.25x10lg, 2-69
Rod, 5-17, 6-17
Roll Pin En, 4-7, 4-11, 4-17, 4-21
S
Scr&Wash M6, 5-17, 6-17
Scr&Wsh,M6x15.0mfd, 5-19, 6-19
Scr&Wsh,M6X22.5, 5-7, 6-7
Scr--Hxfmgm, 2-15
Screen, filter, 2-33
Screen, muffler, 2-51
Screw, Cap Cl, 4-27
Screw, Cap Cl, 4-27, 4-29
Screw, Cap En, 4--7, 4-17
Screw, Cap, 4-5, 4-9, 4-11, 4-15, 4-19,
4-21, 4-25
Screw, flat, m08--1.25x 20,10.9, 2-81
Screw, Flt, .38--16 X 1.75, Al, 2-97
Screw, Flt, 2-97
Screw, Hex, .38--16 x 0.75, al, 2-99
Screw, hex, fmg, m06--1.0 x 12, 3-33
Screw, Hex, M06 X 1.0 X 12, Fmg, 3-35
Screw, Hex, M06 X 1.0 X 16, 8.8, 2-47
Screw, Hex, M08 X 1.00 X 16, 10.9, 2-39
Screw, Hex, M08 X 1.25 X 20, 8.8, 3-31
Screw, Hex, M08 X 1.25 X 30, 8.8, 3-25
Screw, Hex, M08 X 1.25 X 40, 8.8, 2-87
Screw, Hex, M08 X 1.25, 2-87
Screw, Hex, M10 X 1.5 X 25, Ss, 3-25
Screw, Hex, M10, 2-87
Screw, hex, 2-85
Screw, Pan, M 6 X 1.0 X 40, 4.8, 2-17
Screw, Pan, M04, 3-19
Screw, Pan, M06x1.0 X 25, 4.8, 2-29
Screw, Set En, 4-13, 4-23
Screw, Set En, 4-13, 4-23
Screw, set, #10--24 x 0.25, nl, 3-55
Screw, set, m06--1.0 x 20, 45h, 2-83
Screw, set, m10--1.5 x 20, 45h, 2-71
Screw, set, m12--1.75x 30, 45h, 2-89
Screw, set, 2-33
Screw, soc m12x1.75, 2-63
Screw, soc, .50--13 x 2.75, al, 2-63
Screw, soc, m06--1.0 x 20,12.9, 2-43
Screw, soc, m06, 2-41
Screw,M6X22.5mm, 5-7, 6-7
Screw, 4-5, 4-9, 4-15, 4-19, 4-31
Seal foam rubber .75x1.5x3.5, 2-89
Seal Kit Jd, 4-45
Seal kit, shaker panel, 2-33
Seal, 48.0 lg., 2-13, 2-17
Seal, 7.00 lg, 2-13
Seal, bearing, 2-99
Seal, boot, steering column, 2-99
Seal, brush comp, side 810, 2-4, 2-9, 2-11
Seal, bulb, sd--0504 19.75lg, 2-15
Seal, bulb, sd--0504 24.50lg, 2-13
Seal, bulb, sd--0504 28.00lg, 2-13
Seal, cab, 3-33
Seal, door, brush, lh, 2-9
Seal, door, brush, rh, 2-11
Seal, duct, 2-59
Seal, dust, 2-13, 2-25, 2-33
Seal, fan, vac outlet, 2-59
Seal, filter, 3-55
Seal, foam rbr .19 .75w 8.43l, 3-47
Seal, foam rbr, .19 .75w 47.1l, 3-47
Seal, foam, 2-25
Seal, handle, valve, 2-101
Seal, mounting, cab, 3-33
Seal, o--ring, 3-55
Seal, oring, 2-73
Seal, pan, top, 2-4, 2-7
Seal, Rear, 5-5, 6-5
Seal, rod, adjuster, 2-13, 2-93
Seal, urethane covered foam, 2-29
Seal, urethane, 3-33, 3-55
Seal, Window, 4-45
Seal,foam rbr, .62 .62w 24.5l, 2-15, 2-17
Seal,foam rbr, 2-13
Seal,Valve Stem, 5-5, 6-5
Seal, 2-7, 2-13, 2-15, 3-47, 3-55, 4-45, 5-9,
6-9
Sealant, Silicone, [Ge#1203 Black] Tube,
4-45, 4-47
Sealing kit, operator comp, 2-13
Seat, suspension, 2-13
Send unit, temperature, 2-37
Send--unit, 2-53
Sender, filter, hydraulic, 2-19
Sensor,Crnksft, 5-7, 6-7
Separator, 5-3, 5-22, 6-3, 6-22
Service Manual FD (Lrg) 2.3L, 3-58
Service Manual FD (Lrg) 2.5L, 3-58
Shaft idler, 2-89
Shaft, Bearing, 4-27
Shaft, eccentric, 2-33
Shaft, Output, 4-31
Shaft, pivot, 2-85, 3-27, 3-55
Shaft,wldt main brush, 2-89
Shaft, 3-47, 4-5, 4-9, 4-13, 4-15, 4-19,
4-23, 4-29
Sheave, alternator, se, 3-45
Sheave, eng crank, fd w/tg, 2-37
Sheave, Water Pump, 5-21, 6-21
Shft Asy,Output, 5-9, 6-9
Shield, dust, 2-7
Shim .010 Thk En, 4-37
Shim .015 Thk En, 4-37
Shim .035 Thk En, 4-37
Shim, 2-95, 4-47
Shims En, 4-11
Shims En, 4-7, 4-17, 4-21
Shoe, brake, 4-57, 4-59
Short Tube, 5-3, 6-3
Shroud Wldt, Fan, 2-59
Signal Turn, 3-19
Skirt, brush door, 2-4, 2-9, 2-11
Skirt, brushdoor, 2-4, 2-9, 2-11
Skirt, cover, sbdc, 3-49
Skirt, deflection, 3-49
Skirt, deflector, 2-25
Skirt, front, indoor, 2-4, 2-9, 2-11
Skirt, lip, 2-25
Skirt, retainer, 3-49
Skirt, Safety, 2-21
Skirt,seal,2-4,2-7
Skirt, 3-49
Sleeve, 0.50d 0.32b 0.65l Ss, 2-87
Sleeve, 65 in, 3-37
Sleeve, 2-13, 2-19, 2-21, 2-27, 2-29, 2-33,
2-49, 2-63, 2-69, 2-71, 2-83, 2-85,
2-87, 2-89, 3-25, 3-27, 3-41
Solenoid, 12v, 4-35, 4-39, 4-40
Solenoid, 5-9, 6-9
Spacer, Condenser, 4-51
Spacer, 2-23, 2-59, 2-69, 2-71, 2-83, 2-85,
2-87, 2-95, 3-25, 3-27, 4-31, 4-37,
4-45, 5-14, 6-14
Spark Plug, 5-22, 6-22
Sparkplug, 2-4
Spindle, adjustment, 2-15
Sping, Tors, 0.81id .09wir 0.34coil Rh, 2-85
Spring En, 4-11, 4-21
Spring En, 4-7, 4-17
Spring, Cntr En, 4-23
Spring, Cntr En, 4-13
Spring, compression, 2-85, 2-93, 2-99,
3-27, 3-47
Spring, extension, 2-85, 3-27
Spring, gas 80 lb, 3-35
Spring, hold down, 4-57, 4-59
Spring, propel, centering, 2-71
Spring, recirculation, 2-7
Spring, return, 4-57, 4-59
Spring, Tension, 5-17, 6-17
Spring, tension, 2-29, 2-69, 2-71, 2-91
Spring, torsion, 3-27
Spring,Retainer En, 4-13, 4-23
Spring--gas, engine cover, 2-29
Spring, 2-33, 4-27, 4-29, 4-37
Statnry Gear, 5-9, 6-9
Std.Exh.Valve, 5-19, 6-19
Std.Int.Valve, 5-19, 6-19
Steer control hyd#4 04.5 1300, 2-99
Steer--Control, Hyd#4, 04.5 1300, 4-34
Strainer--hyd suction 25--100--03, 2-4, 2-79
Strainrelief, 2-35, 3-55
Strap weldmt, gas tank, 2-53
Strap. mounting, actuator, 2-41, 2-43
Strap, hinge -- lp tank mtg, 2-55
Strap, mtg.-- lp tank, 2-55
Strap, mtg, air cleaner, 2-49
Strap, retainer, seal, 2-4, 2-7
Strap, tank retainer -- lp, 2-55
Strip, edging, 2-7
Strip, hopper, 2-25
Strip, Retainer, 2-21, 2-69
Strip, retainer, 2-4, 2-7, 2-9, 2-11, 2-25,
2-89, 3-49
Strip, spacer, 2-15
Stud M12, 5-3, 6-3
Stud, adj, 3-47
Stud, wheel, 2-63, 2-65
Stud,M6X61.8mm, 5-7, 6-7
Stud,M8X51.0mm, 5-7, 6-7
Stud, 5-14, 5-21, 6-14, 6-21
Switch assy, press, hyd, 2-81
Switch ignition, 2-101
Switch rocker spst, 2-87, 2-91, 3-25
Switch, Lockout, 4-23
Switch, pressure oil, 2-37
Switch, pressure, lpg, 2-45
Switch, Pressure, 4-51
Switch, pressure, 2-35, 3-55
Switch, pushmom, spst100a 12v, 2-99
Switch, rocker dpdt, 2-101
Switch, roller, 2-21, 3-17
Switch, Temp, 3-39
Switch,3Way Blow, 3-39, 3-43
Switch, 2-47, 3-19, 4-45
Swivel, 3-37, 3-41
Home
Find...
Go To..

CROSS REFERENCE -- QUER VERZEICHNIS -- RENVOI
800 330126 (6--02)
7-18
T
Tank, fuel, 2-53
Tank--lp,33@,liq,both,fill ga l, 2-55
Tap.Assy--Valve, 5-19, 6-19
Tape, Warning 15ft Lhz, 2-120
Tape, Warning 15ft Rhz, 2-120
Temperature sensor, 5-21, 6-21
Tens.Asy&Tbelt, 5-17, 6-17
Term.Cover, 5-9, 6-9
Therm 190 W/Gsk, 5-21, 6-21
Thermostat assy 155 deg, 2-97
Thr.Brg,.002 Upper, 5-13
Thr.Brg,.010 Upper, 5-13
Thr.Brg,.02, 6-13
Thr.Brg,.030 Upper, 5-13
Thr.Brg,.25, 6-13
Thr.Brg,.50, 6-13
Thr.Brg,.65, 6-13
Thr.Brg,.75, 6-13
Thr.Brg,1.0, 6-13
Thr.Brg,Stdblue, 5-13
Thr.Brg,Stdred, 5-13, 6-13
Tie cable 3.00d max 3.34lg, 2-85, 2-99
Tie cable, 3-27
Tie, cable 1.75d max 7.50lg, 2-35, 3-5, 3-7,
3-9, 3-11, 3-13, 3-15
Tie, cable 7.50lg, 3-55
Tie, Cable, Nyl, 07.3l .19w 1.8 Max D,
3-57
Tie, Cable, Nyl, 3-37
Tie, Cable, 3-17, 3-19
Tie, cable, 3-55
Timing Belt, 5-17, 6-17
Tire & flap assy, 2-67
Tire & rim assy, solid6.5, 3-50
Tire & Rim Assy, 2-67
Tire, solid 6.50--10, 3-50
Touch panel replmt kit f/56300, 2-101
Tread, floormat, rubber, cab, 3-33
Tread, floormat, rubber, 2-13
Trim, Molding, 2-37
Tube Assy, Brake, 2-69
Tube, 0.62d .44b 2.44, stl, 2-29, 3-35
Tube, Air Bleed, 2-41, 2-45, 2-47
Tube, Coolant, 1.5od Lower, 2-57
Tube, cross, bumper, se, 3-23
Tube, inner, 2-67
Tube, Radiator, Upper, 2-57
Tube, retainer, spring, 2-91
Tube, spacer, brush lift, 2-91
Tube, 4-51
U
U--Nut Clip, 2-15
V
Vac.Fitting, 5-14, 6-14
Valve --3Way, 3-37, 3-41
Valve Assy, Heater, 3-37, 3-41
Valve Drive, 4-27, 4-29
Valve Plate, 4-27, 4-29
Valve Spool En, 4-13
Valve Spring, 5-19, 6-19
Valve Stem 4w2p, 4-39, 4-40
Valve, Cartridge, Cntrl, Pilot, 4-40
Valve, Expansion, 4-53
Valve, Heater, 3-37, 3-41
Valve, hyd cont, 3-27
Valve, Hyd Control Man, 4-37
Valve, hyd control man, 2-83
Valve, hyd control sol, 2-81, 2-87, 2-97,
3-25
Valve, Hyd, 4-35, 4-39, 4-40
Valve, pc, 2-4
Valve, press relief, lpg rego, 2-55
Valve, Relief, 4-7, 4-11, 4-17, 4-21, 4-39
Valve, Stem, 4-35, 4-39
Valve, 4-27, 4-29
Vaporizer repair kit, 2-45
Vaporizer, lpg, 2-45
Vlv Spool Wide En, 4-23
Vlv.Guide Bushing, 5-19, 6-19
Vlv.Spg.Key Fd, 5-19, 6-19
Vlv.Spg.Retainr, 5-19, 6-19
Vlv.Stem Seal Fd, 5-19, 6-19
W
Wand kit, vac, 3-47
Wand, 3-47
Wash M15 1.53Od, 5-13, 6-13
Washer En, 4-5, 4-7, 4-9, 4-11, 4-15, 4-17,
4-19, 4-21
Washer, 1.15b 1.75d .08, Stl, 2-101
Washer, belleville, .31, 3-25
Washer, belleville, .50, 2-85, 3-27
Washer, Fender, 2-49
Washer, flat, .25 fender, 2-9, 2-11, 2-13,
3-33
Washer, flat, .31 fender, 2-83
Washer, flat, .38 hard, 3-25
Washer, Flat, 0.31 Fender, 3-31
Washer, Flat, M10, 10.5x21x2ss, 3-25
Washer, Flat, M10, 2-87
Washer, Flt, .25 Sae, 2-47
Washer, Flt, .38 Std, 2-87, 3-25
Washer, Flt, .50 Sae, 2-85, 3-27
Washer, Lock, Int, .25, 2-47
Washer, Lock, 4-5, 4-9, 4-15, 4-19
Washer--Loc Int--Ext .31 Pltd, 3-31
Washer--Loc Int--Ext .25 Pltd, 3-19
Washer--Loc Int--Ext 10 Pltd, 3-19
Washer, 2-13, 2-15, 2-27, 2-35, 2-39, 2-41,
2-63, 2-71, 2-85, 2-89, 3-27, 3-55,
4-5, 4-9, 4-15, 4-19, 4-25, 4-37, 5-9,
5-11, 5-17, 6-9, 6-11, 6-17
Water Outlet, 5-21, 6-21
Water Pump, 5-21, 6-21
Weight, lpg/gas, 2-7
Wheel steering 14diax36, 2-99
Wire ass’y--elect.,ground, 2-39
Wire Asy,Spark Plug, 5-22, 6-22
Wire Harness, 5-22, 6-22
Wire Kit, LP, 2-45
Wire, 42.0 lg, 2ga, neg, 2-61
Wire, ground, 2-37, 3-45
Wire, lead, 2-15
Wire, 4-45
Home
Find...
Go To..

RENVOI -- QUER VERZEICHNIS -- CROSS REFERENCE
7-19
800 330126 (6--02)
REFERENZLISTE TEILBESCHREIBUNG -- SEITE
A
Abdeckung, Innen, 5-7, 6-7
Abdeckung, ÄußEres, 5-7, 6-7
Abdeckung, Ventil, 5-19, 6-19
Abdeckung, 2-15, 2-37, 2-87, 2-91, 2-101,
3-25, 5-7, 6-7
AblaßHahn--Endblock, 5-3, 6-3
AblaßHahn, 5-19, 6-19
Ablaßhahn, 2-57, 2-59
Abscheider, 5-3, 5-22, 6-3, 6-22
Abstandstück, 2-23, 2-71, 2-85, 3-27
Abtriebswelle, 4-30
Anker, 5-9, 6-9
Anlassermotor, 5-9, 6-9
Antrieb, 4-27, 4-29, 5-9, 6-9
Antriebstopfen satz, 2-89
Anzeige, füllstand erfassen, 2-79
Anzeiger, 2-49
Arm, Wischer, 4-45
Arm, 2-21, 2-37, 2-89, 4-5, 4-9, 4-15, 4-19,
4-45, 5-19, 6-19
Armarurenbrett satz, 2-101
Armatur, Stopfen, 2-59
Armatur, gerade, 2-55
Armatur, hydraulik, drossel, 2-23, 2-83
Armatur, hydraulik, gerade, 2-19, 2-23,
2-37, 2-45, 2-59, 2-63, 2-73, 2-79,
2-81, 2-83, 2-85, 2-87, 2-89, 2-97,
2-99, 3-25, 3-27
Armatur, hydraulik, t--stück, 2-27, 2-59,
2-73, 2-79, 2-81, 2-83, 3-27
Armatur, messing, gerade, 2-35, 2-45,
2-53, 3-37, 3-41, 3-55
Armatur, messing, t--stück, 2-45, 2-69
Armatur, messing, 2-53
Armatur, schott, 2-35, 2-55, 3-55
Armatur, speziell, 2-43
Armatur, t--stück, 2-55
Armatur, 3-27, 4-51, 5-14, 6-14
Armaturd, hyraulik, gerade, 3-27
Aufkleber stellen, 800länge eg, 2-120
Aufkleber, ordnungszahlen 800, 2-120
Aufkleber, 3-37, 3-39, 3-41, 3-43, 3-47,
4-45, 5-19, 6-19
Aufklebersatz, 2-120
Augenbolzen, Augenschraube, 2-85
Ausgangswellensatz, 5-9, 6-9
Ausgleichscheibe, 4-7, 4-11, 4-17, 4-21,
4-37
Auspuffdichtung, 5-14, 6-14
B
Batterie, 12v, naß, 2-61
Batteriepolabdeckung, 5-9, 6-9
Bedienungsanleitung, DE, 3-58
Bedienungsanleitung, DK, 3-58
Bedienungsanleitung, EN, 3-58
Bedienungsanleitung, ES, 3-58
Bedienungsanleitung, FI, 3-58
Bedienungsanleitung, FR, 3-58
Bedienungsanleitung, GR, 3-58
Bedienungsanleitung, IT, 3-58
Bedienungsanleitung, NL, 3-58
Bedienungsanleitung, NO, 3-58
Bedienungsanleitung, PT, 3-58
Bedienungsanleitung, SE, 3-58
Befestigungsplatte, 2-37, 2-53, 2-55, 2-81,
2-89, 2-103, 3-27, 3-47
Behälterboden--Satz, 3-22
Bein, 3-23
Betätigungselement, 2-41, 2-43, 4-7, 4-11,
4-17, 4-21
Betätigungskasten, 2-41, 2-43
Blech, Tabel Entlüften, Belüften, 2-17
Blech, Tabel, lpg, 2-13
Blech, Tabel, 2-7, 2-13, 2-15, 2-25, 2-29,
2-33, 2-71, 2-101, 3-22, 3-47
Blende, Ventil, 4-5, 4-9, 4-15, 4-19
Blinker, 12v, 3-19
Blinker, Neu, 3-19
Blinkerlampensatz, 3-19
Blinklicht--Satz, 3-13
Blinklicht--schalter, 3-17
Blinklicht, 3-5, 3-7, 3-13
Block, Motor, 6-3
Block, 3-25
Bodenmatte, 2-7, 2-13, 2-71, 3-33
Bolzen (Set Of 10), 5-6, 6-6
Bolzen, Schraube, 2-9, 2-11, 2-33, 2-85,
3-27
Bolzen, 2-7, 3-37, 3-41, 4-27, 4-29, 5-3,
5-7, 5-9, 5-11, 5-13, 5-14, 5-15, 5-17,
5-20, 5-21, 6-3, 6-7, 6-9, 6-11, 6-13,
6-14, 6-15, 6-17, 6-20, 6-21
Bracket, Flasher, 3-19
Bremsbacken, 4-57, 4-59
Bremsbelag, 2-69
Bremse, links, 2-65
Bremse, links, 4-59
Bremse, rechts, 2-65, 4-57
Bremshebel, 2-69
Buchse, 65 in, 3-37
Büchse, Gummi, 2-49
Buchse, 2-13, 2-19, 2-21, 2-27, 2-29, 2-33,
2-63, 2-69, 2-71, 2-83, 2-85, 2-87,
2-89, 3-25, 3-27, 3-41
Büchse, 2-33, 2-59, 2-83, 2-95, 3-35
Bügel, adj. verstellbar, 2-69
Bügel, erneuert. durch 375534, 2-63
Bügel, Montage, Heizer, 4-55
Bügel, montage, 2-25, 2-29, 2-39, 2-45,
2-81, 2-83, 2-85, 2-97, 3-21, 3-27,
3-35, 3-49, 3-55
Bügel, Profil, 2-95, 3-17
Bügel, 2-7, 2-13, 2-15, 2-29, 2-37, 2-41,
2-43, 2-51, 2-55, 2-57, 2-63, 2-85,
2-87, 2-95, 2-99, 3-5, 3-7, 3-9, 3-11,
3-17, 3-25, 3-27, 3-33, 3-49, 4-47
Bürste, außenseite, 50länge, polyethylen,
2-5
Bürste, fegen, 50länge, nylon, 2-5
Bürste, fegen, 50länge, polyethylen, 2-5
Bürstenfitting 90, 2-47
Bürstenfitting, 2-47
Bürstenhalter, 5-9, 6-9
C
Ci Lichter Vorne, Blink & Seitenbesen,
3-19
D
Dämpfer, 2-13
Deckel, 2-29, 2-37, 2-103, 3-33, 3-55
Dichtsatz, 2-13, 2-33, 4-45, 4-47
Dichtung Erneuert.Durch84947, 5-5
Dichtung F. AblaßStopfen, 5-5, 5-11
Dichtung, Fenster, 4-45
Dichtung, Kurbelwelle
Erneuert.Durch6083, 5-13
Dichtung, O--Ring, 5-11, 6-11
Dichtung, Öl, 6-5, 6-13
Dichtung, staub, 2-13, 2-25, 2-33
Dichtung, Ventil Stiel Erneuert.Durch849,
5-5
Dichtung, 2-4, 2-7, 2-9, 2-11, 2-13, 2-15,
2-17, 2-25, 2-29, 2-53, 2-59, 2-73,
2-79, 2-89, 2-93, 2-99, 2-101, 3-33,
3-47, 3-55, 4-45, 5-5, 5-7, 5-9, 5-11,
5-14, 5-19, 5-21, 6-5, 6-7, 6-9, 6-11,
6-14, 6-19, 6-21
Dichtungen Erneuert.Durch84896, 5-5
Dichtungen Erneuert.Durch84991, 5-5
Dichtungen, Abdeckung, Alu, 3-55
Dichtungen, Kasten/Kabine, 4-53, 4-55
Dichtungen, Pumpe, Öl, 5-11, 6-11
Dichtungen, 2-41, 2-43, 2-79, 2-95, 2-97,
4-45, 5-5
Dichtungssatz, 2-101, 5-5, 6-5
Distanzstück, Kondensator, 4-51
Distanzstück, 2-59, 2-69, 2-83, 2-85, 2-87,
2-95, 3-25, 3-27, 4-31, 4-37, 4-45,
5-11, 5-14, 6-11, 6-14
Draht, boden, 2-37, 3-45
Draht, blei, 2-15
Draht, Leitung, 2-61
Draht, 4-45
Drehgelenk, 3-37, 3-41
Drehstromlichtmaschine satz, 3-45
Drehzahlregler, 2-41, 2-43
Druckentlastung, 2-35, 3-55
Druckschalter Lpg, 2-47
Durchführung, Dichtung, 4-34
Durchführung, 4-5, 4-7, 4-9, 4-11, 4-15,
4-17, 4-19, 4-21, 4-37, 5-19, 6-19
E
Einbausatz, Filter, fuelock--
kraftstoffverschluß, 2-45
EinlaßVerteilerdichtung, 5-14, 6-5, 6-14
Einsteller, Versteller, 4-57, 4-59
Elektromagnet, 5-9, 6-9
Elektromotor, 3-55
Elektronik--regelung, benzin, 2-41
Elektronik--regelung, lpg, 2-43
Ende, Kappe, 4-31
Entlüfter, hydraulik, 2-4, 2-79
Entlüfter, 5-19, 6-19
eparatur Informationen, Pumpe, 4-21
Ersatzteilbuch 800G, 3-58
Home
Find...
Go To..

CROSS REFERENCE -- QUER VERZEICHNIS -- RENVOI
800 330126 (6--02)
7-20
F
Fach, 2-13
Fahrerhaus, 3-33
Feder, benzin 80 lb pfund, 3-35
Feder, kompression, 2-85, 2-93, 2-99,
3-27, 3-47
Feder, rezirkulation, 2-7
Feder, spannung, 2-29, 2-69, 2-71, 2-91
Feder, Torsion, 2-85
Feder, torsion, 3-27
Feder, verlängerung, 2-85
Feder, zurückkehren, 4-57, 4-59
Feder, 2-33, 2-71, 3-27, 4-7, 4-11, 4-13,
4-17, 4-21, 4-23, 4-27, 4-29, 4-37,
4-57, 4-59, 5-19, 6-19
Federklemme, 3-47
Federring, Innen, 1/4 D6797j C, 2-47
Felge, 2-67
Filter (Serienmässige), 2-33
Filter (Wahlweise), 2-33
Filter, fuelock-- kraftstoffverschluß, 2-45
Filter, Hydraulik, 2-4
Filter, 2-19, 2-25, 2-49, 3-37, 3-41
Filtereinsatz, 2-19
Fitting hyd, E90, 2-73, 2-79, 2-81, 2-83,
2-87
Fitting hyd, gerade, 3-37, 3-41
Fitting hydraulik, 2-19, 2-23, 2-27, 2-43,
2-55, 2-59, 2-63, 2-91, 2-97, 3-25,
3-27
Fitting Stopfen, 2-79
Fitting, 90, Npt/Jic 08pm14jm, 2-47
Fitting, 90, Npt/Npt 04pf04pm, 2-47
Fitting, gerade, npt/jic 04pm08jf, 2-55
Fitting, Gerade, Npt/Npt 02pf04pm, 2-47
Fitting, gerade, npt/npt 04pf04pf, 2-55
Fitting, 2-35, 2-41, 2-43, 2-45, 2-55, 3-37,
3-41, 3-55
Flansch, 4-30, 4-31
Flanschlager, 2-29
Flügelrad, 2-95
Form, 2-13, 2-37, 2-69
FormgußProfil, Zurechtmachen, 4-45
Freilaufstopfen, 2-89
Ftg--Hyd Brass Npt/Npt 06pm/06p, 2-47
Fühler, 5-7, 6-7
Führung, 2-33
Füllstück, 2-95, 4-47
G
Gabelkopfbolzen, 0.25d X 0.75l Pl, 2-71
Gabelkopfbolzen, 2-91
Gabelstift, 2-27, 2-69, 2-71, 2-83, 2-87,
3-25
Gabelstück, 2-71
Gasfeder, 2-29
Geber, 2-19, 2-37
Gebläse, Heizer, 4-53, 4-55
Gegenplatte, 4-57
Gehäuse 2.3Lrg, 2-39
Gehäuse 2.5Lrg, 2-39
Gehäuse satz, 2-101
Gehäuse, Heizer, 4-53, 4-55
Gehäuse, Kondensator, 4-51
Gehäuse, Lager, 4-27, 4-29
Gehäuse, Steuerung, 4-13, 4-23
Gehäuse, 2-63, 2-95, 4-5, 4-9, 4-15, 4-19,
4-27, 4-29, 4-31, 5-9, 6-9
Geroler Stellen, 4-29, 4-30
Gerotor Stellen, 4-31, 4-34
Gerotor, 4-27
Gestänge, exzentrisch, 2-33
Gestänge, Glied, 4-13, 4-23, 4-47
Gestänge, 2-41, 2-43, 3-38
Gestell, Klappe, 4-47
Getriebe Zahnrad Aufbau, 4-25
Getriebe, 4-30, 4-31, 4-34
Gewicht, lpg/benzin, 2-7
Glas Aufbau, Vorderseite Kabine, 4-45
Glas Aufbau, Vorderseite Klappe, 4-47
Gleichrichter, 2-37
Glühbirne, 3-19
Grommet Rbr .25id, 3-19, 3-31
Gummi--StoßStange, 2-17
Gummischlauch, 2-41, 2-43
H
Haken, 2-7, 2-85, 3-27
Halter, Zündung, 2-37
Halter, 2-15, 2-37, 2-59, 2-61, 2-71, 2-91,
3-38, 5-9, 6-9
Haltering, Sicherungsring, 4-13, 4-23
Haltering, 2-23
Halterung, Ring, 4-34, 4-37
Halterung, 2-47, 4-27, 4-29
Handabsaugung Satz, 3-47
Handbuch, Cd--Rom, Teile, (Ce), 3-58
Handgriff, Behälter, 2-29
Handgriff, 2-83, 2-99, 3-47
Handsauger, 3-47
Hebel, 2-71, 2-83, 5-9, 6-9
Heizungsschlauch, 2-41, 2-45, 3-37, 3-41
Hilfsventilplättchen, 4-37
Hose .62 Idx20.0 Lng Heater, 2-47
Hülse, 2-21, 2-49
Hupe, 2-15, 3-17
Hydraulik--tank, 12.5 gallon, 2-79
Hydraulikmotor, 2-59, 2-63, 2-85, 2-89,
2-97, 3-27
Hydraulikpumpe, 3-53
Hydraulikventil, 2-81, 2-83, 2-87, 2-97,
3-25, 3-27
I
Imbussenkschraube, 3/8 Uncx1”3/4 C,
2-97
Instrument, Messer, 3-37
Isolation, Schaum, 4-47
Isolator, montage, 2-39
Isolator, vibration, 2-19, 2-51, 2-59, 2-97
Isolator, 2-81
K
Kabel, halterungs--, 2-87, 3-25
Kabel, Seil, 2-19, 2-41, 2-61, 2-71, 2-85,
2-91, 3-27
Kabelbaum, Draht, Motor, 6-22
Kabelbaum, haupt--, 2-113, 2-119
Kabelbaum, licht, 2-113, 2-119, 3-5, 3-7,
3-9, 3-11, 3-19
Kabelbaum, überbrückungsdraht, 3-55
Kabelbaum, Wischer / Licht/ A/Mitte, Kab,
4-45
Kabelbinder, 20cm, 3-19, 3-57
Kabelbinder, Kabel, 3-37
Kabelhalter, 3-5, 3-7, 3-9, 3-11, 3-13, 3-15,
3-17, 3-57
Kabelsatz, kpl., 2-39
Kabelsatz, 2-45
Kabelschelle, 2-23, 2-33, 2-35, 2-53, 2-63,
2-69, 2-85, 3-27, 3-41, 3-47, 3-55
Kabelstrang, Gehäusevorderseite, 5-22
Kabelstrang, 2-113, 2-119, 3-13, 3-15,
3-17, 3-28, 3-53, 3-55, 4-50
Kabine Aufbau, Breit/ Aufkleber, [800g],
4-45
Kabine Aufbau, Breit/ Aufkleber, 4-45
Kanal, einlaß, 2-25
Kanal, Führung, Hinten, 2-39
Kanal, Führung, 2-4, 2-7, 2-39, 2-59, 2-99
Kanal, vinyl, 3-5, 3-7, 3-9, 3-11
Kanal, 3-55
Kappe Aufbau, 4-37
Kappe Schraube, 4-5, 4-7, 4-9, 4-15, 4-19
Kappe, Ende, 4-34
Kappe, Schraube, 4-34
Kappe, 2-65, 2-67, 2-79
Karre, Kontrolle Ventil, 4-39
Kasten Aufbau, Heizer, A/Mitte, 4-53
Kasten Aufbau, Heizer, 4-55
Kasten, 90grad .43d. .25d., 3-19
Kasten, 3-47
kasten, 2-37, 2-103, 3-33
Kehrichtbehälter, 2-25
Kehrwalze, 2-5
Keil, Satz, 4-47
Keil, 2-101, 5-19, 6-19
Keilriemen, 3-38
Kerzen--Knopf, 2-13, 2-15, 2-101, 2-103,
3-21, 3-43, 4-55
Kette, wagenheber, 2-7
Kette, 3-47
Kettenankerung, 2-4, 2-7
Klappe, Motor, 2-17
Klappe, 2-7, 2-9, 2-11, 2-17, 2-19, 2-27,
4-47
Klemme F. Schneckengetriebe, 5-3, 6-3
Klemme schlauch, 3-37
Klemme, schneckeantrieb, 2-33, 2-41,
2-43, 2-45, 2-49, 2-51, 2-57, 2-95,
3-37, 3-41
Klemme, 2-51, 3-37, 3-41, 4-51, 4-57, 4-59
Klimaanlage--Ablassschlauch--Satz, 3-57
Knopf, 2-83, 2-87, 2-93, 3-39, 3-43, 3-47
Kohlebürste satz, 2-37
Kolben, Standard, 6-20
Kolben, 4-5, 4-9, 4-15, 4-19, 4-37, 5-20
Komponente des Heizungsgehäuses, 3-41
Komponente des Luftkonditionierungs--
und Heizungsgehäuses, 3-37
Komponente des
Luftkonditionierungs--Kondensatorgeh
äuses, 3-37
Kompressorein, 3-38
Kondensator, 4-51
Kontaktbrett satz, 2-101
Home
Find...
Go To..

RENVOI -- QUER VERZEICHNIS -- CROSS REFERENCE
7-21
800 330126 (6--02)
Koppler, 4-7, 4-11, 4-17, 4-21
Kopplung, 2-55, 3-55
Kraftstoffilter, 2-4, 2-41, 2-53
Kraftstoffleitung, 2-45, 2-53
Kraftstoffpumpe, 2-53
Kraftstoffsschlauch, 2-53
Kraftstofftank, 2-53
Krümmer, Einlaß, 5-14, 6-14
Krümmer, Auspuff, 5-14, 6-14
Kugel, 4-23, 4-27, 4-29, 5-9, 6-9
Kugelkopfschraube, M 4x 16 D7985 4.8c,
3-19
Kugellager, 2-71, 3-47
Kühler, 2-59
Kühlerschlauch, 2-57
Kühlerverschlußdeckel, 2-59
Kupplung, Verbindung, 2-39, 2-57
Kupplung, 2-55
Kurbelwelle Aufbau, 6-13
Kurbelwelle, 5-13
L
Lager
New(4x84932+1x84939+5x84945),
5-13
Lager, fiberglide, 2-33, 2-71
Lager, Haupt, 6-13
Lager, journal, 2-21, 2-23, 2-27
Lager, kegel, 2-63, 2-65
Lager, Nadel, 4-34
Lager, Schub, 4-30, 4-31, 6-13
Lager, schub, 2-7, 2-33
Lager, tasse, 2-63, 2-65
Lager, 2-29, 2-33, 2-83, 2-85, 2-87, 2-89,
2-99, 3-25, 3-27, 3-47, 3-55, 4-5, 4-7,
4-9, 4-11, 4-15, 4-17, 4-19, 4-21, 5-6,
5-9, 5-13, 5-20, 6-6, 6-9, 6-20
Lagerkugel, 2-37, 2-89
Lampe Baugruppe, Überzogener Dorn,
12kei, 4-45
Lampe satz, 2-101
Lampe, Leuchte, 3-17
Lampe, 2-7, 3-5, 3-7, 3-9, 3-11, 3-13, 3-15,
3-31, 4-45
Leiterplatte, 2-33
Leitkanal, 2-59, 3-39, 3-43
Lenk ventil, 2-99
Lenkrad, 2-99
Lenkungssteuerung, Hydraulik#4, 04.5
130, 4-34
Licht, 2-7, 2-101, 3-17
Lichtmaschine, 2-37, 3-45
Linse, Blau, 3-5, 3-7, 3-9, 3-11, 3-13, 3-15
Linse, Orange, 3-5, 3-7, 3-9, 3-11, 3-13,
3-15
Linse, rot, 3-5, 3-7, 3-9, 3-11, 3-13, 3-15
Lüfter, 2-59
Luftfiltereinsatz, 2-4, 2-49
M
Magnet, 2-29
Magnetspule, 12keilriemen, 4-35, 4-39,
4-40
MeßStab, 5-3
Metallprofil, halterung, 2-4, 2-7, 2-9, 2-11,
2-25, 2-89, 3-49
Mitnehmer, 5-3, 6-3
Montage--Bügel, 2-27, 2-31, 2-37, 2-53,
2-59, 2-61, 2-71, 2-97, 3-35, 3-37,
3-41
Motor elektrisch 13.6 vgs, 2-33
Motor Servicekatalog, 3-58
Motor,El,Wischer,4-45
Motor, Hydraulik Erneuert.Durch 22651,
4-27
Motor, Hydraulik, Zahnrad, [Ex].16 Lä, 4-32
Motor, Hydraulik, Zahnrad, [In] 02.8 B (,
4-30
Motor, Hydraulik, Zahnrad, [In] 17.9, 4-31
Motor, Hydraulik, Zahnrad, [In], 4-33
Motor, Hydraulik, Zahnrad, 4-29
Motor, 2-37
Motorlagerbock, 2-39
Mutte, 2-95
Mutter Hxlocnyln M 4 D985 C, 3-19
Mutter, .31--32 G5 Pl, 2-59
Mutter, Breit/ Unterlegscheibe, 5-9, 6-9
Mutter, Sechskant, , M08 X 1.25, 2-87,
3-25
Mutter, Sechskant, Schloß, M06 X 1.0, Ny,
2-29
Mutter, Sechskant, Schloß, 3-25
Mutter, Sechskant, 2-87
Mutter, 2-15, 2-47, 2-49, 2-55, 2-63, 2-65,
2-87, 4-5, 4-9, 4-15, 4-19, 4-27, 4-29,
4-35, 4-39, 4-40, 5-7, 5-11, 5-14, 5-20,
5-21, 6-7, 6-11, 6-14, 6-20, 6-21
N
Nabe, 2-63
Niete, kunststoff, 2-7, 2-9, 2-11, 2-13, 2-99,
3-33
Nocke, 2-71
Nocken, 5-11, 6-11
Nockenwelle, 5-17, 6-17
Nut Hxlocnyln 5/16, 3-31
Nut Hxlocnyln M 6 D985 C, 2-17
O
O--Ring, 5-21, 6-21
Öl Wanne Aufbau, 5-11
Öl,Hydraulik,2-4
Öl--MeßStab, 6-3
Öldichtring, 5-5, 5-13, 5-17, 6-5, 6-13, 6-17
Ölfilter,2-4,5-3,6-3
Ölkühler, Hydraulik, 2-19
Outlet Water, 5-21, 6-21
P
Paddel, Handgriff, 4-47
PaßStift, 5-3, 6-3
Paßstift, 5-3, 6-3
Paßtift, Büchse, 4-5
Paßtift, 4-9, 4-13, 4-19, 4-23
Patrone, 4-39
Pedal, 2-69, 2-71
Plaque, Plateau, 2-21
Platte, ablenkblech, schmutz links, 2-25
Platte, ablenkblech, schmutz, rechts, 2-25
Platte, Decke, 4-15, 4-19
Platte, Deckel, 4-5, 4-9
Platte, schutzhaube, rechts, 2-29
Platte, unterseite, rechts, 2-25
Platte, 2-7, 2-19, 2-21, 2-23, 2-25, 2-39,
2-51, 2-55, 2-59, 2-63, 2-85, 2-87,
2-89, 2-93, 2-95, 2-99, 2-103, 3-5,
3-7, 3-9, 3-11, 3-25, 3-27, 3-39, 3-43,
3-47, 3-49, 3-55, 4-59
Pop--Niete, 2-17
Postament, 3-13, 3-15
Profil, montage, 2-29, 2-55
Profil, 2-9, 2-11, 2-17, 2-25, 3-47
Protectoseal--Kraftstofftankverschluß, 3-51
Pumpe, Hydraulik, Zahnrad [Ex ] 0.66 [R],
4-25
Pumpe, Kolben, 2-73
Pumpe, Öl, 5-11, 6-11
Pumpe, Zahnrad, 2-73
R
Rahmen Kpl., 4-45
Rahmen, 2-7, 5-9, 6-9
Regenerativfilter--Systemeinheit, 3-55
Regler, 2-37
Reifen, 2-67
Reinigungsmittel, luft, 2-49
Relais, 2-103, 3-5, 3-7, 3-9, 3-11, 3-13,
3-15, 3-39, 3-43, 3-55
Rennen Schub, 4-30, 4-31
Rennen, Lager, 4-5, 4-9, 4-15, 4-19, 4-34
Reparatur Informationen, Pumpe, 4-7,
4-11, 4-17, 4-25, 4-29, 4-31, 4-34,
4-37
Reparatur Informationen, Zyl., 4-42
Reparatursatz, Lüfter, 2-95
Riegel, Spannung, 4-53, 4-55
Riegel, 2-19, 2-89, 3-33, 4-45
Riemen (Timing), 5-17, 6-17
Riemen, v, 2-37, 3-45
Riemen, 2-4, 2-7, 2-41, 2-43, 2-49, 2-53,
2-55
RiemenRiemen, 2-55
Riemenscheibe eneuert.durch74391,
3-25
Riemenscheibe, 2-37, 2-87, 5-21, 6-21
Riemenscheiben, Seilleitrollen, 2-37
Riemenscheiben, 3-45
Ring, Gerotor, [Eaton], 4-7, 4-11, 4-17,
4-21
Ring, Gummi, 2-49
Ring, halterungs--, 2-21, 2-33, 2-63, 2-71,
2-99
Ring, Halterungs, 4-7, 4-11, 4-17, 4-21,
5-19, 6-19
Ring, Heck Fenster, 4-45
Ring, klopfer, 2-33
Ring, 2-33, 2-59, 2-83, 2-95
Ringsatz, 5-20
Ritzel, Kurbelwelle, 5-13, 6-13
Ritzel, Öl Pumpe, 5-11, 5-17, 6-11, 6-17
Rohr ÖlmeßStab, 5-3, 6-3
Rohr, innen--, 2-67
Rohr, auspuff, 2-51
Home
Find...
Go To..

CROSS REFERENCE -- QUER VERZEICHNIS -- RENVOI
800 330126 (6--02)
7-22
Rohr, Lieferwagen, Öl, 6-11
Rohr, 2-29, 2-41, 2-45, 2-47, 2-57, 2-91,
3-23, 3-35, 4-51, 5-11
Rollenstift, 4-7, 4-11, 4-17, 4-21
Rückenlehne, Platte, 4-7, 4-11, 4-17, 4-21
Rückfahr--Alarm--Satz, 3-17
Rückschlagventil, 3-27
Rückspiegel--Satz, 3-35
Rückspiegel, 3-35
S
Satz, Dichtung, Hydraulik, Lenkungssteue,
4-34
Satz, Dichtung, Hydraulik, Motor, 4-27,
4-29
Satz, Dichtung, Hydraulik, Pumpe, 4-5,
4-7, 4-9, 4-11, 4-15, 4-17, 4-19, 4-21,
4-25
Satz, Dichtung, Hydraulik, Ventil, 4-13,
4-23, 4-35, 4-37, 4-39, 4-40
Satz, Dichtung, Hydraulik, Zylinder, 4-42
Satz, Dichtung, Hydraulik, 4-41
Satz, Dichtung, Motor, 4-27
Satz, Dichtung, Zahnrad, Hydraulik Motor,
4-32, 4-33
Satz, Dichtung, 4-29
Satz, Erneuerung, Dichtung, 4-30, 4-31
Satz, Feder, 4-34
Satz, Kabel, Seil, Seitenbesen, 2-85, 3-27
Satz, licht, 800/810, 3-5, 3-7, 3-9, 3-11
Satz, Ring, Standard, 6-20
Satz, Rolle, Seitenbürsten--Hebe, 2-87,
3-25
Satz, Rotierend, Pumpe, Hydraulik, 4-5,
4-9, 4-15, 4-19
Satz,Trockner,4-51
Satz, 2-33
Säule, lenkung, 2-99
Schalldämpfer, auspuff, 2-51
Schalldämpfungsi, 2-7, 2-9, 2-11, 2-13,
2-15, 2-69, 2-95, 2-97, 3-21, 3-33,
4-49
Schaltbrett satz, 2-101
Schalter kniehebel einpoliger
ein--aus--schalter, 2-87, 2-91, 3-25
Schalter zündung, 2-101
Schalter, Druck, 4-51
Schalter, kniehebel zweipoliger umschalter,
2-101
Schalter, 2-21, 2-35, 2-37, 2-45, 2-81,
2-99, 3-17, 3-19, 3-39, 3-43, 3-55,
4-23, 4-45
Scharnier, 2-15, 2-17, 2-29
Scheibe, Glas, 4-45, 4-47
Scheibe, Kotflügel, 2-49
Scheibe, 2-33, 2-101, 3-47
Schieberspule, 4-13, 4-23
Schild, Abnutzung, 4-34
Schild, halterung, 2-97, 3-49
Schild, Heck Motor, 5-15, 6-15
Schild, Nocke, [Eaton], 4-5, 4-9, 4-15, 4-19
Schild, Rückseite, 4-25
Schild, unterstützung, 2-15
Schild, Ventil, [Eaton], 4-7, 4-11, 4-17, 4-21
Schild, Vorderseite, 4-25
Schild, 2-71, 2-87, 3-25, 3-47, 3-49, 4-27,
4-29, 4-47, 5-9, 5-17, 6-9, 6-17
Schlauch, vakuum, 2-35, 2-37, 2-45, 3-55
Schlauch, Heizer, 0.62innen--D 53.0länge,
2-47
Schlauch, Heizer, Gerade, 0.62innen--D 1,
2-47
Schlauch, hydraulik, 2-77, 3-29
Schlauch, lpg, 2-45, 2-55
Schlauch, 2-47, 2-49, 2-55, 2-95, 3-37,
3-57, 4-53, 5-3, 6-3
Schlauchschelle, 2-47, 3-19
Schlitten Aufbau, 4-5, 4-9, 4-15, 4-19
Schlüssel, Kurbelwelle, 5-13, 6-13
Schlüssel, Quadratisch, 0.12 X 0.12, 00.,
4-33
Schlüssel, Quadratisch, 0.12 X 0.12, 01.,
4-32
Schlüssel, Rund, 4-25
Schlüssel, Woodruff, 4-30
Schlüssel, 4-7, 4-11, 4-17, 4-21, 4-27, 4-29
Schmiernippel, gerade, 2-63, 2-93
Schraube, Flach, 2-97
Schraube, Kappe, 4-11, 4-17, 4-21, 4-25,
4-27, 4-29, 4-31
Schraube, M 6x 16 D933 8.8c, 2-47
Schraube, M 8x 20 D933 8.8c, 3-31
Schraube, Sechskant, M08 X 1.25 X 30,
8, 3-25
Schraube, Sechskant, M08 X 1.25 X 40,
8, 2-87
Schraube, Sechskant, M10 X 1.5 X 25, E,
2-87, 3-25
Schraube, Sechskant, 2-87, 3-35
Schraube, sechskant, 2-15
Schraube, Wanne, M06x1.0 X 25, 4.8,
2-29
Schraube, 2-33, 2-39, 2-41, 2-43, 2-71,
2-81, 2-83, 2-85, 2-89, 2-99, 3-33,
3-55, 4-5, 4-9, 4-13, 4-15, 4-19, 4-23,
4-31, 5-7, 5-17, 5-19, 6-7, 6-17, 6-19
Schraubensockel, 2-63
Schürze, ablenkblech, 2-25
Schürze, halterung, 3-49
Schürze, lippe, 2-25
Schürze,2-4,2-7,2-9,2-11,2-21,3-49
Schutz, 2-31, 2-37, 2-85, 3-5, 3-7, 3-9,
3-11, 3-21, 3-35, 3-45
Schutzmanschette, Schalter, 2-101
Schutzmanschette, 2-99
Schutzplatte,5-3,6-3
Schutzring, Sperre, 4-45, 4-47
Schutzschalter, 2-103, 3-33, 3-39, 3-43
Schutzscheibe, 2-69
Schutzschild, staub, 2-7
Schutzvorrichtung, 2-85, 3-27
Schwenk, 2-63
Schwungrad Reparatursatz, 5-15, 6-15
Schwungrad, Ford, Erneuern, 5-15, 6-15
Schwungrad, 5-15, 6-15
Scr Panhd M 6x 1.0 40, 2-17
Sealant, Silicone, [Ge#1203 Black] Tube,
4-45, 4-47
Sechskantmutter, 2-65, 2-99, 4-30
Seilring, Augenring, Tülle, 2-35, 2-49
Seilring, 2-7, 2-101, 3-5, 3-7, 3-9, 3-11,
3-13, 3-15, 3-17, 3-55
Seilzugbremse, 2-69
Seitenbesen--Beleuchtungssatz, 3-31
Seitenbesen, 2-5
Seitenbürsten--Staubschutz--Satz, 3-49
Sender, 2-53
Servicekatalog, 3-58
Sicherheitsmutter, Nylon, M 8 D985 C,
3-31
Sicherungsautomat, 3-55
Sicherungsring, e----ring,, 5-9, 6-9
Sicherungsring, 5-9, 6-9
Sieb, hydraulik, 2-4
Sieb, Schirm, 2-33, 2-51
Sieb, 2-79
Sitz, aufhängung, 2-13
Sitzgurt--satz, 3-52
Sitzgurt, 3-52
Spange, Clip, 2-15
Spannstrebe, 2-35, 2-85, 2-99, 3-5, 3-7,
3-9, 3-11, 3-13, 3-15, 3-17, 3-27, 3-55
Sperre, Klinke, Verschluss, 2-15, 2-17,
2-29, 2-31, 2-55
Sperre, 2-9, 2-11, 3-52, 4-45, 4-47
Speziell’S Schablone, 2-13, 4-47
Spiegel, konvex, rund, 3-35
Spindel, 2-15
Splint, 2-85
Spule, Heizung, 4-53, 4-55
Spule, Kondensator, 4-51
Spule, Verdampfer, 4-53
Spurstange, 5-14, 6-14
Stab, gewinde, 2-87, 2-93
Stab, Schieben, 5-17, 6-17
Stab, Verbinden, 6-20
Stab, 2-7, 2-13, 2-21, 2-23, 2-25, 2-33,
2-69, 2-71, 2-89, 3-47
Stabende, 2-63, 2-71
Stange, 2-13, 2-15, 2-69, 2-71, 2-91, 2-99
Starterzugseil, 3-37, 3-41
Steuergerät, 3-55
Steuerung, Pumpe, Hydraulik, 4-15, 4-19,
4-23
Steuerung,, 2-47
Steuerung, 4-5, 4-9, 4-13
Stift, Bolzen, 2-7, 2-23, 2-39, 4-13, 4-23,
4-47
Stift, Dübel, 6-3
Stift, Fahrer, 4-45
Stift, haar splint, 2-71, 2-83
Stift, Kolben, 6-20
Stift, splint, 2-87
Stift, Steuerung Aufbau, 4-23
Stift, 2-21, 2-23, 2-27, 2-29, 2-85, 3-27,
3-47, 4-34, 4-47, 5-17, 5-20, 6-17
Stiftschraube, adj. verstellbar, 3-47
Stiftschraube, 2-63, 2-65, 5-3, 5-7, 5-14,
5-21, 6-3, 6-7, 6-14, 6-21
Stopfen, Betätigungskasten, 2-41
Stopfen, ablassen, 3-47
Stopfen, Baugruppe, 4-37
Stopfen, Betätigungskasten, 2-41, 2-43
Stopfen, Breit/ O--Ring, 4-37
Stopfen, Npt 08pm Sq Head, 2-47
Stopfen, O--Ring, 4-5, 4-9, 4-15, 4-19,
4-25, 4-29, 4-37, 4-39, 4-40
Stopfen, öffnung, 2-13
Stopfen, Standard, 5-3, 6-3
Home
Find...
Go To..

RENVOI -- QUER VERZEICHNIS -- CROSS REFERENCE
7-23
800 330126 (6--02)
Stopfen, 2-89, 4-5, 4-7, 4-9, 4-11, 4-13,
4-15, 4-17, 4-19, 4-21, 4-23, 4-27,
4-29, 4-37, 5-3, 5-6, 5-7, 5-11, 5-14,
5-17, 6-3, 6-6, 6-7, 6-11, 6-14, 6-17
StößEl, Kolben, 4-5, 4-9, 4-15, 4-19
Stoßstange gummi, 2-13, 2-19, 2-29, 3-7,
3-11, 3-33
Stoßstange, ecke, 2-7
Stoßstange, 2-7, 2-29, 2-31, 3-23
Stoßstangen--Baugruppe, SE, 3-23
Strebe, 3-23
Streifen, 2-7, 2-15, 2-21, 2-25, 2-69
Stundenzähler, 2-101
Sturz, 2-15
Stütze, 3-31
Stutzen, 3-37, 3-41
Suchscheinwerfer, 3-31
T
T--fitting, 3-37, 3-41
Tank, lpg, 2-55
Tankverschlußdeckel, 2-53
Tellerventil, 4-7, 4-11, 4-17, 4-21
Temperatur--Fühler, 5-21, 6-21
Tesion Assy & T Belt, 5-17, 6-17
Thermostat, 2-97, 5-21, 6-21
Treibgas (Propangas) Vergaser, 2-43
Trennung, Stecker, 4-45
Trommelbremse, 2-65
Tülle, 1.25 X 0.12 X 0.75, 3-19
Tülle, 3-37, 3-41, 4-45
U
U--profil, halterung, 2-4, 2-7, 2-63
U--profil, montage, 2-7
U--Scheibe, Stahl, 6.5x14x0.8 C, 2-47
U--Scheibe, Stahl, 8.7x29x1.2 C, 3-31
Überkopf--Schutz--Satz, 3-21
Umhüllung, 2-59
Unterlegscheibe, belleville--dichtungsring,
.31, 3-25
Unterlegscheibe, belleville--dichtungsring,
.50, 2-85
Unterlegscheibe, belleville, 3-27
Unterlegscheibe, flach, .25 schutzhaube,
2-9, 2-11, 2-13, 3-33
Unterlegscheibe, flach, .31 schutzhaube,
2-83
Unterlegscheibe, flach, .38 hart, 3-25
Unterlegscheibe, Flach, .38 Standard,
2-87, 3-25
Unterlegscheibe, Flach, .50 Sae, 2-85,
3-27
Unterlegscheibe, Flach, M10, 2-87
Unterlegscheibe, Flach, 3-25
Unterlegscheibe, Schloß, Intern--Extern,,
3-19
Unterlegscheibe, Schloß, 4-5, 4-9, 4-15,
4-19
Unterlegscheibe, 2-13, 2-15, 2-27, 2-35,
2-39, 2-41, 2-63, 2-71, 2-85, 2-89,
3-27, 3-55, 4-5, 4-7, 4-9, 4-11, 4-15,
4-17, 4-19, 4-21, 4-25, 4-37, 5-9, 5-11,
5-13, 5-17, 6-9, 6-11, 6-13, 6-17
V
Vakuumschlauch, 2-95, 3-47
Ventil Fahrer, 4-27, 4-29
Ventil Schild, 4-27, 4-29
Ventil, Ablassen, 4-53, 4-55
Ventil, Ausdehnung, 4-53
Ventil, Baugruppe, 3-37, 3-41
Ventil, Entlastung, 4-7, 4-11, 4-17, 4-21,
4-39
Ventil, Filterpatrone, Steuern, Führung,
4-40
Ventil, Hydraulik, 4-35, 4-37, 4-39, 4-40
Ventil, Stiel, 4-35, 4-39, 4-40
Ventil, 2-4, 2-55, 3-37, 3-41, 4-27, 4-29,
5-3, 5-19, 6-3, 6-19
Ventilator, Fuß, 4-51
Ventilator, 4-51
Verbinden Stab Aufbau, 5-20
Verbindungsstück, 2-37, 2-41, 2-43, 4-7,
4-11, 4-17, 4-21
Verdampfer, lpg, 2-45
Verdampfer, 2-45
Vergaser, Benzin, Splitflansch/ [Lsg--425,
2-41
Vergaser, 2-41
Verschluß, 4-45
Versteifung, Verstärkung, 2-15
Verteiler--Endkappe, 2-37
Vollgummireifen-- und Felgen--Satz, 3-50
Vollgummireifen, 3-50
Vorderscheinwerfer, 2-29
W
Wanne, Öl, 6-11
Warndrehlicht--Satz, 3-15
Warndrehlicht, 3-9, 3-11, 3-15
Warnung, 2-120
Wartungsatz, 400HR, G/lp, 2-4
Wartungsatz, 400HR, Lp, 2-4
Wartungsatz, 800hr, 2-4
Wartungsatz, Schürze, 800 hr, 2-4
Wartungsatz, Schürze, 2-4
Washer Int/Ex 6.6x19x0.9 C, 3-19
Washer Int/Ex 8.3x22x0.9 C, 3-31
Wasserpumpe, 5-21, 6-21
Welle leerlauf--nabe, 2-89
Welle, exzentrisch, 2-33
Welle, Lager, 4-27
Welle, Output, 4-31
Welle, 2-85, 2-89, 3-27, 3-47, 3-55, 4-5,
4-9, 4-13, 4-15, 4-19, 4-23, 4-29
Winkel, 2-83
Winkelhebel, Kniehebel, 4-13, 4-23
Wischgummi, ablenkblech, 2-4, 2-7
Z
Zahnrad, Leerlauf--Nabe, 4-25
Zahnrad, 4-25, 5-9, 6-9
Zugfeder, 5-17, 6-17
Zündkabelsatz, 5-22, 6-22
Zündkerze, 2-4, 5-22, 6-22
Zündmodul, 5-22
Zündspule, 5-22, 6-22
Zwischenstück, Leerlauf--Stellung, 4-23
Zwischenstück, 2-5, 3-47
Zylinder, Hydraulik, 4-41, 4-42
Zylinder, hydraulik, 2-23, 2-27, 2-63, 2-87,
2-91, 3-25
Zylinder, 2-69, 4-57, 4-59
Zylinderblock, 5-3, 6-3
Zylinderkopf, 5-6, 6-6
Zylinderkopfpackung, 5-5, 5-6, 6-5, 6-6
Zylinderkörper Aufbau, 4-25
Home
Find...
Go To..

CROSS REFERENCE -- QUER VERZEICHNIS -- RENVOI
800 330126 (6--02)
7-24
LISTE DES CORRESPONDANCES DESCRIPTION PIECE/NUMERO DE PAGE
A
Accouplement , 2-39, 2-57
Accouplement, 2-55, 3-55
Agrafe , 2-15
Aimant, 2-29
Alternateur, 2-37, 3-45
Amortisseur, 2-13
Ampoule, 3-19
Ancrage De Chaîne , 2-7
Ancrage De Chaîne, 2-4
Angle, montage, 2-29, 2-55
Angle, 2-9, 2-11, 2-17, 2-25, 2-83, 3-47
Anneau d arret anneau e, 5-9, 6-9
Anneau D’arrêt, 2-23, 4-13, 4-23
Anneau, Joint, Caoutchouc, 2-49
Anneau, Joint, 2-33, 2-59, 2-95
Appui Lien Cable, 3-57
Appui lien cable, 3-5, 3-7, 3-9, 3-11, 3-13,
3-15
Appui lien, 3-17
Arbre à cames, 5-17, 6-17
Arbre Secondaire, 4-30
Arbre, Axe, Palier, Roulement, 4-27
Arbre, Axe, 2-85, 2-89, 3-27, 3-55
Arrêtoir, Bague, 4-34, 4-37
Arrêtoir, 4-27, 4-29
Articulation , 4-13, 4-23
Assembllage pare--chocs, SE, 3-23
Attache , tuyau, 3-37
Attache , 2-51, 3-37, 3-41, 4-57, 4-59
Attache cable, 2-23, 2-33, 2-35, 2-53, 2-69,
3-27, 3-47
Attache Entrainement Vis Sans Fin, 2-47,
3-19
Attache Entrainementvis Sans Fin, 5-3, 6-3
Attache, transmission à vis sans fin, 2-33,
2-41, 2-43, 2-45, 2-49, 2-51, 2-57,
2-95, 3-37, 3-41
Attache, 2-51, 3-47, 4-51
Autocollant jeu, 800de long ce, 2-120
Autocollant, numéros 800, 2-120
Autocollant, 3-37, 3-39, 3-41, 3-43, 3-47,
4-45, 5-19, 6-19
Autocollants, 2-120
Avertissement, 2-120
Avertisseur, 2-15, 3-17
Axe De Chape, 0.25d X 0.75l Pl, 2-71
Axe De Chape, 2-91
Axe de chape, 2-27, 2-69, 2-71, 2-83, 2-87,
3-25
Axe pignon, 2-89
Axe, excentrique, 2-33
Axe, Rendement, 4-31
Axe, 3-47, 4-5, 4-9, 4-13, 4-15, 4-19, 4-23,
4-29
B
Bague, Arrière Fenêtre, 4-45
Bague, Caoutchouc, 2-49
Bague, Gerotor, [Eaton], 4-7, 4-11, 4-17,
4-21
Bague, Joint, 4-34
Bague, Retenue, 4-7, 4-11, 4-17, 4-21,
5-19, 6-19
Bague, retenue, 2-21, 2-33, 2-63, 2-71,
2-99
Bague, secoueur, 2-33
Bague, 2-33, 2-59, 2-83, 2-95, 3-35, 4-5,
4-7, 4-9, 4-11, 4-15, 4-17, 4-19, 4-21,
4-37, 5-19, 6-19
Balai, extérieur, 50de long, polyéthylène,
2-5
Balai, balayer, 50de long, nylon, 2-5
Balai, balayer, 50de long, polyéthylène, 2-5
Bandage Plein, 3-50
Bande, arrêtoir, 2-4, 2-7, 2-9, 2-11, 2-25,
2-89, 3-49
Bande, Ruban , 2-7, 2-15, 2-21, 2-25, 2-69
Barre, 2-7, 2-13, 2-21, 2-23, 2-25, 2-33,
2-69, 2-71, 2-89, 3-47
Batterie, 12v, mouillé, 2-61
Berceau Assemblage, 4-5, 4-9, 4-15, 4-19
Bielette, Maillon, 3-38, 4-13, 4-23, 4-47
Bielle, fil, 2-87, 2-93
Bielle, Mise En Circuit, 6-20
Bielle, Pousser, 5-17, 6-17
Bielle, 2-13, 2-15, 2-69, 2-71, 2-91, 2-99
Biellette, excentrique, 2-33
Bille De Roulement, 2-37, 2-89
Bloc des Cilindres, 5-3, 6-3
Bloc, Moteur, 6-3
Bloc, 3-25
Bobine Allumage, 5-22, 6-22
Bobine, Appareil De Chauffage, 4-53, 4-55
Bobine, Condensateur, 4-51
Bobine, Évaporateur, 4-53
Boîtier Assemblage, Appareil De Chauffa,
4-53, 4-55
Boitier de Commande, 2-41, 2-43
Boîtier, Appareil De Chauffage, 4-53, 4-55
Boitier, Carter , 2-63, 2-95
Boitier, Carter 2.3Lrg, 2-39
Boitier, Carter 2.5Lrg, 2-39
Boitier, Carter, 4-5, 4-9, 4-15, 4-19
Boîtier, Commande, 4-13, 4-23
Boîtier, Condensateur, 4-51
Boîtier, Palier, 4-27, 4-29
Boitier, 5-9, 6-9
Boîtier, 3-47, 4-27, 4-29, 4-31
Bouchon De Radiateur, 2-59
Bouchon Douille, Npt 08pm Sq Head, 2-47
Bouchon Douille, 2-79
Bouchon, Assemblage, 4-37
Bouchon, Boitier de Commande, 2-41,
2-43
Bouchon, De Large/ O--Ring, 4-37
Bouchon, O--Ring, 4-5, 4-9, 4-15, 4-19,
4-25, 4-29, 4-37, 4-39, 4-40
Bouchon, Standard, 5-3, 6-3
Bouchon, trou, 2-13
Bouchon, vidange, 3-47
Bouchon/Carburant , 2-53
Bouchon, 2-13, 2-15, 2-89, 2-101, 2-103,
3-21, 3-43, 4-5, 4-7, 4-9, 4-11, 4-13,
4-15, 4-17, 4-19, 4-21, 4-23, 4-27,
4-29, 4-37, 4-55, 5-3, 5-6, 5-7, 5-11,
5-14, 5-17, 6-3, 6-6, 6-7, 6-11, 6-14,
6-17
Bougie (8400), 5-22, 6-22
Bougie d’allumage, 2-4
Boulon (Set Of 10), 5-6, 6-6
Boulon À Oeil, 2-85
Boulon, 2-7, 2-9, 2-11, 2-33, 2-85, 3-27,
3-37, 3-41, 4-27, 4-29, 5-3, 5-7, 5-9,
5-11, 5-13, 5-14, 5-15, 5-17, 5-20,
5-21, 6-3, 6-7, 6-9, 6-11, 6-13, 6-14,
6-15, 6-17, 6-20, 6-21
Bouton--pignon, 2-89
Bouton, 2-83, 2-87, 2-93, 3-39, 3-43, 3-47
Bracket, Flasher, 3-19
Bras, Essuie--Glace, 4-45
Bras, 2-21, 2-37, 2-89, 4-5, 4-9, 4-15, 4-19,
4-45, 5-19, 6-19
Bridedefixationdemoteur,2-39
Bride de fixation, 2-27, 2-31, 2-37, 2-53,
2-59, 2-61, 2-71, 2-97, 3-35, 3-37,
3-41
Brosse Latérale, 2-5
Brosse Principale, 2-5
C
Cabine , 3-33
Cabine Assemblage, De Large/
Autocollant, 4-45
CâbleDeFrein,2-69
Câble De Starter, 3-37, 3-41
Câble, retenue, 2-87, 3-25
Câble, 2-19, 2-41, 2-61, 2-71, 2-85, 2-91,
3-27
Cache Pole Batterie, 5-9, 6-9
Cale De Reglage, 4-7, 4-11, 4-17, 4-21,
4-37
Cale De Réglage, 4-47
Cale de réglage, 2-95
Came, 2-71, 5-11, 6-11
Canal, Support du Moteur, Posterior, 2-39
Canal, 2-4, 2-7, 2-39, 2-59, 2-99
Canalisation , 2-59, 3-39, 3-43
Capteur Temperature, 5-21, 6-21
Capteur, 5-7, 6-7
Capuchon Assemblage, 4-37
Capuchon Fin Collecteur, 2-37
Capuchon Vis, 4-5, 4-7, 4-9, 4-15, 4-19
Capuchon, 90degré .43dia .25dia, 3-19
Capuchon, Extrémité, 4-34
Capuchon, Vis, 4-34
Capuchon, 2-37, 2-65, 2-67, 2-79, 2-103,
3-33
Carburateur Pour Gaz Lpg, 2-43
Carburateur, Essence, Flasque Fendu/ [Ls,
2-41
Carburateur, 2-41
Carrosserie Assemblage, 4-25
Carter,Huile,6-11
Cartouche, 4-39
Ceinture de Sécunté, 3-52
Chaîne, cric, 2-7
Chaîne, 3-47
Chape, 2-71
Charnière, 2-15, 2-17, 2-29
Charrette, Controle Valve, 4-39
Châssis, 2-7, 5-9, 6-9
Chemin De Roulement Poussée, 4-30,
4-31
Home
Find...
Go To..

RENVOI -- QUER VERZEICHNIS -- CROSS REFERENCE
7-25
800 330126 (6--02)
Chemin De Roulement, Palier, 4-5, 4-9,
4-15, 4-19, 4-34
Cheville, 4-9, 4-13, 4-19, 4-23, 5-3, 6-3
Ci Eclairage Avant, Clignotant, Brosse,
3-19
Clapet de décharge, 3-27
Clavette, Jeu, 4-47
Clavette, 2-101, 5-19, 6-19
Clé, Carré, 0.12 X 0.12, 00.50de Long,
4-33
Clé, Carré, 0.12 X 0.12, 01.00de Long,
4-32
Clé, Rond, 4-25
Clé, Vilebrequin, 5-13, 6-13
Clé, Woodruff, 4-30
Clé, 4-7, 4-11, 4-17, 4-21, 4-27, 4-29
Clignotant Nouveau Modele, 3-19
Clignotant, 12v, 3-19
Clignotant, 3-9, 3-11, 3-15, 3-17
Coiffe, Interrupteur , 2-101
Coiffe, 2-99
Collecteur, Admission, 5-14, 6-14
Collecteur, Échappement, 5-14, 6-14
Commande De Direction, Hydraulique#4,
04, 4-34
Commande, Pompe, Hydraulique, 4-15,
4-19, 4-23
Commande, 4-5, 4-9, 4-13
Compartiment, 2-13
Compresseur, Appareil De Chauffage,
4-53, 4-55
Compresseur, 3-38
Compteur--horaire, 2-101
Condensator, 4-51
Conduit, admission, 2-25
Conduit, vinyle, 3-5, 3-7, 3-9, 3-11
Conduit, 3-55
Conduite de carburant, 2-45, 2-53
Contre--Ecrou Hex. Nylon, M 8 D985 C,
3-31
Coude, 3-37, 3-41
Coupe--circuit, 2-103, 3-33, 3-39, 3-43,
3-55
Coupleur, 4-7, 4-11, 4-17, 4-21
Courroie (Timing), 5-17, 6-17
Courroie Trapézoïdale , 3-38
Courroie, v, 2-37, 3-45
Couvercle , 2-37, 2-103, 3-33, 3-55
couvercle du réservoir de carburant à joint
protecto, 3-51
Couvercle, Éxterieur, 5-7, 6-7
Couvercle, Intérieur, 5-7, 6-7
Couvercle, Valve, 5-19, 6-19
Couvercle, 2-15, 2-29, 2-37, 2-87, 2-91,
2-101, 3-25, 5-7, 6-7
Crochet, 2-7, 2-85, 3-27
Culasse,5-6,6-6
Cylindre, Hydraulique , 4-41, 4-42
Cylindre, hydraulique, 2-23, 2-27, 2-63,
2-87, 2-91, 3-25
Cylindre, 2-69, 4-57, 4-59
D
D’articulation, 2-63
Déconnexion, Mâle, 4-45
Demarreur, 5-9, 6-9
Détente , Loquet, 4-47
Détente, Loquet, 4-45
Disque, 2-33, 3-47
Dossier, Plaque, Plateau, 4-7, 4-11, 4-17,
4-21
Douille Brosse El90, 2-47
Douille Brosse, 2-47
Douille droite, npt/jic 04pm08jf, 2-55
Douille Droite, Npt/Npt 02pf04pm, 2-47
Douille droite, npt/npt 04pf04pf, 2-55
Douille El90, Npt/Jic 08pm14jm, 2-47
Douille El90, Npt/Npt 04pf04pm, 2-47
Douille Filetée, 2-63
Douille hyd droite, 3-37, 3-41
Douille hyd, E90, 2-73, 2-79, 2-81, 2-83,
2-87
Douille hydrauliqu, 2-91, 2-97
Douille hydraulique, 2-19, 2-23, 2-27, 2-43,
2-55, 2-59, 2-63, 3-25, 3-27
Douille, T, 3-37, 3-41
Douille, 2-35, 2-41, 2-43, 2-45, 2-55, 3-37,
3-41, 3-55
Du Moteur, 2-37
Durite, 2-49, 3-37, 3-57
E
Ecran, 5-3, 6-3
Ecrou Hex., .31--32 G5 Pl, 2-59
Écrou Hexagona, 4-30
Écrou Hexagonal, 2-65, 2-99
Ecrou Hxlocnyln 5/16 (Bielle 7200), 3-31
Ecrou, De Large/ Rondelle, 5-9, 6-9
Ecrou, Hexagonal, , M08 X 1.25, 2-87,
3-25
Ecrou, Hexagonal, Verrou, M06 X 1.0, Nyl,
2-29
Ecrou, Hexagonal, Verrou, 3-25
Ecrou, Hexagonal,, 2-87
Ecrou, 2-47, 2-55, 4-5, 4-9, 4-15, 4-19,
4-27, 4-29, 4-35, 4-39, 4-40, 5-7, 5-11,
5-14, 5-20, 5-21, 6-7, 6-11, 6-14, 6-20,
6-21
Écrou, 2-15, 2-49, 2-63, 2-65, 2-87, 2-95
Elément de boîtier de climatisation et
radiateur, 3-37
Elément de boîtier de condenateur de
climatisation, 3-37
Elément de boîtier de radiateur, 3-41
Element filtre a air, 2-4, 2-49
Element filtre, 2-19
Engrenage, Pignon, 4-25
Engrenage, 4-25
Ens. Boitier, 2-101
Ensemble bouton d’entraînement, 2-89
Ensemble D’Arbre Mené, 5-9, 6-9
Ensemble D’Eclairage Brosse Laterale,
3-31
Ensemble De Châssis , 4-45
Ensemble de fil, 2-39
Ensemble Remplac, Filtre, fuelock, 2-45
Ensemble roue pleine et jante, 3-50
Entraînement Engrenage Assemblage,
4-25
Entrainement, 5-9, 6-9
Entraînement, 4-27, 4-29, 4-30, 4-31, 4-34
Entretoise, Condensateur, 4-51
Entretoise, 2-23, 2-59, 2-69, 2-71, 2-83,
2-85, 2-87, 2-95, 3-25, 3-27, 4-31,
4-37, 4-45, 5-11, 5-14, 6-11, 6-14
Eu de fils, 2-45
Extrémité de la bielle, 2-63, 2-71
F
Faisceau De Cables Tableau Avant, 5-22
Faisceau de fils, câble de controle, 3-55
Faisceau De Fils, Essuie--Glace / Léger/,
4-45
Faisceau De Fils, Fil, Moteur, 6-22
Faisceau de fils, léger, 2-113, 2-119, 3-5,
3-7, 3-9, 3-11, 3-19
Faisceau de fils, principal, 2-113, 2-119
Faisceau De Fils, 2-113, 2-119, 3-13, 3-15,
3-17, 3-28, 3-53, 3-55, 4-50, 5-22,
6-22
Fermeture, 4-45
Fil, sol, 2-37, 3-45
Fil, plomb, 2-15
Fil, 2-61, 4-45
Filter, Crépine, hydraulique, 2-4
Filter, Crépine, 2-79
Filtre (Au Choix), 2-33
Filtre (standard), 2-33
Filtre , 2-25, 2-49, 3-37, 3-41
Filtre a carburant, 2-4, 2-41, 2-53
Filtre À Huile, 2-4
Filtre Huile Moteur (528d), 5-3, 6-3
Filtre, fuelock, 2-45
Filtre, Hydraulique, 2-4
Filtre, 2-19
Flasque, 4-30, 4-31
Frein D’Ecrou Interieur, 1/4 D6797j C, 2-47
Frein, gauche, 2-65, 4-59
Frein, droit, 2-65, 4-57
Ftg--Hyd Brass Npt/Npt 06pm/06p, 2-47
G
Gâchette, Piston, 4-5, 4-9, 4-15, 4-19
Garniture De Frein, 2-69
Geroler Jeu, 4-29, 4-30
Gerotor Jeu, 4-31, 4-34
Gerotor, 4-27
Goujon, réglable, 3-47
Goujon, Tenon, 2-63, 2-65
Goujon, 5-3, 5-7, 5-14, 5-21, 6-3, 6-7,
6-14, 6-21
Goupille Cylindrique, 4-7, 4-11, 4-17, 4-21
Goupille Fendue, 2-85
Goupille, Axe, 2-7, 2-23, 2-39, 4-13, 4-23,
4-47
Goupille, Cheville, 6-3
Goupille, Commande Assemblage, 4-23
Goupille, Conducteur, 4-45
Goupille, goupille fendue, 2-87
Goupille, Piston, 6-20
Goupille, poil goupille fendue, 2-71, 2-83
Goupille, 2-21, 2-23, 2-27, 2-29, 2-85,
3-27, 3-47, 4-34, 4-47, 5-17, 5-20,
6-17
Graisseur droit, 2-63, 2-93
Grommet Rbr .25id, 3-19, 3-31
Groupe fond de bac à déchets, 3-22
Home
Find...
Go To..

CROSS REFERENCE -- QUER VERZEICHNIS -- RENVOI
800 330126 (6--02)
7-26
Groupe systéme de filtre régénératif, 3-55
Guide, 2-33
Gyrophare, 3-5, 3-7, 3-13
H
Hose .62 Idx20.0 Lng Heater, 2-47
Huile Carter Assemblage, 5-11
Huile, Hydraulique, 2-4
I
Indicateur, 2-49
Induit, 5-9, 6-9
Interrupteur , 2-21, 2-35, 2-37, 2-45, 2-81,
2-99, 3-17, 3-39, 3-43, 3-55, 4-23
Interrupteur allumage, 2-101
Interrupteur culbuteur unipolaire et
undirectionne, 2-87, 2-91, 3-25
Interrupteur Pression Lpg, 2-47
Interrupteur, culbuteur bipolaire et
bidirectionne, 2-101
Interrupteur, Pression, 4-51
Interrupteur, 3-19, 4-45
Isolation, Mousse, 4-47
J
Jante, 2-67
Jauge D’Huile, 6-3
Jauge, niveau détection, 2-79
Jauge, 3-37
Jeu balais charbon, 2-37
Jeu D’Anneaux, 5-20
Jeu d’etancher, 2-101
Jeu d’lampe , 2-101
Jeu De Joints, 5-5, 6-5
Jeu de pièces alarme de sécurité, 3-17
Jeu de pièces Aspiration à main, 3-47
Jeudepiècesaspirationdelabrosse
latérale, 3-49
Jeu de pièces Ceinture de Sécurité, 3-52
Jeu de pièces de clignotant, 3-13, 3-15
Jeu de pièces Entretien, 400HR, G/lp, 2-4
Jeu de pièces Entretien, 400HR, Lp, 2-4
Jeu de pièces Entretien, 800hr, 2-4
Jeu de pièces Entretien, Jupe, 800 hr, 2-4
Jeu de pièces Entretien, Jupe, 2-4
Jeu de pièces protège--conducteur, 3-21
Jeu de pièces Rétroviseur, 3-35
Jeu de pièces, Alternateur, 3-45
Jeu De Pièces, Bague, Standard, 6-20
Jeu De Pièces, Joint, Engrenage, Hydraul,
4-32, 4-33
Jeu De Pièces, Joint, Hydraulique, Cylin,
4-42
Jeu De Pièces, Joint, Hydraulique, Moteu,
4-27, 4-29
Jeu De Pièces, Joint, Hydraulique, Pompe,
4-5, 4-7, 4-9, 4-11, 4-15, 4-17, 4-19,
4-21, 4-25
Jeu De Pièces, Joint, Hydraulique, Scu,
4-34
Jeu De Pièces, Joint, Hydraulique, Valve,
4-13, 4-23, 4-35, 4-37, 4-39, 4-40
Jeu De Pièces, Joint, Hydraulique, 4-41
Jeu De Pièces, Joint, Moteur, 4-27
Jeu De Pièces, Joint, 4-29
Jeu de pièces, léger, 800/810, 3-5, 3-7,
3-9, 3-11
Jeu de pièces, Lot, Câble, Brosse Latérale,
2-85, 3-27
Jeu de pièces, Lot, Galet, levage de la
brosse latérale, 2-87, 3-25
Jeu de pièces, Lot, 2-33
Jeu De Pièces, Remplacement, Joint,
4-30, 4-31
Jeu De Pièces, Ressort, 4-34
Jeu De Pièces, Séchoir, 4-51
Jeu De Pièces, Tournant, Pompe, Hydrauli,
4-5, 4-9, 4-15, 4-19
Joint Remplacé.Par84947, 5-5
Joint Remplacé.Par84896, 5-5
Joint Remplacé.Par84991, 5-5
Joint à rotule, 2-71, 3-47
Joint Bouchon Evacuation, 5-5, 5-11
Joint Collecteur Admission, 5-14, 6-5, 6-14
Joint D’Huile, 5-5, 5-13, 5-17, 6-5, 6-13,
6-17
JointDeCulasse,5-5,5-6,6-5,6-6
Joint Echappement, 5-14, 6-14
Joint Torique, 5-21, 6-21
Joint, Boîtier/Cabine, 4-53, 4-55
Joint, Couvercle, Aluminium, 3-55
Joint, Fenêtre, 4-45
Joint, Huile, 6-5, 6-13
Joint, O--Ring, 5-11, 6-11
Joint, Pompe, Huile, 5-11, 6-11
Joint, poussière, 2-13, 2-25, 2-33
Joint, Valve Voix Remplacé.Par84958, 5-5
Joint, Vilebrequin Remplacé.Par60834,
5-13
Joint, 2-4, 2-7, 2-9, 2-11, 2-13, 2-15, 2-17,
2-25, 2-29, 2-41, 2-43, 2-53, 2-59,
2-73, 2-79, 2-89, 2-93, 2-95, 2-97,
2-99, 2-101, 3-33, 3-47, 3-55, 4-45,
5-5, 5-7, 5-9, 5-11, 5-14, 5-19, 5-21,
6-5, 6-7, 6-9, 6-11, 6-14, 6-19, 6-21
Jupe, déflecteur, 2-25
Jupe, arrêtoir, 3-49
Jupe, lèvre, 2-25
Jupe, 2-4, 2-7, 2-9, 2-11, 2-21, 3-49
K
Kit de Joint d’etancheite, 2-13, 2-33, 4-45,
4-47
L
Lampe Assemblage, Dôme, 12courroie
Trapé, 4-45
Lampe Ensemble Clignotant, 3-19
Lampe, 2-7, 3-5, 3-7, 3-9, 3-11, 3-13, 3-15,
3-17, 3-31, 4-45
Lentille, Ambre, 3-5, 3-7, 3-9, 3-11, 3-13,
3-15
Lentille, Bleu, 3-5, 3-7, 3-9, 3-11, 3-13,
3-15
Lentille, Rouge, 3-5, 3-7, 3-9, 3-11, 3-13,
3-15
Levier De Frein À Main, 2-69
Levier, 2-71, 2-83, 5-9, 6-9
Lien, Câble, Nylon, 3-37
Linteau, 2-15
Livre des Pièces 800G, 3-58
Livre des service Moteur, 3-58
Livre des service, 3-58
Loquet, Tension, 4-53, 4-55
Loquet, 2-9, 2-11, 2-15, 2-17, 2-19, 2-29,
2-31, 2-55, 2-89, 3-33, 3-52, 4-45,
4-47
Lot tuyau de drainage du climatiseur , 3-57
M
Manche, 3-47
Manchon, 65 in, 3-37
Manchon, Chemise, 2-21
Manchon, 2-13, 2-19, 2-21, 2-27, 2-29,
2-33, 2-49, 2-63, 2-69, 2-71, 2-83,
2-85, 2-87, 2-89, 3-25, 3-27, 3-41
Manuel d’utilisation, DE, 3-58
Manuel d’utilisation, DK, 3-58
Manuel d’utilisation, EN, 3-58
Manuel d’utilisation, ES, 3-58
Manuel d’utilisation, FI, 3-58
Manuel d’utilisation, FR, 3-58
Manuel d’utilisation, GR, 3-58
Manuel d’utilisation, IT, 3-58
Manuel d’utilisation, NL, 3-58
Manuel d’utilisation, NO, 3-58
Manuel d’utilisation, PT, 3-58
Manuel d’utilisation, SE, 3-58
Manuel, Cd--Rom, Pièces, (Ce), 3-58
Mécanisme De Commande, 4-7, 4-11,
4-17, 4-21
Mécanisme de commande, 2-41, 2-43
Miroir, convexe, rond, 3-35
Mise En Circuit Bielle Assemblage, 5-20
Module D’Allumage, 5-22
Montant, direction, 2-99
Moteur électrique 13.6 vcc, 2-33
Moteur électrique, 3-55
Moteur Hydraul, 3-27
Moteur Hydraulique , 2-59, 2-63, 2-85,
2-89, 2-97
Moteur, Électrique, Essuie--Glace, 4-45
Moteur, Hydraulique Remplacé.Par 22651,
4-27
Moteur, Hydraulique, Engrenage, [Ex],
4-32
Moteur, Hydraulique, Engrenage, [In] 02.,
4-30
Moteur, Hydraulique, Engrenage, [In] 17,
4-31
Moteur, Hydraulique, Engrenage, [In], 4-33
Moteur, Hydraulique, Engrenage, 4-29
Mousse Isolation acoustique, 2-7, 2-9,
2-11, 2-13, 2-15, 2-69, 2-95, 2-97,
3-21, 3-33, 4-49
Moyeu, 2-63
N
Nettoyant,air,2-49
Nut Hxlocnyln M 4 D985 C, 3-19
Nut Hxlocnyln M 6 D985 C, 2-17
Home
Find...
Go To..

RENVOI -- QUER VERZEICHNIS -- CROSS REFERENCE
7-27
800 330126 (6--02)
O
Obturateur, 4-37
Orifice, Valve, 4-5, 4-9, 4-15, 4-19
Outlet Water, 5-21, 6-21
P
Pale, déflecteur, 2-4, 2-7
Pale, Poignée, 4-47
Palier
New(4x84932+1x84939+5x84945),
5-13
Palier, Aiguille, 4-34
Palier, cône, 2-63, 2-65
Palier, coupelle, 2-63, 2-65
Palier, fiberglide, 2-33, 2-71
Palier, journal, 2-21, 2-23, 2-27
Palier, Poussée, 4-30, 4-31, 6-13
Palier, poussée, 2-7, 2-33
Palier, Principal, 6-13
Palier, Roulement, 2-85, 2-89, 2-99, 3-27,
3-47
Palier, 2-29, 2-33, 2-83, 2-85, 2-87, 2-89,
3-25, 3-27, 3-55, 4-5, 4-7, 4-9, 4-11,
4-15, 4-17, 4-19, 4-21, 5-6, 5-9, 5-13,
5-20, 6-6, 6-9, 6-20
Panneau, déflecteur, saleté gauche, 2-25
Panneau, déflecteur, saleté, droit, 2-25
Panneau, aile, droit, 2-29
Panneau, bas, droit, 2-25
Panneau--toucher, 2-101
Panneau, 3-5, 3-7, 3-9, 3-11
Pare--Chocs Caoutchouc, 2-17
Pare--chocs caoutchouc, 2-13, 2-19, 2-29,
3-7, 3-11, 3-33
Pare--chocs, coin, 2-7
Pare--chocs, 2-7, 2-29, 2-31, 3-23
Passe--Fil, 4-45
Passe--fil, 3-37, 3-41
Patin (De Frein), 4-57, 4-59
Patin, 2-69
Pédale, 2-69, 2-71
Phare, 2-7, 2-29, 2-101, 3-17
Piece Auxiliaire, 5-9, 6-9
Pièce De Réglage, 4-57, 4-59
Pièce Moulée, Garniture, 4-45
Pièce Moulée, 2-13, 2-37, 2-69
Piece Rapportee, 5-3, 6-3
Pied, 3-23
Piédestal, 3-13, 3-15
Pignon Engrenage, 4-25
Pignon, Huile Pompe, 5-11, 5-17, 6-11,
6-17
Pignon, Vilebrequin, 5-13, 6-13
Pignon, 5-9, 6-9
Piston, Standard, 6-20
Piston, 4-5, 4-9, 4-15, 4-19, 5-20
Pivot, Fusée, Broche, 2-15
Pivot, 3-37, 3-41
Plaque D’appui , 4-57
Plaque de montage, 2-37, 2-53, 2-55,
2-81, 2-89, 2-103, 3-27, 3-47
Plaque Signalétique, Arrière Moteur, 5-15,
6-15
Plaque signalétique, arrêtoir, 2-97, 3-49
Plaque Signalétique, Arrière, 4-25
Plaque Signalétique, Avant, 4-25
Plaque Signalétique, Came, [Eaton], 4-5,
4-9, 4-15, 4-19
Plaque signalétique, support, 2-15
Plaque Signalétique, Usure, 4-34
Plaque Signalétique, Valve, [Eaton], 4-7,
4-11, 4-17, 4-21
Plaque Signalétique, 4-27, 4-29, 4-47,
5-17, 6-17
Plaque signalétique, 2-71, 2-87, 3-25,
3-47, 3-49
Plaque, Plateau, Couvercle, 4-5, 4-9, 4-15,
4-19
Plaque, Plateau, 2-7, 2-19, 2-21, 2-23,
2-25, 2-39, 2-51, 2-55, 2-59, 2-63,
2-85, 2-87, 2-89, 2-93, 2-95, 2-99,
2-103, 3-25, 3-39, 3-43, 3-47, 3-49,
3-55, 4-59
Plaque, 3-27, 5-9, 6-9
Plongeur, 4-37
Pneumatique, 2-67
Poids, pgl/essence, 2-7
Poignée, Conteneur, 2-29
Poignée, 2-83, 2-99, 3-47
Pompe A Eau, 5-21, 6-21
Pompe carburant, 2-53
Pompe Hydraulique , 3-53
Pompe, Huile, 5-11, 6-11
Pompe, Hydraulique, Engrenage [Ex ]
0.66, 4-25
Pompe, Pignon Engrenage, 2-73
Pompe, Piston, 2-73
Porte, Du Moteur, 2-17
Porte--Balai, 5-9, 6-9
Porte, 2-7, 2-9, 2-11, 2-17, 2-19, 2-27, 4-47
Poulie remplacé.par74391, 3-25
Poulie, 2-37, 2-87, 5-21, 6-21
Profilé,arrêtoir,2-4,2-7,2-63
Profilé, montage, 2-7
Projecteur, 3-31
Protecteur, 2-31, 2-37, 2-85, 3-5, 3-7, 3-9,
3-11, 3-21, 3-27, 3-35, 3-45
Protection, poussière, 2-7
R
Raccord, droit, 2-55
Raccord, Bouchon, 2-59
Raccord, cloison de séparation, 2-35, 2-55,
3-55
Raccord, hydraulique, droit, 2-19, 2-23,
2-37, 2-45, 2-63, 2-73, 2-79, 2-81,
2-83, 2-85, 2-87, 2-89, 2-97, 2-99,
3-25, 3-27
Raccord, hydraulique, droit, 2-59, 2-79,
2-85
Raccord, hydraulique, étrangleur, 2-23,
2-83
Raccord, hydraulique, raccord en t, 2-27,
2-59, 2-73, 2-79, 2-81, 2-83, 3-27
Raccord, laiton, droit, 2-35, 2-45, 2-53,
3-37, 3-41, 3-55
Raccord, laiton, raccord en t, 2-45, 2-69
Raccord, laiton, 2-53
Raccord, Point Mort, 4-23
Raccord, raccord en t, 2-55
Raccord, spécial, 2-43
Raccord, 2-5, 2-37, 2-41, 2-43, 3-27, 3-47,
4-7, 4-11, 4-17, 4-21, 4-51, 5-14, 6-14
Radiateur d’huile, Hydraulique , 2-19
Radiateur, 2-59
Redresseur, 2-37
Régulateur, essence, 2-41
Régulateur, pgl, 2-43
Regulateur,, 2-47
Regulateur, 2-41, 2-43
Régulateur, 2-37, 3-55
Relais, 2-103, 3-5, 3-7, 3-9, 3-11, 3-13,
3-15, 3-39, 3-43, 3-55
Renfort de sol, 2-7, 2-13, 2-71, 3-33
Renfort, 2-15, 3-23
Reniflard, hydraulique, 2-4, 2-79
Reniflard, 5-19, 6-19
Réparation Information, Cylindre, 4-42
Réparation Information, Pompe, 4-7, 4-11,
4-17, 4-21, 4-25, 4-29, 4-31, 4-34,
4-37
Réservoir carburant, 2-53
Réservoir, 12.5 gallon, 2-79
Réservoir, lpg, 2-55
Ressort À gaz, 2-29
Ressort De Traction, 5-17, 6-17
Ressort, compression, 2-85, 2-93, 2-99,
3-27, 3-47
Ressort, essence 80 livre, 3-35
Ressort, prolongement, 2-85
Ressort, recirculation, 2-7
Ressort, retour, 4-57, 4-59
Ressort, tension, 2-29, 2-69, 2-71, 2-91
Ressort, Torsion, 2-85
Ressort, torsion, 3-27
Ressort, 2-33, 2-71, 3-27, 4-7, 4-11, 4-13,
4-17, 4-21, 4-23, 4-27, 4-29, 4-37,
4-57, 4-59, 5-19, 6-19
Rétroviseur, 3-35
Rivet, plastique, 2-7, 2-9, 2-11, 2-13, 2-99,
3-33
Rivet, Pop, 2-17
Robinet D’Evac., Blocage Fin De Course,
5-3, 6-3
Robinet de vidange, 2-57, 2-59
Robinet, 5-19, 6-19
Rondelle Plate Acier, 6.5x14x0.8 C, 2-47
Rondelle Plate Acier, 8.7x29x1.2 C, 3-31
Rondelle, Aile , 2-49
Rondelle, belleville, .31, 3-25
Rondelle, belleville, .50, 2-85, 3-27
Rondelle, plat, .25 aile, 2-9, 2-11, 2-13,
3-33
Rondelle, plat, .31 aile, 2-83
Rondelle, plat, .38 dur, 3-25
Rondelle, Plat, .38 Standard, 2-87, 3-25
Rondelle, Plat, .50 Sae, 2-85, 3-27
Rondelle, Plat, M10, 10.5x21x2acier Inox,
3-25
Rondelle, Plat, M10, 2-87
Rondelle, Verrou, Interne--Externe, #10,
3-19
Rondelle, Verrou, 4-5, 4-9, 4-15, 4-19
Rondelle, 2-13, 2-15, 2-27, 2-35, 2-39,
2-41, 2-63, 2-71, 2-85, 2-89, 2-101,
3-27, 3-55, 4-5, 4-7, 4-9, 4-11, 4-15,
4-17, 4-19, 4-21, 4-25, 4-37, 5-9, 5-11,
5-13, 5-17, 6-9, 6-11, 6-13, 6-17
Rotule, 4-23, 4-27, 4-29, 5-9, 6-9
Home
Find...
Go To..

CROSS REFERENCE -- QUER VERZEICHNIS -- RENVOI
800 330126 (6--02)
7-28
Roue (De Chaîne), Poulie, 2-37
Roue , 3-45
Roulement À Flasque, 2-29
S
Sangle, 2-4, 2-7, 2-41, 2-43, 2-49, 2-53,
2-55
Scr Panhd M 6x 1.0 40, 2-17
Sealant, Silicone, [Ge#1203 Black] Tube,
4-45, 4-47
Séparateur, 5-3, 5-22, 6-3, 6-22
Serre--Cable, 20cm, 3-19, 3-57
Serre--cable, 2-35, 2-85, 2-99, 3-5, 3-7,
3-9, 3-11, 3-13, 3-15, 3-17, 3-27, 3-55
Serre--câble, 2-63, 2-85, 3-41, 3-55
Siège, suspension, 2-13
Silencieux, échappement, 2-51
Silentbloc, montage, 2-39
Silentbloc, vibration, 2-19, 2-51, 2-59, 2-97
Silentbloc, 2-81
Solénoïde, 12courroie Trapézoïdale, 4-35,
4-39, 4-40
Solenoide, 5-9, 6-9
Soulageur de traction, 2-35, 3-55
Soupape De Direction, 2-99
Soupape Hydraul, 3-27
Soupape Hydraulique, 2-81, 2-83, 2-87,
2-97, 3-25
Soupape Sécurité, 5-3, 6-3
Soupape, Clapet , 2-55, 3-37, 3-41
Soupape, Clapet, Assemblage, 3-41
Soupape, Clapet, 2-4, 3-37
Soupape--Clapet, 4-7, 4-11, 4-17, 4-21
Soupape, 5-19, 6-19
Spécial’S Gabarit, 2-13, 4-47
Support, Allumage, 2-37
Support, Angle, 2-95, 3-17
Support, Montage, Appareil De Chauffage,
4-55
Support, montage, 2-25, 2-29, 2-39, 2-45,
2-81, 2-83, 2-85, 2-97, 3-21, 3-27,
3-35, 3-49, 3-55
Support, réglable, 2-69
Support, remplacé.par 375534, 2-63
Support, 2-7, 2-13, 2-15, 2-29, 2-37, 2-41,
2-43, 2-47, 2-51, 2-55, 2-57, 2-59,
2-61, 2-63, 2-71, 2-85, 2-87, 2-91,
2-95, 2-99, 3-5, 3-7, 3-9, 3-11, 3-17,
3-25, 3-27, 3-31, 3-33, 3-38, 3-49,
4-47
T
Tableau de bord, 2-101
Tableau, lpg, 2-13
Tableau, Mettre À L’air Libre, 2-17
Tableau--distribution, 2-101
Tableau, 2-7, 2-13, 2-15, 2-25, 2-29, 2-33,
2-71, 2-101, 3-22, 3-47
Tablier, 2-59
Tambour De Frein, 2-65
Tamis, 2-33, 2-51
Terminal, Capuchon, 4-31
Tesion Assy & T Belt, 5-17, 6-17
Têton, Bague, 4-5
Thermostat, 2-97, 5-21, 6-21
Tige De Jeuge, 5-3
Timonerie, Tringlerie, 2-41, 2-43
Tiroir De Soupape, 4-13, 4-23
Trémie, 2-25
Tringle De Base, 2-21
Trousse De Réparation, Ventilateur, 2-95
Tube Tige De Jeuge, 5-3, 6-3
Tube, intérieur, 2-67
Tube, Ramasser, Huile, 6-11
Tube, 2-47, 4-51, 5-11
Turbine , 2-95
Tuyau caoutchouc, 2-41, 2-43
Tuyau carburant, 2-53
Tuyau chauffage, 2-41, 2-45, 3-37, 3-41
Tuyau radiateur, 2-57
Tuyau, aspiration, 2-35, 2-37, 2-45, 3-55
Tuyau, Appareil De Chauffage,
0.62diamèt, 2-47
Tuyau, Appareil De Chauffage, Droit, 0.6,
2-47
Tuyau, hydraulique, 2-77, 3-29
Tuyau, pgl, 2-45, 2-55
Tuyau, Tube, Gicleur, 2-29, 2-41, 2-45,
2-57, 2-91
Tuyau, 2-47, 2-55, 2-95, 3-23, 3-35, 3-47,
4-53, 5-3, 6-3
Tuyeau, échappement, 2-51
U
Unité émettrice, 2-53
Unitée Émittrice, 2-19, 2-37
V
Valve Conducteur, 4-27, 4-29
Valve Plaque Signalétique, 4-27, 4-29
Valve, Décharge, 4-7, 4-11, 4-17, 4-21,
4-39
Valve, Cartouche, Commander, Pilote,
4-40
Valve, Dilatation, 4-53
Valve, Hydraulique, 4-35, 4-37, 4-39, 4-40
Valve, Vidange, 4-53, 4-55
Valve, Voix, 4-35, 4-39, 4-40
Valve, 4-27, 4-29
Vaporisateur, Diffuseur, 2-45
Vaporisateur, pgl, 2-45
Ventilateur, Pied, 4-51
Ventilateur, 2-59, 4-51
Verre Assemblage, Avant Cabine, 4-45
Verre Assemblage, Avant Porte, 4-47
Vilebrequin Assemblage, 6-13
Vilebrequin, 5-13
Virole, 1.25 X 0.12 X 0.75, 3-19
Virole, 2-7, 2-35, 2-49, 2-101, 3-5, 3-7, 3-9,
3-11, 3-13, 3-15, 3-17, 3-55
Vis A Tete Cylindr., M 4x 16 D7985 4.8c,
3-19
Vis De Pression, Vis De Fixation, 2-33
Vis De Pression, 2-71, 2-83, 2-89, 3-55,
4-13, 4-23
Vis Six Pans A Bague Soudee, 3/8
Uncx1”3, 2-97
Vis Six Pans, M 6x 16 D933 8.8c, 2-47
Vis Six Pans, M 8x 20 D933 8.8c, 3-31
Vis, Capuchon, 4-11, 4-17, 4-21, 4-25,
4-27, 4-29, 4-31
Vis, Carter, M06x1.0 X 25, 4.8, 2-29
Vis, Hexagonal, M08 X 1.25 X 30, 8.8,
3-25
Vis, Hexagonal, M08 X 1.25 X 40, 8.8,
2-87
Vis, Hexagonal, M10 X 1.5 X 25, Acier,
3-25
Vis, Hexagonal,, 2-87
Vis, Hexagonal, 2-87
Vis, hexagonal, 2-15, 2-99, 3-35
Vis, Plat, 2-97
Vis, 2-39, 2-41, 2-43, 2-81, 2-85, 3-33, 4-5,
4-9, 4-15, 4-19, 4-31, 5-7, 5-17, 5-19,
6-7, 6-17, 6-19
Vitre, Verre, 4-45, 4-47
Volant (De Direction), 2-99
Volant--Moteur Remplacement, 5-15, 6-15
Volant--Moteur, Ford, Remanier, 5-15, 6-15
Volant--Moteur, 5-15, 6-15
W
Washer Int/Ex 6.6x19x0.9 C, 3-19
Washer Int/Ex 8.3x22x0.9 C, 3-31
Home
Find...
Go To..