Clemas T500 Parts Manual 9015530 Rev01 CE (Europe)
User Manual: Clemas
Open the PDF directly: View PDF
.
Page Count: 104 [warning: Documents this large are best viewed by clicking the View PDF Link!]
- HOW TO ORDER PARTS
- RECOMMENDED MAINTENANCE ITEMS
- STANDARD PARTS
- REPLACEMENT BRUSHES AND PAD DRIVER DISK
- REPLACEMENT BRUSHES CYLINDRICAL
- REPLACEMENT PADS ORBITAL
- SCRUB HEAD GROUP, DISK 650MM / 26IN
- SCRUB HEAD GROUP, DISK 700MM / 28IN
- SCRUB HEAD GROUP, DISK 800MM / 32IN
- SCRUB HEAD GROUP, CYLINDRICAL 700MM / 28IN
- SCRUB HEAD GROUP, CYLINDRICAL 700MM / 28IN - CONT’D
- SCRUB HEAD GROUP, ORBITAL 700MM / 28IN
- RECOVERY TANK GROUP
- RECOVERY TANK FILTER AND HOSE GROUP, CONTROL VALVE
- SOLUTION TANK GROUP
- STANDARD ELECTRICAL GROUP
- FRAME AND DRIVE GROUP, DISK AND CYLINDRICAL
- FRAME AND DRIVE GROUP, ORBITAL
- HEAD LIFT GROUP, DISK
- HEAD LIFT GROUP, CYLINDRICAL
- HEAD LIFT GROUP, ORBITAL
- SHROUD GROUP, DISK AND ORBITAL
- SHROUD GROUP, CYLINDRICAL
- LOWER CONSOLE GROUP, ON-BOARD CHARGER
- LOWER CONSOLE GROUP, OFF-BOARD CHARGER
- CONSOLE HANDLE, PRO-MEMBRANE PANEL
- CONSOLE HANDLE, PRO- PANEL LCD
- SQUEEGEE LIFT GROUP
- SQUEEGEE ASSEMBLY, 500MM / 20IN
- SQUEEGEE ASSEMBLY, 650MM / 26IN
- SQUEEGEE ASSEMBLY, 700MM / 28IN
- SQUEEGEE ASSEMBLY, 800MM / 32IN
- STANDARD SOLUTION GROUP
- STANDARD BATTERY CABLES GROUP
- LABEL GROUP
- ELECTRICAL DIAGRAM (PAGE 1 OF 4)
- ELECTRICAL DIAGRAM (PAGE 2 OF 4)
- ELECTRICAL DIAGRAM (PAGE 3 OF 4)
- ELECTRICAL DIAGRAM (PAGE 4 OF 4)
- ELECTRICAL HARNESS, MAIN (PAGE 1 OF 4)
- ELECTRICAL HARNESS, MAIN (PAGE 2 OF 4)
- ELECTRICAL HARNESS, MAIN (PAGE 3 OF 4)
- ELECTRICAL HARNESS, MAIN (PAGE 4 OF 4)
- ELECTRICAL HARNESS, OPERATOR STATION
- ELECTRICAL HARNESS, BAIL SWITCH
- OPTIONS
- ACCESSORY RAIL CLIP KIT
- SCREW CAP DRAIN HOSE GROUP
- SOLUTION TANK AUTO-FILL KIT
- TELEMETRY ELECTRICAL GROUP
- ec-H2O SOLUTION GROUP
- SEVERE ENVIRONMENT SOLUTION GROUP
- RECOVERY TANK RINSE KIT
- PARKING BRAKE GROUP
- BATTERY GROUP, WET 210AH
- BATTERY GROUP, MAINTENANCE-FREE 180AH
- BATTERY GROUP, WET 210AH BFS
- MANUAL BATTERY WATERING GROUP
- SMART-FILL AUTOMATIC BATTERY WATERING GROUP
- DOCUMENTATION GROUP
- BREAKDOWNS

Ref Part No. Serial Number Description Qty.
1 82681 (000000- ) Bracket Wldt, Lpg Mount 1
o2 63810 (000000- ) Latch Assy, Lpg Tank Mtg, W/Nut 4
Y3 51839 (000000- ) Nut Adjustable, Lpg Tank Mtg 2
4 49263 (000000- ) Tie, Cable 3
5 82556 (000000- 001039) Bracket, Vaporizer 1
6 54930 (000000- ) Vaporizer, LPG 1
C
D
B
A
HOW TO ORDER PARTS - See diagram above
Only use TENNANT Company supplied or equivalent parts. Parts and supplies may be ordered online,
by phone, by fax or by mail.
Follow the steps below to ensure prompt delivery.
1. (A) Identify the machine model.
2. (B) Identify the machine serial number from the data label.
3. (C) Ensure the proper serial number is used from
the parts list.
4. Identify the part number and quantity.
Do not order by page or reference numbers.
5. Provide your name, company name, customer ID number,
billing and shipping address, phone number and
purchase order number.
6. Provide detail shipping instructions.
(D) - identifies an assembly
Y- identifies parts included in assembly
EN
Please fill out at time of installation for
future reference.
Model No. -
Serial No. -
Machine Options -
Sales Rep. -
Sales Rep. phone no. -
Customer ID Number -
Installation Date -
Tennant N.V.
Industrielaan 6 5405 AB
P.O. Box 6 5400 AA Uden- The Netherlands
europe@tennantco.com
www.tennantco.com
Specifications and parts are subject to change without notice.
Copyright E2017 TENNANT Company. All Rights Reserved.

TABLE OF CONTENTS
Tennant T500 (01- 2017) 9
STANDARD PARTS
GENERAL RECOMMENDED MAINTENANCE
ITEMS 11...................................
REPLACEMENT BRUSHES AND PAD
DRIVER DISK 14............................
REPLACEMENT BRUSHES CYLINDRICAL 16....
REPLACEMENT PADS ORBITAL 17.............
SCRUB HEAD GROUP, DISK 650MM / 26IN 18...
SCRUB HEAD GROUP, DISK 700MM / 28IN 20...
SCRUB HEAD GROUP, DISK 800MM / 32IN 22...
SCRUB HEAD GROUP, CYLINDRICAL
700MM / 28IN 24............................
SCRUB HEAD GROUP, CYLINDRICAL
700MM / 28IN - CONT’D 26...................
SCRUB HEAD GROUP, ORBITAL
700MM / 28IN 28............................
RECOVERY TANK GROUP 30..................
RECOVERY TANK FILTER AND HOSE GROUP,
CONTROL VALVE 32........................
SOLUTION TANK GROUP 34...................
STANDARD ELECTRICAL GROUP 36...........
FRAME AND DRIVE GROUP, DISK AND
CYLINDRICAL 38............................
FRAME AND DRIVE GROUP, ORBITAL 40.......
HEAD LIFT GROUP, DISK 42...................
HEAD LIFT GROUP, CYLINDRICAL 44...........
HEAD LIFT GROUP, ORBITAL 46................
SHROUD GROUP, DISK AND ORBITAL 48.......
SHROUD GROUP, CYLINDRICAL 49............
LOWER CONSOLE GROUP, ON- BOARD
CHARGER 50...............................
LOWER CONSOLE GROUP, OFF- BOARD
CHARGER 52...............................
CONSOLE HANDLE, PRO- MEMBRANE PANEL 54
CONSOLE HANDLE, PRO- PANEL LCD 56.......
SQUEEGEE LIFT GROUP 58...................
SQUEEGEE ASSEMBLY, 500MM / 20IN 60.......
SQUEEGEE ASSEMBLY, 650MM / 26IN 62.......
SQUEEGEE ASSEMBLY, 700MM / 28IN 64.......
SQUEEGEE ASSEMBLY, 800MM / 32IN 66.......
STANDARD PARTS - Cont’d
STANDARD SOLUTION GROUP 68.............
STANDARD BATTERY CABLES GROUP 70......
LABEL GROUP 71.............................
ELECTRICAL DIAGRAM 72.....................
ELECTRICAL HARNESS, MAIN 76..............
ELECTRICAL HARNESS, OPERATOR STATION 80
ELECTRICAL HARNESS, BAIL SWITCH 82.......
OPTIONS
ACCESSORY RAIL CLIP KIT 84.................
SCREW CAP DRAIN HOSE GROUP 85..........
SOLUTION TANK AUTO-FILL KIT 86.............
TELEMETRY ELECTRICAL GROUP 88..........
ec-H2O SOLUTION GROUP 90.................
SEVERE ENVIRONMENT SOLUTION GROUP 92.
RECOVERY TANK RINSE KIT 94................
PARKING BRAKE GROUP 96...................
BATTERY GROUP, WET 210AH 98..............
BATTERY GROUP, MAINTENANCE-FREE
180AH 99...................................
BATTERY GROUP, WET 210AH BFS 100..........
MANUAL BATTERY WATERING GROUP 101......
SMART-FILLtAUTOMATIC BATTERY
WATERING GROUP 102......................
DOCUMENTATION GROUP 104..................
BREAKDOWNS
ec- H2O NANOCLEAN MODULE BREAKDOWN 106
ORBITAL HEAD ECCENTRIC DRIVE
BREAKDOWN 108............................
AUTOMATIC BATTERY WATERING MODULE
BREAKDOWN 110............................

RECOMMENDED MAINTENANCE ITEMS
Tennant T500 (01- 2017) 11
GENERAL RECOMMENDED MAINTENANCE ITEMS
Part No. Serial Number Description Qty.
1227060 (00001- )Brush Assy, Disk, Scb, 13.0d, Pyp 2
1227059 (00001- ) Brush Assy, Disk, Scb, 13.0d, Nyl 2
1227061 (00001- ) Brush Assy, Disk, Scb, 13.0d, Sab 2
995625 (00001- )Pad, Stripping, 13.0/330, Brown[3m, 5pc] 2
994514 (00001- )Pad, Stripping, 13.0/330, Brown[5pc] 2
995618 (00001- )Pad, Scb, 13.0inch /330 [3m Blu, 5pc] 2
994515 (00001- )Pad, Scb, 13.0inch /330, Blu [5pc] 2
995610 (00001- )Pad, Buff, 13.0/330, Red [3m, 5pc] 2
994516 (00001- )Pad, Buff, 13.0/330, Red [5pc] 2
994513 (00001- )Pad, Polish, 13.0/330, White [5pc] 2
1215461 (00001- )Pad, Polish, 13.0d, Sienna [1pick=5pcs] 2
1215453 (00001- )Pad, Polish, 13.0d, Purple [1pick=5pcs] 2
1223615 (00001- )Brush, Disk, Scb, 14.0d, Pyp [Tnv] 2
1223613 (00001- )Brush, Disk, Scb, 14.0d, Nyl 6.6 [Tnv] 2
1223619 (00001- )Brush, Disk, Scb, 14.0d, Abr [Tnv] 2
995626 (00001- )Pad, Stripping, 14.0/355, Brown[3m, 5pc] 2
994520 (00001- )Pad, Stripping, 14.0/355, Brown[5pc] 2
995619 (00001- )Pad, Scb, 14.0inch /355 [3m Blu, 5pc] 2
994519 (00001- )Pad, Scb, 14.0inch /355, Blu [5pc] 2
995611 (00001- )Pad, Buff, 14.0/355, Red [3m, 5pc] 2
994518 (00001- )Pad, Buff, 14.0/355, Red [5pc] 2
994754 (00001- )Pad, Polish, 14.0/355, White [5pc] 2
1215462 (00001- )Pad, Polish, 14.0d, Sienna [1pick=5pcs] 2
1215454 (00001- )Pad, Polish, 14.0d, Purple [1pick=5pcs] 2
1223627 (00001- )Brush, Disk, Scb, 16.0d, Pyp [Tnv] 2
1221546 (00001- )Brush, Disk, Scb, 16.0d, Nyl 6.6 [Tnv] 2
1223621 (00001- )Brush, Disk, Scb, 16.0d, Abr [Tnv] 2
995627 (00001- )Pad, Stripping, 16.0/406, Brown[3m, 5pc] 2
994523 (00001- )Pad, Stripping, 16.0/406, Brown[5pc] 2
995620 (00001- )Pad, Scb, 16.0inch /406 [3m Blu, 5pc] 2
994524 (00001- )Pad, Scb, 16.0inch /406, Blu 2
995612 (00001- )Pad, Buff, 16.0/406, Red [3m, 5pc] 2
994525 (00001- )Pad, Buff, 16.0/406, Red [5pc] 2
994526 (00001- )Pad, Polish, 16.0/406, White [5pc] 2
1215463 (00001- )Pad, Polish, 16.0d, Sienna [1pick=5pcs] 2
1215455 (00001- )Pad, Polish, 16.0d, Purple [1pick=5pcs] 2
222304 (00001- ) Brush, Scb, 28l, 18sr, Pyp, Spl 2
222305 (00001- ) Brush, Scb, 28l, 18sr, Nyl, Spl 2
222306 (00001- ) Brush, Scb, 28l, 18sr, Abr, Spl 2
1223247 (00001- ) Pad, Scb, 28 X 14, Blu [1pick=1pc] 1
1218157 (00001- )Pad, Buff, 28 X 14, Red [1pick=1pc] 1
1223246 (00001- ) Pad, Polish, 28 X 14, White [1pick=1pc] 1
1223248 (00001- ) Pad, Surf Prep, 28 X 14, Mar [1pick=1pc] 1
1223250 (00001- ) Pad, Scb, 28 X 14, Green [1pick=1ctn] 1
1075563 (00001- )Pad, Stripping, 28 X 14, Blk [1pick=1ctn] 1
1221839 (00001- )Pad, Backer, 28 X 14 (Includes Velcro Fasteners) 1

RECOMMENDED MAINTENANCE ITEMS
Tennant T500 (04- 2017)
12
GENERAL RECOMMENDED MAINTENANCE ITEMS
Part No. Serial Number Description Qty.
1221522 (00001- )Bumper, Head, 65cm, Skirt, Im [T500] 1
1221520 (00001- ) Bumper, Head, 70cm, Skirt, Im [T500] 1
1221512 (00001- ) Bumper, Head, 80cm, Skirt, Im [T500] 1
222403 (00001- )Wheel, 02.0d 0.88w 0.50b (Disk Head) 2
630477 (00001- ) Wheel, Pyu, 02.0d 0.38w, Gray (Cylindrical Head) 6
1023067 (00001- )Motor, Ele, 24vdc 0220rpm 0.75hp Gear (Disk Head) 2
Y1031775 (00001- ) Brush Kit, Carbon, Motor, Replmt [T5] (Disk Head) 1
1223429 (00001- ) Motor, Ele, 24vdc 1500rpm 0.60hp (Cylindrical Head) 2
Y1031775 (00001- )Brush Kit, Carbon, Motor, Replmt [T5] (Cylindrical Head) 1
1218573 (00001- ) Skirt, Side, Scrb, Cyl [T500] 4
9015765 (00001- )Belt Kit, Motor, Ci (Cylindrical Head) 1
Y1213132 (00001- ) Tool, Installation, Belt (Cylindrical Head) 1
1219913 (00001- ) Motor, Ele, 24vdc, 2200rpm, 0.75hp 28.0a (Orbital Head) 1
Y1059370 (00001- )Brush, Motor, Replmt [Bag Of 4) (Orbital Head) 1
1014918AM (00001- ) Wheel, 03.0d 0.88w 0.31b, W/ Bshg, Rbr (Orbital Head) 2
9015731 (00001- )Blade Kit, 500mm, Linatex (Standard) 1
Y1203953 (00001- )Blade, Sqge, Rear, 836l, Linatex[500mm] (Standard) 1
Y1203954 (00001- )Blade, Sqge, Front, 788l, Linatex[500mm] (Standard) 1
9015732 (00001- )Blade Kit, 500mm, Urethane (Option) 1
Y1215609 (00001- )Blade, Sqge, Rear, 836l, Urethane[500mm] (Option) 1
Y1215611 (00001- )Blade, Sqge, Front, 788l, Urethane[500mm (Option) 1
9015730 (00001- )Blade Kit, 500mm, Gum (Option) 1
Y1215610 (00001- )Blade, Sqge, Rear, 836l, Gum[500mm] (Option) 1
Y1215612 (00001- ) Blade, Sqge, Front, 788l, Gum[500mm] (Option) 1
9015734 (00001- )Blade Kit, 650mm, Linatex (Standard) 1
Y1221585 (00001- )Blade, Sqge, Rear, 1166l, Linatex[650mm] (Standard) 1
Y1232680 (00001- )Blade, Sqge, Front, 1072l Linard[650mm] (Standard) 1
9015735 (00001- )Blade Kit, 650mm, Urethane (Option) 1
Y1228909 (00001- )Blade, Sqge, Rear, 1136l,Urethane[650mm] (Option) 1
Y1228915 (00001- )Blade, Sqge, Front,1072l,Urethane[650mm] (Option) 1
9015733 (00001- )Blade Kit, 650mm, Gum (Option) 1
Y1228910 (00001- )Blade, Sqge, Rear, 1136l, Gum[650mm] (Option) 1
Y1228919 (00001- )Blade, Sqge, Front, 1072l Gum[650mm] (Option) 1
9015737 (00001- )Blade Kit, 700mm, Linatex (Standard) 1
Y1221572 (00001- )Blade, Sqge, Rear, 1204l, Linatex[700mm] (Standard) 1
Y1232679 (00001- )Blade, Sqge, Front, 1148l Linard[700mm] (Standard) 1
9015738 (00001- )Blade Kit, 700mm, Urethane (Option) 1
Y1228904 (00001- )Blade, Sqge, Rear, 1204l,Urethane[700mm] (Option) 1
Y1228906 (00001- )Blade, Sqge, Front,1148l Urethane[700mm] (Option) 1
9015736 (00001- )Blade Kit, 700mm, Gum (Option) 1
Y1228905 (00001- )Blade, Sqge, Rear, 1204l, Gum[700mm] (Option) 1
Y1228907 (00001- )Blade, Sqge, Front, 1148l Gum[700mm] (Option) 1
9015740 (00001- )Blade Kit, 800mm, Linatex (Standard) 1
Y1221115 (00001- )Blade, Sqge, Rear, 1306l, Linatex[800mm] (Standard) 1
Y1232681 (00001- )Blade, Sqge, Front, 1256l Linard[800mm] (Standard) 1
9015741 (00001- )Blade Kit, 800mm, Urethane (Option) 1
Y1228920 (00001- )Blade, Sqge, Rear, 1306l,Urethane[800mm] (Option) 1
Y1228922 (00001- )Blade, Sqge, Front,1256l Urethane[800mm] (Option) 1
9015739 (00001- )Blade Kit, 800mm, Gum (Option) 1
Y1228921 (00001- )Blade, Sqge, Rear, 1306l, Gum[800mm] (Option) 1
Y1228923 (00001- )Blade, Sqge, Front, 1256l Gum[800mm] (Option) 1

RECOMMENDED MAINTENANCE ITEMS
Tennant T500 (01- 2017) 13
GENERAL RECOMMENDED MAINTENANCE ITEMS
Part No. Serial Number Description Qty.
1226905 (00001- )Fan, Vacuum, 6.6d, 024vdc, 2 Stage 1
Y1206774 (00001- )Vr, Brush Kit, Motor, Fan 1
100038 (00001- )Gasket, .50, 02.63id 05.75od, Adh [Epdm] 1
630052 (00001- ) Float, Shut- Off, (2)Ball, 1.75d 1
9015756 (00001- )Seal, Cover, Recvy, Ci [T500] 1
1224414 (00001- )Hose Assy, W/2cuff,1.5d 033l 1.5/1.5[Pu] (Gray) 1
9015727 (00001- )Hose Kit, Drain, Pu, W/ Valve, Ci[T500e] (Gray) 1
Y1051986 (00001- )Valve, Ball, 2way, 1.0id Pvc, W/Handle 1
Y1228335 (00001- )Hose Assy, W/2cuff,1.5d 022l 2.0/1.5[Pu] (Gray)
Y1229567 (00001- )Strap, Hanger 1
9015758 (00001- )Seal, Tank, Soltn, Ci [T500/T500e] 1
1066431 (00001- )Seal, Afmkt, Bulb, Dual, 03ft [F/.30gap] (Soltn Tank Front) 1
1212422 (00001- ) Caster, Swivel [Wicke 224051] 2
1223583 (00001- )Wheel, Scrbr, 213mm, W/ Taper 2
1031723 (00001- ) Motor, Transaxle, 24vdc, Afmkt [T5] 1
Y614166 (00001- )Brush Kit, Carbon, Transaxle, Replmt [4] 1
1211537 (00001- ) Filter, In- Line, Pf06/Pf06 080m 2.6l Epd 1
Y1218885 (00001- ) Gasket [Epdm, F/1211537] 1
Y1218883 (00001- ) Screen, Fltr, 80 Mesh, Ss [W/ Cage] 1
Y613991 (00001- ) Bowl, Clr, Short, F/1005302 1
9011810 (00001- )Module Kit, Replmt [Ec- H2o, B 02] (Includes Cartridge) 1
9014127 (00001- )Controller Kit, Replmt [Ec- H2o Nc] (Includes Cartridge) 1
Y9013646 (00001- ) Cartridge, Ec- H2o Nanoclean Wcm, 270ml 1

STANDARD PARTS
Tennant T500 (01- 2017)
14
REPLACEMENT BRUSHES AND PAD DRIVER DISK
1
2
3
4
5
6
7
8
9
355426

STANDARD PARTS
Tennant T500 (01- 2017) 15
REPLACEMENT BRUSHES AND PAD DRIVER DISK
Ref. Part No. Serial Number Description Qty.
11227060 (00001- )Brush Assy, Disk, Scb, 13.0d, Pyp 2
1 1227059 (00001- ) Brush Assy, Disk, Scb, 13.0d, Nyl 2
1 1227061 (00001- ) Brush Assy, Disk, Scb, 13.0d, Sab 2
11223615 (00001- )Brush, Disk, Scb, 14.0d, Pyp [Tnv] 2
11223613 (00001- )Brush, Disk, Scb, 14.0d, Nyl 6.6 [Tnv] 2
11223619 (00001- )Brush, Disk, Scb, 14.0d, Abr [Tnv] 2
11223627 (00001- )Brush, Disk, Scb, 16.0d, Pyp [Tnv] 2
11221546 (00001- )Brush, Disk, Scb, 16.0d, Nyl 6.6 [Tnv] 2
11223621 (00001- )Brush, Disk, Scb, 16.0d, Abr [Tnv] 2
Y29014667 (00001- )BrushKit,HubAssy,Drive,Ci[Comm] 1
31227101 (00001- )Driver Assy, Pad, 13.0d, Brush 2
31221549 (00001- )Driver, Pad, 14.0d, Brush [Tnv] 2
31221550 (00001- )Driver, Pad, 16.0d, Brush [Tnv] 2
Y4 9014667 (00001- ) Brush Kit, Hub Assy, Drive, Ci [Comm] 1
Y5 370095 (00001- ) Device, Centering, Clip On, Tl [Gf Pp] 1
Y641579 (00001- )Washer, Flat, 08, Ss 3
Y7 04403 (00001- ) Screw, Pan, Phl, M4 X 0.70 X 25, Nl, Ss 3
Y8 10908 (00001- ) Nut, T, M4 X 0.70 3
9995625 (00001- )Pad, Stripping, 13.0/330, Brown[3m, 5pc] 2
9994514 (00001- )Pad, Stripping, 13.0/330, Brown[5pc] 2
9995618 (00001- )Pad, Scb, 13.0inch /330 [3m Blu, 5pc] 2
9994515 (00001- )Pad, Scb, 13.0inch /330, Blu [5pc] 2
9995610 (00001- )Pad, Buff, 13.0/330, Red [3m, 5pc] 2
9994516 (00001- )Pad, Buff, 13.0/330, Red [5pc] 2
9994513 (00001- )Pad, Polish, 13.0/330, White [5pc] 2
91215461 (00001- )Pad, Polish, 13.0d, Sienna [1pick=5pcs] 2
91215453 (00001- )Pad, Polish, 13.0d, Purple [1pick=5pcs] 2
9995626 (00001- )Pad, Stripping, 14.0/355, Brown[3m, 5pc] 2
9994520 (00001- )Pad, Stripping, 14.0/355, Brown[5pc] 2
9995619 (00001- )Pad, Scb, 14.0inch /355 [3m Blu, 5pc] 2
9994519 (00001- )Pad, Scb, 14.0inch /355, Blu [5pc] 2
9995611 (00001- )Pad, Buff, 14.0/355, Red [3m, 5pc] 2
9994518 (00001- )Pad, Buff, 14.0/355, Red [5pc] 2
9994754 (00001- )Pad, Polish, 14.0/355, White [5pc] 2
91215462 (00001- )Pad, Polish, 14.0d, Sienna [1pick=5pcs] 2
91215454 (00001- )Pad, Polish, 14.0d, Purple [1pick=5pcs] 2
9995627 (00001- )Pad, Stripping, 16.0/406, Brown[3m, 5pc] 2
9994523 (00001- )Pad, Stripping, 16.0/406, Brown[5pc] 2
9995620 (00001- )Pad, Scb, 16.0inch /406 [3m Blu, 5pc] 2
9994524 (00001- )Pad, Scb, 16.0inch /406, Blu 2
9995612 (00001- )Pad, Buff, 16.0/406, Red [3m, 5pc] 2
9994525 (00001- )Pad, Buff, 16.0/406, Red [5pc] 2
9994526 (00001- )Pad, Polish, 16.0/406, White [5pc] 2
91215463 (00001- )Pad, Polish, 16.0d, Sienna [1pick=5pcs] 2
91215455 (00001- )Pad, Polish, 16.0d, Purple [1pick=5pcs] 2
ASSEMBLY
YINCLUDED IN ASSEMBLY

STANDARD PARTS
Tennant T500 (01- 2017)
16
REPLACEMENT BRUSHES CYLINDRICAL
355427
1
Ref. Part No. Serial Number Description Qty.
1222304 (00001- )Brush, Scb, 28l, 18sr, Pyp, Spl 2
1 222305 (00001- ) Brush, Scb, 28l, 18sr, Nyl, Spl 2
1 222306 (00001- ) Brush, Scb, 28l, 18sr, Abr, Spl 2

STANDARD PARTS
Tennant T500 (01- 2017) 17
REPLACEMENT PADS ORBITAL
355478
1
2
Ref. Part No. Serial Number Description Qty.
11223247 (00001- )Pad, Scb, 28 X 14, Blu [1pick=1pc] 1
1 1218157 (00001- ) Pad, Buff, 28 X 14, Red [1pick=1pc] 1
1 1223246 (00001- ) Pad, Polish, 28 X 14, White [1pick=1pc] 1
1 1223248 (00001- ) Pad, Surf Prep, 28 X 14, Mar [1pick=1pc] 1
1 1223250 (00001- ) Pad, Scb, 28 X 14, Green [1pick=1ctn] 1
21221839 (00001- )Pad, Backer, 28 X 14 (Includes Velcro Fasteners) 1

STANDARD PARTS
Tennant T500 (01- 2017)
18
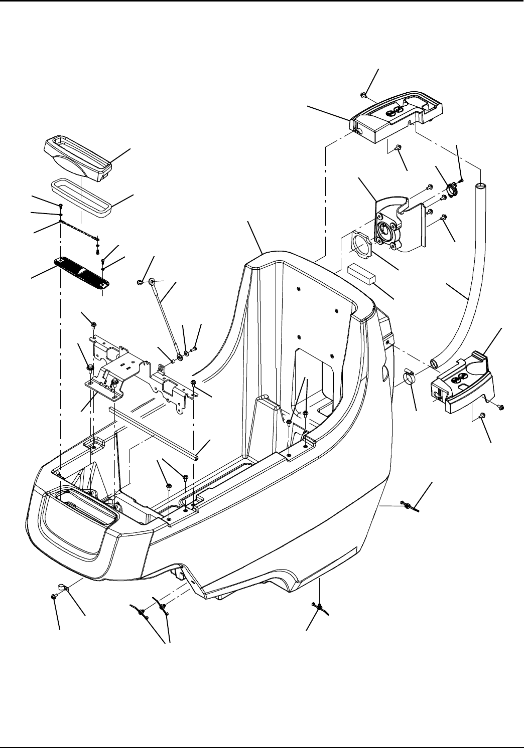
SCRUB HEAD GROUP, DISK 650MM / 26IN
1
2
3
1
2
3
4
5
6
7
8
9
10
11
12
13
14
15
16
17
18
19
20
21
21 20
4
5
6
7
22
8
9
10
11
12
13
14
23
23
24
25
26
27
28
29
24
25
26
27
28
29
355421

STANDARD PARTS
Tennant T500 (01- 2017) 19
SCRUB HEAD GROUP, DISK 650MM / 26IN
Ref. Part No. Serial Number Description Qty.
11023067 (00001- )Motor, Ele, 24vdc 0220rpm 0.75hp Gear 2
Y2 1031775 (00001- ) Brush Kit, Carbon, Motor, Replmt [T5] 1
Y3 1031681 (00001- ) Harness, Connector, Brush- Motor [T5] Us 1
4 1022549 (00001- ) Spacer, Shaft, 17.15b 30.0d 3.0l, Ss 2
5 1025853 (00001- ) Screw, Set, M6 X 1.00 X 35, Nl, Ss 8
61222988 (00001- )Knob, Rnd, 31.0d 27.0l M10, Plstc 2
7 626081 (00001- ) Spring, Cmpr, 0.48od .04wir 03.5l 2
81227865 (00001- ) Screw, Trs, M6 X 1.0 X 12, Phl, Ss, Nl 4
901684 (00001- )Washer, Flat, 0.27b 0.69d .05, Ss 4
10 397826 (00001- ) Screw, Btn, M8 X 1.25 X 40, Ss 2
11 1227709 (00001- )Bracket, Roller, Wall 2
12 222496 (00001- )Sleeve, P/M, 0.32b 0.50d 0.9l [430ss] 2
13 222403 (00001- )Wheel, 02.0d 0.88w 0.50b 2
14 08713 (00001- ) Nut, Hex, Lock, M8 X 1.25, Nl, Ss 2
15 1222365 (00001- ) Housing, Disc, Dual, 65cm [Machined] 1
16 1221522 (00001- )Bumper, Head, 65cm, Skirt, Im [T500] 1
17 1034731 (00001- ) Screw, Hex, M6 X 1.00 X 16, Sems, Ss 1
18 1074344 (00001- ) Harness, Ele [Ring With .250m Tail] 1
19 1210807 (00001- ) Wire, Tie [W/.25” Fir Tree Clip] 1
20 130773 (00001- ) Tie, Cable, Nyl, 11.0l, .14w, 3.0 Max. D 2
21 9014145 (00001- )Hose, Afmkt, Pe, .375id .50od, 05ft 1
22 1212858 (00001- ) Fitting, Plstc, Tee, Qf08/Qf08/Qf08 1
23 09746 (00001- ) Screw, Hex, M10 X 1.50 X 90, Ss 2
24 01684 (00001- ) Washer, Flat, 0.27b 0.69d .05, Ss 8
25 08712 (00001- ) Nut, Hex, Lock, M6 X 1.00, Nl, Ss 8
26 1014328 (00001- )Key, Sq, 05mm X 05mm, 25mml 2
27 1071637 (00001- ) Hub, Drive, Brush, Disk, 17mmb 2
28 1017218 (00001- ) Washer, Flat, 0.32b 1.00d .12, Ss 2
29 12273 (00001- ) Screw, Hex, M8 X 1.25 X 20, Nl, Ss 2
ASSEMBLY
YINCLUDED IN ASSEMBLY

STANDARD PARTS
Tennant T500 (01- 2017)
20
SCRUB HEAD GROUP, DISK 700MM / 28IN
1
2
3
1
2
3
4
5
6
7
8
9
10
11
12
13
14
15
16
17
18
19
20
21
21 20
4
5
6
722
8
9
10
11
12
13
14
23
23
24
25
26
27
28
29
24
25
26
27
28
29
355422

STANDARD PARTS
Tennant T500 (01- 2017) 21
SCRUB HEAD GROUP, DISK 700MM / 28IN
Ref. Part No. Serial Number Description Qty.
11023067 (00001- )Motor, Ele, 24vdc 0220rpm 0.75hp Gear 2
Y2 1031775 (00001- ) Brush Kit, Carbon, Motor, Replmt [T5] 1
Y3 1031681 (00001- ) Harness, Connector, Brush- Motor [T5] Us 1
4 1022549 (00001- ) Spacer, Shaft, 17.15b 30.0d 3.0l, Ss 2
5 1025853 (00001- ) Screw, Set, M6 X 1.00 X 35, Nl, Ss 8
61222988 (00001- )Knob, Rnd, 31.0d 27.0l M10, Plstc 2
7 626081 (00001- ) Spring, Cmpr, 0.48od .04wir 03.5l 2
81227865 (00001- ) Screw, Trs, M6 X 1.0 X 12, Phl, Ss, Nl 4
901684 (00001- )Washer, Flat, 0.27b 0.69d .05, Ss 4
10 397826 (00001- ) Screw, Btn, M8 X 1.25 X 40, Ss 2
11 1227709 (00001- )Bracket, Roller, Wall 2
12 222496 (00001- )Sleeve, P/M, 0.32b 0.50d 0.9l [430ss] 2
13 222403 (00001- )Wheel, 02.0d 0.88w 0.50b 2
14 08713 (00001- ) Nut, Hex, Lock, M8 X 1.25, Nl, Ss 2
15 1222364 (00001- ) Housing, Disc, Dual, 70cm [Machined] 1
16 1221520 (00001- )Bumper, Head, 70cm, Skirt, Im [T500] 1
17 1034731 (00001- ) Screw, Hex, M6 X 1.00 X 16, Sems, Ss 1
18 1074344 (00001- ) Harness, Ele [Ring With .250m Tail] 1
19 1210807 (00001- ) Wire, Tie [W/.25” Fir Tree Clip] 1
20 130773 (00001- ) Tie, Cable, Nyl, 11.0l, .14w, 3.0 Max. D 2
21 9014145 (00001- )Hose, Afmkt, Pe, .375id .50od, 05ft 1
22 1212858 (00001- ) Fitting, Plstc, Tee, Qf08/Qf08/Qf08 1
23 09746 (00001- ) Screw, Hex, M10 X 1.50 X 90, Ss 2
24 01684 (00001- ) Washer, Flat, 0.27b 0.69d .05, Ss 8
25 08712 (00001- ) Nut, Hex, Lock, M6 X 1.00, Nl, Ss 8
26 1014328 (00001- )Key, Sq, 05mm X 05mm, 25mml 2
27 1071637 (00001- ) Hub, Drive, Brush, Disk, 17mmb 2
28 1017218 (00001- ) Washer, Flat, 0.32b 1.00d .12, Ss 2
29 12273 (00001- ) Screw, Hex, M8 X 1.25 X 20, Nl, Ss 2
ASSEMBLY
YINCLUDED IN ASSEMBLY

STANDARD PARTS
Tennant T500 (01- 2017)
22
SCRUB HEAD GROUP, DISK 800MM / 32IN
355423
1
2
3
1
2
3
4
5
6
7
8
9
10
11
12
13
14
15
16
17
18
19
20 21
21 20
4
5
6
722
8
9
10
11
12
13
14
23
23
24
25
26
27
28
29
24
25
26
27
28
29

STANDARD PARTS
Tennant T500 (01- 2017) 23
SCRUB HEAD GROUP, DISK 800MM / 32IN
Ref. Part No. Serial Number Description Qty.
11023067 (00001- )Motor, Ele, 24vdc 0220rpm 0.75hp Gear 2
Y2 1031775 (00001- ) Brush Kit, Carbon, Motor, Replmt [T5] 1
Y3 1031681 (00001- ) Harness, Connector, Brush- Motor [T5] Us 1
4 1022549 (00001- ) Spacer, Shaft, 17.15b 30.0d 3.0l, Ss 2
5 1025853 (00001- ) Screw, Set, M6 X 1.00 X 35, Nl, Ss 8
61222988 (00001- )Knob, Rnd, 31.0d 27.0l M10, Plstc 2
7 626081 (00001- ) Spring, Cmpr, 0.48od .04wir 03.5l 2
81227865 (00001- ) Screw, Trs, M6 X 1.0 X 12, Phl, Ss, Nl 4
901684 (00001- )Washer, Flat, 0.27b 0.69d .05, Ss 4
10 397826 (00001- ) Screw, Btn, M8 X 1.25 X 40, Ss 2
11 1227709 (00001- )Bracket, Roller, Wall 2
12 222496 (00001- )Sleeve, P/M, 0.32b 0.50d 0.9l [430ss] 2
13 222403 (00001- )Wheel, 02.0d 0.88w 0.50b 2
14 08713 (00001- ) Nut, Hex, Lock, M8 X 1.25, Nl, Ss 2
15 1222293 (00001- ) Housing, Disc, Dual, 80cm [Machined] 1
16 1221512 (00001- )Bumper, Head, 80cm, Skirt, Im [T500] 1
17 1034731 (00001- ) Screw, Hex, M6 X 1.00 X 16, Sems, Ss 1
18 1074344 (00001- ) Harness, Ele [Ring With .250m Tail] 1
19 1210807 (00001- ) Wire, Tie [W/.25” Fir Tree Clip] 1
20 130773 (00001- ) Tie, Cable, Nyl, 11.0l, .14w, 3.0 Max. D 2
21 9014145 (00001- )Hose, Afmkt, Pe, .375id .50od, 05ft 1
22 1212858 (00001- ) Fitting, Plstc, Tee, Qf08/Qf08/Qf08 1
23 09746 (00001- ) Screw, Hex, M10 X 1.50 X 90, Ss 2
24 01684 (00001- ) Washer, Flat, 0.27b 0.69d .05, Ss 8
25 08712 (00001- ) Nut, Hex, Lock, M6 X 1.00, Nl, Ss 8
26 1014328 (00001- )Key, Sq, 05mm X 05mm, 25mml 2
27 1071637 (00001- ) Hub, Drive, Brush, Disk, 17mmb 2
28 1017218 (00001- ) Washer, Flat, 0.32b 1.00d .12, Ss 2
29 12273 (00001- ) Screw, Hex, M8 X 1.25 X 20, Nl, Ss 2
ASSEMBLY
YINCLUDED IN ASSEMBLY

STANDARD PARTS
Tennant T500 (01- 2017)
24
SCRUB HEAD GROUP, CYLINDRICAL 700MM / 28IN
355424
1
2
34
5
6
8
7
9
10
11
12
13
14
15
16 17 1
18
19
17
20
21
22
23
24
25
25
10 9
8765
432
1
26
27
28
21
1
29
17
14
14

STANDARD PARTS
Tennant T500 (01- 2017) 25
SCRUB HEAD GROUP, CYLINDRICAL 700MM / 28IN
Ref. Part No. Serial Number Description Qty.
11205799 (00001- )Screw, Btn, M5 X 0.8 X 16, 8.8, Nl, Torx 2
2 1218032 (00001- ) Cover, Skirt, 2cyl [T500] 2
3 1218573 (00001- ) Skirt, Side, Scrb, Cyl [T500] 2
4 390996 (00001- ) Screw, Flt, Soc, M10 X 1.50 X 20,10.9,Nl 2
5 1218692 (00001- ) Door, Brush, 2cyl [Machined, T500] 1
649697 (00001- )Screw, Pan, Phl, M4 X 0.70 X 10, Ss 6
7 222184 (00001- ) Pin, Roll, .094d X 0.25l, .094/.097 2
8 222177 (00001- ) Shaft, Plug, Idler 2
9 1057629 (00001- ) Plug, Idler, Brush [Sgl Brg] 2
10 01516 (00001- ) Ring, Retaining, Ext, 0.59d, Basic 2
11 1216647 (00001- )Pin, Cotter, Hair, 0.38d .054 Wir 2
12 49914 (00001- ) Pin, Clevis, 0.37d X 4.00l 2
13 630477 (00001- ) Wheel, Pyu, 02.0d 0.38w, Gray 6
14 1207285 (00001- ) Latch, Draw, Rbr, W/ Keeper, Yellow 2
15 49697 (00001- ) Screw, Pan, Phl, M4 X 0.70 X 10, Ss 6
16 1221161 (00001- )Tie, Cable, Nyl, Push Mount, 76mm Max D 1
17 1210807 (00001- ) Wire, Tie [W/.25” Fir Tree Clip] 3
18 1218242 (00001- ) Bracket, Spring, Tray, Debris [T500] 1
19 1217942 (00001- ) Housing, Cyl, 70cm [Machined] 1
20 1029358 (00001- ) Deflector, Water, Cyl Head 1
21 1034731 (00001- )Screw, Hex, M6 X 1.00 X 16, Sems, Ss 7
22 9014145 (00001- ) Hose, Afmkt, Pe, .375id .50od, 05ft 1
23 1212987 (00001- ) Fitting, Plstc, E90, Qf08/Pm06, Swivel 1
24 1046049 (00001- ) Tube Assy, Bar, Spray, 70cm [T5, 5680] 1
25 1025580 (00001- ) Fitting, Pipe, Cap, P06, Nyl 2
26 1218153 (00001- )Bracket, Tray, Debris [T500] 1
27 1218144 (00001- ) Tray, Debris, 700mm [Im] [Rhine] 1
28 1218577 (00001- ) Bracket, Slide, Tray, Debris 1
29 1219969 (00001- ) Panel Wldt, Wrap, Brush [T500] 1

STANDARD PARTS
Tennant T500 (04- 2017)
26
SCRUB HEAD GROUP, CYLINDRICAL 700MM / 28IN - CONT’D
355430
12
3
1
4
10
5
9
6
7
8
10
11
12
13
14
15
16
17
19
18
16 17
1
2
3
4
1
9
6
5
5
8
10
10
11
12
13
14
15
5

STANDARD PARTS
Tennant T500 (04- 2017) 27
SCRUB HEAD GROUP, CYLINDRICAL 700MM / 28IN - CONT’D
Ref. Part No. Serial Number Description Qty.
11205799 (00001- )Screw, Btn, M5 X 0.8 X 16, 8.8, Nl, Torx 12
2 1218032 (00001- ) Cover, Skirt, 2cyl [T500] 2
3 1218573 (00001- ) Skirt, Side, Scrb, Cyl [T500] 2
4 1218012 (00001- ) Cover, Belt, 2 Cyl [T500] 2
5 1020341 (00001- ) Screw, Hex, M8 X 1.25 X 20, Ss, Sems 16
69015765 (00001- )Belt Replacement Kit (Cylindrical) 1
Y7 1213132 (00001- ) Tool, Installation, Belt 1
8 9018012 (00001- ) Bracket Assy, Motor, Ci
(Also Includes Bearings Not Available Separately) 2
Y9 1035173 (00001- ) Sheave, 06grv, 2.96pd 0.59b, Alm [Pj] 1
Y10 1020341 (00001- ) Screw, Hex, M8 X 1.25 X 20, Ss, Sems 2
Y11 1021050 (00001- )Shaft, Drive, 15.0d X 65.5l [T5, 1610] 1
Y12 00961 (00001- )Key, Sq, 0.19 X 0.19, 0.50l 1
Y13 00911 (00001- )Key, Sq, 0.19 X 0.19, 0.75l 1
Y14 1002077 (00001- )Tube, 0.59id 0.81od 00.5l 1
Y15 378805 (00001- ) Plug, Drive, Brush, Mach 1
16 1033528 (00001- )Sheave, 06grv, 1.33pd 0.50b, Alm [Pj] 2
17 00954 (00001- ) Key, Sq, 0.12 X 0.12, 1.00l 2
18 1223429 (00001- ) Motor, Ele, 24vdc 1500rpm 0.60hp 2
Y1031775 (00001- )Brush Kit, Carbon, Motor, Replmt [T5] 1
19 1052895 (00001- )Harness, Adapter, Motor [T7/T5] 1
ASSEMBLY
YINCLUDED IN ASSEMBLY

STANDARD PARTS
Tennant T500 (01- 2017)
28
SCRUB HEAD GROUP, ORBITAL 700MM / 28IN
355425
1
2
3
4
5
6
7
8
9
10
5
8
11
8
11
8
11
12
13
14
15
16
7
17
18
19
20
21
22
7
23
24
23
25
7
26
27
28
8
8

STANDARD PARTS
Tennant T500 (04- 2017) 29
SCRUB HEAD GROUP, ORBITAL 700MM / 28IN
Ref. Part No. Serial Number Description Qty.
11219913 (00001- )Motor, Ele, 24vdc, 2200rpm, 0.75hp 28.0a 1
Y21059370 (00001- )Brush, Motor, Replmt [Bag Of 4) 1
Y3 1031681 (00001- ) Harness, Connector, Brush- Motor [T5] Us 1
41231238 (00001- ) Key, Sq, 5mm X 5mm X 22mm 1
51020341 (00001- )Screw, Hex, M8 X 1.25 X 20, Ss, Sems 6
61220910 (00001- )Bracket Wldt, Mtg, Head 1
71212543 (00001- )Isolator, Neoprene, 1.25” X 1.25”, M8 13
808713 (00001- )Nut, Hex, Lock, M8 X 1.25, Nl, Ss 1
91074344 (00001- )Harness, Ele [Ring With .250m Tail] 1
10 1210807 (00001- )Wire, Tie [W/.25” Fir Tree Clip] 1
11 01685 (00001- )Washer, Flat, 0.38b 0.88d .08, Ss 6
12 1014918AM (00001- )Wheel, 03.0d 0.88w 0.31b, W/ Bshg, Rbr 2
13 1221766 (00001- )Housing Wldt, Brush 1
14 1210221 (00001- )Washer, Wave, .515b, .875d, .013, Ss 2
15 01685 (00001- )Washer, Flat, 0.38b 0.88d .08, Ss 2
16 33401 (00001- )Screw, Hex, M8 X 1.25 X 50, Fl, Ss 2
17 1212807 (00001- )Fitting, Plstc, Str, Qm08/Bm08 1
18 607776 (00001- )Clamp, Hose, Wir, .73 - .77, Silver 1
19 1222903 (00001- )Manifold, Bar, Spray [28in] 1
20 140916 (00001- )Clamp, Cable, Nyl, 0.62d, Nat 5
21 01683 (00001- )Washer, Flat, 10, Ss 4
22 09739 (00001- )Nut, Hex, Lock, M5 X 0.80, Nl, Ss 4
23 1221850 (00001- )Spacer, Head 4
24 9015774 (00001- )Eccentric Drive Kit, Orbital 1
25 09163 (00001- )Screw, Flt, Soc, M6 X 1.00 X 16, 18- 8,Ss 4
26 9015416 (00001- )Driver Kit, Pad, Ci [T500]
(Includes Driver Plate, Driver Face, & Red Buffing Pad) 1
27 1212710 (00001- )Screw, Flt, Soc, M6 X 1.00 X 35, 10.9,Nl 6
28 74077 (00001- ) Screw, Flt, Soc, M8 X 1.25 X 25, Ss 4
ASSEMBLY
YINCLUDED IN ASSEMBLY

STANDARD PARTS
Tennant T500 (01- 2017)
30
RECOVERY TANK GROUP
1
2
3
4
56
5
7
8
9
10
11
12
13
14
15 4
4
14
16
17
4
4
17
4
4
10
18
355415

STANDARD PARTS
Tennant T500 (01- 2017) 31
RECOVERY TANK GROUP
Ref. Part No. Serial Number Description Qty.
19015751 (00001- )Kit, Cover, Recvy, Ci [Ce,T500] 1
Y29015756 (00001- )Seal, Cover, Recvy, Ci [T500] 1
31219333 (00001- )Support, Lid, Recvy Tank 1
41034731 (00001- )Screw, Hex, M6 X 1.00 X 16, Sems, Ss 12
51046631 (00001- )Knob, Rnd,19.4d 7.6l M6 X 20, Plstc, Pl 2
61223499 (00001- )Shield, Spray, Recvy Tank 1
711329 (00001- )Screw, Hex, M6 X 1.00 X 16, Nl, Ss 3
801684 (00001- )Washer, Flat, 0.27b 0.69d .05, Ss 3
91207368 (00001- )Mount, Vacfan, 5.7/6.6 1
10 1062016 (00001- )Isolator, Vib, .75d 3
11 1226905 (00001- )Fan, Vacuum, 6.6d, 024vdc, 2 Stage 1
Y1206774 (00001- )Vr, Brush Kit, Motor, Fan 1
12 1068577 (00001- )Muffler, Exhaust, Vacfan, 150mml [T2/T3] 1
13 100038 (00001- )Gasket, .50, 02.63id 05.75od, Adh [Epdm] 1
14 1217669 (00001- )Hinge Assy, 7.0 Pin, 11 Ga, 100l X 105w 2
15 9015757 (00001- )Seal, Tank, Recvy, Ci [T500/T500e] 1
16 9015760 (00001- )Kit, Tank, Recvy, Ci [T500] 1
17 1219334 (00001- ) Hinge, 4mm Pin, 2.0thk X 83.0mmw, 3 Leaf 2
18 1210807 (00001- ) Wire, Tie [W/.25” Fir Tree Clip] 1
ASSEMBLY
YINCLUDED IN ASSEMBLY

STANDARD PARTS
Tennant T500 (01- 2017)
32
RECOVERY TANK FILTER AND HOSE GROUP, CONTROL VALVE
355479
1
2
3
45
6
1
2
1
2
7
8
9
10
13
14
15
11
12

STANDARD PARTS
Tennant T500 (01- 2017) 33
RECOVERY TANK FILTER AND HOSE GROUP, CONTROL VALVE
Ref. Part No. Serial Number Description Qty.
111329 (00001- )Screw, Hex, M6 X 1.00 X 16, Nl, Ss 2
2 01684 (00001- ) Washer, Flat, 0.27b 0.69d .05, Ss 2
3 1011777 (00001- ) Mount, Float, Mold 1
4 630052 (00001- ) Float, Shut- Off, (2)Ball, 1.75d 1
5 1013628 (00001- ) Gasket, Mtg, Float, .125th, Neo, Adh 1
61207357 (00001- )Tray, Debris, Tank, Recvy [T300] 1
7 1219618 (00001- ) Tube, Hose, Adapter, 1.5d [T500] 1
8 1037106 (00001- ) Gasket, Adapter, Hose .13, Neo 1
99015726 (00001- )Hose Kit, Drain, Pu, W/ Valve, Ci[T500] (Gray) 1
Y10 1051986 (00001- )Valve, Ball, 2way, 1.0id Pvc, W/Handle 1
Y11 1225817 (00001- )Hose Assy, W/2cuff,1.5d 027l 2.0/1.5[Pu] (Gray) 1
Y12 11531 (00001- )Clamp, Hose, Wormdrive, 1.06- 2.00d, .56w 1
13 1224414 (00001- )Hose Assy, W/2cuff,1.5d 033l 1.5/1.5[Pu] (Gray) 1
14 11531 (00001- ) Clamp, Hose, Wormdrive, 1.06- 2.00d, .56w 1
15 22297 (00001- )Clamp, Hose, Wormdrive, 1.56- 2.50d, .50w 1
ASSEMBLY
YINCLUDED IN ASSEMBLY

STANDARD PARTS
Tennant T500 (01- 2017)
34
SOLUTION TANK GROUP
355414
1
2
3
3
4
5
6
78
9
10
3
3
11
11
3
12
3
13
14
3
3
15
16 17
18
3
21
20
19
22
23
24
3
25
11
20
19
26

STANDARD PARTS
Tennant T500 (01- 2017) 35
SOLUTION TANK GROUP
Ref. Part No. Serial Number Description Qty.
11217505 (00001- )Tank, Soltn, Rm- Tl Trmmd [Rhine] 1
2 1218444 (00001- ) Tray, Accssry, Rh, [Rhine] 1
3 1034731 (00001- ) Screw, Hex, M6 X 1.00 X 16, Sems, Ss 16
4 1018155 (00001- ) Screw, Pan, Phl, M5 X 0.80 X 16, Tcut,Ss 1
5 1012965 (00001- ) Cap, Port, Soltn Fill 1
61225412 (00001- )Cover, Standard- Fill 1
7 1220263 (00001- ) Seal, Bulk Head, Water 1
89015728 (00001- )Hose Kit, Drain, Soln, Ci [T500/T500e] 1
91218443 (00001- )Tray, Accssry, Lh, [Rhine] 1
10 11399 (00001- )Clamp, Hose, Wormdrive, 0.81- 1.50d, .50w 1
11 1210807 (00001- )Wire, Tie [W/.25” Fir Tree Clip] 4
12 140300 (00001- )Clamp, Cable, Stl, 0.50d [Insulated] 1
13 9015758 (00001- )Seal, Tank, Soltn, Ci [T500/T500e] 1
14 1221012 (00001- )Bracket Wldt, Actuator 1
15 140154 (00001- )Sleeve, P/M, 0.25b 0.38d 0.3l, Pl 1
16 01684 (00001- )Washer, Flat, 0.27b 0.69d .05, Ss 1
17 11329 (00001- )Screw, Hex, M6 X 1.00 X 16, Nl, Ss 1
18 1221803 (00001- )Cable, Glv .13d 10.5l .38eye /.38eye 1
19 1018155 (00001- )Screw, Pan, Phl, M5 X 0.80 X 16, Tcut,Ss 3
20 07514 (00001- )Washer, Lock, Int, 10, Ss 3
21 621443 (00001- )Chain, Ball, 10, 0157mml, Ss 1
22 1219917 (00001- )Screen, Fltr, 2.0 X 8.7 1
23 9015758 (00001- )Seal, Tank, Soltn, Ci [T500/T500e] 1
24 9015788 (00001- )Kit, Cover, Fill [T500/T500e Ce] 1
24 9015789 (00001- )Kit, Cover, Fill [T500/T500e Ce][Ech2o] 1
25 1020341 (00001- )Screw, Hex, M8 X 1.25 X 20, Ss, Sems 2
26 1229734 (00001- )Seal, Neo, 0.88, 1.00w 3.6l Adh 1

STANDARD PARTS
Tennant T500 (01- 2017)
36
STANDARD ELECTRICAL GROUP
355442
1
2
3
4
5
4
6
6
7
8
9
10
11
4
12
13
14
15
16
5
17
18
19
20
21
22
21
23
24
19
20
21
22
25
26
27
28
11
29
30
11
12
4
31
32
33
34
35
3

STANDARD PARTS
Tennant T500 (01- 2017) 37
STANDARD ELECTRICAL GROUP
Ref. Part No. Serial Number Description Qty.
11218761 (00001- )Bracket, Mtg [Circuitbreakers- T500] 1
2 1208816 (00001- ) Circuitbreaker, 04.0a, Resetable 1
3 1064191 (00001- ) Boot, Circuitbreaker 2
4 1034731 (00001- ) Screw, Hex, M6 X 1.00 X 16, Sems, Ss 5
5 1205799 (00001- ) Screw, Btn, M5 X 0.8 X 16, 8.8, Nl, Torx 9
6383729 (00001- )Circuitbreaker, 60.0a 1
7 07514 (00001- ) Washer, Lock, Int, 10, Ss 1
8 01683 (00001- ) Washer, Flat, 10, Ss 1
9 09739 (00001- ) Nut, Hex, Lock, M5 X 0.80, Nl, Ss 1
10 1228510 (00001- )Relay, 24vdc, 80a, Spst No, Plug- In 1
11 1210807 (00001- )Wire, Tie [W/.25” Fir Tree Clip] 4
12 41140 (00001- )Washer, Lock, Int- Ext, 0.25 2
13 1223824 (00001- )Bracket Wldt, Mtg, Cntrl, [T300/T300e] 1
14 9015776 (00001- )Drive Module Kit, Ci 1
15 02938 (00001- )Washer, Lock, Int, 08, Ss 2
16 33931 (00001- )Screw, Pan, Phl, M4 X 0.70 X 30, Ss 2
17 9015784 (00001- )Kit, Control Board, Ci [T500] 1
Y27964 (00001- )Strap, Ground, Static, Disposable 1
Y1071235 (00001- )Cable [Usb, 2m, A- Male To Mini- B- Male] 1
18 1220930 (00001- )Circuitboard, Silpad [T500, Main Scrub] 1
19 1209448 (00001- )Standoff, Circuitboard, .25 1
20 41361 (00001- ) Nut, Hex, Std, M8 X 1.25, Brs 6
21 1209373 (00001- ) Washer, Flat, M8.4b X 16d X 1.6, Brs 3
22 43952 (00001- ) Washer, Lock, Int, 0.31, Ss 5
23 607461 (00001- ) Screw, Set, M8 X 1.25 X 35, Nl 3
24 1205345 (00001- )Stand- Off, Wir, M8, Insulator, Panel 2
25 1212780 (00001- ) Busbar, 125a 0.188 0.750w 2.638l 2
26 1061910 (00001- ) Nut, Hex, Std, M6 X 1.00, Brs 1
27 1061918 (00001- ) Washer, Flat, 0.25b 0.47d .06, Brs 1
28 07515 (00001- ) Washer, Lock, Int, 0.25, Ss 1
29 1219045 (00001- )Gasket, Cover, Circuitboard 1
30 1222617 (00001- ) Heatsink, Mtg, Circuitboard, Machined 1
31 1020174 (00001- )Molding, Afmkt, Trim, Pvc, .08 .11, 03ft 1
32 01685 (00001- ) Washer, Flat, 0.38b 0.88d .08, Ss 2
33 32984 (00001- ) Washer, Lock, Int, 0.31 2
34 386868 (00001- ) Screw, Hex, M8 X 1.25 X 12, Ss 2
35 1064187 (00001- )Circuitbreaker, 10.0a, Resetable 1
ASSEMBLY
YINCLUDED IN ASSEMBLY

STANDARD PARTS
Tennant T500 (01- 2017)
38
FRAME AND DRIVE GROUP, DISK AND CYLINDRICAL
355419
1
2
3
21
2
65
4
2
2
3
2
78
2
2
9
9
3
5
4
10
11
12
2
2
13
14
15
2
16
17
18
19
20
20
2
16
13
5
4
14
15
3

STANDARD PARTS
Tennant T500 (01- 2017) 39
FRAME AND DRIVE GROUP, DISK AND CYLINDRICAL
Ref. Part No. Serial Number Description Qty.
11219118 (00001- )Frame Wldt, Front [T500] 1
2 1020341 (00001- ) Screw, Hex, M8 X 1.25 X 20, Ss, Sems 13
3 1210807 (00001- ) Wire, Tie [W/.25” Fir Tree Clip] 6
4 01685 (00001- ) Washer, Flat, 0.38b 0.88d .08, Ss 9
5 08713 (00001- ) Nut, Hex, Lock, M8 X 1.25, Nl, Ss 9
671579 (00001- )Strap, Static, W/Grommet, .19 1.1w 25.0l 1
7 1219137 (00001- ) Frame Wldt, Rear [T500] 1
8 1020168 (00001- ) Molding, Afmkt, Trim, Pvc, .08 .11, 01ft 1
9 1212422 (00001- ) Caster, Swivel [Wicke 224051] 2
10 995585 (00001- )Plate, Thread, Switch 1
11 1215716 (00001- )Switch, 0.1a, Spdt[Micro, Gold Contacts] 1
12 33933 (00001- ) Screw, Pan, Phl, M3 X 0.50 X 25, Ss 2
13 07788 (00001- ) Nut, Hex, Std, M12 X 1.75, Ss 2
14 140027 (00001- ) Washer, Flat, 0.35b 0.75d .04, Ss 2
15 1223583 (00001- )Wheel, Scrbr, 213mm, W/ Taper 2
16 606001 (00001- )Bracket, Mtg, Transaxle, Pl [1510, T5] 2
17 1228691 (00001- )Transaxle, Ele, 24vdc, 138 Rpm [Asi, 4] 1
Y612874 (00001- ) Coupling, Transaxle, Replmt 1
Y612880 (00001- ) Joint, Transaxle, Replmt 1
Y18 1031723 (00001- ) Motor, Transaxle, 24vdc, Afmkt [T5] 1
YY 19 614166 (00001- )Brush Kit, Carbon, Transaxle, Replmt [4] 1
Y20 1021167 (00001- ) Key, Woodruff, 5mm 2
21 39890 (00001- ) Washer, Flat, M8, Fendr 1
ASSEMBLY
YINCLUDED IN ASSEMBLY

STANDARD PARTS
Tennant T500 (01- 2017)
40
FRAME AND DRIVE GROUP, ORBITAL
355419
1
2
3
21
2
65
4
2
2
3
2
78
2
2
9
9
3
5
4
10
11
12
2
2
13
14
15
2
16
17
18
19
20
20
2
16
13
5
4
14
15
3

STANDARD PARTS
Tennant T500 (01- 2017) 41
FRAME AND DRIVE GROUP, ORBITAL
Ref. Part No. Serial Number Description Qty.
11219118 (00001- )Frame Wldt, Front [T500] 1
2 1020341 (00001- ) Screw, Hex, M8 X 1.25 X 20, Ss, Sems 13
3 1210807 (00001- ) Wire, Tie [W/.25” Fir Tree Clip] 6
4 01685 (00001- ) Washer, Flat, 0.38b 0.88d .08, Ss 9
5 08713 (00001- ) Nut, Hex, Lock, M8 X 1.25, Nl, Ss 9
671579 (00001- )Strap, Static, W/Grommet, .19 1.1w 25.0l 1
7 1219137 (00001- ) Frame Wldt, Rear [T500] 1
8 1020168 (00001- ) Molding, Afmkt, Trim, Pvc, .08 .11, 01ft 1
9 1212422 (00001- ) Caster, Swivel [Wicke 224051] 2
10 995585 (00001- )Plate, Thread, Switch 1
11 1215716 (00001- )Switch, 0.1a, Spdt[Micro, Gold Contacts] 1
12 33933 (00001- ) Screw, Pan, Phl, M3 X 0.50 X 25, Ss 2
13 07788 (00001- ) Nut, Hex, Std, M12 X 1.75, Ss 2
14 140027 (00001- ) Washer, Flat, 0.35b 0.75d .04, Ss 2
15 1223583 (00001- )Wheel, Scrbr, 213mm, W/ Taper 2
16 606001 (00001- )Bracket, Mtg, Transaxle, Pl [1510, T5] 2
17 1220970 (00001- )Transaxle, Ele, 24vdc, 107rpm [Asi, 4] 1
Y612874 (00001- ) Coupling, Transaxle, Replmt 1
Y612880 (00001- ) Joint, Transaxle, Replmt 1
Y18 1031723 (00001- ) Motor, Transaxle, 24vdc, Afmkt [T5] 1
YY 19 614166 (00001- )Brush Kit, Carbon, Transaxle, Replmt [4] 1
Y20 1021167 (00001- ) Key, Woodruff, 5mm 2
21 39890 (00001- ) Washer, Flat, M8, Fendr 1
ASSEMBLY
YINCLUDED IN ASSEMBLY

STANDARD PARTS
Tennant T500 (01- 2017)
42
HEAD LIFT GROUP, DISK
355428
1
2
3
4
5
6
8
7
10
11
12
13
14
15
16
17
18
19
20
21
22
23
22
23
17
18
24
25 26
29
30
31
32
33
34
35
27
36
26 29
30
21
27
28
9
38
37
28
27
39
40 41
39
40

STANDARD PARTS
Tennant T500 (01- 2017) 43
HEAD LIFT GROUP, DISK
Ref. Part No. Serial Number Description Qty.
1387431 (00001- )Screw, Hex, M8 X 1.25 X 130, Ss 2
2 32662 (00001- ) Washer, Flat, 0.38b 1.22d .06, Ss 2
3 45261 (00001- ) Spring, Cmpr, 0.97od .11wir 02.5l 2
4 1224334 (00001- ) Sleeve, P/M, 0.51b 0.63d 1.5l, Pl 2
5 1219491 (00001- ) Sleeve, 0.40id .50d 4.25l, Ss 2
632486 (00001- )Washer, Flat, 0.53b 1.06d .10, Stl, Pl 2
7 1221206 (00001- ) Actuator, 24vdc, 07.0strk, 0600lb 1
8130041 (00001- )Tie, Cable, Nyl, 11.5l .19w 5
91020341 (00001- )Screw, Hex, M8 X 1.25 X 20, Ss, Sems 4
10 140626 (00001- )Pin, Cotter, Hair, 0.25d .125 Wir 1
11 29558 (00001- )Pin, Clevis, 0.37d X 1.50l 1
12 1219912 (00001- )Bracket, Guide, Head[T500] 1
13 1220305 (00001- )Tube, Plstc, 0.51id 0.98od 02.8l 1
14 1221507 (00001- )Pivot Wldt, Head, Scrub [T500] 1
15 1210807 (00001- )Wire, Tie [W/.25” Fir Tree Clip] 2
16 1227530 (00001- )Screw, Leveler, M8x75 1
17 222363 (00001- )Spring, Extn, 1.23od 0.15wir 06.5l 2
18 606056 (00001- )Tube, 0.32id 0.62od 01.0l, Stl, Pl 2
19 01685 (00001- )Washer, Flat, 0.38b 0.88d .08, Ss 2
20 74440 (00001- )Screw, Hex, M8 X 1.25 X 40, Nl, Ss 2
21 222027 (00001- )Arm, Lift, Head 2
22 02942 (00001- )Pin, Hair, Cotter, 0.62d .120 Wir 2
23 222210 (00001- )Pin, Clevis, 0.62d X 2.12l 2
24 32662 (00001- )Washer, Flat, 0.38b 1.22d .06, Ss 2
25 63185 (00001- )Spring, Cmpr, 0.85od .09wir 02.0l 2
26 1034731 (00001- )Screw, Hex, M6 X 1.00 X 16, Sems, Ss 4
27 140626 (00001- )Pin, Cotter, Hair, 0.25d .125 Wir 3
28 374225 (00001- )Pin, Clevis, 0.50d X 3.75l 2
29 1225719 (00001- )Bracket, Pin Holder 2
30 01684 (00001- )Washer, Flat, 0.27b 0.69d .05, Ss 4
31 07785 (00001- )Nut, Hex, Std, M6 X 1.00, Ss 4
32 995585 (00001- )Plate, Thread, Switch 1
33 1224191 (00001- )Bracket, Spring, Suspension, Head 1
34 1215716 (00001- )Switch, 0.1a, Spdt[Micro, Gold Contacts] 1
35 33933 (00001- )Screw, Pan, Phl, M3 X 0.50 X 25, Ss 2
36 11211 (00001- )Pin, Clevis, 0.50d X 2.25l 1
37 01685 (00001- )Washer, Flat, 0.38b 0.88d .08, Ss 1
38 07786 (00001- )Nut, Hex, Std, M8 X 1.25, Ss 1
39 01685 (00001- )Washer, Flat, 0.38b 0.88d .08, Ss 4
40 08713 (00001- )Nut, Hex, Lock, M8 X 1.25, Nl, Ss 4
41 1222374 (00001- )Frame Wldt, Hardstop [T500] 1

STANDARD PARTS
Tennant T500 (01- 2017)
44
HEAD LIFT GROUP, CYLINDRICAL
355492
1
2
3
4
5
6
7
10
11
12
13
14
15
16
17
18
19
20
21
22
23
22
23
17
18
24
25 26
29
30
31
32
33
34
35
27
36
26 29
30
21
27
28
9
38
37
39
40
40
39
28
27 40
40
41
42
8
8

STANDARD PARTS
Tennant T500 (01- 2017) 45
HEAD LIFT GROUP, CYLINDRICAL
Ref. Part No. Serial Number Description Qty.
1387431 (00001- )Screw, Hex, M8 X 1.25 X 130, Ss 2
2 32662 (00001- ) Washer, Flat, 0.38b 1.22d .06, Ss 2
3 45261 (00001- ) Spring, Cmpr, 0.97od .11wir 02.5l 2
4 1224334 (00001- ) Sleeve, P/M, 0.51b 0.63d 1.5l, Pl 2
5 1219491 (00001- ) Sleeve, 0.40id .50d 4.25l, Ss 2
632486 (00001- )Washer, Flat, 0.53b 1.06d .10, Stl, Pl 2
7 1221206 (00001- ) Actuator, 24vdc, 07.0strk, 0600lb 1
8130041 (00001- )Tie, Cable, Nyl, 11.5l .19w 5
91020341 (00001- )Screw, Hex, M8 X 1.25 X 20, Ss, Sems 4
10 140626 (00001- )Pin, Cotter, Hair, 0.25d .125 Wir 1
11 29558 (00001- )Pin, Clevis, 0.37d X 1.50l 1
12 1219912 (00001- )Bracket, Guide, Head[T500] 1
13 1014020 (00001- )Roller, 0.99d 0.50b 0.95l, Acetal 1
14 1221507 (00001- )Pivot Wldt, Head, Scrub [T500] 1
15 1210807 (00001- )Wire, Tie [W/.25” Fir Tree Clip] 2
16 1227530 (00001- )Screw, Leveler, M8x75 1
17 222363 (00001- )Spring, Extn, 1.23od 0.15wir 06.5l 2
18 606056 (00001- )Tube, 0.32id 0.62od 01.0l, Stl, Pl 2
19 01685 (00001- )Washer, Flat, 0.38b 0.88d .08, Ss 2
20 74440 (00001- )Screw, Hex, M8 X 1.25 X 40, Nl, Ss 2
21 222027 (00001- )Arm, Lift, Head 2
22 02942 (00001- )Pin, Hair, Cotter, 0.62d .120 Wir 2
23 222210 (00001- )Pin, Clevis, 0.62d X 2.12l 2
24 32662 (00001- )Washer, Flat, 0.38b 1.22d .06, Ss 2
25 63185 (00001- )Spring, Cmpr, 0.85od .09wir 02.0l 2
26 1034731 (00001- )Screw, Hex, M6 X 1.00 X 16, Sems, Ss 4
27 140626 (00001- )Pin, Cotter, Hair, 0.25d .125 Wir 3
28 374225 (00001- )Pin, Clevis, 0.50d X 3.75l 2
29 1225719 (00001- )Bracket, Pin Holder 2
30 01684 (00001- )Washer, Flat, 0.27b 0.69d .05, Ss 4
31 07785 (00001- )Nut, Hex, Std, M6 X 1.00, Ss 4
32 995585 (00001- )Plate, Thread, Switch 1
33 1224191 (00001- )Bracket, Spring, Suspension, Head 1
34 1215716 (00001- )Switch, 0.1a, Spdt[Micro, Gold Contacts] 1
35 33933 (00001- )Screw, Pan, Phl, M3 X 0.50 X 25, Ss 2
36 11211 (00001- )Pin, Clevis, 0.50d X 2.25l 1
37 01685 (00001- )Washer, Flat, 0.38b 0.88d .08, Ss 1
38 07786 (00001- )Nut, Hex, Std, M8 X 1.25, Ss 1
39 607920 (00001- ) Spring, Cmpr, 0.70od .10wir 01.0l, Mw 2
40 140045 (00001- ) Washer, Flat, 0.51b 1.25d .06, Ss 4
41 01685 (00001- )Washer, Flat, 0.38b 0.88d .08, Ss 2
42 08713 (00001- )Nut, Hex, Lock, M8 X 1.25, Nl, Ss 2

STANDARD PARTS
Tennant T500 (01- 2017)
46
HEAD LIFT GROUP, ORBITAL
355429
1
2
3
4
5
36
10
11
12 13
14 13 15
16 15
13
14 13
12
17
15
13
14
13
12
18
18
19
20
7
89
21
22
23
24
25
24
25
24
25
26

STANDARD PARTS
Tennant T500 (01- 2017) 47
HEAD LIFT GROUP, ORBITAL
Ref. Part No. Serial Number Description Qty.
11221206 (00001- )Actuator, 24vdc, 07.0strk, 0600lb 1
2 29558 (00001- ) Pin, Clevis, 0.37d X 1.50l 1
3 140626 (00001- ) Pin, Cotter, Hair, 0.25d .125 Wir 1
4 1226754 (00001- ) Pin, Clevis, .50d X 7.00l 1
5 1226759 (00001- ) Spacer, .500 Id X .875 Od 1
61224233 (00001- )Pin, Guide, Spring, Head 2
7 1013936 (00001- ) Washer, Flat, 0.51b 0.94d .10, Nyl 1
8 1226640 (00001- ) Spring, Wave, .512 Id X .709 Od X .375 1
9 32486 (00001- ) Washer, Flat, 0.53b 1.06d .10, Stl, Pl 1
10 1225960 (00001- ) Washer, Thrust, 0.89b 1.50d 0.13w, Bnz 2
11 1227036 (00001- )Spring, Cmpr, 1.10od .085wir 03.0l 2
12 1059990 (00001- ) Sleeve, Flng, 0.32b 1.00/0.50d 0.6l, Ss 3
13 608562 (00001- ) Washer, Flat, 0.51b 0.94d .06, Nyl 6
14 630188 (00001- ) Bearing, Journal, .50id X .25l 3
15 01685 (00001- ) Washer, Flat, 0.38b 0.88d .08, Ss 3
16 74440 (00001- )Screw, Hex, M8 X 1.25 X 40, Nl, Ss 2
17 1016399 (00001- ) Screw, Hex, M8 X 1.25 X 30, Nl, Ss 1
18 1212543 (00001- ) Isolator, Neoprene, 1.25” X 1.25”, M8 2
19 1020341 (00001- ) Screw, Hex, M8 X 1.25 X 20, Ss, Sems 2
20 1224295 (00001- ) Brkt Wldt, Lift 1
21 01685 (00001- )Washer, Flat, 0.38b 0.88d .08, Ss 2
22 08713 (00001- ) Nut, Hex, Lock, M8 X 1.25, Nl, Ss 2
23 33933 (00001- ) Screw, Pan, Phl, M3 X 0.50 X 25, Ss 6
24 1215716 (00001- ) Switch, 0.1a, Spdt[Micro, Gold Contacts] 3
25 995585 (00001- )Plate, Thread, Switch 3
26 130041 (00001- )Tie, Cable, Nyl, 11.5l .19w 5

STANDARD PARTS
Tennant T500 (01- 2017)
48
SHROUD GROUP, DISK AND ORBITAL
355417
1
2
3
4
3
24
3
2
4
3
22
3
Ref. Part No. Serial Number Description Qty.
11219723 (00001- )Cover, Head, Disc [T500] 1
2 11329 (00001- ) Screw, Hex, M6 X 1.00 X 16, Nl, Ss 5
3 01684 (00001- ) Washer, Flat, 0.27b 0.69d .05, Ss 5
4 80491 (00001- ) Sleeve, P/M, 0.25b 0.38d 0.2l [430ss] 3

STANDARD PARTS
Tennant T500 (01- 2017) 49
SHROUD GROUP, CYLINDRICAL
355418
1
2
3
4
3
24
3
2
4
3
22
3
Ref. Part No. Serial Number Description Qty.
11219724 (00001- )Cover, Head, Cylrcl [T500] 1
2 11329 (00001- ) Screw, Hex, M6 X 1.00 X 16, Nl, Ss 5
3 01684 (00001- ) Washer, Flat, 0.27b 0.69d .05, Ss 5
4 80491 (00001- ) Sleeve, P/M, 0.25b 0.38d 0.2l [430ss] 3

STANDARD PARTS
Tennant T500 (01- 2017)
50
LOWER CONSOLE GROUP, ON- BOARD CHARGER
355506
12
345
6
7
9
9
10
11
12
13 8
15
16
17
18
8
14
8
8

STANDARD PARTS
Tennant T500 (01- 2017) 51
LOWER CONSOLE GROUP, ON- BOARD CHARGER
Ref. Part No. Serial Number Description Qty.
11203802 (00001- )Cover, Column, Cntrl 1
2 1011402 (00001- ) Switch, Key 1
Y3 1017696 (00001- ) Key Set, Replmt [F/ Keyswitch 1011402] 1
4 582150 (00001- ) Plug, Hole, Rt, 1.23 X 1.12, Nyl 2
5 1011735 (00001- ) Switch, Safety, Shutoff 1
61064038 (00001- )Gauge, Hourmeter, 05- 277 Volt, Ac / Dc 1
7 1205496 (00001- ) Hook, Cord 2
8 1043573 (00001- ) Screw, #10- 14 X 0.675, Spl[Shcs,Selftap] 9
9 130773 (00001- ) Tie, Cable, Nyl, 11.0l, .14w, 3.0 Max. D 3
10 1207290 (00001- ) Cover, Charger 1
11 611311 (00001- )Spring, Cmpr, 0.40od .05wir 00.5l, Pl,Mw 2
12 1024965 (00001- ) Bolt, Shld, 08mmd X 030mm, M06 X 1.0 2
13 1220856 (00001- ) Charger, 24vdc 25a 115- 240vac [On- Board] 1
Y14 605387 (00001- ) Connector, Anderson, 050a, Red [W/O Con] 1
15 1032849 (00001- )Cord, Power, Blk [4.5meter, Ce] 1
15 1032820 (00001- )Cord, Power, Blk [4.5meter, Uk] 1
16 1020341 (00001- ) Screw, Hex, M8 X 1.25 X 20, Ss, Sems 4
17 1211903 (00001- ) Frame, Column, Cntrl [Im] 1
18 378969 (00001- )Clamp, Cable, Stl, 0.56d X 0.38w, 1hole 1
ASSEMBLY
YINCLUDED IN ASSEMBLY

STANDARD PARTS
Tennant T500 (01- 2017)
52
LOWER CONSOLE GROUP, OFF- BOARD CHARGER
355507
1
2
345
6
7
8
9
10
11
12
13
14
15
12
16
17
18
19
14

STANDARD PARTS
Tennant T500 (01- 2017) 53
LOWER CONSOLE GROUP, OFF- BOARD CHARGER
Ref. Part No. Serial Number Description Qty.
11203802 (00001- )Cover, Column, Cntrl 1
2 1011402 (00001- ) Switch, Key 1
Y3 1017696 (00001- ) Key Set, Replmt [F/ Keyswitch 1011402] 1
4 582150 (00001- ) Plug, Hole, Rt, 1.23 X 1.12, Nyl 2
5 1011735 (00001- ) Switch, Safety, Shutoff 1
61064038 (00001- )Gauge, Hourmeter, 05- 277 Volt, Ac / Dc 1
7 1043573 (00001- ) Screw, #10- 14 X 0.675, Spl[Shcs,Selftap] 2
8 130773 (00001- ) Tie, Cable, Nyl, 11.0l, .14w, 3.0 Max. D 2
9995585 (00001- )Plate, Thread, Switch 1
10 1215716 (00001- ) Switch, 0.1a, Spdt[Micro, Gold Contacts] 1
11 1208599 (00001- )Bracket Assy, Plug, Charger 1
12 06922 (00001- ) Screw, Pan, Phl, M3 X 0.50 X 20, 4.8 4
13 1043573 (00001- ) Screw, #10- 14 X 0.675, Spl[Shcs,Selftap] 2
14 1020341 (00001- ) Screw, Hex, M8 X 1.25 X 20, Ss, Sems 4
15 1211903 (00001- ) Frame, Column, Cntrl [Im] 1
16 605387 (00001- )Connector, Anderson, 050a, Red [W/O Con] 1
17 1217495 (00001- ) Charger, 24vdc, 650w,85- 265vac [Off Brd] 1
Y18 605387 (00001- ) Connector, Anderson, 050a, Red [W/O Con] 1
19 1032849 (00001- )Cord, Power, Blk [4.5meter, Ce] 1
19 1032820 (00001- )Cord, Power, Blk [4.5meter, Uk] 1
ASSEMBLY
YINCLUDED IN ASSEMBLY

STANDARD PARTS
Tennant T500 (01- 2017)
54
CONSOLE HANDLE, PRO- MEMBRANE PANEL
355446
1
2
4
5
6
7
8
9
10
11
12
13
14
15
16
17
6
18
19
6
20
3

STANDARD PARTS
Tennant T500 (01- 2017) 55
CONSOLE HANDLE, PRO- MEMBRANE PANEL
Ref. Part No. Serial Number Description Qty.
19015778 (00001- )Bezel Kit, Membrane [T500] 1
Y29015779 (00001- )Screen Kit [T500] 1
YY 31205618 (00001- )Cap, Usb 1
Y41071235 (00001- )Cable [Usb, 2m, A- Male To Mini- B- Male] 1
51205323 (00001- )Switch, 0.1a, Spdt [Micro, Straight] 1
61043573 (00001- )Screw, #10- 14 X 0.675, Spl[Shcs,Selftap] 15
71206586 (00001- )Dial, Range, Speed 1
81204930 (00001- )Potentiometer [100k, 1 Turn, B5/B7] 1
91209730 (00001- )Cap, Toggle, Direction 1
10 1209673 (00001- )Switch Assy, Toggle, Direction 1
11 1203787 (00001- )Housing, Handle, Cntrl, Top 2
12 1215863 (00001- )Screw, Pan, Torx, M8 X 3.5 X 25[Remform] 2
13 140027 (00001- )Washer, Flat, 0.35b 0.75d .04, Ss 2
14 1205143 (00001- )Shaft Assy, Bail, Handle 1
15 1020280 (00001- )Seal, Afmkt, Rbr, Clsd, Adh, 01ft 1
16 1205781 (00001- )Spring, Return, Bail 1
17 1222608 (00001- )Housing, Handle, Cntrl, Bottom, Slotted 1
18 1205778 (00001- )Handle, Bail [Machined] 1
19 1205799 (00001- )Screw, Btn, M5 X 0.8 X 16, 8.8, Nl, Torx 2
20 9015305 (00001- )Cover Kit, Handle, Cntrl 1
ASSEMBLY
YINCLUDED IN ASSEMBLY

STANDARD PARTS
Tennant T500 (01- 2017)
56
CONSOLE HANDLE, PRO- PANEL LCD
355447
1
2
3
4
5
6
7
8
9
10
11
12
13
14
15
16
5
17
18
5
19

STANDARD PARTS
Tennant T500 (01- 2017) 57
CONSOLE HANDLE, PRO- PANEL LCD
Ref. Part No. Serial Number Description Qty.
19014135 (00001- )Bezel Kit, Propel, Lcd Pro- Panl,Ci[T300] 1
Y21205618 (00001- )Cap, Usb 1
Y31071235 (00001- )Cable [Usb, 2m, A- Male To Mini- B- Male] 1
41205323 (00001- )Switch, 0.1a, Spdt [Micro, Straight] 1
51043573 (00001- )Screw, #10- 14 X 0.675, Spl[Shcs,Selftap] 15
61206586 (00001- )Dial, Range, Speed 1
71204930 (00001- )Potentiometer [100k, 1 Turn, B5/B7] 1
81209730 (00001- )Cap, Toggle, Direction 1
91209673 (00001- )Switch Assy, Toggle, Direction 1
10 1203787 (00001- )Housing, Handle, Cntrl, Top 2
11 1215863 (00001- )Screw, Pan, Torx, M8 X 3.5 X 25[Remform] 2
12 140027 (00001- )Washer, Flat, 0.35b 0.75d .04, Ss 2
13 1205143 (00001- )Shaft Assy, Bail, Handle 1
14 1020280 (00001- )Seal, Afmkt, Rbr, Clsd, Adh, 01ft 1
15 1205781 (00001- )Spring, Return, Bail 1
16 1222608 (00001- )Housing, Handle, Cntrl, Bottom, Slotted 1
17 1205778 (00001- )Handle, Bail [Machined] 1
18 1205799 (00001- )Screw, Btn, M5 X 0.8 X 16, 8.8, Nl, Torx 2
19 9015305 (00001- )Cover Kit, Handle, Cntrl 1
ASSEMBLY
YINCLUDED IN ASSEMBLY

STANDARD PARTS
Tennant T500 (01- 2017)
58
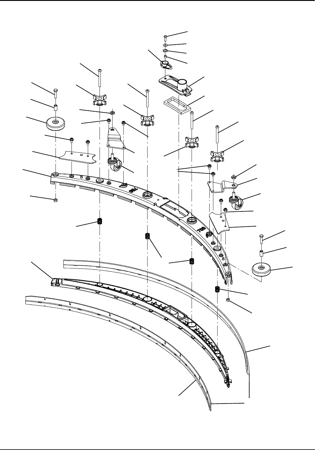
SQUEEGEE LIFT GROUP
355441
1
2
3
4
5
6
7
8
9
10
11
12
3
9
9
13
14
15
11
12
3
16

STANDARD PARTS
Tennant T500 (01- 2017) 59
SQUEEGEE LIFT GROUP
Ref. Part No. Serial Number Description Qty.
11020341 (00001- )Screw, Hex, M8 X 1.25 X 20, Ss, Sems 2
2 1221959 (00001- ) Bracket, Wldt, Lift, Sqge [T500] 1
3 1216647 (00001- ) Pin, Cotter, Hair, 0.38d .054 Wir 3
4391179 (00001- )Pin, Clevis, 0.37d X 2.62l 1
51230368 (00001- )Guide, Spring 1
61225960 (00001- )Washer, Thrust, 0.89b 1.50d 0.13w, Bnz 1
71228773 (00001- )Spring, Cmpr, 1.25od, .625id, 2.0l 1
812309 (00001- )Screw, Hex, M12 X 1.75 X 30, Ss 2
9140045 (00001- )Washer, Flat, 0.51b 1.25d .06, Ss 5
10 1219466 (00001- )Bracket, Pivot, Sqge [T500] 1
11 1013662 (00001- )Bushing, Sleeve, 12mmb 16mmd 7mml,Pm Yel 2
12 57598 (00001- )Pin, Clevis, 0.37d X 3.25l 2
13 1212533 (00001- )Cover, Pedal, Lift 1
14 1220505 (00001- )Bracket Wldt, Mtg, Sqge [T500] 1
15 09741 (00001- )Nut, Hex, Lock, M12 X 1.75, Nl, Ss 2
16 140127 (00001- )Washer, Thrust, 0.51b 1.00d 0.12w, Brz 1

STANDARD PARTS
Tennant T500 (01- 2017)
60
SQUEEGEE ASSEMBLY, 500MM / 20IN
355437
1
2
3
4
5
3
6
7
8
9
10
11
12
13
13
8
2
14
12
6
10
9
11
14
3
3
5
2
4
8
2
7
8
15
16
17
18
19
20
21

STANDARD PARTS
Tennant T500 (01- 2017) 61
SQUEEGEE ASSEMBLY, 500MM / 20IN
Ref. Part No. Serial Number Description Qty.
9014172 (00001- )Squeegee Kit, Linatex, Ci [T300/E/Ss300] 1
Y1 1215681 (00001- ) Frame, Sqge, 50cm, Mach [T300] 1
Y2 07786 (00001- ) Nut, Hex, Std, M8 X 1.25, Ss 2
Y3 140027 (00001- ) Washer, Flat, 0.35b 0.75d .04, Ss 4
Y4 222460 (00001- ) Sleeve, P/M, 0.32b 0.50d 0.5l [430ss] 2
Y51010560 (00001- )Wheel, Bmpr, 80d X 25w, Non- Marking 2
Y6 1016399 (00001- ) Screw, Hex, M8 X 1.25 X 30, Nl, Ss 2
Y7 1212755 (00001- ) Screw, Btn, M8 X 1.25 X 80, Ss 2
Y8 1213677 (00001- ) Knob, Star, 2.00od 4ear M8x1.25 [Yel] 4
Y9 17461 (00001- ) Pin, Clevis, 0.37d X 1.75l 2
Y10 1216647 (00001- )Pin, Cotter, Hair, 0.38d .054 Wir 2
Y11 1017091 (00001- ) Spring, Cmpr, 0.50od .04wir 00.8l 2
Y12 22290 (00001- ) Spring, Cmpr, 0.72od .06wir 02.3l 2
Y13 09026 (00001- ) Screw, Hex, M8 X 1.25 X 40, Ss 2
Y14 630477 (00001- ) Wheel, Pyu, 02.0d 0.38w, Gray 2
Y15 1212683 (00001- )Screw, Captive, M5, Knurled [Snap In] 1
Y16 1209631 (00001- ) Cover, Trap, Water, Sqge 1
Y17 1210756 (00001- ) Gasket, Trap, Water, Sqge 1
Y18 9015731 (00001- )Blade Kit, 500mm, Linatex (Standard) 1
YY 19 1203953 (00001- )Blade, Sqge, Rear, 836l, Linatex[500mm] (Standard) 1
YY 20 1203954 (00001- )Blade, Sqge, Front, 788l, Linatex[500mm] (Standard) 1
Y21 1203638 (00001- )Retainer, Sqge [T300] 1
18 9015732 (00001- )Blade Kit, 500mm, Urethane (Option) 1
Y19 1215609 (00001- )Blade, Sqge, Rear, 836l, Urethane[500mm] (Option) 1
Y20 1215611 (00001- )Blade, Sqge, Front, 788l, Urethane[500mm (Option) 1
18 9015730 (00001- )Blade Kit, 500mm, Gum (Option) 1
Y19 1215610 (00001- )Blade, Sqge, Rear, 836l, Gum[500mm] (Option) 1
Y20 1215612 (00001- ) Blade, Sqge, Front, 788l, Gum[500mm] (Option) 1
ASSEMBLY
YINCLUDED IN ASSEMBLY

STANDARD PARTS
Tennant T500 (01- 2017)
62
SQUEEGEE ASSEMBLY, 650MM / 26IN
355438
1
2
3
4
5
6
7
8
9
10
11
12
6
7
8
8
5
6
6
7
10
9
13
12
14
15
16
17
18
19
20
21
22
23
2
3
4
10
24
10
25
10
25

STANDARD PARTS
Tennant T500 (04- 2017) 63
SQUEEGEE ASSEMBLY, 650MM / 26IN
Ref. Part No. Serial Number Description Qty.
9015301 (00001- )Squeegee Kit, 650mm, Ci 1
Y11221259 (00001- )Frame, Sqge, 65cm, Mach [T500] 1
Y259658 (00001- )Screw, Hex, M8 X 1.25 X 35, Nl, Ss 2
Y3222496 (00001- )Sleeve, P/M, 0.32b 0.50d 0.9l [430ss] 2
Y4222066 (00001- )Wheel, 03.0d 0.88w 0.50b 2
Y507786 (00001- )Nut, Hex, Std, M8 X 1.25, Ss 2
Y61212755 (00001- ) Screw, Btn, M8 X 1.25 X 80, Ss 4
Y71230581 (00001- )Knob, Star, 2.75d 4ear, M8x1.25 Fem 4
Y822290 (00001- )Spring, Cmpr, 0.72od .06wir 02.3l 4
Y932716 (00001- )Nut, Hex, Jam, M10 X 1.5, Ss 2
Y10 1034731 (00001- )Screw, Hex, M6 X 1.00 X 16, Sems, Ss 8
Y11 1222236 (00001- )Bracket Wldt, Caster, Rh Sqge[T500] 1
Y12 1006343 (00001- )Caster, Swivel, 50mmd, M10 X 30, Clr Pl 2
Y13 1222001 (00001- )Bracket Wldt, Caster, Lh Sqge [T500] 1
Y14 12277 (00001- )Screw, Hex, M6 X 1.00 X 20, Nl, Ss 1
Y15 01684 (00001- )Washer, Flat, 0.27b 0.69d .05, Ss 1
Y16 140060 (00001- )Washer, Wave- Spring, .505 .750 .045 1
Y17 140154 (00001- )Sleeve, P/M, 0.25b 0.38d 0.3l, Pl 1
Y18 1222109 (00001- )Knob, Sqge, 58l, M6 X 1.00, Plstc 1
Y19 1209631 (00001- )Cover, Trap, Water, Sqge 1
Y20 1210756 (00001- )Gasket, Trap, Water, Sqge 1
Y21 9015734 (00001- )Blade Kit, 650mm, Linatex (Standard) 1
YY 22 1221585 (00001- )Blade, Sqge, Rear, 1166l, Linatex[650mm] (Standard) 1
YY 23 1232680 (00001- )Blade, Sqge, Front, 1072l Linard[650mm] (Standard) 1
Y24 1221260 (00001- )Retainer, Sqge, 65cm [T500] 1
Y25 1230738 (00001- )Bracket, Sqge Bumper 2
21 9015735 (00001- )Blade Kit, 650mm, Urethane (Option) 1
Y22 1228909 (00001- )Blade, Sqge, Rear, 1136l,Urethane[650mm] (Option) 1
Y23 1228915 (00001- )Blade, Sqge, Front,1072l,Urethane[650mm] (Option) 1
21 9015733 (00001- )Blade Kit, 650mm, Gum (Option) 1
Y22 1228910 (00001- )Blade, Sqge, Rear, 1136l, Gum[650mm] (Option) 1
Y23 1228919 (00001- )Blade, Sqge, Front, 1072l Gum[650mm] (Option) 1
ASSEMBLY
YINCLUDED IN ASSEMBLY

STANDARD PARTS
Tennant T500 (01- 2017)
64
SQUEEGEE ASSEMBLY, 700MM / 28IN
355439
1
2
3
4
5
6
7
8
9
10
11
12
6
7
8
8
5
7
6
6
7
10
9
13
12
14
15
16
17
18
19
20
22
21
23
2
3
4
10
24
10
25
10
25

STANDARD PARTS
Tennant T500 (04- 2017) 65
SQUEEGEE ASSEMBLY, 700MM / 28IN
Ref. Part No. Serial Number Description Qty.
9015302 (00001- )Squeegee Kit, 700mm, Ci 1
Y11220309 (00001- )Frame, Sqge, 70cm, Mach [T500] 1
Y259658 (00001- )Screw, Hex, M8 X 1.25 X 35, Nl, Ss 2
Y3222496 (00001- )Sleeve, P/M, 0.32b 0.50d 0.9l [430ss] 2
Y4222066 (00001- )Wheel, 03.0d 0.88w 0.50b 2
Y507786 (00001- )Nut, Hex, Std, M8 X 1.25, Ss 2
Y61212755 (00001- ) Screw, Btn, M8 X 1.25 X 80, Ss 4
Y71230581 (00001- )Knob, Star, 2.75d 4ear, M8x1.25 Fem 4
Y822290 (00001- )Spring, Cmpr, 0.72od .06wir 02.3l 4
Y932716 (00001- )Nut, Hex, Jam, M10 X 1.5, Ss 2
Y10 1034731 (00001- )Screw, Hex, M6 X 1.00 X 16, Sems, Ss 8
Y11 1222236 (00001- )Bracket Wldt, Caster, Rh Sqge[T500] 1
Y12 1006343 (00001- )Caster, Swivel, 50mmd, M10 X 30, Clr Pl 2
Y13 1222001 (00001- )Bracket Wldt, Caster, Lh Sqge [T500] 1
Y14 12277 (00001- )Screw, Hex, M6 X 1.00 X 20, Nl, Ss 1
Y15 01684 (00001- )Washer, Flat, 0.27b 0.69d .05, Ss 1
Y16 140060 (00001- )Washer, Wave- Spring, .505 .750 .045 1
Y17 140154 (00001- )Sleeve, P/M, 0.25b 0.38d 0.3l, Pl 1
Y18 1222109 (00001- )Knob, Sqge, 58l, M6 X 1.00, Plstc 1
Y19 1209631 (00001- )Cover, Trap, Water, Sqge 1
Y20 1210756 (00001- )Gasket, Trap, Water, Sqge 1
Y21 9015737 (00001- )Blade Kit, 700mm, Linatex (Standard) 1
YY 22 1221572 (00001- )Blade, Sqge, Rear, 1204l, Linatex[700mm] (Standard) 1
YY 23 1232679 (00001- )Blade, Sqge, Front, 1148l Linard[700mm] (Standard) 1
Y24 1220783 (00001- )Retainer, Sqge, 70cm [T500] 1
Y25 1230738 (00001- )Bracket, Sqge Bumper 2
21 9015738 (00001- )Blade Kit, 700mm, Urethane (Option) 1
Y22 1228904 (00001- )Blade, Sqge, Rear, 1204l,Urethane[700mm] (Option) 1
Y23 1228906 (00001- )Blade, Sqge, Front,1148l Urethane[700mm] (Option) 1
21 9015736 (00001- )Blade Kit, 700mm, Gum (Option) 1
Y22 1228905 (00001- )Blade, Sqge, Rear, 1204l, Gum[700mm] (Option) 1
Y23 1228907 (00001- )Blade, Sqge, Front, 1148l Gum[700mm] (Option) 1
ASSEMBLY
YINCLUDED IN ASSEMBLY

STANDARD PARTS
Tennant T500 (01- 2017)
66
SQUEEGEE ASSEMBLY, 800MM / 32IN
355440
1
2
3
4
5
6
7
8
9
10
11
12
6
7
8
8
5
7
6
6
7
10
9
13
12
14
15
16
17
18
19
20
22
21
23
2
3
4
10
24
25
10
25
10

STANDARD PARTS
Tennant T500 (04- 2017) 67
SQUEEGEE ASSEMBLY, 800MM / 32IN
Ref. Part No. Serial Number Description Qty.
9015303 (00001- )Squeegee Kit, 800mm, Ci 1
Y11219894 (00001- )Frame, Sqge, 80cm, Mach [T500] 1
Y259658 (00001- )Screw, Hex, M8 X 1.25 X 35, Nl, Ss 2
Y3222496 (00001- )Sleeve, P/M, 0.32b 0.50d 0.9l [430ss] 2
Y4222066 (00001- )Wheel, 03.0d 0.88w 0.50b 2
Y507786 (00001- )Nut, Hex, Std, M8 X 1.25, Ss 2
Y61212755 (00001- ) Screw, Btn, M8 X 1.25 X 80, Ss 4
Y71230581 (00001- )Knob, Star, 2.75d 4ear, M8x1.25 Fem 4
Y822290 (00001- )Spring, Cmpr, 0.72od .06wir 02.3l 4
Y932716 (00001- )Nut, Hex, Jam, M10 X 1.5, Ss 2
Y10 1034731 (00001- )Screw, Hex, M6 X 1.00 X 16, Sems, Ss 8
Y11 1222236 (00001- )Bracket Wldt, Caster, Rh Sqge[T500] 1
Y12 1006343 (00001- )Caster, Swivel, 50mmd, M10 X 30, Clr Pl 2
Y13 1222001 (00001- )Bracket Wldt, Caster, Lh Sqge [T500] 1
Y14 12277 (00001- )Screw, Hex, M6 X 1.00 X 20, Nl, Ss 1
Y15 01684 (00001- )Washer, Flat, 0.27b 0.69d .05, Ss 1
Y16 140060 (00001- )Washer, Wave- Spring, .505 .750 .045 1
Y17 140154 (00001- )Sleeve, P/M, 0.25b 0.38d 0.3l, Pl 1
Y18 1222109 (00001- )Knob, Sqge, 58l, M6 X 1.00, Plstc 1
Y19 1209631 (00001- )Cover, Trap, Water, Sqge 1
Y20 1210756 (00001- )Gasket, Trap, Water, Sqge 1
Y21 9015740 (00001- )Blade Kit, 800mm, Linatex (Standard) 1
YY 22 1221115 (00001- )Blade, Sqge, Rear, 1306l, Linatex[800mm] (Standard) 1
YY 23 1232681 (00001- )Blade, Sqge, Front, 1256l Linard[800mm] (Standard) 1
Y24 1219405 (00001- )Retainer, Sqge, 80cm [T500] 1
Y25 1230738 (00001- )Bracket, Sqge Bumper 2
21 9015741 (00001- )Blade Kit, 800mm, Urethane (Option) 1
Y22 1228920 (00001- )Blade, Sqge, Rear, 1306l,Urethane[800mm] (Option) 1
Y23 1228922 (00001- )Blade, Sqge, Front,1256l Urethane[800mm] (Option) 1
21 9015739 (00001- )Blade Kit, 800mm, Gum (Option) 1
Y22 1228921 (00001- )Blade, Sqge, Rear, 1306l, Gum[800mm] (Option) 1
Y23 1228923 (00001- )Blade, Sqge, Front, 1256l Gum[800mm] (Option) 1
ASSEMBLY
YINCLUDED IN ASSEMBLY

STANDARD PARTS
Tennant T500 (01- 2017)
68
STANDARD SOLUTION GROUP
355435
1
2
2
3
45
6
2
7
89
10
2
5
FRONT
TO SCRUB
HEAD

STANDARD PARTS
Tennant T500 (01- 2017) 69
STANDARD SOLUTION GROUP
Ref. Part No. Serial Number Description Qty.
11211424 (00001- )Valve, Water, Solenoid, 24vdc Qf08/Qf08 1
2 1212809 (00001- ) Fitting, Plstc, E90, Qf08/Qm08 4
3 1205799 (00001- ) Screw, Btn, M5 X 0.8 X 16, 8.8, Nl, Torx 2
4 1212859 (00001- ) Fitting, Plstc, Str, Qf08/Qf08 1
5 9014145 (00001- ) Hose, Afmkt, Pe, .375id .50od, 05ft 1
61227552 (00001- )Fitting, Plstc, Str, Qm08/Pm06 1
7 1212813 (00001- ) Fitting, Plstc, Str, Qf08/Pm06 1
8 1211537 (00001- ) Filter, In- Line, Pf06/Pf06 080m 2.6l Epd 1
Y1218885 (00001- ) Gasket [Epdm, F/1211537] 1
Y1218883 (00001- ) Screen, Fltr, 80 Mesh, Ss [W/ Cage] 1
Y613991 (00001- )Bowl, Clr, Short, F/1005302 1
9 1212987 (00001- ) Fitting, Plstc, E90, Qf08/Pm06, Swivel 1
10 130773 (00001- ) Tie, Cable, Nyl, 11.0l, .14w, 3.0 Max. D 2
ASSEMBLY
YINCLUDED IN ASSEMBLY

STANDARD PARTS
Tennant T500 (01- 2017)
70
STANDARD BATTERY CABLES GROUP
355457
1
2
3
3
3
Ref. Part No. Serial Number Description Qty.
11074943 (00001- )Cable, Assy [T500, T500e, Ce] 1
21074945 (00001- )Cable, 04ga 15.0l Red [M8 Ring/M6 Ring] 1
31065638 (00001- )Cable, Battery, 16mm2 0290l Blk, 2clamp 3

STANDARD PARTS
Tennant T500 (01- 2017) 71
LABEL GROUP
355497
ORBITAL HEAD
DISK & CYLINDRICAL HEAD
1
23
4
5
5
4
6
3
5
8
4
4
4
7
4
4
4
Ref. Part No. Serial Number Description Qty.
11224983 (00001- )Label, T500 2
2 1216520 (00001- ) Label, Logo [Ech2o Nano] 2
3 1213114 (00001- ) Label, Logo, 05.5l, Blk/Sil [Tennant] 1
41220963 (00001- )Label Sheet, Info/Hzrd [T500, Ce] 1
51220965 (00001- )Label Sheet, Operational [T500] 1
61224995 (00001- )Label, Orbital, Size, 70cm 1
71225763 (00001- )Label, Decal, Charger, Off- Board 1
81229725 (00001- )Label, Warning [Do Not Spray] 1

STANDARD PARTS
Tennant T500 (01- 2017)
72
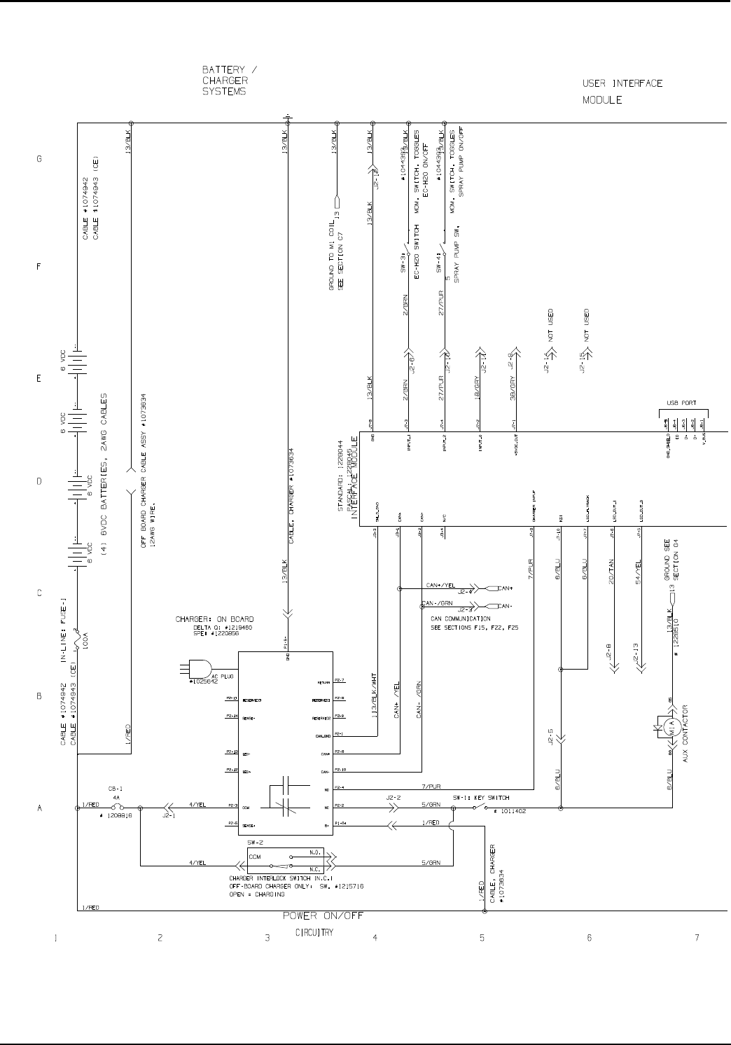
ELECTRICAL DIAGRAM (PAGE 1 OF 4)
1075014_00
1
2
3
4

STANDARD PARTS
Tennant T500 (01- 2017) 73
ELECTRICAL DIAGRAM (PAGE 2 OF 4)
1075014_00
1
2
3
4

STANDARD PARTS
Tennant T500 (01- 2017)
74
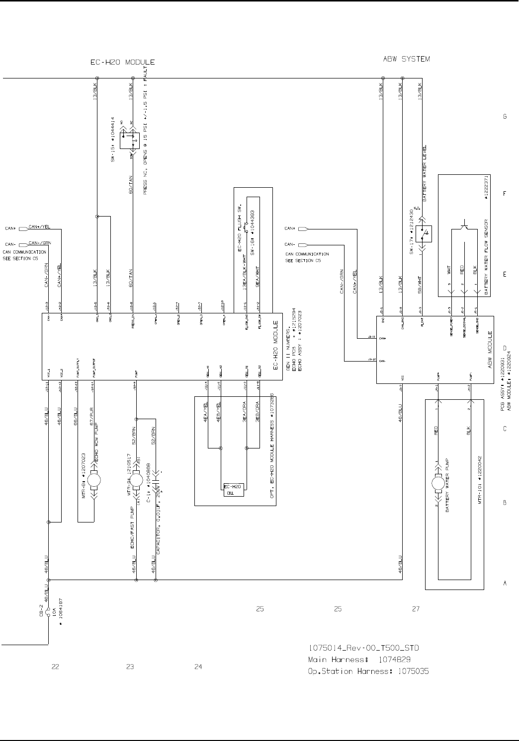
ELECTRICAL DIAGRAM (PAGE 3 OF 4)
1075014_00
1
2

STANDARD PARTS
Tennant T500 (01- 2017) 75
ELECTRICAL DIAGRAM (PAGE 4 OF 4)
1075014_00
1
2

STANDARD PARTS
Tennant T500 (01- 2017)
76
ELECTRICAL HARNESS, MAIN (PAGE 1 OF 4)
DETAIL A
1074829_01

STANDARD PARTS
Tennant T500 (01- 2017) 77
ELECTRICAL HARNESS, MAIN (PAGE 2 OF 4)
DETAIL A
-CONTD DETAIL B
1074829_01

STANDARD PARTS
Tennant T500 (01- 2017)
78
ELECTRICAL HARNESS, MAIN (PAGE 3 OF 4)
DETAIL B
-CONTD
DETAIL C
DETAIL D
1074829_01

STANDARD PARTS
Tennant T500 (01- 2017) 79
ELECTRICAL HARNESS, MAIN (PAGE 4 OF 4)
1074829_01
DETAIL C
-CONTD
DETAIL D
-CONTD
Part No. Serial Number Description Qty.
1074829 (00001- )Harness, Main, Ele [T500] 1

STANDARD PARTS
Tennant T500 (01- 2017)
80
ELECTRICAL HARNESS, OPERATOR STATION
1075035_01
DETAIL A

STANDARD PARTS
Tennant T500 (01- 2017) 81
ELECTRICAL HARNESS, OPERATOR STATION
1075035_01
DETAIL A
-CONTD
Part No. Serial Number Description Qty.
1075035 (00001- )Harness, Ele [Op. Station, T500] 1

STANDARD PARTS
Tennant T500 (01- 2017)
82
ELECTRICAL HARNESS, BAIL SWITCH
1072524_00
Part No. Serial Number Description Qty.
1072524 (00001- )Harness, Ele [Bail Switch] 1

STANDARD PARTS
Tennant T500 (01- 2017) 83

OPTIONS
Tennant T500 (01- 2017)
84
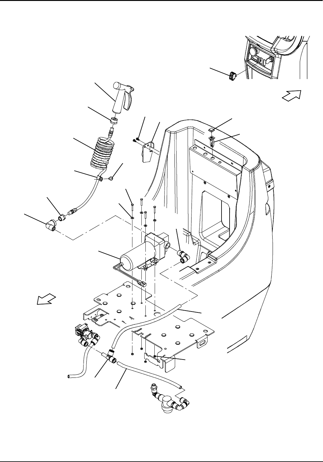
ACCESSORY RAIL CLIP KIT
355481
1
2
Ref. Part No. Serial Number Description Qty.
9013845 (00001- )Clip Kit, Rail, [T300/T300e/Ss300] 1
Y1 1214292 (00001- ) Bracket, Hanger, Rail, Lrg 1
Y2 1214291 (00001- ) Bracket, Hanger, Rail, Small 2
ASSEMBLY
YINCLUDED IN ASSEMBLY

OPTIONS
Tennant T500 (01- 2017) 85
SCREW CAP DRAIN HOSE GROUP
355503
3
2
1
Ref. Part No. Serial Number Description Qty.
11219406 (00001- )Hose Assy, Drain, 1.5d 029l 2/1.5cap[Pu] (Gray) 1
Y21219134 (00001- )Cap, Drain Assy [Gray] 1
322297 (00001- )Clamp, Hose, Wormdrive, 1.56- 2.50d, .50w 1
ASSEMBLY
YINCLUDED IN ASSEMBLY

OPTIONS
Tennant T500 (01- 2017)
86
SOLUTION TANK AUTO-FILL KIT
355455
1
2
3
4
5
6

OPTIONS
Tennant T500 (01- 2017) 87
SOLUTION TANK AUTO-FILL KIT
Ref. Part No. Serial Number Description Qty.
9015482 (00001- )Fill Kit, Auto, Ci 1
Y11227512 (00001- )Fitting, Plstc, Qd, Female 1
Y21227400 (00001- )Fitting, Plstc, Qd, Male 1
Y3 1034731 (00001- ) Screw, Hex, M6 X 1.00 X 16, Sems, Ss 4
Y4 1225411 (00001- ) Cover, Auto Fill[T500] 1
Y51220263 (00001- )Seal, Bulk Head, Water 1
Y6 1219566 (00001- ) Valve, Float, 6.7gpm 1
ASSEMBLY
YINCLUDED IN ASSEMBLY

OPTIONS
Tennant T500 (04- 2017)
88
TELEMETRY ELECTRICAL GROUP
355565
1
2
3
4
5
6
7
6
8
8
9
10
11
12
13
14
6
15
16
17
18
19
7
20
21
22
23
24
25
26
25
27
28
22
24
25
26
29
30
31
32
13
33
34
13
15
6
35
36
37
38
39
40
41
42

OPTIONS
Tennant T500 (04- 2017) 89
TELEMETRY ELECTRICAL GROUP
Ref. Part No. Serial Number Description Qty.
11218761 (00001- )Bracket, Mtg [Circuitbreakers- T500] 1
2 1208816 (00001- ) Circuitbreaker, 04.0a, Resetable 1
3 1064191 (00001- ) Boot, Circuitbreaker 1
41064187 (00001- )Circuitbreaker, 10.0a, Resetable 1
51064191 (00001- )Boot, Circuitbreaker 1
61034731 (00001- )Screw, Hex, M6 X 1.00 X 16, Sems, Ss 5
7 1205799 (00001- ) Screw, Btn, M5 X 0.8 X 16, 8.8, Nl, Torx 9
8 383729 (00001- ) Circuitbreaker, 60.0a 1
9 07514 (00001- ) Washer, Lock, Int, 10, Ss 1
10 01683 (00001- ) Washer, Flat, 10, Ss 1
11 09739 (00001- )Nut, Hex, Lock, M5 X 0.80, Nl, Ss 1
12 1228510 (00001- )Relay, 24vdc, 80a, Spst No, Plug- In 1
13 1210807 (00001- ) Wire, Tie [W/.25” Fir Tree Clip] 4
14 315724 (00001- ) Antenna, Telem, 18.0 In [Gprs] 1
15 41140 (00001- ) Washer, Lock, Int- Ext, 0.25 2
16 1223824 (00001- )Bracket Wldt, Mtg, Cntrl, [T300/T300e] 1
17 9015776 (00001- )Drive Module Kit, Ci 1
18 02938 (00001- ) Washer, Lock, Int, 08, Ss 2
19 33931 (00001- ) Screw, Pan, Phl, M4 X 0.70 X 30, Ss 2
20 9015787 (00001- )Kit, Control Board, Telem, Ci [T500] 1
Y27964 (00001- )Strap, Ground, Static, Disposable 1
Y1071235 (00001- )Cable [Usb, 2m, A- Male To Mini- B- Male] 1
Y130773 (00001- )Tie, Cable, Nyl, 11.0l, .14w, 3.0 Max. D 3
21 1220930 (00001- ) Circuitboard, Silpad [T500, Main Scrub] 1
22 1209448 (00001- ) Standoff, Circuitboard, .25 1
23 9014187 (00001- )Kit, Telem, Ci [Sim, Intl, T300] 1
24 41361 (00001- ) Nut, Hex, Std, M8 X 1.25, Brs 6
25 1209373 (00001- ) Washer, Flat, M8.4b X 16d X 1.6, Brs 3
26 43952 (00001- ) Washer, Lock, Int, 0.31, Ss 5
27 607461 (00001- ) Screw, Set, M8 X 1.25 X 35, Nl 3
28 1205345 (00001- )Stand- Off, Wir, M8, Insulator, Panel 2
29 1212780 (00001- ) Busbar, 125a 0.188 0.750w 2.638l 2
30 1061910 (00001- ) Nut, Hex, Std, M6 X 1.00, Brs 1
31 1061918 (00001- ) Washer, Flat, 0.25b 0.47d .06, Brs 1
32 07515 (00001- ) Washer, Lock, Int, 0.25, Ss 1
33 1219045 (00001- )Gasket, Cover, Circuitboard 1
34 1222617 (00001- ) Heatsink, Mtg, Circuitboard, Machined 1
35 1020174 (00001- )Molding, Afmkt, Trim, Pvc, .08 .11, 03ft 1
36 01685 (00001- ) Washer, Flat, 0.38b 0.88d .08, Ss 2
37 32984 (00001- ) Washer, Lock, Int, 0.31 2
38 386868 (00001- ) Screw, Hex, M8 X 1.25 X 12, Ss 2
39 1227812 (00001- )Bracket, Sma Connector 1
40 1227815 (00001- )Spacer, Unthreaded, Aluminium 2
41 1075195 (00001- )Harness, Ele, Adaptor [T300, Amii] 1
42 222290 (00001- )Diode, Ele, Plug 1
ASSEMBLY
YINCLUDED IN ASSEMBLY

OPTIONS
Tennant T500 (01- 2017)
90
ec-H2O SOLUTION GROUP
355433
FRONT
TO SCRUB
HEAD
TO
SOLUTION
TANK
FRONT
1
2
3
3
4
56
7
8
9
10
11
12
13
13
14
12 16 17 18
19 12 15
20
21
21
21
26
22
10
24
25
26
23
27
28
29
30
31
32
33
12
12
34 28
34
28

OPTIONS
Tennant T500 (01- 2017) 91
ec-H2O SOLUTION GROUP
Ref. Part No. Serial Number Description Qty.
19011810 (00001- )Module Kit, Replmt [Ec- H2o, B 02] (See Breakdowns) 1
Y2 9013646 (00001- ) Cartridge, Ec- H2o Nanoclean Wcm, 270ml 1
3 1034731 (00001- ) Screw, Hex, M6 X 1.00 X 16, Sems, Ss 4
4 1215186 (00001- ) Fitting, Plstc, E90, Qf06/Qm06 1
5 9014146 (00001- ) Hose, Afmkt, Pvc, 0.06id .38od, 05ft 1
61214339 (00001- )Fitting, Plstc, E90, Qfo4/Qm04 1
7 9014147 (00001- ) Hose, Afmkt, Pvc, 0.06id .25od, 05ft 1
81221926 (00001- )Bracket Wldt, Mtg, Ec- H20 [T500] 1
9 1216973 (00001- ) Pump Assy, Dispenser 1
10 130773 (00001- ) Tie, Cable, Nyl, 11.0l, .14w, 3.0 Max. D 3
11 1212573 (00001- )Fitting, Plstc, Tee, Qf06/Qf06/Qf06 1
12 9014148 (00001- )Hose, Afmkt, Nat, 0.25id 0.375od, 06ft 1
13 1212855 (00001- )Fitting, Plstc, Tee, Qf04/Qf06/Qf06 2
14 1212856 (00001- )Fitting, Plstc, E90, Qf06/Qf06 1
15 1215186 (00001- )Fitting, Plstc, E90, Qf06/Qm06 1
16 1216185 (00001- )Fitting, Plstc, Str, Qm04/Pm02 1
17 150307 (00001- )Fitting, Brs, Cplg, Pf02/Pf02 1
18 1044414 (00001- )Switch, Press, 15psi, Pm02 1
19 1215527 (00001- )Valve, Check, 1.0 Psi Qf06/Qf06 1
20 1212809 (00001- )Fitting, Plstc, E90, Qf08/Qm08 1
21 9014145 (00001- )Hose, Afmkt, Pe, .375id .50od, 05ft 1
22 1212875 (00001- )Fitting, Plstc, Tee, Qf06/Qf08/Qf08 1
23 1014985 (00001- )Hose, Afmkt, Pvc, Clr, 0.25id, 08ft 1
24 1210517 (00001- ) Pump, Soltn, Ele, 24vdc, 35 Psi 1
25 43555 (00001- ) Clamp, Hose, Wormdrive, 2.62- 3.50d 1
26 1212812 (00001- )Fitting, Plstc, E90, Qf06/Pm06, Swivel 2
27 1212875 (00001- ) Fitting, Plstc, Tee, Qf06/Qf08/Qf08 1
28 613735 (00001- ) Clamp, Hose, Wir, .40 - .42, Yel 3
29 1039557 (00001- ) Fitting, Plstc, Str, Bm04/Bm06 1
30 607775 (00001- ) Clamp, Hose, Wir, .63 - .66, Blk 1
31 1044393 (00001- )Switch, Rocker, Spst, Mom 1
32 1064187 (00001- )Circuitbreaker, 10.0a, Resetable 1
33 1064191 (00001- ) Boot, Circuitbreaker 1
34 1212857 (00001- )Fitting, Plstc, Str, Qm06/Bm04 2
ASSEMBLY
YINCLUDED IN ASSEMBLY

OPTIONS
Tennant T500 (01- 2017)
92
SEVERE ENVIRONMENT SOLUTION GROUP
355436
TO SCRUB
HEAD
FRONT
12
2
3
4
5
6
7
8
9
10
11
12
13
14
12
15
16
17
18 19
20
10
21
22
11
23
23
11
23
11

OPTIONS
Tennant T500 (01- 2017) 93
SEVERE ENVIRONMENT SOLUTION GROUP
Ref. Part No. Serial Number Description Qty.
117185 (00001- )Screw, Pan, Phl, M5 X 0.80 X 40, Ss 2
2 1215698 (00001- ) Pump Assy, Detgt, 24 Vdc [T300] 1
Y1208721 (00001- ) Pump, Detgt, 24vdc, 120rpm 1
Y1219077 (00001- ) Hose Kit, Detgt [0.5cc] 1
Y3 1211775 (00001- ) Potentiometer [5k, W/Leads And Conn.] 1
4605064 (00001- )Cap, Vinyl, 1.38 D 1.6l 1
5 630265 (00001- ) Knob, Rnd, 0.75d 0.50l 0.25b, Plstc 1
6 222607 (00001- ) Nut, Hex, Thin, .38- 32 1
7 43953 (00001- ) Washer, Lock, Int, 0.38, Ss 1
8 1034731 (00001- ) Screw, Hex, M6 X 1.00 X 16, Sems, Ss 2
91221487 (00001- )Bracket Wldt, Pump, Detgt [T500] 1
10 613461 (00001- ) Hose, Pvc, Clr, 0.12id 0.25od 048.0l 1
11 613735 (00001- ) Clamp, Hose, Wir, .40 - .42, Yel 4
12 1006415 (00001- ) Hose, Afmkt, Pvc, Clr, 0.25id, 03ft 1
13 1212855 (00001- ) Fitting, Plstc, Tee, Qf04/Qf06/Qf06 1
14 1020168 (00001- )Molding, Afmkt, Trim, Pvc, .08 .11, 01ft 1
15 1224600 (00001- ) Cap, Snap, 2.17d [Blue] 1
16 1217453 (00001- ) Tank [2.5 Liter] 1
17 1212430 (00001- ) Sensor, Level, Liq, 30watt, Spst 1
18 1212812 (00001- ) Fitting, Plstc, E90, Qf06/Pm06, Swivel 1
19 150520 (00001- )Fitting, Brs, Str, Bm04/Pf02 1
20 150524 (00001- ) Fitting, Brs, Str, Bm02/Pm02 1
21 1224989 (00001- ) Label, Detergent Metering Tank 1
22 1210440 (00001- )Label, Opertnl, Detergent Metering 1
23 1212857 (00001- )Fitting, Plstc, Str, Qm06/Bm04 3
ASSEMBLY
YINCLUDED IN ASSEMBLY

OPTIONS
Tennant T500 (01- 2017)
94
RECOVERY TANK RINSE KIT
355431
FRONT
TO SCRUB
HEAD
TO
SOLUTION
TANK
FRONT
1
2
3
4
5
6
7
89
10
11
12
13
14
16
14
15
17
18
19

OPTIONS
Tennant T500 (01- 2017) 95
RECOVERY TANK RINSE KIT
Ref. Part No. Serial Number Description Qty.
9015481 (00001- )Rinse Kit, Tank, Rec [T500] , Ci 1
Y1 769785 (00001- ) Nozzle, Spray, Hand 1
Y2 1220554 (00001- ) Fitting, Brs, Str, Pf04/Garden Hose 1
Y3160132 (00001- )Hose Assy, 0.25id X 12ft Coil 1
Y4 1220546 (00001- ) Fitting, Brs, Str, Pm08/Pf04 1
Y51220131 (00001- )Fitting, Plstc, E90, 1/2” Npt Male- Femal 1
Y6 40678 (00001- ) Clamp, Cable, Stl, 0.44d X 0.62w, 1hole 1
Y7 1034731 (00001- ) Screw, Hex, M6 X 1.00 X 16, Sems, Ss 1
Y8 1018155 (00001- ) Screw, Pan, Phl, M5 X 0.80 X 16, Tcut,Ss 2
Y91227293 (00001- )Bracket, Hanger, Hose 1
Y10 1228033 (00001- ) Screw, Hex, M5 X 0.80 X 30, Ss 4
Y11 01683 (00001- ) Washer, Flat, 10, Ss 4
Y12 1220123 (00001- ) Pump, Soltn, Ele, 24 Vdc, 60 Psi, 4 Gpm 1
Y13 1212764 (00001- ) Fitting, Plstc, E90, Qf08/Pm08, Swivel 1
Y14 9014145 (00001- ) Hose, Afmkt, Pe, .375id .50od, 05ft 1
Y15 1212806 (00001- )Fitting, Plstc, Tee, Qf08/Qf08/Qm08 1
Y16 09739 (00001- ) Nut, Hex, Lock, M5 X 0.80, Nl, Ss 4
Y17 1064188 (00001- ) Circuitbreaker, 15.0a, Resetable 1
Y18 1064191 (00001- ) Boot, Circuitbreaker 1
Y19 1044393 (00001- )Switch, Rocker, Spst, Mom 1
ASSEMBLY
YINCLUDED IN ASSEMBLY

OPTIONS
Tennant T500 (01- 2017)
96
PARKING BRAKE GROUP
355420
1
2
3
4
5
6
7
8910
11
12

OPTIONS
Tennant T500 (01- 2017) 97
PARKING BRAKE GROUP
Ref. Part No. Serial Number Description Qty.
11221694 (00001- )Clamp, Brake, Parking [T500] 1
2 07785 (00001- ) Nut, Hex, Std, M6 X 1.00, Ss 1
3 1017416 (00001- ) Screw, Weld, M6 X 1.00 X 25, Thru, Ss 1
4 12323 (00001- ) Screw, Pan, Phl, M4 X 0.70 X 20, Ss 4
5 1221695 (00001- ) Plate Wldt, Brake [T500] 1
608716 (00001- ) Screw, Hex, M6 X 1.00 X 20, Ss 2
7 360801 (00001- ) Sleeve, 0.32b 0.50d 0.3l, 2cham, Ss 2
8 1221423 (00001- ) Shoe, Brake, Parking 1
9 01684 (00001- ) Washer, Flat, 0.27b 0.69d .05, Ss 2
10 08712 (00001- ) Nut, Hex, Lock, M6 X 1.00, Nl, Ss 2
11 75575 (00001- )Spring, Extn, 0.50od 0.06wir 02.5l 1
12 1224990 (00001- ) Label, Opertnl, Parking Brake 1

OPTIONS
Tennant T500 (01- 2017)
98
BATTERY GROUP, WET 210AH
355451
1
2
3
Ref. Part No. Serial Number Description Qty.
11214519 (00001- )Battery, Wet, 6vdc, 210ah 4
2 630375 (00001- ) Spacer, Battery, Foam, 1.25 X 3.3 X 13.7 1
31024874 (00001- )Tray, Battery [Eu, T5] 1

OPTIONS
Tennant T500 (01- 2017) 99
BATTERY GROUP, MAINTENANCE-FREE 180AH
355449
1
2
3
Ref. Part No. Serial Number Description Qty.
1994203 (00001- )Battery, 06vdc 0180ah [5h,Gf06180] 4
2 630375 (00001- ) Spacer, Battery, Foam, 1.25 X 3.3 X 13.7 1
31024874 (00001- )Tray, Battery [Eu, T5] 1

OPTIONS
Tennant T500 (01- 2017)
100
BATTERY GROUP, WET 210AH BFS
355532
1
2
3
Ref. Part No. Serial Number Description Qty.
11226484 (00001- )Battery, Wet, 6vdc, 210 Ah C/5, Bfs 4
2 630375 (00001- ) Spacer, Battery, Foam, 1.25 X 3.3 X 13.7 1
31024874 (00001- )Tray, Battery [Eu, T5] 1

OPTIONS
Tennant T500 (01- 2017) 101
MANUAL BATTERY WATERING GROUP
355531
1
4
2
3
Ref. Part No. Serial Number Description Qty.
11228003 (00001- )Battery Watering Kit, Bfs, Tab 1
21058939 (00001- )Pump Kit, Fill, Hand, Battery 1
31072526 (00001- )Tank, Water, 30.0l, Battery Fill Sys
(Note: Also Order Item #4 - Fitting Not Included) 1
41221589 (00001- )Fitting, Plstc, Str, Bm06, Cplg, Fem[Hl] 1
NOTE: FOR USE WITH 1226484 WET BFS BATTERIES ONLY.

OPTIONS
Tennant T500 (01- 2017)
102
SMART-FILLtAUTOMATIC BATTERY WATERING GROUP
355530
1
2
3
4
5
4
4
7
6
26
27
28
29
30
17
16
18
19
20
21
23 24
25
31
32
33
9
10
11
6
15
22
13
8
12 34
35
14

OPTIONS
Tennant T500 (01- 2017) 103
SMART-FILLtAUTOMATIC BATTERY WATERING GROUP
Ref. Part No. Serial Number Description Qty.
11221589 (00001- )Fitting, Plstc, Str, Bm06, Cplg, Fem[Hl] 1
21006416 (00001- )Hose, Afmkt, Pvc, Clr, 0.38id, 03ft 1
31225185 (00001- )Valve, Check, 0002psi Bm04/Bm06 1
41006415 (00001- )Hose, Afmkt, Pvc, Clr, 0.25id, 03ft 1
5150713 (00001- )Fitting, Plstc, Tee, Bm04/Bm04/Bm04 1
6130773 (00001- )Tie, Cable, Nyl, 11.0l, .14w, 3.0 Max. D 2
71222371 (00001- )Sensor, Flow, Hall Effect, 5- 24vdc 1
81224988 (00001- )Label, Automated Battery Watering 1
91212430 (00001- )Sensor, Level, Liq, 30watt, Spst 1
10 1224600 (00001- )Cap, Snap, 2.17d [Blue] 1
11 1217453 (00001- )Tank [2.5 Liter] 1
12 1228813 (00001- )Label, Warning, No Detgt 1
13 1006415 (00001- )Hose, Afmkt, Pvc, Clr, 0.25id, 03ft 1
14 1212812 (00001- )Fitting, Plstc, E90, Qf06/Pm06, Swivel 1
15 1224108 (00001- )Hose, Mold, Bm04/Bm06 1
16 1018155 (00001- )Screw, Pan, Phl, M5 X 0.80 X 16, Tcut,Ss 2
17 01683 (00001- )Washer, Flat, 10, Ss 2
18 1228042 (00001- )Fitting, Plstc, Cap, Bm03 [T500] 1
19 1228043 (00001- )Strap, Retaining, Cap [T500] 1
20 1224016 (00001- )Hose, Molded, Bm04/Bm06 1
21 1220042 (00001- )Pump, Fill, Battery 1
22 1222924 (00001- )Filter, In- Line, Bm04/Bm04, 100mic, 2.0l 1
23 1016005 (00001- )Screw, Hex, M6 X 1.00 X 25, Nl, Fl, Ss 2
24 01684 (00001- )Washer, Flat, 0.27b 0.69d .05, Ss 2
25 9018008 (00001- )Kit, Module, Abw, Ci (See Breakdowns) 1
26 1020168 (00001- )Molding, Afmkt, Trim, Pvc, .08 .11, 01ft 1
27 150407 (00001- )Fitting, Brs, E90, Pf02/Pm02 [Street] 1
28 1040254 (00001- )Fitting, Brs, Str, Bm04/Pf02 1
29 1017386 (00001- )Valve, Vent, Air, Float Type 1
30 1210807 (00001- )Wire, Tie [W/.25” Fir Tree Clip] 2
31 1228003 (00001- )Battery Watering Kit, Bfs, Tab 1
32 1064187 (00001- )Circuitbreaker, 10.0a, Resetable 1
33 1064191 (00001- ) Boot, Circuitbreaker 1
34 1212857 (00001- )Fitting, Plstc, Str, Qm06/Bm04 1
35 613735 (00001- )Clamp, Hose, Wir, .40 - .42, Yel 1
NOTE: FOR USE WITH 1226484 WET BFS BATTERIES ONLY.

OPTIONS
Tennant T500 (01- 2017)
104
DOCUMENTATION GROUP
Ref. Part No. Serial Number Description Qty.
9015530 (00001- )Manual, Parts [T500, Ce] 1
9015531 (00001- )Manual, Oprtr [T500, En, Ce/Intl] 1
9015532 (00001- )Manual, Oprtr [T500, De, Ce] 1
9015533 (00001- )Manual, Oprtr [T500, Fr, Ce] 1
9015534 (00001- )Manual, Oprtr [T500, Nl, Ce] 1
9015535 (00001- )Manual, Oprtr [T500, Es, Ce] 1
9015536 (00001- )Manual, Oprtr [T500, It, Ce] 1
9015537 (00001- )Manual, Oprtr [T500, Se, Ce] 1
9015538 (00001- )Manual, Oprtr [T500, Dk, Ce] 1
9015539 (00001- )Manual, Oprtr [T500, No, Ce] 1
9015540 (00001- )Manual, Oprtr [T500, Fi, Ce] 1
9015541 (00001- )Manual, Oprtr [T500, Pt, Ce] 1
9015542 (00001- )Manual, Oprtr [T500, Pl, Ce] 1
9015543 (00001- )Manual, Oprtr [T500, Cz, Ce] 1
9015544 (00001- )Manual, Oprtr [T500, Hu, Ce] 1
9015545 (00001- )Manual, Oprtr [T500, Gr, Ce] 1
9015546 (00001- )Manual, Oprtr [T500, Ru, Ce] 1
9015547 (00001- )Manual, Oprtr [T500, Tr, Ce] 1
9015548 (00001- )Manual, Oprtr [T500, Sk, Ce] 1
9015549 (00001- )Manual, Oprtr [T500, Sl, Ce] 1
9015550 (00001- )Manual, Oprtr [T500, Lv, Ce] 1
9015551 (00001- )Manual, Oprtr [T500, Lt, Ce] 1
9015552 (00001- )Manual, Oprtr [T500, Ee, Ce] 1
9015553 (00001- )Manual, Oprtr [T500, Bg, Ce] 1
9015554 (00001- )Manual, Oprtr [T500, Ro, Ce] 1
9015555 (00001- )Manual, Oprtr [T500, Hr, Ce] 1
9015524 (00001- )Instr, Wall Chart [T500, Ce/Intl] 1
9015504 (00001- )Manual, Service [T500, En] 1
To view, print, order, download the latest Parts manual, other language
Operator manuals, and Use and Care Guides (wall charts), visit:
www.tennantco.com/manual

OPTIONS
Tennant T500 (01- 2017) 105

BREAKDOWNS
Tennant T500 (01- 2017)
106
ec- H2O NANOCLEAN MODULE BREAKDOWN
355317
1
2
3
4
56
7
8
9
10
11
12
13
14

BREAKDOWNS
Tennant T500 (01- 2017) 107
ec- H2O NANOCLEAN MODULE BREAKDOWN
Ref. Part No. Serial Number Description Qty.
9011810 (00001- )Module Kit, Replmt [Ec- H2o, B 02]
(Includes ec- H2O NanoClean Cartridge) 1
Y9014126 (00001- )Ec- H2o Nc Kit [Module B, Plumbing] 1
YY 11208823 (00001- )Housing, Module, Upper, Ec- H2o 1
YY 21015506 (00001- )Screw, Pan, Phl, M5 X 16, Tcut [Plastic] 4
YY 31044393 (00001- )Switch, Rocker, Spst, Mom 1
YY 432509 (00001- ) Screw, Hex, M4 X 0.70 X 50, Ss 4
YY 51208164 (00001- )Electrode, 5 Plate, High Flow 1
YY 641579 (00001- )Washer, Flat, 08, Ss 4
YY 733932 (00001- )Nut, Hex, Lock, M4 X 0.70, Nl, Ss 4
YY 81006415 (00001- )Hose, Afmkt, Pvc, Clr, 0.25id, 03ft 1
YY 91208526 (00001- )Hose, Molded, Bm08/Bm06 1
YY 10 1049637 (00001- )Label, Direction [Ec- H2o] 1
YY 11 613735 (00001- )Clamp, Hose, Wir, .40 - .42, Yel 1
YY 12 54333 (00001- )Clamp, Hose, Wormdrive, 0.31- 0.88d, .31w 1
YY 13 1073286 (00001- )Harness, Ele, Module B2 [Ec- H2o] 1
Y14 9014127 (00001- )Controller Kit, Replmt [Ec- H2o Nc]
(Includes ec- H2O NanoClean Cartridge) 1
ASSEMBLY
YINCLUDED IN ASSEMBLY

BREAKDOWNS
Tennant T500 (01- 2017)
108
ORBITAL HEAD ECCENTRIC DRIVE BREAKDOWN
355477
3
2
4
5
6
7
8
9
10
11
1
12

BREAKDOWNS
Tennant T500 (01- 2017) 109
ORBITAL HEAD ECCENTRIC DRIVE BREAKDOWN
Ref. Part No. Serial Number Description Qty.
19015774 (00001- )Eccentric Drive Kit, Orbital 1
Y21231238 (00001- ) Key, Sq, 5mm X 5mm X 22mm 1
Y3N/A (00001- )Balance, Eccentric, Step [Machined] 1
Y4N/A (00001- )Spacer, Eccentric 1
Y5N/A (00001- )Screw, Hex, M6 X 1.00 X 16, Sems 3
Y6N/A (00001- )Plate, Retainer, Brg, Outer 1
Y71220452 (00001- )Bearing, Ball, 2.17b 3.54d .71w 1
Y8N/A (00001- )Housing, Bearing, Outer [Machined] 1
Y9N/A (00001- )Retainer, Bearing, Inner [Qpq] 1
Y10 N/A (00001- )Screw, Soc, M6 X 1.00 X 12, 8.8, Low 2
Y11 1221394 (00001- )Seal, Org, .125 X 02.63id 1
Y12 1212710 (00001- )Screw, Flt, Soc, M6 X 1.00 X 35, 10.9,Nl 6
ASSEMBLY
YINCLUDED IN ASSEMBLY

BREAKDOWNS
Tennant T500 (01- 2017)
110
AUTOMATIC BATTERY WATERING MODULE BREAKDOWN
355564
1
3
4
5
6
4
2
Ref. Part No. Serial Number Description Qty.
19018008 (00001- )Kit, Module, Abw, Ci 1
Y2 1018155 (00001- ) Screw, Pan, Phl, M5 X 0.80 X 16, Tcut,Ss 4
Y3 1223055 (00001- ) Panel, Mtg, Fill, Auto, Battery 1
Y4 1223286 (00001- ) Seal, Cover, Board, Battery Watering 2
Y5 1220931 (00001- ) Circuitboard Assy [Abw Module] 1
Y61223261 (00001- )Cover, Circuitboard, Battery Watering 1
ASSEMBLY
YINCLUDED IN ASSEMBLY

BREAKDOWNS
Tennant T500 (01- 2017) 111
