Clemas F8 Parts And Ops Tennant Manual
User Manual: Clemas
Open the PDF directly: View PDF
.
Page Count: 20

TENNANT F8
POLISHER
PARTS MANUAL
Clemas & Co. Unit 5 Ashchurch Business Centre, Alexandra Way, Tewkesbury,
Gloucestershire, GL20 8NB.
Tel: 01684 850777 Fax: 01684 850707
Email: info@clemas.co.uk Web: www.clemas.co.uk

PARTS LIST
121
F3/F3+/F8/F12 9002026 (04ï11)
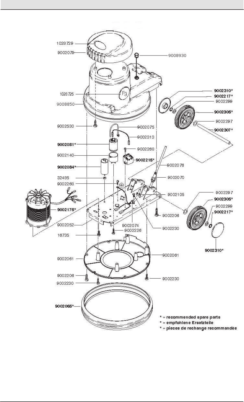
F3 ï Base Group

PARTS LIST
F3/F3+/F8/F12 9002026 (04ï11)
122
F3 ï Base Group Cont’d
9002245
9002220
223544
223544
9002220
9002220
9002220
08708
9002220
9002116*
9002047
9002164
9002221
9002293
9002111*
9002134
9002270*
9002064*
9002040*
9002040*
9002324*
9002222 9002042
9002133
9002047
9002431
9002247
9002201*
9002137
32485
9002122 9002285
9002258
9002052
9002126
9002160
07783
9002128
9002098
32490
9002051
08708
9002257
9002142
9002104
9002244
*
9002044*
9002050
9002039*
9002139
9002139
9002041
9002038*
* = recommended spare parts
* = empfohlene Ersatzteile
* = pieces de rechange recommandée
9002055

PARTS LIST
123
F3/F3+/F8/F12 9002026 (04--11)
F3+ -- Base Group

PARTS LIST
F3/F3+/F8/F12 9002026 (04--11)
124
F3+ -- Base Group Cont’d

PARTS LIST
125
F3/F3+/F8/F12 9002026 (04ï11)
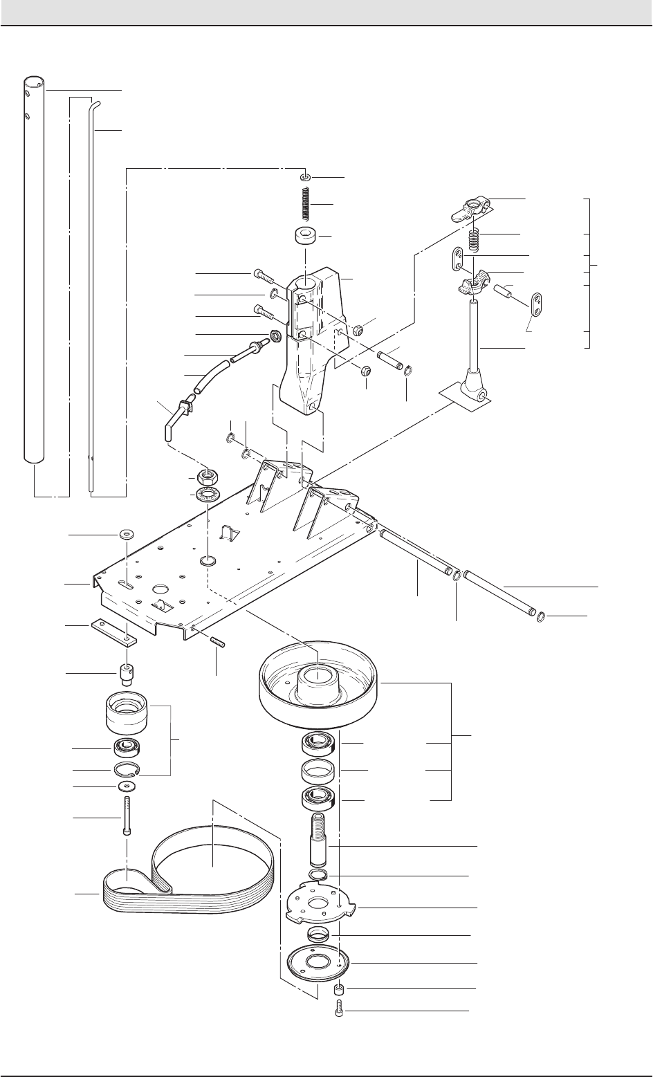
F3/F3+ ï Handle Group
41359
41359
9002255*
223544
41359
9002073*
223544
9002255*
9002167/ EU
9002168 / U
K
900219
4
801051
*
801274
102807
7
801274
801274
801274
9002194
9002120
9002152*
9002276*
801274
801049*
9002169
9002235
801274
9002147
801035*
99916592*
801006
801006
801005
9002243*
99916544
801013
801004
801052
801003
801247
1000592
X
X
1028729
9002148
993852
613083
* = recommended spare parts
* = empfohlene Ersatzteile
* = pieces de rechange recommand
é
9002415
9002514
K

PARTS LIST
F3/F3+/F8/F12 9002026 (04ï11)
126
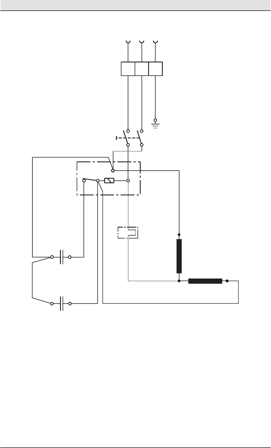
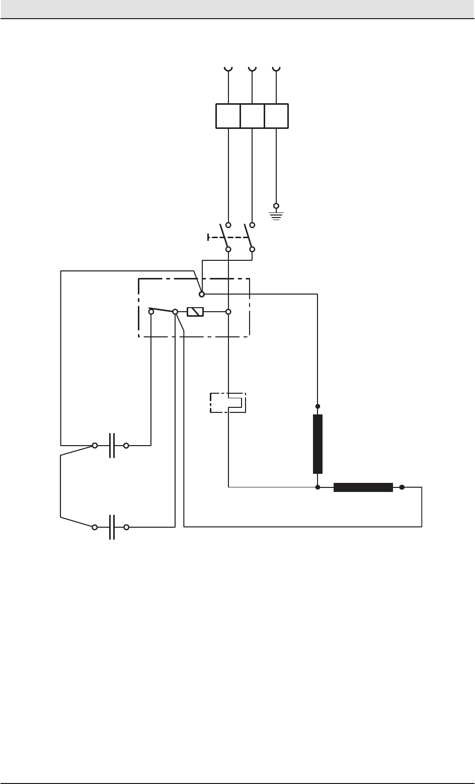
F3/F3+ ï Electrical Diagram
English Deutsch Fran ais Nederlands Espanol
REF LEGEND SCHLüSSEL LEGENDE LEGENDE LEYENDA
S= Switch for motor Schalter Buerstmotor Interrupteur Schakelaar Interruptor
R= Relais Startrelais Relais Relais Relais
CA = Capacitor Anlaufkondensator Capaciteur Condensator Condensador
CB = Capacitor Betriebskondensator Capaciteur Condensator Condensador
M= Motor Motor Moteur Motor Motor
MS = Protective switch−Motorschutzschalter Disjoncteur
gear of an engine
S
M 4 Pol
CB
CA
yellow−green
gelb-grn/jaune-vert
yellow−groen/yellow−verde
white/weiss/blanc/wit/blanco
red/rot/rouge/rood/rojo
black/schwarz/noir
zwart/negro
E
N L
4
21 5
125 µF
25 µF
R
brown/braun/brun/bruin/marrn
MS
blue/blau/bleu
blauw/azul
brown/braun/brun/bruin/marrnbrown/braun/brun
bruin/marrn
brown/braun/brun
bruin/marrn
blue/blau/bleu
blauw/azul

PARTS LIST
127
F3/F3+/F8/F12 9002026 (04ï11)
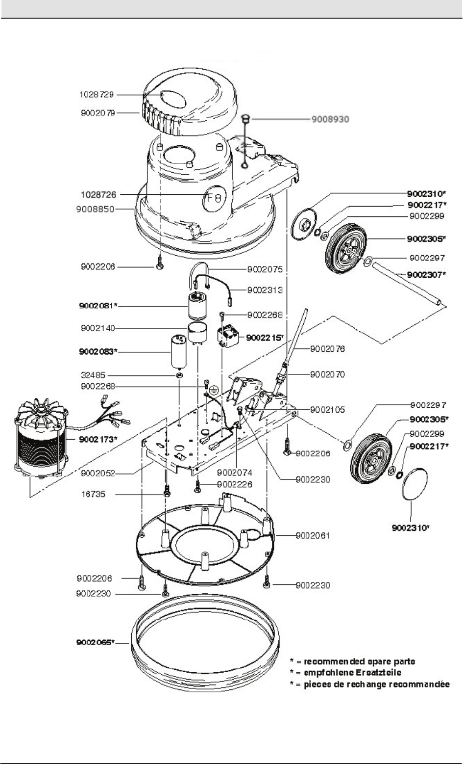
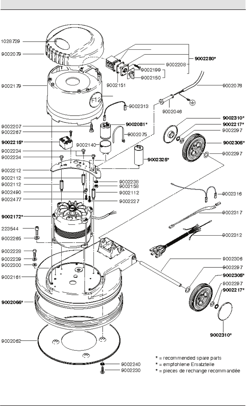
F8 ï Base Group

PARTS LIST
F3/F3+/F8/F12 9002026 (04ï11)
128
F8 ï Base Group Cont’d
9002201*
9002137
32485
9002221
9002324*
9002055*
9002122 9002285
9002258
9002052
9002126
9002160
07783
9002246
223544
9002220
223544
9002220
9002220
9002116*
9002244
*
9002128
9002098
32490
9002220
9002047
9002044*
9002139
9002050
9002039*
9002139
08708
9002051
08708
9002041
9002038*
9002164
9002221
63625*
9002293
9002064*
9002111*
9002134
9002040*
9002042
9002040*
9002220
9002220
9002047
9002431
9002247
* = recommended spare parts
* = empfohlene Ersatzteile
* = pieces de rechange recommandée

PARTS LIST
129
F3/F3+/F8/F12 9002026 (04ï11)
F8/F12 ï Handle Group
41359
9002255*
9002138
41359
9002073*
9002138
9002194
9002120
9002152*
9002276*
9002235
X
9002148
1028729
9002167/ EU
9002168 / U
K
900219
4
801051
*
801050
801010
801011
801012
102807
7
801274
801274 801274
801274
801049*
801274
9002427
801035
99916592*
801006
801006
801005
9002243*
99916544
801013
801004
801040
801003
801247
801274
1000592
X
41359
9002255*
9002169
993852
613083
* = recommended spare parts
* = empfohlene Ersatzteile
* = pieces de rechange recommandé
e
K
9002524
9002523
9002415
9002514
9002513

PARTS LIST
F3/F3+/F8/F12 9002026 (04ï11)
130
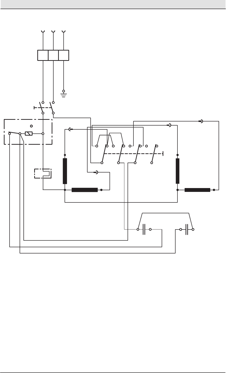
F8 ï Electrical Diagram
English Deutsch Francais Nederlands Espanol
REF LEGEND SCHLüSSEL LEGENDE LEGENDE LEYENDA
S= Switch for motor Schalter Buerstmotor Interrupteur Schakelaar Interruptor
R= Relais Startrelais Relais Relais Relais
CA = Capacitor Anlaufkondensator Capaciteur Condensator Condensador
CB = Capacitor Betriebskondensator Capaciteur Condensator Condensador
M= Motor Motor Moteur Motor Motor
MS = Protective switch−Motorschutzschalter Disjoncteur
gear of an engine
S
M 2 Pol
CB
CA
yellow−green
gelb-grn/jaune-vert
yellow−groen/yellow−verde
red/rot/rouge/rood/rojo
red/rot/rouge/rood/rojo
black/schwarz/noir
zwart/negro
E
N L
4
21 5
125 µF
20 µF
R
brown/braun/brun/bruin/marrn
MS
blue/blau/bleu
blauw/azul
black/schwarz/noir/zwart/negroblack/schwarz/noir/
zwart/negro
brown/braun/brun
bruin/marrn
blue/blau/bleu
blauw/azul

PARTS LIST
131
F3/F3+/F8/F12 9002026 (04ï11)
F12 ï Base Group
1028727
9002151
9002520

PARTS LIST
F3/F3+/F8/F12 9002026 (04ï11)
132
F12 ï Base Group Cont’d
32490
9002202
9002056

PARTS LIST
133
F3/F3+/F8/F12 9002026 (04ï11)
F12 ï Electrical Diagram
English Deutsch Fran ais Nederlands Espanol
REF LEGEND SCHLUSSEL LEGENDE LEGENDE LEYENDA
S= Switch for motor Schalter Buerstmotor Interrupteur Schakelaar Interruptor
R= Relais Startrelais Relais Relais Relais
CA = Capacitor Anlaufkondensator Capaciteur Condensator Condensador
CB = Capacitor Betriebskondensator Capaciteur Condensator Condensador
U= Switch Umschalter Interrupteur Schakelaar Interruptor
M= Motor Motor Moteur Motor Motor
TS = Thermal switch Thermoschalter Thermostat
brown/braun/brun
bruin/marrn
brown/braun/brun
bruin/marrn
blue/blau/bleu
blauw/azul
S
U
MM
CB
CA
2 Pol 4 Pol
E
N L
4
2
15
NL3L2L1
T6T5T4 N2N1T3T2T1
125 µF 20 µF
R
hellgrn/light-green/vert/groen/verde
TS
yellow−green
gelb-grn/jaune-vert
yellow−groen/yellow−verde
blue/blau/bleu
blauw/azul
white/weiss/blanc/wit/blanco
white/weiss/blanc/wit/blanco
red/rot
/rougerood/rojo
red/rot
/rouge
rood/rojo
black/schwarz/noir
zwart/negro
black/schwarz
/noir
zwart/negro
black/schwarz/noir/zwart/negro
black−white/schwarz−weiss
noir−blanc/
zwart−wit/negro−blanco
red−white/rot−weiss/rouge−blanc
rood−wit/rojo−blanco

PARTS LIST
F3/F3+/F8/F12 9002026 (04ï11)
134
Solution Tank Group (Option)

PARTS LIST
135
F3/F3+/F8/F12 9002026 (04ï11)
F8/F12 ï Spray Unit Group (Option)

PARTS LIST
F3/F3+/F8/F12 9002026 (04ï11)
136
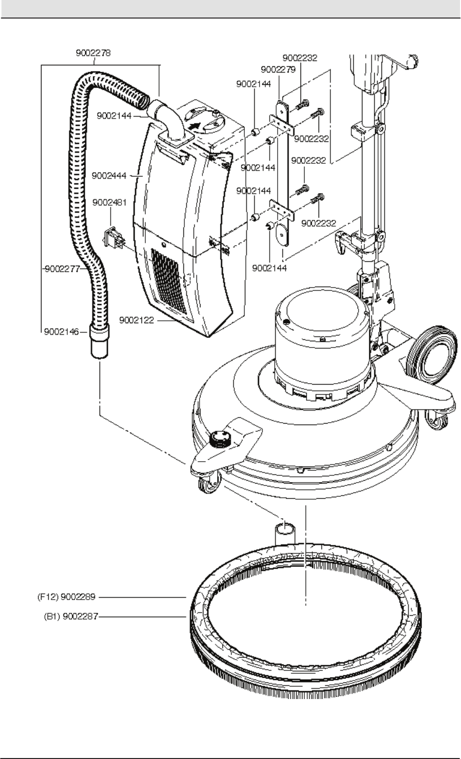
F8/F12 ï Vacuum Unit (Option)

PARTS LIST
137
F3/F3+/F8/F12 9002026 (04ï11)
F8/F12 ï Vacuum Unit (Option)

PARTS LIST
F3/F3+/F8/F12 9002026 (04ï11)
138
F8/F12 ï Vacuum Unit (Option)

PARTS LIST
139
F3/F3+/F8/F12 9002026 (04ï11)
F8/F12 ï Vacuum Unit (Option)