Command Technologies VHF2000 Non-Broadcast Transmitter User Manual COMMANDER VHF 1200 2000
Command Technologies Inc Non-Broadcast Transmitter COMMANDER VHF 1200 2000
User Manual and Schematics
COMMANDER VHF-1200/2000
LINEAR AMPLIFIERS
6 METERS - 50 - 54 MHz.
MADE IN THE U.S.A. BY HAMS FOR HAMS
COMMAND TECHNOLOGIES, Inc.
15719 CR 2.50
P.O. Box 326
EDON, OHIO 43518
419 459 4689
800-736-0443
THE COMMAND TECHNOLOGIES PHILOSOPHY
The company was founded upon the guiding principal of providing
amateur radio operators with better equipment at a lower cost.
That principal is evident in the company's products which have become
known throughout the world for their superior value.
Value is defined by the company as a ratio of quality plus performance
over cost. The higher the quality and/or performance or the lower the cost,
the better the value.
Obviously, the limits of each parameter of the equation are subjective. For
the company, quality limits are those which provide longevity and
unquestioned performance benefits to the user without unnecessary cost
burden. Performance is partly defined by governmental regulations and
partly by the company's integrity of specifications. For example, power for
Command Technologies linear amplifiers is specified by continuous carrier
ratings - solid, meaningful figures which can be translated into benefits in
the real world of amateur radio.
State-of-the-art technology has come to be a trite phrase, meaning
different things to different people. To the company, it means today's
proven technology, not gimmicks, which offer a facade with little of worth,
or need, behind it. We may push the leading edge of technology in various
ways, but it will be founded upon its value to the user in terms of
performance and cost.
We appreciate your purchase of a Command Technologies product and
assure you of continued factory support of your investment at all times.
Sincerely,
Patrick J. Stein
N8BRA
SPECIFICATIONS
COMMANDER VHF 1200
LINEAR POWER AMPLIFIER
FREQUENCY RANGE - 50 - 54 MHz.
MODES - USB,LSB,RTTY,FM,CW
POWER REQUIREMENTS -117/ 200/234VAC 50/60 Hz.
RF DRIVE POWER - 15 - 25 WATTS NOMINAL - 35-40
WATTS MAX. FOR FULL OUTPUT (1.2 KW SSB )
RF OUTPUT-+15DB GAIN OR OVER 750 WATTS
600 WATTS MAX. FM OR RTTY
INPUT IMPEDANCE - 50 OHMS UNBALANCED
REAR PANEL ADJUSTABLE
OUT PUT IMPEDANCE - 50 OHMS NOMINAL
ANTENNA LOAD -(VSWR) - 2 : 1 MAX.
HARMONIC SUPPRESSION - BETTER THAN
- 60 DB DOWN @ RATED OUTPUT
INTERMODULATION DISTORTION- BETTER THAN
- 35 DB DOWN @ RATED OUTPUT
WEIGHT - 75 LBS
CABINET SIZE 18 X 16 X 7.75 in.
TUBE COMPLIMENT - ONE 3CPX800A7 CERAMIC
METAL TRIODE
PRESSURIZED CHASSIS FORCED AIR COOLING
SPECIFICATIONS
COMMANDER VHF 2000
LINEAR POWER AMPLIFIER
FREQUENCY RANGE - 50 - 54 MHz.
MODES - USB,LSB,RTTY,FM,CW
POWER REQUIREMENTS - 200/234VAC 50/60 Hz.
RF DRIVE POWER - 15 - 25 WATTS NOMINAL - 35-50
WATTS MAX. FOR FULL OUTPUT (1.5 KW SSB )
RF OUTPUT- +15DB GAIN OR 1500 WATTS
1200 WATTS MAX. FM OR RTTY
INPUT IMPEDANCE - 50 OHMS UNBALANCED
REAR PANEL ADJUSTABLE
OUT PUT IMPEDANCE - 50 OHMS NOMINAL
ANTENNA LOAD -(VSWR) - 2 : 1 MAX.
HARMONIC SUPPRESSION - BETTER THAN
- 60 DB DOWN @ RATED OUTPUT
INTERMODULATION DISTORTION- BETTER THAN
- 35 DB DOWN @ RATED OUTPUT
WEIGHT - 75 LBS
CABINET SIZE 18 X 16 X 7.75 in.
TUBE COMPLIMENT - TWO 3CPX800A7 CERAMIC
METAL TRIODES
PRESSURIZED CHASSIS FORCED AIR COOLING
UNPACKING INSTRUCTIONS
Carefully remove your Commander Amplifier from its
shipping carton making sure there is no damage evident
from shipping. If there is any damage, notify the delivering
shipper immediately, fully describing the damage.
Do not destroy the packing material, since it may be
reusable later, should you require factory service, or need to
transport the Amplifier for any other reason.
!! WARNING !!
CONTACT WITH VOLTAGES
IN THIS AMPLIFIER CAN BE
!!! FATAL !!!

CAUTIONS
Do not attempt any type of service or repair on this Amplifier
without first removing the AC power and allowing at LEAST
60 MINUTES FOR THE HIGH VOLTAGE CAPACITORS
TO BLEED OFF !
Make no attempt to put this Amplifier in service with the top
or bottom covers removed. CONTACT WITH VOLTAGES IN
THE CABINET CAN BE FATAL !
Never attempt operation without first connecting an
appropriate antenna (2.0:1 VSWR Max) or a 50 ohm load
with sufficient rating or SERIOUS DAMAGE TO THE
AMPLIFIER MAY RESULT.
Never operate unit with more drive than required to produce
the rated output for the operating mode used.
Do not place the Commander VHF-Amp. in Repeater
operation. Extensive modification would be required for this
type of service.
Never operate any Amplifier using an extension cord.
Never cover the top of the Amplifier cabinet with books,
papers or other equipment as OVERHEATING MAY
RESULT.
IF ANY PROBLEM OCCURS NOT EASILY CORRECTED,
PLEASE CONTACT MANUFACTURER FOR
ASSISTANCE.
800-736-0443 419-459-4689
INTRODUCTION
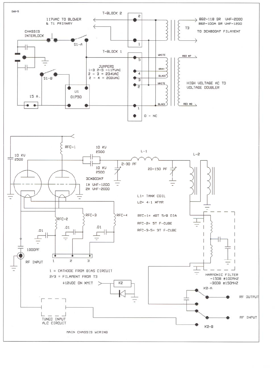
The Commander VHF-1200/2000 are Grounded Grid class
Ab2 Linear Power Amplifiers that operate on the Amateur 6
meter band.
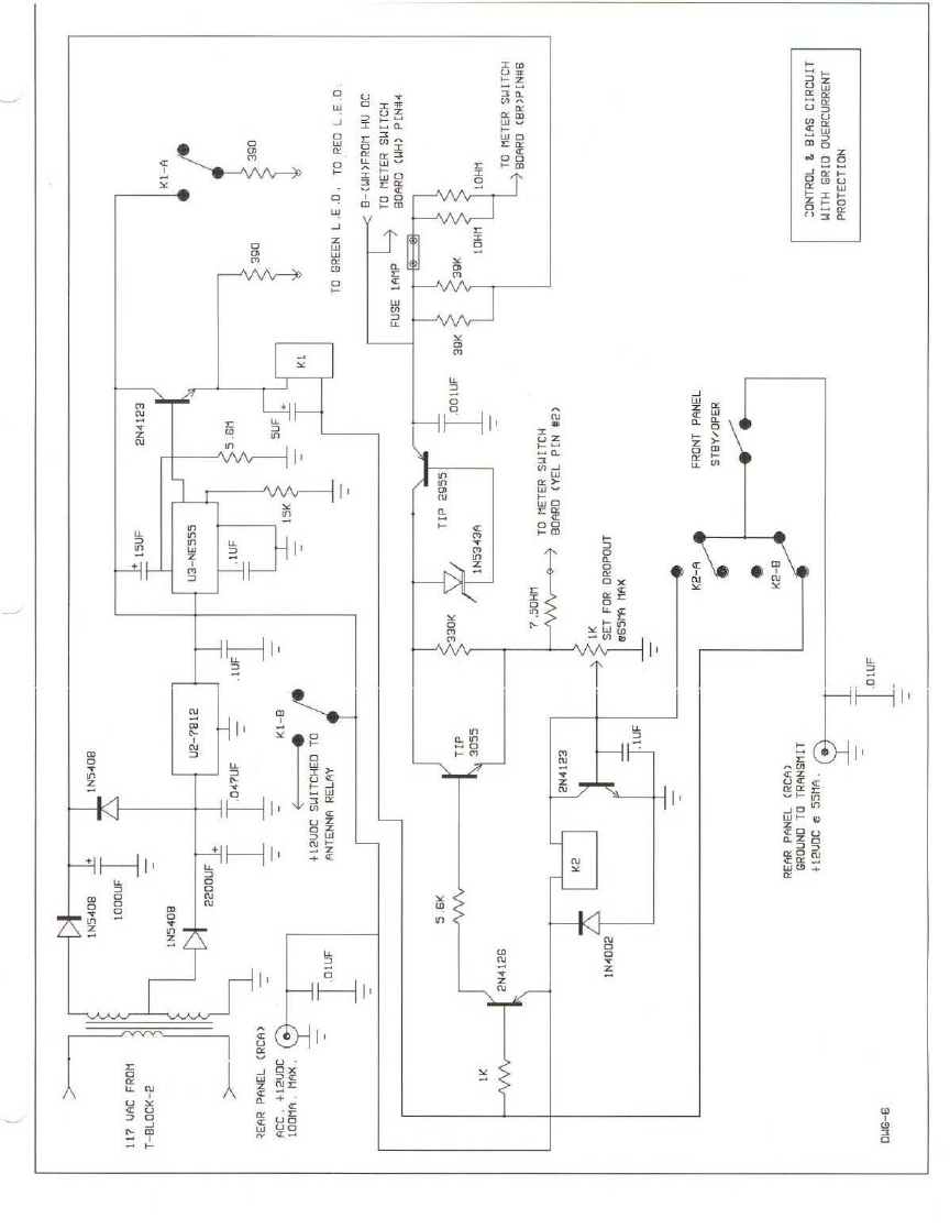
Over-Drive and Over-Grid current protection is provided by
an Auto-Reset circuit the places the amplifier in Stand-By if
a preset limit is exceeded.
Genuine Eimac 3CPX800A7 External Anode Triode(s) with
forced air cooling and modern circuitry, insure efficient and
conservative operation.
Reduced ratio (6 to 1) vernier drives on all tuning controls
allow smooth and easy tune-up.
Rear panel input tuning control allows a higher input circuit
"Q" for excellent linearity and a low input VSWR to exciter all
across the 6 meter band.
An automatic delay circuit, for proper cathode conditioning
before RF drive can be applied, extends tube life. A 50 ohm
resister in the plate supply positive lead and a 200 ohm
resister in the negative lead protect the tube in the event of
an arc.
The Commander VHF-1200\2000 feature a full compliment
of control and metering functions for easy on the air
operation.
A Dual Primary Power Transformer allows 117 / 234 VAC
operation. Additional primary taps are provided for 200 VAC
operation. Operation of the VHF-2000 on 117 VAC is not
recommended.
INSTALLATION PREPARATION
Location of your Commander VHF-1200/2000 requires that no equipment be placed
directly above it, as air expelled from the tube exhaust can become quite hot. Allow at
least 3 inches clearance on either side of the unit between other equipment.
To switch from transmit to receive the Commander VHF-1200/2000 requires a contact
closure or keying circuit capable of sinking 55 ma. of positive voltage (12 VDC. open
circuit) to ground. This connection is made to the RCA jack on the rear panel marked
relay. Read the manual that came with your Transceiver to find the proper external
connections. On some Transceivers, this is not provided, and an alternate circuit will be
required. You can key the unit manually by placing a shorted RCA plug in the relay jack
and using the standby / operate switch on the front panel. Always use shielded cable for
these connections.
The 12 VDC jack on the rear panel is an accessory for powering low current 12 VDC
devices (less than 100 mA.). Do not connect an external voltage source to the jack.
Connect a good quality Thruline Wattmeter between the Amplifier output jack and the
Antenna or Dummy Load using RG8 or better coax.
Connect the Exciter RF output to the Amplifier input using 50 ohm coax.
Connect as short a ground lead as possible from Earth Ground to the units rear panel
ground terminal.
TRANSFORMER INSTALLATION
(Hypersil VHF-1200/2000)
When mounting the hypersil transformer, place the VHF-1200/2000 so the
front panel faces your body. The wire leads coming out of the transformer
should be to the rear and the connector to the right. Place the transformer
in the unit aligning the transformer's mounting holes to the mounting holes
on the bottom of the chassis. Place the 1\4 - 20 screws threw the
mounting holes and chassis and secure with the 1\4 - 20 nuts and
washers. Connect the male-female "mate & lock" connector. Push hard to
insure that the two halves are locked together. The transformer should
now be installed ready for use.
TUBE INSTALLATION
Carefully remove the 3CPX800A7 tube(s) from the shipping carton.
This carton was located in the area where the transformer was installed. Place the
tubes in the tube socket with the proper pin alignment. If you have maintained the
proper pin alignment, the tubes should go into their sockets easily. If you have to use
undue pressure to insert the tubes, you may have the wrong pin alignment or one of the
pins may be bent. If necessary straighten pins with needle nose pliers and reinstall.
Install the parasitic chokes on the tube caps and replace the top and bottom covers.
The unit is now ready for operation.
117/200/234 VAC Operation
The Commander VHF-2000 comes factory wired for 234 VAC operation.
For best operation, you should use a dedicated 234 VAC main capable of
supplying 20 Amps of peak AC current. Unless for Export or user specified
all VHF-1200 Amps. are wired for 117 VAC.
All Commander Amplifiers manufactured for export are wired for 234 vac
or 200 vac depending on the final destination.
To convert the VHF-1200 to 234 VAC operation, remove the rear panel
connector cover located on the top left hand corner. CAUTION.... BE
SURE YOU HAVE REMOVED THE LINE CORD PLUG FROM YOUR
WALL SOCKET. IF YOU FAIL TO UNPLUG YOUR AMPLIFIER, YOU
WILL EXPOSE YOURSELF TO LETHAL VOLTAGES. After the cover
has been removed, do the following steps:
1. Loosen the screws and remove the jumper wire going from the terminal
block position 1 to 3. See illustration.
2. Unscrew and remove jumper connection at terminal block position 5
and place it at terminal block position 3. Secure all screws. See
illustration.
3. Replace rear panel connector cover
4. Remove the 117 volt plug and replace with an appropriate 3 prong 234
VAC 20Amp plug.
Connection Diagram
Connect the RF output of your transceiver to the RF IN connector on the rear of the
VHF-1200/2000 with 50 ohm coax. Connect the existing station antenna system to the
RF OUT connector on the VHF-1200/2000 with RG-8 type coax. Connect the RELAY
phono jack on the rear of the VHF-1200/2000 to the normally open terminal of the
RELAY jack on your transceiver. The RELAY jack on the VHF-1200/2000 have positive
12 VDC open circuit and requires the sinking of 55 MA of current when pulled to ground.
Connect as short a ground lead as possible from a good earth ground to the GROUND
post on the rear panel. The 12 VDC phono jack on the VHF-2000 rear panel provides
12 VDC at 100 MA maximum to operate external accessories or dial lamps. Connect
the ALC phono jack to the ALC connection on your transceiver using a shielded type
cable. Consult your transceiver manual for proper ALC connection details.
OPERATING PROCEDURE
After reading this manual and completing the Installation / Preparation Instructions.
Position the Commander VHF-1200/2000 front panel controls as follows.
ON / OFF - OFF
OPERATE / STANDBY - STANDBY
METER SWITCH - VP (PLATE VOLTAGE)
LOAD - 50 - MIDDLE OF RANGE
TUNE - MINIMUM CAPACITANCE (POINTER TO LEFT)
After presetting these controls, switch the ON / OFF switch to the ON position . At this
time you will hear the blower running and an indication of Plate Voltage on the meter.
(APPROX. 2650 VDC)
The 3CPX800A7(s) used in this Amplifier requires a warm up period before RF drive
can be applied. This is accomplished with the 555 timer IC and expiration is indicated
when the Green Power LED on the front panel comes on. This will take about 2
minutes.
When the Green Power light comes on the unit is ready for operation.
Switch the meter switch to the IP (plate current) position.
Switch the OPERATE / STANDBY switch to the operate and key the exciter with no RF
drive applied. The Red transmit light should come on, along with an indication of plate
idling current on the meter (approx.. 100 - 160 mA VHF-2000 80 - 100 mA VHF-1200)
Apply a low amount of RF drive (5 watts or less) and adjust the LOAD and then the
TUNE control for maximum output as indicated on an external Wattmeter. Complete this
adjustment as quickly as possible.
Again Key the exciter and while increasing the RF drive, adjust the LOAD control
counter-clockwise to obtain a peak in output power while keeping the grid current below
60mA. Readjust the TUNE control clock-wise for maximum output. Repeat this
procedure until the desired output is obtained. When increasing power output, the
TUNE capacitance will increase (clock-wise on the dial) and the LOAD capacitance will
decrease (counter-clockwise on the dial) When properly tuned, the grid current will be
peaked at the TUNE setting, and turning the LOAD counter-clockwise will decrease grid
current and power output. If the grid current rises keep turning counter-clockwise until it
does. Do not exceed 1000mA. (600mA VHF-1200 of plate current on key down. (see
chart typical operating conditions.) If you exceed 100mA. (70mA VHF-1200) of grid
current the amplifier will dropout to Standby, to reset you will have to unkey the
transmitter and reduce RF drive.

OPERATING PROCEDURE CONTINUED
With the meter switch in the Ip position and while monitoring grid current the
Commander VHF-1200/2000 is ready for on the air operation. Normal SSB operation is
indicated by plate and grid current meter readings on voice peaks of approximately 1\3
to 1\2 of the CW keydown value.
For FM or other high duty cycle modes limit output to 1000 watts (600 watts VHF-
1200) maximum.
If your planned operation is on SSB, you should adjust the load control
slight counter-clockwise, reducing the output slightly about 30 to 50 watts.
This adjustment is necessary to insure that the amplifier is sufficiently
loaded to handle the plate current peaks caused by the complex voice
patterns during SSB operation. Nominal plate and grid current readings
during SSB operation will be about 30 to 40% of the key down CW
readings.
CAUTION: THE TUNE AND LOAD AIR VARIABLE CAPACITORS MAY ARC IF
MAXIMUM DRIVE IS APPLIED BEFORE THE AMPLIFIER IS PROPERLY TUNED.
ALWAYS FOLLOW THE DESCRIBED TUNE UP PROCEDURE TO AVOID CAPACITOR
ARCING. ARCING MAY ALSO OCCUR IF YOU ATTEMPT TO TUNE INTO AN
ANTENNA WITH A VSWR GREATER THAN 2:1.
If you should need any further assistance tuning this amplifier, feel free to call
us at 1-800-736-0443 and our staff will be happy to help you.
If you are outside the United States we are available at 419-459-4689

TYPICAL OPERATING CONDITIONS
VHF-1200
DRIVE -- GRID CURENT -- PLATE CURENT -- POWER OUTPUT
12.5 20mA 400mA 450 Watts
18.5 30mA 500mA 650 Watts
30 50mA 600mA 1000 Watts
VHF-2000
DRIVE -- GRID CURENT -- PLATE CURE - POWER OUTPUT NT -
25 30mA 700 mA 1000 Watts
40 45mA 1000mA 1500 Watts
MADE IN THE U.S.A. BY HAMS FOR HAMS
COMMAND TECHNOLOGIES, Inc.
15719 CR 2.50
P.O. Box 326
EDON, OHIO 43518
419 459 4689
800-736-0443
Theory Of Operation
The Commander VHF-1200/2000 use Genuine Eimac 3CPX800A7
ceramic/metal triode(s) in a class AB2 grounded grid configuration.
Nominal drive power of 35 to 50 watts will deliver full rating of clean RF
output power.
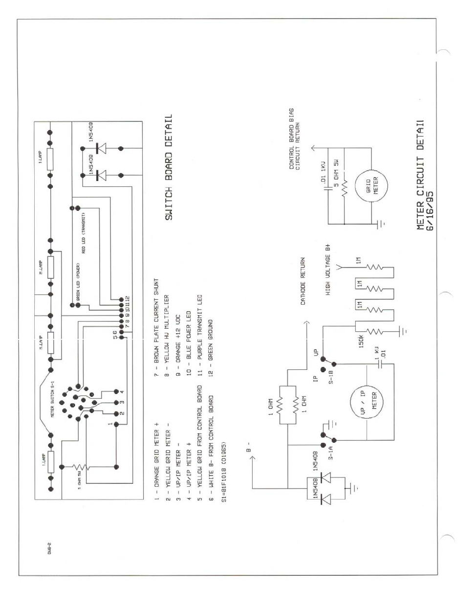
Metering Functions
The Commander VHF-1200/2000 have two illuminated panel meters.
The Grid Current meter provides a continuous reading of the 3CX800-A7s
grid current. The meter scale is 2 mA per division and the range is 0 to
100 MA. DO NOT EXCEED 60 mA OF GRID CURRENT ON THE VHF-
1200. DAMAGE TO YOUR TUBES COULD RESULT. Under typical
operating conditions the grid current will be 20-45 mA . Plate voltage and
Plate current are shown on the second meter. A function switch on the
front panel switches the meter from plate voltage (VP) to plate current (IP).
Plate current is shown on the top scale. Each division is 20 mA, and full
scale is 1500 mA. (1000 mA VHF-1200) The typical plate current under
nominal rated output should range from 900 to 1100 mA. (500 to 600 on
VHF-1200) with an absolute maximum of 1200 Ma. for SSB. (600 VHF-
1200) Plate voltage is indicated on the bottom scale with each division
reflecting .06 KV. The scale has a range from 0-3.0 KV. The nominal no-
load plate voltage should read approximately 2,600 volts. Plate voltage
under nominal full load should read approximately 2,300 volts.
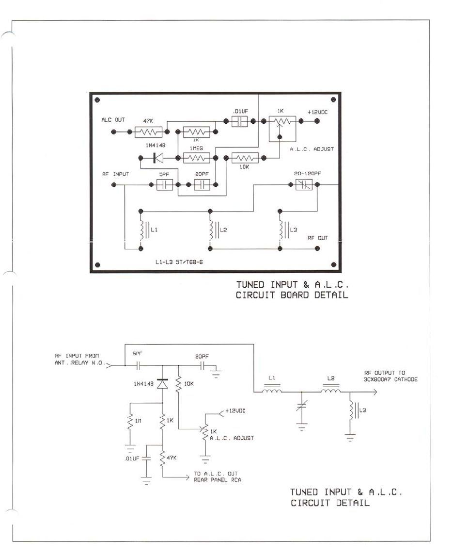
AUTOMATIC DRIVE LIMITING CONTROL
An adjustable automatic level control (ALC) circuit limits the peak output
power. When properly set, this circuit insures that the amplifier can not be
over driven. Rear panel access allows for easy manual adjustment . A
sample of the RF input derives the ALC voltage. Additionally this amplifier
has an RF negative feedback resistance in the cathode circuit to help
cancel excessive RF drive without reducing the amplifier's gain.
A.L.C. ADJUSTMENTS
Your transceiver's internal ALC will maintain linearity. The amplifier's ALC
will prevent over driving the amplifier. The VHF-1200/2000 ALC circuit
was designed for negative going ALC voltage. Proper adjustment is as
follows:
1. Use an insulated tool when making these adjustments.
2. Tune the amplifier for operation on the desired frequency for full
1500 watts output. (1200 watts on the VHF-1200)
3. With your transceiver set for SSB operation, set the transceiver's
microphone gain for normal operation as specified in its owners manual.
4. While speaking louder than normal into the microphone, adjust the
ALC control on the rear panel thru the access hole. Adjust for 1500 watts
(1200 on VHF-1200) maximum output as indicated on an external peak
reading wattmeter. If an average reading wattmeter is used, adjust for
approximately 600 watts output on voice peaks. (400 on VHF-1200)
TUNED INPUT CIRCUITS
The tuned input circuits utilize an L-C-L or "T" impedance matching circuit
with a high "Q" design. These circuits employ RF phase compensating
inductors to reduce intermodulation products. The use of mica trimmer
type capacitors allows adjustments to precisely match the transceiver to
the amplifier. The rear panel provides easy access to these trimmer
capacitors.
Tuned Input Adjustments
Your Commander amplifier has a mica trimmer capacitor which is easily
accessed thru the rear panel. The tuned input circuits are factory tuned
and should not require any readjustment. You can easily make
adjustments for any change in your preference for operating frequency
range. Also, slight adjustments may be necessary because of slight
variances in impedances between your transceiver and the tuned input
circuitry of the amplifier.
1. Install a SWR meter between the transceiver and the amplifier.
2. Make sure the Operate/Standby switch is in the operate position
and Your amplifier should also be properly tuned and loaded.
3. Apply drive and observe the SWR, and adjust the trimmer capacitor
for minimum SWR. Be careful not to overdrive the amplifier.
OUTPUT FILTER CIRCUIT
The PI variable network filter transforms the plate load impedance from
approximately 1600 ohms down to 200 ohms, Two air variable capacitors
and an associated inductor accomplish this transformation. A design "Q"
of 14 allows for good harmonic attenuation all across the band. The
utilization of a special reactance tuned powdered iron core 4 to 1
Transmission line transformer transforms the nominal 50 ohm antenna
impedance up to the 200 ohm output of the PI circuit. This also achieves
further harmonic attenuation of the output in the same manor as an "L" coil
in a Pi - L network. Additional harmonic attenuation is accomplished with a
bandpass filter on the output.
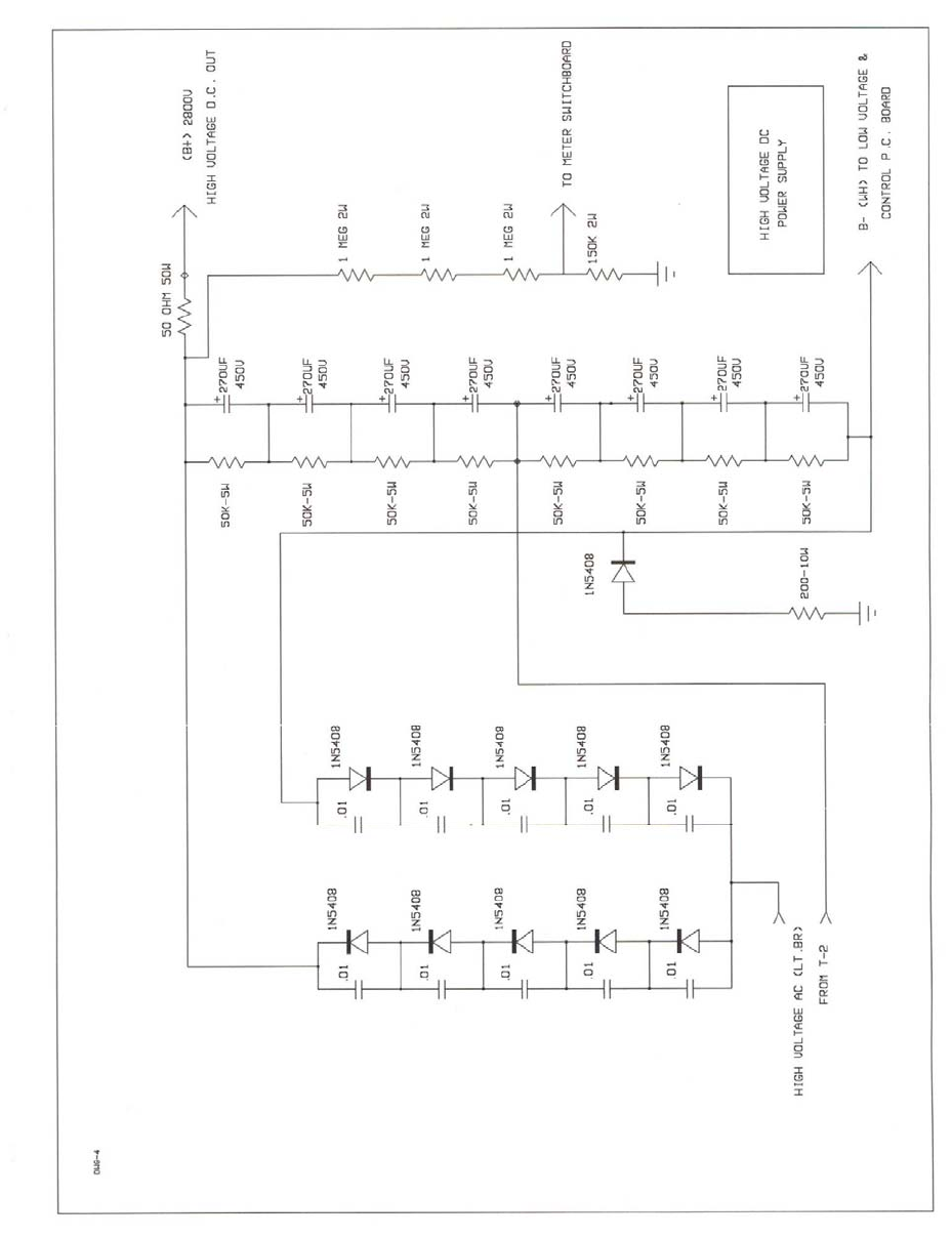
HIGH VOLTAGE SUPPLY
The high voltage supply operates from 117/200/234 Vac 20\30 ampere
line. The primary of the high voltage transformer is switched on/off with
solid state relays that during power up, only conduct when the phase
angle of the AC power line is at the 0 to +30 degree crossover point. This
minimizes line surge and inrush current while the high voltage filter
capacitors charge. The front panel on/off switch activates the solid state
relays with 2ma AC to turn the unit on. Approximately 900 volts AC is fed
to a full wave voltage doubler rectifier circuit. This supplies approx. 2600
volts DC to the 3CPX800A7s anodes. Metering of the tubes anode and
grid current is accomplished by shunt resistors located in the negative
return of the 3CPX800A7s cathodes. Plate voltage metering is
accomplished by a resistor multiplier network in the B+ line of the high
voltage circuit.
Limited Warranty
Command Technologies, Inc. warrants to the original purchaser, that our Commander
Amplifiers shall be free from defects in material, except Eimac 3CPX800A7 tubes, or
workmanship for five (5) years from the date of original purchase. Tubes are covered
by warranty granted from their manufacturer.
During the warranty period, Command Technologies, Inc. will correct defects in
material and workmanship. Original purchaser will pay all shipping charges. Command
Technologies, Inc. provides warranty parts and services according to the following
schedule:
1st year............................100% parts and labor
2nd year.............................50% parts and labor
3rd,4th and 5th year..........25% parts and labor
to obtain such warranty service, the purchaser must:
1. Notify Command Technologies as soon as possible after the discovery of
possible defect of:
a. The model number and serial number
b. Approximate date of purchase
c. A detailed description of the problem
2. Deliver the product to Command Technologies service facility, or ship the
same in its original container or equivalent, fully insured and shipping
charges prepaid.
Correct maintenance, repair, and use are important to obtain proper performance from
this product. Therefore, carefully read the Instruction Manual. This warranty does not
apply to any defect that Command Technologies, Inc. determines is due to :
1. Improper maintenance or repair including the installation of parts or
accessories that do not conform to the quality and specifications of the
original parts.
2. Misuse, abuse, neglect or improper installation.
3. Accidental or intentional damage.
All implied warranties, if any, terminate five years form the date of the original
purchase.
The foregoing constitutes Command Technologies entire obligation with respect to the
product, and the original purchaser and any user or owner shall have no other remedy
and no claim for incidental or consequential damages. Some states do not allow
limitations on how long an implied warranty lasts or do not allow the exclusion or
limitation of incidental or consequential damage, so the above limitation and exclusion
may not apply to you.
This warranty gives specific legal rights, and you may also have other rights which
vary from state to state.





