Communication Components CE-1819 Amplifier User Manual CE
Communication Components Inc Amplifier CE
Manual

Communication Components Inc.Communication Components Inc.
Communication Components Inc.Communication Components Inc.
Communication
Components Inc. 89 Leuning Street, S.Hackensack, NJ 07606
TEL: 201-342-3338 FAX: 201-342-3339
Cell Extender for Cell Extender for
CDMA/TDMACDMA/TDMA
Base Stations Base Stations

General Information:
Communication Component Inc.’s Cell Extender products are designed to extend the range and
coverage area of CDMA/TDMA type base stations in PCS wireless communications. Up-Link
loading equation shows that the number of subscribers is directly proportional to Eb/Io ratio and
also depends on the receiver noise to interference ratio. The Cell Extender boosts the output
power of the base station and, by increasing its ERP, increases the first parameter. It also
minimizes receiver noise level to decrease the second parameter. As a result of these
improvements, the number of subscribers in each sector where the cell extender is used, is
increased allowing for cost efficient implementation of high capacity radio networks. It also
provides low-noise amplification of the receive signal to improve system sensitivity and to
maintain a balanced link between the transmit and receive signals.
The Cell Extender is especially helpful on sites at the fringe of the covered territory, highway
sites, or any site with tall tower, and can be cost efficient and much more reliable alternative to
the repeater or TMA implementation.
The Cell Extender is easy to install, requires no maintenance, and is fully compatible with any
CDMA Base Station equipment. The Cell Extender offers maximum installation flexibility by
allowing to be installed at the bottom of the tower or on the top of the tower.
Cell Extender provides additional failure protection by including the by-pass circuitry which is
activated in case of the HPA or LNA failure. In this case the base station can continue to operate
with slightly degraded parameters.
•Configuration 1 -The Cell Extender is mounted on the tower structure, in close proximity to
the antenna. This configuration is ideal for environments where AC lines are not easily available
on the mounting structure. For this configuration, the Cell Extender should be ordered with the
Remote Power Option which includes a Bias-t and Remote Power Supply module to provide DC
power to the Cell Extender over the coaxial cable.
•Configuration 2-The Cell Extender is installed at the BTS level. This is intended for
applications where it is impractical to install any equipment other than the antenna on the
mounting structure.
Communication Components Inc.Communication Components Inc.
Communication Components Inc.Communication Components Inc.

Description:
The Cell Extender is specifically designed for compatibility with any CDMA Base Station
Equipment and is ensured to maintain the integrity of the signal upon amplification. This is
achieved by utilizing state-of-the-art LDMOS technology for power amplification, monolithic
Gallium-Arsenide technology for low noise receive amplification, and with particular emphasis on
low system group delay and linearity to minimize Bit-Error-Rate (BER) of digital transmissions.
The Cell Extender design is based on the building block approach and can be easily configured
for different type of base stations. It can contain equipment for two channels or for single
channel. Two channel operation allows to preserve diversity feature in a single box.. For
different base stations the half-duplex or full duplex approach can be utilized. CE-1819 consists
of a single compact unit with RF connectors and a single AC line for power or without it, if bias-T
option is included.. It is housed in a moisture proof NEMA 4X aluminum die-cast enclosure with
integrated heat sinks and is suitable for either outdoor or indoor installations. The Cell Extender
is designed to improve the performance of the whole transceiver unit that is provided with EBTS.
It contains redundant low noise amplifiers to boost the receive signals, redundant LDMOS-based
high power amplifiers to boost the transmit signal, duplexers, an integrated power supply and
alarm/control circuitry to monitor the operation of the unit and the by-pass circuitry. The Cell
Extender is powered by a conventional 110/220 VAC source or
be optionally DC-powered via the coax cable using the Remote Power Option.
Ordering Information: Options:
Model CE-1819 01: Single Channel Only
02: Monitoring Interface
03: Remote Power Option (with internal Bias-T)
-D: A & D Band Operation
-B: B Band Operation
-C: C Band Operation
Communication Components Inc.Communication Components Inc.
Communication Components Inc.
Communication Components Inc.

Electrical Specification : Up-Link Down-Link
•Model CE-1819-AD A&D Block: 1850-1870 MHz 1930-1950MHz
•Model CE-1819-B B Block: 1870-1885 MHz 1950-1965MHz
•Model CE-1819-C C Block: 1895-1910 MHz 1975-1990MHz
•Downlink:
System Gain 3 to 8 dB
Gain Flatness ± 0.5 dB Max
Operating Output Power/Single Carrier
(meeting ACPL CDMA requirements) 20 Watts Max
Output Third Order Intercept Point: +50 dBm Typ
Input/Output VSWR 1.5:1 Max
•Uplink:
System Gain 4 to 12 dB
Gain Flatness ± 0.5 dB Max
Noise Figure: 2.5 dB Max.
Output Third Order Intercept Point: +30 dBm Min.
Input/Output VSWR 1.5:1 Max
•Up-link/Down-link Isolation 80 dB Min
•By-Pass Insertion Loss 0.5 dB
•Operating Voltage: 115/220VAC or 28VDC
•Current Consumption: 3 A @ 120VAC
Alarms
One common alarm is standard
Mechanical Specifications :
•Dimensions: 14”x 8”x 7”
•Enclosure: NEMA 4X Aluminum Die-cast
•Connectors: “ N” or 7/16 DIN
•Weight: 20 Lbs. Max.
•Mounting: Mounting Studs
Communication Components Inc.Communication Components Inc.
Communication Components Inc.
Communication Components Inc.

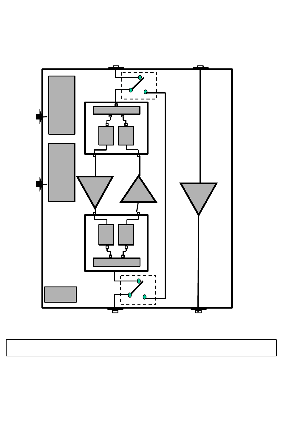
CDMA Cell Extender
BLOCK DIAGRAM
Monitor/
Alarm
(optional)
Power
Supply
Rx+Tx to Antenna
A1
Communication Components Inc.Communication Components Inc.
Communication Components Inc.Communication Components Inc.
89 Leuning Street Tel: 201 342-3338
S.Hackensack, NJ 07606 Fax: 201 342-3339
LNA PA
Rx/Tx DUPLEXER
Rx
BPF Tx
BPF
Rx/Tx
from EBTS
BIAS-T
(optional)
Rx/Tx DUPLEXER
Rx
BPF Tx
BPF
LNA
Rx to Antenna
A12
Rx
to EBTS
THIS EQUIPMENT COMPLIES WITH PART 15 OF THE FCC RULES. ANY CHANGES OR MODIFICATIONS NOR
EXPRESSLY APPROVED BY MANUFACTURER COULD VOID USER’S AUTHORITY TO OPERATE THE EQUIPMENT
Communication Components Inc.Communication Components Inc.
Communication Components Inc.
Communication Components Inc.

Communication Components Inc.Communication Components Inc.
Communication Components Inc.
Communication Components Inc.
1
3
10 7/8”
7.0”
CommunicationCommunication
Components Inc.Components Inc.
CELL EXTENDERCELL EXTENDER
CECE--18191819
Tx/Rx1
A1
BTS
Tx/Rx1
AC
Line
Alarm Out
(Red,Green)
A2
Rx2
BT
S
THIS EQUIPMENT COMPLIES WITH PART 15 OF THE FCC RULES. ANY
CHANGES OR MODIFICATIONS NOR EXPRESSLY APPROVED BY
MANUFACTURER COULD VOID USER’S AUTHORITY TO OPERATE THE
EQUIPMENT

Cell Extender Model CE-1819
Mounting Holes Pattern
12.2”
7.09”
Through hole,
4 places
D=0.27”
12.41
8.47”
THIS EQUIPMENT COMPLIES WITH PART 15 OF THE FCC RULES. ANY
CHANGES OR MODIFICATIONS NOR EXPRESSLY APPROVED BY
MANUFACTURER COULD VOID USER’S AUTHORITY TO OPERATE THE
EQUIPMENT
Communication Components Inc.Communication Components Inc.
Communication Components Inc.
Communication Components Inc.