Companion 137245130 User Manual 2.5 HP 10 BLADE COMPOUND MITER SAW Manuals And Guides L9910246
COMPANION Miter Saw Manual L9910246 COMPANION Miter Saw Owner's Manual, COMPANION Miter Saw installation guides
User Manual: Companion 137245130 137245130 COMPANION 2.5 HP 10 BLADE COMPOUND MITER SAW - Manuals and Guides View the owners manual for your COMPANION 2.5 HP 10 BLADE COMPOUND MITER SAW #137245130. Home:Tool Parts:Companion Parts:Companion 2.5 HP 10 BLADE COMPOUND MITER SAW Manual
Open the PDF directly: View PDF
.
Page Count: 28

Owner's Manual
2.5 HP (Max. Developed)
10" Blade
4500 R.P.M.
COMPOUND
MITER SAW
Model No.
137.245130
CAUTION:
Before using this miter saw,
read this manual and follow
all its Safety Rules and
Operating Instructions.
•Safety Instructions
• Installation
•Operation
• Maintenance
• Parts List
• Espa_5ol
Customer Help Line
1-800-843-1682
Sears, Roebuck and Co., Hoffman Estates, IL 6017_a_4_.
Part No. 137245130001

SECTION
Warranty .................
Product Specifications ......
Safety Instructions .........
Accessories and Attachments
Tools Needed .............
Carton Contents ...........
Know Your Miter Saw .......
Glossary of Terms .........
Assembly and Adjustments ..
Operation ................
Maintenance ..............
Troubleshooting guide ......
Parts ....................
=•g= =m= =e=
mo=a =e _a•.
e.e= wm• •Q•
m.la == i.•o
PAGE
°om.eil2
.=.m,el2
.o°.Qie3
.m.l.diS
.=g.ele6
e.i.mm.6
==a..e.8
...... 10
...................... 15
....................... 22
........................ 23
........................ 24
FULL ONE YEAR WARRANTY
If this product fails due to a defect in material or workmanship within one year from the date of purchase, Sears
will repair it free of charge.
Contact a Sears Service Center for repair.
If this product is used for commercial or rental purposes, this warranty applies only for 90 days from the date of
purchase.
This warranty gives you specific legal rights, and you may also have other rights which vary from state to state.
Sears, Roebuck and Co., Dept. 817 WA, Hoffman Estates, IL 60179
MOTOR
Power Source ............ 120V AC, 60 Hz, 13 Amps,
Horsepower .............. 2.5 Hp.(Max. Developed)
Speed ................. 4500 RPM
Brake .................. Electric
Double Insulated .......... Yes
MITER SAW
Cutting capacity:
Crosscut ................ 2-5/8" x 5-11/16"
Miter 45" R, & L........... 2-7/8" x 3-1/2"
Bevel 45 ° L.............. 1-9/16" x 5-11/16"
Compound 45° L., 45°R, & L..1-9/16" x3-1/2"
Rotation Table:
Diameter ............... 12-3/4"
Miter Detente Stops ....... 0, 15, 22.5, 31,6, 45" R. & L.
Bevel positive stops ...... 0", and 45" L.
Base dimensions ......... 19-11/16"x 12-11/16"
Net weight .............. 28.6 Lb.
Dust collection .......... Yes
Extension wing .......... Yes
To avoid electrical hazards, fire hazards, or damage to
the tool, use proper circuit protection.
Your miter saw is wired at the factory for 120V operation.
Connect to a 120V, 15 AMP time delay fuse or circuit
breaker. To avoid shock or fire, replace power cord
immediately if it is worn, cut or damaged in any way.

GENERAL SAFETY INSTRUCTIONS
BEFORE USING THE MITER SAW
Safety is a combination of common sense, staying alert
and knowing how to use your miter saw.
To avoid mistakes that could cause serious injury, do not
plug the miter saw in until you have read and understood
the following:
1. READ and become familiar with this entire instruction
manual, LEARN the tool's applications, limitations, and
possible hazards.
,
3.
KEEP GUARDS IN PLACE and in working order.
REMOVE ADJUSTING KEYS AND WRENCHES.
Form the habit of checking to see that keys and
adjusting wrenches are removed from the tool before
turning ON.
4. KEEP WORK AREA CLEAN. Cluttered areas and
benches invite accidents.
5,
.
DON'T USE IN A DANGEROUS ENVIRONMENT.
Don't use power tools in damp or wet locations, or
expose them to rain. Keep work area well lighted.
KEEP CHILDREN AWAY. All visitorsshould be kept at
asafe distance from the work area.
7+
8.
9.
MAKE WORKSHOP KID PROOF with padlocks, master
switches, or by removing starter keys.
DON'T FORCE THE TOOL. it will.do the job better
and safer at the rate for which it was designed.
USE THE RIGHT TOOL. Don't force tool or the
attachment to do a job for which it was not designed.
10. USE PROPER EXTENSION CORD. Make sure your
extension cord is in good condition. When using an
extension cord, be sure to use one heavy enough to
carry the current your product will draw. An undersized
cord will cause a drop in line voltage resulting in loss
of power and overheating. The table on page 5 shows
the correct size to use depending on co'rdlengthand
nameplate ampere rating. If in doubt, use the next
heavier gauge. The smaller the gauge number, the
heavier the cord.
11. WEAR PROPER APPAREL DO NOT wear loose
clothing, gloves, neckties, rings, bracelets, or other
jewelry which may get caught in moving parts.
Nonslip footwear is recommended. Wear protective
hair covering to contain long hair.
12.
13.
14.
15.
16.
17.
18.
19.
20.
21.
22.
ALWAYS WEAR EYE
PROTECTION. Any miter
saw can throw foreign
objects into the eyes which
could cause permanent eye
damage. ALWAYS wear
Safety Goggles (not glasses)
that comply with ANSi safety standard Z87.1.
Everyday eyeglasses have only impact-resistant
lenses. They ARE NOT safety glasses. Safety
Goggles are available at Sears, NOTE: Glasses or
goggles not in compliance with ANSI Z87.1 could
seriously hurt you when they break.
WEAR A FACE MASK OR DUST MASK.
Sawing operation produces dust.
SECURE WORK. Use clamps or a vise to hold work
when practical. It's safer than using your hand and it
frees both hands to operate tool.
DISCONNECT TOOLS before servicing, and when
changing accessories, such as blades, bits, cutters,
and the like.
REDUCE THE RISK OF UNINTENTIONAL STARTING.
Make sure the switch is in OFF position before
plugging in.
USE RECOMMENDED ACCESSORIES. Consult the
owner's manual for the recommended accessories.
The use of improper accessories may cause risk of
injury to persons.
NEVER STAND ON TOOL. Serious injury could occur
if the tool is tipped or if the cuttingtool is unintentionally
contacted.
CHECK FOR DAMAGED PARTS. Before further use of
the tool, a guard or other part that is damaged should
be carefully checked to determine that it will operate
properly and perform its intended function. Check for
alignment of moving parts, binding of moving parts,
breakage of parts, mounting, and any other conditions
that may affect its operation. A guard or other part that
is damaged should be properly repaired or replaced.
NEVER LEAVE TOOL RUNNING UNATTENDED.
TURN THE POWER OFF. Don't leave the tool until
it comes to a complete stop.
DON'T OVERREACH. Keep proper footing and
balance at all times.
MAINTAIN TOOLS WITH CARE. Keep tools sharp
and clean for best and safest performance. Follow
instructions for lubricating and changing accessories.
SAVE THESE INSTRUCTIONS
3

23. DIRECTION OF FEED. Feed work into a blade or cutter
against the direction of rotation of the blade or cutter
only.
24. WARNING: Dust generated from certain materials can
be injurious to your health. Always operate saw in weU
ventilated areas and provide for proper dust removal.
SPECIFIC SAFETY INSTRUCTIONS
FOR THIS MITER SAW
1. USE ONLY CROSS-CUTTING SAW BLADES.
When using carbide tipped blades, make sure they
have a negaUve hook angle. Do not use blades with
deep gullets as they can deflect and contact guard.
2. DO NOT operate the miter saw until it is completely
assembled and installed according to the instructions.
3. IF YOU ARE NOT thoroughly familiar with the operation
of miter saws, obtain advice from your supervisor,
instructor, or other qualified person.
4. ALWAYS hold the work firmly against the fence and
table. DO NOT perform any operation freehand.
5. KEEP HANDS out of the path of the saw blade. If the
workpiece you are cutting would cause your hand to be
within 6-1/2 inches of the saw blade, the workpiece
should be clamped in p_acebefore making the cut,
6. BE SURE the blade is sharp, runs freely, and is free
of vibration.
7. ALLOW the motor to come up to full speed before
starting cut.
8. KEEP the motor air slots clean and free of chips.
9. ALWAYS MAKE SURE all handles are tight before
cutting, even if the table is positioned in one of the
positive stops.
10. BE SURE blade and collar are clean and that the arbor
screw is tightened securely.
11. USE only blade collars specified for your saw.
12. NEVER use blades larger or smaller in diameter
than recommended.
13. NEVER apply lubricants to the blade when it is
running.
14, ALWAYS check the blade for cracks or damage before
operation. Replace a cracked or damaged blade
immediately.
15. NEVER use blades recommended for operation at less
than 4500 RPM.
16. USE the blade guards at all times.
17.ALWAYS keep the lower blade guard in place.
18. NEVER reach around the saw blade.
19. MAKE SURE the blade is not contacting the workpiece
before the switchis turned on.
20. NEVER unplug the saw withthe switchin the ON
position.
21. IMPORTANT: After completing the cut, release the
power switch and wait for the coasting blade to stop
before returning the saw to the raised position.
22. MAKE SURE the blade has come to a complete stop
before removing or securing the workpiece, changing
the workpiece angle, or changing the angle of the blade.
23. NEVER cut ferrous metals or masonry.
24. NEVER recut small pieces.
25. PROVIDE adequate support to the sides of the saw
table for long workpieces.
26. NEVER use the miter saw in an area with flammable
liquids or gases.
27. NEVER use solvents to clean plastic parts. Solvents
couldpossibly dissolve or otherwise damage the
material.
28. SHUT OFF the power before servicing or adjusting
the tool.
29. DISCONNECT the saw from the power source and
clean the machine before leaving it.
30. MAKE SURE the work area is clean before leaving
the machine.
31. SHOULD any part of your miter saw be missing,
damaged, or fail in any way, or any electrical component
fail to perform properly,shut off the switch and remove
the plug from the power supply outlet. Replace missing,
damaged, or failed parts before resuming operation.
ELECTRICAL REQUIREMENTS
POWER SUPPLY AND MOTOR
SPECIFICATIONS
The AC motor used in this saw is a universal,
nonreversibletype. See "MOTOR" in the "PRODUCT
SPECIFICATIONS" section on page 2.
To avoid electrical hazards, fire hazards, or damage to
the tool, use proper circuit protection. Your saw is wired
at the factory for 120V operation. Connect to a 120V, 15
amp. circuit and use a15 amp. time delay fuse or circuit
breaker. To avoid shock or fire, if power cord is worn or
cut, or damaged in any way, have it replaced immediately.
SAVE THESE INSTRUCTIONS

DOUBLE INSULATED []
The miter saw is double insulated to provide a double
thickness of insulation between you and the tool's
electrical system. All exposed metal parts are isolated
from the internal metal motor components with
protecting insulation.
Replacement parts -When servicing use only identical
replacement parts.
Polarized plugs - This saw has a plug that looks like
the one shown below:
To reduce the risk of electrical shock, this caw has a
polarized plug (one blade is wider than the other). This
plug will fit in a polarized outlet only one way. If the plug
does not fit fully in the outlet, reverse the plug. If it still
does not fit, contact a qualified electrician to install the
proper outlet. Do not change the plug in any way.
Double insulation does not take the place of normal
safety precautions when operating this tool.
To avoid electrocution:
1. Use only identical replacement parts when servicing
a tool with double insulation.
Servicing should be performed by a qualified
technician.
2, Do not use power tools in wet or damp areas or
expose them to rain.
This tool is intended for indoor use only.
MOTOR SAFETY PROTECTION
IMPORTANT:
To avoid motor damage, the motor should be blown OL_
or vacuumed frequently to keep sawdust from interfering
with the motor ventilation.
1. CONNECT this saw to a 120V, 15 amp. circuit with a
15 amp. time delay fuse or circuitbreaker. Using the
wrong size fuse can damage the motor.
2. IF the motor won't start, release the trigger switch
immediately. UNPLUG THE SAW. Check the saw
blade to make sure it turns freely. If the blade is free,
try to start the saw again, if the motor stilldoes not
start, refer to the "TROUBLESHOOTING CHART".
3. IF the saw suddenly stalls while cuttingwood, release
the tdgger switch, unplugthe tool, and free the blade
from the wood. The saw may now be restarted and
the cut finished.
4. FUSES may "blow" or circuitbreakers may trip
frequenUy if:
a. MOTOR is overloaded - overloading can occur if
you feed too rapidly or make too many start/stops
in a short time.
b. LINEVOLTAGE is more than 10% above or below
the nameplate voltage rating. For heavy loads,
however,the voltage at motor terminals must equal
the voltage specified on the name plate.
c. IMPROPER or dull saw blades are used.
5. Most motor troubles may be traced to k_oseor incorrect
connections, overload, low voltage or inadequate
power supply wiring.Always check the connections,
the load and the supply circuitif the motor doesn't run
well. Check wire sizes and length with the Extension
Cord Chart below.
GUIDELINES FOR EXTENSION CORDS
USE PROPER EXTENSION CORD. Make sure your
extension cord is in good condition.When using an
extension cord, be sure to use one heavy enough to carry
the current your product will draw. An undersized cord will
cause a drop in line voltage, resultingin loss of power and
cause overheating, The table below shows the correct size
to use depending on cord length and nameplate ampere
rating. If in doubt, use the next heavier gauge. The smaller
the gauge number, the heavier the cord.
Be sure your extension cord is properly wired and in
good condition,Always replace a damaged extensioncord
or have it repaired by a qualified person before using it.
Protect your extension cords from sharp objects,
excessive heat and damp or wet areas.
Use a separate electrical circuit for your tools. This
circuit must not be less than #12 wire and should be
protected with a 15 Amp time delay fuse. Before
connecting the motor to the power line, make sure the
switch is in the OFF position and the electric current is
rated the same as the current stamped on the motor
nameplate. Running at a lower voltage will damage the
motor.
(when using 120 volts only)
Ampere Rating Total length of cord In feet
morethan notmorethan 25' 50' 100' 150'
06 18 16 16 14
6 10 18 16 14 12
10 12 16 16 14 12
12 16 14 12 Not recommended
CAUTION: In a11cases, make certain the receptacle in
question is properly grounded, If you are not sure have
acertified electrician check the receptacle.
This miter saw is for indoor use only. Do not expose to
rain or use in damp locations.
SAVE THESE INSTRUCTIONS
5

PROHIBITED ACCESSORIES
Use only accessories recommended for this miter saw.
Follow instructions that accompany accessories. Use of
improper accessories may cause hazards.
The use of any cutting tool except 10 inch saw blades
which meet the requirements under recommended
accessories is prohibited. Do not use accessories such as
shaper cutters or dado sets. Ferrous metal cutting and the
use of abrasive wheels is prohibited.
Blade wrench (supplied) Adjustablewrench
Phillipsscrewdriver
Slottedscrewdriver Combination square
Do not attempt to modify this tool or create accessories
not recommended for use with thistool, Any such alteration
or modification is misuse and could result in a hazardous
condition leading to possible serious injury.
RECOMMENDED ACCESSORIES
Visit your Sears Hardware Department or see the Power
and Hand Tools Catalog to purchase recommended
accessories for this power tool.
COMBINATION SQUARE MUST BE TRUE
Draw light ,-,
line on board
along this edge. ,. --'
of
board 3/4" thick.
edge must be
perfectly straight.
To avoid the risk of personal injury, do not modify this
power tool or use accessories not recommended by
Sears.
Read warnings and conditions on your CARBIDE TIPPED
SAW BLADE. Do not operate the saw without the proper
saw blade guard in place. Carbide is a very hard but brittle
material. Care should be taken while mounting, using, and
storing carbide blades to prevent accidental damage. Slight
shocks, such as striking the tip while handling, can seriously
damage the blade. Foreign objects in the workpiece, such
as wire or nails, can also cause tips to crack or break off.
Before using, always visually examine the blade and tips
for bent blade, cracks, breakage, missing or loose tips, or
other damage. Do not use if damage is suspected. Failure
to heed safety instructions and warnings can result in
serious bodily injury.
Should be no gap or overlap
when square is flipped over
in dotted position
SAVE THESE INSTRUCTIONS
6

UNPACKING YOUR MITER SAW
PJ_i_YiJ,t3_
To avoid injury from unexpected starting or electrical
shock, do not plug the power cord into a source of power
during unpacking and assembly. This cord must remain
unplugged whenever you are working on the saw.
1. Remove the miter saw from the carton.
IMPORTANT: Do not lift the miter saw by the switch
handle or miter table handle. It may cause
misalignment, ALWAYS LIFT THE MACHINE BY
THE BASE HAND HOLDS.
,
3.
Place the saw on a secure stationary work surface.
Separate all parts from the packing material. Check
each one with the illustration to make certain all
items are accounted for, before discarding any
packing material.
If any part is missing or damaged, do not attempt to
assemble the miter saw, or plug in the power cord until
the missing or damaged part is correctly replaced. To
avoid electric shock, use only identical replacement parts
when servicing double insulated tools.
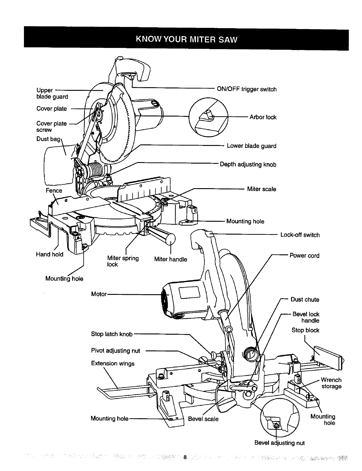
Hand
(both sides)
Blade wrench Miter table handle
Extension wings
Dust bag

Uppel
bladeguard
Coverplate
Cover
screw
ON/OFF trigger switch
Arbor lock
Lower blade guard
Depth adjusting knob
Fence Miter scale
Mounting hole
Lock-off switch
Hand hold ;ord
Mountin_ hole
Motor
Stop latch knob
lock
handle
Stop block
Pivot adjusting nut
Extension wings
storage
Mounting hole Bevel scale Mounting
hole
i,!!_i :
Bevel adjusting nut
8.... ,

COMPANION COMPOUND MITER SAWTERMS
ARBOR LOCK -Allows the user to keep the blade from
rotating while tightening or loosening the arbor screw
during blade replacement or removal.
BASE - Supports the table, holds accessories and
allows for workbench or leg set mounting.
BEVEL LOCK HANDLE - Locks the miter saw at a
desired bevel angle.
BEVEL SCALE -To measure the bevel angle of the saw
blade 0° to 45" left.
COVER PLATE SCREW - Loosen this screw and rotate
the plate for access to the blade arbor screw.
DUST CHUTE - Exhausts debris away from the user.
EXTENSION WINGS - Extend the width of the work table
for support while cutting long workpieces. They can be
used with or without a stop block as an additional side
fence.
FENCE - Helps to keep the workpiece from moving
when sawing. Scaled to assist with accurate cutting.
HAND HOLD - For moving the saw when unplugged.
LOCK-OFF SLIDE SWITCH - must be pushed forward
to activate the trigger switch.
LOWER BLADE GUARD - Helps protect your hands
from the blade in the raised position, it retracts as the
blade is lowered.
MITER HANDLE - Use to lock and unlock the miter
table, and to rotate the saw to a right or left cutting
position.
MITER SCALE - To measure the miter angle 0°to 45"
left, 0" to 45" right.
MITER SPRING LOCK -With the miter handle, locks
the miter saw at a preset positive stop for the desired
miter angle.
MOUNTING HOLES -To mount the miter saw to a stable
surface.
ON/OFF TRIGGER SWITCH - To prevent the trigger from
being accidentally engaged, a lock-off slide switch is
provided. To start the tool, push the lock-oft slide switch
forward and squeeze the trigger. Release the trigger to
stop the miter saw.
STOP LATCH - Locks the miter saw in the lowered
position for compact storage and carrying,
SWITCH HANDLE -The saw handle contains the trigger
switch and a lock-off slide switch. The blade is lowered
into the workpiece by pushing down on the handle, The
saw will return to its upright positionwhen the handle is
released.
WARNING LABEL - Read for your own safety.
WRENCH STORAGE - Convenient storage to prevent
misplacing the blade wrench.
WOODWORKING TERMS
ARBOR -The shaft on which a blade is mounted.
BEVEL CUT -An angle cut made through the face of
the workpiece.
COMPOUND CUT -A simultaneous bevel and miter cut.
CROSS CUT - A cut made across the width of the
workpiece.
FREEHAND - Performing a cut without using afence
(guide), hold down or other proper device to prevent the
workpiece from twisting during the cutting operation.
GUM - A sticky sap from wood products.
HEEL - Misalignment of the blade.
KERF -The amount of material removed by a blade out.
MITER CUT - An angle cut made across the width of the
workpiece.
RESIN -A sticky sap that has hardened.
REVOLUTIONS PER MINUTE (RPM) -The number of
turns completed by a spinning object in one minute.
SAW BLADE PATH -The area of the workpiece or table
top directly in line with the travel of the blade or the part
of the workpiece which will be cut.
SET -The distance between two saw blade tips, bent
outward in opposite directions to each other. The further
apart the tips are, the greater the set.
WORKPIECE -The item being cut. The surfaces of a
workpiece are commonly referred to as faces, ends, and
edges.
9

ASSEMBLY INSTRUCTIONS
To avoid injury, do not connect this miter saw to the
power source until this machine is completely assembled
and adjusted, and you have read and understood this
instruction manual.
INSTALLING THE MITER HANDLE (FIG. A)
1. Carefully thread the miter handle (1) into the hole (2)
located at the front of the miter table.
2. Tighten.
3. Loosen handle 1/4 turn or more to unlock the miter
table from its set position.To lock, tightenthe handle.
Fig. A
2
SAW BLADE WRENCH (FIG. B)
1. Store the blade wrench (1) in the saw housing slot (2),
at the rear of the saw base, to prevent loss.
Fig. B
2
RAISING THE CUTTING HEAD (FIG. C)
1. Push down slightly on the cutting head handle (1).
2. Pull out the stop latch knob (2).
3. Allow the cutting head (3) to raise to the up position.
To avoid injury and damage to the saw, transport or store
the miter saw with the cutting head locked in the down
position. NEVER use the stop latch to hold the cutting
head in a down position for cutting operations.
Fig. C
LOCKING THE CUTTING HEAD (FIG. C)
When transporting or storing the miter saw, the cutting
head should always be locked in the down position.
1. Push the cutting head (3) down to its lowest position.
2. Push the stop latch (2) into the locking hole (4).
IMPORTANT: To avoid damage, never carry the miter
saw by the switch handle, the cuttingarm, or the miter
table handle. ALWAYS use the hand holds in the base.
INSTALLING THE DUST BAG (FIG. D)
1. To install the dust bag (1), squeeze the metal collar
wings (2) to enlarge the neck opening.
2. Place the dust bag opening around the dust exhaust
port (3), and release the metal collar wings.
Fig. D
I2
3
10

INSTALUNG THE EXTENSION WINGS (FIG. E)
To avoid personal injury or possible damage, support
long workpieces while cutting by installing the extensl0n
wings to increase the width of the workpiece.
NOTE: The extension wings are provided with an end
stop bracket (1), and may be installed with or without it.
To Install with the end stop:
1. Place bracket (2) on the ends of the extension
wing (3).
2. Insert the ends of the extension rod into the holes (4)
at the side of the table.
3. Align the top bracket ho_e(5) to the table hole (6)
from the underside of the table.
4. Thread the Phillips head bolt (7) through the hole in
the table top, and through the bracket,
5. Adjust the length of the rods and tighten the bolt.
6. Adjust the position of the end stop block (1) by
loosening the wing nut (8) and sliding the end stop to
the desired position. Tighten the wing nut.
To Install without the end stop:
1. Loosen the wing nut and slide the end stop off the
extension rod before installing as above,
'ig. E
0\
7
3. Loosen the cover plate screw (2) with aPhillips
screwdriver.
4. Rotate the cover plate (3) to expose the arbor
screw (4).
5. Place the blade end wrench over the arbor screw.
Fig. F
1
.
7.
(Figure G) Locate the arbor lock (5) on the motor,
below the miter saw switch handle.
Press the arbor lock, holding it in firmly while turning
the blade wrench clockwise. The arbor lock wilt
engage after turning the wrench. Continue to hold
the arbor lock in to keep it engaged, while turning
the wrench clockwise to loosen the arbor screw.
Fig. G
4
5
3 8
REMOVING OR INSTALLING THE BLADE
Use only a 10 inch diameter blade.
To avoid injury from an accidental start, make sure the
switchis in the OFF position and the plug is not connected
to the power source outlet.
REMOVING BLADE (FIG. F, G, H)
1. Unplug the saw from the outlet.
2. (Figure F) Allow the miter saw to rise to the upright
position. Raise the lower blade guard (1) to the up
position.
11 •.

8. (Figure H) Remove the arbor screw (4), arbor
washer (6), outer blade collar (7), and the blade (8).
Do not remove the inner blade collar.
NOTE: Pay attention to the pieces removed, noting
their position and direction they face. Wipe the blade
collars clean of any sawdust before installing the new
blades.
Fig. H
4
6
7
8
ADJUSTMENTS
To avoid injury from an accidental start, make sure the
switch is in the OFF position and the plug is not connected
to the power source outlet.
ADJUSTING FENCE SQUARENESS
TO BLADE (FIG.I)
1. Loosen the two fence locking screws (1).
2. Using a square, lay the heel of the square against
the blade, and the rule against the fence (2) as
shown. Check to see if the fence is 90" to the blade.
3. Adjust the fence to be 90°to the blade and tighten
the two fence locking screws.
CAUTION: If the saw has not been used recently,
recheck blade squareness to the fence and readjust
if needed.
Fig. I
INSTALLING BLADE (FIG. F, G, H)
g, Install a10" blade, making sure the rotation arrow on
the blade matches the clockwise rotationarrow on the
upper guard, and the blade teeth are pointing downward.
10. Place the arbor washer (6) on the arbor screw (4).
Install the outer blade collar (7) and the arbor screw
and washer. (FIG. H)
IMPORTANT: Make sure the fiats of the blade collar
are engaged with the flats on the arbor shaft.
11. Place the blade wrench on the arbor screw.
12. Press the arbor lock (5), holding it in firmly white
turning the blade wrench counterclockwise.
When it engages continue to press the arbor lock in,
white tightening the arbor screw securely. (FIG. G)
13. Rotate the cover plate (3) back until the slot in the
cover plate engages with the cover plate screw (2).
Tighten the screw with a Phillips screwdriver.
14. Lower the blade guard (1). (FIG. F)
15. Be sure the arbor lock is released so the blade turns
freely.
To avoid injury,never use the saw without the cover plate
securely in place. It keeps the arbor screw from falling out
if it accidentally loosens, and helps prevent the spinning
blade from coming off the saw.
Make sure the collars are clean and properly arranged.
After installing a new blade, make sure the blade clears
the table slot at the 0" and 45" bevel positions. Lower the
blade into the lower table and check for any contact with
the metal base or the turn table.
MITER SCALE (FIG. J)
The miter scale on the table has nine angle settings with
positive stops, to position a desired angle miter fast and
accurately.
To Adjust the Angle:
1. Unlock the miter table by turning the miter handle (1)
counterclockwise.
2. Press down the miter spring lock (2) while holding
the miter handle, and rotate the table to the desired
angle.
To Adjust the Indicator:
1. Place the miter table at the zero position stop (3).
2. Loosen the indicator screw (4) with a screwdriver.
Adjust the indicator to the 0° mark on the miter scale
and tighten the screw.
12

Fig. J Fig. L
3
CUTTING ARM TRAVEL (FIG. K, L) rt_kvir/±1--1_11_€
Cutting arm pivot (FIG. J)
The pivot movement of the cutting arm (1) should not be
too tight, restricting movement, nor too loose, affecting
the accuracy of the saw cut. The correct adjustment is
snug with no side movement. To adjust, tighten or loosen
the adjusting nut (2).
Fig. K
To avoid injury from unexpected starting or electrical
shock, do not plug the saw in. The power cord MUST
remain unplugged whenever you are working on the saw.
BEVEL STOP ADJUSTMENTS (FIG. M, N)
NOTE: To ensure accurate cuts, alignment should be
checked and adjustments made prior to use.
90" Bevel adjustment (FIG. M)
1. Loosen the bevel lock handle (1) and tilt the cutting
arm completely to the right. Tighten the bevel lock
handle.
2. Using a combination square (3), place the square
rule on the table and the heel against the blade.
Check that the blade is 90" to the table. (FIG. M)
3. To adjust, loosen the Iocknut, and turn the
screw (2) until the blade is 90" to the table. Tighten
the Iocknut.
Fig. M
Cutting head downward travel (FIG. L)
Before each cutting operation, check the position of the
blade. If it contacts any metal surface, the depth of
movement can be adjusted.
1. Lower the blade as far as possible.
2. Loosen the Iocknut (1).
3. Turn the adjusting screw (2) in or out.
4. Rotate the blade by hand to check for contact.
5. Repeat until adjusted properly, and tighten the
Iocknut.
13

Bevel indicator (FIG. N)
1. When the blade is exactly 90" to the table as shown
by the combination square, loosen the positive stop
hex head bolt (1).
2. Adjust the red indicator (2) to the "0" mark (3) and
tighten the bolt,
Fig. N
3
45" Bevel adjustment (FIG. M, N)
1. Adjust the blade to 90" with the combination square,
and the bevel indicator to show "0" as explained
above.
2. Unlock the bevel lock handle and tilt the cutting
arm as far as possible.
3. The blade tilt will stop at a 45" bevel, and the
indicator will point at the "45" mark.
4. Tighten the bevel lock handle.
NOTE; Once the 90" adjustment is made correct, the
45" adjustment wilt be correct.
MOUNTING THE MITER SAW (FIG. O)
• Place the saw on a firm, level work-surface where
there is room for handling and properly supporting
the workpiece.
•Support the saw on a level work surface.
•Bolt or clamp the saw to its support.
Place the saw in the desired location, either on awork
bench or recommended leg set. The base of the saw has
four mounting holes (1).
For stationary use, fasten the saw to a workbench.
For portable use, fasten the saw to a 3/4" piece of
plywood.This mountingboard can then be clamped to a
secure surface.
Fig, O
Portable use
o
I
Hand ho_ _1 .... _.y.w..
access
(1)
Stationary use
To avoid Injury from unexpected saw movement:
•Before moving the saw, disconnect the power cord
from the outlet, and lock the cutting arm in the lower
position using the stop latch.
NOTE: The stop latch is for carrying and storage
use only. It is NOT to be used for holding the saw
while cutting.
• To avoid back injury, lift by using the hand hold
access at the bottom of the base. Bend with your
knees, not your back.
•Never carry the miter saw by the power cord or by
the switch handle. Carrying the tool by the power
cord could cause damage to the insulation or the
wire connections resulting in electric shock or fire.
• To avoid injury from flying debris, do not a{Iow
visitors to stand behind the saw.
(1)

SAFETY INSTRUCTIONS FOR BASIC
SAW OPERATION
BEFORE USING THE MITER SAW
To avoid mistakes that could cause serious, permanent
injury, do not plug the miter saw in untilthe following steps
are completed:
Completely assemble and adjust saw, following the
instructions.(See ASSEMBLY AND
ADJUSTMENTS Section)
Learn the use and function of the ON/OFF switch,
lock-off switch, upper and lower blade guards, stop
latch, bevel lock handle, and cover plate screw.
(See KNOWYOUR MITER SAW Section)
Review and understand all safety instructions and
operating procedures in this owner's manual.
(See SAFETY & OPERATIONS Sections)
Review the care and troubleshooting instructions
for your miter saw. (See MAINTENANCE SecUon)
To avoid injury or death from electrical shock:
Make sure your fingers do not touch the plug's
metal prongs when plugging or unplugging your
miter saw. (See SAFETY -ELECTRICAL
REQUIREMENTS Section)
BEFORE EACH USE
Inspect your saw.
•Disconnect the miter saw. To avoid injury from
accidental starting, unplug the saw before any
adjustments, including set-up and blade changes.
•Compare the dlrecUon of rotation arrow on the guard
to the direction arrow on the blade. The blade teeth
should always point downward at the front of the saw.
•Tighten the arbor screw.
•Tighten the cover plate screw.
•Check for damaged parts. Check for:
•Alignment of moving parts
•Damaged electric cords
•Binding of moving parts
•Mounting holes
• Function of arm return spring and lower guard:
Push the cutting arm all the way down, then let it
rise until it stops. The lower guard should fully
close. Follow instructionsin TROUBLESHOOTING for
adjustment.
•Other conditions that may affect the way the miter
saw works.
•Keep all guards In place, in working order and proper
adjustment.
If any part of this miter saw is missing, bent, damaged or
broken in any way, or any electrical parts don't work, turn
the saw off and unplug it. Replace damaged, missing, or
defective parts before using the saw again.
•Maintain tools with care. Keep the miter saw clean for
best and safest performance. Follow instructions for
lubricating, Don't put lubricants on the blade while it's
spinning.
•Remove adjusting wrench from the tool before turning it
on.
J
•To avoid Injury from Jams, slips, or thrown plecas:
USE ONLY RECOMMENDED ACCESSORIES
•Consult the ACCESSORIES section of this Owner's
Manual for recommended accessories. Follow the
instructionsthat come withthe accessory.The use of
improperaccessoriesmay cause risk of injury to persons.
•Choose the right 10 Inch diameter blade for the
material and the type of cutting you plan to do.
•Make sure the blade Is sharp, undamaged and properly
aligned. With the saw unplugged, push the cutting arm
all the way down. Hand spin the blade and check for
clearance.Tilt the cutting head to a 45" bevel and repeat
the check.
•Make sure the blade and arbor collars are clean.
•Make sure all clamps and locks are tight and there is
no excessive play in any parts.
KEEP YOUR WORK AREA CLEAN
Cluttered areas and benches invite accidents.The floor must
not be slippery.
To avoid burns or other fire damage, never use the miter
saw near flammable liquids, vapors, or gases.
•Plan ahead to protect your eyes, hands, face, ears.
•Know your miter saw.
Read and understand the owner's manual and labels
affixed to the tool. Learn its application and limitations as
well as the specific potential hazards peculiar to this tool.
To avoid injury from accidental contact with moving parts,
don't do layout, assembly, or setup work on the miter
saw while any parts are moving,
•Avoid accidental starting.
Make sure the switch is OFF before plugging the miter
saw into a power outlet.
..... _t t ::
15

PLAN YOUR WORK
• Use the right tool. Don't force a tool or attachmentto do
ajob it was not designed to do Use a different tool for any
workpiece that can't be held in a solidly braced, fixed
position.
CAUTION: This machine is not designed for cutting
ferrous metals (steel, iron, and iron-based metals.) Use
this miter saw to cut only wood, wood-like products, or
soft metals like aluminum. Other material may shatter,
bind the blade, or create other dangers. Remove all nails
that may be in the workpiece to prevent sparking that could
cause a fire.
DRESS FOR SAFETY
Any power miter saw can throw foreign objects into the
eyes. This can result in permanent eye damage. Wear
safety goggles (not glasses) that comply with ANSI
Z87.1. Everyday eyeglasses have only impact resistant
lenses. They are not safety glasses. Safety goggles are
available at Sears retail stores. Glasses or goggles not in
compliance with ANSI Z87.1 could seriously hurt you
when they break.
•Do not wear loose clothing, gloves, neckties or jewelry
(rings, watches). They can get caught and draw you
into moving parts.
•Wear non-slip footwear.
•Tie back long hair.
•Roll long sleeves above the elbow.
•Noise levels vary widely. To avoid possible hearing
damage, wear ear plugs when using any miter saw.
•For dusty operations, wear a dust mask along with
safety goggles.
•Make sure there are no gaps between the workpiece,
fence and table that will let the workpieca shift after it
is cut.
• Keep the cut off piece free to move sideways after it
is cut. Otherwise, it could get wedged against the
blade and thrown violently.
•Only the workpiece should be on the saw table.
•Secure work. Use clamps or a vise to help hold the
work when it's practical.
USE EXTRA CAUTION WITH LARGE, VERY
SMALL, OR ODD SHAPED WORKPIECES.
•Use extra supports (tables, sawhorses, extension
wings [included], blocks, etc.) for any workpioce
large enough to tip when not held down to the table
top.
•Never use another person as a substitute for a table
extension, or as an additional support for a workpiece
that is longer or wider than the basic miter saw table,
or to help feed, support, or pull the workpiece.
•Do not use this saw to cut pieces too small. If the
workpiece being cut would cause your hand or
fingers to be within 6-1/2 inches of the saw blade,
the workpiece must be damped inplace before cutting.
Keep hands and fingers out of the "no hands zone"
area marked on the saw table.
•When cutting odd shaped workpieces, plan your work
so it will not bind in the blade and cause possible
injury. Molding, for example, must lie flat or be held
by a fixture or jig that will not let it move when cut.
•Properly support round material such as dowel rods,
or tubing, which have a tendency to roll when cut,
causing the blade to "bite".
INSPECTYOUR WORKPIECE
Make sure there are no nails or foreign objects in the
part of the workpiece being cut.
Plan your work to avoid thrown pieces caused If
the workplece binds on the blade and Is torn from
your hands.
Plan the way you will hold the workpiece from start to
finish. Avoid awkward operations and hand positions
where a sudden slip could cause your fingers or hand to
move into the blade.
DON'T OVER-REACH
Keep good footing and balance. Keep your face and
body to one side, out of the line of a possible throwback.
Never cut freehand:
•Brace your workpiece firmly against the fence and
table top so it will not rock or twist during the cut.
•Make sure there is no debris between the workpiece
and the table or fence.
To avoid injury,follow all applicable safety instructions,
when cutting non-ferrous metals:
•Use only saw blades specifically recommended for
non-ferrous metal cutting.
•Do not cut metal workpieces that must be hand held.
Clamp workpieces securely.
•Cut non-ferrous metals only if you are experienced or
under the supervision of an experienced person.
WHEN SAW IS RUNNING
Don't allow familiarity gained from frequent use of your
miter saw to result in a careless mistake. A careless
fraction of a second is enough to cause a severe injury.
Before cutting, if the saw makes an unfamiliar noise or
vibrates, stop immediately. Turn the saw off. Unplug the
saw. Do not restart until finding and correcting the
problem.

BASIC SAW OPERATIONS
For your convenient use, your saw has a blade brake. The
brake is not a safety device. Never rely on it to replace the
proper use of the guard on your saw. If the blade does not
stop within 6 seconds, unplug the saw and followthe
instructions in the TROUBLESHOOTING Section for
adjusting the brake before continued use.
TO TURN THE MITER SAW OFF, RELEASE _'HE
TRIGGER SWITCH.
TO TURN THE SAW ON (FIG. P)
This miter saw is equipped with an ON/OFF trigger switch
(1) and a slide lock-offswitch (2). The slide lock-offswitch
must be pushed forward to unlock, and the trigger switch
squeezed, to turn the miter saw ON.
NOTE: Make the ON/OFF switch child-proof. Insert a
padlock, or chain with padlock, through the holes in the
trigger switch, locking the tool's switch, preventing children
and other unauthorized users from turningthe machine on.
The miter saw is equipped with an automatic blade brake.
When the trigger switch is released, the electric blade
brake will stop the blade in seconds.
To avoid injury, after completing a cut and releasing the
trigger switch, allow the blade brake to activate and stop
the blade before raising the cutting head.
To avoid injury, check and tighten the arbor screw
periodically.
2
Fig. P
BODY AND HAND POSITION (FIG. Q)
Proper positioning of your body and hands when
operating the miter saw will make cuttingeasier and safer.
Never place hands near the cuttingarea. Place hand at least
6-1/2" away from the path of the blade. Hold workpiece
firmly against the fence to prevent movement toward the.
blade. Keep hands in position unti_ the trigger has been
released and the blade has completely stopped. Before
making a cut, with the power switch in the OFF position
bring the saw blade down to the workpiece to see the
cutting path of the blade.
•Keep children away. Keep all visitorsa safe distance
from the miter saw. Make sure bystanders are clear of the
miter saw and workpiece.
•Don't force tool. It will do the job better and safer at its
designed rate. Feed the saw into the workpiece slowly
with a firm downward motion,
•Before freeing jammed material:
• Turn switch OFF.
•Unplug the miter saw.
•Wait for all moving parts to stop.
•After finishing acut:
•Keep holding the power head down,
• Release the switch, and wait for aU moving parts
to stop before moving your hands.
• If the blade doesn't stop within 6 seconds, unplug
the saw and follow the instructions in the
TROUBLESHOOTING Section for adjusting the
blade brake before using the saw again.
Fig. Q
6 1/2"
#_,, I_ ,
t t,
!I t
iI!
i I I
i I
t t @
61/2"

BEFORE LEAVING THE SAW
•Never leave tool running unattended. Turn power
OFF. Wait for all moving parts to stop.
•Make workshop child-proof. Lock the shop.
Disconnect master switches. Store tool away from
children and other unqualified users.
MITER CUT (FIG. R)
When a miter cut is required, unlock the miter table by
turning the miter handle (1) counterclockwise.
While holding the handle, press down the spring !ock (2)
to release the table from the positive stops• Rotate the
table to the right or left with the miter handle. When the
table is in the deldltDdI_jlion as shown on the miter
scale (3), release tile spring lock and tighten the miter
handle.
The table is now locked at the desired angle.
Positive stops are provided at 0, 15, 22.5, 31,6, and 45".
IMPORTANT: ALWAYS TIGHTEN the miter table lock
handle before cutting.
Fig. R
COMPOUND CUT (FIG.T)
When s compound cut is required,
1. Loosen the bevel lock handle (1) and position the
cutting head at the desired bevel position. Lock the
bevel lock handle.
2. Loosen the miter table lock handle (2). Press down
the miter spring lock (3) and position the table at the
desired angle. Release the spdng lock and lock the
miter handle.
Fig, T
3
1
BEVEL CUT (FIG. S)
When a bevel cut is required, loosen the bevel lock
handle (1).
Tilt the cutting head to the desired angle as shown on the
bevel scale (2). The blade can be positioned at any
angle, from a 90 +straight cut (0" on the scale) to a45"
left bevel. Tighten the lock handle (1) to lock the cutting
head in position. Positive stops are provided at 0 and 45°.
Fig. S
CUTTING BOWED MATERIAL (FIG. U)
A bowed workpiece must be positioned and cut as
illustrated. Do not position workpiece incorrectlyor try to
cut the workpiece without the support of the fencs. This
will cause the blade to bind and could result in personal
injury.
Fig. U

WORKPI|CE SUPPOFn" (FIG, V)
Long pieces need extra support. Use the extension
wings packed with your saw, or place other support
under the workpiece. Keep your hand holding the
workpiece positioned 6 -I/2" or more away from the
blade. The support must let the workpiece lay flat on the
work table during the cutting operation.
NOTE: When mounted on a flat surface, the miter saw
table is 3-13/16 inches high.
Fig. V
AUXILIARY WOOD FENCE (FIG. W)
When making multiple or repetitive cuts that result in
cut-off pieces of one inch or less, it is possible forthe saw
blade to catch the cut-off piece and throw it out of the saw
or into the blade guard and housing, possibly causing
damage or injury.To minimize this an auxiliary wood fence
can be mounted to your saw.
Holes are provided in the saw fence to attach an
auxiliary wood fence. This fence is constructed of straight
wood approximately 11/16 inch thick by 3 Inches high by
19-1/2 inches long.
Attach the wood fence securely and make a full depth
cut to make a blade slot.
Check for interference between the wood fence and the
lower blade guard. Adjust if necessary.
NOTE: This auxiliary fence is used only with the saw
blade in the 0" bevel position (90" to the table). The
auxiliary wood fence must be removed when bevel
cutting.
Fig. W
313/16"
CutUng capacity with auxiliary fence
Crosscut
Miter 45" R. & L.
Bevel 45" L
Compound 45" L, 45" R. & L
3-1/2" x 3-9/16"
3-1/2" x 2-3/8"
2-3/16" x 3-11/16"
1-3/4" x 2-1/4"
313/16"

CU'I'rlNG A DIMENSIONAL 4X4 (3-1/2" X 3-1/2")
WITH ONE CUT (FIG. X)
A dimensional 4 x 4 may be cut in half with one cut by
attaching an auxiliary wood fence of 1/2 inch thick. See
AUXILIARY WOOD FENCE above.
Fig. X Auxiliary fence
Miter saw fence /
CU'B'ING BASE MOLDING (FIG. Z)
Base moldings and many other moldings can be cut on
a compound miter saw. The setup of the saw depends on
molding characteristics and application, as shown.
Perform practice cuts on scrap material to achieve best
results:
1. Always make sure moldings rest firmly against fence
and table. Use hold-down or C-clamps, whenever
3-1/2"-_] possible, and place tape on the area being clamped to
2. Reduce splintering by taping the cut area prior to
making cut. Mark cutUne directly on the tape.
1/2" 3. Splintering typically happens due to wrong blade
application and thinness of the material.
Fig. Z
J
Miter saw table
VERTICAL MITER CUTTING (FIG. Y)
To make a miter cut in a 2 x 4workpiece (1-5/8" x 3-1/2")
in the vertical position on edge a spacer such as the
auxiliary wood fence described in the AUXILIARY WOOD
FENCE Section is required. Miter saw table
Fig. Y
FI
el
nl
cl
Miter sawtable
Miter at 45°, bevel at 0° Miter at 0°, bevel at 45 o
Auxiliary fen_
Miter saw_
1_--1-5/8'_--_ ._,Workpiece
_j 3-1/2"
}(' _ Miter saw
// _ table
// J
NOTE: Always perform a dry run cut so you can
determine if the operation being attempted is possible
before power is applied to the saw.
.... 20

cu'n'ING CROWN MOLDING (FIG. AA, BB)
Your compound miter saw is suited to the difficult task of
cutting crown molding. To fit properly, crown molding
must be compound-mitered with extreme accuracy. The
two surfaces on a piece of crown molding that fit flat
against the ceiling and wall are at angles that, when
added together equal exactly 900.
Most crown molding has atop rear angle (the section
that fits flat against the ceiling) of 52o and a bottom rear
angle (the section that fits flat against the wall) of 38 o.
In order to accurately cut crown molding for a 90°inside
or outside corner, lay the molding with its broad back
surface flat on the saw table.
When setting the bevel and miter angles for compound
miters, remember that the settings are interdependent;
changing one changes the other, as well. Also keep in
mind that the angles from crown molding are very
precise and difficult to set exactly. Since it is very easy
for these angles to shift slightly, all settings should be
tested on scrap molding.
Fig. AA
FI
el
nI
c I
eI
Miter sawtable J
Workpiece lying flat
Settings for standard crown molding lying flat on
compound miter saw table (Fig. BB)
Fig. BB I
Insid___
IL_R_OOuts j(._e comer
Compound cutcrownmoldings
Bevel /Miter Settings
KEY BEVEL MITER
SETTINGSETTINGI
IL I 33'90 I 31'6°Right
IR I 33'90 I31'6°Left
OL I 33'9o I 31'6°Left
OR I33'90 I 31'6°Right
TYPEOFCUT
Insidecorner- left side
1. Positiontopofmoldingagainstfence.
2. MitertablesetatRIGHT31.6°.
3. LEFTsideisfinishedpiece.
Insidecorner-Bight side
1. Positionbottomofmoldingagainstfence.
_MitertablesetatLEFT31.6°.
iLEFTsideisfinishedpiece.
Outsidecorner- Leftside
1. Positionbottomofmoldingagainstfence.
2, MitertablesetatLEFT31.60.
3. RIGHTsideisfinishedpiece,
Outsidecomer- Bightside
1. Positiontopofmoldingagainstfence.
2. MitertablesetatRIGHT31.60.
3. RIGHTsideisfinishedpiece,
..... 21

MAINTENANCE
DANGER
Never put lubricants on the blade white it is spinning.
To avoid fire or toxic reaction, never use gasoline,
naphtha, acetone, lacquer thinner or similar highly
volatile solvents to clean the miter saw.
LOWER BLADE GUARD
Do not use the saw without the lower blade guard. The
lower blade guard is attached to the saw for your protection.
Should the lower guard become damaged, do not use
the saw until the damaged guard has been replaced.
Develop a regular check to make sure the lower guard is
working property. Clean the lower guard of any dust or
buildup with a damp cloth.
CAUTION: Do not use solvents on the guard. They could
make the plastic "cloudy" and brittle.
To avoid injury from unexpected startingor electricalshock,
unplug the power cord before working on the saw.
For your safety, this saw is double-insulated. To avoid
electrical shock, fire or injury, use only parts identical to
those identified in the parts list. Reassemble exactly as
the original assembly to avoid electrical shock.
REPLACING CARBON BRUSHES (FIG. CC)
The carbon brushes furnished will last approximately 50
hours of running time, or 10,000 ON /OFF cycles. Replace
both carbon brushes when either has less than 1/4" length
of carbon remaining, or if the spring or wire is damaged
or burned. To inspect or replace brushes, first unplug the
saw. Then remove the black plastic cap (1) on the side of
the motor (2). Remove the cap cautiously, because it is
sprlngloaded. Then pull out the brush and replace.
Repeat for the other side. To reassemble reverse the
procedure. The ears on the metal end of the assembly go
in the same hole the carbon part fits into.Tighten the cap
snugly, but do not overtighten.
NOTE: To reinstall the same brushes, first make sure the
brushes go back in the way they came out. This will avoid
a break-in pedod that reduces motor performance and
increases wear.
Fig. CC
When cleaning the lower guard, unplug the saw from the
power source receptacle to avoid unexpected startup.
SAWDUST
Periodically, sawdust will accumulate under the work
table and base. This could cause difficulty in the
movement of the worktable when setting up a miter cut.
Frequently blow out or vacuum up the sawdust.
If blowing sawdust, wear proper eye protection to keep
debris from blowing into eyes.
LUBRICATION
All the motor bearings in this tool are lubricated with a
sufficient amount of high grade lubricant for the life of the
unit under normal operating conditions; therefore, no
further lubrication is required (see below).
Infrequent lubrication as required:
Chop pivot: light machine oil or aerosol will penetrate
from the ends and junction points. A qualified service
technician can remove the pivot upstop to relieve
tension, and the 2 metric set screws holding the shaft, in
order to drive the shaft about 3/4" right. Exposed
surfaces are lubricated with automotive type oil.
Central pivot of plastic guard: Use light household oil
(sewing machine oil) on metal-to-metal or metal-to-plastic
guard contact areas as required for smooth, quiet
operation. Avoid excessive oil, to which sawdust wilt
cling.
Bevel lock handle: Unscrew the handle assembly and
grease the threads.
Link: (which actuates the lower guard movement) may
be oiled at the rear pivot, greased at ball bearing contact,
and oiled where the link actuates the acetyl roller of the
lower guard, if the down chop motion is hard to start.
z_ .... :,22

Toavoidinjury from an accidental start, turn the switch OFF and always remove the plug from the power source before
making any adjustments.
Consult your Sears Service Center if for any reason the motor will not run.
TROUBLESHOOTING GUIDE - MOTOR
PROBLEM SUGGESTED CORRECTIVE ACTION
Brake does not stop
blade within 6 seconds
Motor does not start
Brush spark when
switch released.
PROBABLE CAUSE
1.
2.
.
4.
1.
2.
3.
.
Motor brushes not sealed or 1.
lightly sticking.
Motor brake overheated from 2.
use of defective or wrong size
blade or rapid ON/OFF cycling.
Arbor screw loose. 3.
Other. 4.
Fuse 1.
Brush worn. 2.
Other. 3.
Normal - automatic brake 1.
operation.
Inspect /clean /replace brushes
See MAINTENANCE Section.
Use a recommended blade.
Let cool down.
Retighten.
Sears Service Center.
15-Amp time delay fuse, or circuitbreaker.
See MAINTENANCE Section.
Sears Service Center.
None.
TROUBLESHOOTING GUIDE - SAW OPERATION
PROBLEM
Blade hits table.
PROBABLE CAUSE
1. Misalignment
SUGGESTED CORRECTIVE ACTION
1. Sears Service Center.
See ALIGNMENT Section.
Angle of cut not accurate. 1. Miter table locked. 1. Squeeze miter spring lock up.
Can't adjust miter. See OPERATION Section.
2. Sawdust under table. 2. Vacuum or blow out dust,
WEAR EYE PROTECTION.
Cutting arm wobble 1. Loose pivot points. 1. See ALIGNMENT Section.
Cutting arm won't fully 1. Part failure. 1. Sears Service Center.
raise, or blade guard won_ 2. Pivotspring not replaced 2. Sears Service Center.
fully close properly after service.
3. Sawdust build-up. 3. Clean and lubricate moving parts.
Blade binds, jams, 1. Improper operation. 1. See BASIC SAW OPERATION Section.
burns wood. 2. Dull blade. 2. Replace or sharpen blade.
3. Improper blade size. 3. Replace with 10" diameter blade
designed for the material being cut.
4. Warped blade. 4. Replace blade.
Saw vibrates or shakes. 1. Saw blade not round. 1. Replace blade.
2. Saw blade damaged. 2. Replace blade.
3. Saw blade loose. 3. Tighten arbor screw.
4. Other. 4. Sears Service Center.

COMPANION COMPOUND MITER SAW 137.245130
When servicing use only COMPANION replacement parts. Use of any other parts may create a HAZARD or cause
product damage•
Any attempt to repair or replace electrical parts on this miter saw may create a HAZARD unless repair is done by a
qualified service technician. Repair service is available at your nearest Sears Service Center.
Order by PART NUMBER, not by key number
PARTS LIST FOR FIGURE A
Key No. PART NUMBER Description Size Qty
1 165001010 Base
2 16933401 Hex wrench
3 16302302 Follower plate
4 26600MBCE16 Pan head tapping screw M5 x 12-10
5 16300605 Fence
6 16500601 Warning label
7 2617BBLD60 Hex sac. head cap screw M8 x 1.25-45
816930101 Center shaft
9 16500901 Slide plate
10 14704401 Angle pointer
11 2668BZDA23 Pan head screw M5 x 0.8-8
12 2606BDLA38 Hex sac. set screw M6 x 1.0-10
2
1
3
1
1
1
13 26158BDC22 Hex head screw & washer M6 x 1.0.20 2
15 2615BBDC22 Hex head screw & washer M6 x 1.0-20
16 2501NBDN12 Fiat washer 1/4 x 5/8 - 1/16
17 16501701 Washer
18A 16501801A1 Handle
19 16502001 Coils "
20 16302504 Table prmg
21 2601BBDA76 Hex head bolt M10 x 1.5-65
22 2501MBDN08 Fiat washer 8 x 16-2.5
23 2705FBD108 Nut chuck M8 x 1.25 T=8
24 16502501 Needle pointer
....25 ................................2.6.0.2.B.B.LA...3.9....................................Hex .s.o..c.:...h.ea.d...c.?.p..bo!t ............................M6..x..!..:O_..!.,2...............................................
26 16502701 Anchor block 1
27 16502801 Pivot shaft 1
28 26028BLB43 Hex sac head cap bolt M6 x 1.0-30 . 1
29 2701FBD 106 Hex nut M6 x 1.0 T--5 2
30 16503101 Angle regulator 2
31 2501 NBDN40 Flat wast_er 1/2 x 1-3/64 1
32 2705FBD112 Nut chuck M12 x 1.75 T=12 1
33 16503401 Bracket stop 1
34 2574B55R02 O-Ring rod P5 1
35 16503601 Shaft 1
36 2701FBD106 Hex nut M6 x 1.0 T=5 2
37 2603BBLA42 Hex sac set screw M6 x 1.0.25 2
38 2501 NBDN32 Flat washer 3/8 x 29/32-5/64
39 2705FBD110 Nut chuck MIO x 1.5 T=10
40 2501MBDN26 Flat washer 10 x20-1
4 IA 16304201 A1 Locking handle assembly
42 2701FBD106 Hex nut M6 x 1.0 T=5
43 2601BBDA41 Hex head bolt M6 x 1.0-20
44 2701FBD105 Hex nut M5 x 0.8 T=4
45 2502ABC417 Sprin,q washer 6
46 16600801 Knob-handle
47 16302402 Table insert
48 2668BBDA08 Pan head screw M4 x 0.7-10 4

COMPANION COMPOUND MITER SAW 137.245130
FIGURE A
-0 -\.
¢o
25

COMPANION COMPOUND MITER SAW 137.245130
PARTS UST FOR FIGURE B
Key No. PART NUMBER Description Size Qty
49 2607BBLW55 Hex washer head bolt M8 x 1.25-20
50 16930402 Arbor collar
51 14930201 Blade
52 16510401 Shaft sleeve
53 16510501 Torsion spring
54 16510601 Housincl-
55 2642BEDA49 Trussh_ad round neck screw M6 x 1.0-10
56 16510801 Lever
57 2636BBDA40 Count head screw M6 x 1.0-16
58 2660PBCK14 Pan head tapping screw M4 X 18-16
59 16511101 Collar
1
2
1
2
1
1
2
I
1
3
1
60A 16511202A1 PC guard assembly 1
61 16821601 Spring guard
62 2636BBDA24 Cover plate screw M5 x 0.8-12
63 16511501 Cutter shaft guard
64 2705FBD106 Nut chuck M6 x 1.0 T=6
65A 8396529121 Motor
66 16511804 Trade mark label
67 16211001 Bumper
68 2690MZA104 81indrivet 3/16-17/32
69 2603BBLA38 Hex soc set screw M6 x 1.0-10
70 16512201 Shim
71 16512301 Anchor block
72 2602BBLA39 Hex soc head cap bolt M6 x 1.0-12
73A 16933301 A1 Dust .bag assembly
74 16512605 Label
75 2501MBDN06 Flat washer 6 x 13-1
76 16512901 Bracing plate
77 2653MBDE11 Truss head tapping screw M4 x 16-12
78 2855E55616 Trigger switch
79 17609301 Spring
80 16520401 Button switch
81 2660PBCK23 Pan head tapping screw M4 x 18-25
82 16520701 Handle cover
83 2653MBDE15 Truss head tapping screw M4 x 16-20
84 83990121 Cord clamp
85 83990141 Cord guard
86 2807BS08Y5 Power cable
87 2805U5HN 16 Terminal
88 16530101 A1 Stop block 1
89 2671QZDK36 Wing nut 1
90 16530401 Table bracket 2
91 16530501 Extension wing rod 2
92 2668BBDAA8 Screw M8 x 1.25-20 2
* 137245130001 Instruction manual 1
* Optional Accessories - Quick clamp assembly
16230201 Foot pad
16230302 Foot disc
16230903 Clamp knob
16231701 Clamp arm
16540501 Clamp rod
2603BBLA38 Socket set screw
1
1
1
1
1
M6 x 1.0-10 1
16300101 Clamp bolt M5 x 0 8-15 1
* Not shown
N/A Not applicable
_ ......... 26

COMPANION COMPOUND MITER SAW
FIGURE B
.
\
.j'
CO
'CO
CO
CO
.
/
_o
,_o
,_o
c_
CO
.
/
137.245130
CO
CO
!
C_
27

For in-home major brand repair service:
Call 24 hours a day, 7days a week
1-800-4-MY-HOME" (1-800-469-4663)
Para pedir servicio de reparaciOn a domicilio - 1-800-676-5811
In Canada for all your service and parts needs call - 1-800-665-4455
Au Canada pour tout le service ou les pi_ces
For the repair or replacement parts you need:
Call 6 a.m. -11 p.m. CST, 7days a week
PartsDirect"
1-800-366-PART (1-800-366-7278)
Para ordenar plezas con entrega a domicilio - 1-800-659-7084
For the location of a Sears Service Center in your area:
Call 24 hours a day, 7 days a week
1-800-488-1222
To purchase or inquire about a Sears Maintenance Agreement:
Call 7 a.m. - 5 p.m. CST, Monday - Saturday
1-800-827-6655
3/99