ContextMedia Health PWALELC Wallboard 32 Inch Tablet User Manual CMH 32 0810
ContextMedia LLC Wallboard 32 Inch Tablet CMH 32 0810
Contents
- 1. Users Manual
- 2. User Manual
Users Manual

Wallboard 32" Tablet
ContextMedia Healthy
User Manual

1
Table of Contents
About This Guide 2
Introducing the Wallboard 32" Tablet 2
Important Notices 3
Copyright Information 3
Safety and Warning Information 5
Package Contents 6
2
About This Guide
Thank you for purchasing an ContextMedia Healthy product. We recommend reading this
user guide in its entirety in order to maximize the performance and service life of this product.
This product is intended for commercial use and should be installed by authorized personnel
only.
Introducing the Wallboard 32" Tablet
The Wallboard 32" Tablet are interactive digital displays designed to be used in
commercial environments, and includes the following features:
• Quad core processor
• 1920 x 1080 full HD resolution
• Android 4.4 operating system
• 10-point touch capacitive screen
• 802.11b/g/n/ac WiFi
• Bluetooth
• VESA wall mounting option
• 100M/1000M RJ45 Ethernet port
• USB ports
• 2 speakers
• Headphone jack
If required, please ask for detailed specifications.

3
Important Notices
Copyright Information
Copyright © 2016 ContextMedia Healthy. All rights reserved.
All intellectual property rights in this publication are owned by ContextMedia Healthy and
protected by applicable copyright laws and international treaty provisions.
ContextMedia Healthy retains all rights not expressly granted. No part of this publication
may be reproduced in any form whatsoever or used to make any derivative work without
prior written approval by ContextMedia Healthy.
ContextMedia Healthy reserves the right to revise this publication, and/or make improvements
or changes in the product(s) and/or the program(s) described in this documentation at any
time without prior notice. The information in this document is provided in good faith,but
without any representation or warranty whatsoever, whether it is accurate, or complete
or otherwise, and on express understanding that ContextMedia Healthy shall have no
liability whatsoever to other parties in any way arising from or relating to the information
or its use.
All other trademarks are the property of their respective owners. Other company and
brand products and service names are trademarks or registered trademarks of their
respective holders.
This device complies with regulations.
This device complies with Part 15 of the FCC Rules.
Operation is subject to the following two conditions:
1. this device may not cause harmful interference, and
2. this device must accept any interference received,
including interference that may cause undesired operation.
WARNING !
Model number: P-WAL-106-ELC-01
Trade name: ContextMedia Health
FCC ID: 2AI6X-PWALELC Input:12V 5A DC
IC: 21722-PWALELC
RISQUE DE CHOC ELECTRIQUE NE
PAS OUVRIR
RISK OF ELECTRIC SHOCK
DO NOT OPEN
AVIS
CAUTION
This device complies with Part 15 of the FCC Rules. Operation is subject to the following two conditions:
(1)
this device may not cause harmful interference, and
(2) this device must accept any interference received,
including interference that may cause undesired operation.
This device complies with Industry Canada licence-exempt RSS standard(s). Operation is subject to the
following two conditions: (1) this device may not cause interference, and (2) this device must accept any
interference, including interference that may cause undesired operation of the device.
Cet appareil est conforme à Industrie Canada exempts de licence standard RSS (s). Le fonctionnement est
soumis aux deux conditions suivantes: (1) ce dispositif ne peut pas provoquer d'interférences et (2) cet
appareil doit accepter toute interférence, y compris les interférences qui peuvent causer un mauvais
fonctionnement de l'appareil.
FCC Statement
This equipment has been tested and found to comply with the limits for a Class B digital device, pursuant to
part 15 of the FCC rules. These limits are designed to provide reasonable protection against harmful
interference in a residential installation. This equipment generates, uses and can radiate radio frequency
energy and, if not installed and used in accordance with the instructions, may cause harmful interference to
radio communications. However, there is no guarantee that interference will not occur in a particular
installation. If this equipment does cause harmful interference to radio or television reception, which can be
determined by turning the equipment off and on, the user is encouraged to try to correct the interference by
one or more of the following measures:
-Reorient or relocate the receiving antenna.
-Increase the separation between the equipment and
receiver.
-Connect the equipment into an outlet on a circuit different from that to which the receiver is
connected.
-Consult the dealer or an experienced radio/TV technician for help.
To assure continued
compliance, any changes or modifications not expressly approved by the party responsible for compliance
could void the user’s authority to operate this equipment. (Example - use only shielded interface cables when
connecting to computer or peripheral devices).
Radiation Exposure Statement:
The equipment complies with FCC Radiation exposure limits set forth for
uncontrolled environment. This equipment should be installed and operated with minimum distance 20cm
between the radiator and your body.
Shielded USB cable must be used to comply with the FCC Class B limit.
4
Warring!

5
Safety and Warning Information
WARNING!
Main Supply: This equipment is designed to operate from a 100-240 Volt, 50/60Hz AC
power supply. The use of other power sources may damage this equipment. Check that
the voltage marked on the rating plate located at the rear of the power adaptor states
100-240V. The manufacturer will NOT accept responsibility or damage or injury caused
by connecting to the wrong voltage.
WARNING!
Main Adaptor: The supplied power adaptor is compatible with a standard main socket.
If the power adaptor or lead gets damaged, it must be replaced by a qualified service
agent with an approved adaptor of the same type and rating.
WARNING!
Dangerous voltage constituting a risk of electric shock is present inside this equipment.
WARNINGS!
The main plug shall be the main disconnect device and shall remain operable at all
times.
Do not push objects into holes and ventilation slots.
Do not expose this product to moisture or place any objects filled with liquids on or
near the product.
Do not place a naked flame source, such as lighted candles, on or near this product.
Do not store or operate the device in environments where the temperature is above 40
degrees celsius or below 0 degrees celsius.
Do not intentionally hit the device or place heavy or sharp objects on the device.
Only use accessories specified by the manufacturer.
Keep the device away from benzene, diluents, and other chemicals.
Do not attempt to repair this product yourself. Always use a qualified service agent to
perform adjustments or repairs.

6
Package Contents
The package contains the following items:
Wallboard Tablet
(32” Shown)
Power Adapter
(FUJIA FJ-SW1205000) Power Cable

7
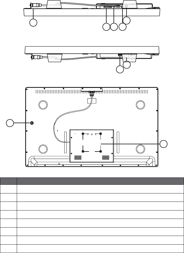
Wallboard 32" Tablet Exterior Components
No. Description
1 SD card slot
2 3.5mm audio jack
3 USB 2.0 host port(USB Output 5V/500mA)
4 Mini USB 2.0 OTG port(USB Output 5V/500mA)
5 DC in power supply port
6 RJ45 Ethernet jack
7 Power/Back button
8 VESA 100mm x 100mm mounting bracket screw holes
Rear View
Right View
12
Left View
36
4
5
7
8
3

For additional assistance, www.contextmediahealth.com
ContextMedia Healthy