Controlled Entry Distributors DREAM1500 ACCESS CONTROLLER User Manual K4 MINI Access Controller
Controlled Entry Distributors, Inc. ACCESS CONTROLLER K4 MINI Access Controller
Users Manual

Model BC-2010 HID&EM
Keypad/Reader/Controller
User Manual

2
1. Packing List
Name Quantity Remarks
Digital Keypad-BC-2010 1
User manual 1
Screw driver 1
Rubber bungs 4 6*27mm, used for fixing
Self tapping screws 4 3.5*27mm, used for fixing
Please ensure that all the above contents are correct. If any are missing please notify the
supplier of the BC-2010.
2. BC-2010 Quick Reference Programming Guide
To enter the programming mode * Master code #
888888 is the default factory master code
To exit from the programming mode *
Note that to undertake the following programming the master user must be logged in
To change the master code 0 New code # New code #
The master code can be 6 to 8 digits long
To add a PIN user.
1 User ID number # PIN #
The ID number is any number between 1 & 1500. The
PIN is any four digits between 0000 & 9999 with the
exception of 1234 which is reserved. Users can be added
continuously without exiting programming mode
To add a card user 1 Read Card #
Cards can be added continuously without exiting
programming mode
To delete a PIN or a card user. 2 User ID number # for a PIN user or
2 Read Card or Card ID number # for a card user
Users can be deleted continuously without exiting
programming mode
To unlock the door for a PIN user Enter the PIN then press #
To unlock the door for a card user Present the card
3
3. Description
The BC-2010 is single door multifunction standalone access controller or a Wiegand
output keypad or card reader. It is suitable for mounting either indoor or outdoor in harsh
environments. It is housed in a strong, sturdy and vandal proof Zinc Alloy electroplated
case which is available in either a bright silver or matt silver finish. The BC-2010 supports
up to 1500 users in either a Card, 4 digit PIN, or a Card + PIN option. The inbuilt card
reader supports both HID and EM 125KHZ frequency cards. The BC-2010 has many
extra features including lock output current short circuit protection, a Wiegand input and
output interface, and a backlit keypad. These features make the BC-2010 an ideal choice
for door access not only for small shops and domestic households but also for
commercial and industrial applications such as factories, warehouses, laboratories, banks
and prisons.
4. Features
z Strong Zinc Alloy Electroplated anti-vandal case
z Full programming from the keypad
z 1500 uses, supports Card, PIN, Card + PIN
z Can be used as a stand alone keypad
z Support both 125KHZ HID card, 125KHZ EM card
z Card Block enrollment, can enroll 1500cards within 25 seconds
z Backlight keys
z Wiegand 26 input for the connection of an external reader
z External readers can be any make of card reader with a 26 bit output, i.e. HID, Mifare,
EM and so on
z Wiegand 26 output for connection to a controller
z Dual BC-2010 units can interconnected
z One Relay output, NO, NC, COM
z Adjustable Door Output time, Alarm time, Door Open time
z Can delete card by 8 digit card number without present the card
z Very low power consumption (20Ma)
z Fast operating speed, <20ms with 1500 users
z Lock output current short circuit protection
z Easy to install and program
z Built in light dependent resistor (LDR) for anti tamper
z Built in buzzer
z Red, Yellow and Green LEDS display the working status
z Five year warranty

4
5. Specifications
Operating Voltage 12V DC
User Capacity 1500
Keypad 12 keys, 3x 4 digits
Card Type HID 125 KHZ card; EM 125KHZ card
Card Reading Distance 3 -7 cm
Active Current <80mA
Idle Current <50mA
Lock Output Load Max 3A
Alarm Output Load Max 20A
Operating Temperature -20~60℃
Operating Humidity 5%- 95% RH
Adjustable Door Relay time 0 -99 seconds
Adjustable Alarm Time 0- 3 minutes
Wiegand Interface Wiegand 26 bit
Wiring Connections Electric Lock, Exit Button, DOTL, External Alarm
Dimensions L128 x W82 x H28 mm
Net Weight 500 g
Gross Weight 700 g
6. Installation
z Remove the back cover from the keypad using the supplied security screwdriver
z Drill 4 holes on the wall for the screws and I hole for the cable
z Fix the back cover firmly on the wall with 4 flat head screws
z Thread the cable through the cable hole
z Use the supplied rubber bungs to waterproof the screw holes
z Apply waterproof compound around the cable entry hole
z Attach the keypad to the back cover.

5
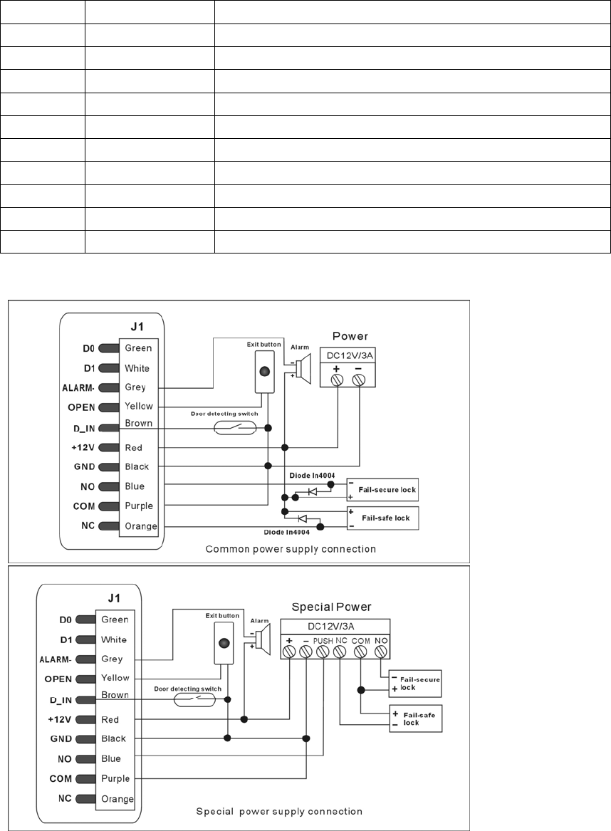
7. Wiring
Colour Function Description
Green D0 Wiegand Output D0 (or input from an external reader)
White D1 Wiegand Output D1 (or input from an external reader)
Grey Alarm - Alarm Negative
Yellow OPEN Request to Exit Button
Brown D-In Door Contact
Red 12V + 12V + DC Regulated Power Input
Black GND 0V DC Regulated Power Input
Blue NO Relay output NO
Purple COM Relay output COM
Orange NC Relay output NC
Connection Diagram
Notes: BC-2010 uses a standard 10 pin connector- J1.The diagrams above show the standard
cable colour connections for wiring BC-2010 keypad to a lock when used in a standalone
mode. The upper diagram shows a common power supply for both the keypad and lock, the
under diagram shows a special power supplier for both the keypad and lock.

6
NO and COM: Fail-secure lock, when power on, the lock is opened.
NC and COM: Fail-safe lock, when power off, the lock is opened.
8. To Reset to Factory Default
To reset to factory default, power off the device, remove the keypad from the back cover, press
the RESET key(K2) on the PCB, hold it and power on, keeping pressing it until hear three
beeps, means reset to factory default successfully.
Note: Reset to factory default, the user’s information is still retained.
9. Anti Tamper Alarm
The BC-2010 is built-in tamper switch. If the keypad is removed from the cover then the
tamper alarm will operate.
10. Sound and Light indication
Operation Status Red Light Green Light Yellow Light Buzzer
Power on - Bright - Short Ring
Stand by Bright - - -
Press keypad - - - Short Ring
Operation successful - Bright - Short Ring
Operation failed - - - 3 Short Rings
Enter into programming mode Bright - - Short Ring
In the programming mode - - Bright -
Exit from the programming
mode
Bright - - Short Ring
Open the door - Bright - Short Ring
Alarm Bright - - Alarm
11. BC-2010 Detailed Programming Guide
11.1 User Settings
To enter the programming mode * Master code #
888888 is the default factory master code
To exit from the programming mode *
(Before exit from the programming mode, press # is to
confirm the operation step.)
Note that to undertake the following programming the master user must be logged in

7
To change the master code 0 New code # New code #
The master code can be 6 to 8 digits long
Setting the working mode:
Set valid card only users
Set valid card and PIN users
Set valid card or PIN users
3 0 # Entry is by card only
3 1 # Entry is by card and PIN together
3 2 # Entry is by either card or PIN (default)
To add a user in either card or PIN mode, i.e. in the 3 2 # mode. (Default setting)
To add a Pin user 1 User ID number # PIN #
The ID number is any number between 1 & 1500. The
PIN is any four digits between 0000 & 9999 with the
exception of 1234 which is reserved. Users can be added
continuously without exiting programming mode as
follows:
1 User ID no 1 # PIN # User ID no 2 # PIN #
To delete a PIN user 2 User ID number #
Users can be deleted continuously without exiting
programming mode
To change the PIN of a PIN user
(This step must be done out of
programming mode)
* ID number # Old PIN # New PIN # New PIN #
To add a card user (Method 1)
This is an easy way to enter the individual
cards using ID number auto generation.
1 Read Card #
Cards can be added continuously without exiting
programming mode
To add a card user (Method 2)
This is the alternative way to enter the
individual card using User ID Allocation.
In this method a User ID is allocated to a
card. Only one user ID can be allocated
to a single card.
1 ID number # Card #
To add a series cards users – Block
Enrollment
5 ID number # 8 digits Card number # Card
quantity #
Card quantity is between 1-1500. Of the 8 digits card
number, for HID card, they are the 3 digits of a facility
code and 5 digits of a serial number; for EM card, they
are the last 8 digits on the card.

8
To delete a card user by card. Note users
can be deleted continuously without
exiting programming mode
2 Read Card #
To delete a card user by user ID. This
option can be used when a user has lost
their card
2 User ID #
To delete a card by card number(8 digits) 8 Input 8 digits Card number #
Cards can be deleted continuously without exiting
programming mode
To add a card and PIN user in card and PIN mode (3 1 # )
To Add a card and Pin user
(The PIN is any four digits between 0000
& 9999 with the exception of 1234 which
is reserved.)
Add the card as for a card user
Press * to exit from the programming mode
Then allocate the card a PIN as follows:
* Read card 1234 # PIN # PIN #
To change a PIN in card and PIN mode
(Method 1) Note that this is done outside
programming mode so the user can
undertake this themselves
* Read Card Old PIN # New PIN # New PIN #
To change a PIN in card and PIN mode
(Method 2) Note that this is done outside
programming mode so the user can
undertake this themselves
* ID number # Old PIN # New PIN # New PIN #
To delete a Card and PIN user just delete
the card
2 User ID #
To add a card user in card mode (3 0 # )
To Add and Delete a card user The operating is the same as adding and deleting a card
user in 3 2 #
To delete All users
To delete ALL users. Note that this is a
dangerous option so use with care
2 0000 #
To unlock the door
For a PIN user Enter the PIN then press #
For a card User Read card
For a card and PIN user Read card then enter PIN #

9
11.2 Door Settings
Relay Output Delay Time
To set door relay strike time 4 0~99 # *
0-99 is to set the door relay time 0-99 seconds
Door Open Detection
Door Open Too Long (DOTL) warning. When used with an optional magnetic contact or built-in
magnetic contact of the lock, if the door is opened normally, but not closed after 1 minute, the inside
buzzer will beep automatically to remind people to close the door and continue for 1 minute before
switching off automatically.
Door Forced Open warning. When used with an optional magnetic contact or built-in magnetic contact
of the lock, if the door is forced open, or if the door is opened after 20 seconds of the
electro-mechanical lock not closed properly, the inside buzzer and alarm output will both operate. The
Alarm Output time is adjustable between 0-3 minutes with the default being 1 minute.
To disable door open detection. (Factory
default)
6 0 #
To enable door open detection 6 1 #
Alarm output time
To set the alarm output time (0-3 minutes)
Factory default is 1 minute
9 0~3 #
Keypad Lockout & Alarm Output options. If there are 10 invalid cards or 10 incorrect PIN numbers
in a 10 minute period either the keypad will lockout for 10 minutes or the alarm will operate for 10
minutes, depending on the option selected below.
Normal status: No keypad lockout or
alarm (factory default)
7 0 # (Factory default setting)
Keypad Lockout 7 1 #
Alarm Output 7 2 #
To remove the alarm
To reset the Door Forced Open warning Read valid card or Master Code #
To reset the Door Open Too Long warning Close the door or Read valid card or Master Code #

10
12. Interconnecting Two Devices
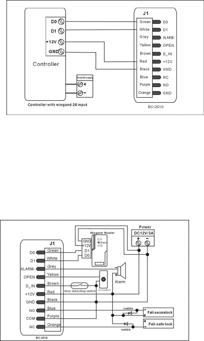
12.1 BC-2010 operating as a Wiegand Output Reader
In this mode the BC-2010 supports a Wiegand 26 bit output so the Wiegand data lines can be
connected to any controller which supports a Wiegand 26 bit input. See figure 1.
Figure 1
12.2 BC-2010 operating as a Controller
In this mode the BC-2010 supports a Wiegand 26 bit input so an external Wiegand device
with a 26 bit output can be connected to the Wiegand input terminals on the BC-2010. Either
an ID card reader (125 KHZ) or an IC card reader (13.56MHZ) can be connected to the
BC-2010. Cards are required to be added at the external reader, except where an external
EM reader is used, in this case cards can be added at either reader. See figure 2.
Figure 2

11
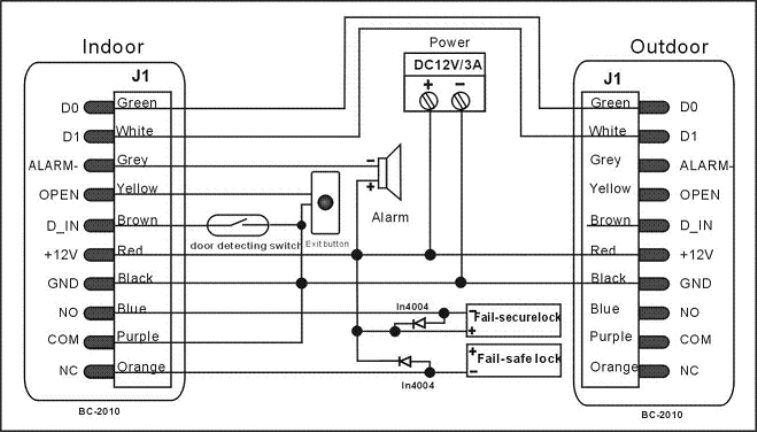
12.3 Two BC-2010 units interconnected for a single door
In this mode two BC-2010 units are used for a single door, one for entry and the other for exit.
Either device acts as the controller and reader at the same time. Users can be enrolled on
either of the devices. In this mode the user capacity for one door can be up to 3000. The
setting of the two BC-2010 units must be the same including the master code. See figure 3.
Figure 3
FCC WARNING
This device complies with Part 15 of the FCC Rules. Operation is subject to the following two
conditions:
(1) this device may not cause harmful interference, and
(2) this device must accept any interference received, including interference that may cause
undesired operation.
NOTE 1: Any changes or modifications not expressly approved by the manufacturer could void
the user’s authority to operate the equipment.
NOTE 2: The manufacturer is not responsible for any radio or TV interference caused by
unauthorized modifications to this equipment. Such modifications could void the user’s authority
to operate the equipment.