Cooper Bussmann Bu 905U L T Users Manual BUS_Ele_IS_3A1577_BU T_5.qxp
bu905ult 562e5308-c91d-4bf9-be15-081253e7444f Cooper Bussmann Satellite Radio BU-905U-L-T User Guide |
2015-02-05
: Cooper-Bussmann Cooper-Bussmann-Bu-905U-L-T-Users-Manual-530888 cooper-bussmann-bu-905u-l-t-users-manual-530888 cooper-bussmann pdf
Open the PDF directly: View PDF
.
Page Count: 8

3A1577Rev1.8
Cooper Bussmann
BU-905U-L-T Transmitter
Quick Start Guide
Version 1.8
Read
and Retain
for Future
Reference

2www.cooperbussmann.com/BussmannWirelessResources 3A1577Rev1.8
Cooper Bussmann BU-905U-L-T Transmitter Quick Start Guide
About this Document
This document is the Cooper Bussmann BU-905U-L-T Wireless I/O Transmitter Unit Quick Start Guide and contains the following sections:
Section Read this section if you want to …
Basic steps for using your unit Learn the basic steps for installing and using your unit.
Factory default configuration Understand how the transmitter sends information to the receiver.
Unit components Understand the different parts of your unit.
Antenna installation Learn how to install an antenna with your unit.
Resetting factory defaults Reset your unit to the original factory default settings.
Linking transmitter and receiver units Link your units to work as a dedicated pair.
Safety information Understand important safety information related to your unit.
NOTE: You must read this information before installing your unit.
Specifications Know technical information about your unit.
For more information, see the next sections.
Basic Steps for Using Your Unit
This document describes how to configure your unit using the default factory configuration that lets you easily setup your network as a simple
send/receive network using a dedicated pair of transmitter and receiver units.
The basic steps for using your unit are:
1. Connect the antenna, power supply and transducer signals using the instructions in this document. Power supply and transducer connection is
described in the section Unit components and connections. Antenna connection is described in the section Antenna installation.
For more information, see the BU-905U-L Installation Manual.
2. Reset the transmitter and receiver units to the factory default configurations.
3. Link the transmitter and receiver units to work as a dedicated pair.
4. Bench test your configuration before deploying.
NOTE: You can also configure your network using a user-defined customized configuration that lets you set specific information about your
network. For more information on setting a user-defined customized configuration, see the BU-905U-L User Manual on the enclosed CD.
Factory Default Configuration
When you configure the units using the configuration in this document, the inputs from the transmitter are sent to the outputs at the
receiver as follows:
BU-905U-L-T (Transmitter) Sends BU-905U-L-R (Receiver)
Digital Input 1 Digital Output 1
Digital Input 2 Digital Output 2
Analogue Setpoint Digital Output 3
Analogue input (4-20 mA) Analog output
Thermocouple Input (Not used) & Communication Failure (Comes on if no messages from BU-905U-L-T)
Setpoint Output (Local indication)
System OK (On if system OK) System OK (On if system OK)

www.cooperbussmann.com/BussmannWirelessResources 33A1577Rev1.8
Cooper Bussmann BU-905U-L-T Transmitter Quick Start Guide
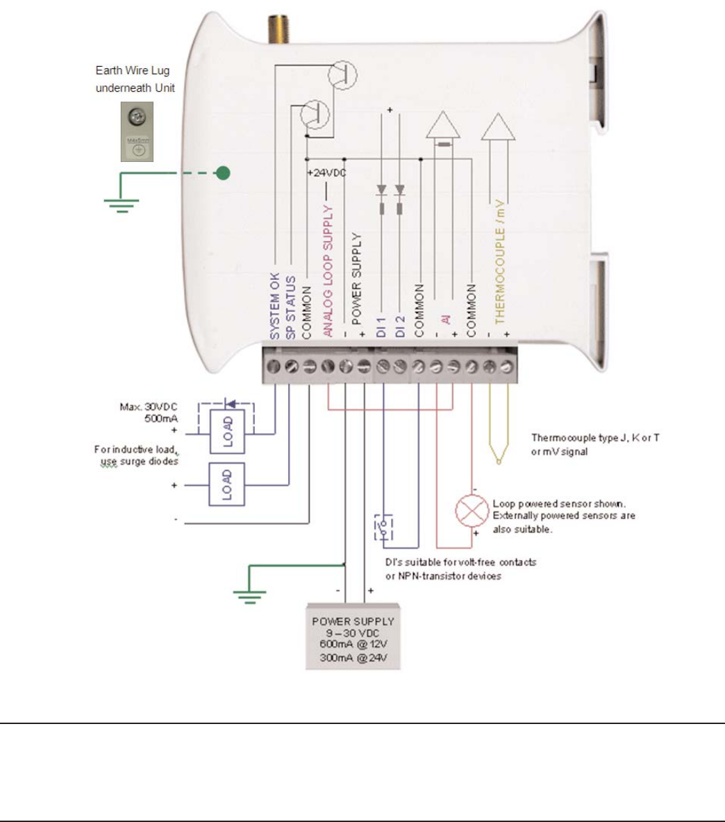
Unit Components and Connections
Your BU-905U-L-T Transmitter unit has the following components and terminal connections:
IMPORTANT ELECTRICAL SAFETY INFORMATION
In order to comply with Electrical Safety Regulations, this module must be installed in an Electrical AND Fire enclosure. This enclosure may be a
single or multiple enclosures. Access to the module is to be made by a Service Person only.

4www.cooperbussmann.com/BussmannWirelessResources 3A1577Rev1.8
Cooper Bussmann BU-905U-L-T Transmitter Quick Start Guide
Front Panel Components
The triangle on the rotary switch indicates the current position, for
example:
NOTE: To avoid damaging the rotary switch, use a screwdriver to change the position.
The rotary switch uses the following setpoint levels:
Position Lower Level (mA) Upper Level (mA)
1 4.8 6.4
2 6.4 8.0
3 8.0 9.6
4 9.6 11.2
5 11.2 12.8
6 12.8 14.4
7 14.4 16.0
8 16.0 17.6
9 17.6 19.2
SMA Antenna Connector at Top of Unit
Indicator LEDs
RS232 Configuration Port
Rotary Switch for Setpoint Settings

www.cooperbussmann.com/BussmannWirelessResources 53A1577Rev1.8
Cooper Bussmann BU-905U-L-T Transmitter Quick Start Guide
The LEDs on the front panel indicate the unit status:
LED Status Indicates
None No power supply.
OK LED Green Current status of the unit OK.
OK LED Red Fault condition detected in unit.
TX LED Flashes Transmitting Message.
PG LED on Configuration Cable Connected.
Input LED ON Input LEDs (i.e., D1,D2, SP, AZ.) light when the corresponding input is active.
D1 Digital Input 1 is active (Low).
D2 Digital Input 2 is active.
SP Analog Setpoint is active.
AZ Analog Input is zero mA
All LEDs medium flash Medium speed flash (1.6Hz) indicates the module is half-way through the configuration process.
Medium flash also happens when you set the rotary switch to position 0 when powering on the unit.
Antenna Installation

6www.cooperbussmann.com/BussmannWirelessResources 3A1577Rev1.8
Cooper Bussmann BU-905U-L-T Transmitter Quick Start Guide
Resetting Your Unit to Factory Defaults
To reset the default factory configuration:
1. Set the RSSI rotary switch to position 0 using a screwdriver.
2. Power on the BU-905U-L-T transmitter.
3. The BU-905U-L-T transmitter flashes all LEDs at medium flash (i.e., 1.6Hz).
NOTE: If the LEDs do not flash, you must repeat steps 1 and 2 until the LEDs flash before continuing.
4. Set the RSSI rotary switch to another position (i.e. position 1) within 5 seconds.
5. Set the RSSI rotary switch to position 0 within another 5 seconds.
6. The BU-905U-L-T transmitter lights all LEDs for 2 seconds before returning to normal operation.
NOTE: If the LEDs do not light for 2 seconds, you must repeat the process from step 1 until the LEDs light before continuing.
7. You can now link the transmitter and receiver units.
Linking Your Transmitter and Receiver Units
You must reset the transmitter unit to factory defaults (to disable encryption) before linking the transmitter and receiver units.
For more information, see the previous section.
NOTE: You must complete the linking process in 60 seconds.
To link the transmitter and receiver units:
1. Press and hold down the RSSI Pushbutton on the receiver.
2. Power on the receiver while holding down the RSSI Pushbutton
3. Release the RSSI Pushbutton as soon as the Receiver LEDs flash (within 5 seconds of powering the receiver).
4. The receiver will flash all LEDs for a maximum 60 seconds while it tries to link to the transmitter.
5. Power on the transmitter. The transmitter sends a special “Link” message to allow the receiver to recognize the transmitter.
6. When the units link, the receiver lights all LEDs for 2 seconds before returning to normal operation.
NOTE: If the receiver LEDs continue flashing within the 60 seconds, the units are not linked and you should retry the linking process by powering
the transmitter off and on again. If you exceed the 60 seconds, you must restart the linking process from step 1.
7. You can now bench test your configuration before deploying.
Safety Information
Thank you for selecting the BU-905U-L-T transmitter for your telemetry needs. We trust it will give you many years of valuable service. To ensure
your BU-905U-L transmitter enjoys a long life, double-check ALL your connections with the user’s manual before powering on the unit.
WARNING: Incorrect termination of supply wires may cause internal damage and will void warranty.
Exposure to RF energy is an important safety consideration. The FCC has adopted a safety standard for human exposure to radio frequency
electromagnetic energy emitted by FCC regulated equipment as a result of its actions in Docket 93-62 and OET Bulletin 65 Edition 97-01.
FCC Notice when used in USA: 905U-L Wireless I/O Module
Part Additional information
15 This device has been tested and found to comply with the limits for a Class B digital device, pursuant to Part15 of the FCC rules
(Code of Federal Regulations 47CFR Part 15). Operation is subject to the condition that this device does not cause
harmful interference.
90 This device has been type accepted for operation by the FCC in accordance with Part90 of the FCC rules (47CFR Part 90).
See the label on the unit for the specific FCC ID and any other certification designations.

www.cooperbussmann.com/BussmannWirelessResources 73A1577Rev1.8
Cooper Bussmann BU-905U-L-T Transmitter Quick Start Guide
Industry Canada: BU-905U-L Wireless I/O Module
RSS-119 - This device has been type accepted for operation by Industry Canada in accordance with RSS-119 of the Industry Canada rules.
See the label on the unit for the specific Industry Canada certification number and any other certification designations.
NOTE: Any changes or modifications not expressly approved by Cooper Bussmann P/L could void the user’s authority to operate this equipment.
To operate this equipment legally the user must obtain a radio-operating license from the government agency. This is done so the government can
coordinate radio users in order to minimize interference.
Safety information - FCC Notice
This device complies with Part 15.247 of the FCC Rules. Operation is subject to the following two conditions:
• This device may not cause harmful interference; and
• This device must accept any interference received, including interference that may cause undesired operation
NOTE: This equipment is suitable for use in Class 1 Division 2 groups A, B and C or non-hazardous locations only.
Unit Specifications
Input/Output Number Additional Information
Digital inputs 2 Dry-contact digital inputs slow-pulsed at 10Hz.
All inputs are suitable for voltage free contacts (e.g., mechanical switches) or NPN transistor
devices (e.g., electronic proximity switches).
NOTE: PNP transistor device inputs are NOT suitable.
Analog Inputs 1 0-20mA differential input; 16-bit resolution, 0.1% accuracy, 10 ohm input impedance.
Thermocouple Inputs 1 J, K or T type thermocouple with on-board cold-junction compensation.
Cold junction compensation accuracy ±1º over ambient temp range: -40º to +70ºC.
Power supply 1 9-30Vdc 1 Amp CSA certified Class 2 power supply. For use in Class I Div 2 hazardous locations,
the power supply must be approved for Class I Div 2 use.
WARNING: Explosion hazard - do not disconnect while circuit is live unless area is known
to be non-hazardous.
Transmitter 1 1 Watt Frequency Hopping Spread Spectrum (FHSS) transmitter.
Frequency 902-928 MHz Actual frequency range depends on country.
Document information
Quick Start Guide Cooper Bussmann BU-905U-L-T Wireless I/O Transmitter Unit Version 1.8
Cooper Bussmann Contact Details
Telephone 636-527-1270
Fax 636-527-1607
E-mail FuseTech@cooperindustries.com
Website www.cooperbussmann.com

PDF Only
Customer Satisfaction Team
Available to answer questions regarding Cooper
Bussmann products & services Monday-Friday,
8:00 a.m. – 4:30 p.m. for all US time zones.
s Toll-free phone: 855-287-7626 (855-BUSSMANN)
sToll-free fax: 800-544-2570
sE-mail: busscustsat@cooperindustries.com
Emergency and After-Hours Orders
Next flight out or will call shipment for time-critical needs.
Customers pay only standard product price, rush freight
charges, & modest emergency service fee. Place these
orders through the Customer Satisfaction Team during
regular business hours. For after-hours, contact:
sPhone: 314-995-1342
– the Enhanced, Online Cooper Customer Center
Provides real time product availability, net pricing, order
status & shipment tracking across six Cooper divisions:
B-line, Bussmann, Crouse-Hinds, Lighting, Power
Systems & Wiring Devices. Available at:
swww.cooperc3.com
s877-995-5955 for log-in assistance
Application Engineering
Technical assistance is available to all customers.
Staffed by degreed engineers, this application support
is available Monday-Friday, 8:00 a.m. – 5:00 p.m. CT
Contact:
sPhone: 636-527-1270
sFax: 636-527-1607
sE-mail: fusetech@cooperindustries.com
sLive Chat: www.cooperbussmann.com
Online Resources
Visit www.cooperbussmann.com for the following
resources:
sProduct search & cross-reference
sProduct & technical materials
sSolutions centers for information on topical issues
including arc-flash, selective coordination &
short-circuit current rating
sTechnical tools, like our arc-flash calculator
sWhere to purchase Cooper Bussmann product
Services
Cooper Bussmann Services team provides engineering
expertise in electrical system reviews, electrical safety
training & component testing for Agency compliance.
Contact:
sPhone: 636-207-3294
sE-mail: services@cooperindustries.com
C3
Customer Assistance
Your Authorized Cooper Bussmann Distributor is:
Cooper Bussmann
St. Louis, MO 63178
855.287.7626 (855-BUSSMANN)
www.cooperbussmann.com
Contact:
©2011 Cooper Bussmann
www.cooperbussmann.com
8www.cooperbussmann.com/BussmannWirelessResources 3A1577Rev1.8