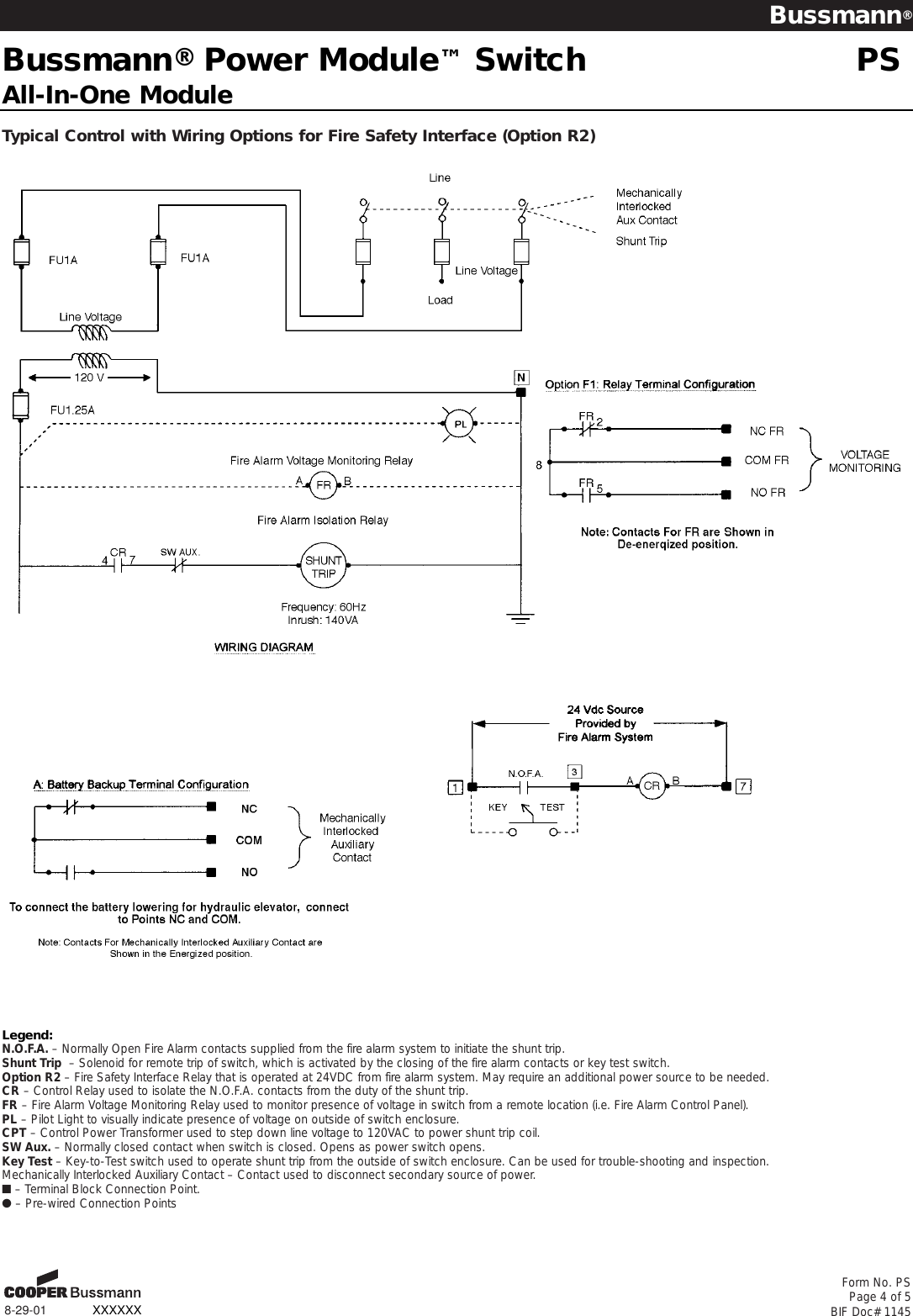
Cooper Bussmann Power Module Ps Users Manual BIF#1145 (9/4/96)
PS to the manual 7fc25948-02fc-4aa8-bdf7-aca75db47334
2015-02-05
: Cooper-Bussmann Cooper-Bussmann-Power-Module-Ps-Users-Manual-535150 cooper-bussmann-power-module-ps-users-manual-535150 cooper-bussmann pdf
Open the PDF directly: View PDF
.
Page Count: 5




