Cooper Wiring Devices RF9501 RF Single Pole Switch User Manual usermanual for RF9501
Cooper Wiring Devices Inc RF Single Pole Switch usermanual for RF9501
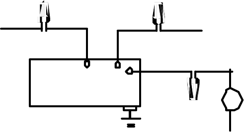
User Manual

To install:
Connect wires per wiring diagram as follows:
Load
Charge
Carga
Neutral
Neutre
Neutro
Hot
Phase
Vivo
Neutral
Neutre
Neutro
(Ground) Green
(Terre) Verte
(Tierre) Verde
White
Blanc
Blanco
Black
Noir
Negro
Red
Rouge
Rojo
• Remove pre-stripped insulation on device wires.
• Strip wires in box 1/2”.
• Twist ends of stripped wires together as per schematic.
• Twist on wire connectors clockwise until secure.
• Connect green ground wire to bare wire, and mount to box with screws.
After completing successful installation LED on device will blink until programmed.
For detailed programming instructions for your Switch, refer to the ASPIRE RF manual
that is included with the Handheld (RFHDCSG) or Table Top (RFTDCSG) Controller.
FEDERAL COMMUNICATIONS COMMISSION
INTERFERENCE STATEMENT
This device complies with Part 15 of the FCC Rules.
Operation is subject to the following two conditions:
1: This device may not cause harmful interference, and
2: This device must accept any interference received, including interference that
may cause undesired operation.
NOTE: This equipment has been tested and found to comply with the limits for
a Class B digital device, pursuant to Part 15 of the FCC Rules. These limits are designed
to provide reasonable protection against harmful interference in a residential installation.
This equipment generates uses and can radiate radio frequency energy and, if not installed
and used in accordance with the instructions, may cause harmful interference to radio
communications.
However, there is no guarantee that interference will not occur in a particular installation.
If this equipment does cause harmful interference to radio or television reception, which
can be determined by turning the equipment off and on, the user is encouraged to try to
correct the interference by one or more of the following measures:
• Reorient or relocate the receiving antenna.
• Increase the separation between the equipment and receiver.
• Connect the equipment into an outlet on a circuit different from that to which the
receiver is connected.
• Consult the dealer or an experienced radio/TV technician for help.
FCC CAUTION:
Modifications not authorized by the manufacturer may void users authority to operatethis device.