Cornelius Enduro Ed 250 Bcp Users Manual 620916501INS
ED-250 BCP to the manual 67f3145c-5dfa-45d5-be13-ce6b58ef0a8a
2015-02-05
: Cornelius Cornelius-Enduro-Ed-250-Bcp-Users-Manual-533150 cornelius-enduro-ed-250-bcp-users-manual-533150 cornelius pdf
Open the PDF directly: View PDF .
Page Count: 16

Installation Manual
ENDURO ICE/BEVERAGE DISPENSER
Model: ED-250 BCP
IMPORTANT:
TO THE INSTALLER.
It is the responsibility of
the Installer to ensure that
the water supply to the
dispensing equipment is
provided with protection
against backflow by an air
gap as defined in
ANSI/ASME A112.1.2-1979;
or an approved vacuum
breaker or other such
method as proved effective
by test.
Water pipe connections
and fixtures directly
connected to a potable
water supply shall be
sized, installed, and
maintained according to
Federal, State, and Local
Codes.
IMI CORNELIUS INC; 2005–2006©
www.cornelius.com
Part No. 620916501INS
October 19, 2005
Revised: March 10, 2006
Revision: C
THIS DOCUMENT CONTAINS IMPORTANT INFORMATION
This Manual must be read and understood before installing or operating this equipment
i620916501INS
TABLE OF CONTENTS
Page
SAFETY PRECAUTIONS 2. . . . . . . . . . . . . . . . . . . . . . . . . . . . . . . . . . . . . . . . . . . . . . . . . . .
DESCRIPTION 2. . . . . . . . . . . . . . . . . . . . . . . . . . . . . . . . . . . . . . . . . . . . . . . . . . . . . . . .
SPECIFICATIONS 2. . . . . . . . . . . . . . . . . . . . . . . . . . . . . . . . . . . . . . . . . . . . . . . . . . . . .
INSTALLATION INSTRUCTIONS 3. . . . . . . . . . . . . . . . . . . . . . . . . . . . . . . . . . . . . . . . . . . .
TROUBLESHOOTING 11. . . . . . . . . . . . . . . . . . . . . . . . . . . . . . . . . . . . . . . . . . . . . . . . . . . . . .
BLOWN FUSE OR CIRCUIT BREAKER. 11. . . . . . . . . . . . . . . . . . . . . . . . . . . . . . . . . .
SLUSHY ICE. WATER IN HOPPER 11. . . . . . . . . . . . . . . . . . . . . . . . . . . . . . . . . . . . . .
BEVERAGES DO NOT DISPENSE. 11. . . . . . . . . . . . . . . . . . . . . . . . . . . . . . . . . . . . . .
BEVERAGES TOO SWEET. 11. . . . . . . . . . . . . . . . . . . . . . . . . . . . . . . . . . . . . . . . . . . .
BEVERAGES NOT SWEET ENOUGH. 11. . . . . . . . . . . . . . . . . . . . . . . . . . . . . . . . . . .
BEVERAGES NOT COLD (UNITS WITH BUILD-IN COLD PLATE). 11. . . . . . . . . .
NO ICE DISPENSED FROM ICE PORTION CONTROLLER 11. . . . . . . . . . . . . . . .
NO ICE DISPENSED FROM ICE PORTION CONTROLLER (CONTINUED) 12. . .
NO ICE DISPENSED FROM MANUAL ICE DISPENSE PUSHBUTTON SWITCH 12
ICE DISPENSING DURING AUTOMATIC AGITATION 12. . . . . . . . . . . . . . . . . . . . . .
WARRANTY 13. . . . . . . . . . . . . . . . . . . . . . . . . . . . . . . . . . . . . . . . . . . . . . . . . . . . . . . . . . . . . .
LIST OF FIGURES
Page
FIGURE 1. PARTS IDENTIFICATION 1. . . . . . . . . . . . . . . . . . . . . . . . . . . . . . . . . . . .
FIGURE 2. DRIP TRAY DRAIN ASSEMBLY 4. . . . . . . . . . . . . . . . . . . . . . . . . . . . . . .
FIGURE 3. MOUNTING TEMPLATE 5. . . . . . . . . . . . . . . . . . . . . . . . . . . . . . . . . . . . .
FIGURE 4. FLOW DIAGRAM (BEVERAGE VALVE MANIFOLD R TO L 3.1.2.2) 6
FIGURE 5. FLOW DIAGRAM (PNEUMATIC ICE GATE) 7. . . . . . . . . . . . . . . . . . . .
FIGURE 6. WIRING DIAGRAM (115 VOLT UNIT) 8. . . . . . . . . . . . . . . . . . . . . . . . . .
FIGURE 7. WIRING SCHEMATIC (115 VOLT UNIT) 9. . . . . . . . . . . . . . . . . . . . . . . .

1620916501INS
REMOVABLE STRAW
HOLDER PANEL
LID/STRAW
HOLDER
BEVERAGE FAUCET
ON/OFF SWITCH
ICE PORTION
CONTROL MODULE
MANUAL/AUTO ICE
TOGGLE SWITCH
MANUAL ICE DISPENSE
RED PUSH BUTTON SWITCH
DRIP TRAY
CUP REST
LOWER ACCESS
PANEL
BEVERAGE FAUCETS (8)
ICE AGITATOR
RETAINER
ICE BIN COVER
FIGURE 1. PARTS IDENTIFICATION

2
620916501INS
SAFETY PRECAUTIONS
Always: Disconnect power to the dispenser before servicing or cleaning.
Never: Place hands inside of hopper or gate area without disconnecting power to the dispenser. Agitator rotation
occurs automatically when dispenser is energized!
This ice dispenser has been specifically designed to provide protection against personal injury and eliminates
contamination of ice.To insure continued protection and sanitation, observe the following:
ALWAYS: Be sure the removable lid is properly installed to prevent unauthorized access to the hopper interior
and possible contamination of the ice.
ALWAYS: Be sure the upper and lower front panels are securely fastened.
ALWAYS: Keep area around the dispenser clean of ice cubes.
CAUTION: Dispenser cannot be used with crushed or flaked ice.
Use of bagged ice which has frozen into large chunks can void warranty. The
dispenser agitator is not designed to be an ice crusher. Use of large chunks of
ice which ”jam up” inside the hopper will cause failure of the agitator motor and
damage to the hopper. If bagged ice is used, it must be carefully and completely
broken into small, cube-sized pieces before filling into the dispenser hopper.
DESCRIPTION
The ”ENDURO” series of ice dispensers solves your ice and beverage service needs in a sanitary, space saving,
economical way. Designed to be manually filled with ice from any remote ice making source, these dispensers will
dispense cubes (up to 1-1/4 in. in size), cubelets, and hard-chipped or cracked ice; and in addition, several flavors
of post–mix beverages. The unit includes beverage faucets and a cold plate and is designed to be supplied direct
from syrup tanks and a carbonator, with no additional cooling required.
SPECIFICATIONS
Model ED250 BCP
B (Beverage Faucets)
C (Cold Plate)
P (Pneumatic ice portioning system)
Ice storage 250 pounds
Maximum No. of
Beverage Faucets
Available
8
Cold Plate (Built–In) Yes
Electrical 120/1/60, 3.5 Amps
Dimensions 30 in. Wide X 30-11/16 in. Deep X 39-5/8
in. High

3620916501INS
INSTALLATION INSTRUCTIONS
1. Locate the dispenser indoors on a level counter top.
The ice dispenser must be sealed to the counter. The MOUNTING TEMPLATE (see Figure 3)
indicates where openings can be cut in the counter. Locate the desired position for the dispenser, then
mark the outline dimensions on the counter using the MOUNTING TEMPLATE. Cut openings in the
counter.
Rotate the line support bracket, located under base, to the up position and route all the lines below the
bracket.
Apply a continuous bead of National Sanitation Foundation (NSF) listed silastic sealant (Dow 732 or
equal) approximately 1/4” inside of the unit outline dimensions and around all openings. Then, position
the unit on the counter within the outline dimensions. All excess sealant must be wiped away
immediately.
2. The beverage tubes, drain tube and power cord are routed through the large opening in the bottom of the
unit. See the MOUNTING TEMPLATE (see Figure 3), for locating the required clearance hole in the counter
for these utility lines.
3. DRIP TRAY DRAIN ASSEMBLY (see Figure 2). Route the drain tube to an open drain with the end of the
tube above the “flood” level of the drain. Use the tubing, fittings, clamps, and insulation provided with the Dis-
penser to assemble the drain. The completed drain line must pitch continuously downward and contain no
“traps” or improper drainage will result.
NOTE: This equipment must be installed with adequate backflow protection to comply with federal, state,
and local codes.
4. Connect the beverage system product tubes as indicated in the Flow Diagram. This work should be done by
a qualified Service Person. Any non-carbonated water tubing must be connected to the outlet of the check
valve.
Note: See the Flow Diagram (see Figure 4) or decal on lower front panel of the unit for the location of syr-
up and water connections.
Note: Water pipe connections and fixtures directly connected to a potable water supply shall be sized,
installed and maintained according to Federal, State and Local Laws.
5. ICE PORTION CONTROLLER: Regulated CO2 gas pressure is required to operate the portion control dis-
pensing system. Proceed as follows to connect the CO2 gas pressure source line to the dispenser.
A. Connect and route the CO2 line from outlet side of the source regulator assembly up to the dispenser.
NOTE: That the minimum source-regulated pressure is 40 psig.
B. Connect the CO2 source line to dispenser inlet line labeled “CO2“.
C. The dispenser regulator outlet pressure is factory preset to 34 psig ±2 psig DO NOT ADJUST.
IMPORTANT: Maximim CO2 operating pressure is 50 psig.
6. Clean the hopper interior (see Owner’s Manual P/N 620916502 for cleaning instructions).
7. Connect the power cord to a 120 volt, 60 cycle, 3–wire grounded receptacle.

4
620916501INS
DRAIN LINE
1-IN. I.D. PLASTIC TUBING
(6 FT) WITH INSULATION
SOLVENT BOND
HOSE CLAMP
BARB ADAPTER
1 BARB X 3/4 MPT
COUPLING
3/4 SOCKET X 3/4 FPT
DRIP TRAY DRAIN
FITTING
FIGURE 2. DRIP TRAY DRAIN ASSEMBLY

5620916501INS
12
OPENING
30
23
21–1/4
29
9–3/16 11–5/8
18–5/8
1–5/16
1–13/16 26–7/16
7/16
30–11/16
21–1/4
23–1/16
RECOMMENDED COUNTER OPENING SIZE
9.00 X 12.00 FOR UTILITIES AND
BEVERAGE TUBING. OPENING CAN BE LOCATED
ANYWHERE WITHIN THE SHADED AREA.
REMOVABLE DRIP TRAY
TO FRONT OF DRIP TRAY
ON COUNTERTOP
TO FRONT TOP OF
DRIP TRAY
Z STYLE
9
3–1/2
FIGURE 3. MOUNTING TEMPLATE

6620916501INS
S3
INSTALL FOR
NON–CARB AS
REQUIRED
S6
S3
CHECK
VALVE
OPTIONAL FOR
DIET DRINKS
OR ROOT BEER
S8
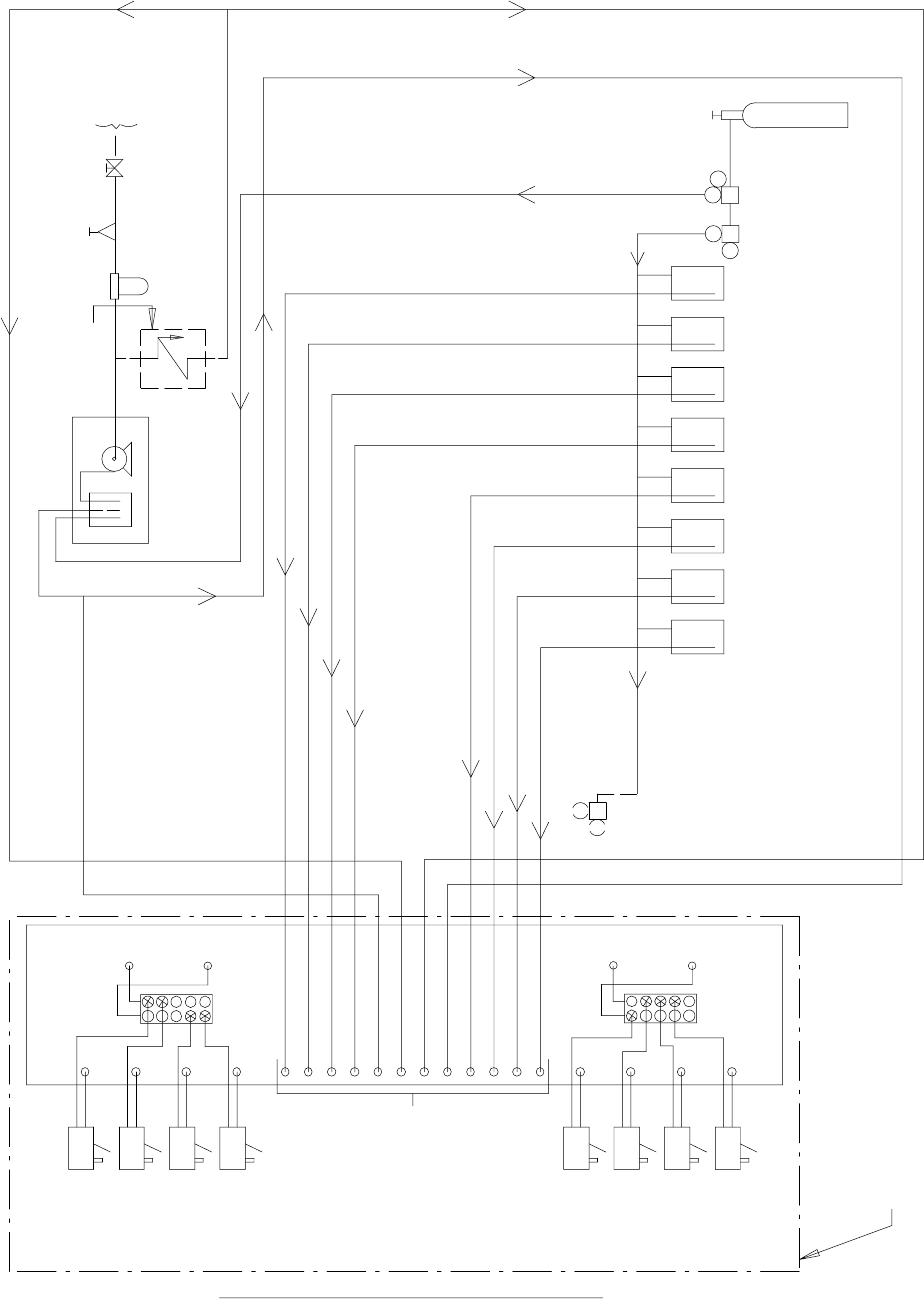
SYRUP TANKS
15–50 PSIG
S1
S7 S6
PRESSURE
REGULATORS
S2
S4
S5
S6
S7
S8
S7
S5
S1
S2
S3
S4
3
COLD PLATE
CARBONATOR
FILTER
OPTIONAL
PRESSURE
REGULATOR
CO2
Cylinder
FAUCETS
POTABLE
WATER
SUPPLY
COLDPLATE
INLET
CONNECTIONS
S5 S4
2
1
FAUCETS VIEWED FROM THIS SIDE
ITEMS INSIDE BROKEN LINE
INCLUDED WITH UNIT
5–15
PSIG
4
7
6
5
8S1S2
S8
Non–Carb Water
Carb Water
Carb Water
CO2
W1
W2
W3
W4
W2
W1
W3
W4
FIGURE 4. FLOW DIAGRAM (UNIT WITH EIGHT FAUCETS)

7620916501INS
ICE GATE CYLINDER REVERSE
SINGLE ACTING-SPRING EXTENDED
PNEUMATIC GATE SOLENOID VALVE
3-WAY NORMALLY CLOSED
FILTER–REGULATOR
(FACTORY-SET OUTLET
PRESSURE TO 32-36 PSIG)
MANUAL OVERIDE SOLENOID VALVE
3-WAY NORMALLY CLOSED
CO2 SUPPLY
50 PSIG MAX.
FIGURE 5. FLOW DIAGRAM (PNEUMATIC ICE GATE)

8
620916501INS
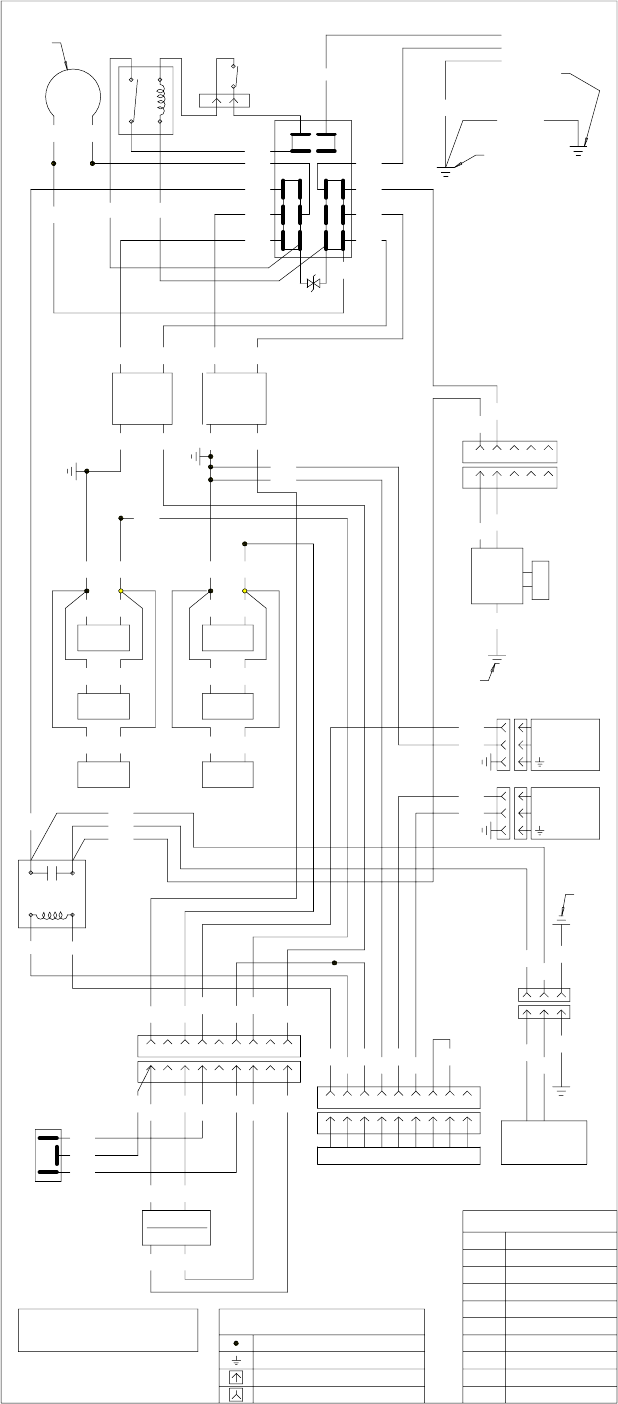
FEMALE HARNESS CONNECTOR
MALE HARNESS CONNECTOR
GROUND
SPLICE/QUICK CONNECT CONNECTION
LEGEND
GEN/YEL GREEN W/YELLOW STRIP
GRN GREEN
RED RED
BLU BLUE
VIO VIOLET
BRN BROWN
ORN ORANGE
YEL YELLOW
WHT WHITE
BLK BLACK
WIRE COLOR CHART
620913001 REV.E
DANGER!
ELECTRIC SHOCK HAZARD. DISCONNECT
POWER BEFORE SERVICING UNIT.
DIODE
MOTOR
HEATER
WHT
AGITATOR
MOTOR
YEL
MOTOR START
CAPACITOR
BLK
BLK
WHT
TERMINAL
BOARD
MANUAL ICE
DISPENSE SWITCH
MANUAL/AUTO ICE
TOGGLE SWITCH
AGITATION
RELAY
34
2
PORTION CONTROLLER/TOUCH PANEL
123456789
PNEUMATIC
GATE
SOLENOID
MANUAL
OVERRIDE
SOLENOID
RED BLK
BEVERAGE
VALV E
TRANSFORMER
BEVERAGE
VALVES
ON/OFF
SWITCH
25 24
12 11
BLK WHT
WHT
TRANSFORMER
BLK WHT
BEVERAGE
VALV E
ED250 PROGATE WIRING DIAGRAM
VIOBLK
RED
BLK
WHT
GRN
BLU
ORN
GRN/YEL
BEVERAGE
VALV E
BLK
BRN
BLU
GRN/YEL
RED
BLK
BLK
WHTBLK
TO EBOX
GROUND
SCREW
123456789
BRN
BLU
YELWHT
ORN
ORN
RED
BLK
YEL
ORN ORN
RED
BLK
YEL
YEL
COM NO
BLK
WHT
RED
TO EBOX
GROUND
SCREW
(TYPICAL)
BLU
BRN
GRN/YEL
123456789
123456789
1
2
1
2
GRN
BLU
YEL YEL
ORNORN
RED
LINE
LOAD
YELYEL/BLK
LINE
LOAD
BEVERAGE
VALV E
BLK WHT
BEVERAGE
VALV E
BEVERAGE
VALV E
(TYPICAL)
ORN/BLKYEL/BLK ORNYEL
WHT
ORN/BLK
INCOMING POWER
BLKBLK
WHT
WHT
WHT
RED
YEL
YEL
RED
GRN/YEL
TO EBOX
GROUND
SCREW
GRN/YEL
TO GUSSET
HINGE GROUND
TERMINAL
YEL
L
N
E
12345
12345
ICE CHUTE
INTERLOCK
SWITCH
INTERLOCK
RELAY
7A
5B
BLK WHT
BLK
1
BLK WHT
BLK WHT
BLK WHT
BLK WHT
BLK WHT
FIGURE 6. WIRING DIAGRAM (115 VOLT UNIT)

9620916501INS
FIGURE 7. WIRING SCHEMATIC (115 VOLT)
120V
INTERLOCK RELAY
MANUAL ICE DISPENSE
SWITCH
MANUAL/AUTO ICE
TOGGLE SWITCH
ICE CHUTE INTERLOCk
SWITCH
BEV ON/OFF
SWITCH
24VAC
AGITATOR
RELAY
PORTION CONTROLLER/
TOUCH PANEL
TOUCH
PANEL
BEV
VAL.
4
24VAC
PNEUMATIC ICE GATE
SOLENOID VALVE
LN
BEVERAGE
TRANSFORMER
3
AGITATOR MOTOR
HEATER
1
3
S
R
AGITATOR MOTOR
O/L
MOTOR
START RELAY
START CAPACITOR
24
2
MANUAL OVERIDE
SOLENOID VALVE
24VAC
BEVERAGE
TRANSFORMER
24VAC
BEV
VAL.
BEV
VAL.
BEV
VAL.
BEV
VAL.
BEV
VAL.
BEV
VAL.
BEV
VAL.
10
620916501INS
THIS PAGE LEFT BLANK INTENTIONALLY

11 620916501INS
WARNING: If repairs are to be made to the beverage system, remove quick disconnects
from the applicable product tank, then relieve the system pressure before proceeding. If
repairs are to be made to the CO2 system, stop dispensing, shut off the CO2 supply, then
relieve the system pressure before proceeding. If repairs are to be made to the ice dispensing
system, make sure electrical power is disconnected from the unit.
TROUBLESHOOTING
IMPORTANT: Only qualified personnel should service internal components or electrical wiring.
Trouble Probable Cause Remedy
NOTE: should your unit fail to operate properly, check that there is power to the unit and that the
hopper contains ice. If the unit does not dispense, check the following chart under the
appropriate symptoms(s) to aid in locating the defect.
BLOWN FUSE OR CIRCUIT
BREAKER.
A. Short circuit in wiring (115V
circuit).
A. Replace defective wiring.
B. Defective agitator motor. B. Replace agitator motor.
SLUSHY ICE. WATER IN
HOPPER
A. Blocked drain. A. Open–up/flush out drain.
HOPPER B. Unit not level. B. Level unit.
C. Poor ice quality due to water
quality or ice maker problems.
C. Install water filter system. For
Icemaker problems, consult
icemaker manual.
D. Improper use of flaked ice. D. Replaced flaked ice with “cube
style ice (see page 2, Unit
Description).
BEVERAGES DO NOT
DISPENSE.
A. No 24 volt power to faucets. A. Check that beverage switch is
“on”. Check 24V transformers.
B. No CO2 pressure. B. Check CO2 regulator. Check CO2
tank pressure.
BEVERAGES TOO SWEET. A. Carbonator not working. A. Check carbonator.
B. No CO2 pressure in
carbonator.
B. Check CO2 regulator. Check CO2
tank pressure.
C. Faucet brix requires adjusting. C. Brix Faucet.
BEVERAGES NOT SWEET
ENOUGH
A. Empty syrup tank. A. Refill syrup tank.
ENOUGH. B. Faucet Brix requires adjusting. B. Brix Faucet.
BEVERAGES NOT COLD
(UNITS WITH BUILD-IN COLD
PLATE).
A. Unit standing with no ice in
hopper - no ice in cold plate
cabinet.
A. Refill hopper with ice.
NOTE: Contact your local syrup or beverage equipment distributor for additional information and
trouble shooting of beverage system.
NO ICE DISPENSED FROM
ICE PORTION CONTROLLER
A. Insufficient ice supply in ice
bin.
A. Replenish ice supply as required.
B. Ice in ice bin bridged (stuck
together).
B. Gently tap on ice to break it loose.
C. No electrical power to
dispenser.
C. Plug in dispenser power cord, or
check fuse or circuit breaker.

12
620916501INS
Trouble RemedyProbable Cause
NO ICE DISPENSED FROM
ICE PORTION CONTROLLER
ICE PORTION CONTROLLER
(CONTINUED) D. Insufficient or no CO2 supply
to dispenser.
D. Restore CO2 supply to dispenser.
E. Ice chute cover not properly
Installed.
E. Make sure that cover is “snapped”
into place.
F. Defective ice chute interlock
switch.
F. Replace interlock switch.
G. Defective interlock relay. G. Replace relay.
H. Defective 24V transformer. H. Replace transformer.
I. Defective portion controller.
J. Defective ice gate cylinder.
K. Defective ice gate solenoid
valve.
L. Agitation relay wiring incorrect.
M. Defective agitation relay.
N. Defective agitator motor or
start capacitor or start relay.
I. Replace controller.
J. Replace cylinder.
K. Replace solenoid valve.
L. Red wire should be connected to
“+” terminal (no. 3) of relay coil.
M. Replace relay.
N. Replace defective component.
NO ICE DISPENSED FROM
MANUAL ICE DISPENSE
PUSHBUTTON SWITCH
A. Manual/Auto toggle switch in
“Auto” position.
B. Insufficient or no CO2 supply to
dispenser.
A. Move toggle switch to “Manual”
position.
B. Restore CO2 supply to dispenser.
C. Defective 24V transformer.
D. Defective manual override
solenoid valve.
E. Defective manual ice dispense
pushbutton switch.
C. Replace transformer.
D. Replace valve.
E. Replace switch.
F. Defective agitator motor or
start capacitor or start relay.
G. Defective ice gate cylinder.
F. Replace defective component.
G. Replace cylinder
ICE DISPENSING DURING
AUTOMATIC AGITATION
A. Manual/Auto toggle switch in
“manual” position.
A. Move toggle switch to “auto”
position.
B. Defective ice gate cylinder.
C. Defective ice gate solenoid
valve.
D. Defective portion controller.
B. Replace cylinder.
C. Replace valve.
D. Replace controller.

13 620916501INS
WARRANTY
IMI Cornelius Inc. warrants that all equipment and parts are free from defects in material and workmanship
under normal use and service. For a copy of the warranty applicable to your Cornelius product, in your country,
please write, fax or telephone the IMI Cornelius office nearest you. Please provide the equipment model number
and the date of purchase.
IMI Cornelius Offices
AUSTRALIA D P. O . 210, D RIVERWOOD, D NSW 2210, AUSTRALIA D (61) 2 533 3122 D FAX (61) 2 534 2166
AUSTRIA D AM LANGEN FELDE 32 D A-1222 D VIENNA, AUSTRIA D (43) 1 233 520 D FAX (43) 1-2335-2930
BELGIUM D BOSKAPELLEI 122 D B-2930 BRAASCHAAT, BELGIUM D (32) 3 664 0552 D FAX (32) 3 665 2307
BRAZIL D RUA ITAOCARA 97 D TOMAS COELHO D RIO DE JANEIRO, BRAZIL D (55) 21 591 7150 D FAX (55) 21 593 1829
ENGLAND D TYTHING ROAD ALCESTER D WARWICKSHIRE, B49 6 EU, ENGLAND D (44) 789 763 101 D FAX (44) 789 763 644
FRANCE D 71 ROUTE DE ST. DENIS D F-95170 DEUIL LA BARRE D PARIS , FRANCE D (33) 1 34 28 6200 D FAX (33) 1 34 28 6201
GERMANY D CARL LEVERKUS STRASSE 15 D D-4018 LANGENFELD, WEST GERMANY D (49) 2173 7930 D FAX (49) 2173 77 438
GREECE D 488 MESSOGION AVENUE D AGIA PARASKEVI D 153 42 D ATHENS, GREECE D (30) 1 600 1073 D FAX (30) 1 601 2491
HONG KONG D 1104 TAIKOTSUI CENTRE D 11-15 KOK CHEUNG ST D TAIKOKTSUE, HONG KONG D (852) 789 9882 D FAX (852) 391 6222
ITALY D VIA PELLIZZARI 11 D 1-20059 D VIMARCATE, ITALY D (39) 39 608 0817 D FAX (39) 39 608 0814
NEW ZEALAND D 20 LANSFORD CRES. D P.O . BOX 19-044 AVONDALE D AUCKLAND 7, NEW ZEALAND D (64) 9 8200 357 D FAX (64) 9 8200 361
SINGAPORE D 16 TUAS STREET D SINGAPORE 2263 D (65) 862 5542 D FAX (65) 862 5604
SPAIN D POLIGONO INDUSTRAIL D RIERA DEL FONOLLAR D E-08830 SANT BOI DE LLOBREGAT D BARCELONA, SPAIN D (34) 3 640 2839 D FAX (34) 3 654 3379
USA D ONE CORNELIUS PLACE D OSSEO, MN (800) 238–3600

IMI CORNELIUS INC.