Cornelius Series 200 Users Manual
Series 525 to the manual 5fd690bb-fe8c-4404-b240-f27061cd6bd9
2015-02-05
: Cornelius Cornelius-Series-200-Users-Manual-535750 cornelius-series-200-users-manual-535750 cornelius pdf
Open the PDF directly: View PDF
.
Page Count: 22

SELF-CONTAINTED
FLAKED ICE MAKER
Model: Series 200, 525, 725 (R404A Refrigerant)
Service Manual
Series 200
Release Date: May 13, 2004
Publication Number: 166240010SER
Revision Date: NA
Revision: A
Visit the IMI Cornelius web site at www.cornelius.com for all your Literature needs.
®

SELF-CONTAINED FLAKED ICE MAKER
SERVICE MANUAL
The products, technical information, and instructions contained in this manual are subject
to change without notice. These instructions are not intended to cover all details or varia-
tions of the equipment, nor to provide for every possible contingency in the installation,
operation or maintenance of this equipment. This manual assumes that the person(s)
working on the equipment have been trained and are skilled in working with electrical,
plumbing, pneumatic, and mechanical equipment. It is assumed that appropriate safety
precautions are taken and that all local safety and construction requirements are being
met, in addition to the information contained in this manual.
To inquire about current revisions of this and other documentation or for assistance with
any Cornelius product contact:
www.cornelius.com
800-238-3600
Trademarks and copyrights:
Aurora, Cornelius, Decade, Hydro Boost, Sitco, Spirit, UF-1, Vanguard, Venture, Olympus,
and Vista are registered trademarks of IMI Cornelius Inc.
Optifill trademark is pending.
This document contains proprietary information and it may not be
reproduced in any way without permission from Cornelius.
Printed in U.S.A.
Copyright © 2004, All Rights Reserved, IMI Cornelius, Inc.

TABLE OF CONTENTS
Introduction . . . . . . . . . . . . . . . . . . . . . . . . . . . . . . . . . . . . . . . . . . . . . . . . . . . . . . . . . . 1
Specifications 200 . . . . . . . . . . . . . . . . . . . . . . . . . . . . . . . . . . . . . . . . . . . . . . . . . . . . . 2
Ice Production Capacity (Approximate) . . . . . . . . . . . . . . . . . . . . . . . . . . . . . . . . . . . 2
200 . . . . . . . . . . . . . . . . . . . . . . . . . . . . . . . . . . . . . . . . . . . . . . . . . . . . . . . . . . . 3
Specifications 525 . . . . . . . . . . . . . . . . . . . . . . . . . . . . . . . . . . . . . . . . . . . . . . . . . . . . . 4
Ice Production Capacity (Approximate) . . . . . . . . . . . . . . . . . . . . . . . . . . . . . . . . . . . 4
525 . . . . . . . . . . . . . . . . . . . . . . . . . . . . . . . . . . . . . . . . . . . . . . . . . . . . . . . . . . . 5
Specifications 725 . . . . . . . . . . . . . . . . . . . . . . . . . . . . . . . . . . . . . . . . . . . . . . . . . . . . . 6
Ice Production Capacity (Approximate) . . . . . . . . . . . . . . . . . . . . . . . . . . . . . . . . . . . 6
725 . . . . . . . . . . . . . . . . . . . . . . . . . . . . . . . . . . . . . . . . . . . . . . . . . . . . . . . . . . . 6
Electrical Circuit . . . . . . . . . . . . . . . . . . . . . . . . . . . . . . . . . . . . . . . . . . . . . . . . . . . . . . 7
Circuit Description . . . . . . . . . . . . . . . . . . . . . . . . . . . . . . . . . . . . . . . . . . . . . . . . . . . 7
On-Off Switch/Circuit Breaker . . . . . . . . . . . . . . . . . . . . . . . . . . . . . . . . . . . . . . . 7
Bin Thermostat . . . . . . . . . . . . . . . . . . . . . . . . . . . . . . . . . . . . . . . . . . . . . . . . . . 7
High Pressure Control . . . . . . . . . . . . . . . . . . . . . . . . . . . . . . . . . . . . . . . . . . . . . 7
Gearmotor Start Relay . . . . . . . . . . . . . . . . . . . . . . . . . . . . . . . . . . . . . . . . . . . . 7
Power Relay/Contactor . . . . . . . . . . . . . . . . . . . . . . . . . . . . . . . . . . . . . . . . . . . . 7
Fan Cycling Switch . . . . . . . . . . . . . . . . . . . . . . . . . . . . . . . . . . . . . . . . . . . . . . . 7
Delay Thermostat . . . . . . . . . . . . . . . . . . . . . . . . . . . . . . . . . . . . . . . . . . . . . . . . 7
Compressor Start Relay . . . . . . . . . . . . . . . . . . . . . . . . . . . . . . . . . . . . . . . . . . . 7
Potential Relays . . . . . . . . . . . . . . . . . . . . . . . . . . . . . . . . . . . . . . . . . . . . . . . . . 8
Capacitors - General . . . . . . . . . . . . . . . . . . . . . . . . . . . . . . . . . . . . . . . . . . . . . . 8
Maintenance . . . . . . . . . . . . . . . . . . . . . . . . . . . . . . . . . . . . . . . . . . . . . . . . . . . . . . . . . 9
Sanitizing and Cleaning Procedure . . . . . . . . . . . . . . . . . . . . . . . . . . . . . . . . . . . . . . 9
Water Treatment . . . . . . . . . . . . . . . . . . . . . . . . . . . . . . . . . . . . . . . . . . . . . . . . . . . 10
Winter Storage . . . . . . . . . . . . . . . . . . . . . . . . . . . . . . . . . . . . . . . . . . . . . . . . . . . . 10
Cleaning the Condenser (Air Cooled) . . . . . . . . . . . . . . . . . . . . . . . . . . . . . . . . . . . 10
Troubleshooting . . . . . . . . . . . . . . . . . . . . . . . . . . . . . . . . . . . . . . . . . . . . . . . . . . . . . 15


Self-Contained Flaked Ice Maker Service Manual
© 2004, IMI Cornelius Inc. - 1 - Publication Number: 166240010SER
INTRODUCTION
We have strived to produce a quality product. The design has been kept simple thus insuring trouble-free
operation.
This manual has been prepared to assist servicemen and users with information concerning installation,
construction and maintenance of the ice making equipment. The problems of the serviceman and user
have been given special attention in the development and engineering of our ice makers.
If you encounter a problem which is not covered in this manual, please feel free to write or call. We will be
happy to assist you in any way we can.
When writing, please state the model and serial number of the machine.

Self-Contained Flaked Ice Maker Service Manual
Publication Number: 166240010SER - 2 - © 2004, IMI Cornelius Inc.
SPECIFICATIONS 200
FIGURE 1. 200 SERIES SPECIFICATIONS
ICE PRODUCTION CAPACITY (APPROXIMATE)
AF–200–P(S)–SCR PRODUCTION CHART
AIR
TEMPERATURE WATER TEMPERATURE
50°F/10°C70°F/21°C80°F/27°C
50°F/10°C219 lbs/99 kgs 188 lbs/85 kgs 175 lbs/79 kgs
70°F/21°C208 lbs/95 kgs 174 lbs/79 kgs 166 lbs/75 kgs
90°F/27°C161 lbs/35 kgs 130 lbs/59 kgs 117 lbs/53 kgs
AF–200–P–SC50R PRODUCTION CHART
AIR
TEMPERATURE WATER TEMPERATURE
50°F/10°C70°F/21°C80°F/27°C
50°F/10°C234 lbs/106 kgs 206 lbs/94 kgs 197 lbs/90 kgs
70°F/21°C213 lbs/97 kgs 190 lbs/86 kgs 180 lbs/82 kgs
90°F/27°C183 lbs/83 kgs 164 lbs/75 kgs 156 lbs/71 kgs
A
B
C
REAR VIEW
OF CABINET
ELECTRICAL
BOX AREA
AIR
FLOW
ON-OFF
SWITCH
A- 1/4 WATE R INLE TS
(S .A.E . MALE FLAR E )
B- 5/8 O.D. TUBE (DRAIN)
C- 1/2 O.D. TUBE (DRAIN)
40-IN.
102-C M
34-IN.
86-C M
26-IN.
66-C M
6-IN.
15-C M
25-IN.
64-C M
24 7/8-IN.
63-C M
13 1/2-IN.
34-C M
26 1/2-IN.
67-C M
7-IN.
18-C M
4-IN.
10-C M
3/4-IN.
2-C M
7-IN.
18-C M
5-IN.
13-C M
19-IN.
48-C M

Self-Contained Flaked Ice Maker Service Manual
© 2004, IMI Cornelius Inc. - 3 - Publication Number: 166240010SER
200
Compressor Model Copeland JS25CIE–IAA–203 (115V 60HZ)
Copeland AS13CIE–1AZ–908 (220V 50HZ)
Condenser Air Cooled
Refrigerant Charge 8 oz. R–404a (115V 60HZ)
7 oz. R–404a (220V 50HZ)
Refrigerant Control (115V 60HZ) Automatic Expansion Valve (28–PSI)
Refrigerant Control (220V 50HZ) Automatic Expansion Valve (31–PSI)
Inlet Water Supply 1/4” SAE male flare
Voltage 115V 60HZ or 220V 50HZ
Gearmotor Electrical Rating 1/8 hp
Gearmotor Amp. Rating 2 amps (115V 60 HZ)
1 amp (220V 50HZ)
Total Amp. Draw 11.0 Amps (115V 60HZ)
4.0 Amps (220V 50HZ)
Maximum Fuse Size 15 Amp (115V 60HZ)
15 Amp (220V 50HZ)

Self-Contained Flaked Ice Maker Service Manual
Publication Number: 166240010SER - 4 - © 2004, IMI Cornelius Inc.
SPECIFICATIONS 525
FIGURE 2. 525 SERIES SPECIFICATIONS
ICE PRODUCTION CAPACITY (APPROXIMATE)
AF–525–P(S)–SCR PRODUCTION CHART
AIR
TEMPERATURE WATER TEMPERATURE
50°F/10°C70°F/21°C80°F/27°C
50°F/10°C654 lbs/297 kgs 588 lbs/267 kgs 552 lbs/251 kgs
70°F/21°C639 lbs/290 kgs 563 lbs/256 kgs 521 lbs/237 kgs
90°F/27°C562 lbs/255 kgs 479 lbs/218 kgs 448 lbs/204 kgs
AF–525–P–SC50R PRODUCTION CHART
AIR
TEMPERATURE WATER TEMPERATURE
50°F/10°C70°F/21°C80°F/27°C
50°F/10°C629 lbs/286 kgs 528 lbs/240 kgs 494 lbs/225 kgs
70°F/21°C621 lbs/282 kgs 525 lbs/239 kgs 489 lbs/222 kgs
90°F/27°C493 lbs/224 kgs 414 lbs/188 kgs 387 lbs/176 kgs
26 1/2-IN.
67-C M
ON-OFF
SWITCH
AIR IN
A
B
D
E
C
REAR VIEW
OF CABINET
A- 3/8 WATE R INLE T (S .A.E . MALE FLAR E )
B- 1/2 O.D. TUBE (CONDENSATE DRAIN)
C- 3/4 N.P.T. BIN DR AIN
D- CONDENSER WATER IN (W/C ONLY)
E- CONDENSER WATER OUT (W/C ONLY)
ELECTRICAL
BOX AREA
26-IN.
66-C M
34-IN.
86-C M
40-IN.
102-C M
MIN.
6-IN.
15-C M
MIN.
14-IN.
36-C M
38 3/4-IN.
97-C M
24 3/4-IN.
63-C M
13 1/2-IN.
34-C M
2-IN.
5-C M
21/2-IN.
6-C M
31/2-IN.
9-C M
31/2-IN.
9-C M
5/8-IN.
2-C M
33/8-IN.
9-C M
45/8-IN.
12-C M
55/8-IN.
14-C M
19 1/2-IN.
50-C M
33/4-IN.
10-C M
26 3/8-IN.
67-C M
35/8-IN.
9-C M

Self-Contained Flaked Ice Maker Service Manual
© 2004, IMI Cornelius Inc. - 5 - Publication Number: 166240010SER
525
Compressor Model Copeland RS43CIE–IAA–214 (115V 60HZ)
Copeland RS43CIE–IAZ–214 (220V 50HZ)
Condenser Air Cooled
Refrigerant Charge 17 oz. R-404a
Refrigerant Control Automatic Expansion Valve (34–PSI)
Inlet Water Supply 3/8” SAE Male Flare
Voltage 115V 60HZ or 220V 50HZ
Total Amp Draw 15.5 Amps (115V 60HZ)
6.0 Amps (220V 50HZ)
Gearmotor Amp Draw 2 Amps (115V 60HZ)
1 Amp (220V 50HZ)
Gearmotor Electrical Rating 1/8 hp
Maximum Fuse Size 20 Amp (115V 60HZ)
15 Amp (220V 50HZ)

Self-Contained Flaked Ice Maker Service Manual
Publication Number: 166240010SER - 6 - © 2004, IMI Cornelius Inc.
SPECIFICATIONS 725
FIGURE 3. 725 SERIES SPECIFICATIONS
ICE PRODUCTION CAPACITY (APPROXIMATE)
725
Compressor Model Copeland RS43CIE-IAA-214
Condenser Air Cooled
Refrigerant Charge 17 oz. R-404a
Refrigerant Control Automatic Expansion Valve (34–PSI)
Inlet Water Supply 3/8” SAE Male Flare
Voltage 115V 60HZ
Total Amp Draw 15.5 Amps
Gearmotor Amp Draw 2 Amps
Gearmotor Electrical Rating 1/8 hp
Maximum Fuse Size 20 Amp
AF–725–P–SCR PRODUCTION CHART
AIR
TEMPERATURE WATER TEMPERATURE
50°F/10°C70°F/21°C80°F/27°C
50°F/10°C654 lbs/297 kgs 588 lbs/267 kgs 552 lbs/251 kgs
70°F/21°C639 lbs/290 kgs 563 lbs/256 kgs 521 lbs/237 kgs
90°F/27°C562 lbs/255 kgs 479 lbs/218 kgs 448 lbs/204 kgs
ON-OFF
SWITCH
AIR IN
A
B
D
E
C
REAR VIEW
OF CABINET
A- 3/8 WATER INLET (S.A.E. MALE FLARE)
B- 1/2 O.D. TUBE (CONDE NS ATE DR AIN)
C- 3/4 N.P.T. BIN DR AIN
D- CONDENSER WATER IN (W/C ONLY)
E- CONDENSER WATER OUT (W/C ONLY)
ELECTRICAL
BOX AREA
40-IN.
102-C M
MIN.
26-IN.
66-C M
34-IN.
86-C M
21/2-IN.
6-C M
2-IN.
5-C M
17 1/8-IN.
43-C M
30-IN.
76-C M
28 3/8-IN.
72-C M
16 3/8-IN.
42-C M
48-IN.
122-C M
6-IN.
15-C M
23/4-IN.
7-C M
23/8-IN.
6-C M
5/8-IN.
2-C M
31/4-IN.
8-C M
41/2-IN.
11-C M
55/8-IN.
14-C M
19 1/2-IN.
50-C M
5 1/32-IN.
13-C M
32 1/16-IN.
81-C M 4-IN.
10-C M

Self-Contained Flaked Ice Maker Service Manual
© 2004, IMI Cornelius Inc. - 7 - Publication Number: 166240010SER
ELECTRICAL CIRCUIT
CIRCUIT DESCRIPTION
As the manual on-off circuit breaker switch is pushed to ”on”, an electrical circuit is completed to the
gearmotor via the circuit breaker gearmotor overload, power relay/contactor, gearmotor delay thermostat
and the bin thermostat. After the previous circuit has been completed the condenser fan motor will start
as will the compressor (via the high pressure control, the compressor starting relay and low ambient
control).
On-Off Switch/Circuit Breaker
This switch interrupts power to the entire unit. The switch has a circuit breaker incorporated into its’
design. This circuit breaker will trip out in the event the gearmotor draws to high of amps. In such an
event the power is interrupted to the unit. To reset the circuit breaker and reestablish power to the unit,
push the switch to the “off” position and then back to the “on” position.
Bin Thermostat
This is electrically in ”series” with the ice making system. When the bin is full, the contact opens,
terminating power to the machine.
High Pressure Control
Switch contact will open at 450 PSI for R404a breaking the circuit to the compressor. This control is
manually re-settable.
Gearmotor Start Relay
This is a current type relay which means as the gearmotor run winding comes ”on” the line, the current
draw initially is relatively heavy through the relay coil (coil is in series with run winding). It then acts like a
normal relay and the N.O. start contact ”makes”, completing a circuit through the start capacitor to the
start winding. As the gearmotor picks up speed, the amp draw through the relay coil drops off allowing
the armature to return to its normal position (start contact ”opens”). This action removes the start winding
from the circuit.
Power Relay/Contactor
This relay controls the compressor power only.
Fan Cycling Switch
The function of this switch is to maintain condensing pressures at a satisfactory level during-low ambient
conditions. The switch breaks the circuit to the condenser fan motor at 205 PSI and makes the circuit at
275 PSI.
Delay Thermostat
This thermostat keeps the gearmotor running until the suction line temperature reaches 45° after the full
bin switch terminates power to the power relay.
Compressor Start Relay
This is a current type relay and contains a N.O. contact which is connected in series with the start
winding of the compressor. The relay coil is electrically in series with the run winding. When power is
applied, the compressor draws high current which sets up a magnetic field in the magnet coil which
causes the relay to operate, closing the relay contact. As the compressor approaches operating speed,
the current flowing through the coil decreases, permitting the relay contact to open, thereby opening the
starting circuit.

Self-Contained Flaked Ice Maker Service Manual
Publication Number: 166240010SER - 8 - © 2004, IMI Cornelius Inc.
Potential Relays
The potential relay is used as a compressor starting relay, The contact in the potential relay is N.C. The
magnet coil is connected across (parallel) the start winding and is affected by induced voltage, generated
by the start winding. As the compressor comes up to design speed, the voltage across the relay coil
increases and at running speed is sometimes as much as 2 1/2 times the supply voltage. This voltage
sets up a magnetic field which causes the relay to operate. The starting relay is calibrated to remove the
start capacitor (open the starting circuit) at approximately 85% of the motor design speed.
NOTE: BOTH TYPES OF RELAYS ARE DESIGNED TO OPERATE WITHIN VERY NARROW LIMITS
OF VOLTAGE AND CURRENT DICTATED BY MOTOR DESIGN, THEREFORE, WHEN MAKING A
REPLACEMENT OF A RELAY ALWAYS PROVIDE AN EXACT REPLACEMENT, RECOMMENDED
BY THE COMPRESSOR MANUFACTURER.
Capacitors - General
An electrical capacitor is a device which stores up electrical energy. Capacitors are used with single
phase motors to provide starting torque and improve running characteristics; by feeding this energy to
the start winding in step with the run winding.
Any capacitor has three (3) essential parts, two (2) of which are usually foil plates separated and
insulated by the third part called the dielectric.
Two general types of capacitors are used with electric motors. The electrolytic starting capacitor usually
uses a very thin film of oxide on the metallic plate as the dielectric. The running capacitor usually is of the
liquid filled type.

Self-Contained Flaked Ice Maker Service Manual
© 2004, IMI Cornelius Inc. - 9 - Publication Number: 166240010SER
MAINTENANCE
IMPORTANT: THE FOLLOWING MAINTENANCE SHOULD BE PERFORMED AT LEAST EVERY SIX
MONTHS ON FLAKED ICE MACHINES.
1. Check power supply with machine running for proper voltage.
2. Check water level in the float tank reservoir. Water level should be maintained at the top of the
evaporator. Adjust if necessary. (See illustration and adjustment procedure)
3. Clean the air-cooled condenser coil with a stiff brush or vacuum cleaner (See procedure).
CAUTION: Condenser cooling fins are sharp, use care when cleaning.
4. Clean the ice storage bin and flush the bin drain at least once a month.
5. If a water conditioner is installed in the inlet water line, change, replace, or clean the filter, strainer
or cartridge as required.
6. If heavy mineral deposits on the auger and evaporator shell are encountered due to bad local water
conditions, follow sanitizing and cleaning procedure.
7. Loosen hold-down cam locks and remove gearmotor assembly.
8. Check thrust washer; replace if noticeably worn.
9. Lift out auger and examine for wear. The corkscrew auger guide bushing pressed into the drive
block should be checked for wear. Replace if loose or if worn flat with auger drive block. If the Helix
auger on the corkscrew auger round bar becomes flat on the inside more than 1/8 of an inch over a
length of two inches or more it should be replaced.
NOTE: HELIX AUGERS DO HAVE MACHINED FLAT RELIEF SURFACES. DON’T CONFUSE THEM
WITH WORN FLAT AREAS.
Check the insert in the bottom ring of the Helix auger and replace if excessively worn.
10. Check shell vertical strips for wear. Replace the shell if excessive wear is shown.
11. Check O-Ring, replace if worn or cut.
12. Re-assemble, steps 7 through 11.
CAUTION: In re-assembling the auger gearmotor, the hold down clamps must be tight and secure.
In re-installing the evaporator shell, be absolutely sure that the “o” ring is not pinched off as this
would cause a water leak around the base of the evaporator. Lubricate the “o” ring with food grade
lubricant before re-assembling shell.
13. Check for alignment of ice chute. Make sure chute gasket is not blocking path of ice flow.
14. Check bin thermostat operation. In the mid-range position the bin thermostat will open at 42° and
has a 6° differential.
SANITIZING AND CLEANING PROCEDURE
1. Turn unit off at switch in upper rear right side panel.
2. Turn water off and remove water hose from bottom of float chamber inside of ice bin and allow to
drain from the evaporator via the hose end; or
3. Remove float chamber cover and while holding float up to prevent more water from entering the
float chamber, remove water hose from float chamber and proceed to drain the float chamber and
evaporator.
4. With water still off, restore water hose to float chamber and add 1/2 oz. of ”sanitizer” (see note
below). Turn water on.
5. Remove the bin door, float chamber cover, ice chute trim cover, two thumb screws and chute trim
gasket.
6. Using soap, hot water, and a non-metallic bristle brush or plastic scouring pad, scrub the parts
removed in step 4 as well as the interior of the ice bin, ice chute, thermowell, door tracks, ice bin
top, and around bin opening.

Self-Contained Flaked Ice Maker Service Manual
Publication Number: 166240010SER - 10 - © 2004, IMI Cornelius Inc.
NOTE: Use care when cleaning around thermowell sensing tube; the small capillary is easily
broken. Rinse all parts in clean water.
7. In a 5 gallon bucket, mix a sanitizing solution of 1/2 oz. of sanitizer to 1 gallon of warm water (100°
to 120° F).
8. Place all small, loose parts into the sanitizing solution and allow them to soak for 10 minutes.
9. Using a clean cloth and the sanitizing solution, wipe down the interior of the ice chute, thermowell
door tracks, ice bin top, and around bin opening. Allow to air dry.
10. Reassemble the float chamber cover, ice chute gasket and cover, and bin door.
11. Turn unit switch on and allow machine to make ice for at least 1/2 hour then discard all of the ice.
DO NOT ALLOW ICE WITH SANITIZER IN IT TO BE USED.
NOTE: APPROVED SANITIZER: Household bleach such as Hi-Lex or Clorox.
WATER TREATMENT
During the freezing process, the impurities in the water have a tendency to be rejected.
However, the more dissolved solids in the water, the more troublesome the freezing operation will be.
Bicarbonates in the water are the most troublesome of the impurities. These impurities will cause scaling
on the evaporator, clogging of the float valve mechanism and other parts in the water system. If the
concentration of impurities is high, wet mushy ice may be the result.
Parts of the ice maker, that are in contact with the water or ice, may corrode if the water is high in acidity.
In some areas, water may have to be treated in order to overcome some of the problems that arise
because of the mineral content.
IMI Cornelius has water filter/treatment systems available to control impurities found in your water supply.
Contact your local dealer for more information.
WINTER STORAGE
If the unit is to be stored in an area where the temperature will drop below freezing, it is most important
that all water lines be drained to prevent them from freezing and possible rupture.
To blow out the water line, disconnect the water supply at the cabinet inlet and use air pressure to force
the water into the water reservoir pan. This can then be removed from the water pan.
WATER COOLED CONDENSER - To remove water from condenser unhook water supply and attach
compressed air hose. Start machine. As head pressure reaches the appropriate level opening the water
regulating valve, the compressed air will force the water out. Do not let the machine operate longer than
necessary.
CLEANING THE CONDENSER (AIR COOLED)
In order to produce at full capacity, the refrigeration condenser must be kept clean. The frequency of
cleaning will be determined by surrounding condition. A good maintenance plan calls for an inspection at
least every two months.
Remove the unit compartment grill at the front. With a vacuum cleaner, remove all accumulated dust and
lint that has adhered to the finned condenser.
CAUTION: Condenser cooling fins are sharp. Use care when cleaning.

Self-Contained Flaked Ice Maker Service Manual
© 2004, IMI Cornelius Inc. - 11 - Publication Number: 166240010SER
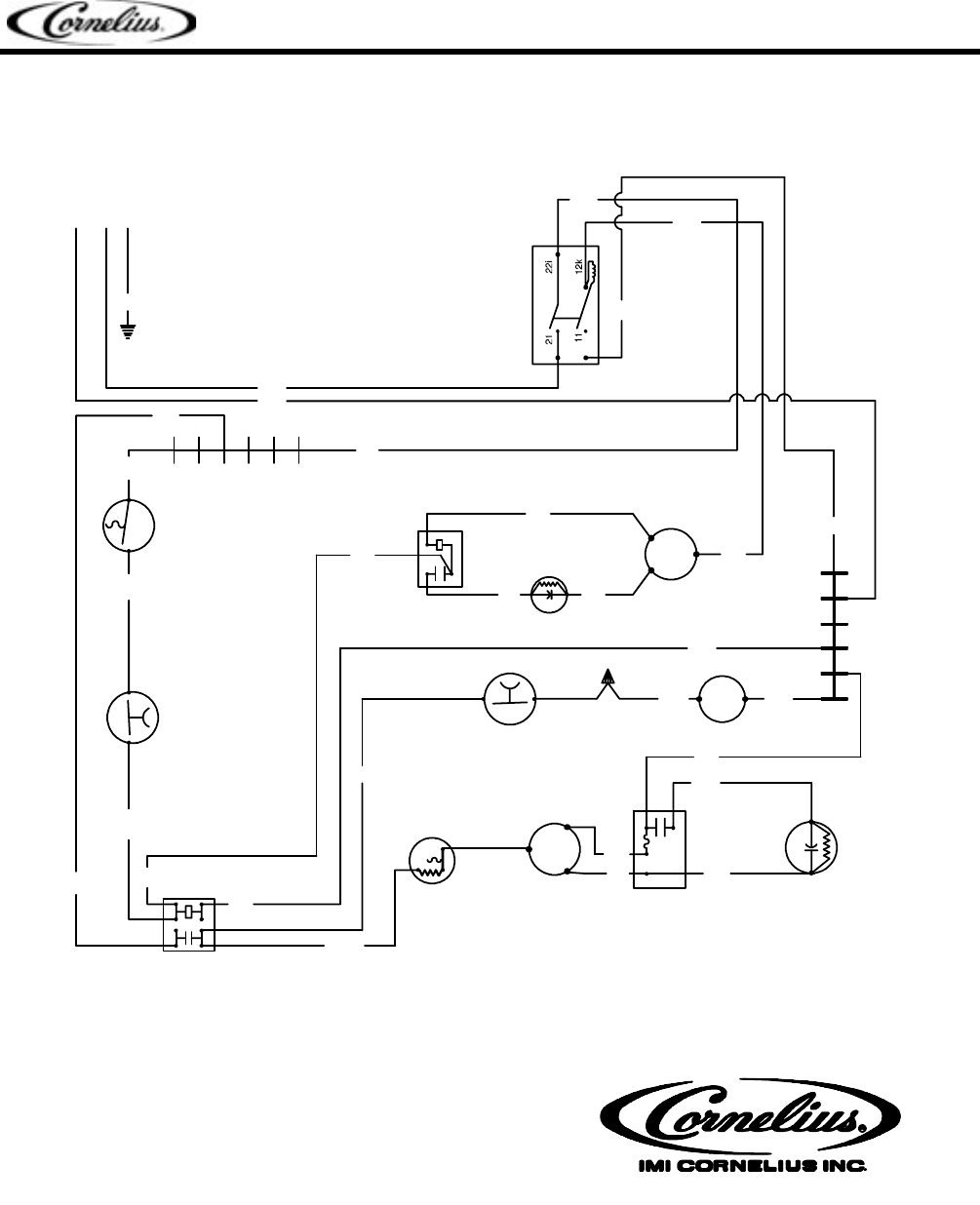
FIGURE 4. WIRING DIAGRAM AF- 200-P–SC–R 115 VOLTS 60 HZ
WH
YL
WH
BK
M
FAN MOTOR
BK
BK
COMPRESSOR
START CAPACITOR
145--174 MFD 220 VAC
WH
BK
WH
BK
RATED 2.0 AMPS
CIRCUIT BREAKER
ON--OFF SWITCH
BL
START CAPACITOR
GEAR MOTOR
64--77 MFD 165 VAC
RD
RD
BK
4
3
2
WH
BK
START RELAY
GEAR MOTOR
FAN SWITCH
C.O. 205 C.I. 275
GR
BK
BIN
BL
BL
HIGH PRESS CNTRL
C.O. 450 PSIG
MANUAL RESET
THERMOSTAT
2
1
3
YL
5
RD
R
S
C
COMPRESSOR
1
BK
BK
OVERLOAD
COMPRESSOR
BK
BL
BK
CONTACTOR
Artwork 50922
AF--200--P--SC--R
Part No. 161909061
WH
115 VOLTS 60 Hz
COMPRESSOR
START RELAY
YL
M
GEAR
MOTOR
BK

Self-Contained Flaked Ice Maker Service Manual
Publication Number: 166240010SER - 12 - © 2004, IMI Cornelius Inc.
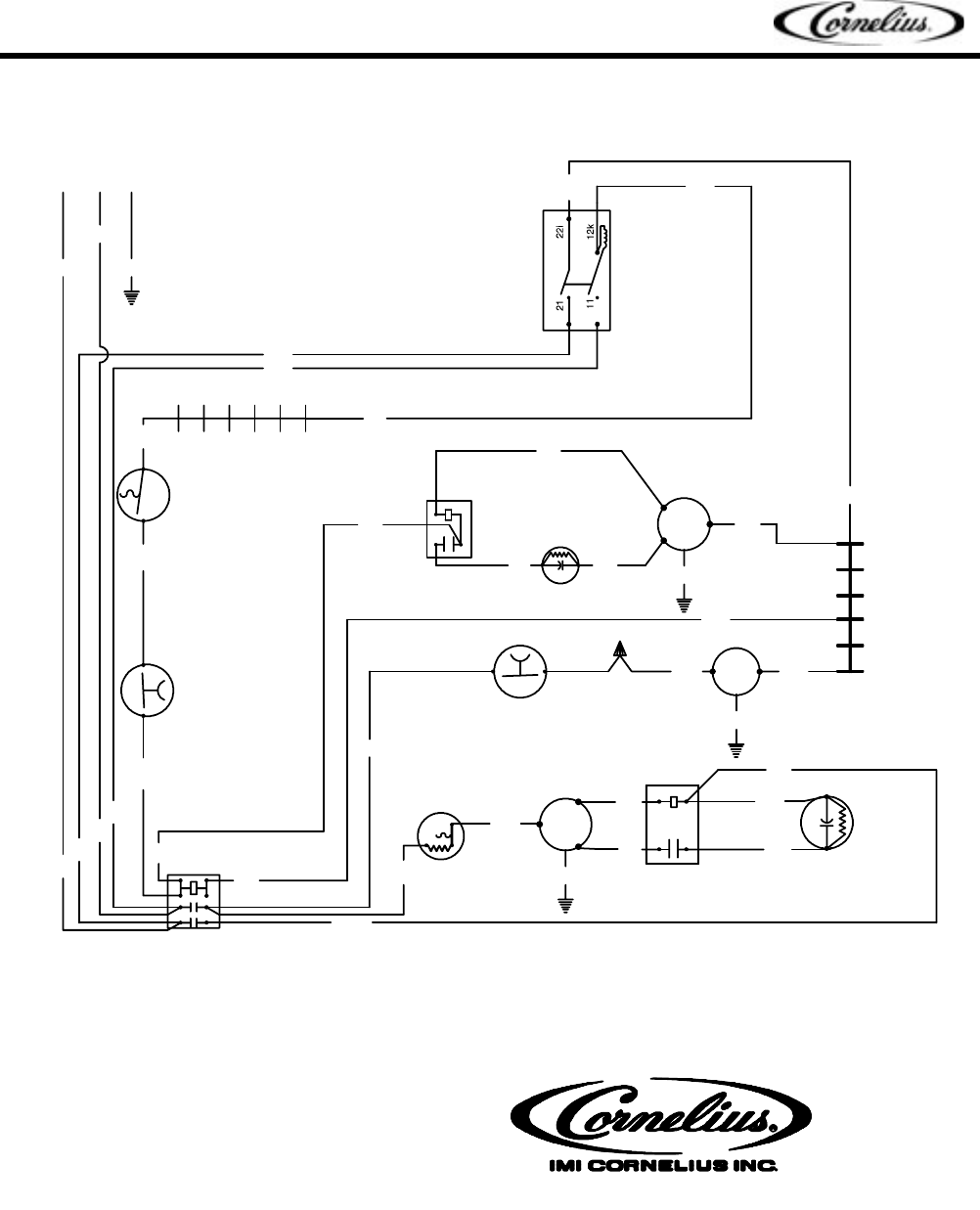
FIGURE 5. WIRING DIAGRAM AF–200–P–SC–50–R 220 VOLTS 50 HZ
RD
YL
RD
FAN MO TO R
BK
M
GN/Y
RD
BK
BK
COMPRESSOR
START CAPACITOR
50--60 MFD 330 VAC
RD
RD
BK
RATED 1.5 AMPS
CIRCUIT BREAKER
ON--OFF SWITCH
BL
START CAPACITOR
GEAR MOTOR
21--25 MFD
220/250 VAC
RD RD
BL
3
4
2
BL
START RELAY
GEAR MOTOR
FAN SWITCH
C.O. 205 C.I. 275
BR
LB GN/Y
BIN
BL
BL
HIGH PRESS CNTRL
C.O. 450 PSIG
MANUAL RESET
THERMOSTAT
2
M
RD
1S
YL
R
C
BK
S
COMPRESSOR
GN/Y
1
BK
RD
OVERLOAD
COMPRESSOR
BL
BK
LB
RD
BR
BL
CONTACTOR
Artwork 50929
AF--200--P--SC--50--R
Part No. 161909064
RD
BK
220 VOLTS 50 Hz
COMPRESSOR
START RELAY
BL
M
GEAR
MOTOR
BK
GN/Y

Self-Contained Flaked Ice Maker Service Manual
© 2004, IMI Cornelius Inc. - 13 - Publication Number: 166240010SER
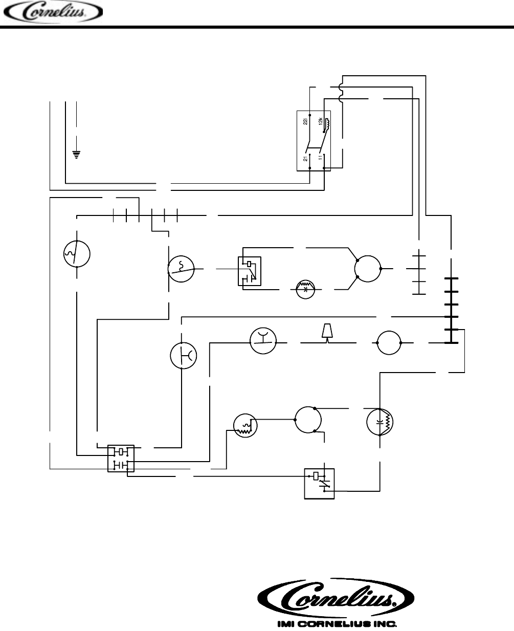
FIGURE 6. WIRING DIAGRAM AF525-SC–R AND AF725–SC–R 115 VOLTS 60 HZ
YL
WH
YL
M
YL
BK
WH
BL
BK M
OR
COMPRESSOR
START
CAPACITOR
243--292 MFD
115 VA C
BK
WH
BK
RATED 2.0 AMPS
CIRCUIT BREAKER
ON--OFF SWITCH
4
START
GEAR MOTOR
CAPACITOR
BL
RD
WIRE NUT
RD
BK
BK
2
3
BK
BL
THERMOSTAT
DELAY
BL
RD
START RELAY
GEAR MOTOR
FAN SWITCH
C.I. 275 C.O.205
WH
GW
BL
BIN
BL
RD
CONTROL
THERMOSTAT
R
YL
S
COMPRESSOR
C
1
5
2
1
BK
BL
BK
OVERLOAD
COMPRESSOR
POTENTIAL
START RELAY
RD
BLBL
Rev. B
Artwork 50923
A F 5 2 5 -- S C -- R
Part No. 161909062
HIGH PRESSURE
C.O. 450 PSI
CONTACTOR
A F 7 2 5 -- S C -- R
BK
115 VOLTS 60 Hz
CONDENSOR FAN
GEAR
MOTOR
RD

Self-Contained Flaked Ice Maker Service Manual
Publication Number: 166240010SER - 14 - © 2004, IMI Cornelius Inc.
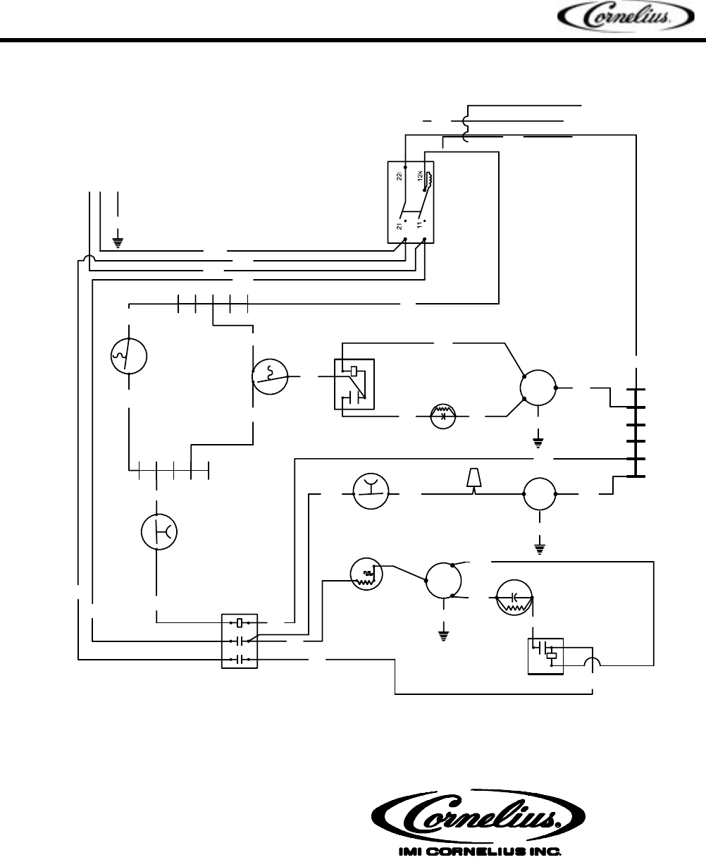
FIGURE 7. WIRING DIAGRAM AF/WF–525PSC–50–R 220 VOLTS 50 HZ
YL
BK
YL
MOTOR
M
GEAR
YL
BK
RD
GW
M
FAN MOTOR
L
BL
COMPRESSOR
43--52 MFD 330 V
START CAPACITOR
RD
M
S
GW
BR
LB
RD
ON--OFF SWITCH
CIRCUIT BREAKER
RATED 1.5 AMPS
START
BL
BL
4CAPACITOR
GEAR MOTOR
RD
RD
BK
3
2
BK
BL
THERMOSTAT
DELAY
BK
RD
START RELAY
GEAR MOTOR
FAN SWITC H
BK
GW
BIN
RD
YL
BL
CONTROL
THERMOSTAT
RD
R
C
YL
GW
S
1
COMPRESSOR
BK
RD
RD
CONTACTOR
COMPRESSOR
OVERLOAD
BL
BK
RD
Artwork 50925
Rev. A
AF/WF--525PSC--50--R
Part No. 161909063
HIGH PRESSURE
220 VOLTS 50 Hz
COMPRESSOR
START RELAY
WIRE NUT

Self-Contained Flaked Ice Maker Service Manual
© 2004, IMI Cornelius Inc. - 15 - Publication Number: 166240010SER
TROUBLESHOOTING
Trouble Probable Cause Remedy
Unit will not run A. On-off switch in ”off” position. A. Turn switch to ”on”.
B. Defective on-off switch. B. Check and replace.
C. Blown fuse. C. Replace fuse and check for
cause of blown fuse.
D. Thermostat set too warm for
ambient. D. Adjust colder.
E. Power relay contacts corroded. E. Check and clean.
F. Defective thermostat. F. Check and replace.
G. Loose electrical connection. G. Check wiring.
H. Gearmotor overload protector
has cut off machine. H. Turn switch to off then to on.
Compressor cycles
intermittently. A. Low voltage A. Check line voltage
B. Dirty condenser B. Clean condenser
C. Air circulation restricted C. Remove restriction
D. Defective condenser fan motor D. Check and replace
E. Defective relay, overload
protector or starting capacitor. E. Check and replace
F. Loose electrical connection F. Check wiring
Making wet ice. A. Surrounding air temperature
too high A. Correct or move unit
B. High water level in float
reservoir B. Lower water level
C. Dirty condenser C. Clean condenser
D. Faulty compressor D. Check and replace*
E. Refrigerant leak E. Check and repair
F. ”O” ring leaking at bottom of
evaporator shell F. Check and replace
*NOTE: Special care must be used with R404a (HP62) charged systems using (POE) Polyolester oil.
The refrigeration system must not be open longer than 15 min., and the appropriate drier must be
used due to the moisture absorption properties of the POE oil.
Unit runs but makes no
ice. A. Leak in refrigerant system A. Check and repair
B. Moisture in system B. Check, dehydrate and add
drier to system
C. No water C. Check water supply

Self-Contained Flaked Ice Maker Service Manual
Publication Number: 166240010SER - 16 - © 2004, IMI Cornelius Inc.
D. ”O” ring leaking at bottom of
evaporator shell D. Check and replace ”O” ring
E. Compressor not running E. Check and replace ”O” ring
Water leaks. A. Worn or bad float valve A. Check and replace
B. Float and arm assembly stuck B. Check and replace
C. ”O” ring leaking at bottom of
evaporator shell C. Check and replace
D. Storage bin drain and tubing D. Check and repair
Excessive noise or
chattering. A. Mineral or scale deposits on
inside of evaporator shell A. Remove and clean inside
surfaces by immersing
evaporator shell in ice machine
cleaner
B. Intermittent water supply B. Check inlet water line
C. Water level in float tank too low C. Check and adjust water
level
D. Auger gearmotor end-play or
worn bearings D. Repair or replace
E. Air lock in gravity water supply
line from float tank to evaporator
shell
E. Check and adjust warmer
Machine runs with full bin
of ice. A. Storage bin thermostat set too
cold A. Check and adjust warmer
B. Bin thermostat thermowell out
of path of ice B. Adjust thermowell
Unit off on reset. A. Ice jams up in evaporator shell A. Clean inside surface of
evaporator shell
B. Bin thermostat will not shut-off
machine. Set too cold. B. Check and adjust or replace
C. Auger motor has worn
bearings C. Check and replace
Unit goes off on reset. A. Ice chute out of alignment,
restricted ice flow out of
evaporator section
A. Re-align
B. Ice chute center separator bent
restricting ice flow out of
evaporator section
B. Replace ice chute
C. Incoming water temperature
too cold C. Maintain temperature above
50°F
D. Bin thermostat does not shut-
off when bin is full of ice D. Replace bin thermostat if
necessary
E. Mineral or scale deposits on
inside of evaporator shell and
evaporator
E. Inspect and clean
F. Strips loose or missing on
inside of evaporator shell F. Inspect and replace
evaporator shell if necessary

Self-Contained Flaked Ice Maker Service Manual
© 2004, IMI Cornelius Inc. - 17 - Publication Number: 166240010SER
G. Low ambient temperature in
room where unit is located G. Maintain temperature above
50°
H. Gearmotor sticking which
causes it to draw excessive
amperage (over 2.0 amps)
H. Check amp draw of
gearmotor with an amprobe
(1.7 amps)
Unit goes off on reset.
(cont’d) I. Plugged expansion valve,
causing low back pressure I. Check back pressure,
replace valve, evacuate and re-
charge system, replace drier-
strainer
J. Slight leak, causing low back
pressure J. Check back pressure, find
gas leak, repair leak, evacuate
system, add drier and recharge
K. Loose hold-down assy K. Check and tighten or
replace
L. Auger worn excessively on the
inside surfaces causing thicker
flaked ice to be made
L. Replace auger
M. Auger out of line causing
excessive wear on the lower
outside surface where it rubs
against evaporator shell liner at
the bottom
M. Replace auger and
evaporator shell
N. Broken auger N. Replace auger
O. Evaporator surfaces worn or
gouged, causing thicker ice to be
made
O. Inspect and replace
evaporator if necessary
P. Auger guide bushing worn
down P. Replace auger guide
bushing (corkscrew type
augers only)
Q. Loose gearmotor mounting
plate Q. Check and tighten
R. Low water level in float tank
reservoir R. Adjust float arm to maintain
correct water level
S. Worn thrust washer S. Replace

IMI Cornelius Inc.
www.cornelius.com