Craftsman 11323100 User Manual 10 INCH RADIAL SAW Manuals And Guides L0707151
CRAFTSMAN Saw Radial Manual L0707151 CRAFTSMAN Saw Radial Owner's Manual, CRAFTSMAN Saw Radial installation guides
User Manual: Craftsman 11323100 11323100 CRAFTSMAN CRAFTSMAN 10-INCH RADIAL SAW - Manuals and Guides View the owners manual for your CRAFTSMAN CRAFTSMAN 10-INCH RADIAL SAW #11323100. Home:Tool Parts:Craftsman Parts:Craftsman CRAFTSMAN 10-INCH RADIAL SAW Manual
Open the PDF directly: View PDF
.
Page Count: 35

, ,u
Sears I
owners
manual
SERVICE
MODEL NO.
i!3.23100
HOW TO ORDER
REPAIR PARTS
tO-INCH RADIAL SAW
Now that you have purchased your lO-inch radial saw, should a
need ever exist for repair parts or service, simply contact any
Sears Service Center and most Sears, Roebuck and Co. stores_
Be sure to provide all pertinent facts when you call or visit_
The model number of your tO-inch radial saw will be found on
a p{ate attached to your saw, at the left-hand side of the base.
WHEN ORDERING REPAIR PARTS, ALWAYS GIVE THE
FOLLOWING INFORMATION:
PART NUMBER PART DESCRIPTION
MODEL NUMBER
1! 323100
NAME OF ITEM
IO-INCH RADIAL SAW
Al! parts listed may be ordered from any Sears Service Center
, and most Sears stores. If the parts you need are not stocked
"locally, your order will be electronically transmitted to a Sears
Repair Parts Distribution Center for handling.
Sold by SEARS, ROEBUCK AND CO., Chicago, IL. 60684 U.S.A.

additionaR safety instructions for radiaU saws
CAU_'ION: Always disconnect the power cord before
removir,_) the guard, changing the cutting tool, changing the
set.up. Jr making adjustments° Shut off motor before
perforr_ing layout work on the saw table..
WARNING: DO NOT CONNECT POWER CORD UNTIL
THE FOLLOWING STEPS HAVE BEEN
SAqP_SFACTORILY COMPLETED;
I. Assembly and alignment°
11. Examination and operating familiarity with ON-OFF
switch, e_evation control, yoke index and lock, bevel
index and lock, carriage lock, guard clamp screw,
spreader and antikickback device, and miter index and
Iock_
IhL Review and understanding of all Safety Instructions and
Operating Procedures thru-out manual
I tSTALLATION
'1o Set carriage lock before moving the saw..
.2,. Bolt the saw to the floor if it tends to slip, walk, or
slide during normal operation.
3o Mount the saw so the table
- is approximately 39" above the floor;
- slopes slightly downward to the rear so the carriage
will not roll forward due to gravity
MINIMIZE ACCIDENT POTENTIAL
Most accidents are caused by FAILURE TO FOLLOW
setup and operating instructions:
(A) GENERAL
-Avoid awkward hand positions, where a sudden slip
could cause a hand to move into a sawbiade or other
cutting toot Never reach in back of or around the
cutting tool with either hand to hold down the
workpiece, or for any other reason; DO NOT place
fingers or hands in the path of the sawblade
Never saw, dado, mold, or rabbet unless the proper
guard is installed and set up as instructed.
-NOTE THE FOLLOWING DANGER LABELS
WHICH APPEAR ON THE FRONT OF THE YOKE
AND GUARD:
DANGER
DANGER
TO AVOtD
_NJURY O0
NOT FEED
MATERIAL
JNT0
CUTTrNG
TOOL FROM
THIS END
-Always maintain control of the workpiece -DO
NOT "let go" the workpiece until the cutting toot
has come to a stop_
-if any part of this radial saw is missing or should
break, bend or fail in any way, or any electrical
component fail to perform properly, shut off power
switch, remove cord from power supply and replace
damaged, missing and/or failed parts before resuming
operation
--IF YOUR SAW MAKES AN UNFAMILIAR NOISE
OR IF IT VIBRATES EXCESSIVELY CEASE
OPERATING IMMEDIATELY UNTIL THE
SOURCE HAS BEEN LOCATED AND THE
PROBLEM CORRECTED.
-WARNING: DO NOT ALLOW FAMILIARITY
(GAINED FROM FREQUENT USE OF YOUR
SAW) TO BECOME COMMONPLACE° ALWAYS
REMEMBER THAT A CARELESS FRACTION OF
A SECOND IS SUFFICIENT TO INFLICT SEVERE
INJURY.
-Before starting work, verify that no play exists
between the column & column support, or in the
carriage, and that arm, yoke, and bevel locks/clamps
are tight.
-A large proportion of saw accidents is caused by use
of the wrong type blade, dull, badly set, improperly
sharpened cutting tools, by gum or resin adhering to
cutting tools, and by sawblade misatignment with the
fence. Such conditions can cause the material to
stick, jam (stall the saw) or "KICKBACK" A
"KICKBACK" occurs when apart or all of the
workpiece is thrown back violently toward the
operator NEVER ATTEMPT TO FREE A
STALLED SAW BLADE WITHOUT FIRST
TURNING THE SAW "OFF". If the sawbtade is
stalled or jammed, shut saw "'OFF", remove
workpiece, and check sawblade squareness to table
surface and to the fence, and check for heel.. Adjust
as indicated,
--CAUTION: DO NOT cycle the motor switch "ON"
and "OFF" rapidly, as this might cause the sawblade
to loosen. In the event this should ever occur, allow
the saw blade to come to a complete stop and
re-tighten the arbor nut normally, not excessively.r
-Do not leave a long board {or other workpiece)
unsupported so the spring of the board causes it to
shift on the tamer Provide proper support for the
workpiece, based on its size and the type of
operation to be performed,. Hold the work firmly
against the fence and down against the tabte surface.
-Never use a length stop on the free end of the
workplece when crosscutting Never hang onto or
touch the free end of workpiece when crosscutting,
or a free piece that is cut off when ripping while
power is "ON" and/or the saw Made is rotating (n
short, the cut-off piece in any "thru-sawing" (cutting
completely thru the workpiece) operation must never
be confined - it must be aIlowed to move laterally
-Make sure your fingers do not contact the terminals
when installing or removing the plug to or from a iive
power source
- Never climb on the saw, or climb near the saw when
power in "ON".. Never leave the saw with power
"ON", or before the cutting tool has come to a
complete stop Lock the motor switch and put away
the key when leaving the saw
- Do not use any blade or other cutting tool marked
for an operating speed lower than 3450 RPM. Never
use a cutting tool larger in diameter than the
diameter for which the saw was designed, For
greatest safety and efficiency when ripping, use the
maximum diameter blade for which the saw is
designed, since under these conditions the spreader is
nearest the blade,.
- Never turn your saw "ON" before clearing the table
or work surface of all objects (tools, scraps of wood,
etc.) except the workpiece and related feed or
support devices for the operation planned-
-Never perform any operation "FREE HAND" This
term means feeding the sawblade into the workpiece
(crosscutting) or feeding the sawblade or other
cutting tool (ripping) without using the fence to

additional safety instructions for radial saws
support or guide the workplace, to prevent rotating
or twisting of the workpiece during the operation
Never "RIP" in the crosscut position. Never make a
miter cut with the arm in the 90 ° crosscut position.
-- Never lower a revolving cutting tool into the table or
a workpiece without first locking the Carriage Lock
Knob. Release the knob only after grasping the Yoke
Handle. Otherwise the cutting tool may grab the
workpiece and be propelled toward you
-The sawblade, dado, or other cutting tool must be
removed from the saw arbor before using the
accessory shaft (rear end of the saw motor). NEVER
operate the saw with cutting tools (including sanding
accessories) insta!led on both ends of the saw arbor
(B) RIPPING
1 Feed force when ripping must always be applied
BETWEEN THE SAW BLADE AND THE FENCE
use a "PUSH STICK" for narrow or short work
2 Whenever possible, use the in-rip position - this
provides minimum obstruction for feeding by hand
or push stick as appropriate.
3, Do not release the workplace before operation is
complete - push the workplace all the way past the
rear (outfeed or exit) of the sawbtade
4 Make sure by trial before starting the cut that the
antikickback pawls will stop a kickback once it has
started, Points of pawls must be SHARP Replace
when points are dul! or rounded
5, Use a push stick when ripping short (under t2
inches) or narrow (under 6 inches wide) workpieces.
6CAUTION: Never reposition the Guard or
antikickback with power "ON".
7, A "t<'ICKBACK" occurs during a rip-type
operation. It can occur when the workpiece closes
in on the rear (outfeed side) of the sawblade
(pinching), binds between the fence and the
sawblade (heel), or is grabbed by the sawblade teeth
(wrong-way feed) at the outfeed side. "PINCHING"
is generally avoided by utilization of the spreader,
and a sharp sawblade of the corrective type for the
workplece being cut. "HEEL" can be avoided by
maintaining the sawbtade exactly parallel to the
fence. (see "DANGER" warning on guard) - it can
be avoided by maintaining parallelism of sawbfade
to fence, feeding into the sawbiade from the nose of
the guard only, and by utilizing the spreader_
8 Position the nose of the guard to just clear the
workpiece, and position/adjust the antikickback
and spreader devices as instructed.
9.. NEVER cut more than one piece at a time by
stacking workpieces vertically.
10o NEVER feed a workpiece thru the saw with another
piece (butting second piece against trailing edge of
piece being cut), even if of the same thickness. Feed
each workpiece individually thru the sawblade, and
completely beyond the sawblade, before ripping the
next workpiece Use push stick if the rip cut is less
than 6" wide.
11.. DO NOT pull the workpiece thru the sawblade
- position your body at the nose (in-feed) side of
the guard: start and complete the cut from that
same side, This will require added table support
for long pieces
12, Plastic and composition (like styrene and
hardboard) materials may be cut on your saw..
However, since these are usually quite hard and
t3,
14,.
15o
slippery, the antikickback pawls may not s,'op a
kick back
Therefore, rip with the finished side down mext to
the table) and be especially attentive to fo lowing
proper set-up and cutting procedures, Do not stand,
or permit anyone else to stand, in line with a
potential kickback.,
When sawing 1/4" or thinner materials, follow all
normal ripping procedures except set sawblade into
table top at least 1/8" This will minimize the
tendency for the sawblade to climb upon top of the
workpiece, and possibly cause an accident DO NOT
let go of or stop feeding the workplace between the
blade and fence until you have pushed it completely
past the antikickback pawls., Otherwise the
workplace could get into the back of the sawblade
and be thrown violently from the saw in the
direction opposite to the feed direction., This is the
same action that would occur if the instructions oF
the DANGER warning on the guard is aborted. Dc
not stand, or permit anyone else to stand, in line
with the path of a workplace that may be thrown
from the saw in this manner
Position the saw so neither you, ahelper, or a casual
observer is forced to stand in line with the
sawblade,
Use extra care when ripping wood that has a twisted
grain or is twisted or bowed - it may rock on the
table and/or pinch the sawblade,. If bowed across
the width, place concave side down against the
table,
(C) CROSSCUTTING
1. ALWAYS RETURN THE CARRIAGE TO THE
FULL REARWARD POSITION AT CONCLUSION
OF EACH CROSSCUT TYPE OPERATION.r Never
remove your hand from the Yoke Handle unless the
carriage is in this position.. Otherwise the cutting
too! may climb up on the workplace and be
propelled toward you,
2 Place guard in horizontal position and adjust
antlkickback pawls to just clear the top of the fence
or workplace, whichever is higher.
3. NEVER gang crosscut - lining up more than one
workpiece in front of the fence - stacked vertically,
or horizontally outward on the table - and then
pulling saw thru: the blade could pick up one or
more pieces and cause a binding or loss of control
and possible injury,
4. Do not position the Arm so the operation you are
performing permits the cutting toot to extend
beyond the edges of the Table..
(D) ACCESSORIES
1., Use only recommended accessories as listed in
Accessories Section in this manual
2. Never operate this saw when equipped with a dado
head or molding head unless the molding head
guard is installed - see listing of recommended
accessories° The only exception is when "top-side"
dadoing or molding, when the sawbtade guard must
be used., See detailed instructions that accompany
the dado head, molding head, and molding head
guard,
& The use of abrasive or cut-off wheels, or wire
wheels, can be dangerous and is not recommended,
(Abrasive or cut-off wheels are used to saw many
different materials including metals, stone, and
gtass,)
4

WEAR YOUR
The operation of any power tool can result in foreign
objects being thrown into the eyes, which can result in
severe eye damage. Always wear safety goggles complying
with ANSI Z87 t (shown on Package) before commencing
power tool operation Safety Goggles are available at Sears
retail or catalog stores
unpacking and assembRy
CONTENTS
General Safety Instructions for Power Tools ............. 2
Additional Safety Instructions for Radial Saws ........ 3
Guarantee .................................... 5
Unpacking and Assembly .......................... 5
Alignment Procedure ................................... 8
Operating Controls .............................. 14
Basic Saw Operations ................................... t7
Electrical Connections .............................. 21
Trouble--Shooting ................................ 23
Maintenance and Lubrication ........................... 27
Recommended Accessories ................................ 28
Repair Parts ...................................... 29
TOOLS NEEDED
Rubber mallet
@
3!8*inch wrench
7t16qnch wrench
lt2-inch wrench
9/16-inch wrench
Screwdriver (medium)
Screwdriver (small)
KNOW LOCATIONS AND FUNCTIONS OF CONTROLS
Pencil
Framing square

unpacking and assembny
UNPACKING AND PREASSEMBLY
WARNING: DO NOT CONNECT THE POWER CORD TO
ASOURCE OF POWER. THIS CORD MUST REMAIN
UNPLUGGED WHENEVER YOU ARE WORKING ON
TH E SAW.
Your Craftsman 1e-inch Radial Saw is shipped complete in
one carton. Cabinet and goose neck tamp are optional
accesscories.
Unpacking and Checking Contents
Separate all "loose" parts from packaging materials and
check each item with "Table of Loose Parts" to make
sure all items are accounted for, before discarding any
packing material°
If any parts are missing, do not attempt to assemble the
radial saw, plug in the power cord, or turn the switch
on until the missing parts are obtained and are installed
correctly.
Key No.
(Fig, t)
1
2
3
4
5
6
7
8
Tableof LooseParts Qtyo
BasicSaw assembly ...................... 1
Reartable ................................ I
Table spacer ............................. 1
Rip fence .............................. t
Front table ............................. I
Channel,Table Mtg....................... 2
"Owner's Manual" ....................... 1
LoosePartsCarton (containing the
following items):
Hex-"L" Wrench,I/8"o .................... 1
Hex-"L" Wrench, t/4 .................... t
Hex-"L" Wrench,3/16 .................... 1
Elevationcrankassembly ................. 1
Swivel LatchPin Knob .................. t
Switch key ............................. 2
Arbor Wrench .......................... 1
Table clamp ............................. 2
45
Rip-scaleindicator ........................ 2
Twin nut (for attaching rip-scaleindicator) ., 2
Machinescrew,pan÷hal.r,!/4-20 x t" o...... 6
Washer,steel(flat), 17/64 x 5/8 x 1/32". .... 7
Machinescrew,pamhd, 6-32 x 7/16" . ...... 4
Shaft wrench ............................. t
Screw, He×Hd., 5/16-I8 x t/2 ........... 4
Lockwasher,5/16 ...................... 4
Washer,Flat, 11/32 x 7/8 x 1/t6 ........... 4
Nut - "T". ............................ 1
SetScrew, Cup,Pt ....................... 1
Screw, PanHead,1/4-20 x lq14 ............. 1
Nut, Speed........... ................... 6
REMOVE SKIDS FROM BASE
MOUNT SAW TO CRAFTSMAN BASE OR
LEG SET, OR FLAT BENCH
Make sure elevation crank is free to rotate. The saw must be
bolted down° Position your entire saw (or saw bench) to
slope slightly rearward, so the carriage will not roll forward
due to gravity°

ATTACHELEVATION CRANK,
Be sure setscrew is tightened on flat of shaft.
ELEVATE ARM TO ITS MAX_ HEIGHT,
Remove shipping btock,
ELEVATION
TURN CLOCKWIS_
REMOVE CARRIAGE STOP SCREW, LOCKWASHER
AND TAG. Read warning tag before discarding
INF O_MAI _0 N
TAG
_,_ LOC KWASH[_
/SlOP SCrEw
HE_( [ WRENCH
SUPPLIED
TIGHTEN ARM LOCK KNOB BEFORE PROCEEDING.
HOLDING CARRIAGE ASSEMBLY WITH BOTH
HANDS, CAREFULLY START AND SLIDE THE
CARRIAGE ONTO THE TRACKS. The assembly must be
held parallel with the arm so that all four bearings slide
smoothly onto the arm, preventing any excessive strain on
bearings and track°
WARNING: REINSTALL CARRIAGE STOP SCREW TO
PREVENT CARRIAGE FROM ROLLING OFF ARM,
Check for looseness of carriage bearings. Refer to Paragraph
8, Trouble Shooting Sectiom

unpacking assernbWy
SWIVEL LATCH
_NOB
INSTALL SWIVEL LATCH PIN KNOB.
REMOVE SHIPPING SCREWS AND DISCARD°
Use of pliers may be necessary, OF MOTOR
SHOWING LOCATION OF TWO
SHIPPING SCREWS
REMOVE SAW BLADE.
1. Tighten carriage lock knob,
2. Loosen guard clamp screw, remove guard,
3, Motor sh_ft has left hand threads, Hold shaft wrench
and rotate arbor wrench down (clockwise),
4o Remove shaft nut, outer collar, saw blade, and inner
collar. Set aside and out of the way,
ALIGNMENT PROCEDURE
The fotlowing SIX STEP alignment procedure will bring out
the accuracy which is built in every CRAFTSMAN tool,
The secret for best results is in knowing how to set up the
tool and keep it in good alignment. BE SURE TO CHECK
AND ALIGN THE SAW tN THE ORDER GIVEN,
STEP-BY-STEP. THE ACCURACY OF EACH
ADJUSTMENT IS ALWAYS DEPENDENT UPON THE
ACCURACY OF THE PRECEDING ADJUSTMENT.
After following the 6 step assembly and alignment
procedure and the Basic Saw operation section refer to
Trouble Shooting section if any difficulty is experienced
when performing any sawing operation
M AND TABLE l
t I I / sH°uL°BE I I I1
kL; P, LL,L U
\- '........................
STEP ONE
ATTACHING AND LEVELING TABLE MOUNTING
SUPPORT CHANNELS.
2,
Attach table mounting support channels with four
5/16-18 x 1/2 screws, Iockwashers and fiat washers.
Position screws in center of channel slots, finger tight to
permit channels to "slip" against the base when leveling.
Loosen bevel lock knob, lift up on latch pin handle and
rotate the motor to position saw blade, end of shaft
down.

3. Loosenarmlockknobuntilarmisfreetomove,
Note:ForsafetyreasonsinaccordancewiththeUL
standard,stopshavebeenprovidedto prevent360 °
rotation of the radial arm.
Loosen carriage loci< knob and position arm against
stop (approximately 50 ° Miter) and carriage directly
over the center of left hand channel.
4. Slide the arbor wrench handle between end of motor
shaft and mounting channel to achieve an accurate
measurement. Carefully lower the motor with elevation
crank until the end of shaft is just touching the arbor
wrench. The wrench should slide back and forth with
only slight resistance., Tighten screw "A".
NOTE: Do not change this elevatlon setting until both
left and right hand table support channels have been
adjusted
5, Move arm and carriage to screw "'B" and tighten
support in the same manner
6. Move arm and carriage to right hand support channel
and level in the same manner you adjusted the left hand
support channel
7o Recheck both support channels to make sure that
tightening screws did not affect the accuracy of the
adjustment.
8. Elevate saw and place motor in vertical position to
provide clearance for installation of front (work) table.
NOTE: The following adjustment, performed properly, will
result in the work table being parallel to the arm°
TABLE MOUNTING
'E ' EUFPORT CHANNEL
(LEFT HAND)
INSTALLATION OF FRONT (WOR K) TABLE.
1. Place front table board on a workbench or the floor
Drive T-nut into the sma!ler diameter hole.
HOLE FOR fABLE
HOLD DOWN SCREWS 8OTTOM SiDE
(TYP OF TABLE
f-NUT %.
2, Align the- counterbore holes with matching hates in
support channels. Install the six (6) t7/64 inch flat
washers, and _ -20 x Iinch pan-head machine screws_
Just barely start the cup point set screw and the one (1)
¼-20 x 1-1/4 inch pan-head machine screw in table
center holes.,
3, Instal[ one nut speed on each of the six screws in the
support channels loosely.
SAW BLADE
OUTER COLLA_ MOTOR
STEP TWO SHA__T-__jNNEBCOLLA _
CHECK FOR LOOSENESS (MOVEMENT) OF COLUMN
TUBE IN COLUMN SUPPORT_ (ARM END PLAY)
NOTE: The following adjustment is very CRITICAL, All
future alignment procedures rely on this adjustment being
performed correctl% ALL LOOSENESS MUST BE
REMOVED
1 Install saw blade as shown Motor shaft has left
hand threads.

unpacking and assembly
Position arm at approximately 30 °miter setting and
lock arm lock knob. Loosen arm lock knob 1/4 turn
and index arm at 0 ° miter setting, Push the arm latch
solidly with palm of hand ...... this.will seat the arm
index pin properly,
ARM LATCH LEVE_
ARM LATCH KNOB T_
While holding the arm latch knob with one hand, hold
fingers of other hand as shown, between column tube
and column support. Apply gentle side force to the
radial arm in opposing directions._ Any looseness
between column and column support, (indicated by
arrow) can be felt with fingers
Right and left positions are given with operator facing the
saw - standing in front of the saw table.,
4_ If looseness can be felt, perform operations as follows:
a_ Loosen set screw in center of column tube key°
b.. Loosen left hand set screw t/4 turn.
c. Tighten right hand set screw until looseness between
column and column support is eliminated_ Turn
elevation crank to raise radial arm, if saw elevates
too hard, loosen right hand set screw slightly and
again check elevation and column tube for
looseness, When correct, tighten left hand set screw.
do Tighten set screw in center of column tube key.
Elevate and lower arm and if chatter or rough
elevation exists, tighten set screw until smoothest
operation is obtained.
e. Turn elevation crank to raise and lower radial arm.
If too tight, loosen right hand set screw slightly and
check again for smooth operation. When correct,
tighten left hand set screw.
Tighten set screw in center of column tube key
until smoothest operation is obtained
STEP THREE
SQUARING CROSS CUT TRAVEL (CARRIAGE
TRAVELS IN A STRAIGHT LINE),
t, Lower arm until saw blade just clears the front table_
Lock the yoke clamp handle and bevel lock knob.
2o Place a framing square on the table as shown and
position the blade and square until the leg of the square
just contacts atooth of the blade° Mark this tooth°
3, When the carriage is moved back and forth on the radial
arm, the marked tooth should just touch the square at
all points. If marked tooth does not touch the square at
all points, make the following adjustments:
I0

If marked tooth moves into the square when moving
the blade from the rear toward the front of the table,
tap the left hand front edge of the table with a mallet as
shown (Loosen table attaching screws slightly if
necessary)_
If the marked tooth moves away from the square when
moving saw from the rear to the front of saw table, tap
the right hand front edge of the table.
/
Recheck and, if correct, tighten all table hold-down
screws securely Set fndicator at 0 ° position.
NOTE: This squaring of the cross cut travel will
simultaneously set BOTH of the 450 miter index
positions°
\
4, In extreme cases, the above adjustment procedure may
not be sufficient due to rough handling during
shipment,, Make the following adjustment only after
tightening the table hold-down screws and the cross cut
cannot be squared according to the preceding
adjustment routine,
ao Remove radial arm cap and miter-scale indicator.
b. Turn the arm latch knob one-quarter turn
counterclockwise.
co Loosen (do not remove) two hex-head screws
located inside the column tube°
Move the radial arm slightly in proper direction to
make marked tooth follow edge of square when the
saw blade is moved along arm in a "cross cut"
manner.
e., Retighten the hex head screws in column tube,
retighten arm latch knob
f, Recheck travel of blade
g. After the cross cut has been accurately squared,
install the radial arm cap and miter-scale _ndicator.
Set the indicator at the 0 ° position.
1. Lay the rear table board on edge across the front table
to serve as a straightedge, Sight under this straightedge
to determine whether the front table board is high or
tow at its center_
2, If the front table is high at center, first tighten the
center (_ - 20 x I-1/4 inch) hold down screw until the
table is level - then tfghten the fevel_ng screw until this
screw _ssnug°
If table is low at center, first tighten the leveling screw
until the table is Jevel - then tighten the hold down
Sel'ew.
11

unpacking and assernbly
3,, Position the rip (guide) fence, spacer board and rear
table board behind the front table board, as shown,.
4, Install the two table clamps in the slots provided for
them at the rear of the saw base, and tighten them
securely.
NOTE: The life of your saw table will be lengthened
considerably if you will cover the front table with a
fitted piece of ¼ inch plywood_ This should be tacked
in place for easy replacement. Use of such acover will
allow you to do all cutting into the cover, rather than
your table top_
FRONT TABLE
STEP 4
SQUARING SAW BLADE TO (WORK) TABLE
NOTE: If alignment procedure step one was not performed,
this adjustment can not be accomplished.,
1 Place a framing square on the table with the short leg
against the saw blade,, Do not allow the square to rest
against a "set-out" tooth; it must rest flat against the
blade side.
2= If the saw blade is square with the table top (no visible
gap appears between the saw blade and square) and no
adjustment is required. Set bevel indicator to 0 °
reading. If the square does not touch the saw blade as
shown (with square leg held firm against the table top},
perform the following adjustments:
a Loosen bevel lock knob 1/4 turn only, then loosen
the four socket-head screws, two on each side of
handle. Rotate motor while holding square firmly
against saw blade and table top..
bo Slightly tighten each of the two screws and recheck
.... Now tighten each screw firmly,, Retighten bevel
lock knob,
c., Adjust indicator to 0 ° readlng_
%WRONG
I
BEVEL LOCK
KNOB
QSQUARE
WRONG
RIGHT
STEP 5
SQUARING BLADE TO RIP (GUIDE) FENCE - BLADE
HEEL ADJUSTMENT,
NOTE: If alignment procedure steps two and four were not
performed, this alignment step cannot be accomplished.
1. Place a framing square against the rlp fence and the saw
blade, as shown. The long leg of the square must be
held firmly against both the fence and the table top,
and the short leg must not touch any of the teeth on
the saw blade,,
2. If the square does not touch the blade at both of the
two points as shown, a hee} condition exists (either to
the left or right) or sometimes called heel or toe,
FENCE
SQUARE F-f
WRONG
RIP FENCE
SQUARE
FENCE ]Jz
F"
FENCE 1
SQUARE i_
12

3. To correct for either type of "heel" or "toe" cbndition
proceed as follows:
a. Remove left hand carriage cover,
b Loosen the yoke clamp handler
c, Loosen (slightly} the two hex-head screws_
d, Rotate the yoke assembly until gap between the
saw blade and square is eliminated,
e, Lock yoke clamp handle and retighten the two
hex-head screws,
f° Recheck for "heel" or "toe" and install carriage
cover.
NOTE: This alignment procedure will simultaneously set
both yoke indexing positions for in and out rip,
HEX HEAD
SCREWS--
LEFT SIDE OF CAR_IAGF
STEP 6
ALIGNMENT OF ANTI-KICKBACK AND SPREADER
ASSEMBLY, FOR RIPPING,
WARNING: NEVER POSITION THE GUARD OR
ANTI-KICKBACK ASSEMBLY WITH POWER ON; NOR
POSITION ANTtq(ICKBACK PAWLS BY GRASPING
PAWLS OR SPREADER. - USE TAB,
1o Check and adjust the spreader as follows:
a, Loosen the wing screw and with the "tab" position
the anti-kickback and spreader assembly to near the
bottom of the blade° Tighten the wing screw°
lAB
Sight (visually) to check for proper alignment of
spreader with saw blade as shown, tf the spreader is
not aligned, adjust it as follows:
(I) Loosen two hex nuts, one on each side of
spreader
(2) Rotate hex nuts with fingers until the spreader
isdirectly in line with saw blade°
(3) Tighten both hex nuts firmly,
2. INSTALLING AND ADJUSTING RIP SCALE INDICATORS.
NOTE: The rip scales and pointers are intended to be
used for quick settings. For greater accuracy, take
direct measurement between blade and fence,,
Pre-assembie indicator and twin nut, loosen but do not
remove the two screws which attach left hand carriage
cover.
b., Tilt carriage cover and install rip indicator as shown.
Tighten carriage attaching screws.
c. Loosen but do not remove carriage lock knob in right
hand carriage cover,, Install rip indicator in the same
manner, Tighten carriage attaching screws,,
_3

unpacking and assernbay
d With the fence in its normal position (next to the front
table), loosen the yoke clamp handle, lift up on swivel
latch pin knob and rotate the yoke as shown to index
the yoke 90 ° from the cross cut position. This will
locate the saw blade between the motor and the motor
and the fence. Loci{ the yoke by tightening the yoke
clamp handle.
e Position carriage until the edge of the blade, when spun
by hand, just touches the front face of the fence.. The
rip-scale indicator (on the right hand side of radial arm)
should now read "0" inches on lower portion of the
"In-Rip" scale_ If not, loosen screws and shift the
indicator until it is aligned with the "0" marl<, then
tighten the screws.
NOTE: With the saw blade and fence in the position
shown, the tower portion of the "In-Rip: scale is used
If the fence is re-located at the extreme rear position,
the upper portion of the "In-Rip" scale would be used
The "Out-Rip" scale indicator on the left hand side of
the radial arm is adjusted in essentially the same manner
as the "In-Rip" indicator, except the fence should be at
extreme rear and the blade positioned as shown With
12 inches measured between the fence (when in full
rear position) and the face of saw blade, the rip-scale
indicator should be positioned to read 12 inches on the
upper portion of the "Out-Rip" scale.
NOTE: With the saw blade and fence in the position
shown, the upper portion of the "Out-Rip" scale is
used. If the fence is moved to normal position (at the
rear of front table) the lower portion of the "Out-Rip"
scale is used.
F_NC_
FRONT TAgL£
J
_A_L_ _AR 1
S_ACE_
BOARD
__,6LE
RI_' SCALE
_NDICA_OR CARRIAG_ LOC_ ÷_NOB
!.
t! "
F_NC_ R_AR TA_L_ TABLE 5}_ACE_
BOARD
g Loosen the yoke clamp handle, lift up on the swivel
latch pin knob and return the blade to the 90 ° position°
operating controls
RIP SCAL_ INDtCATOR
ON-OFF SWITCH
WITH KEY SCALE
SWIVEL LATCH PiN KNO_ AND INDICATOR
ARM LATCH LEV
COR D
ARM LATCH
CARRIAGE LOCK KNOB
GUARD CLAMP
ANT! KICKBACK
SPREADER ASSEMBLY
B_VEL LOCK KNOB
ELEVATION
CRANK
.LATCH PIN HANDLE
BEVEL INDEX SCALE
KNOW LOCATIONS AND FUNCTIONS OF CONTROLS
A series of six diagrams is located on the top surface of the
radial arm. These designate the controls that must be used
in basic set-ups and operating procedures. You should
become familiar with these diagrams and the operating
instructions that follow, before operating your saw
14

14 Depth of Cut
a.. The diagram shows the elevation crank which is
used to raise and lower the saw btade_
b,. Clockwise rotation raises the blade ....
counterclockwise rotation lowers it.. One complete
turn of the handle will raise or lower the saw blade
1/8-inch.
2. Angle of Cut
ao Two controls are involved in releasing, securing and
indexing the angle of the radial arm. These are: the
arm4atch handle and arm-latch knob°
b, The arm is unlocked from any position by a slight
counterclockwise rotation of the arm latch knob
and is locked in any desired miter position by
rotating the arm-latch knob clockwise until tight..
The radial arm has positive stops at 0 ° and 45 ° left
and right, and is released from these index positions
by unlocking the arm-latch knob 1/4-turn, and
pulling out the arm-latch lever.
c° For the most positive and accurate settings at the
index positions, the following is recommended:
(1) If the radial arm is already indexed, rotate the
arm-latch knob 1/4-turn counterclockwise from
the locked position, pull out the arm-latch lever,
and move the radial arm off the index position.
Release the arm4atch lever.
(2) Move the radial arm into the desired index
position (do not bump or jar it) and push on the
arm-latch lever solidly with the palm of your
hand. This is very important as it ensures proper
seating of the arm lock pin in the arm latch,
thus always setting the arm at the correct
position°
\
(3)
ARM LATCH KNOB
Precision Indexing - experienced operators of
precision equipment, such as this Craftsman
Radial Saw, normally acquire the habit of
indexing the machine in one direction only,
whenever'a new setting is made in preparation
for a different operation.. For example: when
moving the radial arm to a new position, it is
advisable to move it slightly past the desired
index position, then return it slowly and
carefully to latch and loci< it, Swivel indexing
and bevel indexing can be accomplished in a
similar manner. This indexing technique tends to
neutralize any stresses imposed upon saw
components and contributes to the high degree
of accuracy the saw is capable of producing
when operated expertly
(4) Lock the radial arm by rotating the arm-latch
knob clockwise until tight_
3. Yoke Pivot
& Two controls are used in this operation° They are:
the swivel latch-pin knob and the yoke clamp
handle.
b,, A swivel latch pin automatically indexes the yoke at
each 90 ° position,, Lift the spring-loaded swivel
latch-pin knob to release this pin.,
c, The yoke clamp handle locks the yoke to the
carriage in any position. Pull the handle forward to
release the yoke; push the handle rearward to secure
the yoke,
4. Carriage Lock
a. The carriage loci< knob is rotated clockwise to
secure the carriage on the radial arm, and
counterclockwise to release it,,
When performing a square or miter-angle crosscut,
the carriage lock knob must be rotated
counterclockwise until the carriage is free to travel
along the arm° This knob should be tightened
except when the operator is ready to grasp the bevel
index handle and make a cut
5,, Blade Angle
a° The two controls used in angular positioning and
indexing of the motor, to provide the desired
saw-blade (bevel) angle, are: bevel lock knob and
bevel-index knob_
b. The bevelqndex scale indicates the angular position
of the motor with respect to horizontal, from 0 ° to
90 ° in either vertical position,,
c., The beve! index knob automatically indexes the
motor at 0 °, 45 ° and g0 ° up and down. Putl out on
the knob while positioning the blade, then release
it At any other position it does not engage..
d. The bevel lock knob locks the motor to the yoke
when the motor is in any position. Rotate the knob
clockwise to lock, counterclockwise to unlock
6. Power Switch and Key
a Insert key into switch lock.
\/
15

operating confroas
b insert finger under end of switch lever and pull end
out, to turn switch on.,
c. Push lever in -wfth thumb -to turn switch off,,
d, WARNING: THIS LOCKING FEATURE IS
PROVIDED TO PREVENT UNAUTHORIZED
USE OF YOUR SAW° ALWAYS REMOVE THE
KEY AND KEEP IT IN A SAFE PLACE° TO
REMOVE KEY, HOLD THUMB ON END OF
LEVER TO KEEP SWITCH IN "OFF" POSITION
AND PULL KEY STRAIGHT OUT°
POSITIONING ANTI-KICKBACK AND SPREADER
ASSEMBLY, FOR RIPPING
WARNING: NEVER POSITION THE GUARD OR
ANTI-KICKBACK ASSEMBLY WITH THE POWER ON.
NEVER POSITION THE ANTI-KICKBACK PAWLS BY
GRASPING THE PAWLS OR SPREADER.
PIECE
MINIMUM
GUARD CLEARANCE
ao The blade guard is positioned by Io9sening the guard
clamp screw and rotating the guard so that it just clears
the workpiece asshown.
READER
ANT I- K ICKBACK
PAWL
OFKICKBACK_\_ \ JDr,ECTtO.OFFEED
I'Jff [ /_':_- _" ,
ANT I-KICKBACK POSIT ION
(Make sure by trial before starting the cut that
the Anti-Kid{bark Pawls will stop a Kick-back
once it has started)
b_
c,
The anti-kickback and spreader assembly is used during
ripping operations and is adjustable to accommodate
the thickness of the board being ripped. A wing nut in
the guard secures the assembly.
Loosen the wing screw and with the tab provided,
position the anti-kickback and spreader assembly until
the paw} assumes approximately the position shown
above, Tighten the wing screw
Before making the cut, check the effectiveness of the
anti-kickback pawls by sliding the workpiece under the
pawls in the direction of feed and then attempting to
slide it in the reverse direction - the direction of
kickback° If the pawls do not catch, readjust_
WARNING: FOR YOUR OWN SAFETY ALWAYS
LOCK THE SWITCH "OFF" WHEN SAW IS NOT
IN USE° REMOVE KEY AND KEEP tT IN ASAFE
PLACE .,,ALSO IN THE EVENT OFAPOWER
FAILURE (ALL YOUR LIGHTS GO OUT) TURN
SWITCH OFF. LOCK IT AND REMOVE THE KEY
THIS WILL PREVENT THE SAW FROM
STARTING UP AGAIN WHEN THE POWER
COMES BACK ON,
16

basic saw operations
Basic sew operations are summarized into six categories,
explained and /frustrated in the following paragraphs,, A
manual entitled "The Radial Saw" is available at your
nearest Sears Retail Store or Catalog Order House. This
manual contains considerable data and project ideas
applicable to the radial saw.
NOTE: Refer to paragraphs under "OPERATION" for
illustrations and descriptions of controls.
REQUIREMENTS FOR CROSSCUT
Board (stationary'} position against rip fence (guide} and
laying fiat on tabte top.
(OPERATIONS ITHROUGH 4)
1 Arbor nut must be tight and saw blade guard installed
in horizontal position.
2., Arm latch handle (knob) must be tight
3. Adjust the anti-kickback assembly so the pawls _ust
clear the workplace, or fence,
4. Work must be held firmly against table and fence. For
workpieces thicker than the fence is high, it is
recommended that ahigher fence be cut (at least
workpiece tMckness} and inserted for that operation
being performed. Always place the fence in the most
forward position (farthest from the column support)
compatible with the workpiece being processed and the
operation being performed. With the carriage fully
retracted, the blade should not contact the workpiece
when pfaced against the fence, within the stated
capacities of your saw.
5. Blade should be sharp and correctly set.
6. Hands must be kept well away from saw biade,
7, Yoke clamp handle must be in locked position
8., Bevel index knob must be tight
9 Blade should cut into the table or plywood cover not
more than 1/32 inch,
I0. Pull the saw forward just far enough to sever the
lumber. It is dangerous if the blade has been pulled too
far out beyond the piece being cut When it is returned
it can pick up the right hand piece and throw it over the
fence
t1_ For operations No_ 3 and No, 4, observe additional
instructions under paragraph "Operating Controls" -
"Blade Angle"
OPERATION No. 1 - CROSSCUT
Crosscutting is the process of sawing the workplace by
pulting the saw blade through it and using the fence as a
support for the edge of the workpiece. Never crosscut
free-hand.,
WARNING: BEFORE CROSSCUTTING, MAKE SURE
THE ARM LATCH, BEVEL LOCK AND YOKE CLAMP
ARE ALL SECURED. NEVER USE A LENGTH STOP OR
AFIXED GUIDE ON THE FREE END OR EDGE OF A
WORKPIECE. (SEE INSTRUCTION 7 UNDER "SAFETY
INSTRUCTIONS TO OPERATOR".) DO NOT CROSSCUT
WORKPIECES THAT PLACE YOUR HANDS CLOSE TO
THE PATH OF THE SAW BLADE. WHEN MORE
EXPERIENCE IS GAINED BY USING THE SAW, IT
WILL BE NOTICED, THAT WHEN PULLING THE SAW
TOWARD YOU DURING CROSSCUTTING, THE BLADE
TENDS TO FEED ITSELF THROUGH THE WORK DUE
TO THE ROTATION OF THE BLADE AND THE
DIRECTION OF THE FEED. THEREFORE, THE
PROPER
DIRECTION
OF TRAVEL _
(SEE ITEM "10" AT LEFT}
IMPROPER
DIRECTION
(SEE ITEM "t0" AT LEFT)
OPERATOR SHOULD DEVELOP THE HABIT OF
HOLDING HIS RIGHT ARM STRAIGHT FROM THE
SHOULDER TO THE WRIST.
REPETITIVE CROSSCUTTING
Clamp a "C" clamp (min, 6 inch) using a wood block on
each side of the arm,, This wilt limit the carriage travel
beyond the position necessary to complete the crosscut
operation,
I7

basic opera ions
OPERATION No. 2- MITER CROSSCUT
Miter crosscutting is the process of sawing a board at any
angle other than a 90 ° (square) cut° The 45o miter angle is
a popular one, since two boards cut to 45 ° can be
assembled to form a 90 ° corner for producing a square or
rectangular frame. The radial arm is set to the desired angle
of cut; yoke and bevel settings indexed at 0 ° (and locked)
as in square crosscutting. The board being cut is held firmly
against the fence (guide) and the carriage pulled forward
along the radial arm to perform the desired cut_ As in
"Operation No, !"', the carriage should be returned to full
rear position and the saw blade allowed to come to a
complete stop before removing the boards from saw table°
OPERATION No. 3 - BEVEL CROSSCUT
Bevel crosscutting is the process of sawing at 90 ° (square)
across the board with the saw blade set at an angle other
than 90 ° to the saw table, The radial arm and yoke are
indexed at 0 ° and locked, but the bevel is set to the desired
angle of cut,. The board is held firmly against the fence and
the carriage pulled forward along the radial arm to produce
the cut. The carriage should be returned to full rearward
position and the saw blade allowed to come to a complete
stop before removing the boards from saw table.
OPERATION No. 4 -COMPOUND
CROSSCUT
Compound crosscutting is the combination of miter and
bevel crosscuts.. The radial arm and bevel are set to produce
the desired cut; the yoke is indexed at 0 ° and iocked_ The
board is held firmly against the fence and the carriage
pulled forward along the radial arm to produce the cut.
Again, the carriage should be returned to full rearward
position and the saw blade allowed to come to acomplete
stop before removing boards from saw table.
18

PUSH ST ICt_
REQUIREMENTS WHEN RIPPING
(OPERATIONS 5 AND 6)
1, Carriage lock knob must be tight,,
2., Radial arm must be locked in 0 ° position,,
3,, Work must be held firmly against table and fence while
feeding through,.
4, Guard and anti-kickback mechanism must be properly
set., Observe instructions in paragraph, "Adjusting
Guard, and Anti-Kickback and Spreader Assembly for
Ripplng."
5_ Blade should be sharp and correctly set_
6, When ripping narrow stock, tess than 3inches but more
than I/2 inches between the guard and the fence
(guide), use a push stick,.
PUSH STICK (I- INCH SQUARES)
PUSH STICK
7,
8.
g,,
When ripping stock I/2 inch or less between the btade
and fence (guide) use apusher board,
Pusher board should not be less than 3 inches wide and
16 inches long, Nail or glue a 3/4 x 3/4 x 4 inch block
to one edge of push board to be used as agrip,
The pusher board should be fed into the blade behind
the stock being ripped not more than 8 inches so as not
to strike anti-kickback pawls fingers and then pulled
back with use of the grip°
Hands must be kept well away from saw bladed
Saw blade must be parallel to fence, to minimize
possibility of kickbacks.
PUSHER BOARD
OPERATION No. 5 - OUT-RIPPING
AND IN-RIPPING
Ripping is the process of sawing the workpiece by
feeding it into the saw blade when using the fence as a
guide and as a positioning device to obtain the desired
width of cut,
WARNING: NEVER RIP FREE-HAND. BEFORE
RIPPING, MAKE SURE THE GUARD, SPREADER
AND ANTI-KICKBACK PAWLS ARE SET UP
PROPERLY, ALSO, MAKE SURE THE SAW BLADE
IS PARALLEL WITH THE FENCE. NEVER RIP
WORKPIECES SHORTER THAN THE SAW BLADE
DIAMETE R.
19

basic saw operations
2o Since the work is pushed along the fence, it must have a
reasonably straight edge in order to make sliding
contact with the fence, Also, the work must make solid
contact with the table, so that it will not wobble.
Provide a straight edge, even if this means temporary
nailing of an auxiliary straight-edged board to the work.
If the workpiece is warped, turn the hollow side down.,
3,, Always use the saw guard and make sure the spreader is
correctly aligned with the saw kerr, Wood cut with the
grain tends to spring the kerf closed and bind the blade
and a kickback could occur°
4, Stand a Httle to one side of center to avoid being
sprayed with sawdust and to be clear of work in case of
kickback,
\
5° When ripping short or narrow work, always use a push
stick applied to the section of the workpiece between
the Made and fence ,,, push the work past the blade
so it is clear of the blade. This procedure will minimize
the possibility of kickbacks
In-Ripping. The radial arm and bevel are indexed at 0 ° and
locked, but the yoke is turned 90_degrees in a clockwise
direction (viewed from above) from the crosscut position,
Thus, when standing in front of the saw, the blade would
be rotating counterclockwise, After positioning the guard
and anti-kickback mechanism the workpiece is fed from the
right-hand side of the saw° The "In-Rip" scale is on the
right-hand side of radial arm,,
Out-Ripping The radial arm and bevel are indexed at 0 °
and locked, but the yoke is turned 90-degrees in a
counterclockwise direction (viewed from above), from the
crosscut position When standing in front of the saw, blade
would be rotating clockwise After positioning the guard
and anti-kickback mechanism the workpiece is fed from the
left-hand side of the saw The "Out-Rip" scale is on the left
hand side of radial arm.
OPERATION No. 6 - BEVEL RIPPING
Bevel ripping is either in-ripping or out-ripping as described
above, except the saw blade is tilted out of perpendicular to
the saw table surface° The radial arm is indexed at 0 ° and
locked, the beve_ is set to the desired bevel angle and the
yoke is positioned for in-ripping (saw blade at rear) or
out-ripping {saw blade at front}, as required,, All
requirements and observations applicable to normal ripping
operations also apply to bevel ripping,
DADOING
Instructions for operating the Dado Head are contained in
booklet furnished with the Dado Head.
The saw arbor is designed for dado heads up to !3/16
inches wide. Do not install a wider dado head on the arbor.
Take several passes if required dado cut exceeds 13/16 inch.
When installing the dado head on the arbor, ALWAYS
instal! the inside "loose collar" first_ Be sure the teeth of
the chippers are placed to fall in blade gullets, and chippers
are approximately equally spaced around the arbor..
DO NOT install the outside loose collar. Make sure the
arbor nut is tight Install the arbor nut directly against the
outer blade of dado head,
For best results and to avoid excessive load on the motor,
NEVER CUT A 13/16" WIDE DADO, DEEPER THAN
3/4" IN ONE PASS
MOLDING/SANDING
Instructions for operating the Molding Head are contained
in a booklet furnished with the Molding Head
For use of Molding Head Cutter or Drum Sander the rear
table requires an opening for clearance Cut this opening as
shown.
REARTABLE-_[ "-tF_1,b3" 1 j2-1/2"......
2O

electrical connections
POWER SUPPLY
Motor Specifications
The A-C motor used in this saw is acapacitor-start,
non-reversible type having the following specifications:
Voltage ................................... 120/240
Amperes ................................. 1I/5.5
Hertz (cycles) ................................. 60
Phase .................................. Single
RPM ......................................... 3450
Rotation asviewed from saw blade end .... Clockwise
CAUTION: Your saw is wired for 120V operation_
Connect to a t20V, 15-Amp, branch circuit and use a
15-Ampr time-delay fuse or circuit breaker, if the
motor is used for 240V operation, connect to a 15-amp.
branch circuit and use a tS-Ampo tlme-delay fuse or
circuit breaker_
This machine must be grounded while in use to protect
the operator from electric shock.,
IF YOU ARE NOT SURE THAT YOUR OUTLET iS
PROPERLY GROUNDED, HAVE IT CHECKED BY A
QUALIFIED ELECTRICIAN.
WARNING: DO NOT PERMIT FINGERS TO TOUCH
THE TERMINALS OF PLUGS WHEN INSTALLING
OR REMOVING THE PLUG TO OR FROM THE
OUTLET,,
WARNING: IF NOT PROPERLY GROUNDED THIS
POWER TOOL CAN INCUR THE POTENTIAL
HAZARD OF ELECTRICAL SHOCK,
PARTICULARLY WHEN USED tN DAMP
LOCATIONS tN PROXIMITY TO PLUMBING. IF AN
ELECTRICAL SHOCK OCCURS THERE IS THE
POTENTIAL OF A SECONDARY HAZARD SUCH AS
YOUR HANDS CONTACTING THE SAWBLADE_
IF POWER CORD IS WORN OR CUT, OR DAMAGED
IN ANY WAY, HAVE lT REPLACED IMMEDIATELY.
If your unit is for use on less than 150 votts it has a
plug that looks like below,
PROPERLY
GROUNDED OUTLET /" n D ]
3-PRONG PLUG
G_I OUNOING PRONG
This power toot is equipped with a 3-conductor cord
and grounding type plug which has a grounding prong,
approved by Underwriters' Laboratories and the
Canadian Standards Association° The ground conductor
has a green jacket and is attached to the toot housing at
one end and to the ground prong in the attachment
plug at the other end,
This pSug requires a mating 3-conductor grounded type
outlet as shown,
If the outlet you are planning to use for this power tool
is of the two prong type DO NOT REMOVE OR
ALTER THE GROUNDING PRONG IN ANY
MANNER. Use an adapter as shown and always connect
the grounding lug to known ground.,
tt is recommended that you have a qualified electrician
replace the TWO prong outlet with e properly grounded
THREE prong outlet.
An adapter as shown below is available for connecting
plugs to 2-prong receptacles. The green grounding lug
extending from the adapter must be connected to a
permanent ground such as to a properly grounded
outlet box. GROUNDING LUG
ADAPTER
3-PRONG
PLUG
MAKE SURE THIS IS
CONNECTED TO A
II KNOWN GROUND
2-PRONG
RECEPTACLE
NOTE: The adapter illustrated is for use only if you
a{ready have a properly grounded 2-prong receptacle,
Adapter is not allowed in Canada by the Canadian
EIectricaF Code.
ELECTR ICAL CONNECTIONS
WARNING: CHANGES IN ELECTRICAL
CONNECTIONS SHOULD BE MADE BY A
QUALIFIED ELECTRICIAN.
1. Changing Motor Connections
a. Under normal home workshop usage, and if proper
(full) voltage is supplied to the motor, your saw will
operate efficiently on 120V, as connected at the
factory. However, if any of the following conditions
exists, it will be advisable for you to reconnect the
motor for 240V operation - to obtain the
efficiency and performance for which your saw is
designed:
(1) Heavy-duty operations.
(2) Either an undersized or an overloaded branch
circuit serving the saw motor.
(3) Low voitage supplied by the power source,
which the power company cannot correct.
bo Motor wiring connections for 120V (as made at tile
factory) are described below. Necessary
reconnections for 240V operation are also described
foflowing. Whenever changing connections from
120V to 240V or vice-versa, make certain that all
necessary steps (including proper fusing of the
branch circuit) are completed,
2_ Connections for 120V A.Co
a. Remove namepiate cover from motor to expose
terminal board.
b,. The wires inside of the motor must be connected as
shown:
(1) The orange-colored wire on number 6 terminal,
21

eUectrica8 connections
(2) The brown-colored wire on number 5 terminal,,
c Use the 120V power-cord plug furnished with your
saW.
3o Connections for 240V A.C_
O0k
a, The wires inside the motor terminal box must be
connected as follows:
(1) The orange-colored wire on number 8 terminal
(2) The brown-colored wire on number 7 terminal.
b_ Replace the 120V power-cord plug with a (3-blade)
240V plug, connecting the power-cord white and
black leads, respectively, to the two "hot" plug
blades - and connecting the power-cord grounding
wire to the plug ground prong,
240V PLUG & RECEPTACLE
tllO ADAPTER _S
AVAILABLE FOR
THIS TYP_ PLUG
c. Plug your saw into a 240V, 3-blade receptacle.
d, Make certain the receptacle is connected to a 240V
A-C power supply through a 240V branch circuit
having at least a 15_amp,.capacity, and protected by
a15-amp. time-delay fuse or circuit breaker°
MOTOR SAFETY PROTECTION
NOTE; This motor should be blown out, or "vacuumed",
frequently to prevent sawdust interference with normal
motor ventilation.
Your saw motor is equipped with a manual-reset,
thermaboverloed protector designed to open the power-line
circuit when the motor temperature exceeds a safe value,
3_
4_
If the protector opens the line and stops the saw motor,
immediately press the saw switch to the "OFF"
position, and allow the motor to cool
After cooling to a safe operating temperature, the
overload protector can be closed manually by pushing
in the red button on the top of the motor, ff the red
button will not snap into place immediatety, the motor
is still too hot and must be allowed to cool for a while
longer.. In some cases this may take 20-30 minutes. (An
audible click will indicate protector is cIosed.)
As soon as the red button will snap into running
position, the saw may be started and operated
normally, by pulling out the saw switch to the "ON"
position.
Frequent opening of fuses or circuit breakers may result
if motor is overloaded, or if the motor circuit is fused
differently from recommendations.. Overloading can
occur if you feed too rapidly or if your saw is
misaHgned so that the blade heels,. Do not use a fuse of
greater capacity without consulting a qualified
electrician.
5. Although the motor is designed for operation on the
voltage and frequency specified on motor nameplate,
normal loads will be handled safely on voltages not
more than 10% above or below the nameplate voltage
Heavy loads, however, require that voltage at motor
terminals equals the voltage specified on nameplate
6. Most motor troubles may be traced to loose or
incorrect connections, overloading, reduced input
voltage (such as small size wires in the supply circuit) or
to an overly-long supply circuit. Always check the
connections, the load and the supply circuit, whenever
the motor fails to perform satisfactorily. Check wire
sizes and lengths with the table following.
WIRE SIZES
The use of any extension cord wilt cause some loss of
power. To keep this to aminimum and to prevent
over,.heating and motor burn-out, use the table below to
determine the minimum wire size (A.W GJ extension cord
Use only 3 wire extension cords which have 3prong
grounding type plugs and 3-pole receptacles which accept
the tools plug,
Length of the
Conductor
Up to 100 feet
t00 feet to 200 feet
200 feet to 400 feet
Wire Size Required
(American Wire Gauge Number)
240 Volt Lines 120 Volt Lines
No., t4 No. 12
NOr 12 No_ 8
No. 8 No. 6
NOTE: For circuits of greater length, the wire size must be
increased proportionately in order to deliver ample voltage
to the saw motor..
22

troubae=shoofing
WARNING: REMOVE POWER CORD FROM POWER
SOURCE BEFORE TROUBLE SHOOTING.
Even' though the finest materials and precision
workmanship have been incorporated into your Craftsman
saw, it is reasonable to expect some wear after long periods
of use., Sooner or later, the metal to metal parts must wear
and will need take-up. Every metal to metal part on your
Craftsman saw can be taken up, In this way, the machine
can always be kept accurate and just as important, rigid.
The usual operating "troubles" are listed in the following
paragraphs with the necessary corrections listed,
LOOSENESS OF COLUMN TUBE IN COLUMN
SUPPORT - ELEVATION CRANK OPERATES
ROUGHLY OR CHATTERS WHEN ROTATED°
Refer to Step two in Alignment Procedure Section
Check for looseness (movement) of column tube in
column support,
2. RADIAL SAW DOES NOT MAKE ACCURATE 0°or
45°MITER CROSSCUTS,
a. Looseness between column tube and column
support..
Align as described in Alignment Procedure Section
Step Two.
Improper arm indexing at 0 ° crosscut_
Refer to precision indexing in operating controls
section
c. Crosscut travel not properly adjusted°
Refer to Step Three in Alignment Procedure
Section Squaring Crosscut Travel°
FINISH CUT END FINISH CUT _ND
_ 5QUAKE
FENCEEDGE FENCE EDGE
FINISH CUT LOOKS LIKE THIS - 0 ° CROSSCUT
lOR LIKE THIS --
45 °MITER
3. SAW CUTS AT ANGLE - NOT 90 ° TO TABLE TOP.
a. Table support channels not properly leveled
Refer to Step One under Alignment Procedure
Section
b, Blade not square to work table top,,
Refer to Step four in Alignment Procedure Section,
4o BLADE ANGLE (BEVEL) CUTS NOT ACCURATE.
a. Corrective action is the same as paragraph 3a and b
above.
d. Carriage Bearings Loose
Refer to Step four in Alignment Procedure Section
¢.HOULD BE 90 _
ANGLE
\
SQUARE
5. SAW KERF (CUT EDGE) OF STOCK ROUGH -
TOOTH MARKS LEFT ON EDGE OF SAW KERF.
NOTE: This condition is commonly called "HEEL" or
"'TOE'L
a. Crosscutting or Miter Cutting
Heeling will tend to slide the workpiece toward the
right along the guide fence, as the cut is being made,
and make a square cut almost impossible,, A blade
with "toe" will tend to slide the board to the left
along the fence.
Refer to step 5 under Alignment Procedure Section
- "Squaring Blade to Fence",
23
' " FENCE
ROUGH r,ER_ L _._ WIDE CUT
_DGES _ _J-- (KERF) .
_L
.._ _
"/ DIRECTION OF - = -_ O_[CI[ON OF -- -
_-_-- ATT_MF_EO gLADE _AVSL _ _ '
,___ BLAD_ TRAVEL

trouble--shooting
6. WOOD BINDS, SMOKES AND MOTOR SLOWS
DOWN OR STOPS WHEN RIPPING°
a° Dull blade or warped board°
Sharpen or replace the saw blade. Avoid the
attempted use of severly warped material
bo Radial arm not securely locked in 0° position.
Loosen the arm lock knob and refer to paragraph
"Precision Indexing",
c. Crosscut not properly squared_
Check and align as described in Alignment
Procedure Section, Step Two and Three, Squaring
crosscut automatically corrects this condition for
ripping.,
d, Saw blade heels,
Check and align as described in Alignment
Procedure Section, Step Five,.
7. BOARD PULLS AWAY FROM FENCE WHEN
RIPPING,
a,, Saw blade has toe°
Corrective action is the same as preceding
instructions explained in paragraphs D and E
b., Anti-kickback and spreader assembly not properly
adjusted_
Refer to "Adjusting Guard, Anti-Kickback and
Spreader Assembly, For Ripping'o
FENCE
TOP VIEW WITH ARM 90 ° TO THE FENCE
HEEL INCORRECT TOE INCORRECT
FENCE 1
i '
PARELLEL __-
WITH FENCE
CORRECT
8, CARRIAGE BEARINGS LOOSE.
To test for looseness between bearings and tracks on
radial arm, perform the following steps.
a, Remove left-hand carriage cover.
b. Push the carriage to its full most rearward position,,
c. Finger hold front carriage bearing as shown and
apply as much force as possible and at the same
time pull carriage forward, If you can stop the
bearing from turning it will require adjusting°
d. Check rear bearing in the same manner and adjust as
follows:
t_ Loosen nuts just enough to permit the eccentric
screwsto turn.,
2, Rotate the eccentric screws a partial turn (left
or right) as required to take up looseness,
3_ Hold the heads of eccentric screws in the
position established in the preceding step and
tighten nuts on underside of carriage, Correct
adjustment exists when you cannot keep the
bearings from turning°
ECCENTRIC
SCREW
24

9. YOKE DOES NOT INDEX PROPERLY,
Check for proper yoke indexing noting that the swivel
latch pin fits into its detents properly, tf swivel latch
pin housing screws (located under left hand carriage
cover) are loose, readjust blade for "hee!" or "toe" as
described in Alignment Procedure Section, Step Five.
10, YOKE CLAMP HANDLE ADJUSTMENT,
The normal locking position of the yoke clamp handle
is approximately midway between the two sides of the
yoke. When sufficient wear has occured to permit the
handle to move considerably to the rear, or strike the
yoke before locking, the handle must be adjusted as
follows:
a. Set yoke clamp handle to Normal Locking Position
which is just slightly ahead of the mid-position.
b_
c,
Remove carriage stop screw and lockwasher with a
3/16 inch hex-L wrench_
Grasp the carriage assembly, holding it parallel to
the radial arm until al! carriage bearings are free of
their tracks, move it carefully off the end of radial
arm,
d.
e,,
f_
g
h,,
Rest the motor and carriage assembly on saw work
table and remove the lock screw.
Using ascrewdriver, rotate the yoke clamp assembly
clockwise until the next hole will fine up with the lock
screw.. Usually rotating the yoke clamp assembly one
hole will correct this adjustment. However, in some
extreme cases it may be necessary to rotate it two holes
or more_
Install and tighten the lock screw,
Hold the motor and carriage assembly parallel to radial
arm and start the rear bearings onto the tracks..
Continue to hold the assembly paralle! to the tracks
until the forward bearings are on the tracks
Slide the carriage rearward on the radial arm and install
the carriage stop screw and Iockwasheh
LOCK "_
SCREW II
i_ !/YOKE CLAMP
_d HANDLE
25

trouble shooting
MOTOR TROUBLE - SHOOTING CHART
NOTE: Motors used on wood-working tools are particularly
susceptible to the accumulation of sawdust and wood chips
and should be blown out or "vacuumed" frequently to
prevent interference with normal motor ventilation.
TROUBLE
Motor will not run,
Motor will not run and
fuses "BLOW"°
Motor fails to develop
full power. (Power output
of motor decreases rapidly
with decrease in voltage at
motor terminals,, For
example: a reduction of
10% in voltage causes a
reduction of 19% in
maximum power output
of which the motor is
capable, while a reduction
of 20% in voltage causes
a reduction of 36% in
maximum power output.)
Motor overheats.
Motor starts slowly or
fails to come up to full
speed.
Motor stalls (resulting in
blown fusesor tripped
circuit breakers).
Frequent opening of
fuses or circuit breakers,
PROBABLE CAUSE
l r Protector open; circuit
broken_
2 Low voltage
t. Short circuit in line,
cord or plug
2. Short circuit in motor or
loose connections.
3 Incorrect fuses in power line
1. Power line overloaded with
lights, appliances and other
motors..
2. Undersize wires or circuit
too long.
3o General overloading of
power company's facilities,
(In many sections of the
country, demand for
electrical power exceeds
the capacity of existing
generating and distribution
sy stem s.)
t. Excessive feed rate when
crosscutting or ripping..
2. improper cooling (Air
circulation restricted
through motor due to
sawdust, etc_)
3o Saw blade has "heel"_
tLow Voltage -will not trip
starting switch.
t. Voltage too low to permit
motor to reach operating
speed.
2. Fuses or circuit breakers
do not have sufficient
capacity..
1°Motor overloaded.
2Fuses or circuit breakers
do not have sufficient
capacity,
SUGGESTED REMEDY
Reset protector by pushing on red button,
located on top of motor (indicated by
audible click),,
2 Check power line for proper voltage
1
24
3
Inspect line, cord and plug for damaged
insulation and shorted wires
Inspect all terminals in motor for loose or
shorted terminals or worn insulation on wires°
Install correct fuses,
t. Reduce the line load
2 Increase wire sizes, or reduce length of wiring..
3 Request a voltage check from the power company
"I. Slow down rate of feed.
2. Clean out sawdust to provide normal air
circulation through motor,
3 Refer to Alignment Procedure Section of
manual Step Five.
1. Correct low voltage condition
I. Correct the low line voltage condition
2. Replace fuses or circuit breakers with
proper capacity units,
1. Reduce motor load.
2. Replace fuses or circuit breakers.
26

maintenance and lubrication
MAINTENANCE
WARNING: FOR YOUR OWN SAFETY, TURN SWITCH
"OFF" AND REMOVE PLUG FROM POWER SOURCE
OUTLET BEFORE MAINTAINING OR LUBRICATING
YOUR SAW_
When you receive your new Craftsman radial saw, it
requires no lubrication,, The radial saw has been partially
aligned and all bearings are lubricated and sealed for life. In
time, however, in order to keep your saw in perfect
working order and accurate, it will be necessary to lubricate
and realign, in fact, your radial saw needs more of a
cleaning than a lubrication_
Make sure the teeth of the ANTI KICKBACK pawls are
always sharp.. If they become dull, repface immediately
LUBRICATION
Your saw is precision built and should be kept clean and
properly lubricated° Before describing the various points
which may periodically require lubrication, IT IS MORE
IMPORTANT TO FIRST MENTION THE VARIOUS
POINTS WHICH SHOULD NOT BE LUBRICATED,
NO LUBRICATION REQUIRED
Do not lubricate carriage ball bearings or motor bearings as
these are sealed ball bearings and require no added
lubrication.,
Do not lubricate between radial arm cap and radial arm.,
PERIODICALLY LUBRICATE THESE POINTS
Use SAE No,, 10W-30 automotive engine oil and refer to
Parts List for locations. Apply a few drops of oll along the
swivel latch pin only if the pin has a tendency to stick.
Remove the left-hand carriage cover and use oil sparingly to
prevent it from getting on the ball bearings or races,
A light film of oil should be wiped on the face of the
column tube and keyway to lubricate the fit between the
column tube, the key and column support,
Apply a few drops of oil to the bearing surfaces of the
elevation crank shaft assembly. An oil hole is provided in
the elevation shaft bearing bracket to facilitate the
lubrlcation of the bearing support°
The thread on the elevation shaft assembly can be
lubricated through the oil hole in the center of the radial
arm cap,,
CAUTION: Excessive oil at any location will attract
airborne dust particles and sawdust°
OIL HOLE
27

recommended accessories
IN CANADA, SEE YOUR LOCAL SIMPSONS-SEARS STORE
OR CATALOG FOR ACCESSORY SELECTION AND NUMBERS.
ITEM CAT,NO.
Cabinet ............................................. 22203
Stand .......................................... 22202
Steel Legs ................................... 22211
Castors ........................................... 22201
Hold-Down Attachment ....................... 9-3230
Key Chuck .................................... 9-2980
*Molding Head Guard -7-inch ................ 9-29524
*Moiding Head Guard -- 8-inch ................. 9-29523
Rotary Surface Planer -Carbide Tip ............. 9-29513
Sanding Wheel - 8-Inch ............................ 9-2274
Sanding Wheel -!O-Inch ......................... 9-22723
Dust Collector ..................................... -2953"_
Taper Jig ..................................... 9-3233
Satin Cut Dado - 7-Inch ................... 9-3257
Satin Cut Dado -8-Inch ..................... 9-3253
*Molding Head Single Cutter ...................... 9-3215
* Molding Head Three Cutter ...................... 9-3221
Sanding Drum -3-Inch ........................ 9-25246
oLower Retractable Guard .................... 9-29009
"Power Tool Know How Handbook"
Radial Saw ..... -........................... 9-2917
*Before purchasing or using any of these accessories, read
and comply with additional safety instruction No "14" on
p.,4 of this manual,,
o Meets OSHA Requirements as of 8-73,
The above recommended accessories are current and were available at the time this manual was printed_
28

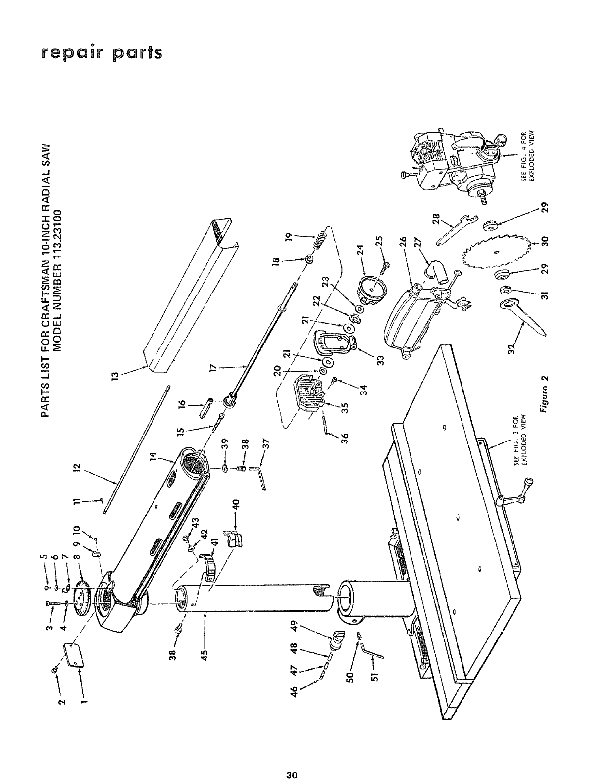
repair parts
\\
GO
.J
<
<
CC o
Z
Go_;
!--
u.Z:)
<z
cc.J
_Jw
0
F-
GO
..J
GO
F-
>-
.J
_Q
LU
CO
GO
m
{Z:
I
uJ
E.
\\\
t
\
29

Q
repaur parts
k
J
o
/
/
°8
3O

<
O9
.J
<
<
o
_-o
Z_
ira-
m
<z
t_.j
ou4
n-_3
o o
u._
co
.,3
cn
w
D
,-r
r.
o
_6
_z
_J
O_
o_ _
=;
.Izo_ z -l-to <D O0
0 j • , , >__J re
9O m Z _ J [.,0 0 E_:,. 09 J _/3 J J 09 F f._ .£i. EL k/ 09 $ 0 _3_
oo
F
_0_ _
n
C3
E,4
Z8
.£3 "r
0
m 0
o
u'_
31

repair parts
co
c_
.J
t,r o
n-o
c_
ZC_
Lu
k-
_w
!-
-.1
b-
.ff
o.,
\\
l
/
/
c!
32

<
0_
_J
<
<
n-o
Tm
Zr_
LU
I-
wD
<z
t_..I
Ow
_r7
0 o
_J
I-
r0
W
D
0
Lt.
9
E
_Z
a m _ •
>._ rn c_ LU ,
co p__ _" --_- x-q x_
GO X X-_c4cr_ _ _ D
X'O,_ CO oa'-
%
x
¢o _ x
cx_ r"
'-_ _, -,-_ rO 0 "-" "_0
=o
o
J
t'o
P
e,
>
I
E
33

o
repair parts
O3
--!
Q
03
6o_
Zr_
_LU
I--
=¢z
¢_tu
ii
t-
..I
n-
rl
\\ \
oo
34

<
GO
_J
<
<
¢¢ 0
3::o
OF0
6_
ZG:
<,.
_m
<z
n.- j
ouJ
rrt3
0 o
,,_
¢0
_J
G:
<_
D.
LD
G:
D
C_
i
LL
0
t_
_d
_z
__z
F
i
k
m
_n"'J
m
<
>
t2_m
R.,__
OZ>
_o_:
_w
O3 O3
<<m m
kUl_ "U3
o_
t-co
I-Ii _
_ouJ
_ 23 u.l rr
<:Z: mm_
@
o
0o
o0
o_o
JN_
_ o
Nx:m
m_ m
OO3
toO
Cm N
* +_ ,@
35

,_ _ _ uu,lu,,i
Sears
owners
manual
SERVICE
MODEL NO.
113.23100
HOW TO ORDER
REPAIR PARTS
10-HNCH RADIAL SAW
Now that you have purchased your lO-inch radial saw, should a
need ever exist for repair parts or service, simply contact any
Sears Service Center and most Sears, Roebuck and Co. stores.
Be sure to provide all pertinent facts when you call or visit.
The model number of your !0-inch radial saw will be found on
a plate attached to your saw, at the left-hand side of the base,,
WHEN ORDERING REPAIR PARTS, ALWAYS GIVE THE
FOLLOWING INFORMATION:
PART NUMBER PART DESCRIPTION
MODEL NUMBER
t 13,23100
NAME OF ITEM
IO-INCH RADIAL SAW
All parts listed may be ordered from any Sears Service Center
•and most Sears stores° If the parts you need are not stocked
locally, your order will be electronically transmitted to a Sears
Repair Parts Distribution Center for handling,
Sold by SEARS, ROEBUCK AND CO., Chicago, aL. 60684 U.S.A.
Part Nor 63548 Form No,,SP3923°11 Printed in U.,SA, 6/i7