Craftsman 113234940 User Manual 8 1/4 COMPOUND MITER SAW Manuals And Guides L0804021
CRAFTSMAN Miter Saw Manual L0804021 CRAFTSMAN Miter Saw Owner's Manual, CRAFTSMAN Miter Saw installation guides
User Manual: Craftsman 113234940 113234940 CRAFTSMAN 8 1/4 COMPOUND MITER SAW - Manuals and Guides View the owners manual for your CRAFTSMAN 8 1/4 COMPOUND MITER SAW #113234940. Home:Tool Parts:Craftsman Parts:Craftsman 8 1/4 COMPOUND MITER SAW Manual
Open the PDF directly: View PDF
.
Page Count: 36

fSave This Manual _'_
For Future Reference
S£ARS
owner's
manual
MODEL NO
113.234940
Serial
Number
Model and serial numbers
may be found on a plate
attached to your saw, at the
back of the Miter Saw base.
You should record both model
and serial number in a safe
place for future use.
FOR YOUR
SAFETY
READ ALL
INSTRUCTIONS
CAREFULLY
Pad No. SP6005
CRRFTSMRN
8-1/4 INCH
SLIDE COMPOUND
MITER SAW
• assembly
• operating
• repair parts
I/
Sears Roebuck and Co, Hoffman Estates, IL 60179 US.A.
Form No. SP6005-1
J
Printed in Taiwan 7/97

FULL ONE YEAR WARRANTY ON CRAFTSMAN BENCHTOP TOOLS
If this Miter Saw fails due to adefect in material or workmanship, within one year from the date of
purchase, RETURN IT TO THE NEAREST SEARS SERVICE CENTER IN THE UNITED STATES, and
Sears will repair it, free of charge.
If this Miter Saw is used for commercial or rental purposes, this warranty will apply for ninety days
from the date of purchase.
This warranty applies only while this product is in the United States•
This warranty gives you specific legal rights, and you may also have other rights which vary from
state to state.
Sears, Roebuck and Co., D/817 WA Hoffman Estates, IL. 60179
Safety Instructions For Slide Compound Miter Saw
Safety is a combination of common sense, staying alert and knowing how your miter saw works. Read this manual to
understand this miter saw.
Safety Signal Words
DANGER: means if the safety information is not followed
someone will be seriously injured or killed.
WARNING: means if the safety information is not fol-
m
lowed someone could be seriously injured or killed.
CAUTION: means if the safety information is not followed
someone might be injured.
Before Using The Miter Saw
JWARNING: To avoid mistakes that could cause
serious, permanent injury, do not plug the miter
saw in until the following steps have been satisfac-
torily completed.
- Completely assemble and align saw. (See "Assembly"
and "Alignment" sections within.)
•Learn the use and function of the ON-OFF switch,
upper and lower blade guards, handle latch, bevel
clamp, cover plate stop screw, and fence clamps. (See
"Getting to Know Your Miter Saw" section within.)
•Review and understand all safety instructions and
operating procedures in this manual.
°Review the maintenance methods for this miter saw.
(See "Maintenance" section within).
• Find and read the following labels on the miter saw:
NN;_" ....
When Installing Or Moving The Miter Saw
Before moving the saw, lock the miter, bevel, carriage
lock and power head positions. Unplug the power cord,
To avoid back injury, get help when you need to lift the
saw.
Never carry the tool by the cord or power head trigger
handle, Damage to insulation could cause an electric
shock. Damage to wire connections could cause a tire.
Avoid Dangerous Environment. Use the miter saw in a
dry, indoor place protected from rain. Keep work area
well lighted.
Place the saw so neither the user nor bystanders are
forced to stand in line with the blade. Thrown debris
could injure people in its path.
I

To avoid injury from unexpected saw movement:
• Place the miter saw on a firm level surface where there
is plenty of room for handling and properly supporting
the workpiece.
•Support the miter saw so the table is level and the saw
does not rock.
• Bolt or clamp the saw to its support.
Never Stand On Tool. Serious injury could occur if the
tool tips or you accidentally hit the cutting tool. Do not
store anything above or near the tool where anyone
might stand on the tool to reach them.
To avoid injury or death from electrical shock:
•Make sure your fingers do not touch the plug's metal
prongs when plugging or unplugging the miter saw.
• This TOOL. IS DOUBLE INSULATED to give you
added protection. Double insulation does not take the
place of normal safety precautions when operating this
tool. When servicing this double insulated tool, use
only identical parts.
Before Each Use
Inspect your miter saw.
Disconnect The Miter Saw. To avoid injury from acci-
dental starting, unplug the saw, before changing the
setup, changing the blade or adjusting anything.
Compare the direction of rotation arrow on the guard to
the direction arrow on the blade. The blade teeth should
always point downward at the front of the saw
Tighten the arbor screw.
Tighten the cover plate stop screw.
Check For Damaged Parts. Check for:
Proper Alignment of moving parts,
Damaged electric cords,
Binding of moving parts,
Broken parts,
Stable mounting,
Function of arm return spring and lower guard: Push
the arm all the way down, then let it rise up until it
stops by itself. Check the lower guard to see if it closed
fully. If it did not, follow the instructions in the "Trouble
Shooting" section.
• Smooth, solid movement of sliding assembly
• Other conditions that may affect the way the miter saw
works.
If any part of this miter saw is missing, bent, or broken in
any way, or any electrical parts don't work, turn the saw
off and unplug it. Replace damaged, missing, or failed
parts before using the saw again.
Keep Guards In Place, in working order, and in proper
adjustment.
Maintain Tools With Care. Keep the miter saw clean for
best and safest performance. Follow instructions for lubri-
caring. DON'T put lubricants on the blade while it's spin-
ning.
Remove Adjusting Keys And Wrenches from tool
before turning it on.
To avoid injury from jams, slips or thrown pieces:
•Use Only Recommended Accessories. (See "Acces-
sory" section within.) Consult this Owner's manual for
recommended accessories. Follow the instructions that
come with the accessories, The use of improper acces-
sories may cause risk of injury to persons.
• Choose the right 8-1/4 inch diameter blade for the
material and the type of cutting you plan to do.
• Make sure the blade is sharp, undamaged and prop-
erly aligned. With the saw unplugged, push the power-
head all the way down. Hand spin the blade and check
for clearance. Tilt the power-head to 45 degree bevel
and repeat the check. If the blade hits anything, make
the adjustments shown in the Maintaining Maximum
Cutting Capacity section.
• Make sure the blade and arbor collars are clean.
• Make sure the collars' recessed stdes are facing the
blade.
• Using the 1/4" hex end of combination wrench (sup-
plied) or a 1/2-inch box end wrench, make sure the
arbor screw is firmly hand tightened.
• Make sure all clamps and locks are tight and there ts
no excessive play in any parts.
Keep Work Area Clean. Cluttered areas and benches
invite accidents. Floor must not be slippery
To avoid burns or other fire damage, never use the saw
near flammable liquids, vapors or gases.
Plan Ahead To Protect Your Eyes, Hands, Face
Know Your Miter Saw. Read and understand the
owner's manual and labels affixed to the tool. Learn its
applications and limitations as well as the specific poten-
tial hazards peculiar to this tool.
To avoid injury from accidental contact with moving parts,
don't do layout, assembly_ or setup work on the miter saw
while any parts are moving.
Avoid Accidental Starting. Make sure switch is "OFF"
before plugging miter saw into apower outlet.
and Ears
Plan your work.
Use The Right Tool. Don't force tool or attachment to do
a job it was not designed to do. Use a different tool for
any workpiece that can't be held in a solidly braced, fixed
_ositlon.
CAUTION: Because of the sliding action of this
saw this machine is not designed for cutting met-
als. Use this miter saw to cut only wood and wood
like products. Other material may shatter, bind on
the blade, start fires or create other dangers.

Safety Instructions for Miter Saws (continued)
Dress for safety.
Any power miter saw can throw foreign objects into the
eyes. This can result in permanent eye damage. Wear
safety goggles (not glasses) that comply with ANSI Z87.1
(shown on package). Everyday eyeglasses have only
impact resistant lenses. They are not safety glasses.
Safety goggles are available at area stores. Glasses or
goggles not in compliance with ANSI Z87.1 could seri-
ously hurt you when they break.
WEAR YOUR
-Do not wear loose clothing, gloves, neckties or jewelry
(rings wrist watches) They can get caught and draw
you into moving parts.
• Wear nonslip footwear.
•"lie back long hair.
• Roll long sleeves above the elbow.
• Noise levels vary widely. To avoid possible hearing
damage, wear ear plugs or muffs when using miter
saw for hours at a time.
• For dusty operations, wear a dust mask along with
safety goggles.
Inspect your workpiece.
• Make sure there are no nails or foreign objects in the
part of the workpiece to be cut.
Plan your work to avoid thrown pieces which can
occur when the werkpiece binds on the blade and is torn
from your hands.
Plan how you will make the cut. Always:
• Make sure the blade is not spinning.
• Raise the blade.
• Slide the saw out above the front edge of the work
piece before starting saw. and
• Push the sawblade down on top of the wood and back
toward the rear of the saw to make the cut.
IDANGER: NEVER pull the saw toward you during a I
cut. The blade can suddenly climb up on top of the I
workpiece and force itself toward you.
Plan how you will hold the workpiece from start to
finish:
• Avoid awkward operations and hand positions where a
sudden slip could cause fingers or hand to move into
the blade.
• Don't Overreach. Keep good footing and balance.
• Keep your face and body to one side of sawblade, out
of line with a possible thrown piece.
• Never cut Freehand:
- Brace your workpiece solidly against the fence and
table top so it will not rock or twist during the cut.
- Make sure there's no debris between the workpiece
and its supports.
- Make sure no gaps between the workpiece, fence and
table will let the workpiece shift after it is cut in two.
• Cut only one workpiece at a time.
• Keep the cut off piece free to move sideways after it's
cut off. Otherwise, it could get wedged against the
blade and thrown violently
• Clear everything except the workpiece and related
support devices off the table before turning the miter
saw on,
• Secure Work, Use clamps or a vise to help hold the
work when it's practical.
Use extra caution with large, very small or awkward
workpieces:
• Use extra supports (tables, saw horses, blocks, etc.)
for any workpieces large enough to tip when not held
down to the table top.
• Never use another person as a substitute for a table
extension, or as additional support for a workpiece that
is longer or wider than the basic miter saw table or to
help feed, support or pull the workpiece.
• Do not use this saw to cut pieces too small to let you
easily hold the work while you keep the thumb side of
your index (pointer) finger against the outside edge of
the fence.
• When cutting irregularly shaped workpieces, plan your
work so it will not slip and pinch the blade and be torn
from your hands. A piece of molding, for example,
must lie flat or be held by a fixture or jig that will not let
it twist, rock or slip while being cut.
• Properly support round material such as dowel rods, or
tubing. They have a tendency to roll while being cut,
causing the blade to "bite." To avoid this, always use a
fixture designed to properly hold your workpiece.
Whenever Saw Is Running
WARNING: Don't allow familiarity (gained from fre-
quent use of your miter saw) to cause acareless
mistake. A careless fraction of a second is enough
to cause asevere injury.
Before starting your cut, watch the miter saw while it
runs. If it makes an unfamiliar noise or vibrates a lot, stop
immediately. Turn the saw off. Unplug the saw. Do not
restart until finding and correcting the problem.
Keep Children Away. Keep all visitors a safe distance
from the miter saw. Make sure bystanders are clear of
the miter saw and workpiece.
Never confine the piece being cut off. Never hold it,
clamp it, touch it, or use length stops against it while the
blade is spinning. It must be free to move sideways on its
own. If confined, it could get wedged against the blade
and be thrown violently.
Let the blade reach full speed before cutting. This will
help avoid thrown workpieces.
!

Don't Force Tool. It will do the job better and safer at its
designed rate. Feed the saw into the workpiece only fast
enough to let the blade cut without bogging down or binding.
Before freeing jammed material:
• Turn miter saw "OFF" by releasing trigger switch.
• Wait for all moving parts to stop.
• Unplug the miter saw.
After finishing a cut:
•Keep holding the power head down.
• Release the switch, keeping the power head down and
wait for all moving parts to stop before moving your
hands.
•If blade doesn't stop within 6 seconds, unplug the saw
and follow the instructions in the Trouble Shooting sec-
tion for fixing the blade brake before using the saw
again
Before Leaving The Saw
Never Leave Tool Running Unattended, Turn power Make Workshop Child Proof. Lock the shop. Discon-
off. Wait for all moving parts to stop nect master switches. Store tool away from children and
others not qualified to use the tool,
Glossary of Terms for Woodworking
Arbor
The shaft on which a cutting tool is mounted.
Bevel Cut
An angle cutting operation made through the face of the
workpiece.
Compound Cut
A simultaneous bevel and miter cutting operation.
Crosscut
A cutting operation made across the width of the work-
piece.
Dado
A non-through cut which produces a square sided notch
or trough in the workpiece
Freehand
Doing a cut without holding the workpiece against both
the table and fence. Most workpieces can be held down
with your hand. Large or wide pieces should be clamped
to the fence or table.
Gum
A sticky, sap based residue from wood products
Heel
Misalignment of the blade.
Kerf
The amount of material removed by the blade in a
through cut or the slot produced by the blade in a non-
through or partial cut.
Miter Cut
An angle cutting operation made across the width of the
workpiece.
Resin
A sticky, sap based substance that has hardened.
Revolutions Per Minute (RPM)
The number of turns completed by a spinning object in
one minute
Sawblade Path
The area of the workpiece or table top directly in line with
either the travel of the blade or the part of the workpiece
which will be, or has been, cut by the blade
Set
The distance that the tip of the sawblade tooth is bent (or
set) outward from tile face of tile blade
Workpiece
The item on which the cutting operation is being per-
formed. The surfaces of aworkpiece are commonly
referred to as faces, ends, and edges.
Face
/----Edge
Motor Specifications and Electrical Requirements
Power Supply and Motor Specifications The A-C motor used on this tool is an universal non-revers-
ible type, having the following specifications:
WARNING: To avoid electrical hazards, fire haz-
ards or damage to the tool, use proper circuit pro-
tection. Your tool is wired at the factory for
operation using the voltage shown. Connect tool
to a power line with the appropriate voltage and a
1S-amp branch circuit. Use a 15-amp time delay
type fuse or circuit breaker. To avoid shock or fire,
if power cord is worn or cut, or damaged in any
way, have it replaced immediately.
Max Developed H.F
Voltage
Amperes
Hertz (Cycles)
Phase
RPM
Rotation of Shaft
Brake
i 2-1/2
110-120
10
6O
Single
5000
Clockwise
Automatic

Motor Specifications and Electrical Requirements (continued)
General Electrical Connections
DANGER: To avoid electrocution:
1. Use only identical replacement parts when ser-
vicing. Servicing should be performed by a
qualified service technician.
2. Do not use in rain or where floor is wet.
This tool is intended for indoor residential use
only.
IWARNING Do not permit fingers to touch the ter- [
minals of plug when installing or removing the I
plug to or from the outlet.
If power cord is worn or cut, or damaged in any way,
have it replaced immediately.
110-120 Volt, 60 Hz. Tool Information
Double Insulated
The miter saw is double insulated to provide a double
thickness of insulation between you and the tool's electri-
cal system. All exposed metal parts are isolated from the
internal metal motor components with protecting insula-
tion.
Polarized Plug
Your unit has a plug that looks like the one shown.
To reduce the risk of electrical shock, this appliance has
a polarized plug (one blade is wider than the other). This
plug will fit in a polarized outlet only one way, if the plug
does not fit fully in the outlet, reverse plug. If it still does
not fit, contact a qualified electdcian to install the proper
outlet. Do not change the plug in any way.
Motor Safety Protection
IMPORTANT: To avoid motor damage, this motor should
be blown out or vacuumed frequently to keep sawdust
from interfering with normal motor ventilation.
1. Connect this tool to a 110-120V 15 amp branch circuit
with a 15 amp time delay fuse or circuit breaker. Using
the wrong size fuse can damage the motor.
2. If the motor won't start, release the trigger switch
immediately. Unplug The Tool. Check the saw blade
to make sure it turns freely. If the blade is free, try to
start the motor again. If the motor still does not start,
refer to the "Motor Trouble-Shooting Chart".
3. If the motor suddenly stalls while cutting wood, release
the trigger switch, unplug the tool, and free the blade
from the wood. The motor may now be restarted and
the cut finished.
4. Fuses may "bloW' or circuit breakers may l_ip frequently i_
WARNING: Double insulation does not take the I
I
place of normal safety precautions when operating
this tool.
a Motor Is Overloaded-Overloading can occur if you
feed too rapidly or make too many start/stops in a
short time.
b Line voltages are more than 10% above or below the
nameplate voltage. For heavy loads, however, the
voltage at motor terminals must equal the voltage
specified on nameplate.
c Improper or dull saw blade are used.
5. Most motor troubles may be traced to loose or incor-
rect connections, overload, low voltage (such as small
size wire in the supply circuit) or to overly long supply
circuit wire. Always check the connections, the load
and the supply circuit whenever motor doesn't work
well. Check wire sizes and length with the Wire Size
Chart below.
Wire Sizes
NOTE: Make sure the proper extension cord is used and
is in good condition.
The use of any extension cord will cause some loss of
power. To keep this to a minimum and to prevent over-
heating and motor burn-out, use the table below to deter-
mine the minimum wire size (A.W.G.) extension cord.
Extension Cord Wire Sizes Required
Length (A.W.G.)
110-120V
0-25 Ft 18
26-50 Ft. 16
I

Table of Contents
Section Page
Warranty ........................................................................ 2
Safety Instructions For Slide Compound Miter Saw ......2
When Installing Or Moving The Miter Saw ................. 2
Glossary of Terms for Woodworking ............................. 5
Motor Specifications and Electrical Requirements ........ 5
Power Supply and Motor Specifications ..................... 5
General Electrical Connections .................................. 6
Table of Contents .......................................................... 7
Unpacking and Checking Contents .............................. 8
Tools Needed ............................................................. 8
Unpacking .................................................................. 8
Getting to Know Your Miter Saw ................................... 9
Assembly .................................................................... 10
Removing or Installing the Blade .............................. 10
Assembling Dust Elbow ............................................ 11
Alignment (Adjustments) ............................................. 11
Mounting The Miter Saw ............................................. 14
Safety Instructions for Basic Saw Operations ............. 16
Basic Saw Operations ................................................. 18
Making Common Slide Compound Cuts .................. 18
Slide Cutting ............................................................. 19
Body and Hand Position ........................................... 19
Miter Cut ................................................................... 20
Bevel Cut .................................................................. 20
Section Page
Compound Cut ......................................................... 21
Cutting Bowed Material ............................................ 21
Hold Down Clamp Installation .................................. 21
Hold Down Clamp Usage ......................................... 22
Workpiece Support ................................................... 22
Rough Cutting A Dado ............................................. 23
Helpful Hints When Cutting Compound Miters ......... 23
Maintenance and Lubrication ...................................... 25
Maintenance ............................................................. 25
Replacing Carbon Brushes ...................................... 25
Lower Blade Guard .................................................. 25
Lubrication ....................................................... 25
Sears Recommends the Following Accessories ......... 26
Recommended Accessories ..................................... 26
Prohibited Accessories ............................................. 26
Troubleshooting Guide ................................................ 27
Motor ....................................................................... 27
General .................................................................... 27
Wiring Diagram ........................................................... 28
Trouble Shooting Of Brake By Qualified Service Person
Only ....................................................................... 28
Notes .......................................................................... 29
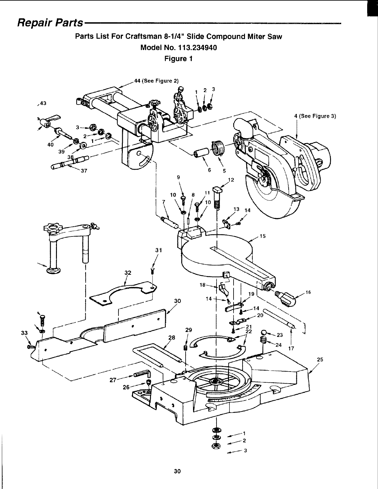
Repair Parts ................................................................ 30

Unpacking and Checking Contents
Tools Needed
Combination Square
1t4" Hex "L" Wrench
(Supplied)
Adjustable Wrench
Unpacking
WARNING: To avoid injury from unexpected start-
ing or electrical shock, do not plug the power cord
into a power source outlet during unpacking and
assembly. This cord must remain unplugged
whenever you are working on the saw.
Your model of Miter Saw is shipped complete in one box.
WARNING: Although compact, this saw is heavy.
To avoid back injury, get help whenever you have
to lift the saw.
1. Before removing the saw from the shipping carton
Combination Square Must be True
Straight Edge of
Draw Light Board 3/4" Thick
Line on Board This Edge Must be
Along this Edge ¢,_, Perfectly Straight
Should be no Gap or Overlap when Square
is Flipped Over in Dotted Position
tighten the carriage lock knob to guard against sudden
movement.
2. Remove the miter saw from the carton by lifting with
the handholds located at the base of the saw.
WARNING: if any part is missing or damaged, do
not plug the saw in until the missing or damaged
part is correctly replaced. To avoid electric shock,
use only identical replacement parts when servic-
ing double insulated tools.
3_Place the saw on a secure, stationary work surface
and look the saw over carefully.
List of Loose Parts
The following parts are included:
NOTE: Before beginning assembly, check that all paris
are included. If you are missing any part do not assem-
ble the saw, Contact your Sears Service Center to get
the missing part. Sometimes small parts can get lost in
packaging material. Do not throw away any packaging
until saw is put together. Check packaging for missing
parts before contacting Sears, A complete parts list
(Repair Par[s) is at the end of the manual. Use the list to
identify the number of the missing part.
Part or Assembly Qty.
A. Basic Saw Assembly ................................................ 1
B. Clamp Assembly (shown on saw) ............................. 1
C. Dust Elbow ............................................................... 1
D, Combination Wrench ................................................. 1
(Assembled on saw)
E, Form Owner's Manual ............................................... 1
F. Registration Form ...................................................... 1
A
Carriage
Lock Knob
C
Hand Hold

Getting to Know Your Miter Saw
14 Upper
Blade
10 Cover Plate 12
Screw Lock-off
11 Cover Button
9 Saw Switch
Handle
13
Trigger
Switch
6 Bevel Adjustment
Stops
8 Lower Blade
_rd
Table
1Warning Labels
3 Depth Adjustment Bolt
with Stop Knob and
Jam Nuts
7 carriage
Lock Knob
/
17 Combination
Wrench
|5 Base
19 Hold Down Clamp
1. Warning labels.
2. Lock Pin - The miter saw can be locked in the low-
ered position for compact storage. Use this only for
carrying and storage applications.
3. Depth Adjustment Bolt - When properly adjusted it
limits the sawblade travel to approximately 1/4"
below the table. Dados may also be rough cut by
adjusting this bolt.
4. Miter Lock Handle - The miter lock handle securely
locks the miter saw at a desired miter angle. Index points
have been provided at 0, 15, 22.5, 30 and 45 R/L.
5. Bevel Lock Handle -The bevel lock handle locks
the miter saw at a desired bevel angle.
6. Bevel Adjustment Stops -Bolts that are adiusted to
stop the sawblade at 0 ° bevel and 45 ° bevel.
7. Carriage Lock Knob - Prevents the saws sliding
motion by locking the carriage in place.
8. Lower Blade Guard - The blade guard helps protect
your hands from the blade in the raised position. To
avoid binding on the workpiece, it retracts as the
blade is lowered.
9. Miter Saw Switch Handle - The saw handle con-
tains the trigger switch with a lock-off button. The
blade is lowered into the workpiece by pushing down
on the handle. The saw will return to its upright posi-
tion when the handle is released.
10. Cover Plate Stop Screw - When this screw is loos-
ened. the cover plate is rotated to the rear. allowing
for blade removal/replacement.
18 Rear
Foot
Miter Lock Handle
5 Bevel Lock
Handle
11. Cover Plate - Holds the lower guard and is attached
to upper guard. Prevents the arbor screw from back-
ing out when properly attached with the 10-32 x 1/2"
cover plate stop screw.
12. Lock Off Button
13. OnlOff Trigger Switch - To prevent the trigger from
being accidentally engaged, a lock-off button is pro-
vided. To start the tool, press in the lock-off button
and squeeze the trigger. Release the trigger to stop
the miter saw.
14. Upper Blade Guard -Supports the motor handle,
switch, blade and lower guard.
15. Base - Supports table, holds accessories and allows
for work bench or leg set mounting.
16. Table - Sits in base, supports pivot and allows for at
least 45 ° miter left and right.
17. Combination Wrench - Used for 1/4" hex and Phil-
lips head screw adjustments.
18. Rear Foot - Can be adjusted to help better stabilize
the saw base.
19. Hold Down Clamp - Helps to hold workpiece to the
saw.
20. Arbor Lock - (Not shown) Allows user to keep blade
from rotating while tightening or loosening arbor
screw during blade replacement or removal. Make
sure arbor lock is disengaged before the saw is
turned on.

Assembly
WARNING: For your own safety, never connect
plug to power source outlet until all assembly
steps are complete, and you have read and under-
stood the safety and operational instructions.
Removing or Installing the Blade
WARNING: To avoid injury from a thrown work-
piece or thrown pieces of blade, do not use a blade
larger or smaller than 8-1/4" diameter.
WARNING: To avoid injury from unexpected start-
ing, unplug the saw whenever you are removing or
installing the blade.
1. Unplug the saw from the outlet. Cutting head is up.
2. Rotate lower guard out of the way. Loosen the cover
plate stop screw with the phillips end of the combina-
tion wrench. (Supplied)
3. Lift the lower guard up and tilt the lower guard
assembly back so the arbor screw is exposed.
4. Find the arbor lock between the guard and the miter
saw handle. Place the 1/4" Allen end of the combina-
tion wrench into the arbor screw.
5. Press the arbor lock and hold it in firmly while turning
the wrench clockwise. The arbor lock will engage
alter some turning of the wrench.
NOTE: The arbor lock can be damaged by improper use.
If the arbor lock will not hold, lower the blade down on to
a scrap piece of wood positioned against the fence. This
will serve as an alternate locking means.
6. Unscrew and remove the arbor screw, arbor washer,
outer blade collar, and the blade.
NOTE: Pay attention to pieces removed, noting their
position and direction they face (see illustration). Wipe
the blade collars clean of any sawdust before installing
the new blades.
CAUTION: To avoid cuts from extremely sharp I
teeth: Wear gloves when installing or removing I
sawblade.
7. Install the new 8-1/4" blade (see recommended
accessory list). Make sure the rotation arrow on the
blade matches the clockwise rotation arrow on the
upper guard.
8. Install the outer blade collar, blade washer and arbor
screw. Press the arbor lock and turn the arbor screw
counterclockwise to secure the blade. Tighten arbor
screw using moderate force.
9. Lower the lower blade guard until the slot in mount-
ing plate rests all the way down on the mounting
screw. Tighten the screw with the Phillips end of
combination wrench.
DANGER: Never use saw without mounting plate
securely in place. It keeps the arbor screw from
falling out if it accidentally loosens, and prevents
the spinning blade from coming off the machine.
Cover
Blade G.ua_late
Guard
Bearing
3over Plate
Stop Screw
/_Lower
Blade Guard
rLock
Arbor Screw
Arbor Washer
(
Combination
/_" Wrench
,iSupplied
8-1/4" Blade
__Inner Blade
Arbor Screw
Left Hand Thread
(Do Not
Remove)
t-Outer Blade Collar
10. Be sure the arbor lock is released so the blade turns
freely.
WARNING: Make sure the collars are clean and
properly arranged. After installing a new blade,
make sure the blade clears the table slot at the 0°
and 45° bevel positions. Lower the blade into the
table slot and check for any contact with the base
or turn table structure. If blade contacts table, seek
authorized Sears Service.
If blade contacts turn table, refer to "Alignment" section
for adjustment.
If blade bottoms out on turn table structure, refer to
"Alignment", Depth Stop section for adjustment.
10

Assembling Dust Elbow
1. Locate the dust elbow
2. Unplug power cord.
3. With the miter arm locked in the down position, start
the dust elbow onto the dust nozzle at an angle to
retaining lip.
4. Firmly press the dust elbow the rest of the way onto
the second retaining lip.
NOTE: At first time installation, or if assembled in a cool
or cold climate, the rubber is not as flexible and will be
more difficult to assemble.
Alignment (Adjustments)
WARNING: To avoid injury from unexpected start-
ing or electrical shock, do not plug the saw in. The
power cord must remain unplugged whenever you
are working on the saw.
WARNING: Cut material can be thrown. Eyes can be
permanently damaged, Wear your safety goggles.
Step One: Blade Square to Table (Bevel Align-
ment)
NOTE: The miter saw was assembled, aligned, and
inspected before shipment. Alignment should be checked
and any adjustments made to insure accurate cuts.
1. Check miter lock knob setting. The miter lock knob
should be at the 0° position. To reset the miter angle,
turn the miter lock knob counterclockwise and move to
0° miter and retighten.
2. Lower the blade and engage the lock pin. Use a com-
bination square to check blade squareness to table. If
the blade does not contact the full length of the square,
(see illustration) follow the alignment procedure.
a Loosen bevel lock knob.
b Grasping upper metal guard, move the cutting head
left or right until blade makes contact with the full
length of the square.
NOTE: If you cannot get to 0° bevel, the stop screw may
be in your way. Adjust it down (Ref.: Step d below) so
you may achieve 0° bevel.
c Tighten the bevel lock knob
d Loosen the 0° bevel stop screw jam nut using adjust-
able wrench. Adjust 0° bevel stop screw up so that
the hex screw head hits the 0° stop at the same time
the blade makes contact with the full length of
square. After adjustment is final. Retighten the 0°
bevel stop screw jam nut.
3. Adjust bevel scale indicator
With the blade square to the table and the 0° bevel
stop screw adjusted, if necessary loosen the bevel
indicator screw, using the Phillips end of the combina-
tion wrench. Slide the indicator under the Phillips head
screw to line up exactly with the 0° bevel mark on the
bevel scale. Retighten the indicator screw.
Dust Elbow
D°UzStzle
4. Loosen bevel lock knob and tilt the power head to 45°
bevel and check the 45 ° bevel stop. The bevel indica-
tor should be on the 45 ° mark, the 45 ° bevel stop
should be in full contact with the 45 ° bevel stop screw,
and the blade should contact the full length of the
square.
5, If adjustment is necessary, repeat steps 2a - 2d for the
45 c bevel stop screw.
11

Alignment (Adjustments) (continued)
Step Two: Blade Square to Fence (Miter Align-
ment)
WARNING: To avoid injury from unexpected start-
ing or electrical shock, do not plug the saw in. The
power cord must remain unplugged whenever you
are working on the saw.
1. To check blade squareness to fence, lock power head
guard in lower position with the lock pin. Use a combi-
nation square. Place the square against the fence and
next to the blade as illustrated. Locate the square
properly so it does not contact the set in the teeth of
sawblacle, giving an inaccurate reading. The sawblade
body should contact the full length of the square.
2. If blade contacts full length of square, no alignment is
necessary, skip a-c below. If blade is not square to the
fence, follow the alignment procedure.
a Loosen the four (4) fence lock bolts.
b Place a combination square against the sawblade
and adjust the fence until it is 90°to the blade.
c Tighten the four (4) fence lock bolts.
Adjust Miter Scale Indicator
1. Loosen the Phillips screw that holds the indicator in
place.
2. Reposition the indicator to align it with 0° mark, and
retighten screw.
Step Three: Bevel Pivot Adjustment
The slide compound miter saw should bevel by loosening
the bevel lock handle and tilting the power head to the
left. If movement is tight or if there is loosening in the
pivot follow the adjustment procedure,
1. Loosen the bevel lock handle.
2. Turn the hex lock nut with a wrench.
3. Recheck bevel movement of the miter saw. Readjust if
necessary
Step Four: Cutting Head Pivot Adjustment
The slide compound miter saw should rise completely to
the up position by itself. To check this, hold the power-
head down, make sure the lock pin is not engaged and
see if the saw will rise by itself. If the saw will not rise by
itself or if there is play in the pivot joints the following
adjustment is necessary.
1. If the saw does not rise by itself loosen the lock nut on
the pivot bolt.
2. If there is play in the joints slightly tighten the lock nut
on the pivot bolt.
3. Recheck the saw travel. Saw should rise freely to its
up travel stop. Check to see that the saw will rise from
all positions and there is no looseness in the pivot. If
saw still won't fully rise, have Sears Service check and
repair it.
WARNING: Do not start the miter saw without
checking for interference between the blade and
the turn table structure. Damage could result to the
blade if it strikes the turn table structure during
operation of the saw. Broken saw parts could hit
you or others.
Depth Stop
Jam Nuts
Pivot Bolt
and Nut
Bevel Lock Bevel Hex
Handle Lock Nut
WARNING: To keep the nut from working its way
off as you use the saw, at least one thread of the
pivot bolt must always stick out past the nut.
Always keep the nut at least that tight.
12

Step Five: Depth Stop
The depth stop limits the downward travel of the blade It
allows the blade to go below the work table enough to
maintain full cutting capacities, thereby cutting com-
pletely through the workpiece at the fence Properly
adjusted the depth stop positions the blade 1/4" below
the table.
WARNING: to avoid injury from unexpected start-
ing or electrical shock, do not plug the saw in. The
power cord must remain unplugged whenever you
are work ng on the saw.
This tool Asfactory set to provide maximum cutting capac-
ity for the 8-1/4" saw blade provided. When the diameter
of the blade has been reduced due to sharpening, it may
be necessary to adjust depth stop to provide maximum
cutting capacity. When a new blade is installed_ it is nec-
essary to check the clearance of the blade to the turn
table structure.
1. To adjust the depth stop loosen the two (2) jam nuts on
the end of the depth stop bolt.
2. Loosen the stop knob at the top of the arm
3. The sawblade is lowered by turning the depth stop bolt
counterclockwise and raised by turning the bolt clock-
wise
4. Lower the blade into the slot of the turn table. Check
i
blade clearance and maximum cutting distance (dis-
tance from fence where blade enters) to front of work
table slot. Readjust if necessary.
WARNING: Do not start the miter saw without
checking for interference between the blade and
the turn table structure. Damage could result to the
blade if it strikes the turn table structure during
operation of the saw.
WARNING: Failure to tighten the jam nut could let
the depth stop slip and let the blade strike the saw
table. Broken saw parts could hit you or others.
5 Tighten the large stop knob at the top of arm.
6 Tighten the two (2) nuts on the end of the depth stop
bolt against the depth stop.
Step Six: Rear Foot Adjustment
The rear foot can be adjusted to better stabilize the base.
When the saw is placed on a work place surface, the foot
can be adjusted using the following adjustment.
1. Place the saw on a secure, stationary work surface.
2. Using the Phillips end of combination wrench, loosen
the adjustment screw
3. Pull foot out until it makes contact with the work su[-
face
NOTE: Foot is mounted at a downward slanting angle
so it will self adjust as it is pulled out
4. Tighten adjustment screw.
Adjustment
Screw
13

Mounting The Miter Saw
WARNING: To avoid injury from unexpected saw
movement:
a. Before moving the saw, lock the miter lock
knob and lock the power head in the lower
position using the lock pin. Unplug electric
cord.
b. To avoid back injury, get help when you need
to lift the saw more than 10 inches. Hold the
tool close to your body when lifting. Bend your
knees so you can lift with your legs, not you r
back. Lift by using the hand-hold areas at each
side of the bottom of the base.
c. Never carry the miter saw by the power cord or
the trigger handle. Carrying the tool by the
power cord could cause damage to the insula-
tion or the wire connections resulting in elec-
tric shock or fire.
d. Place the saw so other people cannot stand
behind it. Thrown debris could injure people in
its path.
e. Place the saw on a firm, level surface where
there is plenty of room for handling and prop-
erly supporting the workpiece.
f. Support the saw so the table is level and the
saw does not rock.
g. Bolt or clamp the saw to its support.
Place the saw in the desired location. The base of the
saw has nine holes to mount the miter saw labeled A thru
J. Four smaller holes for "drywall" screws are labeled F,
G, H and J. Five holes for 5/16" bolts are labeled A, B, C,
Dand E (see illustration). If the saw is to be used in one
location, fasten it to the work bench.
NOTE: When mounted on a large flat surface, the miter saw
table is 3-1/2" high. A finished 4 x 4 or a supported 2 x 4 on
edge can be used as work support extension.
D H C\
G
J
E
14

Mounting The Miter Saw (continued)
Portable Applications
Plywood mount helps protect saw from damage during
the rough handling associated with portable miter saw
usage.
To mount the saw to a 3/4" piece of plywood, use the
three, 5/16 bolt holes A, B and C or` the four 5/16 bolt
holes A, B, D and E or the four drywall screw holes. The
mounting board can then be clamped down to prevent it
from tipping.
Work Bench Applications
Mount as specified in portable applications. Check for
workpiece clearances to left and right of saw.
Leg Set Applications
To mount saws to below mentioned leg set, use three
holes marked A, B, and C. Attach with hardware shown,
through legset holes indicated by "°" (below).
I
,,_8___$_o
o
o
o
o
0
©
0
oO
_k_kStiffener_Side
l C Oo o
O
O
o
O
O
O
©
o [---) o
' Stiffenei_E_nd
Catalog No. 9-22246 Leg Set
Legset Mounting Holes for Miter Saw
Attach miter saw to holes/slots that are blackened in "°"
Recommended mounting hardware (not included)Qty
5/16-18 x 1-1/2 hex head bolts (front) .......................... 3
5/16 Iockwashers ......................................................... 3
5/16 he× nuts ................................................................ 3
15

Safety Instructions for Basic Saw Operations
Before Each Use
Inspect your saw.
Disconnect The Miter Saw. To avoid injury from acci-
dental starting, unplug the saw, before changing the
setup, changing the blade or adjusting anything.
Compare the direction of rotation arrow on the guard to
the direction arrow on blade. The blade teeth should
always point downward at the front of the saw.
Tighten the arbor screw.
Tighten the cover plate stop screw.
Check Damaged Parts. Check for:
• Proper alignment of moving pads,
• Damaged electric cords,
• Binding of moving pads,
• Broken parts,
• Stable mounting
• Function of arm return spring and lower guard: Push
the arm all the way down, then let it rise up until it
stops by itself. Check the lower guard to see if it closed
fully. If it did not. follow the instructions in the "Trouble
Shooting" section.
• Smooth, solid movement of sliding assmbly.
• Other conditions that may affect the way the miter saw
works.
If any part of this miter saw if missing, bent, or broken in
any way, or any electrical parts don't work, turn the saw
off and unplug it Replace damaged, missing, or failed
parts before using the saw again.
Keep Guards In Place, in working order, and in proper
adjustment.
Maintain Tools With Care. Keep the miter saw clean for
best and safest performance. Follow instructions for lubri-
caring DON'T put lubricants on the blade while its spin-
ning,
Remove Adjusting Keys And Wrenches from tool
before turning it on
To avoid injury from jams, slips or thrown pieces:
• Use Only Recommended Accessories. (See
"Accessory" section within.) Consult this Owner's man-
ual for recommended accessories. Follow the instruc-
tions that come with the accessories, The use of
improper accessories may cause risk of injury to per-
sons.
• Choose the right 8-1/4 inch diameter blade for the
material and the type of cutting you plan to do.
• Make sure the blade is sharp, undamaged and prop-
erly aligned. With the saw unplugged, push lhe power-
head all the way down. Hand spin the blade and check
for clearance. Tilt the power-head to 45 degree bevel
and repeal the check. If the blade hits anything, make
the adjustments shown in the Maintaining Maximum
Cutting Capacity section.
• Make sure the blade and arbor collars are clean
• Make sure the collars' recessed sides are facing the
blade,
• Using 1/4" hex end of combination wrench (supplied)
or !/2-inch box end wrench, make sure the arbor
screw is firmly hand lightened.
• Make sure all clamps and locks are tight and there is
no excessive play in any parts.
Keep work area clean. Clullered areas and benches
invite accidents. Floor musl not be slippery
To avoid burns or other fire damage, never use the miter
saw near flammable liquids, vapors or gases.
Plan Ahead To Protect Your Eyes, Hands, Face
Know your miter saw. Read and understand the
owner's manual and labels affixed to the tool, Learn its
application and limitations as well as the specific poten
lial hazards peculiar to this tool.
To avoid injury from accidental contact with moving parts,
don't do layout, assembly, or setup work on the miter saw
while any parts are moving.
Avoid Accidental Starting. Make sure switch is "OFF"
before plugging miter saw into a power outlet.
Plan your work.
Use The Right Tool. Don't force tool or attachment to do
a job it was not designed to do. Use a different tool for
any workpiece that can't be held in a solidly braced, fixed
)osition.
and Ears
Dress for safety.
Any power miter saw can throw foreign objects into the
eyes. This can result in permanent eye damage. Wear
safety goggles (not glasses) that comply with ANSI Z87.1
(shown on package), Everyday eyeglasses have only
impact resistant lenses They are not safety glasses
Safety goggles are available at Sears retail stores
Glasses or goggles not in compliance with ANSI Z87.1
could seriously hurt you when they break.
WEAFI YOUR
CAUTION: Because of the sliding action of this
saw, this machine is not designed for cutting met-
als. Use this miter saw to cut only wood, and wood
like products. Other materials may shatter, bind on
the blade, start fires or create other dangers.
•Do not wear loose clothing, gloves, neckties or jewelry
(rings, wrist watches) They can get caught and draw
you into moving pads.
*Wear nonslip footwear.
- Tie back long hair.
16

• Rolllongsleevesabovetheelbow.
•Noise levels vary widely. To avoid possible hearing
damage, wear ear plugs or muffs when using miter
saw for hours at a time.
• For dusty operations, wear a dust mask along with
safety goggles.
Inspect your workpiece.
•Make sure there are no nails or foreign objects in the
part of the workpiece to be cut.
Plan your work to avoid thrown pieces, when the
w0rkpiece binds on the blade and is torn from your
hands.
Plan how you will make the cut. Always:
• Make sure the blade is not spinning.
• Raise the blade.
• Slide the saw out above the lronl edge of the work-
piece before starting saw, and
• Push the sawblade down on top of the wood and back
toward the rear of the saw to make the cut.
IDANGER: NEVER pull the saw toward you during a
cut. The blade can suddenly climb up on top of the
workpiece and force itself toward you.
Plan how you will hold the workpiece from start to
finish:
• Avoid awkward operations and hand positions where a
sudden slip could cause fingers or hand to move into
the blade.
• Don't Overreach. Keep good footing and balance.
• Keep your face and body to one side of sawblade, out
of line wilh a possible throwback.
• Never cut Freehand:
- Brace your workpiece solidly against the fence and
table top so it will not rock or twist during the cut.
- Make sure there's no debris between the workpiece
and its supports.
- Make sure no gaps between the workpiece, fence
and table will let the workpiece shift after it is cut in
two.
• Cut only one workpiece at a time.
•Keep the cut off piece free to move sideways after it's
cut off. Otherwise, it could get wedged against the
blade and thrown violently
• Clear everything except the workpiece and related
support devises off the table before turning the miter
saw on.
•Secure Work. Use clamps or a vise to help hold the
work when it's practical.
Use extra caution with large, very small or awkward
workpieces:
° Use extra supports (tables, saw horses, blocks, etc.)
for any workpieces large enough to tip when not held
down to the table top.
• Never use another person as a substitute for a table
extension, or as additional support for a workpiece that
is longer or wider than the basic miter saw table or to
help feed, support or pull the work'piece.
• Do not use this saw to cut pieces too small to let you
easily hold the work while you keep the thumb side of
your index (pointer) finger against the outside edge of
the fence.
• When cutting irregularly shaped workpieces, plan your
work so it will not slip and pinch the blade and be tom
from your hands. A piece of molding, for example,
must lie flat or be he!d by a fixture or jig that will not let
it twist, rock or slip while being cut.
• Properly support round material such as dowel rods, or
tubing. They have a tendency to roll while being cut,
causing the blade to "bite." To avoid this, always use a
fixture designed to properly hold your workpiece.
Whenever Saw Is Running
WARNING: Don't allow familiarity (gained from fre-
quent use of your miter saw) cause a careless mis-
take. A careless fraction of a second is enough to
cause a severe injury.
Before starting your cut, watch the miter saw while it
runs. If it makes an unfamiliar noise or vibrates a lot, stop
immediately. Turn the saw off. Unplug the saw. Do not
restart until finding and correcting the problem.
Keep Children Away, Keep all visitors a safe distance
from the miter saw. Make sure bystanders are clear of
the miter saw and workpiece.
Never confine the piece being cut off. Never hold it,
clamp it, touch it, or use length stops against it while the
blade is spinning. It must be free to move sideways on its
own. If confined, it could get wedged against the blade
and be thrown violently.
Let the blade reach full speed before cutting. This will
help avoid thrown workpieces.
Don't Force Tool. It will do the job better and safer at its
designed rate. Feed the saw into the workpiece only fast
enough to let the blade cut without bogging down or binding.
Before freeing jammed material:
• Turn miter saw "OFF" by releasing trigger switch.
• Wait for all moving parts to stop.
• Unplug the miter saw.
After finishing acut:
• Keep holding the power head down.
• Release the switch, keeping the powerhead down and
wait for all moving parts to stop before moving your
hands.
• If blade doesn't stop within 6 seconds, unplug the saw
and follow the instructions in the Trouble Shooting sec-
tion for fixing the blade brake before using the saw
again.
I
17

Safety Instructions for Basic Saw Operations (continued)-----
Before Leaving The Saw:
Never Leave Tool Running Unattended. Turn power
off. Wait for all moving parts to stop.
Basic Saw Operations
Making Common Slide Compound Cuts
There are two types of cuts that can be made with the
slide compound miter saw;
1. Chop Cutting
a. The carriage lock knob is tightened and the saw
handle is pushed down to cut through the work-
piece.
b. This type of cut is used mainly for narrow pieces.
2. Slide Cutting
a. The carriage lock knob is left loose, the cutting head
is pulled towards the operator, the sawblade is low-
ered into the workpiece and then pushed to the rear
of the saw to complete the cut.
b. Used for cutting wide pieces.
Make Workshop Child-proof, Lock the shop. Discon-
nect master switches. Store tool away from children and
others not qualified to use the tool.
WARNING: For your convenient use, your saw has
a blade brake. The brake is not asafety device.
Never rely on it to replace proper use of the guard
on your saw. If the blade does not stop within 6
seconds, unplug the saw and follow the instruc-
tions in the Trouble Shooting section for fixing the
brake before using saw again.
WARNING: Do not try to cut short pieces. You can-
not properly support the workpiece and keep your
hold down hand the required distance from the
blade.
Chop Cutting
90° Crosscut
1. Slide the cutting head to the rear as far as it will go.
2. Lock carriage lock knob.
3. Position workpiece on table and against fence.
4. Turn on saw and lower blade into workpiece.
5. After cut is complete turn off saw, allow blade to stop
rotating before allowing cutting head to rise up.
I
18

Slide Cutting
Plan your work to avoid the spinning blade and keep
the workpiece from binding on the blade and flying
out of your hands.
DANGER: Never pull the saw toward you during a
cut. The blade can suddenly climb up on top of the
workpiece and force itself toward you.
DANGER: Never lower the saw completely in front
of the workpiece and then cut only on the forward
push. The upward moving rear portion of the blade
could twist the workpiece from your grasp.
Workpieces up to 12" wide and 2-1/2" thick can be cut fol-
lowing the directions below:
1. Put wood against fence.
2. Loosen the carriage lock knob.
3. Grasp the saw handle and pull the carriage until the
arbor (center of sawblade) is over the front edge of the
workpiece.
4. Switch on the saw and allow to come to full speed.
5. Push the saw handle all the way down and cut through
the leading edge of the workpiece.
6. Gently push the saw handle towards the fence com-
pleting the cut.
7. Push power head to full rear position after each cut.
8. Turn motor off and allow blade to come to a complete
stop before moving hands.
9. Allow culling head to rise up by itself.
Push Down
Slide Back
I
/
Body and Hand Position
Proper positioning of your body and hands when operat-
ing the miter saw will make cutting easier and safer.
Never place hands near cutting area. Place hand so that
all pads are at least 4 '_from path of blade. Hold work-
piece firmly to the fence and table to prevent movement
toward the blade. Keep hands in position until trigger
has been released and the blade has completely
stopped. Before making a cut, make a "dry run" with the
power off so you can see the path of the blade.
19

Basic Saw Operations (continued)
Miter Cut
When a miter cut is required, move the saw to the
desired angle. Move with the handle to the miter angle to
make the cut.
There are settings on the miter scale for angles
(degrees), crown molding and rafter slope(s).
NOTE: Remember to loosen the miter lock handle before
changing the miter angle.
f
/
/
/
/
\Y
Move Feet
with
Miter Angle
Bevel Cut
When a bevel cut is required. Loosen bevel lock knob.
Tilt the blade to desired bevel angle. Lock the bevel lock
knob. Stand to the left side of the handle to make the cut.
2O

Compound Cut
When a compound cut is required, select the desired
bevel and miter positions. Move with the handle to the
miter angle to make the cut.
Crown molding settings are specially marked on miter
and bevel scales.
Cutting Bowed Material
Before cutting a workpiece, check to make sure it is not
bowed. If it is bowed the workpiece must be positioned
and cut as illustrated.
WARNING: Do not position workpiece incorrectly
or try to cut the workpiece without the support of
the fence. This will cause pinching of the work-
piece on, the blade. The workpiece could suddenly
j_Jmpor move and your hand could hit the blade.
Correct
Incorrect
Hold Down Clamp Installation
The hold down clamp is used to help hold the workpiece
in the correct cutting position. It may be used on eilher
the left side of the miter saw or the fight side. Before turn-
ing the saw on make sure the hold down clamp does not
interfere with the culling action of the saw.
1. Insert grooved end of clamp support shaft into boss in
rear of fence. Tighten pan head screw so it bottoms in
the shaft groove.
2. Slip clamp casting over clamp support shaft and
tighten wing screw onto shaft at the aesired location
Clamp
Casting
Clamp
Support
aft
Groove
21

Basic Saw Operations (continued)
Hold Down Clamp Usage
WARNING: Avoid thrown workpieces. Avoid bind-
ing the work against the blade:
-Always hold or clamp your work down to the
saw.
-Do not hold or clamp the workpiece on both
sides of the blade. The blade can throw a cut off
piece if you confine the workpiece on both sides
of the blade.
- Read and follow the instructions in the remainder
of your saw's owners manual.
- This accessory was designed to make your miter
saw operations more convenient. Read and
understand these instructions completely before
use.
-Always perform dry runs. Make sure the saw is
unplugged. Completely set up your saw. Pull the
blade and power head through the full range of
motion to check for interference. The clamp can
be used in a left or right configuration. Make sure
that your blade, saw guard or motor does not
interfere with the clamp. Correct any interference
before use.
-Always tighten the clamp so that the workpiece
is secured between the clamp and fence, support
or base. No visible gap should be present
between saw and wood.
NOTE: The clamp can be used only in a vertical position.
1. Place material to be cut on table of miter saw. Secure
workpiece to the fence and table by turning knob to
tighten clamp. Do not overtighten the clamp. It should
just lightly hold the wood against the lence and table.
Workpiece
be cut off
2. Perform a dry run with the saw unplugged.: After you
believe that the saw is completely set up, pull the
power head down as il you were making an actual cut.
Check for interferences and for potentially dangerous
situations. Adjust the set up so that a safe operation
can be completed.
3. Complete the cut as instructed in the remainder of you
miter saw owners manual.
IMPORTANT: To help perform the safest and most pre-
cise miter saw cut. make the cut and then release the
power switch. Hold the power head down and keep your
hands in place until the blade stops rolating. Then raise
the power head and remove workpiece from work table.
Workpiece Support
Long pieces need extra supports. The supports should
be placed along the workpiece so the workpiece does not
sag and your hand holding the workpiece is positioned 4"
or more from the blade path. The support should let the
workpiece lay flat on the base and work table during the
cutting operation.
NOTE: When mounted on a large flat sudace, the miter
saw table is 3 1/2" high. A finished 4x4 or a supported
2x4 on edge can be used as work support extension.
22

Rough Cutting A Dado
By using the depth adjustment knob it is possible to
rough cut a dado as shown. After the two outside cuts
have been completed the inside material (represented
by slanted lines) is removed with a chisel.
1. Set the depth of cut by loosening the stop knob on the
depth adjustment bolt. Do not change the position of
the two (2) jam nuts on the end of the bolt.
2. Turn the depth adjustment bolt to the correct setting.
3. Tighten the stop knob,
4. Cut the two outside grooves.
5. Use a wood chisel to remove the material between the
outside grooves.
NOTE: Because of the sawblades cutting arc material at
the beginning or end of the cut(s) may have to be
removed with a chisel.
Cut These Grooves
With Saw
Use a Chisel to
Cutout the Middle Workpiece
Helpful Hints When Cutting Compound
Miters
Tips for Cutting Compound Miters on Picture Frames
and Boxes
A compound miter is a cut usually requiring .both a miter
setting and bevel setting. A compound miter is used for
making frames or boxes that have sloping sides and are
wide at one end and narrow at the opposite end. Com-
pound miters are "tricky" to make because the miter set-
ling and bevel setting are directly related to each other.
Every time the miter setting is changed the bevel setting
must also be adjusted; likewise every adjustment to
bevel requires a corresponding adjustment to miter.
Because it may take several tries to obtain the desired
angle, it is advisable to make test cuts on a scrap piece
of material,
Tips for Cutting Moldings
A compound miter saw is also excellent for cutting mold-
ing. Molding is sometimes difficult because in order to fit
correctly it must be precisely cut.
Compound Cut Box
Cutting Base Moldings
Base moldings and many other moldings can be cut on a
miter saw. The set up of the saw depends on your mold-
ing and your application as shown. Always make sure
moldings rest firmly against fence and table.
Miter Saw Table ]
F
e
n
ci
ei i
i
i
i
i
i
i
i
iMiter Saw Table
Cutting Base Molding
(Miter at 45°, Bevel at 0°) (Miter at 0°, Bevel at 45 °)
23

Basic Saw Operations (continued)
Cutting Crown Moldings
Plan Ahead so that you are not tempted to reach across
_aw blade to steady newly severed workpiece.
Crown Moldings can be cut using two methods, work-
piece standing up (as it would be mounted on wall) and
workpiece lying flat on table (see chart and illustration).
Most Standard (U.S.) crown molding has a top rear angle
(angle that fits next to ceiling) of 52° and a bottom rear
angle (angle that fits against wall) of 38 ° .
1. Workpiece standing up, usually cut inverted from
ceiling mounted orientation. Fixturing: Optional fence
mounted crown molding jigs which locate workpiece.
See recommended accessories. (Table clamp is help-
ful). Hand is holding workpiece to fence when the cuts
are made. All cuts are made at 0° bevel setting and
45 ° miter (see illustration).
NOTE: The slide mechanism and the blade diameter of
the 8-1/4 slide compound miter saw limit the capacity of
cutting a particular application. Always perform a dry run
cut so you can determine if the operation being
attempted is possible before power is applied to the saw.
Larger pieces may be cut using method 2.
2. Workpiece lying flat for compound cut (see chart and
illustration).
Miter and Bevel Settings for Standard Crown Molding
Lying Flat on Miter Saw Table.
Bevel Miter
Setting Setting Type Of Cut
Left Side, Inside Corner
33.8 ° 31.6 ° 1. Position top molding against
Right fence.
2. Left side is finished piece.
Right Side, Inside Corner
33.8° 31.6 ° 1. Position bottom of molding
Left against fence.
2. Left side is finished piece.
Left Side, Outside Comer
33.8 ° 31.6 ° 1. Position bottom of molding
Left against fence.
2. Right side is finished piece.
Right Side, Outside Comer
33.8 ° 31.6 ° 1. Position top of molding
Right against fence.
2. Right side is finished piece.
NOTE: On all above cuts lay molding with broad back
surface flat on table.
Pretesting Compound Settings On Scrap Material Is
Extremely Important!
NOTE: The above angles assume that the constructed
wall corner is exactly 90 °. In typical construction, this is
not always the case. Measure wall and make necessary
adjustments to cutting angles.
Inside
Corner
Outside
Corner
Compound Cut Crown Moldings
F
e
c
e
Miter Saw Table I
1. Workpiece Standing Up
(Saw at 0° Bevel, 45 ° Miter)
pl
el
nl
C l
el
2. Workpiece Lying Flat
(See Chart for Bevel and Miter Settings)
24

Maintenance and Lubrication
Maintenance
DANGER: Never put lubricants on the blade while
it is spinning.
WARNING: To avoid injury from unexpected start-
ing or electrical shock, unplug the power cord
before working on the saw.
WARNING: For your safety, this saw is double
insulated. To avoid electrical shock, fire or injury,
use only parts identical to those identified in the
parts list. Reassemble exactly as original assem-
bly to avoid electrical shock.
Replacing Carbon Brushes
The carbon brushes furnished will last approximately 50
hours of running time or 10,000 on/off cycles. Replace
both carbon brushes when either has less than 1/4"
length of carbon remaining. To inspect or replace
brushes, first unplug the saw. Then remove the black
plastic cap on the side of the motor (caution, this cap is
spring loaded by the brush assembly). Then pull out the
brush. Repeat for the other side. To reassemble reverse
the procedure. The ears on the metal end of the brush
assembly go in the same hole the carbon part fits into.
Tighten the cap snugly but do not overtighten.
NOTE: To reinstall the same brushes, first make sure the
brushes go back in the way they came out. This will avoid
a break-in period that reduces motor performance and
increases wear.
Lower Blade Guard
Do not use the saw without the lower guard. The lower
blade guard is attached to the saw for your protection.
Should the lower guard become damaged, do not use the
saw until damaged guard has been replaced. Develop a
regular check to make sure the lower guard is working
properly. Clean the lower guard of any dust or build up
with a damp cloth.
CAUTION: Do not use solvents onthe guard. They ]
could make the plastic "cloudy" and brittle. I
WARNING: When cleaning lower guard unplug the I
saw from the outlet to avoid unexpected start-up. I
Sawdust
Periodically, sawdust will accumulate under the work
table and base. This could cause difficulty in the move-
ment of the work table when setting up a miter cut. Fre-
quently blow out or vacuum up the sawdust.
WARNING: If blowing sawdust, wear proper eye
protection to keep debris from blowing into eyes.
Lubrication
All the motor bearings in this tool are lubricated with a
sufficient amount of high grade lubricant for the life of the
unit under normal operating conditions, therefore, no fur-
ther lubrication is required (see below).
Infrequent Lubrication as Required:
Slide tubes: Squirt automotive type oil directly on tubes. It
will be picked up and dispersed by built-in felt wicks.
Chop pivot: Apply spray lubricant to main torsion
spring. Light machine oil or aerosol will penetrate from
ends and junction points. Qualilied service technician can
remove pivot upstop to relieve spring tension, and 2 met-
ric set screws holding shaft in order to drive shaft about
3/4" right. Exposed surfaces are lubricated with automo-
tive type oil.
Central pivot of plastic guard: Use light household oil
(sewing machine oil) on metal-to-metal or metal-to-plas-
tic guard contact areas as required for smooth, quiet
operation. Avoid excess oil, to which sawdust will cling.
Bevel Lock Handle: Unscrew handle assembly and
grease the threads.
Link: (Which actuates lower guard movement) may be
oiled at rear pivot, greased at ball-bearing contact, and
oiled where link actuates acetal roller of lower guard
if down chop motion is hard to start.
25

Sears Recommends the Following Accessories
Recommended Accessories
WARNING: To avoid injury from unsafe accesso- I
ries, use only accessories shown on the recom- I
mended accessories list in this manual.
Leg Set ................................................................ 9-22246
Dust bag .............................................................. 9-23467
Clamp Accessory ................................................. 9-29000
Extension Accessory ........................................... 9-29001
Crown Molding Accessory ................................... 9-29002
Sawdust Collection Hose ..................................... 9-17866
Basic Blade Requirements
8-1/4" Diameter
Blades marked !or 5,500 RPM or higher.
5/8" Arbor Hole
Recommended for Miter Saws
Carbide Tipped Sawblades
WARNING: Read warnings and conditions on your
carbide sawblade.
Do not operate saw without proper sawblade
guard in place. Carbide is a very hard but brittle
material. Care should be taken while mounting,
using and storing carbide blades to prevent acci-
dental damage. Slight shocks, such as striking tip
during handling, can seriously damage the blade.
Foreign objects in the workpiece, such as wire or
nails can also cause tips to crack or break off.
Never use blade on saw that will exceed maximum
recommended blade R.P.M. Always wear proper
eye protection which complies with current ANSI
standard Z87.1 when using any power tool. Before
using, always: visually examine blade and tips for
bent blade, cracks, breakage, missing or loose
tips; or other damage. Do not use if damage is sus-
pected. Mount blade securely in proper rotation
direction. Failure to heed all safety instructions
and warnings regarding use of this product can
result in serious bodily injury.
Prohibited Accessories
WARNING: The use of any cutting tool except 8-1!4"
saw blades which meet the requirement under rec-
ommended accessories is prohibited. Do not use
accessories such as shaper cutters or dado sets.
Metal cutting and the use of abrasive wheels is pro-
hibited.
|
26

Troubleshooting Guide
Motor
Probable Cause Suggested Corrective Action
problem
Brake does not stop
blade within 6 seconds 1. Brushes not seated or
lightly sticking
2. Motor brake winding
overheated from use of
prohibited blade/acces-
sory or rapid on/off
cycling
3. Arbor screw loose
4. Other
- Inspect/clean/replace brushes. See "Maintenance"
section
- Use only recommended blades/accessories
- Let motor cool down
- Retighten
- Get authorized Sears service. See "Troubleshooting
of brake" section
Motor does not start 1. Fuse - 15 amp time delay fuse, or circuit breaker
2. Brushes worn - See "Maintenance" seclion
3. Other - Get authorized Sears service
Brush sparking when 1. Normal - automatic brake - None
switch released working properly
General
Problem Probable Cause
Blade hits table 1. Adjustment of deplh stop
Angle of cut not accurate 1. Misalignment
Can't adjust miter angles 1. Center bolt too tight
2. Lubrication dried up
Power head wobbles 1. Loose pivot points
Power head won't fully
rise or blade guard won't
fully close
Blade binds, jams, burns
wood
Rough cuts
Tool vibrates or shakes
1. Lubrication needed
2. Part failure
3. Pivot spring or guard
spring not replaced prop-
erly after service
4. Sawdust sticking to slops
1. Improper operation
2. Dull blade
3. Improper blade
4. Warped blade
1. Sawblade not round
2. Sawblade damaged
3. Sawblade loose
4. Other
Suggested Corrective Action
- See "Alignment" section
- See "Alignment" section
- Adjust
- Clean and relubricate between table and base, see
"Maintenance" section
- Wear Eye Protection
- See Bevel Pivot Adjustment in "Alignment" section
- See "Lubrication" section
- Get authorized Sears Service
- Get authorized Sears Service
- Inspect/clean stops
- See "Basic Saw Operation" section
- Replace or sharpen blade
- Replace with 8 1/4" diameter blade designed for
the material being cut
- Replace blade
- Replace blade
- Replace blade
- Tighten arbor screw
- Get authorized Sears Service
Power head hard to pull/ 1. Lube needed See "Lubrication" section
push down
27

Wiring Diagram
WARNING: For your safety, this saw is double
insulated. To avoid electrical shock, fire or injury,
use only parts identical to those identified in the
parts list. Reassemble exactly as original assem-
bly to avoid electrical shock.
|
Polarized
(iide) Blade
_41_ fp-
(White) Field Lead. _L._T__
(Gray) Brake Lead
N.O.
Yellow
Lock Off Button
Locator
(Red) Field Lead
White
/'i
Black
Trouble Shooting Of Brake By Qualified
Service Person Only.
1. Check commutation at no load If there is aheavy
sparking which follows the curvature of the commuta
tor: replace the armature.
2. To continue trouble shooting, now unplug the power
cord.
3. Install service brushes, especially if delayed come-in of
brake has been noticed before failure.
4. Check brake circuit for continuity: remove brush caps
and brushes. Use ohmmeter to check continuity from
brass brush holder to brush holder. If open, locate
exact place using ohmmeter. As indicated by test,
tighten connection or replace field assembly or replace
switch.
5. After repair, check direction of blade rotation vs. guard
arrow.
28

Notes
29

Repair Parts
Parts List For Craftsman 8-1/4" Slide Compound Miter Saw
Model No. 113.234940
Figure 1
I
Figure 2)
9
10
1 2 3
\ \
6 5
12
j_
13 14
/
4 (See Figure 3)
29 22
15
17
25
3O

Repair Parts
Parts List For Craftsman 8-1/4" Slide Compound Miter Saw
Model No. 113.234940
Figure 1
Always order by part number- not by key number
Key Part No. Description
No.
1 819179
2 805561-4
3 818656
4--
5 820628
6 820627
7 820646
8 813249-156
9 STD835025
10 STD840812
11 STD833030
12 820647
13 820623
14 821389-1
15 824207
16 823299
17 820641
18 824208
19 820643
20 820642
21 813313
22 824221
23 818677
Washer, Spring
_lLWasher, .505 x 13/16 x 1/32
Nut, Lock M12 x 1.75
See Figure 3
Spring, Tension
Spacer, Tubular Support
Shall, Bevel
Pin, Roll 6 x 30
* Screw. Hex M8 x 1.25-25
* Nut, M8 x 1.25
* Screw, hex M8 x 125-32
_IL Bolt. Shoulder
Indicator, Bevel
Screw, Pan M5 x 0.8-10
Table
Knob, Muter Lock
Rod
Indicator, Miler
Shoe, Spring
Guide, Rod
Screw, Pan M5 x 0.8-8
Shoe Nylon
Ball, Index
Key
No. Part No. Description
24
25
26
27
28
29
30
31
32
33
34
35
36
37
38
39
4O
41
42
43
44
820649
824322
823335
823492
820638
817694-1
820624
818470-1
824219
808277-9
820732
!41594-17
820706
820626
STD851010
STD852010
820717
820714
820715
820716
SP6005
Spring, Detent
Base w/Scale
Grommet Wrench
Wrench Hex 1/4
Extension
Screw, Pan Cross M6 x 1-15
Fence (Includes Key #33)
Screw, Flat Hd. M5 x 0.8-10
Guard, Fence Danger
Screw Pan Hd 10-32 x 5/8
Washer, Flat M8.5 x 16 x 1.2
Screw, Soc. Cap 5/16-18 x 1
Clamp Work
Shaft
* Washer, Flat MI0 x 19 x 1.8
* Lockwasher, Split-Ring M10
Bolt, Special M10 x 1.5
Handle, Lock
Spring, Compression
Screw, Socket 3ram
See Figure 2
Owners Manual (Not Illustrated)
* Standard hardware item - may be purchased locally
I_. WARNING: These items are important to the of this tool. Do not substitute parts.I
safety common I
3t

Repair Parts
Parts List For Craftsman 8-1/4" Slide Compound Miter Saw
Model No. 113.234940
Figure 2 -Arm Assembly
Ii
23 21
22
21
2oj J
32

Repair Parts
Parts List For Craftsman 8-1/4" Slide Compound Miter Saw
Model No. 113,234940
Figure 2
Always order by Part Number - Not by Key Number
Key I
No. [
1
2
3
4
5
6
7
8
9
lO
11
12
Part No. Description
824213
820989
824212
STD840812
818471-7
820664
820663
820665
813313
820236-8
824214
820655
Plug Brass
Spring, Compression
Knob M8 x 1.25-15
Nut, M8 x 1.25
Screw. Set M8 x 1.25-16
Block, Sliding
Washer, Felt 26 x 40 x 4
Plate, Retaining
Screw, Pan Cross M5 x 0.8-8
Nut, Jam M10 x 1.5
Knob M10
Screw, Soc Hd. MIO x 1.5-65
* Standard hardware item - may be purchased locally.
Key Part No. Description
No.
13
14
15
16
17
18
19
20
21
22
23
820652
820653
820654
813249-82
820629
820651
820667
824210
813249-158
813313-1
820633
Pin-Latch
Spring Latch
Knob, Latch
Pin. Roll 3 x 20
Screw, Stop
Pivot, Support (Includes Key
No. 21)
Bumper, Rubber
Pivot w/Scale and Linear Bearings
Pin, Roll 6 x 40
Screw. Pan M6 x 0.8-10
Clamp, Cord
33

27
26
25
28
33
32
40 4
35 36
21 22 23 24 30 31
20 19
37
\
2
/
38
17
12
4 5
//
11 lO
14 13
/
8
7
r-
m,
"11
0
o3
I0
0
€
Q.
i,

¢,a
Repair Parts
o
2 818471-3
3 820704
4 816668
5 816755-2
6 820698
820699
46-57509-3
82O693
820696
820697
2 820632-1
1 508203
4 818786
1 820705
6 STD840407
1 818671
18 825615
t9 807759
20 823351
21 820724
22 820732-1
23 82O725
Parts List For Craftsman 8-1/4" Slide Compound Miter Saw Model No. 113.234940
Figure 3
Always order by part number - Not by key number
Description
Elbow, Dust
_l'k Screw, Set M6x 1.0-16
,_, Cord w/Plug Guard
Cushion
Screw, Pan M5 x 0.8-15
ZIL Brush
Cap, Brush
* Screw, Pan M4 x 0.7-26
Motor & Arm Assembly
Lock. Arbor
Spring, Arbor Lock
Retaining Ring E5
Switch (Includes Key No. 14)
Button, Lock
Handle, LH.
* Nut Hex M4 x 0.7
Blade Collar
Blade, 8-1/4 40 Tooth
_IL Blade. Washer (Includes Key No. 17 & 20)
_1, Screw, Hex L.H. M8 x 1.25-20
,_. Screw, Shoulder M5 x 0.8 (Includes Key No. 37)
_. Washer 7.5 x 16 x 0.6mm
_, Spacer 7 x 10 x 4 (Includes Key No. 37)
I<'v..e_ Part No. Description
No.
24 820729
25 821875-2
26 821063-1
27 820238-5
28 817449-1
29 820732-2
30 821873
31 STD551010
32 820726
33 820727
34 816677
35 821878
36 821859
37 STD511105
38 60012
39 821875-1
40 824215
41 820238-2
42 817357-1
43 818670
44 813315-2
45 STD852008
46 820736
Link (Includes Key No. 37)
Screw, Shoulder M6
Washer M8 x 16 x 0.5
Washer 6.5 x 13 x 0.8mm
Nut, Lock M6 x 1.0
Washer 5.5 x 16 x 0.8mm
_'_ Screw, Shoulder
*Washer 13/64 x 1/2 x 1/16
,_ Retainer, Guard
1: Guard. Lower (Includes Key No. 37)
:1:Spring, Guard (Includes Key No. 37)
Screw, Shoulder
Sleeve, Rubber
* Screw, Pan Cross No. 10-32 x 1/2
_. Nut, Lock 10-32
A Screw, Shoulder
Bearing, Iron
,_Washer M6 x 12x 1.6
Screw, Pan M4 x 12
Clamp Cord
Screw, Pan M8 x 1.25 15
* Lockwasher M8
Guard, Upper
* Standard hardware item - may be purchased locally
:J:CAUTION: See Mechanical Assembly Caution below. ]
These items are important to the safety of this tool. Do not substitute common parts. I
WARNING:
•WARNING: Uncontrolled spring release or misinstallation of these parts may create a Hazard unless repair is done by a qualified service technician,
Repair service is available at your nearest Sears store.
CAUTION: Mechanical assembly, to qualified service technician.
1. Wear approved eye protection when working with coil springs including spring, arbor lock 820697.
2. Incorrect reassembly of torsion spring 820628 can cause an unsafe condition because cutting head fails to rise fully to stop, or because spring fails
through overstress.
3. Improper reassembly of mechanisms controlling movement of lower guard 620727 can cause an unsafe condition because guard fails to operate
freely as cutting head is moved up and down or because, with cutting head up, manually rotated guard is not (lightly) restored to the closed position
by guard spring 816677.
To prevent switch damage when removing leads: See wiring diagram (text) on page 28

II
SEARS
owner's
manual
MODEL NO.
113.234940
The model number of your 8-1/4
inch Slide Compound Miter Saw
will be found on a plate attached
to your saw, at the back of the
Miter Saw base.
When requesting service or
ordering pads, always provide
the following information:
• Product Type
• Model Number
• Pad Number
• Part Description
f
8-1/4 INCH SLIDE
COMPOUND MITER SAW
For the repair or replacement parts you need
Call 7 am 7 pm, 7 days a week
1-800-366-PART
(1-800-366-7278)
For in-homemajor brandrepair service
OWl24 hours a day, 7 days a week
1-800-4-REPAIR
(1-800-473-7247)
For the location of a
Sears RepairService Center in yourarea
(;all 24 hours a day, 7 days a week
1-800-488-1222
For informationon purchasinga Sears
Maintenance Agreementor to inquire
about an existingAgreement
Call g am - 5 pro, Monday-Saturday
1-800-827-6655
SEARS
Sears Roebuck and Co., Hoffman Estates, IL. 60179 U.S.A.
J