Craftsman 113239392 User Manual WOOD SHAPER Manuals And Guides L0903558
CRAFTSMAN Planer Manual L0903558 CRAFTSMAN Planer Owner's Manual, CRAFTSMAN Planer installation guides
User Manual: Craftsman 113239392 113239392 CRAFTSMAN WOOD SHAPER - Manuals and Guides View the owners manual for your CRAFTSMAN WOOD SHAPER #113239392. Home:Tool Parts:Craftsman Parts:Craftsman WOOD SHAPER Manual
Open the PDF directly: View PDF
.
Page Count: 28

ILUUIII, I lllllm I,IllLILll,III IL
Save This Manual For
Future Reference
A/RS
owners
manual
MODEL NO.
113.239392
SHAPER WITH STEEL
LEGS AND I/2H.P. MOTOR
113.239400
SHAPER WITH STEEL
LEGS AND 3/4 H.P. MOTOR
113.239420
SHAPER WITH STEEL
LEGS AND 1H,P. MOTOR
Serial
Number
Model and serial numbermaybe found
on the tront of the table.
You should record both model and
serial numberin a safe place for future
use,
FOR YOUR
SAFETY:
Read ALL
INSTRUCTIONS
carefully.
Part No. SP5427
/I:RRFTSMRN
WOOD SHA
• assembly
•operating
,repair parts
Sears, Roebuck and Co., Hoffman Estates, IL. 60179 U.S.A.
Printed in U.S,A.

ii'_ ...... I ii I IFI
FULL ONE YEAR WARRANTY ON CRAFTSMAN WOOD SHAPER
If within one year from the date of purchase, this Craftsman Wood Shaper Saw fails due to a
defect in material or workmanship, Sears will repair it, free of charge.
WARRANTY SERVICE IS AVAILABLE BY SIMPLY CONTACTING THE NEAREST SEARS SERVICE
CENTER/DEPARTMENT THROUGHOUT THE UNITED STATES.
This warranty applies only while thEs product is used in the United States.
This warranty gives you specific legal rights, and you may also have other rights which vary from
state to state.
Sears, Roebuck and Co., D1817 WA Hoffman Estates, IL. 60179 .4
='- ............................... ....... IIMrl
GENERAL SAFETY INSTRUCTIONS FOR POWER TOOLS
1. KNOW YOUR POWER TOOL
Read and understand the owner's manual and labels
affixed to lhe tool. Learn its application and limitations
as welt as the specific potential hazards peculiar to
this tool.
2. GROUND ALL TOOLS
This tool is equipped wilh a approved 3-conductor
cord and a 3-prong gounding type plug to fit the proper
grounding type receptacle. The green conductor in the
cord is the grounding wire. Never connect the green
wire to a live terminal.
3. KEEP GUARDS IN PLACE
rn working order, and in proper adjustment and align-
ment.
4. REMOVE ADJUSTING KEYS AND WRENCHES
Form habit of checking to see that keys and adjusting
wrenches are removed from tool before turning it on.
5. KEEP WORK AREA CLEAN
Ciutlered areas and benches invite accidents. Floor
must not be sfippery due to wax or sawdust.
6. AVOID DANGEROUS ENVIRONMENT
Don't use power tools in damp or wet locations or
expose them to rain. Keep work area well lighted.
Provide adequate surrounding work space.
7. KEEP CHILDREN AWAY
All visitors should be kept a safe distance from work
area.
8, MAKE WORKSHOP CHILD-PROOF
With padlocks, master switches, by removing starter
keys, or storing tools where children can't get them.
9. DON'T FORCE TOOL
It will do the job better and safer at the rate for which it
was designed.
10.USE RIGHT TOOL
Don't force tools or attachment to do a job it was not
designed for.
11.WEAR PROPER APPAREL
Do not wear loose clothing, gJoves, neckties, or jew-
elry (rings, wrist watches) to get caught in moving
parts. NONSLIP footwear is recommended. Wear
protective hair covering to contain longhair. Floil long
sleeves above the elbow.
:12.USE SAFETY GOGGLES (HEAD PROTECTION)
Wear safety goggles (must comply with ANSI Z87.1)at
all times, Everyday eyeglasses are not safety glasses.
They only have impact resistant lenses. Also, use
face or dust mask if cutting operation is dusty, and ear
protectors (plugs or muffs) during extended periods of
operation.
13.SECURE WORK
Use clamps or a vise to hold work when practical. It
frees both hands to operate tool.
14,DON'T OVERREACH
Keep proper footing and balance at all times.
15.MAINTAIN TOOLS WITH CARE
Keep tools sharp and clean for best and safest perfor-
mance. Follow instructions for lubricating and chang-
ing accessories.
16.DISCONNECT TOOLS
Before servicing; when changing accessories such as
blades, bits, cutters, etc.
17.AVOtD ACCIDENTAL STARTING
Make sure switch is in "OFF" position before plugging
in.
18.USE RECOMMENDED ACCESSORIES
Consult the owner's manual for recommended acces-
sories. Follow the instructions that accompany the
accessories. The use of improper accessories may
cause hazards.
19.NEVER STAND ON TOOL OR ITS STAND
Serious injury could occur if the tool is tipped or if the
cutting tool is accidentally contacted. Do not store
materials above or near the tool such that it is neces-
sary to stand on the tool or its stand to reach them.
20.CHECK DAMAGED PARTS
Before further use of the tool, a guard or other part
that is damaged should be carefully checked to ensure
thai it will operate properly and perform its intended
function. Check for alignment of moving parts, binding
or moving parts, breakage of parts, mounting, and any
other conditions that may affect its operation. A guard
or other part that is damaged should be properly
repaired or replaced.
21.NEVER LEAVE TOOL RUNNING UNATTENDED
Turn power off. Don't leave tool until it comes to a
complete stop,
22.DIRECTION OF FEED
Feed work into a blade or cutter against the direction
of rotation of the blade or cutter only.

Additional Safety Instructions for Wood Shaper
Safety Signal Words
iDANGER: means if the safety information is not followed
someone will be seriously injured or killed.
WARNING: means if the safety information is not fol-
lowed someone could be seriously injured or killed.
CAUTION: means if the safety information is not followed
someone might be injured.
CAUTION: Turn motor switch "OFF" and discon-
nect Power Cord when changing Shaper cutters or
making adjustments.
Safety is acombination of operator common sense and
alertness at all times when the Wood Shaper is being
used.
WARNING: For your own safety, do not attempt to
operate your wood shaper until It is completely
assembled and installed according to the instruc-
tions.., and until you have read and understand the
following:
PAGE
1. General Safety Instructions for Power Tools ............. 2
2. Getting to Know your Wood Shaper ....................... 12
3. Basic Wood Shaper Operation ............................... 15
4. Maintenance ........................................................... 19
5. Stability of Machine
The Shaper must be bolted securely to a stand or
work bench, in addition, if there is any tendency for the
Shaper to tip over or move during certain operations, it
should be bolted to the floor.
6. Location
The Shaper should be positioned so neither the oper-
ator nor a casual observer is forced to stand in line
with the workpiece when straight line shaping. This
Shaper is intended for indoor use only.
7. Protection: Eyes, Hands, Face, Ears, Body
Wear safety goggles that comply with ANSI Z87.1
1968. Wear ear plugs or muffs during extended peri-
ods of operation. Do not wear gloves ... roll long
sleeves above the elbow.
8. Always feed against rotation of the cutter. NEVER
"back up" the workpiece.
9. Do not take deep cuts or feed the stock too rapidly.
10.Be particularly careful in shaping wood that contains
cross grains or knots, as these may cause the hands
to be thrown into the cutter or cause kickbacks.
11.Before applying power, make sure the keyed washer
is installed immediately under the spindle nut and the
spindle nut is securely fastened, and all guards are in
the proper position. Make sure cutters are sharp.
12.Avoid awkward hand positions, where a sudden siip
could cause a hand to move into the cutter. Never
reach in back of or around the cutter with either hand
to hold down the workpiece.
13.Accumulationsof stock or of finished work should not
be allowed on the table. Never clear table while cutter
is rotating.
14.Rubbish, shavings, stock, or other objects or material
should not be allowed on the floor where they may be
a tripping hazard.
15.Use working forms, patterns or ho[ders wherever pos-
sible, and keep them maintained, Care should be
taken that the work is securely fastened in these fix-
tures. Stock is often of such size or shape that it must
be clamped in a holder before being shaped, The
insidejaws which clamp directly against the stock
should be lined with sand paper. Guards may also be
mounted on a holder to afford additional protection.
16.When the fence is used, make sure il is securely fas-
tened and wilt not slip, and is properly adjusted.
17.Do not wear gloves, neckties, loose sleeves, or
ragged or torn clothing of any kind. Wear safety gog-
gles complying with ANSI Z87.1-1968 to protect your
eyes from dust o_'flying particles.
18. DO NOT perform layout, assembly, or set-up work on
the table while the cutting tool is rotating.
19.NEVER perform freehand shaping - Use either the
fence, or a starting pin in the table and a collar on the
spindle, or a pattern.
20.Oo not place your fingers or hands near edge of mate-
rial being cut.
21.NEVER perform irregular shaping operations with the
cutter guard removed. Be positive it is installed and
adjusted per instructions.
22.NEVER perform internal shaping operations on this
Shaper.
23.Do not use your hands to remove objects or materials
from around cutters; use a brush.
24.Do not tamper with guards nor make them inoperative
in any way.
25.ALWAYS joint or plane edge on surface of workpiece
that will be in contact with fence and/or table.
26.NEVER attempt to shape warped or twisted or bowed
workpieces.
27.Before leaving the machine, make sure the motor
switch is "OFF" the power cord is disconnected from
the power source, and the cutter has stopped revolv-
ing.
28.Never operate the Shaper without a protective cover
on the unused shaft end of a double ended motor.
29.1fany part of this Shaper should break, bend,or fail in
any way or any electrical component fail to perform
properly, or if any is missing, shut off power switch,
remove power supply cord from power supply and
replace damaged missing and/or failed parts before
resuming operation.
WARNING: Do not allow familiarity (gained from
frequent use of your wood shaper) to become com-
monplace. Always remember that a careless frac-
tion of a second is surf icient to Inflict severe injury.
30.Note and follow Safety instructions that appear on the
Shaper fence.
IWARNING /
A KEYED WASHER MUST ALWAYS
BE USED UNDER THE SPINDLE NUT

31.Note and follow Safety tnslructions that appear on the
Shaper Switch asse.mbly.'......
DANGER
-'OR YOUR OWK SAFETY:
READ ,t_tD LIN0 EFI_TM'I00_=_lE f4 _"
_VJ_L _3E_E _3PE_TFI_ _HI_JE
_E POSLTNEKE¥_ _ WA_,Ht'FI_£CTLY
LINOE FI6rt_or-E pJUT _dD BPIPIIgLE N_]
T_l GEFGFIE T_llOi &I'+J_-P£F1121
OF ¢UFI'EI_|.(r_TO;R,_g _O=T_+FIFIOTAtEEl
F.d_ME_ _ EC_'IOt4
K_P F_GEES f_" FFICU RE '#_3+.VPI_
C U31£ _'JSE T_'_ Ur{E5 W_{E tt NE_E F-_f
U_ I_Vt_ _+f_AO13_-'_0_f_IEN AOJg_,TA_LE
WARNING: The 4-3/8"flat motor pulley and th-_
2"spindle pulley furnished, will run the cutterl
approximately 9000 R.P.M. when used with a 34_0 t
motor. Never substitute these pulleys to increase l
this speed because it could be dangerous, j
Note and follow safety instructions that appear on the
motor.
|I-CAUTION:re+or+uslng.Reverslblemotor- cheok_I
The operation of any power tool can result inforelgn objects being thrown into the eyes, which
can result in severe eye damage, Always wear safety goggles comp_ying with ANSI Z87.1
(shown on Package) before commencing power tool operation. Safety Goggles are available
at Sears retail or catalog steres.
i
i
Motor Specifications and
CONNECTING TO POWER SOURCE OUTLET
This machine must be grounded 'while in use to protect
the operator from electric shock,
Plug power cord into a V properly grounded type outlet
protected by a 15 amp dual element time delay or circuit
saver fuse or circuit breaker. If you are not sure that your
outletis properly grounded, have it checked by a qualMed
electrician.
WARNING: Do not permit fingers to touch the ter-
minals of plugs when installing or removing the
plug to or from the outlet.
WARNING: If not properly grounded, this power
tool can incur the potential hazard of electrical
shock. Particularly when used in damp locations in
proximity to plumbing. If an electrical shock
occurs there is thepotential of asecondary hazard
such as you hands contacting the cutter blade.
If power cord is worn orcut, or damaged in any way, have
It replaced immediately,
Yourshaper is wired for 120 volts and has a plug that
looks like the one shown below,
3J_ONO
_PLUO
G_OUNtJ_D
OU1 L_t
P_OV?3
This power tool is equipped with a 3-conductorcord and
grounding type plug listed by Underwriters' Labotate-
ties. fine ground conductorhas a green jacket and is
attached to the tool housing at one end and to the ground
prong in the attachment plug at the other end.
Tihisplug requires a mating 3'conductor grounded type
outlet as shown above.
If the outlet you are planning to use for this power tool is
of the two prong type, DO NOT REMOVE OR ALTER
Electrical Requirements
THE GROUNDING PRONG iN ANY MANNER, Use an
adapter as shown and always connect the grounding lug
to known ground,
It s recommended that you have a qualified electrician
replace the TWO prong outlet with a properly grounded
THREE prong outlet,
A temporary adapter as shown below is available for con-
necting plugs to 2-prong receptacles. The green ground-
ing lug extending from the adapter must be connected tc
apermanent ground such as to a properly grounded out
let box, The temporary adapter should be used only until
proper_y grounded outlet can be installed by a qualified
electrician.
ADAPTER
NOTE: The adapter illustrated is for use only if you
already have a properly grounded 2-prong receptacle.
NOTE: Make sure the proper extension cord is used and
is in good condition,
The use of any extension cord will cause some loss of
power. To keep this to a minimum and to prevent over-
heating and motor burn-out, use the table below to deter-
mine the minimum wire size (A,W,G,) extension cord,
Use only 3 wire extension cords which have 3-prong
grounding type plugs and 3-pole receptacles which
accept the tools plug,
Extension Cord Length Wire Size AWG
0-25 FT ........................................................................ 16
28-50 FT ............................................................... .......14
51-100 FT .................................................................... 12
MOTOR ROTATION
The motor is designed to rotate either clockwise or coun-
terclockwise and can be changed from one rotation to the
other by the use of a select switch located on the side of
the motor, Motor must come to full stop before motor
rotation can be reversed,

UNPACKING AND CHECKING CONTENTS
CONTENTS
WARRANTY ..................................... 2
General Safety Instruction for Power Tools .......... 2
Additional Safety Instructions for Wood Shaper ...... 3
Motor Specifications and Electrical Requirements .... 4
UNPACKING AND CHECKING CONTENTS ....... 5;
List of Loose Parts .............................. 5
ASSEMBLY ...................................... 6
Tools Needed ................................... 6
Installing Elevating Rod and Table Support ........ 7
Mounting Belt Guard and Motor to Motor Mount .. 7
_nstalling Motor Pulley ........................... 8
Mounting Motor Support Assembly to Shaper ..... 9
Mounting Switch Assembly ...................... 9
Assembling Steel Legs .......................... 9
Mounting Wood Shaper on Floor Stand .......... 10
Pfugging in Motor .............................. 10
Installing Shaper Fence -- For Straight Edge
Shaping only ................................. 11
Installing Shaper Cutter Guard -- For Curved
or Irregular Shaping only ..................... 11
GETTING TO KNOW YOUR WOOD SHAPER .... 12
On-Off Switch ................................. 12
Elevating Control Lever ......................... 13
Spindle Lock Knob .............................. 13
Spindle ........................................ 13
Spacers ....................................... 13
Keyed Washer ................................. 13
Fence Adjusting Knob .......................... 13
Fence Lock Knob ............................... 13
Fence Faces ................................... t 3
Cutter Guard ................................... 13
Starting Pin .................................... 13
Removing and Installing Cutter .................. 13
ADJUSTMENTS ................................ 14
Shaper Fence .................................. !4
Fence Faces ................................... 14
BASIC SHAPING OPERATIONS ................. 15
Use of Cutter Spacers .......................... 15
Straight Edge Shaping .......................... 16
Shaping With Use of Miter Gauge and
Hold-Down Clamp (Optional Accessory) ........ 16
Irregular or curved Shaping ..................... 17
MAINTENANCE ................................. 19
LUBRICATION .................................. 19
Motor Maintenance and Lubrication ............. 19
RECOMMENDED ACCESSORIES ............... 19
TROUBLE SHOOTING ........................... 20
REPAIR PARTS ................................. 22
Motor Connections ............................. 27
Mod el 113.239392and t 13.239400 Wood Shapers are shipped
complete in one carton and include steel legs and motor.
Separate all parts from packing materials and check each one
with the illustration and the list of Loose Parts to make certain
all items are accounted for, before discarding any packing
material.
_f any parts are missing, do not attempt to assembte the
Shaper, plug in the power cord or turn the swilch on untilt_qe
missing parts are obtained and are installed correclly,
Remove the protective oil that is applied to the table lop and
edges of the table. Use any ordinary household type grease
and spot remover.
CAUTION: Never use gasoline, naplha or similar highly
volatile solvents.
Apply a coat of automobile wax to the table.
Wipe all parts thoroughly with aclean, dry cloth.
WARNING: For your own safety, never connect plug to
power source outlet until allassembly steps are comple re,
and you have read and understand the safety and opera-
tional Instructions.
LIST OF LOOSE PARTS
Included with Model No. 113.239392, 113.239400 and
113.239420
Item Part Name Qty,
A Motor Mount ...................................................... 1
BGuard, Pulley ..................................................... 1
O Pulley, Motor ...................................................... 1
D Belt, "V" 112x33 ................................................ 1
E Support Assembly, R.H ..................................... 1
F Support, Assembly L.H ....................................... 1
GGuard, Cutter ..................................................... 1
J Nut, Lock ........................................................... 1
K Stud, Nut ............................................................ 1
L Support, Guard .................................................. 1
M Bracket, support ................................................ 1
N Fence Assembly ................................................ 1
O Plate, Guard ...................................................... 1
PSwitch Box Assembly ........................................ 1
Q Spindle Assembly .............................................. t
RBase .................................................................. 1
S Owner's Manual ................................................. 1
T Bag Assembly, Loose Parts
Loose Parts Box #508181
Screw Hex Hd. 3!8-16 x 1 ........................ 2
Washer, .380 x !9/64 x 7/64 .................... 2
Bolt, Carriage 5tl 6-18 x 1-1/4 .................. 4
Washer, 2t/64 x 7t8 x 1t8 ........................ 4
Screw, w/Lockwasher, 5t16-18 x 3/4 ....... 3
Washer, 11/32 x 1-1/16 x 1t8 ................... 2
Screw, Hex Hd. 5/16-18 x 1-1/4 ............... 3
Nut, Hex 5116-!8 ...................................... 7
Lockwasher, Int. 5/16 ............................... 3
Washa r, 21f64 x 314 x 1/16 ...................... 5
Loose Parts Bag #508415 ........................ _...1
Starting Pin .............................................. 1
Insert, Table ............................................. 1
Wrench ..................................................... I
Wrench, He× "L" 5/32 ............................... 1
Wrench, He× "L" 1/4 ................................. 1
Knob ......................................................... 1
Nut, Hex Jam 318-24 ................................ 1
P,anger, Cable .......................................... 1
Screw, Hex Hd. 5f16-18 x 2 ..................... 2
Elevating Rod ........................................... !
Screw, Soc. Set 5t16-18 x 5/t6 ............... 1

LIST OF LOOSE PARTS
Item Part Name Qty.
A Leg ................................................................4
B'Screw, Truss Hd. 1t4-20 x 5t8 ..................... 28
C*Nut, Hex 1./4-20............................................ 28
D * Lockwasher, 1/4 External ............................ 28
E Channel, Support .......................................... 2
F Stiffener ........................................................ 2
G Stiffener, Side ............................................... 2
H Stitloner, End ................................................ 2
J * Screw, Pan Hd. Ty A N8 x I/2 ....................... 4
K*Nut, Hex Hd. 3/8-16 ...................................... 8
L" Foot, Leveling ............................................... 4
M Motor ............................................................. 1
HARDWARE FOR MOUNTING TOOL
- " Screw, Hex Hd, 5116-18 x 3 .......................... 3
-*Lockwasher, 5,/t6 External ........................... 3
-*Nut, Hex Jam, 5/16_18 .................................. 3
- " Washe{, 11/32 x 11/16 x 1/16 ....................... 3
,These parts contained in Loose Part bag #508411.
,,,,,
7/'16-_NCH WRSNCH
1/2-INCH WRENCH
9t16-1NCH WRENCH
ASSEMBLY
t,=.
TOOLS NEEDED !!i
Coal the spindte assembly with cup grease, being sure to
wipe same of the grease intothe elevating slot milled in the
spindle assembly. Use a generous amount of grease to
cover the spindle.
SLOT
TAPPEO HOLE FOP-,
ELEVATING ROD
/
SPINDLEPULLEY
6

INSTALLING ELEVATING ROD
AND TABLE SUPPORT
Position table upside down on 2 x 4's on edge for support
and clearance for Spindle assembly.
1. Install (3/8-24) jam nut on short threaded end of
elevating rod and screw the rod into the threads in the
side of spindle assembly.
2, Remove spindle lock knob, Insert the spindle assembly
into the table support, position the long angle of the
elevating rod straight down and tighten jam nut
securely, The angle portion of elevating rod must be
parallel with spindle assembly.
3. Install knob on end of elevating rod,
4. Rotate the set screw into the table support, while
moving the elevating rod back and forth, until the dog
point on end of set screw enters the elevating slot in
spindle assembly, This can be felt as the set screw and
spindle assembly are rotated. Tighten the set screw,
then back it off 1/4 turn. This witl allow enough
clearance for the spindle assembly slot to slide on
dog-point end of set screw.
5, Check operation of spindle several times, by moving
elevating control lever back and forth in order to make
sure it is not binding, yet slides effectively on the
dog-point end of screw. Readjust set screw slightly, if
required, for smooth operation.
Reinstall spindle lock knob.
6, Position shaper base on table support casting so the
three mounting holes are aligned. Install and tighten the
three 5/16-18 x 3/4-inch hex-head screws with lock
washers.
SPINDLE
LOCK
KNOB
JAM NUT
(3/8-24)
TABLE SUPPORT
SCRE_M
(DOG POINT)
/
2x4
KNOB
ELEVATI NG
ROD £CREWDR IVER
"_2 × 4
J
MOUNTING BELT GUARD AND MOTOR
TO MOTOR MOUNT
POSITION MOTOR WITH
5/8 IN. DIA, SHAFT THIS END
BE LT GUARD
1. Place the motor mount on your workbench.
2. Support rear of motor mount with 3/4" stock as
shown,
3. Find four 5/16" x 18 x 1-1/4 carriage bolts, four
5/16-18 hex nuts, and two 21/64 x 3/4 x 1/16 Flat
Washers, Position hardware as shown, MOTOR MOUNT
3_IN. STOCK
1/16 IN. THICK
WASHE RS

4. Place Belt Guard under Motor [between Motor Support
Bracket and Motor Mount) and make certain 5/8" shaft
is centered in Belt Guard hole. Install nuts finger tight.
5!16 IN. HEX NUTS
INSTALLING MOTOR PULLEY
install motor pulley (flat-faced pulley) on motor shaft,
with closed end of pulley facing out, Tighten pulley set
screw securely.
5_21N,
SETSCREW WRENCH
MOTOR PULLEY
J
FLUSH WITH
SHAFT
2, Using table insert as a spacer,position motor on motor
mount plate to provide a distance of 1/4-inch from
mounting edge of motor mount plate as shown. Tighten
the four motor mount bolts securely and recheck for
correct positioning,
MOTOR MOUNT PLATE MOTOR
_IN'-CH
TABLE IN_ERT
USED AS A SPACER
•8

MOUNTING MOTOR SUPPORT ASSEMBLY
TO SHAPER
1. Place V-belt on motor pulley and attach motor mount
plate to shaper base with two bolts 13/8-18 x t-inch}
and washers, Leave bolts finger tight.
2, Roll the belt onto spindle pulley, pull motor mount
plate toward end of base until bett is tight enough to
prevent slipping and tighten the two bolts, Each bolt
should be in approximately the same position in the
base slots.
3. Position elevating rod in approximate mid position and
turn spindle pulley by hand several times to see that the
belt rides in the approximate mid position of motor
pulley. If not, recheck assembly. The belt should
change positions on motor pulley as the lever position is
changed (while the spindle pulley is rotated by hand}.
MOTOR MOUNT PLATE
ELEVATI NG
ROD
SPINDLE
PU LL EY
BASE
MOTOR
I.
MOUNTING SWITCH ASSEMBLY
Attach the switch assembly to the underside of the
Shaper table using the two screws and lockwashers
packed with the switch. /
%
I
ASSEMBLING STEEL LEGS
1. Assemble the two (2) End Stiffeners and the two (2)
Side Stiffeners using four (4) 1/4-20 Truss head screws.
The End Stiffeners are placed on top of each Side
Stiffener as shown. Insert screws through the 9/32 inch
diameter holes and finger tighten 1/4-20 nuts.
2. Attach the four (4) legs to the side and End Stiffener
using 1/4-20 screws, lockwashers and nuts as shown.
3. Remove the four (4) Truss head screws whict_ were
assembled in Paragraph No, One, Place the two (2)
Support Channels as shown, in position, align holes in
supports with holes in the side Stiffeners, replace
Iockwashers and nuts. Tighten all nuts using 7/16"
wrench.
4, The two (2) Stiffeners, (F} are fastened to the top side
of each side stiffener using N8 x t/2 self-threading
screws. The guard plate is mounted as shown using same
screws,
5. Install leveling feet as shown. To level Leg Set, loosen
nut on inside of leg and turn nut on outside to raise or
lower feet. Adjust all four levelers, if necessary, and then
tighten nuts on inside of leg.
NOTE: These levelers are not intended for I_eight
adjust ment.

item Part Name Qty.
ALeg ................................................................ 4
B* Screw, Truss Hd. 1/4-20 x 5/8 ..................... 28
C*Nut, Hex 1/4-20 ............................................ 28
D * Lockwasher, 1/4 External ............................ 28
EChannel, Support .......................................... 2
F Stiffener ........................................................ 2
(3 Stiffenol, Side ............................................... 2
HStilfener, End ................................................ 2
J * Screw, Pan Hd. Ty AN8 x lj2 ...................... 4
K * Nut, Hex Hd, 3/8-16 ...................................... 8
L*Foot, Leveling ............................................... 4
*These parts contained in Loose Part bag #508411. "ii ,'21
_--L
MOUNTING WOOD SHAPER ON FLOOR STAND
1. Three mounting holes are provided in the base of the
shaper for the purpose of mounting it securely on a
substantial tool stand with screws or bolts.
2. The tool stand should be high enough so the top surface
of the shaper table will be 35 to 37 inches above the
floor, The shaper must be mounted to allow the motor
to overhang rear edge of toot stand.
CAUTION: The shaper must be mounted on a
substantial tool stand and secured so there is no
possibility of tipping, The Shaper must be positioned on
the tool stand so that the spindle pulley is guarded from
the bottom,
Place the Shaper on the Steel LEGS, Position as shown,
and align mounting holes. Secure with 3 ea. 5/16" x 18
x 3" screws; washersand nuts,
GUARD PLATE I
NO, 8X I/2 IN,
pPAHPLIEDHDo SCREW
WITH LEG SET)
PLUGGING IN MOTOR
1. Find plastic cable hanger from among the loose parts.
2. Route the motor cord behind the motor mount, across
the top of the Leg Set and plug it into the receptacle in
the side of the switch box.
3. Bring the power cord alongside the motor
cord.., wrap the plastic cable hange; around the cords
and attach the hanger to the top of the Leg Set.
CABLE
CORD
MOTOR CORD
10 .

.
INSTALLING SHAPER FENCE -
FOR STRAIGHT EDGE SHAPING ONLY
Install the fence with two 5/16-18 x 2 inch hex head
screws and two plain washers. These screws thread into
tapped holes in the table. Adjust the fence as outlined
on page 13,
FENCE
5/16-18 X 2 IN.
HEX HD, SCREWS
AND WASHERS
_UA_D
INSTALLING SHAPER CUTTER GUARD -
FOR CURVED OR IRREGULAR SHAPING ONLY
NOTE: Fence must be removed,
1, Assemble Cutter Guard as illustrated.
I/4-2B LOCKNUT
R.H, SUP_)RT
Align the guard support so that it is centered on the shaper
spindle (It may be necessary to loosen the 5/16-18 screws
which secure the support bracket to the channels to
perform this adjustment). After the alignment is achieved
tighten all four screwssecurely.
Instatl Cutter Guard Assembly to table support using the
two 5/16.t8 x 2 inch hex head screws located at rear of
table support,
GUA1_D
5/16-18 X2
HEX HD. SCRE_,V
11

GETTING TO KNOW YOUR WOOD SHAPER
8
FENCE
LOCK KNOB
9
FENCE FACE
TABLE INSERT
MITER GAUGE SLOT
TABLE
10 CUTTER GUARD
PIN
FE NCE
ADJUSTING KNOB
8FENCE
LOCK KNOB
2
ELEVATING
CONI_OL LEVER
!
ON-OFF SWITCH \
MOTOR MOUNT PLATE
FENCE FACE
SPINDLE
LOCK KNOB
MOTOR (NOT
FURNISHED)
MOTOR ROTATION
The motor equipped with the shaper is designed to be
operated in aclockwise or counterclockwise rotation by use
of a select switch Eocated on the motor, Before the motor is
turned on, move the serect switch "up" for clockwise
rotation or "down" for counterclockwise rotation. The
direction of rotation cannot be changed while the motor is
running, Turn the motor off and wait until the motor has
stopped completely before selecting the desired rotation.
WARNING: Once the motor rotation has been selected
always check to be sure the spindle is rotating in the
correct direction for the cutter being used.
1. ON-OFF SWITCH
CAUTION: Before turning switch on, make sure the cutter
is installed properly and the keyed washer is positioned
below the spindle nut.
The On-Off SwiIch has alocking feature. THIS FEATURE
IS INTENDED TO PREVENT UNAUTHORIZED AND
POSSIBLE HAZARDOUS USE 8Y CHILDREI_ AND
OTHERS,
a° TO turn Shaper ON... insert finger under switch lever
and pull END of lever out.
After turning switch ON, always allow the cutter to
come up to full speed before cutting.
Oo not cycle the motor switch on and off rapidly, as
this may cause the cutter to loosen, in the event this
should ever occur, allow the cutter to come to a
complete stop and retighten the spindle nut normally,
not excessively. Never leave the shaper while the power
is "ON".
b. TO turn shaper OFF... PUSH lever in. Never leave the
shaper until the cutting tool has come to a complete
stop.
= ;12
i
@
KEY
(YELLOW PLASTIC)
KEY

C, TO lock switch in OFF position.,, hold switch IN
with one hand.,. REMOVE key with other hand.
ALWAYS LOCK THE SWITCH "OFF" WHEN
SHAPER IS NOT IN USE,,. REMOVE KEY AND
KEEP IT IN A SAFE PLACE.,, ALSO... IN THE
EVENT OF A POWER FAILURE (ALL OF YOUR
LIGHTS GO OUT) TURN SWITCH OFF ... LOCK IT
AND REMOVE THE KEY. THIS WILL PREVENT
THE SHAPER FROM STARTING UP AGAIN WHEN
THE POWER COMES BACK ON.
2. ELEVATING CONTROL LEVER
The Elevating Control Lever moves the spindle
vertically a distance of 7/8-inch to locate the cutter at
the desired vertical position.
3. SPINDLE LOCK KNOB - used to lock the spindle and
quill assembly after the desired height has been
determined.
CAUTION: Always release the quill lock knob before
attempting to change the position of spindle and
tighten the knob securely before starting operation.
4. SPINDLE -- This shaper is designed for use with
maximum 2-1/2-inch diameter cutters having a 1/2-inch
diameter bore.
5. SPACERS - A total of three spacers are provided, two
7/16 inch thick and one 1/4 inch think for positioning
the cutter for desired shapes.
6. KEYED WASHER - Must always be positioned
immediately below the spindle nut.
7, FENCE ADJUSTING KNOB - Each fence face may be
moved forward or backward by turning the fence
adjusting knobs.
8. FENCE LOCK KNOB -- After the desired fence face
position has been selected, the fence is secured by
tightening the fence lock knobs.
9. FENCE FACES - Each fence may be moved forward
or backward by releasing the fence lock knob and
turning the fence adjusting knobs. Each fence face
operates independently of the other, by means of the
adjusting mechanism. After the desired fence position
has been selected, it is secured by tightening the fence
lock knob. The fence faces will close in from a
maximum three-inch opening down to one-inch for
small diameter cutters, by _oosening the two screws in
the front of each face and sliding the face to the desired
posiiton. The screws must be tightened secureiy after
each setting.
CAUTION: The opening between inner endsof fence faces
should never be larger than required to just clear the
particular cutter being used. ALWAYS ROTATE THE
SPINDLE BY HAND BEFORE STARTING THE SHAPER
MOTOR TO MAKE SURE CUTTER DOES NOT STRIKE
FENCE FACES.
10, CUTTER GUARD
NOTE: Used for curved or irregular shaping only -
fence must be removed and starting pin must be in
place on in-feed side.
11.
12.
Provides added protection for irregular shaping, Guard
is adjustable for various thickness of material,
CAUTION: A_ways rotate the spindle by hand before
starting the shaper motor to make sure cutter does not
strike guard.
STARTING PIN
The Starting Pin must be used asa pivot to support the
work until it has been fed into the cutter and against
the collar. The Starting Pin may be located in either of
the two threaded holes near the table insert opening,
depending upon the direction of rotatior_, but
ALWAYS on the in-feed side.
REMOVING AND INSTALLING CUTTERS
a. Raise spindle to maximum height
b. To REMOVE cutter, hold spindlewith the 1/4" he×
wrench and loosen nut with wrench provided as
shown - Reverseprocedure to TIGHTEN SPINDLE
NUT.
NOTE: TO AVOID POSSIBLE BENDING OF THE
SPINDLE LOOSEN OR TIGHTEN NUTWITH BOTH
WRENCHES POINTING AS NEARLY IN THE SAME
DI RECTION AS POSSIBLE.
CAUTION: Always have the keyed washer directly
under the nut, otherwise the nut may loosen and
serious injury could result,
,t
WRONG
RIGHT ,!,
13

ADJUSTMENTS
WARNING: For your own safety, turn switch"off" and
removeplugfrompower source outletbeforemaking any
adjustments.
.
ADJUSTABLE SHAPER FENCE
Move both fence faces out 3/4" by turning the two
fence adjusting knobs,
FENCE
ADJUSTING
KNOBS
FENCE FACE
FENCE
FACE
2. Position fence faces in the same plane by using a
framing square or straightedge and adjusting the fence
adjusting knob.
3. Loosen the fence attaching bolts and shift the complete
fence assembly until both fence faces are the same
distance from the miter slot.
Tighten fence attaching bolts after fence has been
correctly positioned.
Check this adjustment after tightening bolts to make
sureit did not change,
Lock all controls securely after desired settings have
been completed.
STRAIGHT EDGE FENCE FACE
FENCE FACES
1. Loosen the four (4) screws as shown and slide each
fence face in as close to the cutter as possible, but do
not permit the cutter to strike fence faces,
2. Set the fence faces so the cutter (Not supplied see
Recommended Accessory List] projects far enough
beyond them to produce the desired depth of cut. If
the cutter is set to remove only a portion of the edgeof
the work piece, the two fence faces should be set even
with eachother.
14 ¸

BASIC SHAPING
NOTE: This shaper is designed for use with maximum 2-
1/2 inch diameter cutters having a1/2 inch diameter bore.
1. For those operators who prefer to use a motor that
rotates clockwise (facing pulley end} which would drive
the spindle in aclockwise direction the motor select
switch should be in the up position. With this
combination, the work would be fed into the cutter from
the left-hand side of the table. In most cases, the cutter
would have to be turned over.
2. For those operators which may require
counterclockwise rotation of the spindle, the motor
select switch should be in the down position and with
this combination the work should be fed into the cutter
from the right side of the shaper.
3. Always remember, when mounting the cutter, the
cutting edge of the cutter must lead into the direction of
rotation and the work piece must be fed against the
direction of the cutter.
OPERATIONS
EDGE
G%.OCKWIsL:
DI RECTIQ_ "_=_
FEEDwORK 'F II
EDGE
2,
,
.
5,
SPfNDI.E
1
USE OF CUTTER SPACERS
T.he spacers can be positioned below and above the
cutter,
Notice when the spacer is positioned below the cutter
how the spacer provides a bearing surface for the uncut
edge of the board, in addition to its use as a spacer in
vertical positioning of the cutter.
_ SPACER
/DIRECTION OF
ROTATI O N
"1 SPACER TABLE INSERT
KEYED
WASHER
TER
DIRECTION
OF FEED
This same cutter can be inverted and mounted to
produce a shape with the board fed through in the
opposite direction IF DIRECTION OF ROTATION OF
THE SPINDLE IS REVERSED,
Notice how the spacer again provides a bearing surface
for the uncut edge of the board.
Cut the workpiece to size, so the shaping cut will be as
light aspossible to produce the desired pattern.
CAUTION: Do not attempt to use the Shaper for sizing
aworkpiece (except when using the jointer cutter and
adjustable fence).
Feed workpiece against rotation of cutter,
NOTE: it is a very good practice to make a trial cut on
a piece of scrap wood as adouble check on the set-up
before using the actual workpiece.
WARNING: Serious injury may result if workpiece is
not always fed into the cutter against the direction of
rotation of the c_ sure,
Experience wile sd for
producing the srr
If the cut remove thus
reducing the widt -feed
fence in front of 4Iface
enough to provide after
it passesthe cutte perly
support the work/:
15

AUXILIARY FENCEPWORK SUPPORT
WORKPIECE
27 IN.
STRAIGHT EDGE SHAPING
CAUTION: The Shaper fence must be used in all straight
edgeshapingoperations.
1. When shaping stock 3 inches wide or less,an auxiliary
fence/work support must be used as shown,
2, Make the push stick asshown.
SLIGHTLY THICKER
THAN WORKP_ECE
PUSH STICK
(FEEDS UNDER
AUXILIARY _:ENCEi
WORK SUPPORT)
AUXILIARYFENCE,/
WORK SUPPORT
1/8 IN. MAX. \"x SLIGHTLY THINNER AND
NARROWER THAN WORKPIECE
FENCE
2O
PUSH STICK
END SHAPING WITH USE OF MITER GAUGE AND
HOLD-DOWN CLAMP (OPTIONAL ACCESSORIES)
1. NEVER use the Miter Gauge on the Shaper without the
Hold-down Clamp installed and the workpiece clamped,
2. Both fence faces MUST be positioned so the workpiece
canaot contact them.
3. Adjust the head of the miter gauge so the end of the
workpiece to be shaped will be exactly parallel to the
miter gauge slot in the table. This holds true for all
angles of the end of the workpiece.
4. Tha board is positioned in the miter gauge; then hold
the workpiece firmly against the miter gauge head and
down on the table with your left hand, and feed by
gripping the lock handle with your right hand.
16

IRREGULAR OR CURVED SHAPING
Avariety of shapes may be produced w_th the shaper by
changing the the height of cutter in relation to the
workpiece, by using various combinations of cutters on
successive passes, and/or by inverting cutter and changing
direction of spindle rotation and feed direction, The table
insert must be removed if the cutter does not clear the hole
in the insert when the cutter is lowered below the table
surface: check clearance before turning switch "ON":
1. To make irregular shaping cuts remove power cable
from electrical source, remove the fence assembly,
select the shaper collar that will position the cutter to
obtain the desired pattern, and lock the shaper collar
and cutter on the spindle.
NOTE: Ashaper collar may be located above or below
a cutter, or between the two cutters selected,
(
DIRECT
OF
ROTATION
SPeNDS'AUnT ,
."_ DIRECTION
,KEYED WASHER _OF FEED
SPACER
SHAPER COLLAR
(,OPTIONAL ACCESSORY)
o
SHAPERCOLLAR SET
(OPTIONAL ACCESSORY)
2_ Mount the cutter guard and adjust as shown.
Position the Guard verticall_ (A) (Guard should just
clear workpiece)
Center the Guard over the cutter. (B)
NOTE: Rotate cutter by hand and check for proper
clearance inside guard. A
STARTING
_]_ PIN
17

3. The starting pin must be used as a pivot to support the
work until it has been fed into the shaper collar. The
Starting Pin may be located in either of the two threaded
holes near the table insert opening, depending upon the
direction of rotation, but always on the in-feed side.
4 Start the workpiece by pivotingit aroundlhe starting pin
slowty into the path of the culter until the workpiece
contacts the shaper collar,
WARNING: Do not attempt to shape warped lumber.
Workpiece MUST contact the FRONT of the cutter and
collar - toward the miter gauge slot.
5. In addition,11hefollowing operations are some which can
be performed on the shaper - shaping with a pattern,
tongue and groove joints, reading and fluting, etc. ("Power
Tool Know How" Handbooks are available) See Recom-
mended Accessories list.
NOTE: Alter a few hours of operation, tighten both pulley set
screws securely with the Hex wrenches provided.
PIVOT WORKPIECE
AROUND STARTING PiN
COLLAF_
_8

MAINTENANCE
WARNING: For your own safety, turn switch "OFF" and
removeplugfrom power source outlet beforemaintaining
or lubricatingyour saw.
NOTE: Alter afew hoursof operation,tightenboth pulleyset
screws securely withthe Hex wrenchesprovided.
Frequently clean your culting toots withCraflsman Gum and
Pitch Remover.
A coat of automobile -type wax applied !o the table will help to
keep the surface clean and allow workp]eces to slide more
freely.
If Lhepower cord is worn or cut, or damaged in any way, have
it replaced immediately.
LUBRICATION
The ball bearings used on the cutter spindle have been
packed with lubricant at the factory and require no further
attention.
To maintain smooth and easy operation, occasionally add a
few drops of oil to the outside of the spindle assembly,
MOTOR MAINTENANCE AND LUBRICATION
1. The sleeve bearings, in both end shields of the motor,
have been lubricated at the factory with correct
lubricant. No. other part of the motor requires
lubrication.
2. Re-lubricate motor bearings in accordance with the
instructions on the nameplate. Be sure towipeoff dirtor
grit if present around oil hole caps to prevent any
possibility of foreign materia_ contaminating the oil
wicks that supply the bearings with oil Use agood grade
of medium weight mineral oil, such as automobile
engine oi!, SAE 20.
3. If disassembly of the motor is necessary, it should be
returned to your nearest Sears retail or mail-order store
in order to prevent voiding the guarantee.
4,
NOTE: The speed of this motor cannot be regulated or
changed.
Every effort should be made to prevent foreign material
from entering the motor, When operated under
conditions likely to permit accumulations of dust, dirt or
waste within the motor, avisual inspection should be
made at frequent intervals. Accumulations of dry dust
can usually be blown out successfully.
NOTE; Motors used on wood-working tools are
particularly susceptible to the accumulation of sawdust
and wood chipsand should be blown out or "vacuumed"
frequently to prevenI interference with normal
ventilation and proper operation of the centrifugally-
operated starting switch.
SEARS RECOMMENDS THE FOLLOWING ACCESSORIES
[TEM CAT. NO,
Casters ....................................................... 9-22222,9-22221
Shaper Collar Set ............................................... See Catalog
Shaper Cutters ................................................... See Catalog
Push Blocks ................................................................ 9-2299
Miter Gauge .............................................................. 9-29929
Miter Gauge Hold Down ............................................ 9-29928
"Power Tool Know How" handbook .......................... 9-29117
Universal Jig ............................................................... 9-3231
Sears may recommend other Accessories not listed in
manual.
See your nearest Sears Store or Catalog Deparlment for
other Accessories,
Donot use any Accessory unless you have recelved and
read complete Instructions for its use.
19

TROUBLE SHOOTING
WARNING: For your own safety, turn switch "off" and remove plug
from power source outlet before trouble shooting your shaper.
TROUBLE
._ ...
Spindle
Assembly actuates
too hard.
Cuttercomes100s.
during operation,
Cutter slowdown
duringoperation.
Binding of Fence
Boardswhen adjusting
in or out.
Shaper producesragged
or ripple cuts.
Shaper producesa
smooth cut, but does
not hold a straight edge.
ShapeVariesacross
width of board.
PROBABLE CAUSE
Set screwengaging slot
inspindle assembly
too tight.
Keyed washer not
properly installed.
1. Work being fed too
rapidly.
2. Insufficient belt
tension.
REMEDY
ii i iii
Tighten screw then back it off 1/4 turn, Adjust until
action issmooth without end play.
El I J II I
The keyed washer must always be used directly under
the nut.
3. Glazed be{t
Bottoms of fence faces
striking table.
1. Feed work through more slowly to allow cutter to
remove stock smoothly.
2. Loosen motor mount plate bolts and move motor
slightly toward rear of shaper until belt tension is
correct, tighten bolts.
3. Replace bert.
Loosen the two screws through front of face, raise it
slightly and tighten screws.
1. Apply sufficient hand pressure in both
directions or revise Auxiliary Fence/Work
Support (pg. 15) accordingly.
2. Maintain continuous feed.
3. Sharpen or replace cutter
4. Adjust belt for proper tension.
5. Replace or resharpen cutter.
1. Work piecenot being
held firmly against
fence and/or table.
2. Interrupted feed
past cutter.
3. Dull cutter.
4. Belt slipping - causing
cutter speed to vary.
5. Cutter blades not
concentric. (Blade
segmentshave uneven
lengths.)
6. Work beingfed too
rapidly.
7. Quality of wood not
sufficient to produce
desired results.
6. Feed work through slow enough to produce
smooth cut.
?. Use a better grade of material.
......... i
1. Fence faces improperly 1. Adjust fence faces.
2. Tighten spindle assembly lock knob.
set.
2. Spindle Assembly lock
knob not tight.
3. Workpiece not held
snuglyagainst fence.
4. Work piece not held
snugly against table.
5. Work being fed to
rapidly.
6. Attempting to remove
more material than
required to produce
desired shape.
7. Fence loose on table.
UL,I,,IIIHII I I I I I I
1. Work not held
securely to miter
gaugeand!or to
table.
2. End of workpieee
not parallel with
miter gaugeslot.
3. End to be shaped
is wavy (not
straight).
,,,11, =
3. Increase hand pressure or revise Auxiliary
FencetWork Support (pg. 15).
4. Increase hand pressure or revise Auxiliary
Fence/Work Support (pg. 15).
5. Feed work through more slowly.
6. Joint workpiece to proper width before shaping edge.
7. Tighten fence.
,,,,,,,,,,,,, Hill
1. Hold work firmly against miter gauge and down
on the table.
2. Adjust miter gauge.
3. Resaw and/or joint as necessary.
•20

TROUBLE SHOOTING -- MOTOR
NOTE: Motors used on wood-working tools are particularly susceptib{e 1othe accumulation
of sawdust and wood chtps and should be blown out or "vacuumed" frequently to prevent
interference with normal motor ventilation.
TROUBLE
Excessive noise.
Motor fails to develop
full power. NOTE:
LOW VOLTAGE: (Power
output of motor
decreases rapidly with
decrease in voltage at
motor terminals. For
example, a reduction of
10% in voltage causes
areduction of 19% in
maximum power output
of which the motor is
capable, and a reduction
of 20% in voltage causes
areduction of 36% in
maximum power output.)
Motor starts slowly
or falls to come up
to full speed.
Motor overheats,
Starting switch in
motor wilt not
operate.
nii
Motor stalls
(resulting in btown
fuses or tripped
circuit breakers).
Frequent opening of
fuses or circuit
breakers,
PROBABLE CAUSE
1. Motor.
1, Circuit overloaded with
lights, appliances and
other motors,
2. Undersize wires or circuit
too long.
3. General overloading of
power company
facilities.
1. Low voltage.
2. Windings burned out or
open.
3. Starting switch not
operating.
.................. ,ill
1 Motor overloaded.
2 Improper cooling. (Air
circulation restricted
through motor due to
sawdust, accumulating
inside of saw).
ll/i i ill,_L ,
1. Burned switch contacts
(due to extended
ho]d-in periods caused
by low line voltage, etc.)
2. Shorted capacitor
3, Loose or broken
connections.
ii ii ii
1. Starting switch not
operating,
2. Voltage too low to permit
motor to reach operating
speed.
3. Fuses or circuit breakers
do not have sufficient
capacity.
L'"" _"'"_ "" ' ' ' "' _' ""
1. Motor overloaded.
2. Fuses or circuit breakers
do not have sufficient
capacity.
3. Starting switch not
operating (motor does
not reach speed).
1.
1.
3,
m|
1,
2
REMEDY
Have motor checked by qualified service
technician, Repair service is available at
your nearest Sears store.
Do not use other appliances or motors on
same circuit when using the saw.
2. Increase wire sizes, or reduce length of wiring.
See "Motor Specifications and Electrical
Requirements" section.
3, Request a voltage check from the power
company.
.i i . i _Jl_L.iw
1. Request voltage check from the power
company. Check size of circuit wiring,
2. Have motor repaired or replaced,
Have switch _eplaced.
ii i, i iii,,,,, ,, ,,,, ,H,,II ii
Feed work stower into blade.
Clean out sawdust to provide normal air
circulation through motor,
See "Maintenance and Lubrication" section.
i
1 Have switch repJaced and request avoltage check
from the power company.
2. Have capacitor tested and replace if detective.
3, .Have wiring checked and repaired,
ill.ll.,,, .,m i i ii
1, Have switch replaced.
2. Request voltage check from the power company.
3. Install proper size fuses or circuit breakers.
1. Feed work slower into blade
2. Install proper size fuse# or circuit breakers,
3 Have switch replaced.
21

REPAIR PARTS
PARTS LiST FOR CRAFTSMAN WOOD SHAPER
MODEL NO. 113.239392, 113.239400 AND 113.239420
40 41 42
33
/
35
1\
32
6
/
13
22

PARTS LIST FOR CRAFTSMAN WOOD SHAPER
MODEL NO. 113.239392, 113.239400 AND 113.239420
Always Order by Part No. - Not by Key Number
FIGURE 1
Key Part
No. No. Description
1 72008
2 60167
3 STD 523120
4 39411
5 39613
6C39290
7 39512
8 STD 551037
9 STD 541137
10 39629
t 1 STD551031
12 38799
13 39628
14 38546
15 60382
16 STD 551210
17 STD 511105
18 39215
19
20 72014
21 STD 304330
22 STD 533112
23 STD 551031
24 STD 541231
25 39217
26 4 53068
Fence Assembly (See Figure 2)
Washer, .343 x 1.062 x 1/8
"Screw, Hex Hd. 5/16-18 x 2
insert, Table
Pin, Table Dowel
Table (Includes Nameplate)
Knob, Lock
*Washer, 13/32 x 47/64 x 1/!6
*Nut, Hex, Jam, 3/8-24
Stud, Lock
*Washer, 21t64 x 718 x 1/8
Screw, Set, 3/8-24 x 3/4 Dog Pt.
Rod, Elevating
Knob
Switch Box Assembly (See Figure 4)
* Lockwasher, Internal No. 10
*Screw, Pan Hd. 10-32 x1/2
Base
Spindle Assembly (See Figure 5)
Plate, Guard
*Belt, V, 1/2 x 33
*Bolt, Carriage 5/16-18 x 1-1/4
*Washer 21/64
*Nut, Hex 5/16-18
Mount, Motor
Screw, Mach., 5/16-18 x 3/4,
Hex. Hd. w/Loekwasher
Key Part
No, No. Description
,, ,,,
27 72003
28 STD 503102
29 39230
30 STD 551037
31 STD 523710
32 39216
33 72027
34 72024
35 72025
36 STD 551231
37 STD 523112
38 72005
39 60262
40 STD 541525
41 70001
42 56634
43 72026
44 72023
45 68036
46 37435
47 37837
48 38713
- 508181
508415
- SP5427
Guard, Pulley
*Screw, Set 5/16-18 x 5/16,
Soc. Hd. Cup Pt.
Pulley, Motor, (w/Set Screw)
*Washer, 25f64 xl-9/64 x 7/64
*Screw, Hex Hd. 3/8-16 x 1
Support Table
Guard, Asm. Cutter
Support Assembly, R,H.
Support Assembly, L,H.
* Lockwasher, Internat 5/16
Screw, Hex Hd. 5/16 x 18x 1-1/4
Guard, Cutter
Grip
*Nut, Lock 1/4-28
Hub Asrn. Lock
Includes Key INo. 39 )
Stud, Nut
Arm, Guard
Holder, Guard
Hanger, Cable
*Wrench, Hex., 1/4
*Wrench, Hex., 5/32
Wrench
Bag of Loose Parts (Not Illus)
Bag of Loose Parts (Not II/us)
Owners Manual (:Not |llus)
*Standard Hardware Items - May be Purchased Locally.
23

PARTS LIST FOR CRAFTSMAN WOOD SHAPER
MODEL NO. 113.2393921 113.239400 AND 113.239420
2 1 2
!
4
6
12
456
9
\
11 10
11 10
FIGURE 2 - FENCE ASSEMBLY 72008
Key Part
No, No. Description
1
2
3
4
5
6
7
9
t0
11
t2
72008
STD 511005
38711
38612
18451
38413
38531
38110
38533
STD 512507
STD 551012
38532
Fence Assembly Complete
*Screw, Pan Hd., 10-24 x 1/2
Bracket, Retaining
Knob, Adjusting
Washer, Spring
Frame
Knob
Shoe Assy., Fence
Plate, Work Face (Right)
*Screw, Pan Hd., 1/4-20 x 3/4
*Washer, Plain, t/4
Plate, Work Face (Left)
*Standard Hardware Item - May be Purchased Locally.
• L24

PARTS LIST FOR CRAFTSMAN WOOD SHAPER
MODEL NO. 113.239392, 113.239400 AND 113.239420
Key
No.
1
2
3
4
5
6
7
8
9
10
11
43
r1
FIGURE 3 - LEGS
Part
No.
820040
60314
STD541025
STD551225
66060
72030
68059
62615
STD610805
STD541237
803835-1
60841 t
DescrlptTon
Leg
*Screw, Truss Hd. 1/4-20 x 5/8
*t Nut, Hex 1/4-20
*f Lockwasher, 1/4 External
Channel, Support
Stiffener
Stiffener, Side
Stiffener, End
"I" Screw, Pan Hal. Ty. A N8 x 1/2
*t Nut, Hex Hd. 3/8-16
t Foot, Leveling
Bag of Loose Parts (Not lllus)
HARDWARE FOR MOUNTING TOOL
- STD523130 1- Screw, Hex Hd. 5116-18 x 3
- STD551131 *t Lockwasher, 5/16 External
- STD541231 *t Nut, HexJam 5!16-18
- STD551031 * Washer, 11/32 ID
"Standard Hardware Item - May be purchased locally.
1 These parts contained in Loose Paris Bag #,508411.
25

PARTS LIST FOR CRAFTSMAN WOOD SHAPER
MODEL NO. 113.239392, 113.239400 AND 113.239420
3
6
78
/
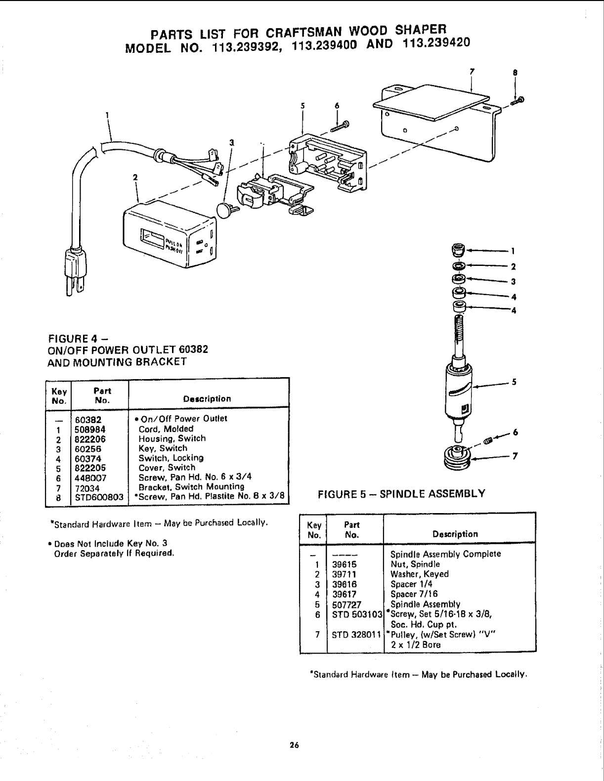
FIGURE 4 -
ON/OFF POWER OUTLET 60382
AND MOUNTING BRACKET
Key Pa_
No, No.
-- 60382
1 508984
2 822206
3 60256
4 60374
5 822205
6 448007
7 72034
8 STD600803
Description
•On/Off Power Outlet
Cord, Molded
Housing, Switch
Key, Switch
Switch, Locking
Cover, Switch
Screw, Pan Hd. No. 6 x 3/4
Bracket. Switch Mounting
"Screw, Pan Hd. Plastite No, B x 3/8
_Standard Hardware Item - May be Purchased Locally.
• Does Not Include Key No. 3
Order Separately If Required,
FEGURE 5 - SPINDLE ASSEMBLY
ii, ,, ,,,
Key Part
No. No. Description
! 39615
2 39711
3 39616
4 39617
5 507727
6 STD 503103
STD 32801ti
Spindle Assembly Complete
Nut, Spindle
Washer, Keyed
Spacer 1/4
Spacer 7/16
Spindle Assembty
"Screw, Set 5/16-t8 x 3/8,
Soc, Hd, Cup pt,
"Pulley, (w/Set Screw) "V"
2x1/2 Bore
'Standard Hardware Item -May be Purchased Locally.
26

J
PARTS LIST FOR CRAFTSMAN WOOD SHAPER
MODEL NO. 113.239392, 113.239400 AND 113.239420
3
4/
FIGURE 6 - MOTOR PARTS LIST
ANY ATTEMPT TO REPAIR THIS MOTOR MAY CREATE
A HAZARD UNLESS REPAIR IS DONE BY QUALIFIED
SERVICE TECHNICIAN,
REPAIR SERVICE IS AVAILABLE AT YOUR NEAREST
SEARS STORE
Key Part
No. N o, Description
9-12008
820041
820152
60306
64068
64258
tMotor, 1/2 H.P. (Complete)
Motor, 3/4 H.P. (Complete)
Motor, 1 H.P. (Complete)
Screw, 8-32 x318, Thread Cutting,
Slotted, Serrated Hd.
Cover, Terminal
Cord with Plug
tStock Item may be secured through the Hardware
Department of Most Sears Retail or Cata!og Order
Houses,
iill ....
MOTOR CONNECTIONS
WARNING: FOR YOUR OWN SAFETY, NEVER
CONNECT PLUG TO POWER SOURCE OUTLET UNTIL
ALL ASSEMBLY STEPS ARE COMPLETED,
1. Open motor connector box cover located on left end of
motor (viewed from rear of sawl using a flat blade
screwdriver,
2. Remove GREEN SCREW and Iockwasher and insert
screw through round metal terminal on the end of the
GREEN wire of power cord with Iockwasher between
terminal and motor frame, (See illus.)
3. Reinsert GREEN SCREW in the tll.readed hole, Tighten
securely,
4. Insert terminal end of WHITE wire on spade terminal
marked T4 on the motor. Push terminal firmly until
seated.
5. Insert terminal end of BLACK wire on spade terminal
marked T1 on the motor. Push terminal firmly until
seated.
6. Close motor connector box being sure that power cord is
seated in the largest strain relief groove, and tighten box
cover screws.
TERMINAL
GREEN ._
INTERNAL\ _/
LOCKWASHER _
BLACK WIRE TO
TERMINAL T1
EEN WIRE
NSCREW
STRAIN RELIEF
i!
_WHITE WIRE TO
L T4
27

...... i i
..... lu i i i i.i
SEAIRS
owners
manual
SERVICE
MODEL NO.
113.239392
SHAPER WITH STEEL
LEGS AND 1/2 H.P.
MOTOR
113.239400
SHAPER WITH STEEL
LEGS AND 3/4 H.P.
MOTOR
113.239420
SHAPER WiTH STEEL
LEGS AND 1 H.P. MOTOR
HOW TO ORDER
REPAIR PARTS
IF YOU NEED
REPAIR SERVICE
OR PARTS:
For Repair Service, Call this
Toll Free Number:
1-800-4-REPAIR
(1.800.473-7247)
For replacement parts informa-
tior_and ordering, call this toll
free number:
1-B00-FON-PART
(1-800-366-7278) _.,#
WOOD SHAPER
Now that you have purchased your wood shaper,
should a need ever exist for repair parts or service,
simply contact any Sears Service Center and most
Sears, Roebuck and Co. stores. Be sure to provide all
pertinent facts when you call or visit.
The model number of your wood shaper will be found
on a plate attached to your wood shaper on the front
of the table.
WHEN ORDERING REPAIR PARTS, ALWAYS GIVE
THE FOLLOWING INFORMATION:
PART NUMBER PART DESCRIPT!ON
MODEL NUMBER
113.239392
113.239400
113.239420
NAME OF ITEM
Wood Shaper
All parts listed may be ordered from any Sears Service
Center and mostSears stores. If the parts you need
are not stocked locally, your orderwill be electronically
transmittedto a Sears Repair Parts Distribution Center
for handling.
Sears, Roebuck and Co., Hoffman Estates, IL. 60179 U.S.A.
Part No. SP5427 Form No. SP5427-3 Printed in U.S.A. 3195