Craftsman 113298030 User Manual 10 INCH TABLE SAW Manuals And Guides L1001152
CRAFTSMAN Saw Table Manual L1001152 CRAFTSMAN Saw Table Owner's Manual, CRAFTSMAN Saw Table installation guides
User Manual: Craftsman 113298030 113298030 CRAFTSMAN CRAFTSMAN 10-INCH TABLE SAW - Manuals and Guides View the owners manual for your CRAFTSMAN CRAFTSMAN 10-INCH TABLE SAW #113298030. Home:Tool Parts:Craftsman Parts:Craftsman CRAFTSMAN 10-INCH TABLE SAW Manual
Open the PDF directly: View PDF .
Page Count: 44

_,,_ _r_ ,_ _ _
_oJ_ b_ S_A_S ROEB@CK A_D CO

I'I_I.
GENERAL IAFE INITRUCTIONt
i idll i i iio_
G ROU_ D °--..L "I©OLII
BI: IllllJ
i i i,_i i+61 ii .............
,I _II, P I::IUA:IIDS I_ :FL_X]I
ABI[} Vll ENCHI:I
! IIII W©II AlIA [LIAII
II ii; _+i i i_ i@ i
11!/t;_1_' */I"ll_ II¢I_IIl +t¢>L!l _ )1
Ik, i:_=I;IIIL_:'IRI£I AWAI
tl%C/_ II'ill'l'l #i
t, D{I_°I F©!(:f ]C_?L
I_I ,/WI: t/ I
IB_ _AIIIIAII [©I}L:II WIY_I¢ [:AII£
lli [_II i i
.,., = <+... .............. ,,,. .,,
B _IS{,I/I_'!'_Nfl I TOOLS
11_. AV lID A :IZI@I_ IAI :S'I'A!R l'IIa{i
I_ I IP I II@:I
fl. LII£¢L_:I_tI¢IBI _,= .........
22 _aE°_ ER _£Avt _{_Ja 6111:_1111%__
- =
_I I) I' 
ADDITIONAL SAFETY INSTRUCTIONS
FOR BL8
£l,] I III]
KBA_,!
] ,_+_I l;Y r
II'I
IkIl ;+,e' I
_2 'WI'_II_ _L_II tlWI i II}{_}L:}D

PI=II.]III
lltl: l:!I lJ, IIEllllIl I ;f l?f'll II I RI GI!IOIJII
IN;
SPECIFIC tONS AND
ELECTR$CAL REQUIREMENT S
L
,#,.b4.}
_@I ¸_ _w _I_ I]_ _#_k_&
f_
_L lli Iv"l

L_
iii i,= _,, r<,_.t =_ I%[I71P
=
__I_ _ iT "_!
_0 i<017"i
,<¢ l_,.t k_=i
II'£11{-_ BII.I I - IO'T6_Tt[IN
i},
IV€ I I/H ]k ]
=
.%! J } 1_;) 7_
........... ill _72{
It]

UNPACKING AND CHECKING C@NTEN]S
IEI
_i_ ¸ _ _i_
r*ll[p _ l_,A's,_ +, I.I
_°
/
@

J
A_
ASSEMBLY
" l.f;¢ I iI=l I _ +,_
ill _i, ,_=i i
_<]IiIi lli)llll#_=ll_II'!! 111'I _illllI
ii!i_ i

t1_1 <
j
=
............. _,f f7 7;_+_wl I
f
_n_ _h_l_ _b_ _'_I_ 7_"ffl'_!,,-

....I..................
_@_t__ _ _,_ _t_

_@_ _,_,_ _ ............. _ _,_s_. _. _,_ _ _
o ............

"_'TJ_ _ _L/_ _ _ _ _ _
_'_ _¢_ _' "_'_ I_" _I_ ,_J
ii +
J

&LI [I!_I_Ii III I I_CI
.,., ._ _ = ilW
N
[Iii!I I II _ I'Ii_I_II
i i _17111 I III L i_I

_P_'I_i_'_ __ _I_4_',' @_I_'__=_,__ I_'_ _ II_ a_
\
_}g*i<%1>}}g
£111s L Fi_'llIW {_[I 6111 ®1,1/, I / .....
............. III Igl// ,1¢/ //! 'IW_
t/ltll_ gill /

ILA@I [_I,JAI'_T] IILIP_
\
S I!'_
II , INk,X t_A[ I_;N 1811
j'='"_ .........

...._ ,_@_=_,_ @iI_i_i __!, _,_ ...... _ ,_ iil: t'__f_"_
t 'L ,LI__._ ,_'t'_•• _,_a,_,_,,,_' _"I_ _f__I. ,,_,_%;_,,,__m@,i_:_ _I
w
k_ ......
£
I£

I:i{1tfI
,,it ;
i ii,!f
I14_I
H,
IIFl"l'I_,%[££_i I _@It111}
,=
lI/_#=}ll]II ,;}IIIIII ...... !_ _ ,!<A ,,7*'-_l_II >i,* i -
:£' 'l!i 4

_ +_I_F_ _T_ _ __ _ _ _ T • _,_ _I_
....... _'_ _'_ _1_ _ _ _,_/!_ _
%
o

l,=l_@'Ill')l'l I[,Y .IUAIIJ IJ_IfS{ll] II'III,/;II, IIIIY
[I_ill4 ;_II +Ill _f;_11t;/1
t}
I
_s _ll,Illl Iii'11 01 l_I P_I.}L_oo£ 'I
/I_1_tl /J//I*/tt//I / t" /Sl// 6=6_
II I l<ll_II I_II!I IIll+il_l =

_ie_S _t_i'_i _ _'_q ..........._s i_ b_H_i_m 8,_¸ ,_,_i i_i_
_Sa_eT@S

G ING TO YOUR SA
_C

I_'*= ,_+Sl iI
WI *°
I_r=I la II _ilil_ I 'llll I I I II I_I'I

_i_¸i
£ili I =_===_,I_I,I111)
41 IIlli ""IIIl];
I_o,V:

BASIC SAW OPERATION
USING THE _ITER GAUG_
CRO£,I;SQLITWI_I= Illl@_ii _]IIT'IIII(I, ,IIIJII ]l.J_l_$
I
ii i i =i [II ll+i o,..
WIAI{_I/@G #_g:_ YI_UH S,AF:ET _ ALWAYS
i,, 1111+'1 I' I @,4_[_"i ll&l_ll
<! i i, _.,,, _i,,, 1.11141 IIIii J£ 11,_,
....... "...... I;&'l@_ ............
h,IJ_
IVI@I,'I_ 111 I I }fill __i_.lI°P _:_.=
I 11 I /

_ :r,_ _" _o_
........ g_4 _g'

X
/?
POIJ_O MITER E_TTI_{]

USING THE R_P _ENCE
/
°,l,IId 11_iI0 I%£11_i ...... [:_L ABdRI ....
IIII# tl = _,*+,__- ll<'k_l_lt? !
....... Jl + i =--
'o1 - 11 It_l I I'_;,,@i +Ii=I IIIW! !1:! it IIIII
,i-° :j
IIll,l II'PI _ _@I_
d )
IS÷ ................j

..... _I II'I " _211¢1!_
6
...... _=_._= ===,,.. I:IIINII W&I
I'I :!I

IIIIl[lI L;I7IIIIIllIlll!_I IIIIIII
<111t IIill Ill" I/ =I=
=*_ TALL I_£1,__D£ _I...1_,I_ IDI liLY k1*4_,%;_
S..+_ _"
J/

ADJU STMENTS
£II TAR _AUGE
I_ _ I11_ _ _;_ 'I:_
.......... IB, u, °1_%
u ii i ii,,.
i=
........ ,_1,11 II'!i
l,l!l_i IIIII _WI! ........
I if!l> i_=Ii_
!" 611tE2/ t11 _'=_±; _ _ I{111 l@_/If IfIItQf:
/i:I'

i%1%1111111 i_i =i
II I II I I l:J_ I I"
_lI tt ! I1 t% tWt,
I
...... : I
ii
ll:IT I/[g/'/=l .... Ill I_llllI II llll_}_Igll{J_ IiRIl
_lllI = WI/"II ii,I_I///t I/t_;_/
OF BLAD:g T_ TABL_
_..I_! /:1t'_ I tI>_ kll{;U}41 lilI _R if .,_o
;I/II]I.211LI]I I IIII I_I I:I" J ......
kl
_>=, < ,{'

,Ii@I£ IIII 'Ii
/#/I I 11
£ I
I_#VII'II
=...
=,,. =. I%?," _+=_
I;lt/l
IJ[/ 111< t'ltl * 11711*'IQI i11)I f'111111 }Ii_I II i_,I =
II'I t_ I !,)
%'_. I II, I
•)_" [;I)i _;A';: I
\%.0 , " '_ ! I
-91
......// _) \

'; "°':C ...........
_A_NTENANCE

LU BR i CATIO N
.......,_ _
I'
_,. _,_
/-L: ;,i
RECOMMENDED ACCESSORIES

SHOOTBHG
III III I_III
--6;i =++++°°+=
t +/_ //l/J tl!t/f "t
TI©UBLE SHOOTING -- QINIIAL
iii_ _I iii i,ii I
1. 11411111 I@III I I II
I IIi_II I_I_ II'_IiIIII
......... .111 ii 1/1t I II+I IlWl
llI 'II*ll_ I
_%.+1 iII11+Ii_I'iI%" _IIEI}I%¢I "+_IIiI +;<_.<_
I_¢_IIIII ¢ II{%,I16,i_II. Iii
--+
+__
TIOUILI SHOOTING
_+_'_,+++ IIiII?II II!Ii)'I! 11111'4 1111111111 [lllu¢l.ll III
II@BAIL£I 8A_3'SE
ZIU rl_fSli_l l:kll I
+'@_?lllltklS,. I II_I _,i%rn:_
if_d lJllI:l"i[ll Ii_@_'_ I,_ ..........
II%_II_IP@I['I l_llllel @[ _i:t!ltt
IQi,I'!I%ilI:IW% I:l I, I11 !IgIlldi_'_ _I ........
I%1_161<.I I I.'_
%1 Iii_i i%116_I II !1_III[1% = I
+ +_++
III ©*I ++++[k+%+,+,
+, +++t+++++ +_+++t+++++++'q+ +++++,,+++_ _ ++ ++a+ +_++_m+l+++

TROUBLE SHOOTING MOTOR °Com, mued_
ll'IIIi IIII I{II[1)_ _]WI?_
llLll I I "=.....
IIlT'_llliIIII]l: _IG]I*III " 1,_

!

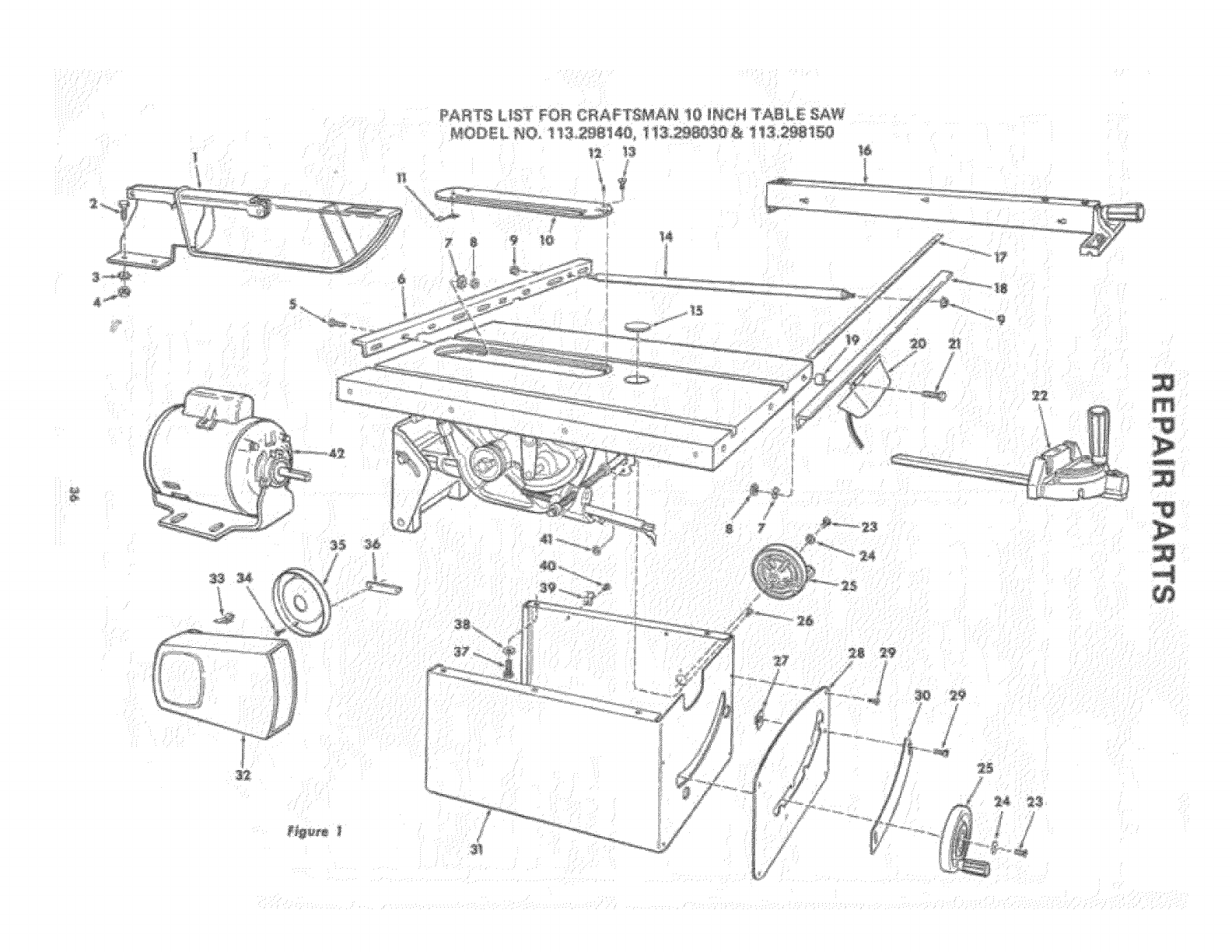
F!@L1BE ! _AB_S LI$]
_6
S_D 5_}1231
_2S_}2
133
gS
_269_
w Fs _s 032_
...... 3:
_-1_ _t_<_
I
f
62{_B9
80315 <
_.sST{S
62
_£}265
_TD Sg_ 86
882 _s
_3 _S4
4_4
<,_/7_ _t _'_"
I
ST© 6S._Y_S
@ _e
_9 o 8_FP:ts _P _ t(_d

_AITS L!ST _0_ _o i_sH TASk_ESA_v
_SO@EL:_a@i_S:S SaOSSS 8S@-aSSS£_S_@
a 5 8
IS
/
J

_sOO_ik _O IIS,_ 1_6 _s3. 3_@ l}_zgB!_S
_£GU_ 2 PAS_S k_ST
92
2
S
b
Sxy_i 3;_8_s
3}i I '7_K_S
P@,_I
_ P
0
i
L_k_
]
3 a
7
TC_ 86_!_
Si! _iG,sO?t,
L...........
rLs /_-
_8

PART_ k _T _©_ _:HAFTSMA:_ _0 _CN TA_ _ _AW
............ _7
_0
_{_U_g 3 82705 F_INC8 A_gE_BLY

_A_TS L_ST !F@_ G_AFTSMA_ !g _i0H _ABLZ SA_
..... UH_ a _ 8270a _Ti_ (_AUG8 A_MB:Z_V
,_£,_ _4_,_q_s _h_ ;_ !_,,';_,_,_,,_

_Q
: IH£:: ,= _2_z ,SWITCh4 II©X #@;51:MILY
i i ii _i
I I] I_i', _ I.
t'_Za:l£1
, . ==
;a£;_ i
IIII
I!+_VI'}
i_;',I ]
ill. [I+!# Ii.iii F'IIII I

MI2['IIL _[I. I'13.11913a_ 111°291=_3Q _ _ 132'! I]!_U
_j ...............
]
F_GURE _ .......TAIl E £,×_'£N_}ION I,U?==I.IRI
WIIH lOIIL Ill,l! I A
SERVICE
MODEL N_
1] 3o298140
_AW LY
!l&2981SO
REPAIR PARTS
Sold Do
10 _NCH TABLE SA_ _
PART N IMB_R