Craftsman 137218020 User Manual TABLE SAW Manuals And Guides L0604856
CRAFTSMAN Saw Table Manual L0604856 CRAFTSMAN Saw Table Owner's Manual, CRAFTSMAN Saw Table installation guides
User Manual: Craftsman 137218020 137218020 CRAFTSMAN TABLE SAW - Manuals and Guides View the owners manual for your CRAFTSMAN TABLE SAW #137218020. Home:Tool Parts:Craftsman Parts:Craftsman TABLE SAW Manual
Open the PDF directly: View PDF
.
Page Count: 29

Operator's Manual
10 in. TABLE SAW
WITH LEG SET
Model No. 137.218020
CAUTION:
Before using this Table Saw,
read this manual and follow
all its Safety Rules and
Operating Instructions
•Safety Instructions
• Installation
• Operation
• Maintenance
• Parts List
Customer Help Line
For Technical Support
1-800-843-1682
Sears Parts &
Repair Center
1-800-488-1222
Sears, Roebuck and Co., Hoffman Estates, IL 60179 USA
Visit our Craftsman website: www.sears.com/craftsman
Part No. 137218020001

SECTION PAGE
Warranty ........................................................ 2
Product Specifications .................................... 2
Power Tool Safety ........................................... 3
Table Saw Safety ............................................ 4
Electrical Reuirements and Safety .................. 5
Carton Content ................................................ 6
Know Your Table Saw .................................... 8
SECTION PAGE
Glossary of Terms ........................................... 9
Assembly and Adjustments ............................. 10
Operation ........................................................ 18
Maintenance .................................................... 22
Troubleshooting Guide .................................... 23
Parts List ......................................................... 24
Push Stick Pattern ........................................... 28
ONE-YEAR FULL WARRANTY ON CRAFTSMAN TOOL
If this Craftsman tool fails due to a defect in material or workmanship within one year from the date of purchase,
CALL 1-800-4-MY-HOME® TO ARRANGE FOR FREE REPAIR (or replacement if repair proves impossible).
If this tool is used for commercial or rental purposes, this warranty will apply for only ninety days from the date of
purchase. This warranty applies only while this tool is in the United States.
This warranty gives you specific legal rights, and you may also have other rights, which vary, from state to state.
Sears, Roebuck and Co., Hoffman Estates, IL 60179
MOTOR
Type .......................................................... Universal
Amps ......................................................... 13
Voltage ...................................................... 120
Hz .............................................................. 60
RPM (no load) ........................................... 4500
Thermal Overload Protection .................... YES
SAW
Rip Capacity ................................. 10-7/8 in L & 9-1/2 in R.
Blade Size .................................... 10 in.
Blade Arbor Size .......................... 5/8 in.
Maximum Cut Depth @ 90° .......... 3 in.
Maximum Cut Depth @ 45° .......... 2-1/2 in.
Maximum Diameter Dado ............. 6 in. (Stackable only)
Maximum Dado Cut Width ............ 1/2 in.
I_i, WARNING I
To avoid electrical hazards, fire hazards or damage to the table saw, use proper circuit protection.
This table saw is wired at the factory for 110-120 Volt operation. It must be connected to a 110-120 Volt /
15 Ampere time delay fuse or circuit breaker. To avoid shock or fire, replace power cord immediately if it is
worn, cut or damaged in any way.
Before using your table saw, it is critical that you read and understand these safety rules. Failure to follow
these rules could result in serious injury to you or damage to the table saw.

GENERALSAFETYINSTRUCTIONS
Readandunderstandall theinstructionsbelowbeforeusingthe powertool.Thesesafetyinstructionsare not
meantto covereverypossibleconditionthat couldoccur.As with anypowertool, commonsense,vigilance
andduecaremustbe used.
2.
3.
READ and become familiar with this entire
Operator's Manual. LEARN the tool's applications,
limitations and possible hazards.
[,A WARNING J
Look for this symbol that identifies important
safety precautions. It means BE ALERT! YOUR
SAFETY IS INVOLVED!
NEVER OPERATE THIS MACHINE WITHOUT THE
SAFETY GUARD IN PLACE FOR ALL THROUGH-
SAWING OPERATIONS.
adjusting wrenches are removed from the tool
before turning ON.
16. NEVER LEAVE TOOL RUNNING UNATTENDED.
TURN THE POWER OFF. Do not leave the tool
before the blade comes to a complete stop.
17. NEVER STAND ON TOOL. Serious injury could
occur if the tool is tipped or if the cutting tool is
unintentionally contacted.
18. DO NOT OVERREACH. Keep proper footing and
balance at all times.
4. DO NOT USE IN A DANGEROUS ENVIRONMENT
such as damp or wet locations or in the rain. Keep
work area well lighted.
5. DO NOT use power tools in the presence of
flammable liquids or gases.
6. KEEP WORK AREA CLEAN. Cluttered areas and
benches invite accidents.
7. KEEP CHILDREN AWAY. All visitors should be
kept at a safe distance from the work area.
8. DO NOT FORCE THE TOOL. It will do the job
better and safer if used at the rate for which it was
designed.
9. USE THE RIGHT TOOL. Do not force the tool or
attachment to do a job for which it is not designed.
10. WEAR PROPER APPAREL. DO NOT wear loose
clothing, gloves, neckties, rings, bracelets or other
jewelry that may get caught in moving parts. Non-
slip footwear is recommended. Wear protective hair
covering to contain long hair.
11. WEAR A FACE MASK OR DUST MASK. Sawing,
cutting and sanding operations produce dust.
12. DISCONNECT TOOLS before servicing and when
changing accessories, such as blades, cutters, etc.
13. REDUCE THE RISK OF UNINTENTIONAL
STARTING. Make sure the switch is in the OFF
position before plugging tool into the power supply.
19. MAINTAIN TOOLS WITH CARE. Keep tools sharp
and clean for most efficient and safest performance.
Follow instructions for lubricating and changing
accessories.
20. CHECK FOR DAMAGED OR LOOSE PARTS,
Check for alignment of moving parts, binding
of moving parts, loose mounting and any other
conditions that may affect its safe operation. A
guard or other part that is loose or damaged should
be properly adjusted, repaired or replaced.
21. MAKE WORKSHOP CHILDPROOF with padlocks,
master switches or by removing starter keys.
22. DO NOT operate the tool if you are under the
influence of any drugs, alcohol or medication that
could impair your ability to use the tool safely.
23. USE A DUST COLLECTION SYSTEM whenever
possible. Dust generated from certain materials can
be hazardous to your health and, in some cases,
a fire hazard. Always operate the power tool in a
well-ventilated area with adequate dust removal.
24. ALWAYS WEAR EYE PROTECTION, Any power
tool can throw debris into your eyes that could
cause permanent eye damage. ALWAYS wear
safety goggles (not glasses) that comply with ANSI
safety standard Z87.1. Everyday glasses have only
impact resistant lenses. They ARE NOT safety
glasses.
NOTE: Glasses or goggles not in compliance with
ANSI Z87.1 could cause serious injury when they
break.
14. USE ONLY RECOMMENDED ACCESSORIES.
Consult the Operator's Manual for recommended
accessories. The use of improper accessories may
cause injury to you or damage to the tool.
15. REMOVE ADJUSTING KEYS AND WRENCHES.
Form the habit of checking to see that keys and
25. DIRECTION OF FEED. Feed work into a blade or
cutter against the direction of rotation of the blade or
cutter only.
26. DO NOT loan your tool to a neighbor or
friend without providing him/her with the
Operator's Manual. Be sure he/she learns the tool's
applications and possible hazards.

2.
3.
4.
ALWAYS USE SAW BLADE GUARD, splitter
and anti-kickback pawls for every through-sawing
operation. Through-sawing operations are those
in which the blade cuts completely through the
workpiece when ripping or crosscutting. Always be
sure blade guard is tightened securely.
ALWAYS HOLD WORK FIRMLY against the miter
gauge or rip fence.
ALWAYS USE a push stick, especially when ripping
narrow stock. Refer to ripping instructions in this
Operator's Manual where the push stick is covered
in detail. A pattern for making your own push stick is
included on page 28.
NEVER PERFORM ANY OPERATION
FREEHAND, which means using only your hands
to support or guide the workpiece, Always use
either the fence or the miter gauge to position
and guide the work.
IA DANGER I
FREEHAND CUTTING IS THE MAJOR CAUSE OF
KICKBACK AND FINGER/HAND AMPUTATIONS.
NEVER USE THE MITER GAUGE AND FENCE
SIMULTANEOUSLY.
12. PROVIDE ADEQUATE SUPPORT to the rear
and the sides of the saw table for long or wide
workpieces.
13. AVOID KICKBACKS (work thrown back towards
you) by keeping the blade sharp, the rip fence
parallel to the saw blade and by keeping the splitter,
anti-kickback pawls and guards in place, aligned
and functioning. Do not release work before passing
it completely beyond the saw blade. Do not rip work
that is twisted, warped or does not have a straight
edge to guide it along the fence. Do not attempt to
reverse out of a cut with the blade running.
14. AVOID AWKWARD OPERATIONS and hand
positions where a sudden slip could cause your
hand to move into the saw blade.
15. NEVER USE SOLVENTS to clean plastic parts.
Solvents could possibly dissolve or otherwise
damage the material. Only a soft damp cloth should
be used to clean plastic parts.
16. MOUNT your table saw on a bench or stand
before performing any cutting operations. Refer to
ASSEMBLY on page 10.
5. NEVER STAND or have any part of your body in
line with the path of the saw blade. Keep your hands
out of the saw blade path.
6. NEVER REACH behind or over the cutting tool for
any reason.
7. REMOVE the rip fence when crosscutting.
8. DO NOT USE a molding head with this saw.
9. FEED WORK INTO THE BLADE against the
direction of rotation only.
10. NEVER use the rip fence as a cut-off gauge when
crosscutting.
11. NEVER ATTEMPT TO FREE A STALLED SAW
BLADE without first turning the saw OFF. Turn
power switch OFF immediately to prevent motor
damage.
17.
18.
19.
20.
NEVER CUT METALS or materials that may make
hazardous dust.
ALWAYS USE IN AWELL-VENTILATED AREA.
Remove sawdust frequently. Clean out sawdust
from the interior of the saw to prevent a potential fire
hazard.
NEVER LEAVE THE SAW RUNNING
UNATTENDED. Do not leave the saw until the
blade comes to a complete stop.
FOR PROPER OPERATION follow the instructions
in this Operator's Manual entitled OPERATION
(Page 18).
NOTE: On machines with no stand or if stand is not
being used, a hole approximately 11 in. square must
be cut under saw to allow sawdust to fall through.
Failure to cut this hole will allow sawdust to build
up in the motor area, resulting in a fire hazard and
potential motor damage.

GROUNDING INSTRUCTIONS
IN THE EVENT OF A MALFUNCTION OR
BREAKDOWN, grounding provides a path of least
resistance for electric currents and reduces the risk of
electric shock. This tool is equipped with an electrical
cord that has an equipment-grounding conductor
and a grounding plug. The plug must be plugged
into a matching receptacle that is properly installed
and grounded in accordance with all local codes and
ordinances.
DO NOT MODIFY THE PLUG PROVIDED. If it will not
fit the receptacle, have the proper receptacle installed
by a qualified electrician.
IMPROPER CONNECTION of the equipment grounding
conductor can result in risk of electric shock. The
conductor with the green insulation (with or without
yellow stripes) is the equipment grounding conductor.
If repair or replacement of the electrical cord or plug is
necessary, do not connect the equipment grounding
conductor to a live terminal.
CHECK with a qualified electrician or service person
if you do not completely understand the grounding
instructions, or if you are not certain the tool is properly
grounded.
USE only three-wire extension cords that have three-
pronged grounding plugs with three-pole receptacles
that accept the tool's plug. Repair or replace damaged
or worn cords immediately.
GUIDELINES FOR EXTENSION CORDS
USE THE PROPER EXTENSION CORD. Make sure
your extension cord is in good condition. Use an
extension cord heavy enough to carry the current your
product will draw. An undersized cord will cause a drop
in line voltage resulting in loss of power,
overheating and burning out of the motor. The table on
the right shows the correct size to use depending on
cord length and nameplate ampere rating. If in doubt,
use the next heavier gauge. The smaller the gauge
number, the heavier the cord.
+LvJII_liLY+LuJ+v+I[_.,tu[_]=11_o]=tI=Kq| =1_,[,.![o]_,1[_o] ;1B_![_]
Make sure your extension cord is properly wired and in
good condition. Always replace a damaged extension
cord or have it repaired by a qualified technician before
using it. Protect your extension cords from sharp
objects, excessive heat and damp or wet areas.
Use a separate electrical circuit for your tool. This circuit
or a #14 wire with a 15 A time-lag fuse. NOTE: When
using an extension cord on a circuit with a #14 wire, the
extension cord must not exceed 25 feet in length. Before
connecting the motor to the power line, make sure the
switch is in the off position and the electric current is
rated the same as the current stamped on the motor
nameplate. Running at a lower voltage will damage the
motor. This tool is intended for use on a circuit that has
a receptacle like the one illustrated in Fig. 1.
Fig. 1 shows a three-pronged electrical plug and
receptacle that has a grounding conductor. If a properly
grounded receptacle is not available, an adapter (Fig. 2)
can be used to temporarily connect this plug to a two-
contact grounded receptacle. The adapter (Fig. 2) has a
rigid lug extending from it that MUST be connected to a
permanent earth ground, such as a properly grounded
receptacle box.
CAUTION
In all cases, make certain the receptacle is properly
grounded. If you are not sure, have a qualified
electrician check the receptacle.
CAUTION
This tool is for indoor use only. Do not expose to
rain or use in damp locations.
Fig. 1Three-Pronged Plug
g Prong
Properly Grounded
Three-Pronged Receptacle
Fig. 2 Grounding Lug
!_ |, Make sure this is
_ 4;_:_,_vJ._connected to a
....._ known ground.
_q , _. Two-Pronged
_,_. _":;_ Receptac e
Ad_pLu,
CAUTION
This tool must be grounded while in use to protect
the operator from electric shock.
(When using 120 volts only)
Ampere Rating
More Than Not More Than
0 6
6 10
10 12
Total length of Cord
25ft. 50ft. lOOft. 150ft.
8 16 16 14
8 16 14 12
6 16 14 12

RECOMMENDED ACCESSORIES
I_tL WARNING I
Visit your Sears Hardware Department or see
the Craftsman Power and Hand Tools Catalog to
purchase recommended accessories for this power
tool.
I,_k WARNING I
To avoid the risk of personal injury:
• Do not use adjustable (wobble) type dadoes or
carbide tipped dado blades.
• Use only stackable dado blades.
• Maximum dado width is 1/2 in.
• Do not use a dado with a diameter larger than 6 in.
• Do not use molding head set with this saw.
• Do not modify this power tool or use accessories not
recommended by Sears.
NOT SUPPLIED
Medium screwdriver
#2 Phillips screwdriver
Adjustable wrench
Combination square
[11111111111 ]
Straight edge
13 mm wrench
Separate all parts from packing materials. Check each
part with the illustration on the next page and the "Table
of Loose Parts" to make certain all items are accounted
for, before discarding any packing material.
IA,WARNINGI
If any part is missing or damaged, do not attempt
to assemble the table saw, plug in the power cord,
or turn the switch ON until the missing or damaged
part is obtained and is installed correctly.
TABLE OF LOOSE PARTS
ITEM DESCRIPTION QUANTITY
A. Table saw assembly 1
B. Blade 1
C. Blade wrenches 2
D. Miter gauge 1
E. 4mm Hex key 1
F. Guard mounting bolt, flat washer, 1
Toothed washer, oval washer,
Spring washer
G. Blade guard and splitter 1
H. Rip fence, lock handle & nut 1
1. Flat washer & dome nut 1
J. Handwheel 1
STAND
K.
L.
M.
N.
O.
P.
Q.
Short upper support 2
Long upper support 2
Short bottom support bracket 2
Long bottom support bracket 2
Leg 4
Foot Pad 4
Stand mounting hardware bag 1
NOTE: To make assembly easier, keep contents of box
together. Apply a coat of automobile wax to the table.
Wipe all parts thoroughly with a clean dry cloth. This will
reduce friction when pushing the workpeice. To avoid
injury, the styrofoam block should be removed between
the motor and the table.

UNPACKING YOUR TABLE SAW
(
CDE F G
H 1 jQ
o
K
o
"1 "
NO
P

Mitergauge Bladeguard Tableinsert Ripfence
Bevelangle
pointer& scale
Overloadreset
switch
ON/OFFswitch
withsafetykey
Bladebevellockknob
&tilting
hanwheel
Frontstand
mountingholes Stand
Blade Anti-kickbackpawls
Splitter
Rearmountingholes
Splitterbracket

ANTI-KICKBACKPAWLS-Prevents the workpiece
from being kicked upward or back toward the front of the
table saw by the spinning blade.
ARBOR -The shaft on which the blade or dado is
mounted.
located on either side of the blade. It helps make
accurate straight or angle crosscuts.
OVERLOAD RESET SWITCH - Resets the
thermocouple and provides a way to restart the saw
motor if it overloads or overheats.
BEVEL CUT - An angle cut made through the face of
the workpiece.
BLADE BEVEL SCALE - Measures the angle the blade
is tilted when set for a bevel cut.
PUSH STICK -Accessory that is used to push the
workpiece through the cut to avoid placing your hands
close to the blade.
RESIN - A sticky sap that has hardened.
BLADE ELEVATION/TILTING HANDWHEEL -Raises
and lowers the blade. Tilts the blade to any angle
between 0° and 45° for bevel cuts.
BLADE GUARD - Clear plastic cover that is positioned
over the blade while cutting.
COMPOUND CUT - A simultaneous bevel and miter
cut.
CROSSCUT - A cut made across the width of the
workpiece.
DADO - Special cutting blades that are used to cut
grooves in a workpiece.
DUST PORT - Hole in back of saw base for attachment
of vacuum hose.
FREEHAND -Performing a cut without using a rip
fence, miter gauge, hold down or other proper device to
prevent the workpiece from twisting during the cutting
operation.
GUM - A sticky sap from wood products.
HEEL - Misalignment of the blade.
JAM NUT - Nut used to lock another nut in place on a
threaded rod or bolt.
KERF - The amount of material removed by the blade
cut.
MITER CUT - An angle cut made across the width of
the workpiece.
MITER GAUGE - A guide used for crosscutting
operations that slides in the table top channels (grooves)
REVOLUTIONS PER MINUTE (RPM) - The number of
turns completed by a spinning object in one minute.
RIP FENCE - A guide used for rip cutting that clamps to
the table top. It allows the workpiece to cut straight.
RIPPING -Cutting with the grain of solid wood or along
the length of the workpiece.
SAW BLADE PATH - The area of the workpiece or
table top directly in line with the travel of the blade, or
the part of the workpiece that will be cut.
SET - The distance between two saw blade tips, bent
outward in opposite directions to each other. The farther
apart the tips are, the greater the set.
SPLITTER - Keeps the workpiece split apart after being
cut to prevent binding on the blade and workpiece.
TABLE INSERT -Insert that is removed from the table
to install/remove blades. It is also removed for dado
cutting. When dado cutting, a dado insert plate must be
used.
THROUGH-SAWING -Making a cut completely
through the length or width of a workpiece.
WORKPIECE - Material to be cut.
Leading Edge
Kerf
Surface
Saw Blade Path
Workpiece
Trailing Edge

ASSEMBLE STAND (FIG. A)
1. Unpack all parts and group by type and size. Refer
to the parts list for correct quantities.
2. Attach one long upper support (P) to top of leg (S)
using one bolt (1) and nut (2).
NOTE: Do not tighten bolts until stand is properly
aligned (see step #8 before tightening).
3. Attach other end of long upper support to top of
another leg using one bolt and nut.
4. Attach one long bottom support (R) to center of each
leg using bolt (1) and nut (2). This completes the
front frame section.
5. Assemble rear frame section in exactly the same
manner.
6. Join front and rear frame assemblies using two short
upper supports (O) and two short bottom supports
(Q), bolts and nuts.
7. Insert foot pad (T) into bottom of leg. Repeat for
each leg.
8. Place stand on level surface and adjust so all legs
are contacting the floor and are at similar angles to
the floor, and detents in stand leg align with support
brackets, then tighten all bolts.
NOTE: Stand should not rock after all bolts are
tightened.
Fig. A
ASSEMBLE TABLE SAW TO STAND (FIG. A-l)
1. Place protective cardboard or old blanket on floor to
protect the saw table surface.
2. Place the saw up side down on the protective
material (see Fig. A-1 ).
3. Position the stand up side down on the saw base.
NOTE: Make sure front of stand and front of saw are
facing the same direction.
4. Line up the four holes in saw base and stand.
5. Fasten saw to stand using four bolts (3), washers
(4) and nuts (5).
NOTE: Place washer on each bolt before inserting
into saw base and through the support. Nut must be
immediately against the bracket (see Fig. A).
6. Carefully set the saw in its upright position on a
clean level surface.
7. Tighten all four nuts.
NOTE: DO NOT OVER TIGHTEN NUTS HOLDING
SAW TO STAND. THIS MAY DAMAGE THE SAW
BASE,
WARNING I
IF THE STAND WILL NOT BE USED, DO NOT
OPERATE THE TABLE SAW ON THE FLOOR. THIS
IS A VERY DANGEROUS POSITION.
Fig. A-1
3o
s
10

SAWMOUNTED TO WORK SURFACE (FIG.B)
1. If the leg set will not be used, the saw must be
properly secured to a sturdy workbench using the
four mounting holes at the base of the saw.
2. The surface of the table where the saw is to be
mounted must have a hole large enough to facilitate
sawdust fall-through and removal.
3. Square the saw on the mounting surface and mark
the location of the four 3/8 in. mounting holes (1).
4. Drill 3/8 in. hole into the mounting surface.
5. Mark an 11 in. square (2) centered between the four
mounting holes (1).
6. Cut out and remove the square.
7. This opening will allow sawdust to fall through the
saw base.
8. Place the saw on the work surface, and align the
mounting holes of the saw with those drilled through
the surface.
9. Fasten the saw to the work surface.
I_ WARNING I
Do not operate this machine on the floor. This is
very dangerous and may cause serious injury.
Fig. B
CUTOUT
I_k WARNING I
Failure to provide the sawdust fall-through hole for
use of the saw when mounted to a worksurface and
not a stand will cause sawdust to build up in the
motor area, which may result in fire or cause motor
damage.
KEEPING THE AREA CLEAN
1. Sawdust and wood chips that fall from under the
saw will accumulate on the floor.
2. Make it a practice to pick up and discard this dust
when you have completed cutting.
ASSEMBLE BLADE RAISING & TILTING WHEEL
(FIG. C)
1. Attach blade raising and tilting hand wheel (1) to the
height regulating bolt (2). Make sure the slot (3) in
the hand wheel hub is engaged with the roll pin (4)
in the height regulating bolt.
2. Fasten hand wheel to height regulating bolt with flat
washer (5) and dome nut (6).
Fig. C
6 5 2
4
3
1
RIP FENCE (FIG. D, E)
1. Thread the rip fence locking handle (2) into the
eccentric (3) of the fence and lock in place by
tightening the nut (1) against the fence head.
Fig. D
3 • 1

2. Liftupwardonripfencehandle(2)sotherear
holdingclamp(4)isfullyextended.
3. Placetheripfenceonthesawtable(5),engaging
therearfenceclampfirstthenloweringthefrontend
ontothetable.
4. Pushdownonthefencehandle(2)to lock.
Fig. E
5
/
/
Fig. H
@
1
J
/
o__ 2
2. Raise the blade arbor (4) (Fig. 1)to the maximum
height by turning the blade raising handwheel
counterclockwise.
3. Place the open-end wrench (8) jaws on the flats of
the saw arbor to keep the arbor from turning (Fig. J)
and place the box-end wrench (9) on the arbor nut
(5), and turn counterclockwise.
4. Remove the arbor nut (5) and outer flange (6) (Fig. 1).
INSTALLING AND CHANGING THE BLADE
(FIG. H, I, J)
DANGER I
•To avoid injury from an accidental start, make
sure the switch is in the OFF position and the
plug is not connected to the power source
outlet.
•To avoid serious injury, the rear of the table
insert must be level with the table. If the rear of
the insert is not level with the table, adjust the
screw (3) in or out until the rear of the insert is
level to or slightly above the table. To raise the
insert, turn the screw counterclockwise, to lower
the insert, turn the screw clockwise. NOTE: A
rubber adjusting spacer is provided under rear
of insert for this purpose.
Remove the table insert (1) by removing the two
screws (2, 3). Be careful not to lose the rubber
spacer that is on the back screw (3) beneath the
table insert (Fig. H).

5.
6.
Install the saw blade onto the arbor with the blade
teeth pointing toward the front of the saw.
Install the flange (6) against the blade and thread
the arbor nut (5) as far as possible by hand. Ensure
that the blade is flush against the inner side of the
blade flange.
I,dk WARNING I
To avoid possible injury and damage to the
workpiece, be sure to install the blade with the teeth
pointing toward the front of table in the direction of
the rotation arrow on the blade guard.
Fig. I 4
5
7. To tighten the arbor nut (5) place the open-end
wrench (8) on the flats of the saw arbor to keep the
arbor from turning (Fig. J).
8. Place the box-end wrench (9) on the arbor nut (5),
and turn clockwise (to the rear of the saw table).
9. Replace the blade insert in the table recess, insert
the screws through the front and rear holes and
tighten remembering the rubber washer under the
rear of the insert and leveling the rear of the insert
to the table.
Fig. J
8
9
BLADE GUARD ASSEMBLY (FIG. K, L, M)
1. Set the blade to maximum height and the tilt to zero
degrees on the bevel scale with the hand wheels.
Lock the blade bevel lock knob.
2. Place the spring washer (2), flat washer (3), external
tooth lock washer (4) onto the blade guard mounting
bolt (1) (Fig. K).
3. Insert bolt and washer assembly through splitter
bracket (5). 5
\11
4.
5.
Fig. K
Blade Guard-"
Splitter
Place the oval washer (6) on the pivot rod (7) (Fig. L).
Install the blade guard splitter & bracket assembly
into the rear of the saw table. Thread the bolt (1)
into the internally threaded pivot rod until snug.
NOTE: The blade guard and splitter is removed from
the illustration for clarity.
Fig. L
7 6
6. Lift blade guard arm (8) up and using a straight
edge, align the blade guard splitter (9) with the saw
blade (10).
7. Shift the splitter bracket assembly to right or left until
parallel alignment to the blade is achieved.
8. When the splitter is properly aligned with the saw
blade, tighten the bolt securely.
NOTE: The splitter bracket must always be correctly
aligned so the cut workpiece will pass on either side
without binding or twisting.
I_ WARNING I
To avoid injury from a thrown workpiece, blade
parts, or blade contact, never operate saw without
the proper insert in place. Use the original installed
insert for all through sawing operations except dado
cuts. A special dado insert plate must be installed
when using a dado blade.
13
WARNING I
See Fig. K flat washer (11) must be under
knob (12). NOTE: Be sure to tighten knob very tight
and periodically check tightness.
IA DANGER I
Improper splitter alignment can cause "kickback"
and serious injury.

Fig, M
Kickback pawl 10
Straight edge
MITER GAUGE ADJUSTMENT (FIG. N)
1. To check miter gauge squareness, loosen lock
handle (1) to allow miter body (3) to rotate freely.
Position the miter head so the pointer (2) points to
90 ° on the scale. Tighten lock handle to hold miter
head in position. Use a square to verify the 90°
angle between the miter body and the slide bar.
2. If adjustment is needed, square the miter head to 90°,
loosen the pointer locking screw and adjust pointer
to 90° on the protractor scale then tighten the
locking screw.
3. To change angles on miter gauge, loosen lock
handle (1) and rotate miter body to desired angle as
indicated by the pointer (2). Secure in position by
tightening the lock handle.
Fig. N
RIP FENCE ADJUSTMENT (FIG. O)
1. The fence (1) is moved by lifting up on the locking
handle (2) and sliding the fence to the desired
location. Pushing down on the handle locks the
fence in position.
2. Position the fence on the table and along one edge
of the miter gauge grooves.
3. Lock the fence handle. The fence should be parallel
with the miter gauge groove.
4. If adjustment is needed to make the fence parallel to
the groove, proceed with the following adjustments:
• Loosen the two bolts (3) and lift up on the
handle (2).
• Hold the fence bracket (4) firmly against the
front of the saw table. Move the far end of the
fence until it is parallel with the miter gauge
groove.
• Push the handle to lock, then tighten both bolts.
5. If fence is loose when the handle is in the locked
(downward) position, proceed with the following
adjustment:
• Lift the handle (2) upward and turn the adjusting
screw (5) clockwise until the bottom of the rear
clamp is 1/16 in. away from the rear of the table.
NOTE: Over-tightening the adjusting screw will cause
the fence to come out of alignment.
WARNINGI
Failure to properly align fence can cause "kickback"
and serious injury.
NOTE: The rip fence and blade are aligned parallel to
the miter gauge groove of the table.
Fig. O
1
8 6 7
3
u5
RIP FENCE INDICATOR ADJUSTMENT (FIG, O)
1. The rip fence indicator (6) points to the rip scale
(8). The scale references the distance between the
fence and the blade.
2. Measure the actual distance with a rule. If there
is a difference between the measurement and the
indicator, adjust the indicator (6).
3. Loosen the screw (7) and slide the indicator to the
correct measurement on the scale. Tighten the
screw and re-measure.
14

BLADE TILTING MECHANISM
The saw blade can be tilted two different ways.
RAPID BLADE TILTING (FIG. P)
1. Loosen blade bevel lock knob (2).
2. Slide the entire handwheel assembly (1) to desired
location.
3. Tighten locking knob (2). Ensure locking knob is
fully tightened before attempting a cut.
MICRO-ADJUSTMENT BLADE TILTING (FIG. P)
1. Loosen blade bevel lock knob (2).
2. Push handwheel (1) IN to engage the handwheel
gears with the segment gear on the table saw base.
3. While holding handwheel IN, turn the handwheel to
tilt the blade to the desired angle.
4. Tighten lock knob to secure bevel angle.
NOTE: Changing the blade angle can be done
independently of changing blade height.
I,dk WARNING I
BLADE BEVEL LOCK KNOB (1) MUST BE FIRMLY
TIGHTENED AND LOCKED DURING ALL CUTTING
OPERATIONS.
Fig. P
1 2
/
BLADE HEIGHT ADJUSTMENT (FIG. P)
To raise the saw blade, turn handwheel (1)
COUNTERCLOCKWISE. To lower the blade, turn the
handwheel CLOCKWISE.
It is not necessary to loosen blade tilting locking knob (2)
when raising or lowering the saw blade.
BLADE PARALLEL TO THE MITER GAUGE
GROOVE (FIG. Q, R)
This adjustment was made at the factory, but it should
be rechecked and adjusted if necessary.
I,A WARNING I
•To prevent personal injury:
Always disconnect plug from the power source
when making any adjustments.
•This adjustment must be correct or kickback
could result in aserious injury and accurate
cuts can not be made.
1. Remove the safety switch key and unplug the saw.
2. Remove the blade guard for this procedure but
reinstall and realign after adjustment.
3. Raise the blade to the highest position and set at
the 0° angle (90° straight up).
4. Select and mark, with a felt tip maker, a blade tooth
having a "right set" and rotate the blade so the
marked tooth is Y2in. above the table at the front of
the saw.
5. Place the combination square base (1) into the right
side miter gauge groove (2).
6. Adjust the rule so it touches the front marked tooth
and lock ruler so it holds its position in the square
assembly.
7. Rotate the blade bringing the marked tooth to the
rear and about Y2in. above the table.
8. Carefully slide the combination square to the rear
until the ruler touches the marked tooth.
9. If the ruler touches the marked tooth at the front
and rear position indicating the same measurement,
no adjustment is needed at this time. If not perform
adjustment procedure described in next section.
Fig. Q
2
15

ADDITIONAL BLADE ADJUSTMENTS (FIG. R)
TOOLS REQUIRED
• 10 mm open end or 10 mm combination wrench
• 4 mm hex key
• Framing square
• Medium size flat blade screw driver
ADJUSTMENT PROCEDURE
1. Turn saw switch OFF and remove plug from the
power source.
2. Remove blade guard and splitter assembly, miter
gauge and rip fence.
3. Using the 10 mm hex wrench, slightly loosen the
two middle blade alignment rod strap bolts (1) and
two-rear blade alignment rod strap bolts (2) located
on the underside of the saw table. (Fig. R)
Fig. R
2 I
_m2
ii
1 H
bolts (3) while holding the rod firmly in place.
NOTE: The blade alignment rod will only move
slightly to the right.
7. Tighten both middle blade alignment rod strap
bolts (1). NOTE: Re-check to make sure all six bolts
are properly tightened and that the distance from the
front and rear of the blade to the miter gauge groove
are within 1/64th of an inch from one another.
8. Re-install blade guard and splitter assembly and
adjust the alignment with the blade as outlined
earlier in the operator's manual.
0°BEVEL STOP (FIG. S)
1. Raise the blade to maximum height by rotating the
handwheel counterclockwise.
2. Loosen bevel angle lock knob.
3. Tilt the blade to 0° bevel.
4. Using a square (1), verify blade is 90° to the table
top.
5. If blade is not 90 ° to the table, back off the
adjustment screw (2).
6. Loosen bevel lock knob and square blade 90° to the
table.
7. Once blade is at 90° to the table top, lock bevel
angle locking knob.
8. Carefully tighten adjusting screw (2) until it touches
the bevel stop. DO NOT OVER TIGHTEN.
9. Recheck to ensure blade is still aligned at 90°.
Fig, S
4. While standing at the rear of the saw, use a medium
size flat blade screwdriver and gently pry the rear
of the blade alignment rod to the LEFT or RIGHT.
Using the framing square, simultaneously measure
the distance at the front and rear of the blade to an
edge of a miter slot. When the distances are within
1/64 in. or closer, tighten both rear blade alignment
rod strap bolts (2) while holding the rod firmly in
place. NOTE: The blade alignment rod will only
move slightly.
5. If alignment is not achieved by rear adjustment,
loosen the two front blade alignment rod strap
bolts (3).
6. While standing at the front of the saw, use a
medium size flat blade screw driver and gently pry
the front of the blade alignment rod to the RIGHT
or LEFT. Simultaneously measure the distance at
the front and rear of the blade to an edge of a miter
slot. When the distances are with in 1/64 in. or
closer, tighten both front blade alignment rod strap
16

BEVEL POINTER ADJUSTMENT (FIG. T)
When you have achieved a 90° angle of the blade
to the table top as described in section above, the
angle pointer (1) may require adjustment. If so, follow
proceeding steps:
1. Loosen pointer screw (2) and move the pointer (1)
so it is aligned with 0° on the bevel scale.
2. Retighten the pointer screw.
Fig. T
1
45 ° BEVEL STOP (FIG. U)
1. Raise the blade to maximum height by rotating the
handwheel counterclockwise.
2. Loosen bevel angle lock knob.
3. Tilt the blade to 45 °bevel.
4. Using a square (1), verify blade is 45 ° to the table
top.
5. If blade is not 45 ° to the table, back off the
adjustment screw (2).
6. Loosen bevel lock knob and square blade 45° to the
table.
7. Once blade is at 45 ° to the table top, lock bevel
angle locking knob.
8. Carefully tighten adjusting screw (2) until it touches
the bevel stop. DO NOT OVER TIGHTEN.
9. Recheck to ensure blade is still aligned at 45° .
Fig. U

BASIC SAW OPERATIONS
ON/OFF SWITCH (FIG. V)
The on/off switch (1) is located on the front panel of the
saw base. To turn the saw ON, move the switch to the
up position. To turn the saw OFF, move the switch to
the down position.
LOCKING SWITCH IN "OFF" POSITION (FIG. V)
When the saw is not in use, the switch should be locked
in the OFF position. To lock the switch in the OFF
position, pull out the safety key (2) from of the switch.
The saw will not start with the key removed. However,
if the key is removed while the switch is in the ON
position, it can be turned off ONCE. The saw will not
restart until the key has been reinserted into the switch
and the switch is turned on.
OVERLOAD PROTECTION (FIG. V)
This saw is equipped with an overload reset switch. If
the motor shuts off or fails to start due to overloading or
low voltage, turn the switch to OFF position and let the
motor cool down and remove all cutting materials from
the saw. After the motor has cooled down, push the
reset button (3) to reset the overload device. The saw
should now start when the switch is returned to the ON
position.
To avoid injury, the ON/OFF switch should be in the
OFF position and the plug removed from the power
source while the motor cool down takes place. This
will prevent accidental starting when the reset button
is pushed. Overheating may be caused by misaligned
parts, a dull blade, or an undersized extention cord.
Inspect the saw for proper setup before using it again.
Fig. V
across the width or across the grain of the workpiece.
Neither ripping nor crosscutting may be done safely
freehand. Ripping requires the use of the rip fence, and
crosscutting requires the miter gauge. Never use a rip
fence and miter gauge at the same time.
la,WARNINGI
Before using the saw each and every time, check
the following:
1. Blade is tight on the arbor.
2. Bevel angle lock knob is tight.
3. If ripping, fence lock handle is tight and fence is
parallel to the blade.
4. Blade guard is in place and working properly.
5. Safety glasses are being worn.
The failure to adhere to these common safety rules, and
those printed within this manual, can greatly increase
the likelihood of injury.
RIPPING(FIGW, X)
I_ WARNINGI
* Do not allow familiarity or frequent use of
your table saw to cause careless mistakes.
Remember that even acareless fraction of a
second is enough to cause asevere injury.
. Keep both hands away from the blade and path
of the blade.
.The workpiece must have astraight edge against
the fence and must not be warped, twisted, or
bowed.
DANGER[
Never attempt to pull the workpiece backwards
during acutting operation. This will cause kickback
and serious injury to the user can occur.
_ RESET
o
CUTTING OPERATIONS
There are two basic types of cuts: ripping and
crosscutting. Ripping is cutting along the length and with
the grain of the workpiece. Crosscutting is cutting either
18
1. Remove the miter gauge. Secure the rip fence to
the table at the desired rip measurement.
2. Raise the blade so it is about 1/8 in. higher than the
top of the workpiece.
3. Place the workpiece flat on the table and against the
fence. Keep the workpiece about 1 in. away from
the blade.
4. Turn the saw ON and wait for the blade to come up
to speed.
5. Slowly feed the workpiece into the blade by pushing
forward only on the workpiece section (1) that will
pass between the blade and the fence. (Fig. W)

I_ WARNING I
AVOID KICKBACK by pushing forward that section
of the workpiece that will pass between the blade
and the fence. Use a push stick at all times.
Fig, W
RIPPING SMALL PIECES
la,WARNINGI
Avoid injury from the blade contact. Never make
through-saw cuts narrower than 3/4 in. wide.
1.
2.
It is unsafe to rip small pieces. Instead, rip a larger
piece to obtain the size of the desired piece.
When a small width is to be ripped, your hand
cannot be safely put between the blade and the rip
fence, therefore, use one or more push sticks to
pass the workpiece completely through and past the
blade.
6. Keep your thumbs off the table top. When your hand
reaches the front edge of the table (2), finish the cut
with a push stick (3) (Fig. X). You can make a push
stick using the pattern on page 28.
7. The push stick (3) should always be used during all
ripping operations.
8. Continue pushing the workpiece with the push stick
(3) until it passes the blade guard and clears the
rear of the table.
DANGER[
Never attempt to pull the workpiece backwards
during acutting operation. This will cause kickback
and serious injury to the user can occur. When
the blade completely stops raise the anti-kickback
pawls on each side of the splitter and slide the
workpiece out. 1
Fig. X 3
BEVEL RIPPING
This cut is the same as ripping except the blade bevel
angle is set to an angle other than "0".
I_ WARNING I
Cut only with the workpiece and the fence on the
right side of the blade.
IA DANGER I
Never attempt to pull the workpiece backwards
during acutting operation. This will cause kickback
and serious injury to the user can occur.
CROSSCUTTING 90°MITER ANGLE (FIG. Y)
IA.WARNING[
To prevent serious injury:
• Do not allow familiarity or frequent use of
your table saw to cause careless mistakes.
Remember that even acareless fraction of a
second is enough to cause asevere injury.
• Keep both hands away from the blade and the
path of the blade.
• Never attempt to pull the workpiece backwards
during acutting operation. This will cause
kickback and serious injury to the user can
occur,
1. Remove the rip fence and place the miter gauge a
miter gauge groove on the table.
2. Adjust the blade height so it is 1/8 in. higher than
the top of the workpiece.
3. Hold the workpiece firmly against the miter gauge
with the blade path in line with the desired cut
location. Move the workpiece to one inch distance
from the blade.
4. Start the saw and wait for the blade (1) to come up
to full speed. Never stand directly in line of the saw
blade path, always stand to the side of the blade
that you are cutting on.
5. Keep the workpiece (2) against the face of the miter
gauge (3) and flat against the table. Then slowly
push the workpiece through the blade.
6. Do not try to pull the workpiece back with the blade
turning. Turn the switch OFF, and carefully slide
the workpiece out when the blade is completely
stopped.
IA.WARNING[
Always position the larger surface of the workpiece
on the table when crosscutting and/or bevel
crosscutting to avoid unstability.
19

Fig, Y
BEVEL CROSSCUTTING (FIG. AA)
0o-45 ° BLADE BEVEL & 90° MITER ANGLE
This cutting operation is the same as crosscutting
except the blade is at a bevel angle other than 0°.
I WARNING
Always work to the right side of the blade during
this type of cut. The miter gauge must be in the right
side groove because the bevel angle may cause the
blade guard to interfere with the cut if used on the
left side groove.
1. Adjust the blade (1) to the desired angle, and tighten
the blade bevel lock knob.
2. Tighten miter lock handle (2) at 90° .
3. Hold workpiece (3) firmly against the face of the
miter gauge throughout the cutting operation.
Fig, AA
1. Set the miter gauge (3) to the desired angle.
2. Place the miter gauge in the right side groove of
the table.
3. Set the blade (1) bevel to the desired bevel angle
and tighten the blade bevel lock knob.
4. Hold workpiece (2) firmly against the face of the
miter gauge throughout the cutting operation.
Fig, BB
1 3
MITERING (FIG. CC) 0°~45 °MITER ANGLE
This sawing operation is the same as crosscutting
except the miter gauge is locked at an angle other
than 90 °.
1. Set the blade (1) to 0° bevel angle and tighten the
blade bevel lock knob.
2. Set the miter gauge (3) at the desired miter angle
and lock in position by tightening the miter gauge
locking handle.
3. Hold the workpiece (2) firmly against the face of the
miter gauge throughout the cutting operation.
Fig, CC
COMPOUND MITER CROSSCUTTING (FIG. BB)
0°~45 °BLADE BEVEL & 0°~45 °MITER ANGLE
This sawing operation is combining a miter angle with a
bevel angle.
I_WARNING
Always work to the right side of the blade during
this type of cut, The miter gauge must be in the right
side groove because the bevel angle may cause the
blade guard to interfere with the cut if used on the
left side groove,
20

USING WOOD FACING ON THE RIP FENCE (FIG.
DD)
When performing some special cutting operations,
You can add a wood facing (1) to either side of the rip
fence (2).
1.
2.
Use a smooth straight 3/4 in. thick wood board (1)
that is as long as the rip fence.
Attach the wood facing to the fence with wood
screws (3) through the holes in the fence. A wood
fence should be used when ripping material such as
thin paneling to prevent the material from catching
between the bottom of the fence and the table.
Fig, DD
I_ WARNING I
ABRASIVE AND METAL CUTTING BLADES MUST
NOT BE USED WITH THIS SAW
This saw was not made to cut metals or masonry
materials, Doing so may result in injury. It will also
void the warranty.
I,dk WARNING I
ALL BLADES MUST:
1. Be rated at 5000 RPM or higher.
2. Have a 518 in. arbor hole.
3. Be no larger in diameter than 10 in.
Smaller diameter blades may be used. While this will
result in a reduced depth of cut, the output of the motor
will be increased.
DADO CUTS (FIG. EE)
b.
C.
1.
I,A. WARNING I
a. Only Stackable dado blades can be used on this
saw,
DO NOT use Adjustable or Wobble type dadoes.
Maximum dado cut width is 1_ in.
A dado table insert must be purchased separately
for this saw to accept a dado blade. Remove
saw blade and blade guard for dado cuts ONLY.
Reinstall and realign blade guard for all through
sawing operations. Install a dado not exceeding 6
in. in diameter and Y2in. in width
2. Install the dado table insert making sure the rear of
the insert is flush with the table. A rubber adjusting
spacer is provided under the rear of the insert for
this purpose.
3. Instruction for operating the dado is packed with the
separately purchased dado set.
4. The arbor (1) on this saw restricts the maximum
width of the cut to Y2in.
5. It is not necessary to install the outside flange (2)
before threading on the arbour nut (3) for maximum
Y2in. dado cuts. Make sure that the arbor nut (3) is
tight, and that at least one thread of the arbor sticks
out past the nut.
6. Use only the correct number of round outside blades
and inside chippers as shown in the dado set's
instruction manual. Blade/chippers must not exceed
Y2in. total in width.
7. Check saw to ensure that the dado will not strike the
housing, insert, or motor when in operation.
IA WARNING I
For your own safety, always replace the blade, blade
guard assembly, and blade insert when you are
finished with the dado operation. You must also
realign the blade guard assembly.
Fig, EE 2
3
21

GENERAL MAINTENANCE Fig. FF
I_ WARNING I
For your own safety, turn the switch OFF and
remove the switch key. Remove the plug from
the power source outlet before maintaining or
lubricating your saw.
1. Clean out all sawdust that has accumulated inside
the saw cabinet and the motor.
2. Polish the saw table with an automotive wax to keep
it clean and to make it easier to slide the workpiece.
3. Clean cutting blades with pitch and gum remover.
4. A worn, cut, or damaged power cord should be
replaced immediately.
I_ WARNING I
All electrical or mechanical repairs should be
attempted only by a trained repair technician.
Contact the nearest Sears Service Center for
service. Use only identical replacement parts. Any
other parts may create a hazard.
5. Use liquid dish washing detergent and water to
clean all plastic parts. NOTE: Certain cleaning
chemicals can damage plastic parts.
6. Avoid use of the following cleaning chemicals or
solvents; ammonia and household detergents
containing ammonia.
BLADE RAISING AND TILTING MECHANISM
After each five full hours of operation, the blade raising
mechanism and tilting mechanism should be checked
for looseness, binding, or other abnormalities. With the
saw disconnected from the power source, turn the saw
upside down and alternately pull upward and downward
on the motor unit. Observe any movement of the motor
mounting mechanism. Looseness or play in the blade
raising screw (1) (Fig. FF) should be adjusted as follows:
1. Using a 14 mm wrench, loosen the check-nut (2).
2. Adjust nut (3) until it is finger-tight against the
bracket (4), then back off the nut (3) 1/6 turn.
3. Tighten nut (2) with the wrench, while holding nut (3)
in place. Maximum allowable play of screw rod (1) is
4 ram.
32
,.J ,
o o
You can place a small amount of dry lubricant on
bevel andgle adjustment rod also. This rod (1) must be
kept clean and free of sawdust, gum, pitch, and other
contaminants for smooth operation.
If excessive looseness is observed in any parts of the
blade raising mechanism or tilting mechanism, take the
complete unit to a Sears Service Center.
LUBRICATION
All motor bearings are permanently lubricated at the
factory and require no additional lubrication.
On all mechanical parts of your table saw where a pivot
or threaded rod are present, lubricate using graphite or
silicone. These dry lubricants will not hold sawdust as
would oil or grease.
22

I_ WARNING I
To avoid injury from an accidental start, turn the switch OFF and always remove the plug from the power
source before making any adjustments,
• Consult your local Sears Service Center if for any reason the motor will not run.
SYMPTOM POSSIBLE CAUSES CORRECTIVE ACTION
Saw will not start. 1. Saw not plugged in.
2. Fuse blown or circuit breaker tripped.
3. Cord damaged.
4. Debris in on/off switch
1.
2.
3.
4.
1.
1.
2.
3.
Does not make accurate 45° 1. Positive stop not adjusted correctly. 1.
_nd 90° rip cuts.
2. Tilt angle pointer not set accurately. 2.
Material pinched blade when 1. 1.
dpping. 2. 2.
Material binds on splitter.
Saw makes unsatisfactory
_uts.
4.
5.
Material kicked back from
olade.
Rip fence not aligned with blade.
Warped wood, edge against fence is
not straight.
Splitter not aligned correctly with blade.
Dull blade.
Blade mounted backwards.
Gum or pitch on blade.
1.
2.
3.
4.
5.
6.
Incorrect blade for work being done.
Gum or pitch on blade causing erratic
feed.
Rip fence out of adjustment.
Splitter not aligned with blade.
Feeding stock without rip fence.
Splitter not in place.
Dull blade.
The operator letting go of material
before it is past saw blade.
Miter angle lock knob is not tight.
Sawdust and dirt in elevation/tilting
mechanisms.
Extension cord too light or too long.
Low house voltage.
Saw not mounted securely to
workbench.
Bench on uneven floor.
Damaged saw blade.
Miter gauge out of adjustment.
Plug in saw.
Replace fuse or reset circuit breaker.
Replace power cord.
Remove switch from saw and
separate in half. Clean any debris
accumulated within.
Check blade with square and adjust
positive stop.
Check blade with square and adjust
to zero.
Check and align rip fence and blade.
Select another piece of wood.
7. 7.
Blade does not raise or tilt 1. 1.
Freely.
Blade does not come up to 1. 1. Replace with adequate size cord.
speed. 2. 2. Contact your electric company.
Machine vibrates excessively. 1. 1. Tighten all mounting hardware.
2. Reposition on flat level surface.
2. 3. Replace blade.
3.
Does not make accurate 45° 1. 1. Adjust miter gauge.
_nd 90° crosscuts.
1. Check and align splitter with blade.
1. Replace blade.
2. Turn the blade around.
3. Remove blade and clean with
turpentine and coarse steel wool.
4. Change the blade.
5. Clean table with turpentine and steel
wool.
1. Align rip fence with miter gauge slot.
2. Align splitter with blade.
3. Install and use rip fence.
4. Install and use splitter. (with guard)
5. Replace blade.
6. Push material all the way past saw
blade before releasing work.
Tighten knob.
Brush or blow out loose dust and dirt.
23

10 IN. TABLE SAW PARTS LIST MODEL NO. 137.218020
I_ WARNING I
When servicing use only CRAFTSMAN replacement parts. Use of any other parts many create a HAZARD
or cause product damage. Any attempt to repair or replace electrical parts on this Table Saw may create a
HAZARD unless repair is done by a qualified service technician. Repair service is available at your nearest
Sears Service Center.
I.D. NO Description Size Qty
09JK WRENCH 1
0AVB BODY SHELL 1
0AW8 SEGMENT GEAR 1
0B1M WHEEL 1
0B21 HEIGHT REGULATING BOLT 1
0B23 SADDLE 1
0B24 SPRING 1
0B25 POINTER BRACKET 1
0B2C SWITCH BOX 1
0B3H iNSERT #23 1
0B3R WRENCH 1
0B3W RETAINING CLIP 1
0B48 WARNING LABEL 1
0B61 LiNK 1
0B6R CLAMP HANDLE 1
0B6S CLAMP HANDLE 1
0B84 WASHER D=cp18 1
0B99 SPACER 1
0B9C PLUNGER HOUSING 1
0B9G ANGLE ROD 1
0B9M STRAP 6
0B9W BRACKET 1
0B9Z COMPRESSION SPRING 1
0BA1 COMPRESSION SPRING 1
0BA4 SPACER 1
0BAC SET NUT 1
0BAE ARBOR COLLAR 1
0BAJ BLADE 1
0BPA LOCK KNOB 1
0G1U DUST SHIELD 4
0J3P HEX. WRENCH 1
0J4E FLAT WASHER cp6* 13-1 1
0J4F FLAT WASHER @8* 16-2.5 1
0J4H FLAT WASHER cp10_30-0.2 2
0J70 FLAT WASHER 1/4_3/4-7/64 1
0J72 FLAT WASHER 1/4_5/8-1/16 1
0J76 FLAT WASHER 5
0J7F FLAT WASHER 5/16"7/8-5/64 1
0J7K FLAT WASHER 3/8_29/32-5/64 1
0J7V FLAT WASHER 5/8_1 3/8-5/64 1
0J8D FLAT WASHER 3/8_3/4-5/64 2
0J8K FLATE WASHER 1/4_3/4-1/16 1
0J95 SPRING WASHER @6 1
0J9H SPRING WASHER @1/4 6
0JAA WASHER @8 1
0JAE EXTERNAL TOOTH LOCK WASHER @4 2
0JC9 SPRING PIN 1
0JE7 C-RING 1
0JXL HEX. SOC. SET SCREW M10_1.5-12 1
I.D. NO Description Size
0JYN HEX. SOC. COUNTERSUNK HD. SCREW M6_1.0-25
0KOZ HEX. HD. SCREW AND WASHER M8_1.25-16
0K16 HEX. HD. SCREW AND WASHER M8_1.25-16
0K25 HEX. BOC. HD. CAP SCREW M5_0.8-20
0K3G CR. RE. RAN HD. SCREW & WASHER M5_0.8-12
0K3R CR. RE. PAN HD. SCREW & WASHER M5_0.8-12
0K5P CR. RE. COUNT HD. SCREW M6_1.0-50
0K8C CR. RE. COUNT HD. TAPPING SCREW M4_18-10
0K91 CR. RE. TRUSS HD. TAPPING SCREW M4_16-12
0KA4 CR.RE. PAN HD. TAPPING SCREW M4_16-16
0KCX CR. RE. PAN HD PLAIN WASHER TAPPING SCREW M5_0.8-10
0KEK CR. RE. PAN HD. SCREW M6_1.0-30
0KEM CR. RE. PAN HD. SCREW M6_1.0-40
0KF7 CR. RE. PAN HD. SCREW M4_0.7-12
0K J4 CAP HD. SQ. NECK BOLT M6_1.0-35
0K J5 CAP HD. SQ. NECK BOLT M6_1.0-80
0KKW CR. RE. PAN HD. ROUND NECK SCREW M6_1.0-16
0KMR HEX. NUT M5_0.8 T=4
0KMS HEX. NUT MM1.0 T=5
0KMV HEX. NUT M10"1.5 T=8
0KMW HEX. NUT M10"1.5 T=4
0KMY HEX. NUT M8_1.25 T=6.5
0KQJ CROWN NUT M8_1.25 T=12.5
0KRQ SERRATED TOOTHED HEXAGON FLANGE NUT M6_1.0 T=6
0KRX HEXAGON NUT AND FLAT WASHER M6_1.0
0KSW STRAIN RELIEF
0KTA STRAIN RELIEF
0L65 POWER CABLE ASS'Y
0LSL CiRCUiT BREAKER SWITCH
0LWC ROCKER SWITCH
0QQ0 CLAMP-CORD
0SGC HANDLE BAR
0WPL SWITCH KEY
20WQ HEX. HD. BOLT M6_1.0-50
21BN BRACKET GROUP ASS'Y
27QV DEFLECTOR
28KD TILT POINTER #23
2919 FLAT WASHER _p10_17-2 6
29PD WARNING LABEL
29R2 WARNING LABEL
2BJM MITER GAUGE ASS'Y
2BUF RIP FENCE ASSW
2ERN BLADE GUARD ASS'Y
2EUC TABLE #53
2F2F MOTOR ASS'Y
2FDU INSTRUCTION MANUAL
2FLL LABEL
2FRJ SCALE
Qty
6
4
]
]
]
3
4
8
4

10 IN. TABLE SAW SCHEMATIC MODEL NO. 137.218020
/
\
/
\ _29PD
I OK3R 2
2FDU
2EUC
_2FRJ
OClt /OBPA
919
BIM
0821
og
KMR
0B99

10 IN. TABLE SAW PARTS LIST & SCHEMATIC MODEL NO. 137.218020
STAND
I.D. No. Description
093B FOOT PAD
OJPQ HEX. HD. BOLT
OKRR SERRATED TOOTHED HEXAGON FLANGE NUT
29RE BOTTOM SUPPORT BRACKET
29RF BOTTOM SUPPORT BRACKET
29RS UPPER SUPPORT
29RT UPPER SUPPORT
29RU BRACKET
2FD4 HARDWARE BAG ASS'Y
2A10 CAP HD. SQ.NECK BOLT
Size
M8_1.25-35
M8_1.25 T=7.5
#O6
#O6
#O6
#O6
#O6
M8_0.25-_ 2
Qty
4
4
20
2
2
2
2
4
1
16
29RE2
2A1016
29RF2
29RU4
29RT2
0KRR2o
093B4

10 IN. TABLE SAW PARTS LIST & SCHEMATIC MODEL NO. 137.218020
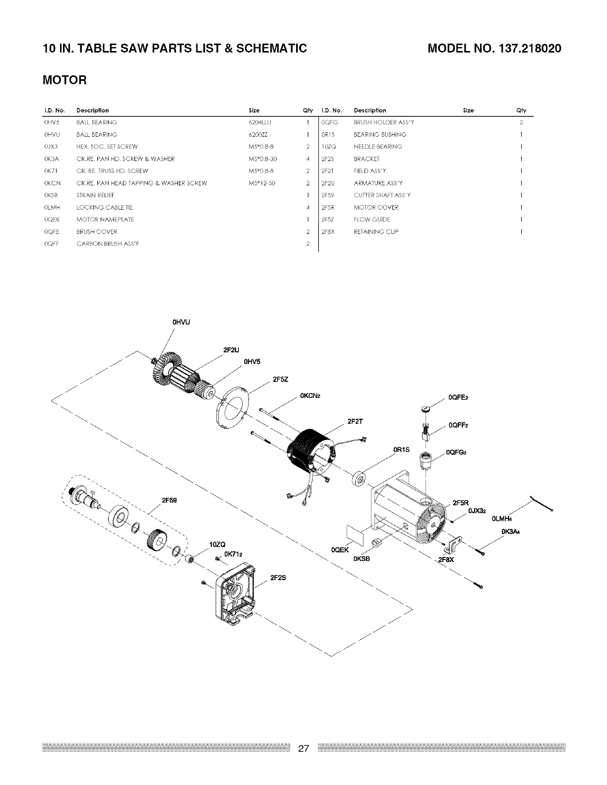
MOTOR
I.D, No. Description Size Qfy
0HV5 BALL BEARING 6204LLU 1
0HVU BALL BEARING 6200ZZ ]
OJX3 HEX SOC SET SCREW M5"08 8 2
OK3A CRRE PAN HD SCREW & WASHER M5"08 30 4
OK71 CR RE TRUSS HD SCREW M5"08 8 2
OKCN CRRE PAN HEAD TAPPING & WASHER SCREW M5"12 50 2
0KSB STRAIN RELIEF 1
0LMH LOCKING CABLE TIE 4
0QEK MOTOR NAMEPLATE 1
OQFE BRUSH COVER 2
OQFF CARBON BRUSH ASS'Y 2
I.I), No. Description
0QFG BRUSH HOLDER ASS'Y
OR1S BEARING BUSHING
10ZQ NEEDLE BEARING
2F2S BRACKET
2F2T FIELD ASS'Y
2F2U ARMATURE ASBY
2F59 CUTTER SHAFT ASBY
2F5R MOTOR COVER
2F5Z FLOW GUIDE
2FSX RETAINING CLIP
Size Qty
2
OHVU
/2FSZ
0KCN2
2F2T
/
0R1S
0QF_.
/
_ OQFF2
2F5R
0JX32
0K3A_
/
0QEK
__ 0KSB _" _2F8X
/
/
0LMH4

/
PUSH STICK CONSTRUCTION
• This is a full-size drawing (actual size)
• Use good quality plywood or solid wood
Use 1/2 in. or 3/4 in. material
Push stick MUST be thinner than the width
of material being cut
Drill Hole For
Hanging
Notch To Prevent
Hand From
Slipping
/
/
/
Out Here To
Push 3/4 in.
Wood
Cut Here To
Push 1/2 in.
Wood

Your Home
For repair - in your home - of all major brand appliances,
lawn and garden equipment, or heating and cooling systems,
no matter who made it, no matter who sold it!
For the replacement parts, accessories and
owner's manuals that you need to do-it-yourself.
For Sears professional installation of home appliances
and items like garage door openers and water heaters.
1-800-4-MY-HOME ® (1-800-469-4663)
Call anytime, day or night (U.S.A. and Canada)
www.sears.oom www.sears.oa
Our Home
For repair of carry-in items like vacuums, lawn equipment,
and electronics, call or go on-line for the location of your nearest
Sears Parts & Repair Center.
1-800-488-1222
Call anytime, day or night (U.S.A. only)
www.sears.com
To purchase a protection agreement (U.S.A.)
or maintenance agreement (Canada) on a product serviced by Sears:
1-800-827-6655 (U.S.A.) 1-800-361-6665 (Canada)
Para pedir servicio de reparaci6n
a domicilio, y para ordenar piezas:
1-888-SU-HOGAR ®
(1-888-784-6427)
Au Canada pour service en fran£ais:
1-800-LE-FOYER M°
(1-800-533-6937)
www.sears.ca
TM M
® Registered Trademark /Trademark /s Service Mark of Sears Brands, LLC
TM M
® Marca Registrada /Mama de Fglbrica /s Marca de Servicio de Bears Brands, LLC
MD
MeMarque de commerce /Marque ddposee de Bears Brands, LI_C © Sears Brands, LLC