Craftsman 183172500 User Manual ROUTER Manuals And Guides L0908371
CRAFTSMAN Router Manual L0908371 CRAFTSMAN Router Owner's Manual, CRAFTSMAN Router installation guides
User Manual: Craftsman 183172500 183172500 CRAFTSMAN ROUTER - Manuals and Guides View the owners manual for your CRAFTSMAN ROUTER #183172500. Home:Tool Parts:Craftsman Parts:Craftsman ROUTER Manual
Open the PDF directly: View PDF
.
Page Count: 47

Owner's Manual
CRRFTSMANe
CUTTER
Model No.
183.172500
CAUTION:
Before using this Cutter,
read this manual and
follow all its Safety Rules
and Operating
Instructions.
•SafIty Instructions
•Accessories
•Assembly
• Operation
•Maintenance
•Parts List
• Espenol
Sears, Roebuck and Co., Hoffman Estates, IL 60179 USA
ParL No. 149277480001 Rev. 1 07/13/01

SECTION PAGE
warranty ........................................ 2
Product Specifications ....................... 2
Power Tool Safety ............................ 3
Cutter Safety ..................................4
Elech'icalRequirements &Safety ........5
Accessories ....................................5
SECTION PAGE
Carton Contents .............................. 6, 7
Know Your Cutl_. ............................. 8
Assembly & OpemUon ...................... 9 - 17
Maintenance ................................... 17
Repair Parts ................................... 18 - 22
Parts & Service Availability ................ 23
llllJ
FULL ONE YEAR WARRANW
If this Cutter fails due to a defect in material or workmanship within one year of date of
purchase,Sears will at itsoptionrepair orreplace it free of charge.
Returnthis Cutter to a Sears Service Center for repair,or to place of purchase for replacement.
This warranty gives you specific legal fights, and you may also have other rights which may vary
from state to state.
Seam, Roebuck and Co., Dept. 817 WA, Hoffman Estates, IL 60179
l& WARNING I
Some dust created by power sanding, sawing, grinding, drilling and other coaMructlon activities contains
chemlcaia known (to the State of California) to cause cancer, birth defects or olther reproductive harm. Some
exampfes of these chemicals are:
•Lead from iaad-based paints
•Crystalline silica Wont bricks, cement and other masonry products
•Arsenic and chrominm from chem..ally treated lumber
Your risk from these exposure varies, depending on how often you do this type of work. To reduce your
expo6ure to these chemicals, work In a well ventliated area and wod( _approvad safety equipment such as
those dust masks that ere specially designed to filter out microscopic parl_.
l;,l [o] lU[oM
Motor Rating ...................... 120V, 60Hz, AC Motor Horsepower ...... tl3 HP (Ma_mum Developed)
Amperes ........................... 4.0 Amperes Weight ..................... 3.75 kg
Speed (no load) .................. 30000 RPM
I,_, WARNINGI
To avoid electrical hazards, fire hazards or damage to the cutter, use proper circuit protection.
This cutter is wired atthe factory for110-120 Volt operation. It must be connecl_d to a 110-120 Voit115 Ampere
time delay fuse or curcuit breaker. To avoid shock or fire, replace power cord immediately If It is worn, cut or
damaged in any way.
Before using your cutter, It is crltinal that you read and undemtand these mlGety rules. Failure to follow these
miss could result in serious injury to you or damage to the cutter.

[A WARNINGJ
Before using your cutter, it is critical that you read and understand these safety rules. Failure
to follow these rules could result in serious injury to you or damage to the cutter.
Good safe_ practices are a combina_n of common
sense, staying alert and undemtanding howto use your
power tool. To avoid mistakes that could cause sedous
mJury, do not plug in your cutter until you have read and
understood the following safety rules:
1. READ and become familiar with this entire Owner's
Manual. LEARN the tool's applications, limitations and
possible hazards.
2. IA WARNINGJ
Look for this symbol that identif'ms important safety
precautions. It means CAUTIONI BECOME ALERTt
YOUR SAFETY IS INVOLVEDI
15,
16.
17.
18.
REMOVE ADJ_ KEYS AND WRENCHES.
Form the habit of checking to see that keys and
adjusting wrenches are removed from the tool before
turning "ON'.
NEVER LEAVE TOOL RUNNING UNATTENDED.
TURN THE POWER "OFF". Do not leave the tool
before it comes to a complete stop.
NEVER STAND ON TOOL. Serious injury could
occur if the tool is tipped or if the cutting tool is
unintentionally contacted.
DO NOT OVERREACH. Keep proper footing and
balance at all times.
3. KEEP GUARDS IN PLACE and in working order.
4. DO NOT USE IN A DANGEROUS ENVIRONMENT
such as damp orwet locations or exposure to rain.
Keep work area well lighted.
5. DO NOT use power toolsinthe presence of
flammable liquidsor gases.
6. KEEP WORK AREA CLEAN. Cluttered areas and
workbenches invite accidents.
7. KEEP CHILDREN AWAY. All visitors should be kept
at a safe distance from the work area.
8. DO NOT FORCE THE TOOL ItwHIdothejobbetter
and safer at the rate for which if was designed.
9. USE THE RIGHT TOOL. Do not force the tool or
attachment to do a job for which it is not designed.
10. WEAR PROPER APPAREL. DO NOT wear loose
clothing, gloves, neckties, rings, bracelets or other
jewelry that may get caught in moving pans. Non-slip
footwear is recommended. Wear protective hair
covering to contain long hair.
19. MAINTAIN TOOt_ WITH CARE. Keep tools sharp
and clean for molt efficient and safest performance.
Follow instruc_ofls for lubricating and changing
accessories.
20. CHECK FOR D_Mt, GED PARTS. Before further use
of the tool, a guaed or other part that is damaged
should be carefuNy checked to ensure it will operate
properly and perfoml its intended function. Check for
alignment of moving parts, binding of moving parts,
mounting and any _her conditions that may affect its
safe operation. Aguard or other part that is damaged
should be properly repaired or replaced.
21. MAKE WORKI_IOIP CHLD PROOF with padlocks,
master switches or by removing starter keys.
22. DO NOT operate the tool if you are under the
influence of any drugs, alcohol or medication that
could impair your abHify to use the tool safely.
23. USE DUST COLLECTION SYSTEM wherever
ossible. Dust generstod from certain materials can
e hazardous to your health and in some cases, a fire
hazard. Always operate the power tool in a well
ventilated area with adequate dust removal.
11. WEAR A FACE MASK OR DUST MASK. Sawing,
cutting, drilling and sanding operations produce
hazardous dust.
12. DIe, CONNECT TOOLS FROM THE POWER
SOURCE before servicing and when changing
accessories such as blades, bits, cutters, etc.
13. REDUCE THE RISK OF UNINTENTIONAL
STARTING. Make sure the switch is in the "OFF"
position before plugging into the power source.
14. USE ONLY RECOMMENDED ACCESSORIES.
Consult the Owner's Manual for recommended
accessories. The use of improper accessories may
cause injury to you or damage to the tool.
24. ALWAYS WEAR EYE PROTECTION. Any power
tool can throw foreign objects
into your eyes which could
cause permanent eye damage.
ALWAYS wear safety goggles
(not glasses) that comply with
ANSI safety stenderd Z87.1. Everyday glasses have
only impact reststont lenses. They ARE NOT safety
glasses. Safety goggles are available at Sears.
I& WARNll_I
Glasses or gollIlII not In compliance with ANSI
Ztt7.1 could cI I_dous injury when they break.
SAVE THESE INSTRUCTIONS FOR REFERENCE

_ARNING_
For your safety, do not plug in your cutter or try to
use any accessory until it is complemly assembled
and installed according to these Instructions, and
until you have read and understood this Owner's
Manual.
Failure to follow these safety rules will result in risk of
serious injury.
1. WEAR EYE PROTECTION. This high speed tool will
throw particles from the workpiece during operation.
Make sure safety glasses have side shields.
2. USE FACE OR DUST MASK along with safety
goggles if cutting or routing operation is dusty. Make
sure work area is well ventilated.
3.
4.
USE HEARING PROTECTION, particularly during
extended periods of operation.
NEVER USE DULL OR DAMAGED BITS. Damaged
bits can break without warning. Dull bits may ovedoad
the motor, cut slowly and are difficult to control. They
will also overheat and possibly break.
ALWAYS MAKE SURE THE WORKPIECE IS FREE
OF NAILS AND OTHER FOREIGN OBJECTS. If the
bit strikes a nail it will jump sideways and possibly
break.
6. DO NOT USE THIS TOOL FOR DRILLING HOLES.
It is NOT intended to be used as a ddll.
ALLOW CLEARANCE UNDER WORKPIECE for bit
to b'avel. Never place workpiece on hard surfaces
such as concrete etc. The bit may jump or break
when contacting a surface other than the one being
cut.
ALWAYS SET THE DEPTH GUIDE TO THE
APPROPRIATE DEPTH. Use tool with the depth
guide flat against the work surface for better control of
the tool.
9. NEVER USE THE TOOL wrrHOUT THE SOLE
PLATE, PRECISION HANDLE OR ROUTER BASE
attached and appropriately adjusted.
10. ALWAYS CLAMP WORKPIECE TO HOLD IT
STEADY WHEN CUTTING. This will free both hands
for operating the tool.
11. NEVER HOLD THE WORKPIECE IN ONE HAND
while operating the fool with the other hand.
12. NEVER PLACE HANDS IN THE PATH OF THE
CUTTER AND UNDER THE WORKPIECE.
13. NEVER START THE TOOL WHEN THE BIT IS
TOUCHING THE WORKPECE. The bit may catch
the workpiece causing loss of control.
14. ALWAYS HOLD THE TOOL WITH TWO HANDS
DURING START-UP AND OPERATION. When
starting, motor torque will cause the tool to twisL
15. TURN OFF ALL CIRCUIT BREAKERS AND
REMOVE ALL FUSES in the work area when cutting
into walls or blind areas.
16. ALWAYS HOLDTHE TOOL BY THE INSULATED
GRIPPING _UlIRFACES ON THE BODY OF THE
TOOL where fllere is any possibility of the cutter
contacting hidden elecb'ical wires or the cord of the
tool. Contectwith "live" wires will make exposed
metal parts of the tool _live" causing an electrical
shock to the operator.
17. WHEN CUTTING DRYWALL ELECTRICAL OUTLET
OPENINGS using the outlet as a guide, always cut in
a counter c_ direction. The natural tendency
of the tool to pull to the left will cause a"hugging"
action toward the outlet box, resulting in a heater cut.
18. NEVER LAY THE TOOL DOWN UNTIL THE
CUTTER COB TO A COMPLETE STOP. A
spinning bit (:an come in contact with the surface and
pull it out of yqmr con_ol.
19. NEVER TOU_H THE BIT IMMEDIATELY AFTER
USE. The bit!will be too hot to be handled with bare
hands and _dll bum your fingers.
20. ALWAYS RI_TI_HTEN COLLET AND ALL
ADJUSTMIENT8 before starting the tool after a bit or
accessory h_ been changed. Loose bits and
adjuskneolB_ cause unexpected shifting of the tool,
resulting in I_ bf control and injury from the bit or
cutter being thmt_.
SAVE THESE INSTRUCTIONS FOR REFERENCE

[ellJll]illl_lile]:l 1:l)[41l:ll_k'l[I]_: [ata];llk
[lJli=|ilPl_k_._--"'Jllll].
This cutter is double insulated to protect you from
electrical shock.
IA WARNING I
Double insulated tools am equipped with a polarized
plug (one blade is wider than the other). This plug will
f_ into a polarized outlet only one way. If the plug
does not fit fully into the outlet, reverse the plug. If it
still does not fit, contact a qualified etacITIclan to
install a polarized outlet. Do not alter the plug in any
way. Double insulation eliminates the need for the three
wire grounded power cord and grounded power supply
system.
Avoid body contact wlth grounded surfaces such as
pipes, radiators, ranges and refrlgerators. There is an
increased risk of electric shock if your body is grounded.
Do not expose power tools to rain or wet conditions.
Water entering a power tool will increase the risk of
electric shock.
Do not abuse the cord. Never use the cord to carry
the tool or pull the plug from the outteL Keep cord
away from heat, oil, sharp edges and moving parts.
Replace damaged cords immediately. Damaged cords
increase the risk of electhc shook.
When operaUng a power tool outdoors, use an
outdoor exteesfon cord marked "W-A" or"W". These
cords are rated for outdoor use and reduce the risk of
electric shock.
IA, WARNING I
Always make sure the receptacle Is polarized. If you
are not sure, have a qualified electllclsn check the
receptacle.
Make sure your extension cord is in good condWon.
When using an extension cord, be sure to use one heavy
enough to carry the current the tool will draw. An
undersized cord will cause a drop in line voltage resulting
in loss of power told overheating. The table below shows
the correct size to use according to cord length and
nameplate ampere rating. If in doubt, use the next heavier
gauge. The smager the gauge number the heavier the
cord.
Be sure your extension conS is properly wired and in
good condition, Always replace a damaged extension
cord or have it repaked by a qualified electrician before
using it. Proteet your extension cord from sharp objects,
excessive heat and damp or wet areas.
Use a separate electrical circuit for your power tools.
This circuit must not be less than 14 gauge wire and
should be protected with either a 15 Ampere time delay
fuse or circuit breaker. Before connecting the power tool
to the power source, make sure the switch is in the OFF
position and the power source is the same as indicated on
the nameplate. Running at lower voltage will damage the
motor.
IA WARNINOI
Repair or rspla¢l) damaged or worn extension cords
immediately.
Select the appropriate extension cord gauge and length
using the chart below.
MINIMUM GAUGE (AWG) EXTENSION CORDS
(120 Volt use only)
Ampere Rating Total length in feet
Not
More Than More Than 25' 50' 100' 150'
06 18 16 16 14
010 18 16 14 12
12 16 16 14 12
12 16 14 12 NOtApplicable
_A WARNINGI
Keep the extm_ cord clear of the working area.
Position the coRl so It will not get caught on the
workptace, too_ or any other obstructions while you
are working w#h the power tool.

I r II _J_mn1_i_
!i !
_Xo(o] II.$'_o] =]i;i_'
AVAILABLE ACCESSORIES
[A WARNING I
Use only accessories recommended for this spiral
cutter. Follow instructions that accompany
accessories. Use of improper accessories may cause
Injury to the operator or damage to the spiral cutter.
Visit your Sears Hardware Department or see the Seam
Power and Hand Tool Catalog for an assorbllent of
accessories recommended for use with this spiral saw:
•_/e" Spiral Cutter Bits
•1/8"Hobby Rotary Tool Accessories
;, Cutters
_, Polishers
Sanders
;, Grinders
•Most ¼" Shank Router Bits
IA wAe.,.o]
Use only accessories designed for this spiral cutter to
avoid severe Injury or tool damage.
Do not use any accessory unless you have completely
read the Instructions or Owner's Manual for that
accessory.
UNPACKING _CHECKING CARTON CONTENTS
IA WARNmGI
If any part is mlsek!tg or damaged, do not plug the
cutter into the PoWer source until the missing or
damaged part Is replaced and assembly is complete.
Carefully unpackthe cutter and all its parts. Compare
against the =Cutm" Components" chart below.
NOTE: See Page 7 for illustm'don of parts.
IA, WARNING I
To avoid fire or, toxic reaction, never use gasolin e,
naphtha, acetolm_ lacquer thinner or similar highly
volatile solvents to clean the cutter.
CUTTER COMPONENTS
KEY DESCRIPTION QTY
A CuWn_ Tool 1
_C B-- Precil_k:)n Handlewith Sole Plata 1
Freehand Sole Plate Attachment 1
D Circle Cutter Attachment 1
c_€_ Instaita=nAdepter 1
R0U _t_TBase Attachment 1
G 118" Col_t Sleeve t
1/4" Co41_t Sleeve 1
Lateral Style Drywall Cutter 1
J Collet Wrench I
K Coll_Wrench Holder 1
Owr_, _! Manual 1
Canyll_ Case 1

[_ [o,Io_
C

K41_e]vAvJk_e]l_ [e,]l]lil_l
Loddng
Knob
Sole Plate _F_
Mou_ting L /MBr°Ua_
Circle
CutBng Knob Mir_g
Sole Plate
Y'_ J _'-_'"_ Mounting
Pi_ _ Disc
Motor .... _
Housing
|
Sole _/
Plate
Adjusting Knobs
P_dsior_
Handle eev_
KnObs
Router
Base
Locking
KnOb

IA WARNINGI
Remove the plug from the power source before
assembly, changing accessorkm or cutters and
making adjustments. This safety action wftl help
prevent accidental etarting of the tool which could
result In eertous Injury.
ON IOFF SWITCH
This cutter is equipped with a sliding ON /OFF switch (1)
located on the side of the tool (see Fig. 1 ).
Fig. 1
1. To turn the tool ON, slide the switch up.
2. To turn the tool OFF, slide the switch down.
INSTALLING CUTTING BITS
IA WARNING]
cutter bit and router bit cutting surfaces am
extremely sharp. Handle with caution.
To insert a cutting bit, use the collet wrench which is in
the wrench holder attached to the power cord.
Depress the shaft locking button (1) and rotate the
collet lock nut (2) clockwise with the other hand until
the locking button drops into place, preventing the
shaft from turning (see Fig. 2).
2. While continuing to hold the shaft locking button IN,
use the collet wrench (3) to turn the collet nut counter
clockwise. Loosen the collet nut 2 or three turns.
3. Remove bit if one is already installed in the tool.
INSTALLING CUTTING BITS
4. Insert new bit (4) into the colleL
I_ WARNING I
Insert the bit all the way Into the collet and then
pull it back between 111s"and tla". This creates an
airspace between the motor shaft and the bltto
help prevent overheating the bit.
Before tight=ruing the collet on the bit, make sure
the flutes (poItion) of the bit are completely
visible outside the colleL Clamping the collet on
the bit flutsl w#l result in broken bits and possible
injury.
5. When bit is propedy placed in the collet, depress the
shaft locking button and turn the collet nut clockwise
by hand as far as possible.
6. Securely tighten collet nut using the wrench.
Fig. 2

CHANGING COLLET INSERT
The bits for this tool are locked into place with a collet nut
(1) and collet lsee Fig. 3). The tool is assembled at the
factory with a "/8"collet (2) which is used to hold the
cutting bit. An addil_onal ¼" collet (3) is supplied for
holding SMALL router bits with a I/4" shank.
Fig. 3
To change from one collet size to the other:
1. Remove bit from the tool.
2. Continue turning the collet nut counter clockwise until
it can be removed from the motor shaft (4).
3. Pull the collet out of the motor shaft and replace it with
the other one.
NOTE: Each collet is the same on both ends, so either
end can be inserted into the motor shaft.
4. Re-install the collet nut and slighity tighten it by hand.
5. Install the new bit as outlined in INSTALLING
CUTTING BITS on Page 9.
NOTE: Tightening the collet nut without a bit in the collet
will cause the collet hole to become smaller and make
installing bits difficult. When storing the tool with no bit
installed, leave collet nut loose.
l:|=Izl==f±_l_li_ fo]II=l I'nI_II
INSTALLING FREEHAND SOLE PLATE
The freehand sole plate is designed for basic freehand
cutting with the cutting bit. It is ideally suited for cutting
electrical outlet holes in drywall.
IA WARNiNGJ
Do NOT use the freehand sole plate with router bits,
Limited control with this accessory could cause you
to loose control and increase the chance of serious
injuy.
INSTALLING FREEHAND SOLE PLATE - cont'd
Remove a_ locking knob (1) from the base of
the cutter motor housing (see Fig. 4). Slide freehand
sole plate mounting bracket (2) onto the bottom of
motor housing (3) until the mounl_ng hole (4) lines up
with the hole in the motor housing.
NOTE: The tab on the side of the sole plate mounting
band must be inserted into the matching slot inthe
motor housing.
2. Re-insert accessory locking knobintothe motor
housingand securelytighten.
10
Fig. 4
ADJUSTING FREEItAND SOLE PLATE
Adjust freehand sole plate depth by loosening the
depth gauge knob (5) and sliding the sole plate (6) in
or out as required (see Fig. 5).
NOTE: Bet the depth gauge so the cutting bit
protrudes beyond the sole plate '/8" more than the
thickness of the material being cut. For example, if
you are cutting 5/8" drywall, the bif should protrude ¾"
beyond the sole plate.
2. Securely tighfan depth gauge knob.
Before starting to cut you should re-check bit depth,
make sure sole plate is at right angles to the bit and
securely t_ned. Re-check the collet to make sure
the bit is sec_ fastened.
Fig. 5

IA WARN,NOr
Have you read "POWER TOOL 8AI=ETY",
"CUTTER SAFETY" and "ELECTRICAL SAFETY"
on pages 3, 4 and 5 of thto Manual? If not, please
do It now before you operate thto cutter. Your
safety depends on ttl
Every time you use the cutmr you should verify
the following:
1. cutmr cord Is not damaged.
2. BIt is correct type for the matarlal being cut.
3. Bit to sharp, In 9God cond#lon, properly
installed and securely tighlMitted.
4. Safety glasses and dust mask are being wom.
Failure to adhere to these safety rules can greatly
increase your chances of Injury.
PRACTICE CUTS USING FREEHAND SOLE PLATE
Before attempting to work on an actual project, take the
time to make a few practice cuts with your saw. Use
some scraps of material that are the same materisl as
used in your actual project.
1. Draw apattom similar to your f'wst project on a scrap
piece of material.
2. Install freehand sole plato as shown in Fig. 4.
3. Install cutting bit in the collet as shown in Fig. 2.
4. Adjust depth of freehand sole plate as shown in Fig. 5.
Rest the edge of the sole plate on the workpiece with
the bit at an angle of about 45 ° (see Fig. 6).
NOTE: DO NOT let the bit contact the workpiece until
switch is tumed ON and the tool is up to full speed.
IA WARNINGI
Before turning the tool switch ON, make sure you
hold the tool flnnty with both hands. Starting
torque will cause the tool to twtot.
PRACTICE GUTS USING FREEHAND SOLE PLATE
6. Turn the switch ON.
7. When the motor is up to full speed, slowly tip the tool
to an upright position, letting the hit cut into the
workpiece (lee Fig. 7). Once the tool has reached the
upright pceil_n and the bit has cut through the
workpiac.e, slowly move the tool in a clockwk_
diraction ulll_ slow steady pressure to make the cut,
NOTE: E._e_ for cutting around outlet bo_es in
drywall, always out in a clockwise direction.
When cut is cumpleto, turn the tool OFF, wait until it
comes to a complete stop and remove it from the
workpiece.
Fig. 7
IA DANGER I
Do not attempt ©uttlng around outlet boxes in dwwall
until:
1. All electricity lit the vicinity of electric wires has
been disr.olmectad by either turning the breaker
OFF or remmtlng the fuses.
2. You have mind the instructlous on the following
page entitled =CU'I-FING OUTLET OPENINGS IN
DRYWALL".
CUTTING TIPS
The rotating cuffing aclJon of the bit will cause a slight pull
to the left when cut_g. Natural vedatJons in the structure
of wood will cause the bit to "wander'. This tendency will
be magnified when applying too much pressure to the bit.
Slower cutting _you better control. Excessive
pressure or fa_ _ will increase bit temperature and
shorten the life oflhe bit.
When cutting ahole bavertical surface, avoid ending the
cut at the betll_it el' the hole. Always start and end the cut
at the "top" so ate cut.out part will not drop onto the
rotating bit. Alway= turn the tool OFF before removing it
from the workpleoe.
Fig. 6 I_

[,:][oT
CUTTING OUTLET OPENINGS IN DRYWALL CUTTING OUTLET OPENINGS IN DRYWALL - cont'd
IA DANGER I6.
Do not attempt to use this tool to make cut-outa
around any fixture or opening which has live electdcal 7.
wires or on any wall which may have elect]rlcal wiring
behind it. If a live wire is contacted, the bit could
conduct the electric current to the tool, cresting an
electrocution hazard forths operator. Tum OFF 8.
breakers or remove fuses to disconnect the electric
circuit in the area of work. Aliways hold the tool by its
insulated housing when working In areas where there
is a possibility of contacting electric wires. Always
wear eye protection when operating this tool.
Before installing drywalH, push the electrical wires to
the back of the box as far as possible so they will not
be cut by the bit when cutting the opening.
Before fastening the drywall sheet over the electrical
box, mark the sheet as close as possible to the center
of the box opening. Mark should be on the side of the
drywall facing you.
3. When fastening the drywall in place, do not place nails
or screws closer than _2" from the box. This will
prevent the drywall from becoming deformed under
pressure.
Insert cutter and install freehand sole plate as
outlined on Pages 9 & 10 of this Owner's Manual.
Adjust dept of cut so the bit will protrude _/e" beyond
the thickness of the drywall.
Hold the tool firmly with both hands and turn it ON.
Plunge the bit through the dq/wall at the mark
indicating the center oF the box. See Fig. 8 for cutting
pattern.
Move the bit slowly to the right until you feel and hear
the bit contacting the inside of the bo_
Pull the bit out far enough to slip it over the edge of
the bo_ Onoe the bit is outside the box, push it back
to full depth beside the outside edge of he box.
Move the tool upward while applying slight pressbre
toward the cenler of the bo_ When you feel the bit
reach the top right hand comer of the box, move the
tool to the left while applying slight pressure
downward toward the center of the bo:_
Continue moving the tool around the box in acounter
clockwise direc_n while maintaining slight pressure
toward the center of the box. When the box cut-out is
complete, Turn the tool OFF and remove it from the
cut-out.
10. Completed elec_ical box cut-out will be accurately and
neatly cut (see Fig. 9).
Fig. 9
NOTE: Always move the bit in a counter clockwise
directten around the outlet box. The natural tendency of
the bit to move tothe left will make it easier to cut close to
the bo_
Fig. 8
12

I-) lS"d5:][o)"-.] iOD]
•J_(_k,"l[e] _1I_"f__l_l|]ll III In= [qgiianil=l"
INSTALLING PRECISION HANDLE
The precision handle is designed for use when precision
control over the tool movement is desired. The
comfortable handle can be used with either the right or left
hand.
Remove accessory locking knob (1) from the base of
the cutter motor housing (see Fig. 10). Slide
precision handle mounting bracket (2) onto the bottom
of motor housing (3) until the mounting hole (4) lines
up with the hole in the motor housing.
NOTE: The tab on the side of the precision handle
mounting bracket must be inserted into the matching
slot in the motor housing.
2. Re-insert accessory locking knob into the motor
housing and securely tighten.
Fig. 10
ADJUSTING FREEHAND SOLE PLATE
Adjust precision handle sole plate depth, by loosening
the depth gauge knob (5) and sliding the sole plate (6)
in or out as required (see Fig. 11).
NOTE: Set the depth gauge so the cutting bit
1
protrudes beyond the sole plate Is" more than the
thickness of the material being cut. For example, if
3 7
you are cutting /4" pine, the bit should protrude Is"
beyond the sole plate.
2. Securely tighten depth gauge knob.
Before starting to cut you should re-check bit depth,
make sure sole plate is at right angles to the bit and
securely tightened. Re-check the collet to make sure
the bit is securely fastened.
13
ADJUSTING FREEHAND SOLE PLATE - Cont'd
INSTALLING CIRCLE cU'rFER
The circle cutter accessory is ideal for precision cutttng of
circles. This cbcle cutter can be attached to either the
freehand sole plate or the precision handle sole plate. For
purposes of illustralten, the circle cutter is shown with the
freehand sole plate.
1. installfieeharKI sole plate on the toolas illustratedon
Page 10 of _Owner's Manual.
insert the externally threaded circle cutter mounting
insert (1) into Ute bottom of the sole plate (2) (see
Fig, 12),
NOTE: Make sure the molded "D" in the mounting
insert is inserted into the matching "D" in the sole
plate.
Place circle cutter mounting hole (3) over the
externally threaded circle cutter mounting insert.
NOTE: Make sure pointed pivot pin (4) is pointing
away from the tool.
Screw the internally threaded circle cutter mounting
disc (5) onto the externally threaded circle cutter
mounting insert and hand tighten.
NOTE: Do not over tighten the cimle cutter mounting
plastic parts, Hand tighten only.
Adjust the dr{de cutting radius by loosening pivot point
knob (6), _It to the correct circle radius and re-
tightening In Ire desired location.
NOTE: C_ drcte cutter radius setting by measuring
from the pivot point to the outside of the bit,
Fig. 12

I]I _MII mR[_-_--- --
CIRCLE CUTTER OPERATION
IAWARNINGI
Unplug the tool from the power source before
changing accessories, changing bits and making
adjustments.
Before turning the tool ON, check to make sum bit
and all accessory fasteners are securely tightened.
1 Mark the center of the circle you wish to cut on the
workplace and dnll a 6 mm or s/, pilot hole
2 Adjust bit depth to l/o" longer that the thlckness of the
material being cut
Adjust the ctmle cuitmg radius by loosening pivot pomt
knob, sl_tng it to the correct c_rcle radius and re-
tightemng tn the desired Iocafion
NOTE: Check circle cutter radius setting by measunng
from the pNot point to the outside of the bit
Rest the edge of the sole plato on the workplace with
the bd at an angle of about 450 (see F_j. 13). Insert
the circle cutter p_votpotnt into the pilot hole drilled at
the center of the circle
NOTE: DO NOT let the bit contact the workptece
before switch tsturned ON and the tool is up to full
speed.
Fig. 13
CIRCLE CUTTER QPERATION - cont'd
5 Tumthe_0N
6. When the molo_ m up m full speed, slowly tip the tool
and circle cuter assembly to an uprK3ht position,
letting the bitcu_lnto the workpiace (see FK314) Be
careful to keep the pivot point located at the center of
the ctrcle to NCut. Once the tool has reached the
upnght posl_n and the bit has cut through the
workpiece, ak_ move the tool in a clockwise
dtrecbon ulblg slow steady pressure to make the cut.
Continue tO c,_ _circle, keeping the tool upnght and
rotating around the circle cutter pivot potnt
7 When cut is con_ptete, tom the tool OFF, wa_ unttl it
comes to aocmplete stop and remove it from the
workpN_3e.
Fig. 14
14

;|O|IPlll = =4I-'f_-_-_
The router accessory converts your cuffing tool into a
small hobby router that is capable of handling small 1/4,
shank router bits as well as the cuffing bit. The tilting
base is ideal for bevel cutting.
IA WARNiNGI
Unplug the tool from the powor source before
changing accessories, changing bits and making
adjustments.
Before tuming the tool ON, check to make sure _e bit
and all accessory fastonere ere securely tightened.
ROUTER ACCESSORY INSTALLATION
1. Remove any accessory already installed on the tool.
Remove accessory locking knob (1) from the base of
the cutter motor housing (see Fig. 15). Depress the
motor shaft locking button (2) on the back of the motor
housing (see inset).
NOTE: Rotate the collet nut whle holding down on the
motor shaft locking button until the button drops into
the hole in the motor shaft.
3. Slide router accessory mounitng bracket (3) onto the
bottom of motor housing (4) unUl the mounting hole (5)
lines up with the hole in the mounting bracket.
NOTES:
The raised hole in the mounting bracket will slide over
the motor shaft locking button only if the button is fully
depressed and engaged in the motor shaft.
The tab on the reverse side of the router base
mounting band must be inserted into the matching slot
in the motor housing.
4. Re-insert accessory locking knob into the motor
housing and securely I hten.
Fig. 15 15
SETFING ROUTIER DEPTH
Depth of cutting is controlled by sliding the router base up
and down in the adjusting sleeves.
1. Loosen both height adjusting knobs (1) by turning
them countm'clockwise (see Fig. 16).
2. Slide router bose (2) up or down to obtain the desired
depth of cut.
3. Re-tighten height adjusUng knobs when the desired
cut depth is reached.
Fig. 16
SETTING ROUTER BASE BEVEL
Bevel cuffing with the bit can be done with the router base
ti/ted to the deldred angle.
1. Loosen both bevel adjusting knobs (3) by tuming them
counter clockwise at least 2 turns (see Fig. 17).
2,
3.
4,
Tilt router base (2) to the desired angle,
Re-tighten both height adjusitng knobs.
Check bevel angle between router base and cutter to
ensure they are at correct angle.
Check router depth of cut and to-set the depth if
required.
NOTE: Depth of cut will usually have to be increased
after tilting the router base for bevel cuffing.
Fig. 17

FREEHAND CUTTING AND ROUTING
When the routerbase accessoryisinstalledon the cutting
tool,itwillfunctionas a small router to be used for
freehand cut'dngofirregularshaped pattems. Youcan cut
patternsoutof the workpiece withthe cutteror route
patternsintothe workpiecawith small router bits.
FREEHAND CUTTING
1. Adjust the bit depth to l/_t" longer than the thickness of
the material being cut.
2. Tum the switch ON while firmly holding the tool.
3. When starting the cut inside the workpiece, place the
bit at an angle to allow the bit to cut its way into the
workpiece (see Page 11 Fig. 6).
4. Use the two height adjusting knobs to guide the bit
through the wod(piece.
FREEHAND ROUTING
Use the router base with small router bits to perform
various freehand rou_ng projects (see Fig. 18).
2.
3.
4.
1. Remove _/0"collet and insert _" collet (see Page 10
Fig. 3).
Install router bit and securely tighten.
Adjust router base heighl to the correct routing depth.
Tum the switchON making sure the routerbitis not
touchingany_ing.
Holding the tool by the two height adjusting knobs,
carefully lower the bit onto the workpiece and guide
the bit around the desired pattern.
Fig. 18
CUTTING STRAIGHT LINE WITH STRAIGHT EDGE
To cut a straight llne_ you can use a straight edge
template to guide b'le router base.
1. Draw a line on _e workpiece where you wish to make
the cut (see Fig. lg).
2. Draw a parolJel second line apprex_'nately 2 lie" back
into the workpleCe (away from the cutting line).
3. Clamp the straight edge onto the larger portion of the
workpiece that ill to be clamped while cutting.
4. Place the fiat SK:Ie of the router base against the
straight edge with the bit near the start of the cutting
line.
NOTE: Check bit location to ensure cut will be made
in the correct Ioqation.
5. Tum the switch ON while firmly holding the tool.
6. Slide the rouller plate against the straightedge while
making the o_.
Fig. 19
16

=--_-|O]lii_u _ ;_:_u
CUTTING CURVED LINE wrrH A TEMPLATE
To cut a curved line, you can use a curved template to
guide the router base.
1. Make a template from hardboard or other similar
material to the shape you require (see Fig. 20).
NOTE: Radius of curve muat be greater than 2 ½" for
router base to propedy follow the curved template.
2. Mark the location of the cut to be made.
3. Mark the workpiece approximately 2 711e"back into the
workpiece (away from the cuffing line).
4. Clamp the template onto the larger portion of the
workpiece that is to be clamped while cuffing.
5. Place the curved potion of the muter base against the
template with the bit near the start of the cuffing line.
NOTE: Check bit Iocal_on to ensure cut will be made
in the correct location.
6. Turn the switch ON while firmly holding the tool.
7. Slide the muter plate against the template while
making the cut. !
Fig. 20
r_r_,ll_ I II_FL_I_! -
IA DANGER J
For your own safety, turn the switch OFF and remove
the plug from the power souma before maintaining
your cutter.
When sarvtolng, use only IdellMCat Craftsman parts.
Use of any other part may creath a hazard or cause
product damage.
EXTERNAL CLEANING
IA WARNINOI
DO NOT use solvents when cleaning plas_c paris.
Most plastics are suscaptlble to damage from various
types of _1 solvents and may be damaged by
their usa. Ume oflmn cloth to remove dirt, dust, oil,
grease, etc.
Do not at any lime allow brake fluids, gasoline,
paVoleumPbamld products, penetraUng oils, etc. to
come in conla_ with plastic parts. They contain
chemicals tlmt can damage, weaken or destroy plastic.
INTERNAL CLIEANING
It has been found that elecftic tools are subjected to
accelerated wear and possible premature failure when
they are used on fiberglass boats and sports cars,
wallboard, spackUng compounds or plaster. The chips
and grindinga from these materials are highly abrasive to
electric tool lids such as bearings, brushes, commutators,
etc. During any use on these materials it is axbremely
important that the tool is cleaned frequently by blowing out
with a COmDreSlM_ air jet.
J_, DANGER I
It Is critical that you wear safety goggles or safety
glasses with atlde shields and u dust mask while
blowing dust out of the cutter with a compressed air
jet. Failure to tlks these safety precautions could
result in pemwnent eye or lung damage.
POWER CORD M_INTENANCE
IA WARNIMGI
To avoid _NN_ or fire hazard, replace the cord
i_mnedlataty Ift II worn or damaged in any way.
LUBRICATION
All of the bealtNiS in this saw are lubricated wib a
sufficient amol_ of high grade lubricant for the life of the
unit under non_al conditions. Therefore, no further
lubricaSon is required.
17

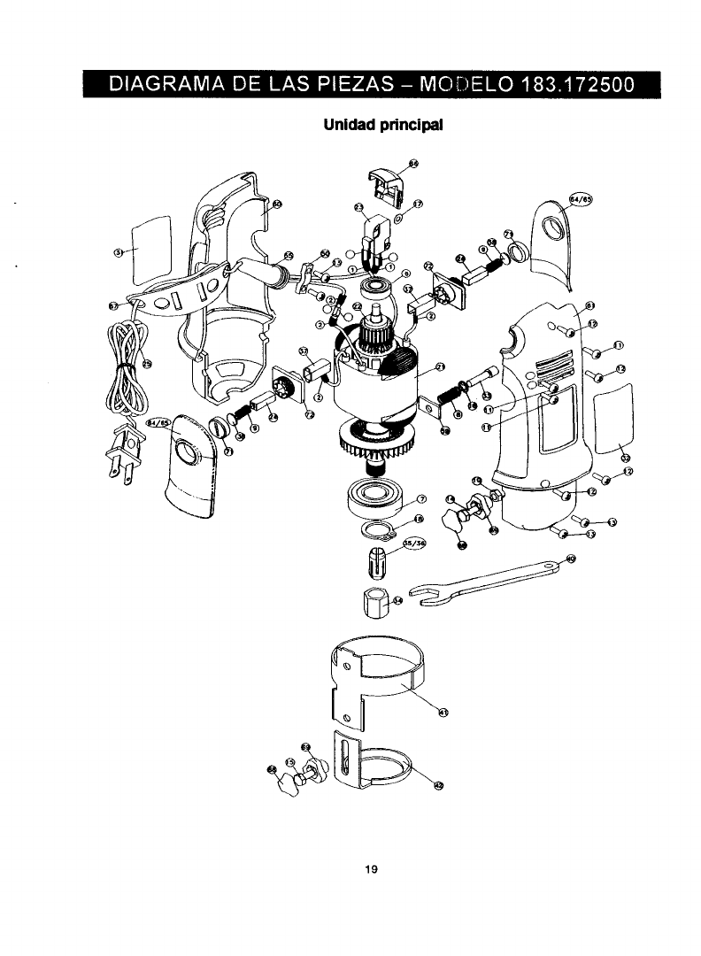
Main Unit
18

IA WARNING J
When servicing use only CRAFTSMAN mpiscement parts. Use of any _parts may create a HAZARD or cause
damage to your Drill Preos.
Any attempt to repair or replace electrical parts on this Drill Press may create u hazard unless repair Is performed
by a qualified technician. Repair service is available by contacting your nesmst Sears Service Center.
Always order by PART NUMBER, not by key number
Main Unit
Part #
01AT-000006-A0 Heat shrink tube 12 mm 2
01AT-000031-00 Heat shrink tube 15 mm 3
Key #
1
2
6 02AE-000037-00 Rear beadng
702AE-000057-00 Front bearing
802AH-000083.-00 Spindle lock spring
9 02AH-000088-00 Brush spdn_l
10 02AN-000012-00 He)_ nut
11 02AS-00019 l-A0 Case screw
12 02AS-000199A0 Case screw
13 02AS-000206-A0 Screw
14 02AS-000260-00 Machine screw
15 02AS-000271-00 Machine screw
16 02AW-000040-B0 E-ring
17 02AW-000048-00 Serf-locking ring
18 02AW-000055-00 Retaining r_g
21 03AM-000072-00 Stator
22 03AM-000073-00 Rotor
23 03AS-000081-00 Micro switch
24 03AT-000036-00 Carbon brush
25 03AW-000116-00 Power cord
31 2203-505001-00 Left label
32 2203-505002-00 Right label
Part Name Qty Key # Part/it Part Name Qty
33 2203-MA0001-00 Spindle locking pin 1
34 2203-MA0001.00 Collet nut 1
1 35 2203-MA001_ I/4" collet 1
1 36 2203-MA0004-00 1/8" collet 1
137 2203-MA000_c4X) Brush retainer 2
2 38 2203-MA0006-00 Contact disc 2
1 39 2203-MA0007-00 Lock plate 1
3 40 2203-MA0008.00 Collet nut wrench 1
4 41 2203-MA000_00 Sole plate holder 1
4 42 2203-MA0010-00 Sole plate 1
1 50 9866-PA001_ Cord anchor 1
1 55 9920-PA00t_-00 Cord sleeve 1
1 60 2203-PA0001-00 Left case 1
1 61 2203-PA000'_-00 Right case 1
1 64 2203-PA0005,.00 Rubber handle piece 1
165 2203-PA00011-00 Rubber handle piece 1
1 66 2203-PA0007,_0 Switch cover 1
1 67 2203-PA0008-00 Banner belt 1
2 68 2203-PA0009-00 Screw cover 2
1 69 2203-PA0010-00 Screw case 2
1 71 2203-PA0013-00 Brush cap 2
1 72 2203-PA0014-00 Brush case 2
19

_ff.. _A[o]D]=ImIi[:]_l Bllo_I0z0_
Handle Assembly
0
0
Key Part #
#
1 02AS-000201 -A0
2 02AS-000206-A0
3 02AS-000269-A0
402AS-000270-00
5 02AS-000271-00
6 2203-MA0010-00
7 2204-MA0001-00
8 2203-PA0009-00
9 2203-PA0010-00
10 2204-PA0001,-00
11 2204..PA0002-00
12 2204-PA0003÷00
Part Name
Screw
Screw
Machine screw
Screw
Machine screw
Sole plate
Handle holder
Hexagon screw holdS,
Hexagon screw case
Right handle grip
Left handle grip
Soft grip handle
Qty
2
2
1
1
1
1
1
2
2
1
1
1
20

lv [o]m]= . ilE;! lll oIo]
Circle Cutter Assembly
Key#
1
2
3
4
5
6
7
8
9
10
11
12
14
15
Part#
02AN-000017-00
02AN-000018-00
02AS-000258-00
02AW-000022-00
2206-MA0001-00
2206-MA0002-00
2206-MA0003-00
02AS-000272-00
2206-MA0005-00
2205-PA0005-00
2205-PA0006-00
2206-PA0001-00
2206-PA0003-00
2206-PA0004-00
PertNamo Qty
Square nut 1
Hexagon nut 1
Machine screw 1
Spdng washer 1
Circular arm (mebic) 1
Washer 1
Handle bushing 1
Screw 1
Circular arm (Impelt_) 1
Handle cover 1
Handle ball-like balm 1
Distance lock wi_ Oll_ pin 1
Locking base 1
Round guide mount 1
21

Router Assembly
Key # Part #
1 02AG-000133-00
202A J-000009-00
302AN-000012-00
4 02AN-000013-00
5 02AN-000016-00
602AS-000020-A0
7 02AS-000048-A0
8 02AS-000093-00
9 02AS--000258-00
10 02AS-000259-00
11 02AW-000029-B0
12 2205-MA0001-00
Pert Name
Guide bushing
TgUng base
Nut
Square nut
SCrew nut
Screw
Machine screw
Base screw
Machine
M_.hine 1_rew
C-_n 9
Guide rod
Qty Key# Pmtal i
4 13 12205-M_Om._0
1 14 2205_ ]0
2 1_ !220_0
2 16 2203-PA00_ )0
I 17 2203-PA00_). 10
t 18 2205-PA00 !_,_ 10
3 19 2205-PA00 _- l0
8 21 2205-PA0014_ 10'
2 22 2205-PA00
2 23 2205.-PA00
2 24 2205-PA00 _*._
2
Part Name (;It
IY
'Friction plate 2
Ruler (metric) 1
Ru er (Irnperia) 1
Hexagon screw cover 2
Hexagon screw case 2
Upper base 1
Middle base 1
Lens 1
Handle cover 2
Handle base 2
Locking disc 2
22

Forrepairofmajorbrandappliancesinyour oum home...
nomatterwhomadeit'nomatterwhosdd itT
1-800-4-MY-HOME ® Anytime,dayornight
(1-800-469-4663) (U.S,A. and Canada)
www.seam.com www.sears.ca
Forrepairof carry-inproductslikevacuums,_equipment,
andelectronics,callfor thelocationof yournearest
Seam Partsand Repair Centmr.
t400-488-1222 Anyt_e,dayornight(U.SJ_.only)
www.seam.com
Forthereplacementparts,accessoriesando_mer'smanuals
thatyouneedto do-it-yourself,call Seam PadsDirectTM I
1-800-366-PART 6a.m.- 11 p.m. CST, 7 days a week
(1-800-366-7278) (U.S.A. only)
www.sears.comlpartsdirect
To purchaseorinquireabouta SearsSense Agreement
orSeam MaintenanceAgreement
1-800-8274655 (U.S.A.) 1-800-361-6665 (Canada)
7a.m.-5 p.m. CST, Mon.-Sat. 9am.-8 p.m. EST, M-F, 4 pro. Sat.
Para pedirsen_io de mparacibna Au Canadapourserviceen fian;ais:
domicl]io, y pare o_lenar piezas: 1.1@04.E.FOYERMC
1-888-SU-NOGAR su (1-800-533-6937)
(1-888-784-6427) www.sears.ca
®Reg_tered Trademark /mTrademark /_Sentioe Mark OfSeam, Roebuck and Co.
mau
®MamaRegisbada/ Man:adeFdi_ical Marca de Sen,,icio de Sears, RoeOuck and Co.
"c Marque de oornmerce /*m Msrque a_ooe_e de Sears, Roebuck and Co. ©Sears, Roebuck and Co.
23

Manual del propietario
CRAFTSMAN.
SIERRA
Modelo No.
183.172500
§
ADVERTENCIA:
Lea este manual y siga
todas sus reglas de
seguridad • instrucciones
de operaci6n antas de
usar esta sierra .
• Instmcciones de seguridad
•Accesorios
•Montaje
•Operaci0n
•Mantenimiento
•Lista de plezas
• Castellano
Sears, Roebuck and Co., Hoffman Estates, IL 60179 USA
No. de parte 14k9277480001 Rev. 1 07/13/01

SECCION P/_GINA
Garant|a ........................................ 2
Especificaciones del producto ............. 2
Seguridad con herramientas el6ctricas.. 3
Seguridad con la sierra ....................... 4
Requisitos de elecb'icidad y seguridad... 5
Accesorios ...................................... 6
SECCI6N PAGINA
Contenido de la caja ........................ 6, 7
Familiaricese con su sierra ............... 8
Montaje y operacibn ........................ 9 -17
Mantenimiento ................................ 18
Piezas de reparacibn ....................... 19 -23
Piezas ydisponibilidad de servicio ...... 24
Ili
GARANTiA COMPLETA POR UN A_IO
Sears, si asi Io decide, reparar_ny reemplazar_ esta sierra sin costo alguno si la misma falla debido a
defectos de materiales o de fabdcacibn, durante un argo contado desde la fecha de su compra.
Envie esta sierra a un Centro de servicios de Sears para su reparacibn, o al lugar en donde la adquirib
para su reposicibn.
Esta garantia le da ciertos derechos legales, adembs de los cuales usted puede tener otros derachos
que cambian de estado en estado.
Sears, Roebuck and Co., Dept. 817 WA, Hoffman Estates, IL 60179
_IL ADVERTENCIA ]
Cierto poivo causado por el Iijado ei6ctrico, el aserrado, el molido, perforado y dermts actividades de la
construcci6n, contiene productos quimicos que (segOn el Estado de Canlromia) se sabe que causan c=tncer,
defectos cong6nitos u otras lesiones al aparato reproductor. Algunos de m productos quimicos son:
• El plomo de pintums con base de plomo.
• El silice crlstalino de los laddllos, el cemento y otros productos de albahbrla.
•El ars_nlco y el cromo de la madera tratada quimicamente.
El rlesgo al que se somete por exposici6n varia dependiendo de cmtn frecuentemente haga este tipo de trabajo.
Pare reducir su exposici6n a estos productos quImlcos, trabaje en un _,rea blen ventilada y use el equipo de
seguridad prescrito, tel como las m_scaras contra el polvo diseitadas especlalrnente para filtrar las partlculas
microsc6picas.
Ii];I I=]=1m!-j o) =IlI e]nlEo;
Capacidad del motor ........... 120V, 60Hz, CA
Amperios ........................ 4.0 Am perios
Velocidad (sin carga) ......... 30000 RPM
Potencia del motor ..... 113 HP (al m_mo)
Peso ........................ 3.75 kg
IA A°vE"TE"c=I
Use el protector de circultos adsouado pare evitar choques el6ctricos, el Hesgo de Ii_endios o daflar la siena .
Esta sierra ha sido ensamblade pare tmbajar con 110-120 volttos. Debe conectaNma un fusible de mtardo o a un
cortaclrcultos de 110-120 voltlos/15 empedos. Reemplace el cable de corrientl de Inmedlato siestl gastado, co,ado o dahado
de cuak:luler fonna pare evitar choquee o incendios.
Antes de user su siena , es vital que lea y que compmnda estas ingles de segurldad. SI no sigue estas reglas puede sufrir
lesiones sedas o debar la sierra .

Antes de usar su sierra es vital que lea y que comprenda estas reglas de seguridad. Si no
sigue estas reglas puede suffir lesiones serias o dahar la sierra .
Las buenas prdctP._as de seguridad son la combinacibn 15.
det sentido comt_n, de ester alerte y de saber cbmo usar
su herpamienta eldctrica. Papa evitar an'ores que le
puedan causar lesiones serias, no conecte su sierra
haste que haya leido y entendido las aiguientes reglas de
seguridad: 16.
1.
2.
LEA todo y familiarlcese con este Manual del
propietario CONOZCA las aplicaciones, los limites y
los posibles riesgos de este herramiente.
[_ ADVERTENC|A] 17.
Busque este simbolo que idenlJfica las precaucion es
de segLtridad importentes. Signif'r,a IIPRECAIJClOINI
IMANTENGASE ALERTAI iSM SEGURIDAD ESTA 18.
EN JUEGO!
RETIRE _CLAVlJAS Y LLAVES DE AJUSTE.
Fbrmese el t'_bito de verificar que se hayan retJrado
las clavijas y las Ilaves de ajuste de la henamienta
antes de poneda en posicibn de "ENCENDIDO".
NUNCA DEJE FUNCIONANDO SOLA UNA
HERRAMEbrrA. APAGUE LA HERRAMIENTA. No
descuide la hen'amienta antes de qua se detenga por
completo.
NUNCA ale PARE SOBRE LA HERRAMENTA.
Puede sufrir lesioBes serias si la herramiente se
voltea o si tcca la herramienta de corte
involuntariamente.
NO SE ESTIRE Dr=MASI_DO. Mantenga un buen
sosteny su equillbdoen todo momento.
3. USE I.AS GUARDAS y mantengalas en buen estedo. 19.
4. NO SE USE EN AMIBIENTES PELIGROSOS tales
como en sitios h0medos, mojados ni expuestes a la
lluvia. Mantenga el drea de tmbajo bien Huminada.
5. NO use herramientas el6cb'icas en presencia de
liquidos o de gases inflamables.
6. MANTENGALIMPIAEL/_READETRABAJO, Las
_reas y las mesas de trabajo abarrotadas inviten a los
accidentes.
7. MANTENGASE ALEJADO DE LOS NiI_Ios. Todos
los visitantes deben ester a una distencie segura del
_rea de trabajo.
8. NO FUERCE LA HERRAMIENTA. La misma har_ el
trabajo mejor yen forma m_s segura a la velocidad
para la que fue dise_ada.
9. USE LA HERRAMIENTA ADECUADA. No fuerce la
herramiente o el acceserio a hacer un tmbajo papa el
cual no est_ dise_ada.
10. VISTA LA ROPA ADECUADA. NO use ropa suelta,
guantes, corbatas, anillos, brazaletes ni joyas que
puedan engancharse en las partes mbviles. Se
recomienda usar calzado que no resbale. Use un
protector para el cabello para retener el pelo largo.
11. USE UNA MASCARA O MASCARILLA CONTRA EL
POLVO. Las operaciones deaserrado, code,
perforado y lijado producen polvo pellgroso.
12, DESCONECTE LA HERRAMIENTA DE LA FUENTE
DE CORRIENTE antes de hacede servicio y cuando
cambie los accesorios teies como las hojas, las
brocas, las sierras, etc.
13. REDUZCA EL RESGO DEL ENCENDIDO
INVOLUNTARIO. Verit'que que el intenuptor est6 en
la posicibn "APAGADO" antes de enchufar la
herramiente a la corriente.
14. SOLO USE LOS ACCESORIO$ RECOMENDADOS.
Busque los accesorios recomendados en el Manual
del propietario. El uso de accesorios inadecuades
puede causede tesiones yde_ar la herramienta.
20.
21.
22.
23.
CUIDE BIEN SU HERIRAMENTA Mantenga las
herramientas afladasy limpias para un rendimiento
m_s eficaz y seguro. Siga las instrucciones para su
lubricacibn y para el cambio de accesorios.
REVISE QUE NO HAYAN PIEZAS DAI_IADAS.
Antes de seguir usando una herramiente, una quarde
u otra parte daltada, la misma se debe inspecc=onar
para verificar qua funcione debidamente y que cumpla
su funcibn correspondiente. Verifique la alineacibn de
las partes mbvites, el retdn de las mismas, su montura
/uCUalquier o_a condici6n que afecte su
ncionamiente segum. Se deber8 reparar o cambiar
toda guarda u otra parte que estd dafiada.
DISPONGA IP4J TALLER A PRUEBA DE NI_IOS
usando candados, interruptores principales o
retirando las Ilavea de encendido.
NO usela hermmtente bajo la influencia de drogas
de aucono o de medicamentos que miten su
habilidad para usar la misma en forma segura.
UTILICE RECOILECTORES DE POLVO en Io posible.
El polvo genarado pot ciertos materiales puede set
da_ino para su salud y causar incendios en ciertos
casos. Use slempre la herramienta en un _,rea bien
_._ntilada con la remocibn de polvo adecuada.
24. PROTEJA SEMPRE LA VISTA
Toda herramienta el6cb'ica
puede lanzar partlculas
extratlas a sus ojos Io que los
puede dat_arpermanentemente. USESIEMPRE
gates de seguddad (no anteojos) que cumplan con la
norma de segul_ ANSI Z87.1. Los anteojos de uso
diario s_o tlonom Ilntes que resisten a los golpes. NO
SON 9alas de le0udded. Seapa dispone de galas de
seguddad.
IA ADVERTENCIA ]
Los anteoJ_ o 9das que no cumplen con la norma
ANS_ Z87.1 IWedm ¢ausaurle tesiones severas al
roilq)eme.
GUARDE ESTAS INSTRUCCIONES COMO REFERENCIA
3

_A ADVERTENCIA J
Para su segurldad, no enchufe su sterra nl Intente
user cualquler accesorio que no est6 ensambtedo e
instatado completamente seg,',n eetas instnJcclones,
y hasta no haber leido y entendklo este Manual del
propletado.
Puede sufdr el rlesgo de leslones sertas si no sigue
estas regtas de segurklad.
1. USE PROTECTORES PARALAVISTA. Esta
herramienta de alta velocidad har_ saltar partJculas
de la pieza de Vabajo durante su opemcibn.
Aseg0rese que sus gafas de seguridad tengan lados
protegidos.
2. USE UNA MASCARA PARA EL ROSTRO O
CONTRA EL POLVO adem:_s de gafas de seguridad
si ta operacibn de code o de fresado es polvorienta.
AsegOrese que su 8tea de lmbajo est_ bien ventflada.
3. PROTEJASUS OIDOS, en especial durante trabajos
prolongados.
4. NUNCA USE BROCAS ROMAS O DAI_tDAS. Las
brocas dal_adas se pueden romper repentinamente.
Las brocas romas pueden sobmca_gar el motor,
codar m;_s lento y set diflciles de controiar. Tambi_n
se pueden recalentar y romper.
5. VERFIQUE SIEMPRE QUE LA PIEZA DE
TRABAJO NO TENGA CLAVOS U OBJETOS
EXTRA,lOS. Si la broca choca contm un clavo,
saltar_ a un lado y puede romperse.
6. NO USE ESTA HERRAMIENTA PARA PERIFORAR
AGUJEROS. La misma NO fue diset_ada como un
taladro.
7. DEJE UN ESPAClO BAJO LA PEZA DE TRABAJO
pare que la broca se mueva. Nunca coloque la pieza
de trabajo sobre superTK:ies duras como hormigbn,
etc. La broca puede saltar o romperse cuando toque
otra superficie que no sea la que se est_ cortando.
8. FUE SEMPRE EL MEDIDOR DE PROFUNDIDAD A
LA PROFUNDIDAD DEBIDA. Use la herramianta
con el medidor de profundidad en posici6n plana
contra la superficie de trabajo para controiar mejor la
herramienta.
9. NUNCA USE LA HERRAMIENTA SIN LA BANCADA,
EL ASA DE PRECISION O LA BASE DE FRESADO
colocados y fijados debidamente.
10. FUE SEMPRE LA PEZA DE TRABAJO CON
ABRAZADERAS PARA MANTENERLA FIRME
MIENTR.,I_(N)RTE _sto dejar_ libres ambas manos
para operar la herramienta.
11. NUNCA 80_rENGA LA PEZA DE TRABAJO CON
UNA MANO mlentras opera la herramienta con la otra
mano.
12. NUNCA COLOQUE LAS MANOS EN EL CAMINO
DE LA SIERRA NI DEBAJO DE LA PIEZA DE
TRABAJO.
13. NUNCA _A LA HERRAMIENTA CUANDO
LA BROCA TOQUE LA PIEZA DE TRABAJO. La
broca puede engancharse en la pieza haci6ndole
perder el control.
14. SIEMPRE IK)_rENGA LA HERRAMIENTA CON
AMBAS MM4OS CUANDO LA ENCIENDA Y LA
OPERE. El torque del motor al encenderce puede
hacer que la herramienta se retuerza.
15. APAGUE TO006 LOS CORTACIRCUITOS Y
RETIRE TODD8 LOS FUSIBLES del ;_rea de _abajo
cuando haga cortes en las paredes 0 en _reas ocultas.
16. SOSTENGA fAEIR_RE LA HERRAMENTA POR
LAS SU_IES AISLADAS DE AGARRE DEL
CUERPO DIE LA MISMA cuando e)dsta la posibilidad
de que la siena toque cables el6ctricos ocultos o el
cable de la herramienta. El contacto con cables con
corriente hattt que pase corriente a las partes de
metal e_puestas'de la herramienta, y le dar_ un
choque ei_ctrico al usuarto.
17. CUANDO I'IAGA ABERTURAS PARA TOMAS DE
CORRIENTE EN PIRCA usando el tomacorriente
como guia, haga siempre el corte en sentido contra
las agujas del reloj. La tendencia natural de ia
herramienta a Urar hacia la izquierda causar_ que se
acerque m_ls a la toma de corriente, dando un corte
m_Js preciso.
18.
19.
20.
NUNCA RImGtJIESTE LA HERRAMENTA HASTA
QUE LA 8IIBIRA SE HAYA DETENIDO POR
COMPLETO, La broca en movimiento puede tocar la
superficie y dmmontrolarla.
NUNCA TOQUE LA BROCA INMEDIATAMENTE
DESPUI-._ DE UIMd_ILA. La broca estar_ muy
caliente pan= manipulada con tas manos
desprotagidaa y le quemar:_ los dedos.
VUELVAAAPRETAR $1EMPRE EL MANDRIL DE
PINZA Y TOOOS LOS AJUSTES antes de arrancar la
herramients US cambiar la broca o un accesorio.
Las brocas _fk)s ajustes flojos pueden hecer que la
herramienta le mueva sorpresivamente, heci_ndole
perder el control y pudiando causede lesiones por la
broca o al _la herrem ienta.
GUARDE ESTAS INSTRUCCIONES COMO REFERENCIA

_1k'11f;1LMI---. ..... " --
Esta sierra Ueneun aislamkmtodobie para protegedo
contm choquesek_ctr_.os.
IA W. NC.I
Las herramlentas de elslamlento dome ttanen un
enchufe potadzado (una hoJ8 (is _ancha clue la
otra). Este enchufe s61o celza de una forma en el
tomacordentes poladzado. Si el enchufe no calza
blenen el tomaconlentes, velMe el enchu_. Sia
pesar de Io anterior no calza, €ontmcte aun
electrielsta califlcado para ClUe Instale un
toma_)n1_ potadzado. No altwe el enchufe en
forma elguna. Ela_lemlento dome e_ la neces_ad
de tener un cable de corriente de tres ca_es con toma a
tlerm y un sistema de conte_e con toma a t_m-a.
Evllmque su cuerpo toque tas superficies con toma a
tlerra tales como tubedas, radladores, estufas y
refrlgeradorel SI su cuerpo haca tkrra, existe mayor
riesgode m_l_r unclloque ek_hlco.
No exponga las herramlentas elk:trlcas ala Iluvla o a
la humedad. El agua denVo de una henamienta ek_hica
a_ el riesgode recibirunchoque el/_V_o.
No meltrata el cable. Nunca use el cable psra Ilevar la
herramlenta nltire del mlsmo pant desenchufada.
Mantanga el came aleJado del calor, el acelta, los
obJetosafll_ y las piezas en movimiento. Los
cablesder_clos aumentanel 0_mgode d'mques ek_,_cos.
Use un cable de extension para extarloms marcado
con "W-A"o con "W" cuando opere una hemlmlenla
elk_lca en exterloms. Est0s cables est6n des_caOos
pare usos exledoms y mducan el desgo de choques
ek_trico$.
Aesg0rese slempre de que kl toma est6 polarizada, Si
tiene dudas, haga que un elecMcista calillcado ia
revise_
Verlflque que _m cable de extansl6n est6 en buen
eMado. Cuando use un cable de extensibn, asegOrese
de que el rnismo l_eda transm_r la con'Jente que requiem
la henamienta. Un cable de calibre inferior har_ que
celga el voltajo de Is linea, Io que han_ que falte energia y
el mlsmo se recah_.e. La _de abajo muestm el
calibre _ mgGn Is long#ud del cable y su capack:lad
nominal e_ ampedos. Si tiene dudes use el cable m_s
gmnde que le Mp_ A menor n0rnero de celibm, mayor
ser_ el groso( del cable.
Asog0rese de ClUe =u cable de extensi6n est6 blen
r.elbleado yen bush estaOo. Antes de usarlo, mponga
tode cable de exllm_sk_ dafiado o haga que un electdcista
calificado Io relpem. Proteja su cable de extensi6n _ontra
los objetos afhdos, el calor excasivo o las _reas
h0medas o mojadas.
Utillce un cln:tlBo eHtctrlco separado para sus
hewamlentlm eNi_lrtcas. Los cables de eele cimuito
deben ser elaml_m de calibre superior a 14 y el mismo
debe estar protegido con un fusible mtardedo o con un
cortacimuitos de 15 amperios. Antes de conectar la
hermmlenta ekk:Mca a la fuente de cordente, vedfique
que el intemJptor est6 en poelcibn de "APAGADO" y que
la fuente de colltente sea hamisma que se indica en la
placa de datos. Sl el motor fundona a un voltaje menor,
puedesu_ der_.
Repam o relx)nga los cables de extensl6n dahados de
Inmedtalbo.
Escoja el _y la Iongitud adecuados del cable de
extansi_n empimndo la table de abajo.
CALIBREII_ pARA CABLES DE EXTENSION (AWG)
(Um_ ex¢luslvo de 12 volttas)
Capacidad Wt arnpedos Longitud total en :)les
M;_sde No.de 27 50' 100' 150'
0 6 18 16 16 14
6 10 18 16 14 12
10 12 16 16 14 12
12 16 14 12 Nosea_ica
I
Mantenga M _ de extensi6n fuem del _rea de
trabajo. Ul=iqam ei cabta de modo que no se enganche
con la _ de ll'_:_o, la herramtanta ni con
cuaiquler olro abJk_o mlentras usted esM usando la
mmamient8 d_:trlca.

A_E_RIOSDISPONIB_S
Uses61olosaccesodosrecomendadospalmesta
sierraespiral.Sigalasinstrucdones_vlemm con
los accesorlos. El uso de acce_xlos inadecuados
puede causade lesiorms ai usuario o dahar la sierra
esplral.
Visite el Departamento de Herramientas de Seam o vea
et Catilogo de herramlentas ekk:blcas y de mano de
Sears 10amenconVar el surtido de accesodos sugeridos
pare esta herramienta:
• Brocas espimles de code de 1/8"
• Accesorios de bricolaje de 1/8" pare herramientas
giratodas
;" Sierras
_- Pulidores
_, Lijas
:v Muelas
•Casi todas hasfresas con vAstago dell4"
IA J
Use s61o los accesorios dhr4hados para esta sierra ,
para evitar leslones serias o dahos a hi herramienta.
No uffllce ningr, n accesodo a menos que haya leido
pot compieto las Instrucciones o el Manual del
propietario de tal accesodo.
DESEMPAQUE Y VERIFICACI_N DEL CONTENIDO DE
LA CAJA
IA,OW T.C=I
Si falta algtma pkllli o si la misma esUi dahada, no
conecte la skllfa a la fuente de corriente hasta volver
a colocar la _tMlante o dahada y completar el
montaJe.
Desempaquecukildosamente la sierra ytodas sus
partes. _oon la tabla de '_3omponentes0e La
sierra "de abajo.
NOTA: Las _ se ilus_an en la p6gina 7.
I& I
Nunca use _naft_ acetona, dlsolvente de
esmaltes u o(_s ImlventN altamente volltlles para
Ilmplar la siena , _n el IBn de evitar Incendlos o
macclones t6das.
COMPONENllES DE LA SIERRA
LETRA DESCRIPCION CTD
A Sierra 1
B Asa de predsidn con bancada 1
C A(x:m0odo de bancada de manos 1
libnm
D ACCm0flO de sierra circular 1
E_pare instalar la sierra 1
drcuW
F Accelmdo de base de fresado 1
G MangtJo de mandril de pinza de 1
1/8"
HMal_uito de manddl de pinza de 1
1/4"
I Siena _pirca de corte lateral 1
J Maw) para mandr# de pinza 1
K So_ de Ilave para manddl de 1
p_z=
L Manual del propietano 1
M Estuche de tmnsporte 1

A
¢

Perilla de
_ncada
Periila de _ L.---,_ ..i- de rrmntaje
AJ_-az_era euiecien _ io
Perilla de puMo rnontaje
de _vote
M_:lidor de
ajustar la altura

Retire el enchut_ de la fuerre de cm_lente antes del
montaJe, cambio de accesodos o de la sierra y antes
de hacer los ajustos. E_ _ci6n de ugurichKI le
ayuchw6 a evhr el encendido accidental de la
herrlmlenta, que podda causar luiones severaa.
INTERRUPTOR DE ENCENDIDO IAPAGADO
Esta sierra est_ equipada con un intmTu_or deslizante de
ENCENDIDOIAPAGADO (1) ubicado a un costado de la
hernsmienta (vet la fig. 1).
Fig. 1
1. Desliceel bot6nhaciaanlba pare ENCENDER la
hermmienta.
2. Deslice el botbn hada abajo para APAGAR la
hen'amienta.
MONTAJE DE BROCAS PARA LA SIERRA
Las supedlcles cortantse de la bro_ para la elerra y
de ia fTlSa son muy IIIosas. ManipGlelas con cuidado.
Utilico la Uave 10am el mandril de pinza loam insertar la
bnsca de la sierns . La flare se encuentra en su soporte,
qado el cable de cornente.
1. Pulse el bot6n de ciems del v_ago (1) y gim la
tuema de cierm del manddl de pinza (2) en sentido
horado con la otto mano hasta (lue el botdn de cierm
calco en su sif_o, evitando qua el vlrmtago gins (vet la
_g.2).
MONTAJE DE BROCAS PARA I..4, SIERRA
Siga pulsendo HACIA ADENTRO el bot_ de cien-e
del v_tago mlentras hace gimr la tuema det mandril
de pinza en serllido contra kas agujas del reloj con la
Ilava del manddl de pklza (3). Gins 2 o 3 vueltas la
tuerca del manddl de pinza para aflojarlo.
3. Si la herramienta Uene una broca ya instalada, retinsla.
Inserta la broca nueva (4) en el mandril de pin__a.
Inserte toda la broca en el mandril de plnza y
luego iMiquaia enlre 111e"ytl1". Esto crea un
espacio vado enl_e el v6stago del motor y ia
broca ClUe _clue la mhsma se recaliente.
Antes de apretlr el mandril de pinza sobre la
broca, verUklue que so puedan ver todos los
canales de hi broca (las partse adas) fuera del
mandlll de plnza. SI el mandril de pinza se clerra
sobre los cimales de la broca las mlamas se
pueden _y pueden causar dahos.
Cuando la bnsca est6 bien colocada en el manddt de
pinza, pulse el bok_ de cierm del v_Lstago y haga
girar la tuema del mandril de pinza en sentido horario
con la mano tanto como sea posible.
6. Apriete bien la tuema del mandril de pinza con ia Ilave.
Fig. 2

RECAMBIO DEL INSERTO DEL MANDRIL DE PINZA
Las brocas pare esta hen'amienta quedan fijas pot"medio
de la tuerca del mandril de pmza (1) y del mandril de
pinza (vet la fig. 3). La herramienta viene de f_bdca con
un mandril de pinza de _/e" (2) que se usa para soelener la
broca .Un mandril de pinza adicionel de _A"(3) viene
incluido para sostener has brocas PEQUEI_S con
vdsta o de _R.
3
4
Fig. 3
Cbmo cambiar un mandril de pinza de un tamafio 10orel
otre:
1. Retire la broca de ha herramienfa,
2. Continue girando la tuerca del mandril de pinza en
sentido conbario ahas agujas del reloj hasta que ha
pueda retJrar del v_stago del motor (4).
3. Saque el mandril de pinza del vdstago del motor y
cdmbielo por el otto mandril.
NOTA: Ambos mandr#es de pinza tienen extremos
id_nUcos, pot Io que se pueden celocar en cualquier
senfido sobre el vdstago del motor.
4. Vuelva a cok)car la tue_ca de/mand_ de pinza y
apri_tela ligeramente a mano.
5. Instale la nueva broca tel como se indica en
MONTAJE DE BROCAS PARA SIERRA en la pdgina
9.
NOTA: Si el mandril de pmza se apdeta sin una broca
dentro del mismo, la aberture del mandril se puede reduCir
y dificultar la montura de has brocas. Cuando guarde la
her,remienta sin brocas en el manddl, deje floja la tuema
del mismo.
MONTAJE DE LA BANCADA DE MANOS UBRES
La bancada de manos libres est& dise_m_ para el corte
bd,elco de manos libres con la broca ,Es ideal para abdr
los orificios 10am tomacoaJentes en pirca.
MONTAJE DE LA BANCADA DE MANOS LIBRES -
Continuacldn
NO use b _de mnos libra con fr_as. B
control Ilmitldo _le ofrece _acceaorlo le puede
hacer perder el _y aumentar la poslblndad de
suhtr lesionol
Retire ha pedlM de sujeck_ del accesorio (t) de la
base del cu_ de la sierra (vet la fig. 4). Desnco la
abrezadem de monfaje de habancada de manos
libres (2) sobre la parte inferior del cuerpo del motor
(3) basra que el odficio de montaje (4) so afinee con el
orifiP__oen el cuerpo del motor.
NOTA: La leno0eta en el lado de habande de montaje
de la bancado (:lobe calzar en harenura
conespondiwVM <In el cuerpo del motor.
Vuelva a ineadar la penlla de sujecibn en el cuerpo
del motor y aWifltela bien.
1 2
Fig. 4
AJUSTE DE LA BANCADA DE MANOS UBRES
Ajuste hapmftmdidad de la bancada de macos libres
aflojando ha pedla de/medidor de profundidad (5) y
deslice habexlcade (6) hacia adentm o hacia afuera
segdn Io requiom (vet la fig, 5).
NOTA: Fije el moeldor de profundidad de forma que la
broca _de _1 bancada 118"m;_s all_ del
gmsor del _que se corte. Por ejemplo, si coda
pirca de 51s",habroca debe sobmsalir =A" mds all_ de
ha bancada.
2. Apriete bien ha_ del modidor de profundidad.
lO

AJUSTEDELABANCADADEMANO8UBRES-
ContJnuacidm
3. Antes de comenzar el corte, vedfique la profundidad
de la broca, y que kJ bancada est6 en _ngulo recto
respecto a la misma y est6 bkm sujeta. Vuelva a
revisar el mandnl de pinza para asegumrse de que la
broca est6 _sujeta.
_5
Fig. 5
_k ADVERIENCIA ]
_,Ya ley6 "SEGURIDAD CON HERRAMIENTAS
ELI_CTRICAS", SEGURIDAD CON LA SIERRA "y
"REQUISITOS DE SEGURIDAID" en las I_Iginas 3, 4
y 5 de este Manual? Si no Io hizo, hlgalo antes de
operar esta sierra .iSu seguridad depende de ellol
Carla vez que use la sierra , debe verlflcar Io
siguiente:
1. Que ei cable de la sierra no est6 dahado.
2. Que la broca sea la commta para el material.
3. Que la broca e_t6 dlada, em I_mm estado y
blen monlada y suJeta.
4. El uso de galas de seguddad y mascadlla
contra el polvo.
El no cumpllr estas reglas de seguddad puede
aumentar su rlesgo de sufrlr lesiones.
PRACllQUE LOS CORTES CON LA BANCADA DE
MANOS UBRES
Antes de intentar tmbajar en u_nproyecto, t6mese el
tJempo de prac_car varios cortes con su sierra Use
material de desecho id6ntico al material que usard en su
proyecto.
1. Dibuje un paten igual al de su primer proyecto en el
material de desecho.
2. Monte la bancada de mano6 lit)ms tal como en la fig.
4.
3. Ins(ale la broca en el rnanddl tal como en la fig. 2.
4. Ajustela Wofundidadde la bancada tal como eftla
fig. 5.
5. Apoye el bolde de la bancada sobm la pmza de
tTabajo con I! boca a un _ngulo de unos 45° (ver la
fig. 6).
NOTA: NO pennita que la broca toque la pieza de
trabajo hlta que el interruptor es_ ENCENDIDO y la
_lenga la velocid_l _lda.
Antes de ENCENDER ia herramlenta, uegOrese
de sostefleftla flnnemente con ambas mano_ El
torque del eocendldo puede hacer que la
herrandenta mretuerza.
\
11

PRACTIQUELOSCORTES CON LA BANCADA DE
MANO8 LIBRES
6. Pass el intemJptor a la posicidn de ENCENDIDO.
7. Cuando el motor alcance la velocidad debida, mueva
lentamente ie hefpamienta a una po_ick_ derecha,
dejsnde que la broca corte la piez.a de trabajo (vet ie
fig. 7). Cu_ la herpamienta est,) demcha y la
broca hays perforado la pieza de trabajo, mueva
ientamente la hen'amienta en santldo horatio con
una pmsk_n pamja 10am hacer el corte.
NOTA: Corte siempm en senUdo horatio salvo
coande abra odficios 10am los tomaconientes.
8. AI completer el corte, APAGUE la herramienta, espere
a que se detenga per complete y sdquela del material
de tpabajo.
Fig. 7
I,_l, PELIGRO I
No Intente sbdr orlflclos pars tomacorrlentes en plrca
hasta que:
1. Se hays Interrumpido toda Is eiectrk:idad a los
cables eldclricos circundsntsa, blefl sea
APAGANDO el corlacircultos oretlrando los
fusibles.
2. Hays leldo las Instrucciones en la ptglna
sigulente selbm "APERTURA DE ORI_S PARA
TOMACORRIENTES EN PIRCA _.
CONSEJOS DE CORTE
La acck_n giratorla de la broca hace que la hemamienta
tire un poco hacla la izquierda cuando hace los codes.
l_as vadac_ones natupales de ie madem hacen que ie
hermmienta "camine'. Ests tendencla sa exacerba
cuando sa splice mucha presibn a la broca. El code mds
lento ie permite un mejor control. Demaslada presibn o
un code muy r_pido aumentar_ la temperature de la broca
y acortar,_ su dupaci6n.
Cuando abra un odficio en una superficie vertical, evite
terrninar la aperture en el rondo del orirmio. Comlance y
termine siempm an el "tope" del mismo papa que la pieza
cortade no caiga _la broca en movimiento. APAGUE
siempre la henwrlilnta antes de sacada de la pieza de
tpabajo.
APERTURA DE _PARA TOMACORRIENTES
EN PIRCA
],_ PELIGRO" ]
No Intente user mherramlenta pars hscer aberturas
cerca de cualquler aparato o aperture que tenga
cables con contralto o sol=re cualquler paled que
tenga cables ellk:Wicos detrls de Is misma. AI entrar
on contacto con un cable con €ordente, le broca
transmiti_ le _a hi herramienta,
som_iendo al usuarlo al riesgo de suffir un choqus
eld_-trico. APAGUE el cortacircuitos o retire los
fusiblsa pars descmwctar el circulto el_tctrico en el
#rsa de b-abaJo. _slempre la hermmienta por
su cuerpo alslado ¢uando trabaJe en iirsae donde
exists la poslbilldad de tocar cables con corriente.
Protejs siempre su vista cuando use esta herramienta.
1. Antes de instalar la pirca, empuje los cables tan atrds
de le caja como sea posible pare que la broca no los
corte cuando abra el odficio.
Ames de colocar la Idmina de pirca sobm la caja de
electncidad, marque la I&mina tan cerca del centro de
la abertum de la caja c0mo sea posibie. La mama
deber6 ester del lade de la pirca que est_ frente a
usted.
5,
Cuando flje ie pirca, no coloque clavos o tomillos a
rnenos de 12" de la caja. Esto evitald que la pirca se
deforme debido a la pmsk_n.
Inserte la siena y monte la bancada de menos libres
tel como lo indlcan las pdginas 9 y 10 de este Manual
del propietado. Ajuste la profundidad de code papa
que la broca sobmsalgs 'le" m;_s ell_ del glosor de la
pirca.
Sostenga finnemente la hen'amienta con ambas
manos y ENCI¢:NDALA. Introduzca la broca a trav(_s
de la pirca en la marca que indica el centro de la caja.
La fig. 8 musatra q
12 Fig. 8

P_ m
i'd
APERTURA DE ORIFICIOS PARA TOMACORRIENTES
EN PIRCA - Cor_nuaci6n
6. Mueva la broca tentamente a la derecha haste que
sienta y oiga que hamisma toca el interior de la caja.
Saque la broca Io suficiente pata podeda deslizar
sobre el horde de la caja. Cuando la broca est_ fuera
de la caja, vuelvela a inserter completemente al lado
del horde extemo de la caja.
Mueva la herramiente hacia ardba con una presibn
Ilgera hada el centro de la caja. Cuando siente que
la broca elcance la esquina superior demcha de la
caja, mu(T)vala hacia abajo hacia el centre de la misma,
aplicando una presibn ligera.
Continue moviendo la herramieflte alrededor de la
caja en sentJdo contrario alas agujas del reloj
mientras haos una presibn liviana hacia el centro de
fa caja. AI completar el orificio de la caja, APAGUE la
herramiente y s_quela del odficio.
10. El odficio terminado del tomacolTientes quedar&
rematedo en forma limpia y precisa (vet lafig. 9).
j_
Fig. 9
NOTA: Mueva siempre la broca en sentJdo contrario a has
agujas del reloj ak'ededor de ia osja del tomacontentes.
La tendencia natural de la broca 8 moveme a la izquierda
faciliter_ cortar rn_s osrca de la caja.
MONTURA DEL _DE PRECISION
El asa de preciel_m ut_ dios_ade para cuande se desea
toner un control pmdso del movimiento de la herramieota.
Este asa cbmoda =m puede usar con cualquiera de las
dos manos.
1. Saque la penlla de sujed6n de accesorios (1) de la
base delcuelpodel motor (verlafig. 10). Montela
abrazadera del aim de precisibn (2) sobre la porte
infedor del cuerpo del motor (3) haste elinear el
odfido de montura (4) con el orirmio del cuerpo dot
motor.
NOTA: La leng0ete en el lade de la abrazadera del
asa de precisi6n debe quedar inserte on la mnum
correspondiente en el cuerpo del motor.
2. Vuelva a inNrtar haperilla de sujeck_ de accesodos
al cuerpo del motor y apri6tela bien.
2_
Fig. 10
AJUSTE DE LA BANCADA DE MANOS UBRES
1. Ajuste la pf_undidad de la bancada del asa de
precisk_ _la perilla del medidor de
profundidad (5) y deslizando la bancada (6) hacia
adentro o hada afuera segt_n se requiem (vet la fig.
11).
NOTA: Regule la profundidad do mode que la broca
sobreselga 11==_ all_ del grosor del matedal de
corte. Pot ejemplo, si coda madera de pino de 3/4", la
broca debe ii0brualir 71e"rods all& de ia bancada.
2. Aprtete _II pedlla del medidor de profundidad.
13

_Ki]_r_ll=l h_ [o]_ [_]_1
AJUSTE DE LA BANCADA DE MANOS LIBRES -
Continuaci6n
3. Antes de iniciar el code, revise la pfofundidad de la
broca, varifique que la bancade est6 perpendicular a
la broca y que estd bien sujeta. Vuetva a revisar el
mandnl de pinza para vedficar que la broca est6 bien
sujeta.
Fig. 11
5. Ajuste el radio del ¢ortador de cimulos atlojando la
penlla punhgude de pivote (6), deelizdndola al radio
correcto _ CIft:ulo y volvidndola a apretar en el sitio
deseado.
NOTA: Revise el ajuste del radio dei cortador de
circulos _el mismo desde el punto del pivote
hasta la _extador de la broca .
::rm
MONTAJE DEL CORTADOR DE CiRCULOS
El accesoriopare cortarcircu_oses idealpara cortar
circulosprecisos. Este cortador de c[muk)spuede
montarsetantoen la bancadade manoslibms como en la
bancadadel asa de precisi6n. La iluslmck_nmuesVa el
cortadorde cimulosmontadoen labancadade manos
libms.
1. Instale la bancada de manos libres ala henamienta
como se muestra en la p6glna 10 de este Manual del
propietario.
Introduzca el inserto [0am rnontar el cortador de
cimulos con rosca extema (1) el rondo de la bancada
(2) (ver la fig. 12).
NOTA: Vedfique que la "D" moldeada del inserto
caiga dentro de la "[3" qua le ¢orrt_x)nde en la
bancada.
3. Coloque el odficio de montura del cortador de circulos
(3) sobre el inserto de montura (tel cortador de
circulos con rosca externa.
NOTA: Vedfiqua que el pin afUado de pivote (4)
apunte lejos de la henantenta.
4. Enrosque el disco de montura del cortador de circulos
con rosca intema (5) al insedo de montura con msca
extema y apddtelos a mano.
NOTA: No apriete demasiado las partes de pl_stico
para montar el cortador de clmulos. Ap_telas sblo Io
neossario.
14
' 4/ s
Fig. 12

=1W
.._----']Z4f'--I|I----:L -- - __._--
OPERACI_N DEL CORTADOR DE CiRCULOS
antes de camblar los accesorlos, camblar la broca y
hacer los ajustes.
Antes de ENCENDER la hermmMnta, revise y
aseg,',rmm de que la broca y todos los retenes de
accuodos est6n blen suJetoL
Marque el centro del circulo que desea cortar en la
de trabajo y perfore un odficio piloto de 6 mm o
de_l_-.
Ajuste la profundidad de la broca _ls" n_s all6 del
grosor del material que va a cortar.
Ajuste el radio del codador de circulos aflojando la
perilla punfiaguda de pivote, desl_ndola al radio
con'ecto del circulo y volvidndola a apfetar en el sitio
deseado.
NOTA: Revise el radio deJ oortad(x de ckculos
mid_ndolo desde el punto del pivote basra la parte
exterior de la broca
Apoye el borde de la bancada sobre la "pi_ezade
trabajo, con la broca inclinada a unos 450 (ver la fig.
13). tnserte la punta de pivote det cortador de
ckculo6 en el odflcio piJoto pedorado eft el centro del
circulo.
NOTA: NO permita que la broca haga contacto con la
pieza de trabajo antes de habet ENCENDIDO el
interruptor y de que la herramienta alcance la
velocidad debida.
OPERAP.J(_ DEL CORTADOR DE CiRCULOS -
Continuack_
5. Pase el intem_or a la posick_ de ENCENDIDO.
Cuando el motor Ilegue a la velocidad debida,
endereoe lentamente la henamienta y el montaje del
cortador de drculos, dejando que la broca per_m en
la pieza de tlabajo (vet la fig. 14). Tenga cuidado y
mantenga la punta de pivote ubicada en el centro del
circulo que debe codar. Cuando se enderece la
herramiln_ y la bfoca haya traspasado la pieza de
trabajo, mueva la herramienta lentamente en sentido
horadlo con una presk_n sostenida para hace_ el corte.
ContinOe coftando el c[rculo, manteniendo la
hen'amienR demcha y girando alrededor del punto de
pivote del cortador de cimulos.
7. AI completw el co_'te, APAGUE la herramienta, espere
a que se detenga pot completo y ret{rela de la pieza
de trabajo.
Fig. 14
Fig. 13
15

Elaccesout0defresedoconviedeasusierraenun
fresadordebdcolajecapazdeuserfmsaspeque_scon
v_stagode114",asicomolaIxocade code. Su base
inclinable es ideal pare los codes biselados.
Desconecte la herramlenta de la fuente do conlente
antes de camblar los accesodos, rambler la broca y
hacer los ajtmtse.
Antes de ENCENDER la herramlenta, revise y
seeg,',rese de qua la broca y todos tos retenes de
accesoflos est_n bien sujetos.
MONTAJE DEL ACCESORIO DE FRESADO
1.
2
Retire cualquier accesodo ya montado en la
herramienta.
Retire la pedlla de sujecibn de accesodos (1) de la
base del cuerpo del motor de la siena (ver la fig. 15).
Pulse el botbn de clerre del vi,stago del motor (2) en
la parte de atr_s del cuerpo del motor (ver la
ilustmcibn insertada).
NOTA: Gire el mandril de espiga mienbas pulse el
botbn de cierre del v_stago del motor hasta que el
botbn calce en el odf_o del v_nstago det motor.
Des,co la abrazadera de montaje del accesodo de
fresado (3) desde el fondo del cuerpo del motor (4)
hasta que el odflcio de montura (5) se alinee con el
onficio de la abrazadera de montaje.
NOTAS: El odficio elevado de la abrazadera de
montaje se desHzard sobm e_ botc_nde cierm del
v&stago del motor s_o si el bot6n ha sido pulsado por
completo y ha calzado en el v&stago del motor.
La leng0eta en el lado inverso de la banda de montaje
de la base de fresado deba entrar en la ranura
correspondiente del cuerpo del motor.
4. Vuelva a insertar la pedlla de sujeclbn de
accosodos en el cuerpo del motor y apri6tela bien.
AJUSTE DE LA PIROfUNDIDAD DE LA FRESA
La profundided del _se controla deslizando la base de
fresedo hacia antba o hacia abajo sobre las mangas de
ajuste.
1. Afloje ambas pelilas de ajuste de la altura (1)
desenrosc_ndolM en senUdo contm las agujas del
reloj (ver la fig. 16).
2.
3.
DesHco la base de fmsedo (2) bacia an'iba o hacia
abajo basra alcanzar la profundidad de code deseada.
Cuando obtenga la profundidad de code dessede,
vuelva a apretor las penllas de ajuste de la altura.
16
Fig. 16
AJUSTE DE LA INCUNACI(_)N DE LA BASE DE
FRESADO
Se pueden hacer cortes biselados con la broca inclinando
la base de fresado al _tngulo deseado.
1. Afloje ambas perks de ajuste del bisel (3)
desenmsc&ndoise unas 2 veces en sentido contra las
agujas del rek)j (vor la fig. 17).
2. Incline la base de fresede (2) al &ngulo deseado.
3. Vuelva a apretar ambas pedNas de ajuste de la altura.
4. Verifique el _ngulo enb'e la base de fresado y la brona
para aseguranm que el _ngulo sea el correcto.
Revise la profundidad del corte del fresador y
reajL_stela si es necesedo.
NOTA: Por Io general, para los cortes biselados se
debe aumentl" la profundidacl del code al inclinar la
base de fres_KIo.

CORTE Y FRESADO AMANOS LIBRES
Cuando se instala el accoseno de la base de fresado en
la sierra, ie misma funciona como une fi'esedora
peque_a que se usa pare el corte a manos libres de
fomlae irregulams. Usted puede cortar foKnas de la pieza
de trabajo con la siena o fresar la pieza con las fownas
que quiem empieando fTesas pequetlas.
CORTE A MANOS LIBRES
1.
2.
3.
Ajustela profundidadde la broca 118"m_s allddol
grosordel matenalque se va a cotter.
ENCIENDA el intenuptor mientras sestJeno
flrmemente la henamieflta.
Cuando inicie el corte dentro de la pieza de trabajo,
coloque ie broca inclinade pare pemlitir que la misma
se abm paso en la pieza de trabajo (ver la fig. 6 de la
I_g. 11).
Use las dos pedllas de ajuste de eltum para guiar la
broca a travds de la pieza de trabajo.
FRESADO A MANOS LIBRES
Use ta base de fmsado con fresas peque_as pare valios
pmyectos de fmsado a manos lilxes (vet ie fig. 18).
1. Retire el mandri de pinzas de lie" e insefte el manddl
de 'A" (ver la fig. 3 de la p_g. 10).
2. Instale ie fmsa y aseg0mla bien.
3. Ajuste la altum de la base de fresedo a la profundidad
deseada.
4. ENCIENDA el intemJptor vedfmando que la fresa no
est6 en contacto con nada.
So6tenga ie henamienta pot"las dos perilies de ajuste
de la eltum, baj6ndola cuidadosemente sobre ie pieza
de trabajo y guiando la fresa elmdedor de ie forma
deseade,
Fig. 18
CORTE DE UNA LINEA RECTA CON BORDE
DERECHO
Se puede usa" urm plantilla de borde recto pare guier la
base de fresado y cotter une linea recta.
1.
2.
Dibuje ie Ilnee on el si'dode ie pieza en doflde desee
hacef el colte (vet la fig. 19).
Dibuje una Ngunde Iinea parelela unas 2 lie" rn_s all_
en la pieza de trabajo (alejade de la Iinse de code).
3. Asegure la plantilla de borde recto a la parte de la
pieza de tmbajo que deba asegurar mienfzas haco el
code.
Cokxlue el lado plane de ie base de fresado contra el
borde recto, con ie fresa corca del inicJode la linea de
core.
NOTA: Revise ie posid#n de la fresa pare verificar
que se corte en el sitio indicado.
5. ENCIENDA el intenuptor mientms sestiene la
herramienta flrmernente.
6. Deslico la base de fmsado contra el borde recto
mientras hace el corte.
Fig. 19
17

•;'-'_,'1 = ;rod a:._4.._..-.. ....... _11_T4111_;__
CORTE DE CURVAS CON UNA PLANTILLA
Se puede usar una pianUIla cunla 10am guiar la base de
fTesado y cortar Ifneas curvas.
Haga una planth de catkin gnJeso o de un material
parecido con la forma que requiera (vet la fig. 20).
NOTA: El radio de la curva debe set mayor a 2 ½"
10amque la base de fresado pueda seguir bien la
plantiga curva.
2. Marque el sitio donde hani et torte.
3. Marque la pieza de _abajo unas 2 ?lie" mds all_, (lejos
de la linea de corte).
4. Asegure la plantilla a la parte rn_s gran de la pieza
de trabajo que deba asegurar mientras hace el code.
Coloque la parte curva de la base de fff_sado contm la
p_antJHa,con la ffesa cerca del inicJo de la linea de
corte.
NOTA: Revise la po_ de la fresa para verificar
que se corte en el sitio indicade.
6. ENCIENDA el intemJptor mientms sostiene la
hen-amienta firmemente.
Deslice la base de fmsado contm la plantilla mientras
hace el code
Fig. 20
7JlL,I_II =_lllMl=l_i.--
I_l, PELIGRO I
Para su seguridad, APAGUE el Inten'uptor y retire el
enchufe de I tomacordentes antes de dar serviclo a su
siena.
Utilico s_lo piezas Craftsman Id4nticas para dar
serviclo. El uso de otras piezas puede crHr desgos o
daitar el producto.
UMPIEZA EXTERNA
IA I
NO use solventN ¢mlndo Ilmple las partes pllsUcas.
La mayorla de Ioe Id6mir, os pueden ser dahados por
diversos Upos de Imlventes comerclales y pueden
daharse si los _Emplee un patio Ilmpio para '
Ilmplar la sucltdad, 411polvo, el ace#e, la grasa, etc.
No permita que M Ikluldo para frenos, la 9asolina, los
productos a brae de pet_leo, los aceites penebantes,
etc. toquen las pmlms pl4sticas en nlngGn momento.
Los mlsmos conilmen quimlcos que pueden dahar,
debilltar o deslurulr al plkitlco.
UMPIEZA INTERNA
Se sabe que las herramientas ek_ctdcas sufren un
desgaste acolerado y pueden fallar prematuramente
cuando se emplean en botes y carros deportivos de fibre
de vidrio, en pirca, compuestos para emplasto o en friso.
Las padfculas yet polvo de esos matenales son muy
abrasivos sobre las plazas de las hemamientas el_cb_as
tales como los co_netes, los cepillos, los intemJptores, etc.
Es de vital impoftancia clue cuando se use con alguno de
esos materiales, la _ienta se fimpie frecuentemente
con un chorro de abe compnmido.
IA PEUGRO I
Es vital que use _o lentes de seguddad con
protectores laterails y una rnascarilla contra el polvo
cuando limple la _con chorro6 de aire
compdmido. Puede sufrir lesiones permanentes a la
vista o a los pulmomm sl no sigue estas precauciones
de seguddad.
MANTENIMIENTO DEL CABLE DE CORRIENTE
Reponga el cable de Inmedlato sl estt desgastado o
daflado en cualq_forma para evltar los choques o
el rlesgo de IncmtdloL
LUBRICACION
Todos los cojinetos de esta siena tienen la cantidad
sufidente de lubdcante de alto grado para la vida de la
unidad en condidones non'hales de uso. Pot Io tanto, no
se requiem el uso de lubricante.
18

Unidad principal
19

{l!l."_l_ !]: Ilia"] lill:l,:_l,: , ,vl_l[e](r:,'ll!i'i] il{:tl]lilr#,lloIt]
#de
ICt_ld.
1
8
,'o
11
12
13
[_14
15
16
17
18
21
24
25
31
32
Use s_io piezas de recamblo CRAFTSMAN cuando haga el servlcio. El uso de otras piezas puede crear un RIESGO
o dahar su taiadro de mesa,.
Cualquler Intento de reparar o recamblar Its piezas eidctrlcas de este taladro de mesa puede causar riesgos salvo
que un tdkcni¢o callflcado haga tll reparaddn. Se dispone del sendcio de relllllc_n contaotando II Centro de
Sedvlos de Sears mls cercano • ustod.
Hap siempre su pedido por N_ERO DE PIEZA, y no per mimero de cbdigo
Unidad principal
# de pleza
01AT-000OO6-AO
01AT-000031-00
I 02AE-000037-KO
02AE-000057-00
02AH-00(O88-00
02AN-000012-00
02AS-000191-A0
02AS-O00199-A0
02AS-000206-A0
02AS-000260-00
02AS-000271-00
02AW-000040-B0
02AW-000048-00
02AW-000055-00
I 03AM-000072-00
_M..I_O07_
' ff'_W-O_116-00
Nomlxe de la pleza Ctd. #de # de phBa
cod.
Tubo de mon_ura tG_mica 2 33 2203-MA0001-00
de 12 mm
Tubo de montura tdrmica 3 34 2203-MA000Q-00
de 15 mm
Cojinete basero 135 2203--MA0003-00
Cojinete delantero 1 36 2203-MA0004-00
Resorte de husilio 137 2203-MA0005-00
Resorte de escobila 2 38 2203-MA0006.00
Tuerca hexagonal 1 39 2203-MA0007-00
Torni_lo del cueq0o 3 40 2203-MA000e-00
TornJllo del cuerpo 4 41 2203-MA0009-00
Tomillo 4 42 2203-MA0010-00
Pemo industrial 1 50 : 9866-PA0015-00
Pemo industrial 1 55 9920-PA0011-00
Anillo en E 1 60 2203-PA0001-00
Anillo de auto<mjec_n 1 61 2203-PA0002-00
Arandela de sujecidn 1 64 2203-PA_
Estator 165 2203-PA0(X)6-4)0
Rotor 166 2203-PA0007-00
Micm-i_ 1 67 2203-PA_
Escobik de cation 2 68 2203--PA000e-00
Cable de cordente 1 69 2203-PA0010-00
EtMueta iquierde 1 71 2203-PA0013-00
EtJquota demcha 172 2203-PA0014-00
Non#xe de la pieza Ctd.
Pin de sujeci_n I
ahusado
Tuema del manddl de 1
pinza
Mandril de pinza de 1
114"
Manddl de pinza de 1
1/8"
Ret_n de la escobilla 2
Disco de contacto 2
Chapa de sujeci6n 1
I_lave loam tuerca del 1
manddl de pinza
Sol)ode de la bancada 1
Bancade 1
Sujetador del cable 1
Manga del cable 1
Cue@o izquiorde 1
Cuerpo derecho 1
Pieza de goma del asa 1
Pieza de gorna del asa 1
Cubierta del interruptor 1
I_nde IXXl_41ave 1
Tapa del pemo 2
Cubierta del pemo 2
Tapa de la escobilla 2
Cubierta de la escobilla 2
2O

PJI::lP'_r_._.IL_[o)_o] i!:! _ ,.ii_.,l_l_0D]
Montaje del asa
/
d
#de
c6d.
1
2
3
4
5
6
7
8
9
10
11
#de p_za
02AS-000201-A0
02AS-000206-A0
02AS-000269-A0
02AS-000270-00
02AS-000271-00
2203-MA0010-00
2204-MA0001-00
2203-.PA0009-00
2203-PA0010-00
2204-PA0001-00
2204-PA0002-00
Nombre de la iI_ii Ctd.
12 2204-PA0003-00 1
Tornino 2
Tomillo 2
Pemo induslzlal 1
T_illo 1
Pemo _1_1 1
Banc_la 1
S_te de__1
Tapa del pemo indult_ 2
Cubiefta del pemo 2
industd_
Agarradem demcha dN m 1
Agamadera izquien_ d_ 1
asa
Agan'adem tle,_'b_ del ma
21

IN_I_ _ l_[o]_ [::it(o]ilE:]_Jil J5_;[09_
Montaje del cortador de circulos
_®
#de
c6d.
1
2
--5--
6
9
10
11
12
14
15
# de pim
02AN-000017-00
02AN-000018-00
02AS-000258-00
02AW-000022-00
2206-MA0001-00
2206-MA0002-00
2206-MA0003-00
02AS-000272-00
2206-MA0005-00
2205-PA0005-00
2205-PA0006-00
2206-PA0001-00
2206-PA0003-00
2206-PA0004-00
Nombre de la pieza Ctd.
Tuerca cuadrada 1
Tuerca hexagonal 1
Pemo indus_al 1
Arandela de presk_ 1
Brazo circular (_) 1
A_ 1
Casqu_o de la manila 1
Torero 1
Brazoc_u_r_oe_ 1
Cubierta de la rnanilla 1
Base en pelota de la manila 1
Fijador de distarlcms con I_ 1
centr_
Base de sujeck_n 1
Montum de gufa crcular 1
22

•!LvA![o]m]=lmU[o]E:][,r,Jl P'. 0Io]
Montaje del fresador
1" 02AG-000133-00
2 02AJ-0(X)(X)9-00
3 02AN-000012-00
4 02AN-000013-00
5 02AN-000016-00
6 02AS-000020-A0
7 02AS-000048_0
8 02AS-000093-00
9 02AS-0(X_58-00
10 02AS-000259-00
11 02AW-000029-B0
12 2205-MA0001-O0
Nombrede_pleza Ctd. #de #dem
c_l.
Casqulo de gula 4 13 2205-MA0002-00
Base indlrlable 1 14
Tue_ca 2 15
Tuerca cuadrada 2 16
Tuerca roscada I 17 2203-PA0010-00
Tomi) 1 18 2205-PA0001-00
Pemo indusbtal 3 19 2205-PA(XI_-00
Tornilo de la base 8 21 2205.PA0004-00
Pemo IndusMal 2 22 2205-PA0008-00
Pemo _l 2 23 2205-PA00m_00
Arandela on C 2 24 220._P_
Vadla de gula 2
Nombrede'- pleza Ctd.
Chapa de fdcck_n 2
Regla(mqr_k:a) 1
Regla (impedal) 1
Tal)a del pemo industdal 2
Cubiertadel pemo 2
indushlal
Base supe_ 1
Base media 1
Lente 1
Tspa de la manna 2
Basede la menUia 2
Discode sujock_n 2
23

Pararepararlosarticuloedefal_cantes reconocidos en su _hogar ....
sin importar el fabri(;an_ o el proveedor,
1-800-4-MY-HOME_ Ac.=qu_rhot=_ ek=
(1-800-469-4663) (en EE.UU. yen Canada)
t_vw.sears.corn www.sears.ca
Pare repararproductos port,tiles como aspiradoras, cortagramas y
productos electr(micos, Ilame y pida la ubicacibn rn_8 cercana de su
Centro de partes y de mparaciones de Seam.
1400-488-1222 Ac.=q._r_ra deedie(s_oenEE.UU)
WWW.seal_.com
Para obtener piezas de mcambio, accesodos y manuales del propietado
que requiem para hacerlo usted mismo, Ilame a Sears _Direct s"
1-800-366-PART De8a23horasHEC,7dm =_ m_ana
(1400-366-7278) (sblo en EE.UU.)
wwwJeam.com/partsdirect
Para adquirir o pedir infonnaci_ solxe un Contrato de =enddo de Sears
o un Contrato de mantenimkmto de Sears:
14004274655 (EE.UU.) 1-800-361-6665(Canal)
De 7a 17 horas HEC, Lun. - S&b. De 9 a 20 horas HEE, L - V, 16 horas S_b.
Para pedir servicio de mparadbn a Au Canada I_Ur _rvico end:
domicilto, y para ordenar plezas: 1.800.LE.FOYEI_eC
1-888-SU-HOGAR m (1,800-533-6937)
eRsBiam_l_l 1_1 _:lSm_oMmtofSearL RoebaekandCo.
OMnmnR_(imdsI w=tMmln_de r-_tlxtm! mlit_sdo_'_iodleSem_RoebaOkandCe
=c Mmquo de mI_ _ dqoe_e de S_ Ro_ou_ md Co. 0_ Rmd_=x_d Co.
24