Craftsman 247384260 User Manual LAWN MOWER Manuals And Guides L1003496
CRAFTSMAN Walk Behind Lawnmower, Gas Manual L1003496 CRAFTSMAN Walk Behind Lawnmower, Gas Owner's Manual, CRAFTSMAN Walk Behind Lawnmower, Gas installation guides
User Manual: Craftsman 247384260 247384260 CRAFTSMAN LAWN MOWER - Manuals and Guides View the owners manual for your CRAFTSMAN LAWN MOWER #247384260. Home:Lawn & Garden Parts:Craftsman Parts:Craftsman LAWN MOWER Manual
Open the PDF directly: View PDF
.
Page Count: 22

OWNER'S
MANUAL
MODELNO,
247.384260
Caution:
Readand Follow
All Safety Rules
and Instructions
BeforeOperating
This Equipment
4 HORSEPOWER
4CYCLE ENGINE
20" ROTARY
iViULCHING MOWER
Assembly
Operation
Maintenance
Service and Adjustment
Repair Parts
®
I,I,II,H i i,/,_i illlll ....
SEARS,ROEBUCKANDCO., Chicago,IL 60684 U.S.A.

IMPOFITA .. ES FORSAFEOPERATION
,A _. ANDIORPROPERTYOFYOURSELFANDOTHERS.READANDFOLLOWALL INSTRUCTIONS1NTHISMANUALBEFO ,_mL
_IJL.TO OPERATEYOURLAWNMOWERFAILURETOCOMPLYWITHTHESEINSTRUCTIONSMAYRESULTINPERSONALINJURYWHENJBIm_
_YOU SEETHISSYMBOL-- _ HEEDITSWARNING.
DANGER: Your lawn mower was built to be operated accordingto the rules for safe operationin this manual. As
with any type of power equipment, carelessness or error onIhe pad of the operatorcan resultin serious
injury. If you violate any of these rules, you may cause serious Injury to yourselfor others°
TRAINING
1. Readthisowner'sguidecarefullyinitsentiretybeforeattempting
toassembleoroperatethismachineBecompletelyfamiliarwith
thecontrolsandtheproperuseof thismachinebeforeoperating
it. Keepthismanualin asafeplaceforfutureandregularreference
andfororderingreplacementparts
2 Yourrotarymowerisa precisionpieceofpowerequipment,not
aplaything,Therefore,exerciseextremecautionatalltimesYour
unit has beendesignedto performonejob:to mow grass Do
not useit forany otherpurpose
3. Neverallowchildrenunder14yearsoIdto operatea powermower
Children14yearsoldandovershouldonlyoperatemowerunder
closeparentalsuper'¢isionOnlypersonswellacquaintedwiththese
rulesof safeoperationshouldbe allowedto useyour mower.
4 Keeptheareaof operationclearof allpersons,particularlysmall
childrenandpets. Stopenginewhentheyarein the vicinityof
your mowerto helppreventbladecontactor thrownobjectin-
jury Althoughtheareaofoperationshouldbecompletelycleared
offoreignobjects,anobjectmayhavebeenoverlookedandcouId
beaccidentIythrownby the mowerin anydirectionandcause
seriouspersonalinjuryto the operatoror anyothersaJtowedin
the area
PREPARATION
1. Thoroughlyinspectthe areawherethe equipmentisto beused..
Removealt stones,sticks wire,bonesandotherforeignobjects
whichcouldbepickedupandthrownby themowertn anydirec-
tionandcausesedouspersonalinjurytotheoperatororanyothers
allowedin thearea.Planyourmowingpatternto avoiddischarge
of materialtowardroads,sidewalks,bystandersandthe like,
2 Alwayswearsafetyglassesoreyeshieldsduringoperationorwhile
performinganadjustmentorrepair,to protecteyesfromforeign
objectsthat maybethrownfromthe machinein anydirection.
3. Wearsturdy,rough-soledworkshoesandclose-fittingslacksand
shirts Shirtsandpantsthatcoverthe armsandlegsandsteel-
toedshoesarerecommended=Donot wearloosefittingclothes
or jewelry Theycanbecaughtin movingparts Neveroperate
a unit in barefeet, sandals,or sneakers
4 Beforeworkingwithgasoline,extinguishallcigarettes,cigars,pipes
andothersourcesof ignition Checkthefuellevelbeforestarting
the engineGasolineis anextremelyflammablefuel Do not fill
the gasolinetank indoors,while the engineis running,or until
enginehas beenallowedto cool for at leasttwo minutesafter
running.Replacegasolinecapsecurelyandwipeoff anyspilled
gasolinebeforestartingthe engineas it may causea fire or
explosion
5 Disengagetheself_propelledmechanismor driveclutchon units
so equippedbeforestartingthe engine
6. Thebladecontrolhandleis asafetydeviceNeverattemptto bypass
itsoperation.Doingso makesthesafetydeviceinoperativeand
may resultinpersonalinjury throughcontactwith the rotating
blade.Thebladecontrolhandlemustoperateeasilyinbothdirec-
tionsandautomaticallyreturnto the disengagedpostitionwhen
released.
7. Neverattemptto makeawheelor cuttingheightadjustmentwhile
the engineis running.
Foryoursafety,usetheslopegaugeincludedaspartofthismanual
to measureslopesbeloreoperatingthisunit ona slopedor hilly
area iftheslopeisgreaterthan15`=asshownontheslopegauge,
donotoperatethisunitonthatareaorseriousinjurycouldresult.
PERATION
Do not changetheenginegovernorsettingsor overspendthe
engine.Excessiveenginespeedsaredangerous
2Donotputhandsorfeetnearor underrotatingparts.Keepclear
of the dischargeopeningat aHtimesas the rotatingbladecan
causeinjury
3. Stopthe bladewhen crossingg_aveldrives,walksor roads
4Afterstrikinga foreignobject,stoptheengine,removethewire
from thesparkplug, andthoroughlyinspectthe mowerfor any
damageRepairthe damagebeforerestartingandoperatingthe
mower,
5 if theequipmentshouldstarttovibrateabnormalJy,stoptheengine
andcheckimmediatelyforthecause.Vibrationis generallyawarn-
ingof trouble.
6 Shuttheengineoffandwaituntilthebladecomesto acomplete
stopbeforeremovingthegrasscatcheroruncloggingthechute.
Thecuttingbladecontinuesto rotatefor a fewsecondsafterthe
engineis shutoff. Neverplaceanypart of the bodyin theblade
areauntil you are surethe bladehasstoppedrotating,
7Beforecleaning,repairingor inspecting,makecertaintheblade
andallmovingpartshavestopped.Disconnectthesparkptugwire,
andkeepthewireawayfromthesparkplugto preventaccidental
starting.
8 Do not runthe engineindoors
9Nevercutgrassby pullingmowertowardyou Mowacrossthe
faceof slopes,neverup-and-down.Exerciseextremecautionwhen
changingdirectiononslopes.Donotmowexcesalvelysteepslopes
Alwaysbesureof yourfooting.Aslip andtalecancauseserious
personalinjury.
10 Neveroperatemowerwithoutproperguards,platesorothersafety
protectivedevicesin pFace
11 Mufflerandenginebecomehot andcan causea burn Do not
touch,
MAINTENANCEANDSTORAGE
1 Checkthe bladeandenginemountingboltsat frequentintervals
for propertightnessAJsovisuallyinspectbladefor damage(e.g
bent,cracked).Replacewith bladewhichmeetsoriginalequip-
mentspecifications
2 Keepall nuts, bolts,andscrewstightto besurethe equipment
is in safeworkingcondition.
3 Neverstorethemowerwithgasolineinthetankorgascontainers
insideof abuildingwherefumesmayreachanopenflameorspark
(e.g,gashotwaterheater).AHowtheengineto coolbeforestor-
inginany enclosure,
4. To reducefire hazard,keepthe enginefreeof grass,leavesand
excessiveoil.
....................81Ne_eTbpe-t_tethbmowetinwetgrass:Alwaysbesureofyour ............................................5; Checkthegrasscatcherbagfrequentlyforwearordeterioration:..........................................
looting.A slip andfai!cancauseseriouspersonalinjury.Keep Replaceawornordamagedbagimmediately.Forsafetyprotec-
afirmholdonthehandleandwork,neverrun Mowonlyindaylight lion, replaceonly with new bag meetingoriginalequipment
or in goodartificiallight specifications_
2

CONGRATULATIONS on your purchase of a Sears
Craftsman Lawn Mower. l't has been designed, engineered
and manufactured to give you 'thebest possible dependability
and performance.
Should you experience any problem you cannot easily
remedy, please contact your neP,rest Sears Service
Center/Department We have competent, well-trained tech-
nicians and the proper tools to service or repair thts unit
Please read and retain this manual The instructi_ns wili
enable you to assemble and maintain your lawn mower
properly. Always observe the "SAFETY RULES"
MODEL
NUMBER 247,384260
SERIAL
NUMBER
DATE OF
PURCHASE
THE MODEL AND SERIAL NUMBERS WILL BE FOUND
ON A LABEL ATTACHED TO THE REAR OF THE DECK
YOU SHOULD RECORD BOTH SERIAL NUMBER AND
DATE OF PURCHASE AND KEEP IN A SAFE PLAC:E
FOR FUTURE REFERENCE
PRODUCT SPECIFICATIONS
iiiiii]i I iiiii ]iiii] ] LI _J,
Horsepower: 4.0
Displacement: 171,9 cc
Fuel Capacity'.: 48 oz.
Spark Plug (Gap 025 in ): Champion
RJ-19LM (or
Equivalent)
Solid State Ignition Air Gal:.: _0125 in,
Blade Bolt Torque: 35-40 ft lbs.
MAINTENANCE AGREEMENT
/_ Sears Maintenance Agreement is availabfe on this
product Contact your neare_c.tSears store for details
IIIIILIIIIIIiii iiiiiiiiiiiiiii ................................. i
CUSTOMER RESPONSBBIL, JTJES
: IIIII III III I I II ........................... IIIII I I iiiiiiiii iiii i ii i I •: :::::: :: : iiI
eRead and observe the safety rules
® Follow a regular schedule in r_aintaining, caring for and using your lawn mower
o Follow the instructions under '"Maintenance" and "Storage" sections of this Owner's Manual..
: iiiii iiiWl L'J_l"ll'l"l'l_l'llJLIIl_'II I::: :::: IIIII1'1 II I I I I I
WARRANTY
OHE YEAR LIMITED WARRANTY ON CRAFTSMAHLAWN MOWER
For one year from the date of purchase, when thi_ Craftsman Lawn Mower ts maintaineo, lubricated and tuned-
up according to the instructions in the owner's manual, Sears wilt repair, free of charge, any defect in materiat
and workmanship.
If this Craftsman Lawn Mower is used for commercial or rental purposes, this warranty applies for only 90 days
from the date of purchase.
This warranty does not cover:
• Expendable items which become worn during normal use, such as mower blades, blade adapters, air clea_ers
and spark plugs.
•Repairs necessary because ef operator abuse or negligence, including bent crankshafts and the faille to
maintain the equipment according to the instructions contained in the owner's manual..
WARRANTY SERVICE IS AVAILABLE BY RETURNING THE CRAFTSMAN LAWN MOWER TO THE NEAREST
SEARS SERVICE CENTER/DEPARTMENT IN THE UNTIED STATES. THIS WARRANTY APPLIES ONLY
WHILE THIS PRODUCT IS IN USE IN THE UNITED STATES
This warranty gives you specific legal rights, and you may also have other rights which may vary from state
to state..
SEARS, ROEBUCK AND CO. Department 731CR-W Sears Tower, Chicago, IL 60684
3

TABLE OF CONTENTS
SAFETY RULES ............................................. 2
PRODUCT SPECIFICATIONS ..................... 3
CUSTOMER RESPONSIBILITIES ............... 3
WARRANTY ..................................... 3
INDEX ................................................ 4
MOWER ACCESSORIES ......................... 4
CONTENTS OF HARDWARE PACK ............. 5
ASSEMBLY ..................................... 6, 7
OPERATION ..................................... 8-10
MAINTENANCE ................................. 10, 11
SERVICE AND ADJUSTMENT ...................... 12
STORAGE .................................. 12, t3
SERVICE RECOMMENDATIONS .................. 13
TROUBLE SHOOTING ............................ 14
REPAIR PARTS--MOWER ........................ 15, 16
REPAIR PARTS--ENGINE .................. 17-20
SLOPE GAUGE ..................................... 21
PARTS ORDERINGtSERVlCE ....... BACK PAGE
A
Accessories ........................ 4
Adjustments:
Carburetor ....................... 12
Cutting Height ............. 9
Engine Speed ................ 12
Air Filter .................... 11
Assembly:
Brake Cable ............... 7
Handle ......................... 6
Starter' Rope ................. 7
B
Blade:
Replacement .................. 10
Sharpening ............... 1!
C
Controls:
Blade Control Handle ......... 8
Engine Speed Control .......... 8
Customer Responsibilities ...... 3
Cutting Heights ................... 9
E
Engine:
Lubrication ................ 1t
Speed Control ................ 8
Starting ....................... 9
Storage ................... 12
iNDEX
'111'"'1'1111111'l"lll'll'l"lllll'"lllllllllllllllllllnllll iiiiinl nnll nllllllll I
F P
Filter, Air ........................ 11 Primer ......................... 9, 10
G
Gasoline:
Storage ........................ 12
Tank Capacity ............... 3
Type ........................ 8
H
Hardware Pack Contents ......... 5
L
Lubrication:
Engine .................. 11
Wheels ........................ 13
M
Maintenance:
Agreement .................. 3
Air Filter ....................... 1I
Blade Care/Replacement ..10, 11
Engine ................... 1I
Lubrication ................ 13
Spark Plug .................. 11
Mulching Tips .............. 10
O
Oil:
Change ....................... 11
Storage .................... 12
Type ........................... 9
Operating Mower ........ 8, 9, !0
R
RepairlReplacement Parts 18-20
Responsibilities, Customer. ...... 3
Rope Guide ....................... 7
S
Safety Rules ....................... 2
Service and Adjustments:
Blade ........................ 10, 11
Carburetor .................... 12
Cutting Height ................ 9
Engine ................... 12
Rear Trail ShieJd ............... 12
Service Recommendations ........ t 3
Spark Plug .......................... t1
Specifications ...................... 3
Starting the Engine ................... 9
Stopping the Mower. .............. 10
Storage .......................... 12
T
Table of Contents ................... 4
Trouble Shooting Chart ....... 14
W
Warranty ................... 3
Wheels:
Adjusting Height .............. 9
Lubrication .......................... 13
MOWER ACCESSORIES
These accessories were available when the mower was purchased. They are also available at most Sears retail
outlets, catalog and service center& Most Sears stores can order repair parts for you, when you provide the mode1
number of your mower.
ENGINE
Spark Air Filter Muffler Engine
Plug OU
¢x:=o
_==af
Gas Can Stabilizer
MOWER MAINTENANCE
Blade Blade Wheels
Adapter

CONTENTS OF HARDWARE PACK
(Hardware pack may contatn extra items which are not used on your unit. Part numbers are shown in
parentheses.)
A_ ATTACHING THE
LOWER HANDLE
cZ
Hairpinclips - "_'t
(714-0104) l
ATTACHING THE STARIER ROPE
ATTACHING THE UPPER HANDLE
Saddle
Washers
(736-0451)
l:le
Guide
(710-1205)
____._ Hex Lock Nut
t_-20 Thread
(712-0324)
(17174) U"
EZ
\
C
Head
Bolts
(71 {)-1174)
ATTACHING THE THROTTLE CONTROL
SECURING THE CABLES Cable Ties
-._ (726-0240)
Spring Washer
¼" LD.
(736-0175)
Hex Bolt
1/4-20 x 1" Long
710-0597)
t_ Hex Nut
k_=J_-- 1/4"20 Thread
(712-0287)
0I2 3
INCHES

i..... ii, r,..,.,,,, I Ill' I''
ASSEMBLY INSTRUCTIONS
-- ................ f I I '111 _,1_..11 '1 JiJ_l H jlj
IMPORTANT: This unit is shipped WITHOUT
GASOLINE or OIL. After assembly, be certain to ser-
vice engine with gasoline and oil before operating
your mower.
NOTE: Reference to right or left hand side of the
mower is observed from the operating position.
Tools Required for Assembly
(1) Pair of Pliers
(2) 7/16" Wrenches or Adjustable Wrenches
(1) Flat Bladed Screwdriver
UNPACKING
• Remove the lawn mower from the carton by open-
ing the top flaps and lifting the unit out. Be careful
of the staples. Make certain all parts and literature
have been removed from the carton before the car-
ton is discarded
• Disconnect the spark plug wire from the spark plug
and ground against the engine,
eStretch out control cable and place on the floor,. Be
careful not to bend or kink the cable at any time dur-
ing assembly
@Lay out the contents of the hardware pack accord-
ing to the illustration on page 5 for identification
k_\\ Handle
\ \ Mounting
Lower \\ \ Bracket
).\.
FIGURE 1.
Hole In
Blade Control
lie
Cable Hex
Bracket Nut
Bolt Spring
Washer
Hand
Curved
Carriage
..........................Bolt .................
Washer
FIGURE 2.
ATTACHING THE LOWER HANDLE (Hardware A)
®Attach the lower' handle by placing the bottom holes
in the lower handle over the weld pins on the han-
dle mounting brackets extending through the rear
of the deck.
eUsing a pair' of pliers, squeeze one leg of the lower'
handle against the handle mounting bracket, Insert
the hairpin clip into the inner hole in the weld pin_
-.-------See figure 1_Repeat on other side.
ATTACHINGTHE UPPERHANDLE(HardwareB)
• Place the upper handle in position over the lower
handle. The hole in the side of the blade control han-
dle (attached to the upper handle) must be on the
left side.
®Secure the upper handle to lower handle using the
curved head bolts, saddle washers and hand knobs
-._------as shown in figure 2.
ATTACHINGTHE CABLEBRACKET(Hardware D)
• Place cable bracket against the inside of the upper
handle (left hand side), The top part of the cable
bracket should be just below the blade control han-
dle See figure 2o
ePlace 114" hex bolt through cable bracket and han-
dte_ from the inside to the outside_ ...................................................................................................................................................
eSecure with spring washer (cupped side against the
handle) and hex nut,,

\
FIGURE 3_
"Z" Fitting
Hole in
Plastic Fitting
Control
Handte
ATTACHINGTtlE BRAKECABLE
®The brake cable is attached to the engine, and has
a "Z" fitting on the loose end, Route the brake cable
below the bower handler Place end of cable through
.-.------the hole in the bracket as shown in figure 3, Be
careful not to bend or kink the cable at any time
Push the plastic fitting until it locks into the hole in
the bracket
WARNING: Brake cable must be as-
sembled as shown for proper blade brake
operation.
eHook the "Z" end of the brake cable into the hole
in the blade control handle from the inside to the out-
side as shown in figure 3,,
on_
Cable Tie
FIGURE ,I.
\\
SECURING THE CABLE (Hardware E)
Secure cable to the left side of the handle as foliows,
_WARNING: When attaching the control
cable, the cable must be routed to avoid
contact with all sharp edges and hot sur-
faces to prevent damage to the cable,
which will render the control inoperative.
e Insert posts on cable ties into holes provided on the
handles, one on the upper handle and two on the
lower handle,, The holes may be either on the inside
•.,------or outside of the handle_;, See figure 4A
•Secure the cable with, the cable ties See figure 4B.
eTrim excess ends of cabie ties
Starter
Handle
Rope Guide
FIGURE 5.
Lock
Nut
ATTACHING THE STARTER ROPE (Hardware C)
•The starter rope is inside the top of the engine. Ad-
ditional rope may be wound around the starter han-
dle- If so, unwind the rope from [_hehandier
® With the spark plug wire disconnected and
grounded, depress the blade control handle and pull
the rope out of the engine
• Place the rope guide around the starter handle, so
the rope guide bends downward as shown in figure
-.,_'--_5 Insert the rope guide into the handle, and secure
with hex lock nut.
FINAL ASSEMBLY OF MOWER
• Make certain al! nuts and bohs are tightened
securely,
7

illlllllllllllll OPERATION
....................................... ,,,,,,,,,,,,,,,,,,,,,,,,,,
KNOWYOURLAWNMOWER
READ THIS OWNER'S MANUAL AND SAFETY RULES BEFORE OPERATING YOUR LAWN MOWER_ Com-
pare the illustrations with your lawn mower to familiarize yourself with the location of various controls and ad-
justmentso Save this manual for future reference,
Blade Control
Upper Ha
Starter Ro
Hand Knob
rake Cable
Lower
Engine Speed
Control
Oil Fill and Dipstick
Filler Cap
Wheel Adjuster
Primer
Air
D_eck
FIGURE 6.
"' IVIEETS""cPSC SAFETY: REQUIREMENTS '
Sears Lawn Walk-Behind Mowers conform to the safety standards of the American Nationa! Standards Institute,
and the U.S. Consumer Product Safety Commission. The blade turns when the engine is running,
BLADE CONTROL HANDLE--must be held down to
the handle to start and run the engine, Release to stop
the engine.
STARTER ROPEwused for starting the engine
PRiMER--pumps additional fuel from the carburetor
to the cylinder' for use when starting a cold engine°
ENGINE SPEED CONTROL LEVER--Permits selec-
tion of fast or stow engine speed.
BEFORE U StNG YOUR LAWN MOWER, AGAIN REFER "TO THE "SAFETY RULES" AS SHOWN ON PAGE
2 OF THIS 'MANUAL. ALWAYS BE CAREFUL.
The operation of any lawn mower can result in foreign objects being thrown into the
eyes, which can result in severe eye damage._Always wear safety glasses or eye shields
..........................before.starting power tool operation orwhile performing any,adjustments or,repairs ........................................................................
We recommend Wide Vision Safety Mask for over spectacles or standard glasses
available at Sears Retail or Catalog Stores.

HOWTOUSEYOURMOWER
BLADE CONTROL HANDLE
Your mower has a control handle which reqtJires the
operator to be behind the handle to start and run the
mower. When the operator releases the contro_ han-
ate the engine will stop and an interna_bra_,e helps _he
blade to stop quickly.
When the operator leave_ the (:.perating position to
change the cutting heighl, pick t,p sticks c_ro_her ob-
jects in the way, the engine will stop automa:icaqy wheq
the control handle is released.
ADJUST CtJTTING HEIGHT
•Raise wheels for low cut and I.:_werwheels {or high
cUL
• Adjust cutting height to suit you, reeuimrr, ents
Medium position is best for most lawns
® To change cutting height, squeeze adjuster lever
toward wheel See figure 7 Move wheel up rjr down
to suit/out requirements Be sure z{llwbeefs are in
the same setting,
NOT use I=.lhyLor high octane g;_s0tine,Be certain
container is clean and frc.=efrom rust or foreign par..
ticles Never use gasoline that "naybe stale from
long periods of storage in the container.
CAUTION: Eq_erience indicates th _t alcohol blended
fuels (calted §asohol or ,jsing ethanul or methanol1 can
attract moisture which leads _o sep,_ration and forma-
tion of acids during storage. Acidic gas can damage
the fuel system of an engine white ir storage To avoid
engine problems, the fuel system ._hould be emptied
before storage tor 30 days. or longer Jse fresh fuel next
season See .'-_TORAGESECTION f3r additional infcr-
-l_atior_.
Never use engine or caro:Jrelor cleanserproducts in the
!uel tank o_ _ermanent damage m_y occur.
TO START ENGtNE
e Connect s!)a_k plug _,ire to spar'_ plug. Make cer-
tain the meta; loop or lhe end of t'le spark plug wire
(inside the "ubber boot) is fastened securely over the
meta_ tip _n :he spa.'.',.:ptug Se_ figure 8
Metal Loop
on Spark
Plug Wire
Boot
FIGURE 7,
BEFORE STARTING ENGINE
•Place unit so engine is in a level position
eFill crankcase with oil using a h gh quality detergent'
oil classified "For service SC, ,SD, SE or SF " such
as SAE 30 (SAE 10W-30 is a_: acceptable substi
tute) DO NOT USE !OW40 OIL
Remove oil fit! cap and oipstick assembly. Pour oi!
slowly until oil level is to the FULL mark on d,pstick
Crankcase capacity is approximately lq !4 p=nts (20
ounces) DO NOT OVERFILL
NOTE: Crankcase oil should be changed after lirst two
(2) hours of operation and every twenty-five (25) hours
thereafter Refer to ENGINE LUBRICATION section on
page 11,
•Replace oil fill cap and dipstick Tighten ,sap
securely
•Fill gas tank with about one (I) quart of clean, fresh,
lead4ree grade automotive gasoline., Low-lead or
regular gasoline is an acceptable substitute. DO
=IGURE 8.
ePress prirrer button as follows (;old starts only)
For each in,tia! start, push primer button five (5)
times prior to starter operation -3ee figure 9 Use
sharp pus_'es, wait between each push Repeat the
above for each starter operation as necessary Do
not use primer for warm engine restarts
eSet engine s!:_eed control 1o HI _;peed
Engine Speed
mtrol Lever
/\
1\
LOW H!
FIGURE 9,

eHold blade control handle against upper handle.. See
figure 10. Pull starter handle quickly_ Do not allow
starter rope to snap back
oIf desired, move engine speed control to LOW for
light mowing conditions°
TO STOP ENGINE
Release blade control handle to stop engine_ Discon-
nect the spark plug wire and move it away from the
spark plug to prevent accidental starting while equip-
ment is unattended
Starter
Handle
FIGURE 10.
Handillll 1
MULCHING TIPS
eUnder certain conditions, such as very tall grass, it
may be necessary to raise the height of cut to reduce
pushing effort and to keep from overloading the
engine and leaving clumps of grass clippings,
® For extremely heavy cutting, reduce the width of cut
e Under heavy conditions cross cut for additional
mulching of surface debris,
MAINTENANCE
GENERALRECOMMENDATIONS
®Once a year' you should replace the spark plug, air
filter', and check blade for wear. A new spark plug
and air filter assures proper air-fuel mixture and
helps your engine run better and last longer.
eFollow the Service Recommendation Schedule on
page 13.,
MOWER
BLADE CARE
Your mower will work better with a sharp blade..
CAUTION: DISCONNECT SPARK PLUG
WIRE FROM SPARK PLUG AND PLACE
WIRE WHERE IT CANNOT COME IN CON-
TACT WITH THE SPARK PLUG.
,, ,,, ,,,, ,,,,,,,,,,,,,, ,,,, ,,,,,,,,,,,,ll=l=l jll iji :
eAssemble bolts, washers, and nuts inthe exact order
of removal.
eUse block of wood to hold blade and tighten bolt
clockwise, The recommended torque is 35-40 ft= Ibs..
Torque wrenches are available at most Sears stores
and through the catalog,
NOTE: The bolt used to secure the blade to engine is
specially heat-treated_ Do not substitute (See Repair
Parts)..
CAUTION: A LOOSE BLADE CAN BE
DANGEROUS AND MAY MAKE THE
ENGINE HARD TO START.
Use only a Sears authorized replacement blade to get
the best cutting results..
TO REMOVE BLADE (See Figure 11):
e Turn mower on its side. Make sure air filter and car-
buretor are upo
® Use ablock of wood between blade and mower deck
to prevent blade from turning when bolt is removed.
Protect your hands with gloves and/or wrap blade
with heavy cloth_
e Remove blade bolt by turning counterclockwise. Use
a91t6" box or open.end wrench.
Washer
Small Bo
"Large Bolt
Washer
TO REPLACE BLADE (See Figure 11): FIGURE 11.
...................e Pu t•blade adapter o ne ngl nec ran kshaft: ..........................................................................................................................................................................................................................................................................................................................................................................................................................
e Fit blade in adapter. Be sure trailing edge of blade NOTE: We do not recommend sharpening the blade--
is up towards engine, but if you do, be sure blade is balanced.
10

TO SHARPEN BLADE:
eThe blade can be sharpened with a file or on a grind-
ing wheel Do not attempt to sharpen while on the
mower
eCare should be taken to keep the blade balanced
An unbalanced blade will cau_._eexcessive vibration
when running and eventual damage to mower and
engine.
® To check blade balance, drive a nail into a beam or
wall.. Leave about one _nch cf the stra+ght nail ex-
posed. Place center ho+e of blade over the head of
the nai!. If blade is balanced, it should remain in a
horizontal position if either er+dof the blade moves
downward, blade is not balanced. Sharper_ the
heavy end until the blade is balanced
AIR FILTER
Your engine will not run properly an :t may be damaged
by using a dirty air filter..
Replace the air filter every year, more often if you mow
in very dusty, dirty conditions Do not wash air filter
TO CHANGE-" AIR FILTER (See Fi;]ure 13):
e Remove 1he air filter cover by turning counter-
clockwise to the stop and Dull away from collar
o Remove filter from inside of cover
e Clean the +nside of the cover and the collar to
remove an_ dirt accumulation
• Insert new Iilter into cover
ePut air filter cover and filler into collar aligning the
lab with the slot.
ePush in on cover and tt.rn cloct;wise to lighten
ENGINr
ENGINE LUBRICATION
You must change the oil in the crankcase after the first
two (2) hours of operation and after each 25 hours of
tJse thereafter CHANGE THE O11..MORE FREQUENT-
LY IF LISED tN SANDY OR DLISTY COI',IDI [+IONS
TO DRAIN OIL (See Figure 12)
e Disconnect spark plug wire _rom spark plug and
place wire where it cannot come in contact with plug.
® Drain the gas tank and then turn the mower on its
side with the carburetor side ui:)and remove oil drain
plug
eSet the mower down and drain oi! into a flat pan
NOTE: Oil will drain more freely when warm
eReplace oil drain plug, tighten firmly.
eRefill crankcase with oil Refer to BEFORE START-
ING ENGINE in operation see:Lionon page 9 of this
manual
Oil Drain Plug
FIGURE 12.
Bottom of Encjine
SPARK PLUG
Change your spark plug each yea_to make your engine
start easier and run better Set spark plug gap at .025
inch.
Collar
Sh
Air Flit /
FIGURE 13,
Tab
Turn
Clockwise
To Remove
+,Turn Clockwise
To Tighten
Air Filter Cover
11
CLEANING
@
O
O
WARNING: DISCONNECT SPARK PLUG
WIRE FROM SPARK PLUG AND PLACE
WIRE WHERE IT CANNOT COME IN CON-
TACr WiTH THE SPARK PLUG.
Turn mower on its side with carburetor up
Clean the underside of your mower after each use
by scraping t+oremove build-up of grass clippings,
leaves, dirt or other matter, tf this debris is allowed
to accumulate, it will invite rust and corrosion, and
may prevent proper mulching
Clean your mower and engine often to keep build-
up of grass or debris from accumulating around
engine. A clogged engine runs hotter and shortens
engine life.
NOTE'. We DO NOT recommend using a garden hose
to clean mower unless the electrical system, muffler,
air filter and carburetor are covered to keep water out
Water in engine can result in shorlening engine life..

lUr ir i, ..................... :...........:............. iii uu i i i illllll,l,lllliM,ul iiilllll ii ill ..............
SERVICE AND ADJUSTMENTS
TO ADJUST CUTTING HEIGHT
Refer to "ADJUST CUTTING HEIGHT" in operation
section of manual,
CARBURETOR
Your carburetor has a non-adjustable fixed main jet for
mixture control It has been completely adjusted at the
factory° tf your engine does not operate properly due
to suspected carburetor problems, take your mower to
an authorized Sears Service Center for repair and ad-
justment.
ENGINE SPEED
Your engine slow and fast speeds have been factory
set. Do not attempt to increase engine speed or it may
result in personal injury If you believe that the engine
is running too fast or too slow, take your mower to art
authorized Sears Service Center' for repair and ad*
justment.
REAR TRAIL SHIELD
The rear trail shield, attached between the rear wheels
of your mower, is provided to minimize the possibility
that objects wilt be thrown out the rear of the mower
toward the operator,
If the shield becomes damaged, it should be replaced
STORAGE
Your mower and engine should be prepared for off-
season storage as follows:
MOWER
®Clean underside of mower housing (See "CLEAN-
ING" in maintenance section of manual).
® Inspect and replacelsharpen blade, if required (See
"BLADE CARE" in maintenance section of manual).
e Lubricate as shown in Service Recommendation
chart on page 13 of manual.
HANDLE
e You carl fold your mowers' upper handle for storage
as shown in figure 14. Loosen the two (2) hand
knobs on sides of the handle and let the upper han-
dle fotd down to the rear.
CAUTION: When folding handle for storage or
transportation, be careful not to bend or kink the
brake cable
FIGURE
ENGINE
A
14.
WARNING: NEVER STORE YOUR LAWN
MOWER INDOORS OR IN AN ENCLOSED,
POORLY VENTILATED AREA IF
GASOLINE REMAINS IN THE TANK.
FUMES MAY REACH AN OPEN FLAME,
SPARK OR PILOT LIGHT FROM A FUR-
NOTE: GASOLINE MUST BE REMOVED OR
TREATED TO PREVENT GUM DEPOSITS FROM
FORMING IN THE TANK, FILTER, HOSE AND CAR-
BURETOR DURING STORAGE ALSO DURING
STORAGE, ALCOHOL-BLENDED GASOLINE THAT
USES ETHANOL OR METHANOL (SOMETIMES
CALLED GASOHOL) ATTRACTS WATER. IT ACTS
ON THE GASOLINE 'TO FORM ACIDS WHICH
DAMAGE THE ENGINE.
To remove gasoline, run engine until tank is empty and
engine stops. If you do not want to remove gasoline,
Sears Craftsman Fuel Stabilizer No_ 33500 may be
added to any gasoline left in the tank to minimize gum
deposits and acids. If the tank is almost empty, mix
stabilizer with fresh gasoline in a separate container
and add some to the tank, Always follow instructions
on stabilizer container. Then run engine at least 10
minutes after stabittzer is added to allow mixture to
reach carburetor.
You can heip keep your engine in good operating con-
dition during storage by:
eChanging oil.
eLubricating the piston/cylinder area by first remov-
ing the spark plug and squirting clean engine oil in-
to the spark ptug hole. Then cover the spark plug
hole with a rag to absorb oil spray. Next, rotate the
engine by pulling the starter' two or three times.
Finally, reinstall spark plug and attach spark plug
wire.
OTHER
•Do not store gasoline from one season to another
®Replace your gasoline can if your can starts to rusL
Rust and/or dirt in your gasoline can cause
problems.
DRYER, CIGARETTE, ETC.
To prevent engine damage if lawn mower is not used
for more than 30 days, follow the steps below,
Plastic cannot breathe which allows condensation
to form and cause the metal components of your
mower to rust
12

SERVICERECORD
Fill in dates as you
complete regular service
Check Engine (')il
Change Engine Oil
Blade Replaced
Air Cleaner Replaced
Spark Plug Replaced
Lubricate Mower
Cleaning
Muffler
,i CHECK
I
ISCHEDULE
I
l ................ A[Ier
First [Every
Every Two 25
Use Hours Hours
if
p
p_
1 "
P
SERVICEDATES
t
LUBRICATION
ENGINE
See "Engine Lubrication" n Maintenance Se,:tion of
Manual_
WHEELS
DO NOT oil or grease the wheel bearings Viscous
lubricants will attract dust and dirt that wilt shorten the
life of the ,'}elf-lubricating wheel be_rings.. If you ._eelthe
wheels m_.tslbe lubricated, use only a dry, silicone type
lubricant ,,}paringly.
13

TROUBLE SHOOTING GUIDE
Possible Cause(s) Corrective Actfon
Trouble
Engine fails to start
Engine runs erratic
1 Blade control handle disengaged
2 Spark p+ug wire disconnected
3Throttle contfot lever not in starting position
4Fuel tank empty, or stale fuel
5
6
7
1..
2
3,.
4
Blocked fuel line 5
Faulty spark plug 6
Engine flooded 7
1, Spark plug w+re loose 1.+
2 B+ocked fuel line or stale fuel 2.
3Vent in gas cap plugged
4 Water or dirt in fuel system
5 Dirty air cleaner
3
4
5
ICutting blade loose or unbaianced
2Bent cutting b+ade
3 Bent engine crankshaft.
i Engine speed too low
2Wet grass
3 Excessively high grass,
Engage blade control handie
Connect wire to spark plug.
Move throttle lever to starting position+
Fill tank with clean, fresh gasoiine
Clean fuel line
Clean, adjust gap oc replace
Remove spark plug, dry the plug. and
crank engine with plug removed and
throttle in off position Replace spark
plug, connect wire and resume starting
procedures
Connect and lighten spark plug wire
Clean fuel line; fill tank with clean
fresh gasoline
Clear vent
Drain fuet tank Refill with fresh fuel
Clean air cteaner See maintenance section
of this manual
Engine overheats 1 Engine oillevel low 1. Fift crankcase with proper oil
2. Air flow _estr+cted 2 Clean lawn mower engine
Occasional skip Spark plug gap too close Adjust gap to 030"
(hesitates) at high speed
tdies poorly 1 Spark plug lou{ed, fautty or gap too wide l Reset gap to 030" or replace spark plug
2 Dirty air cleaner 2 Clean air cleaner See ma+ntenance section
of this manual
Excessive vibration Tighten bfade and adapter
Balance blade
Replace blade.
Contact your SEARS Service Center
Mower will not
mulch grass
i
2
3
1
2
3
4
1.
2.
4. Dull blade
t Wheels not pos+ttoned correctly
2+ Dull blade,
Uneven cut
Move throttle iever to FAST position
Do not mow when grass is wet; watt until
later to cut.
Mow once at a high cutting height, then
mow again at desired height or make a
narrower cutting swath ('U2 width)..
Sharpen or replace blade
Place all four wheels in same
height position.
Sharpen or replace blade.
Note; For repairs beyond the minor adjustments listed above, contact your nearest SEARS Service Center
14

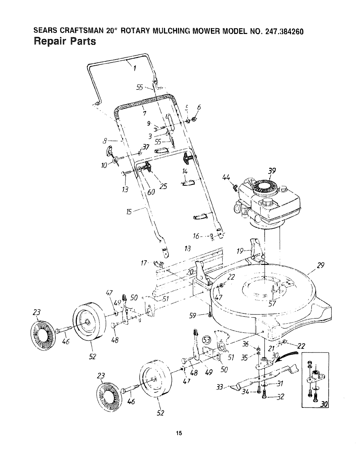
SEARS CRAFTSMAN 20" ROTARY MULCHING MOWER MODEL NO. 247.384260
Repair Parts
10
47
\
48
\44 39
\
52
/
15

SEARS CRAFTSMAN 20" ROTARY MULCHING MOWER MODEL NO. 247.384260
Repair Parts
KEY
NO.
1
3
5
6
7
8
9
10
13
14
15
16
17
18
19
2O
21
22
23
25
29
30
3t
32
33
PART
NO. DESCRIPTION
747-0748
17t 74
736-0175
7! 2-0287
720-0226
749-0756A
710-0597
7t0-1205
710-! 174
726-0240
749-0372B
714-0104
17098
731-0872
12935A
12936A
736-0356
712-0798
731-0981A
720-0241
682-0002
753-0485
736-0453
710_0757
742-050O
Control Handle Ass'y,
Cable Brkt
SpL Wash, t/4" ID,
Hex Nut 1/4-20 Thd"
Grip
Upper Handle
Hex Bolt V4-20 x t" Lg,
Rope Guide Bolt
Curved Hd Bolt 5/16-18 x 2"
Lg_
Cable Tie
Lower Handle
Hairpin Cotter
Hinge Clip
Rear Flap
Handle Bracket Ass'y,mLH,
Handle Bracket Ass'y,--R.H,
Bell-Wash, .39" ID, x 1,38"
Hex Nut 318-16 Thd.*
Hub Cap
Hand Knob
20" Deck Ass'y_
Blade Adapter Kit (Splined)
Bell-Wash. _46" toD_
Hex Bolt 7/t6-20 x 1,5" Lg.
20" Mulching Blade
*Common Hardware--May Be Purchased Locally,,
IKEY
rNO.
34
E35
i36
39
44
46
47
48
49
50
5!
52
53
55
57
59
60
PART
NO, DESCRIPTION
710-1055
736-0169
712-0241
712-0324
143_414292
735-0639
738-0102
736-0105
738-0507B
14832
t5262B
15261A
734-15t2A
14578
14579
746-0735
710-0654A
710-0603
736-0451
770-7192F
Hex Bolt 3/8-24 x 1" Lg
L-Wash, 3/8" I.D.*
Hex Nut 3/8-24 Thd.
Hex [,-Nut V4,20 Thd
Engine--Craftsman Model
143,,414292
Spark Plug Boot
Axle Bolt
Bell-Wash_ ,400" LD,, x _88"
Shld Bolt 50" Dia, x ,,357"
Spring Lever Ass'y wtKnob
Pivot Bar
Height Adj_ Plate
Wheel Ass'y, Comp,
Height Adj, Ass'y_ Comp,--
R.F, & LR
Height Adj_ Ass'y_ Compo--
L,F,, & R,R
Control Cable
Hex L-Wash Hd Scr
3/8-16 x 1 0" Lg.
Hex Wash, Hd. B-Tap Scr,
5/16-18 x .5" Lgo
Saddte Washer ,32" I,D,
Owner's Guide
NOTE: Specifications subject to change without notice or obligation
16

CRAFTSMAN 4 H.P, ENGINE MODEL NO. 143,414292
Repair Parts
/
4O0
126
125
241
ij_ 292
290
45A
30j
i
1
17

CRAFTSMAN 4 H.P. ENGINE MODEL NO. 143.414292
Repair Parts
KEY PART
NO. NO.
1 35010
2
6
7
8
9
12A
12B
14
15
16
17
18
19
20
30
40
4O
4O
41
41
41
42
42
42
43
45A
46
48
50
52
69
70
72
73
75
8O
81
82
83
84
86 ......
89
9O
26727
33734
34214A
*33735
30200
34695
33886
28277
30589
31383A
31335
650548
31361
32600
35612
35544
35545
35546
35541
35542
35543
35547
35548
35549
20381
32875
32610A
27241
33148A
29914
*35261
34311C
30572
*28833
27897
30574
30590A
30591
30588A
29193
....650488 ........................................
611004
611112
DESCRIPTION
Cylinder Ass'y (Incl. Nos.
2&20)
Pin, Dowel
Element, Breather
Breatller Ass'y. (Incl Nos 6, 8,
9, 12A & 12B)
Gasket, Breather
Screw, Hex Washer Hal.
Self-Tap Seres, 10-24 x 9/16
Elbow, Breather Tube
Tube, Breather
Washer, Flat
Rod, Governor (tnct. No. 14)
Lever, Governor
Clamp, Governor Lever
Screw, Hex Washer Hd
8-32 x 5/16
Spring, Extension
Seal, Oil
Crankshaft Ass'y
Piston, Pin & Ring Ass'y. (Std)
(Incl.. Nos. 41, 42 & 43)
Piston, Pin & Ring Ass'y, (.010
oversize) (tnct Nos. 41,
42 & 43)
Piston, Pin & Ring Ass'y ( 020
oversize) (tnct. Nos 41,
42 & 43)
Piston & Pin Ass'y (Std)
(incl., No. 43)
Piston & Pin Ass'y_ (010
oversize) (Incl. No. 43)
Piston & Pin Ass'y (020
oversize) (incl No. 43)
Ring Set, Piston (Std,)
Ring Set, Piston (.0t0 oversize)
Ring Set, Piston (.020 oversize)
Ring, Piston Pin Retaining
Rod Ass'y,, Connecting
(Incl. No.. 46)
Bolt, Connecting Rod
Valve, Lifter
Camshaft (Compression Release)
Pump Ass'y. Oil
Gasket, Mounting Flange
Flange, Mounting (Incl Nos.
72, 73, 75 & 80)
Plug, Oil Drain (Incl. No.. 73)
Gasket, Oil Plug (Not required
with plastic oif plug)
Seat, Oil
Shaft, Governor
Washer', Flat
Gear Ass'y, Governor (Incl.
No. 81)
Spool, Governor
Ring, Retaining
Screw; Hex Hd: Sems, .................................................
t/4-20 x 11/4
Key, Flywheel
Flywheel
KEY PART
NO. NO. DESCRIPTION
92 650815 Washer, Belleville
93 650816 Nut, Flywheel
100 34443A Solid State Ass'y,
10t 610118 Cover, Spark Plug
103 650814 Screw, Torx "1"-15Hex Washer
Hd Sems, 10-24 x 1
1t0 34961 Wire, Ground
1t9 "330t5A Gasket, Cylinder Head
120 34342 Head, Cylinder
125 29315C Valve, Exhaust (Std) (Incl.
No. 151)
125 29316C Valve, Exhaust (1/32" oversize)
(lncl, No, 151)
126 29314B Valve, Intake (Std.) (IncL
No. 151)
126 29315C Valve, Intake (1/32" oversize)
(Incl. No 151)
130 6021A Screw, Hex Flange Hd,.,
5/16-18 x 11/2
135 35395 Spark Plug, Resistor (Champion
RJ-19LM or equivalent)
150 31672 Spring, Valve
151 31673 Cap, Lower Valve Spring
169 "27234A Gasket, Valve Spring Box
172 32755 Cover, Valve Spring Box
174 650128 Screw, Hex Hd Sems,
10-24 x 1/2
178 29752 Nut & Lockwasher, t/4-28
182 6201 Screw, Hex Hal, t/4-28 x 7t8
184 *26756 Gasket, Carburetor
185 31384A Pipe, Intake (lnc[ No.. 224)
186 34337 Link, Governor Spring
189 650839 Screw, Hex Washer Hd.
Powerlok, 1/4-20 x 3/8
190 35831 Lever, Brake
191 35040A Bracket, SE Brake (Incl.
No, 195)
192 34966 Link, Control
193 35830 Spring, Extension
194 32309 Ring, Retaining
195 610973 Terminal Ass'y.
200 33205A Bracket Ass'y, Control (incL
Nos.. 202 thru 205)
202 33802 Spring, Compression
203 31342 Spring, Compression
204 650549 Screw, FiL Hd, 5-40 x 7/16
205 650777 Screw, Fil_ Hd, 6-32 x 21/32
207 34336 Link, Throttle
209 30200 Screw, Hex Washer Hd Self-
Tap Sems,10-24 x 9f16
215 32410 Knob, Control
223 650451 Screw, Hex Hd. Seres, 1/4-20x 1
224 "34690A Gasket, intake Pipe
238 650932 Screw, Hex Washer Hd Shld.,
10-32 x 49t64
239 *34338 Gasket, Air Cleaner
241 35797 Collar, Air Cleaner
245 .............35066 ......................................................Filter; Air Cleaner (Paper) ...................................................................................
250 35065 Cover, Air Cleaner
260 35393 Housing, Blower
18

CRAFTSMAN 4H.P. ENGINE MODEL NO. 143.414292
Repair Parts
KEY
NO,
261
262
275
277
285
287
290
292
298
300
301
PART
NO.
30200
65083I
35708
650795
35000
650884
30705
26460
28763
34369A
35355
DESCRIPTION
Screw, Hex Washer Hd Self-
Tap Seres, 10-24 x 9/16
Screw, He_,.Washer Hd
Powerlot_ Thd, 1/i-20 x t.,5/32
Muffler As-_/y (Incl No 277)
Screw, Her', Hd.., I/4-20 > 2_,_
Hub, Starter
Screw, He)=Washer Hd,
8-32 x t/2
Line, Fuel
Clamp, Fuel Line
Screw, He)=Washer Hd Silake-
proof, 10932 x 35/64
Tank Ass'y (fncl Nos 292 & 301)
Cap, Fuel ............
KE_q PART
NOJ, NO.
305 35577
306 34265
30T 35499
30;= 650562
3tC_ 35578
313_34080
32:" _35392
37(}A! 34346
-3
DESCRIPTION ~1
Tube, Oi! Fill |
Gasket, Fill ] ube |
"O" Ring i
Screw, Hex Washer Hal. Shake-
proof, 10-32 x V2
Dipstick Oil Fill
Spacer, Flywqeel Key
Plug, Starter
Decal, Instruction
37(}C't 35167 Decal, Instruction
380 { 632569 Carburetor (Inct No. 184)
39(} l 590621 Starter, Rewiqd
40(} I 33238D Gasket Set (Incl items
__ ma_ked , )
"Indicates Parts included in
Gasket Set, Ref No ,400
19

CRAFTSMAN 4 H.P. ENGINE MODEL NO. 143.414292
Repair Parts
t
KEY 1
NO,,1
5!
6 I
16!
25 I
27 I
28 I
29 J
30 ]
31 I
35 I
40 I
44 1
48 I
PARTS LIST FOR CARBURETOR
PART
NO
632569
6316t 5
631767
631184
631971
631616
6505O6
632527
631700
631024
632019
631028
631021
631022
632047
632071
631334
631027
DESCRIPTION
Carburetor Comp
Throttle Shaft & Lever Ass'y,
Throttle Return Spring
Dust Seal Washer
Dust Seal
Throttle Shutter
Throttte Shutter Screw
Fuel Fitting
Float Bowl
Float Shaft
Float
"O" Ring, Float Bowl to Body
inlet Needle, Seat & Clip (lncl,
No. 31)
Spring Clip
Primer Bulb/Retainer Ring
High Speed Bow! Nut
Bowl Nut Washer
Welch Plug, Atmospheric Vent
_>--4
_-,, 5
PARTS LIST FOR REWIND STARTER
NOo
1
2
3
4
5
6
7
8
9
10
11
12
13
PART
NO_
590621
590599A
590600
590615
590601
590598
590616
590617
590618
590619
590620
590622
590535
590452
DESCRIPTION
Rewind Starter Comp
Pin, Spring (Incl, No 4)
Washer
Retainer
Washer
Spring, Brake
Dog, Starter
Spring, Dog
Puliey
Spring, Rewind
Cover, Spring
Housing Ass'y. Starter
Rope, Starter (Length 98" &
9/64" Dia)
Handle, Starter
................................................................................................................................._,_"_2 ...............................................................................................................................................................................................................................................................................................................................................................................................................................
2O

LO
(Keep this sheet for future reference.)
i
m
I
• !
!
o
:g*
:g,
:o
t
t
e
I!l
ill
iI
it
i
i
i
II
I
i
I
I
I
i
I
II
t
I
i
I
I
I
I
:I:
-!
Z
!3
0
r-
EI
-t
::1::
r'-
rrt
ITi
r"
-i
3:
rrt
:i:l
"-1
:I:,,
r"
.,-t
m
m
21
C:
m
.._
o)
_n
-l-
m
rn
-i
_n
m
0
Ill
-4
0
0
rn
-4
rn
:Z:I
Z
m
r-
0
m
I11
m
0
c::
Z
0
-4
0
"0
m
-4
m
o)
"/I
m
F

HOWTOPARTS
ii ii
770-7192F
R901203
CRRFTSMRH®
4HORSEPOWER
4CYCLE ENGINE
20" ROTARY
MULCHING MOWER
Each lawn mower has its own model number. Each
engine has its own model number,
The model number for your lawn mower will be found on
a label attached to the rear of the deck.
The model number for the engine will be found on the
blower housing of the engine adjacent to the spark plug
All parts listed herein may be ordered through Sears,
Roebuck and Co. Service Centers and most Retail Stores.
WHEN ORDERING REPAIR PARTS, ALWAYS GWE
THE FOLLOWING INFORMATION:
*PRODUCT- "20" Rotary Mulching Mower"
*MODEL NUMBER -247.384260
* ENGINE MODEL NO. - 143.414292
* PART NUMBER
*PART DESCRIPTION
Your Sears merchandise has added value when you con-
sider that Sears has service units nationwide staffed with
Sears trained technicians .... professional technicians
specifically trained on Sears products, having the parts,
tools and the equipment to insure that we meet our pledge
to you.° _we service what we sell/'
SEARS, ROEBUCK AND CO., Chicago, IL 60684 U.S.A.
12/90 Printed in U.S.A.