Craftsman 24788173 User Manual SNOW THROWER Manuals And Guides 1206263L
User Manual: Craftsman 24788173 24788173 CRAFTSMAN SNOW THROWER - Manuals and Guides View the owners manual for your CRAFTSMAN SNOW THROWER #24788173. Home:Lawn & Garden Parts:Craftsman Parts:Craftsman SNOW THROWER Manual
Open the PDF directly: View PDF
.
Page Count: 68

Operator's Manual
CRRFr MRN
24" SNOW THROWER
Model No. 247.88173
CAUTION" Before using this
product, read this manual and
follow all safety rules and operating
instructions.
,, SAFETY
o ASSEMBLY
OPERATION
MAINTENANCE
PARTS LIST
o ESPANOL
Sears Brands Management Corporation, Hoffman Estates, IL 60179, U.S.A.
Visit our website: www.craftsman.com FormNo.769-08174
(May24,2012)

WarrantyStatement.................... Page2
SafeOperationPractices.............. Pages3-6
Assembly......................... Pages8-11
Operation........................ Pages12-15
Service&Maintenance.............. Pages16-23
Off-SeasonStorage................... Page24
Troubleshooting...................... Page25
PartsList......................... Pages26-32
RepairProtectionAgreement............ Page37
Espa_ol............................. Page38
CRAFTSMANTWOYEARFULLWARRANTY
FORTWOYEARSfromthedateofpurchase,thisproductiswarrantedagainstanydefectsinmaterialorworkmanship.Defectiveproductwill
receivefreerepairorfreereplacementifrepairisunavailable.
Forwarrantycoverage details to obtain repairor replacement,visit the website: www.craftsman.com
This warranty covers ONLYdefects in material andworkmanship. Warranty coverage does NOTinclude:
• Expendableitemsthatcan wearoutfromnormalusewithinthewarrantyperiod,includingbut not limitedto augers,augerpaddles,drift
cutters,skidshoes,shaveplate,shearpins,sparkplug,air cleaner,belts,andoil filter.
• Standardmaintenanceservicing,oilchanges,or tune-ups.
• Tire replacementor repaircausedby puncturesfromoutsideobjects,suchas nails,thorns,stumps,or glass.
• Tireor wheelreplacementor repairresultingfromnormalwear,accident,orimproperoperationor maintenance.
Repairsnecessarybecauseof operatorabuse,includingbutnot limitedto damagecausedby over-speedingthe engine,or fromimpacting
objectsthat bendthe frame,augershaft,etc.
•Repairsnecessarybecauseof operatornegligence,includingbut not limitedto,electricalandmechanicaldamagecausedby improper
storage,failureto usethe propergradeandamountof engineoil, or failureto maintainthe equipmentaccordingto the instructionscontained
inthe operator'smanual.
• Engine(fuelsystem)cleaningor repairscausedbyfuel determinedto becontaminatedoroxidized(stale).In general,fuel shouldbeused
within30 daysof itspurchasedate.
Normaldeteriorationandwearof the exteriorfinishes,or productlabelreplacement.
Thiswarrantyis void if thisproductis ever usedwhileprovidingcommercialservicesor if rentedto anotherperson.
Thiswarrantygivesyou specificlegalrights,andyou mayalso haveotherrightswhichvaryfromstateto state.
Sears Brands Management Corporation, Hoffman Estates, IL 60179
EngineOilType: 5W-30
EngineOilCapacity: 20ounces
FuelCapacity: 2 Quarts
SparkPlug: F6RTC(951-10292)
SparkPlugGap: .020"to .030"
Model Number.................................................................
Serial Number .................................................................
Dateof Purchase.............................................................
Recordthe modelnumber,serialnumber
anddateof purchaseabove
©SearsBrands,LLC
2

Thissymbolpointsout importantsafetyinstructionswhich,if not
followed,couldendangerthepersonalsafetyand/orpropertyof
yourselfandothers. Readandfollowall instructionsin thismanual
beforeattemptingto operatethismachine.Failureto complywith
theseinstructionsmayresultin personalinjury.Whenyou seethis
symbol,HEEDITSWARNING!
CALIFORNIA PROPOSITION 65
EngineExhaust,someof itsconstituents,andcertainvehicle
componentscontainoremitchemicalsknownto Stateof California
to causecancerandbirthdefectsorotherreproductiveharm,
Thismachinewasbuiltto beoperatedaccordingto the safeopera-
tion practicesinthis manual.As withanytypeof powerequipment,
carelessnessorerroron the partof the operatorcan resultin serious
injury.Thismachineis capableof amputatingfingers,hands,toes
andfeetandthrowingdebris.Failureto observethe followingsafety
instructionscouldresultin seriousinjuryor death.
Your Responsibility--Restrict the use of thispowermachineto
personswho read,understandandfollowthewarningsand instruc-
tionsin thismanualandon the machine,
SAVE THESE INSTRUCTIONS!
TRAiNiNG
•Read,understand,andfollowall instructionson the machineand
in themanual(s)beforeattemptingto assembleandoperate.
Failureto do socan resultinseriousinjuryto the operatorand/
orbystanders.Keepthismanualin a safeplaceforfutureand
regularreferenceandfor orderingreplacementparts.
• Befamiliarwithall controlsandtheir properoperation.Knowhow
to stopthe machineanddisengagethemquickly.
• Neverallowchildrenunder14yearsof ageto operatethis
machine.Children14andover shouldreadandunderstandthe
instructionsandsafeoperationpracticesin thismanualandon
the machineandbe trainedandsupervisedby anadult.
Neverallowadultsto operatethis machinewithoutproper
instruction.
• Thrownobjectscan causeseriouspersonalinjury.Planyour
snow-throwingpatternto avoiddischargeof materialtoward
roads,bystandersandthe like.
Keepbystanders,petsandchildrenat least75feetfromthe
machinewhile it is in operation.Stopmachineif anyoneenters
the area.
• Exercisecautionto avoidslippingor falling,especiallywhen
operatingin reverse.
PREPARATION
Thoroughlyinspecttheareawherethe equipmentisto beused.
Removeall doormats,newspapers,sleds,boards,wiresandother
foreignobjects,whichcouldbe trippedoverorthrownby the auger/
impeller.
• Alwayswear safetyglassesor eyeshieldsduringoperationand
while performingan adjustmentor repairto protectyoureyes.
Thrownobjectswhichricochetcancauseseriousinjuryto the
eyes.
Donot operatewithoutwearingadequatewinteroutergarments.
Donot wearjewelry,longscarvesorotherlooseclothing,which
could becomeentangledin movingparts.Wearfootwearwhich
will improvefootingonslipperysurfaces.
Usea groundedthree-wireextensioncordand receptaclefor all
machineswithelectricstartengines.
Disengageall controlleversbeforestartingthe engine.
Adjustcollectorhousingheightto cleargravelorcrushedrock
surfaces.
• Neverattemptto makeanyadjustmentswhileengineis running,
exceptwherespecificallyrecommendedinthe operator'smanual.
Letengineandmachineadjustto outdoortemperaturebefore
startingto clearsnow.
3

Safe Handling of Gasoline
Toavoidpersonalinjuryor propertydamageuseextremecare in
handlinggasoline.Gasolineis extremelyflammableandthe vaporsare
explosive.Seriouspersonalinjurycan occurwhengasolineis spilled
onyourselfor yourclotheswhichcan ignite. Washyour skinand
changeclothesimmediately.
• Useonlyan approvedgasolinecontainer.
• Extinguishallcigarettes,cigars,pipesandother sourcesof
ignition.
• Neverfuel machineindoors.
• Neverremovegas capor addfuel whilethe engineis hot or
running.
• Allowengineto coolat leasttwo minutesbeforerefueling.
• Neveroverfill fueltank. Fill tankto nomorethan1/2inchbelow
bottomof filler neckto providespaceforfuel expansion.
• Replacegasolinecapandtightensecurely.
• Ifgasolineis spilled,wipe it off theengineandequipment.Move
machineto anotherarea.Wait5 minutesbeforestartingthe
engine.
• Neverstorethe machineorfuel containerinsidewherethereis an
openflame,sparkor pilotlight(e.g.furnace,waterheater,space
heater,clothesdryeretc.).
• Allowmachineto cool at least5 minutesbeforestoring.
• Neverfill containersinsidea vehicleor ona truckor trailerbed
witha plasticliner.Alwaysplacecontainersonthe groundaway
fromyour vehiclebeforefilling.
• If possible,removegas-poweredequipmentfromthe truckor
trailerandrefuelit onthe ground.Ifthis is not possible,then refuel
suchequipmenton a trailerwitha portablecontainer,ratherthan
froma gasolinedispensernozzle.
• Keepthe nozzlein contactwiththe rimof the fuel tankor
containeropeningat alltimes untilfuelingis complete.Do not use
a nozzlelock-opendevice.
OPERATION
•Do not puthandsorfeetnear rotatingparts,in the auger/impeller
housingor chuteassembly.Contactwiththe rotatingpartscan
amputatehandsandfeet.
• Theauger/impellercontrolleveris a safetydevice.Neverbypass
itsoperation.Doingso makesthe machineunsafeandmaycause
personalinjury.
• Thecontrolleversmustoperateeasilyin bothdirectionsand
automaticallyreturnto the disengagedpositionwhenreleased.
• Neveroperatewitha missingor damagedchuteassembly.Keep
all safetydevicesin placeandworking.
• Neverrunanengineindoorsor ina poorlyventilatedarea. Engine
exhaustcontainscarbonmonoxide,anodorlessanddeadlygas.
• Do notoperatemachinewhileunderthe influenceof alcoholor
drugs.
• Mufflerandenginebecomehotandcan causea burn.Do not
touch.Keepchildrenaway.
• Exerciseextremecautionwhenoperatingon orcrossinggravel
surfaces.Stayalertfor hiddenhazardsor traffic.
Exercisecautionwhenchangingdirectionandwhileoperatingon
slopes.Do notoperateon steepslopes.
Planyoursnow-throwingpatternto avoiddischargetowards
windows,walls,carsetc. Thus,avoidingpossibleproperty
damageor personalinjurycausedby a ricochet.
Neverdirectdischargeat children,bystandersand petsor allow
anyoneinfrontof the machine.
Donot overloadmachinecapacityby attemptingto clearsnowat
too fastof a rate.
Neveroperatethis machinewithoutgoodvisibilityorlight.Always
be sureof yourfootingand keepa firmholdon the handles.Walk,
neverrun.
Disengagepowerto theauger/impellerwhentransportingor not
in use.
Neveroperatemachineat hightransportspeedson slippery
surfaces.Lookdownand behindand usecare whenbackingup.
Ifthe machineshouldstart to vibrateabnormally,stopthe engine,
disconnectthe sparkplugwire andgroundit againstthe engine.
Inspectthoroughlyfor damage.Repairanydamagebefore
startingandoperating.
Disengageall controlleversandstopenginebeforeyouleave
the operatingposition(behindthe handles).Waituntilthe auger/
impellercomesto a completestopbeforeuncloggingthechute
assembly,makingany adjustments,or inspections.
Neverput yourhandinthe dischargeor collectoropenings.Do
not unclogchuteassemblywhileengineis running.Shutoff
engineand remainbehindhandlesuntilall movingpartshave
stoppedbeforeunclogging.
Useonly attachmentsandaccessoriesapprovedby the manufac-
turer (e.g.wheelweights,tire chains,cabsetc.). Forinformation
concerningtheseitems,call 1-800-469-4663.
Whenstartingengine,pullcord slowlyuntilresistanceis felt, then
pull rapidly.Rapidretractionof startercord(kickback)will pull
handandarmtowardenginefasterthan youcan let go. Broken
bones,fractures,bruisesor sprainscould result.
Ifsituationsoccurwhichare notcoveredinthis manual,use care
andgoodjudgment.
Forin-warrantysafety,operationor maintenancequestions,or to
orderpartsandscheduleservice,call 1-800-469-4663.
CLEARING ACLOGGED DISCHARGE CHUTE
Handcontactwiththe rotatingimpellerinsidethe dischargechute
is the mostcommoncauseof injuryassociatedwithsnowthrowers.
Neveruse yourhandto cleanout thedischargechute.
Toclear thechute:
1. SHUTTHEENGINEOFF!
2. Wait 10secondsto be surethe impellerbladeshavestopped
rotating.
3. Alwaysusea clean-outtool,not yourhands.
4

MAINTENANCE & STORAGE
•Nevertamperwithsafetydevices.Checktheirproperoperation
regularly.Referto the maintenanceandadjustmentsectionsof
thismanual.
• Beforecleaning,repairing,or inspectingmachinedisengageall
controlleversandstopthe engine.Waituntilthe auger/impeller
cometo a completestop.Disconnectthe sparkplugwireand
groundagainsttheengineto preventunintendedstarting.
Checkboltsand screwsfor propertightnessat frequentintervals
to keepthe machineinsafeworkingcondition.Also,visually
inspectmachinefor anydamage.
Do notchangetheenginegovernorsettingor over-speedthe
engine.Thegovernorcontrolsthe maximumsafeoperatingspeed
of the engine.
Snowthrowershaveplatesand skidshoesaresubjectto wear
anddamage.Foryoursafetyprotection,frequentlycheckall
componentsand replacewithoriginalequipmentmanufacturer's
(OEM)partsonlyas listedinthe Partspagesof thisoperator's
manual.Useof partswhichdonot meetthe originalequipment
specificationsmayleadto improperperformanceandcompro-
misesafety!
Checkcontrolleversperiodicallyto verifytheyengageanddisen-
gageproperlyandadjust,if necessary.Referto the adjustment
sectioninthisoperator'smanualfor instructions.
Maintainor replacesafetyandinstructionlabels,as necessary.
Observeproperdisposallawsand regulationsfor gas,oil,etc. to
protectthe environment.
Priorto storing,runmachinea few minutestoclear snowfrom
machineand preventfreezeupof auger/impeller.
Neverstorethe machineorfuel containerinsidewherethereisan
openflame,sparkorpilot lightsuchas a waterheater,furnace,
clothesdryer etc.
Alwaysreferto the operator'smanualfor properinstructionson
off-seasonstorage.
Checkfuelline,tank, cap,andfittingsfrequentlyfor cracksor
leaks.Replaceif necessary.
Do notcrankenginewithsparkplugremoved.
Accordingto the ConsumerProductsSafetyCommission(CPSC)
andthe U.S.EnvironmentalProtectionAgency(EPA),thisproduct
hasan AverageUsefulLifeof seven(7)years,or 60 hoursof
operation.At the endof theAverageUsefulLifehavethe machine
inspectedannuallybyan authorizedservicedealerto ensurethat
allmechanicalandsafetysystemsareworkingproperlyand not
wornexcessively.Failureto do so can resultinaccidents,injuries
ordeath.
DO NOT MODIFY ENGINE
Toavoidseriousinjuryor death,do not modifyengineinany way.
Tamperingwiththe governorsettingcanleadto a runawayengineand
causeit to operateat unsafespeeds.Nevertamperwithfactorysetting
of enginegovernor.
NOTICE REGARDING EMiSSiONS
EngineswhicharecertifiedtocomplywithCaliforniaandfederal
EPAemissionregulationsfor SORE(SmallOff RoadEquipment)are
certifiedto operateon regularunleadedgasoline,and mayinclude
the followingemissioncontrolsystems:EngineModification(EM),
OxidizingCatalyst(OC),SecondaryAirInjection(SAI)and ThreeWay
Catalyst(TWO)if so equipped.
SPARK ARRESTOR
Thismachineisequippedwithaninternalcombustionengineand
shouldnotbe usedonor nearany unimprovedforest-covered,
brush-coveredorgrass-coveredlandunlessthe engine'sexhaust
systemisequippedwitha sparkarrestormeetingapplicablelocalor
statelaws(if any)
Ifa sparkarrestoris used,it shouldbe maintainedin effectiveworking
orderby theoperator.Inthe Stateof Californiathe aboveis required
bylaw (Section4442of the CaliforniaPublicResourcesCode).Other
statesmayhavesimilarlaws. Federallawsapplyonfederallands.
A sparkarrestorfor the muffleris availablethroughyournearestSears
PartsandRepairServiceCenter.

SAFETY SYMBOLS
Thispagedepictsanddescribessafetysymbolsthatmayappearonthisproduct. Read,understand,andfollowall instructionson the machine
beforeattemptingto assembleandoperate.
. +
ii
"JIp
READ THE OPERATOR'S MANUAL(S)
Read, understand, and follow all instructions in the manual(s) before attempting to assemble and
operate
WARNING-- ROTATING BLADES
Keep hands out of inlet and discharge openings while machine is running. There are rotating blades
inside
WARNING-- ROTATING BLADES
Keep hands out of inlet and discharge openings while machine is running. There are rotating blades
inside
WARNING-- ROTATING AUGER
Do not put hands or feet near rotating parts, in the auger/impeller housing or chute assembly.
Contact with the rotating parts can amputate hands and feet.
WARNING--THROWN OBJECTS
This machine may pick up and throw objects which can cause serious personal injury.
WARNING--GASOLINE IS FLAMMABLE
Allow the engine to cool at least two minutes before refueling.
WARNING-- CARBON MONOXIDE
Never run an engine indoors or in a poorly ventilated area. Engine exhaust contains carbon
monoxide, an odorless and deadly gas+
WARNING-- ELECTRICAL SHOCK
Do not use the engine's electric starter in the rain
6

Thispageleftintentionallyblank.
7

NOTE:Referencesto rightorleft sideof the snowthrowerare
determinedfrombehindthe unit inthe operatingposition(standing
directlybehindthe snowthrower,facingthe handlepanel).
REMOVING FROM CARTON
1. Cutthe cornersof thecartonandlay the sidesflaton the ground.
Removeanddiscardallpackinginserts.
2. Movethe snowthrowerout of thecarton.
3. Makecertainthe cartonhas beencompletelyemptiedbefore
discardingit.
ASSEMBLY
1. Placethe shiftleverin the Forward-6position.
2. Observethe lowerrearareaof the snowthrowerto besure both
cablesarealignedwith rollerguidesbeforepivotingthe handle
upward.See Figure1.
NOTE:Makecertainthe upperends of eachcableare seatedproperly
in itsbracket.
3. Securethe handleby tighteningthe plasticwingknob locatedon
boththe leftand rightsidesof the handle.SeeFigure2. Remove
anddiscardany rubberbands,if present.Theyarefor packaging
purposesonly.
4. Removewing nut andhexscrewfromchutecontrolheadand
clevispinandcotterpinfromchutesupportbracket.Position
chute(forward-facing)overchutebase.SeeFigure3.
/
/
i
s
/
i
/
i
/
I
/
/
I
/s
/
I
\
Figure2
f
Chute Control Head
pport
Bracket
Figure3
,J
Figure1
J
8

5. Placechuteontochutebaseandsecurechutecontrolheadto
chutesupportbracketwithclevispinandcotterpin removed
earlier.SeeFigure4.
6. Finishsecuringchutecontrolheadto chutesupportbracketwith
wingnut andhexscrewremovedearlier.See Figure5.
7. Insertthe chutedirectionalcontrolintothe supportbracketonthe
rearof thedash panel.SeeFigure6.
8. Removethehairpinclip fromthe rearof thechutecontrolhead.
9. Insertchutedirectionalcontrolinto rearof the chutecontrolhead.
Securethe chutedirectionalcontrolto the chutecontrolheadwith
the hairpinclip removedearlier.SeeFigure7.
f
Figure4
f
Figure6
f
\
Figure7
Figure5

SET-UP
Chute Clean-Out Tool
Achute clean-out tool is fastenedto the top of the augerhousing
witha mountingclip.SeeFigure8. The tool is designedto cleara
chuteassemblyof ice andsnow.Thisitemis fastenedwitha cabletie
at the factory.Cutthecable tie beforeoperatingthe snowthrower.
Neveruseyour handsto cleara cloggedchuteassembly.Shut
offengineand remainbehindhandlesuntilall movingpartshave
stoppedbeforeusingthe clean-outtool to clear thechuteassembly.
Tire Pressure
Underanycircumstancedo notexceedmanufacturer'srecom-
mendedpsi. Equaltire pressureshouldbe maintainedat all times.
Excessivepressurewhenseatingbeadsmaycausetire/rim
assemblyto burstwithforcesufficientto causeseriousinjury.Refer
to sidewallof tirefor recommendedpressure.
.........................ii
:: :/4Y.....
Chute Clean-Out
Tool
Figure8
Thetiresareover-inflatedfor shippingpurposes.Checkthetire
pressurebeforeoperatingthe snowthrower.Referto the tire sidewall
for tiremanufacturer'srecommendedpsianddeflate(or inflate)the
tiresas necessary.
NOTE:Equaltire pressureis to be maintainedat alltimesfor perfor-
mancepurposes.
ADJUSTMENTS
Skid Shoes
The snowthrowerskidshoesareadjustedupwardat thefactoryfor
shippingpurposes.Adjustthemdownward,if desired,priorto operat-
ingthe snowthrower.
It is not recommendedthatyouoperatethis snowthrowerongravel
as it can easilypickup andthrowloosegravel,causingpersonal
njuryordamageto the snowthrowerand surroundng property.
• Forclosesnowremovalona smoothsurface,raiseskidshoes
higheronthe augerhousing.Referto Figure9.
• Usea middleor lowerpositionwhentheareato be clearedis
uneven,suchas a graveldriveway.
f
Smooth Surface
Surface
Figure9
NOTE:If youchooseto operatethe snowthrowerona gravelsurface,
keepthe skidshoesin positionfor maximumclearancebetweenthe
groundandthe shaveplate.
Toadjustthe skidshoes:
1. Loosenthe four hexnuts(twooneach side)andcarriagebolts.
Moveskidshoesto desiredposition. SeeFigure9.
10

I!
2, Makecertaintheentirebottomsurfaceof skidshoeis againstthe
groundto avoidunevenwearonthe skidshoes,
3, Refightennutsandboltssecurely,
Chute Assembly
Thedistancesnowis throwncan beadjustedby changingthe angleof
the chuteassembly,Todo so:
1, Stopthe engineby removingthe ignitionkeyandloosenthe
plasticwingknobfoundonthe left sideof the chuteassembly.
2, Pivotthe chuteupwardordownwardbeforeretighteningthewing
knob,See Figure10,
Auger Control
Priorto operatingyoursnowthrower,carefullyreadandfollowall
instructionsbelow,Performalladjustmentsto verifyyour snow
throweris operatingsafelyand properly, Figure10
Checktheadjustmentof the augercontrolas follows:
1. Theaugercontrolis locatedonthe left handle.SeeFigure11
inset.Whentheaugercontrolis releasedandin the disengaged
"up"position,the cableshouldhaveverylittleslack.Itshould
NOTbetight.
2. In a well-ventilatedarea,start the snowthrowerengine.Referto
Startingthe Engineinthe Operationsection.
3. Whilestandinginthe operator'sposition(behindthe snow
thrower),engagethe auger.
4. Allowtheaugerto remainengagedfor approximatelyten (10)
secondsbeforereleasingthe augercontrol.Repeatthisseveral
times.
5. Withtheaugercontrolin thedisengaged"up" position,walkto the
frontof the machine.
6. Confirmthatthe augerhas completelystoppedrotatingand
showsNOsignsof motion.If the augershowsANYsignsof
rotating,immediatelyreturnto the operator'spositionandshutoff
the engine.Waitfor ALLmovingpartsto stopbeforeadjustingthe
augercontrol.
7. Toreadjustthecontrolcable,loosentheupperhexbolt onthe
augercablebracket.SeeFigure11.
8. Positionthe bracketupwardto providemoreslack(or downward
to increasecabletension).
9. Retightenthe upperhex bolt.
10. Repeatsteps2-6aboveto verifyproperadjustmenthasbeen
achieved.
Figure11
11

Drive Control
ChuteAssembly
\\\
cI
_ugerHousing_\\_ ,L!,
GasCap
\
Oil Fill
\\\\
Augers
Shift Lever
J
"Skid Shoe
Auger Control
Chute Directional Control
Recoil Starter
Handle
Throttle
Control
Choke
Control
Nowthat youhavesetup yoursnowthrower,it'simportantto become
acquaintedwith itscontrolsandfeatures.Referto Figure12.
SHIFT LEVER
Figure12
:lectric Start
Button
Oil Drain Electric Starter Outlet
,.. jJ
KEY
The keyisa safetydevice.It mustbefully _,'t_
insertedinorderfor the engineto start. Remove
the keywhenthe snowthrowerisnot inuse.
'
12345 6 NOTE: Donot turnthe ignitionkeyinan attempt
to startthe engine.Doingso maycauseitto
break.
The shiftleverislocatedonthe dash panel.Placethe shift leverinto
anyof eight positionsto controlthe directionof travelandground
speed.
Forward
Yoursnowthrowerhas sixforward(F) speeds.Positionone(1)is the
slowestandpositionsix(6) isthe fastest.
Reverse
Yoursnowthrowerhastwo reverse(R) speeds.One(1)is the slower
andtwo(2) isthe faster.
CHOKE CONTROL
The chokecontrolis foundon the rearof the
engineand isactivatedby turningthe rotary
chokeknobto the CHOKEposition.Activating
the chokecontrolclosesthe chokeplateon the
carburetorandaids instartingthe engine.
Meets ANSi Safety Standards
CraftsmanSnowThrowersconformto the safetystandardof the AmericanNationalStandardsInstitute(ANSI).
12

THROTTLE CONTROL
aiW'
Thethrottlecontrolis locatedon the rearof the engine.It regulatesthe
speedof theengineandwill shutoff the enginewhenmovedintothe
STOPposition.
r 1
Depressingthe primerforcesfuel directlyinto ___144
the engine'scarburet°rt° aid inc°'dweather [k, _"_'-_ 3" Jstarting.
RECOIL STARTER HANDLE
Thishandleis usedto manuallystartthe engine.
ELECTRIC STARTER BUTTON
Pressingthe electricstarterbuttonengagesthe engine'selectric
starterwhenpluggedintoa 120Vpowersource.
ELECTRIC STARTER OUTLET
Requiresthe useof athree-prongoutdoorextensioncord(included)
anda 120Vpowersource/walloutlet.
OIL FILL
Engineoil levelcan becheckedand oiladdedthroughtheoil fill.
GAS CAP
Unthreadthe gascap to addgasolineto the fuel tank.
AUGER
Whenengaged,the augerbladesrotateand drawsnowintothe auger
housing.
CHUTE ASSEMBLY
Snowdrawninto theaugerhousingis dischargedout the chute
assembly.
AUGER CONTROL
The augercontrolis locatedon the lefthandle.Squeezethe control
gripagainstthe handleto engagethe augerand startsnowthrowing
action.Releaseto stop.
DRIVE CONTROL/AUGER CONTROL LOCK
J DRIVE
CONTROL
The drivecontrolis locatedon the righthandle.Squeezethe control
gripagainstthe handleto engagethe wheeldrive.Releaseto stop.
The drivecontrolalso lockstheaugercontrolso youcan operate
the chutedirectionalcontrolwithoutinterruptingthe snowthrowing
process.If the augercontrolis engagedsimultaneouslywiththe drive
control,the operatorcan releasethe augercontrol(onthe lefthandle)
andthe augerswill remainengaged.Releaseboth controlsto stopthe
augersandwheeldrive.
NOTE:Alwaysreleasethedrivecontrolbeforechangingspeeds.
Failureto doso will resultinincreasedwearon yourmachine'sdrive
system.
OVERHEAD CHUTE DIRECTIONAL CONTROL
/_CCHUTE DIRECTIONAL CONTROL
ADJUSTABLE
DISCHARGE CHUTETILTDISCHARGE
LEFT
#
_ J
The overhead chute directional control is located in the center of the
snow thrower between the handle panel and lowerhandle. To change
the direction inwhich snow is thrown,rotate the chute directional
control.
SKID SHOES
Positionthe skidshoesbasedonsurfaceconditions.Adjustupward
for hard-packedsnow.Adjustdownwardwhenoperatingon gravelor
crushedrocksurfaces.
13

CLEAN-OUT TOOL
Neveruse yourhandsto cleara cloggedchuteassembly.Shut
off engineandremainbehindhandlesuntilall movingpartshave
stoppedbeforeusingthe clean-outtoolto clear thechuteassembly.
Thechuteclean-outtool is convenientlyfastenedto the rearof the
augerhousingwitha mountingclip. Shouldsnowandice become
lodgedin thechuteassemblyduringoperation,proceedas followsto
safelycleanthechuteassemblyandchuteopening:
1. Releaseboththe AugerControlandthe DriveControl.
2. Stopthe engineby removingthe ignitionkey.
3. Removethe clean-outtoolfromthe clip whichsecuresit to the
rearof the augerhousing.
4. Usethe shovel-shapedendof theclean-outtool to dislodgeand
scoopany snowand icewhichhasformedin andnearthechute
assembly.
5. Refastenthe clean-outtool to the mountingclip onthe rearof
theaugerhousing,reinsertthe ignitionkeyandstartthe snow
thrower'sengine.
6. Whilestandinginthe operator'sposition(behindthesnow
thrower),engagethe augercontrolfora fewsecondsto clear any
remainingsnowandice fromthechuteassembly.
BEFORE STARTING ENGINE
Read,understand,andfollowall instructionsandwarningson the
machineand inthismanualbeforeoperating.
Oil
Theunit wasshippedwith oil inthe engine.Checkoil levelbefore
eachoperationto ensureadequateoil inthe engine.Forfurther
instructions,refertothe stepson page16.
NOTE:Besureto checkthe engineon a levelsurfacewiththe engine
stopped.
1. Removethe oil fillercap/dipstickandwipethe dipstickclean.
2. insertthe cap/dipstickintothe oilfiller neck,butdo NOTscrewit
in.
3. Removethe oil fillercap/dipstick,ifthe levelislow,slowlyadd
oil (5%30, witha minimumclassificationof SF/SG)untiloil level
registersbetweenhigh(H) andlow(L).
NOTE:Do notoverfill.Overfillingwithoil mayresultinenginesmoking,
hardstartingor sparkplugfouling.
4. Replaceandtightencap/dipstickfirmlybeforestartingengine.
Gasoline
Useautomotivegasoline(unleadedor low leadedto minimizecombus-
tionchamberdeposits)witha minimumof 87octane.Gasolinewith
upto 10%ethanolor 15%MTBE(MethylTertiaryButylEther)canbe
used.Neveruseanoil/gasolinemixtureor dirtygasoline.Avoidgetting
dirt,dust,or waterinthefuel tank. DO NOTuse E85gasoline.
• Refuelina well-ventilatedareawiththe enginestopped.Do not
smokeorallowflamesor sparksin the areawherethe engineis
refueledor wheregasolineisstored.
• Donot overfillthe fueltank.After refueling,makesurethe tank
cap is closedproperlyandsecurely.
• Becarefulnotto spillfuel whenrefueling.Spilledfuel orfuel vapor
mayignite,ifany fuelis spilled,makesurethe areaisdry before
startingthe engine.
• Avoidrepeatedorprolongedcontactwithskinor breathingof
)or.
Useextremecarewhen handlinggasoline.Gasolineis extremely
flammableandthevaporsare explosive.Neverfuelthe machine
indoorsorwhilethe engineishotor running.Extinguishcigarettes,
cigars,pipesandothersourcesof ignition.
1. Cleanaroundfuel fill beforeremovingcap to fuel.
2. A fuel levelindicatorislocatedinthe fueltank. SeeFigure12
inset.Becarefulnotto overfill.Filltank untilfuel reachesthe fuel
levelindicatorto allowspacefor fuel expansion.
STARTING THE ENGINE
Alwayskeep handsandfeetclearof movingparts. Donot usea
pressurizedstartingfluid.Vaporsare flammable.
NOTE:Allowthe engineto warmupfor a fewminutesafter starting.
The enginewill notdevelopfull poweruntilit reachesoperating
temperatures.
1. Makecertainboththe augercontrolanddrivecontrolarein the
disengaged(released)position.
2. insertkeyinto slot. Makesureit snapsintoplace.Donot attempt
to turn the key.
NOTE: Theenginecannotstartwithoutthe keyfullyinsertedintothe
ignitionswitch.
Electric Starter
The optionalelectricstarteris equippedwitha groundedthree-wire
powercordand plug,andis designedto operateon 120voltAC
householdcurrent.Itmustbe usedwitha properlygroundedthree-
prongreceptacleat all timesto avoidthe possibilityof electricshock.
Followall instructionscarefullypriorto operatingthe electricstarter.
DONOTuseelectricstarterinthe rain.
Determinethatyourhome'swiringis a three-wiregroundedsystem.
Aska licensedelectricianif you arenotcertain.
Ifyou havea groundedthree-prongreceptacle,proceedas follows.
Ifyou donot havethe properhousewiring,DONOTusethe electric
starterunderanyconditions.
1. Plugthe extensioncord intothe outletlocatedon the engine's
surface.Plugthe otherendof extensioncord intoa three-prong
120-volt,grounded,AC outletina well-ventilatedarea.
14

2. Movethrottlecontrolto FAST(rabbit)_T position.
3. Movechoketo the CHOKEIJl position(coldenginestart).If
engineis warm,placechokein RUNposition.
4. Pushprimerthree (3)times,makingsureto coverventholein
primerbulbwhen pushing.If engineis warm,pushprimeronly
once.Alwayscoverventholewhenpushing.Coolweathermay
requireprimingto be repeated.
5. Pushstarterbuttonto start engine.Oncethe enginestarts,im-
mediatelyreleasestarterbutton.Electricstarteris equippedwith
thermaloverloadprotection;systemwill temporarilyshut-downto
allowstarterto cool if electricstarterbecomesoverloaded.
6. As theenginewarms,slowlyrotatethe chokecontrolto RUN
position.If the enginefalters,restartengineandrunwithchoke
at half-chokepositionfor a shortperiodof time,andthen slowly
rotatethe chokeinto RUNposition.
7. Afterengineis running,disconnectpowercordfromelectric
starter.Whendisconnecting,alwaysunplugthe endat the wall
outletbeforeunpluggingtheoppositeendfromthe engine.
Recoil Starter
Do notpullthe starterhandlewhilethe enginerunning.
1. Movethrottlecontrolto FAST(rabbit)_J_ position.
2. Movechoketo the CHOKEI,'_¢1position(coldenginestart).If
engineis warm,placechokein RUNposition.
3. Pushprimerthree (3)times,makingsureto coverventholewhen
pushing.Ifengineiswarm,push primeronlyonce.Alwayscover
ventholewhen pushing.Coolweathermayrequireprimingto be
repeated.
4. Pullgentlyonthe starterhandleuntil it beginsto resist,then
pullquicklyandforcefullyto overcomethe compression.Do
not releasethe handleandallowit to snapback.Returnrope
SLOWLYto originalposition.If required,repeatthisstep.
5. As theenginewarms,slowlyrotatethe chokecontrolto RUN
position.If the enginefalters,restartengineandrunwithchoke
at half-chokepositionfor a shortperiodof time,andthen slowly
rotatethe chokeinto RUNposition.
Toavoid unsupervisedengineoperation,neverleavethemachine
unattendedwiththe enginerunning.Turnthe engineoffafteruseand
removekey.
STOPPING THE ENGINE
Afteryouhavefinishedsnow-throwing,runenginefora few minutes
beforestoppingto helpdry offany moistureonthe engine.
1. Movethrottlecontrolto OFFposition.
2. Removethekey.Removingthe keywill reducethe possibilityof
unauthorizedstartingof the enginewhileequipmentis notin use.
Keepthe keyina safeplace.The enginecannotstart withoutthe
key.
3. Wipeany moistureawayfromthe controlson theengine.
TO ENGAGE DRIVE
1. Withthe throttlecontrolinthe Fast(rabbit) '_ position,move
shiftleverintooneof thesix forward(F) positionsortwo reverse
(R) positions.Selecta speedappropriatefor the snowconditions
anda paceyou'recomfortablewith.
NOTE: When selectinga DriveSpeed,use the slowerspeedsuntil
you arecomfortableandfamiliarwiththe operationof the snow
thrower.
2. Squeezethe drivecontrolagainstthe handleandthe snow
throwerwill move.Releaseit anddrive motionwill stop.
NOTE:NEVERrepositionthe shiftlever(changespeedsordirection
of travel)withoutfirst releasingthe drivecontrolandbringingthe snow
throwerto a completestop.Doingsowill resultin prematurewearto
the snowthrower'sdrivesystem.
TO ENGAGE AUGER
1. Toengagethe augerand startthrowingsnow,squeezethe auger
controlagainstthe left handle.Releaseto stopthe auger.
REPLACING SHEAR PINS
Eachaugerbladeis securedto the spiralshaftwitha shearpinand
bow-tieclip. Ifanaugerbladestrikesa foreignobjector icejam,the
pinwillshearoff to preventdamageto the blade.Ifanaugerblade
does notturn,checkto see if its pinhas shearedoff. SeeFigure13.
NEVERreplacethe augershearpinswithanythingotherthanSears
SKU#88389/0EMPart No.738-04124Areplacementshearpins.
Anydamageto the augergearboxor othercomponentsas a resultof
[fang to doso w NOTbe coveredby yoursnowthrowers warranty.
Alwaysturnoff the snowthrower'sengineandremovethe key priorto
replacingshearpins.
s ¸......
iJ
Figure13
15

MAINTENANCE SCHEDULE
Beforeperforminganytypeofmaintenance/service,disengageall
controlsandstoptheengine.Waituntilallmovingpartshavecometo
acompletestop.Disconnectsparkplugwireandgroundit againstthe
enginetopreventunintendedstarting.Alwayswearsafetyglassesduring
operationorwhileperforminganyadjustmentsorrepairs.
EachUseandevery5
hours
1st5 hours
Annuallyor 25 hours
Annuallyor 50 hours
Annuallyor 100hours
BeforeStorage
1. Engineoil level
2. Looseor missinghardware
3. Unitand engine.
1. Engineoil
1. Sparkplug
2. Controllinkagesandpivots
3. Wheels
4. GearshaftandAugershaft
1. Engineoil
1. Sparkplug
1. Fuelsystem
Followthe maintenanceschedulegiven below.Thischartdescribes
serviceguidelinesonly.Usethe ServiceLogcolumnto keeptrackof
completedmaintenancetasks.To locate the nearest Sears Service
Centeror to scheduleservice,simplycontactSearsat
1-800-4-MY-HOME®.
1. Check
2. Tightenor replace
3. Clean
1. Change
1. Check
2. Lubewithlight oil
3. Lubewithmultipurposeautogrease
4. Lubewithlight oil
1. Change
1. Change
1. Runengineuntilit stopsfromlack
offuel
ENGINE MAINTENANCE
Checking Engine Oil
Beforelubricating,repairing,or inspecting,disengageall controls
Iandstopengine.Waituntilall movingpartshavecometo a complete
_stop.
NOTE: Checktheoil levelbeforeeachuseto besurecorrectoil level
is maintained.
Whenaddingoilto the engine,referto viscositychart below.Engine
oilcapacityis 600ml (approx.20 oz.). Donot over-fill.Usea 4-stroke,
oran equivalenthighdetergent,premiumqualitymotoroilcertified
to meetorexceedU.S.automobilemanufacturer'srequirementsfor
serviceclassificationSG, SR MotoroilsclassifiedSG, SFwill show
thisdesignationonthe container.
1. Removethe oil fillercap/dipstickandwipethe dipstickclean.
2. Insertthe cap/dipstickintothe oilfiller neck,butdo NOTscrewit
in.
3. Removethe oil fillercap/dipstick.Iflevelis low,slowlyadd oiluntil
oil levelregistersbetweenhigh(H) andlow (L). SeeFigure14.
4. Replaceandtightencap/dipstickfirmlybeforestartingengine.
Changing Engine Oil
NOTE:Changethe engineoilafterthe first5 hoursof operationand
oncea seasonorevery50 hoursthereafter.
1. Drainfuelfromtankby runningengineuntilthe fuel tankis empty.
Besurefuel fill cap is secure.
f
1 •
_i!_!iiii_ii!i!jili iiiI iiiii_H
marks
Figure14
2. Placesuitableoil collectioncontainerunderoil drainplug.
3. Removeoil drainplug.SeeFigure15on nextpage.
4. Tip unit to drainoil intothe container.Usedoil mustbedisposed
of at a propercollectioncenter.
Usedoil isa hazardouswasteproduct.Disposeof usedoil properly.
IDo notdiscardwithhouseholdwaste.Checkwithyour localauthori-
lties or SearsServiceCenterfor safedisposal/recyclingfacilities.
16

.
6.
Reinstallthe drainplugandtightenit securely.
Refillwiththe recommendedoil andcheckthe oil level.See
RecommendedOil Usagechart.Theengine'soil capacityis 20
ounces.
(%-400 -200 0o 200 400
("c) -300 -200 -10° 0°
DONOTuse nondetergentoilor 2-strokeengineoil. Itcould shorten
the engine'sservicelife.
7. Reinstallthe oilfillercap/dipsticksecurely.
Oil Drain
Plug
Figure15
afterhandling usedoil.
Checking Spark Plug
DO NOTcheckfor sparkwithsparkplugremoved.DO NOTcrank
enginewithsparkplugremoved.
Ifthe enginehasbeenrunning,the mufflerwill bevery hot.Becareful
notto touchthe muffler.
NOTE: Checkthe sparkplugoncea seasonorevery25hoursof
operation.Changethe sparkplugoncea seasonor every100hours.
Toensureproperengineoperation,the sparkplugmustbe properly
gappedandfreeof deposits.
1. Removethesparkplugbootanduse a sparkplugwrenchto
removethe plug.See Figure16.
2. Visuallyinspectthe sparkplug.Discardthe sparkplugif thereis
apparentwear,orif the insulatoris crackedor chipped.Cleanthe
sparkplugwitha wirebrush if it is to be reused.
3. Measurethe pluggapwitha feelergauge.Correctas necessary
by bendingsideelectrode.SeeFigure17.The gapshouldbeset
to .02-.03inches(0.60-0.80ram).
4. Checkthatthe sparkplugwasheris ingoodconditionandthread
the sparkplugin by handto preventcross-threading.
5. Afterthesparkplugis seated,tightenwitha sparkplugwrenchto
compressthe washer.
NOTE:Wheninstallinga newsparkplug,tighten1/2-turnafterthe
sparkplugseatsto compressthe washer.Whenreinstallinga used
sparkplug,tighten1/8-to 1/4-turnafterthe sparkplugseatsto
compressthe washer.
17
Spark Plug
O
J
Figure16
Electrode
.02-.03 in.
{0.60-0.80 ram)
Figure17

become hotandcan inc.
LUBRICATION
Gear Shaft
Thegear(hex)shaft shouldbe lubricatedat leastoncea seasonor
afterevery25 hoursof operation.
1. Topreventspillage,removeall fuel fromtank by runningengine
until it stops.
2. Carefullypivotthe snowthrowerupandforwardso that it restson
theaugerhousing.
3. Removethe lowerframecoverfromthe undersideof the snow
throwerby removingthe self-tappingscrewswhichsecureit.
4. Applya lightcoatingof engineoil (or3-in-1oil) to the hexshaft.
SeeFigure18.
NOTE:Whenlubricatingthe hexshaft,be carefulnotto get any oilon
thealuminumdriveplateor rubberfrictionwheel.Doingsowill hinder
the snowthrower'sdrive system.Wipeoff anyexcessor spilledoil.
Wheels
At leastoncea season,removebothwheels.Cleanandcoattheaxles
witha multipurposeautomotivegreasebeforereinstallingwheels.
Chute Directional Control
Oncea season,lubricatethe eye boltbushingand thespiralwith3-in-1
oil.
Auger Shaft
At leastoncea season,removethe shearpinson augershaft.Spray
lubricantinsideshaft,andaroundthe spacersandflangebearings
foundat eitherendof the shaft.SeeFigure19.
f
Figure18
SHAVE PLATE AND SKID SHOES
The shaveplateand skidshoesonthe bottomof the snowthrowerare
subjectto wear.Theyshouldbecheckedperiodicallyandreplaced
whennecessary.
NOTE:Theskidshoeson thismachinehavetwowearedges.When
onesidewearsout,theycan be rotated1800to usethe otheredge.
To removeskidshoes:
1. Removethe twocarriagebolts,washers,andhex flangenutsthat
secureeachskidshoeto the snowthrower.
2. Reassemblenew skidshoeswiththe fourcarriagebolts(twoon
eachside),washers,andhex flangenuts.Referto Figure20.
To removeshaveplate:
1. Removethe carriageboltsand hexnutswhichattachit to the
snowthrowerhousing.
2. Reassemblenew shaveplate,makingsureheadsof carriage
boltsareto the insideof housing.Tightensecurely.SeeFigure
20.
Figure19
NOTE:Augers not shown for clarity.
Figure20
/
/
/
/
18

ADJUSTMENTS
Shift Cable
If thefull rangeof speeds(forwardandreverse)cannotbe achieved,
referto the figureto the rightandadjustthe shift cableas follows:
1. Placethe shiftleverin thefastest forwardspeedposition(F6).
2. Loosenthe hex nuton the shiftcable indexbracket.SeeFigure
21.
3. Pivotthe bracketdownwardto takeupslack inthe cable.
4. Retightenthehex nut.
Drive Control
Whenthedrivecontrolis releasedandin thedisengaged"up"position,
the cableshouldhaveverylittle slack.It shouldNOTbetight. Also,
if thereis excessiveslackin thedrive cableor if the unitexperiences
intermittentdrivewhileusing,the cable mayneedto beadjusted.
Checktheadjustmentof the drivecontrolas follows:
1. Withthedrivecontrolreleased,pushthe snowthrowergently
forward.The unitshouldrollfreely.
2. Engagethe drivecontrolandgentlyattemptto pushthe snow
throwerforward.Thewheelsshouldnotturn.The unitshouldnot
rollfreely.
3. Withthedrivecontrolreleased,movethe shift leverbackand
forthbetweenthe R2positionandthe F6 positionseveraltimes.
Thereshouldbeno resistancein the shiftlever.
4. If anyof the abovetestsfailed,the drivecable is in needof
adjustment.Proceedas follows:
a. Shutoff theengineas instructedinthe Operationsection.
b. Loosenthe lowerhexbolt onthe drivecable bracket.See
Figure22.
c. Positionthe bracketupwardto providemoreslack(or
downwardto increasecabletension).
d. Retightenthe lowerhex bolt.
Figure21
f
Chute
If thechutefailsto remainstationaryduringoperation,the preiloadd
the chutecan beadjustedbytighteningthehex nut foundon the front
of the chutecontrolhead.
1. Toincreasethepreload,tightenthe hex nutclockwisein1Aturn
intervals.SeeFigure23.
2. If thechutedirectionalcontrolis difficultto crank,decreasethe
preloadby looseningthe hex nutcounterclockwisein 1Aturn
intervals.
Figure22
19
Figure23

Auger Control f "_
Referto the Assemblysectionfor instructionsonadjustingtheauger
controlcable.
Skid Shoes
Referto the Assemblysectionfor instructionsonadjustingthe skid
shoes.
BELT REPLACEMENT
Auger Belt
To removeandreplaceyoursnowthrower'saugerbelt,proceedas
follows:
1. Topreventspillage,removeall fuel fromtank by runningengine
until itstops.
2. Removethe plasticbelt coveronthe frontof the engineby remov-
ingthe twoself-tappingscrews.SeeFigure24.
3. Rollthe augerbeltoff theenginepulley.See Figure25.
4. Carefullypivotthe snowthrowerupandforwardso that itrestson
theaugerhousing.
5. Removethe framecoverfromthe undersideof the snowthrower
by removingfourself-tappingscrewswhichsecureit.SeeFigure
26.
/
/
?
Figure24 J
f
Figure 25
//
2O
Figure26 J

6. Removethebeltasfollows.RefertoFigure27.
A. Loosenandremovetheshoulderscrewwhichactsasabelt
keeper.
B. Unhooktheaugerbrakebracketspringfromtheframe.
7. Removethebeltfromaroundtheaugerpulley,andslipthebelt
betweenthesupportbracketandtheaugerpulley.SeeFigure28.
8. Reassembleaugerbeltbyfollowinginstructionsinreverseorder.
9. PerformtheAugerControltestoutlinedintheAssemblysection
ofthismanual.
NOTE:DoNOTforgettoreinstalltheshoulderscrewandreconnect
thespringtotheframeafterinstallingareplacementaugerbelt.
Drive Belt
Toremoveand replaceyoursnowthrower'sdrivebelt,proceedas
follows:
1. Topreventspillage,removeallfuel fromtankby runningengine
untilit stops.
2. Removetheplasticbelt coveronthe frontof the engineby remov-
ingthe twoself-tappingscrews.See Figure24on previouspage.
3. Removethebelt as follows.Referto Figure29.
A. Rollthe augerbeltoff theenginepulley.
B. Useawrenchto pivotthe idlerpulleytowardthe right.
C. Liftthe drivebelt offenginepulley.
Figure27
t j
Figure28
21
Figure29

4, Carefullypivotthesnowthrowerupandforwardsothatitrestson
theaugerhousing.
5. Removetheframecoverfromtheundersideofthesnowthrower
byremovingtheself-tappingscrewswhichsecureit.Referto
Figure26,
6. Backoutthestopbolttoincreasetheclearancebetweenthe
frictionwheeldiscandfrictionwheel,SeeFigure30,
7. Slipthedrivebeltoffthepulleyandbetweenfrictionwheeland
frictionwheeldisc,SeeFigure30,
8, Removeandreplacebeltinthereverseorder,Besuretoreinstall
thestopbolt.
FRiCTiON WHEEL REMOVAL
Ifthe snowthrowerfailsto drive withthedrivecontrolengaged,
andperformingthe drivecontrolcableadjustmentfailsto correct
the problem,the frictionwheelmayneedto be replaced.Followthe
instructionsbelow.Examinethe frictionwheelrubberfor signsof wear
orcrackingand replaceif necessary.
1. Topreventspillage,removeall fuel fromtank by runningengine
until it stops.
2. Placethe shiftleverin third Forward(F3) position.
3. Carefullypivotthe snowthrowerupandforwardso that it restson
theaugerhousing.
4. Removethe framecoverfromthe undersideof the snowthrower
by removingthe self-tappingscrewswhichsecureit.
5. Removethe right-handwheelby removingthe screwandbell
washerwhichsecureit to theaxle.See Figure31.
6. Carefullyremovethe hexnut andwasherwhichsecuresthe hex
shaftto the snowthrowerframeand lightlytap the shaft'send
to dislodgethe ballbearingfromthe rightsideof theframe.See
Figure32.
Stop Bolt
Figure30
/ii
J
Figure31
Figure32
J
22

NOTE:Becarefulnot to damagethe threadson the shaft,
7. Carefullypositionthe hexshaftdownwardandto the left before
carefullyslidingthe frictionwheelassemblyoff the shaft.See
Figure33.
NOTE: Ifyou'rereplacingthe frictionwheelassemblyas a whole,
discardthe wornpartand slidethe newpart ontothe hexshaft.
8. Followthe stepsaboveinreverseorderto reassemble
components.
9. Performthetest previouslydescribedinthe DriveControl
section.
If you'redisassemblingthefrictionwheeland replacingonly the rubber
ring,proceedas follows:
1. Removethefour screwswhichsecurethe frictionwheel'sside
platestogether. SeeFigure34.
2. Removethe rubberringfrombetweenthe plates.
3. Reassemblethe side plateswitha newrubberring.
NOTE: Whenreassemblingthe frictionwheelassembly,makesure
thatthe rubberringis centeredand seatedproperlybetweenthe side
plates.Tighteneachscrewonlyone rotationbeforeturningthe wheel
clockwiseandproceedingwiththe nextscrew.Repeatthisprocess
severaltimes toensurethe platesaresecuredwithequalforce
(between6 ft-lbsand 9 ft-lbs).
Figure33
4. Slidethe frictionwheelassemblybackonto the hexshaftand
followthestepsabovein reverseorderto reassemble
components.
5. Performthe testpreviouslydescribedin the DriveControl
section.
... j
Figure34
23

Ifthe snowthrowerwillnot be usedfor30 daysor longer,or if it is the endof the snowseasonwhenthe lastpossibilityof snowis gone,the
equipmentneedsto bestoredproperly.Followstorageinstructionsbelowto ensuretop performancefromthe snowthrowerfor manymoreyears.
PREPARING ENGINE
Enginesstoredover30daysneedto bedrainedof fuel to prevent
deteriorationandgumfromforminginfuel systemor onessential
carburetorparts.If thegasolineinyourenginedeterioratesduring
storage,youmayneedto havethe carburetor,andotherfuel system
components,servicedor replaced.
1. Removeall fuel fromtank by runningengineuntil it stops.Donot
attemptto pourfuel fromthe engine.
2. Changethe engineoil.
3. Removesparkplugandpourapproximately1oz.(30 rnl)of clean
engineoil intothe cylinder.Pullthe recoilstarterseveraltimesto
distributetheoil, and reinstallthe sparkplug.
4. Cleandebrisfromaroundengine,andunder,around,andbehind
muffler.Applya lightfilmof oilon anyareasthatare susceptible
to rust.
• Storeina clean,dry andwellventilatedareaawayfromanyap-
pliancethatoperateswithaflameor pilotlight,suchas a furnace,
waterheater,or clothesdryer.Avoidany areawitha spark
producingelectricmotor,or wherepowertoolsareoperated.
Neverstoresnowthrowerwithfuel intank indoorsor inpoorlyventi-
latedareas,wherefuel fumesmayreachan openflame,sparkor pilol
lightas ona furnace,waterheater,clothesdryer orgas appliance.
• If possible,avoidstorageareaswithhighhumidity.
• Keepthe enginelevelin storage.Tiltingcan causefuel oroil
leakage.
PREPARING SNOW THROWER
Whenstoringthe snowthrowerin anunventilatedormetalstor-
age shed,careshouldbetakento rustprooftheequipment.Using
a light oilor silicone,coattheequipment,especiallyanychains,
springs,bearingsandcables.
• Removealldirt fromexteriorof engineandequipment.
• Followlubricationrecommendations.
• Storeequipmentin a clean,dry area.
• Inflatethe tiresto the maximumPSi. Referto tiresidewall.
24

Enginefailsto start
Enginerunningerratically/
inconsistentRPM(huntingor
surging)
Excessivevibration
Lossof power
Unitfailsto propelitself
Unitfailsto dischargesnow
1. Chokecontrolnot inCHOKEposition.
2. Sparkplugwire disconnected.
3. Faultysparkplug.
4. Fueltankemptyor stalefuel.
5. Enginenot primed.
6. Keynot inserted.
7. Extensioncordnot connected(when
usingelectricstartbutton,on modelsso
equipped).
1. EnginerunningonCHOKE.
2. Stalefuel.
3. Waterordirt infuel system.
4. Over-governedengine.
1. Loosepartsor damagedauger.
1. Sparkplugwire loose.
2. Gascap ventholeplugged.
1. Drivecable inneedof adjustment.
2. Drivebelt looseor damaged.
3. Wornfrictionwheel.
1. Chuteassemblyclogged.
2. Foreignobjectlodgedin auger.
3. Augercablein needof adjustment.
4. Augerbelt looseordamaged.
5. Shearpin(s) sheared.
1. Chuteassembledincorrectly.
1. Movechokecontrolto CHOKEposition.
2. Connectwireto sparkplug.
3. Clean,adjustgap,or replace.
4. Filltankwith clean,freshgasoline.
5. Primeengineas instructedinthe OperationSection.
6. Insertkeyfully intothe switch.
7. Connectoneendof the extensioncordto the electric
starteroutletandthe otherendto a three-prong
120-volt,grounded,ACoutlet.
1. Movechokecontrolto RUNposition.
2. Filltankwith clean,freshgasoline.
3. Drainfueltankby runningengineuntil it stops.Refill
withfreshfuel.
4. ContactyourSearsParts& RepairCenter.
1. Stopengineimmediatelyand disconnectsparkplug
wire.Tightenall boltsand nuts.Ifvibrationcontinues,
haveunit servicedbya SearsParts& RepairCenter.
1. Connectandtightensparkplugwire.
2. Removeiceand snowfromgascap. Becertainvent
holeis clear.
1. Adjustdrivecontrolcable.Referto Serviceand
Maintenancesection.
2. Replacedrive belt.Referto Serviceand Mainte-
nancesection.
3. Havefrictionwheelreplacedat a SearsParts&
RepairCenter.
1. Stopengineimmediatelyand disconnectsparkplug
wire.Cleanchuteassemblyandinsideof auger
housingwithclean-outtoolor a stick.
2. Stopengineimmediatelyand disconnectsparkplug
wire.Removeobjectfromaugerwith clean-outtool
ora stick.
3. Adjustaugercontrolcable.Referto Assembly
section.
4. Replaceaugerbelt.Referto Serviceand Mainte-
nancesection.
5. Replacewith newshearpin(s).
Chutefailsto easilyrotate180 1. Disassemblechutecontroland reassembleas
degrees directedinthe Assemblysection.
NEED HORE HELP?
Yot,Fttfind. th_ answer a!ld mo_e on ma_age_y_ifeocom _ for free]
Find this and att your other product manua[s ontine.
Get answers from our team of home experts.
Get a personalized maintenance p[an for your home.
Find information and tools to he[p with home projects.
managemylife
b_e'_g_t_/_eyeu by Sea_s
25

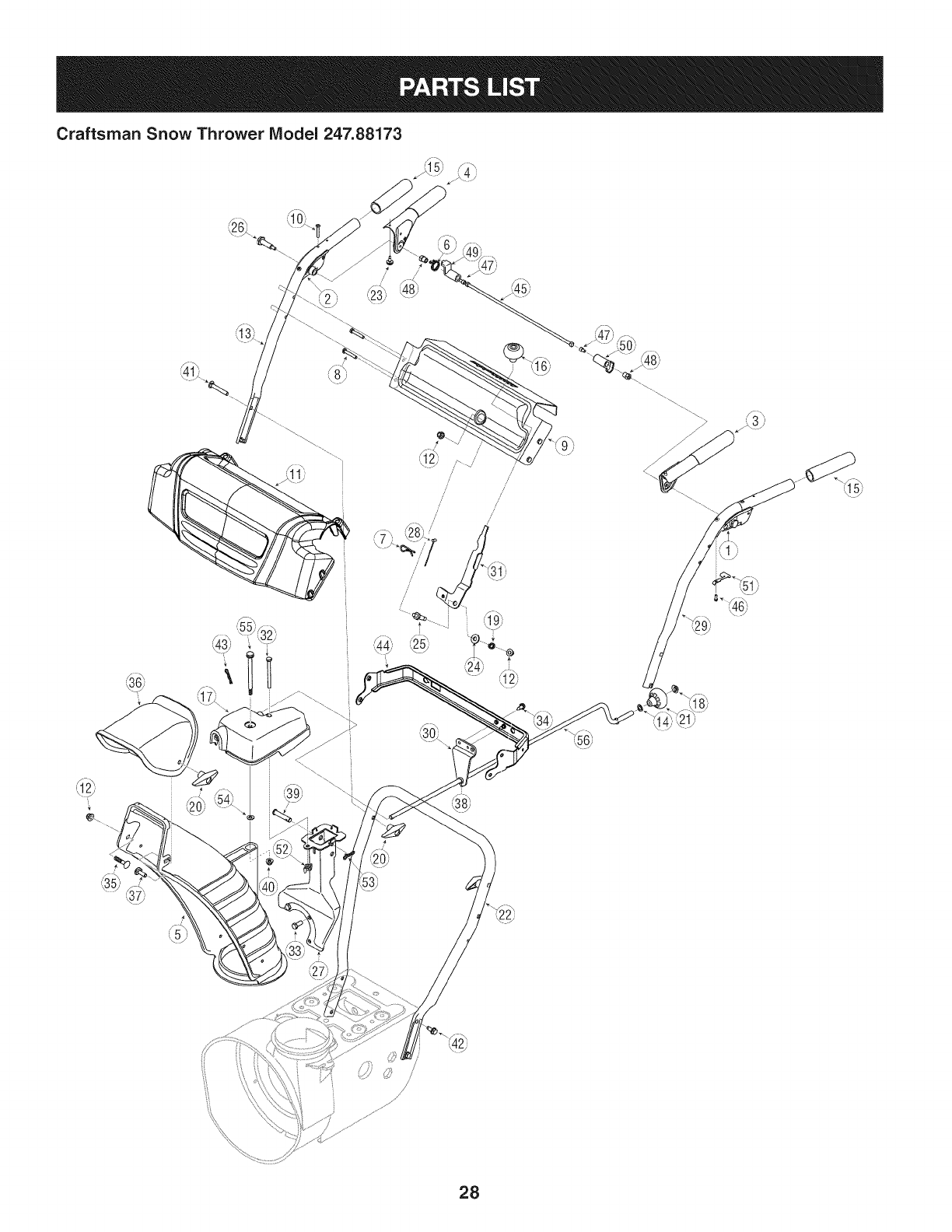
Craftsman Snow Thrower IViodel 247.88173
I
i
/
,// ///'
/
26

Craftsman Snow Thrower IViodel 247.88173
D = 0 0
731-2635 Snow RemovalToolMount
2. 684-04057A-0637 ImpellerAssembly,12"Dia.
3. 710-0347 HexScrew,3/8-16,1.75,Gr5
4. 710-0451 Bolt,Carriage,5/16-18,.750Grl
5. 710-04484 Screw, 5/16-18,0.750
6. 710-0703 Screw,Carriage,1/4-20,.750,Gr5
7. 712-04063 Nut,FlangeLock,5/16-18,Nylon
8. 712-04064 Nut,FlangeLock,1/4-20,Nylon
9. 712-04065 Nut,FlangeLock,3/8-16,Nylon
10. 714-04040 CotterPin, Bow-tie
11. 725-0157 Cable,Tie,3/16x .05 x 7.4
12. 926-04012 Nut,Push-on,.25Dia
13. 731-07525 Chute,Adapter5" Dia
14. 732-04460 Spring,Extension,.38 ODx 4.59
15. 736-0174 Washer,Wave,.625x.885x.015
16. 736-0242 Washer,Bell,.340x.872x.060
17. 946-04230A ClutchCable,Auger,47.23"
18. 931-2643 Snow RemovalTool
19. 738-0143 Screw,Shoulder,.498x.34,3/8-16
20. 938-0281 Screw,Shoulder,.625x.17,3/8-16
21. 738-04124A ShearPin,.25x 1.50
22. 941-0245 Bearing,HexFlangex .75 ID
23. 941-0309 Bearing,Ball,.75IDx 1.85OD
24. 756-04224 FlatPulley,Idler, 2.75OD
25. 790-00075 Housing,Bearing,1.85ID
26. 790-00080B Bracket,AugerIdlerw/Brake
27. 918-04171B GearboxAssembly,Auger,24"
28. 684-04265-4044 HousingAssembly,Auger24"
684-04107-0637
30. 684-04108-0637
31. 731-04870
32. 736-0188
33. 741-0493A
34. 790-00087A-0637
35. 790-00120-4044
36. 731-06439
37. 918-0123A
38. 918-0124A
39. 921-0338
40. 741-0662
41. 710-0642
42. 711-04285
43. 914-0161
D = O
SpiralAssembly,LH
SpiralAssembly,RH
Spacer,1.25OD x .75 IDx 1.00
Washer,Flat,.76x 1.49x .06
Bushing,Flange,.80 IDx .91OD
Housing,1"HexBearing
ShavePlate,2.25x 23.66
SlideShoe
Housing,Gearbox,RH
Housing,Gearbox,LH
Seal,Oil, .750x 1.00x .125
Bearing,Flange,.75x 1.0x .59
Screw,Self-tapping,1/4-20,0.750
Axle,Auger,24"
Key,Hi-pro3/16x 5/8
44. 715-04021 Pin,Dowel,.25OD x 1.2
45. 917-04126 Shaft,Worm.75OD
46. 917-04861 Gear,Worm20T
47. 718-04071 Collar,Thrust
48. 721-0325 Plug,1/4x .437
49. 721-0327 Seal,Oil, .75x1x.131
50. 936-0351 Washer,Flat,.760IDx 1.50D
51. 736-3084 Washer,Flat,.51x 1.12
52. 741-0663 Bearing,Flange,.75x 1.0x .925
53. 741-0661A Bearing,Flange,.75x 1.00x .975
54. 929-0071A ExtensionCord,110V
55. 710-0276 Screw,Carriage,5/16-18x 1.00
56. 936-0159 Washer,Fiat,.349x.879x.063
27

Craftsman Snow Thrower Model 247.88173
/
,I
// /
i
//'
/
/
/
/
/
/
...... ]
-,_12)
28

Craftsman Snow Thrower IViodel 247.88173
D = "0
631-04133A HandleAssembly,ClutchLock,LH
2. 631-04134B HandleAssembly,ClutchLock,RH
3. 684-04111B HandleAss'y,Engage,LH
4. 684-041120 HandleAss'y,Engage,RH
5. J 731-06440A J Chute,Lower
6. 732-04238 Spring,Torsion,.8156IDx .3038
7. 914-0145 ClickPin
8. 710-04586 Screw,1/4-20x 1.625
9. 790-00219-4044
10. 710-1233
11. 731-06471
12. 712-04063
13. 749-04190A-0637
14. 936-0185
15. 720-0274
16. 720-04039
Panel,Handle,(nocutout)
Screw,Machine,#10-24,1.375
HandlePanelCover
Nut,FlangeLock,5/16-18,Nylon
Handle,Upper,RH
Washer,Fiat,.375x.738x.063
Grip,1.0IDx 5.0
Knob,Shift,Black
17. 918-04933 GearboxAssembly
18. 926-0100 Cap,Push,3/8 Rod
19. 732-0193 Spring,.39 x.60 x.88
20. 920-0284 Knob,5/16-18,Black
21. 720-04102 CrankKnob
22. 749-04138A-0637 Handle,Lower
23. 935-0199A Bumper,Rubber,.62 ODx .22
24. 736-0262 Washer,Fiat,.385x.870x.092
25. 738-04118 Bolt,Shoulder,5/16-18x 0.905
26. 738-04348 Screw,Shoulder,.43x 1.3,1/4-20
27. 684-04311A-0637 Bracket,ChuteSupport
28. 946-04397A Cable,SpeedSelector
D = O 0
749-04191A-0637 Handle,Upper,LH
30. 790-00341 Bracket,Rod
31. 790-00313-0637 ShiftLever
32. 710-04370 Screw,1/4-20x 3.00
33. 710-0627 Screw,5/16-24x .750
34. 710-04071 Bolt,Carriage,5/16-18,1.0
35. 710-0451 Bolt,Carriage,5/16-18,.750
36. 731-04426A Chute,Upper,w/Label
37. 710-1652 Screw,1/4-20x .625
38. 941-0475 Bushing,Plastic,.380
39. 711-04469A Pin,Clevis
40. 712-04064 Nut,FlangeLock,1/4-20
41. 710-0572 Screw,Carriage,5/16-18,2.25
42. 710-04484 Screw,5/16-18,2.25,Gr5
43. 914-0101 Pin,Cotter
44. 790-00248C-0637 Bracket,Panel
45. 684-04250 Rod,Pivot
46. 710-04326 Screw,#8-16x .50
47. 710-3069 Screw,1/4-20x .50
48. 712-04081A Nut,Hex, 1/4-20
49. 731-04894D Plate,Lock
50. 731-04896B Cam,ClutchLock
51. 732-04219C Spring,ClutchLock
52. 712-3087 Nut,Wing
53. 714-04040 Bow-TieCotterPin
54. 736-04446 Washer,Fiat, .25x.630x.0515
55. 738-04367 Scr.Shldr.Fig.,.312x 3.5x 1/4-20
56. 747-05386-0637 Crank,Chute
29

Craftsman Snow Thrower IViodel 247.88173
A/
/
/
/
A
3O

Craftsman Snow Thrower IViodel 247.88173
I = 0 0
656-04055 DiscAssembly,FrictionWheel
2. 684-04153 FrictionWheelAssembly,5.50D
3. 684-04154B-0637 SupportBracket,FrictionWheel
4. 684-04156A ShiftAssembly,Rod
5. J 710-0627 J HexScrew,5/16-24,.750,Gr5
6. 710-0788 Screw,1/4-20,1.000
7. 710-1652 Screw,1/4-20x .625
8. 712-04065 Nut,FlangeLock,3/8-16,Nylon
9. 712-0417A Nut,Flange,5/8-18
10. 914-0126 Key,Hi Pro,3/16x 3/4 Dia.
11. 916-0104 E-ring,.500 Dia.
12. 716-0136 E-ring,Retaining, .875Dia.
13. 916-0231 E-ring,.750Dia.
14. 917-04209A HexShaft,.8125,7-Tooth
15. 917-04230A Gear,80-Tooth
16. .726-0221 Speed Nut,.500
17. 932-0264 ExtensionSpring
18. 736-0242 Washer,Bell,.340x.872x.060
19. 936-0287 Washer,Flat,.793x 1.24x .060
20. 736-04161 Washer,Flat,.75x 1.00x .060
21. 790-00289A-0637 Plate,Cover
22. 738-04439 ShoulderScrew
23. 738-04184A Screw,Shoulder,.37x.105,1/4-20
24. 738-0924A Screw,1/4-28,.375
25. 941-0245 Bearing,HexFlangex .75 ID
26. 941-0563 Bearing,Ball,17x 40x 12
27. 946-04229B ClutchCable,Wheel,44.95"
28. 935-04054 Rubber,FrictionWheel,5.50D
29. 748-0190 Spacer,.508IDx .75ODx.68
30. 756-0625 Roller,Cable
31. 790-00096-0637 FrontGuideBracket,AugerCable
32. 790-00180A-4044 Frame
33. 790-00206A-0637 GuideBracket,AugerCable
34. 790-00207C GuideBracket,DriveCable
35. 790-00316-0637 Cover,Frame
36. 634-04167A-0911 LHWheelAssembly
634-04168A-0911 RHWheelAssembly
D = O e
731-04873 Spacer,1.25x .75x 3.0
38. 938-04168 Axle,.75x 22"
39. 936-0329 Washer,Lock, 1/4
40. 710-0809 HexScrew,1/4-20,1.25,Gr5
41. 710-0191 HexScrew,3/8-24,1.25,Gr8
42. 710-0672 HexScrew,5/16-24,1.25,Gr5
43. 710-0654A Screw,Seres,3/8-16,1.00
44. 710-1245B HexScrew,5/16-24,.875,Gr8
45. 710-0896 Screw,1/4-20x .625
46. 926-04012 Nut, Push-on,.25 Dia.
47. 731-04792A Cover,Belt
48. 732-04308A Spring,Torsion,.850 IDx .354
49. 736-0247 Washer,Flat, .406x 1.25x .157
50. 936-0119 Washer,Lock.3125
51. 736-0505 Washer,Flat, .34x 1.50x .150
52. 748-04053A Pulley,Adapter,.75 Dia.
53. 748-04112B Spacer,Shoulder,.317x.50 x.102
54. 750-04303 Spacer,.875IDx 1.185OD
55. 750-04477A Spacer,.340x.750x.360
56. 954-04050 Belt,AugerDrive
57. 954-04260 Belt,WheelDrive
58. 756-04109 Pulley,AugerDrive,8.1x .5
59. 756-04113 Pulley,Half,V x 2.600 OD
60. 756-04252 Pulley,Half,3/8-V x 1.7160OD
61. 790-00208C Idler Bracket,Wheel Drive
62. 684-04169 Idler PulleyAssembly
63. 750-04571 Spacer,Shoulder,.26x.79x.538
64. 735-04099 Plug,3/8 ID
65. 735-04100 Plug,1/2 ID
66. 712-04064 Nut, FlangeLock,1/4-20,Nylon
67. 710-0751 HexScrew,1/4-20,.620,Gr5
68. 732-04311A Spring,Torsion,.750IDx .968
69. 712-04063 Nut, FlangeLock,5/16-18,Nylon
70. 936-3015 Wash.,Flat,.469x.875x.105
71. 790-00217A-0637 PivotBracket,SpeedSelector
72. 790-00218A-0637 ShiftBracket,SpeedSelector
73. 952Z270-SUA ReplacementEngine
31

Craftsman Snow Thrower Model 247.88173
777S32636
1001 J,nO-NV:llO
7VnNVW S,HOIVH3dOQV3H"G
"S3OVJHflS]3AVH9 H09NIlV_3d0
N3HMN011nv3VUIX]3sn"$830N¥1S181¥398VH3SI0
1O3Ul0U3A3N'S]lSnPNI 8133r80 NMOUHLQIOM 01 "_
"3NIHOVW9NIOIAS]S80 9NI99033Nn
3UOJ38o3aa01S3MH SIUVd9NIAO_J]]V ]llNn S3]ONVH
QNIH38NIV_3UQNV'3NIGH3dOIS'SH]A3]HOlfl]O30VON3SIQ"8
"31flH330UVHOSIO9010NilOl 1001 LflO-NV3]33Sfl"_
"133JONVSONVH31VlfldWVNV3U39flV_0U]]]_d_l HIlM
lOVlNO3"U39flVONV83113dWI9NllVlOUWOSJIVMV d33H"L
777X43688
NOT
/IUSI_E85 ORFUEL
CONTAININGMORE
THAN10% ETHANOL
777S32236
)
777D16341
777D16340
777122363
777D16355
777123031
777123030
777D18044
32

33

MTD CONSUMER GROUP INC (MTD), the California Air Resources Board (CARB)
and the United States Environment Protection Agency (U. S. EPA)
Emission Control System Warranty Statement
(Owner's Defect Warranty Rights and Obligations)
EMISSIONCONTROLSYSTEMCOVERAGEIS APPLICABLETOCERTIFIEDENGINESPURCHASEDIN CALIFORNIAIN2005ANDTHERE-
AFTER,WHICHARE USEDINCALIFORNIA,ANDTO CERTIFIEDMODELYEAR2005ANDLATERENGINESWHICHARE PURCHASEDAND
USEDELSEWHEREINTHEUNITEDSTATES.
Californiaandelsewherein the UnitedStatesEmissionControlDefectsWarrantyCoverage
The CaliforniaAir ResourcesBoard(CARB),U.S. EPAandMTDarepleasedto explaintheemissionscontrolsystemwarrantyonyour modelyear
2006andlatersmalloff-roadengine.In California,new smalloff-roadenginesmustbe designed,builtand equippedto meettheStatesanti-smog
standards.Elsewhereinthe UnitedStates,newnon-road,spark-ignitionenginescertifiedfor model2005and later,mustmeetsimilarstandardsset
forthby the U.S. EPA.MTDmustwarrantythe emissioncontrolsystemonyourenginefor the periodof timelistedbelow,providedtherehasbeen
noabuse,neglector impropermaintenanceof your smalloff-roadengine.
Youremissioncontrolsystemmayincludepartssuchas the carburetor,fuel-injectionsystem,the ignitionsystem,andcatalyticconverter,fueltanks,
fuel lines,fuel caps,valves,canisters,filters,vaporhoses,clamps,connectors,andotherassociatedemission-relatedcomponents.
Wherea warrantableconditionexists,MTDwill repairyoursmalloff-roadengineat nocost to yourincludingdiagnosis,partsand labor.
MANUFACTURER'S WARRANTY COVERAGE:
Thisemissionscontrolsystemis warrantedfor twoyears.If anyemission-relatedpart onyourengineis defective,the part will berepairedor
replacedby MTD. OWNER'S WARRANTY RESPONSIBILITIES:
As the smalloff-roadengineowner,youare responsibleforthe performanceof the requiredmaintenancelistedinyour Owner'sManual.MTD
recommendsthatyou retainall yourreceiptscoveringmaintenanceson yoursmalloff-roadengine,but MTDcan not denywarrantysolelyfor the
lackof receiptsor foryour failureto ensurethe performanceto allscheduledmaintenance.
As the smalloff-roadengineowner,youshouldhoweverbeawarethat MTDmaydenyyour warrantycoverageif yoursmalloff-roadengineorpart
hasfaileddue toabuse,neglect,impropermaintenanceor unapprovedmodifications.
Youare responsiblefor presentingyour smalloff-roadengineto an AuthorizedMTDServiceDealeras soonas a problemexists.Thewarranted
repairsshouldbe completedina reasonableamountof time,notto exceed30 days.
Ifyou haveanyquestionsregardingyourwarrantyrightsand responsibilities,you shouldcontacta MTDServiceRepresentativeat 1-800-800-7310
andaddressis MTDCONSUMERGROUP,RO.Box361131,ClevelandOH,44136-0019.
DEFECTS WARRANTY REQUIREMENTS FOR 1995 AND LATER SMALL OFF-ROAD ENGINES:
Thissectionappliesto 1995andlater smalloff-roadengines.The warrantyperiodbeginsonthe datethe engineor equipmentis deliveredto an
ultimatepurchaser.
(a) GeneralEmissionsWarrantyCoverage_
MTDmustwarrantto the ultimatepurchaserandeachsubsequentpurchaserthatthe engineis:
(1)Designed,built,andequippedsoas to conformwithallapplicableregulationsadoptedby the AirResourcesBoardpursuantto itsauthorityin
Chapters1and2,Part5, Division26of the HealthandSafetyCode;and
(2) Freefromdefectsin materialsandworkmanshipthatcausethe failureof a warrantedpart to beidenticalin all materialrespectsto the partas
describedin theenginemanufacturer'sapplicationfor certificationfora periodof twoyears.
.(b)The warrantyonemissions-relatedpartswill be interpretedas follows:
(1)Anywarrantedpart thatis not scheduledfor replacementas requiredmaintenanceinthe writteninstructionsrequiredby Subsection(c)
mustbewarrantedfor the warrantyperioddefinedinSubsection(a)(2). Ifany suchpartfailsduringthe periodof warrantycoverage,it mustbe
repairedor replacedby MTDaccordingto Subsection(4)below.Anysuchpart repairedor replacedunderthewarrantymustbewarrantedfor
the remainingwarrantyperiod.
(2)Any warrantedpartthat is scheduledonlyfor regularinspectioninthe writteninstructionsrequiredby Subsection(c) must bewarrantedfor
thewarrantyperioddefinedin Subsection(a)(2).A statementinsuchwritteninstructionsto the effectof "repairor replaceas necessary"will
not reducethe periodof warrantycoverage.Anysuchpart repairedor replacedunderwarrantymustbe warrantedforthe remainingwarranty
period.
(3) Anywarrantedpartthat whichis scheduledfor replacementas requiredmaintenancein the writteninstructionsrequiredby Subsection(c)
mustbewarrantedfor the periodof timepriorto the first scheduledreplacementpointforthat part.Ifthe part failspriorto thefirst scheduled
replacement,the part mustbe repairedor replacedby MTDaccordingto Subsection(4) below.Any suchpart repairedor replacedunder
warrantymustbewarrantedfor the remainderof the periodpriorto the first scheduledreplacementpointfor the part.
(4) Repairor replacementof any warrantedpartunderthewarrantyprovisionsof thisarticlemustbe performedat nochargeto the ownerat a
warrantystation.
(5) Notwithstandingthe provisionsof Subsection(4)above,warrantyservicesor repairsmustbe providedat all MTDdistributioncentersthat

arefranchisedtoservicethesubjectengines.
(6)Theownermustnotbechargedfordiagnosticlaborthatleadstothedeterminationthatawarrantedpartisinfactdefective,providedthat
suchdiagnosticworkisperformedatawarrantystation.
(7)Theenginemanufacturerisliablefordamagestootherenginecomponentsproximatelycausedbyafailureunderwarrantyofanywarranted
part.
(8)Throughouttheengine'swarrantyperioddefinedinSubsection(a)(2),MTDwillmaintainasupplyofwarrantedpartssufficienttomeetthe
expecteddemandforsuchparts.
(9)Anyreplacementpartmaybeusedintheperformanceofanywarrantymaintenanceorrepairsandmustbeprovidedwithoutchargetothe
owner.SuchusewillnotreducethewarrantyobligationsofMTD.
(10)Add-onormodifiedpartsthatarenotexemptedbytheAirResourcesBoardmaynotbeused.Theuseofanynon-exemptedadd-onor
modifiedpartsshallbegroundsfordisallowingawarrantyclaimmadeinaccordancewiththisarticle.Theenginemanufacturershallnotbe
liableunderthisarticletowarrantfailuresofwarrantedpartscausedbytheuseofnon-exemptedadd-onormodifiedpart.
(c) MTDwill includea copyof the followingemissionwarrantypartslistwitheach newengine,usingthoseportionsof the listapplicableto the
e__&gine.
(1)FuelMeteringSystem
• Coldstart enrichmentsystem(soft choke)
,,Carburetorandinternalparts
• Fuel Pump
• FuelTank
(2)Air InductionSystem
• Aircleaner
• Intakemanifold
(3) IgnitionSystem
• Sparkplug(s)
• MagnetoIgnitionSystem
(4)ExhaustSystem
Catalyticconverter
• SAI (Reedvalve)
(5) MiscellaneousItemsUsedin AboveSystem
Vacuum,temperature,position,timesensitivevalvesand switches
Connectorsandassemblies
(6) Evaporativecontrol
• Fuel Hosecertifiedfor ARBevaporativeemissionof 2006.
• Fuel HoseClamps
Tetheredfuel cap
Carboncanister
Vaporlines
GD0C-100174Rev.B

Look For Relevant Emissions Durability Period and
Air index information On Your Engine Emissions Label
Engines that are certified to meet the California Air Resources Board (CARB) Tier 2 Emission Standards must
display information regarding the Emissions Durability Period and the Air Index. Sears Brands Management
Corporation makes this information available to the consumer on our emission labels.
The Emissions Durability Period describes the number of hours of actual running time for which the engine is
certified to be emissions compliant, assuming proper maintenance in accordance with the Operating & Mainte-
nance Instructions. The following categories are used:
Moderate: Engine is certified to be emission compliant for 125 hours of actual engine running time.
Intermediate: Engine is certified to be emission compliant for 250 hours of actual engine running time.
Extended: Engine is certified to be emission compliant for 500 hours of actual engine running time.
For example, a typical walk-behind lawn mower is used 20 to 25 hours per year. Therefore, the Emissions
Durability Period of an engine with an intermediate rating would equate to 10 to 12 years.
The Air index is a calculated number describing the relative level of emissions for a specific engine family. The
lower the Air Index, the cleaner the engine. This information is displayed in graphical form on the emissions label.
After July 1,2000, Look For Emissions Compliance Period
On Engine Emissions Compliance Label
After July 1, 2000 certain Sears Brands Management Corporation engines will be certified to meet the United
States Environmental Protection Agency (USEPA) Phase 2 emission standards. For Phase 2 certified engines, the
Emissions Compliance Period referred to on the Emissions Compliance label indicates the number of operating
hours for which the engine has been shown to meet Federal emission requirements.
For engines less than 225 cc displacement, Category C = 125 hours, B = 250 hours and A = 500 hours.
For engines of 225 cc or more, Category C = 250 hours, B = 500 hours and A = 1000 hours.
This is ageneric representation of the emission label typically found on a certified engine.
FAMILYYBSXS.3192VA 274812
GDOC-100182Rev.B
36

Congratulations on making a smart purchase. Your new Craftsman® product is designed and
manufactured for years of dependable operation. But like all products, it may require repair
from time to time. That's when having a Repair Protection Agreement can save you money and
aggravation.
Here's what the Repair Protection Agreement* includes:
[] Expert service by our 10,000 professional repair specialists
[] Unlimited service and no charge for parts and labor on all covered repairs
[] Product replacement up to $1500 if your covered product can't be fixed
[] Discount of 25% from regular price of service and related installed parts not covered by the
agreement; also, 25% off regular price of preventive maintenance check
[] Fast help by phone - we call it Rapid Resolution - phone support from a Sears representative.
Think of us as a "talking owner's manual."
Once you purchase the Repair Protection Agreement, a simple phone call is all that it takes for you
to schedule service. You can call anytime day or night, or schedule a service appointment online.
The Repair Protection Agreement is a risk-free purchase. If you cancel for any reason during the
product warranty period, we will provide a full refund. Or, a prorated refund anytime after the
product warranty period expires. Purchase your Repair Protection Agreement today!
Some limitations and exclusions apply. For prices and additional information in the U.S.A.
call 1=800=827=6655.
*Coverage in Canada varies on some items. For full details call Sears Canada at 1=800=361=
6665.
Sears Installation Service
For Sears professional installation of home appliances, garage door openers, water heaters, and
other major home items, in the U.S.A. or Canada call 1=800=4=MY=HOME®.
37

Declaraci6n de garantia ............................ Pagina 38
Pr,_cticas operaci6n seguras ..................... Pagina 39
Montaje ...................................................... Pagina 43
Operaci6n .................................................. Pagina 47
Servicio y Mantenimiento .......................... Pagina 51
Almacenamiento fuera de temporada ....... Pagina 59
Soluci6n de problemas .............................. Pagina 60
Acuerdo de protecci6n para reparaciones .... Pagina 65
Lista de piezas ........................................... Pagina 26
NOmero de servicio ................................... Cubierta
posterior
GARANTiA COMPLETA CRAFTSMAN POR DOS ANOS
PORDOSANOSapartir dela fechade lacompra,esteproductoest,.garantizadopordefectosen los materialesy la manodeobra.
Los productosdefectuososser_.nreparadossin costoo reemplazadossin costosi la reparaci6nnoest,.disponiNe.
Paraobtener informaci6nsobre el alcancede la garantiay solieitar la reparaci6noel reemplazo,visiteel sitio Web:www.craftsman.com
Esta garantia eubre 0NICAMENTElos defectos en los materiales y en la mano de obra. Estagarantia NOcubre:
• Elementosno renovaNesquepuedendesgastarsepor eluso normal,duranteel plazodela garanfia,incluyendoentreotros,las barrenas,
las paletasdelas barrenas,los cortadoresde desplazamiento,laszapatasantideslizantes,la placade raspado,lospasadoresdecuchilla,
la bujia,elfiltrode aire,las correasy el filtrodeaceite.
• Serviciosde mantenimientoestandar,cambiosde aceiteo afinaci6n.
• Cambiode neumaticoso reparadonesporpinchadurascon objetosextemoscomoclavos,espinas,toconeso vidrios.
• Reemplazoo reparaci6nde neum_ficoso ruedascomoresultadodel desgastenormal,unaccidente,o funcionamiento
o mantenimientoincorrectos.
• Reparacionesrequeridascomoresultadodel uso inadecuadoporpartedeloperador,incluyendoentreotrosel daSoocasionadoporobjetos
queimpactanla maquinay quetuercenel bastidor,el ejede labarrena,etc.,odebidoa queel motorfueaceleradoenexceso.
• Reparadonesnecesariasdebidoa negligenciadeloperador,incluyendoentre otros,daSosmec_nicoy el_ctricoocasionadopor
unalmacenamientonoapropiado,fallaporel uso deaceitede gradoy/o cantidadnoapropiadoso falla pornodar mantenimiento
alequipodeacuerdocon las instruccionescontenidasenel manualdel operador.
• Limpiezao reparacionesdel motor(sistemade combustible)debidasa combustiblequese determinaestAcontaminadou oxidado(viejo).
Engeneral,el combustibledebeutilizarseen unperbdo no mayorde 30d[asa partirde su adquisici6n.
• Eldeterioroy desgastenormalde losacabadosexteriores,o reemplazode laetiquetadelproducto.
Lapresentegarantiase anulasi se utilizaesteproductoalgunavezparaprestarservicioscomercialeso si se Ioalquilaa otra persona.
Estagarantialeotorgaderechoslegalesespedficos,peroustedpodriagozarde otrosderechosen raz6nde su lugarde residencia.
Sears Brands Management Corporation, Hoffman Estates, IL 60179
Tipodeaceitedelmotor:
Capacidadde aceitedel motor:
Capacidadde combustible:
Bujias:
Separaci6ndelas bujias:
5W-30
20onzas
2cuartos
F6RTC(951-10292)
.020"a.030"
NSmerode modelo ..........................................................
N_mero de serie ..............................................................
Feehade eompra .............................................................
Registrearribael nOmerodel modelo,el nOmerode seriey la fecha
de compra
©SearsBrands,LLC
38

Lapresenciadeeste sfrnboloindicaque setratade instrucciones
irnportantesde seguridadquese debenrespetarparaevitar
ponerenpeligrosu seguridadpersonaly/o materialy lade otras
personas.Leay siga todaslas instruccionesdeestemanualantes
de poneren funcionarnientoestarn_.quina.Si no respetaestas
instruccionespodrfaprovocarlesionespersonales.Cuandoveaeste
sfrnbolo,ipresteatenci6na la advertencia!
PROPOSICION 65 DE CALIFORNIA
Elescapedel motordeesteproducto,algunosde suscornponentes
y algunoscornponentesdelvehfculocontieneno liberansustancias
qufrnicasqueelestadodeCaliforniaconsideraque puedenproducir
c_.ncer,defectosde nacirnientouotrosproblernasreproductivos.
Estarn_.quinarueconstruidaparaseroperadadeacuerdocon
las reglasde seguridadcontenidasenestemanual.AI igualque
concualquiertipo deequipornotorizado,undescuidoo errorpor
partedeloperadorpuedeproducirlesionesgraves.Estarn_.quina
es capazde arnputarrnanosy piesy dearrojarobjetoscon gran
fuerza.Deno respetarlas instruccionesde seguridadsiguientesse
puedenproducirlesionesgraveso larnuerte.
Su responsabilidad--Restrinja el usode estarn_.quina
rnotorizadaalas personasque lean,cornprendany respetenlas
advertenciase instruccionesqueaparecenen estemanualyen la
rn_.quina.
iGUARDEESTASINSTRUCCIONES!
CAPACITACI6N
•Lea,entienday curnplatodaslas instruccionesincluidasen
la rn_.quinay enlos rnanualesantesdernontarlay utiNzarla.
Guardeestemanualenun lugarseguroparaconsultasfuturasy
peri6dicas,asf cornoparasolicitarrepuestos.
•Leael ManualdelOperadory sigatodaslas advertenciase
instruccionesdeseguridad.Elfracasode hacerasf puedecausar
la heridaseriaal operadory/o personaspresentes.
•Farniliarfcesecontodoslos controlesy con el usoadecuado
delos rnisrnos.Sepac6rnodetenerlarn_.quinay desactivarlos
controlesr_.pidarnente.
•No perrnitanuncaque los ni_osrnenoresde 14a_osutilicen
estarn_.quina.Los ni_osde 14a_osen adelantedebenleery
entenderlas instruccionesde operaci6ny norrnasdeseguridad
contenidaseneste manual,yen la rn_.quinaydebenser entrena-
dosy supervisadosporun adulto.
•Nuncaperrnitaquelos adultosoperenestarn_.quinasin recibir
antesla instrucci6napropiada.
•Losobjetosarrojadosporla rn_.quinapuedenproducirlesiones
graves.Planifiqueel patr6nenel queva a irarrojandonievepara
evitarque ladescargade materialse realicehacialos carninos,
los observadores,etc.
•Mantengaa losobservadores,ayudantes,rnascotasy ni_ospor
Io rnenosa 75piesde la rn_.quinarnientrasla rnisrnaest,.en
funcionarniento.Detengala rn_.quinasi alguienseacerca.
•Seaprecavidoparaevitarpatinarseo caerseespecialrnente
cuandooperala rn_.quinaen reversa.
PR E PARATIVO S
Inspeccionerninuciosarnenteel_.readondeutilizar_,el equipo.Saque
todoslos felpudos,peri6dicos,trineos,tablas,cablesy otrosobjetos
extra_oscon los quepodrfatropezaro quepodrfanser arrojadospor
labarrena/irnpulsor.
•Paraprotegerselosojos utilicesiernpreanteojosoantiparras
de seguridadrnientrasoperala rn_.quinao rnientrasla ajusta
o repara.Losobjetosarrojadosquerebotanpuedenproducir
lesionesocularesgraves.
•Nooperelarn_.quinasin la vestirnentaadecuadaparaestaral
airelibreen invierno.No utilicealhajas,bufandaslargasu otras
prendassueltasquepodrfanenredarseenlas partesrn6viles.
UtiNceun calzadoespecialparasuperficiesresbaladizas.
•Useun prolongadory untornacorrientedetrescablescon
conexi6na tierraparatodaslas rn_.quinascon rnotoresde
encendidoel_ctrico.
•Ajustelaalturade lacaja deltornacorrienteparaNrnpiarla grava
o las superficiescon piedrastrituradas.
•Desengranetodaslas palancasde controlantesde arrancarel
motor.
•Nuncaintenterealizarajustesrnientrasel motorest,.enrnarcha
exceptoen los casosespecfficarnenterecornendadosen el
manualdeloperador.
•Dejequeelmotory la rn_.quinase adaptena laternperatura
exteriorantesde cornenzara sacarla nieve.
39

Manejo seguro de la gasolina
Paraevitarlesionespersonales0 daSosrnaterialestengarnucho
cuidadocuandotrabajecon gasolina.Lagasolinaes surnarnente
inflarnabley susvaporespuedencausarexplosiones.Si se derrarna
gasolinaencirna0 sobrela ropase puedelesionargravernenteya que
se puedeincendiar. L&vesela piely c&rnbiesede ropade inrnediato.
• Utilices610los recipientesparagasolinaautorizados.
• Apaguetodoslos cigarrillos,cigarros,pipasy otrasfuentesde
cornbusfi6n.
• Nuncacarguecombustibleen larn&quinaen unespaciocerrado.
• Nuncasaquela tapadelcombustibleni agreguecombustible
rnientrasel motorest&caliente0 en rnarcha.
• Dejequeel motorse enfrieporI0 rnenosdos rninutosantesde
volvera cargarcombustible.
• Nuncalleneenexcesoel dep6sitodecombustible.Lleneel
tanquea no rn&sde1/2pulgadapordebajode la basedelcuello
de Ilenadodejandoespacioparaladilataci6ndeIcombustible.
• Vuelvaa colocarla tapade lagasoiinay aj_stelabien.
• Lirnpieel combustiblequese hayaderrarnadosobreel motory el
equipo.Trasladela rn&quinaa otra zona.Espere5 rninutosantes
deencenderel motor.
• Nuncaalrnacenela rn&quina0 el recipientedecombustibleen
unespaciocerradodondehayafuego,chispas0 luz piloto(por
ejernplo,hornos,calentadoresdeagua,calefactores,secadores
de ropa,etc.).
• Dejequela rn_.quinase enfrieporIo rnenos5 rninutosantesde
guardarla.
• NuncaIlenelos recipientesenel interiordeunvehiculoo carni6n
ocaja de rernolquecon recubrirnientospl_.sticos.Coloque
siernprelos recipientesenel pisoy lejosdelvehiculoantesde
Ilenarlos.
• Sies posible,retireel equipoa gasolinadelcarni6no rernolque
y II_neloen el suelo.Siestonoes posible,Ileneel equipoen un
rernolquecon contenedorport_.til,envezdedesdeunaboquilla
dispensadoradegasolina.
• Mantengala boquilladispensadoraen contactocon el hordedel
dep6sitode combustibleo con la aberturadel recipienteentodo
rnornento,hastaterrninarlacarga.No utiliceundispositivode
apertura/cierrede boquilla.
FUNCIONANIIENTO
•No pongalas rnanoso los piescercadelas piezasrotatorias,
en lacajade la barrena/irnpulsoro en el rnontajedelcanalde
descarga.Hacercontactocon piezasgiratoriaspuederesultaren
laarnputaci6ndernanoso pies.
• La palancadecontrolde la barrena/irnpulsores un dispositivo
de seguridad.Nuncaevitesu funcionarniento.De hacerlola
operaci6nde la rn_.quinaes riesgosay puedeocasionarlesiones.
• Las palancasdecontroldebenfuncionarbienen arnbasdirec-
cionesy regresarautorn_.ticarnentea la posici6nde desengrane
cuandose lassuelta.
• Nuncaoperela rn_.quinasi faltaunrnontajedelcanalo si el
rnisrnoest,.daSado.Mantengatodoslosdispositivosde seguri-
daden su lugaryen funcionarniento.
• Nuncaenciendaelmotorenespacioscerradoso en unazona
con pocaventilaci6n.Elescapedel motorcontienernon6xidode
carbono,ungas inodoroy letal.
• Noutilicela rn_.quinabajola influenciadelalcoholo las drogas.
• Elsilenciadory el motorse calientany puedencausarquernadu-
ras.Nolos toque.Mantengaa los niSosalejados.
• Seasurnarnenteprecavidocuandooperelarn_.quinasobreuna
superficiecon gravaocuandola cruce.Mant_ngasealerta porsi
se presentanpeligrosocultoso tr_.nsito.
• Tengacuidadocuandocarnbiede direcci6no cuandoopere
la rn_.quinaenpendientes.Nouse la rn_.quinaen pendientes
pronunciadas.
• Planifiqueel patr6nenel queva air arrojandonieveparaevitar
que ladescargade materialse produzcahacialas ventanas,
las paredes,losautorn6viles,etc.y evitarasi posiblesdaSos
rnaterialeso lesionesproducidasporlos rebotes.
• Nuncadirijaladescargahacialos niSos,los observadoreso las
rnascotasni dejequenadiese paredelantede la rn_.quina.
• Nosobrecarguelacapacidadde la rn_.quinatratandode sacarla
nievernuyr_.pidarnente.
• Nuncaopereestarn_.quinasin buenavisibilidado ilurninaci6n.
Siernpredebeestarsegurode queest,.bienafirrnadoy su-
jetandofirrnernentelas rnanijas.Carnine,nuncacorra.
• Cortela corrientea la barrena/irnpulsorcuandotransportela
rn_.quinao cuandolarnisrnanoest,.en uso.
• Nuncaoperela rn_.quinaaalta velocidadde desplazarniento
sobresuperficiesresbaladizas.Mirehaciaabajoy haciaatr_.sy
tengacuidadocuandovayarnarchaatr_.s.
• Si la rn_.quinacornenzaraavibrarde rnaneraanorrnal,detengael
motor,desconecteel cablede labujiay p6ngalade rnaneraque
hagarnasacontrael motor.Inspeccionela rn_.quinarninuciosa-
rnenteparaver si est,.daSada.Reparetodoslos daSosantesde
encendery operarla rn_.quina.
• Desengranetodaslas palancasde controly detengaelmotor
antesdedejarla posici6nde operaci6n(detr_.sdelas rnanijas).
Espereaque labarrena/irnpulsorse detengaporcornpleto
antesdedestaparelrnontajedelcanalo realizarajustese
inspecciones.
• Nuncapongalas rnanosenlas aberturasdedescargao de
recolecci6n.Utilicesiernprela herrarnientadelirnpiezaquese
adjuntaparadestaparla aberturadedescarga.Nodestapeel
rnontajedelcanal rnientrasel motorest,.en funcionarniento.
Antesde destaparlo,apagueel motory perrnanezcadetr_.sde las
rnanijashastaque todaslas partesrn6vilesse hayandetenido.
• Uses61ounionesy accesoriosaprobadospot el fabricante(por
ejernplo,pesasparalas ruedas,cadenasparalos neurn_.ticos,
cabinas,etc.). Paraobtenerrn_.sinforrnaci6nacercadeestos
ternas,Ilarneal 1-800-469-4663.
4O

• Paraencenderel motor,jale de lacuerdalentarnentehastaque
sientaresistencia,luegojale r_.pidarnente.Elreplieguer_.pidode
la cuerdade arranque(tensi6nde retroceso)lejalar_,la rnanoy
el brazohaciael motorrn_.sr_.pidodeIo queustedpuedesoltar.
El resultadopuedenserhuesosrotos,fracturas,hernatornaso
esguinces.
• Si se presentansituacionesquenoest_.nprevistasen este
manual,seacuidadosoy use el sentidocornOn.
• Porrazonesde seguridaddentrode lagarantia,operaci6no
rnantenirnientode las preguntas,o parapedirpiezasy elservicio
dehorario,Ilarneal 1-800-4-MY-HOME.
MANTENIMIENTO Y ALMACENAMIENTO
•Nuncaalterelos dispositivosde seguridad.Controleperi6dica-
rnentequefuncionencorrectarnente.Rernitasealas secciones
demantenirnientoy ajustede estemanual.
• Antesde realizarla lirnpieza,repararo revisarla rn_.quina,
desengranetodaslaspalancasdecontroly detengael motor.
Esperea quela barrena/irnpulsorse detengaporcornpleto.
Desconecteel cabledela bujfay p6ngalohaciendornasacontra
el motorparaevitarquese enciendaaccidentalrnente.
• Controlefrecuenternentequetodoslospernosy tornillosest_n
bienajustadosparacornprobarquela rn_.quinase encuentra
encondicionessegurasde funcionarniento.Adern_.s,hagauna
inspecci6nvisualde larn_.quinaparaverificarsi est,.da_ada.
• No carnbielaconfiguraci6ndel reguladordelmotorni acelere
dernasiadoelrnisrno.Elreguladordelmotorcontrolala velocidad
rn_.xirnaseguradefuncionarnientodelmotor.
• Las placasde raspadoy las zapatasantideslizantesquese
usancon la rn_.quinaquitanievese desgastany se da_an.
Paraprotegersu seguridad,verifiquefrecuenternentetodoslos
cornponentesy reernpl_.celoss61ocon partesde los fabricantes
deequiposoriginales(OEM).iEI usode piezasquenocurnplen
con lasespecificacionesdelequipooriginalpuederesultaren
rendirnientoinadecuadoadern_.sde poneren riesgola seguridad!
• Reviselas palancasde controlperi6dicarnenteparaverificar
queengraneny desengranenadecuadarnentey ajOstelossi es
necesario.Consultela secci6nde ajustesdeeste manualdel
operadorparaobtenerinstrucciones.
• Mantengao reernplacelasetiquetasde seguridade instrucciones
segQnseanecesario.
• Respetelas norrnasreferentesa ladisposici6ncorrectay las
reglarnentacionessobregasolina,aceite,etc. paraprotegerel
medicarnbiente.
• Antesdealrnacenarlarn_.quinaenci_ndalaunosrninutospara
sacarla nievequehayaquedadoen larnisrnay paraevitarasi
quese congelela barrena/irnpulsor.
• SegOnlaCornisi6nde Seguridadde Productosparael Consurni-
dorde los EstadosUnidos(CPSC)y laAgenciade Protecci6n
Arnbientalde los EstadosUnidos(EPA),esteproductotieneuna
vida Qtilmediadesiete(7)a_os,660 horasdefuncionarniento.
AI finalizarlavida Otilmedia,adquieraunarn_.quinanuevao
hagainspeccionaranualrnente_staporun distribuidordeservicio
autorizadoparacerciorarsede quetodoslos sisternasrnec_.nicos
y deseguridadfuncionancorrectarnentey notienenexcesivo
desgaste.Si no Iohace,puedenproducirseaccidentes,lesiones
o rnuerte
• Nuncaalrnacenela rn_.quinao el recipientedecombustibleen un
espaciocerradodondehayafuego,chispaso luz pilotocornopor
ejernplo,calentadoresde agua,hornos,secadoresde ropa,etc.
• Consultesiernpreel manualdeloperadorparaobtener
instruccionesadecuadasparaelalrnacenarnientofuerade
ternporadaVerifiquefrecuenternentelaIfneade combustible,el
tanque,el tap6n,y losaccesoriosbuscandorajaduraso perdidas.
Reernplacede ser necesario.
• Nod_ arranqueal motorsi noest,. labujiade encendido.
NO MODIFIQUE EL MOTOR
Paraevitarlesionesgraveso larnuerte,nornodifiqueel motorbajo
ningunacircunstancia.Si carnbiala configuraci6ndel reguladorel
motorpuededescontrolarsey operara velocidadesinseguras.Nunca
carnbielaconfiguraci6ndef_.bricadel reguladordel motor.
AVISO REFERIDO A EMISIONES
Losrnotoresqueest&ncertificadosy curnplencon las regulaciones
de ernisionesfederalesEPAy de CaliforniaparaSORE(Equipos
peque_ostodoterreno)est_.ncertificadosparaoperarcon gasolina
cornOnsinplornoy puedenincluirlossiguientessisternasde control
de ernisiones:Modificaci6ndemotor(EM) y catalizadorde tresvias
(TWO)si est_.nequipadosde esa rnanera.
GUARDACHISPAS
Estarn&quinaest,.equipadacon unmotorde cornbusti6ninternay
nodebeser utilizadaen o cercade unterrenoagrestecubiertopor
bosque,rnalezaso hierbaexceptosi el sisternade escapedelmotor
est,.equipadocon unarnortiguadorde chispasquecurnplaconlas
leyeslocaleso estatalescorrespondientes,encasodehaberlas.
Sise utilizaun arnortiguadordechispasel operadorIo debernantener
en condicionesde usoadecuadas.Enel Estadode Californialas
rnedidasanteriorrnenternencionadassonexigidasporley (Arficulo
4442del C6digode RecursosPOblicosde California).Es posible
queexistanleyessirnilaresenotrosestados.Lasleyesfederalesse
aplicanenterritoriosfederales.
Puedeconseguirelarnortiguadorde chispasparael silenciadora
travesde sudistribuidorautorizadode rnotoreso poni_ndoseen
contactocon eldepartarnentodeservicios.
41

SiMBOLOS DE SEGURIDAD
Estap_ginadescribelossimbolosy figurasde seguridadinternacionalesquepuedenaparecerenesteproducto.Leael manualdeloperador
)araobtenerla informaci6nterminadasobreseguridad,reunirse,operaci6ny mantenimientoy reparaci6n.
ii
LEA EL MANUAL DEL OPERADOR (S)
Lea, entienda, y siga todas las instrucciones en el manual (es) antes de intentar reunirse y funcionar.
LA ADVERTENCIA -- PLATOS ROTATORIOS
Guarde manos de entrada y aperturas de la descarga mientras la m_iquina corre. Alli ellos hacen para
girar platos dentro.
LA ADVERTENCIA- LAMINAS ROTATIVAS
Guarde manos de entrada y aperturas de descarga mientras la m_iquina corre. Alli hacen girar I_iminas
dentro.
LA ADVERTENCIA -- TALADRO ROTATIVO
No ponga manos o pies cerca del giro de partes, en el alojamiento de taladro/aspa o asamblea de
tolva. Contacto con las partes rotativas puede amputar manos y pies.
OBJETOS LANZADOS POR ADVERTENCIA
Esta m_iquina puede recoger y lanzar objetos que pueden causar la herida personal seria.
GASOLINA DE ADVERTENCIA ESINFLAMABLE
Permita que el motor se enfrie al menos dos minutos antes del reabastecimiento de combustible.
ADVERTENCIA -- MONOXIDO DE CARBONO
Nunca dirijas un motor dentro o en un _irea mal ventilada. Los gases de combusti6n de motor
contienen el mon6xido de carbono, un gas inodoro y mortal.
ADVERTENCIA -- ELECTROCHOQUE
No use eljuez de salida el_ctrico del motor en la Iluvia.
42

NOTA:las referenciasal ladoderechoo y ciertosde la m_.quina
quitanievesedeterminandesdela parteposteriorde la unidaden
posici6ndeoperaci6n(permaneciendodirectamentedetr_.sdela
m_.quinaquitanieve,mirandohaciael panelde lamanija).
EXTRACCION DE LA UNIDAD DE LA CAJA
1. Cortelasesquinasdela cajade cart6ny exti_ndalaenel piso
Quitey descartetodoslos insertosde empaque.
2. Saquela m_.quinaquitanievede lacaja.
3. AsegQresedevaciarcompletamentela cajaantesdetirarla.
iVlONTAJE
.
2.
Coloquela palancadecambiosenla posici6ndeavance(F) 6.
Observeel _.reainferiortraserade la m_.quinaquitanievepara
asegurarsede queamboscablesest_nalineadoscon las galas
rotatoriasantesdegirarla manijahaciaarriba.Vealafigura 1.
NOTA:AsegQresede quelos extremossuperioresde cadacable
est_.ncorrectamenteasentadosen susoporte.
3. Asegurela manijaajustandolaperillaa mariposade pl_.stico
situadaenlos ladosizquierdoy derechode dichamanija.Veala
figura2. Retirey descartetodoslasbandasdepl_.stico,si Las
hubiera.Unicamentese utilizanparael ernpaque.
4. Quitarlatuercamariposay el tornillohexagonalde lacabezade
controldelcanaly el pasadorde horquillay pasadordel soporte
de soportedel canal.Posici6ndelconducto(rnirandohaciael
frente)sobrela baseconducto.Wase la figura3.
s
/
/
/
\
Figura2
f
Base del
Misrne
Figura3
,J
Figura1
J
43

5. Lugartampahastalabasede latolvay lacabezasegurode
controldelcanalde soportedelconductocon el apoyode
pasadorde horquilay pasadorquit6antes.Vet Figura4.
6. Terminedeasegurarla cabezadecontroldel canaldesoporte
delconductode soportecon latuercade mariposay eltornilo
hexagonalretiradosanteriormente.Wase la Figura5.
7. Insertarel controldireccionaldelcanal enel soportedeapoyoen
la partetraseradeltablerodeinstrumentos.Wase la Figura6.
8. Retireel pasadordehorquila de lapartetraserade lacabezadel
controldelcanal.
9. Inserteel controldireccionaldel canalenla parteposteriordela
cabezadelcontroldelcanal.Asegurarelcontroldireccionaldel
canala lacabezacon el controldelcanalel brochedehorquila
quit6antes.Vetla Figura7.
f
Figura4
f
Figura6
f
\
Figura7
Figura5

CONFIGURACION " "
Herramienta de Lirnpieza del Canal
Hayuna herrarnientade lirnpiezadel canal iajustadaa la parte
superiorde lacaja dela barrenacon un pasadordeensarnNado.Vea
lafigura8. Laherrarnientaest,.diseSadaparalirnpiarel hieloy la
nievedelrnontajede un canal.Esteproductose sujetarnedianteuna
uni6nde cableen laf_.brica.Cortelauni6ndecableantesdeoperar
la rnAquinaquitanieve.
Nuncausesus rnanosparaliberarunrnontajede canaltapado.Ap-
agueel motory perrnanezcadetr_.sde las rnanijashastaquetodas
las partesrn6vilesse hayandetenidoantesde utilizarla herrarnienta
de lirnpiezaparalirnpiarel rnontajedelcanal.
Presi6n de los neumaticos
Bajoningunacircunstancianoexcedandelfabricanterecornienda
psi.Laigualdaddela presi6nde los neurn_.ticosdebenrnantenerse
en todo rnornento.Cuandola presi6nexcesivapuedecausarasientos
bolasneurn_.tico/Ilantadernontajeparareventarcon lafuerza
suficienteparacausarunda_ograve.Serefierena los flancosde los
neurn_.ticosde lapresi6nrecornendada.
Los neurn_.ticosson dernasiadoinfiadosparaprop6sitosde envio.
Revisela presi6nde los neurn_.ticosantesde la nievelanzador.Se
refierena la paredlateraldel neurn_.ticoparael fabricantede neurn_.ti-
cosrecornendadopsi y desinflar(o infiar)los neurn_.ticos,segQnsea
necesario.
NOTA:Laigualdadde la presi6nde los neurn_.ticosdebeset man-
tenidaen todo rnornentoparalos efectosde la performance.
AJUSTES
Zapatas antideslizantes
Laszapatasantideslizantesde la rn_.quinaquitanieveseajustanpara
arribaen f_.bricaparaelenvio.Si Iodesea,puedeajustarlashacia
abajoantesdehacerfuncionarlarn_.quinaquitanieve.
No se recorniendaqueopereesta rn_.quinaquitanievesobregrava,
ya quees posiblequela rn_.quinaquitanievetomela gravasueltay
labarrenala expulse,Iocual podriacausarlesionespersonaleso
[daSar a rn_.qunaqutan eve.
• Sideseaquitarnieveal rasdel suelo,elevern_.slaszapatas
antideslizantesenla cajade la barrena.Veala figura9.
• Uselas posicionesmediao bajacuandola superficiequedesee
lirnpiarseadespareja,cornouncarninodegrava.
;; Hertamienta de Limpieza
i i del Canal
Figura8
f
Superficie lisa
Superficie desigual
Figura 9
NOTA:Sitienequeusar la rn_.quinaquitanievesobregrava,rnantenga
lazapataantideslizanteen la posici6nrn_.selevadaparaIograruna
separaci6nrn_.xirnaentreel pisoy laplacade raspado.
45

Paraajustarlas zapatasantideslizantes:
1. Aflojelascuatrostuercashexagonales(dos encada lado)y los
pernosdel carro.Muevalas zapatasantideslizantesa laposici6n
deseada.Vealafigura9.
2. Cornpruebequetoda la superficieinferiorde laszapatas
antideslizantesest_contrael sueloparaevitarundesgaste
desparejode los rnisrnos.
3. Vuelvaa ajustarbienlas tuercasy los pernos.
Ajuste del montaje del canal
Es posibleajustarladistanciaa la cualse arrojalanievecarnbiandoel
b.ngulodelrnontajedelcanal.Parahacerlo:
1. Detengael motorquitandola Ilavedeencendidoy afioje laperilla
a rnariposade pl_.sticoquese encuentraen elladoizquierdodel
rnontajedel canal.
2. Gireelcanal haciaarribao haciaabajoantesdeapretarlaperilla
a rnariposa.Vealafigura 10.
Prueba de control de la barrena
Antesdeoperarsu rnb.quinaquitanieve,leaatentarnentey curnpla
todaslas instruccionesqueaparecena continuaci6n.Realice
todoslos ajustesparaverificarquela rnb.quinaestb.operandocon
seguridady correctarnente.
Cornpruebeel ajustedel controldela barrenadela siguienteforrna:
1. Elcontrolde la barrenase encuentraen el mangoizquierdo.
Consultela Figura11el recuadro.Cuandose sueltael controlde
la barrenay estb.en posici6ndesengranadaarriba,elcabledebe
tenerrnuypocojuego. NOdebeestartenso.
2. Enunb.reabienventilada,arranqueel motorde larnb.quina
quitanievesegOnse indicaanteriorrnenteenestarnisrnasecci6n.
3. Paradoen la posici6ndel operador(detrb.sde la rnb.quina
quitanieve),engranelabarrena.
4. Dejela barrenaengranadaduranteaproxirnadarnentediez(10)
segundosantesde soltarel controlde la barrena.Repitaesta
operaci6nvariasveces.
5. Conla barrenaenposici6ndesengranadaarriba,carninealfrente
dela rnb.quina.
6. Confirrnequela barrenahadejadode girarporcornpletoy no
rnuestraNINGONsignodernovirniento.Si labarrenarnuestra
CUALQUIERsignode rotaci6n,vuelvaa la posici6ndel operador
y apagueel motorinrnediatarnente.Esperea queTODASlas
partesrn6vilessedetenganantesde volvera ajustarelcontrolde
la barrena.
7. Paravolvera ajustarel cabledecontrol,aflojela tuercahexago-
nalsuperioren la rn_nsuladelcablede la barrena.
8. Ubiquela rn_nsulahaciaarribaparabrindarrn_.sjuego(o hacia
abajoparaaurnentarla tensi6ndelcable).Veala figura 11.
9. Vuelvaa apretarla tuercahexagonalsuperior.
10. Repitala pruebadecontrolde la barrenaparaverificarque seha
Iogradoelajusteadecuado.
\ \
Figura10
J
\\
\
\
Figura11
J
46

fControl de Transmisi6n Palanca de Cambios
JControlde la Barrena
Montajedel canal
\\ \
Herramienta de
limpieza del canal_
\
Tap6n de
combustible
\
Llenado de
aceite
\\
Control direccional del canal Sobrecarga
Cajade la
barrena
\\
Barrenas
Zapatas
antideslizantes el_ctrico
Figura12
Ahoraqueya haajustadosu la rn_.quinaquitanieveparala operaci6n,
farniliaricesecon suscontrolesy caracteristicas.Veala Figura12.
PALANCA DE CAIVIBIOS
21 12345 6
LLAVE DE ENCENDIDO
LaIlavees undispositivode seguridad.Debe
estarcornpletarnenteinsertadaparaqueel
motorarranque.Retirela Ilavecuandonouse la
rn_.quinaquitanieve.
NOTE: Nogirela Ilaveparaintentararrancarel
motor.AI hacerlopodriarornperla.
La palancadecarnbiosest,.ubicadaenel panelde carrera.SitQe
la palancadecarnbiosen cualquierade las ochoposicionespara
controlarladirecci6ndel desplazarnientoy lavelocidadde piso.
Avance
Hayseisposicionesde avance(F). Laposici6nuno(1)es larn_.s
lenta,y la posici6nseis(6) es la rn_.sr_.pida.
Retroceso
Haydosvelocidadesde retroceso(R). Launo(1)es la rn_.slenta,y la
dos (2)es la rn_.sr_.pida.
CONTROL DE OBTURACION
Elcontroldeobturaci6nse encuentraen la parte
posteriordelmotor,y seactiva haciendogirar
el controldeobturaci6na posici6nCHOKE.
AI activarel controlde obturaci6nse cierrala
placade obturaci6ndelcarburadory se ayudaa
encenderel motor.
Curnple con los estandares de seguridad de ANSi
Lasrn&quinasquitanievedeCraftsmancurnplenconlosest&ndaresde seguridaddelinstitutoestadounidensedeest&ndaresnacionales(ANSI).
47

CONTROL DEL REGULADOR
Elcontrol del regulador estfi ubicado en la parte trasera del motor.
Negula la velocidad del motor,y Io apaga cuando se Iocoloca en la
posicidn STOP (detencidn).
A1pEeBsioAnDartlcRebadorseenvlacombustible_p -.._
directamentealcarburadordelmotorpara r- _ ._4 |
ayudara, encendidocuandoel climaes frio. _ _,,/\ \,XJ
MANIJA DEL ARRANCADOR DE
RETROCESO
Estamanijase utilizaparaarrancarel motormanualmente.
BOTON DEL ARRANCADOR ELI_CTRICO
Sioprimeel bot6ndelarrancadorel_ctricose engranael arrancador
el_ctricodel motorcuandose Ioenchufaa unafuentedeenergiade
120V.
SALIDA DEL ARRANCADOR ELI_CTRICO
Es necesariousar uncord6nprolongadorparaexterioresde tres
espigasy unafuentede energia/tomacorrientede paredde 120V.
BARRENA
Cuandoest_nen granadas,la barreragirany retiranla nievealinterior
dela cajade la barrena.
Elcontrolde labarrenaest,.ubicadoen la manijaizquierda.Apriete
laempuSaduradecontrolcontralamanijaparaengranarla barrenay
empiecea quitarnieve.Suelteparaquese detenga.
CONTROL DE LA TRANSMISION/CONTROL
DE LA BARRENA DE CERRADURA
SCONTROL DiE LA --\
TRANSM|S|ON
Elcontroldetransmisi6nest&ubicadoen la manijaderecha.Presione
laempuSaduradecontrolcontralamanijaparaengranarla ruedade
transmisi6n.Suelteparaquese detenga.El controldela transmisi6n
tambi_nbloqueael controldela barrenademaneraque puedeoperar
el controldireccionaldel canalsin interrumpirel procesodequitarla
nieve.Si el controldela barrenase engranasimult&neamentecon
el controlde transmisi6n,el operadorpuedesoltarel controlde la
barrena(enla manijaizquierda)y las barrenascontinuar&nengrana-
das.Suelteamboscontrolesparadetenertantolas barrenascomola
transmisi6nde las ruedas.
NOTA:Sueltesiempreel controlde latransmisi6nantesde cambiar
de velocidad.Deno procederasi, aumentar&eldesgastedel sistema
de transmisi6nde su m&quina.
MONTAJE DEL CANAL
La nieveretiradaal interiorde la cajade la barrenase descargaen el
montajedel canal.
LLENADO DE ACEITE
Esposiblecontrolarel nivelde aceitedelmotor,asi comotambi_n
agregaraceite,a travesdelIlenadodeaceite.
ZAPATAS ANTI DES LIZANTES
Ubiquelas zapatasantideslizantesen funci6nde lascondicionesde
la superficie.Ajustehaciaarribasi la nieveest,.muycompactada.
AjOstelashaciaabajosi usala m&quinaengravaso superficiescon
piedrastrituradas.
CONTROL DE LA BARRENA
sCONTROL DIE _'_
LA BARRIENA
@
48
TAPON DE COMBUSTIBLE
Desenrosqueeltap6nde combustibleparaagregargasolinaal tanque
de combustible.
CONTROL DIRECCIONAL DEL CANAL
SOBRECARGA
'CCONTROL D|RECC|ONAL, DEL CANAL "\
DESCARGA
IZQUiERBA
DESCARGA
INCLINACiOHBEL
CANALAJUSTABLE

Elcontroldireccionaldel canalsobrecargaest_situadoen el centrode
laquitanievesentreel paneldeasa y el mangoinferior.Paracarnbiar
ladirecci6nen laquese lanza lanieve,gireel controldireccionaldel
canal.
Nuncause susrnanosparaliberarunrnontajedecanaltapado.Antes
de destaparlo,apagueel motory perrnanezcadetr_sde las rnanijas I
_hastaquetodas as partesrn6v es se hayandetendo. j
HERRAMIENTA DE LINIPIEZA
La herrarnientadelirnpiezadelcanalest_ajustadaconvenienternente
a la parteposteriorde lacaja dela barrenaconun pasadordeensarn-
blado.Sise acurnulannievey hieloen elcanalde descargadurante
laoperaci6n,procedacornose indicaa continuaci6nparalirnpiarde
rnaneraseguraelrnontajedelcanaly laaberturadelcanal:
1. Suelteel controlde la barrenay elcontrolde latransrnisi6n.
2. Paradetenerel motorsaquela Ilavedeencendido.
3. Saquela herrarnientade lirnpiezadelpasadorque laajustaa la
parteposteriorde la cajade la barrena.
4. Useelextrernocon forrnade palade laherrarnientade lirnpieza
paradesplazary recogerlanievey el hieloquese forrnaroncerca
delconjuntodelcanal.
5. Vuelvaa ajustarla herrarnientade lirnpiezaal pasadordeens-
arnbladoubicadoen la parteposteriorde lacaja dela barrena,
insertede nuevola Ilavedeencendidoy enciendael motorde la
rn_.quinaquitanieve.
6. Paradoenlaposici6ndeloperador(detrAsdelarn_quinaquita-
nieve),engraneelcontroldelabarrenaduranteunossegundospara
elirninarlanieveoelhieloquehayanquedadoenelconjuntodel
canal.
ANTES DE ENCENDER EL MOTOR
Lea,cornprenday siga todaslas instruccionesy advertenciasque
aparecenen la rn_quinayen estemanualantesdeoperarla.
Aceite
El motor seenvi6con aceite en el motor.Controleel nivelde
aceiteantesde cadaoperaci6nparaasegurarsede quehayaaceite
suficienteenel motor.Paraobtenerrn_sinstrucciones,rernitasea los
pasosqueaparecenen lap_gina52.
NOTA:No Io Ileneen exceso.ElIlenadoexcesivodeaceitepuede
hacerqueel motorgenerehurno,quecuestearrancarloo fallasenla
bujia.
4. Vuelvaa colocarel tap6n/la varillade aceitey ajusteconfirrneza
antesdearrancarel motor.
Gasolina
Utilicegasolinaparaautorn6viles(sinplornoo conbajocontenidode
plornopararninirnizarlosdep6sitosen lac_rnaradecornbusti6n)con
un octanajerninirnode 87.Sepuedeusargasolinacon hastaun 10%
de etanolo un 15%de MTBE(eterrnefilicoterciario-bufilico).Nunca
use unarnezclade aceitey gasolinanigasolinasucia.Evitequese
introduzcasuciedad,polvoo aguaenel tanquedecombustible.NO
utilicegasolinaE85.
•Carguecombustibleen un_reabienventiladay con el motor
apagado.No fumeniperrnitallamaso chispasen el lugardonde
se cargacombustibleo se encuentraeldep6sitodecombustible
del motor.
•NoIleneenexcesoel tanquedecombustible.Despu6sdecargar
combustible,asegOresedequeel tap6ndeltanqueest6bien
cerradoy asegurado.
•Tengacuidadodeno derrarnarcombustibleal realizarla recarga.
Elcombustiblederrarnadoo susvaporesse puedenincendiar.
Si se derrarnacombustible,asegOresede queel _reaest6seca
antesdearrancarel motor.
•Eviteelcontactorepetidoo prolongadocon lapielo inhalarlos
vapores.
Tengaextrernocuidadocuandornanipulegasolina.Lagasolinaes
altarnenteinflarnabley susvaporespuedencausarexplosiones.
Nuncaagreguecombustiblea la rn_.quinaeninterioreso rnientras
lel motorest,.calienteo en funcionarniento.Apaguelos cigarrillos,
jcigarros,pipasy otrasfuentesde cornbusti6n.
1. Antesde sacarlatapa paracargarcombustible,lirnpiealrededor.
2. Enel tanquedecombustiblehay unindicadordenivel.Lleneel
tanquehastaIlegaral niveldecombustibledel indicador.Veala
Figura12.TengacuidadoparanoIlenarel dep6sitoenexceso.
ENCENDIDO gEL MOTOR
Siernprernantengalas rnanosy lospies alejadosde laspartes
rn6viles.Noutilicefluidoscornprirnidosparaarrancar.Losvapores
son infiarnables.
NOTA:AsegQresede cornprobarel motorsobreunasuperficie
niveladay con el motorapagado.
1. Retireel tap6ndeIlenado/la varillade rnedici6nde nivelde
aceitey lirnpielavarilla.
2. Inserteel tap6n/la varilladernedici6nenel cuellodeIlenadode
aceite,perono laatornille.
3. Extraigael tap6ndellenado/lavarillade niveldeaceite.Si
el niveles bajo,agregueaceite(5W-30,con unaclasificaci6n
minimade SF/SG)lentarnentehastaqueel registromarqueentre
nivelalto (H) y bajo(L).
NOTA:Dejequeel motorse calienteduranteunosrninutostrasel
arranque.Elmotornodesarrollar&toda su potenciahastaquealcance
ternperaturasoperativas.
1. AsegOresedeque elcontrolde la barrenay elcontrolde la
transrnisi6nest_nen posici6ndesengranada(sin presionar).
2. Insertela Ilaveenla ranura.AsegQresedequeentrea presi6nen
su lugar.No intentegirarla Ilave.
NOTA: Elmotorno puedearrancarsi laIlaveno est,.cornpletarnente
insertadaenel interruptordeencendido.
49

Arrancador el_ctrico
Elarrancadorel_ctricoopcionalest&equipadocon uncable deali-
rnentaci6ny unenchufedetresterrninalesconectadosa tierray est,.
dise_adoparaoperarcon corrientedorn_sticade 120voltios.Debe
setutilizadocon unrecept_.culode tresterrninalescorrectarnente
conectadoa tierraen todomornentoparaevitarla posibiNdadde
descargasel_ctricas.Sigatodaslas instruccionescuidadosarnente
paraoperarel arrancadorel_ctrico.NOutiliceel arrancadorel_ctrico
bajolaIluvia.
Determinesi el cableadode su hogares unsisternadetrescables
conectadoa tierra.Consultecon unelectricistarnatriculadosi noest,.
seguro.
Sicuentaconun recept_.culodetresterrninales,siga lossiguientes
pasos.Siel cableadodesu hogarnoes el adecuado,NOuse el
arrancadorel_ctricoen ningunacircunstancia.
1. Conecteel prolongadora la salidasituadaenla superficiedel
motor.Conecteel ottoextrernodel prolongadoren unrecept_.culo
deCA conconexi6na tierradetresterrninalesde 120voltios,en
un_.reabienventilada.
2. Muevalapalancadecontroldel reguladora laposici6nFAST
(r_.pido,representadapor unaliebre)._1
3. Muevalapalancadelcebadorhastala posici6nCHOKEIJl
(encendidocon el motorenfifo). Siel motorya est,.caliente,
ubiqueel cebadoren laposici6nOFR
4. Presioneel cebadortres (3)veces,asegur_.ndosede cubrirel
orificiode ventilaci6ncuandoIohaga.Si el motorest,.caliente,
presioneelcebadorunasolavez.Cubrasiernpreelorificiode
ventilaci6ncuandooprirnael bot6ndelcebador.Si hacefifo
puederesultarnecesariorepetirel cebado.
5. Presioneel bot6ndel arrancadorparaarrancarel motor.Una
vezencendidoel motor,suelteinrnediatarnenteel bot6ndel
arrancador.Elarrancadorel_ctricotiene unaprotecci6ncontra
sobrecargat_rrnica;el sisternase apagar_,transitoriarnentepara
perrnitirquese enfrfeelarrancadorencasoquese sobrecargue
el arrancadorel_ctrico.
6. Mientrasse calientael motor,gire lentarnenteel controldel
obturadora laposici6nOFF(apagado).Si el motorse detiene,
vuelvaa encenderlo,h_.galofuncionarconel cebadoren su
posici6nmediaduranteunlapsobrevey luegogirelentarnenteel
cebadorhastalaposici6nOFF(apagado).
7. Unavezqueel motorest_enfuncionarniento,desconectedel ar-
rancadorel_ctricoel cablede alirnentaci6n.Paradesconectarlo,
desenchufesiernpreel extrernoqueest,.enchufadoal tornacor-
rientedeparedantesdedesenchufarel extrernoopuestoque
est,,conectadoal motor.
Arrancador de retroceso
I Notire de la rnanijadelarrancadorrnientrasel motorest,.en rnarcha.I
1. Muevalapalancadecontroldel reguladora laposici6nFAST
(r_.pido,representadapor unaliebre'_ ).
2. Muevala palancadelcebadorhastala posici6nCHOKEI,'q¢l
(encendidoconel motoren fifo). Si el motorya est,.caliente,
ubiqueel cebadoren la posici6nOFR
3. Presioneel cebadortres(3) veces,asegur_.ndosedecubrirel
orificiodeventilaci6ncuandoIo haga.Siel motorest,.caliente,
presioneel cebadoruna solavez.Cubrasiernpreel orificiode
ventilaci6ncuandooprirnael bot6ndel cebador.Si hacefifo
puederesultarnecesariorepetirel cebado.
4. Jale suavernentela rnanijadelarrancadorhastaquecornience
a ofrecerresistencia,luegoj_.lelar_.pidarnentey con fuerzapara
superarlacornpresi6n.No sueltela rnanijani perrnitaquese
desenganche.VuelvalacuerdaLENTAMENTEa su posici6n
original.Deset necesario,repitaestepaso.
5. Mientrasse calientael motor,girelentarnenteel controldel
obturadora la posici6nOFF(apagado).Siel motorse detiene,
vuelvaa encenderlo,h_.galofuncionarcon elcebadorensu
posici6nmediaduranteun lapsobrevey luegogirelentarnenteel
cebadorhastala posici6nOFF(apagado).
Paraevitarqueel motorfuncionesincontrol,nuncaIodejesin
vigilanciarnientrasest,.en rnarcha.Apagueel motorluegode usarlo
y saquela Nave.
DETENCI6N DEL MOTOR
Dejeencendidoel motordurantealgunosrninutosantesdedetenerlo
paraperrnitirquese sequela hurnedaden elrnisrno.
1. Muevael controldel reguladora laposici6nOFR
2. RetirelaIlave.AI retirarla Navese reducela posibilidadde queel
motorseapuestoen rnarchasinautorizaci6nrnientrasel equipo
noest,.enuso.Guardela Naveen un lugarseguro.Elmotorno
puedearrancarsin laIlave.
3. Elirninelahurnedadde loscontrolesdel motor.
PROCEDIMIENTO PARA ENGRANAR LA
TRANSMISI6N
1. Conelcontroldelestranguladorenposici6nr&pida_ (dibujo
de unconejo),rnuevala palancade carnbiosa unadelas seis
posicionesdeavance(F) o de lasdos posicionesde reversa(R).
Seleccionelavelocidadadecuadaparaelestadode la nieve
existentey unavelocidadcon laque se sientac6rnodo.
2. Aprieteel controldela transrnisi6ncontrala rnanijaderecha,y la
rn_.quinaquitanievese rnover_..Su_lteloy sedetendr_,el
rnovirnientodela transrnisi6n.
NOTA:NUNCAcarnbielaposici6nde lapalancadecarnbios(carnbio
de velocidadeso dedirecci6ndedesplazarniento)sin soltarprirneroel
controlde transrnisi6ny detenerpot cornpletola rn_.quinaquitanieve.
Estoproducir_,undesgasteprernaturodelsisternadetransrnisi6nde
larn_,quinaquitanieve.
PROCEDIMIENTO PARA ENGRANAR LAS
BARRENAS
1. Aprieteelcontroldela barrenacontrala rnanijay lasbarrenas
rotar_.n.Su_ltelay lasbarrenasse detendr_.n.
5O

LISTA DE MANTENIMIENTO
Antesde realizarcualquiertipo del rnantenirniento/servicio,suelte
todoslos rnandosy pareel motor.Esperehastaquetodaslas partes
de rnovirnientohayanvenidoa unaparadacornpleta.Desconecteel
alarnbredebujiay b_.selocontrael motorparaprevenirel cornienzo
involuntario.SiernpreIlevepuestoscristalesinastillablesdurantela
operaci6no realizandocualquierajusteo reparaciones.
CadaUsoy 5 horas
los 5
Anualrnente o 25 horas
1. Niveldel aceitede motor
2. Hardwaresueltooausente
3. Unidadymotor
1. Elaceitedemotor
1. Bujfa
2. Encadenarnientosde control
y pivotes
3. Ruedas
4. Ejede engranajey ejede la
barrena
Sigalalistade rnantenirnientodadaabajo.Estacartadescribepautas
de servicios61o.Usela colurnnade Troncode Servicioparaguardar
la pistade tareasdernantenirnientocornpletadas.Localizarel rn_.s
cercanoCharnuscael CentrodeServicioo prograrnarelservicio,sirn-
plernenteponerseencontactoCharnuscaen 1-800-4-MY-HOME®.
1. Cornprobar
2. Aprieteo sustituir
3. Lirnpio
1. Carnbio
1. Cornprobar
2. Lubricaci6nconpetr61eoligero
3. Lubricaci6nconautornotores
rnultiusos
4. Lubricaci6nconpetr61eoligero
Anualrnenteo50 horas 1. Elaceitede motor 1. Carnbio
Anualrnenteo100horas 1. Bujia 1. Carnbio
AntesdeAlrnacenaje 1. Sisternade combustible 1. Elmotordirigidohastaqueestose
parea faltadelcombustible
MANTENIMIENTO DE MOTOR
Antes lubricaci6n,reparaci6no inspecci6n,
de realizartareasde
desengranetodoslos controlesy detengael motor.Espereaque se
detengantodaslas piezasrn6viles.
Control del aceite del motor
NOTA: Verifiqueel niveldeaceiteantesde cadauso paracerciorarse
quese rnantieneel niveldeaceiteindicado.
Cuandoleagregueaceiteal motor,consultela siguientetabla de
viscosidad.Lacapacidaddeaceitedel motores 600rnl(aprox.20
onzas).NoIleneexcesivarnente.Useunaceiteparamotordecuatro
tiernpos,o unaceitedetergentede calidadPremiumcon certificado
quecubraoexcedalas exigenciasde los fabricantesdeautorn6viles
arnericanosrespectodela clasificaci6nde servicioSGy SE Los
aceitesparamotorcon laclasificaci6nSG,SF tienenest,.designaci6n
enel envase.
1. Retireeltap6nde Ilenadodeaceitey lirnpiela varillade rnedici6n
deaceite.
2. Insertela varilladernedici6nenel cuellodeIlenadode aceite,
perono Ioatornille.
f
51
Figura13 J
3. Retireel tap6nde Ilenadodeaceite.Siel nivelest,.bajo,agregue
aceitelentarnentehastaregistrosde niveldelaceiteentre alto(H)
y bajo(L).Veala Figura13.
4. Ajustefirrnernentela varillade rnedici6nantesdearrancarel
motor.

Cambio de aceite del motor
NOTA:Carnbieel aceitedespu_sdelas 5 prirnerashorasde
operaci6ny despu_sde cada50 horasdeoperaci6no unavezpor
ternporada.
1. Vacfeel combustibledeltanquehaciendofuncionarel motor
hastaqueel tanquedecombustibleest_vacfo.Cerci6resede
quela tapadelcombustibleest,.asegurada.
2. Coloqueun recipienteadecuadopara recolectarel aceitebajoel
tap6ndedrenajedeaceite.
3. Retireel tap6ndedrenajedeaceite.Veala Figura14.
4. Inclinela unidadparadrenarelaceiteenel recipiente.Elaceite
usadose debedescartaren uncentrode recolecci6nadecuado.
Elaceite usado es un residuopeligroso. Elimineel aceiteusado
adecuadamente.No Io arrojejunto con los residuosdomiciliarios.Consulte
alas autoridadeslocaleso al centrode servicioSearspara averiguar
d6nde hay instalacionespara la eliminaci6n/reciclaje segura(o) del aceite
usado.
.
6.
Vuelvaacolocarel tap6ndedrenajedeaceitey ajOstelobien.
Relleneel motorcon el petr61eorecornendado.Verlacartade
UsodelAceiteRecornendada.Lacapacidaddel aceitedel motor
es 20onzas.
t°F)-40 o-20 o 0o 200 400
(oc) -30o -20o -10o 0o
NOutiliceaceitessindetergenteo paramotordedos tiernpos.Podrfa
acortarlavida Otildel motor.
7. Vuelvaa colocary ajustarel tap6nde Ilenado/lavarilladenivel
deaceite.
Tap6n de Drenaje
de Aceite
Figura14
ia de encendido
j._ .....................
Fundade la bujia
Figura15
L_.vesebienlas rnanosconaguay jab6ninrnediatarnentedespu_s
de tocaraceiteusado.
Control de la bu'ia
NOpruebela chispasi noest,.la bujfade encendido.NO d_
arranqueal motorsi no est,.labujfade encendido.
Siel motorhaestadofuncionando,elsilenciadorestar_,rnuy
caliente.Tengacuidadode notocarel silenciador.
NOTA:Controlelabujfaanualrnenteo cada 25horasdeoperaci6n.
Carnbiela bujfaanualrnenteo cada 100horas.
Paraasegurarsede queel motorfuncionebien.la bujfadebetenet
unaseparaci6ncorrectay notenetsedirnentos.
1. Retirelafundade la bujfay utiliceunaNaveparabujfaspara
extraerla.Veala Figura15.
2. Inspeccionevisualrnentela bujfa.Descartela bujfasi presenta
rnuchodesgaste,o siel aisianteest,.agrietadooastillado.Lirnpie
labujfacon uncepillodealarnbresi lava a volvera utilizar.
52

3. Midala separaci6ndebujiacon uncalibrador.Corrijade ser
necesariotorciendoel electrodolateral.Veala Figura16.La
separaci6ndebeestablecerseentre0,02y 0,03 pulgadas(0,60-
0,80ram).
4. Verifiqueque laarandeladela bujiaest_en buenascondiciones
y enr6squelamanualmenteparano estropearla rosca.
5. Unavezquela bujfaest_colocada,apri_telacon unaIlavepara
comprimirlaarandela.
NOTA:Cuandoinstaieunabujianueva,unavezcolocadala bujia
apriete1/2vueltaparacomprimirlaarandela.Cuandovuelvaa co[ocar
unabujfausada,unavezcolocadalabujiaapriete1/8- 1/4devuelta
paracomprimirla arandela.
da_arel motor.
f
Electrodo
0,02= 0,03 puigadas
(0,60=0,80 ram)
Figura16
LUBRICACION
Eje de engranaje
Eleje deengranaje(hexagonal)se debelubricaral menosunavezpor
temporadaotras cada25horasde operaci6n.
1. Paraprevenirel derramamiento,eliminetodo elcombustibledel
tanquehaciendofuncionarel motorhastaquese detenga.
2. Gireconcuidadolam_.quinaquitanievehaciaarribay hacia
delantede maneraquequedeapoyadasobrela cajade la
barrena.
3. Retirela cubiertadelmarcoinferiorquitandolos tornillosquela
aseguran.
4. Apliquealeje hexagonalunacapaligeradeunagrasa multiusos
aptaparacondicionesclim_.ticasm_ltiples.Vealafigura 17.
NOTA:Evitelos derramesdeaceitesobrela ruedadefricci6nde
cauchoy sobrela placadetransmisi6ndealuminio.Haciendotan
dificultar_,el sistemade paseodel lanzadordenieve.Borrecualquier
excesoo petr61eoderramado.
Ruedas
Retireambasruedasal menosunavezcada temporada.Limpiey
recubralos ejescon unagrasaparaautomotoresmultiusosantesde
volvera instalarlas ruedas.
Control direccional del canal
Lubriqueel manguitodel pernodeojo y la espiralcon aceite3-en-1
unavezportemporada.
Eje de la barrena
AI menosunavezportemporada,quitelos pasadoresde cuchilladel
ejede labarrena.Rode lubricanteal interiordel eje,alrededorde
los separadores.Asimismo,lubriquelos cojinetesbridadosquese
encuentranen ambosextremosdel eje.Vealafigura 18.
Figura17
53
Figura18

PLACA DE RASPADO Y ZAPATAS
ANTIDESLIZANTES
La placade raspadoy laszapatasantideslizantesubicadasen labase
dela rn_.quinaquitanieveest_.nsujetasadesgaste.Peri6dicarnente
deberiacontrolarlospernosy reernplazarloscuandosea necesario.
NOTA:Laszapatasdeesta rn_.quinatienendos bordesdedesgaste.
Cuandoun ladose desgasta,se las puederotar 1800parausarel otro
horde.
Pararetirarlas zapatasantideslizantes:
1. Quitelos cuatropernosdel carro,arandelas,y las tuercasde
bridahexagonalesque los asegurana la rn_.quinaquitanieve.
2. Montelas nuevaszapatasantideslizantescon cuatrospernos
decarro (dosencada lado),arandelas,y las tuercasde brida
hexagonales.Consultela figura19.
Pararetirarla placade raspado:
1. Quitelos pernosde carroy las tuercashexagonalesque la
sujetana lacaja dela rn_.quinaquitanieve.
2. Montela placade raspadonueva,asegur_.ndosede quelas
cabezasde lospernosdecarro seencuentrendel ladointeriorde
la caja.Ajustebien.
AJUSTES
Cable de cambios
Si nose puedeIogrartodala garnade velocidades(avancey retro-
ceso),consultela figuradela izquierday ajusteel cablede carnbios
dela siguienteforrna:
1. Coloquela palancadecarnbiosenla terceraposici6nrn_.sr_.pida
deavance.
2. Aflojelatuercahexagonaldel soportede posicionarnientodel
cabledecarnbios.Vealafigura20.
3. Gireel soportehaciaabajoparareducirel juegodel cable.
4. Vuelvaa apretarla tuercahexagonal.
Control de la transmisi6n
Cuandose sueltael controlde latransrnisi6ny est&en posici6n
desenganchadaarriba,el cabledebetenet rnuypocojuego. NOdebe
estartenso.Tarnbi_n,si hay excesivoflojoen elcable depaseoo si
la unidadexperirnentael paseointerrnitenteusando,elcable puede
tenetqueser ajustado.
Cornpruebeel ajustedel controldela transrnisi6nde la siguiente
forrna:
1. Cuandosuelteel controlde latransrnisi6n,ernpujesuavernente
la rn_.quinaquitanievehaciadelante.Launidaddeberiaavanzar
librernente.
2. Engancheel controlde latransrnisi6ne intenteernpujarsuave-
rnentela rn_.quinaquitanievehaciadelante.Las ruedasno deben
girar.Launidadnodebeavanzarlibrernente.
3. Conel controlde latransrnisi6nsuelto,rnuevala palancade
carnbioshaciaatr_.sy haciadelanteentre laposici6nR2 y la
posici6nF6variasveces.Nodeberiahaberresistenciaen la
palancade carnbios.
4. Sifalla cualquierade las pruebasanteriores,es necesarioajustar
el cabledela transrnisi6n.Procedadela siguienternanera:
a. Apagueelmotorcornose indicaen la secci6nde Operaci6n.
/'
\
,\
NOTA:Las barrenas no se muestran para mayor ¢laridad,
Figura19
i /
i
f
.........ii
,,,,x
Figura20
Figura21
,J
54

b. Aflojelatuercahexagonalinferiordel soportedelcablede la
transmisi6n,Veala figura21,
c, Ubiquelam_nsulahada arribaparabrindarm_.sjuego (o
hada abajoparaaumentarla tensi6ndelcable),
d, Vuelvaa apretarla tuercahexagonalsuperior,
Tolva
Siel conductono se mantengaestacionarioduranteel funcionamiento,
lacarga previade latolvase puedeajustarapretandolatuerca
hexagonalse encuentraen laparte frontaldelcabezaldecontroltolva.
1. Paraincrementarlaprecarga,apretarlatuercahexagonalen
sentidohorarioenintervalosde 1_de vuelta.Wase la Figura22.
2. Siel controldireccionaldel canales diffcildearrancar,disminuir
la precargaal aflojarlatuercahexagonalde la izquierdaen
intervalosde 1_de vuelta.
Control de la barrena
Consultela seciondemontajeparaajustardichocontrol.
Zapatas antideslizantes
Consultela seciondemontajeparaajustarLaszapatasantidesli-
zantes.
REEIViPLAZO DE LA CORREA
La Correa de la barrena
Pararetirary reemphzarla correade la barrenade su mAquina
quitanieve,procedacomose indicaacontinuaci6n:
1. Paraprevenirel derramamiento,eliminetodo elcombustibledel
tanquehaciendofuncionarel motorhastaquese detenga.
2. Saquela cubiertapl_.sticade lacorreaubicadaen el frentedel
motor.Paraello saquelos dos tornillosautorroscantes.Veala
figura23.
3. Saquela correade la barrenade la poleadel motor.Vealafigura
24.
4. Gireconcuidadolam_.quinaquitanievehaciaarribay hacia
delantede maneraquequedeapoyadasobrela cajade la
barrena.
f
f
\\
.............................i_:_,,i
Figura22
/
J
Figura23
,/
• \
55
Figura24

5. Saquelacubiertadelmarcodesdedebajodelarn_.quina
quitanieveretirandoloscuatrotornillosautorroscantesquela
aseguran.Vealafigura25.
6. A. AflojeyretireeltornilloconrebordequeactOacornoguarda
delacorrea.Vealafigura26.
B. Desengancheelresortedelarn_nsuladesoportedel
marco.
7. Retirelacorreadealrededordelapoleadelabarrenaydeslice
larnisrnaentrelarn_nsuladesoporteylapoleadelabarrena.
Vealafigura27.
8. Pararealizarelreensarnbladodelacorreadelabarrenasigalas
instruccionesenordeninverso.
9. RealicelapruebadeControldeTaladroperfiladaenlasecci6n
deAsarnbleadeestemanual.
NOTA:NOolvidevolverainstalareltornilloconrebordeyvolvera
conectarelresortealmarcotrasinstalarunacorreadelabarrenade
repuesto.
/" }
Figura26
La correa de la transrnisi6n
Pararetirary reernplazarla correadela barrenade su rn_.quina
quitanieve,procedacornose indicaacontinuaci6n:
1. Paraprevenirel derramarniento,elirninetodoel combustibledel
tanquehaciendofuncionarel motorhastaque sedetenga.
2. Saquela cubiertapl_.sticade lacorreaubicadaen el frentedel
motor.Paraello saquelosdos tornillosautorroscantes.Veala
figura23.
3. A. Saquela correade la barrenade la poleadelmotor.
B. TomelapoleaIocay girelahacialaderecha.Vealafigura
28.
C. Levantela correade la barrenaparasacarlade lapoleadel
motor.
Figura27
f
Figura25
J
f
9
Figura28
56

4. Girecon cuidadolarn_.quinaquitanievehaciaarribay hacia
delantede rnaneraquequedeapoyadasobrela cajade la
barrena.
5. Saquelacubiertadelmarcodesdedebajode la rn_.quinaquita
nieveretirandolostorniNosautorroscantesquela
aseguran.Vealafigura25.
6. Detr_.sla paradase escapaparaaurnentarlaautorizaci6nentreel
discode ruedade fricci6ny ruedadefricci6n.Vealafigura29.
7. Deslicelacorreadela transrnisi6nfueradela poleay deentrela
ruedade fricci6ny el discode la ruedadefricci6n.Veala figura
29.
8. Retirey reernplacela correaenel ordeninverso.Asegt]resede
volvera instalarel pernode parada.
EXTRACCI6N DE LA RUEDA DE FRICCI6N
Si larn&quinaquitanievenose accionacuandoel controlde la trans-
rnisi6nest,.engranado,y sial realizarel ajustedel cabledecontrolde
latransrnisi6nqueapareceel problernanose corrige,tal vezse deba
reernplazarla ruedadefricci6n.Sigalas instruccionesqueaparecen
acontinuaci6n.Examinela gornade su ruedadefricci6nen buscade
signosdedesgasteo grietasy reernplaceruedasi es necesario.
1. Paraprevenirel derrarnarniento,elirninetodo elcombustibledel
tanquehaciendofuncionarel motorhastaquese detenga.
2. Coloquelapalancadecarnbiosenlaterceraposici6ndeavance
(F3).
3. Gireconcuidadolarn_.quinaquitanievehaciaarribay hacia
delantede rnaneraquequedeapoyadasobrela cajade la
barrena.
4. Saquelacubiertadelmarcodesdedebajodelarn_.quinaquitanieve
retirandolostornillosautorroscantesquelaaseguran.
5. Retirela ruedaderechaquitandoel tornilloy la arandelade
carnpanaquela aseguranal eje. Veala figura30.
6. Retirecon cuidadola tuercahexagonaly laarandelaquesujetan
eleje hexagonalal marcode larn_.quinaquitanieve,y golpee
suavernenteelextrernodel ejeparadesplazarel cojinetede
bolasdel ladoderechodel marco.Vealafigura31.
Perno de
parada
f
Figura29
/ ii
Figura30
J
Figura31
J
57

NOTA:Tengacuidadodeno daSarlas roscasdeleje. f
7. Concuidado,ubiqueel ejehexagonalhaciaabajoy haciala
izquierdaantesdedeslizarcon precauci6nel rnontajede la rueda
defricci6nfueradel eje.Vealafigura32.
NOTA:Cuandosedesea reernplazarel conjuntode la ruedade
fricci6ncornpleto,descartela piezadesgastaday deslicela nueva
piezaenel ejehexagonal.
8. Parareensarnblarlos cornponentessiga lospasosanterioresen
ordeninverso.
9. Realicela Pruebade Controlde Paseoperfiladaantesenla
secci6nde Servicioy Mantenirniento.
Siest,.desrnontandola ruedadefricci6n parareernplazarOnicarnente
el anillodegorna,procedacornose indicaa continuaci6n:
1. Saquelos cuatrotornillosdernantienenunidaslas placas
lateralesde la ruedadefricci6n.Veala figura33.
2. Retireel anillode gornadeentrelas placas.
3. Reensarnblelas placaslateralescon unnuevoanillode gorna.
Figura32
J
NOTA:AI reensarnblarel conjuntode la ruedade fricci6n,asegOrese
dequeel anillode gornaestacorrectarnentecentradoy asentado
entrelas placaslaterales.AprietecadatornilloQnicarnenteungiro
antesde girarla ruedaenel sentidode lasagujasdel relojy proceder
conel siguientetornillo.Repitaeste procesovariasvecespara
asegurarsede quelas placasse aprietancon la rnisrnafuerza(entre6
y 9 pies-libras).
4. Vuelvaa deslizarelconjuntodela ruedade fricci6nsobreeleje
hexagonaly sigalos pasosanterioresen ordeninversopara
reensarnblarloscornponentes.
5. Realicela Pruebade Controlde Paseoperfiladaantesen la
secci6ndeServicioy Mantenirniento.
BARRENAS
Las barrenasest_.najustadasalejeespiralcon cuatropasadores
decuchillay pasadoresde chaveta.Sila barrenagolpeaunobjeto
extraSoo unabarrade hielo,larn_.quinaquitanieveest,.diseSadade
rnaneraquelos pasadoresse puedencortar.Si las barrenasnogiran,
verifiquesi los pasadoresse cortaron.Vealafigura34.
NUNCAcarnbielos pasadoresdecuchillade las barrenaspor
otracosaque lospasadoresdecuchillade repuestodel fabricante
delequipooriginal,SearsSKU#88389/NOde pieza738-04124A.
CualquierdaSoquesufraelengranajedela barrenao cualquierotro
cornponentepordejardehacerloIoanterior,NOestarAcubiertopor
la garantiade su rn_.quinaquitanieve.
Siernpredebeapagarel motorde la rn_.quinaquitanievey retirarla
Ilaveantesde carnbiarlos pasadoresdecuchilla.
Figura33
Figura34 J
58

Sinosevaa utilizael equipodurante30dfasorn_.s,o sies elfinaldelaternporadadenievey ya noexisteposibilidaddequenieve,es necesario
alrnacenarelequipode rnaneraadecuada.Sigalasinstruccionesdealrnacenarnientoquese indicanacontinuaci6nparagarantizarelrendirniento
rn_.xirnodelarn_.quinaquitanieveduranternuchosa_os.
PREPARACI6N DEL MOTOR
Losrnotoresquese alrnacenandurantern&sde30 dfasnecesitan
serdrenadosdecombustibleparaevitarquese deterioreny se forrne
gornaenel sisternade combustibleoen las piezasprincipalesdel
carburador.Si lagasoNnade su motorse deterioraduranteel alrnace-
narniento,es posiblequedeba repararo reernplazarelcarburadory
otroscornponentesdel sisternade combustible.
1. Elirninetodoel combustibledel tanquehaciendofuncionarel
motorhastaquese detenga.No intentede combustibleparael
motor.
2. Carnbieel aceitedel motor.
3. Extraigala bujfade encendidoy viertaen elcilindroaproxirna-
darnente1onza(30 rnl)de aceiteparamotorNrnpio.Tire varias
vecesdel arrancadorde retrocesoparadistribuirelaceitey
reinstalela bujfa.
4. Lirnpielos residuosdealrededordel motor,y debajo,alrededor,
y detr_.sdel silenciador.ApNqueunacapa delgadade aceiteen
todaslas _.reasquepuedenNegara oxidarse.
• Alrnaceneenun sectorlirnpio,secoy bienventilado,lejosde
cualquierartefactoquefuncioneconunaNarnao luz pilotocorno
unhomo,calentadordeaguao secadorde ropa.Evitecualquier
sectorcon un motorel_ctricoqueproduzcachispaso dondese
utilicenherrarnientasel_ctricas.
Nuncaalrnacenelarn_.quinaquitanieveconcombustibleenel
tanqueenun espaciocerradooen _.reascon pocaventilaci6n,
dondelosgasesdelcombustiblepuedanalcanzarel fuego,chispas
o unaluz pilotocornola quetienenalgunoshornos,calentadoresde
agua,secadoresde ropao algQnotto dispositivoagas.
PREPARACI6N DE LA NIAQUINA QUITANIEVE
1. Cuandoalrnacenelarn&quinaquitanieveen ungalp6nde
dep6sitornet_.licoo con pocaventilaci6n,tengaespecialcuidado
de realizarleuntratarnientoanti- oxidanteal equipo.Useaceite
ligeroo silic6npararecubrirel equipo,especialrnentelas
cadenas,los resortes,loscojinetesy loscables.
2. Elirninetodo el polvodelexteriordelmotory delequipo.
3. Sigalas recornendacionesde lubricaci6nen la secci6nde
rnantenirnientodeestemanual.
4. AIrnaceneel equipoen un_.readespejaday seca.
5. Inflarlos neurn_.ticosa la presi6nde psi rn_.xirna.Consulteel
costadodelneurn_.tico.
• Sies posible,evitesectoresdealrnacenarnientocon rnucha
hurnedad.
• Mantengael motorniveladoen el alrnac_n.Lainclinaci6ndel
motorpuedecausarperdidasde combustibleo aceite.
59

Elmotornoarranca 1. La palancadeobturaci6nnoest,.enla
posici6nON (encendido)
2. Seha desconectadoelcablede la bujia
3. La bujianofuncionacorrectamente
4. Eltanquedecombustibleest,.vado o el
combustibleesviejo
5. El motornoest,.cebado
6. La Ilavenose encuentraenel encendido
delmotor
7. Cabledeextensi6nnoconectado(cuando
se usael bot6nde arranqueel@trico,en
los modelosequipados).
1. Pongael interruptoren la posici6nCHOKE(obtura-
ci6n).
2. Conecteel cablea la bujfa.
3. Limpie,ajustela distanciadisruptivao cambie.
4. Lleneel tanquecongasolinalimpiay fresca.
5. Cebeel motortal y comose indicaen lasecci6nde
operaci6n.
6. Insertela Ilavetotalmentedentrodelinterruptor.
7. Conecteunextremodel cablede extensi6na la
salidadearranqueel@tricoy el otro extremoa un
triplede 120-voltios,detierra,tomade CA.
Elmotorfuncionademanera
err_.tica 1. La unidadest,.funcionandoen laposici6n
CHOKE(obturaci6n)
2. EIcombustibleesviejo
3. Aguao suciedadenel sistemadel combus-
tible
4. M_.sgobernadosmotor
1. Cambiela palancade obturaci6na la posici6nOFF
(apagado).
2. Lbne el tanquecongasolinalimpiay fresca.
3. Drenarel tanquedecombustibleenel motoren
marchahastaque sedetenga.Vuelvaa Ilenarlocon
combustiblelimpio.
4. Contactecon su centrode partesy reparaciones
Sears.
zNECESITA MAS AYUDA?
_!ncor_V:r_r5 b I_e i_uu v:_y m_ en managemylife.com _ isin cargo!
En linea podr3 encontrar este manual y los manuales de todos los otros productos que posea,
Sus preguntas ser_n respondidas pot nuestro equipo de especialistas,
Obtenga un plan de rnantenimiento personalizado para su hogar,
Encuentre informaciOn y herramientas que Io ayudar_n con los proyectos de su hogar,
managemyHfe
60

Dernasiadavibraci6n 1. Haypiezasqueest_.nfiojaso la barrena
est,.dafiada
1. Elcable dela bujfaest,.flojo
2. Elorificiodeventilaci6ndel tap6nde
Ilenadodelcombustibleest,.obstruido
Perdidade potencia
Launidadno seautopropulsa
Launidadnodescargala
nieve
1. Elcable delcontroldetransrnisi6nnecesita
unajuste
2. Lacorreade transrnisi6nest,.floja o
da_ada
3. Ruedadefricci6nIlevadapuesta.
1. Elrnontajedelcanalest,.tapado
2. Hayunobjetoextra_oenla barrena
3. Elcable delcontrolde la barrenanecesita
unajuste
4. Lacorreade labarrenaest,.flojao da_ada
5. El/lospasador/esdecuchillaest_.n
cortados
1. Detengael motorde inrnediatoy desconecteel
cablede la bujia.Ajustetodoslos pernosy las
tuercas.Sila vibraci6ncontinQa.Ilevela unidada
reparara uncentrode partesy reparaci6nSears.
1. Conectey ajusteel cablede la bujfa.
2. Retireel hieloy la nievedel tap6nde Ilenadodel
combustible.Cornpruebequeel orificiode venti-
laci6nnoest_obstruido.
1. Ajusteel cabledelcontrolde transrnisi6n.Consulte
la secci6nde Servicioy Mantenirniento.
2. Reernplacela correade latransrnisi6n.Consultela
secci6nde Servicioy Mantenirniento.
3. Ha reernplazadola ruedade fricci6nde piezasen un
CentrodeServicioSears.
1. Detengael motorde inrnediatoy desconecteel
cablede la bujia.Lirnpieel rnontajedelcanaly el
interiorde la cajade labarrenacon laherrarnienta
de lirnpiezao unavarilla.
2. Detengael motorde inrnediatoy desconecteel
cablede la bujia.Retireelobjetode la barrenacon
la herrarnientade lirnpiezao unavarilla.
3. Ajusteel cabledelcontrolde la barrena.Consultela
secci6nde rnontaje.
4. Reernplacela correade la barrena Consultela
secci6nde Servicioy Mantenirniento.
5. Reernplacecon nuevo(s)pasador(es)de cuchilla.
Chutenogirar180grados 1. Chuternontadosincorrectarnente. 1. Unassernbletolvadecontroly volvera cornose
indicaen laAsarnbleasecci6n.
61

MTD CONSUMER GROUP, iNC. (MTD), el Bordo de Recursos de Aire de California (CARB)
y la Agencia de Protecci6n Medioambiental de Estados Unidos (U. S. EPA)
Declaraci6n de Garantia del Sistema de Control de Emisiones
(Derechos yobligaciones del propietario seg_n la garantia contra defectos)
LACOBERTURADESISTEMADECONTROLDEEMISIONESAPLICABLEA MOTORESCERTIFICADOSCOMPRADOSENCALIFORNIA
EN2005Y A PARTIRDE ENTONCES,QUESON USADOSEN CALIFORNIA,Y HASTAANO2005DE MODELOCERTIFICADOY MOTORES
POSTERIORESQUESON COMPRADOSY USADOSENOTRAPARTEEN LOSESTADOSUNIDOS.
Californiay en otraparteen la Coberturade Garantiade DefectosdeControlde Emisi6nde los EstadosUnidos
El Bordode Recursosde Airede California(CARB),la U.S. EPAy MTDsecomplacenenexplicarla garantiadel sistemade controldeemisiones
de su motorparaequipotodo terreno,modelo,aSo2005y versionesposteriores.EnCalifornia,los nuevosmotorespequeSosparaequipotodo
terrenose debendise5ar,fabricary equiparparacumplirconest_.ndaresde antinieblat6xicade estados.Enotraparteen los EstadosUnidos,
el nuevonocamino,motoresdeignici6ndechispacertificadosparaelmodelo2005y m_.starde,debeencontrareljuegode est_.ndaressimilar
adelanteporlos EstadosUnidos.EPA.MTDdebegarantizarel sistemadecontrolde emisionesdesu motorpor elperiodode tiempoindicadom&s
abajo,siemprey cuandono hayaexistidousoincorrecto,negligencianimantenimientoinadecuadode su motorpequeBoparaequipotodoterreno.
El sistemadecontrolde emisionespuedeincluirpiezascomo,porejemplo,el carburador,sistemadeinyecci6ndecombustible,el sistemade
encendido,el catalizador,losdep6sitosdecombustible,abastecedecombustiblelineas,gorrasde combustible,v&lvulas,latas,filtros,mangueras
devapor,abrazaderas,conectoresy otroscomponentesrelacionadosconlas emisiones.
Dondeexistaunacondici6ncubiertaporla garantia,MTDreparar&su motorpequeBoparaequipotodoterrenosincostoalgunoincluyendoel
diagn6stico,laspiezasy la manode obra.
COBERTURA DE LA GARANTJA DEL FABRICANTE:
Estesistemade controldeemisionesse garantizaporel t@rminodedos a5os.Si algunapiezade su motorrelacionadacon lasemisioneses
defectuosa,MTD reparar&o sustituir&dichapieza.
RESPONSABJLIDADES DEL PROPIETARIO SEGUN LA GARANTJA:
Comopropietariodeun motorpequeSode equipotodoterreno,ustedes responsablede realizarel mantenimientonecesarioquefigura enel
manualdel propietario.MTDle recomiendaqueconservetodoslos recibosquecubrenlos serviciosdemantenimientodel motorpeque5opara
equipotodoterreno,noobstanteIo cual MTDnopodr&denegarel cumplimientodela garantiaQnicamenteporlafaltade reciboso porsu imposibi-
lidadde asegurarquese realizar_.ntodoslos serviciosdemantenimientoprogramado.
Comopropietariodelmotorpeque5oparaequipotodo terreno,sinembargo,ustedtambi@ndebesaberque MTDpuededenegarlacoberturadela
garantiasi su motorpeque5oparaequipotodoterrenoo unapiezadel mismofallandebidoa usoincorrecto,negligencia,mantenimientoindebido
oa modificacionesnoaprobadas.
Ustedes responsablede presentarlacortadoradecespedal centrode distribuci6no de mantenimientode MTDCONSUMERGROUP,INC.tan
prontocomoaparecierael problem& Lasreparacionescubiertaspor lagarantfasedebenIlevaracabo enun lapsorazonableque noexcedade
30dias.Si desearealizaralgunaconsultacon respectoa la coberturade lagarantia,debeponerseencontactocon su distribuidorlocalde MTD.
Paracomunicarseconla LineadeAsistenciaal Clientede Distribuidoresde MTD,Ilameal nQmero(877)282-8684.
REQUERJMJENTOS DE GARANTJA SOBRE DEFECTOS PARA MOTORES PEQUENOS DE EQUJPO TODO TERRENO
DE 1995YVERSJONES POSTERJORES:
Estasecci6nse aplicaa motorespeque5osdeequipotodo terrenode 1995y versionesposteriores.Elperiododegarantiacomienzaa partirde la
fechaen queel motoro elequiposeentreganal compradorfinal.
(a)Coberturade la garantiacontraemisionesgenerales
MTDgarantizaal compradorfinaly acada compradorsubsiguientequeel motor:
(1)hasido diseSado,construidoy equipadode maneraquecumplacontodaslas regulacionesvigentesadoptadasporel Departamentodelos
RecursosdeAire envirtuda suautoridadconferidaen los capitulos1y 2, Parte5, Divisi6n26del C6digode Saludy Seguridad;y
(2)est,. librede defectosen los materialesyen la manode obraquecausenlafalla deunapiezabajogarantiaque seaid@nticaentodoslos
aspectosmaterialesa lapiezacomoaparecedescriptaen laaplicaci6ndelfabricantedel motorparacertificaci6npor unperiododedos a5os.
Lb/Lagarantiasobre piezasrelacJonadasconemisJonesse interpretar_,de la sJguientemanera:
(1)Cualquierpiezacubiertaporgarantiaquenoest@programadaparasu reemplazosegQnel mantenimientorequeridoenlas instrucciones
escritasdela Subsecci6n(c) debeestargarantizadapor unperiodode garantiadefinidoen la Subsecci6n(a)(2). Sila piezafalladurante
el periododecoberturadela garantia,lamismaser_.reparadao reemplazadaporMTD de acuerdocon laSubsecci6n(4)a continuaci6n.
Cualquierpiezareparadao reemplazadasegQnlagarantiasegarantizarB,porel restodelperiodode garantia.
(2) Cualquierpiezacubiertaporgarantiaqueest@programadasoloparainspecci6nregularen las instruccionesescritasde la Subsecci6n
(c) debeestargarantizadaporun periododegarantiadefinidoenla Subsecci6n(a) (2). Unadeclaraci6nen dichasinstruccionesporescrito
alefectode "reparaci6no reemplazosegQnseanecesario"no reducir_,elperiodode coberturade la garantia.Cualquierpiezareparadao

reernplazadasegQnlagarantiasegarantizar_,porelrestodelperiododegarantia.
(3) Cualquierpiezagarantizadaqueest_prograrnadaparareernplazosegQnelrnantenirnientorequeridodeconforrnidadconlasinstruc-
clonesescritasdelaSubsecci6n(c)segarantizaporelperiododetiernpoanterioralaprirnerafechadereernplazoprograrnadaparaesa
pieza.Silapiezafallaantesdelprimerreernplazoprogramatic,larnisrnaser_.reparadaoreernplazadaporMTDdeacuerdoconlaSubsecci6n
(4)acontinuaci6n.Cualquierpiezareparadaoreernplazadabajogaranfiasegarantizar_,porelrestodelperiodoanterioralprimerreernplazo
programaticpuntualparaesapieza.
(4)Lareparaci6noelreernplazodecualquierpiezagarantizadadeconforrnidadconlasdisposicionesdelagaranfiaqueaquiseestipulase
deberealizarenuncentrodegaranfiasincostoalgunoparaelpropietario.
(5)SinperjuiciodelasdisposicionesdelaSubsecci6n(4)anterior,losserviciosoreparacionescubiertosporlagaranfiadebensersurnin-
istradosportodosloscentrosdedistribuci6ndeMTDquetenganlafranquiciapararealizarreparacionesyrnantenirnientoalosrnotoresen
cuesti6n.
(6)ElpropietarionodebeafrontarningQncargoparatrabajosdediagn6sticoqueIlevenalaconclusi6ndequeunapiezabajogaranfiapresenta
efectivarnentedefectos,siernpreycuandodichodiagn6sticoseaIlevadoacaboenuncentrocubiertoporlagarantia.
(7)Elfabricantedelmotoresresponsableporda_oscausadosaotroscornponentesdernotoresderivadosdelafallabajogaranfiadecualquier
piezagarantizada.
(8)DurantetodoelperiododegaranfiadelmotordefinidoenlaSubsecci6n(a)(2),MTDrnantendr_,unsurninistrodepiezascubiertaspor
garantiasuficienteparasatisfacerladernandaesperadaparatalespiezas.
(9)Cualquierpiezadereernplazosepodr_,usarparaelcurnplirnientodelrnantenirnientooreparacionesbajogaranfia,ysesurninistrar_,sin
cargoalpropietario.Dichousonoreducir_,lasobligacionesdegarantiadeMTD.
(10)Nosepodr_.nusarpiezasadicionalesnirnodificadasquenoest_nexentasdeacuerdoconelDepartarnentodelosRecursosdelAire(Air
ResourcesBoard).Elusodepiezasadicionalesornodificadasnoexentasser_.causasuficienteparaanularunreclarnobajogaranfiarealizado
deacuerdoconestearticulo.Elfabricantedelmotornotendr_,responsabilidad,enconforrnidadconestearticulo,degarantizarfallasdepiezas
garantizadasquefuerencausadasporelusodeunapiezanoexentaadicionalornodificada.
.(c)MTDincluir_,unacopiade lasiguientelistade piezasbajogarantiacontraernisionescon cadanuevomotor,utilizandolas partesde la lista
a_plicablesal motor.
(1)Sisternadernedici6ndecombustible
• Sisternade rnejoraparainicioenfrio (cebadosuave)
• Carburadory cornponentesinternos
• Bornbade combustible
• Dep6sitodecombustible
(2) Sisternadeinducci6ndeaire
• Filtrode aire
• Colectordeentrada
(3) Sisternadeencendido
• Bujia(s)
• Sisternadeencendidopor magneto
(4)Sisternadeescape
• Catalizador
• SAI (v_Jvulade Ca_a)
(5) Cornponentesvariosutilizadosen el sisternaanterior
• V_Jvulase interruptoresde vado, ternperatura,posici6nsensiblesal tiernpo
• Conectoresy rnontajes
(6)Controlde Evaporative
• Manguerade CombustiblecertificadaparaARB evaporativeernisi6nde 2006.
• Abrazaderasde Manguerade Combustible
• Gorrade combustibleatada
• Latade carb6n
• Lineasdevapor
GD0C-100174Rev.B

Busque el periodo de duraci6n de emisiones importantes yla informaci6n de clasificaci6n de aire en
la etiqueta de emisiones de su motor
Los motores cuyo cumpiimiento con los estAndares de emisi6n Tier 2 de la Comisi6n de Recursos Ambientales de California (CARB)
est6 certificado deben exhibir la informaci6n relacionada con el periodo de duraci6n de ias emisiones y la clasificaci6n de aire. Sears
Brands Management Corporation ponen esta informaci6n a disposici6n del consumidor en nuestras etiquetas de emisiones.
Ei Periodo de Duraci6n de las Emisiones describe el nQmero de horas de tiempo real de funcionamiento para el cuai se certifica que
el motor cumpie con ias reglas de emisi6n, descontando el mantenimiento adecuado del mismo segQn las instrucciones de oper-
aci6n y mantenimiento. Se utilizan las siguientes categonas:
Moderado:Se certifica que el motor cumpie con las reglas de emisi6n durante 125 horas de tiempo real de funcionamiento del motor.
Inmediato:Se certifica que el motor cumpie con las reglas de emisi6n durante 250 horas de tiempo real de funcionamiento del motor.
Extendido:Se certifica que el motor cumpie con las reglas de emisi6n durante 500 horas de tiempo real de funcionamiento del motor.
Por ejemplo, una cortadora de c6sped tJpica que se empuja desde arras se usa entre 20 y 25 horas por aSo. Por Io tanto, el Periodo
de Duraci6n de Emisiones de un motor con una clasificaci6n intermedia sena equivaiente a entre 10 y 12 aSos.
Laciasificaci6n de aire es un nQmero calculado para describir el nivel relativo de emisiones para un grupo de motores en particular.
Cuanto menor sea la clasificaci6n de aire, mayor es la limpieza del motor. La informaci6n se presenta de forma grAfica en la etiqueta
de emisiones.
Despu_s del 1 de julio de 2000, busque el periodo de cumplimiento de las reglas de
emisiones en la etiqueta de cumplimiento de las reglas de emisiones del motor
Despu6s del 1 de julio de 2000 se certificarA que determinados motores Sears Brands Management Corporation cumplen
con los estAndares de emisiones de la fase 2 de la Agencia de Protecci6n Ambientai de los Estados Unidos (USEPA). Para
los motores certificados para la etapa 2, el periodo de cumplimiento con ias reglas de emisiones al cual se hace referencia
en la etiqueta de cumplimiento con las reglas de emisiones indica el nQmero de horas de funcionamiento para el cual se ha
demostrado que el motor cumple con los requerimientos federales de emisi6n.
Para los motores con desplazamiento inferior a 225 cc, Categoria C = 125 horas, B = 250 horas y A = 500 horas.
Para los motores con desplazamiento de 225 cc o mAs, Categoria C = 250 horas, B = 500 horas y A = 1000 horas.
El desplazamiento de los motores de la serie modelo 150112 es 249 cc.
La presente es una representaci6n gen_rica de la etiqueta de emisi6n que se encuentra generaimente en un
motor certificado.
FAMILYYBSXS.3192VA 274812
GDOC-100182Rev.A
64

Felicitaciones por haber realizado una adquisici6n inteligente. El producto Craftsman® que ha
adquirido esta diseSado y fabricado para brindar muchos aSos de funcionamiento confiable. Pero
como todos los productos a veces puede requerir de reparaciones. Es en ese momento cuando el
disponer de un Acuerdo de protecci6n para reparaciones le puede ahorrar dinero y problemas.
A continuaci6n se detallan los puntos incluidos en el Acuerdo:
[] Servicio experto prestadopor nuestros 10,000 especialistas en reparacionesprofesionales
[] Servicio ilirnitado sin cargo para las piezasy la mano de obra en todas las reparacionescubiertas
[] Reernplazo del producto hasta 1500 d61aressi no es posible reparar el producto cubierto
[] Descuento de 25% del precio normal del servicio y de las piezas relacionadascon el mismo que no esten cubiertas
por el acuerdo; ademas, 25% del precio normal de laverificaci6n de mantenimientopreventivo
[] Ayuda r_pida pot tel_fono - Io IlamamosResoluci6n RApida- el apoyo telef6nico de un Chamusca al representante.
Piense en nosotros como el manual "de un dueSohablador."
Una vezadquirido el Acuerdo, puede programar el servicio con tan s61orealizar una Ilamadatelef6nica. Puede Ilamaren
cualquier momentodel dia o de la noche o programar un servicio en linea.
ElAcuerdo de Protecci6nde Reparaci6nes unacompra sin riesgo. Si ustedanula por alguna raz6n duranteel periodo de
garantia de producto,proporcionaremos un reembolso Ileno.O, un reembolsoprorrateadoen cualquier momentodespues
del periodode garantia de producto expira, iAdquiera hoy su acuerdode protecci6n para reparaciones!
Se aplican determinadas limitaciones y exclusiones. Para obtener informaciTn adicional y precios en los Estados
Unidos Ilame al 1-800-827-6655.
El *Coverage en Canad_ivaria en algunos articulos. Para detalles Ilenos la Ilamada Chamusca Canad_ien 1-800-
361-8885.
Servicio de instalaci6nde Sears
Si desea solicitar la instalaci6n profesionalde Sears de aparatosdomesticos, dispositivos paraabrir portones,calentado-
res de agua y otros articulos domesticosimportantes, en los Estados Unidos o Canada flameal 1-800-4-MY-HOME®.
65

66

67

Your Home
For troubleshooting, product manuals and expert advice:
managernylife
www.managemylife.com
For repair - in your home - of all major brand appliances,
lawn and garden equipment, or heating and cooling systems,
no matter who made it, no matter who sold it!
For the replacement parts, accessories and
owner's manuals that you need to do-it-yourself.
For Sears professional installation of home appliances
and items like garage door openers and water heaters.
1-800-4-MY-HOME ®(1-800-469-4663)
Call anytime, day or night (U.S.A. and Canada)
www.sears.com www.sears.ca
Our Home
For repair of carry-in items like vacuums, lawn equipment,
and electronics, call anytime for the location of your nearest
Sears Parts & Repair Service Center
1-800-488-1222 (U.S.A.) 1-800-469-4663 (Canada)
www.sears.com www.sears.ca
To purchase a protection agreement on a product serviced by Sears:
1-800-827-6655 (U.S.A.) 1-800-361-6665 (Canada)
Para pedir servicio de reparaci6n
a domicilio, y para ordenar piezas:
1-888-SU-HOGAR ®
(1-888-784-6427)
www.sears.com
Au Canada pour service en frangais:
1-800-LE-FOYER Mc
(1-800-533-6937)
www.sears.ca
® Registered Trademark /TMTrademark of KCD IP, LLC in the United States, or Sears Brands, LLC in other countries
® Marca Registrada !TMMarca de Fabrica de KCD IP, LLC en Estados Unidos, o Sears Brands, LLC in otros paises
MCMarque de commerce !MDMarque deposee de Sears Brands, LLC