Craftsman 24788848 User Manual SNOW THROWER Manuals And Guides 1107371L
User Manual: Craftsman 24788848 24788848 CRAFTSMAN SNOW THROWER - Manuals and Guides View the owners manual for your CRAFTSMAN SNOW THROWER #24788848. Home:Lawn & Garden Parts:Craftsman Parts:Craftsman SNOW THROWER Manual
Open the PDF directly: View PDF
.
Page Count: 81

Operator's Manual
P R 0 F E S S I 0 N A L
45" SNOW THROWER
Model No. 247.88848
CAUTION: Before using
this product, read this
manual and follow all
safety rules and operating
instructions.
, SAFETY
, ASSEMBLY
, OPERATION
, MAINTENANCE
, PARTS LIST
o ESPANOL
Sears Brands Management Corporation, Hoffman Estates, IL 60179, U.S.A.
Visit our website: www.craftsman.com FORMNO.769-06014C
7/18/2011

WarrantyStatement..................................Page2
SafeOperation Practices .......................... Page 3
Safety Labels ............................................ Page 7
Assembly .................................................. Page 8
Operation .................................................. Page 14
Service and Maintenance ......................... Page 19
Off-Season Storage .................................. Page 27
Troubleshooting ........................................ Page 28
Parts List ................................................... Page 29
Repair Protection Agreement ................... Page 49
Espa_ol ..................................................... Page 50
Service Numbers ...................................... Back Cover
CRAFTSMAN PROFESSIONAL TWO YEAR FULL WARRANTY
FORTWOYEARSfromthe dateof purchase,this productis warrantedagainstanydefectsin materialor workmanship.A defectiveproductwill
receivefree repairor replacementif repairis unavailable.
Thiswarrantyappliesfor onlyone yearfromthe dateof purchaseif this productis everusedwhileprovidingcommercialservicesor if rentedto
anotherperson.
Forwarrantycoveragedetailsto obtainfree repairor replacement,visitthe web site:www.craftsman.com
Thiswarranty coversONLYdefects in material andworkmanship. Warranty coverage does NOTinclude:
• Expendableitemsthatcan wearoutfromnormalusewithinthewarrantyperiod,includingbut not limitedto augers,augerpaddles,drift
cutters,skidshoes,shaveplate,shearpins,sparkplug,air cleaner,belts,andoil filter.
•Standardmaintenanceservicing,oilchanges,or tune-ups.
• Tire replacementor repaircausedby puncturesfromoutsideobjects,suchas nails,thorns,stumps,or glass.
•Tireor wheelreplacementor repairresultingfromnormalwear,accident,orimproperoperationor maintenance.
•Repairsnecessarybecauseof operatorabuse,includingbutnot limitedto damagecausedby over-speedingthe engine,or fromimpacting
objectsthat bendthe frame,augershaft,etc.
•Repairsnecessarybecauseof operatornegligence,includingbut not limitedto,electricalandmechanicaldamagecausedby improper
storage,failureto usethe propergradeandamountof engineoil, or failureto maintainthe equipmentaccordingto the instructionscontained
inthe operator'smanual.
•Engine(fuelsystem)cleaningor repairscausedbyfuel determinedto becontaminatedoroxidized(stale).In general,fuel shouldbeused
within30 daysof itspurchasedate.
•Normaldeteriorationandwearof the exteriorfinishes,or productlabelreplacement.
Thiswarrantygivesyou specificlegalrights,andyou mayalso haveotherrightswhichvaryfromstateto state.
Sears Brands Management Corporation, Hoffman Estates, IL 60179
EngineOilType: 5W-30
EngineOilCapacity: 37ounces
FuelCapacity: Approx.5 Quarts
SparkPlug: F6RTC(951-10292)
SparkPlugGap: .020"to .030"
ModelNumber.................................................................
Serial Number .................................................................
Dateof Purchase.............................................................
Recordthe modelnumber,serialnumber
anddateof purchaseabove
©KCDIR LLC
2

Thissymbolpointsout importantsafetyinstructionswhich,if not
followed,couldendangerthepersonalsafetyand/orpropertyof
yourselfandothers. Readandfollowall instructionsin thismanual
beforeattemptingto operatethismachine.Failureto complywith
theseinstructionsmayresultin personalinjury.Whenyou seethis
symbol,HEEDITSWARNING!
CALIFORNIA PROPOSITION 65
EngineExhaust,someof itsconstituents,andcertainvehicle
componentscontainoremitchemicalsknownto Stateof California
to causecancerandbirthdefectsorotherreproductiveharm,
Thismachinewasbuiltto beoperatedaccordingto the safeopera-
tion practicesinthis manual.As withanytypeof powerequipment,
carelessnessorerroron the partof the operatorcan resultin serious
injury.Thismachineis capableof amputatingfingers,hands,toes
andfeetandthrowingdebris.Failureto observethe followingsafety
instructionscouldresultin seriousinjuryor death.
Your Responsibility--Restrict the useof thispowermachineto
personswho read,understandandfollowthewarningsand instruc-
tionsin thismanualandon the machine.
SAVE THESE INSTRUCTIONS!
TRAiNiNG
•Read,understand,andfollowall instructionson the machineand
in themanual(s)beforeattemptingto assembleandoperate.
Failureto do socan resultinseriousinjuryto the operatorand/
orbystanders.Keepthismanualin a safeplaceforfutureand
regularreferenceandfor orderingreplacementparts.
• Befamiliarwithall controlsandtheir properoperation.Knowhow
to stopthe machineanddisengagethemquickly.
• Neverallowchildrenunder14yearsof ageto operatethis
machine.Children14andover shouldreadandunderstandthe
instructionsandsafeoperationpracticesin thismanualandon
the machineandbe trainedandsupervisedby anadult.
Neverallowadultsto operatethis machinewithoutproper
instruction.
• Thrownobjectscan causeseriouspersonalinjury.Planyour
snow-throwingpatternto avoiddischargeof materialtoward
roads,bystandersandthe like.
Keepbystanders,petsandchildrenat least75feetfromthe
machinewhile it is in operation.Stopmachineif anyoneenters
the area.
• Exercisecautionto avoidslippingor falling,especiallywhen
operatingin reverse.
PREPARATION
Thoroughlyinspecttheareawherethe equipmentisto beused.
Removeall doormats,newspapers,sleds,boards,wiresandother
foreignobjects,whichcouldbe trippedoverorthrownby the auger/
impeller.
• Alwayswear safetyglassesor eyeshieldsduringoperationand
while performingan adjustmentor repairto protectyoureyes.
Thrownobjectswhichricochetcancauseseriousinjuryto the
eyes.
Donot operatewithoutwearingadequatewinteroutergarments.
Donot wearjewelry,longscarvesorotherlooseclothing,which
could becomeentangledin movingparts.Wearfootwearwhich
will improvefootingonslipperysurfaces.
Usea groundedthree-wireextensioncordand receptaclefor all
machineswithelectricstartengines.
Disengageall controlleversbeforestartingthe engine.
Adjustcollectorhousingheightto cleargravelorcrushedrock
surfaces.
• Neverattemptto makeanyadjustmentswhileengineis running,
exceptwherespecificallyrecommendedinthe operator'smanual.
Letengineandmachineadjustto outdoortemperaturebefore
startingto clearsnow.
3

Safe Handling of Gasoline
Toavoidpersonalinjuryor propertydamageuseextremecare in
handlinggasoline.Gasolineis extremelyflammableandthe vaporsare
explosive.Seriouspersonalinjurycan occurwhengasolineis spilled
onyourselfor yourclotheswhichcan ignite.Washyour skinand
changeclothesimmediately.
• Useonly anapprovedgasolinecontainer.
• Extinguishall cigarettes,cigars,pipesandother sources
of ignition.
• Neverfuelmachineindoors.
• Neverremovegas capor addfuel whilethe engineis hot
or running.
• Allowengineto coolat leasttwo minutesbeforerefueling.
• Neveroverfill fueltank. Filltankto no morethan1/2inch
belowbottomof filler neckto providespacefor fuel
expansion.
• Replacegasolinecap andtightensecurely.
• Ifgasolineis spilled,wipeit offthe engineandequipment.
Movemachineto anotherarea.Wait5 minutesbefore
startingthe engine.
• Neverstorethe machineor fuel containerinsidewhere
thereis anopenflame,sparkor pilotlight (e.g.furnace,
waterheater,spaceheater,clothesdryer etc.).
• Allowmachineto cool at least5 minutesbeforestoring.
• Neverfill containersinsidea vehicleor ona truckor trailer
bedwitha plasticliner.Alwaysplacecontainersonthe
groundawayfromyourvehiclebeforefilling.
• If possible,removegas-poweredequipmentfromthetruck
ortrailerand refuelit on the ground.If thisis not possible,
then refuelsuchequipmentona trailerwitha portable
container,ratherthan fromagasolinedispensernozzle.
• Keepthe nozzleincontactwiththe rimof the fueltankor
containeropeningat alltimesuntil fuelingis complete.Do
notuse a nozzlelock-opendevice.
OPERATION
•Do not puthandsorfeetnear rotatingparts,in the auger/impeller
housingor chuteassembly.Contactwiththe rotatingpartscan
amputatehandsandfeet.
• Theauger/impellercontrolleveris a safetydevice.Neverbypass
itsoperation.Doingso makesthe machineunsafeandmaycause
personalinjury.
• Thecontrolleversmustoperateeasilyin bothdirectionsand
automaticallyreturnto the disengagedpositionwhenreleased.
• Neveroperatewitha missingor damagedchuteassembly.Keep
all safetydevicesin placeandworking.
• Neverrunanengineindoorsor ina poorlyventilatedarea. Engine
exhaustcontainscarbonmonoxide,anodorlessanddeadlygas.
• Do notoperatemachinewhileunderthe influenceof alcoholor
drugs.
• Mufflerandenginebecomehotandcan causea burn.Do not
touch.Keepchildrenaway.
• Exerciseextremecautionwhenoperatingon orcrossinggravel
surfaces.Stayalertfor hiddenhazardsor traffic.
• Exercisecautionwhenchangingdirectionandwhileoperatingon
slopes.Do notoperateon steepslopes.
• Planyoursnow-throwingpatternto avoiddischargetowards
windows,walls,carsetc. Thus,avoidingpossibleproperty
damageor personalinjurycausedby a ricochet.
• Neverdirectdischargeat children,bystandersand petsor allow
anyoneinfrontof the machine.
• Donot overloadmachinecapacityby attemptingto clearsnowat
too fastof a rate.
• Neveroperatethis machinewithoutgoodvisibilityorlight.Always
be sureof yourfootingand keepa firmholdon the handles.Walk,
neverrun.
• Disengagepowerto theauger/impellerwhentransportingor not
in use.
• Neveroperatemachineat hightransportspeedson slippery
surfaces.Lookdownand behindand usecare whenbackingup.
• Ifthe machineshouldstart to vibrateabnormally,stopthe engine,
disconnectthe sparkplugwire andgroundit againstthe engine.
Inspectthoroughlyfor damage.Repairanydamagebefore
startingandoperating.
• Disengageall controlleversandstopenginebeforeyouleave
the operatingposition(behindthe handles).Waituntilthe auger/
impellercomesto a completestopbeforeuncloggingthechute
assembly,makingany adjustments,or inspections.
• Neverput yourhandinthe dischargeor collectoropenings.Do
not unclogchuteassemblywhileengineis running.Shutoff
engineand remainbehindhandlesuntilall movingpartshave
stoppedbeforeunclogging.
• Useonly attachmentsandaccessoriesapprovedby the manufac-
turer (e.g.wheelweights,tire chains,cabsetc.).
• Whenstartingengine,pullcord slowlyuntilresistanceis felt, then
pull rapidly.Rapidretractionof startercord(kickback)will pull
handandarmtowardenginefasterthan youcan let go. Broken
bones,fractures,bruisesor sprainscould result.
• Ifsituationsoccurwhichare notcoveredinthis manual,use care
andgoodjudgment.
• Forin-warrantysafety,operationor maintenancequestions,or to
orderpartsandscheduleservice,call 1-800-4-MY-HOME.
CLEARING A CLOGGED DISCHARGE CHUTE
Handcontactwiththe rotatingimpellerinsidethe dischargechute
is the mostcommoncauseof injuryassociatedwithsnowthrowers.
Neveruse yourhandto cleanout thedischargechute.
Toclear thechute:
1. SHUTTHEENGINEOFF!
2. Wait 10secondsto be surethe impellerbladeshavestopped
rotating.
3. Alwaysusea clean-outtool,not yourhands.
4

MAINTENANCE & STORAGE
•Nevertamperwithsafetydevices.Checktheirproperoperation
regularly.Referto the maintenanceandadjustmentsectionsof
thismanual.
• Beforecleaning,repairing,or inspectingmachinedisengageall
controlleversandstopthe engine.Waituntilthe auger/impeller
cometo a completestop.Disconnectthe sparkplugwireand
groundagainsttheengineto preventunintendedstarting.
Checkboltsand screwsfor propertightnessat frequentintervals
to keepthe machineinsafeworkingcondition.Also,visually
inspectmachinefor anydamage.
Do notchangetheenginegovernorsettingor over-speedthe
engine.Thegovernorcontrolsthe maximumsafeoperatingspeed
of the engine.
Snowthrowershaveplatesand skidshoesaresubjectto wear
anddamage.Foryoursafetyprotection,frequentlycheckall
componentsand replacewithoriginalequipmentmanufacturer's
(OEM)partsonlyas listedinthe Partspagesof thisoperator's
manual.Useof partswhich donot meetthe originalequipment
specificationsmayleadto improperperformanceandcompro-
misesafety!
Checkcontrolleversperiodicallyto verifytheyengageanddisen-
gageproperlyandadjust,if necessary.Referto the adjustment
sectioninthisoperator'smanualfor instructions.
Maintainor replacesafetyandinstructionlabels,as necessary.
Observeproperdisposallawsand regulationsfor gas,oil,etc. to
protectthe environment.
Priorto storing,runmachinea few minutestoclear snowfrom
machineand preventfreezeupof auger/impeller.
Neverstorethe machineorfuel containerinsidewherethereisan
openflame,sparkorpilot lightsuchas a waterheater,furnace,
clothesdryer etc.
Alwaysreferto the operator'smanualfor properinstructionson
off-seasonstorage.
Checkfuelline,tank, cap,andfittingsfrequentlyfor cracksor
leaks.Replaceif necessary.
Do notcrankenginewithsparkplugremoved.
Accordingto the ConsumerProductsSafetyCommission(CPSC)
andthe U.S.EnvironmentalProtectionAgency(EPA),thisproduct
hasan AverageUsefulLifeof seven(7)years,or 60 hoursof
operation.At the endof theAverageUsefulLifehavethe machine
inspectedannuallybyan authorizedservicedealerto ensurethat
allmechanicalandsafetysystemsareworkingproperlyand not
wornexcessively.Failureto do so can resultinaccidents,injuries
ordeath.
DO NOT MODIFY ENGINE
Toavoidseriousinjuryor death,do not modifyengineinany way.
Tamperingwiththe governorsettingcanleadto a runawayengineand
causeit to operateat unsafespeeds.Nevertamperwithfactorysetting
of enginegovernor.
NOTICE REGARDING EMiSSiONS
EngineswhicharecertifiedtocomplywithCaliforniaandfederal
EPAemissionregulationsfor SORE(SmallOff RoadEquipment)are
certifiedto operateon regularunleadedgasoline,and mayinclude
the followingemissioncontrolsystems:EngineModification(EM),
OxidizingCatalyst(OC),SecondaryAirInjection(SAI)and ThreeWay
Catalyst(TWO)if so equipped.
SPARK ARRESTOR
Thismachineisequippedwithaninternalcombustionengineand
shouldnotbe usedonor nearany unimprovedforest-covered,
brush-coveredorgrass-coveredlandunlessthe engine'sexhaust
systemisequippedwitha sparkarrestormeetingapplicablelocalor
statelaws(if any)
Ifa sparkarrestoris used,it shouldbe maintainedin effectiveworking
orderby theoperator.Inthe Stateof Californiathe aboveis required
bylaw (Section4442of the CaliforniaPublicResourcesCode).Other
statesmayhavesimilarlaws. Federallawsapplyonfederallands.
A sparkarrestorfor the muffleris availablethroughyournearestSears
PartsandRepairServiceCenter.

SAFETY SYMBOLS
Thispagedepictsanddescribessafetysymbolsthatmayappearonthisproduct. Read,understand,andfollowall instructionson the machine
beforeattemptingto assembleandoperate.
. +
ii
'JIp
READ THE OPERATOR'S MANUAL(S)
Read, understand, and follow all instructions in the manual(s) before attempting to assemble and
operate
WARNING-- ROTATING BLADES
Keep hands out of inlet and discharge openings while machine is running. There are rotating blades
inside
WARNING-- ROTATING BLADES
Keep hands out of inlet and discharge openings while machine is running. There are rotating blades
inside
WARNING-- ROTATING AUGER
Do not put hands or feet near rotating parts, in the auger/impeller housing or chute assembly.
Contact with the rotating parts can amputate hands and feet.
WARNING--THROWN OBJECTS
This machine may pick up and throw objects which can cause serious personal injury.
WARNING--GASOLINE IS FLAMMABLE
Allow the engine to cool at least two minutes before refueling.
WARNING-- CARBON MONOXIDE
Never run an engine indoors or in a poorly ventilated area. Engine exhaust contains carbon
monoxide, an odorless and deadly gas+
WARNING-- ELECTRICAL SHOCK
Do not use the engine's electric starter in the rain
6

r
100/.LIIO-NV:IIO
"lVflNV_ S,UOIVU3dOQV3H"G
"S3OV_IJflS]3AVUONO9NIIV_J3dO
N3HMNOIIflVOVSIX]qsfl"S9]ONVIS181V]98VHOSIO
10381083A3N'S]IUflrNI SI03PgoNMOUHIQIOAV01 "_
"3NIHOV_ONIOIA83SUOONIOOO]ONfl
]UO_38O3ddOIS]AVHSlHPd9NIAOW11VlllNfl S]IQNVH
ONIH]8NIVW3UONV']NION]dOlS'88]A]1HOlnlo]9VON]SIO"8
"]lnHg ]gHVHOSIO9010Nfl01 1001lflO-NP]lO ]Sfl "Z
"l]]d ONVSONVH]lPlnd_P NVOH3onvuoHq]l]d_JIHIIM
IOVINO0"u39npONV_J3113dWI9NllVIOU_JOH_IVMV d]3H"L
7

NOTE:Referencesto rightorleft sideof the snowthrowerare
determinedfromthe operatingpositionlookingforwardto the frontof
the machine.
REMOVING FROM CRATE
1. Removescrewsfromthe bottomof thecratesecuringthesides,
andendsof the shippingcrate.
2. Liftoff the topoff of the crateandsetoutof thewayof the
assemblyarea.
3. Removeanddiscardplasticbagthatcoversunit.
4. Removeany loosepartsincludedwithunit (e.g.,Operator's
Manual,etc.).
5. Pushdownonthe lowerhandleandpullunit backout of crate.
6. Makecertainthe cratehas beencompletelyemptiedbefore
discardingit.
ASSEMBLY
1. Makecertainthe springsat the lowerendof the augeranddrive
cablesaresecurelyhookedintotheir respectiveactuator
bracketsbeforepivotingthe handleupward.Referto Fig. 10.
a. Placethe speedselectorshiftleverin the F6 position.
b. Cutthe cabletie securingthe two piecechutecrankto the
lowerhandle.Thecable tie is usedfor shippingpurposes.
c. Removethe upperwingknobandcarriageboltfromeach
sideof the lowerhandle.Pulluponupperhandleas shown
in Fig.1.Alignupperhandlewiththe lowerhandle.Again,
makecertainthe springsat the lowerendof the augerand
drivecablesaresecurelyhookedintotheir respective
actuatorbrackets.Also,removeany rubberbandssecuring
thecablesto thewing nuts.
\
f
Tightenthe twowingknobsalreadyinstalledinthe upper
holesto firmly securethe upperhandleandsupporttubes.
See Fig.2.
!
{
/
/
Figure2
NOTE: Ifthe full rangeof speeds(forwardand reverse)can not be
achieved,referto the "MakingAdjustments"section.
Chute Directional Control
1. Removethe hairpinclip fromthe spiralcontrolas showninA
of Fig.3.
2. Insertthe chutedirectionalcontrolrodinto thefitting onthe spiral
controlas seenin Bof Fig.3.
3. Securewiththe hairpinclip previouslyremoved.SeeFig.3.
2. a.
Figure1
Securethe supportbracket,upperhandleand lowerhandle
withthetwo wingknobsandcarriageboltsremovedearlier.
SeeFig.2.
Figure3
8

Chute Assembly
1, Removelocknutsandscrewssecuringoneof the flangekeepers
to the chuteassembly,Loosenthefastenersof theothertwo
flangekeepers,SeeFig,4,
2, Placechuteassemblyonto chutebaseas showninFig,5, Make
surethatthe chutenotchesengagewiththe spiralendof chute
directionalcontrol,andthe twoflangekeepersarebeneaththe
flangeonthe chutebase,
3, Secureflangekeeperremovedearlierwithlocknutsandscrews,
Tightendownnutssecuringthe othertwoflangekeepers.See
Fig.4.
.
.
Figure4
If notalreadydone,slipthe cablesthat runfromthe handle
panelto the dischargechuteintothe cableguideontop of the
engine.SeeFig.5.
Normallythecable tiesholdingthe steeringcablesagainstthe
handlearelooselyinstalledoneach sideof the lowerhandleat
the factory.Pullthe cableties tightto secure.Cutthe excess
fromtheendsof cableties.
SET-UP
Chute Clean=Out Tool
Neveruseyourhandsto cleara cloggedchuteassembly.Shut
offengineand remainbehindhandlesuntilall movingpartshave
stoppedbeforeusingthe clean-outtool to clearthe chuteassembly,
Achuteclean-outtool is fastenedto thetop of the augerhousing
witha mountingclip. SeeFig.6. The tool is designedto cleara chute
assemblyof ice andsnow.This item,alongwiththe extensioncord,is
fastenedwitha cabletie at the factoryfor shippingpurposes.Youmay
cut thecable tie at thistime.
Clean=out Tool
\,
(,
//
//
Figure6
Drift Cutters
1.
2.
3.
J
Removethe twoscrewsandlocknutsthatsecureeachdrift
cutter,and removethemfromthe sidesof the augerhousing.
Turnthedrift cuttersaroundandpositionthemas shownin Fig.7
to the outsideof the augerhousing.
Attachthedriftcutterswiththe screwsandlocknutsremovedearlier.
Figure7
9
J

Shear Pins
A pairof replacementaugershearpins andbowtie cotterpins have
beenincludedwithyour snowthrower. Thereareholesprovidedinthe
plasticdash panelfor convenientstorageof the shearpins.Pushthe
pinsthroughthe holesin thedash panelandsecurewiththe bow-tie
cotter pins.See Fig.8.
Figure8
Tire Pressure (Pneumatic Tires)
Underany circumstancedo notexceedmanufacturer'srecom-
mendedpsi.Equaltire pressureshouldbemaintainedat alltimes.
Excessivepressurewhen seatingbeadsmaycausetire/rim
assemblyto burstwith forcesufficientto causeseriousinjury.Refer
to sidewallof tire for recommendedpressure.
The tirescan beover-inflatedfor shippingpurposes.Checkthe tire
pressurebeforeoperatingthe snowthrower. Referto the tire sidewall
for rnanufactures'srecommendedpsianddeflate(or inflate)thetires
as necessary.
NOTE:Equaltirepressureisto bemaintainedat alltimesfor perfor-
mancepurposes.
Fuel Recommendations
Useautomotivegasoline(unleadedor low leadedto minimizecombus-
tion chamberdeposits)witha minimumof 87 octane.Gasolinewith
upto 10%ethanolor 15%MTBE(MethylTertiaryButylEther)can be
used.Neverusean oil/gasolinemixtureordirty gasoline.Avoidgetting
dirt, dust,or waterinthe fuel tank.DO NOTuse E85gasoline.
•Refuelina well-ventilatedareawiththe enginestopped.
Donot smokeor allowflamesor sparksin thearea
wherethe engineis rdueledor wheregasolineis
stored.
•Donot overfillthe fueltank. Afterrefueling,makesure
the tankcap is closedproperlyandsecurely.
•Becarefulnot to spillfuel whenrefueling.Spilledfuel
or fuelvapor mayignite.Ifany fuelis spilled,makesure
the areais dry beforestartingthe engine.
•Avoidrepeatedor prolongedcontactwithskinorbreath-
ingof vapor.
Adding Fuel
Useextremecare whenhandlinggasoline.Gasolineis extremely
flammableandthe vaporsareexplosive.Neverfuel themachine
indoorsorwhile theengineis hotor running.Extinguishcigarettes,
cigars,pipesandother sourcesof ignition.
Alwayskeephandsandfeetclear of equipmentmovingparts.Do not
usea pressurizedstartingfluid.Vaporsareflammable.
Cleanaroundfuel fill beforeremovingcap to fuel.
Fuel LevelIndicator
TopView
Figure9
2. A fuel levelindicatoris locatedin the fueltank. Fill tankuntilfuel
reachesthe fuel levelindictor,Figure9. Becarefulnot to overfill.
Checking Oil Level
The engineis shippedwithoil in theengine.Youmust,however,
checkthe oil levelpriorto operatingthe snowthrower.Runningthe
enginewith insufficientoil cancauseseriousenginedamageand
void theenginewarranty.
Someengineswill havea quarter-turnoil fill/dipstickcap,othersmay
havea threadedoilfill/dipstickcap. Followthe instructionsnextthat
applyto your enginemodel.
10

Checking Oil Level on Engines with Quarter=Turn
Oil Fill Caps
NOTE: Besureto checkthe engineona levelsurfacewiththe engine
stopped.
Toavoidenginedamage,it isimportantto:
• Checkoillevelbeforeeachuseandevery5 operating
hourswhenengineiswarm.Checkoil levelmore
frequentlyduringenginebreak-in.
• Keepoil levelbetween"H"and'%'marksondipstick.
SeeFig.10.
• Besureoil fill cap/plugistightenedsecurelywhen
checking.
1. Removetheoil fillercap/dipstickandwipethe dipstickclean.See
Fig.10.
2. Insertthe cap/dipstickintotheoil filler neck,andtightenthecap
untilseated.
3. Removetheoil fillercap/dipstick.Ifthe levelislow,slowlyaddoil
untiloil levelregistersbetweenhigh(H) andlow(L), Fig.10.
4. Replaceandtightencap/dipstickfirmlybeforestartingengine.
Checking Oil Level on Engines with threaded Oil
Fill Caps
NOTE:Besureto checkthe engineon a levelsurfacewiththe engine
stopped.
Toavoidenginedamage,itis importantto:
• Checkoil levelbeforeeach useandevery5 operating
hourswhenengineiswarm.Checkoil levelmore
frequentlyduringenginebreak-in.
• Keepoillevelbetween"H"and"L"markson dipstick.
SeeFig.11.
• Besureoilfill cap/plugistightenedsecurelywhen
checking.
1. Removethe oilfiller cap/dipstickandwipe thedipstickclean.See
Fig.11.
2. Insertthe cap/dipstickintothe oilfiller neck, restingon the
threads,but do nottighten.
3. Removethe oilfiller cap/dipstick.Ifthe levelislow,slowlyaddoil
untiloillevel registersbetweenhigh(H) andlow (L), Fig.11.
4. Replaceandtightencap/dipstickfirmly beforestartingengine.
NOTE: Donot overfill.Overfillingwithoil maycausesmoking,hard
starting,or sparkplugfouling.
NOTE: DONOTallowoil levelto fall belowthe"L"markonthe
dipstick.Doingso mayresultinequipmentmalfunctionsordamage.
NOTE:Tochangethe oilon yourengine,see the MaintenanceSec-
tionof theengineoperator'smanualincludedwiththe snowthrower.
Figure 10
NOTE:Do notoverfill.Overfillingwithoil maycausesmoking,hard
starting,or sparkplugfouling.
NOTE:DO NOTallowoil levelto fall belowthe "L"markon the
dipstick.Doingso mayresultinequipmentmalfunctionsor damage.
NOTE:Tochangethe oil onyourengine,seethe MaintenanceSec-
tion of the engineoperator'smanualincludedwith the snowthrower.
Figure 11
11

ADJUSTMENTS
Skid Shoes
Itis not recommendedthatyou operatethissnowthrowerongravel
as it can easilypickupandthrowloosegravel,causingpersonal
injuryor damageto the snowthrowerandsurroundingproperty.
The snowthrowerskidshoesareadjustedupwardat thefactory
for shippingpurposes.Adjustthemdownwardpriorto operatingthe
machine.
Forclosesnowremovalona smoothsurface,adjustthe skidshoesso
thatthe shaveplateonthe bottomof the augerhousingis just offthe
ground.
Adjustthe skidshoesto a lowerpositionto raisethe shaveplateoff the
groundwhenclearingunevenareas,suchas a ribbontypedrivewayor
agraveldriveway
NOTE:If youchooseto operatethe snowthrowerona gravelsurface,
keepthe skidshoesin positionfor maximumclearancebetweenthe
groundandthe shaveplate.
To adjust the skid shoes:
1. Loosenthesixhexnuts(threeoneachside)andcarriagebolts.Move
skidshoesto desiredposition.SeeFig.12.
J
Figure12
2. Makecertaintheentirebottomsurfaceofskidshoeisagainstthe
groundto avoidunevenwearontheskidshoes.
3. Retightennutsand boltssecurely.
Operatinga snowthrowerequippedwithsteelskidshoesmayresult
indamageto naturalstonepaversurfaces(e.g.sandstone,blue-
stone,limestone).For informationon availablepolymerskid shoes,
call 1-800-4MY-HOME.
AUGER AND DRIVE CONTROL CABLES
Priorto operatingyour snowthrower,carefullyreadandfollowall
instructionsbelow.Performall adjustmentsto verifyyour snow
throwerisoperatingsafelyand properly.
Testing Auger Drive Control
Whenthe augercontrolisreleasedandinthe disengaged"up" posi-
tion,the cableshouldhaveverylittleslack,butshouldNOTbetight.
Referto Fig.13for locationof controls.
rc,.,o,,,co..o,-.--=q F------'"'"Lev°'
A.ge, &n. O,,vo
X..__J_ H '°°"°'
Aoter _}J__ Drive
Figure13
1. Ina well-ventilatedarea,startthe snowthrowerengineas
instructedinthe Operationsection.
2. Whilestandinginthe operator'sposition(behindthe snow
thrower),engagethe augercontrolandallowthe augerto remain
engagedfor approximatelyten secondsbeforereleasingthe
augercontrol.Repeatthisseveraltimes.
NOTE: When engaging the auger, you may hear a "chirp" sound. This
is normal, it is the belt engaging the pulley. As the belt wears, this
sound will not be heard when engaging the auger.
3. Withthe enginerunningandthe augercontrolin the disengaged
"up"position,walkto the frontof the machine.Confirmthatthe
augerhascompletelystoppedrotatingandshowsno signsof
motion.
4. Ifthe augershowsanysignsof rotating,immediatelyreturnto the
operator'spositionandshutoffthe engine.Waitfor all moving
partsto stopbeforereadjustingthe augercontrolcable.
12

Testing Wheel Drive Control & Speed Selector Lever
Referto Fig.13forlocationofcontrols.
1. Movethespeedselectorshiftleverintosixth(6)position.
2. Withthewheeldrivecontrolreleased,pushthesnowthrowerforward,
thenpullitback.Themachineshouldmovefreely.
3. Engagethedrivecontrolandattemptto movethemachineboth
forwardandback,resistanceshouldbefelt.
4. Movethespeedselectorshiftleverintothefastreverse(R2)position
andrepeattheprevioustwosteps.
Ifyouexperiencedresistancerollingthe unit,eitherwhenrepositioning
thespeedselectorshiftleverfrom6to R2orwhenattemptingtomovethe
machinewiththedrivecontrolreleased,adjustthedrivecontrolimmedi-
ately.SeeAdjustingDriveandAugerControls.
Adjusting Wheel Drive & Auger Controls
1. Frombeneaththe handle,pulldownwardon theappropriatecable
andunhookthe springfoundonthe endof the cablefrom its
respectiveactuatorbracket.Referto Fig.14.
b_ Rearwardmost holeof
\.. the actuator brackets .1)
Figure14
J
Figure15
Ifadjustingthedrivecable,threadthe lock nutoutward(downthe
couplertowardstheend of thethread)to lengthenthe cableand
allowthe unit to movefreelywhenthe controlis released.
Threadthe locknut inward(upthe couplertowardsthe cable)to
shortenthe cableto reduceslippageandpreventthe machine
frombeingeasilymovedwiththedrive controlengaged.
Do notover-tightenthecable.Over-tighteningmaypreventthe auger
shaftfromdisengagingandcompromisethesafetyofthe snowthrower.
Ifadjustingtheaugercable,threadthe locknutdownthe coupler
towardsthe endof the threadto lengthenthecable as necessaryto
stopthe augershaftfromturningwhenthe controlis released.
4. Reattachthe springto the rear-mostholeinthe actuatorbracket.
5. Repeatthe wheeldriveandaugercontrolteststo verifyproper
adjustment.Repeatpreviousstepsif necessaryto attainproper
adjustmentof eachcable.
2. Slidethespringup thecableto exposethe cablecouplerthreads
andlocknut. Referto Fig.15.
13

"I- SpeedSelector '_
Lever
Drive ' Chute ControlTM
Headli_
Chute Assembly
Drift Cutters '_
Clean-outTool
Augers
f
SkidShoes
\Auger
Housing
Figure16
Control
Wheel Steering Control
Nowthat youhavesetup yoursnowthrower,it's importantto become
acquaintedwith itscontrolsandfeatures.Referto Figure16.
Chute
Directional
Control
SPEED SELECTOR SHIFT LEVER
The speedselectorshiftleveris locatedon the rightside
of the handlepanel.Placethe speedselectorshiftlever
intoany of eightpositionsto controlthe directionof travel
andgroundspeed.
Forward
Yoursnowthrowerhas sixforward(F) speeds.Position
one(1)is the slowestand positionsix(6) is the fastest.
Reverse
Yoursnowthrowerhastwo reverse(R) speeds.One(1)is
the slowerandtwo (2) is the faster.
6
5
4
3
t 2
F1
R1
R2
Oil Filler
Cap/Dipstick
Primer Key
Throttle
OilDrain
CHOKE CONTROL
The chokecontrolisfoundon the rearof the
engineand is activatedby rotatingthe knob
counter-clockwise.Activatingthechokecontrol
closesthe chokeplateon thecarburetorandaids
in startingtheengine.
KEY
The keyis a safetydevice.It mustbefullyinserted
in orderfor the engineto start.Removethe key
whenthe snowthroweris notin use.
NOTE: Donot turnthe keyinan attemptto start
the engine.Doingso maycauseit to break.
Electric
Start
Button
Electric
Starter Outlet
RecoilStarter
Handle
J
Meets ANSI Safety Standards
CraftsmanSnowThrowersconformto the safetystandardof the AmericanNationalStandardsInstitute(ANSI).
14

ThrottleControl
Thethrottlecontrolis locatedon the rearof the engine.It regulatesthe
speedof theengineandwill shutoff the enginewhenmovedintothe
STOPposition.
PRIMER
Depressingthe primerforcesfuel directlyintothe engine'scarburetor
to aidin cold-weatherstarting.
OIL FILL I _Tp_._-
Engineoil levelcan becheckedand oiladded
throughthe oil fill. |
RECOIL STARTER HANDLE
Thishandleis usedto manuallystartthe engine.
ELECTRIC STARTER BUTTON
Pressingthe electricstarterbuttonengagesthe engine'selectric
starterwhenpluggedintoa 120Vpowersource.
ELECTRIC STARTER OUTLET
Requiresthe useof athree-prongoutdoorextensioncord(included)
anda 120Vpowersource/walloutlet.
AUGERS
Whenengaged,the augersrotateanddrawsnowintothe auger
housing.
CHUTE ASSEMBLY
Snowdrawninto theaugerhousingisdischargedout the chute
assembly.
AUGER CONTROL
fAUGER
CONTROL
Theaugercontrolis locatedonthe left handle.Squeezethecontrol
gripagainstthe handleto engagetheaugersandstart snowthrowing
action.Releaseto stop.
GAS CAP
Unthreadthe gas capto addgasolineto the fueltank.
OIL DRAIN
Engineoil can bedrainedthroughthe oildrain.
DRIVE CONTROL/AUGER CONTROL LOCK
fDRIVE
CONTROL
The wheeldrivecontrolis locatedonthe righthandle.Squeezethe
controlgrip againstthe handleto engagethe wheeldrive.Release
to stop.The Wheeldrivecontrolalsolocks theaugercontrolso you
can operatethe chutedirectionalcontrolwithoutinterruptingthe snow
throwingprocess.Ifthe augercontrolis engagedsimultaneouslywith
the wheeldrivecontrol,the operatorcan releasethe augercontrol(on
the left handle)and theaugerswill remainengaged.Releaseboth
controlsto stopthe augersandwheeldrive.
NOTE:Alwaysreleasethewheeldrivecontrolbeforechanging
speeds.Failureto do sowill resultinincreasedwearon yourmachine's
drive system.
TWO-WAY CHUTE CONTROL TM
The two-waychute-pitchcontrolis locatedonthe left sideof the
handlepanelandis usedto controlthedistanceof snowdischarge
fromthe chute.
•Tochangethe upperchuteangleto controlthe distancethat
snowis thrown,pivotthe leverforwardor backward.
•Movethe leverforwardto pivotthe upperchutedownand reduce
the distancesnow is thrown.
•Movethe lever rearwardto pivotthe upperchuteupwardand
increasethe distancesnowis thrown.
CHUTE DiRECTiONAL CONTROL
DISCHARGE _DISCHARGE
!
CHUTE TiLT
DOWN
CHUTE TiLT
UP J
15

NOTE:To increaseordecreasethe tensiononthe two-waychute
control,tightenor loosenthe wing knobonthe chuteassembly.
CHUTE DIRECTIONAL CONTROL
Thechutedirectionalcontrolis locatedon the leftsideof thesnow
thrower.
• Tochangethe directioninwhichsnowis thrown,crankclockwiseto
dischargeto the leftandcounterclockwiseto dischargeto theright.
SKID SHOES
Positionthe skidshoesbasedon surfaceconditions.Adjustupward
for hard-packedsnow.Adjustdownwardwhenoperatingongravelor
crushedrocksurfaces.
WHEEL STEERING CONTROLS
The leftandrightwheelsteeringcontrolsarelocatedonthe underside
of the handles.Squeezethe rightcontrolto turn right;squeezethe left
controlto turn left.
NOTE:Operatethe snowthrowerinopenareasuntilyou arefamiliar
withthesecontrols.
HEADLIGHT
The headlightis locatedinsideof the handlepanel.
DRIFT CUTTERS
Thedrift cuttersaredesignedfor use indeepsnow.Theiruse is
optionalfor normalsnowconditions.Maneuverthe snowthrowerso
thatthe cutterspenetratea highstandingsnowdriftto assistsnow
fallingintothe augersfor throwing.
CLEAN-OUT TOOL
Thechuteclean-outtool is convenientlyfastenedto the rearof the
augerhousingwitha mountingclip. Shouldsnowandice become
lodgedin thechuteassemblyduringoperation,proceedas followsto
safelycleanthechuteassemblyandchuteopening:
Neveruseyourhandsto cleara cloggedchuteassembly.Shut
offengineand remainbehindhandlesuntil all movingpartshave
stoppedbeforeunclogging.
1. Releaseboththe AugerControlandtheWheeldrivecontrol.
2. Stopthe engineby removingthe key.
3. Removethe clean-outtoolfromthe clip whichsecuresit to the
rearof the augerhousing.
4. Usethe shovel-shapedendof theclean-outtoolto dislodgeand
scoopanysnowandicewhichhasformedin andnearthe chute
assembly.
5. Refastentheclean-outtoolto themountingcliponthe rearof the
augerhousing,reinsertthe keyandstartthesnowthrower'sengine.
6. Whilestandinginthe operator'sposition(behindthesnow
thrower),engagethe augercontrolfora fewsecondsto clear any
remainingsnowandice fromthechuteassembly.
BEFORE STARTING ENGINE
Read,understand,andfollowall instructionsand warningsonthe
machineandinthis manualbeforeoperating.
Oil
The unitwasshippedwithoilin the engine.Checkoil levelbeforeeach
operationto ensureadequateoil inthe engine.Forfurtherinstructions,
referto the Service& Maintenancesectionof this manual.
NOTE: Besureto checkthe engineona levelsurfacewiththeengine
stopped.
1. Removethe oilfiller cap/dipstickandwipe thedipstickclean.
2. Insertthe cap/dipstickintothe oil fillerneck,andtightenthe cap
turningclockwiseuntilcap is seated.
.
NOTE: Onsomeengines,a threadedscrewcapwill be present
insteadof the quarterturnlockingcap.In the instanceof a
threadedoil cap/dipstick,DO NOTscrewthecap/dipstickinto
check.Checkthe oil by restingthecap/dipstickonthe threads,
but not screwingit in.
Removethe oilfiller cap/dipstick.If thelevelis low,slowlyadd
oil (5W-30,witha minimumclassificationof SF/SG)untiloil level
registersbetweenhigh(H) andlow (L).
NOTE: Donot overfill.Overfillingwithoil mayresultinenginesmoking,
hardstartingor sparkplugfouling.
4. Replaceandtightencap/dipstickfirmlybeforestartingengine
Gasoline
Useextremecarewhen handlinggasoline.Gasolineis extremely
flammableandthevaporsare explosive.Neverfuelthe machine
indoorsorwhilethe engineis hotor running.Extinguishcigarettes,
cigars,pipesandothersourcesof ignition.
Useautomotivegasoline(unleadedor lowleadedto minimizecombus-
tion chamberdeposits)witha minimumof 87 octane.Gasolinewith
up to 10%ethanolor 15%MTBE(MethylTertiaryButylEther)can be
used.Neverusean oil/gasolinemixtureordirty gasoline.Avoidgetting
dirt, dust,or waterinthe fuel tank.DO NOTuse E85gasoline.
• Refuelina well-ventilatedareawiththe enginestopped.Do not
smokeorallowflamesor sparksin the areawherethe engineis
refueledor wheregasolineis stored.
• Donot overfillthe fueltank.After refueling,makesurethe tank
cap is closedproperlyandsecurely.
• Becarefulnotto spillfuel whenrefueling.Spilledfuel orfuel vapor
mayignite.Ifany fuelis spilled,makesurethe areais dry before
startingthe engine.
• Avoidrepeatedor prolongedcontactwithskinorbreathingof vapor
1. Cleanaroundfuel fill beforeremovingcap to fuel to preventdebris
fromenteringfuel tank..
2. A fuel levelindicatoris locatedin the fueltank. Fill tankuntilfuel
reachesthe fuel levelindictor.SeeFigure10inset.Becarefulnot
to overfill.
16

STARTING THE ENGINE Recoil Starter
Alwayskeephandsand feetclearof movingparts.Do not usea
pressurizedstartingfluid.Vaporsareflammable.
NOTE:Allowtheengineto warmupfor a fewminutesafterstarting.
Theenginewill not developfull poweruntilit reachesoperating
temperatures.
1. Makecertainboththe augercontrolandwheeldrivecontrolare in
the disengaged(released)position.
2. Insertkeyintoslot. Makesureit snapsinto place.Do notattempt
to turnthe key.
NOTE:The enginecannotstartwithoutthe keyfullyinsertedintothe
ignitionswitch.
Electric Starter
The optionalelectricstarteris equippedwithagroundedthree-wire
powercord andplug,andis designedto operateon 120volt AC
householdcurrent.Itmust beusedwitha properlygroundedthree-
prongreceptacleat alltimesto avoidthe possibilityof electric shock.
Followallinstructionscarefullypriorto operatingthe electricstarter.
Determinethatyour home'swiringis athree-wiregroundedsystem.
Aska licensedelectricianif youarenot certain.
If youhavea groundedthree-prongreceptacle,proceedas follows:
1. Plugthe extensioncordinto theoutletlocatedonthe engine's
surface.Plugthe otherendof extensioncordinto a three-prong
120-volt,grounded,AC outletin awell-ventilatedarea.
2. Movethrottlecontrolto FAST(rabbit)_ position.
3. Movechoketo the CHOKEpositionI,._1 (coldenginestart).
NOTE: Ifthe engineis alreadywarm,placechokecontrolinthe
RUNpositioninsteadof CHOKEIJl position.
4. Pushprimerthree times(3x),makingsureto coverventholein
primerbulbwhen pushing.If engineis warm,pushprimeronly
once.Alwayscoverventholewhenpushing.Coolweathermay
requireprimingto be repeated.
5. Pushstarterbuttonto start engine.Oncethe enginestarts,im-
mediatelyreleasestarterbutton.Electricstarteris equippedwith
thermaloverloadprotection;systemwill temporarilyshut-downto
allowstarterto cool if electricstarterbecomesoverloaded.
To prolongstarterlife,useshortstartingcycles(5 secondsmaximum
then waitoneminute).
6. As theenginewarms,slowlyrotatethe chokecontroltothe RUN
position.If the enginefalters,restartengineandrunwithchoke
at half-chokepositionfor a shortperiodof time,andthen slowly
rotatethe chokeintothe RUNposition.
7. Afterengineis running,disconnectpowercordfromelectric
starter.Whendisconnecting,alwaysunplugthe endat the wall
outletbeforeunpluggingtheoppositeendfromthe engine.
Donot pullthe starterhandlewhile theenginerunning.
1. Movethrottlecontrolto FAST(rabbit)_ position.
2. Movechoketo the CHOKEIJl position'_'(coldenginestart).If
engineis warm,placechokeinthe RUNposition.
3. Pushprimerthreetimes,makingsureto coverventholewhen
pushing.If engineis warm,pushprimeronly once.Alwayscover
ventholewhenpushing.Coolweathermayrequireprimingto be
repeated.
4. Pullgentlyonthe starterhandleuntilit beginsto resist,thenpull
quicklyandforcefullyto overcomethe compression.Engineshould
start.Donot releasethehandleandallowit to snapback.Return
ropeSLOWLYto originalposition.Ifrequired,repeatthisstep.
5. As the enginewarms,slowlyrotatethe chokecontrolto the RUN
position.If the enginefalters,restartengineand runwithchoke
at half-chokepositionfora shortperiodof time,andthenslowly
rotatethechokeintothe RUNposition.
Toavoidunsupervisedengineoperation,neverleavethe machine
unattendedwiththe enginerunning.Turnthe engineoff afteruseand
removekey.
STOPPING THE ENGINE
Afteryou havefinishedsnow-throwing,runenginefor a fewminutes
beforestoppingto helpdry off any moistureon the engine.
1. Movethrottlecontrolto STOPI_ position.
inc. Backfireoren( occur.
2. Removethekey.Removingthekeywillreducethepossibilityof
unauthorizedstartingof theenginewhileequipmentisnotinuse.
Keepthekeyinasafeplace.Theenginecannotstartwithoutthekey.
3. Wipeall snowand moisturefromthe areaaroundthe engineas
well as theareain andaroundthe wheeldrivecontrolandauger
control.Also,engageand releasebothcontrolsseveraltimes.
TO ENGAGE WHEEL DRIVE
1. Withthe throttlecontrolinthe Fast(rabbit)_ position,move
speedselector leverintooneof the sixforward(F)positionsor
two reverse(R) positions.Selecta speedappropriatefor the
snowconditionsanda paceyou'recomfortablewith.
NOTE: Whenselectinga DriveSpeed,usethe slowerspeeds
untilyouarecomfortableandfamiliarwiththe operationof the
snowthrower.
2. Squeezethe drivecontrolagainstthe handleandthe snow
throwerwill move.Releaseit anddrive motionwill stop.
NOTE:NEVERrepositionthe speedselectorlever(changespeedsor
directionof travel)withoutfirst releasingthe drivecontrolandbringing
the snowthrowerto a completestop.Doingso will resultin premature
wearto the snowthrower'sdrivesystem.
17

TO ENGAGE AUGER
1. Toengagetheaugerandstart throwingsnow,squeezetheauger
controlagainstthe lefthandle.Releaseto stopthe augers.
REPLACING SHEAR PINS
Theaugersaresecuredto the spiralshaftwithshearpinsandbow-tie
cotterpins.Ifthe augershouldstrikea foreignobjector icejam,the
snowthroweris designedso thatthe pins mayshear.If theaugerswill
notturn,checkto seeif the pins havesheared.SeeFigure17.
NOTE:Twoextrashearpinsare suppliedinthe manualbag.
NEVERreplacetheaugershearpinswithanythingotherthanOEM
Part No.738-04155replacementshearpins.Anydamageto the
I augergearboxor othercomponentsas,a resultof failingto do so will
[ NOTbe coveredby yoursnowthrowers warranty.
Alwaysturnoff the snowthrower'sengineand removethe keypriorto
replacingshearpins.
f-
Figure17
18

MAINTENANCE SCHEDULE
Beforeperforminganytypeof maintenance/service,disengageall
controlsandstoptheengine.Waituntilallmovingpartshavecometo a
completestop.Removethekeyto preventunintendedstarting.Always
wearsafetyglassesduringoperationorwhileperforminganyadjustments
orrepairs.
Followthe maintenanceschedulegivenbelow.Thischartdescribes
serviceguidelinesonly.Usethe ServiceLogcolumnto keeptrackof
completedmaintenancetasks.To locate the nearest Sears Service
Centeror to scheduleservice,simplycontactSears at
1-800-4-MY-HOME®.
EachUse
1st5 -8 hours
25 hours
50 hours
Annuallyor 100hours
BeforeStorage 1. Fuelsystem
Underheavyloador inhightemperatures
1. Engineoillevel
2. Looseormissinghardware
3. Unitandengine.
1. Engineoil
1. Engineoi11-
2. Controllinkagesand pivots
1. Engineoil
1. Sparkplug
= =
1. Check
2. Tightenor replace
3. Clean
1. Change
1. Change
2. Lubewithlightoil
1. Change
1. Cleanand re-gap,orelse replace
withnew plug.
1. Runengineuntilit stopsfromlackof
fuel oradda gasolineadditiveto the
gas in thetank.
ENGINE MAINTENANCE
Checking Engine Oil
Beforelubricating,repairing,or inspecting,disengageallcontrolsand
stopengine.Waituntilall movingpartshavecometo a completestop.
Removethekeyto preventunintendedfiringofthe engine.
NOTE: Checktheoil levelbeforeeachuseto besurecorrectoil level
is maintained.
Whenaddingoilto the engine,referto viscositychart below.Engineoil
capacityis approximately37 ounces.Donot over-fill.Usea 4-stroke,
oran equivalenthighdetergent,premiumqualitymotoroilcertified
to meetorexceedU.S.automobilemanufacturer'srequirementsfor
serviceclassificationSG, SR MotoroilsclassifiedSG, SFwill show
thisdesignationonthe container.
1. Removethe oil fillercap/dipstickandwipethe dipstickclean.
2. Insertthe cap/dipstickintotheoil filler neck,butdo not screwit in.
NOTE:On someengines,a threadedscrewcap will bepresent
insteadof thequarterturn lockingcap.In the instanceof a threadedoil
cap/dipstick,DO NOTscrewthecap/dipstickin to check.Checkthe oil
by restingthe cap/dipstickonthe threads,butnot screwingit in.
3. Removethe oil fillercap/dipstick,if levelis low,slowlyadd oiluntil
oil levelregistersbetweenhigh(H) andlow (L). SeeFigure18.
4. Replaceandtightencap/dipstickfirmlybeforestartingengine.
Figure18
Changing Engine Oil
J
NOTE:Changethe engineoil afterthefirst 5 hoursof operationand
once a seasonor every50 hoursthereafter.
1. Drainfuel fromtankby runningengineuntilthefuel tankis empty.
Besurefuel fill capis secure.
2. Placesuitableoil collectioncontainerunderoil drainplug.
3. Removeoil drainplug.SeeFigure19.
4. Tip engineto drainoil intothe container.Usedoil mustbe
disposedof at a propercollectioncenter.
19

f
Oil Drain
Plug
Figure19
Usedoil is a hazardouswasteproduct.Disposeof usedoil properly.
Donotdiscardwith householdwaste.Checkwithyourlocalauthori-
tiesor SearsServiceCenterfor safedisposal/recyclingfacilities.
.
6.
Reinstallthe drainplugandtightenit securely.
Refillwiththe recommendedoil andcheckthe oil level.See
RecommendedOil Usage chart. The engine's oil capacity is 37
ounces.
if the enginehas beenrunning,the mufflerwill beveryhot.Becareful
not to touchthe muffler.
NOTE: Checkthe sparkplugonce a seasonor every25 hoursof
operation.Changethe sparkplugoncea seasonorevery100hours.
Toensureproperengineoperation,the sparkplugmustbeproperly
gappedandfree of deposits.
1. Removethe sparkplugbootand usea sparkplugwrenchto
removethe plug.SeeFigure20.
Spark Plug
DONOTuse non-detergentoilor 2-strokeengineoil. Itcould shorten
the engine'sservicelife.
(°F}=40o =20o 0o 200 400
(°c) -30° -20° -10 ° 0°
7. Reinstallthe oilfillercap/dipsticksecurely.
Thoroughlywashyour handswithsoapandwateras soonas
possibleafterhandling usedoil.
Checking Spark Plug
DO NOTcheckfor sparkwithsparkplugremoved.DO NOTcrank
enginewithsparkplugremoved.
Figure20
2. Visuallyinspectthe sparkplug. Discardthe sparkplugif thereis
apparentwear,or if the insulatoris crackedor chipped.Cleanthe
sparkplugwith awire brushif it is to be reused.
3. Measurethe pluggapwitha feelergauge.Correctas necessary
bybendingsideelectrode.SeeFigure21.Thegap shouldbe set
to .02-.03inches(0.60-0.80ram).
,'2 3
1..030 (.76 mm) Gap
2. Electrodes
k"_i Porcelain
Figure21
4. Checkthatthe sparkplugwasheris ingoodconditionandthread
the sparkplugin by handto preventcross-threading.
2O

5. Afterthe sparkplugis seated,tightenwitha sparkplugwrenchto
compressthe washer.
NOTE:Wheninstallinga newsparkplug,tighten1/2-turnafterthe
sparkplugseatsto compressthe washer.Whenreinstallinga used
sparkplug,tighten1/8-to 1/4-turnafterthe sparkplugseatsto
compressthe washer.
hot andcan ine.
CARBURETOR ADJUSTMENT
Thecarburetoris notuseradjustable.ContactSearsParts& Repairfor
adjustment.
LUBRICATION
Drive and Shifting Mechanism
At leastoncea seasonor afterevery25 hoursof operation,remove
rearcover.Lubricateall chains,sprockets,gears,bearings,shafts,and
the shiftingmechanism.Useengineoil ora spraylubricant.Referto
Figure22.
NOTE:Beforetippingthe unit on the fronthousing,runthefuel tank
emptyso fueldoes notleak outof thefuel cap.
1. Carefullypivotthe snowthrowerupandforwardso that it restson
theaugerhousing.
2. Removethe framecoverfromthe undersideof the snowthrower
by removingthe self-tappingscrewswhichsecureit. Referto
Figure27.
3. Applya lightcoatingof engineoil (or3-in-1oil) to the hexshaft.
SeeFig.22.
NOTE: Becarefulnotto get any oilon thealuminumdrive plateor
rubberfrictionwheel.Doingso will hinderthe snowthrower'sdrive
system.Wipeoff anyexcessor spilledoil.
/.............
Aluminum
Drive
Wheel Axle
Support Bracket
4. At least once a season grease the wheel axle with Arctic grease,
part number 737-0318. The grease fitting is located on the
wheel axle tube behind the wheel axle support bracket.
Wheels
At leastoncea season,removebothwheels.Cleanandcoatthe axles
witha multipurposeautomotivegreasebeforereinstallingwheels.
Chute Directional Control
Once aseason,lubricatethe eyebolt bushingandthe spiralwith3-in-1
oil.
Auger Shaft
At leastoncea season,oneat a time, removeallof theshearpins
fromthe augershaft.Spraylubricantinsidethe hubof eachauger
spiralassemblyandaroundthe spacersonthe augershaft.
Greasefittingscan alsobe foundat each endof the augershaft.
Lubricatewitha greasegunoncea season.See Figure23.
Gear Case
The augergearcaseis equippedwitha greasefitting.Lubricatewith
greaseoncea season(orderpart number737-0168).SeeFigure6-2.
NOTE: Torelievepressure,removethe ventplugbeforelubricatingthe
gearcase.See Figure23. Failureto doso could resultindamageto
the gearcaseseals.
Augers
Eachof the augerspiralassembliesis securedto the spiralshaftwith
a shearpinandcotter pin.If the augershouldstrikeaforeignobjector
ice jam,the snowthroweris designedso thatthe pinsmayshear.
1. Ifaugersdonot turn,checkto seeif pinshavesheared.
2. Replacethe pinsif needed.Tworeplacementshearpinsand
cotterpins havebeenprovidedwiththe snowthrower.Sprayan
oil lubricantintoshaft beforeinsertingnewpinsand securingwith
newcotter pins.See Fig.23.
i • i I ii
iShear Pins ii:i
"Vent Plug Grease Fitting
Bow=Tie Pins Spacers
Figure23
Figure22
21

SHAVE PLATE AND SKiD SHOES
Theshaveplateand skidshoesonthe bottomof the snowthrowerare
subjectto wear.Theyshouldbecheckedperiodicallyandreplaced
whennecessary.
Skid Shoes
NOTE:Theskidshoesonthismachinehavetwo wearedges.When
onesidewearsout, theycan be rotated1800to usethe otheredge.
1. Removethesix carriageboltsandhexnutsthatsecurethe two
skidshoesto the sidesof the augerhousing.Referto Figure24.
2. Positionthe new skidshoesandsecurewiththe carriagebolts
andhex nuts.Makecertainthe skidshoesare adjustedto be
level.
Shave Plate
1. Removethehex nutsandcarriageboltsthatsecurethe shave
plateto the bottomof the housing.Referto Figure24.
2. Removethe rearmost hexnutand carriagebolt securingthe back
of eachskidshoeto the sidesof the housing.Loosenthefour
remaininghexnutssecuringthe skidshoes.
3. Slidetheshaveplateout of the off-setslotat thebottomof the
housing,andfrom betweenthe skidshoesandside panelsof the
housing.
4. Withthe mountingholestowardthe backof the unit,slidethe new
shaveplateinto positionandsecurewiththe fastenersremoved
previously.
f
0
Figure24
ADJUSTMENTS
Shift Cable
If thefull rangeof speeds(forwardandreverse)cannotbe achieved,
referto the Figure25 andadjustthe shiftcable as follows:
1. Placethe shiftleverin thefastestforwardspeedposition.
2. Loosenthe hex nuton the shiftcable indexbracket.SeeFig.25.
3. Pivotthe bracketdownwardto takeupslack inthe cable.
4. Retightenthehex nut.
k
J
Figure25
Chute Bracket Adjustment
Ifthe spiralat the bottomof thechutedirectionalcontrolis notfully
engagingwiththechuteassembly,the chutebracketcan beadjusted.
Todo so:
5. Loosenthetwo nutswhichsecurethe chutebracketandreposi-
tion it slightly.SeeFigure26.
6. Retightenthenuts.
Figure26
Chute Control
The distancesnow is throwncanbe adjustedbyadjustingthe angleof
the chuteassembly.Referto the Operationsectionfor instructions.
The remotechutecontrolcableshavebeenpre-adjustedat the factory.
Movethe remotechuteleveron the controlpanelforwardto pivotthe
upperchutedown;movethe leverrearwardto pivotthe upperchute
up.
22

Wheel drive control
Referto the Adjustmentsectionof the Assemblyinstructionsto adjust
thewheeldrive control.Tofurthercheckthe adjustment,proceedas
follows:
1. Withthe snowthrowertippedforward(be certainto runthe
fueltankdry beforetippingthe unitforward),removethe frame
coverunderneaththe snowthrowerby removingthe self-tapping
screws.SeeFig.27.
J
Figure27
2. Locatethe openingbetweenthe axle supportbracketand
thefrontframesupport(SeeFigure28). Lookingthroughthis
opening,withthe wheeldrivecontrolreleased,theremustbe
clearancebetweenthefrictionwheelandthe driveplatein all
positionsof the speedselector lever.
3. Withthe wheeldrivecontrolengaged,the frictionwheelmust
contactthedrive plate.SeeFigure28.
Drive -Axle Supp.
Plate Bracket
Opening
Figure28
4. Ifthere isnofrictionwheelclearance,or the frictionwheeldoes
not solidlycontactthe driveplate,re-adjustthe locknuton the
lowerendof thedrive cablefollowingthe instructionsin the
Assemblysection.
5. Reassemblethe framecover.
Auger Control
Referto theAssemblysectionfor instructionson adjustingthe auger
controlcable.
Skid Shoes
Referto theAssemblysectionfor instructionson adjustingthe skid
shoes.
Tire Pressure
Referto theAssemblysectionfor instructionson adjustingthe tire
pressure.
BELT REPLACEMENT
Belt Removal Preparation
1. Removethe chutecrankrodfrom thechutecrankassemblyby
removingthe hairpinclip shownin Fig.29. Movethe chutecrank
rodawayfromthe assemblyas shown.
Removethreeself-tapscrewson bothsidesof the transmission
housingas shownin Fig.29.
Figure29
3. Removethe plasticbeltcover,locatednearthe engine,by remov-
ing thethreeself-tappingscrewsthatsecureit.See Figure30.
f
23

.Loosenthe bolt shownin Figure31securingthe beltkeeper
bracketandremovetheother bolt.Pushthe belt keeperand
bracketupoff the enginepulley.
Loosen
\
\
Figure31
Auger Belt Replacement
1. Removethebow-tieclip andflatwasherfromtheferrulein order
to disconnectthe augeridlerrod fromthe brakebracketassem-
bly.SeeFigure32.
NOTE:Makesurethatthe locationof the ferruleon the auger
idlerrodis maintained.
z-fitting
J
Figure33
Placeablockof woodunderneaththeaugerhousingas shownin
Figure34 andseparateaugerhousingfromtheframeby tiltingthe
housingforwardandpullingupthe handles.
HairpinClip
Ferrule
AugerIdler Rod
Figure32
2. Slipthe augercontrolbelt (thefrontbelt) offthe enginepulley.
3. Pullthe brakebracketassemblytowardsthe cableguideroller
andunhookthe augercable z-fitting.SeeFigure33.
4. Fromboth sidesof the the frameassembly,use a 1/2" wrenchto
removethe threehex tap screwssecuringthe frameto the auger
housingassembly.Referbackto Figure29.
NOTE:Do not removethe lowerhexflangelocknuton eachside.
Figure34
24
6. Blockthe impellerwithapieceof woodto preventit fromspinning
andusea 1/2"wrenchto removethe hexscrewandflatwasher
fromthecenterof the pulleyontheaugerhousing.SeeA inFig.35.
7. Liftthe brakebracketassemblyout of the pulleygroove(B in
Figure35)andslide the pulleyassemblyoff the postsof the auger
pulleyadapter(C) to removethe oldbelt.
.
9.
NOTE:Thepulleyadaptermayslideoff the augerinputshaft
when removingthe pulley.Useextracautionto ensurethe
adapterdoesfalland/or get damagedwhen removingthe pulley.
Placethe newaugerbeltin the V-grooveof the augerpulleyand
placethe pulleyw/belt insidethebelt keepers.
Turnthe pulleyas necessaryto alignitsthreeslotsapproximately
withthepostsof thepulleyadapter,thenpivotthe brakebracket
assemblyawayfromthe pulleygroove. Whilealigningthe pulley
slotsandadapterposts, pushtheauger pulleyfullyonto the
adapter.Referto Figure35. Ensurethebrakepuckof the brake
bracketassemblyalignsandis fullyseatedin the pulleygroove.

!
pterPost
Brake
%
J
Figure35
NOTE: If the pulleyadapterwas removedwiththe pulley,alignthe
splinesof the pulleyadapterandaugerinputshaft,andpushthe pulley
andadapterontothe inputshaft.Referto Figure35.
10. Slidethe washerontothe hex screwremovedearlierandapply
Loctite262to thethreadsof the hex screw.
11. Insertthe hexscrewthroughthe pulleyassemblyandintothe
threadsof the inputshaft.Torquethe hex screwto 250-325in.
Ibs.to securethe augerpulleyassemblyon the inputshaft.
12. Ifalso replacingthe drivebelt,proceedto the "DriveBelt"instruc-
tions.If not,repositionthe transmissionframebackonto
theaugerhousing.
13. Installthedrive belton theenginepulley,re-connectthe auger
cablez-fittingandaugeridler rodferruleto the brakebracket.
Repositionand securethe enginepulleybelt guard,and re-install
the beltcover.
NOTE:Makesureto removethe pieceof woodblockingthe impeller.
Checkthe augerdrivebeltadjustment. Withthe augerclutchlever
inthe disengagedposition,thetop surfaceof the newbelt shouldbe
evenwiththeoutsidediameterof the pulley.
Toadjust,disconnectferrulefrombrakebracketassembly.Thread
ferrulein(towardsidler)to increasetensionon belt,orout to decrease
belttension.
NOTE:Thebrakepuckmustalwaysbefirmly seatedinthe pulley
groovewhenaugercontrolis disengaged.
IMPORTANT:Repeatthe "AugerDriveControlTest"fromthe As-
semblysectionbeforeoperatingsnowthrower.
Drive Belt Replacement
If notalreadydone,removethe augerdrivebelt fromthefrontpulleyof
theenginedoublepulley.Referto "AugerBeltReplacement"instruc-
tionsinthe previoussub-section.
1. a. Pullthe idlerpulleyawayfromthe backsideof the drivebeltto
relievethetension.SeeFigure36.
b. Slipthe drivebelt offthe idlerpulley. Carefullyreleasethe idler
pulley.
J
Figure36
2. Rollthe drivebeltoff the lowerdrivepulley.
3. Removethe belt fromthe enginepulley.
4. Installthe newbelton the pulleysinthe reverseorderand
re-tensionwiththe idlerpulley.
5. Reassembleby performingthe previousstepsintheopposite
orderand mannerof removal.
CHANGING FRICTION WHEEL
The rubberonthe frictionwheelis subjectto wearandshouldbe
checkedperiodically.Replacethefrictionwheelif anysignsof wearor
crackingarefound.
1. Runthe unit'sfuel tankdry beforeperformingStep2. Donot
attemptto pourfuel fromthe engine.
2. Tip the snowthrowerupand forward,sothat it restsonthe
housing.
3. Removescrewsfromtheframecoverunderneaththe snow
thrower(referto Figure37). Removethe rightwheelfromthe axle.
e
Figure37
25

.
f
.
.
7.
f
Usinga 3/4" wrench,holdthe hex shaftandremovethe hex
screwandbellevillewasherand bearingfromleft sideof the
frame.Referto Figure38.
RemoveHexScrew
BellevilleWasher
l,
FrictionWheelAss'y.
/
SlideHex
ShaftOut
RightSide
Figure38
Holdingthe frictionwheelassembly,slidethe hex shaftoutof
the frictionwheelassemblyandthe rightsideof theframe.The
spaceronthe left sideof the hex shaftwillfall andthe sprocket
shouldremainhanginglosein the chain.
Liftthe frictionwheelassemblyout betweenthe axle shaftand
the driveshaftassemblies.
Removefourscrewssecuringthe frictionwheelto the hub
assembly(referto Figure39). Discardoldfrictionwheel.
!!S i¸i¸i¸;i!!¸i¸:¸¸i¸¸i¸!_¸¸_!¸¸i¸¸¸¸¸¸¸¸¸¸¸¸¸'¸¸¸"i!i_i_!!!i!i;i!iiiiii!iiiii
f_L
¢-
_,,, J
Figure39
8. Reassemblethe newfrictionwheelontothe hubassembly,
tighteningthe fourscrewsin rotationandwithequalforce.It is
importantto assemblethefrictionwheelsymmetricallyfor proper
functioning.
9. Repositionthe frictionwheelassemblyin the snowthrowerframe.
Insertthe pinfromthe speedselector armassemblyintothe
frictionwheelassemblyandholdassemblyin position.Referto
Figure40.
26
0
Figure40
10. Slidethe hexshaft throughthe rightside of the frametowardthe
Idt sideandthroughthe frictionwheelassembly.
11. Aftermakingcertainthatthe chainis on boththe largeandthe
smallsprocket,alignthe hex shaftwiththe hexhubof the small
sprocket,andslidethe shaftthroughthe sprocket.
NOTE:Ifthe sprocketfell fromthe snowthrowerwhile removing
the hex shaft,placethe sprocketonthe chain.Realignthe
sprocketonthe chainwiththe hex hubfacingthe rightsideof
unit.Positionthe hexhubof the sprockettowardthe frictionwheel
whenslidingthe sprocketon to the hexshaft.
12. Slidethe spacerontothe endof the hex shaft.
Note: The spaceris to be placedon the hexshaftbetweenthe
sprocketandbearingpreviouslyremovedonthe leftsideof the
frame.
13. Alignthe bearingonthe rightendof thehex shaftwiththe hole
inthe rightside of the frame,then pushthe hexshaftto the left
intopositioninthe frame.
14. Slidethe bearingontothe leftendof the hex shaftandpressinto
the holeon theleft sidethe frame.
15. Placethe bellevillewasher(roundedside towardhead)ontothe
hexscrewremovedearlier,andinsertthescrewinto thethreaded
holeof the hex shaft.
16. Graduallytightenthe hexscrewto fullyseatthe bearingsineach
sideof the frameandto securethe hex shaft.
17. Positionthe framecoveron the bottomof the frameand secure
withthe self-tappingscrews.Pivotthe snowthrowerdownto it
normaloperatingposition.
iMPORTANT:Repeatthe drivecontroltestfromthe Assemblysection
of this manualbeforeoperatingthe snowthrower.

Ifthesnowthrowerwillnotbeusedfor30daysorlonger,orifitistheendofthesnowseasonwhenthelastpossibilityofsnowisgone,the
equipmentneedstobestoredproperly.Followstorageinstructionsbelowtoensuretopperformancefromthesnowthrowerformanymoreyears.
PREPARING ENGINE
Enginesstoredover30daysneedto bedrainedof fuel to prevent
deteriorationandgumfromforminginfuel systemor onessential
carburetorparts.If thegasolineinyourenginedeterioratesduring
storage,youmayneedto havethe carburetor,andotherfuel system
components,servicedor replaced.
1. Removeall fuel fromtank by runningengineuntil it stops.Donot
attemptto pourfuel fromthe engine.
2. Changethe engineoil.
3. Removesparkplugandpourapproximately1oz.(30 rnl)of clean
engineoil intothe cylinder.Pullthe recoilstarterseveraltimesto
distributetheoil, and reinstallthe sparkplug.
4. Cleandebrisfromaroundengine,andunder,around,andbehind
muffler.Applya lightfilmof oilon anyareasthatare susceptible
to rust.
• Storeina clean,dry andwellventilatedareaawayfromanyap-
pliancethatoperateswithaflameor pilotlight,suchas a furnace,
waterheater,or clothesdryer.Avoidany areawitha spark
producingelectricmotor,or wherepowertoolsareoperated.
Neverstoresnowthrowerwithfuel intank indoorsor inpoorlyventi-
latedareas,wherefuel fumesmayreachan openflame,sparkor pilol
lightas ona furnace,waterheater,clothesdryer orgas appliance.
• If possible,avoidstorageareaswithhighhumidity.
• Keepthe enginelevelin storage.Tiltingcan causefuel oroil
leakage.
PREPARING SNOW THROWER
Whenstoringthe snowthrowerin anunventilatedormetalstor-
age shed,careshouldbetakento rustprooftheequipment.Using
a light oilor silicone,coattheequipment,especiallyanychains,
springs,bearingsandcables.
• Removealldirt fromexteriorof engineandequipment.
• Followlubricationrecommendations.
• Storeequipmentin a clean,dry area.
27

Enginefailsto start
Enginerunningerratically/
inconsistentRPM(huntingor
surging)
Excessivevibration
Lossof power
Unitfailsto propelitself
Unitfailsto dischargesnow
1. Chokecontrolnot inCHOKEposition.
2. Sparkplugwire disconnected.
3. Faultysparkplug.
4. Fueltankemptyor stalefuel.
5. Enginenot primed.
6. Keynot inserted.
7. Extensioncordnot connected(when
usingelectricstartbutton,on modelsso
equipped).
1. EnginerunningonCHOKE.
2. Stalefuel.
3. Waterordirt infuel system.
4. Over-governedengine.
1. Loosepartsor damagedauger.
1. Sparkplugwire loose.
2. Gascap ventholeplugged.
1. Drivecable inneedof adjustment.
2. Drivebelt looseor damaged.
3. Wornfrictionwheel.
1. Chuteassemblyclogged.
2. Foreignobjectlodgedin auger.
3. Augercablein needof adjustment.
4. Augerbelt looseordamaged.
5. Shearpin(s) sheared.
1. Chuteassembledincorrectly.
1. Movechokecontrolto CHOKEposition.
2. Connectwireto sparkplug.
3. Clean,adjustgap,or replace.
4. Filltankwith clean,freshgasoline.
5. Primeengineas instructedinthe OperationSection.
6. Insertkeyfully intothe switch.
7. Connectoneendof the extensioncordto the electric
starteroutletandthe otherendto a three-prong
120-volt,grounded,ACoutlet.
1. Movechokecontrolto RUNposition.
2. Filltankwith clean,freshgasoline.
3. Drainfueltankby runningengineuntil it stops.Refill
withfreshfuel.
4. ContactyourSearsParts& RepairCenter.
1. Stopengineimmediatelyand disconnectsparkplug
wire.Tightenall boltsand nuts.Ifvibrationcontinues,
haveunit servicedbya SearsParts& RepairCenter.
1. Connectandtightensparkplugwire.
2. Removeiceand snowfromgascap. Becertainvent
holeis clear.
1. Adjustdrivecontrolcable.Referto Serviceand
Maintenancesection.
2. Replacedrive belt.Referto Serviceand Mainte-
nancesection.
3. Changefrictionwheelorcontactyour SearsParts&
RepairCenter.
1. Stopengineimmediatelyand disconnectsparkplug
wire.Cleanchuteassemblyandinsideof auger
housingwithclean-outtoolor a stick.
2. Stopengineimmediatelyand disconnectsparkplug
wire.Removeobjectfromaugerwith clean-outtool
ora stick.
3. Adjustaugercontrolcable.Referto Assembly
section.
4. Replaceaugerbelt.Referto Serviceand Mainte-
nancesection.
5. Replacewith newshearpin(s).
Chutefailsto easily rotate180 1. Disassemblechutecontroland reassembleas
degrees directedinthe Assemblysection.
NEED HORE HELP?
Yot,Fttfind. th_ answer a!ld mo_e on ma_age_y_ifeocom _ for free]
Find this and att your other product manua[s ontine.
Get answers from our team of home experts.
Get a personalized maintenance p[an for your home.
Find information and tools to he[p with home projects.
managemylife
b_e'_g_t_/_eyeu by Sea_s
27

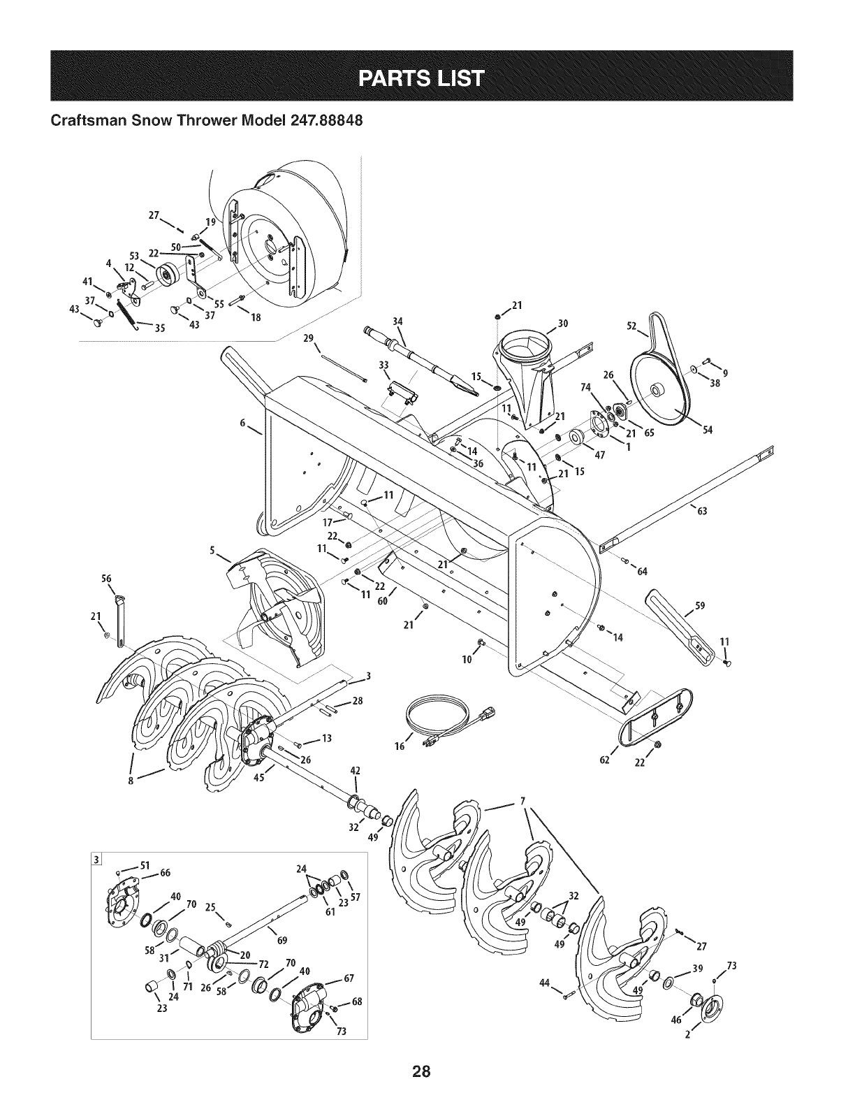
Craftsman Snow Thrower IViodel 247.88848
74
47
_15
21 /
\21
10
22
11
\ 24
23
24
7O 25
\ 61
69
7O
32
44
28

Craftsman Snow Thrower IViodel 247.88848
D = 0
05244B Housing,Bearing
2. 784-0315A Housing,Bearing
3. 918-04514 GearBoxAssembly,Auger
4. 918-0281A BracketAssy,AugerBrake
5. 684-0090B-0637 Impellar,16"
6. 684-04224-0691 Housing,Auger- 45"
7. 684-04151-4028 SpiralAssy,LH
8. 684-04152-4028
9. 710-1245B
10. 710-0389
11. 710-0451
12. 710-0347
13. 710-0376
14. 710-04484
SpiralAssy,RH
Screw,5/16-24x .875
Bolt,Carriage,3/8-16x .750
Screw,Carriage,5/16-18x .75
Screw,HexCap,3/8-16x 1.75
Screw,HexCap,5/16-18x 1.00
Screw,5/16-18x .750
15. J 926-04012 J Nut,Push
16. 929-0071A ExtensionCord, 110V
17. 710-3168 Bolt,Carriage,3/8-16x 1.0
18. 710-04606A Screw,5/16-18x .4300
19. 911-0677 Ferrule
20. 917-0299 Gear,Worm,DblThread
21. 712-04063 Nut,FlngeLk,5/16-18
22. 712-04065 Nut,Fig Lk,3/8-16
23. 941-0217 Sleeve
24. 936-0291 Washer,Flat,.88 IDx .38 OD
25. 914-0126 Key,Hi Pro,3/16 x 3/4
26. 914-0135 Key,Woodruff,I/4 x 3/4
27. 714-04040 Pin,BowtieCotter
28. 915-0118 Pin,Spirol,5/16 x 1.75
29. 725-0157 Tie, Cable
30. 731-1696B Adapter,Chute,6"
31. 738-0275 Shaft,Gear,Worm
32. 731-05163 Spacer,1.0x 1.5x 1
33. 731-2635 Clip,Mounting
34. 931-2643 Tool,Cleanout
35. 732-0858 Spring,Extension
36. 936-0159 Washer,.349x.879x.063
37. 736-0174 Washer,.625x.885x.015
D = W O
736-0505 Washer,Flat,.34x 1.50x .150
39. 950-04020 Spacer,1.004x 1.375x .25
40. 921-0146 Oil Seal
41. 936-3008 Washer,.344x.75x.12
42. 736-3046A Washer,1.01x 1.86x .06
43. 938-0281 Screw,Shoulder,.625x.17
44. 738-04155 Pin, Shear,.25x 1.75
45. 738-04159 Axle,Spiral,45"
46. 741-0192 Bearing,Flangew/Flats
47. 941-04024 Bearing,SelfAligning
48. 941-0475 Bushing,Nylon
49. 741-0494 Bushing,Flange,1.051x 1.16
50. 747-0980A Rod,AugerIdler
51. 721-0325 Plug
52. 954-04194A V Belt,4Lx 44.60"Long
53. 756-0178 Pulley,FlatIdler,2.75OD
54. 756-04244A Pulley,AugerDrive,10.0
55. 784-0385C Bracket,AugerIdler
56. 790-00264A-0637 Bracket,GearBox Support
57. 921-0145 Seal,Oil
58. 936-0266 Washer,Flat,1.52IDx 2.00D
59. 790-00181 Drift Cutter
60. 790-00280-0637 Plate,Shave,45"
61. 741-0184 Bearing,Thrust
62. 784-5697-0637 Shoe,Skid
63. 749-04384-0637 SupportTube
64. 710-3008 Screw,5/16-18x .75
65. 748-04067A Pulley,Adapter,.75Dia.
66. 918-0246 HsgAssyAugerRH(Inc.40 &70)
67. 918-0247 HsgAssyAugerLH(Inc.40 & 70)
68. 710-1260A Screw,LD,5/16-18x .750
69. 711-04714 Shaft, Drive,Auger
70. 741-0670 FlangeBearing
71. 716-0111 Ext, Ret, Ring
72. 917-1425 Gear,Worm,LH
73. 937-3000 LubeFitting,3/16#70
74. 736-0188 Washer,..76x 1.49x .06
29

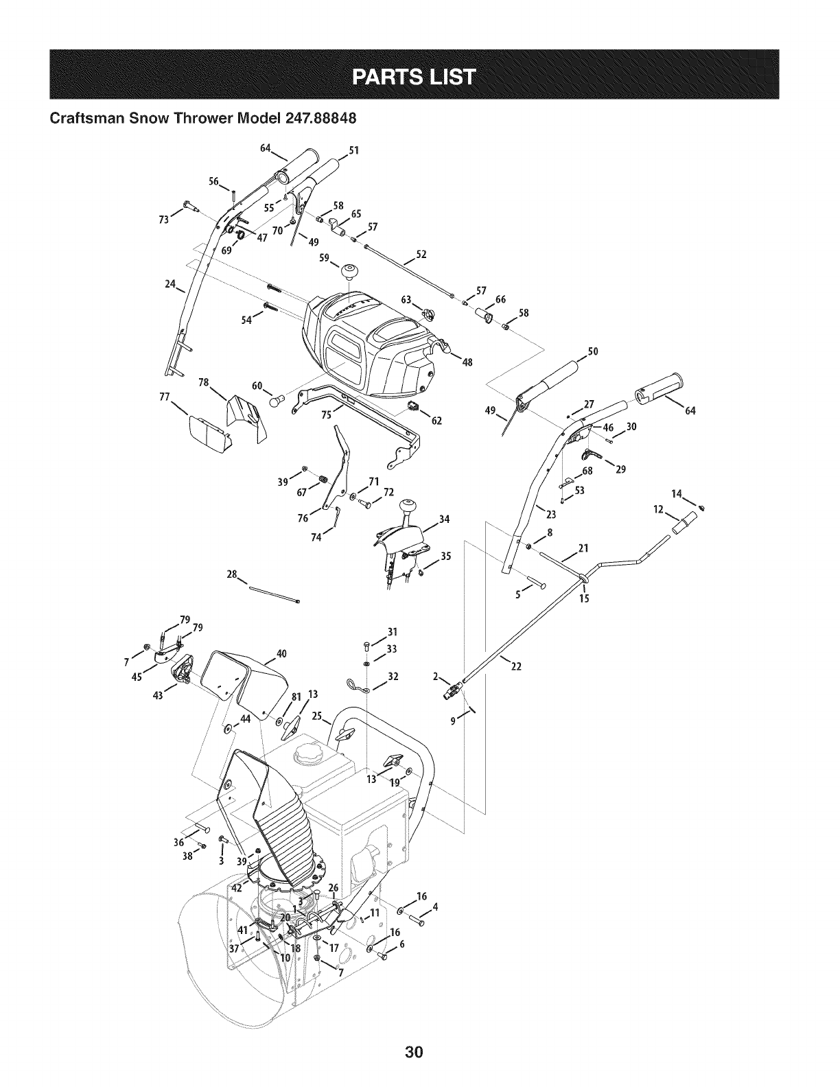
Craftsman Snow Thrower IViodel 247.88848
56
78
77\
28_
59\©
57 66
58
-\
49
8
21
38
\\\ \\\j
3O

D _ O O
684-04308A ChuteCrankAssembly
2 684-04350 JointBlockAssembly
3 710-0276 Screw,Carriage,5/16-18x 1.0
4 710-04682 Screw,Hex,3/8-16x 2.00 Lock,Gr5
5 710-0572 Screw,Carriage,5/16-18x 2.5
6 710-3118 Screw,Hex,3/8-16x 1.0Lock,Gr5
7 712-04063 FlangeLockNut,5/16-18
8 912-3010 Hex Nut,5/16-18
9 914-0101 internalCotterPin
10 914-0104 internalCotterPin
11 715-04095 SpringPin
12 720-0201A Knob,Crank
13 720-04072A Knob,WingNut,5/16-18
14 926-0100 Cap,Push,3/8
15 735-0234 Grommet,Rubber
16 736-0105 Washer,Bel,.375x.87x.063
17 936-0159 Washer,Fiat,.349x.879.063
18 936-0185 Washer,.375x.738x.063
19 736-0242 Washer,Belleville,.34x.872x.06
20 941-0475 PlasticBushing,.380I.D.
21 747-04747 Eye Bolt
22 747-04925A-0637 ChuteRod
23 749-04309-0691 Handle,Upper- LH
24 749-04310-0691 Handle,Upper- RH
25 749-0991-0691 Handle,Lower
26 790-00329-0637 ChuteCrankBracket
27 716-04036 Ring,Retainer
28 725-0157 CableTie
29 731-06113 Trigger
30 738-04126 Pin, 3/16
31 710-04022 Hex HeadScrew,MB 1.25
32 732-04677 CableGuide
33 936-0264 FiatWasher,.330x.630x.0635
34 984-04230 2-WayChuteControlTM Assy
35 710-04187
36 710-0458
37 710-0597
38 710-0895
39 712-04064
40 731-0846C
41 731-0851A
42 731-0903E
Hi-Lo Screw,1/4-15x 0.5
Bolt,Carriage,5/16-18x 1.75
Screw,1/4-20x 1.00
Hi-Lo Screw,1/4-15x .75
FlangeLockNut, 1/4-20
UpperChute
Chute,FlangeKeeper
LowerChute
31
D _ O O
731-1313C ChuteTiltCableGuide
44 936-0231 FiatWasher
45 784-5594-0637 CableBracket
46 631-04133A HandleClutchLock- LH
47 631-04134B HandleClutchLock- RH
48 931-04187A HandlePanel
49 646-0012 CableAssembly,Auger/Drive
746-0952 Cable,Clutch
732-0184 Spring,Extension
50 684-04111B HandleEngageAssy- LH
51 684-04112B HandleEngageAssy- RH
52 684-04250 RodAss'y,ClutchLockPivot
53 710-04326 Screw,#8-16x 0.50
54 710-04586 Screw,1/4-20x 1.625
55 710-0837 ABScrew,#10-16
56 710-1233 Screw,#10-24x 0.375
57 710-3069 Screw,1/4-20x.375
58 712-04081A ShoulderNut, 1/4-20
59 720-04039 ShiftKnob
60 725-05326 Lamp
61 725-05148 WiringHarness(NotShown)
62 725-04393 Htd.HandGrip on/off Switch
63 925-1649 LightSocket
64 725-05149 HeatedHandGrip
65 731-04894D LockPlate
66 731-04896B ClutchLockCam
67 732-0193 CompressionSpring
68 732-04219C ClutchLockSpring
69 732-04238 TorsionSpring
70 935-0199A RubberBumper
71 936-0267 FiatWasher,.385x.87x.06
72 738-04125 ShoulderScrew
73 738-04348 ShoulderScrew,1/4-20x 1.345
74 746-04341 SpeedSelectorCable
75 790-00248B-0637 PanelBracket
76 790-00281B-0637 ShiftLever
77 731-05324 LensPanel
78 777X41804 ReflectorLabel
79 746-04338 Cable,ChuteTilt
80 710-0599 Self-TapScrew(NotShown)
81 736-0159 FiatWasher,.349x.879x.063

Craftsman Snow Thrower IViodel 247.88848
81
83
53
_101
78
35
26
11
37
27
/7
"54
62
15
7O
55
51
71
32

Craftsman Snow Thrower IViodel 247.88848
,
3.
4.
5.
05244B
618-0279P
618-0280P
918-0282E
918-04178
718-04034
Housing,Bearing
Dogg,SteeringDrive,LH
Dogg,SteeringDrive,RH
ShaftAssembly,Steering
Assembly,FrictionWheel
Wheel,Friction,Bonded
710-0896 Screw,HexWash
6. 684-0118B-0637 Bracket,AugerActuator
7. 684-0119B-0637 Bracket,DriveActuator
8. 684-0161-0637 Arm,Shift
9. 984-04103 RodAssembly,Shift
10. 684-04212-0637 Bracket,FrictionDriveSupport
11. 684-04235 Sprocket,32T
12. 710-04484 J TT Screw,5/16-18x .750
13. 710-0538 Screw,HexCap Lock,
14. 710-0599 Screw,Hex, 1/4-20x .50
15. 710-0788 Screw,Hex, 1/4-20x 1.00
16. 710-1652 Screw,HexWash.
17. 710-3001 Screw,HexCap,3/8-16
18. 911-04279 Shaft, HexDrive
19. 711-04605 Shaft,Actuator
20. 912-0116 Nut, HexinsertJam Lock
21. 912-0138 Nut, Hex,1/4-28GR5
22. 712-04065 Nut, HxFlngeinsertLk
23. 912-0413 Nut, HxinsertJamLk
24. 712-0717 Nut, insert3/8-16
25. 713-0284 Chain,Endless,#41x 36L
26. 713-0286 Chain,#420x 40L
27. 913-04015 Sprocket,#41x lOT
28. 914-0104 Pin, InternalCotter
D = O O
936-0300 Washer,.406x.875x.059
41. 936-0329 Washer,Lock, 1/4
42. 711-04615 Pin,Clevis
43. 914-0149B Pin,InternalCotter
44. 937-3000 Fitting,Lube,3/16 Drive
45. 738-0143 Screw,Shldr.,.498x.34
46. 738-0279 Spindle,DrivePlate
47. 738-0924A Screw,HexShldr.,1/4-28
48. 741-0163A Ass'y,Bearing/Housing
49. 941-04025 Bearing,SelfAligning
50. 741-04108 Bearing,HexFlange
51. 941-0563 Bearing,Ball
52. 741-0747 Bush,Fig,.5625IDx 1.375x .4375
53. 741-0748 Bush,Fig,.5 ID x .627OD
54. 746-04337A Cable,Steering
55. 946-0951A Cable,AugerIdler
56. 747-0973 Rod,DriveClutch
57. 750-04703 Spacer,1.01x 1.50x .93
58. 750-04717 Spacer,.49x 7.865
59. 750-04718 Spacer,.49x 3.545
60. 750-05342 Spacer,.566x.87x.190
61. 750-05343 Spacer,.566x.87x 1.25
62. 750-0903B Spcr.,.514x.632x 2.44
63. 950-0997 Spacer,.675x 1.0x .23
64. 750-1302B Spcr,.6725x 1.125x 2.48
65. 756-0344 Pulley,Drive
66. 756-0625 Roller,Cable
67. 784-0404 RetainerBracket
68. 784-0406A-0637 Bracket,FrameSupport
69. 784-0407-0637 Bracket,Axle Support
29. 914-0135 Key,Woodruff
30. 914-0388 Key,Hi-Pro,3/16x 5/8
31. 916-0104 •E-Ring
32. 716-0136 Ring,Retaining 73.
33. 716-04048 Ring,Retainer 74.
34. 917-0302 Plate,Drive 75.
35. 726-0221 SpeedNut,.500 76.
36. _9320121 Spring,Extension 77.
37. 932-0209 Spring,Extension 78.
38. 936-0158 Washer,Lock,5/8 79.
39. 736-0242 Washer,Bell.,.34 x.872x.06
33
70. 790-00257-0691 Cover,UpperFrame
71. 790-00259-0691 Cover,LowerFrame
72. 790-00349-0691 TransFrame
684-04169 IdlerPulleyAssembly
710-0157 Screw,Hex5/16-24x .75
710-0191 Screw,Hex3/8-24 x 1.25
710-0607 Screw,HxWashHd Tapp
710-0624 Screw,HexCap,5/16-24x 1.50
710-0654A Screw,3/8-16x 1.00
710-0809 Screw,1/4-20x 1.25
Continuedonfollowingpage

Craftsman Snow Thrower IViodel 247.88848
81. 710-0347
82. 714-0118
83. 926-04012
84. 931-2531
85. 732-04308A
86. 936-0119
8_ 736-0247
88. 736-3092
Continuedfrom previouspage
D = 0 e
738-04439 Screw,HexCap,5/16-24x .875
Screw,HexCap,3/8-16x 1.75
Key,Square,1/4x 1.5
Nut, Push
Cover,Belt
TorsionSpring,.850dia. x .333Ig.
Washer,Lock,5/16
Washer,Fiat,.406x 1.25
Washer,Fiat,.265x 1.0x .030
89. 952Z490-SUA EngineComplete
90. 748-04112A ShoulderSpacer,.3175x.500x.094
91. 750-04571 ShoulderSpacer,.260x.785x.538
92. 750-04821 ShoulderSpacer,.340x 1.00
93. 750-05316 Spacer,1.02x 1.63x .1425
94. 954-04194A V-Belt,4Lx 44.60
95. 954-04202 V Belt,3/8 x 36.68
96. 756-04224 Pulley,Fiatidler,2.75 OD
97. 756-0241B DoublePulley,3.25x 2.75
98. 784-0385D Bracket,Augeridler
99. 790-00167A-0637 Belt KeeperBracket
100. 790-00208C idler DriveWheelBracket
101. 790-00254A-0637 Belt CoverBracket
102. 634-0225A-0911 WheelAss'y.- LH
634-0226A-0911 WheelAss'y.-RH
734-2031 Tire
734-1124A-0662 RimAssembly
934-0255 Valve
103. 711-04606A Axle,Wheel,45"
104. 756-04244A AugerPulley,10.0x .5
34

Craftsman Snow Thrower Model 247.88848
777122386 777122387 777122388
AUGER C_]
CONTROL
777D13775
777S32236 777S32636
I_=mmmmmlz1_m m 1001 IRO-NV_IO •
7VflNV_ S,UOIVU3dO QV3U'_
"S30WBflS 13AVB9 NO9NIIVU3dO
N3HMNOILflV3V_IX3 3Sfl'SU3QNVlSA8LV39UVHOSIQ
103910U3A3N'S31_flrNI SlO3r80 NMOHHI QIOAVOl '_
'3NINOV_ 9NIOIAU3SUOONIOgOlONfl
3UOJ38Q3ddOiS3AVHSIUVd 8NIAOW11VlllNfl S31QNVH
QNIH38NIVV_3UQNV'_NIgN3dOIS'S_3A]1HOlfllO30VON]SI0'8
"31flH3]gUVHOSIQ903ONn 01 ]OO1lflO-NV310 ]Sfl ';
"133_QNVSQNVH31Vlfld_JVNV3U30nVU0 U3113d_lHIlM
13V1N03"H39nV0NVU3113d_l 9NIIV10U WOU3IVMV d33H'1
777D13770
777122363
777Dl1504
777X43688
o
THAN 10 '/oETHANOL
777Dl1503
35

Craftsman Engine IViodel 4g0=SUA For Tiller IViodel 247.88848
1-_
_4
67
m
1
2
3
4
5
6
7
9
10
11
12
13
14
15
710-04915
951-11339
710-04915
951-10757
951-11595
951-10637
731-05632
951-11302
710-04914
951-11181
951-11321
710-04968
951-11338
712-04219
D = O O
Bolt M6x12
MufflerShield
Bolt M6x12
ThrottleControlKnob
ControlPanel
KeySwitch Base
Key
ChokeKnob
Bolt M6xlO
ExhaustPipeShield
CarbIsolatorBracket
Bolt M6x16
MufflerAssembly
Nut,M8
36

Craftsman Engine IViodel 490-SUA For Tiller IViodel 247.88848
m
16
17
18
19
2O
21
22
23
24
25
26
27
28
951-12532
951-11933
710-04970
750-05312
750-05313
951-11201
951-11319
951-11318
951-11351
710-04968
736-04452
951-11336
951-11700
I
37--" _
|- o o
FuelCapAssembly
FuelLevelIndicator
BoltM8x20
Bush, GasTank
Bush , GasTank
FuelTankAssembly
LeftTrimPlate
RearMaintingBracketAssy.
RightTrimPlate
BoltM6x16
Bush
FuelLineKit
FuelHoseClamp
m
29
30
31
33
34
35
36
37
38
39
40
2o# 2;
|- o o
710-04921
951-11182
712-04219
712-04212
710-04908
951-11307
951-11306
951-11203
951-11309
951-11311
710-04915
BoltM8x14
GasTankSupportBracket
NutM8
NutM6
GovernorArmBolt
GovernorArm
GovernorSpring
ThrottleLinkageSpring
ThrottleLinkage
PrimerBracket
BoltM6x12
37

Craftsman Engine Model 4g0=SUA For Tiller Model 247.88848
63
144 145
49
38

Craftsman Engine Model 490=SUA For Tiller Model 247.88848
m
i
141
i
i
i
i42
!
!
i
143
i
i
144
i
i
i
i45
!
i
i
149
i
i
150
i
i
i
i51
!
i
152
i
i
i
153
i
i
i
i54
!
i
155
i
i
i
i
i
i
i
i56
!
i
157
i
i
i
158
i
i
i
159
i
i
i60
i
i
161
i
i
i
i62
!
i
163
i
i
i
i64
!
!
!
!
!
i
165
i
i
i
i66
!
i
i
167
i
951-11951
951-12092
951-11953
951-11954
951-12593
951-11956
951-11373
736-04453
714-04077
951-11958
951-11365
951-11358
951-10307
715-04102
715-04092
951-11959
951-11376
736-04476
951-11960
951-11345
951-11340
951-11375
710-04971
710-04972
m = O Q
ConnectingRodAssembly
Piston
PistonPinSnapRing
PistonPin
PistonRingSet
GovernorGear/ShaftAssembly
RadialBallBearing,6202-P6
Washer8x20x0.8
Cotter Pin
GovernorSeal
GovernorArmShaft
CrankshaftKit
(Incl.50,55,56,65,81)
WoodruffKey
DowelPin9x12
DowelPin7x14
CamshaftAssy.
CrankcaseCoverGasket
Washer16x24x0.5
O-Ring 16x3
Oil FillerPlugAssembly
CrankcaseCoverKit
(Incl.50,60,61,64-68)
Oil Seal,30x46x8
BoltM8x38
BoltM8x45
m
68
69
7O
71
73
74
75
76
77
78
79
8O
81
143
144
146
710-05052
710-04968
951-11320
710-04966
951-11381
951-11972
951-11904
951-11971A
951-11359A
951-11350
736-04440
710-04906
951-11499
951-12095
951-11969
951-10641
952Z490-SUA
951-11362
951-11360A
D = W O
Bolt M8x35
Bolt M6x16
DipstickClamp
Bolt M6x8
Oil FillTubeO-Ring
Oil FillTubeAssembly
DipstickO-Ring
DipstickAssembly
CrankcaseKit
(In01.50,53,77,81)
Oil DrainPipeAssy.
Washer10x16x1.5
Oil DrainPlug
OilSeal35x52x7
BalanceShaftAssembly
Bearing,6207-P6
Oil DrainAssembly
CompleteEngine
GasketKit- Complete
(Incl.53,60,65,79,81,106,
108,125,132-134)
ShortBlockAssembly
(Incl.41-45,49-61,63-68,77-81,
102,105,106,108,111,112,
125,132,133,143)
3g

Craftsman Engine Model 4g0=SUA For Tiller Model 247.88848
124
124
_125
124
125
127a
4O

Craftsman Engine IViodel 490=SUA For Tiller IViodel 247.88848
m
!
i
i 100
1
1
i 101
1
1
1
i 102
!
i
1
i 103
1
1
i 104
1
1
1
1
1
1
1
i 105
1
1
i 106
1
1
1
i 107
!
i
i 108
1
1
1
i 109
1
1
1
i 109
!
i
1110
1
1
1
1111
1
1
1
i112
!
i
1113
1
1
1
i114
!
i115
1
1
1
1116
1
1
1117
1
1
1
i118
!
i
1
1119
1
951-11337
951-11337
951-11962
951-11335
951-12592
715-04097
951-12094
951-10292
951-11212
710-04964
951-11207
736-04478
710-05407
710-05053
951-11964
951-12077
951-12078
951-12080
951-12081
951-11965
951-11981
D = O 0
ValveKit
ValveKit
Tappet
PushRodKit
CylinderHeadKit
(Inc1.106,111-113,125)
DowelPin12x20
Gasket,CylinderHead
SparkPlug/F6Rtc
ExhaustPipeGasket
StudM8x48.5
MufflerStudAssembly
DishFlexibilityWasher
BoltM10x1.25x65
BoltM10x1.25x87
intakeValveSeal
ValveSpringRetainer
ValveSpring
Retainer,Ex.ValveSpring
Adjuster,ExhValve
PushRodGuide
RockerArmAssembly
m
120
121
122
123
124
125
126
127
127a
128
129
145
710-04962
951-11966
751-11123
751-11124
710-05054
951-11967
951-11220
951-11221
726-04101
951-11317
710-04915
951-11333
952Z490-SUA
951-11363
951-11362
951-11361A
m = O O
Bolt,Pivot
RockerArm
AdjustingNut,Valve
Nut,PivotLocking
ValveCoverBolt
ValveCoverGasket
ValveCover
BreatherHose
BreatherHoseClamp
Air Shield
BoltM6x12
ValveCoverKit
CompleteEngine
GasketKit- External
(Incl.79,108,125,132-134)
GasketKit- Complete
(Incl.53,60,65,79,81,106,108,
125,132-134)
CylinderHeadAss'y
(Incl.100,101,104,106,108,109,
111-118,120-123,125,130-133)
41

Craftsman Engine IViodel 4g0-SUA For Tiller IViodel 247.88848
C
X
131
3__-334
39
14_4__0_141
_42
42

Craftsman Engine IViodel 490-SUA For Tiller IViodel 247.88848
m
!
i
i 130
1
1
i 131
1
1
1
i 132
!
i
1
i 133
1
1
i 134
1
1
1
i 135
!
i
1
i 136
1
1
i 137
1
1
1
i 139
!
i
1140
1
1
1
1141
1
1
1
i 142
!
!
i
ia
1
1
ib
1
1
1
ic
!
i
id
1
1
1
ie
!
i
if
1
1
ig
1
1
1
ih
1
710-05392
710-05056
951-11315
951-11353
951-11354
951-11352A
951-10639A
951-11824
951-11304
951-11192
736-04477
712-04212
N/A
N/A
N/A
N/A
N/A
N/A
N/A
N/A
D = 00
StudM6-8x100
StudM6-8x118
CarburetorinsulatorGasket
Carburetorinsulator
CarburetorGasket
CarburetorAssembly
PrimerAssembly
PrimerBulb
HeaterBox
ChokeControl
LockWasher
NutM6
ChokeShaft
LockWasher
ScrewM3x5
ChokePlate
ThrottleShaft
ThrottlePlate
LockPlate
IdleJetAssembly
m
m
]
k
I
m
n
o
P
q
r
s
t
U
V
W
X
Y
N/A
N/A
751-11991
951-11906
N/A
N/A
N/A
N/A
N/A
N/A
N/A
951-11970
N/A
951-11348
710-04945
951-11349
710-04938
951-11355A
D = 0O
IdleSpeedAdjustingScrew
MixtureScrew
PrimerHose
HoseClamp
CarburetorBody
FloatPin
EmulsionTube
NeedleValve
MainJet
NeedleValveSpring
Float
FuelBowlGasket
FuelBowl
FuelBowlGasket
FuelBowlMountingBolt
FuelDrainPlugGasket
FuelDrainPlug
CarburetorKit- Major
(Incl.g,h,l,n,o,p,q,r,s,t,v,x)
43

Craftsman Engine IViodel 4g0=SUA For Tiller IViodel 247.88848
87
89"
47 48
_/_0 91 93 95
m
46
47
48
82
83
84
85
86
87
88
710-04965
951-11196
710-04967
951-11305
710-05350
951-11961
710-04969
710-04966
951-11186
951-11312
D = O O
BoltM4x55
StartupElectromotor
BoltM8x55
IgnitionCoil Assembly
IgnitionCoil Bolt
Coil Assy.,Charge
BoltM6x30
BoltM6x8
AlternatorWireClampBrkt
Flywheel
m
89
90
91
92
93
95
96
97
98
951-11313
951-11314
712-04220
710-04968
710-04915
951-11211
951-11310
736-04455
710-04974
D = O 0
Fan,Cooling
Pulley,Starter
Nut,Special,M16x1.5
Bolt M6x16
Bolt M6x12
BlowerHousing
RecoilStarter
Gasket6
Bolt M6xlO
44

Craftsman Engine IViodel 490=SUA For Tiller IViodel 247.88848
777123039
777123010
777S33614
777123027
777123017
777122992
SERIAL NUMBER
BAR CODE LABEL
EPA LABEL
45

MTD CONSUMER GROUP INC (MTD), the California Air Resources Board (CARB)
and the United States Environment Protection Agency (U. S. EPA)
Emission Control System Warranty Statement
(Owner's Defect Warranty Rights and Obligations)
EMISSIONCONTROLSYSTEMCOVERAGEIS APPLICABLETOCERTIFIEDENGINESPURCHASEDINCALIFORNIAIN2005ANDTHERE-
AFTER,WHICHARE USEDINCALIFORNIA,ANDTO CERTIFIEDMODELYEAR2005ANDLATERENGINESWHICHARE PURCHASEDAND
USEDELSEWHEREINTHEUNITEDSTATES.
Californiaandelsewherein the UnitedStatesEmissionControlDefectsWarrantyCoverage
The CaliforniaAir ResourcesBoard(CARB),U.S. EPAandMTDarepleasedto explaintheemissionscontrolsystemwarrantyonyour modelyear
2006andlatersmalloff-roadengine.In California,new smalloff-roadenginesmustbe designed,builtand equippedto meettheStatesanti-smog
standards.Elsewhereinthe UnitedStates,newnon-road,spark-ignitionenginescertifiedfor model2005and later,mustmeetsimilarstandardsset
forthby the U.S. EPA.MTDmustwarrantythe emissioncontrolsystemonyourenginefor the periodof timelistedbelow,providedtherehasbeen
noabuse,neglector impropermaintenanceof your smalloff-roadengine.
Youremissioncontrolsystemmayincludepartssuchas the carburetor,fuel-injectionsystem,the ignitionsystem,andcatalyticconverter,fueltanks,
fuel lines,fuel caps,valves,canisters,filters,vaporhoses,clamps,connectors,andotherassociatedemission-relatedcomponents.
Wherea warrantableconditionexists,MTDwill repairyoursmall off-roadengineat nocost to yourincludingdiagnosis,partsand labor.
MANUFACTURER'S WARRANTY COVERAGE:
Thisemissionscontrolsystemis warrantedfor twoyears.If anyemission-relatedpart onyourengineis defective,the part will berepairedor
replacedby MTD.
OWNER'S WARRANTY RESPONSIBILITIES:
As the smalloff-roadengineowner,youare responsibleforthe performanceof the requiredmaintenancelistedinyour Owner'sManual.MTD
recommendsthatyou retainall yourreceiptscoveringmaintenanceson yoursmalloff-roadengine,but MTDcan not denywarrantysolelyfor the
lackof receiptsor foryour failureto ensurethe performanceto allscheduledmaintenance.
As the smalloff-roadengineowner,youshouldhoweverbeawarethat MTDmaydenyyour warrantycoverageif yoursmalloff-roadengineorpart
hasfaileddue toabuse,neglect,impropermaintenanceor unapprovedmodifications.
Youare responsiblefor presentingyour smalloff-roadengineto an AuthorizedMTDServiceDealeras soonas a problemexists.Thewarranted
repairsshouldbe completedina reasonableamountof time,notto exceed30 days.
Ifyou haveanyquestionsregardingyourwarrantyrightsand responsibilities,you shouldcontacta MTDServiceRepresentativeat 1-800-800-7310
andaddressis MTDCONSUMERGROUP,RO.Box361131,ClevelandOH,44136-0019.
DEFECTS WARRANTY REQUIREMENTS FOR 1995 AND LATER SMALL OFF-ROAD ENGINES:
Thissectionappliesto 1995andlater smalloff-roadengines.The warrantyperiodbeginsonthe datethe engineor equipmentis deliveredto an
ultimatepurchaser.
(a) GeneralEmissionsWarrantyCoverage
MTDmustwarrantto the ultimatepurchaserandeachsubsequentpurchaserthatthe engineis:
(1)Designed,built,andequippedsoas to conformwithallapplicableregulationsadoptedby the AirResourcesBoardpursuantto itsauthorityin
Chapters1 and2,Part5, Division26of the HealthandSafetyCode;and
(2) Freefromdefectsin materialsandworkmanshipthatcausethe failureof a warrantedpart to beidenticalin all materialrespectsto the partas
describedin theenginemanufacturer'sapplicationfor certificationfora periodof twoyears.
(b)The warrantyonemissions-relatedpartswill be interpretedas follows:
(1)Anywarrantedpart thatis not scheduledfor replacementas requiredmaintenanceinthe writteninstructionsrequiredby Subsection(c)
mustbewarrantedfor the warrantyperioddefinedinSubsection(a)(2). Ifany suchpartfailsduringthe periodof warrantycoverage,it mustbe
repairedor replacedby MTDaccordingto Subsection(4)below.Anysuchpart repairedor replacedunderthewarrantymustbewarrantedfor
the remainingwarrantyperiod.
(2)Any warrantedpartthat is scheduledonlyfor regularinspectioninthe writteninstructionsrequiredby Subsection(c) must bewarrantedfor
thewarrantyperioddefinedin Subsection(a)(2).A statementinsuchwritteninstructionsto the effectof "repairor replaceas necessary"will
not reducethe periodof warrantycoverage.Anysuchpart repairedor replacedunderwarrantymustbe warrantedforthe remainingwarranty
period.
(3) Anywarrantedpartthat whichis scheduledfor replacementas requiredmaintenancein the writteninstructionsrequiredby Subsection(c)
mustbewarrantedfor the periodof timepriorto the first scheduledreplacementpointforthat part.Ifthe part failspriorto thefirst scheduled
replacement,the part mustbe repairedor replacedby MTDaccordingto Subsection(4) below.Any suchpart repairedor replacedunder
warrantymustbewarrantedfor the remainderof the periodpriorto the first scheduledreplacementpointfor the part.

(4)Repairorreplacementofanywarrantedpartunderthewarrantyprovisionsofthisarticlemustbeperformedatnochargetotheownerata
warrantystation.
(5)NotwithstandingtheprovisionsofSubsection(4)above,warrantyservicesorrepairsmustbeprovidedatallMTDdistributioncentersthat
arefranchisedtoservicethesubjectengines.
(6)Theownermustnotbechargedfordiagnosticlaborthatleadstothedeterminationthatawarrantedpartisinfactdefective,providedthat
suchdiagnosticworkisperformedatawarrantystation.
(7)Theenginemanufacturerisliablefordamagestootherenginecomponentsproximatelycausedbyafailureunderwarrantyofanywarranted
part.
(8)Throughouttheengine'swarrantyperioddefinedinSubsection(a)(2),MTDwillmaintainasupplyofwarrantedpartssufficienttomeetthe
expecteddemandforsuchparts.
(9)Anyreplacementpartmaybeusedintheperformanceofanywarrantymaintenanceorrepairsandmustbeprovidedwithoutchargetothe
owner.SuchusewillnotreducethewarrantyobligationsofMTD.
(10)Add-onormodifiedpartsthatarenotexemptedbytheAirResourcesBoardmaynotbeused.Theuseofanynon-exemptedadd-onor
modifiedpartsshallbegroundsfordisallowingawarrantyclaimmadeinaccordancewiththisarticle.Theenginemanufacturershallnotbe
liableunderthisarticletowarrantfailuresofwarrantedpartscausedbytheuseofnon-exemptedadd-onormodifiedpart.
(c) MTDwill includea copyof the followingemissionwarrantypartslistwitheach newengine,usingthoseportionsof the listapplicableto the
e__&gine.
(1)FuelMeteringSystem
• Coldstart enrichmentsystem(soft choke)
,,Carburetorandinternalparts
• Fuel Pump
• FuelTank
(2)Air InductionSystem
• Aircleaner
• Intakemanifold
(3) IgnitionSystem
• Sparkplug(s)
• MagnetoIgnitionSystem
(4)ExhaustSystem
Catalyticconverter
• SAI (Reedvalve)
(5) MiscellaneousItemsUsedin AboveSystem
Vacuum,temperature,position,timesensitivevalvesand switches
Connectorsandassemblies
(6) Evaporativecontrol
• Fuel Hosecertifiedfor ARBevaporativeemissionof 2006.
• Fuel HoseClamps
Tetheredfuel cap
Carboncanister
Vaporlines
GD0C-100174Rev.B

Look For Relevant Emissions Durability Period and
Air index information On Your Engine Emissions Label
Engines that are certified to meet the California Air Resources Board (CARB) Tier 2 Emission Standards must
display information regarding the Emissions Durability Period and the Air Index. Sears Brands Management
Corporation makes this information available to the consumer on our emission labels.
The Emissions Durability Period describes the number of hours of actual running time for which the engine is
certified to be emissions compliant, assuming proper maintenance in accordance with the Operating & Mainte-
nance Instructions. The following categories are used:
Moderate: Engine is certified to be emission compliant for 125 hours of actual engine running time.
Intermediate: Engine is certified to be emission compliant for 250 hours of actual engine running time.
Extended: Engine is certified to be emission compliant for 500 hours of actual engine running time.
For example, a typical walk-behind lawn mower is used 20 to 25 hours per year. Therefore, the Emissions
Durability Period of an engine with an intermediate rating would equate to 10 to 12 years.
The Air index is a calculated number describing the relative level of emissions for a specific engine family. The
lower the Air Index, the cleaner the engine. This information is displayed in graphical form on the emissions label.
After July 1,2000, Look For Emissions Compliance Period
On Engine Emissions Compliance Label
After July 1, 2000 certain Sears Brands Management Corporation engines will be certified to meet the United
States Environmental Protection Agency (USEPA) Phase 2 emission standards. For Phase 2 certified engines, the
Emissions Compliance Period referred to on the Emissions Compliance label indicates the number of operating
hours for which the engine has been shown to meet Federal emission requirements.
For engines less than 225 cc displacement, Category C = 125 hours, B = 250 hours and A = 500 hours.
For engines of 225 cc or more, Category C = 250 hours, B = 500 hours and A = 1000 hours.
This is ageneric representation of the emission label typically found on a certified engine.
FAMILYYBSXS.3192VA 274812
GDOC-100182Rev.B
48

Congratulations on making a smart purchase. Your new Craftsman® product is designed and
manufactured for years of dependable operation. But like all products, it may require repair
from time to time. That's when having a Repair Protection Agreement can save you money and
aggravation.
Here's what the Repair Protection Agreement* includes:
[] Expert service by our 10,000 professional repair specialists
[] Unlimited service and no charge for parts and labor on all covered repairs
[] Product replacement up to $1500 if your covered product can't be fixed
[] Discount of 25% from regular price of service and related installed parts not covered by the
agreement; also, 25% off regular price of preventive maintenance check
[] Fast help by phone - we call it Rapid Resolution - phone support from a Sears representative.
Think of us as a "talking owner's manual."
Once you purchase the Repair Protection Agreement, a simple phone call is all that it takes for you
to schedule service. You can call anytime day or night, or schedule a service appointment online.
The Repair Protection Agreement is a risk-free purchase. If you cancel for any reason during the
product warranty period, we will provide a full refund. Or, a prorated refund anytime after the
product warranty period expires. Purchase your Repair Protection Agreement today!
Some limitations and exclusions apply. For prices and additional information in the U.S.A.
call 1=800=827=6655.
*Coverage in Canada varies on some items. For full details call Sears Canada at 1=800=361=
6665.
Sears Installation Service
For Sears professional installation of home appliances, garage door openers, water heaters, and
other major home items, in the U.S.A. or Canada call 1=800=4=MY=HOME®.
49

Declaraci6n de garantia ............................ Pagina 50
Practicas operacion seguras ..................... Pagina 51
Montaje ...................................................... Pagina 55
Operaci6n .................................................. Pagina 60
Servicio y Mantenimiento .......................... Pagina 65
AImacenamiento fuera de temporada ....... Pagina 73
Soluci6n de problemas .............................. Pagina 74
Etiquetas de seguridad .............................. Pagina 7
Lista de piezas ........................................... Pagina 28
Acuerdo de proteccion para reparaciones .... Pagina 79
NOmero de servicio ................................... atras pagina
CRAFTSMAN PROFESIONAL DE DOS Al_iOS DE GARANTiA
PORDOSANOSa partirdela fechade compra,esteproductoestAgarantizadocontracualquierdefectode materialo manode obra.Un
productodefectuosorecibirAla reparaci6no lasustituci6nsi la reparaci6nno estAdisponible.
Estagaranfiase aplicas61oparaun a_oa partirde lafechade comprasi esteproductose hautilizadoalgunavez,mientrasquela prestaci6nde
servicioscomercialeso si se alquilaa otra persona.
Paraobtenerinformaci6ndetalladacoberturadela garanfiaparaobtenerla reparaci6no sustituci6ngratuita,visiteel sitioweb:
www.craftsman.com.
Esta garantiacubre_nicarnente los defectos en rnaterialesy rnanode obra. Lacobertura de garantiano incluye:
•Elementosreutilizablesquepuedengastarseporel uso normaldentrodelperiododegaranfia,incluyendoperonolimitadoalas barrenas,
palasbarrena,cortadoresde la deriva,zapatosantideslizantes,placade raspado,pasadoresdeseguridad,la buj[a,el filtrodeaire,
cinturones,y el filtrode aceite.
•Los serviciosde mantenimiento,cambiosde aceite,o puestasa punto.
•Neum_ticosde reemplazoo reparaci6nde pinchazoscausadosporobjetosexternos,talescomoclavos,espinas,toconeso vidrio.
•Neumaticoo ruedade repuestoo reparaci6nresultantesdeldesgastenormal,accidenteo realfuncionamientoo mantenimiento.
•Reparacionesnecesariasdebidoalabusodel operador,incluyendoperonolimitadoada_oscausadosporexcesodevelocidaddel motor,
o deimpactode objetosquedoblenla estructura,el ejedeltaladro,etc
•Las reparacionesnecesariasdebidoa la negligenciadeloperador,incluyendoperonolimitadoa, da_osel_ctricosy mec_nicoscausados
porunalmacenamientoinadecuado,noutilizaci6nde la calidado cantidaddeaceitede motoro faltade mantenimientodelequipode
acuerdoalas instruccionescontenidasenel manualdel operador.
•Del motor(sistemade combustible)de limpiezao reparacionesprovocadaspor uncombustibleque secontaminadou oxidado(viejo).En
general,elcombustibledebeser utilizadodentrode los30 d[assiguientesa lafechadecompra.
•Deterioroy desgastenormaldelos acabadosexteriores,o reemplazodela etiquetadelproducto.
Estagaranfiale otorgaderechoslegalesespedficos,y ustedtambi_npuedetenerotrosderechosquevar[andeestadoaestado.
Sears Brands Management Corporation, Hoffman Estates, IL 60179
Tipodeaceitedelmotor:
Capacidadde aceitedel motor:
Capacidadde combustible:
Bujias:
Separaci6ndelas bujias:
5W-30
37onzas
5cuartos
F6RTC(951-10292)
.020"to .030"
N_mero de modelo ..........................................................
N_mero de serie ..............................................................
Fechade compra .............................................................
Registrearribael nOmerodel modelo,el nOmerode seriey la fecha
de compra
©KCDIP,LLC
50

Lapresenciadeeste sirnboloindicaque setratade instrucciones
irnportantesde seguridadquese debenrespetarparaevitar
ponerenpeligrosu seguridadpersonaly/o materialy lade otras
personas.Leay siga todaslas instruccionesdeestemanualantes
de poneren funcionarnientoestarn_.quina.Si no respetaestas
instruccionespodriaprovocarlesionespersonales.Cuandoveaeste
sirnbolo,ipresteatenci6na la advertencia!
PROPOSICION 65 DE CALIFORNIA
Elescapedel motordeesteproducto,algunosde suscornponentes
y algunoscornponentesdelvehiculocontieneno liberansustancias
quirnicasqueelestadodeCaliforniaconsideraque puedenproducir
c_.ncer,defectosde nacirnientouotrosproblernasreproductivos.
Estarn_.quinarueconstruidaparaseroperadadeacuerdocon
las reglasde seguridadcontenidasenestemanual.AI igualque
concualquiertipo deequipornotorizado,undescuidoo errorpor
partedeloperadorpuedeproducirlesionesgraves.Estarn_.quina
es capazde arnputarrnanosy piesy dearrojarobjetoscon gran
fuerza.Deno respetarlas instruccionesde seguridadsiguientesse
puedenproducirlesionesgraveso larnuerte.
Su responsabilidad--Restrinja el usode estarn_.quina
rnotorizadaalas personasque lean,cornprendany respetenlas
advertenciase instruccionesqueaparecenen estemanualyen la
rn_.quina.
iGUARDEESTASINSTRUCCIONES!
CAPACITACiON
• Lea,entienday curnplatodaslas instruccionesincluidasen
la rn_.quinay enlos rnanualesantesdernontarlay utilizarla.
Guardeestemanualenun lugarseguroparaconsultasfuturasy
peri6dicas,asi cornoparasolicitarrepuestos.
• Leael ManualdelOperadory sigatodaslas advertenciase
instruccionesdeseguridad.Elfracasode hacerasi puedecausar
la heridaseriaal operadory/o personaspresentes.
• Farniliaricesecontodoslos controlesy con el usoadecuado
delos rnisrnos.Sepac6rnodetenerlarn_.quinay desactivarlos
controlesr_.pidarnente.
• No perrnitanuncaque los niSosrnenoresde 14aSosutilicen
estarn_.quina.Los niSosde 14aSosen adelantedebenleery
entenderlas instruccionesde operaci6ny norrnasdeseguridad
contenidaseneste manual,yen la rn_.quinaydebenser entrena-
dosy supervisadosporun adulto.
• Nuncaperrnitaquelos adultosoperenestarn_.quinasin recibir
antesla instrucci6napropiada.
• Losobjetosarrojadosporla rn_.quinapuedenproducirlesiones
graves.Planifiqueel patr6nenel queva air arrojandonievepara
evitarque ladescargade materialse realicehacialos carninos,
los observadores,etc.
• Mantengaa losobservadores,ayudantes,rnascotasy niSospor
Io rnenosa 75piesde la rn_.quinarnientrasla rnisrnaest,.en
funcionarniento.Detengala rn_.quinasi alguienseacerca.
• Seaprecavidoparaevitarpatinarseo caerseespecialrnente
cuandooperala rn_.quinaen reversa.
PR EPARATIVO S
Inspeccionerninuciosarnenteel_.readondeutilizar_,el equipo.Saque
todoslos felpudos,peri6dicos,trineos,tablas,cablesy otrosobjetos
extraSoscon los quepodriatropezaro quepodrianser arrojadospor
labarrena/irnpulsor.
• Paraprotegerselosojos utilicesiernpreanteojosoantiparras
de seguridadrnientrasoperala rn_.quinao rnientrasla ajusta
o repara.Losobjetosarrojadosquerebotanpuedenproducir
lesionesocularesgraves.
• Nooperelarn_.quinasin la vestirnentaadecuadaparaestaral
airelibreen invierno.No utilicealhajas,bufandaslargasu otras
prendassueltasquepodrianenredarseenlas partesrn6viles.
Utiliceun calzadoespecialparasuperficiesresbaladizas.
• Useun prolongadory untornacorrientedetrescablescon
conexi6na tierraparatodaslas rn_.quinascon rnotoresde
encendidoel_ctrico.
• Ajustelaalturade lacaja deltornacorrienteparalirnpiarla grava
o las superficiescon piedrastrituradas.
• Desengranetodaslas palancasde controlantesde arrancarel
motor.
• Nuncaintenterealizarajustesrnientrasel motorest,.enrnarcha
exceptoen los casosespecificarnenterecornendadosen el
manualdeloperador.
• Dejequeelmotory la rn_.quinase adaptena laternperatura
exteriorantesde cornenzara sacarla nieve.
51

Manejo seguro de la gasolina
Paraevitarlesionespersonales0 daSosrnaterialestengarnucho
cuidadocuandotrabajecon gasolina.Lagasolinaes surnarnente
inflarnabley susvaporespuedencausarexplosiones.Si se derrarna
gasolinaencirna0 sobrela ropase puedelesionargravernenteya que
se puedeincendiar. L&vesela piely c&rnbiesede ropade inrnediato.
• Utilices610los recipientesparagasolinaautorizados.
• Apaguetodoslos cigarrillos,cigarros,pipasy otrasfuentesde
cornbusfi6n.
• Nuncacarguecombustibleen larn&quinaen unespaciocerrado.
• Nuncasaquela tapadelcombustibleni agreguecombustible
rnientrasel motorest&caliente0 en rnarcha.
• Dejequeel motorse enfrieporI0 rnenosdos rninutosantesde
volvera cargarcombustible.
• Nuncalleneenexcesoel dep6sitodecombustible.Lleneel
tanquea no rn&sde1/2pulgadapordebajode la basedelcuello
de Ilenadodejandoespacioparaladilataci6ndeIcombustible.
• Vuelvaa colocarla tapade lagasoiinay aj_stelabien.
• Lirnpieel combustiblequese hayaderrarnadosobreel motory el
equipo.Trasladela rn&quinaa otra zona.Espere5 rninutosantes
deencenderel motor.
• Nuncaalrnacenela rn&quina0 el recipientedecombustibleen
unespaciocerradodondehayafuego,chispas0 luz piloto(por
ejernplo,hornos,calentadoresdeagua,calefactores,secadores
de ropa,etc.).
• Dejequela rn_.quinase enfrieporIo rnenos5 rninutosantesde
guardarla.
• NuncaIlenelos recipientesenel interiordeunvehiculoo carni6n
ocaja de rernolquecon recubrirnientospl_.sticos.Coloque
siernprelos recipientesenel pisoy lejosdelvehiculoantesde
Ilenarlos.
• Sies posible,retireel equipoa gasolinadelcarni6no rernolque
y II_neloen el suelo.Siestonoes posible,Ileneel equipoen un
rernolquecon contenedorport_.til,envezdedesdeunaboquilla
dispensadoradegasolina.
• Mantengala boquilladispensadoraen contactocon el hordedel
dep6sitode combustibleo con la aberturadel recipienteentodo
rnornento,hastaterrninarlacarga.No utiliceundispositivode
apertura/cierrede boquilla.
FUNCIONANIIENTO
•No pongalas rnanoso los piescercadelas piezasrotatorias,
en lacajade la barrena/irnpulsoro en el rnontajedelcanalde
descarga.Hacercontactocon piezasgiratoriaspuederesultaren
laarnputaci6ndernanoso pies.
• La palancadecontrolde la barrena/irnpulsores un dispositivo
de seguridad.Nuncaevitesu funcionarniento.De hacerlola
operaci6nde la rn_.quinaes riesgosay puedeocasionarlesiones.
• Las palancasdecontroldebenfuncionarbienen arnbasdirec-
cionesy regresarautorn_.ticarnentea la posici6nde desengrane
cuandose lassuelta.
• Nuncaoperela rn_.quinasi faltaunrnontajedelcanalo si el
rnisrnoest,.daSado.Mantengatodoslosdispositivosde seguri-
daden su lugaryen funcionarniento.
• Nuncaenciendaelmotorenespacioscerradoso en unazona
con pocaventilaci6n.Elescapedel motorcontienernon6xidode
carbono,ungas inodoroy letal.
• Noutilicela rn_.quinabajola influenciadelalcoholo las drogas.
• Elsilenciadory el motorse calientany puedencausarquernadu-
ras.Nolos toque.Mantengaa los niSosalejados.
• Seasurnarnenteprecavidocuandooperelarn_.quinasobreuna
superficiecon gravaocuandola cruce.Mant_ngasealerta porsi
se presentanpeligrosocultoso tr_.nsito.
• Tengacuidadocuandocarnbiede direcci6no cuandoopere
la rn_.quinaenpendientes.Nouse la rn_.quinaen pendientes
pronunciadas.
• Planifiqueel patr6nenel queva air arrojandonieveparaevitar
que ladescargade materialse produzcahacialas ventanas,
las paredes,losautorn6viles,etc.y evitarasi posiblesdaSos
rnaterialeso lesionesproducidasporlos rebotes.
• Nuncadirijaladescargahacialos niSos,los observadoreso las
rnascotasni dejequenadiese paredelantede la rn_.quina.
• Nosobrecarguelacapacidadde la rn_.quinatratandode sacarla
nievernuyr_.pidarnente.
• Nuncaopereestarn_.quinasin buenavisibilidado ilurninaci6n.
Siernpredebeestarsegurode queest,.bienafirrnadoy su-
jetandofirrnernentelas rnanijas.Carnine,nuncacorra.
• Cortela corrientea la barrena/irnpulsorcuandotransportela
rn_.quinao cuandolarnisrnanoest,.en uso.
• Nuncaoperela rn_.quinaaalta velocidadde desplazarniento
sobresuperficiesresbaladizas.Mirehaciaabajoy haciaatr_.sy
tengacuidadocuandovayarnarchaatr_.s.
• Si la rn_.quinacornenzaraavibrarde rnaneraanorrnal,detengael
motor,desconecteel cablede labujiay p6ngalade rnaneraque
hagarnasacontrael motor.Inspeccionela rn_.quinarninuciosa-
rnenteparaver si est,.daSada.Reparetodoslos daSosantesde
encendery operarla rn_.quina.
• Desengranetodaslas palancasde controly detengaelmotor
antesdedejarla posici6nde operaci6n(detr_.sdelas rnanijas).
Espereaque labarrena/irnpulsorse detengaporcornpleto
antesdedestaparelrnontajedelcanalo realizarajustese
inspecciones.
• Nuncapongalas rnanosenlas aberturasdedescargao de
recolecci6n.Utilicesiernprela herrarnientadelirnpiezaquese
adjuntaparadestaparla aberturadedescarga.Nodestapeel
rnontajedelcanal rnientrasel motorest,.en funcionarniento.
Antesde destaparlo,apagueel motory perrnanezcadetr_.sde las
rnanijashastaque todaslas partesrn6vilesse hayandetenido.
• Uses61ounionesy accesoriosaprobadosporel fabricante(por
ejernplo,pesasparalas ruedas,cadenasparalos neurn_.ticos,
cabinas,etc.).
52

• Paraencenderel motor,jale de lacuerdalentarnentehastaque
sientaresistencia,luegojale r_.pidarnente.Elreplieguer_.pidode
la cuerdade arranque(tensi6nde retroceso)lejalar_,la rnanoy
el brazohaciael motorrn_.sr_.pidodeIo queustedpuedesoltar.
El resultadopuedenserhuesosrotos,fracturas,hernatornaso
esguinces.
• Si se presentansituacionesquenoest_.nprevistasen este
manual,seacuidadosoy use el sentidocornOn.
• Porrazonesde seguridaddentrode lagarantia,operaci6no
rnantenirnientode las preguntas,o parapedirpiezasy elservicio
dehorario,Ilarneal 1-800-4-MY-HOME.
MANTENIMIENTO Y ALMACENAMIENTO
•Nuncaalterelos dispositivosde seguridad.Controleperi6dica-
rnentequefuncionencorrectarnente.Rernitasealas secciones
demantenirnientoy ajustede estemanual.
• Antesde realizarla lirnpieza,repararo revisarla rn_.quina,
desengranetodaslaspalancasdecontroly detengael motor.
Esperea quela barrena/irnpulsorse detengaporcornpleto.
Desconecteel cabledela bujfay p6ngalohaciendornasacontra
el motorparaevitarquese enciendaaccidentalrnente.
• Controlefrecuenternentequetodoslospernosy tornillosest_n
bienajustadosparacornprobarquela rn_.quinase encuentra
encondicionessegurasde funcionarniento.Adern_.s,hagauna
inspecci6nvisualde larn_.quinaparaverificarsi est,.da_ada.
• No carnbielaconfiguraci6ndel reguladordelmotorni acelere
dernasiadoelrnisrno.Elreguladordelmotorcontrolala velocidad
rn_.xirnaseguradefuncionarnientodelmotor.
• Las placasde raspadoy las zapatasantideslizantesquese
usancon la rn_.quinaquitanievese desgastany se da_an.
Paraprotegersu seguridad,verifiquefrecuenternentetodoslos
cornponentesy reernpl_.celoss61ocon partesde los fabricantes
deequiposoriginales(OEM). iEI usode piezasquenocurnplen
con lasespecificacionesdelequipooriginalpuederesultaren
rendirnientoinadecuadoadern_.sde poneren riesgola seguridad!
• Reviselas palancasde controlperi6dicarnenteparaverificar
queengraneny desengranenadecuadarnentey ajOstelossi es
necesario.Consultela secci6nde ajustesdeeste manualdel
operadorparaobtenerinstrucciones.
• Mantengao reernplacelasetiquetasde seguridade instrucciones
segQnseanecesario.
• Respetelas norrnasreferentesa ladisposici6ncorrectay las
reglarnentacionessobregasolina,aceite,etc. paraprotegerel
medicarnbiente.
• Antesdealrnacenarlarn_.quinaenci_ndalaunosrninutospara
sacarla nievequehayaquedadoen larnisrnay paraevitarasi
quese congelela barrena/irnpulsor.
• SegOnlaCornisi6nde Seguridadde Productosparael Consurni-
dorde los EstadosUnidos(CPSC)y laAgenciade Protecci6n
Arnbientalde los EstadosUnidos(EPA),esteproductotieneuna
vida Qtilmediadesiete(7)a_os,6 60 horasdefuncionarniento.
AI finalizarlavida Otilmedia,adquieraunarn_.quinanuevao
hagainspeccionaranualrnente_staporun distribuidordeservicio
autorizadoparacerciorarsede quetodoslos sisternasrnec_.nicos
y deseguridadfuncionancorrectarnentey notienenexcesivo
desgaste.Si no Iohace,puedenproducirseaccidentes,lesiones
o rnuerte
• Nuncaalrnacenela rn_.quinao el recipientedecombustibleen un
espaciocerradodondehayafuego,chispaso luz pilotocornopor
ejernplo,calentadoresde agua,hornos,secadoresde ropa,etc.
• Consultesiernpreel manualdeloperadorparaobtener
instruccionesadecuadasparaelalrnacenarnientofuerade
ternporadaVerifiquefrecuenternentelaIfneade combustible,el
tanque,el tap6n,y losaccesoriosbuscandorajaduraso perdidas.
Reernplacede ser necesario.
• Nod_ arranqueal motorsi noest,. labujiade encendido.
NO MODIFIQUE EL MOTOR
Paraevitarlesionesgraveso larnuerte,nornodifiqueel motorbajo
ningunacircunstancia.Si carnbiala configuraci6ndel reguladorel
motorpuededescontrolarsey operara velocidadesinseguras.Nunca
carnbielaconfiguraci6ndef_.bricadel reguladordel motor.
AVISO REFERIDO A EMISIONES
Losrnotoresqueest&ncertificadosy curnplencon las regulaciones
de ernisionesfederalesEPAy de CaliforniaparaSORE(Equipos
peque_ostodoterreno)est_.ncertificadosparaoperarcon gasolina
cornOnsinplornoy puedenincluirlossiguientessisternasde control
de ernisiones:Modificaci6ndemotor(EM) y catalizadorde tresvias
(TWO)si est_.nequipadosde esa rnanera.
GUARDACHISPAS
Estarn&quinaest,.equipadacon unmotorde cornbusti6ninternay
nodebeser utilizadaen o cercade unterrenoagrestecubiertopor
bosque,rnalezaso hierbaexceptosi el sisternade escapedelmotor
est,.equipadocon unarnortiguadorde chispasquecurnplaconlas
leyeslocaleso estatalescorrespondientes,encasodehaberlas.
Sise utilizaun arnortiguadordechispasel operadorIo debernantener
en condicionesde usoadecuadas.Enel Estadode Californialas
rnedidasanteriorrnenternencionadassonexigidasporley (Arficulo
4442del C6digode RecursosPOblicosde California).Es posible
queexistanleyessirnilaresenotrosestados.Lasleyesfederalesse
aplicanenterritoriosfederales.
Puedeconseguirelarnortiguadorde chispasparael silenciadora
travesde sudistribuidorautorizadode rnotoreso poni_ndoseen
contactocon eldepartarnentodeservicios.
53

SiMBOLOS DE SEGURIDAD
Estap_ginadescribelossirnbolosy figurasde seguridadinternacionalesquepuedenaparecerenesteproducto.Leael manualdeloperador
)araobtenerla inforrnaci6nterrninadasobreseguridad,reunirse,operaci6ny rnantenimientoy reparaci6n.
ii
LEAELMANUAL DELOPERADOR(S)
Lea,entienda, y siga todas lasinstrucciones en el manual (es)antes de intentar reunirse y funcionar.
LA ADVERTENCIA -- PLATOS ROTATORIOS
Guarde manos de entrada y aperturas de la descarga mientras la m_iquina corre. Alli ellos hacen para
girar platos dentro.
LAADVERTENCIA- LAMINASROTATIVAS
Guarde manos de entrada y aperturas de descarga mientras la m_iquina corre. Alli hacen girar I_iminas
dentro.
LA ADVERTENCIA -- TALADRO ROTATIVO
No ponga manos o pies cerca del giro de partes, en el alojamiento de taladro/aspa o asamblea de
tolva. Contacto con las partes rotativas puede amputar manos y pies.
OBJETOS LANZADOS POR ADVERTENCIA
Esta m_iquina puede recoger y lanzar objetos que pueden causar la herida personal seria.
GASOLINA DE ADVERTENCIA ESINFLAMABLE
Permita que el motor se enfrie al menos dos minutos antes del reabastecimiento de combustible.
ADVERTENCIA -- MONOXIDO DE CARBONO
Nunca dirijas un motor dentro o en un _irea mal ventilada. Los gases de combusti6n de motor
contienen el mon6xido de carbono, un gas inodoro y mortal.
ADVERTENClA -- ELECTROCHOQUE
No use eljuez de salida el6ctrico del motor en la Iluvia.
54

NOTA: Lasreferenciasa laderechaoa la izquierdade la nieve
lanzadorse deterrninar_,a partirde laposici6nde esperade la parte
frontalde larn_.quina.
EXTRACCION DE CAJAS
1. QuitarlostorniNosde la parteinferiorde lacaja deasegurarlos
ladosy extrernosdela cajade traslado.
2. Levantela partesuperiorde lacaja y de los enunciadosde la
forrnade lazonade reuni6n.
3. Retirey desechela bolsade pl_.sticoquecubrela unidad.
4. Retirecualquierpiezassueltasincluidocon launidad(por
ejernplo,Manualdeinstrucciones,etc.)
5. Ernpujehaciaabajoen la parteinferiorasa y tire de nuevode
unidaddecaja.
6. AsegOresedequela caja seha vaciadocornpletarnenteantesde
quelos descartes.
iVIONTAJE
IMPORTANTE:Conestemanualseincluyendos pasadoresde
cuchiNade barrenade reernplazo(ose guardanenel panelde la
rnanijapl_.stica).Consultela secci6nMantenirnientoparaobtenerrn_.s
inforrnaci6nsobreelcarnbiodel pasadordecuchilla.
NOTA:Las referenciasque contieneestemanualsobrelos lados
derechoo izquierdode la rn_.quinaquitanievese hacenobservandola
rnisrnaOnicarnentedesdela posici6ndeoperaci6n.Siexistieraalguna
excepci6n,larnisrnaser_.especificada.
IMPORTANTE:estaunidadse envfacon el motorIlenode aceite.
Despu_sdelrnontaje,consulteel manualdel motordelmotorque
se incluyeenestaunidadparaconsultarlos detallesde Nenadode
combustibley aceite.
NOTA:Lasespecificacionesest_.nsujetasacarnbiosin notificaci6n
uobligaci6n.Las imP.genesno necesariarnenteson fiel reflejode su
rnodeloy est_.ns61ocornoreferencia.
iVIANIJA
1. Retiretodoel materialdeernbalajede larnanijasuperior.
2. Retirela tuercade rnariposainferior,arandelaBellevilley perno
delcarrode cadaladode larnanijasuperior,cornose rnuestraen
la Fig.1.
3. Eleveel ensarnbladode la rnanijasuperiorhastaquese trabea
presi6ncon la rnanijainferior.Veala Fig.2.
4. Miredebajodel panelde la rnanijaparaverificarquetodoslos
cables(dedirecci6n,de la barrenay detransrnisi6n)est_n
colocadoscorrectarnentey no est_napretadosni torcidos.
AsegOresedequelos resortesdelextrernoinferiorde la barrena
y los cablesde la transrnisi6nest_nenganchadosfirrnernenteen
el respectivosoportedel accionador.Veala Fig.11.
5. Sujetela rnanijasuperior,los tubosde soporte y la rnanijainferior
con lasdos tuercasde rnariposay los pernosdelcarro quese
retiraronantes.Aprietelas dostuercasde rnariposaya instaladas
en losorificiossuperioresparasujetarfirrnernentela rnanija
superiory lostubosdesoporte.Veala Fig.3.
f
f
/J
Figure1
Figure2
J
J
55
Figure3

CONTROL DIRECCIONAL DEL CANAL
1, Retireel brochede horquilladel controlespiralcomose muestra
enla Fig.4.
2. insertela varillade controldireccionaldelcanal dentrodel
accesoriosobreelcontrolespiralcomose veen la Fig.4.
3. Asegureconel brochedehorquillapreviarnenteretirado.
\
Figure4
iVlONTAJE DEL CANAL
1. Retirelas tuercasde seguridady lostornillosque sujetanunode
los fijadoresde bridaal conjuntodelcanal.Aflojelos sujetadores
delos otrosdosfijadoresdebrida. Veala Fig.5.
2. Coloqueel conjuntodelcanal enla basedelcanaltal comose
muestraen laFigura6. AsegQresedequelas muescasdel canal
engranencon elextrernoen espiraldelcontroldireccionaldel
canal,y que losdos fijadoresdebridase encuentrendebajodela
bridasobrelabasedel canal.
3. Sujeteel fijadordebridaquese retir6antescon las tuercasde
seguridady los tornillos.Aprietelas tuercasque sujetanlosotros
dosfijadoresde brida.Veala Fig.5.
.-,,,
Figure5
Soporte tolva
Manivela
4. Controlequetodosloscablesdel canalest_nadecuadamente
colocadosa travesde la guiadecablesacopladaal montajede la
rnanijainferior.Veala Fig.6.
/ /
ji
Figure6
CONFIGURACI6N
Limpiar la tolva de salida Herramienta
eA
Nuncauselasmanosparalimpiarlatolvaobstruidaunaasamblea.Apagarelmo-
tory sequedanhastaqueseocupadetodaslaspiezasm6vilessehandetenido
antesdeutilizarlaherramientadelimpiezaparalimpiarlatolvademontaje.
Unatolvade limpiezade la herramientaest,.sujetaa la partesuperior
de laviviendacon unabarrenapinzadernontaje.Vet fig.7.La
herramientaest,.diseSadaparaborrarunatolvade montajede hielo
y nieve.Estetema,juntocon elcable deextensi6n,se cierracon un
cablede empateenla f_.bricaparaprop6sitosde envio.Ustedpuede
cortarel cabledeempateenestemomento.
Limpieza de
herramientas
!
/
/
/'
/
Figure7

Cortadores de deriva
1. Quitelosdos tornillosy tuercasde bloqueoseguroquecada uno
derivade corte,y quitarlosdelos ladosde la barrenavivienda.
2. Girea la derivay la posici6nen tornoa los cortadoresde ellos,
cornose rnuestraen la Fig.8 to the outsideof the augerhousing.
3. Adjuntarladerivacortadoresconlos tornillosy tuercasde
bloqueoelirninadoantes.
Figure 8
La presi6n de los neumaticos (llantas neumaticas)
Bajoningunacircunstancianoexcedandelfabricanterecomiendapsi.La
igualdaddela presi6ndelosneumaticosdebenmantenerseentodomomento.
Cuandolapresi6nexcesivapuedecausarasientosbolasneum_tico/Ilantade
montajeparareventarconlafuerzasuficienteparacausarunda_ograve.Se
refierena losflancosdelosneum_ticosde lapresi6nrecomendada.
Losneurn_ticospuedenser elexcesodeinfladoparaefectosde
envio.Reviselapresi6ndelos neurn_ticosantesdelanievelanzador.
Serefierena laparedlateraldelneurn_ticoparalas rnanufacturasy
recorniendaddlactarpsi (oinflar)losneurn_ticos,seg0nsea necesario.
NOTA:Laigualdaddela presi6nde los neum_ticosdebeset
rnantenidaen todornornentoparalosefectosde laperformance.
Recomendaciones de combustible
Usodeautorn6vilesdegasolina(sinplornoo conplornobajolac_rnara
de combusti6nparareduciral rninimolos dep6sitos),conunminimode
87octano.Lagasolinaconhastaun 10%deetanol,o el 15%deMTBE
(metil-terbutil_ter)sepuedeutilizar.Nuncautiliceunpetr61eo/gasolinao
rnezcladegasolinasucia.Evitequeentresuciedad,polvoo aguaen el
dep6sitodecombustible.NOusegasolinaE85.
• Repostaren un_reabienventilada,con el motorparado.No
fumeni perrnitachispaso llamasenel _readondeel motorest_
refueledo dondese alrnacenalagasolina.
• NoIleneenexcesoeldep6sitode combustible.Despu_sde las
gasolineras,aseg0resede queeltap6ndel dep6sitosecierra
correctarnentey deforrnasegura.
• Tengacuidadodeno derrarnarel combustible,cuandolas
gasolineras.Derramedecombustibleo vaporde combustible
podriaencenderse.Sialgunasederrarnacombustible,asegQrese
de quela zonaes secoantesdeponeren rnarchael motor.
• Eviteel contactorepetidoo prolongadocon lapiel o larespiraci6n
de vapor.
Ahadiendo combustible
Utiliceextremocuidadoal manipulargasolina.Lagasolinaesaltamente
inflamableysusvaporessonexplosivos.Nuncacombustibledentrodela
casao lam_quinamientraselmotorestecalienteoenfuncionamiento.
Apagarloscigarrillos,puros,pipasy otrasfuentesdeignici6n.
Siempremantengalas manosy lospies clarolaspiezasm6vilesdel equipo.
Nouseunapresi6na partirdefluidos.Losvaporessoninflamables.
.
2.
Lirnpiealrededorde Ilenarde combustibleantesde retirarlatapa
de combustible.
Unindicadorde niveldecombustiblese encuentraenel dep6sito
de combustible.Lleneel dep6sitode combustiblehastaque
alcanzael indicadorde niveldecombustible,la Figura9. Tenga
cuidadodenoen exceso.
sta desdearriba
J
Figure9
Comprobaci6n del nivel de aceite
Elmotorse entregacon aceiteen el motor.Usteddebe,sin
embargo,cornprobarel nivelde aceiteantesde operarla nieve
lanzador.Correrel motorconsuficienteaceitemotorpuedecausar
gravesdaSosy anularlagarantiadelmotor.
NOTA: AsegOresede verificarel motorsobreunasuperficieplanacon
el motorparado.
1. Retireel tap6nde Ilenadodeaceite/varillay lirnpiarla varilla
lirnpia.Verfig. 10.
2. Insertela tapa/varillarnedidoraen el Ilenadode aceite,perono
es tornillopulg
IMPORTANTE:1/Otornillode la tapa/varillarnedidoraen el rnornento
de cornprobarel niveldeaceite.
3. Retireel tap6nde Ilenadodeaceite/varillarnedidora.Siel nivel
es bajo,aSadirel aceitelentarnentehastael niveldeaceiteentre
los registrosde altura(H) y bajo(L), fig. 10.Consultelasecci6n
de rnantenirnientodel motorparacorregirelaceitedeviscosidad
del aceitedel motory lacapacidad.
57

NOTA:No Ileneenexceso.Excesodeaceitepuederesultarenei
motordefumar,duralapuestaen marchao bujiaincrustaciones.
4. Sustituiry aprietebienlatapa /varillafirmementeantesde
arrancarel motor.
f
\Figure 10
AJUSTES
Zapatos antideslizantes
La nievelanzadorzapatosantideslizantesse ajustanai aizaen la
f_.bricaparaprop6sitosde envio.Ajustea la bajaantesdeoperarla
nievelanzador.
No se recomiendausarellanzadorde nievesobrelagrava,ya que
puedef_.cilmenterecogery tirargravasuelta,causandolesiones
corporaieso da_osa lanievey el lanzadorquerodeala propiedad.
Paracerrarlanieve,sobreunasuperficielisa,zapatosde ajustarelpatin
deformaqueelafeitadoplacaenlaparteinferiorde labarrenanoes m_.s
quelaviviendafueradelatierra.
Ajusteel calzadoantideslizanteaunaposici6ninferioraeievarelafeitado
placafuerade latierracuandolalimpiezadesigual_.reas,talescoreDun
tipodecintaoun caminodegravadevehiculos
NOTA:Siustedeligeutilizarellanzadordenieveen unasuperficiede
grava,mantenerelcalzadoantideslizanteenlaposici6ndemaximaaltura
entreelsueloy laplacadeafeitar.
Para ajustar el patin zapatos:
1. Zapatosantideslizantesajustaraflojandolos seis(tresen cada
lado)tuercashexagonalesy pernosdezapatosantideslizantes
garantizarla barrenaa la vivienda.Consultela Figura11.
2. Si bienla observaci6nde ladistanciaentreel platoy se afeitan
el terreno,ajustarlos zapatospatineshaciaarribao haciaabajo
paraaicanzarla aituradeseadaafeitadoplaca.Veala Figura11.
3. AsegQresede quetoda iasuperficieinferiordezapatosanti-
deslizantesest_.nencontradeia tierraparaevitarei desgaste
desigualenel patinzapatosy,a continuaci6n,apretarlas tuercas
y pernosdeseguridad.
\
Shave
Plata _\
Baja Shave Plata
AlzarShave Plata
Figure11
Explotaci6ndeun lanzadorde nievecon patinesde acerozapatos
puedeprovocarda_osalas superficiesdepiedranaturalm_quina
(porejemplo,de piedraarenisca,piedraazul,piedracaiiza).Para
obtenerinformaci6nsobrelos poiimeroszapatosantideslizantes,
Ilameal 1-800-4MY-HOME.
Pruebas de Pierre Auger Drive Control
1. Cuandolabarrenasesueltaelcontrolyen ladesembragado"hasta"
laposici6n,elcabledebetenerrnuypocaholgura.Nodebeserfirme.
ConsultelaFigura12.
Control de latolva
de inclinaci6n Selector de Palancade
[ S carnbio develocidad
Control de ] \ / ] Drive
barrena _ t _ _, --,J_=-,,-=Control
garrenael Drive
cable de t,.3,._ \\ II tl 1,4.-.7- _Oontrol
_ Tcontrol _ ._J
Figure12
2. Enunareabienventiiada,iniciarlanieveianzadormotortalcoredse
indicaenlasecci6ndeOperaci6ndeestemanual.AsegQresedeque
elaceleradorseencuentraeniaposici6nFAST.
3. Mientrasquedepieeniaposici6ndeloperador(potdetr_sdela
nievelanzador),ejercerlabarrena.
4. Dejarquela barrenaa quemantengasucompromisode
aproximadamentediez (10)segundosantesde soitarel control
de barrena.Repitaestovariasveces.
58

NOTA:AIrealizarlabarrena,puedeescucharun"chirp"desonido.Esto
esnormal,es elcintur6ndelaparticipaci6ndelapolea.Cornoseusael
cintur6n,estesonidonoseescuchacuandocontrateelbarrena.
5. Conlav_.lvuladecontrolenelFAST(conejo)ylaposici6ndecontrolenla
barrenadesernbragado"arriba"y,a piedelapartefrontaldelarn_.quina.
6. Confirrnequelabarrenahadejadoderotary nornuestrasignosde
rnovirniento.Silabarrenase rnuestraning0nsignodelarotaci6n,
inrnediatarnentevolvera laposici6ndeloperadory apagarelmotor.
Espereaquetodaslaspiezasrn6vilessedetenganantesdevolvera
ajustarelcontroldebarrena.Testing
Unidad de control de velocidad y selector de palanca
1. Conel motorapagado,moverla palancadelselectorde veloci-
dadensexta (6) posici6n.Consultela Figura13.
f
0rifieio rnas posteriorde
lasm6nsulas del actuador
Figure13
J
2. Con laruedade controlpuestasen libertad,la nievelanzador
ernpujehaciaadelantey,a continuaci6n,tire deella haciaatr_.s.
La rn_.quinadebernoverseNbrernente.
3. Involucrara la unidaddecontroly tratede moverla rn_.quina,
tantohaciadelantey haciaatr_.s,la resistenciadebesentirse.
4. Muevala palancadelselectorde velocidadenel retrocesor_.pido
(R2) la posici6ny repitalosdos pasos.
5. Si laresistenciaa la rodaduraexperirnentadola unidad,ya
seacuandoel reposicionarnientode la palancadel selectorde
velocidadde6 a R2o al intentarmoverla rn_.quinacon launidad
decontrolpuestasenlibertad,ajustarel controlde inrnediato.
V6aseAjustede controlesDrivey PierreAuger.
Ajuste de controles Drive yPierre Auger
6. Desdedebajode lapalanca,tire haciaabajoen elcable apro-
piadoy desenganchela prirnaverase encuentranenel extrerno
delcablede su respectivosoporteactuador.Lascifrasse refieren
a13y14.
7. Deslicelapnrnaverahastael cableparaexponerel cable
acopladorhilosy tuerca.Consultela Figura14.
8. Ajustela tuercade lasiguienternanera:Si el ajustede launidad
decable,hilodela tuercade bloqueohaciaelexterior(enel
acoplador)paraalargarelcable y perrnitirquela unidada la
59
f
Figure14
librecirculaci6ncuandose sueltaelcontrol.Hilode latuercade
perfeccionarnientoactivo (basraelacoplador)paraacortarel
cable parareducireldesNzarnientoy evitarquela rn_.quinadeser
rnovidof_.cilrnentecon la unidadde controldedicados.
Noaprietedernasiadoel cable.Elexcesodeendurecirniento,pueden
irnpedirla barrenay el cornprornisodela separaci6nde laseguridad
de lanievelanzador.
9. Silaadaptaci6ndelabarrenadecable,hilodelatuercadebloqueo
haciaelexteriorhaciaelfinaldelhiloparaalargarelcable,seg0nsea
necesarioparadetenerelgirodelabarrenacuandosesueltaelcontrol.
10. Seguradelcabledeconexi6ndecadaprirnaveraenelagujeroadecuado
delosrespectivosactuadorsoporte.Arnboscablesdeganchoenel
agujerorn_.shaciaatr_.sencadasoporte,cornosernuestraenlaFigura
13.
11. Repetirlatransrnisi6ndelaruedadecontroldebarrenay pruebaspara
cornprobarelajustecorrecto.Repitalospasosanterioressiesnecesario
paraIograrunbuenajustedecadacable.
PASADORES DE CUCHILLA
Su rn_.quinaquitanievetrae unparde pasadoresdecuchillade la
barrenay pasadoresde chavetacon uni6ncurvade reernplazo.Hay
orificiossurninistradosenel paneldeinstrurnentosdepl_.sticoparaun
alrnacenarnientoadecuadodelos pasadoresde cuchilla.Ernpujelos
pasadoresa trav6sde los orificiosen el panelde instrurnentospara
asegurarcon los pasadoresde chavetade uni6ncurva.Veala Fig.15.
Figure15

f
Conducir Control velocidad
de cambios
Tolvade dos vias decontrolTM
luz principal
Tolvade la Asamblea
Cortadores dederiva
Limpieza de
herramientas
f
Barrena \Barrena
Vivienda
Zapatos antideslizantes
Control de barrena
-,_ Directivo de la rueda de control
Chute de control
direccional
search
Tap6ndeIlenadode
aceite/Dipstick
Primer | r-- GasCap
/,,ovo
Salida
['_._ _---_l-_ _ ', .) prmclplantes
Aceitededrenaje
Ahoraqueya haajustadosu la rn_.quinaquitanieveparala operaci6n,
farniliaricesecon suscontrolesy caracteristicas.Veala Figura14.
PALANCA DE CAMBIOS
La palancadecarnbiosest,.ubicadaenel ladoderechodel panel
de mango.SitQela palancade carnbiosencualquieradelas ocho
posicionesparacontrolarladirecci6ndeldesplazarnientoy la
velocidadde piso. 3
Avarice t 2
Haycincoposicionesdeavance(F). La posici6nuno(1)es la rn&sF 1
lenta,y la posici6nseis(6) es la rn_.sr_.pida.
Retroceso R 1
Haydosvelocidadesde retroceso(R). Launo(1)es la rn_.slenta,
y la dos (2)es la rn_.sr_.pida. R2
FARO
.J
Figura14
LLAVE DE ENCENDIDO
LaIlavedeencendidoes undispositivode seguridad.Debeestar
6 cornpletarnenteinsertadaparaqueel motorarranque.Retirela Ilave
5 de encendidocuandono usela rn_.quinaquitanieve.
4NOTE: Nogirela Ilavedeencendidoparaintentararrancarel motor.AI
hacerlopodriarornperla.
CONTROL DE OBTURACION
Elcontroldeobturaci6nse encuentraen la parte
posteriordelmotor,y seactiva haciendogirarla
perillaensentidode lasagujasdel reloj.AI activar
el controldeobturaci6nse cierralaplacade
obturaci6ndelcarburadory se ayudaa encender
el motor.
Elfaro es Iocalizadoencirnadelpaneldemango.Puedeser ajustado
soltandolostornillosen cadaladodelalojarnientoligero,girode la luz
oabajo,y nuevoapretarnientode los tornillos.
CONTROL DEL ESTRANGULADOR
Elcontroldelestranguladorest,.ubicadoen el motor.Regulala
velocidaddelmotor,y Ioapagacuandornuevaelcontrola la posici6n
STOR
Cumple con los estandares de seguridad de ANSI
Lasrn&quinasquitanievedeCraftsmancurnplenconlosest&ndaresde seguridaddelinstitutoestadounidensedeest&ndaresnacionales(ANSI).
6O

MANIJA DEL ARRANCADOR DE RETROCESO
Estarnanijase utilizaparaarrancarel motorrnanualrnente.
BOTON DEL ARRANCADOR
ELECTRICO
Sioprirneel bot6ndelarrancadorel_ctricose engranael arrancador
el_ctricodel motorcuandose Ioenchufaa unafuentedeenergiade
120V.
SALIDA DEL ARRANCADOR
ELI_CTRICO
Es necesariousar uncord6nprolongadorparaexterioresde tres
espigasy unafuentede energia/tornacorrientede paredde 120V.
BARRENAS
Cuandoest_.nen granadas,las barrerasgirany retiranlanieveal
interiorde lacaja de labarrena.
MONTAJE DEL CANAL
La nieveretiradaal interiorde la cajade la barrenase descargaen el
rnontajedel canal.
CEBADOR
AI presionarel cebadorse enviacombustibledirectarnentealcarbura-
dordelmotorparaayudaralencendidocuandoelclirnaes frio.
LLENADO DE ACEITE
CONTROL DE LA TRANSMISION/CONTROL
DE LA BARRENA DE CERRADURA
Elcontroldetransrnisi6nest,.ubicadoen la rnanijaderecha.Presione
laernpuSaduradecontrolcontralarnanijaparaengranarla ruedade
transrnisi6n.Suelteparaquese detenga.
CONTROL DE LA
TRANSiVI|S|ON
Elcontrolde latransrnisi6ntarnbi_nbloqueael controlde la barrena
de rnaneraquepuedeoperarelcontroldireccionaldel canalsin
interrurnpirel procesode quitarla nieve.Siel controlde labarrenase
engranasirnult_.nearnentecon elcontroldetransrnisi6n,el operador
puedesoltarel controlde labarrena(enla rnanijaizquierda)y lasbar-
renascontinuar_.nengranadas.Sueltearnboscontrolesparadetener
tantolas barrenascornola transrnisi6nde las ruedas.
Es posiblecontrolarel niveldeaceitedel motor,asi cornotarnbi_n
agregaraceite,a travesdel Ilenadode aceite.
TAPON DE COMBUSTIBLE
Desenrosqueel tap6ndecombustibleparaagregargasolinaaltanque
decombustible.
ZAPATAS ANTI DES LIZANTES
Ubiquelas zapatasantideslizantesen funci6nde lascondicionesde
la superficie.Ajustehaciaarribasi la nieveest,.rnuycornpactada.
AjQstelashaciaabajosi usala rn_.quinaengravaso superficiescon
piedrastrituradas.
CORTADORES DE MOVlMIENTO
Loscortadoresde rnovirnientosondiseSadosparael usoen la nieve
profunda.Su usoes opcionalparacondicionesde nievenorrnales.
CONTROL DE LA BARRENA
Elcontrolde la barrenaest,.ubicadoenla rnanijaizquierda.Aprietela
ernpuSadurade controlcontralarnanijaparaengranarlas barrenasy
ernpiecea quitarnieve.Suelteparaquese detenga.
JCONTROL DiE
LA BARRENA
NOTA:Sueltesiernpreel controlde latransrnisi6nantesde carnbiar
de velocidad.Deno procederasi, aurnentar_,eldesgastedel sisterna
de transrnisi6nde su rn_.quina.
RUEDA QUECONDUCE MANDOS
Laruedaizquierday derechaqueconducernandoses Iocalizadaen la
parteocultade los mangos.Aprieteelcontrolderechoparadar vuelta
a la derecha;aprieteel controlizquierdoparadarvueltaa la izquierda.
NOTA:Hagafuncionaral lanzadorde nieveen _.reasabiertashasta
que ustedseafamiliarcon estosrnandos.
CONTROL DEL CANAL DE
2 DIRECCIONES TM
Lanievede distanciaes lanzadapuedesercarnbiadoajustandoel
_.ngulode la asarnbleadetolva.Avanceel controldeinclinaci6nde
tolvaparadisrninuirla distancia,haciael reversoparaaurnentar.
Ahoraqueya haajustadosu larn_.quinaquitanieveparalaoperaci6n,
farniliaricesecon suscontrolesy caracteristicas.Veala Figura14.
NOTA:Paraaurnentarodisrninuirlatensi6nsobreelcontroldecanaldedos
vias,apretaroaflojarelpornodernariposaenelensarnbledelac_.rnara.
PALANCA DE CAMBIOS
Lapalancade carnbiosest,.ubicadaen el ladoderechodel panel
de mango.SitQela palancadecarnbiosen cualquierade las ocho
posicionesparacontrolarla direcci6ndel desplazarnientoy la
velocidaddepiso.
61

Avarice
Haycincoposicionesde avance(F). Laposici6nuno(1)es larn_.s
lenta,y la posici6nseis(6)es larn_.sr_.pida.
Retroceso
Haydosvelocidadesde retroceso(R). Launo(1)es la rn_.slenta,y la
dos (2)es larn_.sr_.pida.
FARO
El faroes Iocalizadoencirnadel panelde mango.Puedeset ajustado
soltandolos tornillosen cadaladodelalojarnientoligero,girode la luz
o abajo,y nuevoapretarnientodelos tornillos.
LLAVE DE ENCENDIDO
La Ilavede encendidoes undispositivode seguridad.Debeestar
cornpletarnenteinsertadaparaqueel motorarranque.Retirela Ilave
de encendidocuandonouse la rn_.quinaquitanieve.
NOTE:No girela Ilavede encendidoparaintentararrancarel motor.AI
hacerlopodrfarornperla.
CONTROL DE OBTURACION
El controldeobturaci6nse encuentraen la parteposteriordelmotor,
y seactiva haciendogirarla perillaen sentidode las agujasdel reloj.
AI activarel controlde obturaci6nsecierra la placade obturaci6ndel
carburadory se ayudaa encenderel motor.
CONTROL DEL ESTRANGULADOR
El controldelestranguladorest,.ubicadoen el motor.Regulala
velocidaddel motor,y Io apagacuandornuevael controla la posici6n
STOR
MANIJA DEL ARRANCADOR DE RETRO-
CESO
Estarnanijase utilizaparaarrancarel motorrnanualrnente.
BOTON DEL ARRANCADOR
ELECTRICO
Si oprirneel bot6ndelarrancadorel_ctricose engranael arrancador
el_ctricodel motorcuandose Ioenchufaa unafuentedeenergiade
120V.
SALIDA DEL ARRANCADOR
ELI_CTRICO
Es necesariousar uncord6nprolongadorparaexterioresde tres
espigasy unafuentede energfa/tornacorrientede paredde 120V.
BARRENAS
Cuandoest_.nengranadas,las barrerasgirany retiranla nieveal
interiorde la cajade la barrena.
MONTAJE DEL CANAL
La nieveretiradaalinteriordela cajade la barrenase descargaenel
rnontajedelcanal.
CEBADOR
AI presionarel cebadorse enviacombustibledirectamenteal carbura-
dordel motorparaayudaral encendidocuandoel climaes frio.
LLENADO DE ACEITE
Es posiblecontrolarel nivelde aceitedel motor,asi comotambi@n
agregaraceite,a travesdel Ilenadode aceite.
TAPON DE COMBUSTIBLE
Desenrosqueel tap6ndecombustibleparaagregargasolinaal tanque
de combustible.
ZAPATAS ANTIDESLIZANTES
Ubiquelas zapatasantideslizantesenfunci6ndelas condicionesde
la superficie.Ajustehaciaarribasi lanieveest,.rnuycornpactada.
AjQstelashaciaabajosi usa la rn_.quinaen gravaso superficiescon
piedrastrituradas.
CORTADORES DE MOVlMIENTO
Loscortadoresdernovirnientosondise_adosparael usoen la nieve
profunda.Suuso es opcionalparacondicionesde nievenorrnales.
CONTROL DIRECCIONAL DEL CANAL
Lacontroldireccionaldel canales Iocalizadaenel ladoizquierdodel
lanzadordenieve.
• Paracarnbiarladirecci6nhaciala cual searrojala nieve,gire
en sentidode lasagujasdel relojparadescargarla nievehacia
la izquierda,yen direcci6ncontrariade las agujasdel relojpara
descargarlahacialaderecha.
HERRAMIENTA DE LIMPIEZA
Laherrarnientadelirnpiezadel canalest,.ajustadaconvenienternente
a laparte posteriordela cajade la barrenacon un pasadordeensarn-
blado.Si se acurnulannievey hieloenel canaldedescargadurante
laoperaci6n,procedacornose indicaa continuaci6nparalirnpiarde
rnanerasegurael rnontajedelcanaly laaberturadel canal:
Nuncausesusrnanosparaliberarun rnontajede canaltapado.Antes
de destaparlo,apagueel motory perrnanezcadetr_.sde lasrnanijas
hastaquetodaslaspartesrn6vilesse hayandetenido.
1. Suelteel controlde la barrenay el controlde latransrnisi6n.
2. Paradetenerel motorsaquela Ilavedeencendido.
3. Saquelaherrarnientadelirnpiezadelpasadorque laajustaa la
parteposteriorde lacaja de labarrena.
4. Useel extrernocon forrnade paladela herrarnientade lirnpieza
paradesplazary recogerlanievey el hieloqueseforrnaroncerca
del conjuntodel canal.
5. Vuelvaa ajustarla herrarnientadelirnpiezaal pasadordeens-
arnbladoubicadoen laparteposteriorde lacajade la barrena,
insertede nuevola Ilavede encendidoy enciendael motorde la
rn_.quinaquitanieve.
6. Paradoenlaposici6ndeloperador(detr_.sde larn_.quinaquita-
nieve),engraneelcontroldelabarrenaduranteunossegundospara
elirninarlanieveoelhieloquehayanquedadoenelconjuntodel
canal.
62

ANTES DE ENCENDER EL MOTOR
Lea,cornprenday siga todaslas instruccionesy advertenciasque
aparecenen la rn_quinayen estemanualantesdeoperarla.
Aceite
Elmotorse envi6conaceiteen el motor.Controleel nivelde aceite
antesde cadaoperaci6nparaasegurarsede quehayaaceite
suficienteen el motor.Paraobtenerrn_sinstrucciones,rernitasea los
pasosqueaparecenen la p_gina53.
1. Saquela varilladelnivelde aceitedelorificiodeIlenadode
aceite.
2. Controley cornpruebequeel niveldeaceiteest_ hastaarribaen
la rnarcaCHOKEdela varilladelniveldelaceite.
3. Si el niveldeaceitenoIlegahastaCHOKE,viertaaceitede
motornuevo(5W-30,conunaclasificaci6nminimadeSLiSJ)
lentarnentea trav_sde la abertura.Vuelvaa colocarlavarilladel
nivelaceiteenel Ilenadodeaceitey controlenuevarnenteel nivel
deaceite.
Gasolina
Tengaextrernocuidadocuandornanipulegasolina.Lagasolinaes
altarnenteinfiarnabley susvaporespuedencausarexplosiones.
Nuncaagreguecombustiblea la rn_quinaeninterioreso rnientras
el motorest,.calienteo en funcionarniento.Apaguelos cigarrillos,
cigarros,pipasy otrasfuentesde cornbusti6n.
•Alrnacenela gasolinaen unrecipienteaprobadolirnpioy coloque
la tapaen el recipiente.
•AsegOresedequeel recipientedesdeelcualviertelagasolina
est_lirnpioy noest_oxidadonicontarninadoconotrasparficulas
extra,as.
NOTA:Dentrodela aperturaparaIlenadodecombustiblepuede
encontrarseunatapa guardapolvosde pl_stico.Retirey descarte,si la
hubiera.
•Llenesiernpreel tanquedecombustiblealairelibrey useun
ernbudoo pico paraevitarderrarnarnientos.
•Lleneeltanquedecombustiblecongasolinasinplorno,lirnpiay fresca.
•NuncaIlenecornpletarnenteeltanque.Lleneeltanquehasta1/2pulgpor
debajodeltope,dejandoasiespacioparaladilataci6ndelcombustible.
•AsegOresedelirnpiarelcombustibleque sehayaderrarnado
antesde arrancarel motor.
ENCENDIDO DEL MOTOR
1. Conecteel cablede labujiaa la rnisrna.Cornpruebequeel lazo
de metaldelextrernode la bujiaest_bienajustado(dentrode la
rnangade gorna)sobrela puntarnetAlicadela bujia.
2. AsegQresedequeel controlde la barrenay el controlde la
transrnisi6nest_nen posici6ndesengranada(sin presionar).
3. Insertela Ilavede encendidoen la ranura.AsegOresedeque
entrea presi6nen su lugar.Nointentegirarla llave.
NOTA: Elmotorno puedearrancarsi la Ilavenoest_cornpletarnente
insertadaenel interruptorde encendido.
Arrancador el_ctrico
Elarrancadorel_ctricoopcionalest&equipadocon uncablede ali-
rnentaci6ny un enchufede tresterrninalesconectadosa tierray est_
dise_adoparaoperarcon corrientedorn_sticade 120voltios.Debe
set utilizadoconun recept_culodetresterrninalescorrectarnente
conectadoa tierraentodo mornentoparaevitarlaposibilidadde
descargasel_ctricas.Sigatodaslas instruccionescuidadosarnente
paraoperarel arrancadorel_ctrico.
Determinesi el cableadodesu hogares unsisternadetrescables
conectadoa tierra.Consultecon un electricistarnatriculadosi noest_
seguro.
Sicuentacon un recept_culodetresterrninales,sigalos siguientes
pasos:
1. Conecteel prolongadora la salidasituadaen la superficiedel
motor.Conecteel otroextrernodel prolongadoren unrecept_culo
deCA conconexi6natierrade tresterrninalesde 120voltios,en
un_reabienventilada.
2. Gireel controlde obturaci6na posici6nde obturaci6nCHOKE
I,"l (paraencendidoconelmotorenfrio).
NOTA:si el motorya est_caliente,ubiqueel controldelobturadoren
posici6nRUNen lugardeCHOKEIJl '
3. Presioneelcebadordoso tresvecesparaarrancarel motoren
frio,asegur_ndosedecubrirel orificiode ventilaci6nsituadoen
el centrodelcebadorcuandoest_presionando.
NOTA:NO UTILICEel cebadorparareiniciarun motorcalientetras
unadetenci6nbreve.
4. Presioneel bot6ndelarrancadorparaarrancarel motor.
Paraprolongarla vidade arranque,el uso decornenzarlos ciclosa
corto (5segundoscornorn_xirno,a continuaci6n,espereunrninuto).
.
6.
Unavezencendidoel motor,suelteel bot6ndelarrancador.
Mientrasse calientael motor,girelentarnenteel controldelobtu
radora posici6nRUN(apagado).Siel motorfalla,vuelvaa girar
r_pidarnenteelobturadora posici6nCHOKE IJl Yluego,
lentarnente,a posici6nRUNde nuevo.
7. Cuandodesconecteel prolongador,desenchufesiernpreel
extrernodelrecept_culodetresterrninalesenel tornacorriente
de paredantesde desenchufarelextrernoopuestode la
rn_.quinaquitanieve.
Arrancador de retroceso
1. Gireel controlde obturaci6na posici6nde obturaci6nCHOKE
I,._1 (encendidocon el motorenfrio).
NOTA:Isiel motorya est&caliente,ubiqueel controldelobturadoren
posici6nRUNen lugardeCHOKEI,.=('1.
2. Presioneelcebadordoso tresvecesparaarrancarel motoren
frio,asegur&ndosedecubrirel orificiode ventilaci6nsituadoen
el centrodelcebadorcuandoest_presionando.
63

NOTA: NOUTILICEel cebadorparareiniciarunmotorcalientetras
unadetenci6nbreve,
NOTA:tal vezsea necesariouncebadoadicionalsi la ternperaturaes
inferiora 150Fahrenheit.
3. Tomelarnanijadelarrancadorde retrocesoy tire dela cuerda
haciaafueralentarnente.Enel rnornentoen elque se haga
levernentern_.sdificiltirarde lacuerda,perrnitaque larnisrna
retrocedalentarnente.
4. Tirede la rnanijadelarrancadorcon unrnovirnientofirrney
r@ido.Nosueltelarnanijani perrnitaque sedesenganche.
Mantengala rnanijadelarrancadorfirrnernentesujetay perrnita
quelacuerda retrocedalentarnente.
5. Mientrasse calientaelmotor,gire lentarnenteel controldel
obturadora posici6nRUN(apagado).Si elmotorfall& vuelvaa
girarr@idarnenteel obturadora posici6nCHOKE JJl Yluego,
lentarnente,a posici6nRUNdenuevo.
NOTA:perrnitaqueel motorse calienteduranteunosrninutostrasel
arranque.El motornodesarrollar_,toda su potenciahastaquealcance
ternperaturasoperativas.
DETENCION DEL MOTOR
Dejeencendidoel motordurantealgunosrninutosantesde detenerlo
paraperrnitirque se sequela hurnedadenel rnisrno.
1. Muevaelcontroldel estranguladora laposici6nSTOPI_.
®
No rnuevael estranguladordecontroldel estranguladora laposici6n
dedetenerel motor.Contraproducenteso el motorpuededaSarse.
2. Retirela Ilavedeencendidoy gu_.rdelaenun lugarseguro.
3. Lirnpielanievey lahurnedaddel_.reaalrededordel motor,asi
cornotarnbi_nen el_.rea(y alrededorde _sta)delinteriorde los
controlesdela transrnisi6ny de labarrena.Asirnisrno,enganche
y sueltearnboscontrolesvariasveces.
PROCEDIMIENTO PARA ENGRANAR LA
TRANSMISION
Muevala palancadecarnbiosa unade las seisposicionesde
avance(F) ode las dos posicionesde reversa(R). Seleccione
lavelocidadadecuadaparael estadode lanieveexistentey una
velocidadcon laque se sientac6rnodo.
PROCEDIMIENTO PARA ENGRANAR LAS
BARRENAS
1. Aprieteelcontroldela barrenacontrala rnanijay las barrenas
rotar_.n.Su@elay las barrenasse detendr_.n.
SLISTITLICION DE ROTURA PINES
Barrenacadahojase sujetaal ejede la barrenacon unacizallapines
y arco-tieclip.Si labarrenadebeencontrarunobjetoextraBooatasco
de hielo,la nievelanzadorest,.dise_adoparaquelos pinesde mayo
de cizallacizalla.Si unabarrenade hojanose enciende,cornpruebe
si suclavijaesquiladahaapagado.Veala Figura15.
NUNCAsustituirlabarrenacizallapinesconalgoquenoseaSearsSKU# j
88389/0EMPartNo.738-04155sustituci6ncizallaalfileres.Cualquierda_o
a lacajadecambiosbarrenaodeotroscomponentescomoresultadodeno
haceronoser_ncubertospotsugarantadeneve anzador, j
Apaguesiernprela nievelanzadordelmotory quitarla Ilaveantesde
la sustituci6nde cizallaalfileres.
\
Figura15
NOTA:AI seleccionarunavelocidaddela transrnisi6n,uselas veloci-
dadesrn_.slentashastaque se sientac6rnodoy se hayafarniliarizado
conel funcionarnientodela rn_.quinaquitanieve.
2. Aprieteel controlde latransrnisi6ncontrala rnanijaderecha,y la
rn_.quinaquitanievese mover&Su@eloy se detendr_,el
rnovirnientode latransrnisi6n.
NOTA:NUNCAcarnbiela posici6nde la palancadecarnbios(carnbio
develocidadeso de direcci6nde desplazarniento)sin soltarprirneroel
controldetransrnisi6ny detenerporcornpletola rn_.quinaquitanieve.
Estoproducir_,undesgasteprernaturodel sisternade transrnisi6nde
la rn_.quinaquitanieve.
64

LISTA DE iVlANTENIIVllENTO
Antesderealizarcualquiertipodernantenirniento/servicio,desactivar
todosloscontrolesy pararel motor.Esperehastaquetodaslaspiezas
rn6vilesbanIlegadoa unaparadacornpleta.Elirninarlaclaveparapreve-
nirinvoluntariadecornenzar.Siernpreusegalasdeseguridadduranteel
funcionarnientoo enel desernpeSodecualquierajusteo reparaci6n.
Sigala listade rnantenirnientodadaabajo.Estacartadescribepautas
de servicios61o.Usela colurnnade Troncode Servicioparaguardar
la pistadetareasde rnantenirnientocornpletadas.Localizarel rn_.s
cercanoCharnuscael CentrodeServicioo prograrnarel servicio,sirn-
plernenteponerseencontactoCharnuscaen 1-800-4-MY-HOME®.
5. Carnbioel estancarnientodecable
1. Niveldel aceitede motor 1. Cornprobar
2. Hardwaresueltooausente 2. Aprieteosustituir
3. Unidadymotor 3. Lirnpio
1. Elaceitede motor 1. Carnbio
1. Bujfa 1. Cornprobar
2. Encadenarnientosde control 2. Lubricaci6nconpetr61eoligero
y pivotes
3. Ruedas 3. Lubricaci6nconautornotores
rnultiusos
4. Ejede engranajeyejedela 4. Lubricaci6ncon petr61eoligero
barrena
5. Controldelcanalde
4 direccionesTM
1. Elaceitede motor 1.
1. Bujia 1.
1. Sisternadecombustible 1.
CadaUsoy 5 horas
los 5
Anualrnenteo 25 horas
Anualrnenteo 50 horas Carnbio
Anualrnenteo 100horas Carnbio
Antesde Alrnacenaje Elmotordirigidohastaqueestose
parea faltadelcombustible
iVlANTENIMIENTO DE MOTOR
Control del aceite del motor
Antesde realizartareasde lubricaci6n,reparaci6no inspecci6n,
desengranetodosloscontrolesy detengael motor.Esperea quese
detengantodaslas piezasrn6viles.
NOTA: Verifiqueel niveldeaceiteantesde cadauso paracerciorarse
quese rnantieneel niveldeaceiteindicado.
Cuandole agregueaceiteal motor,consultela siguientetablade visco-
sidad.Lacapacidaddeaceitedel motores 600rnl(aprox.37onzas).
NoIleneexcesivarnente.Useunaceiteparamotordecuatrotiernpos,
o unaceitedetergentedecalidadPremiumconcertificadoquecubra
oexcedalasexigenciasde losfabricantesde autorn6vilesarnericanos
respectodela clasificaci6nde servicioSGy SE Losaceitesparamotor
conla clasificaci6nSG,SF tienenest,.designaci6nenelenvase.
1. Retireeltap6ndeIlenadodeaceiteylirnpielavarilladernedici6ndeaceite.
2. Insertelatapa/varillade rnedici6nenel cuellode Ilenadode
aceite,perono Ioatornillepulg
3. NOTA:Enalgunosrnotores,untap6nde roscacon roscaestate.
presenteen lugardelcuartodevueltatap6ndecierre.Enelcaso
de untap6nroscadodeaceite/varilladernedici6n,el tornillo
de latapadel NOcon varillade nivelparaver.Reviseel aceite
aldescansarla tapa/varillade rnedici6nen los hilos,perono Io
enroscapulg.
4. Retireel tap6ndeIlenadode aceite.Si el nivelest,.bajo,agregue
Figura16
aceitelentarnentehastaregistrosde niveldelaceiteentre alto(H)
y bajo(L).Veala Figura16.
5. Ajustefirrnernentela varilladernedici6nantesdearrancarel motor.
Cambio de aceite del motor
NOTA:Carnbieelaceitedespu_sde las5 prirnerashorasde
operaci6ny despu_sdecada 50horasde operaci6no unavezpor
ternporada.
65

1. Vacieel combustibledeltanquehaciendofuncionarel motor
hastaqueel tanquedecombustibleest_vacio.Cerci6resede
quela tapadelcombustibleest,.asegurada.
2. Coloqueun recipienteadecuadopara recolectarel aceitebajoel
tap6ndedrenajedeaceite.
3. Retireel tap6ndedrenajedeaceite.Veala Figura17.
Control de la bujia
NOpruebela chispasi no est,.la bujiade encendido.NOd_
arranqueal motorsi noest,.la bujiadeencendido.
Si el motorhaestadofuncionando,el silenciadorestar_,muy
caliente.Tengacuidadode no tocarel silenciador.
NOTA:Controlelabujiaanuaimenteo cada 25horasdeoperaci6n.
Cambiela bujfaanualmenteo cada 100horas.
Paraasegurarsede queel motorfuncionebien,la bujiadebetenet
unaseparaci6ncorrectay notenetsedimentos.
1. Retirelafundade la bujfay utiliceunaIlaveparabujfaspara
extraerla.Veala Figura18.
Figura 17
4. Incline el motor para drenar el aceite en el recipiente. El aceite
usado se debe descartar en un centro de recolecci6n adecuado.
Elaceiteusado es un residuo peligroso.Elimineel aceiteusado
adecuadamente.No Ioarroje juntocon los residuosdomicilMos. Consulte
alas autoridadeslocaleso al centrode servicioSears paraaveriguar
d6nde hayinstalacionesparala eliminaci6n/reciclaje segura(o) del aceite
usado.
.
6.
Vuelvaacolocarel tap6ndedrenajedeaceitey ajOstelobien.
Rdlene el motorcon el petr61eorecomendado.Verlacartade
UsodelAceiteRecomendada.Lacapacidaddel aceitedel motor
es 37onzas.
(oF)-40o-20 o 0o 200 400
("c) -30°-20 °-10° 0°
NOutiliceaceitessindetergenteo paramotordedos tiempos.Podria
acortarlavida Otildel motor.
7. Vuelvaa colocary ajustarel tap6nde Ilenado/lavarilladenivel
deaceite.
L_.vesebienlas manosconaguay jab6ninmediatamentedespu_s
de tocaraceiteusado.
66
ia de encendido
©
Figura18
2. Inspeccionevisualmentela bujia. Descartela bujiasi presenta
muchodesgaste,o siel aislanteest,.agrietadooastillado.Limpie
labujfacon uncepillodealambresi lava a volvera utilizar.
3. Midalaseparaci6ndebujfaconuncalibrador.Corrijadesernece-
sariotorciendoelelectrodolateral.Veala Figura19.Laseparaci6n
debeestablecerseentre0,02y 0,03pulgadas(0,60-0,80ram).
Electrodo
0,02- 0,03 pulgadas
(0,60=0,80 ram)
Figura19

4. Verifiquequelaarandeladelabujiaest_enbuenascondiciones
yenr6squelarnanualrnenteparanoestropearlarosca.
5. Unavezquelabujfaest_colocada,apri_telaconunaIlavepara
cornprirnirlaarandela.
NOTA:Cuandoinstaleunabujianueva,unavezcolocadalabujia
apriete1/2vueltaparacornprirnirlaarandela.Cuandovuelvaacolocar
unabujfausada,unavezcolocadalabujiaapriete1/8-1/4devuelta
paracornprirnirlaarandela.
da_arelmotor.
AJUSTE DE CARBURADOR
Elcarburadornoes usuarioajustable.Piezasencontactocon Searsy
Reparaci6nparael ajuste.
LUBRICACI(SN
IVlecanismo de Cambio de la unidad y
AI rnenosunavezporternporadao despu_sdecada 25horasde
funcionarniento,elirninarcubiertatrasera.Lubriquetodaslas cadenas,
pi_ones,engranajes,rodarnientos,ejes,y el rnecanisrnode desplaza-
rniento.Utiliceaceitede motoro unaerosollubricante.Consultela
Figura20.
E X\\
\\
Rueda de fricci6
de goma
Eje
Placa de
de aluminio
Soporte del eje
de la rueda
Figura20
NOTA:Tengacuidadode noobtenerningunade aceiteen launidad
placadealurninioo de gornade ruedadefricci6n.SiIo hace,ser_.un
obst_.culola nievelanzadordelsisternadeaccionarniento.Enjugarel
excesoo el aceitederrarnado.
1. PorIo rnenosunaveza la grasade laternporadade loseje dela
ruedacon grasaArtico,n0rnerode parte737-0318.Laguarnici6n
de lagrasase encuentraenel tubo dela ruedadel ejedetr_.sdel
soportede la ruedadeapoyodeleje.
Ruedas
AI rnenosunavezporternporada,quitelas dos ruedas.Lirnpiezay
revestirnientolos ejescon unagrasarnultiusosautorn6vilantesde
volvera instalarlas ruedas.
Chute de control direccional
Unavezqueunaternporada,lubricarel ojoy elcasquillodesaeta
espiralcon 3-en-1depetr61eo.
Barrenaeje
AI rnenosunavezporternporada,unoa la vez,quitartodoslos
alfileresdecizalladela barrenaeje.Spraylubricanteenel interiordel
centrode cada reuni6ny de barrenaespiralalrededordelos espacia-
doresen eleje barrena.
Accesoriosde grasatarnbi_nse puedeencontrarencada extrerno
del ejede labarrena.Lubricarcon unapistolade grasaunavezpor
ternporada.Veala Figura21.
Bow-corbata Pins i=s
Figura21
AFEITADO PLATA Y ZAPATOS ANTIDESU=
ZANTES
Laplacadeafeitary calzadoantideslizanteen la parteinferiorde
la nievelanzadorest_.nsujetasadesgaste.Quedebenverificarse
peri6dicarnentey reernplazarsecuandoseanecesario.
Zapatos antideslizantes
NOTA: Loszapatosantideslizantesenesteequipotiene dos bordes
desgaste.Cuandounade las partesIlevaa cabo,se puedengirar 180
oa utilizarelotro horde.
Figura22
67

1. Retirelos seispernosy tuercashexagonalesque sujetanlos
doszapatosantideslizantesa losladosde labarrenavivienda.
Consultela Figura22.
2. Coloqueel nuevozapatosantideslizantesy seguracon los
pernosy tuercashexagonales.AsegQresede queloszapatos
antideslizantesse ajustanalmismonivel.
Afeitado Plata
1. Retireel tuercashexagonalesy pernosquesujetanla placade
afeitadoa laparteinferiordela vivienda.
2. Retirela parteposteriorla mayoriadetuercahexagonaly
el transportepernodeasegurarla partedeatr_.sdecada
zapatopafina los ladosdela vivienda.Aflojarlas cuatrotuercas
hexagonalesrestantesasegurarlos zapatosantideslizantes.
3. Deslicela placade afeitardela seriefuerade la ranuraen la
parteinferiorde la vivienda,y de entreloszapatosantideslizantes
y paneleslateralesdela vivienda.
4. Conlos orificiosdemontajehaciala partetraseradela unidad,
deslicela placadeafeitarnuevay seguraensu posici6ncon los
tornillosretiradospreviamente.
AJUSTES
Desplazamiento por cable
Sitoda lagamade velocidades(adelantey atr_.s)nose puedeIograr,
se refierena la Figura23y ajustarelcable decambiode la siguiente
manera:
5. Coloquela palancadecambiosenla posici6ndevelocidadm_s
r_pidohaciaadelante.
6. Aflojelatuercahexagonalenel soportede cambiode indicede
cable.Wase lafigura.23.
Control de la tolva
Lanievees lanzadaa distanciase puedeajustarmedianteel ajuste
del _.ngulodela tolvade montaje.Consultela secci6nde Operaci6n
paraobtenerinstrucciones.
Latolvade los cablesdecontrolremotobansidopre-ajustadosen
f_.brica.Muevala palancadela tolvaremotoen el paneldecontrol
haciaadelantea la partesuperiordel pivotetolvahaciaabajo,mover
lapalancahaciaatrAsparagirarlaparte superiorde la tolva.
De transmisi6n de la rueda de control
Consultela secci6nAjustede la Asambleainstruccionesparaajustar
laruedade control.A fin de comprobarelajuste,procedadela
siguientemanera:
1. Conla puntade nievelanzadoradelante(setdeterminadospara
ejecutarel dep6sitode combustibleen secoantesde inclinarla
unidadhaciaadelante),quiteel marcodebajode lacubiertade
nievelanzadorquitandolos tornillosautorroscantes.
2. Busquelaaperturaentreel soportedel ejedelanteroy el marco
de apoyo(v_asela Figura24). Mirandoa trav_sdeestaapertura,
con la ruedade controlenlibertad,debehaberespacioentrela
rueday la fricci6ndela placade launidaden todaslas posicio-
nesde lapalancadel selectordevelocidad.
3. Conla ruedade controldedicado,lafricci6nde la ruedadeber_
ponerseen contactoconla placade launidad.Veala Figura24.
4. Sino hayfricci6nruedade liquidaci6n,o la fricci6nde la rueda
nose s61idamenteen contactoconla placade la unidad,vuelva
a ajustarla tuercaen elextremoinferiordela unidadde cable
Unidad"//
',,...
Figura24
Figura23
7. Gireel soportehaciaabajoparatensarelcable.
8. Vuelvaa apretarla tuercahexagonal.
siguiendolas instruccionesdela Asambleasecci6n.
5. Vuelvaa cubrirel marco.
68

Soporte de la tolva
Si laespiralenla parteinferiordela tolvade controldireccionalno
est&plenarnentela partMpacbn en latolvade rnontaje,el soportede
latolvase puedeajustar,ParaeNo:
1, Aflojarlasdos tuercasqueaseguranel soportedela tolvay
recolocarNgerarnente,VealaFigura25.
2, Reapretarlas tuercas.
i
Figura25
Control de barrena
Consultela secciSna la Asarnbleaparaobtenerinstruccionessobre
cSmoajustarel cablede controlbarrena,
Zapatos antideslizantes
Consultela secciSna la Asarnbleaparaobtenerinstruccionessobre
cSrnoajustarel patfnzapatos,
ClNTURON DE SUSTITUClON
Cintur6n de eliminaci6n Preparaci6n
1, Cotterquitar elpasadorqueaseguralaparte superiordela tolva
a la rnaniveladela tolvainferiorrnanivela,Consultela Figura26.
J
Figura26
2. Retirela cintadecubiertade pl_.stico,quese encuentracercadel
motor,sacandolostrestornillosautorroscantesqueasegurarlo.
VealaFigura27.
,
Figura27
Aflojeel pernode rnuestraen laFigura28poseedorasegurarel
soportede cintur6ny retireel pernodeotros. Ernpujeel soporte
de cintur6ny hastaposeedorde la poleadel motor.
Figura28
Cintur6n sustituci6n barrena
1. Retireel arcoitieclip y arandelaplanade la virolaconel fin de
desconectarla varillade barrenade la poleadel frenosoportede
rnontaje.Veala Figura29.
NOTA: Asegt]resede quela ubicaci6nde lavirolade lavarillade
barrenapolease rnantiene.
2. Insertela cintasinfinde control(la prirneracinta)fuera dela
poleadelmotor.
3. Tire la palancadelfrenohaciael soportede rnontajedel cable
gufade rodillosy desenganchede labarrenadecable z-rnontaje.
Veala Figura30.
4. Dearnbosladosdel marcode la reuni6n,utiliceun 1/2"para
quitarla Navehexagonalde toquetres tornillosquefijan el marco
de la barrenadel ensarnblaje.Referirsea la Figura26.
NOTA: No retireel bloqueodela bridainferiorde latuerca
hexagonalencadalado.
69

clip
y arandela
Ferrul
Barrena Rod polea j,) 9.
Figura29
Figura30
5. Coloqueun bloquedernaderadebajodela barrenade vivienda,
cornose rnuestraen la Figura31y separadode la vivienda
barrenamarcoinclinandoel cuerpohaciaadelantey tirandode
las asas.
6. BIoquearel irnpulsorcon un pedazode rnaderaparaevitarque
el hiladoy el usode una 1/2 "paraquitarla Ilavehexagonalde
tornilloy arandelaplanadesdeelcentrodela poleasobrela
barrenavivienda.Aver en lafig.32.
7. Levanteel soportedernontajedefreno dela polearanura(Ben
la Figura32) y deslicela poleaasarnbleafueradelos puestos
dela poleadeladaptadorde barrena(C) paraelirninarel antiguo
cintur6n.
NOTA:Eladaptadordela poleapuededeslizarsefueradelabarrena
_.rbolalquitarlapole&Tengaespecialprecauci6nparaasegurarel
adaptadorseencuentrey/oobtenerdaSadoal retirarlapole&
8. Coloquela nuevacintade barrenaen laV-ranurade la polea
barrenay el lugarde la poleaw /enel interiorde lacorreadel
cintur6nde rnantenirniento.
70
Figura33
Girea la poleaque seanecesarioparaalinearsustresranuras
de aproxirnadarnentecon los puestosdela poleadel adaptador
y,a continuaci6n,rnuevael soportedefrenode rnontajefuera
del ejedeentrada.Si bienlaalineaci6ndela polealasfranjas
horariasy adaptadorde puestos,ernpujela barrenapolea
plenarnenteenel adaptador.Consultela Figura32.
NOTA:Siel adaptadorde lapoleaseelirnin6con lapolea,se
surnanlossplinesadaptadordela poleadelejedeentraday
barren&y ernpujede lapoleay eladaptadorenel _.rbol.Consulte
Adaptador
puesto
Figura32
la polea
laFig.32.
10. Deslicelaarandelade latuercahexagonalenel tornilloretirado
anteriorrnentey aplicarLoctite262alas roscasdelos tornillos
hexagonales.
11. Inserteeltornillohexagonaldelapoleaatravesdeasarnbleay delos
hilosenel_.rbol.Pareltornillohexagonalde250-325libraspulg.para
garantizarlabarrenadernontajeenlapoleadelejedeentrada.
12. Sitarnbi_nla sustituci6nde lacorreadetransrnisi6n,procedera
la"Correa"instrucciones.Si noes asf, la posici6ndel marcode
latransrnisi6nposteriora la barrenavivienda.Instalela unidad
sobrela cintadela poleadel motor,vuelvaa conectarel cable

debarrenazmontajeybarrenapoleavaravirolaalfrenosoporte.
Reposici6nyasegurarlacintadelapoleadelmotordeguardia,y
volverainstalarelcintur6n.
NOTA:AsegOresedequitarlapiezademaderabloqueandoel
impulsor.
Compruebeelajustedelacorreadetransmisi6nbarrena.Conlabar-
renaenlapalancadeembraguedesembragadoposici6n,lasuperficie
superiordelanuevacintadebeserinclusoconeldi_metroexteriorde
lapolea.
Paraajustar,desconecteviroladelsoportedemontajedelfreno.Virola
enhilo(hacialapolea)paraaumentarlatensi6nenlacorrea,opara
disminuirlatensi6ndelacorrea.
NOTA:Elfrenodediscodebeestarfirmementeasentadoenlaranura
delapoleabarrenacuandoelcontrolesdesembragado.
IMPORTANTE:Repitael"PierreAugerDriveControlTest"dela
Asambleaantesdeponerenfuncionamientolasecci6ndenieve
lanzador.
Correa de sustituci6n
SinoIohahecho,retirelabarrenalacorreadetransmisi6ndesdela
partefrontaldelapoleadelmotordedoblepolea.Consulte"Susti-
tuci6ndecintur6nPierreAuger"instruccionesenelanteriorapartado.
1. a.Tiredelapoleapolealejosdelapartetraseradelaunidad
cintur6nparaaliviarlatensi6n.VealaFigura33.
b.Insertelaunidaddelacintadelapoleapolea.Cuidadosa-
mentelaliberaci6npoleapolea.
2. Elrollodelacorreadetransmisi6ndelapoleainferior.
3. Quitarlacorreadelapoleadelmotor.
4. Instalelanuevacorreaenlaspoleasenelordeninversoyvolver
alatensi6nconlapoleapolea.
5. Vuelvaarealizarpor lospasosanterioresen el ordeny laforma
f'%
Figura33
deeliminaci6n.
CAMBIO DE RUEDAS DE FRICCION
Elcauchoen la ruedadefricci6nest_sujetoa desgastey debe
vedficarseperi6dicamente.Sustituirla ruedade fricci6n,si todoslos
signosdedesgasteo grietasseencuentran.
1. Ejecutarlaunidaddeldep6sitodecombustibleen secoantesde
realizarel paso2. No intentede combustibleparael motor.
2. Sugerencialanzadorde la nievearribay haciadelante,de
maneraque se basaenla vivienda.
3. Quitarlos tornillosdela estructurapordebajode la cubiertade
nievelanzador(consultela Figura34). Retirela ruedaderecha
.
O_uitelatuercahexagonalde
tornilloy arandelaBelleville
i
.J
Figura34
del eje.
Elusode un3 /4"Llave,mantengael eje hexagonaly extraiga
el tornillohexagonaly arandelaBellevilley teniendode lado
Ruedadefricci6nAsarnblea
Deslicela tuerca
hexdel eje de salida
del ladodereeho
Eje hexagonal
Figura35
izquierdodel marco.Consultela Figura35.
5. Lacelebraci6ndela ruedade fricci6ndemontaje,desliceel
eje hexagonaldela fricci6ndela ruedade reuni6ny de la parte
derechadela imagen.Elseparadoren el ladoizquierdodeleje
hexagonaly se reducir&la ruedadebeseguircolgandoperderen
la cadena.
6. Levanteel montajede ruedasde fricci6nentreel ejehuecoy el
eje deaccionamientoasambleas.
71

7. Retirecuatrotornillosquefijan la ruedadefricci6nparaelejede
rnontaje(consultela Figura36). Desecharlasviejasruedasde
1
fricci6n.
f
J
Figura36
8. Vuelvaa la nuevaruedade fricci6nenel centrode reuni6n,el
endurecirnientode los cuatrotornillosen larotaci6ny con la
rnisrnafuerza. Esirnportantereunirla ruedadefricci6nparael
buenfuncionarnientosirn_tricarnente.
9. Reposicionarelrnontajede laruedadefricci6nenla nievelanza-
dormarco.Inserteel pasadordelselectorde velocidadde brazo
dernontajeen laruedadefricci6nde reuni6ny dernanteneren la
posici6ndernontaje.Consultela Figura37.
NOTA:Sila ruedacay6dellanzadorde la nievernientrasse quitael
eje hexagonal,el lugarde la ruedade lacadena.Reajustarla rueda
de lacadenahexadecimalcon el centroa la derechade launidad.
Coloqueel eje hexagonaldela ruedahacialafricci6ndedesliza-
rnientode la ruedacuandose ruedaenel eje hexagonal.
12. Desliceelespaciadorsobreel finaldel ejehexagonal.
13. Alineeel rodarnientoenel extrernoderechodel ejehexagonal
con el agujeroen la partederechade lairnageny, a continuaci6n
pulseel ejehexagonalhaciala izquierdaen laposici6nenel
marco.
14. Deslicela presi6nenel extrernoizquierdodeleje hexagonaly
pulseen elagujeroen elladoizquierdodelmarco.
15. ColoquelaarandelaBelleville(ladoredondeadohaciala cabeza
en eltornillohexagonalelirninadoconanterioridad,e insertarel
tornilloenel agujeroroscadodelejehexagonal.
16. Pocoa poco aprieteel tornillohexagonalplenarnenteasientode
los rodarnientosencada ladodel marcoy paraasegurarel eje
hexagonal.
17. Coloqueel marcode cubriren laparte inferiordelmarcoy
asegurecon los tornillosautorroscantes.Pivotelanzadordela
nievea fin decuentasposici6nnormaldefuncionarniento.
©
Figura37
10. Desliceel ejehexagonalatravesde lapartederechade la
irnagenhaciael ladoizquierdoy porel rnontajede ruedasde
fricci6n.
11. Despu_sdehacerla certezade quelacadenaest,.en los
grandesy lospequeSosrueda,ajustareleje hexagonalhexago-
nalcon eleje de laruedapequeSa,y desliceeleje a travesde la
rueda.
72

Sinosevaa utilizael equipodurante30dfasorn_.s,o sies elfinaldelaternporadadenievey ya noexisteposibilidaddequenieve,es necesario
alrnacenarelequipode rnaneraadecuada.Sigalasinstruccionesdealrnacenarnientoquese indicanacontinuaci6nparagarantizarelrendirniento
rn_.xirnodelarn_.quinaquitanieveduranternuchosa_os.
PREPARACI6N DEL MOTOR
Losrnotoresquese alrnacenandurantern&sde30 dfasnecesitan
serdrenadosdecombustibleparaevitarquese deterioreny se forrne
gornaenel sisternade combustibleoen las piezasprincipalesdel
carburador.Si lagasoNnade su motorse deterioraduranteel alrnace-
narniento,es posiblequedeba repararo reernplazarelcarburadory
otroscornponentesdel sisternade combustible.
1. Elirninetodoel combustibledel tanquehaciendofuncionarel
motorhastaquese detenga.No intentede combustibleparael
motor.
2. Carnbieel aceitedel motor.
3. Extraigala bujfade encendidoy viertaen elcilindroaproxirna-
darnente1onza(30 rnl)de aceiteparamotorNrnpio.Tire varias
vecesdel arrancadorde retrocesoparadistribuirelaceitey
reinstalela bujfa.
4. Lirnpielos residuosdealrededordel motor,y debajo,alrededor,
y detr_.sdel silenciador.ApNqueunacapa delgadade aceiteen
todaslas _.reasquepuedenNegara oxidarse.
• Alrnaceneenun sectorlirnpio,secoy bienventilado,lejosde
cualquierartefactoquefuncioneconunaNarnao luz pilotocorno
unhomo,calentadordeaguao secadorde ropa.Evitecualquier
sectorcon un motorel_ctricoqueproduzcachispaso dondese
utilicenherrarnientasel_ctricas.
Nuncaalrnacenelarn_.quinaquitanieveconcombustibleenel
tanqueenun espaciocerradooen _.reascon pocaventilaci6n,
dondelosgasesdelcombustiblepuedanalcanzarel fuego,chispas
o unaluz pilotocornola quetienenalgunoshornos,calentadoresde
agua,secadoresde ropao algQnotto dispositivoagas.
PREPARACION DE LA iVlAQUINA QUITANIEVE
1. Cuandoalrnacenelarn&quinaquitanieveen ungalp6nde
dep6sitornet_.licoo con pocaventilaci6n,tengaespecialcuidado
de realizarleuntratarnientoanti- oxidanteal equipo.Useaceite
ligeroo silic6npararecubrirel equipo,especialrnentelas
cadenas,los resortes,loscojinetesy loscables.
2. Elirninetodo el polvodelexteriordelmotory delequipo.
3. Sigalas recornendacionesde lubricaci6nen la secci6nde
mantenirnientodeestemanual.
4. Alrnaceneel equipoen un_.readespejaday seca.
• Sies posible,evitesectoresdealrnacenarnientocon rnucha
hurnedad.
• Mantengael motorniveladoen el alrnac_n.Lainclinaci6ndel
motorpuedecausarperdidasde combustibleo aceite.
73

Elmotornoarranca 1. La palancadeobturaci6nnoest,.enla
posici6nON (encendido)
2. Seha desconectadoelcablede la bujia
3. La bujianofuncionacorrectamente
4. Eltanquedecombustibleest,.vado o el
combustibleesviejo
5. El motornoest,.cebado
6. La Ilavenose encuentraenel encendido
delmotor
7. Cabledeextensi6nnoconectado(cuando
se usael bot6nde arranqueel@trico,en
los modelosequipados).
1. Pongael interruptoren la posici6nCHOKE(obtura-
ci6n).
2. Conecteel cablea la bujfa.
3. Limpie,ajustela distanciadisruptivao cambie.
4. Lleneel tanquecongasolinalimpiay fresca.
5. Cebeel motortal y comose indicaen lasecci6nde
operaci6n.
6. Insertela Ilavetotalmentedentrodelinterruptor.
7. Conecteunextremodel cablede extensi6na la
salidadearranqueel@tricoy el otro extremoa un
triplede 120-voltios,detierra,tomade CA.
Elmotorfuncionademanera
err_.tica 1. La unidadestB.funcionandoen laposici6n
CHOKE(obturaci6n)
2. EIcombustibleesviejo
3. Aguao suciedadenel sistemadel combus-
tible
4. MB.sgobernadosmotor
1. Cambiela palancade obturaci6na la posici6nOFF
(apagado).
2. Lbne el tanquecongasolinalimpiay fresca.
3. Drenarel tanquedecombustibleenel motoren
marchahastaque sedetenga.Vuelvaa Ilenarlocon
combustiblelimpio.
4. Contactecon su centrode partesy reparaciones
Sears.
zNECESITA MAS AYUDA?
_!ncor_v:rar_ la re i_u_, v:ay mi_ en managemylife.com _ isin cargo!
En linea podr3 encontrar este manual y los manuales de todos los otros productos que posea,
Sus preguntas ser4n respondidas pot nuestro equipo de especialistas,
Obtenga un plan de rnantenimiento personalizado para su hogar,
Encuentre informaciOn y herramientas que Io ayudar4n con los proyectos de su hogar,
managemyHfe
74

Dernasiadavibraci6n 1. Haypiezasqueest_.nfiojaso la barrena
est,.dafiada
1. Elcable dela bujfaest,.flojo
2. Elorificiodeventilaci6ndel tap6nde
Ilenadodelcombustibleest,.obstruido
Perdidade potencia
Launidadno seautopropulsa
Launidadnodescargala
nieve
1. Elcable delcontroldetransrnisi6nnecesita
unajuste
2. Lacorreade transrnisi6nest,.floja o
da_ada
3. Ruedadefricci6nIlevadapuesta.
1. Elrnontajedelcanalest,.tapado
2. Hayunobjetoextra_oenla barrena
3. Elcable delcontrolde la barrenanecesita
unajuste
4. Lacorreade labarrenaest,.flojao da_ada
5. El/lospasador/esdecuchillaest_.n
cortados
1. Detengael motorde inrnediatoy desconecteel
cablede la bujia.Ajustetodoslos pernosy las
tuercas.Sila vibraci6ncontinQa.Ilevela unidada
reparara uncentrode partesy reparaci6nSears.
1. Conectey ajusteel cablede la bujfa.
2. Retireel hieloy la nievedel tap6nde Ilenadodel
combustible.Cornpruebequeel orificiode venti-
laci6nnoest_obstruido.
1. Ajusteel cabledelcontrolde transrnisi6n.Consulte
la secci6nde Servicioy Mantenirniento.
2. Reernplacela correade latransrnisi6n.Consultela
secci6nde Servicioy Mantenirniento.
3. Ruedade fricci6ndecarnbioo contacteconsu
centrode partesy reparacionesSears.
1. Detengael motorde inrnediatoy desconecteel
cablede la bujia.Lirnpieel rnontajedelcanaly el
interiorde la cajade labarrenacon laherrarnienta
de lirnpiezao unavarilla.
2. Detengael motorde inrnediatoy desconecteel
cablede la bujia.Retireelobjetode la barrenacon
la herrarnientade lirnpiezao unavarilla.
3. Ajusteel cabledelcontrolde la barrena.Consultela
secci6nde rnontaje.
4. Reernplacela correade la barrena Consultela
secci6nde Servicioy Mantenirniento.
5. Reernplacecon nuevo(s)pasador(es)de cuchilla.
Chutenogirar180grados 1. Chuternontadosincorrectarnente. 1. Unassernbletolvadecontroly volvera cornose
indicaen laAsarnbleasecci6n.
75

MTD CONSUMER GROUP, iNC. (MTD), el Bordo de Recursos de Aire de California (CARB)
y la Agencia de Protecci6n Medioambiental de Estados Unidos (U. S. EPA)
Declaraci6n de Garantia del Sistema de Control de Emisiones
(Derechos yobligaciones del propietario seg_n la garantia contra defectos)
LACOBERTURADESISTEMADECONTROLDEEMISIONESAPLICABLEA MOTORESCERTIFICADOSCOMPRADOSENCALIFORNIA
EN2005Y A PARTIRDE ENTONCES,QUESON USADOSEN CALIFORNIA,Y HASTAANO2005DE MODELOCERTIFICADOY MOTORES
POSTERIORESQUESON COMPRADOSY USADOSENOTRAPARTEEN LOSESTADOSUNIDOS.
Californiayen otraparteen la Coberturade Garantiade DefectosdeControlde Emisi6nde los EstadosUnidos
El Bordode Recursosde Airede California(CARB),la U.S. EPAy MTDsecomplacenenexplicarla garantiadel sistemade controldeemisiones
de su motorparaequipotodo terreno,modelo,aSo2005y versionesposteriores.EnCalifornia,los nuevosmotorespequeSosparaequipotodo
terrenose debendise5ar,fabricary equiparparacumplirconest_.ndaresde antinieblat6xicade estados.Enotraparteen los EstadosUnidos,
el nuevonocamino,motoresdeignici6ndechispacertificadosparaelmodelo2005y m_.starde,debeencontrareljuegode est_.ndaressimilar
adelanteporlos EstadosUnidos.EPA.MTDdebegarantizarel sistemadecontrolde emisionesdesu motorpor elperiodode tiempoindicadom&s
abajo,siemprey cuandono hayaexistidousoincorrecto,negligencianimantenimientoinadecuadode su motorpequeBoparaequipotodoterreno.
El sistemadecontrolde emisionespuedeincluirpiezascomo,porejemplo,el carburador,sistemadeinyecci6ndecombustible,el sistemade
encendido,el catalizador,losdep6sitosdecombustible,abastecedecombustiblelineas,gorrasde combustible,v&lvulas,latas,filtros,mangueras
devapor,abrazaderas,conectoresy otroscomponentesrelacionadosconlas emisiones.
Dondeexistaunacondici6ncubiertaporla garantia,MTDreparar&su motorpequeBoparaequipotodoterrenosincostoalgunoincluyendoel
diagn6stico,laspiezasy la manode obra.
COBERTURA DE LA GARANTJA DEL FABRICANTE:
Estesistemade controldeemisionesse garantizaporel t@rminodedos a5os.Si algunapiezade su motorrelacionadacon lasemisioneses
defectuosa,MTD reparar&o sustituir&dichapieza.
RESPONSABJLIDADES DEL PROPIETARIO SEGUN LA GARANTJA:
Comopropietariodeun motorpequeSode equipotodoterreno,ustedes responsablede realizarel mantenimientonecesarioquefigura enel
manualdel propietario.MTDle recomiendaqueconservetodoslos recibosquecubrenlos serviciosdemantenimientodel motorpeque5opara
equipotodoterreno,noobstanteIo cual MTDnopodr&denegarel cumplimientodela garantiaQnicamenteporlafaltade reciboso porsu imposibi-
lidadde asegurarquese realizar_.ntodoslos serviciosdemantenimientoprogramado.
Comopropietariodel motorpeque5oparaequipotodo terreno,sinembargo,ustedtambi@ndebesaberque MTDpuededenegarlacoberturadela
garantiasi su motorpeque5oparaequipotodoterrenoo unapiezadel mismofallandebidoa usoincorrecto,negligencia,mantenimientoindebido
oa modificacionesnoaprobadas.
Ustedes responsablede presentarlacortadoradecespedal centrode distribuci6no de mantenimientode MTDCONSUMERGROUP,INC.tan
prontocomo aparecierael problem& Lasreparacionescubiertaspor lagarantfasedebenIlevaracabo enun lapsorazonableque noexcedade
30dias.Si desearealizaralgunaconsultacon respectoa la coberturade lagarantia,debeponerseencontactocon su distribuidorlocalde MTD.
Paracomunicarseconla LineadeAsistenciaal Clientede Distribuidoresde MTD,Ilameal nQmero(877)282-8684.
REQUERJMJENTOS DE GARANTJA SOBRE DEFECTOS PARA MOTORES PEQUENOS DE EQUJPO TODO TERRENO
DE 1995YVERSJONES POSTERJORES:
Estasecci6nse aplicaa motorespeque5osdeequipotodo terrenode 1995y versionesposteriores.Elperiododegarantiacomienzaa partirde la
fechaen queel motoro elequiposeentreganal compradorfinal.
(a)Coberturade la garantiacontraemisionesgenerales
MTDgarantizaal compradorfinaly acada compradorsubsiguientequeel motor:
(1)hasido diseSado,construidoy equipadode maneraquecumplacontodaslas regulacionesvigentesadoptadasporel Departamentodelos
RecursosdeAire envirtuda suautoridadconferidaen los capitulos1y 2, Parte5, Divisi6n26del C6digode Saludy Seguridad;y
(2)est,. librede defectosen los materialesyen la manode obraquecausenlafalla deunapiezabajogarantiaque seaid@nticaentodoslos
aspectosmaterialesa lapiezacomoaparecedescriptaen laaplicaci6ndelfabricantedel motorparacertificaci6npor unperiododedos a5os.
Lb/Lagarantiasobre piezasrelacJonadasconemisJonesse interpretar_,de la sJguientemanera:
(1)Cualquierpiezacubiertaporgarantiaquenoest@programadaparasu reemplazosegQnel mantenimientorequeridoenlas instrucciones
escritasdela Subsecci6n(c) debeestargarantizadapor unperiodode garantiadefinidoen la Subsecci6n(a)(2). Sila piezafalladurante
el periododecoberturadela garantia,lamismaser_.reparadao reemplazadaporMTD de acuerdocon laSubsecci6n(4)a continuaci6n.
Cualquierpiezareparadao reemplazadasegQnlagarantiasegarantizarB,porel restodelperiodode garantia.
(2) Cualquierpiezacubiertaporgarantiaqueest@programadasoloparainspecci6nregularen las instruccionesescritasde la Subsecci6n
(c) debeestargarantizadaporun periododegarantiadefinidoenla Subsecci6n(a) (2). Unadeclaraci6nen dichasinstruccionesporescrito
alefectode "reparaci6no reemplazosegQnseanecesario"no reducir_,elperiodode coberturade la garantia.Cualquierpiezareparadao

reernplazadasegQnlagarantiasegarantizar_,porelrestodelperiododegarantia.
(3) Cualquierpiezagarantizadaqueest_prograrnadaparareernplazosegQnelrnantenirnientorequeridodeconforrnidadconlasinstruc-
clonesescritasdelaSubsecci6n(c)segarantizaporelperiododetiernpoanterioralaprirnerafechadereernplazoprograrnadaparaesa
pieza.Silapiezafallaantesdelprimerreernplazoprogramatic,larnisrnaser_.reparadaoreernplazadaporMTDdeacuerdoconlaSubsecci6n
(4)acontinuaci6n.Cualquierpiezareparadaoreernplazadabajogaranfiasegarantizar_,porelrestodelperiodoanterioralprimerreernplazo
programaticpuntualparaesapieza.
(4)Lareparaci6noelreernplazodecualquierpiezagarantizadadeconforrnidadconlasdisposicionesdelagaranfiaqueaquiseestipulase
deberealizarenuncentrodegaranfiasincostoalgunoparaelpropietario.
(5)SinperjuiciodelasdisposicionesdelaSubsecci6n(4)anterior,losserviciosoreparacionescubiertosporlagaranfiadebensersurnin-
istradosportodosloscentrosdedistribuci6ndeMTDquetenganlafranquiciapararealizarreparacionesyrnantenirnientoalosrnotoresen
cuesti6n.
(6)ElpropietarionodebeafrontarningQncargoparatrabajosdediagn6sticoqueIlevenalaconclusi6ndequeunapiezabajogaranfiapresenta
efectivarnentedefectos,siernpreycuandodichodiagn6sticoseaIlevadoacaboenuncentrocubiertoporlagarantia.
(7)Elfabricantedelmotoresresponsableporda_oscausadosaotroscornponentesdernotoresderivadosdelafallabajogaranfiadecualquier
piezagarantizada.
(8)DurantetodoelperiododegaranfiadelmotordefinidoenlaSubsecci6n(a)(2),MTDrnantendr_,unsurninistrodepiezascubiertaspor
garantiasuficienteparasatisfacerladernandaesperadaparatalespiezas.
(9)Cualquierpiezadereernplazosepodr_,usarparaelcurnplirnientodelrnantenirnientooreparacionesbajogaranfia,ysesurninistrar_,sin
cargoalpropietario.Dichousonoreducir_,lasobligacionesdegarantiadeMTD.
(10)Nosepodr_.nusarpiezasadicionalesnirnodificadasquenoest_nexentasdeacuerdoconelDepartarnentodelosRecursosdelAire(Air
ResourcesBoard).Elusodepiezasadicionalesornodificadasnoexentasser_.causasuficienteparaanularunreclarnobajogaranfiarealizado
deacuerdoconestearticulo.Elfabricantedelmotornotendr_,responsabilidad,enconforrnidadconestearticulo,degarantizarfallasdepiezas
garantizadasquefuerencausadasporelusodeunapiezanoexentaadicionalornodificada.
.(c)MTDincluir_,unacopiade lasiguientelistade piezasbajogarantiacontraernisionescon cadanuevomotor,utilizandolas partesde la lista
a_plicablesal motor.
(1)Sisternadernedici6ndecombustible
• Sisternade rnejoraparainicioenfrio (cebadosuave)
• Carburadory cornponentesinternos
• Bornbade combustible
• Dep6sitodecombustible
(2) Sisternadeinducci6ndeaire
• Filtrode aire
• Colectordeentrada
(3) Sisternadeencendido
• Bujia(s)
• Sisternadeencendidopor magneto
(4)Sisternadeescape
• Catalizador
• SAI (v_Jvulade Ca_a)
(5) Cornponentesvariosutilizadosen el sisternaanterior
• V_Jvulase interruptoresde vado, ternperatura,posici6nsensiblesal tiernpo
• Conectoresy rnontajes
(6)Controlde Evaporative
• Manguerade CombustiblecertificadaparaARB evaporativeernisi6nde 2006.
• Abrazaderasde Manguerade Combustible
• Gorrade combustibleatada
• Latade carb6n
• Lineasdevapor
GD0C-100174Rev.B

Busque el periodo de duraci6n de emisiones importantes yla informaci6n de clasificaci6n de aire en
la etiqueta de emisiones de su motor
Los motores cuyo cumpiimiento con los estAndares de emisi6n Tier 2 de la Comisi6n de Recursos Ambientales de California (CARB)
est6 certificado deben exhibir la informaci6n relacionada con el periodo de duraci6n de ias emisiones y la clasificaci6n de aire. Sears
Brands Management Corporation ponen esta informaci6n a disposici6n del consumidor en nuestras etiquetas de emisiones.
Ei Periodo de Duraci6n de las Emisiones describe el nQmero de horas de tiempo real de funcionamiento para el cuai se certifica que
el motor cumpie con ias reglas de emisi6n, descontando el mantenimiento adecuado del mismo segQn las instrucciones de oper-
aci6n y mantenimiento. Se utilizan las siguientes categonas:
Moderado:Se certifica que el motor cumpie con las reglas de emisi6n durante 125 horas de tiempo real de funcionamiento del motor.
Inmediato:Se certifica que el motor cumpie con las reglas de emisi6n durante 250 horas de tiempo real de funcionamiento del motor.
Extendido:Se certifica que el motor cumpie con las reglas de emisi6n durante 500 horas de tiempo real de funcionamiento del motor.
Por ejemplo, una cortadora de c6sped tJpica que se empuja desde arras se usa entre 20 y 25 horas por aSo. Por Io tanto, el Periodo
de Duraci6n de Emisiones de un motor con una clasificaci6n intermedia sena equivaiente a entre 10 y 12 aSos.
Laciasificaci6n de aire es un nQmero calculado para describir el nivel relativo de emisiones para un grupo de motores en particular.
Cuanto menor sea la clasificaci6n de aire, mayor es la limpieza del motor. La informaci6n se presenta de forma grAfica en la etiqueta
de emisiones.
Despu_s del 1 de julio de 2000, busque el periodo de cumplimiento de las reglas de
emisiones en la etiqueta de cumplimiento de las reglas de emisiones del motor
Despu6s del 1 de julio de 2000 se certificarA que determinados motores Sears Brands Management Corporation cumplen
con los estAndares de emisiones de la fase 2 de la Agencia de Protecci6n Ambientai de los Estados Unidos (USEPA). Para
los motores certificados para la etapa 2, el periodo de cumplimiento con ias reglas de emisiones al cual se hace referencia
en la etiqueta de cumplimiento con las reglas de emisiones indica el nQmero de horas de funcionamiento para el cual se ha
demostrado que el motor cumple con los requerimientos federales de emisi6n.
Para los motores con desplazamiento inferior a 225 cc, Categoria C = 125 horas, B = 250 horas y A = 500 horas.
Para los motores con desplazamiento de 225 cc o mAs, Categoria C = 250 horas, B = 500 horas y A = 1000 horas.
El desplazamiento de los motores de la serie modelo 150112 es 249 cc.
La presente es una representaci6n gen_rica de la etiqueta de emisi6n que se encuentra generaimente en un
motor certificado.
FAMILYYBSXS.3192VA 274812
GDOC-100182Rev.A
78

Felicitaciones por haber realizado una adquisici6n inteligente. El producto Craftsman® que ha
adquirido esta diseSado y fabricado para brindar muchos aSos de funcionamiento confiable. Pero
como todos los productos a veces puede requerir de reparaciones. Es en ese momento cuando el
disponer de un Acuerdo de protecci6n para reparaciones le puede ahorrar dinero y problemas.
A continuaci6n se detallan los puntos incluidos en el Acuerdo:
[] Servicio experto prestadopor nuestros 10,000 especialistas en reparacionesprofesionales
[] Servicio ilirnitado sin cargo para las piezasy la mano de obra en todas las reparacionescubiertas
[] Reernplazo del producto hasta 1500 d61aressi no es posible reparar el producto cubierto
[] Descuento de 25% del precio normal del servicio y de las piezas relacionadascon el mismo que no esten cubiertas
por el acuerdo; ademas, 25% del precio normal de laverificaci6n de mantenimientopreventivo
[] Ayuda r_pida pot tel_fono - Io IlamamosResoluci6n RApida- el apoyo telef6nico de un Chamusca al representante.
Piense en nosotros como el manual "de un dueSohablador."
Una vez adquirido el Acuerdo, puede programar el servicio con tan s61orealizar una Ilamadatelef6nica. Puede Ilamaren
cualquier momentodeldia o de la noche o programar un servicio en linea.
ElAcuerdo de Protecci6nde Reparaci6nes unacompra sin riesgo. Si ustedanulapor alguna raz6n duranteel periodo de
garantia de producto,proporcionaremosun reembolso Ileno.O, un reembolsoprorrateadoen cualquier momentodespues
del periodode garantia de producto expira, iAdquiera hoy su acuerdode protecci6n para reparaciones!
Se aplican determinadas limitaciones y exclusiones. Para obtener informaciTn adicional y precios en los Estados
Unidos Ilame al 1-800-827-6655.
El *Coverage en Canad_ivaria en algunos articulos. Para detalles Ilenos la Ilamada Chamusca Canad_ien 1-800-
361-8885.
Servicio de instalaci6nde Sears
Si desea solicitar la instalaci6n profesionalde Sears de aparatosdomesticos, dispositivos paraabrir portones,calentado-
res de agua y otros articulos domesticosimportantes, en los Estados Unidos o Canada flame al 1-800-4-MY-HOME®.
79

Your Home
For troubleshooting, product manuals and expert advice:
managernylife
www.managemylife.com
For repair - in your home - of all major brand appliances,
lawn and garden equipment, or heating and cooling systems,
no matter who made it, no matter who sold it!
For the replacement parts, accessories and
owner's manuals that you need to do-it-yourself.
For Sears professional installation of home appliances
and items like garage door openers and water heaters.
1-800-4-MY-HOME ®(1-800-469-4663)
Call anytime, day or night (U.S.A. and Canada)
www.sears.com www.sears.ca
Our Home
For repair of carry-in items like vacuums, lawn equipment,
and electronics, call anytime for the location of your nearest
Sears Parts & Repair Service Center
1-800-488-1222 (U.S.A.) 1-800-469-4663 (Canada)
www.sears.com www.sears.ca
To purchase a protection agreement on a product serviced by Sears:
1-800-827-6655 (U.S.A.) 1-800-361-6665 (Canada)
Para pedir servicio de reparaci6n
a domicilio, y para ordenar piezas:
1-888-SU-HOGAR ®
(1-888-784-6427)
www.sears.com
Au Canada pour service en frangais:
1-800-LE-FOYER Mc
(1-800-533-6937)
www.sears.ca
® Registered Trademark /TMTrademark of KCD IP, LLC in the United States, or Sears Brands, LLC in other countries
® Marca Registrada !TMMarca de Fabrica de KCD IP, LLC en Estados Unidos, o Sears Brands, LLC in otros paises
MCMarque de commerce !MDMarque deposee de Sears Brands, LLC