Craftsman 247888520 User Manual SNOW THROWER Manuals And Guides L9910192
CRAFTSMAN Snowthrower, Gas Manual L9910192 CRAFTSMAN Snowthrower, Gas Owner's Manual, CRAFTSMAN Snowthrower, Gas installation guides
User Manual: Craftsman 247888520 247888520 CRAFTSMAN SNOW THROWER - Manuals and Guides View the owners manual for your CRAFTSMAN SNOW THROWER #247888520. Home:Lawn & Garden Parts:Craftsman Parts:Craftsman SNOW THROWER Manual
Open the PDF directly: View PDF
.
Page Count: 40

Owner's Manual |
CRRFTSMRN
9 Horse Power MR
26" Two-Stage Wheel Drive
Snow Thrower
Model No.
247.888520
CAUTION: Before using this product,
read this manual and follow all Safety
Rules and Operating Instructions.
Sears, Roebuck And Co., Hoffman Estates, IL 60179, U.S.A.
770-10057B
Printed in USA. (10/98)

Content Page
Warranty Information ......................................... 2
Safe Operation Practices ................................... 3
Assembly ........................................................... 6
Operation ........................................................... 12
Maintenance ...................................................... 17
Content Page
Service & Adjustment ......................................... 20
Off-Season Storage ........................................... 25
Trouble-Shooting ............................................... 26
Accessories ....................................................... 27
Two -Year Warranty on Craftsman Snow Thrower
For two years from the date of purchase, when this Craftsman Snow Thrower is maintained, lubricated and tuned
up according to the instructions in the owner's manual, Sears will repair, free of charge, any defect in material
and workmanship.
If this Craftsman snow thrower is used for commercial or rental purposes, this warranty applies for only 30 days
from the date of purchase.
This warranty does not cover:
Expendable items which become worn during normal use, such as skid shoes, shave plate and spark
plugs.
Repairs necessary because of operator abuse or negligence, including bent crankshafts and the failure to
maintain the equipment according to the instructions contained in the owner's manual.
WARRANTY SERVICE IS AVAILABLE BY RETURNING THE CRAFTSMAN SNOW THROWER TO THE NEAREST
SEARS SERVICE CENTER/DEPARTMENT INTHE UNITED STATES.
This warranty applies only while this product is in use in the United States.
This warranty gives you specific legal rights and you may also have other rightswhich may vary from state to state.
SEARS, ROEBUCK AND CO., D/817WA, HOFFMAN ESTATES,IL 60179
Horsepower: ......................... 9
Engine Oil ............................. SAE 5W30 oil
Fuel Capacity: ....................... 1 gallon
Spark Plug: ........................... RJ-19LM
Engine: .................................. 143.999005
Model Number 247.888520
Serial Number ...........................................................
Date of Purchase ......................................................
Record both serial number and date of purchase and
keep in a safe place for future reference.

This symbol points out important safety instructions which,if notfollowed, could endanger the
personal safety and/or propertyof yourselfand others. Read and followall instructionsinthis manual
before attemptingto operate your snowthrower. Failure to complywiththese instructionsmay result in
personal injury.When you see thissymbol--heed its warning.
Your snow throwerwas built to be operated according to the rules for safe operation in this
,_ manual. As withany type of power equipment, carelessness or error on the part of the
DANGER: operator can result in serious injury. If you violate any of these rules, you may cause serious
injury to yourself or others.
This unit is equipped with an internal combustion engine and should not be used on or near any unimproved
forest-covered, brush-covered or grass-covered land unless the engine's exhaust system is equipped with a
spark arrester meeting applicable local or state laws (if any). If a spark arrester is used, it should be
maintained in effective working order by the operator.
In the State of California the above is required by law (Section 4442 of the California Public Resources
Code). Other states may have similar laws. Federal laws apply on federal lands. A spark arrester for the
muffler is available through your nearest Sears Authorized Service Center (See the REPAIR PARTS section
of this manuaL.)
The engine exhaust from this product contains chemicals known to the state of California to cause cancer,
birth defects or other reproductive harm,
TRAINING
Read this owner's guide carefully in itsentirety before
attempting to assemble or operate this machine. Be
completely familiar with the controls and the proper
use of this machine before operating it. Keep this
manual in a safe place for future and regular
reference and for ordering replacement parts.
Never allow children under 14 years old to operate a
snow thrower. Children 14 years old and over should
only operate a snow thrower under close parental
supervision. Only persons well acquainted with these
rules of safe operation should be allowed to use your
snow thrower.
No one should operate this unit while intoxicated or
while taking medication that impairs the senses or
reactions.
Keep the area of operation clear of all persons,
especially small children and pets.
Exercise caution to avoid slipping or falling, especially
when operating in reverse.
PREPARATION
Thoroughly inspect the area where the equipment is
to be used and remove all door mats, sleds, boards,
wires and other foreign objects.
Do not operate equipment without wearing adequate
outer garments for winter. Do not wear jewelry, long
scarfs or other loose clothing which could become
entangled in moving parts. Wear tootwear which will
improve footing on slippery surfaces.
Before working with gasoline, extinguish all cigarettes
and other sources of ignition. Check the fuel before
starting the engine. Gasoline is an extremely
flammable fuel. Do not fill the gasoline tank indoors,
while the engine is running, or until engine has been
allowed to cool at least two minutes. Replace
gasoline cap securely and wipe off any spilled
gasoline before starting the engine as it may cause a
fire or explosion.
Use a grounded three wire plug-in for all units with
electric drive motors or electric starting motors.
Adjust collector housing height to clear gravel or
crushed rock surface.
Never attempt to make any adjustments while engine
is running (except where specifically recommended
by manufacturer).
Let engine and machine adjust to outdoor
temperature before starting to clear snow.
Always wear safety glasses or eye shields during
operation or while performing an adjustment or repair,
to protect eyes from foreign objects that may be
thrown from the machine in any direction.
OPERATION
Do not put hands or feet near or under rotatingparts.
Keep clear of discharge opening and auger at all
times.
Exercise extreme caution when operating on or
crossing gravel drives, walks, or roads. Stay alert for
hidden hazards or traffic.
Do not carry passengers.
After striking a foreign object, stop the engine, remove
wire from the spark plug and thoroughly inspect the
snow thrower for any damage. Repair the damage
before restarting and operating the snow thrower.
It the snow thrower starts to vibrate abnormally, stop
the engine and check immediately for the cause.
Vibration is generally a warning of trouble.
Stop the engine whenever you leave the operating
position, before unclogging the collector/impeller
housing or discharge guide and before making any
repairs, adjustments, or inspections. Never place your
I
3

handin the discharge or collectoropenings. Use a
stickor wooden broom handle to unclog the
discharge opening.
Take all possible precautions when leaving the unit
unattended. Disengage the collector/impeller, stop
the engine and remove the key.
When cleaning, repairing, or inspecting, make certain
collector/impeller and alJmoving parts have stopped.
Disconnectspark plug wire and keep away from plug
to prevent accidental starting.
Do not run the engine indoors, except when starting it
and/or transporting the snow thrower in or out of
building. Open doors before starting the engine in that
case. Exhaust fumes are dangerous.
Do not clear snow across the face of slopes. Exercise
extreme caution when changing directionon slopes.
Do not attempt to clear steep slopes.
Never operate the snow thrower without guards,
pJates or other safety protection devices in place.
Never operate the snow thrower near glass
enclosure, automobiles, window wells, drop off, etc.,
without proper adjustments of snow thrower
discharge angle. Keep children and pets away.
Do not overload machine capacity by attempting to
clear snow at too fast a rate. Never operate the
machine at high transport speeds on slippery
surfaces. Look behind and use care when backing.
Never direct discharge at bystanders or allow anyone
in front of unit while throwing snow.
Disengage power to collector/impeller of the snow
thrower when transporting itor when the unit is not in use.
Use only attachments and accessories (such as
wheel weights, counter weights, cabs, etc.) approved
by the snow thrower manufacturer.
Never operate the snow thrower without good visibility
or right.Always be sure of your footing and keep afirm
hold on the handles. Walk, never run,
Muffler and engine become hot and can cause severe
burn injury. DOnot touch the muffler or the engine
while starting or operating the snow thrower.
MAINTENANCE AND STORAGE
Check shear bolts, engine mounting bolts, etc., at
frequent intervals for proper tightness, thus ensuring
that the equipment is in safe working condition.
Never store the machine with fuel in the fuel tank
inside a building where ignitionsources are present,
such as hot water heaters, space heaters, clothes
dryers and the like. Allow engine to cool before storing
in any enclosure,
Always refer to owner's guide instructions for
importantdetails if the snow thrower is to be stored for
an extended period.
Run machine a few minutes after throwing snow to
prevent freeze-up of the collector/impeller.
Check clutch controls periodicallyto verify that these
engage and disengage properly and readjust if
necessary. Refer to Service and Adjustments section
page of this owner's guide.
YOUR RESPONSIBILITY
Restrict the use of thispower machine to persons who
read, understand and follow the warnings and
instructions in this manual and on the machine.
Following are representations of some of the safety labels on your Craftsman snowtbrower. Please follow the
instruction on these labels and maintain safety while using or servicing the equipment.
WARNING ]
DAHGER
4

Lay the hardware pieces from the hardware pack on the figure here and you will have automatically sorted these
according to the steps of the assembly procedure described later. (Only one unit of each hardware has been shown per group.
The number in parenthesis indicates the total number of the hardware needed in that group.)
ALock Wa,_her (4)
Hex Bolt (2)
__ 5/16-18 x.75 _ ,
BCupped Washer (4)
/____ 5116-18 Hex Nut (4)
5/16-16 x1.50 ¢ irrlage Bolt (4)
.a,rp_/
c,p(1) _
D _. Hairpin Clip (21 _
12 ©
Wat'a_WaehS/__2) C) Fe(rlr) e
,,a,em,
5/16-16 x 1.75
m
__ 5/16-18 x.75
Cupped Washer (4)
5/16-18 x 1.50 Carriage Bolt (4)
Replacement Part
'_ Shear Bolt (2) 5/16-18x 1,5
L
Hex B_ (6) (_ jFlutng(6_
Chute Flange Keeper (3) --I
'_-It
I_Hex Bolt (2) _--_1
Bellevile Washer ( ) _ _[
1/4-20 _1
:._ Chute _l
:_ _._ j Flange -_
_L "" %. ,,/ Bracket -_1
InOtcth°lWn _1
size) ' '_1
G Hairpin Clip (1) Flat ---II
\ _ Washer(2)At
0,,F, i
_// Flat Weld Nut (2)

Handle Panel
•_L,J
Discharge Chute
Handles
"_i"wo-Piece 4"
Chute Crank _,? ._
/
/
IMPORTANT: This unit is shipped with engine oil in
the engine, but without gasoline. After assembly, see
OPERATION section of this manual for fuel selection
and fill-up.
NOTE: To determine right and left hand sides of your
snow thrower, stand behind the unit with the engine
farthest away from you. See inset•
Your snow thrower has been completely assembled
at the factory, except the handle and the handle
panel, the discharge chute assembly, the chute crank
assembly and the shift rod• These parts are shipped
loose in the carton.
Removing From Carton
•Cut the corners of the carton and lay the sides
flat on the ground• Remove all packing inserts.
•Remove all loose parts. For a complete list of
the loose parts, refer to the following section•
• Move the snow thrower out of the carton.
Make certain all parts and literature have been
removed before discarding the carton.
Loose Parts
(See Figure 1.)
a. Handle Panel and Chute Assembly
b. Right Hand Handle
,i/
W
//
Rod
Rear
• Left
R i Front
Figure 1
c. Lett Hand Handle
d, Two-piece Chute Crank Assembly
e. Shift Rod
f. Hardware Pack
Assembly Tips: For easier assembly purposes,
remove the chute from the carton and lay it on topof
the engine. Do not unwrapthe chute tillyou have
installedthe handle panel and the clutch cables.
Tools Required
1, 1/2", 7/16", 3/8" wrenches or a set of adjustable
wrenches
2, Set of pliers
3. Set of philipshead screw drivers
4. Funnelto fill up gasoline
i_ WARNING:Make certain the spark plug wire
is disconnectedand movedaway from the
sparkplug before assembling the snow thrower.
Attaching Handle Assembly
• Stretch out control cables and place on the floor•
Place the right handle in position with the flat
side against the snow thrower• Youcan identify
the right handle by the traction drive control label
on it and the left handle by the auger clutch
control label on it.

Secure bottom hole in the handle to the snow
thrower using 5/16 x0.75" hex bolt and lock
washer from the hardware pack (group A on
page 5 ). Do not tighten at this time. See Figure 2.
Lock Washer &
Hex Bolt (1-3/4")
Right Handle
Handle _[Washer &
Tab Hex Bolt (3/4")
Figure 2
Place a handle tab, included inthe hardware
pack (group A on page 5), over the upper hole in
handle so that the contour of the handle tab
matches that of the handle. See Figure 2.
Secure handle tab to the snow thrower using
hex bolt (5/16 x 1.75" long) and lock washer
from the same group in the hardware pack. Do
not tighten at this time.
Attach the left handle in the same manner. Do
not tighten at this time.
Place the handle panel in position between the
handles so the ends of the curved part of the
handles go through the slots in the handle panel.
While placing the handle panel, make sure to
route chute and chute cable between the
handles underneath the panel keeping the cable
on top of the engine. Align the holes in the
handle with the holes on two sides of the handle
panel. See Figure 3.
Right Handle
Hex Bolt
and Flange
Nut \
Handle Panel
CarriageBolt,
andHexNut
Figure 3
nHoles
Attach the handle panel to the handle with two
carriage bolts, cupped washers (cupped side
against the handle panel) and hex nuts on each
side. See Figure 3. You will find these fasteners
in the hardware pack (group B on page 5). Align
the contour of the carriage bolt head with the
handle.
Attaching Chute
Place the chute assemblyover the chute
opening withthe chute facingfront of the unit.
NOTE: Make sure that the chute cables are
straightened while assembling the chute.
• Place the chute flange keeper (flat side down)
beneath lip of chute assembly as shown in
Figure 4.You will find the chute flange keepers in
group E of the hardware pack.
• Insert 1/4-20 hex bolt and flange nut from group
E up through chute flange keeper and chute
assembly as shown in Figure 4. Do not tighten at
this time. Rotate chute to install all the flange
keepers.
Chute
Hex
Nut
\
Chute
'_e Flange
x Keeper
Bolt
Figure 4
After assembling all three chute flange keepers,
tighten, then back off 1/4 turn to allow easier
movement of the chute. Use (2) 7/16" wrenches.
Attaching Chute Crank
On the leftside of the handle panel, place the
upperchute crankbracket on to the insideof the
handle panel support. See Figure5. You willfind
thisbracket and associated hardware in group F
of hardware pack
• Insert hex bolt through the upper chute crank
bracket, handle panel support, and upper left
handle. Secure the bracket using cupped
washer and hex nut. Make sure that the cupped
side of the washer is set against the handle.

=
ook
Supped
Chute Crank ;
Bracket
Figure 5
You may have to loosenthe carriage boltsand
hex lock nutswhich secure the lower chute
crank bracket to the extension on the left side of
the chute assembly. See Figure 6.
Crank Bracket Hex L_cEkNut'
Figure 6
Place one 3/8 ID flat washer (fromgroup G of
the hardwarepack) on the end of the chute
crank, then insert the end of the crank intothe
eye hole inthe plasticbushing inthe chute crank
bracket. See Figure 7.
HairpinClip PlasticBushing
Chute Crank
Lower Chute J
Crank Bracket_"FlatWasher
Figure 7
Place the other 3/8 ID flat washer (fromthe
same group of hardware) onthe end of the
chutecrank and insert hairpinclip intoeye hole
at the end of the chutecrank. See Figure 7.
Adjust the chute bracket so that the spiral on the
chute crank fully engages the teeth on the chute
assembly.
Slide the upper chute crank through the plastic
bushing in the upper chute crank bracket and
then into the lower chute crank. See Figure 8.
Align the holes on the two pieces of the chute
crank, and secure with hairpin clip from group C
of the hardware pack.
Tilt Upper
Chute
Chute _, Crank
Cables j_ _Bracket
_ \\ ::,
\Lower Chute
"_\_Crank
.Upperl
Chute
Crank
Figure 8
•Fullyrotate the chute, using the chute crank, to
make sure that it moves freely.
Using a wrench, tighten the hex bolt and the hex
nut on the upper chute crank bracket.
• Slip the cables that run from the handle panel to
the chute into the cable guide located on top of
the engine. See Figure 9.
Cable Guide_/_
Figure 9
Tighten all loose hardware on the handle
assembly inthe following order-- first the four
hex bolts at the bottom of the handle, then the
carriage bolts and lastly the hex bolts on the rear
of the handle panel.
Attaching Clutch Cables
The clutchcontrol cables are attached to the snow
thrower. For shippingpurposes, if the cables are
attachedto the top of the engine withcable ties, cut
the cable ties now. The Zends of the clutchcables
are hooked into the clutch grips on each handle.
8

Ensurethereisahexjamnutthreadedallthe
way up the threaded portion of the Z fitting;
extras are supplied in the hardware pack. See
Figure 10.
Place the clutch grip in the raised (up) position.
Outer
of cut-out
\
Hex Jam
Nut "_ '
ZFitting
Nut
_(Vi_ii_i_theont rol panel)
Figure 10
Swing the left auger cable up making sure the
cable is routed correctly in the cable roller
guides located at the lower rear of the unit.
Hold the end of the cable at the barrel so the
ferrule turns freely without twisting the cable.
Thread the ferrule on to the Z fitting. You may
have to pull on the cable slightly to relieve
tension. Keep the ferrule turning without twisting
the cable.
You will reach correct adjustment when there is
minimal slack in the cable but it is not tight. Hold
the flats on the ferrule with pliers and tighten the
jam nut against the ferrule. CAUTION: Cables will
become loose if you do not tighten the jam nut.
AWARNING: There must not be any tension
on either clutch cable with the drive or auger
clutch grip in the disengaged (up) position.
These clutches are a safety feature. Do not
override their function.
Attaching Shift Rod
Place the shiftlever inthe sixth(6) speed.
Place the bent end of the shift rod into the hole in
the shift arm assembly. See Figure 11. Secure
with 5/16 flat washer and hairpin clip from group D
of the hardware pack.
Thread ferrule (included in group D) from the
right side onto the other end of the shift rod till it
lines up with the upper hole in the shift lever
(beneath the handle panel). While aligning the
ferrule, push down on the shift rod and the shift
arm assembly as far as it will go.
•Once the ferrule slides into the hole, turn it
counter-clockwise one more full turn and insert it
in the hole in the shift lever. For proper
positioning of the ferrule and the associated
hardware, see Figure 11.
Shift Chute Distance
Lever Control
Drive Auger
Clutch
Upper
Flat
Shift Washer
Lever
Clip
Rod
Hair Assembly
Clip
Figure 11
NOTE: You may have to pull the shift lever out of the
sixth speed position and move it towards the fifth
speed position until the ferrule slides into the hole
without force.
Secure the ferrule to the shift lever with another
5/16 flat washer and hairpin clip from group D of
the hardware pack. See Figure 11.
Make certain to check for correct adjustment of
the shift rod as instructed in the Adjustment
section before operating the snow thrower.
Attaching Turn Triggers
Check and make sure that the right hand trigger
cable is routed in front of the traction drive cable.
•Feed the trigger cable up through the outer side of
the slot inthe handle panel. Do not feed the cable
through the same side of the slotas the Z fitting.
• Place the cable barrel fitting into the hole inthe
trigger. You can find the triggers and associated
hardware in group H of the hardware pack. See
Figure 12.
Trigger
Assembly /
Inner Cable _'N_
Slot
Trigger
Housing
/
Cable snaps in at
this end
Figure 12
9

• Plugwire into the alternator lead wire under the
fuel tank. See Figure 15.
Pull on the cable and rotate it around the bottom
of the trigger, with the inner cable inthe slot, until
the cable end can be pushed into the trigger
housing and snapped tight. See Figure 12.
Note: When the cable is installed correctly, you
should not be able to pull the cable out of the trigger
housing.
•Place the right turn trigger in position
underneath the right handle. Secure with screw
and weld nut from group H of the hardware
pack. See Figure 13. You will need a phillips
screwdriver for tightening the screw. Repeat on
left side.
Secure with screw
WeldNut
Slot
Figure 13
Trigger
i rl er
Ca_le
Secure the right turn trigger cable to the right
lower handle using cable tie provided in the
hardware pack. Make sure not to wrap the drive
cable. See Figure 14.
CableTie_ Trigger Cable
Figure 14
Secure the left turn trigger cable to the lower
handle using the other cable tie. Make sure to
route the cable tie below the auger drive cable
so that when the trigger cable is secured by the
cable tie, the auger drive cable is left outside the
cable tie. Trim excess ends from each cable tie.
NOTE: The right side cable tie must be used to keep
cable from coming in contact with the moving shift
arm from the transmission.
Lamp Wiring
• Wrap the wire from the lamp down the right
handle as shown in Figure 15. 10
jTrigger Cable
" ,,_Handle" I
Figure 15
Alternatori
Lead
IMPORTANT: Assemble your snow thrower, then
check the adjustments as instructed and make any
final adjustments necessary before operating the unit.
Failure to follow the instructions may cause damage
to the snow thrower.
Final Adjustments
Auger Control
To check the adjustment of the auger control,
push forward the left hand clutch grip until the
rubber bumper is compressed. There should be
slack in the clutch cable.
Release the clutch grip. The cable should be
straight. Make certain you can depress the
auger control gnp against the left handle
completely.
If adjustment is necessary, loosen the hex jam
nut and thread the cable in (for less slack) or out
(for more slack).
Recheck the adjustment. Tighten the jam nut
against the cable when correct adjustment is
reached.
Traction Drive Clutch and Shift Lever
Tip the snow throwerforward so that it rests on
the auger housing.
Move the shift leverall the way forward to sixth
(6) position.
•With the tractiondrive lever released, spin the
snow throwerwheels by hand.The wheels
should turn; however, you may feel some
resistance.
Engage the tractiondrive clutchgrip. The
wheelsshould no longerturn.
Now release the tractiondrive clutch grip,and
spin the wheels again.
•Move the shift lever back to the fast reverse
position,then all the way forward again. There

should be no resistance in the shift lever, and the
wheels should turn.
If you face resistance when moving the shift
lever or the snow thrower wheels stop when they
should not, loosen the lock nut on the traction
drive cable and unthread the cable one turn.
If the wheels can still be turned when you
engage the traction drive clutch grip, loosen the
lock nut on the traction drive cable and thread
the cable in one turn.
Recheck the adjustment and repeat adjustment
as necessary. Tighten the lock nut to secure the
cable when correct adjustment is reached.
NOTE: If you are not sure that you have reached
correct adjustment, referto the Adjustment section on
page 20.
Skid Shoe
The space between the shave plate and the ground
can be adjusted. For close snow removal, place skid
shoes in the low position. Use middle or high
position when area to be cleared is uneven.
NOTE: It is not recommended that you operate this
snow thrower on gravel as loose gravel can be easily
picked up and thrown by the auger causing an injury
or damage to the snow thrower.
If for some reason, you have to operate the
snow thrower on gravel, keep the skid shoe in
the highest position for maximum clearance
between the ground and the shave plate.
Adjustskid shoes by loosening the four hex nuts
and carriage bolts and moving skid shoes to
desired position.
Make certain the entire bottom surface of skid
shoe is against the ground to avoid uneven wear
on the skid shoes.
Tighten nuts and bolts securely.
--Skid Shoe
Remove these hardware
to adjust skid shoe
Figure 16
If for some reason, you have to operate the snow
thrower on gravel, keep the skid shoe inthe
highest position for maximum clearance between
the ground and the shave plate.
Tire Pressure (Pneumatic Tires)
The tires are over-inflated for shipping purposes.
Check tire pressure and reduce to 15 to 20 psi.
NOTE: If the tire pressure is not equal in both tires, the
unit may pull to one side or the other.
11

Knowing Your Snow Thrower
Read this owner's manual and safety rules before operating your snow thrower. Compare
with your snow thrower to familiarize yourself with the location of various controls and
adjustments. Save this manual for future reference.
The operation of any snow thrower can result in foreign objects being thrown into the eyes,
which can result in severe eye damage. Always wear safety glasses for operating the snow
thrower, or while performing any adjustments or repairs on it.
Traction Drive Auger
Control_ Control
Shift Chute
Lever Distance
Lever
Right
Turn
Trigger
Chute Crank
/
/
/
\,
DischargeChute
Choke
Key
Primer
Oil
Spark Fill
\
Throttle
Fuel
Fuel i
Tankl
Starter
Handle
Recoil
Starter
Skid Shoe
/
/
Au_]er
Figure 17
Meets ANSI Safety Standards
Sears snow throwers conform to the safety standards B71.3 of the American National Standards Institute (ANSI).
12

Operating Controls
(See Figure 17.)
Chute Crank
The chute crank is located on the left hand side of the
snow thrower. To change the direction in which snow
is thrown, turn chute crank as follows:
turn clockwise to discharge to the left;
turn counterclockwise to discharge to the right.
Throttle Control
The throttlecontrol is located onthe engine. It
regulates the speed of the engine.
Safety Ignition Switch
The ignition key must be inserted into the switch for
the unit to start. Remove the ignition key when the
snow thrower is not in use.
Left And Right Turn Trigger
The left and right turn triggers are located on the
underside of the handles and are used to assist in
steering your snow thrower. Squeeze the right turn
trigger when turning right, squeeze the left turn trigger
when turning left. Operate your snow thrower in open
areas until you become familiar with these controls.
Shift Lever
The shift lever is located in the center of the handle
panel. It may be moved into one of eight positions:
a. Forward--one of six speeds; positionone (1)
isthe slowest and positionsix (6) is the
fastest.
b. Reverse--two reverse (R) speeds; R2 is
faster.
Use the shift lever to determine ground speed. Do not
shift to different speed while the unit is moving.
Auger Control
The auger control is located on the left handle.
Squeeze the auger control against the handle to
engage the augers; release to disengage the augers.
(Traction drive control must also be released.)
Traction Drive Control
The traction drive control is located on the right
handle. Squeeze the traction drive control to engage
the wheel drive; release to stop.
This same lever also locks the auger control so
that youcan turnthe chute crankwithoutinterrupting
the snow throwingprocess. If the auger controlis
engaged withthe tractiondrive controlengaged, you
can release the auger control(on the lefthandle) and
the augers willremain engaged. Release the traction
drive controlto stopboth the augers and the wheel
drive. (Augercontrolmust also be released).
Chute Distance Control
The distance that snow is thrown can be adjusted by
adjusting the angle of the chute assembly. Move the
chute distance control forward to decrease the
distance, toward the rear to increase the distance.
To Stop The Snow Thrower
To stop the wheels, release the traction drive
lever of the snow thrower.
To stopthrowing snow, release the auger drive
lever.
To stop the engine, push the throttle control
lever to OFF and pull out the ignition key. Do not
turn key.
Before Starting Engine
Fill Gas
&WARNING: Gasoline is flammable and cau-
tion must be used when handling or storing it.
Do not fill fuel tank while the snow thrower is
running, when it is hot or when it is in an
enclosed area.
Keep your snow thrower away from any
open flame or an electrical spark and do not
smoke while filling the fuel tank.
Never fill the fuel tank completely. Fillthe
tank to within1/4"-1/2" from the top to
provide space for expansion of fuel.
Always fill the fuel tank outdoors and use a
funnel or spout to prevent spilling.
Make sure to wipe off any spilled fuel before
starting the engine.
Store gasoline in a clean, approved container
and keep the cap in place on the container.
Make sure that the container from which you
pour the gasoline is clean and free from rust or
other foreign particles.
Fill fuel tank with clean, fresh, unleaded grade
automotive gasoline.
At the end of the job, empty the fuel tank if the
snow thrower is not going to be used for 30 days
or longer. See storage instructions on of this
manual.
CAUTION: Experience indicates that alcohol blended
fuels (called gasohol) or those using ethanol or meth-
anol can attract moisture which leads to separation
and formation of acids during storage.
Acidic gas can damage the fuel system of an engine
while in storage.
To avoid engine problems, the fuel system should be
emptied before storage for 30 days or longer. Drain the
gas tank, start the engine and let it run until the fuel
13

linesandcarburetorareempty.Usefreshfuelnextsea-
son.SeestorageInstructionsforadditionalinformation.
Neveruseengineorcarburetorcleanerproductsin
thefueltankorpermanentdamagemayoccur.
To Start Engine
AWARNING: Be sure no one other than
the operator is standing near the snow
thrower while starting or operating. Do not
operate this snow thrower unless the
discharge chute assembly has been
properly installed and is secured.
A. Electric Starter
Connect spark
plug wire
Insert key.
Move "_" Prime
_¢_hoke _ .
t_OV_ll_bUtton
Connectcord
_ Recoil
.__" starter
Figure 18
(For location of all the engine controls referred to in
thissection, see Figure 17 inset.)
Before starting, make sure that the engine has suffi-
cient oil. The snow thrower engine is equipped with a
120 volt A.C. electric starter and recoil starter. The
electric starter is equipped with a three-wire power
cord and plug and is designed to operate on 120 volt
AC household current. Followall instructionscarefully
Cold Start
NOTE: If the unit shows any sign of motion (drive or
augers) with the clutch grips disengaged, shut the
engine off immediately. Readjust as instructed in the
"Final Adjustments" section of the Assembly
Instructions.
WARNING: The electric starter must be
properly grounded at all times to avoid the
possibility of electric shock which may be
injurious to the operator.
Determine whether your house wiring is a three-
wire grounded system. Ask a licensed
electrician if you are not certain.
WARNING: If your house wiring system is
net a three-wire grounded system, do not use
this electdc starter under any conditions.
If your house wiring system is grounded and a
three-hole receptacle is not available at the point
the snow thrower starter will normally be used,
one should be installed by a licensed electrician.
When connecting the power cord, always
connect cord to starter on engine first, then plug
the other end into a three-hole grounded
receptacle.
When disconnecting the power cord, always
unplug the end from the three-hole, grounded
receptacle first.
For illustration of starting instructions, see Figure 18.
•Attach spark plug wire to spark plug.
• Make sure that the auger drive and the traction
drive levers are in the disengaged RELEASED
position.
• Move throttle control lever to FAST position.
Remove the keys from the plastic bag. Push key
into the ignition slot. Make sure it snaps into
place. Do not tum key. Keep the second key in a
safe place.
Rotate the choke knob to FULL choke position.
• Connect the power cord to the switch box on the
engine.
• Plug the other end of the power cord into a
three-hole, grounded 120 volt A.C. receptacle.
WARNING: Do not use primer while
starting the engine with an electric starter.
Snow Spark Drive
Thrower Plug Levers
wire
Electric Connect Release
Starter
Recoil _,onnect Release
Starter
i_ 3
_Starting Instructions at a glance
Throttle
control
Move to
FAST
Move to
FAST
Ignition
Key
Push to
snap in
Push to
snap in
Choke
Move to
FULL
Move to
FULL
Power
Co_
Connect
to source
Primer
Prime
Starter
Push
button
Pull
handle
Afterstarting
1. Release button
2. Move Choke to Off
3. Disconnect cord
1. Release handle
2. Move Choke to Off.
14

• Pushdown on the starter button until the engine
starts. Do not crank for more than 10 seconds at
a time. This electric starter is thermally
protected. If overheated, it will stop
automatically and can be restarted only when it
has cooled to a safe temperature (a wait of
about 5 to 10 minutes is required).
•When the engine starts, release the starter
button and slowly rotate the choke to OFF
position. If the engine falters, rotate the choke to
FULL and then gradually to OFF.
Disconnect the power cord from the receptacle
first and then from the switch box on the engine.
• Allow the engine to warm up for a few minutes
because the engine will not develop full power
until it reaches operating temperature.
• Operate the engine at full throttle (FAST) when
throwing snow.
Warm Start
If restarting a warm engine after a shut down,
rotate choke to OFF instead of FULL and press
the starter button.
B. Recoil Starter
Make sure that the engine has sufficient oil and the
auger drive and the traction drive levers are released.
• Move throttle control to FAST position.
Push key into the ignition slot so that it snaps
into place. Do not turn key. Remove plastic bag
and keep the second key in a safe place.
Rotate choke control to FULL choke position.
Push the primer button while covering the vent
hole. Remove your finger from the primer between
primes. Do not prime if temperature is above
50o P; prime two times between 500 F and 15° F;
and prime four times below 15o F.
• Pull the starter handle rapidly. Do not allow the
handle to snap back, but allow it to rewind slowly
while keeping a firm hold on the starter handle.
• As the engine warms up and begins to operate
evenly, rotate the choke knob slowly to OFF
position. If the engine falters, return to FULL
choke, then slowly move to OFF choke position.
Allow the engine to warm up for a few minutes
because the engine will not develop full power
until it reaches operating temperature.
Operate the engine at full throttle (FAST) when
throwing snow.
Warm Start
If restarting a warm engine after a temporary
shut down, rotate choke to OFF instead of FULL
and do notprime. Press the starter button.
Frozen Recoil Starter
If the starter is frozen and will not turn the engine,
proceed as follows:
Pull as much rope out of the starter as possible.
Release the starter handle and let it snap back
against the starter.
If the engine still falls to start, repeat the first two
steps. If continued attempts do not free starter,
follow the electric starter procedures to start.
• Avoid possible freezing of recoil starter and the
engine controls.
Operating Snow Thrower
To Engage Drive
With the engine running near top speed, move
shift lever to one of six FORWARD positions or
two REVERSE positions. Select a speed
appropriate for the snow conditions that exist.
Use slower speeds until you are familiar with the
operation of the snow thrower.
Squeeze the traction drive clutch grip against
the right handle and the snow thrower will move.
Release it and the drive motion will stop.
To Engage Augers
• To engage the augers and start snow throwing,
squeeze the left hand auger clutch grip against
the left handle. Release to stop augers.
While the auger control is engaged, squeeze the
traction drive control to move, release to stop.
Do not shift speeds while the drive is engaged.
NOTE: This same lever also locks the auger control
so you can turn the chute crank without interrupting
the snow throwing process.
Release the auger control; the interlock
mechanism should keep the auger control
engaged until the traction drive control is
released.
Release the traction drive control to stop both
the augers and the wheeil drive.
,_, WARNING: To stop the auger, both levers
must be released.
To Throw Snow
15
i_ CAUTION: Check the area to be cleared for
foreign objects. Remove, if any.
Start the engine following Starting instructions.
Rotate the discharge chute to the desired
direction, away from bystanders and/or
buildings. Move the chute distance control
forward or backward to adjust the distance the
snow is to be thrown.
Select the speed according to snow condition.
,_ CAUTION: Never move the shift lever
without first releasing the drive clutch.

Engage the auger control and traction drive
control levers following instructions above.
The interlock feature will allow you to remove
your left hand from the auger control lever.
When clearing the first pass through the snow,
control the traction speed of the snow thrower
according to the depth and condition of snow.
To turn the unit left, squeeze left trigger; to turn
right, squeeze right trigger.
On each succeeding pass, readjust the chute
deflector to the desired position and slightly
overlap the previously cleared path.
After the area is cleared, stop the snow thrower
following instructions given below.
Operating Tips
NOTE: Allow the engine to warm up for a few minutes
as the engine will not develop full power until it
reaches operating temperature.
Warning: The temperature of muffler and
surrounding areas may exceed 150 ° F. Avoid
these areas.
For most efficient snow removal, remove snow
immediately after it falls.
• Discharge snow downwind whenever possible.
Slightly overlap each previous swath.
• Set the skid shoes 1/4" below the scraper bar for
normal usage. The skid shoes may be adjusted
upward for hard-packed snow.
NOTE: It is not recommended that you operate this
snow thrower on gravel as loose gravel can be easily
picked up and thrown l_y the auger causing an injury or
damage to the snow thrower.
If for some reason, you have to operate the snow
thrower on gravel, keep the skid shoe in the
highest position for maximum clearance between
the ground and the shave plate.
Clean the snow thrower thoroughly after each use.
Before Stopping
• Run engine for a few minutes to help dry off any
moisture on engine.
•To avoid possible freeze-up of the starter, follow
these steps:
Recoil Starter
a. With the engine running,pullthe starter rope
witha rapid, continuous full arm strokethree
or four times.
Electric Starter
a. Connectpower cord to switchbox, then to
120 Volt AC receptacle.
b. While the engine is running,push the starter
buttonand spin the starterfor several
seconds.
c. Disconnect power cord from the receptacle
first, then from the snow thrower.
NOTE; The unusual sound from pulling the starter
rope in the case of the recoil starter, or from spinning
the starter in the case of the electric starter, will not
harm the engine.
To Stop The Snow Thrower
To stopthe wheel, release the tractiondrive lever
on the snow thrower.
To stop throwingsnow,releaseaugerdrivelever.
•To stopthe engine, push throttlecontrollever to
OFF and pull out the ignitionkey. Do not turnkey.
16

General Recommendations
Alwaysobserve safety rules when performing
any maintenance.
The warranty onthissnow throwerdoes net
coveritems that have been subjected to
operator abuse or negligence. To receivefull
valuefrom the warranty, operatormust maintain
the snow throweras instructedinthismanual.
Some adjustments willhave to be made
periodically to maintain your unit properly.
All adjustments in the Service and Adjustments
section of thismanual should be checked at
least once each season.
Follow the maintenance schedule given below.
Periodically check all fasteners and make sure
these are tight.
WARNING; Always stop the engine and
disconnect the spark plug wire before
performing any maintenance or
adjustments.
Customer Responsibilities
MAINTENANCE SCHEDULE o_ _. _ _ __o SERVICE DATES
Lubricate pivot points
_ Clean snow thrower
0 Clean shave plate
Clean skid shoes
Check V-belts
Check friction wheel
rubber
,,, Check engine oil
zChange engine oii
Z
LU Check spark plug
Check muffler
Empty fuel system
i
* Fill in dates as you complete regular service
,_ Check; service if needed
17

Lubrication
For a view of the lubricationpoints on the snow
thrower, see Figure 19.
Sprocket Shaft
Lubricatethe sprocket shaft with grease at least
once a season or after every 25 hours of
operation.
IMPORTANT: Keep all grease and oil off of the
friction wheel and the drive plate.
Shifting Mechanism
Lubricate the shifting mechanism and pivot
points on the shift rod with engine oil at least
once a season or after every 25 hours of
operation.
Traction Drive Control
Lubricate cams on the ends of the control rods
which interlock the traction drive and auger
controls at least once a season or every 25
hours of operation with grease. The cams can be
accessed beneath the handle panel.
Gear Case
The gear case is lubricated with grease at the
factory and does not require checking. If
disassembled for any reason, lubricate with two
ounces of Shell Alvania grease.
Bearings
•Once a season lubricate the auger bearings and
the bearings on the side of the frame with light
oil. See lube chart below.
Check V-belts
Follow the instructionsbelow to check the condition
of the drive belts every 50 hours of operation.
• Remove the plastic belt cover on the front of the
engine by removing two self-tapping screws.
Visually inspect for frayed, cracked, or
excessively worn out belts.
Check Friction Wheel
Follow the instructions below to check the condition of
the friction wheel rubber every 25 hours of operation.
Remove the six self-tapping screws from the
frame cover underneath the snow thrower.
Visually inspect the friction wheel rubber for
excessive wear, cracks, or loose fit on the
friction wheel drive hub.
Also engage traction drive control and check if
the friction wheel is making contact with the
friction plate.
•If it does not make contact, adjust the traction
drive cable following instructions and. Recheck
the friction wheel.
• Replace friction wheel rubber if necessary.
Refer to instructions on page 23.
Engine Maintenance
Engine Oil
Only use high quality detergent oil rated with API
service classification SF, SG or SH. Select the oil's
SAE viscosity grade according to the expected
operating temperature.
colder -_--32 ° _warmer
5W30 _ I_ SAE30
I
Viscosity Chart
Figure 19: Lubrication Chart
18
NOTE: Although multi-viscosity oils (5W30, 10W30
etc.) improve starting in cold weather, these multi-
viscosity oils will result in increased oil consumption
when used above 32°F. Check your snow thrower's
engine oil level more frequently to avoid possible
engine damage from running low on oil.
Refer to the viscosity chart for proper selection of
engine oil
Checking Oil Level
Before operating the snow thrower, check the oil
level.
With engine on level ground, the oil must be to
FULL mark on dipstick.
Stop engine and wait several minutes before
checking oil level. Remove oil fill cap and
dipstick.

Wipe dipstick clean, insert it into oil fill hole and
tighten securely.
Remove dipstick and check. If oil is not up to the
FULL mark on dipstick, add 5W30 oil.
Changing Oil
Change engine oil after first two hours of operation
and every 25 hours thereafter.
In order to change the oil, you will have to first drain
the spent engine oil from the engine and then refill
with fresh oil.
Drain oil while engine is warm. Remove oil drain
cap located at the bottom of the recoil starter of
the engine. Catch oil in a suitable container.
•When engine is drained of all oil, replace drain
plug securely.
Remove the dipstick from the oil fill plug. For
location of the oil fill plug, see. Pour fresh oil
slowly through the plug. Replace dipstick.
Check and make sure that the level of oil is up to
the FULL mark on the dipstick.
WARNING: Temperature of muffler and
nearby areas may exceed 150° F(65°C).
Avoid these areas_
Spark Plug
•Clean area around the spark plug base.
• Remove and inspect the spark plug.
Replace the spark plug ifelectrodes are pitted,
burned, or the porcelain is cracked. See Figure 20.
Clean the spark plug and reset the gap to 0.030"
at least once a season or every 50 hours of
operation. See Figure 20.
• Spark plug replacement is recommended at the
start of each season. Refer to engine parts list
for correct spark plug type.
NOTE: Do not sandblast spark plug. Spark plug
should be cleaned by scraping or wire brushing and
washing with a commercial solvent.
Electrodes
,030" Porcelain
Gap
Figure 20
19

AWARNING: Always stop the engine, dis-
connect spark plug wire and move it away
from the spark plug before performing any
adjustments or repairs.
Never attempt to clean the chute or make
any adjustments while the engine is running.
Adjustments
WARNING: Never attempt to clean chute or make
any adjustments while engine is running.
Chute Assembly
The distance that snow is thrown can be adjusted by
adjusting the angle of the chute assembly. Refer to
the Control section of this manual.
The remote chute control cables have been pre-
adjusted at the factory. Move the remote chute
lever on the control panel back and forward to
adjust angle of the chute asssembly.
Skid Shoe
The space between the shave plate and the ground
can be adjusted. For close snow removal, place skid
shoes in the low position. Use middle or high position
when area to be cleared is uneven.
Adjust skid shoes by loosening the four hex nuts
and carriage bolts and moving skid shoes to
desired position.
• Make certain the entire bottom surface of skid
shoe is against the ground to avoid uneven wear
on the skid shoes.
• Retighten nuts and bolts securely.
NOTE: It is not recommended that you operate this
snow thrower on gravel as loose gravel can be easily
picked up and thrown by the auger causing an injury
or damage to the snow thrower.
• If for some reason, you have to operate the
snow thrower on gravel, keep the skid shoe in
the highest position for maximum clearance
between the ground and the shave plate.
Traction Drive Clutch
Refer to the Final Adjustment section of the Set-Up
Instructions to adjust the traction drive clutch. To
check the adjustment, proceed as follows:
With the snow thrower tipped forward (be
certain to drain the gasoline or place plastic film
under the gas cap if the snow thrower has
already been operated), remove the frame cover
underneath the snow thrower by removing six
self-tapping screws.
With the traction drive clutch released, there
must be clearance between the friction wheel
and the drive plate in all positions of the shift
lever.
With the traction drive clutch engaged, the
friction wheel must contact the drive plate
(shown in Figure 30).
If adjustment is necessary, loosen the jam nut
on the traction drive cable and thread the cable
in or out as necessary. See Figure 21. Tighten
the jam nut to secure the cable when correct
adjustment is reached. Reassemble the frame
cover.
NOTE: If you placed plastic under the gas cap, be
certain to remove it.
Auger Clutch
To adjust the auger clutch, refer to Final Adjustment
section of Set-Up Instructions.
Handle
Panel
Hex Jam
(Thread
nuthere) __.
Clip
Cable is straight _ Shift
but i_ol lighl Rod
(Viewed from under the handle panel)
Figure 21
Shift Rod
To adjust the shift rod, proceed as follows.
Remove the hairpin clip and flat washer from the
shift handle under the handle panel.
Place shift lever in sixth (6) position or fastest
forward speed.
Push shift arm assembly down as far as it will go.
• Rotate the ferrule up or down on the shift rod as
necessary until the ferrule lines up with the
upper hole in the shift lever. See Figure 21.
Insert ferrule from the left side of the
snowthrower into the upper hole in shift lever.
Reinstall the hairpin clip and the washer.
,_ CAUTION: Check for correct adjustment
before operating the snow thrower.
2O

Carburetor
WARNING: If any adjustments are made
to the engine while the engine is running
(e.g carburetor), keep clear of all
movingparts. Be careful of heated
surfaces and mufflers.
Minor carburetor adjustments may be required to
compensate for differences in fuel temperature,
altitude and load.
Service
Augers
The augers are secured to the spiral shaft with two
shear bolts and hex lock nuts. If you hit a foreign
object or ice jam, the snow thrower is designed so
that the bolts will shear. See Figure 22. Lock nuts
cannot be threaded onto a bolt by hand. This type of
nut is used where vibration occurs.
If the augers do not turn, check to see if the bolts
have sheared. Two replacement shear bolts (shown
in Figure 22 inset ) and hex lock nuts have been
provided with the snow thrower. When replacing
bolts, spray an oil lubricant into shaft before
insertingnew bolts.
Shave Plate And Skid Shoes
The shave plate and skid shoes on the bottom of the
snow thrower are subject to wear, They should be
checked periodically and replaced when necessary.
Remove the four carriage bolts, belleville
washers and hex nuts which attach skid shoes
to the snow thrower on two sides. See Figure22.
Reassemble new skid shoes with the four
carriage bolts, belleville washers (cupped side
goes against skid shoes) and hex nuts. Make
certain the skid shoes are adjusted to be level.
To remove shave plate, remove the skid shoe
and the rest of hardware including carriage
bolts, belleville washers and hex nuts which
attach shave plate to the snow thrower housing.
For location of shave plate, see Figure 22.
Reassemble new shave plate, making sure
heads of the carriage bolts are to the inside of
the housing. Reinstall skid shoe. Tighten
securely.
Replacing Belt
,_ WARNING: Disconnect the spark plug
wire from the spark plug and ground.
Auger Belts
• Remove the plasticbelt cover on the front of the
engineby removing the two self-tappingscrews.
See Figure 23.
Self-Tapping Screw
\Self-TappingScrew
Figure 23
Disconnect chute crank assembly at the
discharge chute by removing the hairpin clip and
the two flat washers. See Figure 24.
_HHair}in Clip
21
Figure 24
• Remove the six hex nuts and lock washers
which attach the auger housing assembly to the
frame assembly. See Figure 25.
WARNING: Do not attempt to change the
auger belt withoutthe help of an assistant, It
is very important that one person, standing
at the operating position, firmly hold the
snow thrower housing to prevent it from
tipping while the other person replaces the
belt. Failure to comply with this may result in
injury.

studsl
- reassembly]
Figure 25
Standing in the operating position, lift up on the
handles and pull the frame assembly rearward.
The frame and the housing will separate, and
the rear auger belt will come off the pulley.
Maintain control of the frame assembly while
pulling it.
Remove the two belts from the two engine
pulleys. For location of the pulleys, see Figure 26.
uger _ U
Pulley
Figure 26
To removethe frontauger drive belt, push the
idlerpulleyto the left. The belt brake should
move outward. See Figure 27. Liftthe front
auger drive beltfromthe frontauger pulley.
Push au(
idler pulle
Figure 27
Place new belts on the two auger pulleys making
sure that the front auger belt is under the belt
brake. Route belts under and to the left of the flat
idler pulley. Hold the belts upward in this
position.
While lifting up on the handles, bring the frame
assembly close to the auger housing, and place
the two belts on the front and rear engine
pulleys. See Figure 28.
PUSH
Frame Assembly
Figure 28
• Level the frame assembly and tip the auger
housing forward to align studs with the
corresponding holes on both sides of the frame
assembly. See Figure 25. Push the frame
assembly fully on to the studs.
NOTE: Use care to avoid pinching the control cable.
• From the frame assembly side, insert six lock
washers and hex nuts on to the studs. These
pieces of hardware were removed earlier. See
Figure 25. Tighten the nuts securely.
Reinstall the belt cover onfront of the engine with
the two self-tapping screws and flat washers.
• Reattach the chute crank to the chute assembly
with the hairpin clip and flat washer.
NOTE: Make sure that the auger cable is routed in
front of the belt.
Drive Belt
Check drive belt every 50 hours of operation for
wear and tear.
Drain the gasoline from the snow thrower, or
place a piece of plastic under the gas cap.
Remove the plastic belt cover on the front of the
engine by removing the two self-tapping screws.
Tip the snow thrower up and forward, so that it
rests on the housing.
Remove sixself-tapping screws from frame cover
underneath the snow thrower. See Figure 29.
22

Self-Tapping
Screws
Figure 29
Pull the idler pulley away from the drive belt and
remove the belt from the engine pulley. You will
find the idler pulley in front of the engine and
under the belt cover that you removed earlier.
See Figure 30.
Working from the underside of the frame, slip
belt between the frictionwheel and the friction
wheel disc. See Figure 30. You may have to
twist the belt flat in order to slide it through the
clearance between the friction wheel and the
friction wheel disc. Remove the belt completely.
Replace new belt. Reassemble following the
instructions in reverse order.
Changing Friction Wheel Rubber
Check the rubber on the friction wheel after 25
hours of operation, and periodically thereafter.
Replace the rubber if any signs of wear or
cracking are found.
Drain the gasoline from the snow thrower, or
place a piece of plastic under the gas cap.
Tip the snow thrower up and forward, so that it
rests on the housing.
Remove six screws from the frame cover
underneath the snow thrower. See Figure 29.
Remove klick pin securing the left wheel, and
remove the wheel from the axle.
Remove the four screws securing the left drive
cover to the frame. Remove the drive cover from
the side of the frame. See Figure 31.
I
Idler
Pulley
Location- --
Whee Drive Belt
Disc Location
Figure 30
Figure 31
Holding the friction wheel assembly, slide the
hex shaft out of the left side of the unit. The
spacer on the right side of the hex shaft will fall
and the sprocket should remain hanging lose in
the chain.
Lift the friction wheel assembly out between the
axle shaft and the drive shaft assemblies.
Remove the six screws from both sides of the
friction wheel assembly. Remove friction wheel
rubber from between the friction wheel plate.
Reassemble new friction wheel rubber to the
friction wheel assembly, tightening the six
screws in rotation and with equal force. It is
important to assemble the rubber on the friction
wheel equally for proper functioning.
Insert the pin from the shift arm assembly into
the friction wheel assembly and hold assembly
23

inposition,SeeFigure32.
Sh ft ArmAssembly
oro 'i'
rIi J
toward the friction wheel when sliding the sprocket on
to the hex shaft. See Figure 33.
Figure 32
•Slide the hex shaft through the left side of the
housing and through the friction wheel
assembly.
Insert the hex shaft through the sprocket and the
spacer. See Figure 33. Make certain that the
chain engages both the large and the small
sprocket.
NOTE: If the sprocket fell from the snow thrower
while removing the hex shaft, place the sprocket on
the hex shaft. Position the hex hub of the sprocket
Figure 33
Align the hex shaft with the right hand bearing
and carefully guide the left hand beadng into the
left side of the housing.
Reassemble the drive cover with the four screws
that were earlier removed.
Note: Ifyou placed plastic under the gas cap, be
certain to remove it.
Carburetor
WARNING: If any adjustments are made to
the engine while the engine is running (e.g.
carburetor), keep clear of all moving parts.
Be careful of heated surfaces and muffler.
If you think the carburetor needs to be adjusted, see
your nearest authorized Sears Service Outlet,
24

If your snow thrower is left unused for 30 days or
longer, it needs to be prepared for storage. Also, at
the end of the snow season, you should follow the
same set of instructions and store the snow thrower
properly for the off-season. Proper storage ensures
longer Fifeof the snow thrower.
Preparing Engine
WARNING: Never store snow thrower with
fuel in tank indoors or in poorly ventilated
areas, where fuel fumes may reach an open
flame, spark or pilot light as on a furnace,
water heater, clothes dryer or gas
appliance.
It is important to prevent gum deposits from
forming in essential fuel system parts of the
engine such as the carburetor, fuel filter,
fuel hose or tank during storage.
Also experience indicates that alcohol
blended fuels (called gasohol or using
ethanol or methanol) can attract moisture
which leads to separation and formation of
acids during storage. Acidic gas can
damage the fuel system of an engine while
in storage.
To avoid engine problems, the fuel system should be
emptiedbefore storage for 30 days or longer. Follow
these instructions to prepare your snow thrower for
storage:
• Remove all gasoline from the carburetor and the
fuel tank to prevent gum deposits from forming
on these parts and causing possible malfunction
of the engine.
Carburetor
WARNING: Drain fuel intoapproved
container outdoors, away from any open
flame. Be certain engine is cool. Do not
smoke.
Fuel left in engine during warm weather
deteriorates and will cause serious starting
problems.
Run the engine until the fuel tank is empty and it
stops due to lack of fuel.
Drain carburetor by pressing upward on bowl
drain, located below the carburetor cover. See
Figure 34.
AWARNING: Do not drain carburetorif using
fuel stabilizer. Never use engine or
carburetor cleaning products in the fuel tank
or permanent damage may occur.
NOTE: Fuel stabilizer (such as STA-BIL) is an
acceptable alternative in minimizing the formation of
fuel gum deposits during storage. Add stabilizer to
gasoline in fuel tank or storage container. Always
follow mix ratio found on stabilizer container. Run
engine at least 10 minutes after adding stabilizer to
allow it to reach the carburetor. Do not drain
carburetor if using fuel stabilizer.
• Remove the spark plug and pour one (1) ounce
of engine oil through the spark plug hole intothe
cylinder. Crank the engine several times to
distribute the oil. Replace spark plug.
Preparing Snow Thrower
When storingthe snow throwerin an
unventilated or metal storage shed, care should
be taken to rustproof the equipment. Using a
light oil or silicone, coat the equipment,
especially any chains, springs, bearings and
cables.
• Remove all dirt from exterior of engine and
equipment.
•Follow lubrication recommendationson
page 18.
Store in a clean, dry area.
Bowl Drain
Figure 34
25

Trouble
Enginefailsto start
Engine runserratic
IPossible Cause(s)
Fueltankempty,orstalefuel.
Blocked fuel line.
Choke not in ON position
Faulty spark plug.
Key not in switch on engine.
Spark plug wire
disconnected.
Primer button not depressed.
Fuel shut-off valve closed
(if so equipped),
Throttle in Stop position
Unit running on CHOKE.
Blocked fuel line or stale fuel
Water or dirt in fuel system.
Carburetor out of adjustment.
Loss of power Spark plug wire loose.
Gas cap vent hole plugged.
Exhaust port plugged.
Engine overheats Carburetor not adjusted
properly.
Excessive vibration Loose parts or damaged
auger.
Unit fails to propel Incorrect adjustment of drive
itself cable.
Drive belt loose or damaged.
Rubber on friction wheel worn
off
Corrective Action
Fill tank with clean, fresh gasoline. Fuel will not last over thirty
days unless a fuel stabilizer is used.
Clean fuel line.
Move switch to ON position
Clean, adjust gap or replace.
Insert key.
Connect spark plug wire.
Refer to the engine manual packed with your unit.
Open fuel shut-off valve,
Move Throttle to RUN position.
Move choke lever to OFF position.
C ean fue line; f IItank with c ean fresh gasoline. Fuel will not last
over thirty days unless a fuel stabilizer is used.
Drain fuel tank. Refill with fresh fuel
Refer to the engine manual packed with your unit or have
carburetor adjusted by an authorized service dealer.
Connect and tighten spark plug wire.
Remove ice and snow from cap. Be certain vent hole is clear.
Clean-see Maintenance section of engine manual.
Refer to the engine manual packed with your unit or have
carburetor adjusted by an authorized service dealer.
Stop engine immediately and disconnect spark plug wire. Tighten
all bolts and nuts. Make all necessary repairs. If vibration
continues, have unit serviced by an authorized service dealer,
Adjust drive cable. Refer to Adjustment section of this manual
Replace drive belt. Refer to Belt Replacement in Maintenance
section of this manual.
Replace rubber following instructions on page 23.
Unit fails to Discharge chute clogged. Stop engine immediately and disconnect spark plug wire. Clean
discharge snow discharge chute and inside of auger housing.
Foreign object lodged in Stop engine immediately and disconnect spark plug wire.
auger. Remove object from auger.
Incorrect adjustment of drive Adjust drive cable. Refer to Adjustment section of this manual.
cable. Replace drive belt. Refer to Belt Replacement in Maintenance
Drive belt loose or damaged, section of this manual.
i" For repairs beyond the minor adjustments listed
_" above, please contact your nearest SEARS service
center,
26

These accessories were available when the snow thrower was purchased. They are also available at most Sears
retail outlets, catalog and service centers. Most Sears stores can order repair parts for you when you provide the
model number of your snow thrower.
Belt
Shave Plate
i
EngineOil Spark Plug
27

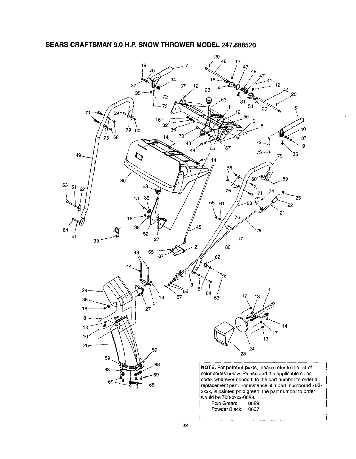
SEARS CRAFTSMAN 9.0 H.P. SNOW THROWER MODEL 247.888520
24
3
'\
3O
!
36 38
17 24
31
15
23
33
39
41
12
/
37
NOTE: For painted parts, please refer to the list of color codes below. Please add the applicable color code, wherever
needed, to the part number to order a replacement part. For instance, if a part, numbered 7O0-xxxx, is painted polo green,
the part number to order would be 700-xxxx-0689.
Polo Green: 0689
Powder Black: 0637
28

SEARS CRAFTSMAN 9.0 H.P. SNOW THROWER MODEL 247.888520
Key. No,
1.
2.
3,
4.
5.
6.
7.
8.
9,
10.
11.
12.
13.
14,
15.
16.
17.
18.
19.
20.
21.
22.
23.
Part No. Description
05931
684-0040B
684-0055A
684-0065
705-5226
710-0260
710-0451
710-0459A
710-0604
710-0703
710-0890A
712-0116
712-0324
712-0429
712-0798
712-3010
712-3068
715-0114
731-1379
732-0611
736-0119
736-0169
736-0174
736-0188
Bearing Housing
Auger Housing Assy. 26"
Auger Housing Assy. 30"
Impeller Assy. 12" dia.
Chute Reinforcement
Carriage Bolt 5/16-18 x .62"
Carriage Bolt 5/16-18 x .75" Gr.2
Hex Screw 3/8-24 x 1.5" Gr.5
Hex Washer Head Self-Tapping
Screw 5/16-18 x .62"
Carriage Screw 1/4-20 x .75"
Shear Bolt 5/16-18 x 1.5"
Jam Nut 3/8-24
Hex Lock Nut 1/4-20
Hex Lock Nut 5/16-18
Hex Nut 3/8-16 Gr.2
Hex Nut 5/16-18 Gr.5
Hex Patch Nut 5/16-18
Spiral Pin
Chute Adapter
Extension Spring
Lock Washer
Lock Washer
Wave Washer
Flat Washer
Key. No
--24.
25.
26,
27.
28.
29,
30.
31.
32.
33.
34.
35.
36.
37.
38.
39.
40.
41.
42.
43.
Part No. Description
736-0242
736-0463
!737-3007
738-0281
741-0245
741-0309
741-0475
741-0493A
756-0178
784-5618
784-5632
784-5647
605-5192A
605-5248A
605-5193A
605-5249A
618-0121
618-0160
784-5579A
784-5575
710-0451
712-3010
736-0242
784-5580
Belfeville Washer
Flat Washer
Grease
Shoulder Screw
Hex Flange Bearing
Flange Ball Bearing
Bushing
Flange Bushing
Flat Idler
Searing Housing
Auger Idler Arm
Chute Crank Bracket
Spiral Assembly: RH 26"
Spira Assembly: RH 30"
Spiral Assembly: LH 26"
Spiral Assembly: LH 30"
Gear Assembly: Auger 26"
Gear Assembly: Auger 30"
Shave Plate: Auger 26"
Shave Plate:Auger 30"
Carr. Bolt: 5/16-18 x 0.75
Hex Nut: 5/16-18 Gr.5
BelevUleWasher
Slide Shoe
29

SEARS CRAFTSMAN 9.0 H.P. SNOW THROWER MODEL 247.888520
43\
23 _1
I9
NOTE: For painted parts, please refer to the list of
color codes below. Please add the applicable color
code, wherever needed, to the part number to order a
replacement part. For instance, ifa part, numbered
I.,
700-xxxx, =spa=nted polo green, the part number to
order wouldbe 700-xxxx-0689.
Polo Green: 0689
IPowder Black: 0637
54
926
4\
55
31
7\
14
5\
11
47
14
42
48
11
\36
49
43
27
52
50 10
f \
7 15 \
Drive C_utch Cable_ _
routed below axle
and hooked here
11
3O

SEARS CRAFTSMAN 9.0 H.P, SNOW THROWER MODEL 247.888520
Key. No
1.
2.
3.
4.
5.
6,
7.
8.
9.
10.
11.
12.
13.
14.
15.
16.
17.
18.
19,
20.
21,
23
24,
25,
26,
27,
28,
Part No. Description
618-0043
618-0044
618-0303A
656-0012A
684-0014B
684-0042B
_684-0130
684-0131
710-0599
710-0768
710-1652
711-1267
711-1268
711-1364
712-0711
712-3017
713-0233
713-0374
713-0413
713-0472
714-0104
714-0474
716-0102
721-0263
732-0209
732-O264
736-0105
Dogg Assembly: RH
Dogg Assembly: LH
Shift Assembly: Steerable Drive
Friction Wheel Disc Assy.
Shift Rod Assembly
Bearing
Transmission Frame Assembly
Support Bracket Assembly
Hex Washer Hd. TT Screw 1/4-20 x
0.5"
Hex Washer Hd. TT Screw 1/4-20 x
1.0"
Hex Washer Hd, TT Screw 1/4-20 x
.625"
Drive Shaft
Actuator Shaft
Pin
Jam Nut 3/8-24 Gr.8
Hex Nut: 3/8-16
;hain
;hain
3rocket: 10T
Sprocket
;otter Pin
;otter Pin
;nap Ring
Adhesive: Loctite
Extension Spring
Extension Spring
Be I Washer
Key. No
29.
30.
31.
32.
33.
34.
35,
36.
37.
38.
39.
40.
41.
42,
43.
44.
45,
46.
47.
48.
49.
50.
51.
52.
53.
54.
55.
56.
57.
56,
Part No. Description
736-0160
736-0169
736-0188
736-0351
736-O626
737-0170
737-3007
738-0924
741-0597
741-0598
i
1741-0600
_741-0701
746-0897
746-0898
746-0956
748-0190
750-1161
750-1162
756-0625
784-5590
784-5687
784-5689A
784-5730
784-5732
784-5733
710-1233
712-0127
725-0157
746-0950
714-0104
Flat Washer
Lock Washer
Flat Washer
Flat Washer
Fiat Washer
Lubricant: 6 in !
Grease
Shoulder Screw
Hex Flange Bearing
Hex Flange Bearing
Ball Bearing
Flange Bushing
Auger Clutch Cable
Drive Clutch Cable
Steering Cable
Spacer
Support Tube: Axle
Spacer
Roller Cable
Shift Bracket
Auger Clutch Cable Guide Bracket
Front Support Guide Bracket
Retaining Shaft: Actuator Drive
Frame Cover
Roller Bracket: Drive Cable
Oval C-Sunk Machine screw
Weld Nut
Cable Tie (not shown)
TurnTrigger
Cotter Pin
31

SEARS CRAFTSMAN 9.0 H.P, SNOW THROWER MODEL 247.888520
63
k
64
61
71--_
\
49--_,..
62
44
3O
13 39
\
__ 38 /
52
33 27
43
58
45
2
75
58 61 22
\ 21
78
_7
62
18
51
18 27
3
67
61 64
NOTE: For painted parts, please refer to the list of
color codes below. Please add the applicable color
code, wherever needed, to the part number to order a
replacement part. For instance, if apart, numbered 700-
xxxx, is painted polo green, the part number to order
would be 700-xxxx-0689.
Polo Green: 0689
Powder Black: 0637
32

SEARS CRAFTSMAN 9.0 H.P. SNOW THROWER
Key
No,
1
2
3
4
5
6
7
8
9
10
11
12
13
14
15
16
17
18
19
20
21
22
23
24
25
26
27
28
29
30
31
32
33
34
35
36
37
38
39
Pa_ No.
629-0058
684-0008A-
0637
684-0053
684-0066
684-0102
684-0111
684-0112
710-0262
710-0442
710-0451
710-0459
710-0599
710-0896
710-1003
711-0653
712-0116
712-0415
712-0429
712-3010
714-0507
715-0138
720-0201A
720-0300
725-1300
726-0100
731-1300A
731-1313S
731-1317
731-1320
731-1773A
732-0145
732-0193
732-0705
732-0746
735-0199A
736-0105
736-0119
736-0159
736-0506
Description
Harness for Headlight
Shift Arm Assembly
Chute Crank Assembly
Hardware Pack*
Handle Panel Assembly w/Tilt
Handle Assembly Engagement
(L.H.)
Handle Assembly Engagement
(R.H.)
Carriage Bolt 5/16-18 x 1.50
Hex Bolt 5/16-18 x 1.5
Carriage Bolt 5/16-18 x.75
Hex Screw 3/8-24 x 1.5
Hex Washer Hd. TT Screw
1/4-20 x 0.5"
Hex AB Tap Screw 1/4 x .62
HexB-TappStraw# 10-16x .62
Clevis Pin
Hex Ins. Lock Nut 3/8-24
Self Threading Nut
Lock Nut 5/16-18
Hex Nut
Cotter Pin
Roll Pin
Chute Crank Knob
Shift Knob
Headlight
Push Cap
Lower Chute
Cable Guide
Headlight Bezel
Upper Chute
Handle Panel
Compression Spring
Compression Spring
Cable Control Wire
Torsion Spring
Rubber Bumper
Bell Washer .380 x .880 x .062
Lock Washer 5/16 I.D.
Washer 5/6 I.D.
Special Washer
Key
No.
4O
41
43
44
45
46
47
48
49
5O
51
52
53
54
55
56
57
58
59
60
61
62
63
64
65
66
67
68
69
70
71
72
73
74
75
76
77
78
79
8O
MODEL 247.888520
Part No. Description
736-0509
737-0133
746-0896
746-0901
747-0798A
747-0877
748-0362
748-0363
749-0908A
749-0909
784-5594
784-5604
784-5619A
784-5679
784-5680
784-5681
784-5682
712-3010
712-3027
712-0287
736-0119
784-5599
710-3180
710-3008
736-0275
736-0185
714-0104
731-0851A
710-3015
711-0677
710-0262
746-0778
712-0121
705-5266
736-0242
714-0101
750-0785
747-0737
736-0270
715-0138
Special Washer
Grease
Chute Deflector Control Cable
Chute Deflector Cable
w/Clip
Shift Rod
Cam Rod
Cam Handle Lock
Pawl Handle lock
Right Handle
Left Handle
Cable Bracket
Chute Tilt Handle
Shift Handle
HandleSupportBracket(LH.) 5/8
HandleSupportBracket(R.H.)5/8
HandleSupportBracket(L.H.)3t8
HandleSupportBracket(R,H.)3/8
Hex Nut 5/16-18 Thd,
HexFlangeLockedNut1/4-20Thd.
Hex Nut 1/4-20
Lock Washer 5/16
Handle Tab
Hex Bolt 5/16-18 x 1.75 Gr.5
Hex Bolt
Flat Washer 5/16
Flat Washer 3/8 x .738 x .063
Hairpin Clip
Chute Flange Keeper
Hex Bolt 1/4-20 x 0.75" Gr.5
Ferrule
Carriage Bolt 5/16-18 x 1.50
Z Fitting
Hex Nut # 10-24
Chute Crank Reinforcement
Bracket
Cupped Washer ,340 I.D. x .8720.D.
Hairpin Clip
Spacer
Upper Chute Crank
Bell Washer
Roll Pin
• Includes references 58 through 75
33

SEARS CRAFTSMAN 9.0 H.P. SNOW THROWER MODEL 247.888520
Key. No. Part No. Description
1, 712-0324 Hex Lock Nut: 1/4-20
2. 732-0705 Cable Guide
3, -- !Craftsman Engine
model 143.999005
Key,No. Part No. Description
1. 734-1709 Wheel Assembly: 16.5 x 4.8 steerable
2. 738-0994 Axle: 0,75" dia. x 12,201" Lg.
3, 714-0143 Klick Pin
34

SEARS CRAFTSMAN 9.0 H.P. SNOW THROWER
MODEL 247.888520
IMPORTANT: For a properly working machine, use Factory ApprovedParts.
V-Belts are specially designed to engage and disengage safely. Asubstitute
(non-OEM) V-Belt can be dangerous by not disengaging completely
NOTE: For painted parts, please refer to the list of color codes below.
Please add the applicable colorcode, wherever needed, tothe part number
to order a replacement part. For instance,if a part, numbered 700-xxxx, is
painted pologreen, the part number to order would be 700-xxxx-0689.
Polo Green: 0689
Powder Black: 0637
13
5\
21
14
21 23
23
26
'\
20
25
\22
16
311
3 1
17
\_19 24
Ref. No.
1,
2.
3.
4.
5.
6.
7,
8.
9.
10.
11.
12.
Part No.
05896A
710-0230
710-0627
710-0654A
710-0696
710-1245
710-1652
710-3005
712-0181
731-1324
732-0710
736-0242
Description Ref. No
Idler Bracket 13.
Hex Bolt 1/4-28 x 0.5" Gr.5 14.
Hex Screw w/patch: 5/16-24 x 0.75" 15.
Hex Washer HeaciTT Sems Screw 16.
Hex Bolt 3/8-24 x .875" Gr.8 17.
Hex Screw w/Patch: 5/16-24 x .875" 18.
Gr.5 19.
Hex Washer Head "FF 20.
Hex Screw: 3/8-16 x 1.0" 21.
Top Lock Jam Nut: 3/8-16 22.
Belt Cover 23.
Extension Spring 24.
Bellevile Washer 25.
26.
Part No.
736-0247
736-0270
736-0331
736-0505
737-3007
748-0234
748-0360
754-0346
754-0430A
756-0313
756-0569
756-0967
756-0986
756-0987
Description
Flat Washer
Bell Washer '
Bell Washer
Flat Washer
Grease
Shoulder Spacer
Adapter Pulley
V-Belt
Belt
Flat Idler
Pulley Half
Auger Pulley
Pulley Half
Pulley Half
35

Craftsman Engine Model No. 143.999005 for Craftsman
Snow Thrower Model 247.888520
18
-40
,308
87
70 69
30
lOl
\
185.
178
335,
173
"276
183 277
219
338_ , 220
329 /_
370G 328 [_370H
25 26
100
323
/
282
315
370C
,)
f
J
900
36

Craftsman Engine Model No. 143.999005 for Craftsman
Snow Thrower Model 247.888520
Key
No.
1
2
3
4
5
15
15A
15B
16
17
18
19
20
25
26
28
30
35
36
37
38
40
40
41
41
42
42
43
45
47
48
49
5O
60
65
69
7O
71
75
76
8O
81
82
83
84
86
87
89
9O
92
Part
No.
35385
27652
650820
m
30969
30699C
3O7OO
65O494
33454
29916
651028
34663
35319
36460
650561
30322
35980A
29826
29918
29216
29642
40011
40012
40009
40010
40013
40014
27888
36897
651033
34034
36896
36655
33273A
650128
35262A
35445A
35377
35319
28926
31845
30590A
35378
30588A
29193
650833
650832
32589
611093
650880
Key
Description Qty. No.
Cylinder
Dowel Pin
Screw
Oil Drain Extension
Extension Cap
Governor Rod
Governor Yoke
Screw
Governor Lever
Governor Lever Clamp
Screw, Torx
Speed Control Spring
Oil Seal
Blower Housing Baffle
Screw
Lock Nut
Crankshaft
Screw
Lock Washer
Lock Nut
Retaining Ring
Piston, Pin & Ring Set (Std.)
Piston, Pin & Ring Set (.010" O
Piston, & Pin Ass'y.(Std.)
Piston, & Pin Ass'y.(.010" OS)
Ring Set (Std.)
Ring Set (.010" OS)
Piston Pin Retaining Ring
Connecting Rod Ass'y.
Connecting Rod Bolt
Valve Lifter
Oil Dipper
Camshaft (MCR)
Blower Housing Extension
Screw
Cylinder Cover Gasket
Cylinder Cover
Crankshaft Bushing
Oil seal
Camshaft Seal
Governor Shaft
Washer
Governor Gear Asss'y.
Governor Spool
Retaining Ring
Screw
Screw
Flywheel Key
Flywheel (W/Ring Gear)
Belleville Washer
1
2
2
1
1
1
1
1
1
1
1
1
1
1
2
1
1
1
1
1
1
1
3) 1
1
1
1
1
2
1
2
2
1
1
1
1
1
1
1
1
1
1
1
1
1
1
7
1
1
1
1
Pa_
No.
93 650881
100 35135
101 610118
102 651024
103 651007
110 35187
110A 37047
119 36448
120 36449
125 27878A
125 27880A
126 34035
126 34036
127 650691
130 6021A
130A 650727
130B 650727
135 35395
139 33369
140 650836
149 27882
149A 35862
150 27881
151 32581
169 27896A
170 28423
171 28424
172 28425
173 35350
174 650128
178 29752
182 30088A
183 34587A
184 33263
185 33877
186 34667
186B 36652
200 34677
203 31342
204 651029
206 610973
207 33878
209 650821
215 35440
219 34586
220 35438
222 28820
223 650378
224 27915A
Description
Flywheel Nut
Solid State Ignition
Spark Plug Cover
Solid State Mounting Stud
Screw, Torx
Ground Wire
Ground Wire
Cylinder Head Gasket
Cylinder Head
Exhaust Valve (Std.)
Exhaust Valve (1/32" Os)
Intake Valve(Std.)
Intake Valve (1/32" Os)
Washer
Screw
Screw
Screw
Resistor Spark Plug
Governor Gear Bracket
Screw
Valve Spring Cap
Valve Spring Cap
Valve Spring
Valve Spring Keeper
Valve Cover Gasket
Breather Body
Breather Element
Valve Cover
Breather Tube
Screw
Nut & Lock Washer
Screw
Choke Bracket
Carburetor to intal_e
pipe gasket
Intake Pipe
Governor Link
Choke Spring
Control Bracket
Compression Spring
Torx. Screw
Terminal
Throttle Link
Screw
Control Knob
Choke Rod
Choke Knob
Screw
Screw, Torx
Intake Pipe Gasket
Qty.
1
1
1
2
2
1
1
1
1
1
1
1
1
2
7
2
2
1
1
2
1
1
2
2
1
1
1
1
1
2
2
2
1
1
1
1
1
1
1
1
1
1
2
1
1
1
2
2
1
37 Table continued on next page

Craftsman Engine Model No. 143.999005 for Craftsman
Snow Thrower Model 247,888520
Table continued from previous page
Key
NO.
260
261
262
264A
265
275
276
277
281
282
285
287
290
292
298
3O0
301
305
307
3O8
310
314
315
323B
325
Part
No.
35447A
650788
29747B
650802
33272B
35056
31588
651002
33013
650760
35985B
29752
30705
26460
650665
34156A
35355
35554
35499
35540
36205
650873
611111
611118
29443
Key Pa_
Description Qty. No. No.
Blower Housing
Screw
Screw, Torx
Screw
Cylinder Head Cover
Muffler
Locking Plate
Screw
Starter Bubble Cover
Screw
Starter Cup
Nut & Lock Washer
Fuel Line
Fuel Line Clamp
Screw
Fuel Tank
Fuel Cap
Oil Fill Tube
"O" Ring
Fill Tube Clip
Dipstick
Screw
Alternator Coil
Terminal
Wire Clip
1 327 35392
2 328 35593
2 329 610973
1 335 35057A
1 336 650765
1 338 28942
1 340 34154
2 341 34155
1 342 650561
1 343 35079
1 350 570682
4 351 32180C
1 355 590574
4 364 33377
2 365 650767
1 370C 36501
1 370H 35077
1 3701 35878
1 380 640052
1 390 590749
1 396 37000
1 400 36450A
1 900 --
I 900 --
1
Description
Starter Plug
Ignition Key
Terminal
Carburetor Cover
Screw
Screw
Fuel Tank Bracket
Fuel Tank Bracket
Screw
Key Switch Bracket
Primer Bulb
Primer Line
Starter Handle
Carburetor Cover Bracket
Screw
Primer Decal
Choke Decal
Warning Decal
Carburetor
Rewind Starter
Electric Starter Motor
Gasket Set
Replacement Engine--none
Replacement Short Block 75
Order from 71-999
Qty,
1
2
1
1
1
2
1
1
1
1
1
1
1
1
2
1
1
1
1
1
1
1
0
_325
Recoil Starter
12
--11
-Key Ps_
No, No,
0 590733
1 590599A
2 590600
3 59O696
4 590601
5 590697
6 590698
7 590699
8 590709
11 590734
12 590535
13 590574
Description
Rewind Starter
Spring Pin (Incl. 4)
Washer
Retainer
Washer
Brake Spring
Starter Dog
Dog Spring
Pulley & Rewind Spring Ass'y.
Starter Housing Ass'y.
Starter Rope (Length 98" x
9/64" Dia,)
Mitten Grip Handle (Not
Included With Starter)
Qty.
1
1
1
1
1
1
2
2
1
1
38

Craftsman Engine Model No. 143.999005 for Craftsman
Snow Thrower Model 247.888520
CARBURETOR
_'37
1_36
IJb_,37
I
t3l
33
25
6
7
10
14
15
16
17
18
20
20A
25
27
28
29
30
31
32
33
36
37
40
44
47
48
Part
No. Description Qty,
640052
631776A
631970
631778
650506
632112
632174
630735
632164
650417
630766
640016
640053
631951
631024
632019
631028
631021
631022
27136A
27554
640005
632547
640055
27110
630748
631027
Carburetor (Incl. 184 of
Engine Parts List) 1
Throttle Shaft & Lever Ass'y 1
Throttle Return Spring 1
Throttle Shutter 1
Shutter Screw 2
Choke Shaft & Lever Ass'y. 1
Choke Shutter 1
Choke Positioning Spring 1
Fuel Fitting 1
Throttle Crack Screw/Idle
Speed Screw 1
Tension Spring 1
Idle Restrictor Screw 1
Idle Restrictor Screw Cap
Float Bowl Ass'y. (Incl. 32 &
33) 1
Float Shaft 1
Float 1
Float Bowl "O" Ring 1
Inlet Needle, Seat & Clip
(Incl. 31 ) 1
Spring Clip 1
Bowl Drain Ass'y. 1
Drain Plunger Gasket 1
Main Nozzle Tube 1
O Ring 2
High Speed Bowl Nut 1
Bowl Nut Washer 1
Welch Plug, Idle Mixture We 1
Welch Plug, Atmospheric
Vent 1
39

Forthe repairor replacementpartsyouneed
delivereddirectlyto yourhome
Call7 am - 7 pm, 7 daysa week
1-800-366-PART
(1-800-366-7278)
Forin-homemajorbrandrepairservice
Call24 hoursa day,7 daysa week
1-8OO-4-REPAIR
(1-800-473-7247)
Forthelocationofa
SearsPartsandRepairCenterinyourarea
Call24 hours a day,7 days a week
For information on purchasinga Sears
Maintenance Agreementor to inquire
about an existing Agreement
call 9 am - 5 pm, Monday-Saturday
1-800-827-6655
S£ARS
America's Repair Specialists