Craftsman 315175070 User Manual ELECTRONIC PLUNGE ROUTER Manuals And Guides L0090086
CRAFTSMAN Router Manual L0090086 CRAFTSMAN Router Owner's Manual, CRAFTSMAN Router installation guides
User Manual: Craftsman 315175070 315175070 CRAFTSMAN ELECTRONIC PLUNGE ROUTER - Manuals and Guides View the owners manual for your CRAFTSMAN ELECTRONIC PLUNGE ROUTER #315175070. Home:Tool Parts:Craftsman Parts:Craftsman ELECTRONIC PLUNGE ROUTER Manual
Open the PDF directly: View PDF
.
Page Count: 24

Owner's Manual
ELECTRONIC PLUNGE ROUTER
Double Insulated
Model No.
315.175070
Save this manual for
future reference
•ILCAUTION: Read and follow
all Safety Rules and Operating
Instructions before first use of
this product.
Customer Help Line: 1-800-932-3188
Sears, Roebuck and Co., Hoffman Estates, IL 60179 USA
Visit the Craftsman web page: www.sears.com/craftsman
972000-418
8-00
• Safety
•Features
•Adjustments
• Operation
•Maintenance
•Parts List
®

• Table of Contents ........................................................................................................................................... 2
•Warranty ......................................................................................................................................................... 2
•Introduction ..................................................................................................................................................... 2
•Rules for Safe Operation ............................................................................................................................. 3-5
•Product Specifications .................................................................................................................................... 5
•Unpacking ....................................................................................................................................................... 5
•Accessories .................................................................................................................................................... 5
•Features ...................................................................................................................................................... 6-8
•Adjustments ............................................................................................................................................... 9-13
•Operation ................................................................................................................................................. 14-19
•Maintenance ............................................................................................................................................ 20-21
•Exploded View and Repair Parts List...................................................................................................... 22-23
•Parts Ordering /Service ............................................................................................................................... 24
FULL ONE YEAR WARRANTY ON CRAFTSMAN PLUNGE ROUTER
If this CRAFTSMAN Plunge Router fails to give complete satisfaction within one year from the date of purchase,
RETURN IT TO THE NEAREST SEARS STORE OR SEARS SERVICE CENTER IN THE UNITED STATES, _:
and Sears will repair it, free of charge.
If this rRIII=lr._MRN Plunge Router is used for commercial or rental purposes, this warranty applies for only 90
days from the date of purchase ......
This warranty gives you specific legal rights, and you may also have other rights which vary from state to state.
Sears, Roebuck and Co., Dept. 817WA, Hoffman Estates, IL 60179
Your plunge router has many features for making
routing operations more pleasant and enjoyable.
Safety, performance and dependability have been
given top priority in the design of this router making it
easy to maintain and operate.
_. CAUTION: Carefully read through this entire
owner's manual before using your new plunge
router. Pay close attention to the Rules for Safe
Operation, Warnings and Cautions. If you use
your plunge router propedy and only for what it is
intended, you will enjoy years of safe, reliable
service.
_1= Look for this symbol to point out important safety precautions. It means attention!H Your
safety is involved.
_I_ WARNING:
The operation of any plunge router can result in foreign objects being thrown into your eyes,
which can result in severe eye damage. Before beginning power tool operation, always wear
safety goggles or safety glasses with side shields and a full face shield when needed. We
recommend Wide Vision Safety Mask for use over eyeglasses or standard safety glasses
with side shields, available at Sears Retail Stores.

Thepurposeof safetysymbolsis to attractyourattentionto possibledangers.Thesafetysymbols,and
the explanationswiththem,deserveyourcarefulattentionandunderstanding.Thesafetywarningsdo
notbythemselveseliminateanydanger.Theinstructionsorwarningstheygiveare not substitutes for
proper accident prevention measures.
SYMBOL MEANING
&SAFETY ALERT SYMBOL:
Indicates caution or warning. May be used in conjunction with other symbols or pictographs.
&DANGER: Failure to obey a safety waming will result in serious injury to yourself or to others.
Always follow the safety precautions to reduce the risk of fire, electric shook and personal injury.
AWARNING: Failure to obey a safety warning can result in serious injury to yourself or to others.
Always follow the safety precautions to reduce the risk of fire, electric shook and personal injury.
ACAUTION: Failure to obey a safety warning may result in property damage or personal injury to
yourself or to others. Always follow the safety precautions to reduce the risk of fire, electric shook
and personal injury.
NOTE: Advises you of information or instructions vital to the operation or maintenance of the equipment.
DOUBLE INSULATION
Double insulation is a concept in safety, in electric
power tools, which eliminates the need for the usual
three-wire grounded power cord. All exposed metal
parts are isolated from internal metal motor
components with protecting insulation. Double
insulated tools do not need to be grounded.
A WARNING: Do not attempt to operate this tool
until you have read thoroughly and understand
completely all instructions, safety rules, etc.
contained in this manual. Failure to comply can
result in accidents involving fire, electric shook,
or eedous personal injury. Save owner's manual
and review frequently for continuing safe
operation, and instructing others who may use
this tool.
READ ALL INSTRUCTIONS
KNOW YOUR POWER TOOL. Read owner's
manual carefully. Leam its applications and
limitations as well as the specific potential
hazards related to this tool.
GUARD AGAINST ELECTRICAL SHOCK by
preventing body contact with grounded surfaces.
For example; pipes, radiators, ranges, refrigera-
tor enclosures.
KEEP GUARDS IN PLACE and in working
order.
KEEP WORK AREA CLEAN. Cluttered areas
and benches invite accidents.
AVOID DANGEROUS ENVIRONMENT. Do
not use power tools in damp or wet locations or
IMPORTANT
Servicing of a tool with double insulation requires
extreme care and knowledge of the system and
should be performed only by a qualified service
technician. For service we suggest you return the tool
to your nearest Sears Store for repair. Always use
original factory replacement parts when servicing.
3
m
expose to rain. Keep work area well lit.
KEEP CHILDREN AND VISITORS AWAY. All
visitors should wear safety glasses and be kept s
safe distance from work area. Do not let visitors
contact tool or extension cord.
m STORE IDLE TOOLS. When not in use, tools
should be stored in a dry and high or locked-up
place - out of the reach of children.
•DO NOT FORCE TOOL. It will do the job better
and safer at the rate for which it was designed.
•USE RIGHT TOOL. Do not force small tool or
attachment to do the job of a heavy duty tool.
Don't use tool for purpose not intended -- for
example -- a circular saw should never be used
for cutting tree limbs or logs.
U WEAR PROPER APPAREL. Do not wear loose
clothing or jewelry that can get caught in tool's
moving parts and cause personal injury. Rubber
gloves and nonskid footwear are recommended
when working outdoors. Wear protective hair
covering to contain long hair and keep it from
being drawn into nearby air vents.
BALWAYS WEAR SAFETY GLASSES. Everyday
eyeglasses have only impact-resistant lenses;
they are not safety glasses.

RULES FOR SAFE OPERATION (Continued)
MPROTECT YOUR LUNGS. Wear a face or dust
mask if the operation is dusty.
MPROTECT YOUR HEARING. Wear heating
protection during extended pedods of operation.
=DO NOT ABUSE CORD. Never carry tool by
cord or yank it to disconnect from receptacle.
Keep cord from heat, oil, and sharp edges.
=SECURE WORK. Use clamps or a vise to hold
work. It is safer than using your hand and it frees
both hands to operate tool.
nDO NOT OVERREACH. Keep proper footing and
balance at all times. Do not use on a ladder or
unstable support. Secure tools when working at
elevated positions.
=MAINTAIN TOOLS WITH CARE. Keep tools
sharp and clean for best and safest performance.
Follow instructions for lubricating and changing
accessories.
BDISCONNECT TOOLS. When not in use, before
servicing, or when changing attachments, tools
should be disconnected from power supply.
•REMOVE ADJUSTING KEYS AND
WRENCHES. Form habit of checking to see that
keys and adjusting wrenches are removed from
tool before turning it on.
•AVOID ACCIDENTAL STARTING. Do not carry
plugged-in tool with finger on switch. Be sure
switch is off when plugging in.
nMAKE SURE YOUR EXTENSION CORD IS IN
GOOD CONDITION. When using an extension
cord, be sure to use one heavy enough to carry
the current your product will draw. An undersized
cord will cause a drop in line voltage resulting in
loss of power and overheating. A wire gage size
(A.W.G.) of at least 12 is recommended for an
extension cord 50 feet or less in length. A cord
exceeding 100 feet is not recommended. If in
doubt, use the next heavier gage. The smaller
the gage number, the heavier the cord.
nOUTDOOR USE EXTENSION CORDS. When
tool is used outdoors, use only extension cords
suitable for use outdoors. Outdoor approved
cords are marked with the suffix W-A, for
example - SJTW-A or SJOW-A.
MKEEP CUTTERS CLEAN AND SHARP. Sharp
cutters minimize stalling and kickback.
MKEEP HANDS AWAY FROM ROUTING AREA.
Keep hands away from cutters. Do not reach
underneath work while cutter is rotating.Do not
attempt to remove material while cutter is rotating.
m NEVER USE IN AN EXPLOSIVE
ATMOSPHERE. Normal sparking of the motor
could ignite fumes.
•INSPECT TOOL CORDS PERIODICALLY and if
damaged, have repaired at your nearest Sears
Repair Center. Stay constantly aware of cord
location.
BINSPECT EXTENSION CORDS
PERIODICALLY and replace if damaged.
nKEEP HANDLES DRY, CLEAN, AND FREE
FROM OIL AND GREASE. Always use a clean
cloth when cleaning. Never use brake fluids,
gasoline, petroleum-based products, or any
strong solvents to clean your tool.
BSTAY ALERT AND EXERCISE CONTROL.
Watch what you are doing and use common
sense. Do not operate tool when you are tired.
Do not rush.
M
m
BCHECK DAMAGED PARTS. Before further use
of the tool, a guard or other part that is damaged
should be carefully checked to determine that it
will operate properly and perform its intended
function. Check for alignment of moving parts,
binding of moving parts, breakage of parts,
mounting and any other conditions that may
affect its operation. Aguard or other part that is
damaged should be properly repaired or re-
placed by an authorized service center.
BDO NOT USE TOOL IF SWITCH DOES NOT
TURN IT ON AND OFF. Have defective switches
replaced by an authorized service center.
BINSPECT FOR and remove all nails from lumber
before routing.
nDO NOT operate this tool while under the
influence of drugs, alcohol, or any medication.
BPOLARIZED PLUGS. To reduce the risk of
electric shock, this tool has apolarized plug (one
blade is wider than the other), This plug will fit in
a polarized outlet only one way. If the plug does
not fit fully in the outlet, reverse the plug. If it still
does not fit, contact a qualified electrician to
install the proper outlet. Do not change the plug
in any way.
WHEN SERVICING USE ONLY IDENTICAL
CRAFTSMAN REPLACEMENT PARTS.
m
m
WHEN USING THIS ROUTER WITH A
ROUTER TABLE, HELP PREVENT POSSIBLE
SERIOUS INJURY BY KEEPING THE CUTTER
GUARDED AT ALL TIMES. Use only router
tables, with guards, that have been designed for
use on routers that are of this type, size, and
weight.
DO NOT USE TOOL UNDER "BROWN-OUT"
OR OTHER LOW VOLTAGE CONDITIONS.
Also, do not use with any device that could
cause the power supply voltage to change.
SAVE THESE INSTRUCTIONS. Refer to them
frequently and use them to instruct others who
may use this tool. If you loan someone this tool,
loan them these instructions also.
4

AWARNING: Some dust created by power sanding, sawing, grinding, drilling, and other construction
activities contains chemicals known to cause cancer, birth defects or other reproductive harm. Some
examples of these chemicals are:
•lead from lead-based paints,
•crystalline silica from bricks and cement and other masonry products, and
•arsenic and chromium from chemically-treated lumber.
Your risk from these exposures varies, depending on how often you do this type of work. To reduce
your exposure to these chemicals: work in a well ventilated area, and work with approved safety
equipment, such as those dust masks that are specially designed to filter out microscopic particles.
SAVETHESEINSTRUCTIONS
Plunge Depth 0-2 in.
Maximum Cutter Diameter 2-3/8 in.
Collet 1/4 in.
Horsepower 1-3/4
Rating 120 volts, 60 Hz AC only, 9.0 amperes
No Load Speed 15,000 - 25,000 RPM
Power Cord 10 ft.
Net Weight 8.1 Ib,
Your plunge router has been shipped completely
assembled and ready for use. Inspect it carefully to
make sure no breakage or damage has occurred
during shipping. If any parts are damaged
or missing, contact your nearest Sears Retail Store
to obtain replacement parts before attempting to
operate router.
The only loose parts included in the box are a 9/16 in.
wrench and owner's manual.
_1, WARNING: If any parts are missing, do not
operate this tool until the missing parts are
replaced. Failure to do so could result in possible
serious personal injury.
"-" THE FOLLOWING ACCESSORIES ARE CURRENTLY AVAILABLE AT SEARS RETAIL STORES
Dovetail Template Multi-Purpose Router Guide
Box Joint Template Rout -A -Form Pantograph
Butt Hinge Template Sharpening Kit
COMBI- VEINING COREBOX
NATION BIT BIT
PANEL
CUTrER ! ,
lV-GROOVE
CHAMFER
!
STRAIGHT
FACE
BIT
[
L!
COMB-
INATION
STRAIGHT
BEVEL
CUTTER
fI
HINGE
_IORTISING
BIT
DOVETAILRABBET OGEE, COVE
CUTTER BIT :IOMANO BIT,
BITS 45°
CHAMFER
BIT
J *CARBIDETIPPEDBITS I
*25895FORCARBIDETIPPEDEDGEFORMINGBITS
2589FORHIGHSPEEDSTEELEDGEFORMINGBITS
AWARNING: The use of attachments or accessories not listed above might be hazardous.
5
BEAD ARBOR
QUARTER- 2598
ROUND !
BITS
¢
wrrH2
BALL
3EARING$
(1/2IN.&
HUN,)
I

KNOW YOUR PLUNGE ROUTER
See Figures I and 2.
Before attempting to use any tool, familiarize yourself
with all operating features and safety requirements.
Your router isaversatile woodworking tool which willgive
you years of trouble-free performance. It is engineered
with the professional in mind, but its ease of operation
allows the amateur to produce work which is beautiful
and precise.
As the name implies your router can be used for making
plunge cuts inworkpieces, routinggrooves, edge routing,
routing circles, and freehand routing. When used with
recommended accessories, such as a router table, edge
guide, and circle cutting attachment; it becomes even
more versatile. Various types of cutters, both with and
without roller bearings as guides also add to the versatility
of this tool.
FRONTVIEWOFROUTER
SPINDLELOCK
HANDLE
SCALE
ONCHANDMETRIC) LOCK-ON
BUTTON
SWITCH
HANDLE
ZERORESET
PLUNGE
RELEASE
LOCK
LOCK
KNOB BAR
ACCU-STOPTM
MICRO-ADJUETABLE
DEPTHSTOP
CHIPSHIELD
VARIABLESPEED
CONTROLSELECTOR
EACH g0° ROTATIONOF
DEPTH STOP KNOB
EQUALS1/641N. CHANGE
IN DEPTHOFCUT
6
EACH COMPLETEROTATION(360°)
OFDEPTHSTOPKNOBEQUALS1/16
IN. CHANGEIN DEPTHOF CUT
WRENCH
Fig. 1

HEAVY DUTY MOTOR
Your muter has apowerful 9 amp motor with sufficient
power to handle tough muting jobs. It delivers 1-3/4
horsepower for heavy duty performance. The motor
also has extemally accessible brushes for ease of
servicing.
SWITCH
To turn your router ON, depress the switch trigger.
Release switch trigger to tum your router OFF.
LOCK-ON FEATURE
Your muter is equipped with a "lock-on = feature that is
convenient when continuous operation for extended
periods of time is required. To lock on, depress the
trigger, push in the "lock-on" button located on the
side of the handle, then while holding the "lock-on"
button pushed in, release the trigger. To release the
lock, depress the trigger and release. See Figure 2.
REARVIEWOFROUTER
POWERCORD
LOCK-ON PLUNGE
BuI"rON LOCKRELEASE
SWITCHTRIGGER
SWRCHHANDLE
ROUTERBASE
STOPFLANGE
COLLETNUT HEXNUT(S)
SUBBASE Fig. 2
_1= WARNING: Do notallow familiarity with your router to make you careless, Remember that acareless fraction
of a second is sufficient to inflict severe injury,
7

ACCU-STOP TM MICRO-ADJUSTABLE
DEPTH STOP SYSTEM
The Accu-Stop TM Micro-Adjustable depth stop located
on the base of your router provides precise stops for
repetitive depth of cut changes. A depth adjustment
scale makes quick adjustments to depth of cut
changes possible.
CHIP SHIELD
A clear plastic see-through chip shield has been
provided on the base of your router for protection
against flying dust and chips. It is designed to fit the
front opening of the router base. For your protection,
do not use router without chip shield properly in
place.
SPINDLE LOCK
A spindle lock secures the spindle so that only one
wrench is needed to loosen collet nut and change
cutters. It also leaves both hands free for changing
cutters.
Note; Your router will not run if spindle is locked.
APPLICATIONS
(Use only for the purposes listed below)
• Routing grooves, shaping edges, freehand
designs, etc. in wood.
•Chamfedng, rabbeting, dadoing, and dovetailing in
wood are additional applications.
•Routing edges on laminates.
,_ WARNING: Do not use cutters that are larger in
diameter than the opening in the router base.
VARIABLE SPEED SWITCH WITH
ELECTRONIC SPEED CONTROL
(Feedback Switch)
Your router has advanced electronic features,
designed to assist you in getting the maximum use
from your router. By making proper speed selections,
your router can be adjusted to specific routing needs.
This eliminates much of the guess work previously
needed to perform agiven job. Both the experienced
and inexperienced router users benefit, obtaining
professional-like results with fewer job errors.
The variable speed control allows the router to
develop a no load speed that can be adjusted from
15,000 to 25,000 RPM. The variable speed control
selector is conveniently located on the side of the dght
handle.
The electronic feature of your router introduces the
flexibility of adjusting the motor speed to required job
conditions. An electronic speed control module
senses the load applied to the motor, and increases
or decreases motor voltage to compensate for and
maintain desired RPM.
Speed can be set according to the approximate cutter
diameter you will be using and to the hardness of the
material being cut. See the chart in figure 11. The
best cuts are made when the cutter is fed through
material at the proper rate of feed.
PLUNGELOCK RELEASE
Your router has a plunge lock release feature that
allows free plunging. This feature is very useful for
table mounted operations on router tables. A plunge
release lock locks out the plunge lock release allowing
smooth, precise plunging action. Once a desired
depth of cut has been reached, simply squeeze and
release the plunge lock release. The cutter will then
be secured at this desired depth of cut.
WARNING: Do not attempt to modify this tool or
create accessories not recommended for use
with this tool. Any such alteration or modification
is misuse and could result in ahaxardous
condition leading to possible sedous personal
injury.
MULTI-POSITION HANDLES
The handles on your router provide for easy handling
and maintaining proper control when routing.
The handles have also been designed so that they
are comfortable and easy to grasp when operating in
different positions or at different angles.
_1= WARNING: Use only router bits for cutters.
Also make sure all router bits and recommended
accessories are in accordance with listed
specifications for this tool. For example, do
not use router bits that are rated at less than
25,000 RPM.
ELECTRICAL CONNECTION
Your plunge router has a precision built electric motor.
It should be connected to a power supply that Is 120
volts, 60 Hz, AC only (normal household current).
Do not operate this tool on direct current (DC). A
substantial voltage drop will cause aloss of power
and the motor will overheat. If your tool does not
operate when plugged into an outlet, double-check
the power supply.
8

WARNING: Your router should never be
nconnected to power supply when you are
assembling parts, making adjustments,
installing or removing cutters, cleaning,
or when not in use. Disconnecting router
will prevent accidental starting that could
cause serious personal injury.
COLLETNUT
INSTALLING/REMOVING CUTTERS
See Figures 3 and 4.
•Unplug your router.
& WARNING: Failure to unplug your router
could result in accidental starting causing
sedous injury.
•Place the spindle lock into lock position.
See Figure 3.
SPINDLE
LOCK
Fig. 3
Note: If spindle does not lock, turn collet nut with
wrench, applying pressure at the same time to the
spindle lock with your thumb or finger. When lock
mechanism engages with notch in spindle, spindle
lock will slide into lock position.
_k WARNING: To prevent damage to the spindle or
spindle lock, do not attempt to engage spindle
lock while motor is running. Always allow motor
to come to a complete stop and unplug it before
engaging spindle lock.
•Place muter upside down on workbench in order to
gain easy access to collet nut.
•Place the wrench provided through back of router
base onto collet nut and turn counterclockwise to
loosen. See Figure 4.
9
TO TIGHTEN ) LOOSEN
COLLETNUT _COLLErNUT
Fig. 4
,_ .WARNING: If you are changing a cutter
ummediately after use, be careful not to touch
cutter or collet with your hands or fingers. They
will get bumed because of the heat buildup from
cutting. Always use the wrench provided.
•If installing cutter for the first time, it can be
installed once collet nut is loose. If changing
cutters, cutter will easily slip from collet after
loosening collet nut.
The collet is machined to precision tolerances to fit
cutters with 1/4 in. diameter shanks.
Insert shank of cutter into collet until shank bottoms
out, then pull it out 1/16 in. to allow for expansion
when the bit gets hot.
•Tighten the collet nut securely by turning clockwise
with the wrench provided. See Figure 4.
_ARNING: If collet nut is not tightened
securely, cutter may come out during use,
causing serious personal injury.
ii Place spindle lock back in unlock position.
Otherwise, interlocking mechanism of spindle lock
will not let you tum your router on.
AWARNING: Do not use cutters with undersized
shanks. Undersized shanks will not tighten
properly and could be thrown from tool causing
injury.
AWARNING: Do not use cutters that are larger in
diameter than the opening in router base
(maximum 2-3/8 in,). Use of such cutters will
come in contact with the router base and damage
both the cutter and router base. This situation
could also cause possible loss of control or create
other hazardous conditions that could cause
possible serious personal injury.

DEPTHOFCUTADJUSTMENTS
See Figures 5, 6 and 7.
When routing a groove that is too deep to safely cut in
one pass, it is best to make the cut in several passes.
We recommend that cuts be made at a depth not
exceeding 1/8 in. and that several passes be made to
reach deeper cuts.
Proper depth of cut depends on several factors:
horsepower of router motor, type of cutter being used,
and type of wood being routed. A lightweight, low
horsepower router is designed for making shallow cuts.
A router with high horsepower rating can safely cut
deeper. Small bits, such as veining bits with 1/16 in.
cutting diameters, are designed to remove only small
amounts of wood. Large bits, such as straight-flute bits,
are made to remove larger amounts of wood in a single
pass. Cuts can be made deeper in soft woods, such as
white pine, than in tough hardwoods, like oak or maple.
Based upon these considerations, choose a depth of
cut that will not place excessive strain on router motor.
If you find that extra force is needed or that the motor
speed slows down considerably, turn off router and
reduce the depth of cut. Then, make the cut in two or
more passes.
TO SET DEPTH OF CUT
•Unplug your router.
_i, WARNING: Failure to unplug your router could
result in accidental starting causing serious injury.
•Raise cutter by depressing plunge lock release.
See Figure 5.
STOP
FLANGE
•Adjust cutter until it is inside router subbase.
See Figures 5 and 6.
PLUNGE
RELEASE
LOCK
MICRO-ADJUSTABLE
DEPTHSTOP
CUTFERINSIDESUBBASE Fig. 6
•Place router on a flat surface.
•Lower router until tip of cutter barely touches flat
surface. See Figure 7.
ZERORESET
INDICATOR
WITHREDUNE
SCALE
HEX
NUT
DEPRESSTO RAISECUITER
PLUNGE
RELEASE
RELEASETO
LOCKcu'n'ER
Fig. 5
LOCK STOP
KNOB BAR TiPOF CUTrER
TOUCHINGWORKPIECE=
ZERODEPTHOFCUT Fig. 7
•Release plunge lock release to lock cutter at "zero"
depth of cut.
Note: If desired, adjust hex nut until it comes in
contact with stop flange, This will provide a positive
stop at "zero" depth of cut.
10

•Rotate depth stop to desired position, loosen lock
knob and adjust stop bar until ittouches depth stop.
•Slide zero-reset indicator up or down the scale on
stop bar until rod line on zero-reset indicator aligns
with a desired reference point. For example, align
rod line with 1 in. mark on the scale.
•Next, lift stop bar to obtain desired depth of cut.
See Figure 7. For example, if setting 1/8 in. depth
of cut, the zero-reset indicator will move 1/8 in. from
the 1 in. reference point.
•Tighten lock knob securely.
•Position your router so that the cutter can extend
below the subbasa for desired depth setting.
•Depress plunge lock release.
•Grasp handles and lower router until stop bar
contacts depth stop. Release plunge lock release,
locking cutter at desired depth of cut. See Figure 7.
OPTIONAL DEPTH CONTROL KNOB
See Figure 8.
OPTIONALDEPTH
CONTROLKNOB
®
REXNUT STOPFLANGE
CUTTEREXTENDEDBELOWSUBBASE Fig. 6
An optional depth control knob is available and may
be purchased for use with your plunge router. We
recommend its use when your router needs require
precise depth of cut adjustments and when router is
mounted upside down on a router table.
Note: The weight of the router plus the awkward
position it is in when mounted to a router table make it
very difficult to set depth of cut simply by turning the
hex nut with a 9/16 in. wrench. Therefore, we
recommend that you purchase and use a depth
control knob for situations mentioned above as well as
other similar situations.
When installed properly, the optional depth control
knob is spring loaded against hex nut. If you adjust it
up too far, it will pop off threaded rod. Refer to
OPTIONAL DEPTH CONTROL KNOB
ADJUSTMENTS in maintenance section for proper
assembly or reassembly,
TO SET DEPTH OF CUT WITH OPTIONAL
DEPTH CONTROL KNOB
•Unplug your router.
_IL WARNING: Failure to unplug your router could
result in accidental starting causing serious
injury.
•Loosen lock knob and adjust stop bar so that it is
not touching depth stop.
•Depress plunge lock release and allow router to
return to it's uppermost position against hex nut.
•Plunge router until cutter reaches the approximate
desired depth of cut. Then release plunge lock
release, temporarily locking cutter at desired depth
of cut.
•Turn depth control knob clockwise until hex nut
seats against stop flange. Do not overtighten hex
nut against stop flange.
•Depress and hold plunge lock release, then
depress plunge release lock. Turn depth control
knob until cutter reaches desired depth of cut.
Always make sure plunge lock Is depressed
and router Is free before setting depth of cut
with depth control knob.
•Squeeze plunge lock release and release, locking
cutter at desired depth of cut. Always make sure
cutter is locked securely In place with plunge
lock before performing any routing operation.
•Loosen lock knob and adjust stop bar until it
touches depth stop.
•Tighten lock knob securely.
ACCU-STOP TM MICRO-ADJUSTABLE
DEPTH STOP SYSTEM
See Figures 9and 10.
The depth stop is located on the base of your router
and makes it possible to make deep or heavy cuts in
successive passes by use of the Accu-Stop TM Micro-
Adjustable Depth Stop System. Alignment marks
make depth of cut changes quick and easy,
A preset cutting depth is achieved by plunging router
until stop bar comes in contact with depth stop. The
micro-adjusting feature provides alignment marks at
each 90 °rotation of the depth stop knob. Each 90°
rotation of the knob changes depth of cut setting 1/64
in. See Figure 9.
11

DEPTH
STOPKNOB
ACCU-,STOPTM
MICRO'ADJUSTABLE
DEPTHSTOP
EACH90°ROTATIONOFDEPTHSTOP
KNOBEQUALS 1/64 IN. CHANGEIN
DEPTHOFCUT
Fig. 9
A complete rotation (360 °) of the depth stop knob
changes the depth of cut setting 1/16 in.
See Figure 10.
The Accu-Stop TM Micro-Adjustable Depth Stop
System provides for depth of cut changes to be made
from 0 to 112in. from the initial setting of the stop bar.
This initial setting of the stop bar can be "zero" depth
of cut, or it can be any depth of cut setting that you
choose as astarting point for a particular job to be
performed.
TO SET DEPTH STOP SETTINGS
•Unplug your router.
_, WARNING: Failure to unplug your router could
result in accidental starting causing serious
injury.
•Loosen lock knob and raise stop bar.
•Rotate depth stop until the highest depth stop is
aligned with the stop bar.
•Raise cutter by depressing plunge lock release.
•Place router on flat surface, and lower router until
tip of cutter barely touches flat surface.
•Release plunge lock release to lock cutter at "zero"
depth of cut.
•Lower stop bar against depth stop, then tighten lock
knob securely. The highest stop now becomes the
"zero" depth of cut setting.
ZERO RESET INDICATOR
See Figure 10.
ZERORESET
INDICATORWITH
REDUNE
SCALE
LOCKKNOB
STOPBAR
EACH COMPLETE ROTATION
_60_ OF DEPTH STOP KNOB
EQUALS 1116IN. CHANGE IN
DEPTHOFCUT
Fig. 10
The zero reset indicator allows you to use the scale
provided on the housing to make quick depth of cut
changes to existing depth of cut settings. Simply
choose areference point on the scale and slide the
zero reset indicator up or down the scale the distance
required for new depth of cut. Then change stop bar
position by loosening lock knob and adjusting stop bar
until red line on zero reset indicator moves back to
reference point. Tighten lock knob securely to lock
stop bar'in new position. The cutter position will now
increase or decrease the exact distance the stop bar
was adjusted.
Remember: Each mark on the inch scale indicates a
1/16 inch change in depth setting while each mark on
the metric scale equals a 1 mm change in depth
setting; depth control knob should be used for making
precise adjustments to depth of cut.
12

VARIABLE SPEED CONTROL SELECTOR
See Figure 1I.
r--- CUTTER SIZE
MATERIAL
SOFT
MEDIUM
HARD
VERY HARD
3/4
8 7 3-4 1-2
7 6-7 2 1
6 3-4 ! 1
7 6-7 5 4
SPEED SELECTION CHART
SWITCH
TO INCREASE TO DECREASE
SPEED P'SPEED
VARIABLE
CONTROL
SELECTOR
Fig. 11
Your router has a variable speed control selector
designed to allow operator control of speed and
torque limits. You can make speed selections best
suited to the type of cut, the material being cut, and
the size of bit being used. The variable speed control
selector allows you to adjust router speed from 15,000
to 25,000 rpm. There is an eight step scale numbered
1 through 8 on the variable speed control selector. To
increase the speed and torque of your router, turn the
vadable speed control selector to ahigher setting.
Turn to alower setting to decrease speed and torque.
Note: If you do not want to use the variable speed
control selector, turn to the highest possible setting,
and the feature will not be active.
The speed selection chart shown gives suggested
speed settings based on the diameter of the cutter
and the type of material being routed.
PRACTICE BEFORE ACTUAL USE
See Figure 11.
We suggest that you practice with the variable speed
feature of your router before installing a cutter and
making cuts in wood. Check the following before
connecting your router to power supply:
•Make sure power supply is 120 volts, 60 Hz, AC
only,
•Make sure the spindle lock is in the unlocked
position.
•Make sure the trigger is not in the lock-on position.
•Make sure there is not a cutter in the collet.
•Make sure the collet does not extend below the
subbase.
•Choose the desired speed frpom the speed
selection chart. See Figure 11.
•Tum the variable speed control selector to the
desired setting.
•Plug your router into power supply source,
•Grasp your router firmly with both hands and rum
on.
HELPFUL HINTS
•/ Always clamp workpiece securely before routing.
J" A safe operator is one who thinks ahead.
,/ Always wear eye protection when routing.
•/Make set-up adjustments carefully. Then double
check. Measure twice and cut once.
,/ Keep cutters clean and properly sharpened.
JDon't let familiarity make you careless.
•/Study all safety rules and do the job safely.
JNever place your hands in jeopardy.
JMake certain clamps can't loosen while in use.
,/ Test difficultset-ups onscrap-- Don't waste lumber.
,/ Plan each operation before you begin.
,/ Provide for smoother operation by cleaning your
router frequently. Shake router or blow with an airjet
to remove sawdust build-up.
,/ Think Safety By Thinking Ahead.
13

_i, WARNING: Always wear safety goggles or
safety glasses with side shields when using your
router. Failure to do so could result in dust,
shavings, chips, loose particles, or foreign
objects being thrown in your eyes resulting in
possible serious injury. If the operation is dusty,
also wear a face or dust mask.
LOCK-ON BUTTON
See Figure 12.
SWITCH
TRIGGER
LOCK-ON
BUITON
®
SWITCH
HANDLE
CUTTEREXTENDEDBELOWSUBBASE Fig. 12
The switch of your router is equipped with a lock-on
feature which is convenient when operating for
extended periods of time. To lock on, depress the
switch trigger and push in the lock button located on
the side of the handle. While holding the lock button
pushed in, release the switch trigger. To release the
lock, depress the switch trigger and release.
ROUTING
See Figure 13,
Fig. 13
For ease of operation and maintaining proper control,
your router has two handles, one on each side of the
muter base. When using your router hold it firmly with
both hands as shown in figure 13.
WARNING: Keep a firm grip on router with both
hands at all times. Failure to do so could result in
loss of control leading to possible serious injury.
Before starting router, unplug it and make sure cutter
is securely tightened in collet nut and that depth of cut
is properly set.
Plug router into power supply, turn it on, and let motor
build to its full speed, then gradually plunge or feed
cutter into workpiece. Do not let the cutter contact
workpiece before turning on router and allowing it to
develop full speed.
Remain alert and watch what you are doing. Do not
operate router when fatigued or under the influence of
drugs, alcohol, or any medication.
FEED DIRECTION
When routing, the cutter rotates clockwise. Therefore,
you should feed the router into the workpiece from left
to right. When fed from left to right, the rotation of the
cutter pulls the router against the workpiece. If fed in
the opposite direction, the rotation forces of the
spinning bit will tend to throw the router away from the
workpiece. This could cause loss of control of your
router. See Figure 17.
14

RATE OF FEED
IMPORTANT: The whole "secret" of professional
routing and edge shaping lies in making a careful
set-up for the cut to be made and in selecting the
proper rate of feed.
The proper rate of feed depends on several factors:
the hardness and moisture content of the wood, the
depth of cut, and the cutting diameter of the bit. When
cutting shallow grooves in soft woods such as pine, a
faster rate of feed can be used. When making deep
cuts in hardwoods such as oak, a slower rate of feed
will be required.
The best rate of feed is one that does not slow down
the router motor more than one-third of its no-load
speed. If the router is fed too fast, it will take large
chips out of the wood and leave gouge marks, if the
router is fed too slow, it will scorch or burn the wood.
PROPER FEEDING
The right feed is neither too fast nor too slow. It is the
rate at which the bit is being advanced firmly and
surely to produce a continuous spiral of uniform chips
-- without hogging into the wood to make large
individual chips or, on the other hand, to create only
sawdust. If you are making a small diameter, shallow
groove in soft, dry wood, the proper feed may be
about as fast as you can travel your router along your
guide line. On the other hand, if the bit is a large one,
the cut is deep or the wood is hard to cut, the proper
feed may be a very slow one. A cross-grain cut may
require a slower pace than an identical with grain cut
in the same workpiece.
There is no fixed rule. You will learn by experience
from practice and use. The best rate of feed is
determined by listening to the sound of the router
motor and by feeling the progress of each cut. Always
test a cut on a scrap piece of the workpiece wood,
beforehand.
SPEED SELECTION
In general, if the material being cut is hard, the cutter
size is large, or the depth of cut is deep - maximum
1/8 in., then your router should be run at slower
speeds. When these situations exist, turn the variable
speed control selector until the desired speed is
reached.
Note: Carbide cutters cut at higher speeds than steel
cutters and should be used when cutting very hard
materials. Keep cutters sharp at all times.
FORCE FEEDING
Clean, smooth routing and edge shaping can be done
only when the bit is revolving at a relatively high
speed and is taking very small bites to produce tiny,
cleanly severed chips. If your router is forced to move
forward too fast, the RPM of the bit becomes slower
than normal in relation to its forward movement. As a
result, the bit must take bigger bites as it revolves.
"Bigger bites" mean bigger chips, and a rougher
finish. Bigger chips also require more power, which
could result in the router motor becoming overloaded.
Under extreme force-feeding conditionsthe relative
RPM of the bitcan become so slow-- and the bites it
has to take so large -- that chips will be partially
knocked off (rather than fully cut off), with resulting
splinteringand gouging of the workpiece. See Figure 14.
t ''='- __
TOO FAST
TOOSLOW
Fig. 14
Your router is an extremely high-speed tool (15,000 -
25,000 RPM no-load speed), and will make clean,
smooth cuts if allowed to run freely without the ovedoad
of a forced (too fast) feed. Three thingsthat cause
"force feeding" are bit size, depth-of-cut, and workpiece
characteristics. The larger the bit or the deeper the cut,
the more slowly the router should be moved forward. If
the wood is very hard, knotty, gummy or damp, the
operation must be slowed still more.
You can always detect "force feeding" by the sound of
the motor. Its high-pitched whine will sound lower and
stronger as it loses speed. Also, the strain of holding
the tool will be noticeably increased.
15

TOO SLOWFEEDING
Itisalsopossibletospoilacutbymovingtherouter
forward too slowly. When it is advanced into the work
too slowly, a revolving bit does not dig into new wood
fast enough to take a bite; instead, it simply scrapes
away sawdust-like particles. Scraping produces heat,
which can glaze, burn, or mar the cut -- in extreme
cases, can even overheat the bit so as to destroy its
hardness.
In addition, it is more difficult to control a router when
the bit is scraping instead of cutting. With practically
no load on the motor the bit will be revolving at close
to top RPM, and will have a much greater than normal
tendency to bounce off the sides of the cut (especially
if the wood has a pronounced grain with hard and soft
areas). As a result, the cut produced may have
rippled, instead of straight sides. See Figure 14.
=Too-slow feeding" can also cause your router to take
off in a wrong direction from the intended line of cut.
Always grasp and hold your router firmly with
both hands when routing.
You can detect =too-slow feeding" by the runaway
too-highly pitched sound of the motor; or by feeling
the "wiggle" of the bit in the cut.
DEPTH OF CUT
As previously mentioned, the depth of cut is important
because it affects the rate of feed which, in turn,
affects the quality of acut (and, also, the possibility of
damage to your router motor and bit). A deep cut
requires aslower feed than a shallow one, and a too
deep cut will cause you to slow the feed so much that
the bit is no longer cutting, it is scraping, instead.
Making a deep cut is never advisable. The smaller
bits -- especially those only 1/16 inch in diameter --
are easily broken off when subjected to too much side
thrust. A large enough bit may not be broken off, but if
the cut is too deep a rough cut will result -- and it may
be very difficult to guide and control the bit as desired.
For these reasons, we recommend that you do not
exceed 1/8 inch depth of cut in a single pass,
regardless of the bit size or the softness or condition
of the workpiece. See Figure 15.
DEPTHOF CUT
WIDTH
OFCUT
Fig. 15
To make deeper cuts it is therefore necessary to
make as many successive passes as required,
lowering the bit 118 inch for each new pass. In order to
save time, do all the cutting necessary at one depth
setting, before lowering the bit for the next pass. This
will also assure a uniform depth when the final pass is
completed. See Figure 16.
2ND PASS
I
ISTPASS
2NDPASS
1STPASS
Fig. 16
DIRECTION OF FEED AND THRUST
See Figure 17.
ROUTERFEED
DIRECTION
4
ROUTl
ENDI
GRAINSJ
FIRST
I= ROTATION
ROUTERFEED
DIRECTION Fig. 17
The router motor and bit revolve in a clockwise direction.
This gives the tool a slight tendency to twist (in your
hands) in a counterclockwise direction, especially when
the motor revs up (as at starting).
Because of the extremely high speed of bit rotation
during a "proper feeding" operation, there is very little
kickback to contend with under normal conditions. How-
ever, should the bit strike a knot, hard grain, foreign
object, etc. that would affect the normal progress of the
cutting action, there will be a slight kickback-- sufficient
to spoil the trueness of your cut if you are not prepared.
Such a kickback is always inthe direction opposite to the
direction of bit rotation.
To guard against such a kickback, plan your set-up and
direction of feed so that you will always be thrusting the
tool -- to hold it against whatever you are using to guide
the cut -- in the same direction that the leading edge of
the bit is moving. In short, the thrust should be in a
direction that keeps the sharp edges of the bit continu-
ously biting straight into new (uncut) wood.
16

ROUTING EDGE ROU_NG
Whenever you are routing a groove, your travel
should be in a direction that places whatever guide
you are using at the right-hand side. In short, when
the guide is positioned as shown in the first part of
Figure 18, tool travel should be left to right and
counterclockwise around curves. When the guide is
positioned as shown in the second part of Figure 18
tool travel should be dght to left and clockwise around
curves. If there is a choice, the first set-up is generally
the easiest to use. In either case, the sideways thrust
you use is against the guide.
GUIDEOUTSIDE
Place router on workpiece, making sure the router bit
does not contact workpiece. Turn router on and let
motor build to its full speed. Begin your cut, gradually
feeding cutter into workpieca.
,_ WARNING: Keep a firm grip on router with both
hands at all times. Failure to do so could result in
loss of control leading to possible sedous injury.
Upon completion of cut, turn motor off and let it come
to a complete stop before removing router from work
surface.
_,..=._"_,,..-_ _i, WARNING: Never pull router out of work and
ROTATION (_11_"_ place upside down on work surface before the
----"-_--_"_.-._-]/'_'_l-_ cutter stops.
THRUST _)))!_ EDGING WITH PILOT BITS
GUIDEINSIDE
" OT
ROUTER
THRUST Fig. 18
r - __-_--_--
WHOLE EDGE SHAPING Fig. 19
Rabbets and molded edges can be cut using piloted
cutters. The pilot extends below the cutter. Some
pilots are solid extensions of the cutter. Others are
ball bearing guides that are fastened to the end of the
cutter. The pilots allow the cutters to turn while the
pilot follows the edge of the workpieca.
17

Arbor-typebitswithpilotsareexcellentforquick,
easy,edgeshaping.Theywillfollow workpiece edges
that are either straight or curved. The pilot prevents
the bit from making too deep acut; and holding the
pilot firmly in contact with the workpiece edge
throughout prevents the cut from becoming too
shallow.
Whenever the workpiece thickness together with the
desired depth of cut (as adjusted by router depth
setting) are such that only the top part of the edge is
to be shaped (leaving at least a 1/16 inch thick uncut
portion at bottom), the pilot can ride against the uncut
portion, which will serve to guide it. See Figure 19.
However, if the workpiece is too thin or the bit set too
low so that there will be no uncut edge to ride the pilot
against, an extra board to act as a guide must be
placed under the workpiece. This "guide" board must
have exactly the same contour -- straight or curved
-- as the workpiece edge. If it is positioned so that its
edge is flush with the workpiece edge, the bit will
make a full cut (in as far as the bit radius). On the
other hand, if the guide is positioned as shown in
Figure 19 (out from the workpiece edge), the bit will
make less than a full cut -- which will alter the shape
of the finished edge.
Note: If desired, any of the piloted bits can be used
without a pilot for edge shaping with guides, as
preceding. Also, the size (diameter) of the pilot that is
used determines the maximum cut width that can be
made with the pilot against the workpiece edge - the
small pilot exposes all of the bit; the large one
reduces this amount by 1/16 inch.
When routing all the edges of a panel or board, rout
the end grain first. Any splintering that occurs at the
corners will then be removed when routing the edge.
Start each side 1/4 in. away from the end. Feed the
cutter into the wood until the pilot contacts the uncut
edge. Then, slowly back the router to shape the
corner. Next, move the router forward to shape the
rest of the edge. Be careful to keep the pilot pressed
against the uncut edge. Repeat this procedure on
each side of the panel. Figure 20 shows the proper
sequence of cuts to make when edge routing four
sides of apanel.
I. e
-,
ROUTING GROOVES
See Figure 21.
Fig. 21
When routing across the face of boards, set router at
desired depth of cut, place the edge of router base
against workpiece, and turn on your router. Slowly
feed the cutter into the workpiece along desired
cutline.
When routing straight cuts across stock, clamp a
straightedge to the workpiece to use as a guide.
Position the straightedge parallel to the cutline and
offset the distance between the cutting edge of the
cutter and the edge of the router base. Hold the router
base against the straightedge and rout the groove.
When routing a groove wider than the diameter of the
cutter, clamp a straightedge on both sides of the
cutting line. Position both guides parallel to the
desired cutline and spaced equal distances from the
desired edges of the groove. Rout along one guide;
then, reverse direction and rout along the other guide.
Clean out any remaining waste in the center of the
groove freehand.
OPTIONAL EDGE GUIDE
For routing straight cuts and grooves, an optional
edge guide is available and may be purchased for use
with your router. It may be purchased at your nearest
Sears Retail Store.
The edge guide attaches to your router by inserting
the guide bars into openings in the router base and
securing with the two knob screws provided.
Adjustments are made by loosening knob screws in
the base, placing the edge guide the desired distance
from the cutter, then retightening knob screws.
When routing, hold the edge guide securely against
the edge of your workpiece.
18

FREEHANDROUTING
See Figure 22.
Fig. 22
When used freehand, your plunge router becomes a
flexible and versatile tool. This flexibility makes it
possible to easily rout signs, relief sculptures, etc.
There are two basic techniques for freehand
rouUng:
•Routing letters, grooves, and patterns into wood.
•Routing out the background, leaving the letters
or pattern raised above the surface as shown in
figure 22.
When freehand routing, we suggest the following:
•Draw or layout the pattern on workplace.
•Choose the appropriate cutter.
Note: A core box or V-groove bit is often used for
routing letters and engraving objects. Straight bits
and ball mills are often used to make relief
carvings. Veining bits are used to carve small,
intdcate details.
•Rout the pattern in two or more passes. Make the
first pass at 25% of the desired depth of cut. This
will provide better control as well as being a guide
for the next pass•
•Do not rout deeper than 1/8 in. per pass or cut.
Freehand routing is an excellent example of how
to use the plunge routing feature of your router:
•Choose the appropriate cutter, set desired depth of
cut, carefully check set-up, and secure workpiece.
•Make a test cut in a scrap piece of wood from the
same workpiece if possible.
•Depress plunge lock release and raise cutter from
any preset depth of cut. This also permits raising
cutter inside router subbase.
•Place router on workpiece inside pattern to be
routed.
•Grasp handles securely and depress switch trigger
to start your router.
•Let motor build to full speed, then gradually plunge
cutter into workpieca until stop bar comes into
contact with depth stop.
•Release plunge lock release to secure depth of cut
setting.
•Begin routing out the pattem, continuing until a
complete pass at this depth of cut has been made.
•Several cuts that require repositioning of router
may be needed for a particular job. If this situation
exists, depress plunge lock release and raise
cutter inside router subbese after each cut,
reposiUon router for next cut, gradually plunge
cutter into workpiece until stop bar contacts depth
stop, release plunge lock release and continue
routing.
•After all cuts have been made, depress plunge lock
release, raise cutter inside router subbase, remove
router from workpiece, release switch trigger, and
allow cutter to come to a complete stop.
AWARNING: Do not use large router bits for
freehand routing. Use of large router bits when
freehand routing could cause loss of control or
create other hazardous conditions that could
cause possible serious personal injury. When
using a router table, large router bits should be
used for edging only. Do not use router bits that
are larger in diameter than the opening in router
base•
ROUTER TABLES
WARNING: Do not use with router tables that
Hfail to conform to safe woodworking practices and
offer proper guarding for the cutter. Failure to
comply can result in an accident causing possible
serious injury.
The use of Craftsman routers in router tables offered
by other manufacturers has not been investigated for
compliance with applicable safety standards.
19

_i, WARNING: When servicing, use only identical
Craftsman replacement parts. Use of any other
part may create a hazard or cause product
damage.
BRUSH REPLACEMENT
See Figure 23.
BRUSH BRUSH BRUSH BRUSH
CAP ASSEMBLY ASSEMBLY CAP
GENERAL
Only the parts shown on parts list, page 23, are
intended to be repaired or replaced by the customer.
All other parts represent an important part of the
double insulation system and should be serviced only
at a Sears Service Center.
Avoid using solvents when cleaning plastic parts.
Most plastics are susceptible to damage from various
types of commercial solvents and may be damaged
by their use. Use clean cloths to remove dirt, carbon
dust, etc.
q
Fig, 23
Your router has externally accessible brush
assemblies that should periodically be checked
for wear.
PROCEED AS FOLLOWS WHEN
REPLACEMENT IS REQUIRED:
•Unplug your router.
_IL WARNING: Failure to unplug your router could
result in accidental starting causing serious
injury.
•Remove brush cap with ascrewdriver. Brush
assembly is spring loaded and will pop out when
you remove brush cap.
•Remove brush assembly (brush and spring).
•Check for wear. If worn, always replace in pairs.
Do not replace one side without replacing the
other.
•Reassemble using new brush assemblies. Make
sure curvature ofbrush matches curvature of
motor and that brush moves freely in brush tube.
•Make sure brush cap is oriented correctly (straight)
and replace.
• Tighten brush cap securely. Do not over torque.
_i, WARNING: Do not at any time let brake fluids,
gasoline, petroleum-based products, penetrating
oils, etc. come in contact with plastic parts. They
contain chemicals that can damage, weaken or
destroy plastic.
It has been found that electric tools are subject to
accelerated wear and possible premature failure when
they are used on fiberglass boats, sports cars,
wallboard, spackling compounds, or plaster. The
chips and grindings from these materials are highly
abrasive to electric tool parts such as bearings,
brushes, commutators, etc. Consequently, it is not
recommended that this tool be used for extended
work on any fiberglass material, wallboard, spackling
compounds, or plaster. During any use on these
materials it is extremely important that the tool is
cleaned frequently by blowing with an air jet.
,_ WARNING: Always wear safety goggles or
safety glasses with side shields during power tool
operation or when blowing dust. If operation is
dusty, also wear a dust mask.
PROPER CARE OF CU'I-rERS
Get faster more accurate cutting results by keeping
cutters clean and sharp. Remove all accumulated
pitch and gum from cutters after each use.
When sharpening cutters, sharpen only the inside of
the cutting edge. Never grind the outside diameter. Be
sure when sharpening the end of a cutter to gdnd the
clearance angle the same as originally ground.
PROPER CARE OF COLLET
From time to time, it also becomes necessary to clean
your collet and collet nut. To do so, simply remove
collet nut from collet and clean the dust and chips that
have collected. Then return collet nut to its original
position.
LUBRICATION
All of the beadngs in this tool are lubricated with a
sufficient amount of high grade lubricant for the life of
the unit under normal operating conditions. Therefore,
no further lubrication is required.
20

OPTIONALDEPTHCONTROLKNOB
ADJUSTMENTS
See Figure 24.
DEPTH COMPRESSION
ADJUSTMENT SPRING
ROD 1/4IN.
HEX NUT
OPTIONAL
DEPTH
CONTROL
€_ KNOB
®1
FLATS
ii ::
TABS
Fig, 24
The optional depth control knob is spdng loaded
against hex nut to prevent router motor from
accidentally separating from router base. If depth
control knob is turned too far up depth adjustment rod,
the spring will cause depth control knob to pop off
before hex nut. Do not remove hex nut. It should
remain on depth adjustment rod at all times. This is
especially important when using router upside down
on a router table.
TO INSTALL OR REPLACE OPTIONAL DEPTH
CONTROL KNOB:
• Unplug your router.
WARNING: Failure to unplug your router could
result in accidental starting causing serious
injury.
•Remove upper hex nut (jam nut) from depth
adjustment rod.
Note: This is the only time hex nut should be
removed from your router. Also, if you remove
optional depth control knob for any reason, hex nut
must be reinstalled before reusing your router.
•Tum remaining hex nut countemlockwise until 1/4
in. of threads are remaining at the top of depth
adjustment rod.
•Place compression spring on top of hex nut as
shown in figure 24.
•Place optional depth control knob on top of
compression spring and align tabs on depth control
knob with flats on hex nut.
• Carefully compress spdng by pushing down on top
of depth control knob.
•With spring compressed, thread depth control knob
clockwise onto depth adjustment rod.
•Turn depth control knob until desired depth of cut
is reached.
Do not replace optional depth control knob without
compression spdng.
_WARNING: Replacing optional depth control
knob without compression spring could result in
depth control knob and hex nut vibrating off
depth adjustment rod dudng use. This situation
could cause motor to separate from router base,
resulting in possible serious personal injury.
EXTENSION CORDS
The use of any extension cord will cause some loss of
power. To keep the loss to a minimum and to prevent
tool overheating, use an extension cord that is heavy
enough to carry the current the tool will draw.
A wire gage size (A.W.G.) of at least 12 is
recommended for an extension cord 50 feet or less in
length. When working outdoors, use an extension
cord that is suitable for outdoor use. The cord's jacket
will be marked WA.
_CAUTION: Keep extension cords away from the
cutting area and position the cord so that it will
not get caught on lumber, tools, etc., during
cutting operation.
A WARNING: Check extension cords before each
use, If damaged replace immediately. Never use
tool with a damaged cord since touching the
damaged area could cause electrical shock
resulting in serious injury.
Extension cords suitable for use with your plunge router
are available at your nearest Sears Retail Store.
21

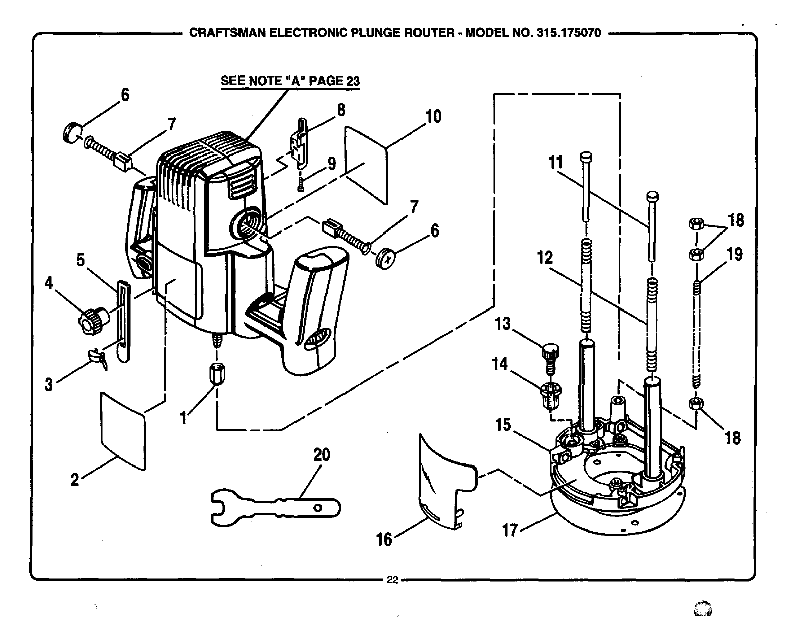
CRAFTSMAN ELECTRONIC PLUNGE ROUTER -MODEL NO. 315.175070
4
3
SEE NOTE '°A" PAGE 23
,
10 !....
11
I i_ 18
I _j/ 15
16j17
20
/
18

ICRAFTSMAN ELECTRONIC PLUNGE ROUTER - MODEL NO. 315.175070
The model number will be found on a plate attached to the motor housing. Always mention the model number in all correspondence regarding your
PLUNGE ROUTER or when ordering repair parts.
SEE BACK PAGE FOR PARTS ORDERING INSTRUCTIONS
I
Key Pert
No. Number
1 989985-003
2 975602-001
3 972261-001
4 972334-001
5 972260-001
6 970764-001
7 610784-060
8972259-002
9 616967-001
10 975603-001
11 970723-001
12 970754-002
13 972276-002
14 972275-001
15 972258-208
16 972255-001
17 976147-001
18 607406-010
19 970732-004
20 989935-006
21 975220-001
22 976242-001
23 976269-001
24 060721-630
25 060721-530
26 060721-430
27 060721-030
972000-418
PARTS LIST
*t*
*t*
Description Quan.
Collet Nut ..................................................................................................................................................... 1
Logo Plate .................................................................................................................................................... 1
Zero Reset Indicator .................................................................................................................................... 1
Lock Knob .................................................................................................................................................... 1
Stop Bar ....................................................................................................................................................... 1
Brush Cap .................................................................................................................................................... 2
Brush Assembly ........................................................................................................................................... 2
Plunge Lock Release ................................................................................................................................... 1
Cap Screw (#6-20 x 3/8 in. FU. Hd. T,C,) .................................................................................................... 1
Data Plate .................................................................................................................................................... 1
Guide Pin ..................................................................................................................................................... 2
Compression Spring .................................................................................................................................... 2
Aceu-StopTM Depth Stop Knob .................................................................................................................... 1
Gage Cap .................................................................................................................................................... 1
Base Assembly (Inc. Key No. 17) ................................................................................................................ 1
Chip Shield .................................................................................................................................................. 1
Subbase ....................................................................................................................................................... 1
Hex Nut (3/8-16) .......................................................................................................................................... 3
Depth Adjustment Rod ................................................................................................................................ 1
Wrench ........................................................................................................................................................ 1
Optional Depth Control Knob Assembly ...................................................................................................... 1
Optional Edge Guide ................................................................................................................................... 1
Optional Guide Bushing Adapter ................................................................................................................. 1
Optional Guide Bushing w/Nut (1/4 in. x 5/16 in.) ....................................................................................... 1
Optional Guide Bushing w/Nut (1/4 in. x 3/8 in.) ......................................................................................... 1
Optional Guide Bushing w/Nut (1/2 in. x 5/8 in.) ......................................................................................... 1
Optional Guide Bushing w/Nut (11/32 in. x 7/16 in.) ................................................................................... 1
Owner's Manual
NOTE: "A"- The assembly shown represents an important part of the Double Insulated System. To avoid the possibility of alteration or damage to the system,
service should be performed by your nearest Sears Repair Center. Contact your nearest Sears Retail Store for Service Center Information.
* Standard Hardware Item -- May Be Purchased Locally
*** Optional Accessory (Not Shown) -- Available At Your Nearest Sears Retail Store
23

For repair of major brand appliances in your own home...
no matter who made it, no matter who sold it!
1-800-4-MY-HOME sMAnytime, clayor night
(1-800-469-4663)
www.sears.com
To bring in products such as vacuums, lawn equipment and electronics
for repair, call for the location of your nearest Sears Parts & Repair Center,
1-800-488-1222 Anytime, day or night
www.sears.com
For the replacement parts, accessories and owner's manuals
that you need to do-it-yourself,call Sears PartsDirect sM!
1-800-366-PART 6am-11p.m.CST,
(1-800-366-7278) 7 days a week
www.sears.com/partsdlrect
To purchase or inquire about aSears Service Agreement:
1-800-827-6655
7 a.rn. - 5 p.m. CST, Men. - Sat.
Para pedir servicio de reparacibn a domicilio,
y para ordenar piezas con entrega a domicilio:
1-888-SU-HOGAR s.
(1-888-784-6427)
AuCanada pourserviceen frangais:
1-877-LE-FOYER s"
(1-877-533-6937)
HomeCentraF
.4
®Registered Trademark /"tMTrademark of Sears, Roebuck end Co.
OSears, Roebuck and Co. ®Marca Registrade /n_ Marca de F&bdca de Sears, Roebuck and Co,