Craftsman 32027224 User Manual SAW Manuals And Guides L1003095
CRAFTSMAN Saw Reciprocating Manual L1003095 CRAFTSMAN Saw Reciprocating Owner's Manual, CRAFTSMAN Saw Reciprocating installation guides
User Manual: Craftsman 32027224 32027224 CRAFTSMAN SAW - Manuals and Guides View the owners manual for your CRAFTSMAN SAW #32027224. Home:Tool Parts:Craftsman Parts:Craftsman SAW Manual
Open the PDF directly: View PDF
.
Page Count: 28

Operator's Manual
I1
Scrolling
PART#
Reciprocatin
2341123003
Model No. 320. 27224
CAUTION! Read, understand and
follow all Safety Rules and Operating
Instructions in this Manual before
using this product.
oWarranty
oSafety
• Unpacking
, Description
•Assembly
= Maintenance
Sears Brands Management Corporation Hoffman Estates, IL 60179 U.S.A.
www.craftsman.com

Warranty Page 2
Safety Symbols Page 3
Safety Instructions Pages 4-9
Unpacking Pages 9-10
Description Pages 10-1 t
Operation Pages 12-14
Maintenance Page 15
Troubleshooting Page t 5
Parts List Pages 16-t 7
Sears Repair Parts Phone Numbers Pages 18
ONE YEAR FULL WARRANT'/' ON CRAFTSMAN ®PROFESSIONAL
TOOL
If this Craftsman Professional tool fails to give complete satisfaction
within one year from the date of purchase, return it to any Sears store
or other Craftsman Professional outlet in the United States for free
replacement.
This warranty does not cover expendable parts, such as blades and
lamps.
This warranty gives you specific legal rights, and you may also have
other rights, which vary from state to state°
Sears, Roebuck and Co., Hoffman Estates 1L 60179
WARNING: Some dust created by using power tools contains chemicals
known to the state of California to cause cancer and birth defects or other
reproductive harm.
SAVE THESE INSTRUCTIONS!
READ ALL INSTRUCTIONS!
27224 Manual_Revised_09-0608 PaSe 2

The purpose of safety symbols is to attract your attention to possible dangers.
The safety symbols and the explanations with them deserve your careful
attention and understanding. The symbol warnings do not, by themselves,
eliminate any danger. The instructions and warnings they give are no substitutes
for proper accident prevention measures.
,_ WARNING: Be sure to read and understand all safety instructions in this
manual, including all safety alert symbols, such as "DANGER," "WARNING,"
and "CAUTION," before using this Reciprocating Saw. Failure to following all
instructions listed below may result in electric shock, fire and/or serious personal
injury,
SYMBOL MEANNING
,_ SAFETY ALERT SYMBOL: Indicates DANGER, WARNING, OR CAUTION.
May be used in conjunction with other symbols or pictographs_
_k DANGER; Failure to obey this safety warning will result in death or serious
injury to yourself or to others. Always follow the safety precautions to reduce the
risk of fire, electric shock, and personal injury.
,_ WARNING: Failure to obey this safety warning can result in death or serious
injury to yourself or to others. Always follow the safety precautions to reduce the
risk of fire, electric shock, and personal injury.
,_k CAUTION: Failure to obey this safety warning may result in death
or serious injury to yourself or to others. Always follow the safety precautions to
reduce the risk of fire, electric, shock and personal injury.
DAMAGE PREVENTION AND INFORMATION MESSAGES
These inform user of important information and/or instructions that could lead to
equipment or other property damage if not followed. Each message is preceded
by the word "NOTE" as in the example below.
NOTE: Equipment and/or property damage may result if these instructions
are not followed.
WEAR YOUR
27224 Manual Revised 09-0608
The operation of any power tool can result in foreign
objects being thrown into your eyes, which can result
in severe eye damage. Before beginning power tool
operation, always wear safety goggles or safety glasses
with side shields and a full-face shield when needed.
We recommend a Wide Vision Safety Mask for use over
eyeglasses or standard safety glasses with side shields,
available at Sears Stores or other Craftsman outlets.
Always use eye protection that is marked to comply with
ANSI Z87ol
Page 3

WARNING: Be sure to read and understand all instructions in this manual
before using the reciprocating saw. Failure to follow all instructions may result in
hazardous radiation exposure, electric shock, fire, and/or serious personal injury_
,_k WARNING: Do not attempt to operate this tool until you have thoroughly
read all instructions, safety rules, and warnings. Failure to comply with them can
result in fire, electric shock, or serious personal injury. Save the manual and refer
to it frequently.
GENERAL SAFETY PRECAUTIONS
WORK AREA SAFETY
mKeep your work area clean and well lit, Do not leave tools or wood scraps
on the saw while it is in operation. Cluttered workbenches and dark areas
invite accidents
O
Do not operate power tools in explosive environments, such as in the
presence of flammable liquids, gases, or dust. Power tools create sparks that
may ignite the dust or fumes.
Keep children and bystanders and visitors away while operating a power
toolo Distractions can cause you to lose control.
Make your workshop childproof with padlocks and master switches. Lock
tools away when they are not in use.
Make sure that the work area has ample lighting so you can see the work
and that there are no obstructions that will interfere with safe operation.
PERSONAL SAFETY
Know your power tool. Read this operator's manual carefully. Learn the
reciprocating saw's applications and limitations, as welt as the specific,
potential hazards related to this tool.
,, Stay alert, watch what you are doing, and use common sense when
operating a power tool.
Do not use a power toot while tired or under the influence of drugs, alcohol,
or medication. A moment of inattention while operating power tools may
result in serious personal injury_
Dress properly. Do not wear loose ctothing or jewelry° Contain tong hair_
Keep your hair, clothing, and gloves away from moving parts. Loose clothes,
jewelry, or long hair can be caught in moving parts.
Avoid accidental starting of tools. Be sure that the switch is off before
attaching the tool to a power source. Carrying tools with your finger on the
switch or plugging in tools that have the switch "ON" invites accidents.
27224 Manual_Revised 09-0608 Page 4

Remove adjusting keys or wrenches before turning the toot on. A wrench
or a key that is left attached to a rotating part of the tool may result in
personal injury.
Do not overreach. Keep proper footing and balance at all times. Proper
footing and balance enables better control of the tool in unexpected
situations.
Use safety equipment. Always wear eye protection. A dust mask, non-
skid safety shoes, hard hat, and/or hearing protection must be used for
appropriate conditions.
TOOL USE AND CARE
WARNING: Be sure to read, understand, and follow all safety rules and
operating instructions in this manual before using this tool. Failure to do so may
result in electric shock, fire, and/or serious personal injury.
Always use clamps or other practical ways to support and secure the
workpiece to a stable platform. Holding the work by hand or against your
body is unstable and may lead to loss of control.
•Do not force the tool. Use the correct tool for your application. The correct
tool will do the job better and more safely at the rate for which is designed.
° Do not use the tool if the switch does not turn it "ON" and "OFF." Any tool
that cannot be controlled with the switch is dangerous and must be repaired_
Disconnect the plug from the power source before making any adjustments,
changing accessories, or storing the tool. Such preventive safety measures
reduce the risk of starting the tool accidentally
oNever leave the toot running. Always turn it off. Do not leave the tool until it
comes to a complete stop.
=Store idle tools out of the reach of children and other untrained persons.
Tools are dangerous in the hands of untrained users°
=Maintain tools with care. Keep cutting tools sharp and clean. Properly
maintained tools with sharp cutting edges are less likely to bind and are
easier to control.
Check for misalignment or binding of moving parts, breakage of parts, and
any other condition that may affect the tool's operation. If damaged, have the
tool serviced before using° Many accidents are caused by poorly maintained
tools.
,, Use only accessories that are recommended by the manufacturer for your
model. Accessories that may be suitable for one tool may become hazardous
when used on another tool.
._ WARNING: When using power tools, basic safety precautions should always
be followed to reduce the risk of fire, electric shock, and personal injury_
27224 Manual Revised 09-0608 Page 5

WARNING= The operation of any tool can result in foreign objects being
propelled into your eyes, resulting in severe eye damage. When operating power
tool, always wear safety goggles or safety glasses with side shields and a full
face shield when needed.
,_k WARNING; If any part is missing, do not operate the tool unti! the missing
part has been replaced° Doing so could result in serious personal injury.
ELECTRICAL SAFETY
Double insulated tools are equipped with a
polarized plug (one blade is wider than the other).
This plug will fit into a polarized outlet only one way. If
the plug does not fit into the outlet, reverse the plug.
If it still does not fit, contact a qualified electrician to
install a proper outlet°
Avoid contact with grounded surfaces, such as
pipes, radiators, ranges, and refrigerators. There
is an increased risk of electric shock if your body is
grounded.
Do not expose power tools to rain or wet conditions. A wet power tool
will increase the risk of electric shock.
Do not abuse the cord. Never use the cord to carry the tool or to pull
the plug out of an outlet. Keep the cord away from heat, oil, sharp edges,
or moving parts. Replace damaged cords immediately. Damaged cords
increase the risk of electric shock.
When operating a power tool outdoors, use an outdoor extension cord
that is marked W-A or W. These cords are rated for outdoor use and reduce
the risk of electric shock.
= Replace damaged cords immediately° Using a damaged cord can cause
shock, burns, or electrocution.
If an extension cord is required, use a cord with the proper size of conductor
to prevent excessive voltage drop, loss of power, or overheating. The
following table shows the correct size to use, depending on cord length
and the nameplate amperage rating of the tool. When in doubt, use the next
heavier gauge. Always use UL and CSA listed extension cords.
27224 Manual Revised 09-0608 Page 6

Recommended sizes of extension cords
Ampere Rating Volts
120v
Total Length of Cord in feet
25ft 50ft 100ft 150ft
More Than Not MoreThan AWG
0 6 18 16 I6 14
6 10 18 16 14 !2
10 t2 16 16 14 12
12 16 14 12 Not Recommended
Before connecting the tool to a power source (receptacle, outlet, etc,), be
sure that the voltage supplied is the same as that specified on the nameplate
of the tool. A power source with voltage greater than that specified for the
tool can result in serious injury to the user, as well as damage to the tool.
SAFETY SYMBOLS FOR YOUR TOOL
The label on your tool may include the following symbols.
V ............................................................... Volts
A ................................................................ Amps
Hz .................................................................. Hertz
W .............................................................. Watts
min ............................................................ Minutes
Q_ ............................................................. Alternating Current
-----'=-............................................................. Direct Current
no .............................................................. No-load Speed
[] .............................................................. Class I1construction
.../rain ....................................................... Revolutions or Strokes per minute
._ ............................................................ Indicates danger, warning caution.
It means attention! Your safety is
involved.
SERVICE SAFETY
If any part of this saw is missing or should break, bend, or fail in any
way; or should any electrical component fail to perform properly: shut off the
power switch, remove the saw's plug from the power source, and have the
missing, damaged, or failed part replaced before resuming operation,
Tool service must be performed only at aSears Parts and Repair
Center° Service or maintenance performed by unqualified personnel could
result in a risk of injury.
27224 Manual_Revised_09-O608 Page 7

When servicing atool, use only identical replacement parts. Follow
instructions in the maintenance section of this manual. Use of
unauthorized parts or failure to follow maintenance instructions may create a
risk of electric shock or injury
SPECIFIC SAFETY RULES FOR RECIPROCATING SAW
WARNING: To avoid injury, hold the tool by the insulated gripping surfaces
only. If the tool contacts hidden wiring or its own cord, exposed metal parts
of the too! could shock the operator and cause serious injury. Make sure that
hidden electrical wiring, water pipes, or other hazards are not in the cutting path.
a
o
o
o
if you are not thoroughly familiar with the operation of a reciprocating
saw, obtain advice from a qualified person.
When servicing, use only identical replacement parts.
Avoid cutting nails and staples when operating with the wood-cutting
blade. Inspect the workpiece carefully and remove all nails and staples
before operation.
Make sure that the blade always extends beyond the shoe and the
workpiece throughout the stroke. Blades may shatter if they strike the
workpiece or shoe.
Do not cut an oversized workpiece.
Check for proper clearance beyond the workpiece before cutting, so that
the blade will not strike the floor, workbench, etc.
Make sure that the blade is not contacting the workpiece before the switch
is turned on,
O
O
O
O
Keep the saw blade clean and sharp.
Use only correct blades. Always use blades recommended for the type of
workpiece_
Do not leave the tool running, Operate the toot only when hand-held.
Always release the switch to "OFF" and wait for the tool to come to a
complete stop before removing the blade from the workpiece.
Keep the handle dry, clean, and free from oil and grease. Always use
a clean cloth when cleaning. Do not use solvents, brake fluids, gasoline or
other petroleum products to clean the tool; they may damage plastic parts.
Do not operate this tool in agaseous or explosive environment or near
explosive materials.
Never force the tool. Apply firm pressure against the saw's pivot shoe for
the sawing operation--too little or too much pressure could cause jumping or
vibration and may break the blade.
27224 Manual_Revised_09-0608 Page 8

o Never operate the saw without the pivot shoe in position. The spindle may
strike against the workpiece and damage the reciprocating mechanism.
o Do not touch the blade or the workpiece immediately after the sawing
operation. They may be extremely hot and could burn your skin.
o Hold the tool firmly with two hands when operating the tool.
o Do not reach underneath the workpiece, The proximity of the blade to your
hand is hidden from your sight..
o Hold tool by the insulated gripping surfaces when performing an operation
where the cutting tool may contact hidden wiring or its own cord.
WARNING: Your saw should never be connected to the power source when
you are assembling parts, making adjustments, installing or removing blades,
cleaning, or when it is not in use, Disconnecting the reciprocating saw will
prevent accidental starting, which could cause serious personal injury.
When unpacking the box, do not discard any packing materials until all of the
contents are accounted for:
Carefully lift the reciprocating saw out of the carton and place it on a stable,
flat surface,
2. Open the parts bag to locate the following:
o ! scrolling wood-cutting blade
° Operator's manual
3. Inspect the items carefully to make sure that no breakage or damage has
occurred during shipping. If any of the items mentioned is missing, (refer to
"PARTS LIST" illustration), return the reciprocating saw to your nearest Sears
store or Craftsman outlet to have the missing parts replaced.
,_ WARNING: If any part is broken or missing, do not attempt to assemble the
reciprocating saw, plug in the power cord, or operate the saw until the broken
or missing part is are replaced° Failure to do so could result in possible serious
injury.
27224 Manual Revised_09-0608 Page 9

CARTON CONTENTS/LOOSE PARTS (Fig. 1)
Fig. '1
Scrolling wood-cutting blade
KNOW YOUR SCROLLING RECIPROCATING SAW (Fig, 2)
Before attempting to use this scrolling reciprocating saw, familiarize yourself
with all of its operating features and safety requirements.
,_ WARNING= Do not allow familiarity with your reciprocating saw to make you
careless. Remember that a careless fraction of a second is sufficient to inflict
severe injury.
Fig. 2 3-position mode selector Variable-
de-clamp
Pivot shoe lever
Toot-less
: t¢/ blade
,=.____________________M_[_ ___ clamp
Shoe-release button
Scrolling
saw
head
trigger
switch
Live-Tool Indicator
27224 Manual_Revised._09-0608 Page 10

Motor
No load Speed:
Blade stroke
Weight
PRODUCT SPECIFICATIONS
120V- 60Hz, 12A
0-2700/Min
1-1/8" (29mm)
8.91bs (4 kg)
WARNING; The safe use of this product requires an understanding of the
information on the tool and in this operator's manual, as well as knowledge of
the project you are attempting. Before use of this product, familiarize yourself
with all operating features and safety rules_
TOOL-LESS BLADE CHANGE SYSTEM
The saw has a blade clamp design that does not require the use of a toot (blade
wrench) when installing or removing the blade. Pull the blade-clamp lever to
install or remove the saw blade. See INSTALLING SAW BLADE on PAGE 12o
VARIABLE-SPEED TRIGGER SWITCH
The variable-speed trigger switch deIivers higher speed with increased trigger
pressure and lower speed with decreased trigger pressure.
PIVOT SHOE AND TOOL-LESS SHOE ADJUSTMENT
The shoe pivots in order to provide maximum control against the surface being
cut.
The pivoting shoe slides in and out tool-tessty by pressing the shoe-release
button, to allow control of the amount of blade that is exposed.
SCROLLING FUNCTION
The scrolling function allows manual 360 ° rotation of the blade in all materials
ORBITAL FUNCTION
The orbital blade action thrusts the blade forward on the cutting stroke and
greatly increases the cutting speed over the simple up-and-down blade action.
LIVE-TOOL INDICATOR
Live4ool indicator illuminates when there is power to the tool
,_ WARNING: To avoid injury and damage, do not operate the saw without the
pivot shoe in place. The spindle may strike against the workpiece and damage
the reciprocating mechanism.
27224 Manual Revised 09-0608 Page $!

,_ WARNING: Your saw should never be connected to the power source when
you are assembling parts,
making adjustments, installing
or removing blades, cleaning,
or when it is not in use.
Disconnecting the reciprocating
saw will prevent accidental
starting, which could cause
serious personal injury.
ON/OFF SWITCH AND
VARIABLE SPEED CONTROL
(Fig. 3)
Your scrolling reciprocating
saw is equipped with a trigger
switch to turn the saw on and
off and to control the speed.
1. To start the saw, squeeze
the trigger switch.
2_ To stop the saw, release the
trigger switch and allow it to
return to the "OFF" position.
3_ To vary the speed, simply
increase or decrease the
pressure on the trigger
switch. The more tightly the
trigger switch is squeezed,
the higher the speed.
LIVE-TOOL INDICATOR (Fig. 4)
Your scrolling reciprocating saw
also has a "Live-Tool indicator"
green LED light, located in the
handle where the power cord
enters the handle. This green
light is always on when the saw
is plugged into a power source.
INSTALLING AND REMOVING
A SAW BLADE (Fig. 5)
!. Disconnect the saw from
the power supply.
Fig. 3
o4
Fig. 5
Live-tool
ator
27224 Manual Revised 09-0608 Page 12

2. Pull down on the blade clamp lever.
3. Insert the saw blade into the blade clamp as far as possible and release the
blade-clamp lever to lock the blade in position.
4. To remove the blade, pull down on the blade clamp lever and pull the blade
out of the clamp
BLADE SELECTION
in order to obtain the best performance from the saw, it is important to select the
correct blade for the particular application and type of material to be cut.
NOTE: Use of a scrolling reciprocating saw blade is recommended to achieve
the best cutting performance when using the scrolling function.
PIVOT SHOE
Sliding the Shoe In or Out (Fig.6)
For maximum control and
longer blade life, the pivot shoe
slides in or out to adjust the
effective stroke length.
Disconnecting the reciprocating
saw will prevent accidental
starting, which could cause
serious personal injury.
1,
2_
3_
Disconnect the saw from
the power supply.
Pull the shoe-release
button and slide the shoe
to the desired position. The
shoe can be locked in any
position.
Release the shoe-release
button in order to lock the
shoe in the desired position.
Pivoting the Shoe (Fig.7)
The shoe pivots in order to
provide maximum control
against the surface being cut.
2_
Disconnect the saw from
the power supply.
Hold the saw securely, and
then pivot the shoe to the
desired angle.
Fig. 6
Fig, 7
Shoe-release button
27224 Manual Revised 09-0608 Page 13

Scrolling Adjustment (Fig.8)
The scrolling feature allows
360 ° blade rotation. In this
mode there is no orbital action°
it is ideal for cutting curves and
for detailed work,
,
22
,
Fig. 8
To engage the scrolling
function, move the
3-position mode selection
lever to the SCROLLING
position ",_ "o (Fig.9)
Grasp the saw firmly,
and manually rotate the
saw head to the desired
position.
Use with a scrolling blade to cut intricate scroll patterns in all materials.
WARNING: When you are manually rotating the saw head for scroll cutting,
always hold the saw handle in one hand and rotate the saw head with the other
hand.
SCROLLING/ORBITAL/STRAIGHT FUNCTION (Fig. 9)
1. Disconnect the saw from
the power supply. Fig. 9
2. Turn the 3-position mode
selector to the SCROLLING
position "z_ " position in
order to allow the saw head
to be rotated relative to the
body.
3. Move the knob to either of
the other two settings in
order to lock the saw head
in position.
4. For straight cutting action,
turn the knob to the ",_:_"
position.
5. For orbital cutting action, turn the knob to the orbital position" _ "
Orbital action increases the speed of cut, but may result in a rougher finish to
the cut in some materials.
Experiment on a piece of scrap material in order to determine the optimum
orbital action setting.
GENERAL CUTTING
WARNING: Before plugging in the tool, always check to determine that the
27224 Manual Revised 09-0608 Page 14

switch performs properly and returns to the "OFF" position when released,
_, WARNING: Hold the tool only by the plastic handle and the insulated grip
area to help prevent electrical shock. When sawing into walls or floors you may
encounter electrical wiring. Sawing into a "live" wire will cause electric shock_
,_ WARNING: Your saw should never be connected to the power source when
you are assembling parts, making adjustments, installing or removing blades,
cleaning, or when it is not in use. Disconnecting the reciprocating saw will
prevent accidental starting, which could cause serious personal injury.
1. Unplug the saw.
2. Make sure that the workpiece is firmly anchored: clamp the workpiece to
prevent slipping or moving while cutting.
3. Use the appropriate type and size of blade for the workpiece material and
size.
4o Adjust the pivot shoe as necessary to make sure that the blade will extend
beyond the shoe and the workpiece at all times_
5, Adjust the pivot shoe as necessary to expose unworn blade teeth for longer
blade life.
6_ Check for clearance behind the workpiece so that the blade will not impact
another surface.
7. Mark the line of cut clearly.
8. If cutting metal, apply cutting oil on the line.
9. Plug the reciprocating saw into an electrical outlet
10. Hold the saw firmly with both hands. Make sure to keep your hands on the
insulated gripping areas only.
11o Depress the trigger switch to start the saw and bring it to the maximum
desired cutting speed
before applying the blade to
the workpiece.
12_ Do not force the tool. Place
the shoe firmly on the
workpiece while cutting_
Use only enough steady
pressure on the blade to
keep the saw cutting.
13_ Reduce pressure as the
blade comes to the end of
the cut,
Fig, 10
14. Allow the saw to come to
a complete stop before
removing the blade from the
workpiece.
15. If sawing fiberglass, plaster, wallboard, or spackling compound, clean
the saw motor vents frequently with a vacuum or compressed air. These
27224 Manual_Revised_09_608 Page 15

materials are highly abrasive and may accelerate the wear on motor bearings
and brushes°
NOTE: Cutting speeds should vary with the workpiece. Hard materials, such as
metals, require lower speeds; for softer materials use higher speeds.
,_ WARNING: Do not allow familiarity with the saw to make you careless_ One
careless fraction of a second is enough to inflict serious injury.
PLUNGE CUTTING
Your Craftsman scrolling reciprocating saw is ideal for plunge cutting directly
into surfaces that cannot be cut from an edge, such as wails or floors. Plunge
cutting may be accomplished two ways, depending on how the blade is
inserted. Column A shows how to make a plunge cut with the teeth of the blade
facing down. Column B shows how to make a plunge cut with the teeth of the
blade facing upo
WARNING: Do not plunge cut into metal surfaces.
WARNING: Your saw should never be connected to the power source when
you are assembling parts, making adjustments, installing or removing blades,
cleaning, or when it is not in use. Disconnecting the reciprocating saw will
prevent accidental starting, which could cause serious personal injury'.
2.
.
4_
5_
Unplug the saw.
Insert the blade into the too!. If the blade was inserted with the teeth facing
down toward the lower surface of the tool, hold the tool as shown in Column
A, resting the edge of the shoe on the workpieceo If the blade was inserted
with the teeth facing up toward the upper surface of the tool, hold the toot
as shown in Column B, resting the edge of the shoe on the workpiece as
shown.
With the tip of the blade just above the workpiece, pull the trigger and allow
the tool to come to the desired speed.
Carefully pivot the tool on the edge of the shoe, so that the moving saw
blade pierces the workpieceo
As the blade starts cutting, continue to pivot the tool until the entire shoe
rests firmly on the workpieceo Then guide the tool along your cutting line to
make the desired cut.
Note: To make plunge cutting easier, use a heavy gauge blade and install the
blade with the teeth facing upward as show in column Bo
•_ WARNING" To reduce the risk of explosion, electric shock and property
damage, always check the work area for hidden gas pipes, electrical wires or
water pipes when making blind or plunge cut.
WARNING: To avoid loss of control and serious injury, make sure that the
blade reaches maximum speed before touching it to the workpiece.
,_ WARNING; Do not make plunge cuts in metal materials.
METAL CUTTING
27224 Manua!_Revised_09©6D8 Page 16

Fig. 11 AB
,J
The saw can be used to cut metals, such as sheet steel, pipe, steel rods,
aluminum, brass, and copper. Be careful not to twist or bend the saw blade, Do
not force the saw.
The use of cutting oil is recommended when cutting soft metals and steel.
Cutting oil will keep the blade coot, increase cutting action, and prolong blade
life.
WARNING; Never use gasoline, because normal sparking could ignite the
fumes.
27224 Manuat Revised 09©608 Page 17

1. Securely clamp the workpiece in position, and make the cut close to the
clamping point in order to minimize workpiece vibration_
2. When cutting conduit pipe or angle iron, clamp the workpice in a vise, if
possible, and cut close to the vise_
3. To cut thin sheet material, "sandwich" the material between pieces of
hardboard or plywood, and clamp the layers together in order to reduce
vibration and tearing of the material.
WARNING: To ensure safety and reliability, all repairs should be performed
by a qualified service technician at a Sears Service Center.
_1_ WARNING; For your safety, always turn off the switch and unplug the
reciprocating saw from the power source before performing any maintenance or
cleaning°
Periodic maintenance of your reciprocating saw allows for tong life and trouble-
free operation. The saw can generate considerable quantities of cutting residue.
A cleaning, lubrication, and maintenance schedule should be maintained°
As a common-sense and preventive maintenance practice, follow these
recommended steps:
o Inspect the blade; check it for wear or damage.
Keep the ventilation slots of the motor clean to prevent overheating of the
motor. Electric tools are subject to accelerated wear and possible premature
failure when they are used to work on fiberglass boats and sports cars,
wallboard, spackling compounds or plaster. The chips and grindings from
these materials are highly abrasive to electrical tool parts, such as bearings,
brushes, commutators, etc. Consequently, it is not recommended that
this tool be used for extended work on any fiberglass material, wallboard,
spackling compound, or plasten During any use on these materials, it is
extremely important that the tool is cleaned frequently by blowing with an air
jet.
m Use a soft clean and damp cloth to wipe the tool housing. A mild detergent
can be used but nothing like alcohol, gasoline or other cleaning agent_ Never
use caustic agents to clean plastic parts.
,_ WARNING; Always wear safety goggles or safety glasses with side shields
during power tool operations or when blowing dust. If operation is dusty, also
wear a dust mask°
WARNING: When changing a blade immediately after operation, allow the
blade to cool before removing it to avoid possible burning_
,_ WARNING; Keep the tool's air vents unclogged and clean at all times.
27224 ManuaLRevised_09_9608 Page 18

,_ WARNING: Avoid using solvents when cleaning plastic parts. Most plastics
are susceptible to damage from various types of commercial solvents and may
be damaged by their use. Use clean cloths to remove dirt, dust, oil, grease,
etc.
_k WARNING: Do not at any time let brake fluids, gasoline, petroleum-
based products, penetrating oils, etc. to come in contact with plastic parts.
Chemicals can damage, weaken or destroy plastic which may result in serious
personal injury°
,_ WARNING: Water must never come into the tool.
PROBLEM CAUSE SOLUTION
The saw wilt not start Not plugged into power Plug the saw into a
source power source
Blade cannot be Saw dust in the clamp Clean the clamp slot
removed slot with brush
27224 ManuaLRevised_09-0608 Page 19

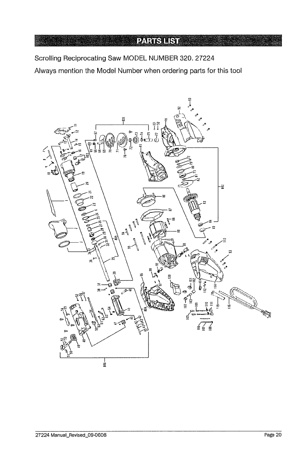
Scrolling Reciprocating Saw MODEL NUMBER 320. 27224
Always mention the Model Number when ordering parts for this tool
\
@
]
27224 Manua!_Revised 094)608 Page 20

1 381 OO08000
2
3
4
5
Blade 1
3123917000 Front Handle 1
....... ............................... ,-- _ ............................. ,__ , , ,,, ,,,
3123940000 Becket 1
5610097000 Thread Forming Screw 1
3704134000 Clamp 1
6 5690191000 Seal Ring 2
5660001000 E Ring 1
shaft 1
............. L,, ,,, ' ,,,,",, ,' ,",,,,,,,,
Torsion Spring 1
Lever 1
Bevel Support 1
Circtips For Shaft 1
Shaft 1
3420666000 Adjusting Pole i
..................... , ........ • i ,,, L,,
3550973000 Pendulum Pin !
3660350000 Torsion Spring 1
3420667000 Lock Ring 1
18 3123977000 Lever 1
3420656000 Front Gear Housing 1
8 3550727000
9 3660260000
10 3402195000
1'1 3700671000
12 5660004000
355132300013
"14
15
"16
"17
19
20 3520337000 Aligning Bearing
21 5690015000 O Ring
22 3124209000 Bush
23 3520365000 Lock Ring
24
25
26
27
28
1
1
1
29
5660'152000 Circlips For Shaft t
-i J L,L I , I ,,I, , IJLJ , LL ,LL, L,, , ,,,, L,,,,I ,,
5660151000 Circlips For Hole 1
5660145000 Circlips For Shaft 1
3551279000 Bush 1
....... _................. _ ...... , __ J,, JJ J i i L i L
3420679000 Rotate Bush 1
3660386000 Torsion Spring 1
27224 ManuaLRevised 09-0608 Page 21

30
31
32
33
34
a
35
36
37
38
39
4O
3123512000
m.,
5670182000
5670003000
5670199000
5670194000
3551335000
5670204000
3551306000
5670187000
Sleeve
Pin
Spring Pin
i i ii ,ll,,,,u.,
Pin
Pin
Plunger
Pin
Lock Ring
Pin
3420925000 Drive Bracket
5670185000 Pin
41
42
43
44
45
46
47
,,,,,,,,,,,,,,,,,,,,,,,,,,,............
48
49
5O
5'i
52
53
54
55
56
57
58
59
3420655000
3700197000
Bevel Support
Washer
3550169000
5700022000
5670186000
5620399000
5700193000
3420654000
3123927000 Limit Plate
.......... , , . ,,,,, ,,,,,,,,,,.,,,,_ .......
3402248000 Pendulum Lever Set
5660029000 E Ring
Crank Roller
Needle Bearing
Pin
Hexagon Socket Screw
Oil tmpreging Bearing
........... ,,,,,,,,,, ...........
Gear Case Cover
3660050000
3700191000
3123996000
5610057000
3t 200160OO
5700045000
5660137000
3123798000
Spring B
Cap
Dust Cap
Thread Forming Screw
Spring Tube
Steel Ball
Adjusting Sleeve
1
1
1
1
1
1
I
1
1
1
1
1
2
1
1
1
4
2
I
1
1
1
3
1
1
4
1
1
1
1
, ,,,, ,,,,,, ,,,
27224 ManuaLRevised_0943608 Page 22

60
61
62
63
64
65
66
67
68
69
70
71
72
73
74
75
76
77
78
79
8O
81
82
83
84
85
86
87
88
89
3551000000
5680020000
3704130000
3551127OOO
3660375000
3551374000
5700212000
5620074000
567020200O
3704188000
3520400000
3550999000
3520358000
5700015000
5660013000
3551002000
5620396000
5700182000
3420653000
5650235000
3121057000
3700335000
3704086000
,,,, H,,,i,,,
2750904000
5700008000
Spindle Lock
Rivet
Link
Shaft
Spring
Crank Roller
Needle Bearing
Screw
Pin
Counterweight
Impact Block
Gear
Bush
.Ball Bearing
Circlips For Shaft
Gear Shaft
Screw with Washer
Needle Bearing
Gear Case
Washer
Rubber Ring
Washer
Bearing clamping plate
Rotor
Ball Bearing
3120993000
3123925000
3123918000
3700796000
2740118000
Bearing Holder
Fan Baffle
Lantern Ring
Terminal
Stator
1
1
1
4
1
, ,,,,,
27224 ManuaLRevised_09-0608 Page 23

9O 3123919000
91 3320634000
92 3320636000
93 56'10103000
Motor Housing
Left Guard
Right Guard
Tapping Screw
1
1
1
11
94
95
96
97
98
99
100
10'1
5610045000
5610050000
3320871000
5610006000
2800032000
4960030000
4870419000
493O0040OO
102 3123707000
103 4540017000
Tapping Screw 4
Tapping Screw 2
Left Handle 1
Tapping Screw 4
Brush Holder 2
Carbon Brush 2
Switch 1
Connecter 2
Transparence Cap 2
Power Supply Indicator 1
104 3700285000 Cord Anchorage 1
105 4930094000 Sleeve 2
106 4930061000 Shark Teeth Terminal 3
!07 4860004000 Inner Wire 4
108 4930027000 Receptacle 1
110
11 1
112
113
114
109 4930030000
4930038000
4930008000
5610093000
5610035000
3320872000
Receptacle
Receptacle
Sleeve
Tapping Screw
Tapping Screw
Right Handle
115 3121045000
116 4810002000
801
802
803 2822478000
2822482000
2822727000
Cord Guard
Power Cord & Plug
Gear Set
Motor and Gear Case ASSY
Lock Wrench ASSY
2
2
2
2
1
1
1
1
1
27224 ManuaLRevised_09-O608 Page 24

804 2822483000
805 2822677000
806 2822679000
Bevel Support Set
Plunger ASSY
Gear Case Cover ASSY
I1
j_ H ,
1
27224 Manual Revised_0943608 Page 25

27224ManualRevised09-0608 Page26

27224ManuaLRevised_09-0608 Page27

Your Home
i¸_I!!_I_I;¸::I':_,I¸:_ For expert troubleshooting and home solutions advice:
manage home
www.managemyhome.com
For repair- in your home -of all major brand appliances,
lawn and garden equipment, or heating and cooling systems,
no matter who made it, no matter who sold it !
For the replacement parts, accessories and
owner's manuals that you need to do-it-yourself.
For Sears professional installation of home appliances
and items like garage door openers and water heaters.
1-800-4-MY-HOME ® Call anytime, day or night
(1-800-469-4663) (U.S.Ao and Canada)
www.sears.com www.sears.ca
......... ,. ................................. =..............................................................
Our Home
kr
i:_:;,:ii ¸'
:;i:? i
iii_i::i!'_iiiil;i
For repair of carry-in items like vacuums, lawn equipment,
and electronics, call anytime for the location of the nearest
Sears Parts & Repair Service Center
1-800-488-1222 (U.SoA.)
www.sears.com
1-800-469-4663 (Canada)
www.sears.ca
To purchase a protection agreement on a product serviced by Sears:
1-800-827-6655 (US.A_)
Para pedir servicio de reparacbn
a domicilio, y para ordenar piezas:
1,.888-SU-HOGAR®
(1.888-784.6427)
1-800-361-6665 (Canada)
Au Canada pour service en fran£:ais: :::
1-800-LE-FOYER Mc
(1.800-533-6937) :: ::
www.sears,ca
© SearsBrands,LLC
@Regtslered Trademark/'rM Trademark /si Service Mark of Sears Brands, LLC
@Marca Registrada IT_ Marca de F&brica /sMMarea de Servtcio de Sears Brands, LLC
Mc Marque de commerce /MDMarque d_pos6e de Sears Brands, LLC