Craftsman 32066810 User Manual IMPACT WRENCH Manuals And Guides L0910009
CRAFTSMAN Wrenches and Accessories Manual L0910009 CRAFTSMAN Wrenches and Accessories Owner's Manual, CRAFTSMAN Wrenches and Accessories installation guides
User Manual: Craftsman 32066810 32066810 CRAFTSMAN IMPACT WRENCH - Manuals and Guides View the owners manual for your CRAFTSMAN IMPACT WRENCH #32066810. Home:Tool Parts:Craftsman Parts:Craftsman IMPACT WRENCH Manual
Open the PDF directly: View PDF
.
Page Count: 28

Operator's Manual
20.0-Volt Lithium-ion Cordless
1/2-in. impact Wrench
Model No. 320.66810
Powered by an
ENERGY STAR _
qualified battery
charger for a
_ better environment
WARNING: To reduce the risk of injury,
the user must read and understand
this Operator's manual before using
this product.
•Warranty
•Safety
•Assembly
•Operation
•Maintenance
Charge battery before first use
Sears, Roebuck and Co., Hoffman Estates, IL 60179 U.S.A.
www.craftsman.com
2341141001

Warranty Page 2
Safety Symbols Page 3
Safety Instructions Pages 5-12
Description Pages 13-14
Assembly Page 14
Operation Pages 15-22
Maintenance Pages 22-23
Troubleshooting Page 24
Exploded View and Parts List Pages 25-27
Sears Repair Parts Phone Number Back Cover
ONE YEAR FULL WARRANTY ON CRAFTSMAN® PROFESSIONAL
TOOL
If this Craftsman professional tool fails to give complete satisfaction within
one year from the date of purchase, return it to any Sears store or Parts &
Repair Center or other Craftsman outlet in the United States for free repair
(or replacement, if repair proves impossible).
This warranty does not include expendable parts such as lamps, batteries,
bits, or blades.
This warranty gives you specific legal rights, and you may also have other
rights which vary from state to state.
Sears, Roebuck and Co., Hoffman Estates IL 60179
iNTRODUCTiON
SAVE THESE iNSTRUCTiONS!
This cordless Impact Wrench has many features for making its use more
pleasant and enjoyable. Safety, performance, and dependability have been given
top priority in the design of this product, making it easy to maintain and operate.
,_ WARNING: Some dust created by using power tools contains chemicals
known to the state of California to cause cancer and birth defects or other
reproductive harm.
668t0 ManuaLRevised_09 0407 Page 2

The purpose of safety symbols is to attract your attention to possible dangers.
The safety symbols and the explanations with them deserve your careful
attention and understanding. The symbol warnings do not, by themselves,
eliminate any danger. The instructions and warnings they give are no substitutes
for proper accident-prevention measures.
_, WARNING: Be sure to read and understand all safety instructions in this
manual, including all safety-alert symbols such as "DANGER," "WARNING," and
"CAUTION," before using this Impact Wrench. Failure to follow all instructions
listed below may result in electric shock, fire, and/or serious personal injury.
SAFETY SYMBOL MEANNING
,_ DANGER: Indicates an imminently hazardous situation, which, if not
avoided, will result in death or serious injury.
,_ WARNING: Indicates a imminently hazardous situation, which, if not
avoided, could result in death or serious injury.
,_ CAUTION: Indicates an potentially hazardous situation, which, if not
avoided, may result in death or serious injury.
NOTE: (Without Safety Alert Symbol) Indicates a situation that may result in
property damage.
,_ WARNING: To ensure safety and reliability, all repairs should be performed
by a qualified service technician at a Sears Service Center.
,_ WARNING: The operation of any power tool can result in
foreign objects being thrown into your eyes, which can result in
severe eye damage. Before beginning power tool operation,
always wear safety goggles or safety glasses with side shields
and a full-face shield when needed. We recommend a Wide
Vision Safety Mask for use over eyeglasses or standard safety
glasses with side shields. Always use eye protection that is
marked to comply with ANSI Z87.1
SAVE THESE INSTRUCTIONS
668t0 ManuaLRevised_09 0407 Page 3

Some of these following symbols may be used on this tool. Please study them
and learn their meaning. Proper interpretation of these symbols will allow you to
operate the tool better and safer.
SYMBOL NAME DESIGNATION/EXPLANATION
V Volts Voltage
A Amperes Current
Hz Hertz Frequency (cycles per second)
W Watt Power
min Minutes Time
Alternating Current Type of current
Direct Current Type or a characteristic of current
n o No Load Speed Rotational speed, at no load
] Class II Construction Double-insulated construction
.../min Per Minute Revolutions, strokes, surface speed,
orbits, etc., per minute
Wet Conditions Alert Do not expose to rain or use in damplocations.
To reduce the risk of injury, user must
Read The Operator's Manual read and understand operator's manual
before using this product.
Always wear safety goggles or safety
Eye Protection glasses with side shields and a full face
shield when operating this product.
Alert Precautions that involve
Safety your safety.
Failure to keep your hands away from the
No Hands Symbol blade will result in serious personal injury.
Failure to keep your hands away from the
No Hands Symbol blade will result in serious personal injury.
No Hands Failure to keep your hands away from the
Symbol blade will result in serious personal injury.
Failure to keep your hands away from the
No Hands Symbol blade will result in serious personal injury.
Hot Surface To reduce the risk of injury or damage,avoid contact with any hot surface.
66810 Manual_Revised_09 0407 Page 4

GENERAL POWER TOOL SAFETY WARNINGS
WARNING: Read all safety warnings and instructions. Failure to follow the
warnings and instructions may result in electric shock, fire and/or serious injury.
The term "power tool" in all of the warnings listed below refers to corded power
tools or battery-operated (cordless) power tools.
SAVE ALL WARNINGS AND INSTRUCTIONS FOR FUTURE REFERENCE.
The term "power tool" in the warnings refers to your mains-operated (corded)
power tool or battery-operated (cordless) power tool.
WORK AREA SAFETY
* Keep your work area clean and well lit. Cluttered or dark areas invite accidents
* Do not operate power tools in explosive atmospheres, such as in the
presence of flammable liquids, gases or dust. Power tools create sparks
which may ignite the dust or fumes.
* Keep children and bystanders away while operating a power tool.
Distractions can cause you to lose control.
ELECTRICAL SAFETY
• Avoid body contact with earthed or grounded surfaces such as pipes,
radiators, ranges and refrigerators. There is an increased risk of electric shock
if your body is earthed or grounded.
Power tool plugs must match the outlet. Never modify the plug in any
way. Do not use any adapter plugs with earthed (grounded) power tools.
Unmodified plugs and matching outlets will reduce the risk of electric shock.
Do not expose power tools to rain or wet conditions. Water entering a power
tool will increase the risk of electric shock.
* Do not abuse the cord. Never use the cord for carrying, pulling or unplugging
the power tool. Keep the cord away from heat, oil, sharp edges or moving
parts. Damaged or entangled cords increase the risk of electric shock.
* When operating a power tool outdoors, use an extension cord suitable for
outdoor use. Use of a cord suitable for outdoor use reduces the risk of
electric shock.
• If operating a power tool in a damp location is unavoidable, use a residual
current device (RCD) protected supply. Use of an RCD reduces the risk of
electric shock.
Use the battery only with the charger listed:
BATTERY PACK CHARGER
320.25708 320.25709
66810 Manual_Revised_09 0407 Page 5

PERSONAL SAFETY
• Stay alert, watch what you are doing and use common sense when operating
a power tool. Do not use a power tool while you are tired or under the
influence of drugs, alcohol or medication. A moment of inattention while
operating power tools may result in serious personal injury.
Use personal protective equipment. Always wear eye protection. Protective
equipment such as dust mask, non-skid safety shoes, hard hat, or hearing
protection used for appropriate conditions will reduce personal injuries.
Prevent unintentional starting. Ensure the switch is in the off-position before
connecting to power source and/or battery pack, picking up or carrying the
tool. Carrying power tools with your finger on the switch or energising power
tools that have the switch on invites accidents.
Remove any adjusting key or wrench before turning the power tool on. A
wrench or a key left attached to a rotating part of the power tool may result
in personal injury.
Do not overreach. Keep proper footing and balance at all times. This enables
better control of the power tool in unexpected situations.
Dress properly. Do not wear loose clothing or jewelry. Keep your hair,
clothing and gloves away from moving parts. Loose clothes, jewelry or long
hair can be caught in moving parts.
If devices are provided for the connection of dust extraction and collection
facilities, ensure these are connected and properly used. Use of dust
collection can reduce dust-related hazards.
Use clamps or another practical way to support and secure the workpiece
to a stable platform. Holding the work by hand or against your body leaves it
unstable and may lead to loss of control.
Do not use on a ladder or unstable support. Stable footing on a solid surface
enables better control of the power tool in unexpected situations.
Keep handles dry, clean, and free from oil and grease. Slippery hands cannot
safely control the power tool.
Always wear safety glasses with side shields. Everyday glasses may have
impact-resistant lenses, but they are NOT safety glasses. Following this rule
will reduce the risk of eye injury.
Protect your lungs. Wear a face or dust mask if the operation is dusty.
Following this rule will reduce the risk of serious personal injury.
Protect your hearing. Wear hearing protection during extended periods of
operation. Following this rule will reduce the risk of serious person injury.
66810 ManuaLRevised_09 0407 Page 6

POWER TOOL USE AND CARE
• Do not force the power tool. Use the correct power tool for your application.
The correct power tool will do the job better and safer at the rate for which it
was designated.
Do not use the power tool if the switch does not turn it ON and OFF. Any
power tool that cannot be controlled with the switch is dangerous and must
be repaired.
Disconnect the plug from the power source and/or the battery pack from the
power tool before making any adjustments, changing accessories, or storing
power tools. Such preventive safety measures reduce the risk of starting the
power tool accidentally.
Store idle power tools out of the reach of children and do not allow persons
unfamiliar with the power tool or these instructions to operate the power tool.
Power tools are dangerous in the hands of untrained users.
Maintain power tools. Check for misalignment or binding of moving parts,
breakage of parts and any other condition that may affect the power tool's
operation. If damaged, have the power tool repaired before use. Many
accidents are caused by poorly maintained power tools.
Keep cutting tools sharp and clean. Properly maintained cutting tools with
sharp cutting edges are less likely to bind and are easier to control.
Use the power tool, accessories and tool bits etc. in accordance with these
instructions, taking into account the working conditions and the work to be
performed. Use of the power tool for operations different from those intended
could result in a hazardous situation.
Hold power tools by insulated gripping surfaces when performing an
operation where the cutting tool may contact hidden wiring or its own cord.
Contact with a "live" wire will make exposed metal parts of the tool "live" and
shock the operator.
Know your power tool. Read the product manual carefully. Learn the
applications and limitations, as well as the specific, potential hazards related
to this tool. Following this rule will reduce the risk of electric shock, fire or
serious injury.
Save these instructions. Refer to them frequently and use them to instruct
others who may use this tool. If you lend this tool to someone else, also lend
them these instructions.
66810 ManuaLRevised_09 0407 Page 7

BATTERY TOOL USE AND CARE
• Make sure that the switch is in the OFF position before inserting the battery
pack. Inserting the battery pack into power tools that have the switch ON
invites accidents.
Recharge only with the charger specified by the manufacturer. A charger that
is suitable for one type of battery pack may create a risk of fire when used
with another battery pack.
Use power tools only with specifically designated battery packs. Use of any
other battery packs may create a risk of injury and fire.
When the battery pack is not in use, keep it away from other metal objects,
like paper clips, coins, keys, nails, screws or other small metal objects, that
can make a connection from one terminal to another. Shorting the battery
terminals together may cause burns or a fire.
Under abusive conditions, liquid may be ejected from the battery; avoid
contact. If contact accidentally occurs, flush with water. If liquid contacts
eyes, additionally seek medical help. Liquid ejected from the battery may
cause irritation or burns.
Battery tools do not have to be plugged into an electrical outlet; therefore,
they are always in operating condition. Be aware of possible hazards when
not using your battery tool or when changing accessories. Following this rule
will reduce the risk of electric shock, fire, or serious personal injury.
Do not place battery tools or their batteries near fire or heat. This will reduce
the risk of explosion and possible injury.
Do not crush, drop or damage the battery pack. Do not use a battery pack
or charger that has been dropped or received a sharp blow. A damaged
battery is subject to explosion. Properly dispose of a dropped or damaged
battery immediately.
A damaged battery is subject to explosion. Properly dispose of a dropped or
damaged battery immediately.
Batteries vent hydrogen gas and can explode in the presence of a source of
ignition, such as a pilot light. To reduce the risk of serious personal injury,
never use any cordless product in the presence of open flame. An exploded
battery can propel debris and chemicals. If exposed to such debris or
chemicals, immediately flush the exposed area with water.
Do not charge a battery tool in a damp or wet location. Following this rule will
reduce the risk of electric shock.
Under extreme usage or temperature conditions, battery leakage may occur.
If contact accidentally occurs, flush with water. If liquid contacts eyes, seek
medical help. Liquid ejected from the battery may cause irritation or burns.
If liquid from the battery comes in contact with your skin, wash immediately
with soap and water, then neutralize with lemon juice or vinegar.
66810 ManuaLRevised_09 0407 Page 8

• If liquid from the battery gets in your eyes, flush them with clean water for at
least 10 minutes, and then seek immediate medical attention. Following this
rule will reduce the risk of serious personal injury.
SERVICE
Have your power tool serviced by a qualified repair person using only identical
replacement parts. This will ensure that the safety of the power tool is
maintained.
®
®
When servicing a power tool, use only identical replacement parts.
Follow instructions in the Maintenance section of this manual. Use of
unauthorized parts or failure to follow Maintenance instructions may create a
risk of shock or injury.
SPECiFiC SAFETY RULES FOR CORDLESS iMPACT WRENCH
Hold power tools by insulated gripping surfaces when performing an operation
where the cutting tool may contact hidden wiring or its own cord. Contact with
a "live" wire will make exposed metal parts of the tool "live" and shock the
operator.
Use clamps or other practical way to support and secure the workpiece to a
stable platform. Holding the work by hand or against your body is unstable
and may lead to loss of control.
Do not drill, fasten or break into existing walls or other blind areas where
electrical wiring may exist. If this situation is unavoidable, disconnect all
fuses or circuit breakers supplying the worksite.
Always wear safety goggles or eye protection when using this tool.
Bits, sockets, and tools get hot during operation. Wear gloves when
touching them.
Wear ear protectors when using the tool for extended periods. Prolonged
exposure to high intensity noise can cause hearing loss.
Use thick, cushioned gloves and limit the exposure time by taking frequent
rest periods. Vibration caused by hammer-drill or Imapct wrench action may
be harmful to your hands and arms.
Secure the material being fastened. Never hold it in your hand or across your
legs. Unstable support can cause loss of control and injury.
Avoid accidental starting. Be sure the forward/reverse switch is in the OFF
position before inserting a battery pack. Carrying appliances with your finger
on the switch or inserting the battery pack into an appliance with the switch
on invites accidents.
Remove battery pack before changing accessories. Accidental starting may occur
because battery appliances with a battery inserted are in the operative condition.
Be prepared for a reaction torque when "seating" or removing a fastener. The
tool housing may tend to twist in the opposite direction of bit rotation when
"seating" or removing a fastener, depending on the torque setting of the tool.
66810 ManuaLRevised_09 0407 Page 9

• Do not run the tool while carrying it at your side. A spinning bit could become
entangled with clothing and injury may result.
Place the tool onto the fastener only when the tool is switched OFF. Rotating
driver tools can slide off the fastener.
Do not use this tool as a drill. Tools equipped with shut-off clutches are not
designed for drilling applications. The output drive can shut off automatically
and without warning.
Be careful when driving long screws. There is a risk of the tool sliding off the
fastener head, depending on type of socket or bit used. First test the run-down
of a fastener and pay attention during the screw-driving process to ensure you
do not injure yourself if the tool bit or socket slides off of the fastener.
For best results, your battery tool should be charged in a location where the
temperature is more that 32 ° F (0° C) but less that 104°F (40°C). Do not store
outside or in vehicles.
SAFETY RULES FOR CHARGER
,_ WARNING: Read and understand all instructions. Failure to follow all
instructions listed below may result in electric shock, fire, and/or serious
personal injury.
Before using the battery charger, read all instructions and cautionary
markings in this manual and on the battery charger, the battery and the
product using the battery to prevent misuse of the products and possible
injury or damage.
CAUTION: To reduce the risk of electric shock or damage to the charger
and battery, charge only those lithium-ion rechargeable batteries specifically
designated on your charger's label. Other types of batteries may burst, causing
personal injury or damage.
Do not use the charger outdoors or expose it to wet or damp conditions.
Water entering the charger will increase the risk of electric shock.
Use of an attachment not recommended or sold by the battery-charger
manufacturer may result in a risk of fire, electric shock or injury to persons.
Do not abuse the cord or charger. Never use the cord to carry the charger.
Do not pull the charger cord to disconnect the plug from the electrical
receptacle. Damage to the cord or charger could occur and create an electric
shock hazard. Replace damaged cords immediately.
Make sure that the cord is located so that it will not be stepped on, tripped
over, come in contact with sharp edges or moving parts, or otherwise be
subjected to damage or stress. This will reduce the risk of accidental falls,
which could cause injury and damage to the cord and could then result in
electric shock.
Keep the cord and charger from heat to prevent damage to housing or
internal parts.
66810 ManuaLRevised_09 0407 Page 10

Do not allow gasoline, oils, petroleum-based products, etc. to come in
contact with plastic parts. These materials contain chemicals that can
damage, weaken, or destroy plastic.
An extension cord should not be used unless absolutely necessary. Use of
an improper extension cord could result in a risk of fire and electric shock. If
an extension cord must be used, make sure that:
The pins on plug of extension cord are the same number, size and shape as
those of the plug on charger.
The cord is properly wired and in good electrical condition
The size is large enough for AC ampere rating of charger as specified below:
The Cord Length (Feet) 25' 50' 100'
Cord Size (AWG) 16 16 16
NOTE: AWG = American Wire Gauge
• Do not operate the charger with a damaged cord or plug, which could
cause shorting and electric shock. If damaged, have the charger repaired or
replaced by an authorized service technician at Sears Service Center.
Do not operate the charger if it has received a sharp blow, been dropped,
or has otherwise been damaged in any way. Take it to an authorized service
technician at Sears Service Center for an electrical check to determine if the
charger is in good working order.
Do not disassemble the charger. Take it to an authorized service technician
at a Sears Service Center when service or repair is required. Incorrect
reassembly may result in a risk of electric shock or fire.
Unplug the charger from the electrical outlet before attempting any
maintenance or cleaning to reduce the risk of electric shock.
Disconnect charger from the power supply when not in use. This will reduce
the risk of electric shock or damage to the charger if metal items should fall
into the opening. It will also help prevent damage to the charger during a
power surge.
Risk of electric shock. Do not touch the uninsulated portion of output
connector or uninsulated battery terminal.
Save these instructions. Refer to them frequently and use them to instruct others
who may use this tool. If you lend this tool to someone else, also lend these
instructions to them to prevent misuse of the product and possible injury.
IMPORTANT SAFETY INSTRUCTIONS
Save these instructions. This manual contains important safety and operating
instructions for 20.0V Impact Wrench 320.66810.
Before using battery charger, read all instructions and cautionary markings
on battery charger, the battery and the product using battery, as well as the
operator's manuals for these products.
66810 ManuaLRevised_09 0407 Page 11

,_ CAUTION: To reduce the risk of injury, charge only lithium-ion rechargeable
batteries. Other types of batteries may burst, causing personal injury or damage.
WARNING: When using electric appliances, basic precautions should
always be followed, including the following.
a) To reduce the risk of injury, close supervision is necessary when an appliance
is used near children.
b) Only use attachments recommended or sold by manufacturer.
c) Do not use outdoors.
d) For a portable appliance - To reduce the risk of electrical shock, do not put
the Impact Wrench and Battery Pack in water or other liquid. Do not place or
store appliance where or can fall or be pulled into a tub or sink.
66810 ManuaLRevised_09 0407 Page i2

KNOW YOUR iMPACT WRENCH (Fig.l)
Fig. 1
1/2" Square
Drive
Variable-speed
Trigger Switch
LED Worklight
Power Bar
Direction-of-
Rotation Selector
(Forward/Lock-off/
Reverse)
Battery Pack
Battery-Pack Release
Button
PRODUCT SPECIFICATION
Motor 20 Volt DC
Switch VSR (Variable Speed Reversible)
No Load Speed 0-1900 RPM
Impacts per minute 0-2100 BPM
Torque 300 ft-lbs
Wrench Weight (with battery) 7.0 Ibs
Battery Type Lithium-Ion
Battery Voltage 20 Volt DC
Charger Input 120-Volts, 60 Hz AC only
Optimum Charging Temperature 32°F (0° C) -104°F (40°C)
66810 ManuaLRevised_09 0407 Page 13

WARNING: The safe use of this product requires an understanding of the
information on the tool and in this operator's manual, as well as knowledge of
the project you are attempting. Before use of this product, familiarize yourself
with all operating features and safety rules.
VARIABLE SPEED
The variable speed trigger switch delivers higher speed with pressure and lower
speed with decreased trigger pressure.
FORWARD/LOCK=OFF/REVERSE
The direction-of-rotation selector located above the trigger switch changes
the direction of bit rotation. Setting the trigger switch in the OFF (center lock)
position helps to reduce the possibility of accidental starting.
LED WORKLIGHT
Pressing the trigger switch illuminates the LED worklight, located on the base of
the Impact Wrench. This feature provides extra light for increased visibility.
WARNING: If any parts are broken or missing, do not attempt to plug in the
power cord or operate the Impact Wrench until the broken or missing parts are
replaced. Failure to do so could result in possible serious injury.
WARNING: Do not attempt to modify this Impact Wrench or create
accessories not recommended for use with this tool. Any such alteration or
modification is misuse and could result in a hazardous condition leading to
possible serious injury.
WARNING: To prevent accidental starting that could cause serious personal
injury, always remove the battery pack from the Wrench when assembling parts.
UNPACKING
This product has been shipped completely assembled.
= Carefully remove the tool and any accessories from the box. Make sure that
all items listed in the packing list are included.
= Inspect the tool carefully to make sure no breakage or damage occurred
during shipping.
= Do not discard the packing material until you have carefully inspected and
satisfactorily operated the tool.
= If any parts are damaged or missing, please refer to the numbers listed on
the back page of operator's manual.
PACKING LiST
Impact Wrench, Operator's manual
668:$0 ManuaLRevised_09 0407 Page 14

POWER BAR
This Lithium-Ion battery pack is equipped with a POWER BAR, which is used to
display the battery pack's remaining run time. Press the POWER BAR button to
display the LED lights. The LED lights will remain lit for approximately 4 seconds.
NOTE: The POWER BAR can be used whether the battery is attached or
removed from tool.
80-100% Charge
60-79% Charge
40-59% Charge
0 0 0 0 20-39% Charge
O O O'_(_[" under 10% Charge
-[_"¢-'_-'_'- Completely discharged
LOW-BATTERY CAPACITY INDICATOR
• If one LED light on the POWER BAR begins to rapidly and continuously
flash when the trigger switch on the wrench is depressed, the battery pack's
power has run out, and the battery pack should be recharged.
Unlike other battery pack types, Lithium-Ion battery packs deliver fade-free
power for their entire run time. The tool will not experience a slow, gradual
loss of power as you work. To signal that the battery pack is at the end of
its run time and needs to be charged, the power to the tool will drop quickly.
The POWER BAR will begin to display four flashing LED lights when the
battery is completely discharged. When this happens, remove the tool from
the workpiece, and charge the battery pack as needed.
NOTE: The POWER BAR may also display four flashing LED lights due to an
overload or high temperature situation (see SmartChip TMBattery protection).
66810 ManuaLRevised_09 0407 Page i5

SmartChip TM BATTERY PROTECTION
SmartChip TM intuitive circuitry protects the battery pack from extreme
temperature, over-discharge and over-charge. To protect the battery from
damage and prolong its life, the battery pack's SmartChip TM circuitry will turn
off the battery pack if it becomes overloaded or if the temperature becomes too
high during use. This may happen in extremely high torque, binding and stalling
situations. This intelligent system will shutdown your battery pack if its operating
temperature exceeds 176°F (80°C) and will begin normal operation when it
returns to 32°F (0°C) - 122 °F (50°C).
• The POWER BAR will display four flashing LED lights if the SmartChip TM
circuitry detects a momentary overload. You can conveniently reset the
battery pack by pressing the POWER BAR button. Press the POWER BAR
button again to display the remaining charge.
NOTE: The POWER BAR continues to flash four LED lights after reset, place the
battery pack on the charger, charger to evaluate the battery condition (Fig.4)
NOTE: A significantly reduced run time after fully charging the battery pack indicates
that the batteries are near the end of their usable life and must be replaced.
COLD WEATHER OPERATION
This Lithium-ion battery pack will provide optimal performance in temperatures
between 32°F (0°C) and 104°F (40°C). When the battery pack is very cold, it may
"pulse" for the first minute of use to warm itself. Put the battery pack on a tool
and use the tool in a light application. After about a minute, the battery pack will
have warmed itself and will operate normally.
WHEN TO CHARGE THE BATTERY PACK
The Lithium-ion battery can be Fig. 3
charged at any time and will
not develop a "memory" when
charged after only a partial
discharge, it is not necessary
to run down the battery pack
charge before recharging.
Remove the battery pack from
the tool when convenient for
you and your job.
* Use the POWER BAR to
determine when you need to
recharge the battery pack.
* You can "top-off" your
battery pack's charge
before starting a big job or long period of use.
66810 ManuaLRevised_09 0407 Page 16

• Due to Lithium-Ion's fade-free properties, the only time it is necessary to
charge the Lithium-Ion battery pack is when the pack has reached the end
of its charge. To signal the end of charge, power to the tool will drop quickly.
Charge the battery pack as needed.
HOW TO CHARGE THE BATTERY PACK
NOTE: This Lithium-Ion battery pack is shipped partially charged. Before using it
the first time, fully charge the battery pack.
A fully discharged battery pack will charge in about 50 minutes in a surrounding
temperature between 32 ° F (0° C) and 104 ° F (40 ° C).
1. Charge the Lithium-Ion battery pack with the correct charger.
2. Connect the charger to a power supply.
3. Align the raised ribs of the battery pack with the slot in the charger.
4. Slide the battery pack onto the charger (Fig. 3).
5. The charger will communicate with the battery pack to evaluate the condition
of the battery pack.
6. The POWER BAR LED lights will cycle from right to left during charging. This
is part of the normal charging operation.
7. After charging is complete, the green LED on the charger will come on and
the POWER BAR LED lights will go displayed when the POWER BAR button
is pressed while the battery pack is on the charger.
8. The battery pack will fully charge if left on the charger, but it will not overcharge.
NOTE: For your convenience, the charger can operate with most generators and
inverters rated at 300 watts or higher.
LED FUNCTIONS OF CHARGER (Fig. 4)
BATTERY RED GREEN
LED INDICATOR ACTION
PACK LED LED
[_ Charging will begin
H_/LOTEMP. Hot/Cold On Off when returns to
battery
(SEE MANUAL) battery 32°F (0°O)-104°F (40°0)
_[ DEFEClr,vE [_ Battery pack or
BATTERY Defective Flashing Off Charger/Adapter is
defective
BATTERY
CHARGING Charging Off Flashing Charging
BATTERY _ Fully Charging is completeFULL charged Off On Maintenance charging
66810 ManuaLRevised_09 0407 Page 17

CHARGING AHOT BATTERY PACK
If the battery pack is above normal temperature range, the red LED will
illuminate and the green LED will be off. When the battery pack cools down to
approximately 104°F (40°C), the charger will automatically begin charging.
CHARGING A COLD BATTERY PACK
If the battery pack is below the normal temperature range, the red LED will
illuminate and the green LED will be off. When the battery warms to a temperature
of more than 32°F (0°C), the charger will automatically begin charging.
DEFECTIVE BATTERY
If the charger detects a problem, the red LED will begin flashing and the green
LED will be off.
1. If registering as defective, remove and reinsert the battery pack in the
charger. If the LED status reads "defective" a second time, try charging a
different battery pack.
2. If a different battery pack charges normally, dispose of the defective battery
pack (see Maintenance section).
3. If a different battery pack also indicates "defective," the charger may be defective.
BATTERY CHARGING
If the battery pack is within normal temperature range, the green LED will begin
flashing and the red LED will be off. The battery pack will reach a full charge in
50 minutes. The POWER BAR LED lights will cycle right to left during charging.
This is part of the normal charging operation. The POWER BAR LED lights will
not be displayed when the POWER BAR button is pressed while the battery
pack is on the charger.
BATTERY FULL
If the battery pack is within normal temperature range, the green LED will be lit
and the red LED will be off. The battery pack is fully charged and ready to use.
The battery pack will fully charge, but will not overcharge, if left on the charger.
The POWER BAR LED lights will not be displayed when the POWER BAR button
is pressed while the battery pack is on the charger.
NOTE: Charger may warm with several continuous charge cycles. This is part of
the normal operation of the charge. Charge in a well ventilated area.
66810 ManuaLRevised_09 0407 Page 18

TO ATTACH BATTERY PACK Fig. 5 _i
(Fig. 5}
1. Lock the trigger switch
on the impact Wrench by
placing the direction of
rotation (forward/reverse/
center lock) selector in the
center position.
2. Align the raised rib on the
battery pack with the grooves
on the bottom of the Wrench,
and then attach the battery
pack to the Wrench.
NOTE: Make sure that the latch
on the battery pack snaps into place and the battery pack is secured to the tool
before beginning operation.
TO DETACH BATTERY PACK (Fig. 5}
1. Lock the trigger switch on the impact Wrench by placing the direction of
rotation (forward/reverse/center lock) selector in the center position.
2. Depress the battery-release buttons located on the front of the battery pack
to release the battery pack.
3. Pull forward on the battery pack to remove it from the tool.
,_ CAUTION: when placing the battery pack on the tool, be sure that the raised
rib on the battery pack aligns with the groove on the impact Wrench and that
the latches snap into place properly, improper assembly of the battery pack can
cause damage to internal components.
,_ WARNING: Battery tools are always in operating condition. Therefore,
the direction-of-rotation selector should always be locked when not in use or
carrying at your side.
TRIGGER SWITCH (Fig. 6)
To begin rotation,depress
the trigger switch. To turn
stop rotation, release the
trigger switch.
VARIABLE SPEED (Fig.6}
The variable-speed trigger
switch delivers higher
speed with increased trigger
pressure and lower speed with
decreased trigger pressure.
66810 ManuaLRevised_09 0407
Fig. 6 _"D _ C'_II Direction
_'_ _- _ of rotation
Variab' e sPe__"___;
trigger switch _ _-:-Z:_o,
Page 19

DIRECTION-OF-ROTATION SELECTOR (FORWARD/REVERSE/CENTER
LOCK) (Fig. 6)
The direction of bit rotation is reversible and is controlled by a selector located
above the trigger switch. With the Impact Wrench held in normal operating
position:
1. Position the direction-of-rotation selector to the left of the tool for
forward rotation.
2. Position the direction-of-rotation selector to the right of the tool for
reverse rotation.
3. Setting the switch in the OFF (center lock) position helps reduce the
possibility of accidental starting when not in use.
CAUTION: To prevent gear damage, always allow the Impact Wrench to
come to a complete stop before changing the direction of rotation.
NOTE: The Impact Wrench will not run unless the direction-of-rotation selector
is engaged fully to the left or
LED WORKLIGHT (Fig.7)
The LED worklight, located on the
base of the Impact Wrench, will
illuminate when the trigger switch
is depressed. This provides
additional light on the surface
of the workpiece for operation
in lower-light areas. The LED
worklight will turn off when the
trigger switch is released.
Fig. 7
66810 Manual_Revised_09 0407 Page 20

iNSTALLiNG AND REMOVING SOCKET (Fig.8)
1. Lock the trigger switch by Fig. 8
placing the direction-of-
rotation selector in the OFF
(center) position.
2. To install a 1/2" socket (sold
separately), simply push it
completely onto the output
drive. To remove, pull it off
the output drive.
,_ WARNING: DO not use
regular socket-wrench type Socket
sockets; use only those sockets
designed for impact wrenches.
Impact-wrench sockets are
Output Drive
black in color, specially hardened, and designed to not strip the corners off the
nuts and bolts you will be driving. Sockets not designed for impact wrenches
could break and result in personal injury. Inspect sockets prior to use to ensure
that they have no cracks or other visible damage.
iNSTALLiNG FASTENERS
To fasten:
1. Start the fastener by hand onto or into its threaded counterpart (e.g. nut onto
bolt, or bolt into nut or threaded hole).
2. With the proper impact socket securely mounted to the Impact Wrench, slide
the impact socket onto the nut or bolt head.
3. Hold the tool securely with both hands and squeeze the trigger switch. The
impact socket will turn the fastener and the impact action will begin when
the fastener encounters resistance.
To loosen:
1. With proper impact socket securely mounted to the Impact Wrench, slide
the impact socket onto the bolt head (be sure the rotational direction is
"reverse").
2. Hold the tool securely with both hands and squeeze the trigger switch. The
tool will start to impact immediately.
3. Once the fastener has "broken loose" it will start to unthread. Be careful that
you do not allow a fastener to spin freely once it is no longer engaged with
the other threaded part, as it may be thrown out of the socket.
WARNING: Do not over tighten, as the force of the Impact Wrench can
break the fastener. Keep the Impact Wrench at a right angle to the fastener to
avoid damaging the fastener head.
6683_0 ManuaLRevised_09 0407 Page 25

TIGHTENING TORQUE
The tightening torque depends on the duration of the impacting/tightening
action. The highest tightening torque is achieved after approx. 3 to 5 seconds of
impacting/tightening action.
The torque build-up depends on the following factors:
• The hardness of the material in the bolts/nuts.
• The type of washer (disk washer, spring washer, seal).
The hardness of the material (s) to be joined by the fastener.
The lubricants (if any) at the surface of the junction.
Examples:
The maximum torque is reached after a relatively short impacting/tightening
interval when joining metal to metal with a disk washer.
A moderate interval of impacting/tightening action is required when joining metal
to metal where a spring-ring washer, disk-spring washer, stud bolt, or bolt/nut
with conical seats are used.
A longer interval of impacting/tightening action is necessary to arrive at the
maximum tightening torque when joining metal to wood or insulation material.
WARNING: To avoid serious personal injury, always remove the battery
pack from the tool when cleaning or performing any maintenance.
_, WARNING: When servicing, use only identical Craftsman replacement parts.
Use of any other parts may create a hazard or cause product damage.
_k WARNING: It is not recommended to use compressed dry air as a cleaning
method for the Impact Wrench. If cleaning with compressed air is the only method
available, always wear safety goggles or safety glasses with side shields when using
compressed air to clean the tool. If the operation is dusty, also wear a dust mask.
GENERAL MAINTENANCE
Avoid using solvents when cleaning plastic parts. Most plastics are susceptible
to damage from various types of commercial solvents and may be damaged by
their use. Use clean cloths to remove dirt, dust, oil, grease, etc.
WARNING: Do not at any time allow brake fluids, gasoline, petroleum-based
products, penetrating oils, etc. to come in contact with plastic parts. Chemicals can
damage, weaken or destroy plastic which may result in serious personal injury.
WARNING: When servicing, use only identical Craftsman replacement parts.
Use of any other parts may create a hazard or cause product damage. To ensure
safety and reliability, all repairs should be performed by a qualified service
technician at a Sears Service Center.
66810 ManuaLRevised_09 0407 Page 22

BATTERI ES:
The battery pack for this tool is equipped with
Lithium-ion rechargeable batteries. The duration of
use from each charge will depend on the type of
work performed.
The batteries for this tool have been designed to
provide maximum trouble-free life. Like all batteries,
they will eventually wear out. Do not disassemble
the battery pack or attempt to replace the batteries.
Handling of the batteries, especially when wearing
rings and jewelry, could result in a serious burn.
To obtain the longest possible battery life, read and understand the
operator's manual.
• it is good practice to unplug the Charger/Adapter and remove the Lithium-
ion battery pack when not in use.
For Lithium-ion battery pack storage longer than 30 days:
Store the Lithium-ion battery pack where the temperature is below 80°F
(26°C) and free of moisture.
Store Lithium-ion battery packs in a 30%-50% charged condition.
Every six months of storage, fully charge the Lithium-ion battery pack.
Exterior may be cleaned with a cloth or soft non-metallic brush.
BATTERY PACK REMOVAL AND PREPARATION FOR RECYCLING
To preserve natural resources, please recycle or dispose of batteries properly.
This battery pack for this product contains lithium-ion batteries. Local, state,
or federal laws may prohibit disposal of lithium-ion batteries in ordinary trash.
Consult your local waste authority for information regarding available recycling
and/or disposal options.
WARNING: Upon removal of the battery pack for disposal or recycling,
cover the battery pack's terminals with heavy-duty adhesive tape. Do
not attempt to destroy or disassemble battery pack or remove any of its
components. Lithium-ion batteries must be recycled or disposed of properly.
Also, never touch both terminals with metal objects and/or body parts as
short circuit may result. Keep away from children. Failure to comply with these
warnings could result in fire and/or serious injury.
66810 ManuaLRevised_09 0407 Page 23

PROBLEM CAUSE SOLUTION
The Impact Wrench Battery is depleted Charge the battery
does not work
Bits can not be installed Does not use the proper Use suitable adapter
adapter
Motor overheating Be sure cooling vents Clean, clear vents. Do
are free from dust and not cover with hand
obstacles during operation
66810 Manual_Revised_09 0407 Page 24

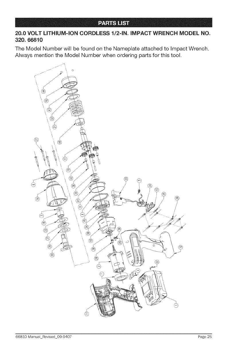
20.0 VOLT LITHIUM=ION CORDLESS 1/2=iN. iMPACT WRENCH MODEL NO.
320. 66810
The Model Number will be found on the Nameplate attached to Impact Wrench.
Always mention the Model Number when ordering parts for this tool.
\
\
/
66810 ManuaLRevised_09 0407 Page 25

20.0 VOLT LITHIUM=ION CORDLESS 1/2=iN. iMPACT WRENCH MODEL NO.
320. 66810
The Model Number will be found on the Nameplate attached to Impact Wrench.
Always mention the Model Number when ordering parts for this tool.
1 2770182000 5126 Power Pack 1
2 2790163000 Motor And Gear Assy 1
3 3123112000 O Ring 1
4 3123133000 F/R Button 1
5 3123141000 Bracket 1
6 3123845000 Cover 1
7 3124548000 Rubber Ring 1
8 3124556000 Rubber Ring 1
9 3124558000 Bracket 1
10 3124625000 Ring Gear Housing 1
11 3320471000 Left Housing ASSY 1
12 3320532000 Right Housing ASSY 1
13 _ 3402175000 LC°ntact Receptacle ASSY _ 1
14 3420832000 Gear Case Cover 1
15 3520409000 Ring Gear 1
16 3551159000 Impact Block 1
17 3551160000 Spindle 1
18 3551253000 Bush 1
19 3551270000 Planet Gear 3
20 2822612000 Spindle 1
21 3660384000 Spring 1
22 3700960000 Handle Hoop 1
23 4870303000 Switch 1
24 4890301000 PCB Assembly 1
66810 ManuaLRevised_09 0407 Page 26

25 5610024000 Tapping Screw 1
26 5610106000 i Tapping Screw 8
27 5610228000 I Tapping Screw 4
28 5620049000 Screw 2
29 5650014000 Plain Washer 2
30 5650015000 Spring Washer 2
31 5650272000 Washer 1
32 5650273000 Washer 1
33 5650275000 Washer 1
34 5650276000 Washer 1
35 5650296000 Washer 1
36 5670239000 Pin 3
37 5690170000 Rubber Ring 1
38 5690171000 Rubber Ring 1
39 5690172000 Rubber Ring 1
40 5690188000 Rubber Ring 1
41 5700018000 Ball Bearing 1
42 5700022000 Needle Bearing 3
43 5700045000 Steel Ball 35
44 5700204000 Steel Ball 2
66810 ManuaLRevised_09 0407 Page 27

Your Home
For expert troubleshooting and home solutions advice:
manage home
www.managemyhome.com
For repair - in your home - of all major brand appliances,
lawn and garden equipment, or heating and cooling systems,
no matter who made it, no matter who sold it !
For the replacement parts, accessories and
owner's manuals that you need to do-it-yourself
For Sears professional installation of home appliances
and items like garage door openers and water heaters
1-800-4-MY-HOME ®Caii anytime, day or night
(1-800-469-4663) (U.S.A. and Canada)
www,sears,com www,sears,ca
iiiiiiiiluiiisiiiiiii_
Our Home
Forrepairofcaw-initemslikevacuumslawnequipment
i and electronics call anytime for the location of the nearest
Sears Parts & Repair Service Center
1"800-488"1222 (U.S.A.) 1"800"469-4663 (Canada)
www.sears.com www.sears.ca
TO purchase a protection agreement on a product serviced by Sears:
1"800"827"6655 (U.S.A.) 1"800"361"6665 (Canada)
Para pedir servicio de reparaciSn Au Canada pour serv ce en franc_,as
a domicilio, y para ordenar piezas: 1.800.LE.FOYERMC
1-888-SU-HOGAR® (1-800-533-6937)
(1-888-784-6427) www.sears.ca
Seairs
@Sears Brands, LLC
® Registered Trademark /TMTrademark /SMService Mark of Sears Brands, LLC
® Marca Registrada /TMMarca de F__briea /SMMarca de Servieio de Sears Brands, LLC
MCMarque de commerce /MDMarque d6pos6e de Sears Brands, LLC