Craftsman 351183150 User Manual NAILER Manuals And Guides L0807586
CRAFTSMAN Nailer Manual L0807586 CRAFTSMAN Nailer Owner's Manual, CRAFTSMAN Nailer installation guides
User Manual: Craftsman 351183150 351183150 CRAFTSMAN NAILER - Manuals and Guides View the owners manual for your CRAFTSMAN NAILER #351183150. Home:Tool Parts:Craftsman Parts:Craftsman NAILER Manual
Open the PDF directly: View PDF
.
Page Count: 8

SAVE THIS MANUAL
FOR
FUTURE REFERENCE
OWNER'S
MANUAL
MODEL NO.
351.183150
CAUTION:
READ ALL
INSTRUCTIONS
CAREFULLY!
,__AIR,_/C RI:1FT$M RN
16 Gauge Finishing ailer
•safety instructions
•operating instructions
•replacement parts
Sold by SEARS, ROEBUCK AND CO., Chicago, IL 60684 U.S.A. ©
art No, 6185.00 June1991

DESCRIPTION
The Sears 16 Gauge Finishing Nailer drives nails from
3/4 to 2" long, Die cast aluminum, textured finish body
reduces operator fatigue. Large capacity, side loading
magazine with positive, quick action latch makes load-
ing nails easy. Contact safety disables nailer until
nosepiece is in contact with workpiece. Tapered
nosepiece provides operator with greater visibility for
precise nail placement. Rigid nosepiece reduces jam-
ming. The Sears 16 Gauge Finishing Nailer is excellent
for interior and exterior trim work, door and window
manufacturing, furniture making and cabinetry.
SPECIFICATIONS
Capacity ........................ 100 finish nails
Finish nail size ............ 16 gauge (.062 x .055")
Finish nail lengths ...................... 3/4 to 2"
Operating pressure ................. 60-100 PSIG
Air inlet ............................ 1/4" EN.P.T.
Length ................................ 11 7/8"
Height .................................... 11"
Width .................................. 2 3/4"
Weight ................................ 5.1 Ibs.
Always disconnect tool from air supply when servicing
or adjusting tool and when tool is not in use.
Do not operate tool when nose is not in contact with
work.
Never load the tool until you are ready to use it.
Never depress tool trigger when loading.
Always load tool with nose pointing away from you and
others.
Never point tool at yourself or others.
Never carry tool with trigger depressed.
Do not use oxygen, combustible gases or high pres-
sure compressed gas as the air supply for the tool.
Always use tool at safe distance from other people in
work area.
Donot attempt to discharge fastener into hard or brittle
materials such as concrete, steel or tile.
Do not connect female quick-disconnect coupling to
tool side of air line.
Connect male free-flow nipple to tool side of air line so
that tool is depressurized when disconnected from
hose.
Use Sears recommended fasteners only.
OPERATING INSTRUCTIONS
FINISH NAILS
918344 .......... 16 gauge finish nails, 1 1/4" long
9_18346 .......... 16 gauge finish nails, 1 1/2" long
9_18347 .............. 16 gauge finish nails, 2" long
SAFETY INSTRUCTIONS
Air tool operators and all others in work area should
always wear safety goggles (must comply with ANSI
Z87.1) to prevent eye injury from fasteners and flying
debris when loading, operating or unloading this tool.
Never exceed operating pressure of 100 PSIG (7.1
kg/cm3).
Always keep hands and body away from the fastener
discharge area when air supply is connected to tool.
AIR SUPPLY LINE
Refer to Figure 1.
The Sears alr nailer operates on compressed air at
pressures from 60 to 100 PSIG.
Never exceed maximum pressure.
Minimum air requirements for nailer: Average working
SCFM 4.0 at 90 PSI with a 3/8" air hose and 15 gallon
tank.
WARNING: KEEP HANDS AND BODY AWAY FROM
DISCHARGE AREA OF NAILER WHEN
CONNECTING AIR SUPPLY.
ALWAYS DISCONNECT TOOL FROM
AIR SUPPLY WHEN SERVICING OR AD-
JUSTING TOOL AND WHEN TOOL IS
NOT IN USE.
S FILTER- REBULA]OR-LUBRIEATOR
FEMALE[_UIEK- OISEIINNE[I
2FOB#HOSEWHIP
Figure 1- Air Supply Line
-2-

OPERATING INSTRUCTIONS (Continued)
AIR SUPPLY LINE(Continued)
Clean dry air is essential to the operation of the Sears
nailer.
Air operated tools require clean, dry, lubricated com-
pressed air to ensure top performance, low
maintenance and long life.
Dirt and abrasive materials present in all air lines will
damage tool O-rings, valves and cylinders.
Moisture will reduce tool performance and life if not
removed from compressed air.
Afilter-regulator-lubricator system is required and
should be located as close to tool as possible (see
Figure 1). A distance of less than 15 feet is recom-
mended.
Keep air filter clean. A dirty filter will reduce the air
pressure to the nailer causing a reduction in power and
efficiency.
The air supply system must be able to provide air
pressure of 60 to 100 pounds per square inch at the
tool.
The lubricator should be filled with a non-detergent air
tool oil.
All hoses and pipes in the air supply system must be
clean and free of all moisture and foreign particles.
Never connect a female quick-disconnect coupling to
the tool side of air system. A male, free-flow coupling
should be connected to the tool side of air system.
The female coupling provides a seal preventing loss of
compressed air from compressor tank when discon-
nected from male coupling. If connected to tool side of
air supply, the female coupling could seal a com-
pressed air charge in the stapler which could
discharge if the tool trigger is actuated.
The air pressure should be properly regulated.
Do not mount swivel connector in air supply line.
Different workpiece materials and different nail lengths
will require different operating pressure.
Figure 2 - Loadin.q Finish Nails
Be sure all connections in air supply system are sealed
to prevent air loss.
LOADING
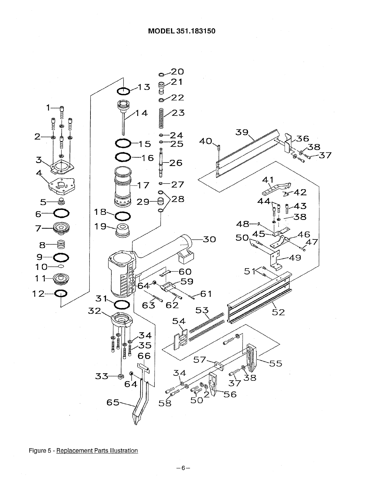
Refer to Figures 2 & 5.
WARNING: DISCONNECT TOOL FROM AIR SIUP-
PLY. ALWAYS LOAD NAILER WiTH
NOSE OF TOOL POINTING AWAY
FROM YOU AND OTHERS. ALWAYS
WEAR SAFETY GOGGLES THAT COM-
PLY WITH ANSI Z87.1.
NOTE: For best results use Sears nails only.
Depress latch handle (Key No. 41) and slide magazine
cover (Key No. 39) backwards (see Figure 2). Insert
finish nails into magazine. Position nails at bottom of
magazine with nail head towards top of tool.
Slide cover forward over magazine until latch snaps
into place, locking magazine cover. NOTE: It may be
necessary to depress latch handle to close magazine
cove r.
NAILING OPERATION
Refer to Figure 3.
OPERATING INSTRUCTIONS (Continued)
/\
\
Figure 3 - Contact Trip Operation
-3-

NAILING OPERATION (Continued)
WARNING: NEVER OPERATE TOOL UNLESS CON-
TACT TRIP IS IN CONTACT WITH
WORKPIECE. DO NOT OPERATE
TOOL WITHOUT NAILS OR DAMAGE
TO TOOL MAY RESULT. NEVER FIRE
NAILS INTO THE AIR BECAUSE NAILS
MAY INJURE OPERATOR OR OTHERS
AND DAMAGE TO TOOL MAY RESULT.
The Sears 16 Gauge Finishing Nailer is equipped with
a contact trip safety mechanism that disables nailer
unless contact trip is pushed against work. Hold tool
handle firmly and press nose of tool on workpiece
where nail is to be applied. Pull trigger to drive nail into
workpiece.
The nailer can also be operated by holding trigger
depressed and pushing contact trip against
workpiece. This operating procedure is preferred for
rapid-fire nail driving. Never operate tool unless con-
tact trip is in contact with workpiece.
MAINTENANCE
Lubricate tool daily with quality air tool oil. If no air line
lubricator is used, pour five to six drops of oil into inlet
of nailer everyday.
Keep magazine and nose clean and free of any dirt, lint
or abrasive particles.
The tip of the ram (Key No. 14) can become dented or
rounded over time. Square off tip of the ram with a
clean, fine hand file to extend the life of the ram and
nailer. Nail firing will be more consistent if the ram tip is
kept clean and square.
Inspect contact trip safety mechanism dally for proper
operation. Do not operate nailer if mechanism is not
operating properly. •
Perform the following procedures to test safety
mechanism:
1. Leave trigger untouched while pushing contact
trip into workpiece. Nailer must not fire.
2. Pull nailer trigger while contact trip is clear of work
and pointed away from operator and others. Nailer
must not fire.
3. Depress and hold trigger. Push contact trip
against workpiece where nail is needed. The nailer
should drive only one nail each time the contact
trip is pushed against workpiece.
Repair nailer immediately if contact trip mechanism
does not operate properly.
OPERATING PRESSURE
Use only enough air pressure to perform the operation.
Air pressure in excess of that which is required will
make the nailing operation inefficient and may cause
premature wear or damage to the tool.
Determine minimum air pressure required by driving
some test nails into the workpiece. Set air pressure so
that test nail heads are driven down flush with the work
surface. Nails driven too deep may damage workpiece.
Repair or replace any missing or damaged parts. Use
the parts list to order parts.
TROUBLESHOOTING
WARNING: DISCONNECT TOOL FROM AIR SUP-
PLY BEFORE ATTEMPTING REPAIR OR
ADJUSTMENT.
Refer to Figure 5.
Note: Be sure tool is oiled properly. Clean and oil all
O-rings during reassembly.
If nail jams in nose of tool, open magazine and remove
nails. Loosen two socket head bolts (Key No. 50) and
remove nose cover (Key No. 56). Remove jammed nail,
replace nose cover and secure socket head bolts.
If tool will not fire or loses power, the O-rings may need
cleaning and lubrication. Remove deflector (Key No.*3)
and carefully remove cap, cylinder valves, piston and
cylinder (Key Nos. 4, 7, 11, 14 & 17). Clean all O-rings
and O-ring grooves with clean, dry cloth. Be careful not
to damage O-rings.
Replace O-rings if worn, stretched or damaged. Coat
O-rings and grooves with air tool oil. Assemble in
reverse order of disassembly.
If tool leaks air out of exhaust port, check O-ring (Key
No. 6).
If tool leaks air out of hole on side of cylinder housing
and nailer fires just one time when connected to air
supply, check O-rings (Key Nos. 9 & 12).
If tool leaks air out of back of cap (Key No. 4), check
trigger valve O-rings (Key Nos. 20, 22 & 24).
If tool misfires, check O-ring (Key No. 25).
If tool leaks air at trigger, check trigger O-ring (Key No.
27).
FULL ONE YEAR WARRANTY ON SEARS/CRAFTSMAN FINISHING NAILER
If within one full year from the date of purchase this Sears Craftsman Finishing Nailer fails due to a defect
in material or workmanship, Sears will repair it free of charge.
WARRANTY SERVICE IS AVAILABLE BY SIMPLY CONTACTING THE NEAREST SEARS STORE OR SERVICE
CENTER THROUGHOUT THE UNITED STATES.
This warranty gives you specific legal rights and you may have other rights which vary from state to state.
SEARS, ROEBUCK AND CO., DEPT. 731CR-W SEARS TOWER, CHICAGO, IL 60684
--4--

NOTES
-5-

MODEL 351.1 83150
0--1 6 t}-26
_--17 °--27
46
5
38
37
6
Figure 5 - Replacement Parts Illustration
-6-

REPLACEMENT PARTS LIST FOR NAILER
KEY
NO.
2
3
4
5
6
7
8
9
10
11
12
13
14
15
16
17
18
19
20
21
22
23
24
25
26
27
28
29
30
31
32
33
34
35
36
PART
NO.
6045.00
46-58494-3
DESCRIPTION
5-0.8 x 20mm Bolt,
socket head*
5mm Washer, split*
QTY.
4
6
KEY PART
NO. NO.
37 6O79.OO
38 6196.00
DESCRIPTION
'4-0.7 x 16mm Bolt,
socket head*
4mm Washer, split*
6211.00
6212.00
6213.00
6214,00
6215.00
6216.00
6217.00
6218.00
Deflector
Cap
Cap Seal
Seal O-ring
Cylinder seal
1
1
1
1
1
39
40
41
42
43
6243.00
6244.00
6245.00
6246.00
6086.00
Magazine cover
4-0.7 x12mm Screw, set*
Latch
Latch spring
4-0.7 x 8ram Bolt,
6219.00
6220.00
6221.00
6222.00
6223.00
6224.00
6225.00
6226.00
6227.00
6228.00
6229.00
6230.00
6231.00
6232.00
6233.00
6234.00
6235.00
6236.00
6237.00
6238.00
6239.OO
6240.00
6241.00
1514.00
0179.00
6242.00
Cylinder valve spring
Lower valve O-ring
Lower valve O-ring
Lower valve
Lower valve O-ring
Piston O-ring
Piston-ram assembly
Cylinder top O-ring
Cylinder middle O-ring
Cylinder
Cylinder bottom O-ring
Bumper
Breather valve top O-ring
Breather valve
Breather valve
bottom O-ring
Plunger spring
Plunger top O-ring
Plunger middle O-ring
Plunger
Plunger bottom O-ring
Bushing O-ring
Plunger bushing
Gun body
Bottom cap O-ring
Bottom cap
Ram guide
6mm Washer, split
6-1.0 x 20mm Bolt,
socket head*
Latch plate
Standard hardware item available locally.
Not shown.
1
1
1
1
1
1
1
1
1
1
1
1
1
1
1
1
1
1
1
2
1
1
1
1
1
6
4
1
44
45
46
47
48
49
5O
51
52
53
54
55
56
57
58
59
6O
61
62
63
64
65
66
6088.00
6247.00
6248.00
6249.00
6250.00
6251.00
6252.00
6088.00
6253.00
6254.00
6255.00
6256.00
6257.00
6258.00
6182.00
6259.00
6260.00
6261.00
6262.00
6263.00
6198.00
6264.00
6265.00
6185.00
socket head*
4-0.7 x 10mm Bolt,
socket head*
Latch spacer plate
Latch bracket
Pin
E-ring
Magazine bracket
5-0.8 x 14mm Bolt,
socket head*
4-0.7 x 10mm Bolt, flat
head socket*
Magazine
Pusherspring
Pusher
Nose
Nose cover
Nose plate
6-1.0 x 30mm Bolt,
socket head*
Trigger
Trigger lever
Spring pin
4-0.7 x 35mm Bolt,
socket head*
4-0.7 x 40mm Bolt,
socket head*
4mm x 0.7 Nut, hex*
Contact trip
Trip Bushing
Owner's Manual
RECOMMENDED ACCESSORIES
QTY.
4
6
1
1
1
1
1
1
1
1
2
1
2:
1
1
1
1
2
1
1
1
1
2
1
1
1
Finish nails, 16 gauge, 1 1/4" long 918344
Finish nails, 16 gauge, 1 1/2" long 918346
Finish nails, 16 gauge, 2" long 918347
-7-

OWNER'S
MANUAL
SERVICE
MODEL NO.
351.183150
HOW TO ORDER
REPLACEMENT
PARTS
16 Gauge
Finishing Nailer
Thank you for purchasing your 16 Gauge Finishing Nailer
from Sears. This unit will provide you with many years of
reliable service. Should the need exist for repair parts or
service, simply contact any Sears Service Center and most
Sears, Roebuck and Co. stores. Be sure to provide all
pertinent facts when you call or visit. The model number of
your 16 Gauge Finishing Nailer is on the front of the nailer.
All parts listed may be ordered from any Sears Service
Center and most Sears stores. If the parts you need are not
stocked locally, your order will be electronically transmitted
to the Sears Repair Parts Distribution Center for handling:
When ordering replacement parts, always give the following
information:
NAME OF ITEM: 16 Gauge Finishing Nailer
MODEL NUMBER: 351.1 83150
PART NUMBER:
PART DESCRIPTION:
Sold by SEARS, ROEBUCK AND CO., Chicago, IL 60684 U.S.A. ©
Part No. 6185.00 June1991