Craftsman 358350842 User Manual SEARS CHAIN SAWS Manuals And Guides L0809375
CRAFTSMAN Chainsaw, Gas Manual L0809375 CRAFTSMAN Chainsaw, Gas Owner's Manual, CRAFTSMAN Chainsaw, Gas installation guides
User Manual: Craftsman 358350842 358350842 CRAFTSMAN SEARS CHAIN SAWS - Manuals and Guides View the owners manual for your CRAFTSMAN SEARS CHAIN SAWS #358350842. Home:Lawn & Garden Parts:Craftsman Parts:Craftsman SEARS CHAIN SAWS Manual
Open the PDF directly: View PDF
.
Page Count: 33

owners
manual
MODEL NO.
:i
358.350842
358.350870
358.350880
'CAUTION:
Read Rules for
Safe Operation
and Instructions
Carefully
CRRFTSM R'N
2.1 2,1PS 2.3PS/VL
CHAIN SAWS
• Assembly
•Operation
• ' Maintenance
• Repair Parts
Sears, Roebuck and Co., Chicago, Ill. 60684 U.S&
Simpsons-Sears Ltd., Toronto, Canad£
I
I
J
J
:_il
[
F
[

Congratulations on your purchase of our new Craftsman gas chain saw. It is the finest gas
chain saw available on the market today for the price you have paid. We ask that you take a
few minutes to read the following instructions so you can enjoy the use of this new chain
saw for many years to come.
TABLE OF CONTENTS
Bar and Chain Installation ........................
Fuel and:Oil .....................................................
Starting and Stopping ..... .......
Maintenance ......................................................
Air Filter & Carburetor
Fan Housing
Clutch
Exhaust Ports
Spark Plug
Bar and Chain
Stone Replacement and Chain Sharpening (Models 358-350870 and 358-350880)
Chain Sharpening (Model 358-350842) . .....................
Cutting With Your Saw .............................................
Parts List and Illustrations ...........................................
1
2
3
4-8
7-10
11-12
12-14
15-30
MODEL NUMBER LOCATION
The Serial and Model Number of your chain saw Record the Serial Number and keep it in a safe
is located on a fiat surface under and in front place in case your saw is lost or stolen.
of the thr0ttle trigger.
SPECIFICATIONS FOR ALL MODELS
Champion
SPark Plug: i "CJ8
Point Gap: (Ignition) .017"
Spark =Plug Gap: .025""
!
Air Gap, Flywheel to |.010"
Coil Lamination J
Chain: 14" Bar _Pitch-76 Drive Links
Fuel: (½ pt.-8oz.-SAE No. 30 I 16 to 1
Oil (SD) to 1 GaL Gasoline) t
Serial and Model No.
Guide Bar Nose Chain Choke
Guide Bar
Oil Pump Button
Starter Handle
Trigger
On-Off Switch
Gas Cap

GUARANTEE
During the first ninety days, we will repair the Chain Saw, free of charge, if
defective in material or workmanship..
If the Saw is used for commercial or rental purposes, the guaratttee applies
for thirty days.
This guarantee service is available by simply returning the Saw to any Sears
store.
SEARS ROEBUCK AND CO. USA
SIMPSONS SEARS, LTD. CANADA
I MPORTANT
rules for safe operation
1. Never operate a chain saw when you are
fatigued.
2. Use safety footwear, snug-fitting clothing, and
eye, hearing and head protection devices.
3. Always use caution when handling fue!. Move
the chain sawat least 10 feet (3 m)from the
fueling point before Starting the engine.
4. Do not allow other persons to be near the
chain saw when starting or cutting with the
chain saw. Keep bystanders and animals out of
the work area.
5. Neverstart cutting until you have a clear work
area,:, secure footing, and a planned _retreat
path from the.failing tree,
6. Always hold the chain saw firmly with both
hands when the engine is running. Use a firm
grip with thumbs and fingers encircling the
chain saw handles.
7. Keepall partsofyour body away from the saw
chain when the engine is running.
8. Before you start the engine, make sure the
saw chain is not contacting anything.
9. Always carry the chain saw with the engine
stopped, the guide bar and saw chain to the
rear, and the muffler away from your body.
10. Never operate a chain saw that is damaged,
improperly adjusted, or is not completely and
and securely assembled. Be sure that the saw
chain stops moving when the throttle control
trigger is released.
11. Always shut off the engine before setting it
down.
12. Use extreme caution when cutting small size
brush and saplings because slender material
may catch the saw chain and be whipped to-
ward you or pull you off balance.
13. When cutting a limb that is under tension be
alert for spring back so that you will not be
struck when the tension in the wood fibers
is released.
14. Keep the handles dry, clean and free of oil or
fuel mixture.
15. Operate the chain saw only in well ventilated
areas.
16. Do not operate a chain saw in a tree unless
specifically trained to do so.
17. All chain saw service, other than the items
listed in the Owner's Manual maintenance in-
structions, should be performed by competent
chain saw service personnel. (e.g., if improper
tools are used to remove the flywheel, or if an
improper tool is used to hold the flywheel in
order to remove the clutch, structural damage
to the flywheel could occur which could sub-
sequently cause the flywheel to burst.)
18. Guard against kickback. Kickback is the up-
ward motion of the guide bar which occurs
when the saw chain at the nose of the guide bar
contacts an object. Kickback can lead to
dangerous loss of control of the chain saw.
TO AVOID KICKBACK:
Hold the chain saw firmly with both hands.
Don't over reach. Don't let the nose of the
guide bar contact a log, branch, ground or
any other obstruction, Cut at high engine
speeds. Don't cut above shoulder height.
Follow manufacturer's sharpening and
maintenance instructions for the saw chain.

BAR AND CHAIN INSTALLATION
Model 358-350842 (Craftsman 2.1)
Model,358-350870 (Craftsman 2.1 PS)
Model 358-350880 (Craftsman 2.3 PS!VL)
1. Remove the bar mounting screw, washer, and bar
clamp with the bar wrench supplied with your saw.
Figure 1. After the bar clamp is removed there wit| be
two guide plates mounted on the guide bar studs. Re*
move one of these plates only. After guide bar and
chain have been installed, replace guide plate with bevel
side to front of unit and with flange sides out (fig. tA).
Install bar clamp but do not tighten clamp screw beyond
finger tight so chain adjustment can be made.
Fig. 1
• Fig. 2
Fla_je out
or
_ay from clzzide
bar On both sid_
Fig. 1A
2. Mount the slotted end of the bar over the mount-
ing pins and slide bar to the rear. Figure 2.
3. Hold about 8" of chain between your hands, with
sharp edge of cutters facing your right hand. Form an arc
with the chain and place it (cutters first) over the top of
clutch drum. Once the chain is over the clutch drum, turn
the chain so the drive link tangs engage the sprocket
teeth. Figure 2. On Model 358-350870 (Craftsman 2.1
PS) and model 358-350880 (Craftsman 2.3 PS/VL) engage
chain drive links in groove of rim sprocket teeth. Chain
travels in direction arrow indicates in Figure 2.
Fig. 3
4. Starting at the top of the .bar, gradually work the
chain into the groove of the bar until all drive links are
engaged in the bar groove. Be sure cutters face forward
on top of bar. Figure 3.

Model358-350842(Craftsman2.1)
CHAIN INSTALLATION (CONT'D.)
Model 358-350870(Craftsman 2.1 PS) Model 35.8-350880 (Craftsman 2.3 PSFVL)
5. Slide bar forward and:fit adjustment hole in bar
over adjusting pim if you have trouble fitting the adjust- ....
ing pin into the hole, use a small ended screwdriver to :
guide the pin into the hole. The pin may have to be ......
adjusted backwards or forwards with adjusting screw
(Figure 4B) to line up with the hole in the bar. Figure 4A.
6. Replace outside guide piate, bar clamp, washer,
and screw. Tighten bar clamp screw finger tight. Make
sure hole in bar and adjusting pin are properly aligned.
7. Raise tip of bar and turn the adjusting screw clock-
wise to tension the chain. Figure 4B. There should be _,
light tension in the chain, but the chain should move
around the bar freely when pulled by hand,
Be careful, the chain teeth are sharp] Continue to hold
the nose of the bar up and tighten the bar clamp screw
with the wrench provided. Now pull the chain along the
bar to be sure you have the right tension. If the chain is
too tight, toosen the bar clamp screw slightly, turn the
adjusting screw counterclockwise a little and lift up on
the chain. Then tighten bar clamp screw. Recheck chain
tension. Lift the chain off of the middle of the length of
the bar. if it is loose enough for the tangs to come out of
the bar groove, the chain is too loose. You should only be
able to lift the chain 1/8"" from bar. Whenever using a new
chain, check chain tension often, as new chain stretches.
After the chain has been used for awhile, it is a good prac-
tice to check chain tension every time the gas tank is
filled. Proper chain tension is very important to help in-
sure maximum performance from your chain saw.
Fig. 4A
Fig. 4B
Adjusting
Pin
FUEL MIX
Model 358-350842 (Craftsmen 2.1) Model 358-350870
Your chain saw is powered by a 2 cycle engine and re-
quires a fuel mixture of gasoline and oil. The proper fuel
mixture i116 parts gasoline to 1part oil, or 1/2 pint (8
oz.) Sears oil Cat. 32-36555 to one gallon or one imperial
gallon of "regular" leaded gasoline. If Sears oil is not
(Craftsman 2.1 PS) Model 358-350880 (Craftsman 2.3 PS/VL)
available, useSAE No. 30 nondetergent oil (MS or better).
Do not use multi-viscosity oils (10W-30) or reprocessed
oils in your fuel mix. Prepare the mixture in a separate
container and shake well to assurecomplete mixing. Do
not usedirty oil or old (stale) gasoline.
Model 358-350842 (Craftsman 2.1)
CHAIN OIL
Model 358-350870 (Craftsman 2.1 PS) Model 358-350880 (Craftsman 2.3 PS/VL)
Remove the oil flit capand fill the oil tank with S.A.E. No..
30 (SD) oil. This oil is for chainand bar lubrication and is
in no way connected with the fuel mix. The oil tank should
be filled every time the fuel tank is filled. For cold
weather operation. Above 40 degree F use SAE 30 oil: 40
to 0 (zero) degree useSAE 10: Below 0 degree F use 10%
kerosene and 90% SAE 30. Be careful to keep the fuel mix
and oil free from contamination. Wipe off the saw after
filling the fuel and oil tanks if either has been spilled. Under
normal cutting conditions, push the oil button once every
10 seconds. Under heavy, or dirty cutting conditions, push
the oil button once every 5 seconds. This will prevent the
bar and chain from burning.

IMPORTANT
MODEL 358.350870 (Craftsman 2.1 PS)
MODEL 358-350880 (Craftsnmn 2.3 PS/VL)
.!,
H •
Sears Models 358-350870 (Craftsman 2.1 PS) and 358-350880 (Craftsman 2.3 PS/VL) are
equipped with both automatic and manual oiler for lubd,eation of the guide bar and chain. The
,automatic oiler operates when the saw is running and may be assistedby pushing the manual oiler
button if additional oil is required for extreme cutting cond'xtions,
_i_! ::_i:_i:, _ •
H
1. Fill the oil tank, (see paragraph under CHAIN OIL) Fill oil tank each time fuel tank
is filled.
2. Prime the oiler system before starting engim by pushing manual oiler button until
oil is visible at top Of bar,
3. Start' engine. Check automatic oiling by pokxting guide bar towards a clean surface
with engine running at cutting speed. Oil dhouid be seen on clean surface as it is
"• •••_••L:;I; ii¸ •;
.
thrown off end of guide bar. WARNING: T'q=of guide bar should be several inches
away from clean surface - but do not let moving chain touch any kind of surface
becausesaw could kick back and cause injury,
Sears model 358-350842 has a manual oiiw only. Push the oiler button every ten
secondsduring cutting to provide proper lubrication of bar and chain.
STARTING AND STOPPING
Model 358-350842 (Craftsman 2.1)
Model 358-350870 (Craftsman 2-1 PS)
Model 358-350880 (Craftsman2-3 PS/VL)
3
NOTE: For your convenience, starting instructions are
also printed on the saw below the handle, beside the
"on'L'_off '' switch.
1. Fill oil and fuel tanks. Check chain tension.
Pump oil button until oil appears on bar.
2. Push ignition switch forward to "on".
3. Push choke lever "on" (to right).
4. STARTING (This is the recommended starting
position) See Figure 5.
Hold saw away from body with right hand and
elbow slightly bent, see Fig, 5. Squeeze trigger,
Push saw straight away from body and at same
time pull starter handle. Repeat action until
engine fires. Push choke off (to left) and repeat
starting procedure until engine runs. Hold on to
starter handle while allowing the rope to rewind.
DO NOT PULL STARTER HANDLE OVER
12'" TO 14" FROM ENGINE.
5_
6.
Release trigger to idle engine.
If engine does not fire after 5 to 6 pulls, it may
be flooded. Push choke off(clockwise) and pull
starter several times while holding trigger at wide
open throttle. If saw has run out of fuel, 8 to 10
pulls with choke on may be required to restart
engine. When restarting a hot engine, or one
which has just been refueled, you may. have to
Fig. 5
use the choke in order to clear the vapors out of
•the carburetor,. ....
7. To stop engine, pull switch back to "off"
position. The engine may also be stopped by
pushing •the ,choke lever to, the right (counter-
clockwise).
]

CARE AND MAINTENANCE
Model. 358-350842 (Craftsman 2.1) Model 358.350870 (Craftsman 2.1 PS) Model 358.350880(Craftsman 2.3 PS/VL)
Follow these helpful hints on care and maintenance to
get the best possible service from your saw, to prevent
major breakdown and costly repair bills. Careful servicing
of your saw is one of the most important steps in preven-
AIR Fi LTER AND CARBURETOR
To clean the air filter or adjust the carburetor, loosen the
filter cover screw (ahead of choke knob) and remove it
and the air filter cover. The air filter element should be
removed after evew 10 hours use and rinsed out in gaso-
line or fue! and oil mix. Squeeze it out well and be sure
the filter element fits into the cavity neatly without folds,
and flush with the top surface. See figure 6. Allow filter
element to dry before restarting engine or mixture will be
too rich; CARBURETOR ADJUSTMENTS
General:
Carburetor adjustments are made at our factory and wil|
be correct for most app ications. Further adjustments may
be required due to altitudes above 4000 ft., brands!age of
fuel used, and atmospheric conditions.
Caution:
The needles and associated parts will be damaged if Over-
tightened. Adjustments:
Step 1. (Refer to Figure 7) -- Remove carburetor cover,
Turn high speed and low speed needles clockwise until
they stop, Remember! Don't Over-Tighten.
Step 2. Turn high and low speed needles counterclock-
wise one full turn.
Step 3. Start engine in the same manner asdescribed on
page 3 under "Starting and Stopping". The chain saw
engine should be run four or five minutes to bring it to
operating temperature.
Step 4. (Low Speed Needle Adjustmeht) " Squeeze the
throttle trigger and hold it in for five or six seconds. This
should clear the combustion chamber of built up fuels.
StepS. Squeeze throttle trigger .quickly. The engine
should accelerate smoothly. If it does not, turn low speed
needle counterclockwise 1/16 of a turn and squeeze
throttle quickly again. Continue turning tow speed screw
1/16 of a turn at a time until smooth acceleration is ac-
complished.
Step6. (High Speed Needle Adjustment) -Squeeze
throttle trigger all the way in. Test cut a piece of wood.
Step 7. If engine speed begins to fade, turn high speed
needle counterclockwise 1/16 of aturn and make anoth'er
test cut. Continue this until fading is corrected.
Step 8. If there is an excessive amount of smoke in the
exhaust, turn high speed needle 1/16 of a turn clockwise
until excessivesmoke is reduced. .........
Step 9. (Idle Speed Adjustment) -- Turn the idle speed
screw (Figure 7) clockwise until the chain beginsto move.
Now slowly turn idle speed screw counterclockwise until
chain stops moving.
"live maintenance. Shoutct your saw develop trouble that
_, you are not prepared to handle, take it to a Sears Store
for service.
Fig. 6
Needle
Idle Speed Low Speed
Screw Needle
Fig. 7
PLEASE NOTE: Observe "Rules For Safe Operation"
when adjusting carburetor.
TO adiust the high speedneedle, first make a test cut with
the saw; If the engine power seems to fade in the cut, the
mixture is set too lean. Remove the saw from the cut. The"
high needle should be tu rned counterclockwise slightly. If
there seems to !_e an excessive amount of smoke in the
exhaust, the mixture is set too rich. Remove the saw from
the cut. The high speed needle should be turned clockwise
slightly. After each adjustment make a testcut to check
performance. :.... Fig. 8 4

Fig. 9
AIR FILTER AND CARBURETOR
(CONT'D}
When finally adjusted, the high speed needle will usually
be 7/8 to 1-1/8 turns open (counterclockwise). Try to
keep sawdust away from the carburetor when the filter
cover is removed. Be sure to hold the saw firmly with
both hands while cutting. Before replacing the air filter
cover, be sure to clean off the mating surfaces of cover
and carburetor box. See figure 8.
Turn choke knob to the right (counterclockwise) and
close choke lever over carburetor so that the finger on
the choke lever (cover underside) lines up with the slot
in the choke lever over the carburetor. Replace the filter
cover and tighten cover screw Figure 9.
FAN HOUSING REMOVAL
Model 358-350842 (Craftsman 2.1)
Model 358-350870 (Craftsman 2.1 PS)
Model 358.350880 (Craftsman 2.3 PS/VL)
._o.
Fan Housing
t=
Fig. 10
F!g. 11
Remove the three screws holding the fan housing] to the
saw. See Figure 10. Clean out any loose sawdust in fan
housing. Clean out any chips and sawdust that have
accumulated between the cylinder fins. Use compressed
air if available. If cooling fins are blocked, the cylinder
will run too hot and could adversely effect power and
engine life.
REPLACING THE FAN HOUSING!
I. Move the housing into position, pulling the starter
rope slightly to make sure the starter dogs are in
position around the starter pulley notches.
2. Replace the three fan housing mounting screws,
short screw to the front.
CLUTCH
Model 358-350842 (Craftsman 2.1)
Model 358-350870 (Craftsman 2.1 PS)
Model 358-350880 (Craftsman 2.3 PSiVL)
If the clutch must be removed from your saw, it is best to
return the saw to your Sears Store, as they have the
proper equipment to do the job. However, if you must
remove the clutch, follow these instructions carefu!ly.
1.
2.
3.
Remove the bar and chain.
Remove the rubber connector from the spark plug.
Remove the fan housing, figure 10, and secure the
flywheel from turning. This is best accomplished by
wedging a socket wrench or an end wrench between
the flywheel nut and the front handlebar. See
Figure 11. Clutch removal should not be attempted
without first removing the fan housing, as damage
to the starter or flywheel could occur.

CLUTCH (CONT'D)
4_ Use a soft, blunt ended punch and hammer to turn
the clutch spider off of the crankshaft. Use one of
the two notches provided for *,,hispurpose and turn
the clutch spider clockwise, as the threads are left-
hand threads. See Figure t2. Do not pound directly
on the ends of'the spideri or clutch shoes, to turn
it. Use only the notches provided. If the spider
does not come loose after a few strokes, take the
saw to your Sears Store and let them remove the
spider. After the spider has been removed, the
clutch drum and sprocket may be removed. All _
parts should be inspected for wear, especially the
sprocket, tf it is severely worn, have it replaced, it _ i
is the most economical in the long run if the chain
and sprocket are replaced at the same time. When
reinstalling the clutch drum, apply a coat of oil to
the bearing in the clutch drum. Reinstall the spider,
counterclockwise. Just afew taps with the hammer
and punch are sufficient, as the spiderwiil tighten
itself when you start cutting wood with the saw. '
Fig. 12
Follow the instructions in "Bar and Chain Installation"
for reinstalling the bar and chain. Replace the fan
housing and reconnect the spark plug lead.
EXHAUST PORT CLEANING
Model 358-350842 (Craftsman 2.1) Model 358-350870 (Craftsman 2.1 PS)
After lengthy running time, carbon deposits will
build-up in the exhaust ports causing the engine to
lose power. The exhaust ports should be cleaned
every 25 to 30 hours. 'Pull the rubber connector
from the spark plug and remove the spark plug.
Remove the muffler. With the exhaust ports ex-
posed, pull the starter rope until the piston moves
far enough to close the exhaust port_. See Figure
!3, Use a wooden stick, about ice cream bar stick
size, to scrape the carbon deposits from the exhaust
ports. Do not use a metallic scraping tool, as you
may scratch the piston. Turn unit over and shake
out all loose carbon. If compressed air is convenient,
blow loose carbon from exhaust ports. After
cleaning the ports, pull the starter rope to allow the
piston to clear the cylinder of any material which
may have fallen into the cylinder. Clean screen with
wire brush and replace the muffler. Clean and gap.
the spark plug if necessary. Replace the spark plug
and the rubber con hector.
SPARK PLUG
Modei_358-350842 (Craftsman 2.1) Model 358-350870 (Craftsman 2-1 PS)
If the spark plug is not clean and properly gapped,
the engine will be hard to start and will not deliver
the best performance. The spark plug should be
cleaned and gapped every 25 hours. Remove the
rubber connector on the spark plug and remove
the spark plug. Use awire brush or a pocket knife
to clean deposits from the electrodes of the
spark plug..Be careful when removing, cleaning,
:gapping, and replacing the spark plug. If it is
damaged it will not work properly and must be
replaced. The proper gap between the spark plug
electrodes is .025 _'. (use wire or flat gauge} Figure
14. After the spark plug has been cleaned and
gapped, replace it in the cylinder and attach the
Model 358-350880 (Craftsman 2,3 PS/VL)
Fig. 13
Model 358-350880 (Craftsman 2.3 PS/VL)
Fig. 14
r_ ihh_=r r'_nr_=P1"_r

Model 358-350880 (Craftsman 2.3 PS/VL)
The rubber,vibration" mounts are designed so that a failure
of one of the mounts will not affect the safety of the saw.
Operation of the saw With a broken rubber mount may
cause excessive wear to other components, resulting in a
hazardous situation. Should a rubber mount break, take it
to aSears Store immediately and have it replaced.
Check a|l vibration mount screws and nuts for tightness
every two to three hours of operating time.
Craftsman 2.1 PS and Craftsman 2.3 PS/VL are equipped
with asprocket nose bar. The sprocket nose does not re-
quire grease. Bearings have been greased and sealed at the
factor/, Remember, keep the saw chain well oited. Awell
oiled saw chain witl greatly increase the life of saw chain,
bar and saw chain drive sprocket.
Two Vibration Mounts
Sprocket Nose Bar
Vibration
Mount
Vibration Mount
O
HOW TO SHARPEN YOUR CHAIN
Model 358-350870 (Craftsman 2.1 PS) Only
Model 358-350880 (Craftsman 2.3 PS!VL) Only
OPERATING-STONE REPLACEMENT AND CHAIN FILING WITH POWER SHARP
OP ERATI NG I NSTRUCT! ONS
_SI"RUCI30NS
½;o_.._per
aL _lt, oline.
anua! camfu_l,/.
Fig. 15
•Never advance the depth knob before checking contact
: between stone and Chain. If stone is contacting:the chain,
the chain can. inmost cases, be sharpened without ad-
Vancing the knob.- :_::
• Never advance the depth knob more than one. click at any
•one sharpening. : ,
• After sharpening, push the oscillating knob forward and to
the right and snap into the locking slot :(No. 2, Figure 15).
•Do not loosen screws (No. 1, Figure 15). The two screws
hoJdthe aligning plate that has been properly adjusted at
the factory,_ _:, _ i i i "
7
Before sharpening chain, tension (tighten) to where alt tie
straps (no. 1, fig. 19) rest on guide bar. Pull chain upward
. .
from top of guide bar. The bottom of the drive links should
be evenwith guide bar rails for proper tension (see arrow in
Figure 19 page 9). Clean loose wood chips from around
sharpening mechanism (see fig. lB). Rotate depth ad-
justment knob counterclockwise (opposite direction of
arrow on knob) until tight (no. 3, fig. 15). Start engine and
open throttle to about 1/2 open. Push oscillating knob (no.
2, fig. 15) to the extreme left outof locking slot and pull
back on knob. If no sparks are visible coming from the top
of the guide bar in front of the bar clamp, release oscillating
knob and turn depth adjusting knob (no. 3, fi_]. 15) one
click in direction of arrow. Pull back on osci!lating knob
again. Repeat until a small shower of sparks can be seen.
When sharpening stone contacts chain (indicated by
sparks), move the oscillating knob rapidly side to side. This
sideto side movement sharpensthe chain and will also dress
the stone with an even wear. Sharpening a dull chain should
require about 5 to 10 seconds. Do not oversharpen.
When the chain needs sharpening again_ the depth knob
should not be turned more than one click. One click
advances the stone sufficiently to sharpen the chain.
This allows the operator to sharpen the chain without
fear of grinding too much from the chain.

HOW TO REPLACE YOUR SHARPENING STONE
Model_358-350870 (Craftsman 2.1 PS) Only Model 358-350880 (Craftsman.2.3 PS/VL) Only
Figure 16, Remove guide'bar screw and bar clamp; Loosen
chain tension adjusting screw to relieve chain tension. Slip
bar off adjusting pin and slide bar back towards sprocket as
far as possible and remove chain.
Fig. 16
Figure 17, After guide bar clamp is removed, CLEAN inside
of clamp thoroughly. Slide stone carrier assembly left to
the sharpening position, Remove oscillating knob and stud
(No, 1, Figure 17) by turning counterclockwise. Use a 5/16
open end wrench on flats located at extreme bottom end of
oscillating knob, (Stud is threaded into stone carrier
assembly.)
Fig. 17
Figure 18,_Slide stone carrier (No. 1) out of bar clamp and
off pivot pin (No. 2). Clean pivot pin and place two drops
of oit on shaft and spread with finger. Replace new stone
carrier (No. 1) on pivot pin (No. 2) and slide in position, Be
sure that adjusting arm (No. 3) is placed under adjusting arm
of depth adjusting block, (No. 4). Replace oscillating knob
,and stud and tighten securely. (Use 5/16 end wrench to
tighten 1/4 turn after finger tight.) Flats located at extreme
bottom of oscillating knob will accommodate 5116 end
wrench ................
Fig. 18

1
SHARPENING STONE REPLACEMENT
Fig. 19
INSTRUCTIONS (CONT'D.)
Model 358-350870 (Craftsman 2.1 PSI Only
Model 358-350880 (Craftsman 2.3 PS/VL) Only
Before installing guide bar and new chain, clean sides of
guide bar, side of guide bar mounting pad (where guide
bar mounting studs are located) and inside mounting pad
of bar clamp thoroughly. A wood chip or debris between
guide bar and mounting pads could cause chain teeth to
be sharpened long on one side and chain would cut side
wise. A stone improperly aligned will cause the same
problem.
Tighten chain tension until all tie straps (No. I, Figure I9)
rest on guide bar and when pulled at top, the bottom of the
drive links will pull up even with guide bar rail (No. 2,
Figure 19). Be sure chain hasthis tension anytime the chain
is being sharpened. Under normal conditions your chain
should be sharpened once after 2 or 3 tanks of fuel have
been consumed.
FILING INSTRUCTIONS
Model 358-350870 (Craftsman 2.1 PSI - 358-350880 (Craftsman 2.3 PS/VL) Only
1/4" PITCH TYPE 89
(For use on chain sawswith power sharp systems)
This chain was so designed that approx. 80% of the needed sharpening is accomplished by your saw's built-in-sharpener. While the
chain is being sharpened by the built-in-sharpener, the cutting edges of the cutters are gradually being altered. 89 series chain is
designed and engineered to efficiently cut wood. If rocks, nails, or other foreign materials are cut, more frequent sharpenings will be
required. Fig. 20
Fig.20 :
Top Plate Depth Gauge
Fig. 21
Side Plate :
Just before the 5th or 6th Power Sharp sharpening, the side
plates should be filed. This task can be done easily and
quickly with a Sears file and guide No. 32-36516.
•Fig. 2!
In abnormal use, in sand, rocks and abrasive materials,
side plates should be checked more often. Damage to the
cutters caused by abrasive materials usually results in
"discoloration Spots" where the chrome has been worn
away. Cutter side plates should be filed until these spots
are removed.

I_ILING INSTRUCTIONS (CONT'D.)
Model 358-350870 (Craftsman 2.1 PS) - 358-350880 (Craftsman 2.3 PS/VL) Only
TO SHARPEN SIDE PLATES
1, Tension chain so it will=be snug, won't rock or
wobble on the bar. Figure 22.
2, Place file and guide on top of chain, allowing guide to
rest on top of cutter and depth gauge. Figure 23.
3. Determine filing direction. File stroke should be from
inside to outside of cutter or away from yourself. Figure
24.: Keep reference marks on file guide paraflel with chain
and chain guide bar. This will keep cutter angle at 22 o.This
is the same angle contained on a new cutter. Figure 24. Use
long smooth filing strokes.
4. File all cutters on one side of chain, then move to the
other side and fiie all cutters. This will save you time.
Fig. 23
If you have filed the cutters correctly, the cutters on your
Power Sharp chain wil! look like top illustration. Figure 25.
=
Correct filing witl produce a small projection (1/32"). Use
the notch and mark on either end of your file holder to
check 1/32" projection. Figure 25.
:!
SUGGESTIONS FOR OBTAINING SHARP CUTTING
EDGES
1. Normal_ sharpening is accomplished by the built-in
sharpener.
2. File cutters only when dull and attempt to keep all
cutters the same [ength. The side plates should always
be kept approximately 1/32 of an inch longer than the.
top piate.
3. Preserve the original filing angles carefully and uniformly.
4. Care should be taken never to file into the bottom of the
top plate. Keep guide lines on file guide aligned with
chain and guide bar(Figure 24). .... =
Fig. 22
Fig. 24
Fig. 25
in

FILING INSTRUCTIONS
Model 3581350842 (Craftsman 2.1)
Your wood cutting chores will be a lot easier if the chain
is always properly sharpened and tensioned. If you notice
cutting becoming difficult and you have to push on the
.saw to make'it cut and you notice the chain "walking"
sideways in the cut, this is a good indication that the
chain is dull and needs sharpening. Keep in mind that if
you let the chain cut in the dirt you will dull it at once,
Stop the engine and sharpen the chain. Cutting with a dull
chain puts an excessive load on both the bar and chain
and witl greatly shorten their life. if you have never pur-
.chased abar and chain, you wilt be surprised how costly
they are.
To properly sharpen your chain,you will need afile holder,
the correct size file (5/32" dia.), and .025 ,Depth Gauge
jointer. (See page 29). Be careful when handling saw
chain. Remember that even though the cutters are too
dull to cut wood, they'!! still cut fingers.
Fig. 26
jointer
Fig. 27
2
1. If possible, remove the chain from the saw and put
it in a saw filing vise. If you do not have afiling vise,
....i-increase the chain tension on the bar and sharpen the
::,:chain while it is on the bar.
2. There are three angles that must be maintained for a
properly sharpened chain. See Figure 26. All three of
these angles can be maintained accurately by Using.a file
iholder and file,
•:-_-3. Place the file holder soit rides on both cutter top
iplate and: depth gauge {Fig, 26)with guide marks in fine
with the bar. File the cutters on the side of the chain
away from the Cutting edge. Apply Pressure:on the for-
ward stroke on!y. See Figure 26. ....
4. _Hold file:hepdte down 10degrees asyou :make a few
firm strokes away from your self, appty_ing pressure
against the cutting edge. Apply pressure on the forward
stroke only. See Figure 26.
5. Sharpen all cutterson one side of chain, then work
from other side of chain and repeat sharpeningprocedure
for opposite side cutters. Be sure to file all cutters uni-
formly.
6. To set all depth gaugesat the same level, place the
Depd_ Gauge jointer, Part No. 55005, over each depth
gauge and file the depth gauge with a fiat file until it is
level with the jointer, then round off the leading edge of
each depth gauge. See Figure 27. File the depth gauges
after each four to five times the chain is filed, it is not
necessary to file depth gaugesafter every chain sharpen-
ing. When sharpening the chain, also check the bar to see
if there are any burrs on the rails of the bar, especially
around the nose. File away the burrs with a flat file. Be
sure to clean off filings.
7. After sharpening all teeth and setting all depth
gauges,clean off the chain and re-set chain tension. Tighten
chain tension until all tie straps(see no. 1, fig. 28) rest on
Fig. 28
11

FILING INSTRUCTIONS (CONT'D.)
Model 358-350842 (Craftsman 2.1 )
guide bar and, when pulled at top, the bottom of the drive
links will pull up even with guide bar rail (no. 2, fig. 28).
While pulling the chain around the bar, pump the oil pump
button to re-lubricate the chain and at the same time, help
flush fittings out of the groove in the bar. If the oil pump
button becomes hard to push, check to see if the oil hole in
the bar is plugged. (See Figure 3). This hole will oCcasion-
ally become filled with dirt and sawdust, so check the oil
hole regularly (each time chain is sharpened) to see that it is
open. If it becomes plugged, remove the bar and clean out
the oil passage. To equalize wear, the bar should be turned
over when reinstalled. If the chain becomes very dirty,
remove it and wash it in kerosene, or solvent.Soak the
chain thoroughly in S.A.E. No. 30 oil before installing it.
This will relubricate itand prevent rust from forming.
If at any time your bar or chain shows signsof wear, or
burning, take the saw to your Sears Store for attention.
Never use the bar as a pry bar or to force wood apart.
If the bar becomes lodged in a cut and cannot be moved,
use wedges, or an axe to free the saw. If the bar becomes
bent, replace it.
STORING YOUR CHAIN SAW
Model 358-350842 (Craftsman 2.1) Model 358-350870 (Craftsman 2.1 PS} Model 358-350880 (Craftsman 2.3 PS/VL)
Once you have finished using the saw and it is to be idle for several months, follow
these steps before _oring the saw.
1. Drain fuel from the tank. 3. Drain oil from oil tank.
2. Start Engine andallow to run at idle speed until all fuel is used. 4. Store in a dry area and cover to protect from dust.
CUTTING TIPS
Model 358-350842 (Craftsman 2.1) Model 358-350870 (Craftsman 2.1 PS) Model 358-350880 (Craftsman 2.3 PS/VL)
Before tackiing big trees it is best if you cut a few branches,
limbs, or a small log just to get the feel of the chain saw,
and to become familiar with the controls. The accepted
way to hold the saw is to stand to the left of the saw
with your left hand on-the front handlebar and your
right hand on the rear handle so you can operate
the throttle trigger with your right index finger. You
should not stand directly behind the saw in case the
chain catches in a, cut and bucks backward. See Figure 29.
Start the engine, see that it is running properly, and
pump the oit button a few times to be sure it is delivering
oil to the bar and chain correctly. Squeeze the trigger
to open the throttle wide open and start the cut. If the
ichain is properly sharpened, the Cutting should be relatively
•effortless. It is not necessaryto press:down hard to make the
saw cut. Pushing the saw too hard will slow the engineand
cutting will actually be more difficuffi (continued page 13)
12

Fig. 29
Fig. 30
Fig. 31
CUTTING TIPS (CONT'D)
,Just as the chain completes the cut, Jet off of the throttle
and let the engine idle. Cutting should always be done
at futl throttle. Do not, however, run the engine at full
throttle out of the cut. Remember to push the oil button
every 5 to t0 seconds white cutting with model 358-
350840. Listed below are brief instructions on how to make
the most common cuts with your chain saw.
FELLING
(CUTTING DOWN ATREE)
Before felling a tree, select a safe path of retreat and clear a
wor_king area around the tree. Observe the way the tree is
leaning, if at all, and then decide where you want the tree
to fall. Trees of up to 6 or 7 inches in diameter can usually
be cut through in one pass. Under-cutting is required on
Jarger trees. See Figure 30.
To undercut, notch about 1/3 the way through the tree, on
the side you want the tree to fall. Then make the felling
cut about 2" above the notch and on the opposite side of
the felling cut, don't cut all the way through to the under-
cut. This leaves a small section of wood to act as ahinge
while the tree is falling, and allows the tree to fall in the
desired direction. If the tree is larger in diameter than the
length of the bar, the felling cut should be made from both
sides of the tree.
H
BUCKING
If you have to cut in the middle of a log which is supported
at both ends, cut halfway through the topside of the log, or
until the saw cut begins to close, see Figure 3t, then puEI
the guide bar out and undercut from the bottom side of log
using the top edge of the guide bar. See Figure 32.
!3

BUCKING _(CONT'D)
This witl keep the log from pinching the bar and chain.
Be careful when undercutting that the chain does not cut
into the ground. Make sure that you have good footing so
you can get out of the way should the log begin to roll
when finishing the cut. When possible stand on the uphitl
side of the log so the iog_will roll away from you when
finishing the cut.
Whenever possible; the iog should be placed off the ground
and supported by other logs, limbs, etc. See Figure 33. This
will help keep the chain out of the dirt. When the chain is
allowed to touch the ground, it will dull rapidly, requiring
excess filing to keep chain sharp and excess wear to bar.
I-I UNII lU"'" ""'" ....
(CUTTING LIMBS FROM STANDING TREE)
Small limbs can be cut in onecut. Larger limbs should be
under cut first and then finish-cut from above. After the
limb hasbeen removed, another finishing cut may be made
closer to the tree, if desired; for appearance. If you must
cut higher limbs either by climbing the tree, or standing
on a ladder, it is advisable to tie a length of rope from the
tree to the saw handle so the saw cannot fall very far if
you should drop it. Extreme care should be used in this
type of cutting'operation.
Fig. 32
Fig. 33
Fig. 34 It

SEARS CHAIN SAW--MODEL 358-350842 (Craftsman 2.1)
_" 32 31
Fig. 1
_- 37 t
35
f t t t t t
41 42 43 44 45 46
15
47
13
29
30
26
25
/24
'14
12
I!
9
2
20
-19

SEARS CHAIN SAW--MODEL 358-350842"(Craftsman 2.1)
Fig. 1
Key No. Part No. Qty,
1 15074 1
2 11243 1
3 15122 2
442024 1
5 4268 1
6 42034
7 42023 1
811214 1
9 15123 t
10 1724 1
11 39027 1
12 23346 1
13 39023 1
14 15129 2
15 23345 1
16 3933 :1
17 3934 1
18 39026 1
19 39022 1
20 15128 2
22 23587 1
24 23378 1
25 32022 1
26 48011 1
27 23379 2
28 23382 1
29 22079 1
30 23381 2
31 11198 1
32 15149 1
33 15183 1
35 44029 1
36 31017 1
37 51015 I
40 39024 1
41 52003 As Req.
42 52006 As Req,
43 52007 As Req.
44 52002 As Req.
45 52004 As Req.
46 52005 As Req.
47 23455 2
48 23474 1
63135
Description
Screw -front fan housing
Fan housing
Screws. rear fan housing
Handle - starter
Rope - anchor
Rope - starter
Spring -starter
Starter pulley
Washer - starter pulley
Screw - starter pulley
Flywheel ass'y
Cover - breaker points
Breaker and condenser ass'y (includes Key No. 40)
Screws - breaker mounting
Plate -breaker mounting
Boot - spark plug
Spring -plug connector
Lead - high tension
Coil and lamination ass'y (includes 16,17,18)
Screws - coil mounting
Lead -stop switch
Thrust washer -clutch
Bushing - clutch
Drum and sprocket ass'y (includes Key No. 25)
Clutch shoes
Clutch plate
Clutch spider
Clutch springs
Bar clamp
Washer - bar clamp
Screw - bar clamp
Bar 14"
Bar wrench
Chain 14",
Lead - Point to Coil
Drive Link - Chain
Cutter LH - Chain
Cutter RH - Chain
Tie Strap - Chain
Pre-set Tie Strap - Chain
Rivet- Chain
Plate - Guide Bar
Decal - Craftsman 2.1
Owners manual
16

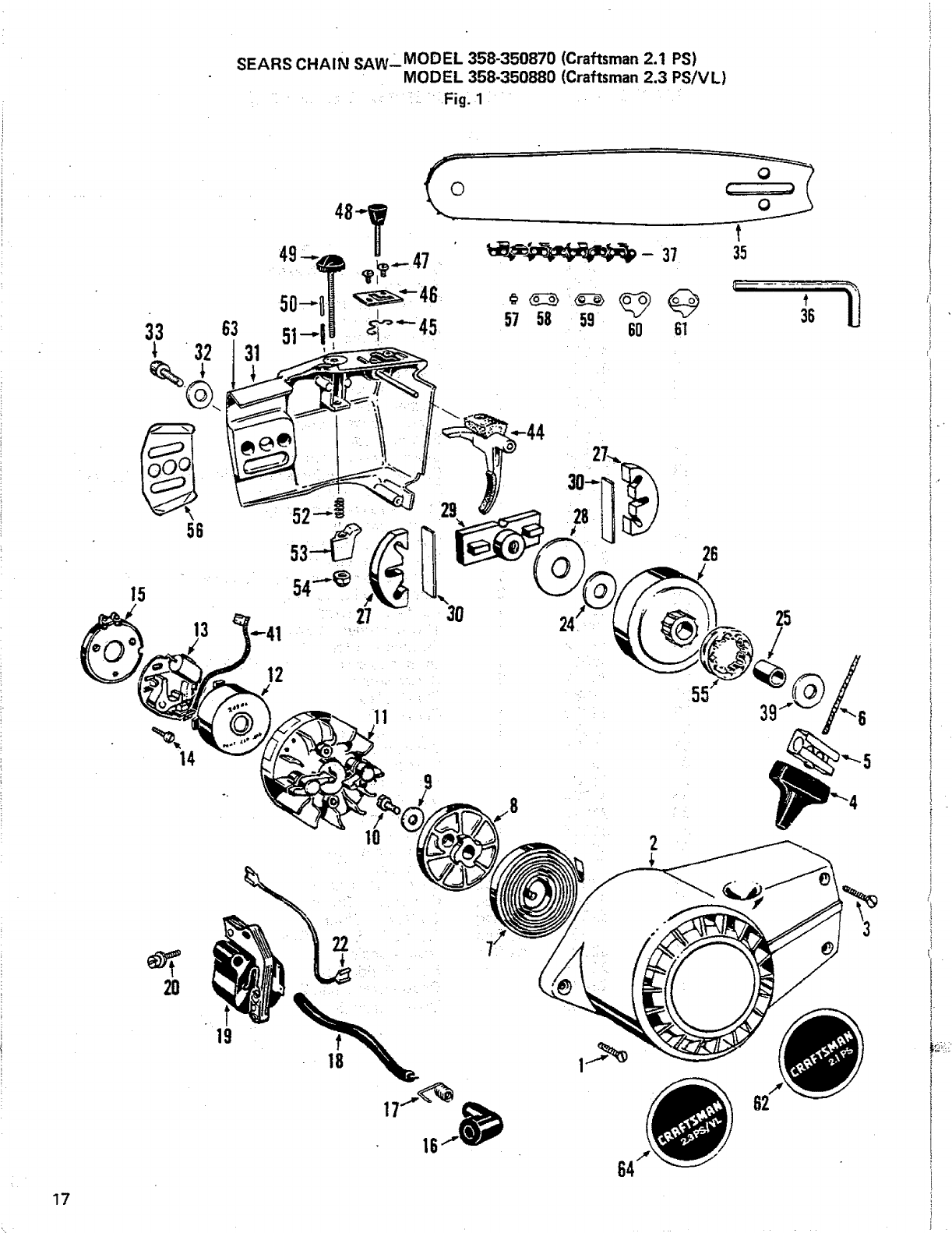
SEARSCHAINSAW"MODEL358-350870(Craftsman2.1PS)
MODEL358-350880(Craftsman2.3PS/VL)
: • :i_ ' Fig. 1 ....
17
33 63
! 32
56
15
13
14
2O
31
57 58 59 60 61
12
11
24!
64
t
35
36
26
25
62

Key No.
1
2
3
4
5
6
7
8
9
10
tl12
13
14
15
16
17
18
19
20
22
24
25
26
27
28
29
30
31
32
33
35
36
37
39
41
44
45
46
47
48
49
50
51
52
53
54
55
56
57
58
59
6O
61
62
63
64.
SEARS CHAIN SAW -MODEL 358-350870 (Craftsman 2.1 PS)
MODEL 358-350880 (Craftsman 2.3 PS/VL)
Fig. 1
Part No.
15074
11243
15122
42024
4268
42034
42023
11214
15123
1724
39027
23346
39023
15129
23345
3933
3934
39O26
39022
15128
23587
23461
32O23 _
48013
23379
23382
22079
23381
11186
15149
15183
44047
31017
51023
23445
39024
10144
23438
23443
15004
23444
23442
15157
23458
23439
23441
15064
48015
23455
52024
52028
52027
52025
52026
123632
11252
23633
63135
Qty.
1
1
2
I
1
1
1
1
1
1
1
1
1
2
1
1
1
1
1
2
1
1
1
1
2
1
1
2
1
1
1
1
1
1
1
1
1
1
1
2
1
1
1
1
1
1
1
1
As Req.
As Req.
As Req. •
As Req.
As Req.
1
1
1
Description
Screw - front fan housing
Fan housing
Screws - rear fan housing
Handle - starter
Rope- anchor
Rope - starter
Spring - starter
Starter pulley
Washer - starter pulley
Screw - starter pulley
Flywheel assemb ly
Cover-breaker points
Breaker and condenser assembly (includes Key No. 41)
Screws- breaker mounting
Plate- breaker mounting
Boot- spark plug
Spring - plug connector
Lead - high tension
Coi! and lamination assembly (includes 16, 17, 18)
Screws - coil mounting
Lead - stop switch
Thrust Washer (silver)
Bearing - Clutch Drum
Drum
Clutch shoes
Clutch plate
Clutch spider
Clutch springs
Bar damp (model 358-350870 - Craftsman 2.1 PS)
Washer - bar clamp
Screw- bar clamp
Bar t4" - sprocket nose
Bar wrench
Chai_ 14"
Thrust washer (black)
Lead -points to coil
Stone & Arm
Spring - arm retaining
Plate - adj.
Screw- adj. plate
:Knob- oscillating
Knob- depth adj.
Pin - i_dexing
Spring- indexing pin
Spring -depth adj.
Follower- depth adj.
Nut - depth adj.
Sprocket - 9 tooth - 1/4 pitch
Plate - Guide Bar
Rivet
Tie Strap
Pre-set Tie Strap
Drive link
Drive l_nk - bumper
Decal |model358-350870 - Craftsman 2.1 PS)
Bar ctxnp (model 358-350880- Craftsman 2.3 PS!VL)
:iiDecai [model 358-350880 - Craftsman 2.3 PS/V L)
Owners manual

SEARS CH.AIN SAW -- MODEL 358-350842 (Craftsman 2.1 )
Fig. 2
54
_,,,,24
22
3
19 •
21
11 49
47
2
5O
9
13
17
t
55
43
44 i,
42 \@_
31
19

SEARSCHAINSAW --MODEL 358-350842 (Craftsman 2.1)
Fig. 2
Key No. Part No. Qty.
1 10151 1
2 19044 1
3 15136 7
4 15108 1
5 15134 t
623492 1
7 15135 !
8 19043 1
9 11244 1
11 23591 2
12 30005 1
13 19049 1
14 23352 2
15 23389 t
16 32018 1
17 22077 1
18 32019 1
t9 1723 2
20 626605 1
21 15127 t
22 23354 2
23 22076 1
24 15126 1
25 11141 1
26 15137 2
27 23358 1
28 1952 1
29 23357 1
30 23356 1
31 23148 1
32 21012 1
33 2589 1
34 19046 1
35 23359 1
36 1629 1
37 2464 2
38 21013 1
39 2615 1
40 1949 -1
4t 2592 1
42 1674 2
43 1660 2
44 1677 2
45 19051 2
46 32021 2
47 23604 1
48 23589 1
49 23592 1
50 1709 2
51 15187 2
52 15189 1
53 23387 1
54 15036 2
55 15131 2
56 23456 1
63135
Description
Crankcase ass'y (includes Matching Half
and Key Nos. 4, 5, 6, 7 & 42)
Gasket - crankcase
Screws- crankcase
Cotter pin
Screw _bar adjusting
Pin - bar adjusting (use with 11198 Bar Clamp)
Nut - bar adjusting
Gaskel =cylinder
Cylinder
Baffle
Spark plug - Champion CJ-8
Gasket- carburetor housing to c'case
Piston rings
Piston ass'y(inc!udes Key No. 55)
Piston pin bearing
Connecting rod ass'y(includes Key No. 16 & 19)
Crankpinrollers (28 'Rollers in Strip)
Screws - connecting rod
Nut - flywheel
Washer- flywheel
Thrust washer - crankcase
Crankshaft
Key - flywheel
Oil pump body
Screws - oil pump
Spring - oil pump
O-Ring - plunger
Pk,nger - oil pump
Cap - oil pump
Intake valve - oil pump
Oil line
Weight - oil pick up
Gasket oil pump body
Discharge valve -oil pump
Nut- 1/8" tubing
Ferrule- 1/8" tubing
Discharge line- oil pump
Fitting -discharge line
O-Ring - oil cap
Oil cap
Studs - cylinder
Nut - cylinder
Washer- cylinder
Seal
Bearing
Body Spark arresting muffler
Cover -muffler
Screen - muffler
Screws -Muffler Body
Spacer - Muffler
Screw - muffler cover
Spur - optional
Screws - spur, optional
Retainer- Piston Pin
Spring - oil line protector
Owners manual
2C

SEARS CHAIN SAW -MODEL 358-350870 (Craftsman 2.1 PS)
• MODEL 358-350880 (Craftsman 2.3 PS/VL)
Fig. 2
54 53
31
52 51 49
17
61
2
42
37
5O
47
55
44
43
33
59
56

?
SEARS CHAIN SAW -MODEL358"350870 (Craftsman 2.1 PS)
. MODEL 358-350880 (Craftsman 2.3 PS/VL) Fig. 2
Key No. Part No. Qty.
1 10153 1
2 19044 1
315136 7
4 15108 1
5 T5134 1
6 23492 1
7 15135 1
819043 1
911245 1
12 30005 1
13 19049 1
14 23485 2
15 23484 1
16 32018 1
17 22077 1
18 32019 1
19 1723 2
20 626605 1
21 15127 1
22 23354 2
23 22076 1
24 15126 1
25 1O129 1
26 15137 2
27 23358 1
28 19029 1
29 23357 1
3O 23356 1
31 23148 1
32 21012 1
33 2589 1
34 19054 1
35 23421 1
36 10131 t
37 2464 2
38 21013 1
39 26t5 2
40 1949 1
41 2592 1
42 1674 2
43 1677 2
44 1660 2
45 19051 2
46 32021 2
47 23604 1
48 23589 1
49 23592- 1
50 1709 2
51 23591 2
52 15189 1
53 23387 1
54 15036 2
55 15131 2
56 19053 1
57 11163 1
58 15114 1
59 10143 1
6O 23456 1
61 15187 1
62 22103 1
63 23389 1
64 23352
65 11244
63135
2
1
Description
Crankcase assembly(includes Matching Half and
Key Nos. 4, 5, 6, 7& 42)
Gasket -crankcase
Screws- crankcase
Cotter pin
Screw -bar adjusting
Pin -bar adjusting
Nut - bar adjusting
Gasket -cylinder
Cylinder (model 358-350880 - Craftsman 2.3 PS!VL)
Spark plug - Champion CJ-8
Gasket. carburetor housingto c'case
Piston rings
Piston assembly (includes Key No. 55) (model 358-350880-
Craftsman 2.3 PS/VL)
Piston pin bearing
Connecting rod assembly (includes Key Nos. 16 &19)
Crankpin rollers (strip of 28)
Screws - connectingrod
Nut - flywheel
Washer -flywheel
Thrust washer -crankcase
Crankshaft (model 358-350870 -Craftsman 2.1 PS)
Key flywheel
Oil pump body
Screws - oil pump
Spring -oil pump
Quad Ring - plunger
Plunger- oil pump
Cap - oil pump
Intake valve -oil pump
Oil line
Weight - oil pick up
Gasket -oil pump body
Spring - diaphragm
Diaphragm Assembly
Ferrule 1/8" Tubing
Discharge line- oil pump
Fitting -dischargeline
O-Ring - oil cap
Oil cap
Studs - cylinder
Washers- cylinder
Nuts - cylinder
Seal
Bearing
Body - Spark arrestingmuffler
Cover. muffler
Screen - muffler
Screws - muffler body
Baffle - muffler
Screw -muffler cover
Spur (optional)
Screws- spur (optional)
Retainer - PistonPin
Gasket -pump body cover
Cover -oil pump assembly
Screw - oil pump cover
Complete Pump Assembly
Spring -oil line
Spacer - muffler cover
Crankshaft (model 358-350880 -Craftsman 2.3 PSiV L)
Piston ass'y(includes ref. 55) (model 358-350870 -
Craftsman 2.1 PS)
Piston ring (model 358-350870- Craftsman 2.1 PS)
Cylinder (model 358-350870 - Craftsman 2.1 PS)
Owners manual 22

SEARS CHAIN SAW -MODEL 358-350842 (Craftsman 2.1)
MODEL 358-350870 (Craftsman 2.1 PS)
Fig. 3
41
16
13
tL
41
/17
35
23

SEARSCHAli_ISAW-MODEL 358:350842 (Craftsman 2.1 )
MODEL 358-35087{} (Craftsman 2.1 PS)
Key No. Part No.
1
2
3
4
5
6
7
8
9
10
11
12
13
14
15
16
17
18
19
20
21
22
23
24
25
26
27
28
29
3O
31
32
33
34
35
36
37
38
39
4O
23376
11188
15165
15147
23377
625712
15143
23375
15146
23581
34034
19045
23369
23373
1636
11191
23493
23362
15145
23366
23367
15139
23388
23452
23372
23361
11247
23384
10123
. 19048
_119047
11143
15138
11147
15152
•1709
23363
23364
21014
22091
41 15151
42 1648
43 15037
_44 15141
45 15129
46 19058
47 .... 22081
48 2582
63135
Fig. 3
Qty.
1
1
1
1
1
1
2
1
1
1
1
1
1
1
3
1
1
1
1
1
1'
1
1
1
1
1
1
1
1
1
1
1
5
1
_2
2
1
1
1
1
r • k
Choke knob
Carburetor cover
Screw- Carburetor cover
Wave washer - choke lever
Choke lever
Screw -Choke lever
Screws- Carburetor
Spacer - Choke
Wave washer - Shutter
Choke - Shutter
Carburetor
Gasket - Carburetor.
Air Filter
Boot - Throttle wire
Screws - Carburetor housing to C'case
Handle and Carburetor housing
Grip - handle
Button - Oil pump
Pin - Trigger
Reed
Reed Stop
Screw- Reed
Dust seal
Trigger
Throttle rod
Push rod- Oil pump
Gas tank top
Decal - tnstruction
Gas cap assembly (includes Key No. 30)
Gasket - Gas cap
Gasket -Gas tank
Gas tank bottom
Screws - Gas tank
Cylinder shroud
Screws - Cylinder Shroud - Rear
Screws- Cylinder shroud - Front
Weight- Fuel pick up
Felt - Fuel pick up
Line - Fuel pick up
Front handle bar (model 358-350870 - Craftsman
2.1 PS, only)
1 Washer -Handle bar
1Screw- Front Handle Bar _Top
2 Screws- Front Handle Bar - Bottom
1 • Screw -Handle to gas tank - Rear
2 Screws -Handle to gas tank - Front
1 Gasket- Carburetor cover
1 Front handle bar (model 358-350842 - Craftsman 2.1)
1 Switch - on-off
Owners manual

SEARS CHAIN'SAW--MODEL 358.350880 (Craftsman 2.3 PS/VL)
2
16 18
27 56
24
14 15
211 \
13
25

SEARS CHAIN'SAW-MODEL 358-350880 (Craftsman 2.3 PS/VL)
Key No.
1
2
3
4
5
6
7
8
9
10
11
12
13
14
15
16
17
18
19
20
21
22
23
24
25
26
27
28
29
30
31
32
33
34
35
36
37
38
39
40
41
42
43
45
47
48
49
50
51
52
53
54
55
56
57
58
59
60
61
Pax No.
23376
11238
15144
15147
23377
625712
15143
23375
15146
23581
34034
19045
23369
23373
1636
11237
23599
23595
15193
23366
23367
15139
23388
23601
23372
23594
11235
23384
-10123
19048
19047
11143
15138
11147
15152
1709
23363 _
23364
21014
221O4
15194
15196
15037
15129
2582
23597
15036
23598
23611
15192
11236
23596
15036
23612
23602
23603
1642
15197
19074
63135
Qty.
1
1
1
1
1:
1
2
1
1
1
1
1
1
1
3
1
1
1
1
1
1
1
1
1
1
1
1
1
1
1
1
5
,1
2
2
1
1
1
1
1
2
2
1
2
2
1
1
2
:1
I
2
1
1
1
1
1
1
Description
Choke knob
Carburetor cover
Screw - carburetor cover
• Wave washer - choke lever
Choke lever
Screw - choke lever
Screws- carburetor
Spacer - choke
Wave washer - shutter
Choke - shutter
Carburetor
Gasket-carburetor
Air filter
Boot throttle wire
Screws - carburetor housing to C'case
Handle
Grip * handle
•Button - oil pump •
Pin - trigger
Reed
Reed stop
Screw reed
Dust seal
Trigger
Throttle Rod
Push rod -oilpump
Gas tank top
Decal, instruction
Gas cap ass'y includes ref. 30
Gasket - gascap
•Gasket -gas tank
Gas tank bottom
Screws - gas tank
Cylinder shroud
Screws - cylinder shroud -rear
Screws -cylinder shroud - front
iWeight - fuel pick up
Felt - fuel pickup
Line - fuel pick up (bulk no, 8133)
Front handle bar
Screw - top front handle
Screw - front handle bar - top
Screws - front handle bar - bottom
Screws -handle to gas tank, front
Switch -on-off
Isolator mounting - handle to gas tank
Screw -connection
Bracket - isolator - gas tank
Spacer - rear mounting
Screw - rear mounting spacer
Carburetor housing
Isolator mounting -handle to carb,
Screws -bracket to carb. housing
Isolator - pad
Isolator - front handle
Bracket - front handle
Lockwasher - front handle bracket
Nut - front handle bracket
Gasket - carb. cover
::Owners manual
2_

SEARS MODEL 358-350842 (Craftsman 2.1)
SEARS MOD EL 358-350870 (Craftsman 2.1 PS)
SEARS MODEL 358-350880 (Craftsman 2.3 PS/VL)
I7
I0
29
--,-34-
_H
_27

SEARS MODEL 358-350842 (Craftsman 2.1)
SEARS MODEL 358-350870 (Craftsman 2.1 PS)
SEARS MODEL 358-350880 (Craftsman 2.3 PS/VL)
Key No.
4
5
6
7
8
9
10
11
12
!3
14
t5
16
17
18
19
:20
21
22
23
24
25
26
27
28
29
30
31
32
33
34
Part No.
34042
34043
34044
34045
3717
19045
34047
34048
34049
34051
34052
3429
34053
34054
34055
34056
3778
3779
3780
34058
34059
3429
34066
34061
3783
3784
34062
34063
3784
34064
34065
Description
*Body Channel Welch Plug
Diaphragm Gasket
*Diaphragm
Diaphragm Cover
Diaphragm Ret. Screw & Lockwasher
Flange Gasket
Fuel Pump Gasket
*Fuel Pump Diaphragm
Fuel Pump Body
Fuel Pump Body Ret. Screw & Lockwasher
Idle Mixture Screw
*Idle Mixture Screw Spring
*Idle Speed Screw "
*Idle Speed Screw Spring
*Inlet Control Lever
*inlet Fulcrum Pin
*Inlet FutcrumPin Ret. Screw
!nlet Needle
* Inlet Screen
* Inlet Tension Spring
High Speed Mixture Screw
*High Speed Mixture Screw Spring
Nozzle Check Valve Assembly
Throttle Shaft & Lever
Throttle Shaft Clip
Throttle Shaft Clip Ret. Screw & Lockwasher
*Throttle Return Spring
Throttle Shutter
*Throttle Shutter Screw & Lockwasher
*Gasket Set
Repair Parts Kit
(*) Indicates contents of Repair Parts Kit
28

maintenance
CHAIN SAW
MODEL NO.
358-350842 Craftsman 2.1
MAINTENANCE ITEMS AVAILABLE
• BUT NOT FURNISHED WITH YOUR
SAW
Available through nearest Sears Service Center.
KEY PART DESCRIPTION
NO. NO.
1 55003
2 55004
355005
43157
File Holder (includes file)
5/32"' File
Jointer Depth Guage
Wrench -Spark Plug
29
Accessories available through your nearest Sears Store or Catalog outlet.
CATALOG
NO. DESCRIPTION
32-36516
32-36545
32-3605
32-36393
32-36608
32-36513
32-36403
32-36555
File and guide
File, 5/32'"
Replacement chain 1/4" pitch micro-chise!, type 25, 76 links
Replacement guide bar, 14""
Chain saw case
Plastic chain guard
Spark plug - Champion CJ8
2 cycle chain saw engine oil

maintenance kit
CHAIN SAW
MODEL NOS.
358-350870 (Craftsman 2.1 PS)
358-350880 (Craftsman 2.3 PS/VL)
3\
MAINTENANCE ITEMS AVAILABLE
BUT NOT FURNISHED WITH YOUR
SAW
2
Available through nearest Sears Service Center.
KEY PART DESCRIPTION
NO. NO.
1 55015
2 55004
3 3157
File Holder (includes file)
5/32" File
Wrench -Spark Plug
Accessories available through your nearest Sears Store or Catalog outlet.
CATALOG
NO. DESCRIPTION
32-36516
32-36545
32-3606
32-36394
32-36608
32-36513
32-36403
32-36555
File and guide
File, 5/32"
Replacement chain, barracuda, 1/4" type 89, 76 links
Replacement sprocket nose guide bar, 14"
Chain saw case
Plastic chain guard
Spark plug - Champion CJ8
2 cycle chain saw engine oil
3O