Craftsman 358355061 User Manual GASOLINE CHAIN SAWS Manuals And Guides L0801183
CRAFTSMAN Chainsaw, Gas Manual L0801183 CRAFTSMAN Chainsaw, Gas Owner's Manual, CRAFTSMAN Chainsaw, Gas installation guides
User Manual: Craftsman 358355061 358355061 CRAFTSMAN CRAFTSMAN GASOLINE CHAIN SAWS - Manuals and Guides View the owners manual for your CRAFTSMAN CRAFTSMAN GASOLINE CHAIN SAWS #358355061. Home:Lawn & Garden Parts:Craftsman Parts:Craftsman CRAFTSMAN GASOLINE CHAIN SAWS Manual
Open the PDF directly: View PDF
.
Page Count: 32

.IMPORTANT MANUAL Do Not Throw Away
operator's
manual
• Assembly
•Operation
• Maintenance
• Repair Parts
MODEL NO.
358.355061-
2.3/16"AV
358.355071-
2.3/16" AV PS
al_ WARNING:
Carefully read and follow
_lfety Rules, Precautions and
Operating Instructions, FailUre
to do so can result in serious
SF_/ -RS RRFT$1qR
2.3/16" AV 2.,3/16" PS. AV
GASOLINE CHAIN SAWS
Record in the space provided below the Model No. and Serial No. of
your saw. These numbers are tocated on the starting instructions
decal.
Model No. Serial No.
Retain these numbers for future •reference.
530-066646-_19688
Sea,_, Ro(_btlok and Cx x, Chicag(), IlL 60684 U.S.A.
- @Sears,RoebuckandCo., 1988,,

ULL ONI_Y rARRANTY ON GASOLINE CHA
(Excluding Bar, Chain, Spark Plug, Air Filter and Starter Rope)
For one year from date of purchase, when you maintain, lubricate, and tune up your 2.3 AV or 23 RS. AV gasoline chain saw
accOrdingt_ the _pemting maintenan_e Inst_u_ti_ns inthe _perat_r_s manua_ Sears wi_ repair defects in malaria_s _r w_rkmansh ip
in _is gesotine chain eaw at no charge.
This warranty exc_udesthe bar_cha_n' spark p_ug_ajr _lter_and starter r_e wt_ich are expendabIe pa_rtsand becOme w_m during
normaluse. ._
If this2.3AVor2.,3RS.AVgasolinechainsawis usedforcommercialorrentalpurposes,thiswarrantyappliesforonly30
L<`-_:__daysfr_mdate_fpurchase_WARRANTYSERV|CE_SAVAILABLEBYRETURN_NGTHF-CHAINSAWT_THE_NEARESTSEARS
SC'-RVICECENTER/DEPARTMENTIN THEUNITEDSTATES.
Thi_ warranty gives y_u sped'_ _egalr_ghts_a.qdy_u m_y afs_ have _ther rights wh_ch_ary _mmstate t_state` -_
TABLE OF CONTENTS -
Specifications ................................ 2
SPECIAL SAFETY SECTION ....................3
Know'(our Chain Saw .......................... 6
Preparing Your Saw For Use ..................... 7
A.GettingReady ...........................7
B.AttachingtheBarand Chain......-,..........7
C. ChainTension............................8
D.FuelingYourEngine .......................9
E. BarandChain Lubr_ant ................... 10
Using YourSaw ..............................10
A.PreOperationChecks .....................10
B.StartingInstructions......................11
Using thePowerSharp eSystem ................12
Types ofCutting.............................._3
A.Basic Cutting Technique ................... 13
B, TreeFellingTechniques .................... 14
C, Bucking ............................ _5
D. Debranchinga_d Pruning.................. 16
Maintenance ................................ 17 •
A. Guide BarandChain................. ........ 17
B. Air Filter ............. _:.... ........ 19
_. Spark Arrestor........................ 19
D. StarterRope.. ........................... _0
E. CarburetorAdjustments.: ................. 21
F. Storage ............................... 22
G .MaintenanceAcces,_ries .................. 22
H. Troubleshooting Chart..................... 23
I. Maintenance Chart ....................... 24
Repair Parts List ............................. 25
Quick Reference Page .........................31
SPECIFICATIONS
MODEL
....._u._. o_,_L,_E_r
CHAIN-OREGONe
GUARD LINK
SPA_G ..........
SPARKPLUGGAP
M_O-DULEAIRGAP ,',':',',',':,,,,,,,' ...... :' 'N0:,_,4
•EUEL MIX ; ....... :' -_Gasoline/Oi_Mixtum 16:1 '
Mu_-L_• :l s_"_U=_"g
OILERS_-EM ) _ Aut_,_¢
' _F'r,=,N_c,,,..4=W:..........i ............. "._o='"
O,.TANK {..........s_o_
(_'6') ..........!_(_'_;P_)
2,3cu.in.
3/8P_c_LowProfile 3/8 Pitch_Pro_te
X_Guar_P Chr_eCt_er_ _rSha_ L"P_eCut_e:
SSOr_elinks 56 Ddvel_n_
,._N_7_ _ h'o.7_-._s3_
...................Champk_C,Fa.............
,025
• _ Throttle Trigger
Throttle L°ck°ut Choke .)__ndguard _:__ F_,etCap
\ ,.o\ I
_Lf._---_I_ _ j _J_ starter Handle
....................
,,ow.,,.....oo,
tjibration Mounts

,/
SPECIAL SAFETY SECTION
GUARD AGAINST KICKBACK
Kickbackisa dangerous reactionthat can/eadtosedous
injury. Do not rely only on the safety devices provided
with your saw. As a chain saw user, you must follow
special safetyinstructlonsto helpkeep yourcuttingjobs
free from accident or injury.
_IL KICKBACK WARNING
Kickback can occur when the moving chain contacts
an objectat the upperportion ofthetip ofthe guide bar
orwhen the wood closes inand pinchesthe sawchain
in the cut. Contactattheupperportionofthetipofthe
guidebarcan cause the chainto dig intothe object and
stop the chain for an instanL The result is a lightning
fast, reverse reaction which Idckstheguide barupand
back toward the operator, ff the saw chain is pinched
along the top of the guide bar_the guide bar can be
driven rapldiyback towardthe operator.Either oTthese
reactions can cause loss of saw control which can
result in serious personal injury. ................
KICKBACKPATH
,=l, ii ill == ,,,,m,,= ,, =
REDUCE THE CHANCE OF
KICKBACK
1. Recognize that kickback can happen. With a
basicunderstanding of kickback, you can reduce
the element of surprise which contributes to
accidents.
2. Neverletthemovingchaincontact any objectatthe
tip of the guide bar. Figure1.
3. Keep the working area free from obstructions
such as other trees, branches, rocks, fences,
stumps, etc. Figure 2. Eliminate or avoid any
obstructionthat your saw chain couldhit while you
are cutting through aparticula_ log or branch.
4. Keep your saw chain sharp and properly ten-
sioned. Followmanufacturer_chainsharpeningand
maintenanceinstru_ons. Check tensionat regular
intervalsw_ththeengines_opped,neverwiththeengine
running. Make sure the bar clampnutsare securely
tightenedafter tensioningthe chain. A looseor-dull
chaincanincrease the chanceofkickbackto occur.
5. Begin and continue cutting at full throttle. If the
chain is movingat aslower speed, there is greater
chance for kickback to occur,
6. Cut only one log at a time.
7. Use extreme caution when re-entering a previous
cut.
8. Do not attempt plunge cuts.
g. Watch for shifting logs or other forces that could
.....close a cut and pinch or fall into the chain.
10. Use the Reduced-Kickback Guide Bar and Low-
Kickback Chain specified for .yoursaw.
Figure 1
AVOID
OBSTRUCTIONS
CLEAR
WORKING AREA
LEFT _ND
Figure3
EL_
LOCKED
\_
ON
UNDER SID E
OF HANDLEBAR
MAINTAIN CONTROL
1. Keepagoodfirm grip on the saw with both hands
when the engine is running and don't let go.
Figure 3. Afirm grip can neutralize kickback and
help you maintain control of the saw. Keep the
fingers of your left hand encircling and your left
thumb under the front handlebar, Keep your right
hand completely around the rear handle whether
you are righthanded or left handed. Keepyour left
arm straight with the elbow locked.
2. Positionyourlefthandonthefronthandlebarsoit
is in astraightline with your right hand on the mar
handle when making bucking cuts. Figure&Never
reverseright and left hand positionsduringany type
ofcutting.
3. Stand with your weight evenly balanced on
both fe_.I.
4. Stand slightly to the left side of the saw, to keep
your body from being in a direct line with the
•Cutting chain. Figure 3.
5. Do not overreach. Youcould be drawn or thrown
off balance and/ose control of the saw.
6. Do not cut above shoulder height. It is difficultto
maintain control of the saw above shoulder height.

.,J ,........... i i
./ iii iiii iii . : i.. i_ iml lira,,,, ,,,,,,, .... ,, UlmllllllHi I H i i I, ,I
SPECIAL +SAFETY SECTION (continued)
iilll ill ,i ii
WARNING
Because a chain is ahigh-speed w0od-cutting tool, special safety precautions must be
observedtoreducethe dsk of personal accidenls.Carelessorimpmper useean cause sedous
personal injury.
SNUG
FITTING
CLOTHING
-.,,
SAFETY HAT
EARING PROTECTION
,HEAVY DUTY GLovEs
SAFETY
SHOES
Figure4
KNOW YOUR SAW
1. Read your Operetor's Manual carefuily untJlyoucom-
pletely understandand followall warnings and safety
instructionsbeforeattemptingto operatethe tool.
2. Restdct the use of your saw toadult userswho under-
stand and followthesafety rules,precautions and oper.
ating instructionsfoundin-thlsmanual
+PLAN AHEAD +
+1. Wear personalpmtective gear. Figure 4. Always use
steel-toedsafetyfo_wear withnon-slipsoles;snug-fitting
clothing;heavy-dutynon-slipgloves;eyeprotectionsuch
as non-fogging,vented gogglesor face screen; an ap-
pmvedsafetyhard hat,andsoundban_rs-- earplugsor
mufflers tOprotect your hearing.Regular users should
have hearing checkedregutadyas chain saw no_secan
+damage hearing.
2. Keep _hiidren, bystanders, and animals Out of the
work area -- a minimum of 30 feet. Do notallow other
peopleoranimalstobe nearthe chainsawwhen starting
oroperatingthe chainsaw.
3 o Do .notha.md_eor operate acha_ saw when _m_
fatigued, ill, or upset; or if you have taken alcohol,
drugs or medication. You must be in good physical
condition and mentally alert: Chain saw work is
strenuous. If you have any condffion that might be
aggravated by strenuouswork, check with yourdoctor
before operating a chain saw.
.=
4. Do not attempt to use your chain saw during bad
weather conditions such as strongwind,rain, snow,
etc., or at night.
5. Plan your sawing operation carefullytn advance. Do
notstartcuttinguntilyou haveactearworkarea, secure
footing,and ifyouare fellingtrees,aplanned retreatpath.
AVOID REACTIVE FORCES
Pin0h-Kickback and Pu!!-in occur when the chain is
suddenly stopped by being pinched, caught, or by
contacting a foreign object in the wood. Thisresultsin a
reversalofthe chainforceusedtocutwoodandcausesthesaw
to move in the oppositedirectionof chain rotation.Pinch-
Kickback drives the saw straight back towardthe operator.
Pull-inpullsthe sawaway from the operator. Either reaction
can resultinlossofcontrolandpossiblesedouspersonalinjury.
TO avoid Pinch-Kickback:
1. Be extremely aware of situations or obstructions
that <:ancause matedal to pinch the top of or other-
wise stop the chain.
2. Do not cut more than one log at a time.
3. DO not twist the saw as the bar is withdrawnfrom an
under-cut when bucking.
To avoid Pull-in:
1. Always begin cuffing with the engine at full thmffie
and the saw frame against the wood,
2. Use wedgesmade of plastic or wood, (neverof metal)
toholdthe cutopen.
HANDLE FUEL WITH CAUTION
I. Eliminate all soumes of sparks or flame in the areas
where fuel is mixed, poured, or stored, There should
be nosmoking, open flames, or workthat couldcause
sparks.
2. Mix andpour fuelin an outdoor area, onbare ground;
storefuel ina cool,dry, well-ventilated place; and use
an approved, marked containerforatl fuel purposes.
3. Wipe up all spilled fuel before starling your saw.
4. Move at least 10 feet away from fuel and fuelingslte
before starting the engine.
5. Do not smoke while handling fuelor while operating
the saw.
6. Turn the engine off and let your saw cool in a non-
combustible area, notondryleaves, straw,paper,etc.
Slowly removethe fueltank ca.pandrefuel the unit.
7. Store tooland fuel in an area where fuel vapors can-
not reach sparks or open flames from water heaters,
electric motors or switches, furnaces, etc.
4

5_
8.
m i i,,i _ i ui, i• ,i,, ii [L I,l,I ,I
OPERATE YOUR SAW SAFELY
1. Do not operate achain saw thst is damaged, im-
properly adjusted, or not completely and securely
assembled.
2. Operatethechainsawonlyinoutdoorareas.
3. Do not operate the saw from aladder or in a tree.
4. Position all parts of your body to the left of cut and
away from the saw chain when the engine is
running.
5. Cut wood only. Donotcutmetal, plastics,masonry,non-
woodbuildingmaterials, et_ Do notuseyoursawtopryor
shoveawaylimbs,rootsorotherobjects.
6. Make surethe _hain willnotmape contactwithanyc;b-
ject while slatting the engine. Nevertrytostartthesaw
whenthe guidebaris ina cut orPerf.
7. Use extreme caution when cutting small size brush
and saplings. Slender material can catch the saw
chain and be whipped toward you or pull you off
balance.
8. Be alert for springback when cutting a limbthat is
under tensionso you will not be struck by the limbor
saw when the tension in the wood fibers is released,
•9. Do not put pressure on the saw at the end of a cut.
This can cause you to lose control when the cut is
completed,
10. Stop the engine before setting the saw down.
MAINTAIN YOUR SAW IN GOOD
WORKING ORDER .
1. Have all chain saw service performed by aqualified
service dealer with the exception of the items listed
in the maintenance section of this manual. For
example, if impropertoolsare used to removeor hold
the flywheeJ when servicing the clutch, structural
damage to the flywheel can occur and cause the
flywheel to burst.
2. Keep fuel and oil caps, screws and fasteners
securely tightened.
3. Keep the handles dry, clean, and free of oil or fuel
mixture.
4. Make certain the saw chain stops moving when the
throttle trigger is released. For correction,refer to
"Carburetor Adjustments:'
Stop the saw if the chain strikes a foreign object.
Inspectthe toolandrepairorreplace partsas necessary.
Disconnect the spark plug before performing any
maintenance except for carburetor adjustments.
Never modify your saw in any way. Use only atfach-
merits supplied or specifically recommended by the
manufacture[
Always replace the handguard immediately if it
becomes damaged, or broken or is otherwise
removed ÷
Keep the vibration isolators in good condition.
Periodicallyinspectisolatorsfor tear,ripsorseparationof
the rubberportionfrom the metalmountings,Have your
Sears Service Center replace the isolatorsif worn or
damaged, ifvibra_onincreasesorifmounts developanout
ofroundorswollenshapefromexposuretogasolineand!or
oil.it isrecommendedthatallisolatorsbe replacedwhen
afailure to one occurs.
CARRY AND STORE YOUR SAW SAFELY
1. Hand carrywith theengine stopped, the Muffler aw_
•from your body,andtheGuideBarand Chaintothe rear
coveredpreferablywithascabbard.
2, Before transporting in any vehicle orstoring in any
enclosure, allow your saw to cool completely, cover
the bar and chain and propedy secure to avoid
turnover,fuel spillage or damage,
3, Emptythe fuel tankbefore storing the tool, Use
up fuelleft in the carburetor by starting the eng-
ine and letting the engine run until it stops,
4. Store in a dry area out of the reach of children and
away from where fuel vapors can reach sparks oran
open flame from hotwater heaters,furnaces, etc.
THIS SAW IS 'FOR OCCASIONAL USE ONLY
NOTE: Exposure to vibrationsthrough prolonged useof
chain saws may produce Whitefinger disease
(Raynaud's phenomenon). This phenomenon
reduces the hand's ability to feel and regulate
temperature, produces numbness and burning
sensations andcan cause nerve and circulation
damage and tissue necrosis,
An anti-vibration system designed to reduce
enginevibrationis recommended for those using
chain saws ona regular orsustained basis and is
provided on this saw, An anti-vibration system
doesnotguaranteetheavoidanceofWhitefinger
disease, Continual and regular users must
monitor closely their use of chain saws and
physical condition.
Notice: Refer to the Code of Federal Regulations,Section
1910.266{5);2.5.1 of American National Standard
Safety Requirements for Pulpwood Logging, ANSI
•03.1-1978;and relevant state safety codes when
usinga chain saw for logging purposes.
5

KNOW YOUR CHAIN SAW
A. INTRODUCTION
Yoursaw has beendesigned withsafetyin mindand
includesthefoltowingfeaturesasstandardequipment:
--Reduced-Kickback Guide Bar (Lo-Kick®)
-- Low-KickbackChain(Xtra-Guard®)
Spark Arrestor
Muffler Shield
-- Handguard
-- Anti-Vibration System
_IL WARNING
The following feature,sam includedon yoursewto help
reduce the hazardof kickback, however,suchfeatures
will not totally eliminate th is dangerous reaction. As a
chain saw user, donot relyonly onsafety devices. You
must follow all safety precautions, instructions and
maintenancein this manual to helpavoid kiekbackand
other forcaswhich can resultin serious personalinjury.
B. KICKBACK SAFETY FEATURES
Reduced-Kickback Guide Bar, designed with a
small radiustip whichreducesthe sizeofthekickback
danger zone on the bar tip. Figure 5. AReduced-
KickbackGuide Bar isone whichhas beendemon-
strated to significantly reduce the number and
seriousnessof kickbackswhentestedinaccordance
with the safety requirements for gasoline powered
chain saws asset bythe American NationalStandards
Institute, Inc.,StandardBt75.1-t985_
-- Low.Kickback Chain, designed with a contured
depthgaugeandguard linkwhichdeflect thekickback
force and allow wood to gradualty ride intothecutter.
Figure 5.Low-Kickback Saw Chainis chainwhich has
rnet the kickback performancerequirementsofANSI
B175.I when tested on a representative sample of
chain saws below 3,8 cubic inch displacement
specifiedin ANSI B175.1-1985.(American National
Standardfor Power Tools.- GasolinePowered Chain
Saves-Safety Requirements).
Handguard, designed to reduce the chance ofyour
left handcontactingthechain if your handslips offthe
fronthandtebar.
Position of front and rear handlebars, designed
withd'_z_ce betweenhandles and"in line" witheach
other.Thespread and "in line"positionofthehandle-
barsworktogether togive balanceand resistancein
controllingthe saw if kickbackoccurs.
_I, WARNING
Do not operate ttie chain saw unless the safetydevices
or their specified replacements are properly installed
and maintained according to the instructions in this
manual. Donot use any other guide barand chain com-
binationthat is not equivalent to the original equipment
or not certified to comply with ANSI B175.1.Failure to
follow these instructions can result inseriouspersonal
injury.
Figure5
C. STATE AND LOCAL REQUIREMENTS.
Yoursew is equippedwith atemperature limitingrnuf-
tier and spark arresting screen which meets the
-requirements of California Codes 4442 and 4443. All
Li.S.forest land and the _of California, Maine,
Washingtonarid Oregon requiremany internalcombus-
tionenginestobe equippedwithasparkarrestorscreen
bylaw.Other statesare enacting similar taws.
If you operate a chain saw in a state or locale where
such regulationsexist, you arelegaliy responsib!efor
maintaining the operating condition of these parts.
'Failure to do so is a violation Of the law. Refer tothe
"Spark Arrestor"se_on for maintenance. I
D= CARTON CONTENTS
After you unpack the carton:
1. Check the contents against the tist below.
2. Examinethe itemsfordamage. Donot usedamaged
paris.
3. Notify your Sears store immediately if apart is
missing or damaged.
NOTE: it isnormaltohearthefuel filterrattJeinanempty
fuel tank.
Key No. :Carton Contents: Qty.
1Powerhead 1
2Guide Bar 1
38oz_can 2.cycle Engine Oil 1
Operator'sManual(notshown) t
-- LoosePartsBag(not shown) t
Loose Parts Bag Contents:
4/Chain "1
5 BarAdjusting Tool 1
6FlexWrench(for fan housing 1
SCrews)

PREPARING YOUR SAW FOR USE
A. GETTING READY'
1. READ YOUROPERATOR'SMANUAL
CAREFULLY.
YourOperator's Manualhasbeendevelopedtohelp
youprepareyoursawforuse andto understandits
safe operation. It is important that you read your
manual completelytobecomefamiliar withthe saw
beforeyoubegin assemb}y.
.............. ,,,,, ,i
2. HAVETHE FOLLOWING AVAILABLE:
a. Protective gloves.
b. Approved, market fuel container
c. One gallon regular unleaded gasoline
d, 8oz. (1/2 pt.), 2-cycle, engine oil
e. Bar and Chain Lubricant.
f. BarM|usting Tool providedw_lhyoursaw.One
end ofthe toolserws as awrench;theothercanbe
usedas ascrewdriver.
L,
.11111
B,
,,,,,. ,,,,,,,,,,,i
.._ ii ii "H ,.... HH,.HH I. I
ATTACHING THE BAR AND CHAIN
__CAUTION:t Wearprotectivegloves when handling
oropemting your saw.The ¢hainissharpand can cut
you even when it is not moving!
•Your saw is equipped with a Reduced.Kickback
Guide Bar and a Low-Kickback Chain.
• Use only the Reduced-Kickback Guide Barand
Low-Kickback Chain specified for your chain
saw model when replacing these parts. See
"Specifications"
,_WARNING
Do not start engine without guide bar and chain com-
pletely assembled. Otherwise,the clutch can come off
and Serious personal injury can result.
._AUTION:I Wear protective gloves when han-
dling or operating your saw. The chain is sharp
and can cut you even when it is not moving!
1. Remove the following partsas shownin Figure 6,
using the Bar AdjustingTool and Hex Wrench pro-
vided with the unit.
a. Bar Clamp Nut.
b. Rear Bar Clamp Screw.
c- Bar Clamp Housing.
2. Turn the Adjusting Screw counterclockwise
to move the Adjusting Pin almost as
far as it will go to the rear. Figure 6.
•3. Hold chain with cutters facing as shown in
Figure 7.
4. Place chain over and behind the clutch drum,
onto the sprocket. Figure 7.
5. Place the Guide Bar onthe sawby fitting thelarge stot
in the Guide Bar overthe Bar Stud.Figure 8.
NOTE: Be sure the Guide Bar is positioned
with the adjusting pin hole below the large
slot.
•6. Fit the adjusting pin intotheround holebelowthelarge
stot;fit the far_ sJotonthe mountson e_d'terside of the
BarStud. Figures7 and 9.
7. Fitthe chain intothe GuideBar grooves-- first,the top
grooveandthen, the bottom groove.
.11, ,,,,,,,,,,, , ,, i ii i H
!1
TURN
ADJUSTING
SCREW
SCREW
| /-.-HOUSZ G -NUT
Figure6
CLUTCH
BARSTUD
Figure7
STU
Figure 8

j CAUTION:JMake sure that the tabon the bottom of the
fuel tank isaligned inthe slotprovidedinthefan housing.
See inset, Figure 8,
& HoldtheGuideBaragainstthesawframe andinstall
the BarClamp Housing.
9. Securethe Bar ClampHousing withthe Bar Clamp
Nut, finger tight only.TightenBar Clamp Nut after
chainistensioned.
10. Replace the Rear Bar Clamp Screw and
tighten securely.
11. Follow "Chain Tension" instructions below.
• , ,=1¸ " iiiiiiii i i ii ¸ _'il i_'" i i i
Figure9
, iiii ii, i i,
C. CHAIN TENSION
-• Chain tension is very important:
--a loose chain wilt wear the bar and i_setf.
ma loose chain can jump off the bar while
you are cutting, : _ .:"
--a _ght chain can break or damage the saw b_
• The chain Stretches during use, especially
when new. Check tension:
-- each timethe_awis used.
more frequently whenthechain isnew•
as thelchainwarms up tonormaloperatingtem-
perature.
• Chain tensioning procedure:
NOTE: The bar clamp nutsmust be no more than
finger tight to tension the chain correctly.
1. Hold the tip of the Guide Bar up and turn the
Adjusting Screw clockwise just until the
chain does not sag beneath the Guide Bar.
Figure 10.
2. Check the tension by lifting the chain from
the Guide Bar at the center of the bar. Figure
11.
3. Continue adjusting the Adjusting Screw until
•the tension is correct.
4. Hold the tip of the Guide Bar up and tighten
the Bar Clamp Nut with the Bar Adjusting
Tool.
5. Check the Rear Bar Clamp Screw to be sure
it is secure.
6, Recheck chain tension.
ICAUTION_Always wear gloves when handling
the chain. The chain is sharp and can cut you
.even When it is not moving!
TURN
TO LOOSEN
TENSION
.Figurei0
Chain tension is correct when the chain:
--can be lifted about 118" from the Guide Bar
at a point near the middle of the bar, and"
_will move freely around the bar,
CHAIN CAN BE
LIFTED 118" WHEN
TENSION IS CORRECT
Figure 11
-8

, , .J,,, .., ...,, ......,.,......i_,
=i=afii=li iii ; = = ,,=,,=ii,ii" = =,1 ,,,,,,,,,,,,,,,,,,,,,,,,,
........ p.,,, ,..
D. I=UELING YOUR ENGINE
1. FUEL SAFETY
a. Use only recomreended fuelreixtures.
b. Mixand pourfueloutdoorsandwherethereare
no sparks or flames.
c_ Use a container approved forfuel
d. Donot smoke orallowsreokingnearfuelor the
tool Or whlle using the tool.
e. Wipe up allfuel spills beforestarting engine.
f. Move at least 10 feet away from fueling site
before starting engine.
g. Stop engine before rereovingfuel cap.
h. Ereptythefuel tank before storingthetool, itis
recommendedthatthe fuel tankbe emptiedafter
each use. Iffuel isleftintank,storesofuel wiltnot
leak. "
LStoretooi and fuelinan areawherefuelvapors
cannot reachsparksor open flamesfrom water
heaters, electric motors orswit¢he_,furnaces,
etc. ,
2. FUEL MIXTURE
•Your tool is powered by a two-cycle engine
which i_=quiresa fuel mixture of regular un-
. leaded gasoline and a high quality engine
0il specially reade, for 2.cycle, air cooled
engines. The internaldesignoffife2-cycleengine
_ .. requireslubdcationofreovingparts.Lubricationis
provided when the recommended mixture
gasolineandoil is used. r
•Gasoline must be clean and not over two
•reonthsold, Gasolinewiflchereicaltybreakdown
andformcompoundsthatcausehardstartingand
damage in2-cycleengines.
• Thecorrectmeasureofgasolinetooilisvery
importanL Toomuchoilinthemixturewillfoulthe
spark plug.
O ¸
]CAUTION: jToo little oil or incorrect oil will
cause the engine to overheat and seize.
Always mix the fuel thoroughly in acontainer
sincegasolineandoildo notreadilycornbine.Do
notmixgaso/ineand oil directlyinthefue!tank.
FUEL
CAP
Figure t2
3, USE THE FOLLOWING ONLY:
{16parts gasolineto I partoil.)
RL_-G_
4. DO NOT USE:
• BIA OIL (Boating Institute of Amedca)--
-- Doesnot haveproperadditives for air-cooled
2-cyd,eengines andcancauseengine damage.
" " AUTOMOTIVE OIL-
--Does not have proper additives for 2-cycle
enginesandcan causedamage."
5. HOW TO MIX FUEL AND FILL TANK
a. Pour I/2 gallonregular unleaded gasoline into an
approved, marked container.Donot mix gasoline
and oildimctl_ in the fuel tank.
b. Add entiremeasureof engineoil.
c_ Cover containertigi'_tlyand shakefor one minute.
d. Slowlyremovefuel containercover.
e. Add rernainderof gasoline.
f. Cover containertightlyand shakeagain.
g. Slowlyremovefuel container cover.
h. Slowlyremovefuel cap.See"Specifications"
forlocation.
LFillthe tank usinga spoutorfunnel. •
j- Reinstallthe fuel cap securely.

iiiiiiiiiiiiiiiiii =III.H III I
E. BAR AND CHAIN LUBRICANT
• The guide bar and cutting chain require con-
stant lubrication in order to remain in
operating condition. Lubrication is provided
by the automatic oiler system when the oil
tank is kept fitled.
-- Lack of lubricant will quickly ruin the bar and
chain.
--Too little lubricant will cause overheating
shown by smoke comingfrom the chain and/or
discolorationofthe guidebe#mi!_
• Use Sears Bar and Chain Lubricant (#71-36554--
I qt. or 71-36556 -- 1 gal.) or clean SAE 30W oil.
In freezing weather oil will thicken, making
it necessary to thin bar and chain oil with a
small amount of Diesel Fuel #1 or
Kerosene. Bar and chain oil must be free flow-
ing for the oil system to pump enoughoil for ad-
equate lubrication.
1. USE THE FOLLOWING:
30°F or above--Lubricant--undiluted.
•30°F- 0°F --95% Lubricant to
5% Diesel Fuel #1
or Kerosene.
Below OOF _90% Lubricant to
10% Diesel Fuel #1
or Kerosene.
iiii iiiiiiii %111 i iii
'1_-Ii i , ,,,,,,111ii , ii ii i i
2. HOW TO FILL THE OIL TANK
a. Turn saw on its side with oil cap up. Figure
13.
b. Loosen cap slowly; wait for pressure in the
tank to be released before removing the
cap.
c. Fill the oil tank.
d. Reptace the oil cap securely.
3. IMPORTANT POINTS TO REMEMBER
a. Fill the oil tank each time you refill the fuel
tank to ensure there will be sufficient oil for
the chain whenever you start and run the
saw.
b. It is normal for a small amount of oil to ap-
pear under the saw after the engine stops
due to oft draining from the bar and chain,
CAP
Figure 13
,,,,, ,
i i i illl i i iiii i i iiiiiiiiii
USING YOUR SAW
A. PRE-OPERATION CHECKS
Each time before operating your saw, always:
1. ,,-Check over safety rules and precautions in
this manual. Make certain YOu completely/
understand and can apply each one.
i. ii ii iiii i •. iii i iiiiii iii
6. ,_Check the fuel tank and oil tank. Both tanks
shoutd be filled.
2. ,f Check personal protectivegear. Atwaysuseeye,
hearing,and headprotectiondevices;safetyfootwear;,
protecEvegloves;and snug-fittingclothing.._
3. ,,-Checkthe saw for loose bolts, nuts,orfitUngs.
Tighten,repair orreplace parts as necessary.Too_s
requiredare listedin the '_.ssembly"
4. _,,Check the air filter. Cleanthe filter,if dirty,before
startingthe engine. For ioca_on, see the '_'r Filter"
section.
5, ,,-Check the saw chain. The chain should be
sharp and at the correct tension.
7. ,--Check the handles. Handles should be dry
and free of fuel mixture and oil.
8. _.-Check weather conditions. Do not use your
saw at night or during bad conditions such
as strong wind, rain, snow, etc.
9. ,_Check the work area. Keep Children,
bystanders, and animats a safe distance away
from the work area when starting or operating
the saw -- a minimum of30 feet.
10

iii ,,,,IH, I I IIH Hllll III • _ I• • • II I I I I •"=,iNhmTI
B. STARTING INSTRUCTIONS (Refer to "Specifications" for location of controls.)
1, BASIC PROCEDURE
a. Hold saw firmly with the saw chain free to turn
without contacting any obiect.
b. Move ignition switch to "Start" positionJRgum 15.
c, Adjustchoke accordingto "Starting Procedumfor
Varying Conditions" berow.Figure 15,
d. Squeeze trigger withyourdght hand while pushing
saw awayfromyouand pullingthe startermpewith
your left hand. Figure 14.
e. Release the trlggerafter engine starts,allowingthe
engine to idle.
I,_.WARN_G
lThechainmustnotmovewhentheenginerunsatidle
speed. Refer to "Carburetor Adjustments," for
oorreotion,
f. Stop engine by moving the ignition switch to th_
."Stop" position. Figure 15,
]`&WARNING i
IAlways wear gloves; safety footwear; snug-fitting
•J clothing; and eye, hearing, and head protection
[devices when operating a chain saw.
2. STARTING PROCEDURE FOR VARYING CONDITIONS
NOTE: Be sure to follow"1. Basic Procedure," as
de..scdbed on thispage.
a. COLDENGINE
1.} Pull choke to full choke position. Figure 15.
2JPuli starter rope untir engine, attempts to run.
3.) Push c,_oke until half position is fett. Figure 15.
4=)Putfstarter rope untilengine runs.
5.) After 5 second warm UP, push choke to the
off position.
.o.h.o...,.,,.,,g.,F
handwhilepullingstarter J j_ .,_ {_)
rope with left hand. __
|Use only fS-18 inches
of rope per pull.
Figure 14
IGNITION sWITCH
STAR_'-,,ir_---a=_ STOP
Figure 15
OKE !
/.°:
- ""
OF_F "': HALF
I¸ I
,&WARNING :
Avoidbodily contact with the muffler when startingor
using a warm engine to avoid serious burns.
b. WARM ENGINE
1.)Leavechokeat the offposition.Figure15.
2.) Pul!starterrope untilengineruns.
C. REFUELED WARM ENGINE AFTER RUNNING
OUT OF FUEL
1.) Pullchoke tofull chokeposition. Figure 15.
2.) Pult starter rope untilengine attempts torun.
3.) Push_hoke to the off position, Figure 15.
4.) Pull starter rope until engine runs•
3. IMPORTANT POINTS TO REMEMBER
a. When pulling the starter rope, do not usethefull
extentofthe ropeas thiscan causetheropetobreak.
Donotlet thestarter rope snap back.Holdthe han-
dleand let the rope rewindslowly.
b. If engine floods, let the unitsetfora fewminutes,
then repeatstartingprocedureusingthehalf-choke
posifion.
'c. For cold weather starUng,allow enginetowarmup
(1-2rain.) atthe half-chokeposition,thenmovechoke
choketotheoffposition.Donotcut withthechokeat
the "ful!" or "half" position.
11

USING THE POWER SHARP®SYSTEM (MODEL358.355071)
ii i i, i ,,,,,,,,,,,,,,,,,,,, i ilrll
Mode; 358.355071is equipped withaPowerSharp®
System that will perform approximately 80% of the
sharpening necessaryforthe saw chain. The Power
Sharp _ System utilizes a built-ingrinding stone to
sharpenthe cuttertopplatesandsetdepth gauges.As
the buitt-insharpener is used, the cutter side plates
graduallywillbealtered.Aboutevery3rdto5thtimethe
PowerSharp®Systemis used, handfilingisrequired
to correct the cutter side plates and depth gauges,
•Sharpen the saw chain when:
--wood chips becomesrnall andpowdery. (Wood
chipsmade by_chainshourdbe aboutthesize
of the teethof the.chain.)
--saw cuts to-one side.
--saw has to be forced through the cuL
_i. _ I tt ii ,itl ,,,,,,,tt t ,,,, ,,,,H, =
A, AUTOMATIC SHARPENING
1. Stopthe engine.
2. Placesawon asolid, flatsurface;andmakesurethat
the chainwillnotcontactany object.
3. Adjustthe chain withpmpertenston.Referto"Chain
Tension:'
4. Start engine and operate at half throttle.
5. Press the Power Sharp _Knob down until
you feel the sharpening stone lightly con-
tatting the chain. Figure 16.
6. Maintain constant, light pressure on the
Power Sharp®Knob while moving the knob
side to side for 5 seconds.
7. Release Power Sharp® Knob and stop
engine,
8. Inspect chain cutters,
NOTE: Aproper/y sharpened cutter wil! show
grinding marks across its entire width. Figure
17.
", ,, ,,,,,,,,,,, ,,, , ...........
B., HAND FILING
Sharpen the sideplatesanddepthgauges by handafter
every3rd to5th time the PowerSharp® S_tstemis used.
• Replace the sharpening stone when a new
Power Sharp®chain is installed. See instruc.
tions, page 13.
Remove the sharpening stone if a standard or
conventional chain is substituted for the Power
Sharp ®cl_ain. See instructions for removingthe
sharpeningStone and Carrier Assembly, page 13.
Use replacement chain for Model 358.355071
{22116"), Stock No. 71-3629. Followconventional
chainsharpeninginstructionsinthe "Maintenance"
section.
ICAUTION_Always wear gloves when handling
the chain. The chain can cut you even though
it |stoo du!l to cut wood.
ii ii iii iiii ii iiiiiiiii i iii iii1" i J
Figure 16
TOP VIEW OF CUTTER
INSPECT CUTTERSFOR GRINDING MARKS
........ Figu-re17
Items Required:
Gloves Ratflle
5/32" dimfile Vise
File holder Screwdriver
"EROD
ON FILE HOLDER FLAT "l ,/"'_ _ROUND FILE
• ON TOP OF CUTTER _L..__L_'X_/
__. DEPTH
• TOP [,''"_ "'_._"_,_'." GA UGE
PLATE SIJE-'_"_>
PLATE ...........
Figure 18
NOTE: ifabrasivematerials sucllas rocks,nails,sandor
dirtarecontacted by the Chain,the sde platesshouldbe
checkedmore often. Damage to the cutterscausedby
abrasivematerials usuallyresultsin discolorationspots
wherethe chromehas beenwom away.Cuttersidep!ares
shouldbe fileduntilthese spotsareremoved.
. r12 ,.

Cm
1. Stop the engine.
2. Adjust the chain for proper tension, page 8.
3. Clampthebarinavisetoholdthech_nsteady.Donot
clampthe chain.
NOTE: Work at the midpoint of the bar, movingthe
chainforward withascrewdriver aseach cutterisfiled.
4. Supportthe square rod onthe fileholder(with 5/32"
round file) oncuttertopplate.Figure18.
5, Held the fileholder level (900)withthe220guide mark
parallelto the guide b_ Figure t9,
6. File from insidetowardoutsideof cutterinonedirection
only -- 2or 3strokesper side plateedge should be
enough. Ffgure 19.
NOTE: A_d hittingthetopedge ofthecutterswl_enfil-
ingthe sidepl_e.
...... "-- : ! = "i; i ;,,,i;,l_i;i-=_=l......
REPLACE OR REMOVE THE
STONE AND CARRIER ASSEMBLY
1, Remove bar clamphousing.
2. Remove screw holding Stone and :Carrier
Assembly. Figure 21.
3, Discard old assembly.
4. Reverse procedure to install new assembly.
5, Tighten screw securely.
.NOTE: Be careful to not overtightem (Torque
to 20-25 inch pounds.)
6. Reassemble saw,
7. Maintain a 1/32" s_le plateproiection.Figure 20.
8. F_teall side platesononeside of the chain,thenmove
to the other si_eof barand fileremaining side pJates.
9. Filedepthgauges accordingtoinstructionsonpage 18.
SIDE
PLATE T=l SiDE PLATE
_L_-- ,, PROJECTION "_
_ ,132 1/32" {_"
i ,oPvl w
PLATE /I_ _Tk_-
Figure20
,_TONE &
CARRIER
Figure21
•'. ;:;i_ _ _ _ ,............... _ _ . -..................... _ _ .._. - ,,
TYPES OF CUTTING
,1111 i i __ i ,111 .i i,ii,,i . ii ,i i. iiii.,]]1iii]
A, BASIC CUTTING TECHNIQUE
1. IMPORTANT POINTS
a. Cut wood only, Donotcutmeta!,p[_t_cs, masonry,
nonwoodbuildingmaterials,etc.Donotuseyours_v
to pryorshove av_y limbs, rootsorotherobjects.
b. Stopthe sawif the chain strikes aforeignobject.
Inspect the saw and repak or replace parts as
necessary.
Keep the chain out of dirt and sand. Evenasmall
amount of dirt wiltquickly dull achain and thus
increasethe possibilityof kickback.
............... _ KICKBA'_' WARN'iNG ''_
Kickback can oacur when the moving chain contacts
an objectatthe upper portion ofthetip of the guidebar
orwhen the wood closes in and pinches the sawchain
inthe cut. Contact at the upperportion of the tip of the
guide bar can cause the chain todig intothe object and
stop the ¢hair_for an ins_rd_ T._eresLdt_safighting
fast, reversereaction which Idcksthe guide bar upand
back toward the operator. If the saw chain is pinched
along the top of the guide bar, the guide bar can be
driven rapidly back toward the operator.Either ofthese
reactions can cause loss of control whichcan resuitin
serious personal injur_.
2. UNDERSTAND RF..ACT|VEFORCES
Pinch-Kickback andPull-In occur when the chain
issuddenlystopped bybeing pinched, caught, or
by contacting a foreign object in the wood. This
•results(narevemaiofthe chainfom.eusedtocutwood
andcauses the sawtomoveinthe oppos_e d{rect_onof
chain rotation.Eitherreactioncan resultin loss ofcon-
troland possible seriousinjury.
* Pinch-Kickback
--occurs whenthechain,ontopofthe barissuddenly
stopped whenthe topof thebar is used for cutting.
_rapid/y drives the saw straight back toward the
operator.
_.. , Pull-In
_can Occur when the chain onthe bottom of the
bar is suddenly stopped.
pulls the saw rapidfy forward,
3. PROCEDURE
Practicecutting a fewsmalllogsusingthe followingtechni-
queto getthe "feel" ofusingyoursaw beforeyoubegin a
major sawing operation.
a. Accelerate the engine to full throttle just before
entering the cut bysqueezing the throttletdgger.
b. Begin cutting with the saw frame against the log.
Rgure 22. ., !3

i
14
c. Keep the engine at full throttlethe entire timeyou
are cuffing.
d. Allow the chain to cut for you; exert only light
downward pressure. If youforcethe cut,damageto
the bar,chain,orenginecanresult.
e. Release the throttle trigger as soon as the cut is
completed, aJtowingtheengineto idte.Ifyourunthe
sawatful!throttle withoutacuttingload,unnecessary
wear can occurto thechain,bar,andengine.
f. Do notput pressure onthesaw atthe endofthe cut
to avoidlosingcontrolwhenthe cutis complete.
g. Stop the engine before setting the saw down after
cutting.
_,,,,L,,J, ; ,,, ,, , ,,, ,, , , ,,,,,,,i,,,,, , ,,,,,,,,,,,,,,,,,
B. TREE FELLING TECHNIQUES
1. PLAN YOUR SAWING OPERATION CARE-
FULLY IN ADVANCE
a. Clear the work area. Youneeda clear area all
around the tree where you can have secure
footing.
b. Study the natural conditions thatcan cause
the'tree to fall in a particular direction:
1.) The WIND direcfionandspeed.
2.) The LEANofthetree.
3.) WEtGHTED withBRANCHES ononeside.
•4.) ,_urroundingTREES andOBSTACLES.
c. Loolcfordecayandrot. Iftheteankisrotted,itcan
snapand fall towardtheoperator.
.d., Check for broken or dead branches which
couldfall on you whilecutting.
e. Make surethereis enough room for the tree
to fall. Maintain a distance of 2_/_ tree
lengths from the nearest person or other ob-
jects. Engine noise can drown out a warning
Call.
f. Remove dirt, stones, loose bark, nails,
staples, and wire from the tree where cuts
are to be made.
g. Plan to stand on the up-hill side when cut-
ting on a slope.
h. Plan a clear retreat path to the rear and
BEGIN CUTTING WITH
THE BOTTOMOF THE . -
SAW FRAME AGAINST
T
Figure22
L IH,H _l, I'll H
III I ,,,,,,,,,,,, ,,,,,,,,,,,,,,,,,,,,,,,, ,
diagonaitothelineoffall. Figure23.
WARNING ....
DO NOT CUT:
--=near electrical wires or buildings.
if you do not know the direction of tree fall
at night since you will not be able to see well.
_during bad weather -- strong wind, snow, rain,
etc.
2. FELLING SMALL TREES -- LESS THAN 6"
IN DIAMETER
3.
a. If youknowthe directionof falh
1.) Make a sing{e felling cut on the side away
from the direction of fall.
2.) Cut _Jfthe waythrough.
3.) Stop the saw, put it down, and get away
quicklyon your planned retreat path.
b. tf you arc notsure which way the tree wil!fall,
use the notch method described for felling
large trees.
FELLING LARGE TREES-- 6" DIAMETER
OR MORE
The notch method is used to cut large trees. A
notch is cut on the side of the tree in the desired
directionof fall. After a felling cut is made onthe
opposite side of the tree, the tree will tendto fall
intothe notch.
NOTE: If the tree has large buttress roots, re-
move before making the notch. Cut into the but-
tresses vertically,then horizontally.Figure24.
a. Make the notchcut.Figure 25.
1:) Cut the bottom of the notch first, through
1/.3ofthe diameter of the tree.
2.) Complete the notch by making the slant
cut.
3.) I_emovethe notchofwood.
b. Makethefellingcutontheoppositesideofthe
notch about 2" higher than the bottom of the
notch.
DON'T PUT YOURSELF IN THESE POSITIONS
Check the lean,
Don'tcut on lean side. Check the balance.
Don't cuton weighted s_de.

c. Leave enough uncut Wood between the felling
cut and thenotchto form ahinge. Figure 26.
NOTE: The hinge helps to keep the tree from
twisting and falling inthe wrongdirection.
d, Use awedge if there is any chance that the
tree wiltnot fall inthe desireddirection.
NOTE: Beforethe felling cut is complete, drive
wedgestoopenup thecutwhennecessarytocon-
•trolthedirectionoffall. Usewoodorpfasticwedges
but never metal, to avoid kickback and chain
damage
e. Be alert for signs that the treeis ready to fall:
t,) cracking sounds
2.) wideningofthefellingcut
3.) movementintheupperbranches,
f. As the tree starts to fall, stop the saw; put it
down, and get away quickly on your planned
retreatpath.
g. Be extremelycautiouswithpartiallyfallen treesthat
maybe poodysupported.When atree doesn'tfall
completely;s_ the _aside andpundownthe
with acable winch, block andtackle or tracts. To
avoid injury, do not cut down a partially fallen tree
withyour saw.
J
oFF, >....f
4_
\
Rgure25 Figure26
_WARNING
Stay on the uphill side of the terrain to avoid the
tree rolling or sliding down hill after it isfelled,
C; "BUCKING
Bucking isthe term used for cutting a fallen
tree to the desired log size.
1. IMPORTANTPOINTS
a. Cut only one log at a time,
b. Cut shattered wood very carefully. Sharppieces
of wood could be flung towardthe operator.
c. Use a sawhorse to cut small 10gs.Never allow
•anotherperson to hold the log while cuttingand
never holdthe log with your leg or foot.
d° Give special attention to logs under strain to
prevent the saw from pinching. Make the first
cut on the pressure side to relieve the slress on
the log Figure 27.
Do not cut in an area where logs, limbs and
roots are tangled such as in a blown down
area, Drag the/ogs into aclear area beforecut-
_ingby puUingout exposed and cleared logsfirst.
f. Make the first bucking Cut 113 of the way
through the tog and finish with a 2/3 cut on
the opposite side. As the log is beingcut, it will
tend to bend. The Saw can become pinched or
hung In the log if you make the first cut deeper
than 1/3 of the diameter of the log.
I _WARNING ! "
Never turn the saw upside'down to undercuL The
saw cannot be controlled inthis position.
•. 2ND CUT
4-----
Figure27
,,,i, ,,H,, I,
ml, ,
Figure 8
UNDERCUT
t5

2. TYPES OF CUTTING USED F'_um28.
--Overcutling - beginon the top sideof the log
with the bottom of the saw against the log;
exert lightpressuredownward.
Undercutting - begin on the undersideof the
fog withthe topof the saw againstthe log;exert
light pressure upward. During undercutting,
the saw will tend to push back at you. Be pre-
pared for thisreaction and holdthe saw firmly
to maintaincontrol.
A WARNING
If saw becomes pinched or hung in a log, don't try to
force it out. Youcan loose control of the sawresulting
in serious personal injury and/or damage to the saw.
Stop the saw,drive a wedge of plastic or wood intothe
cut until the saw can be removed easily. Figure 29.
Restart the saw and carefully reenter the cut, Toavoid
ldckbackand chain damage, do notusea metalwedge.
Do not attempt to restart yoursawwhen itispinched or
hung in a log.
3. BUCKING-- WITHOUTA SUPPORT
a. Overcutwitha 1/3diametercut.
b. Rolllogoverandflnishwithanovercut.:
4, .BUCKING _USING ANOTHER LOG AS A
SUPPORT (Figure 30):
_k WARNING
Do not stand on the log being cut. Anyportion can roll
causing loss of footing and control.
a. In areaA:
t.) Undercut l/3 of the way throughthe log
2.) Finishwith an overcut.
b. InareaB:
"{.) Overcut, 1/3of the waythrough thelog.
2.) F_nishwithan undercut.
5. BUCKING-- USING A STAND (Figure 31):
a. InareaA:
I.) Undercut 1/3 of the way throughthe log.
2.) Finish withan overcut.
b. in area B:
1.) Overcut 1/3ofthewaythroughthelog.
2.) Finish withan undercut.
- i ii IIIIHiii HHHHH=.IM I . = , _ Imi]H , HHHHH=
D.
e Work slowly, keeping both hands on the saw
with a firm grip. Maintain secure footing and bal-
•ante.
••Watch out for springpoles. Use extreme caution
when cutting small size limbs. Slender materia!
can catch the saw chain and be whipped toward
youor pullyou offbalance.
• Be alert for springback. Watch out for branches
that are bent or under pressure as you are cuing
to avoid beingstruckby the branchorthe saw when
the tensioninthe wood fibe_,_isreleased.
• Keep aclear work area. Frequently clear bran-
ches out of the way to avoid tripping over them.
.j _WARNING
INever climb into a tree to debranch or prune, Do not
_stand on ladders, platforms, a log or in any position
|which can cause youto tose your balance or contrel of
| the saw.
16
WEDGE USED TO
HOLD CUT OPEN.
Figure29
B
1st
Cut
USING
ANOTHER
LOG AS A SUPPORT
1st
Figure30
lAI ,B IAl
2nd CUT 1st CUT CUT
1st 2nd 1st
CUT CUT CUT
....... ,, ,, i, illll
Figure31
WARNING
Be alert for and guard against kickback. Do not allow
the moving chain to contact any other branches or
objectsatthe nose of the guide barwhen debranching
or pruning, Allowing such contactcan result inserious
personalinjury.
USE COMMON SENSE
J
MAINTAIN SECURE FOOTING

1. DEE=RANCHING
a. Always debranch a tree after it is cut down.
Only then can debranchingbe done safelyand
properly.
b. Leavethelargerlowerlimbstosupportthe
tree as you work,
c. Start at the base of the felled tree and work
towards the top, cuffing [0ranches and
limbs. Remove small limbs withone cut. Fig-
ure32.
d. Keep the tree between you and the chain.
Cut from the side of the tree opposite the
branch you are cutting_
e. Remove larger, supporting branches with
the 113,2/3 cutting techniques described in
the bucking section.
1.) Start with an undercut.
2.) Finish withan overcut.
f. Always use an overcut to cut small and
freely hanging limbs. Undercutting could
cause limbstofall andpinchthe saw.
2. PRUNING
a. Limit pruning to limbs shoulder he_ht or
below. Do notcut if branchesare higher than
your shoulder. Get aprofessional to do the
job.
b. Refer to Figure 33 for the pruning tech-
nique.
1.) Underc0t 1/3 of the way'through the limb
nearthe trunkof the tree.
2.) Finish with an overcut farther out from the
trunk.
3.) Keep outof the wayofthefallinglimb.
4.) Cut the stump flush near the trunkof the
tree.
Remove small limbs
with one cuL
Figure32
It FIRSTPRUNINGCUT
Figure33
i
, ,, L i, i i iiiiiiiiiiiiiiiiiiii i i ."ii iiiii1,,1111iii i i i •
MAINTENANCE
:A.
A good maintenance program of regular inspec-
tion and care wil_ increase the service life and
help to maintain the safety and performance of
your saw.
• Check the saw for loose bolts, screws, nuts
and fittings reguladyo Loose fasteners cari
cause an unsafe condition as well as damage
to your saw.
e Mpke all adjustments or repairs (except car.
buretor adjustments) with:
.spark plug wire disconnected
--engine cool as opposed to a unit that has
JUst been run.
,,,,H i,.,,J i,,,_ _i. _,,,,, I
GUIDE BAR AND CHAIN
_IIbWARNING
Have allchain saw service (otherthan the items listed
inthemaintenanco section of this manual) performed
by your Sears Service Center.
_..: . ii IIH mllm HI .........
_CAUTtON:}Always wear gloves when handling
• increase the service life of your Guide Bar and
Chain by:
_Using the saw properly and as recommended
in this manual
-- Maintaining correct Chain Tension. See "Chain
•Tension" section.
--Proper lubrication. See "Bar and Chain Lubd-
cant:'
--I_egular maintenance as described in this
section.
1. CHAIN MAINTENANCE
eSharpen the chain when:
--wood chips are small and powdery. Wood
chips made by the saw chain should be
about the size of the teeth of the chain.
--saw has to be forced through the cut.
•--saw cuts to one side.
the chain. The chain is sharp enough to cut you
even though it is too dull to Cut wood,
a. SHARPENING INSTRUCTIONS -
Model 358.355061 (for Model 358.355071,see
"Using the Power sharp sSystem.")
Items required:
Gloves Flat file.
5/32"dia. file Depth Gauge Tool
6" file holder
1.) Stop engine.
2.) Adjust the chain for proper tension, see
"Chain Tension"section.
3.) Work at the midpoint of the bar, moving
the chain fol'ward by hand aS each cut-
ter is filed. 4-/
t#

4 .) Sharpen cutters.
a.)Position fiat side of file holder (with
5!32"roundfile)oncuttertopplateanddepth
gauge.Figure34.
b.) Holdthefileholder level withthe 30° guide
mark parallel to the center of the chain.
Figure 35-
c. ) File from insidetoward outside of cutter,
straightacross,onforward strokeonly.Use
2 or3strokespercuttingedge. Figure 35.
d. ) Keepal!cuttersthe samelength.Figure36.
e. ) Fi]eenoughtommoveanydamagetocutting
edge(side&topPlate)of cutter.Figure 36.
f.) File91SGchaintomeet_tions shown
inFigure37..
_1_WARNING
Maintain the proper hook angle according to the
manufacturer's specification for the chain you are
using. Improperhookanglewillincreasethechanceof
kickback which can resuR in serious personal injury,
, Figures 37& 39,
5, ) Correct Depth Gauges
a.) Place depthgauge tool(Catalog No.
: 71-36557)overeachcutterdepth
gauge. Figure38.
b. ) File levelwiththe fiat fileifdepth
gauge ishigherthanthe depthgauge
tool.
c. )Maintainroundedfrontcomer of
depthgaugewitha flat file. Figure38 & 39.
NOTE: The very topof the depthgauge should be fiat wit_
the front half rounded off with a flat file.
,_WARNING
Depth gauge tool is required to insure proper depth
gauge, Filing the depth gauge too deep will Increase
the chance of kickback which can result in serious
personal Injury.
b, CHAIN REPLACEMENT
• 1.) UseonlytheLow.KickChainspecifiedfor
yoursawin"Specificat_ons;, for replace-
ment chain.
2.) Replace the chain when cqtters or links
-break.
3.) See your Sears Service Center to replace
and sharpen individual cutters for match-
ing your chain.
4.) Always have a worn sprocket replaced by
your Sears Service Center when installing
a new chain to avoid excessive wear to the
chain.
2. GUIDE BAR MAINTENANCE
• Conditions which can require guide bar
maintenance:
--saw cuts to one side
--saw has to be forced thro.ugh a _t
_inadequate supply of oil to bar and
chain,
•Check the condition of the guide bar each
time the chain is sharpened. Aworn guide
bar will damage the chain, and make cut-
ting more difficult.
': ! Replace the guide bar when:
--the inside groove of the guide bar rails is
worn.
--the guide bar is bentor cracked.
SUPPORT ROUND
FLATs,D ,LE
OF FILE HOLDER _r-l\ ,Y
SIDE PLATE
Figure34
KEEP 30" MARK
PARALLEL TO
THE CENTER OF
THE GUIDE BAR
Figure35
i CUTTERS
• _MELENGt'H
l I tI
IREMOVE DAMAGE
SlOE PLATE TOP PLATE
Figure36
"{oLol\(,,o oj\
,30
Figure37
Figure 38
HOOK
ANGLE .025 H
ORNER
RIGHT WAY
Figure 39
(REMOVESAWDUST
FROM GUIDE BAR GROOV E
TOO MUCH SQUARED
HOOK ANGLE_.a_ OFF CORNER
WRONG WAY
Figure40

Si
•Use only the ReducediKickback Guide'Bar
specified for your saw in "Specifications" for
replacement.
& Remove the guide bar to service.
b. Clean oil holes at least once for eactl
five hours of operation.
c. Remove sawdust from the guide bar
groove periodically with aputty knife or
awire. Figure40.
d, Remove burrs by tiling the side edges
of the guide bar grooves Square with a
fiat file, Figure 41o
AIR FILTER
• A dirty air filter:.
--reduces cutting power
--increases fuel consumption
• Clean the air filter:
--Frequently, especially under very dusty
conditions.
_Always after 10 tanks of fuel mixture or 5
hours of operation whichever is less.
[CAUTION:INever operate the unit without the air
filter in place to avoid engine damage.
1, Clean off the carburetor cover and the area
around it to keep dirt and sawdust from fall-
ing into the carburetor chamber when the
cover is removed.
2. Remove the carburetor cover screws and car-
buretor cover. Figure42.
3. Putt out the air filter.
4. Wash the filter in soap and water.
_J_UT|ONJ: Do not use gasoline 0rother flamma-
ble liquid to clean the fi|ter to avoid creating afire
hazard.
j
Co.R CT 1 I
GUJOEBA. WORNGROOVES
GROOVE
Restore square edges to an uneven rail
top by filing w_th aflat file. Figure 41,
FILE EDGES
SQUARE
Figure41
NOTE: Be careful when replacing the car-
buretor cover as incorrect placement will
prevent the choke from working properly.
9. Move the choke knob all the way to the right.
10. Check the choke shutter to be sure it is
closed. Figure 51.
11. Reinstall the carburetor cover and tighten
the carburetor cover screws.
12. Check the operation of the _hoke.
NOTE: If the choke knob sticks or will not
move, remove the cover and repeat steps
11 and 12 above.
= i =',, ,t,u
P_.ARBURETOR
SCREW
AIR
FILTER
CARBURETOR
COVER
CHOKE SHUTTER
5. Squeeze the filter dry.
6, Add asmall amount of oil to coat the filter.
NOTE: Avoid soaking the filter with oil
7. Squeeze out excess oil,
8. Replace filter by tucking in edges and
smoothing it flush with the carburetor hous-
ing.
C, SPARK ARRESTOR
• Carbon deposits build up on the spark ar-
restor,as thesaw is usedand mustbe removedto
avoidcreating afirehazard orcausing engine dam-
age.
• Replace the spark arrestor if breaksoccur.
• Keepthesparkarrestorcleanatalltimes.
Clean:
-.as required
--at least once foreach 25-30 hoursof operation
Items required: wire brush, 3t8" wrench
k
Figure42
BAFFLE
SPARK AF_R_,_TOR _;_R _---_N
Rgure43
1. Disconnect thespark #up wire,
2, Remove theMufflerCover.Figure 43.
3. Remove thescreen from the diffuser..
4,Clean thescreen with awire brushor replace if
5. breaksare found.
Reas.,_m ble parts.
k19

D. STARTER ROPE
•Replace astarter rope that breaks.
_WARNING
Always weareye protection when servic-
ing the starter rope. The recoil spring
beneath the pulleyis undertension. If the
spring pops out, serious personal injury
can result.
1.
2.
3_
4_
5.
&
7.
NOTE: Therecoil spring,locatedbeneaththepulley,
is undertension,if spring pops out, it will require
considerable timeandeffortto reinstall. Forthis
•reason, you may want to let your Sears Service
Center handlethisrepair.If youdotryto repairthe
starterropeand therecoilspringpopsout,takethe
saw toyour SeamService Center.
&
9.
10.
11.
• 12.
l&
Drain the fueltank,
Removethe fan housingscrewon the bottom6f_he
sawandthetwoscrewsonthesideofthe fanhOL_Sing,
Use the hexwrenchprovidedwiththetool.Figure45°
Remove the large screw at the rear of the
control handle and the small screw directly
below it, Figure46.
Separate the fan housing from the engine.
If the starterrope is not broken,releasethe spring
tensionby pullingabout10inchesof ropefromthe
pulley and catchthe rope in the notchas shown.
Figure 47.Removeoldrope.
NOTE: The tension on the starterspring w_l be
reteased ifthe ropeis broken,
Removescrewandpulleyverycarefully.Figure48.
The recoil spdng which liesbeneath the pulley
must stay in the housing, fiat against the bot-
tom. Ifthespring isdisturbed, itwili require con-
siderable time and effort to reinstall. Twistthe
pulleygenttycountemloc_wise_as yoUpullup
to releasethe spring.
Move away from the fuel tank with,therope to be
instal/_. Useam_dchandmeltboth endsoftherope
to preventfraying.
Pull the melted endsthrough athick, clean ragwhile
the rope isstill hot toobtain smooth,pointedtips.
Insert one end of the rope through the handle and
secure with a knot. Leave 3/!6" pigtail behind knot.
Figure 47 (inset).
insertthe free end ofthe ropethrough the mpoexit
hole intothe insideof the fanhousing.
Guide ropeinside pulley,thenupthrough tl'_ pulley
ratchetsideofpulleyholetothe outsidebypushing
tfie rel_etfirOugh from the hole onthe spring cam
side withasmallPhillips_rewdriver, Figure48.
Wrap rope counterclockwise_aroundpulley
ratchetand tucklooseendback underropeleaving
a318to 3/4 inch tail along the ridgeas shown in
Figure 48, Putltightly,
Wind all but about 10 inches of the rope clock-
wise _ aroundthe pulley,
REMOVE
FAN HOUSING
SCREWS
REMOVE CONTROL
HANDLE
Figure 45
Figure 46
Figure 47
Figure 48
.......,,,,,_ , _. .... .
ii.11 i

14. Repfacepuflayinthe hdusing.Be _ure the pulleyis
allthe waydown andthe spring is secured.
15. Replace andtighten pulfeyscrew. Figure48,
16. Holdthe t0inchslackinthe mpe and catchrope in
pulley"notch. Figure49.
17. Ho_dtheropetautandmake2completetumsofthe
pulley clockwise _ to place tension on the
pulley.Hold the pulley to retaintension.
lB. Alignpulleynotchwithropeexithole,puUst_ter han-
dte tothe full extentof the ropeand allowtheropeto
slowly windaround the pulley.
19. Reinstallthefanhousing.
_J .-" i
Fig ure49
.............. ,,,,,,,, ,,
E. CARBURETOR ADJUSTMENTS
•The carburetorhas beenadjustedat thefactoryforsea
/evel€ondi_on_Adjustmentsmay become necessary
if thesaw is used at significantlyhigheraltitudes or if
you notice any of the following conditions.
NOTE: Be sure to properly prepare the saw as
describedin "1, Preparation;'below beforemaking
any adjustments.
Chain moves when the engine runs at idle
speed. See"2. Idle Speed Adjustment."
Saw will not idle. See "2. Idle Speed Adjust-
ment" and"3. LowSpeed Mixture Adjustment.
-- Lossofcutting power which is notcorrectedby
air filter cleaning. "See "5. High Speed Mixture
Adjustment."
Enginedies orhesitateswhen it should accele-
rate. See "4. Acceleration Adjustment."
tCAUTION: tPermanent damage will occur to any
2-cycle engine if incorrect carburetor adjust-
ments are made.
• If the engine will not operate propertyaffer mak-
ingthese adjustments, lake the sawto yourSears
Service Center.
lThe chain may be moving during most of this pro-
cedure. Wearyour protectivegearand follow allsafety
instructions,
1. PREPARATION
a. Stopengine,
b. Use afresh fuel mixture with proper gasoline/
oil ratio,
c, Pl_ce the sawonasolid,ftatsurfaceaqd m_',esu_
the chain will notcontact any object.
d. Remove the carburetor cover screws and
•carburetor cover (Figure42) and locate the
three (3)carburetor adjusting screws. Figure 50.
e. Starttheengineandaltowenginetoidle3minutes
to warm UP. The engine must be at operating
temperature for proper adjustments to be made.
CHOKE CLOSED
HiGH SPEED
MIX SCREW
LOW SPEED
IDLE SPEED MIX SCREW
SCREW
Figure 50
2. IDLE SPEED ADJUSTMENT
a. Allowengineto idle.
b. AdjustIdle Speed Screw untilenginecontinues:o
run_thout stailing andwff'noutthechaJnmoving,
Turn screw clockwise _to increa._-e
engine speed ffengine stalls dr dies.
-- Tui'nscrew counterclockwise _to sk,w
engine down and/or to keep the chain from,
turning.
•c. No further adjustments are necessary if the
chain does not move at idlespeed andif perfor-
mance is satisfactory.
WARNING
Recheckidlespeed after each adjustment below.The
chain must not move atidle speed toavoid seriousper-
sonal injury.
3, LOW SPEED MIXTURE ADJUSTMENT
a. Allow engine to idle.
bTurn the Low Speed Mixture Screw sf0wty
clockwise _untilthe RPM starts to drop
Note the pesition.
c. TurntheLowSpeedMixtureSc rewcounterCtock°
wise _ unti! the RPM speeds up and sta,'ts
todropagain. Note the position.
d. Set the Low Speed Mixture Screw at the rn,d-
point between the two pesitions.
4. ACCELERATION ADJUSTMENT
ffengine dies or hesitates insteadof accelerating, turn
the Low Speed Mixture Screw It16ofa turn ata time
_unterclockwise _ until you have smooth
acceleration.
". 21

5. HIGH SPEED_MIXTURE ADJUSTMENT
CAUTION: iAdjustments as smafl as lf16 of a
turn can affect engine performance, it is impor-
tant to turn the screwonly i/16 of aturn peradjust-
ment and test the perfo rmanceof the saw before
making further adjustments.
a. Make atest cut.
b, Adjustthe HighSpeedMixture Screw 1;t6o_a_urn
asfollows:
-- C_(_ckwise_ifsawsmokesorIosespoweT
-- Counterclockwise _ if the saw has speed
outof the cut butlacks powerin the cut
¢Repeattestcut
d. Continu_ 1/16ofaturn adjustments until the saw
runs smoothlyincut.
LCAU]'ION:.] Atoo lea, highspeed setting(clock-
wise _adjustment)will©auseenginedam-
age to any 2-cycle engine from overheating and
lack of lubrication. Neverset the highspeed mix-
turescmwso fardockwise _ thatyou have
high engine speed but lack power while cutting.
An effective approach follows:
Turn screw countemlockwise _until
engine (oses power while cutting.
Then, turn screw clockwise _in 1/16of a
turn increments only until the engine has
power while cutting.
NOTE: If the saw will hot operate properly after
making theseadjustments,raisethe sawtoyour
Sears Service Center,
"_":. _ iiiiiiiiiiiiiiiii Jl _ " • • ............. • • i/ i illl. i,illi,i i ill iii iiiii iii iiii m ii
F. STORAGE
When your saw is to be stored for over 30 days,
always:
1. Drainfuel tankin asafemanner.(See"Fueling Your
Engine:')
2. Startengine_nd aflowto runat_le speedunttlthe
engine stops.
NOTE; This will remove most of the fuel from
the fue! system.
C__ Wear protective gloves when hart.
dling the chain. The chain is sharp and can
cut you even when it is not moving,
G. MAINTENANCE ACCESSORIES
,,. ,, Ill ,I,I ,,,.I II I
I I "L NH H_I IH I
3. Drainoil tank.
4. Remove, clean, and dry,the bar and chain.
5, Store the chain in a container filled with oil
to prevent rust.
6. Apply a coating of oii to the entire surface of
the bar and wrap it in heavy paper, cloth or
plastic.
7. Clean the outside surfaces of the engine.
8. Store the saw in adtyplace, outof the reach
of children, and away from where fuel vapors
can reach open flames from hot water heater,
furnaces, etc.
IlL ...... _ -- . I I ,l!l ,,,i
Avallablethmugh your nearest Sears Store, Catalog Sales Office,or Service Center, but may not be furnished
.with your saw.
Key
•No.
2
3
4
5
Part
No.
STD360946
31059
Catalog
No.
7! -36403
71-36524
71-36565
71-36557
73-3629
71-3631
;f
71-36620
71-36555
7! -36554
71,.36556
71-36366
v 4
pJg-Champion CJ-8 _ ,,
Spark Plug Wrench
File (5;32"dia,) TwinPack
File Guide
Depth Gauge Toot
ReplacementXtra GUARD®Chain(358.355061-2.3/16")
ReplacementPowerSharp®Chain{358255071_2.3116"p.S.)-_
incLSt0ne and Carrier Ass'y.
Carrying Case
2_CycteEngine Oil
BarandChainLubriC_nt _ 1quart
Bar and Chain Lubricant _ 1gallon
Guide Bar- Lo-Kick _

H. TROUBLE SHOOTING CHART
TROUBLE CAUSE
ENGINE WILL NOT START 1. IgnitionSwitch off.
2, Fuet tank emptt.
3. SpankPlug notfiring.
4. Engine flooded.
5. Fuelnotreaehingcarburetor,
ENGINE WILL NOT IDLE
PROPERLY
ENGINE WILL NOT
ACCELERATE. LACKS
POWER OR DIES
tN THE CUT
ENGINE SMOKES
EXCESSIVELY
ENGINE RUNS HOT
OIL INADEQUATE FOR
BAR AND CHAIN
LUBRICATION
CHAIN MOVES AT
IDLE SPEED
C INOOE;NOTMOVE
WHEN ENGINEIS
ACCELEF_TED
CUTS ROUGHLY
CHAIN STOPS WITHIN
THE CUT
......,J ...........J , ,
CHAIN CUTS AT
AN ANGLE
6. Compression few.
I. Idle Speed set too low.
2. IdleSpeedset too high.
&Lowspeed screw requires adjustment
4. Crankshaft seals worn.
&Compressioh iow.
....., .......................w
I. Air filter is dirly.
2. Spark plug fouled.
3. Carbon build-up on exhaustports.
4. Carburetorrequiresadjustment
5. L_._;Comp,.'Cssfon,
1. Choke partia!lyen,
2, Air filter dirt F
& Oil rich fuelmixture.
4. Hi9hspeed needle requires a_us_ment
5. Crankcase ]'eak,
1. Pea Housing didyt_ylinderfins ditty.
2. Fuel Mixture incorrect
3. Spark Plug incorrect.
4. High Speed Mixture settoo low.
5. Carbon buitd-upon spark arrestor screen
6. Carbon build-up on exhaust ports.
1. Oil tankempty.
2. Imprepedyadjustedoile_(if$oequlpped.)
3. Oi| pump or oMilter _ed,
4. Guidebaro_lholeblocked,
1. Idlespeedrequiresadjustment.
2, Clutch requires repai_.
1. Chain tension tootight.
2, Carburetor requiresadjustment.
3. Guide bar rails pinched,
4. Clutch slipping.
1. Chain tension incur/act.
2. Curlers damaged after strikingforeign
material.
3. Chainwearduetoeontactwithdirt. sand
orfrozen wood.
4. Cuttersdulf.impropedysharpened;depth
gauges too high,
[
REMEDY
,,,,,
t. MoveSwitch to "'S_art."
2. Filltank withcOrreCtfuel mixture.
3. Installnew plugloheek ignitionsystem.
4, See Sta_ng Instructions.
5. Check for dir_.,,fuel fil_er:clean_Cheek f0
kinkedor split fuel line: repair Orreplace.
6, ContactyourSears Se_ice Center:
1, AdjuSt idle speed screw cloct_wise to
inccease speed.
2. -Adjustidlespeed screweeunterdockw=s
to reduce speed.
3. See Carburetor Adjustments,
4Contac't yourSears Sewice Center.
5Contactyour Sears ServiceCenter.
t "Cleanorreplacea_rfil_er.
2. Ctean or replace Spark Plug and regap
3, Contac_your Sears Service Center.
4. See C_rburetor Adjust ments.
5. ContsctyourSeareServ',,ceCente_
1. PushChoke in.
2. Clean or replace air filter.
3. Empty fuel tank and refilf withcorrect fuel
mixture.
4. See Carburetor Ad!ustments.
5. Contact your Sears ServiceCente_
I, Clean area.
2, See Engine Fue,_Mixture.
3. Replace with correct plug.
4. SeeCa_uretorAdjustmenEs
5. See "Spark Arrestor'"
6Contact your Sears Se_vlCeCente_
1. FIlloiltank.
2. Adjustoiler.
3. ContactyourSearsServioeCenter.
4. Removebar and c_an.
1. Sea Ca_uretor AdjuSt meets.
2. Contact your Sears Service Cente_
1, See Chain Tenmon.
2. SeeCarburetorAdjustments.
3. Repair or'replace.
4. ContactyourSearsServiceCenter.
I, See Chain Tension,
2. Contactyour Seare Service Center.
3. Resharpen or repiace chain.
4. SeeChain Sharpening Instruct{on s
5. Sprocketworn. 5.
............... ,,, ,,
I. Chain cutter lopsnot filed flat. I,
2. Guidebarburredorbenl:railsu_even. 2.
3Olut_l_s_i_ng, 3.
1. Cutters damaged on one side. 1.
2. Chain duffor=one side.
3. Guide bar bent, or worn.
Contactyour Sears Servlce Center.
SeeChain Sharpening Instructions.
Repair or replace Guide Bar,
C_n_et-_,._' Se_r'_SerVice Center.
Resharpen until all cutters have _='qua!
angles and lengths.
F1esharpenuntilallcuttershave equa[
angles and _engths.
Replace guide bar.
23

i ' ...................... . inl i ii i ,,,,,, i i i = _
!. IWAINI"ENA'NCeCHAWr
Complete machine
ThrOtttofrogger,safety IhrottLetock, stop switch
F=iterm fuel tank
Fuel tank
Chain orl tank
Chain lubncatlon
Sawcham
Spark plug
:AIJaccessiblescrew_ and nuts
(notadiusting screws)
Visuafinspection (condition, leaks)
Crean
Check operation
C_an Felt
Replecepk:k-up-- when clogged _'dirty
Clean
,!C_ah
' Check
inspect(sharpness, wear,damage)
Check chain tenmon
Sharpen --when dull
Inspect (wear. damage}
Clean
Lubricate sprocket nose
Deburr
Replace--when worn ordamaged
Check
Clean
Replace _ when worn or damaged
Clean
Ctean
Check idle a_u_ment-
chain must not turn
Readjust idleiwhen cha_ turns at.idte
Replace-- when fouledordamaged
i
Re_ghten
Inspect{tear_ rip_ separat_n, out-of-round)
Replace * when necessary
C,_an -- when clOggedor dirty-
Replace -- when worn or damaged
ti°
_O
x
X
II
'i!
x

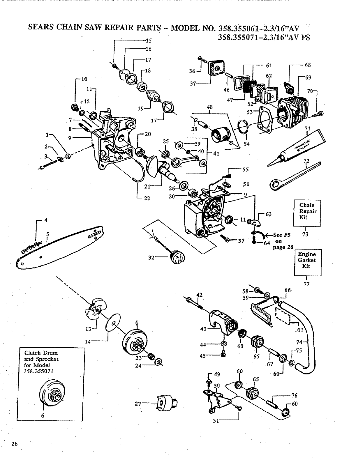
SEARS C_IAIN SAW REPAIR PARTS - MODEL NO. 358.355061-2.3/16"AV
3
101 Key Part Description
No. _ No.
1 STD541431 Nut
2 530-015623 Screw
3 530-012131 Bar Clamp Hsg.
4 530=025259 Muffler shield
5 530-015474 Screw
6 530-015463 Screw
Decals
101 530-026864-
102 530-026866
103 530-026868
Bar Clamp Hsg.De-
cal
Lnstructions Decal
(Left Hal o
In_%ructlons Decal
(Right Hal o
SEARS CHAIN SAW REPAIR PARTS -MODEL NO. 358.355071-2.3116"AV PS
101-__ 102 __ _
_10 _--104
".._'7"-__ 103 "_r-'--"Y-101
iI 'Ni2
i2
Key Part Descr_tion
No. No.
1STD54143I Nut
2530-015623 Screw
3530-023762 Spring
4 530-023761 Washer
5 530--023759 Knob Sharpening
6 530-012132 Bar Clamp Hsg.
7 530-069027 Sharpening Stone Arm
Ass'y. (race #9)
8STD511002 Screw
9 530-069026 Stone &Carrier Ass'y.
(IncL #8)
10 530-025259 Muffler Shield
11 530-015474 Screw
12 530-015463 Screw
Deca_
101 530-026864
!02 530-026866
103 530-025531
104 530-026869
Bar Clamp Housing Decal
Instructions Decal (Left
Hal0
Sharpening Instructions
Decal
Instruction Deca! (Right
Half)
25

SEARS CHAIN SAW REPAIR PARTS -MODEL NO. 358.355061-2.3/16"AV ;
is 358.355071-2.3/16"AV PS
20
25
48
I
Clutch Drum
and Sprocket
for Model
358.355071
\
\
j
61
46
54
63
64
[
#5
o11
page 28 t
'66
Chain
Repair
Kit
73
Engine
Gasket
Kit
1
77
1-49
51--
65
6O
?
26

SEARSCHAIN SAW REPAIR PARTS - MODEL NO. 358.355061-2.3/16" AV
358.355071-2.3/16" AV PS
Key Pan
No. No.
ISTD541408
2 530-023492
3530-015236
4
71-3629
71-363!
5
6
7
8
9
10
11
12
13
14
15
t6
I7
18
19
20
21
22
23
24
25
26
27
32
36
37
38
39
40
•41
Description Key Part Description
No. No.
Lockout 42 530-0 t555 ! Screw
Bar Adjust. Pin 43 530-025689 Lower Isolator Bracket
Screw 44 STD551010 Washer
Chain 16" 45 530-015557 Screw
358.355061 46 "530-023535 Spacer
358.355071 47 530-023796 Spark Arrestor Screen
(Ind. Stone &.Carrier Ass'y.) 48 530-010588 Piston SAt (Incl. #38,54 &
71=36366 Bar 16" S.N. Guide pin)
- Clutch Dram &Bearing Kit (Incl. 49 530-0154f_6 Bolt
#23) 50 530-027687 Rear Isolator Bracket
530-069166 358.355061 51 STD522505 Screw
530-069167 358.355071 52 STD51t005 Screw
530-023792 Oil Tank Vent Pin 53 *530-019139 Cylinder Gasket
530-015642 Bar Mtg. Stud 54 530-02587"6- Piston Ping
530-010469 Crankcase Ass'y. (Incl. # 55 530-024236 Switch Knob Ass'y.
1,2,3,7,8,10,11,12 & 20) 56 530-023786 Switch Ramp
530-069142 Check Valve Kit.Off Tank Pres- 57 STD511007 Screw
s'_'_ (Knot.#!2) 58 530-015499 Screw
"530-019.059 Crankshaft Seal 59 STD551025 Washer
• 530-019089 Check Valve Gasket 60 530-026163 Isolator Cup
530-069193 Clutch Ass'y Kit (Incl. Washer) 61. 530-023797 Muffler Baffle
530-069197 Clutch Washer Kit (Outside) 62 530-023794 Muffler Body
STD510805 Screw 63 530-023787 Switch Clamp
530-023802 Metering Body (;over 64 STD610805 Screw
• 530-019091 Metering Body Gasket 65 530-024256 Isolator
• 530-023801 Oil Filter .66 530-025451 Handguard
530-010195 Metering Body Ass'y. 67 530-015342 Spacer
530-032029 Crankshaft Bearing 68 STD360946 Spark Plug-C J-8
•530-022172 Crankshaft ....
530-021026 Oil Discharge Line .,,,69 530--012065 Cylinder
70 530-015239 Screw
530-032079 Clutch Bearing 71 530-030054 Crankcase Sealant (Op--
530-023519 Clutch Spacer (Inside) tional)
530-032065 Roller Bearing (tad. ,12 bearings) 72 530-031063 " Bar Adjusting Tool
530-023887 Thrust Washer 73 530-052023 Chain Repair Kit
530-031112 Clutch Tool - Optional (358.355061 only)
530-010221 Oi! Cap Ass'y. (Incl. "O" Ring) 74 530-025675 Handlebar w/Insert
STDSll015 Screw 75 530-015531 Washer
530-023795 Muffler Cover 76 530-015343 Spacer
530-023843 Piston Ring Retainer 77 530-069022 Engine Gasket Kit (*Indi-
530-015486 Washer
530--032075 Bearing Rod(Top) cares Contents)
(Incl. 22 Bearings)
530-010474 Connecting Rod Kit (Incl. #39 &
.4O) Decals
•101 530-026849
-530-026550 Handguard Decal
Chain Tensioning Decal
.Not Shown
*Indicates Contents of Engine Gasket Kit, Key No. 77.
27

SEARS CHAIN SAWREPAIR PARTS - MODEL NO. 358.355061-2.3/16"AV
358.355071-2.3/16"AV PS
!2
t3
21
34
64
I
66
"_ _17
15
22
39
4O
4t
42
43
,J, , ,.,,
Manual _70
69
I01

SEARS CHAIN SAW REPAIR PARTS- MODEL/ 0 3 8.3iS5661-2.3/16 '' AV
358.355071-2.3/16" AV PS
Key Part Description Key Part Description
No. No. No, No.
1 530-015126 Flywheel Key 40 *530-019118 Curb. Hsg. Gasket
2 530-039111 Flywheel Ass'y. (Incl. #15) 41 530-023366 Reed Valve
3 530-003934 Spark Plug Boot 42 530-023367 Washer
4530-003933 Spark Plug Connector 43 STD610603 Screw
5 530-039116 Switch Lead 44 530-069216 Line Kit
6 530-069202 Ignition Module Kit (Incl. #5 45 "530-023373 Throttle Wire Boot
&14) 46 ,530-019045 Carburetor Gasket
7 STD510807 Screw 47 530-091878 FueI Pick-up Ass'y.
8530-025691 Choke Knob 48 530-015528 Washer
9530-025676 Carburetor Cover 49 530-025683 _Throttle Trigger
10 530-015168 Screw 50 530--025685 Throttle Wire
!1 530-015147 Wave Washer 51 530--010729 Fuel Cap Ass'y. (Incl. "O"
12 530-023806 Choke Lever Ring)
13 STD600603 Screw 53 *530-019093 Seat
14 530-039082 Spark Plug Lead Ass'y. 54 530-010772 FJael Tank Ass'y. (Ind.
(Ind. #3 & 4) #44,47,51 & 53)
15 530-023817 Starter Dog Spring 55 530-026735 Starter Handle
16 STD541131 Nut 56 530-069232 Rope Kit
17 530-015127 Washer 57 530-015650 Screw
18 530-001648 Screw 58 530--015649 Screw
19 530-015524 Screw 59 STD541425 Lock.nut
20 530-025679 Upper Isolator Bracket 60 530-025686 Trigger Spring
21 530-024317 Isolator Pad 61 530-025687 Spring Throttle Lockout Lever
22 STDSt I005 Screw 62 530-015533 Screw
23 530-015123 Washer 63 530-025682 Pear Handle (Right)
24 530-069200 Pulley Replacement Kit (Incl. 64 530-025684 Throttle Lockout Lever
#23,55 & 56) 65 530-025681 Rear Handle (Left)
25 530-042023 Starter Spring 66 530-015495 Screw
26 530-035181 Carburetor-WT-20 68 530-069199 Fan Hsg. Screws Kit (Incl.
27 530-023791 Air Filter #57,58, and 69 this page;
28 STD512507 Screw and #2, page 26.)
29 530-025487 Air Intake Baffle 69 530-031111 Hex Wrench
30 STD600803 Screw 70 530-066646 Operator's Manual
31 530-069251 Fan tisg. Kit
32 530-015342 Spacer
33 530-026163 Isolator Cup
34 530-024256 Isolator Decals
35 530-0152_5 Screw 101 530-026473 Fan ttsg. Decal
36 530-023865 Spacer 102 - Replacement Bar & Chain De-
37 530-023805 ChOke Shutter cal
38 530-015254 Wave Washer 530-026879 358,355061
39 530-025978 . Carburetor Hsg. 530-026880 358.355071
*Indicates Contems of Engine Gasket Kit, Key No. 77, page 27.
:. 29

SEARS CHAIN SAW REPAIR PARTS - MODEL NO. 358.355061-2.3/16" AV
358.355071-2.3116" AV PS
Carburetor Assembly
Part No. 530--035181
J arb. [
Repair ]
_at [
I
28
Carb.
Gasket
Kit
F
29
Key Part
i No. No.
t530-035006
2530-035015
3 530-035034
4530-035024
553O-O35171
6 530-03502-8
'7 530-O85169
8530-O35167
9 * 530-085162
10 * 580-O35163
11 530-035017
12 530-035159
!3 530-035035
14 530-035168
15 ÷* 530-0351_4
'30 "
Description
ValveThrottle
Screw
Throttle Shaft Asffy 2"
Throttle Return Spring
Low Speed MixtureNeedle
Low Speed ML_ure Needle Spring
High Speed Mixture Needle
High Speed Mixture Needle Spring
Plug5/16 Dia. Welch
Plug 1/4 Dim Welch
Screw
FueI Pump Cover
Screw"
IdleSpeed Adjusting Screw Spring
FuelPump Gasket
Key Part
No. No.
16 ÷* 530--035166
17 530-035027
18 530-035007
19 * 530-085008
20 • 530-035188
21 * 530-035031
22 * 530-035028
23 *530--035016
24 4*530-035165
25 +*530-035014
26 530-035003
27 530-035021
28 580-035161
29 580-035173
Description
FuelPump Diaphragm
FuelInletScreen
Throttle Rethiner Ring.
Inlet Needle Valve
Metering Lever Spring
Metering Lever
Metering Lever Pin
Screw
Metering Diaphragm
Gasket
Metering Diaphragm
Metering Diaphragm
Cover
Metering Cover Screw
Ass'y.
Carb. Repair Kit {In-
dudes Parts Marked*)
Curb.Gasket/Diaphragm
Kit (IncludesParts
Marked +)
k" :

QUICK REFERENCE PAGE
Read and follow all Warnings and Safety lnstructions.
Failure to do so can result in serious injury.
page
SAFETY RULES AND PRECAUTIONS ........................................... 3, 4&s
PREPARATION .............................................. ................. 4
1. Wearpers_na_pr_tec_vegear_gfoves; safe_yf_twear; snug _tting c_thing;andeye_headngand
headprotection.
2. Check saw for worn, ioose missing or damaged parts and repair or replace if necessary.
3. Check the chain for sharpness and tension.
4. Keep chi{dmn,bystandersand anima/saminimumof30 feet away from theworkare_.
5. Plan yoursawing operation carefully in advance.
FUEL AND OIL ............................................................. 9&1o
1. Eliminate all sources of sparks or flame where fuel fs mixed, poured, or stored.
2. Use16 part..sregutar, unleadedgasol{neto l partair.cooled, 2-cycleen_ne oil.
3. Use gasoline not over 2 months old.
4. Mix and pourfuel inan approved,marked o0ntsinerand inan outdoorarea.
5. Movea minimum of 10feet awayfromfuel andfueling site beforestarting engine.
6, Fillthe oiltank each timethe fueltank isrefueled.
STARTING THE ENGINE ....................................................... it
1; Hold saw firmly with the saw chain free to turn without making contact with any object.
2. Push saw away from you with your right hand while pulling the starter rope with your left hand.
3. Use tess than the rub extent of the starter rope per pull.
4. Pull rope no more than 5-6 times.
5. Release the trigger after engine starts allowing engine to idle.
OPERATING THE SAW ......................................................... 11
1. Cut wood only.
2. Accelerate the engine to full throttle before entering the cut,
3. Begin cutting with the saw frame up against the tog.
4. Cut only at full throttle,
5. Release the trigger as soon as the cut is completed.
6. Stop the engine before setting the saw down after cutting.
MAINTENANCE ............................................................... 18
1. Adjust or have the carburetor adjusted if the chain moves when the engine idles.
2. Disconnect spark plug before performing maintenance except for carburetor adjustment.
3. Check the guide bar for wear each time the chain is sharpened.
4. Clean the air filter frequently and always after i0 tanks of fuel mixture or 5 hours of operation,
whichever is less.
5. Orain fuel tank ina safe manner beforestoringthe unit for 3Oor more days.
6, Store saw in a dry place out of the reach of children.
WATCH OUT FOR ,
.... !CKBAcK ,
J
NOT USE
THE SAWWHEN
IT NEEDS REPAIR NEVER USE THE SAW
WHEN TIRED USE A FIRM GRIP
WITH BOTH HANDS
J i ,H ,,,i i
31

operator's
manual
MODEL
358.355061-
2.3/16"AV
358.355071-
2.3/16" AV PS
How tO Order
Repair Parts
SEARSSERVICE
The Model Number will be found under the handte with the Sedal
Number. Always mention the Model Number when requesting ser-
vice or repair parts for your Chain Saw.
All parts listed herein may be ordered from any Sears Service Center
and most Sears Stores.
WHEN ORDERING REPAIR PARTS, ALWAYS GIVE THE
FOLLOWING INFORMATION AS SHOWN IN THIS LIST.
,2,
The PART NUMBER 3, The PART DESCRIPTION
The MODEL NUMBER
358.355061-2.3t16"AV
358,355071-2.3/16"AV PS
4. The NAME OF ITEM
Chain Saw
If the parts you need are not stocked locally, your order will be
electronically transmitted to a Sears Repair Parts Distribution
center for handling.
When you buy merchandise
from Sears you get an extra
something that nobody else
can offer ... Sears Service,
Across town or across the
country, Sears Service follows
you, providing trustworthy,
competent service technicians
using, only Sears specified
factory parts.
Sears, Roebuck and Co., Chi_, IlL 60684 U.S._
PR|NT_ IN U.,_.A,