Craftsman 358356081 User Manual 3.0/18 GASOLINE CHAIN SAW Manuals And Guides L0807005
CRAFTSMAN Chainsaw, Gas Manual L0807005 CRAFTSMAN Chainsaw, Gas Owner's Manual, CRAFTSMAN Chainsaw, Gas installation guides
User Manual: Craftsman 358356081 358356081 CRAFTSMAN CRAFTSMAN 3.0/18 GASOLINE CHAIN SAW - Manuals and Guides View the owners manual for your CRAFTSMAN CRAFTSMAN 3.0/18 GASOLINE CHAIN SAW #358356081. Home:Lawn & Garden Parts:Craftsman Parts:Craftsman CRAFTSMAN 3.0/18 GASOLINE CHAIN SAW Manual
Open the PDF directly: View PDF
.
Page Count: 32

$'-__A/RS
_perator's
manual
• Assembly
•Operation
•Maln!enance
• Renalr Parts
MODEL NO.
3s8.3sso81-3.o/_s-
i •
_WARNING:
Carefully read and follow
Safety Rules, Precautions
and Operating Instructions.
Failure to do so can result
in serious personal injury.
CRRI:T MRN, J
GASOLINE"CHAIN SAW
, ii
Record in the space provided below the Model No. and Serial NO: Of
your saw. These numbers are located on the starting instructions
decal.
Model No. Serial No.
Retain these numbers for future reference.
Sears, Roebuck and C_)., Chicago, IlL 60684 U.S.A.
i
66647-:1-25285-1-25285 PRINTED IN U. S. A.

FULL ONE YEAR WARRANTY ON GASOLINE CHAIN SAW
(Excluding Bar, Chain, Spark Plug, Air Filter and Starter Rope)
Forone year from date of purchase when you maintain, lubricate and tune upthis chain saw aocording to the operating
and maintenance instructionsin the owner's manual Sears will repair defects In material orw_rkmanshiPiln this gasoline
chain saw at no charge.
This warranty excludes the bar, chain, spark plug,air filter, and starter ropewhich are expendable parts and become worn
during normal use.
If this chain saw is used for commercial or rental purposes, this warranty applies for only 30 days from date of purchase.
WARRANTY SERVICE IS AVAILABLE BY RETURNING THE CHAIN SAW TO THE NEAREST SEARS SERVICE CENTER
IN THE UNITED STATES.
This warranty gives you specific legal rights, and you may a_sohave other rignts which vary from state to state.
Sears. Roebuck and Co.. Sears Tower, Dept. 698/731A, Chicago, IL 60684
TABLE OF CONTENTS •
Spect icatt_ns .............................. 2
SPECIAL SA_Y SECTION 3, 4 &5
Know Your Chain Saw ........................ 6
Preparing Your Saw For Use .................. :7
A. Getting Ready .......................... 7
B. Attaching the Handguard ................ 7
C. Attaching the Spur ...................... 7
D. Attaching the Barand Chain .............. 8
E. Chain Tension .......................... 9
F. Engine Fuel Mixture ..................... 9
G. Barand Chain Oil ....................... 10
Using Your Saw .............. :.............. 11
A. Corttrol Devices ........................ 11
B. Starting Instructions .................... 11
Types of Cutting ............................ .!2
A. Basic Cutting Technique ................. 12
B. Tree Felling Techniques ................. 12
C. Bucking ......................... _...... ] 4
D. Debranching and Pruning ................... 15
Maintenance ..................... ....... .,, 16
A. Guide Bar and Chain ....... . •........... 16
B. Ignition, Cooling, and ExhaustSystems .... 17
(3. Starter Rope Repair and Replacement ...... 18
D. Clutch, Drum and Sprocket ............... 19
E. Carburetor Adjustments ................. 20
F. Air Filter ........... ................... 21
G. Counter-Vibe TM Vibration System .......... 21
H. Storage ............................... 22
I. Maintenance Accessories ............... 22
J. Trouble Shooting Chart ................. :23
Parts List ................................ 24-29
Maintenance Chart .......... ................. 30
Quick Reference Page ........................ 31
SPECIFICATIONS
MODEL
CU: IN; DISP_CEMENT
GUIDE BAR-:LO-KICK ®
CHAIN - OREGON*
Xtra GUARD* -
SPARK PLUG
SPARK PLUG GAP
IGNITION
MODULE AIR GAP
FUEL MIX
MUFFLER
OILER SYSTEM
FuEL TANK CAPACITY
'OIL TANK CAPACITY
358.3560B1 (3.0 18")
3,0 cu. =n 49 CU.crn
18"Sprocket Nose
3/8 Extended Pitch
Chrome Cuaers-66 Ddve Links
Champron CJ-BY
.023 to .027
Solid State
.008 to ,014
Gasoline/Oil Mrxture 16:1
Spark Arresting Temperature Limiting
Automatic Manual
19 oz. 562 cu.cm.
12 oz. 355 cu. cm.
HANDC
MANUAL OILER
THROTTLE
DETENT
STAR]
;TOP
REAR HAIN
CATCHER

SPECIAL SAFETY SECTION
GUARD AGAINST KICKBACK
Kickback is a dangerous reaction that can lead to serious
personal injury. Do not rely only on the safety devices
provided with your saw. As a chain saw user, you must
take special safety precautions to help keep your cuffing
jobs free from accident or injury.
._\KICKBACK WARNING
Kickback can occurwhen the moving chain contacts
an object atthe upper portion of the tip of the guide bar
orwhen the wood closesin and pinches thesaw chain
inthecut, Con tact at the upper portion of the tip of the
guide barcan cause the chain to dig intothe object and
stop the chain for an instant. The result is a lightning
fast, reverse reaction which kicks the guide bar up and
back toward the operator. If the saw chain is pinched
along the top of the guide bar, the guide bar can be
driven rapidly back toward the operator. Either of
these reactions can cause loss of saw control which
can result in serious personal injury.
,// i: . OKBACKPAT.
Figure I
AVOID
OBSTRUCTIONS
CLEAR
WORKING AREA '_i_ ':
NEVER II
REVERSE II
HAND li
POSITIONS
LEFTHAND/> T'
Figure 2
tSTAND
TO THE
LEFT OF
__ THE SAW
ELBOW
LOCKED
ON
UNDER SIDE
OF HANDLEBAR
REDUCETHECHANCEOF
KICKBACK
1. Recognize that kickback can happen. With a
basic understanding of kickback, you can reduce
the element of surprise which contributes to
accidents.
2. Never let the moving chain contact any object at the
tip of the guide bar. Figure 1.
3. Keep the working area free from obstructions
such as other trees, branches, recks, fences,
stumps, etc. Figure 2. Eliminate or avoid any
obstruction that your saw chain could hit while you
are cutting through aparticular log or branch.
4. Keep your saw chain sharp and properly ten-
sioned. Followmanufacturer'schain sharpeningand
maintenance instructions.Check tension at regular
intervalswiththe enginestopped,neverwiththe engine
running. Make sure the bar clamp nutsare securely
tightened after tensioning the chain. A loose or dull
chain can increase the chance of kickbackto occur.
5. Begin and continue cutting at full throttle. If the
chain is moving at aslower speed, there is greater
chance for kickback to occur.
6. Cut one log at a time.
7. Use extreme caution when re-entering a previous
cut.
8. Do not attempt plunge cuts.
9. Watch for shifting logs or other forees that could
close a cut and pinch or fall into the chain.
10. Use the Reduced-Kickback Guide Bar and Low-
Kickback Chain specifiedfor your saw.
MAINTAIN CONTROL
1. Keep a good firm grip on the saw with both hands
when the engine is running and don't let go.i
Figure 3. A firm grip can neutralize kickback and
help you maintain control of the saw. Keep the
fingers of your left hand encircling and your left
thumb under the front handlebar. Keep your right
hand completely around the rear handle whether
you are right handed Orleft handed. Keep your left
arm straight with the elbow locked.
2. Position your left hand on the front handlebar so it
is in a straight line with your right hand on the rear
handle when making bucking cuts. Figure3. Never
reverserightand lefthand positions.
3. Stand with your weight evenly balanced on
both feet.
4. Stand slightly to the left side of the saw, to keep
your body from being in a direct line with the
•cutting chain. Figure 3.
5. Do not overreach. You could be drawn or thrown
off balance and lose control of the saw.
6. Do not cut above shoulder height. It is difficult to
maintain control of the saw above shoulder height.
3

SPECIAL SAFETY SECTION (continued)
•.L_WARNING
Because a chain saw is a high speed wood-cutting tool, special safety precautions must
be observed to reduce the risk of personal accidents. Careless or improper use can
Icause serious personal injury. I
_SAFETYHAT
_ii_ _ HEARINGPROTECTION
SNUG ,_=mm, _I_ _ EYEPROTECTION
FITFING
CLOTHING
_ _ Ftgure4
KNOW YOUR SAW
1. Read your Operator's Manual carefully untilyoucom-
pletely understand and can follow all safety rules and
operating instructions before attempting to operate the
unit.
2. Restrfot the use of your saw to adult usarswhounder-
stand and follow the safety rules, precautions, and
operating instructionsfoundin this manual.
PLAN AHEAD
1. Wear personal protective gear. Figure 4. Always use
steel-toedsafetyfootwear Withnon-slipsoles;snug-fitting
clothing;heavy-dutynon-s!ipgloves;eye protectionsuch
as non-fogging,vented g0ggles or face screen;an ap-
provedsafety hard hat, andsoundbarders -- ear plugsor
mufflers to protect your hearing. Regular users should
have hearing checked regularly as chain saw noise can
damage hearing.
2. Keep children, bystanders, and pets Out of the work
area -- a minimum of 30 feet (10 meters). Donotallow
other people or animals to be near the chain saw when
starting oroperating the chain saw.
3. Do not handle or operate a chain saw when you are
fatigued, ill, or upset; or if you have taken alcohol,
drugs or medication. You must be in good physical
condition and mentally alert. Chain saw work is
strenuous. If you have any condition that might be
aggraveted by strenuous work, check withyour doctor
before operating a chain saw.
4. Do not attempt to use your chain saw during ba
weather conditions such as strong wind, rain, sno_
etc., or at night.
5. Plan your sawing operation carefully in advance, r
notstart cuttinguntilyouhave a clear work area, sacul
footing, and ifyouare felling trees,a planned retreatpatl
AVOID REACTIVE FORCES
Pinch-Kickback and Pull-in occur when the chain i
suddenly stopped by being pinched, caught, or b
contacting a foreign object in the wood. This resultsin,
reversalofthe chain force usedtocutvKx:x:landcausesthe sat
to move in the opposite directionof chain rotation. Pinch
Kickback drives the saw straight back toward the operato
Pull-in pulls the saw awayfrom the operator.Either reaction:
can result inloss ofcontroland possibleseriouspersonalinjuq
To avoid Pinch-Kickback:
1.
2.
3.
TO
1.
2;
Be extremely aware of situations or obstruction=
that can cause material to pinch the top of or other
wise stop the chain.
Do not cut more than one log at a time.
Do not twist the saw as the bar is withdrawn from ar
under-cut when bucking,
avoid Pull-in:
Always begin cutting with the engine at full throttk
and the spur against the wood.
Use wedges made of plastic or wood, (never of metar
toholdthe cut open.
HANDLE FUEL WITH CAUTION
t. Eliminate all soumes of sparks or flame in the area._
where fuel is mixed, poured, or stored. There shoulc
be no smoking, open flames, orwork that couldcaus_
sparks.
2. Mix and pour fuelin an outdoor area, on bare ground
store fuel ina cool, dry,well-ventilated place; andusE
an approved, marked container for all fuel purposes
3. Wipe up all spilled fuel before starting your saw
4. Move at least .10feet (3 meters) away from fuel an(
fueling site before starting the engine.
5. Do not smoke while handling fuel or while operatin.(
the saw.
6. Turn the engine off and let your saw cool befon
removing the fuel tank cap and refueling the unit
7. Let the saw cool in a non-combustible area, notor
dry leaves, straw, paper, etc.

OPERATE YOUR SAW SAFELY CARRY AND STORE YOUR SAW SAFELY
1. Do not operate a chain saw that is damaged, im-
properly adjusted, or not completely and securely
assembled.
2. Operate the chain saw only in outdoor areas.
3. Do not operate the saw from a ladder or in a tree.
4. Position all parts of your body to the leff of cut and
away from the saw chain when the engine is
running.
5. Cut wood only. Do not use your saw to pry or shove 3.
away limbs, roots or other objects.
6. Make sure the chain will not make contact with any ob- 4.
ject while starting the engine. Nevertrytostartthe saw
when the guide bar is in acutor kerf.
7. Use extreme caution when cutting small size brush
and saplings. Slender material can catch the saw
chain and be whipped toward you or pull you off
balance.
8. Be alert for springback when cutting a limb that is
under tension so you will not be struck by the limb or
saw when the tension in the wood fibers is released.
9. Do not put pressure on the saw at the end of a cut.
This can cause you to lose control when the cut is
completed.
10. Stop the engine before setting the saw down.
MAINTAIN YOUR SAW IN GOOD
WORKING ORDER
1. Have all chain saw service performed by a qualified
service dealer with the exception of the items listed
in the maintenance section of this manual. For
example, if improper tools are used to remove or hold
the flywheel when servicing the clutch, structural
:damage to the flywheel can occur and cause the
flywheel to burst.
2. Keep fuel and oil caps, screws and fasteners
securely tightened.
3. Keep the handles dry, clean, and free of oil or fuel
mixture.
4. Make certain the saw chain stops moving when the
throttle trigger is released. For correction, refer to
page 20 for carburetor idle adjustment instructions.
5. Stop the saw if the chain strikes a foreign object. In-
spect the unit and repair or replace parts as necessary.
6. Disconnect the spark plug before performing any
maintenance except for carburetor adjustments.
7. Never modify your saw in any way. Use only attach-
ments supplied or specifically recommended by the
manufacturer.
8. Always replace the handguard immediately if it
becomes damaged, or broken or is otherwise
removed.
1. Hand carry the unit with the engine stopped, the
muffler away from your body, and the guide bar and
chaintothe rearcovered preferablywitha scabbard.
2. Before transporting in any vehicle or storing in any
enclosure, allow your saw to cool completely, cover
the bar and chain and properly secure to avoid
turnover, fuel spillage or damage.
Drain oil and fuel tank before storing for more than
30 days.
Store in a dry area out of reach of children and away
from where fuel vapors can reach sparks or an open
flame from hotwater heaters,furnaces, etc.
NOTE: Exposure to vibrations through prolonged use of
chain saws may produce Whitefinger disease
(Raynaud's phenomenon). This phenomenon
reduces the hand's ability to feel and regulate
temperature, produces numbness and burning
sensations and can cause nerve and circulation
damage and tissue necrosis.
An anti-vibration system designed to reduce
engine vibration is recommended for those using
chain saws ona regular orsustained basis. An anti-
vibration system does not guarantee the
avoidance of Whitefinger disease. Continual and
regular users must monitor closely their use of
chain saws and physical condition.
Notice: Refer to the Code of Federal Regulations, Section
1910.266(5); 2.5.1 of American National Standard
Safety Requirements for Pulpwood Logging, ANSI
03.1-1978; and relevant state safety codes when
usinga chain saw for logging purposes.
SAVE THESE INSTRUCTIONS
5

KNOW YOUR CHAIN SAW
A. INTRODUCTION
• Yoursaw has been designed with safety in mind and
includesthe followingfeatures as standardequipment:
- Reduced-Kickback Guide Bar (Lo-Kick ®)
- Low-Kickback Chain (,Xtra GUARD '-_')
- Spark Arrestor
-Temperature Limiting Muffler
- Handguards
- Counter-Vibe ® Anti-Vibration System
WARNING
[he following features are included on your saw to help
reduce the hazard of kickback, however, such features
will not totally eliminatethis dangerous reaction. As a
chain saw user, do not rely only on safety devices, You
must follow all safety precautions, instructions and
maintenance in this manual to help avoid kickback and
other forces which can result in serious personal injury.
B. KICKBACK SAFETY FEATURES
-- Reduced-Kickback Guide Bar, designed withasmall
radiustipwhichreducesthesizeofthe kickbackdanger
zone on the bar tip. Figure 5. A Reduced Kickback
Guide Bar is one which has been demonstratedto
significantlyreduce the number and seriousnessof
kickbackswhen testedin accordancewiththe safety
requirementsfor gasolinepoweredchain sawsasset
by the American National Standards Institute, Inc.,
StandardB175.1- 1985.
--Low-Kickback Chain, designed with a contoured
depthgaugeand guardlinkwhichdeflectthe kickback
force and allow wood to graduallyride intothe cutter.
Figure5. LowKickbackSaw Chain ischain whichhas
met the kickbackperformancerequirementsofANSI
B175.1(Safety Requirementsfor Gasoline-powered
ChainSaws)whentestedonarepresentativesampleof
chain saws below _8cubic inchdisplacement speci-
fied in ANSI B175.1. (American National Standards
Institute,Inc.,StandardB175.1- 1985).
-- Handguard, designedtoreducethe chanceofyourleft
handcontactingthe chainifyour hand slipsoffthefront
handlebar.
--Position of front and rear handlebars, designed
withdistancebetween handlesand "in line"witheach
other.The spread and "in line" positionofthe hands
provided bythisdesignworktogetherto givebalance
andresistanceincontrollingthe pivotof the sew back
towardthe operatorif kickbackoccurs.
z_WARNING
Do not operetethechain sawunless the sefety devices
or their specified replacements are properly installed
and maintained according to the instructions in this
manual. Do not useanyother guide bar and chain com-
binationthat is notequivalent tothe original equipment
or not certified to comply with ANSI B175.1. Failure
to follow these instructions can result in serious per-
sonal injury.
I
CON1OURED
OEPTH GAUGE
ALL .. FORCELLOWsAND
-°,,. .'----Y
_IFJ_K_ \ RIDE INTO
GUIDE BAR tOW-K_CKBACK CHAIN CUTTER
5YMMETR_AL CHAIq W;TH H_GH
_EAFI KI_8,_CK POTENTIAL
Figure5
C. STATE AND LOCAL REQUIREMENTS
Your saw is equipped with a temperature limiting
muffler and spark arresting screen'whlch meets the
requirements of California Codes 4442 and 4443.
All U.S. forest land and the states of California, Maine,
Washington and Oregon require many internal com.
bustion engines to be equipped with a spark arrestol
screen by law.
If you operate a chain saw in a state or locale where
such regulations exist, you are legally responsible
for maintaining the operating condition of these
parts. Failure to do so could subject you to liability
or to a fine. Muffler and spark arrestor maintenance
is found on page 17.
D. CARTON CONTENTS
After you unpack the carton:
f. Check the contents against the list below.
2. Examine the items for damage.
3. Notify your Sears store immediately ff a part is
missing or damaged.
NOTE: A rattle-likenoiseina powerhead withan empty
fuelor oil tank isa normalcondition,causedby a filter
moving against the wall of an empty tank.
CARTON CONTENTS
Key No. Qt3
IPower Head 1
2 Guide Bar 1
3 8 oz. can, 2-Cycle Engine Oil 1
-- Loose Parts Bag (not shown) 1
Operator's Manual(notshown) 1
Handguard 1
Cap-Handguard 1
6 Screws-Handguard 3
7,. Spur 1
8 Screw-Spur 2
9 Chain 1
10 Screneh 1
ENGINE

PREPARING YOUR SAW FOR USE
A. GETTING READY
1. READ YOUR OPERATOR'S MANUAL
CAREFULLY.
Your Operator's Manual has been developed to
help you prepare your saw for use and to under-
stand its safe operation. It is important that you
read your manual completely to become familiar
with the unit before you begin assembly.
B. ATTACHING THE HANDGUARD
The Handguard is a protective device designed to
reduce the chance of your left hand contacting the
chain if your hand slips off the front handlebar.
CAP HANDGUARD
i \ HANDLE-I_
BAR)t_---_ _ \
/U
2. HAVETHE FOLLOWING AVAILABLE:
Figure 6
a. Protective gloves
b. Approved, marked fuel container
c. One gallon regular gasoline.
d. 8 oz. (1/2 pt.), 2-cycle, air-cooled engine oil
- provided with your unit.
e. Scrunch-- provided withyourunit.The longend
of the tool can be used as a slottedscrewdriver,
The small pipe end can be used as asocket
wrench. The larger pipe end can be used to
removethe sparkplug,
f. Phillips Screwdriver
z_WARNING 1
Do not use the saw without the handguard in place.
IAlways replace the handguard immediately if it
[becomes damaged, broken or is otherwise removed.
• Lift and carry the chain saw by the handlebar,
not by the handguard,
• Keep the handguard securely fastened at all
times. Check the handguard screws each
time the saw is used.
To install:
1. Alignthe HandguardandHandguardCap aroundthe
handlebaras shown in Figure 6.
2. Fit the mounting pin on the Handguard into
the hole in the handlebar. Figure 1.
3. Insert the 3 mounting screws into the 3 holes
on the Handguard Cap.
4. Turn each screw with a Phillips screwdriver a little
at a time clockwise, until the Handguard Cap and
Handguard meet and there is no gap between the
two parts.
C. ATTACHING THE SPUR
The spur is a special piece of equipment de-
signed to assist the cutting operation. When
assembled to the saw, the spur will dig into the
tree or log and:
--relieve contact pressure adding ease to the
sawing operation.
--allow the saw to be more easily rotated or
pivoted into the cut.
To install:
1. Remove Bar Clamp Nuts, Bar clamp Housing
and Guide Bar Plates.
2. Align the spur over th§ two holes on the bar
clamp side of the saw. Figure 2.
3. Insert the two screws and tighten evenly and
securely.
CLAMP.
HOUSING
BARCLAM_ _
NUTS
;PUR
;GUIDE PLATES
Figure 7
7

D. ATTACHING THE BAR AND CHAIN
[CAUTION:IWear protective gloves when han-
dling or operating your saw. The chain is sharp
and can cut you even when it is not moving!
• Your saw Is equipped with a Reduced-Kickback
Guide Barand a Low-Kickback Chain designed to
help reduce kickback.
•Always use the Reduced-Kickback Guide Bar and
the Low-Kickback Chain specified for your chain
saw model, when replacing these parts.
Jz_ WARNING I
Do not start engine without guide bar and chain
completely assembled. Otherwlse_ the Clutcn can
come off and serious persona! inlury can result.
1. Install the Inner Guide Plate over the bar
mounting studs. Figure8.
NOTE: Be sure the Inner Guide Plate curves
or flanges toward the saw frame away from
the Guide Bar. Figure9.
2. Mount the Guide Bar with the slotted end
over the bar mounting studs. Figure 10.
NOTE: Be sure the Guide Bar is positioned
with the round hole below the large slot.
3. Hold chain with cutters facing as shown ir
Figure 11.
4. Place chain over and behind the clutch
drum onto the sprocket.
5. Slide Guide Bar to the rear of the saw as fal
as possible.
6. Fit the 15ottom of the drive links between
the teeth in the sprocket•
7. Start at the top of the bar and fit the chain
drive links into the groove around the Guide
Bar. Figure 11.
8• Pull the Guide Bar forward until the chain is
snug in the guide bar groove. Figure 12,
9. Installthe outer guide plate. Figure 9.
10. Slide the Bar Clamp Housing over the mounting
studs and fit the bar adjusting pin (Figure 13)into
the adjusting pin hole in the Guide Bar. Figure 12.
11. Replace the Bar Mounting Nuts and tighten
finger tight only,
NOTE: The Bar Clamp nuts must be slightly
loose to tension the chain correctly.
12. Follow "Chain Tension" instructions on page 9.
1INNER GUIDE
Figure 8
OUTER
PLATE
(1 Slot)
INNER
PLATE
(2Slots)
wo l
;LOa_T,, 00
Figure 9
:LUTCH
Figure 11
ADJUSTING PIN HOLE
Figure 12
BAR ADJUSTING PIN
6 6
Figure 10 Figure 13
8

E. CHAIN TENSION
• Correct chain tension is very important:
--a loose chain will wear the bar and itself.
--a loose chain can jump off the bar while
you are cutting.
--a tight chain can damage the saw and/or
break.
3. Continue turning the Adjusting Screw until
the tension is correct.
4. Hold the tip of the Guide Bar up and tighten
the Bar Clamp Nuts with the Scrench.
5. Recheck tension.
• Chain tension is correct when the chain:
--can be lifted about 1/8" from the Guide Bar
at a point near the middle of the bar, and
--will move freely around the bar.
..• The chain stretches during use, especially
=
when new. Checktension:
-- each time the saw is used
-- more freduently when the chain is new
-- as the chain warms upto normal operating tem-
perature
• The Bar Clamp Nuts must be slightly loose,to
tension the chain correctly.
1. Hold the tip of the Guide Bar up and turn the
_djusting Screw just until the chain does not
sag beneath the Guide Bar.Figure 14.
NOTE: Turn screw clockwise to tighten ten-
sion. Turn screw counterclockwise to loosen
tension.
2, Check the tension by lifting the chain from
the Guide Bar at the center of the bar. Figure
15.
TURN
TO LOOSEN
TENSION
TU RN
TO TIGHTEN
TENSION
Figure 14
CHAIN CAN BE _ \
LIFTED 1/8" WHEN fJ_
TENSION IS f.
co..ECT.13,-/
Rgure 15
F. ENGINE FUEL MIXTURE
• Your chain saw is powered by a two-cycle engine
which requires a fuel mixture of regular,
unleaded gasoline and a high quality engine oil
specially made for 2-cycle, air-cooled engines.
The internaldesign of the 2-cycle engine requires
lubricationof moving parts. Lubricationis provided
when youusethe recommended mixtureof gasoline
and oil.
Gasoline must be clean and not over two
months old. After a short period of time,
gasoline begins to chemically break down
and will form compounds that can cause hard
starting and damage in 2-cycle engines.
1. USETHE FOLLOWING FUEL MIXTURES:
2. DO NOT USE:
• BIA Oil (Boating Institute of America)
--Does not have proper additives for air-
cooled, 2-cycle engines and could cause
damage.
•The correct measure of gasoline to oil is very
important.
--Too much oil in the mixture will foul the
spark plug.
--Too little oil will cause the engine to over-
heat resulting in damage.
• Mix the fuel thoroughly in a container since
gasoline and oil do not readily combine. Do not
try to mix fuel directly in the fuel tank.
•AUTOMOTIVE OIL-
-Does not have proper additives for 2-cycle
engines and could cause damage.
•GASOLINE CONTAINING ALCOHOL-
(High Test, Premium or Gasohol)
-- Stiffens critical carburetor fuel metering ele-
ments and causes engine damage from
overheating.
-- Increases vapodock (causes hard starting).
-- Attracts water causing corrosion damage.
9

3. HOW TO MIX FUEL 4. IMPORTANT POINTS
a. Pour one-half of the gasoline into an ap-
proved, marked container. Do not try to mix
oil and gasoline directly in the fuel tank.
b. Add entire measure of 2-cycle Engine Oil.
c. Mix.
d. Add remainder of gasoline.
e. Mix thoroughly for one minute.
Figure 16
G. BAR AND CHAIN OIL
a. Use only recommended fuel mixtures.
b. Eliminate all soumes of sparks or flame in the
areas where fuel is mixed, poured, or stored.
There shouldbe nosmoking,open flames orwork
that couldcause sparks.
c. Usean approved, marked container for all fuel
purposes.
d. Mix and pour fuel In an outdoor area on bare
ground. Store fuel in a cool, dry, well-
ventilatedplace. Gasolinevaporsare harmfulto
your health and are a seriousfire hazard. Use a
funnel or spout when pouringfuel.
e. Avoid over filling the fuel tank. Allow3/4 inchfor
expansion.Tighten Fuel Cap securely.Figure 16.
f. Wipe up all fuelspllls. Wipooffany fuel spilledon
the saw. Completelydry the saw before using.
g. Move at least 10feet(3 meters) away from fuel
_nd fueling site before starting the engine.
•The guide bar and cutting chain require con-
tinuous lubrication in order to remain in
operating condition. Lubrication is provided
by the automatic oiler system when the oil
tank is kept filled.
--Lack of oil will quickly ruin the bar and
chain.
--Too little oil will cause overheating shown
by smoke coming from the chain and/or
discoloration of the guide bar rails.
• Use Sears Bar and Chain Lubricant #71-36554
or clean SAE 30W oil.
• In freezing weather oil will thicken, making it
necessary to thin bar and chain oil with a
sm_ill amount of Diesel Fue! #1 or Kerosene.
1. USE THE FOLLOWING:
3O°F or above -- Lubricant -- undiluted.
30°F - O°F -- 95% lubricant to 5% Diesel
Fuel #1 or Kerosene.
Below 0°F -- 90% lubricant to 10%
Diesel Fuel #1 or Kerosene.
Bar and chain oil must be free flowing for the
oil system to pump enough oil for adequate
lubrication.
Figure 17
2. HOW TO FILL THE OIL TANK
FILL THE OIL
TANK EACH
THE FUEL TANK
IS FILLED.
a. Stop the engine.
b. Turn saw on its side with oil cap up. Figure
17.
c. Loosen cap slowly and wait for pressure in
the tank to be released before removing the
cap.
d. Fill the oil tank.
e. Replace the oil cap securely.
3. IMPORTANT POINTS TO REMEMBER
a. Fill the oil tank each time you refill the fuel
tank to ensure there will be sufficient oil for
the chain whenever you start and run the
saw.
b. The saw will use about 1/2 tank of chain oil
for each tank of fuel mixture. If less oil is
used, check for aplugged oil hole in the
guide bar.
c. It is normal for a small amount of oil to ap-
pear under the saw after the engine stops.
This is due to oil draining from the bar and
chain when not in use.
10

USING YOUR SAW
A. CONTROL DEVICES
Understanding the control devices on your saw
isan important part of learning how to properly
and safely Operate the unit. Figure 18 .
1. The Ignition Switch is a toggle switch which
is moved up for the "Start" position and mov-
ed down for the "Stop" position.
2. The two*position Choke helps to start the
saw by controlling the air flow to the fuel
system.
3. The Trigger accelerates and controls the
speed of the engine and is designed to be
used with the Throttle Lock.
4. The Throttle Lock is a control feature which
prevents the Trigger from becoming accident-
ly engaged. The Throttle Lock must be press-
ed before the Trigger can be activated.
5. The Throttle Detent Button holds the Throttle
LoCk and Trigger in position while the engine
is being started. Release the Throttle Detent
Button after the engine is started by lightly
squeezing the trigger.
SWITCH i
TRIGGER
THROTTLE
DETENT
B.UTTON
_MANUAL
OILER
START
STOP
TARTISTOP
SWITCH
HALF OFF
,"_',,
FULL-,,.-._
_.., r
CHOKE
Figure 18
6. The Manual Oiler is placed to be 0peratea by
your right thumb. Use the manual oiler to sup-
plement the automatic oiler:
--during a long felling cut
--when cutting into a log or tree which is
greater in diameter than the length of the
guide bar.
--anytime an additional supply of oil is de-
sired.
B. STARTING INSTRUCTIONS
1, BASIC PROCEDURE
a. Set sawon flat ground making certain the saw
chain free to turn without contacting any
object. Figure 19.
b. Move ignition switch to the "Start" position.
c. Push down on the throttle lockout, squeeze
the trigger, press and hold down the throttle
detent button, then slowly release the trigger.
d. Adjust choke according to "Starting Pro-
cedure for Varying Conditions" below.
e. Hold the front handlebar with your left hand
and place right foot through the rear handle
to stabilize saw. Figure 19.
f. Pull starter rope quickly, using no more than
15-18 inches of rope per pull. Using the full
lengthofthe starter ropemaycauseitto break.Do
notlet the starter ropesnap back. Holdthe han-
dle and letthe rope rewindslowly.
g. Release the throttle detent button after
engine starts, allowing the engine to idle. The
chain must notmove when theenginerunsatid/e
speed. If correction is required, refer to "Car-
buretor Adjustments," page 20.
h. Stop engine by moving the ignition switch to
the "STOP" position (Figure 18).
l _'\WARNING
Always wear gloves; safety footwear; snugfitting
Clothing; and eye,hearing and head protection devices
when operating a chain saw.
STARTING POSITION-
HOLD FRONT HANDLE-
BARANDPLACERIGHT
FOOTTHROUGH
HANDLE.
Figure 19
.'_WARNING
Avoid bodily contact with the muffler when start-
ing a warm engine to avoid serious burns.
,
Conditions ,.,chto_, . u _,,
a. Cold Engine x x
b. Warm Engine x _hokeont
C. Refueled Engine after running x x
out of gas
d. Flooded Engine x _hok_o_
e. Cold Weather starting x x
Pugstarter rope Pushchoke knob Pntl starter rope Squeezebigger
k_ckand detentb_dlen or_g engine fires io u_i_ engine _ns to re_e
squeezet_jex rnteas_trigger throti_ detent
X X 35 times X X X
STARTING PROCEDURE FOR VARYING CONDITIONS
Move ignition Pull choke knob Pressthrottle Press throtUe
X X 1-2 times X
* Allow engine to warm-u pthoroughly on half choke 1-2min.; then move choke to "Off" position. Do notcut withthe choke at the "On"
or "Half" position. Figure 18. 11
X X X X
X nt 3-5 times half choke" X X
(out of cut)
X X 3-5 times X X X

TYPES OF CUTTING
A. BASIC CUTTING TECHNIQUE
1. IMPORTANT POINTS.
a. Cut wood only. Do not cut metal, plastics,
masonry, non-wood, buildingmateriels; etc.
b. Stop the saw if the chain strikes a foreign
object. Inspect the unit and repair or replace
parts as necessary.
c. Keep the chain out of dirt and sand. Even a
small amount of dirt will quickly dull a chain and
thus, increase the possibility of kickback.
L_.KICKBACK WARNING
Kickback can occur when the moving chain contacts an
object at the upper portion of the tip of the guide bar or
Whenthe wood closes in and pinches the saw chain in
the cut. Contact at the upper portion of the tip of the
guide bar can cause the chain to dig into the object and
stop the chain for an instant. The result is a lightning
f_S_,reverse reaction which kicks the guide bar up and
back toward the operator, If the saw chain is pinched
along the top of the guide bar, the guide bar can be
driven rapidly back toward the operator. Either of these
reactions can cause loss of saw control which can
result in serious personal injury.
2. UNDERSTAND REACTIVE FORCES
Pinch-Kickback and Pun-In occur when the chain
is suddenly stopped by being pinched, caught, or
by contacting a foreign object in the wood. This
results in a reversal of the chain forceusedto cutwood
and causes the saw to move in the opposite direction of
chain rotation. Either reaction can result in lose of con-
trol and possibleserious personal injury.
• Pinch-Kickback
---occurs when the chain, on top of the bar is suddenly
stopped when the top of the bar is used for cutting.
--rapidly drives the saw straight back toward the
operator.
•Pull-In-
-- can occur when the chain on the bottom of the
bar is suddenly stopped.
--pul/s the saw rapid/yforward,
3. PROCEDURE
Practicecuttinga few small logsusingthefollowing techn_
que to getthe 'feel" of usingyoursaw beforeyou begin
major sawing operation.
a. Accelerate the engine to full throttle just before
entering the cut by squeezing the throttletrigger.
b. Begin cutting with the spur against the log.
Figure 20.
c. Keep the engine at full threttle the enUre time you
are cutting.
d. Allow the chain to cut for you; exert only light
downward pressure. If you force the cut, damage to
the bar,chain,or engine can result.
e. Release the throttle trigger as soon as the cut is
completed, allowing the engine to idle.If yourunthe
saw at full throttlewithout a cuttingload, unnecessary
wear can occur to the chain, bar, and engine.
f. Do not put pressure on thesawat theend ofthecut
to avoid losing control whenthe cut is complete.
g. Stop the engine before setting the saw down after
cutting.
/(
BEGIN CUTTING WITH. THE
_ _rj'. ISPUR=AGAINST LOG.
Figure 20
B. TREE FELLING TECHNIQUES
1. PLAN YOUR SAWING OPERATION CARE-
FULLY IN ADVANCE
e. Clear the work area. You need a clear area all
around the tree where you can have secure
footing.
b. Study the naturel conditions that can cause
the tree to fall in a particular direction:
1.) TheWlNDdiroctionandspeed
2.) The LEAN of the tree
3.) WEIGHTED withBRANCHES on one side
4.) Surrounding'TREES and OBSTACLES
c. Look for decay and rot, If the trunk is rotted,
it could snap and fall toward the operator.
d. Check for broken or dead branches which
could fall on you while cutting.
e. Make sure there is enough room for the tree
to fall. Maintaining adistance of 21/2 tree
lengths from the nearest person or other ob-
jects. Engine noise may drown out warning
call.
f. Remove dirt, stones, loose bark, nails,
staples, and wire from the tree where cuts
are to be made.
g. Plan to stand on the up-hill side when cut-
ting on a slope.
h. Plan a clear retreat path to the rear and
diagonal to the line of fall. Figure21.
12

2. FELLING SMALL TREES -- LESS THAN
6" IN DIAMETER
a. Ifyou know the direcUonof fall:
1.) Make a single felling cut on the side away
from the direction of fall.
2.) Cut all the way threugh.
3.) Stop the saw, put it down, and get away
quickly onyour planned retreat path.
b. If you are not sure which way the tree will fall,
use the notch method described for felling
large trees.
z_WARNING
DO NOT CUT:
-- near electrical wires or buildings.
-- if you do not know the direction of tree fall.
-- at _ight since you will not be able to see well.
--during bad weather-- strong wind, snow, rain,
etc.
3. FELLING LARGE TREES'-- 6" DIAMETER
OR MORE
The notch method is used to cut large trees. A
notch is cut on the side of the tree in the desired
direction of fall. After a felling cut is made on the
opposite side of the tree, the tree will tend to fall
into the notch.
NOTE: If the tree has large buttress roots, re-
move before making the notch. Cut into the but-
tresses Wrtically, then horizontally. Figure 22.
a. Make the notchcut.Figure 23.
f.) Cut the bottom of the notch first, through
1/3 of the diameter of the tree.
2.) Complete the notch by making the slant
cut.
3,) Remove the notch of wood.
b. Make the felling cut on the opposite side of the
notch about 2" higher than the bottom of the
notch.
c. Leave enough uncut wood between the felling
Cutand the notch to form a hinge. Figure 24.
NOTE: The hinge helps to keep the tree from
twisting and falling in the wrong direction.
d. Use a wedge if there is any chance that the tree
will not fall in the desired direction.
DIRECTION_ F
-_l_llllll ....
OF ALLLJ f
Figure 21
N
.i --iZ
Figure 22
Figure23 Figure24
f
_WARNING
Stay on the uphill side of the terrain to avoid the
tree rolling or sliding downhill after it is felled. 1
NOTE: Before the felling cut is complete, drive
wedgestoopen upthecutwhen necessarytocon-
trolthedirecf_onoffall. Use woadorplasticwedges
but never metal, to avoid kickback and chain
damage.
e. Be alert for signs that the tree is ready to fall:
t.) crackingsounds
2.) widening of the felling cut
3.) movement in the upper branches,
f. As the tree starts te fall, stop the saw; put it
down, and get away quickly on your planned
retreat path.
g. Be extremely cautious with partially fallen trees
that may be poorly supported. When atree
doesn't fall completely, set thQ saw aside and
pull down the tree with a cable winch, block and
tackle ortractor.Do not cutitdown withyour saw
to avoid injury.
Check the wind
Don't cut down wind.
DON'T PUT YOURSELF IN THESE POSITIONS
Check the lean
Don't cut on lean side.
Check the balance
Don't cut on weighted side.
13

14
C. BUCKING
Bucking is the term used for cutting a fallen tree
to the desired log size.
1. IMPORTANT POINTS
a. Cut only one log at a time.
b. Cut shattered wood very carefully. Sharp
pieces of wood could be flung toward the
operator.
c. Use a sawhorse to cut small logs. Never
allow another person to hold the log while cut-
ting and never holdthe log withyour legor foot.
d. Give special attention to logs under strain
to prevent the saw from pinching. Make the
first cut on the pressure side to relieve the
stress on the log. (Figure 25)
e. Do not cut in an area where logs, limbs and
roots are tangled such as in a blown down
area. Drag the logsinto a clear area before cut-
ting by pulling out exposed and cleared logs
first,
f. Make the first bucking cut 1/3 of the way
through the log and finish with a 2/3 cut on
the opposite side. As the log is being cut, it
will tend to bend. The saw can become
pinched or hung in the log if you make the first
cut deeper than 1/3 of the diameter of the log.
2. TYPESOFCUTTING USED Figure26.
Overcutting - begin on the top side of the
log with the spur against the log: exert light
pressure downward.
Undercutting - begin on the under side of the
log with the top of the saw against the log; exert
light pressure upward. During undercutting,
the saw will tend to push back at you. Be pre-
pared for this reaction and hold the saw firmly
to maintain control.
z_WARNING I
Never turn the saw upside down to undercut. The
•saw cannot be controlled in this position.
z_WARNING
If saw becomes pinched or hung in a log, don't try to
force it out. Yousan lose control of the saw resulting in
personal Injury and/ordamage to the saw. Stop the saw,
drive a wedge of plastic or wood into the cut until the
saw can be removed easily. Figure 27. Restart the saw
and carefully reenter the cut. Do not use a metal wedge
to avoid kickback and chain damage.
3. BUCKING-- WITHOUT A SUPPORT
a. Overcut with a 1/3 diameter cut,
b. Roll log over and finish with an overcut,
1ST CUT
PRESSURESIDE _4-'--
I-,-- _ 2NDCUT
'Figure 25
OVERCUT
,i F_ure26
UNDERCUT
\WEDGE USED TO
HOLD CUT OPEN
/
Figure 27
t Cut 12ndCut J
USING -_'_,_'-_ Cut
_,NOTHER -- "_ _-
LOG AS ASUPPORT - _ "
Figure 28
J,I B I,I
,°,cu,2n,Ou,
cut/. cut cut
Figure 29

4. BUCKING-- USING ANOTHER LOG AS A
SUPPORT (Figure28):
Iz_WARNING 1
Do not stand on the log being cut. The cut portion
will roll down hill.
a. In areaA:
1.) Undercut 1/3 of the way through the log,
2.) Finish with an overcut.
b. In area B:
1.) Overcut. 1/3 of theway through the log.
2.) Finish with an undercut.
5. BUCKING -- USING A STAND (Figure 29):
a. InareaA:
1.) Undercut 1/3 of the way through the log.
2.) Finish withanovercut.
b. Inarea B:
1._ Overcut 1/3 of the way through the log.
2.) Finish with an undercut,
USE COMMON SENSE MAINTAIN SECURE FOOTING
D. DEBRANCHING ANDPRUNING
• Work slowly, keeping both hands on the saw
with a firm grip. Maintain secure footing and bal-
ance.
•Watch out for springpoles. Use extreme caution
when cutting small size limbs. Slender material
may catch the saw chain and be whipped toward
you or pull you off balance.
• Be alert for springback. Watch out for branches
that are bent or under pressure as you are cutting
to avoid being struck by the branch or the saw when
the tension in the wood fibers is released.
•Keep a clear work area. Frequently clear bran-
ches out of the way to avoid tripping over them.
I Never climb into atree to debranch or prune. Do not J
stand on ladders, platforms, alog or in any position J
which can cause you to lose your balance or control of ]
the saw.
1. DEBRANCHING
a. Always debranch a tree after it is Cut down, -
Only thencan debranching be done safely
and properly.
b. Leave the larger lower limbs to support the
tree as you work.
c. Start at the base of the felled tree and work
towards the top, cutting branches and
limbs. Remove small limbs with one cut. Fig-
ure 30,
d. Keep the tree between you and the chain.
Cut from the side of the tree opposite the
branch you are cutting.
e. Remove larger, supporting branches with
the 1/3, 2/3 cutting techniques described in
the bucking section.
1.) Start with an overcut
2.) Finish with an 5vercut
f. Always use an overcut to cut small and
freely hanging limbs, Undercutting could
cause limbs to fall and pinch the saw.
2. PRUNING
a. Limit pruning to limbs shoulder height or
below. Do not cut if branches are higher than
your shoulder. Get a professional to do the
job.
b. Refer to Figure 31 for the pruning tech-
nique.
1.) Undercut 1/3 of the way through the limb
near the trunk of the tree.
2.) Finish with an overcut farther out from the
trunk,
3.) Keep out of the way of the falling limb,
4,) Cut the stump flush near the trunk of the
tree.
_WARNING
Be alert for and guard against kickback. Do not allow
the moving chain to contact any other branches or
objects atthe nose of the guide bar when debranching
or pruning. Allowing such contact can result in serious
personal injury.
Removesmalllimbs
Figure 30
II It II I/.."7 _'/F
! II 'II( SECONDPRUNINGCUT
,THIRD w
/
FIRSTPRUNINGCUT
Figure 31 15

MAINTENANCE
A,
A good maintenance program of regular inspec-
tion and care will increase the service life and help
to maintain the safety and performance of your
saw.
• Make all adjustments or repairs (except car-
buretor adjustments) with:
spark plug wire disconnected
-- engine cool as opposed to a unit that has
just been run.
GUIDE BAR AND CHAIN
Increase the service life of your Guide Bar and
Chain by:
--Using the saw propedy and as recommended
in this manual.
--Maintaining correct Chain Tension, page 9.
--Proper lubrication, page 10.
--Regular maintenance as described in this sec-
tion.
•Check the saw for loose bolts, screws, nuts,
and fittings on a regular basis. Loose fasten-
ers can cause an unsafe condition as well as
damage to your saw.
_WARNING
Have all chain saw service (other than the items listed
in the maintenance section of this manual) performed
by a qualified service dea el'. I
1. CHAIN MAINTENANCE
• Sharpen the chain when:
--wood chips are small and powdery. Wood
chips made by the saw chain should be
about the size of the teeth of the chain.
--.saw has to be forced through the cut.
--saw cuts to one side.
[CAU-TION_IAlways wear gloves when handling
the chain. The chain is sharp enough to cut you
SUPPORT
FLAT $1DE
OF FILE HOLDER
ON TOP OF CUTTER
ROUND
FILE
GUAGE
TOP PLATE
Figure 32
KEEP 30° MARK " I
PARALLEL TO 7_;__ICUTTER
THE CENTER OF
Figure 33
even though it is too dull to cut wood.
a. SHARPENING INSTRUCTIONS
Items required:
Gloves Medium Flat File
7132" dia. file Depth Gauge Tool
6" file holder Vise
1.) Stop engine and disconnect spark plug.
CUTTERS
SAME LENGTH REMOVEI)AMAGE
/\/\
TOp PLATE SIDE PLATS
2.)
Figure 34
Figure 35
3.)
4.)
Adjust the chain for proper tension, page
9.
Work at the midpoint of the bar, moving the
chain forward by hand as each cutter is
filed.
Sharpen cutters.
a.) Position flat side of file holder (with
7/32" round file)on cutter top plate and depth
gauge. Figure 32 •
b. ) Hold the file holder level with the 30°guide
mark parallel to the center of the chain,
Figure 33.
c.) File from inside toward outside of cutter,
straight across, on forward stroke only. Use
2or 3 strokes per cutting edge. Figure 33.
d. )Keep all cutters the same length. Figure 34.
e. ) Fileenoughtoremoveanydamagetocutting
edge(side & top plate) of cutter. Figure 34.
f.) File 72SG chain to meet specifications shown
in Figure 35.
DEPTH GAUGE
DEPTH GAUGE
i=!gure36
HOOK TOO MUCH SQUARED
ANGLE 025 HOOK ANGLE OFF CORNER
RIGHT WAY WRONG WAY
Figure 37
/.;",WARNING .
Maintain the proper hook angle according to the
manufacturer's specification for the chain you are
using, Too much hook angle will increase the chance
of kickback which can result in serious personal
injury, Figure 35&37.
16

5. ) Correct Depth Gauges
a. ) Place depth gauge tool(Catalog No.
71-36557)overeach cutterdepth
gauge.Figure 36.
b. File levelwiththe flat file ifdepth
gauge is higherthan the depth gauge
tool_
c. Maintain roundedfront cornerof
depth gauge witha flat file. Figure 37.
NOTE: The very top of the depth gauge should be flat with
the front half rounded off with a fiat file.
_WARNING
Depth gauge tool is required to Insure proper depth
gauge. Filling the depth gauge too deep will increase
the chance of kickback which can result in serious
Ipersona njury.
b; CHAIN REPLACEMENT
1.) Replace the chain when cutters or links
break.
2.) See your Sears Service Center to
replace and sharpen individual cutters
to match your chain.
3.) Always replace a worn sprocket
when installing a new chain to avoid
excessive wear to the chain.
REMOVE SAWDUST
I FROM GUIDE BAR GROOVE
[Figure 38
2. GUIDE BAR MAINTENANCE
• Conditions which can require guide bar
maintenance:
--saw cuts to one side
--saw has to be forced through a cut
--inadequate supply of oil to bar and
chain.
• Check the condition of the guide bar each
time the chain is sharpened. A worn guide
bar will damage the chain and make cut-
ring more difficult.
•Replace the guide bar when:
--the inside groove of the guide bar rails is
worn.
--the guide bar is bent or cracked.
a. Remove the guide bar to service.
b. Clean oil holes at least once for each
five hours of operation.
c. Remove sawdust from the guide bar
groove periodically with a putty knife or
a wire. Figure 38.
d. Remove burrs by filing the side edges
of the guide bar grooves square with a
flat file. Figure 39.
e. Restore square edges to an uneven rail
top by filing with a flat file. Figure 39.
CORRECT
GUIDE BAR WORN GROOVES FILE EDGES
GROOVE SQUARE
Figure 39
B. IGNITION, COOLING AND EXHAUST SYSTEMS
• Carbon deposits will build up on exhaust
pods, spark arrestor, muffler, and spark plug
as the saw is used. All of these parts should
be cleaned at the same time to prevent
engine damage, overheating, loss of power,
and hard starting.
•Clean pads:
--as required
--at least once for each 25-30 hours of op-
eration
1. COOLING AND EXHAUST SYSTEM
• Carbon build-up on the cooling and ex-
haust system can cause the engine to
loose power in a cut.
•Keep the spark arrestor clean at all times.
•Replace the spark arrestor when breaks in
the screen are found.
Items required:
--wire brush
--3/8" wrench
--hardwood stick
a. Disconnect the spark plug.
b. Remove the muffler, baffles, and
screen. Figure 40.
c. Pull the starter rope until the piston
moves far enough to close the exhaust
ports.
d. Scrape the carbon deposits from the
exhaust ports and surrounding exhaust
chamber using a hardwood stick_
Figure 41.
_AUTION:] Do not use a metallic scrap-
ing tool to avoid damage to the piston.
SPARK ARRESTOR
HEAT SHIELD
\
\
MUFFLER
Figure 40 Figure 41 17

18
e. Blow out loosened carbon'with com-
pressed air.
f.' Clean the spark arrestor screen with a
wire brush or replace if breaks in the
screen are found.
g. Reassemble muffler parts.
2. SPARK PLUG
•Maintenance is indicated when the engine
is hard to starL
• Keep the spark plug:
--clean
--properly gapped (.025")
CHAMPION CJ-8Y SPARK PLUG
GAP .025" :_;T_
Figure 42
Items Required: Small brush, such as a
tooth brush, or a pocket knife.
a.
b.
C,
d.
e.
f.
Remove the carburetor cover.
Pull the rubber connector from the
spark plug and remove the spark plug
from the cylinder.
Clean deposits from the electrodes of
the spark plug with a small brush or a
pocket knife.
NOTE: Be careful when removing,
cleaning, gapping and replacing the
spark plug. If it is damaged, it will not
work properly and must be replaced.
Set the gap between the electrodes to
.025" using a wire or flat gauge. Figure
42.
Replace the spark plug in the cylinder
and attach the rubber connector.
Replace carburetor cover and knob.
C. STARTER ROPE REPAIR AND REPLACEMENT
A starter rope that breaks next to the pulley
can be repaired.
Replace the starter rope if the rope breaks more
than 2-3 inches away from the pulley as the rope
will be too short to repair properly,
z_WARNING
Always wear eye protection when servic-
ing the starter rope, The recoil spring
beneath the pulley is under tension. If the
spring pops out serious personal injury
can result.
NOTE: The recoil spring, located beneath the
pulley, is under tension. If spring pops out, it
will require considerable time and effort to
reinstall. For this reason, you may want to let
your Sears Service Center handle this repair.
If you do try to repair the starter rope and the
recoil spring pops out, take the unit to your
Sears Service Center.
1. Remove the four screws on the side of the
fan housing. Figure 43.
NOTE: Notice the different lengths of the
screws and their proper locations while
removing the screws.
2. Remove the fan housing.
3: If the starter rope is not broken, release the
spring tension by pulling about 12 inches of
rope from the pulley and catch the rope in
the notch as shown, Figure 44.
NOTE: The tension, on the starter spring will
be released if the rope has broken.
4. Turn the pulley counterclockwise
until thespring tension is released. Figure44.
NoTcH
UNDERSIDE •
HOLE I
SCREWDRIVER
"-<
Figure 43
TURN PULLEY
TO RELEASE
TENSION
Figure 44
_> PULLEY
SCREW
• _i_:. PULLEY RATCHET
TOPSIDE
_i FAN HQUSING PULLEY
STARTER . _
__///HOLE HOLE
F_--7_ _ 114" MAX. TAIL
_,..._1_'_ _TO PREVENT
_ _-_)_ INTERFERENCE
_t_._ _ WITH STARTER'
DOGS.
Figure 45

,
9.
10.
5. Remove the pulley screw in the center of the
pulley. Figure 45.
6. Lift the pulley carefu//y while gently twisting it
counterclockwise _,and remove the
old rope.
7. Move away from the fuel tank and burn the
end of the new rope to go into the pulley.
Pull the burnt end while hot through a rag to
smooth it.
Feedthe ropethrough the fan housingand the round
starterhole. Figure 45.
Snake rope insidepulley, then through the topside
pulley hole bypushing the ropefrom the underside
hole with asmall round object such as a Phillips
screwdriver.See insert, Figure45.
14. Replace and tighten the pulley screw.
15. Pull out 12 inches of rope and catch the rope in
the notch in the pulley. Figure46.
16. Turn the pulley 3 complete turns clockwise,
winding up the spring.
17. Hold the pulley and pull the starter rope.to
the full extent of length and let the rope re-
wind slowly.
18. Replace far] housing with the four screws in
their proper location.
11. Wrap rope counterclockwise _ around
pulley ratchet end and tuck loose end back under
rope leavinga 3/8-112inch tail. Pull tightly around
ratchet.Figure 45.
12: Rewind all the rope onto the pulley, turning
counterclockwise
13. Set the pulley into the housing; push it down
and engage the spring.
D. CLUTCH, DRUM AND SPROCKET
_WARNING
Do not start engine without Guide Bar, Chain, and Bar
Clamp Housing completely assembled, The clutch can
Figure 46
• Replace the drum/sprocket whenever a new
chain is installed in orderto gain the full life ex-
pectancy of the chain. Use the following proce-
dure:
come off without the guide bar and chain completely
assembled and sedous injury can result. Do not loosen
andspin the clutch off the crankshaft with a power tool.
The clutch shoes and drum can separate causing the
clutch to violently fly apart and serious personallnjury
can result.
• Taksthe ssw tc your nearest Seara Servlee Center
for full clutch inspection and service after each
tOOhours of operation, ltis recemmended thatyou
do not try to service the clutch or drum/sprocket
yourself unlessyou are a competent small engine
mechanic and have the proper dutch serwce tcol_
Proper disassembly and repair of the clutch is
extremely importantto the lifeof the engine and the
safetyof the operator.
•Clutch maintenance is required when:
--the chain continues to turn while engine
idles after the idle speed screw has been
adjusted to its capacity.
--slippage occurs during a cut.
--a chattering noise occurs during cutting.
•Clean the clutch, drum/sprocket and sur-
rounding area daily during heavy use of the
saw. Check to see that the clutch drum turns
freely and smoothly.
• Inspect the drum/sprocket regularly for wear.
A worn sprocket will make the chain run erratically
and will shorten the life of the bar and chain. Fig-
ure47.
BAR
CLAMP
HOUSING
Items Required: Scrench
9/16_' Socket Wrench
3/4" Socket Wrench
1. Remove li_e carburetor cover and pull the
spark plug away from the rubber connector.
2. Remove the bar clamp housing, outer guide
plate, guide bar, and chain. Figure 48.
CHAIN WEAR ON SPROCKET
WEAR IS VISIBL
Figure 47
BAR MOUNTING
NUTS
(_OUTER
IDE PLATE
Figure 48
19

3. Remove the fan housing.
4. Use a 9/16" socket wrench on the flywheel
nut to keep the crankshaft from moving.
Figure 49.
NOTE: Place the socket handle forward as
shown in Figure49.
5. Remove the clutch with a 3/4" socket or end
wrench in a clockwise direction. Fiqure50.
[CAUTION:_ Do not remove the clutch with a
punch or a power tool to avoid damage or
breakage to the clutch.
6. Remove worn sprocket and replace.
7. Install clutch in a counterclockwise direction.
Figure 50.
8. Hold flywheel by hand and tightenclutch witha 3/4
socket wrench.
NOTE: Do not hold a wrench on the flywheel
nut when replacing the clutch. This could
loosen the flywheel nut•
9. Reinstall fan housing, bar, chain and bar clamp
housing.
REMOVE CLUTCH
CLOCKWISE
INSTALL CLUTCH
COUNTERCLOCKWISE
2O
Em
Figure 49 Figure 50
CARBURETOR ADJUSTMENTS
•The-carburetor has been adjusted at the fac-
tory for sea level conditions. Adjustment may
become necessary if the unit is used at
significantly higher altitudes or if you notice
any of the following conditions:
--Chain moves with the engine at idle speed.
--Loss of cutting power which is not cor-
rected by air filter or muffler screen clean-
ing.
--Engine dies or hesitates when it should
accelerate•
•Permanent damage will occur to the engine if
incorrect carburetor adjustments are made. To
make the adjustment, follow the procedure below
very carefully.
I _WARNING
The chain may be moving during this procedure.
Wear your protective gear and observe all of the
.safety precautions.
1. PREPARATION
a. Stop engine.
b. Use a fresh fuel mixture with proper
gasoline/oil ratio.
c. Place the saw on a solid, flat surface and
make sure the chain will not contact any
object.
d. Locate the three (3) carburetor adjusting
screws Iocatedonthe fan housing side of thesaw.
Figure 51.
e. Turn the Low Speed Mixture Screw and the
High Speed Mixture Screw clockwise
just until they stop. Do not turn the screws
until they are tight as you may damage
the needle seats.
f. Turn the Low Speed Mixture Screw and the
High Speed Mixture Screw one ful! turn
counterclockwise a--,,
IDLE
SPEED ADJ. SCREW
• LOW HIGH
SPEED
ADJ. :ADJ;
SCREW
Figure 51
2. IDLE SPEED ADJUSTMENT--I
a: Start the engine and allow to idle.
Adjust if the engine dies or stops by turning
the Idle Speed Screw 1/2 turn clockwise
NOTE: To increase idle speed, turn the Idle
Speed Screw clockwise _ . To
decrease idle speed, turn the Idle Speed
Screw counterclockwise
c. Run the engine for a few minutes to bring it
up to operating temperature.
NOTE: The engine must be at operating
temperature for proper adjustments to be
made.
3. LOW SPEED MIXTURE ADJUSTMENT
a. Turn the Low Speed Mixture Screw slowly
clockwise _until the RPM starts to
drop. Note the position.
b. Turn the Low Speed Mixture Screw coun-
terclockwise _until the RPM speeds
up and starts to drop again. Note the posi-
tion.
c. Set the Low Speed Mixture Screw at the
mid-point between the two positions.

Gm
4. IDLE SPEED ADJUSTMENT--II
a. Allow engine to idle.
b. Adjust if the chain is turning by turning the
Idle Speed Screw countemlockwise AP,,_ .
c. Squeeze the throttle trigger; The saw
should accelerate without hesitating.
NOTE: It may be necessary to recheck the
low speed mixture setting after the idle
speed has been reduced by repeating "Low
Speed Mixture Adjustment" as in step 3
above.
5. HIGH SPEED MIXTURE ADJUSTMENT
a. Make a test cut.
b. Adjust if the saw smokes or seems to have
low power in the test cut by turning the
High Speed Mixture Screw 1/16th of aturn
clockwise
c. Repeat test cut.
d, Repeat adjustment until the saw runs
smoothly.
F. AIR FILTER
• A dirty air filter:.
--reduces cutting power
ECAUTION:].Never set the High Speed Mixture
Screw less than 718tum Open. This is too lean
a setting and will ruin your engine.
6. IDLE SPEED ADJUSTMENT--Ill
Recheck for proper idle mixture setting.
NOTE: It may be necessary to repeat Idle
Speed Adjustment-I and Low Speed Mixture
Adjustment.
7. CHECK ACCELERATION
Adjust if there is a slight hesitation, by turn-
ing the Low Speed Mixture Screw 1/16 of a
turn at a time counterclockwise _ un-
til you have smooth acceleration.
NOTE: Check to be sure the chain is not turn-
ing when engine is idling. If chain moves at
idle speed, repeat Idle Speed Adjustment-II.
_CAUT_ Never operate the unit without the air
filter in place to avoid engine damage.
--increases fuel consumption
• Clean the Air Filter:.
--frequently, especially under very dusty
conditions.
--always after 10 tanks of fuel mixture or 5
hours of operation whichever is less.
Items Required: soft bristled brush, such as a
paint brush.
1. Clean off the carburetor cover and the area
around it.
2. Close choke to prevent dirt from entering the
carburetor.
3. Remove the carburetor cover. Figure52.
4. Remove the air filter carefully.
5. Soak the filter in soap and water.
LCAUTION:I Do not use gasoline or other flamma-
ble liquid to clean the filter to avoid creating a fire
hazard.
6. Brush away all dust and debris from the filter.
7. Allow filter to dry.
8. Brush away all debris from surfaces which
were covered by the carburetor cover.
Figure52 9. Replace filter and carburetor cover.
COUNTER.VIBE ®ANTI-VIBRATION SYSTEM
This saw is equipped with a counter vibration
system consisting of 5isolator mounts. Figure
53. The Isolator Mounts protect the user from
engine, bar, and chain vibration similar to the
way shock absorbers on a car protect from jolts
and bumps in the road.
1. Check isolators each time the saw is used.
2. Replace isolators when:
--vibration increases
--mounts develop an out of round or
swollen shape usually caused from
exposure to gasoline and oil for long
,periods of time,
3. Replace all five isolators when a failure to one "
occurs.
COUNTER-VIBE ®MOUNTS I ....
Figure 53
21

H. STORAGE
When your saw is to be stored for over 30 days
always:
1. Drain fuel tankin asafe manner (see "Important
Points," page10).
2: Start Engine and allow to run at idlespeed
until the engine stops.
NOTE: This will remove most of the fuel from
the fuel system,
Wear protective gloves when han-
dling the chain. The chain is sharp and can
Cut you even_hen it is not moving.
I. MAINTENANCE ACCESSORIES
3. Drain oil tank.
4. Remove, clean, and dry the bar and chain.
5. Store the chain in a container filled with oil
to prevent rust.
6_ Apply a coating of oil to the entire surface of
the bar and wrap it in heavy paper, cloth or
plastic.
7. Clean the outside surfaces of the engine.
8. Store the saw in a dry place, out of the reach
of children and away fromwhere fuel vapors
can reach open flames from hot water
heaters, furnaces, etc.
Ava_ab_ethr_ughy_urneamstSeamSt_m_ata_gSa_es_ice_rServiceCente_butmayn_tbef_rnished
withyoursaw.
Key No. Part No. Catalog No.
1 55046 7! -36565
2-- 71-36526
-- 71-36523
3 -- 71-36557
4 51259 71-3642
Part No. Catalog No.
30073 71-3640
-- 71-36711
-- 71-36627
-- 71-36555
-- 71-36554
-- 71-36556
1 44209 71-36370
Description
File Guide
File (7/32" Dia.) Twin Pack
File (7/32" Dia.) - 12 pack
Depth Gauge Tool
Xtra GUARD ®Chain (72SG-66) -
(requires 7/32" dia. file)
Description
Spark Plug-Champion CJ-8Y
Replacement Recoil Cord
Carrying Case
2-Cycle Engine Oil
Bar and Chain Lubricant (gallon size)
Bar and Chain Lubricant (quart size)
Guide Bar- 18"- Lo-Kick ®
22

ENGINE WILL NOT 1.
ACCELERATE, LACKS 2.
POWER OR DIES 3.
5.
ENGINE SMOKES
EXCESSIVELY
ENGINE RUNS HOT
OIL INADEQUATE FOR
BAR AND CHAIN
LUBRICATION
CHAIN MOVES AT
IDLE SPEED
.CHAIN DOES NOT MOVE
WHEN ENGINE IS
ACCELERATED
CHAIN CLATTERS OR
CUTS ROUGHLY
CHAIN STOPS WITHIN
THE CUT
CHAIN CUTS AT
AN ANGLE
J. TROUBLE SHOOTING CHART
TROUBLE CAUSE REMEDY
ENGINE WILL NOT START 1. Ignition Switch off. 1. Move switch to "Start".
2. Fuel tank empty. 2. Fill tank with correct fuel mixture, cage 9.
3. Spark Plug not firing. 3. Install new plug, page18.
4. Fuel not reaching carburetor. 4. Check for dirty fuel filter;, clean. Check for
kinked or split fuel line; repair or replace.
5. Engine flooded. 5. See Starting Instructions, page 9
6. Compression low. 6. Contact Sears Service Center.
ENGINE WILL NOT IDLE 1. Idling speed set too low. 1. Adjust idle speed screw clockwise to in-
PROPERLY increase speed, page 20.
2. Idle speed set too high. 2. Adjust idle speed screw counterclockwise
to reduce speed, page 20.
3. Low speed screw requires adjustment. 3. See Carburetor Adjustments, page20.
4. Crankshaft seals worn. 4. Replace seals or contact Sears Service
Center.
5. Compression low. 5. Contact Sears Service Center.
Carburetor requires adjustment. 1. Bee Carburetor Adjustments, page 20.
Air filter dirty. 2. Clean or replace air filter, page21.
Spark Plug fouled. 3. Clean or replace Spark Plug and regap,
IN THE CUT page 18.
4. Carbon build-up. 4. Clean exhaust system including spark
arrestor, page 17.
Low Compression. 5. Contact Sears Service Center.
1. Choke parUally on. 1. Push Choke in.
2. High speed needle requires adjustment. 2. See Carburetor Adjustments, page20.
3. Air filter dirty. 3. Clean or replace air filter, page 21.
4. Oil rich fuel mixture. 4. Empty fuel tank and refill with correct fuel
mixture, page 9.
5. Crankcase leak. 5. Contact Sears Service Center.
1. Fuel Mixture Incorrect. 1. See Engine Fuel Mixture, page 9.
2. Spark Plug Incorrect. 2. Replace with correct plug, page 18,
3. Carbon build-up. 3. Clean exhaust systems including spark
arrestor, page 17.
4. High Speed Mixture set too law. 4. See Carburetor Adjustments_ page 20.
1. Oil tank empty. 1. Fill oil tank, page l&
2. Oil pump or oil filter clogged, 2. Contact Sears Service Center.
3. Guide bar oil hole blocked. 3. Remove bar and clean.
1. Carburetor requires adjustment. 1. See Carburetor Adjustments, page 20.
2. Clutch requires repair. 2. Contact Sears Service Center.
1. Chain tension too tigh t. 1. See Chain Tension, page 9.
2. Carburetor requires adjustment. 2, Sea Carburetor Adjustments, page20.
3. Guide bar rails pinched. 3. Repair or replace, page 8&17.
4. Clutch slipping. 4. Contact Sears Service Center.
1. Chain tension incorrect. 1.
2.
2. Cutters dull, improperly dharpened; depth
gauges too high.
3. Sprocket worn.
4. Chain wear due to contact with dirt, sand
3.
4.
See Chain Tension, page g.
See Chain Sharpebing Instructions, page
page16.
Replace.
Resharpen or replace Chain, page 16.
or frozen wood.
5. Cutters damaged after striking foreign
material.
1. Chain cutter tops not flied flat.
2. Guide bar burred or bent; rails uneven,
3. Clutch slipping.
1. Cutters damaged on one side.
2. Chain dull on one side.
3. Guide bar bent, or worn.
5. Contact Sears Service Center.
Sharpen all cutters evenly and uniformly
or replace chain. See chain sharpening
instructions, page 16.
1. See Chain Sharpening instructions,
page 16.
2. Repair or replace guide bar, page 8 & 17.
3. Contact Sears Service Center.
1. Reaharpen until all cutters have equal
angles and lengths, page 16
2. Resharpen until all cutters have equal
angles and lengths, page16.
'3. Replace guide bar, page 8 & 17.
23

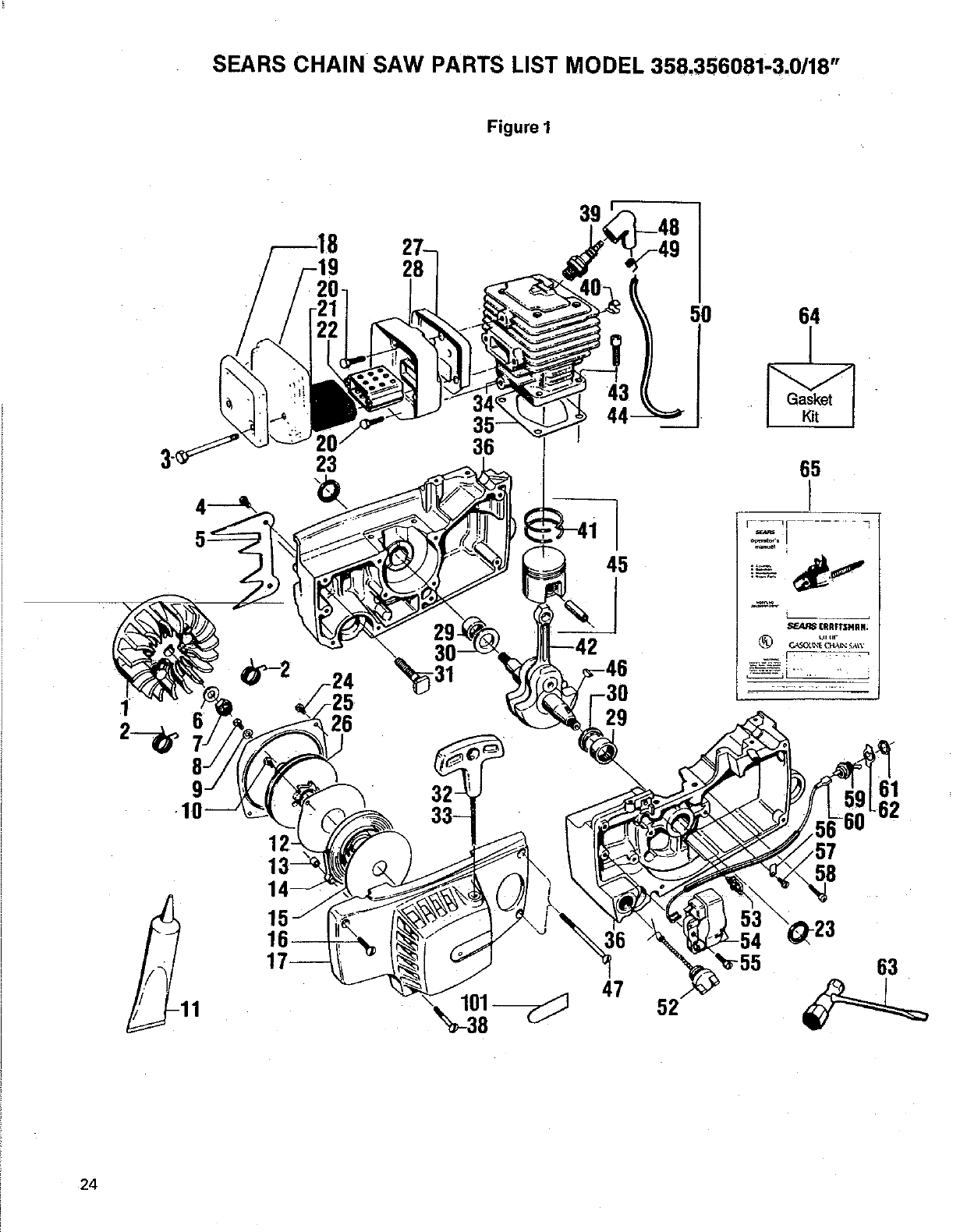
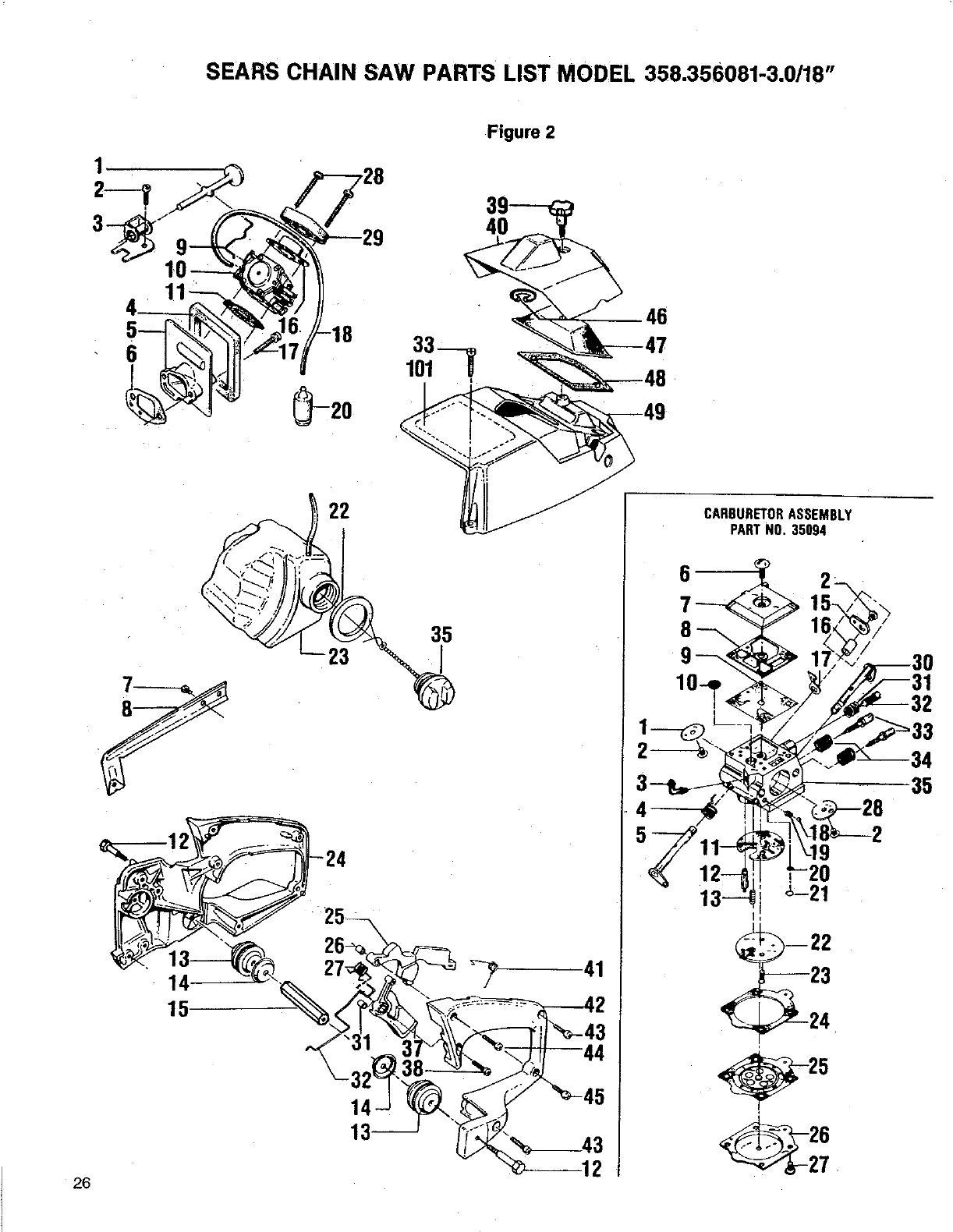
SEARS CHAIN SAW PARTS LIST MODEL 358.356081'3.0/18"
Figure 1
39
28
36
50 64
44
23 65
45
29
-24
_25
26
I
-62
12- ,57
58
11 15
36
47 52
24

SEARS CHAIN SAW PARTS LIST MODEL 35r8"356081"3"0/18"
Figure I
Key No. Part No. Qty. Description Key No. Part No. Qty. Description
1 39095 1 Flywheel Assembly 38 15365 1 Screw - Fan Housing
(incl. 2) (Lower Front)
2 23817 2 Spring - Starter Dog 39 30073 1 Spark Plug (CJ-SY)
3 STD522525 2 Screw- Muffler Cover 40 15195 1 Clip- High Tension
4-15434 2 Screw -Spur Lead Cylinder
5 24476 1 Spur 41 24332 2 Piston Ring
61626 1 Washer- Flywheel 42 24492 1Crankshaft and
7 1722 1 Flywheel Nut Rod Assembly
8 15468 1 Screw- Starter Pulley 43 1624 4 Screw- Cylinder
915123 1 Washer - Starter Pulley 44 39096 1 High Tension Lead
Retainer 45 10314 1 Piston Assembly
10 STD600603 2 Screw Disc Mounting (incl. 41)
11 30054 1 Sealant Crankcase 3 oz; 46 STD580008 1 Key - Flywheel
(optional) 47 15366 2 Screw - Fan HOUsing (Rear)
12 42066 1 Disc - Flywheel (Inner) 48 39097 1 Boot - Spark Plug
13 24329 1 Bushing - Recoil Spring 49 39071 1 Connector- Spark Plug
14 42051 1Spring -Starter Recoil 50 39102 1 High Tension
15 42053 1 Disc - Starter Lead Assembly
16 15364 1 Screw - Fan Housing (Incl. 44, 48, & 49)
(Top Front) 52 10444 1 OilCapAssembly
17 10720 1Fan Housing Assembly (IncLO-Ring)
18 24392 1 Shield Muffler 53 24334 1 Clamp- High Tension Lead
19 24391. 1 Muffler Cover (Crankcase)
20 STD522505 2Screw- Muffler 54 39093 1 Ignition Module (incl.
Body/Cylinder 50 & 60 )
21 24385 1 Screen - Spark Arrestor 55 15425 2 Screw - Module Mounting
22 24384 2 Diffuser -Muffler 56 23661 2 Clamp- Lead
23 19097 2*Seal -Crankshaft 57 STD606803 2 Screw -Lead Clamp
24 STD600603 2 Screw- Air - Baffle 58 STD511007 9 Screw- Crankcase
25 24232 1 Baffle - Air 59 23732 1 Switch - Toggle
26 28487 1 Pulley- Starter 60 39115 1 Switch Lead
27 24388 1 Back Plate - Muffler 61 23575 1 Ignition SwitchNut
28 24387 1 Muffler Body 62 24858 1 Plate- Start/Stop
29 32051 2 Bearings - Crankshaft 63 31107 1 Scrench
30 15354. 2 Thrust Washers -Crankshaft 64 69190 1 Kit Gasket- optional-
31 .30039 2 Kit-BarStudReplacement .(contents indicated by *)
32 42056 1 Handle- Starter Rope 65 66647 1 OperatorsManual(notshown)
33 42052 1 Rope- Starter Decal
34 12066 1 Cylinder 101 26468 1 Decal Fan Housing
35 19129 1 *Gasket- Cylinder
36 10696 1 Crankcase Assembly
Right & Left Half
(incl. 23, 29, 31 &51 on Fig. 1;
also includes from Fig; 3, 22,
30, 43 & one of 37.)
Key Numbers Excluded: #37 & 51
*Indicates contents of Gasket Kit, Key No. 64.
I
2._

SEARS CHAIN SAW PARTS LIST MODEL 358.356081-3.0/18"
6
14
15
26
22
23 35
Figure 2
40
41
45
46
CARBURETORASSEMBLY
PARTNO. 35094
6
10
_' 2
!\_-18_,----2
a--21
)-22
--23

SEARS CHAIN SAW PARTS LIST MODEL 358.356081-3.0/18"
Key No. Pad No.
125919
2 STD511003
3 10347
4 19107
5 24229
6
719101
15194
8 11965
9 24383
10 35O94
11 19099
12 15462
13 24373
14 24376
15 25258
16 24349
17 15414
18 21028
20 91878
22 19122
23 10286
24 12023
25 24357
Figure 2
Qty. Description Key No. Part No.
1Choke Rod 26 32053
1 Screw - Choke Bracket 27 25469
1Bracket & Bushing Ass'y 28 15245
1*Seal - Carburetor Adaptor 29 19104
1Adaptor -31 32059
Carburetor/Cylinder 32 24699
1 *Gasket - Adaptor/Cylinder 33 15168
2 Screw- Brace to
Rear Handle 35 10331
1 Brace- Handle
1 Wire- Choke 37 26013
1 Carburetor Assembly 38 15369
1*Gasket- Carburetor 39 24482
to Adaptor 40 24976
:2 Shoulder - Screw -Isolator 41 24378
2 Isolator- Powerhead 42 11826
to Rear Handle 43 15403
2Cup- Isolator 44 15393
1 Spacer- Isolator (Center)
1Bracket - Carburetor Seal 45 1560{]
2 Screw - Adaptor/Cylinder 46 24877
1 'Fuet Line
1 Fuel Pick-Up Ass'y -47 24548
1 *Seal - Fuel Tank Neck 48 19123
1 Fuel TankAssembly 49 25895
(Incl. 18, 20 & 35) Decal
1 Rear Handle -Right 101 26870
1 Throttle Lock
Qty. Description
1 Bushing Throttle Lock
1Spring -Trigger
2 Screw- Carburetor/Adaptor
1 " Seal Adaptor
1 Bushing - Trigger
1 Throttle Link
3 Screw- Cylinder Shield
to Crankcase
1 FuelCap Assembly
(Incl. O-Ring)
1 Trigger - Throttle
1 Screw- Throttle Trigger
1 Knob
1 Cover- Carburetor Ass'y.
1 Spring - Throttle Lock
1 Rear Handle- Left
2 Screw- Rear Handle
1 Screw- Rear Handle
(Throttle Lock)
1 Screw - Rear Handle (Lower)
1 Retaining Ring - Carb.
Cover Knob
1 Air Filter
1 *Gasket - Air Filter
1 Cylinder Shield
1 Decal - Starting Instructions
Key Numbers Excluded: #19, 21, 30, 34 &36
*Indicates contents of Gasket Kit, Key No. 64, p. 25.
CARBURETOR ASSEMBLY
PART NO. 35094
Key No. Part No.
1 35102
2 35015
335123
4 35119
5 35101
6 35115
7 35099
8 35109
9 35113
10 35069
1t 35111
12 35106
13 35118
15 35097
16 35125
17 35105
18 35107
Qty. Description Key No. Part No.
1 Valve-Throttle 19 35022
3 Screw- Valve 20 35124
!Fitting - Inlet (Elbow) 21 35096
1Spring - Throttle Ret 22 35126
1Shaft Ass'y- Throttle 23 35116
1 Screw - Pump Cover 24 35108
1Cover - Fuel Pump 25 35114
1Gasket - Fuel Pump 26 35098
1 Diaphragm - Fuel 27 35021
1 Screen - Inlet 28 35104
1 Gasket -Circuit 30 35103
1 Valve - Inlet Needle 31 35121
1 Spring - Mtrg. Lever 32 35117
1 Lever -Throttle (Outer) 33 35122
1Bushing - Throttle Lv. 34 35023
1Stop - Throttle 35 35095
1 Ball - Choke Friction
Key Numbers Excluded: #14 & 29.
Qty. _Description
1 Spring -Choke Friction
1 Screen, Check Valve
1 Ring - Screen Retaining
1 Plate Ass'y - Circuit
2 Screw- Circuit Plate
1 Gasket - Mtrg. Diaphragm
1 Diaph. Ass'y - Mtrg.
1 Cover - Mtrg./Diaphragm
4 Screw Ass'y - Mtrg. Cover
1 Valve- Choke
1 Shaft Ass'y - Choke
1 Spring- Idle Screw
1 Screw- Idle - Adj.
2 Needle- Hi & Lo
2 Spring - Needle's
1 Body Ass'y-Carburetor
27

SEARS CHAIN SAW PARTS LIST MODEL 358.356081-3.0/18"
Figure 3
21
102
See Fig. 1 #36
44
10 11-
\
14
28 41-
47
6O
66
59
68
1
101
28

SEARS CHAIN SAW PARTS LIST MODEL 358,356081.3,0118"
Figure 3
Key No. Part No.
1STD511003
2 24351
3 24348
5 15357
632049
748069
8 24465
9 24353
10 10291
11 24352
12 26246
13 23373
14 24347
15 24225
16 15406
17 '23356
18 STD583037
19 23357
20 24467
21 15509
22 69185
23 19103"
24 2615
25 23358
26 15418
27 19029
28 69062
29 24677
30 21038
32 23699
33 22197
Qty. Description Key No. Part No.
1 Screw- Bracket to 34 10289
Crankcase
1 Bracket-Lever to Crankcase 35 24676
1 Lever- Manual Oiler 36 21031
1 Thrust Washer 37 2464
1 Searing - Clutch 38 24691
1 Drum & Sprocket Assembly 39 24345
1 Plate - Clutch 40 19102
1 Spring - Clutch 41 25987
1 Clutch Assembly 42 15297
(Incl. 9,11 and 12) 43 15422
3 Shoe Clutch 44 25925
1 Spider, Clutch 46 STD510810
1 *Boot - Oiler Rod 47 24399
1 Rod - Manual Oiler 48 10727
1 Isolator- Crankcase Side
1 Screw - Side Isolator/ 49 25924
Crankcase 50 STD600603
1 Cap - Oil Pump 52 24466
1 Retainer Ring - Oil Pump 54 22258
1 Plunger- Oil Pump 55 STD522510
1 Cap - Handguard
3 Screw/Handguard 56 51259
1 Kit-Oil Vent Replacement 57 44209
1 *Gasket- Body 58 15362
to Crankcase
t Tubing Nut - Oiler 59 24373
1 Spring - Oil Pump 60 24376
1 Washer - Oiler
1 Quad Ring -Oil Pump 61 25044
1 Kit - Oil Pump Service- (Incl. 17, 62 15445
18,19,24, 25,26, 27,30, 32, 33, 63 15361
34, 38,39, 40, 41,42, & one of 64 25414
37) 65 STD581018
1 Spring - Oil Line Protector 66 .15385
1 Discharge Oil Line 67 52084
1 Spring- Diaphragm
1 Button and Pintle Assembly
68 15391
Key Numbers Excluded: #4, 31,51 & 53
*Indicates contents of Gasket Kit, Key No. 64, p. 25.
Decals
101 26468
102 26849
-- 26550
Qty. Descdption
1 Oil Line Pick-Up Assembly
(Incl. 29, 35, and 36)
1 Weight - Oil Pick-Up Line
1 Oil Line
2 Sleeve - 1/8 Tubing
1 Filter - Oil Pump Vent
1 *Diaphragm-OiIPump
1 *Gasket - Cover to Body
1 Cover - Pump
1 Screw - Oil Pump Cover
1 Tubing Nut - Crankcase
1 Guide Bar Plate - Inner
3 Screw - Pump to Crankcase
1 Cover Plate - Oiler
1 Bar Clamp Housing Assembly
(Incl.61.64, 65 &66)
1 Gui.de Bar Plate - Outer
4 Screw Oiler Cover Plate
1 Handguard
1 Handlebar Assembly
2 Screw - Handlebar/
Rear Handle
1 Chain
1 Bar- 18"SN
2 Isolator Mount Spacer
Front Handlebar
2 Isolator - Front Handlebar
4 Isolator Cups - Front
Handlebar
1 Pin - Bar Adj.
2 Flange Nut - Bar Mounting
1 Spacer - Isolator
1 U-Clip - Bar Clamp Housing
1 E Ring -Adj. Screw
1 Screw - Bar Adj,
-- Chain Repair Kit (Optional)
(Incl. 1Drive Link, 2 Preset
tie straps, 2 Plain tie straps,
1 Guard drive link)
1 Screw - Isolator Mount
to Handlebar
! Decal Strip - Bar Clamp Housing
1 Decal - Handguard
1 Decal- Chain Tensioning -
Not Shown
29

MAINTENANCE CHART
Complete machine
Throttletrigger,safetythroffielock,stopswitch
Filter infuel tank
Fueltank
Chain oiltank
Chain lubrication
Saw chain
Gaide bar
Chain sprocket
Airfilter
Exhaust ports
Cylinder fins
Carburetor
Spark plug
All accessible screwsand nuts
(not adjusting screws)
Vibration mounts _
Spark arrestor screen
3O
Visualinspection(condition,leaks)
Clean
Check operation
CleanFelt
Replacefelt
Clean
Clean
Check
Inspect,also chock sharpness
Check chain tension
Sharpen
Inspect (wear,damage)
Clean
Lubricate sprocketnose,- •
Deburr
Replace
Cheek
clean
Replace
Clean
Clean
Check idle adjustment-
chain must not turn
Readjust idle
Readjust elee_rodegap
xX
x
x x 11
x
X
x
x
xx 10
Xx
xx 9
x 16
17
17
X
xX
x
x 17
x x 8&17
x 19
x x. I 21
x 21
x 17
x 17
x x 20
x 20
x 18
x
x 21
Retighten
Inspect
Tobe replacedbya qualifiedServiceDealer
!;ns t
Clean or replace
17
17

QUICK REFERENCE PAGE
Read and follow all Safety Rules, Precautions and Operating Instructions.
Failure to do so can result in serious personal injury.
page
SPECIAL SAFETY SECTION ................................. :.................. 3-5
PREPARATION ............................................................. 3&4
1. Wear personal protective gear -- gloves; safety footwear; snug fitting clothing; and eye,
hearing and head protection,
2. Check for worn, loose, or damaged parts and repair Or replace as necessary.
3. Check the chain for sharpness and tension.
4. Keep children, bystandersand petsa minimum of30 fee:t(10 meters) away fromworkarea.
5. Plan your sawing operation carefully in advance.
FUEL AND OIL 9 &10
.....,,.,......,.o .., .....,*,., .......,. .... * * . . . . , ,,.,*. • . . .
1. Eliminate all sources of sparks or flame where fuel is mixed, poured, or stored.
2. Use 1 part air-cooled, 2-cycle engine oil to 16 pads regular, unleaded gasoline.
3. Use gasoline not over 2 months old.
4. Mix and pour fuel in an approved, marked container and in an outdoor area.
5. Move a minimum of 10 feet (3meters) away from fuel and fueling site before starting engine.
6. Fill the oil tank each time the fuel tank is refueled.
STARTING THE ENGINE ......................................................... 11
1. Hold saw firmly with the saw chain free to turn without making contact with any object.
2. Push saw away from you with your right hand while pulling the starter rope with your left hand.
3. Use no more than 15-18 inches of rope per pull.
4. Pull rope no more than 5-6 times.
5. Release the trigger after engine starts allowing engine to idle.
OPERATING THE UNIT ......................................................... 12
1. Cut wood only.
2. Accelerate the engine to full throttle before entering the cut.
3. Begin cutting with the saw frame up against the log.
4. Cut only at full throttle.
5. Release the trigger as soon as the cut is completed.
6.; Stop the engine before setting the saw down after cutting.
MAINTENANCE .............................................................. 16
1. ,_,djust or have the carburetor adjusted if the chain moves when the engine idles.
2. Disconnect spark plug before performing maintenance except for Carburetor adjustment.
3. Check the guide bar for wear each time the chain is sharpened.
4. Clean the air filter frequently and always after 10 tanks of fuel mixture or 5 hours of operation.
whichever is less.
5. Clean igniton, cooling and exhaust systems at least once for each 25-30 hours of operation.
6. Take the saw to your Sears Service Center for full clutch inspection after each 100 hours
of operation.
7. Drainfuel tank in a safe manner before storing the unit for 30 or more days.
8. Store saw in a dry place out of the reach of children.
WATCH OUT FOR
KICKBACK
J
NOT USE
THE SAW WHEN
IT NEEDS REPAIR NEVER USE THE SAW
WHEN TIRED
%
USE A FIRM GRIP
WITH BOTH HANDS
31

MODELNO.
358.356081-3.0/18"
How to Order
Repair Parts
SEARS SERVICE
The Model Number will be found under the handle with the Serial
Number. Always mention the Mpdel Number when requesting ser-
vice or repair parts for your Chain Saw.
All parts listed herein may be ordered from any SEARS Service
Center and most Sears Stores. •
WHEN ORDERING REPAIR PARTS, ALWAYS GIVE THE
FOLLOWING INFORMATION AS SHOWN IN TH!S LIST.
1. The PART NUMBER -3: The PART DESCRIPTION
2. The MODEL NUMBER
358.356081-3.0/18"
4. The NAME OF ITEM --
Chain Saw
If the parts you need are not stocked locally, your order will be
electronically transmitted to a Sears Repair Parts Distribution
center for expedited handling.
When you buy merchandise from
Sears you get an extra something
that nobody else can-offer...Sears
Service.
Across town or across the country,
Sears Service follows you, provid-
ing trustworthy, competent service
technicians using only Sears speci-
fied factory parts.
Sears, Roebuck and C()., Chicago, IlL 60684 U.S.A.
,,,,,
66647-1-25285-1-25285 PRINTEDINU.S.A-