Craftsman 486241321 User Manual LAWN SWEEPER Manuals And Guides L0807710
CRAFTSMAN Lawn Sweeper Manual L0807710 CRAFTSMAN Lawn Sweeper Owner's Manual, CRAFTSMAN Lawn Sweeper installation guides
User Manual: Craftsman 486241321 486241321 CRAFTSMAN LAWN SWEEPER - Manuals and Guides View the owners manual for your CRAFTSMAN LAWN SWEEPER #486241321. Home:Lawn & Garden Parts:Craftsman Parts:Craftsman LAWN SWEEPER Manual
Open the PDF directly: View PDF
.
Page Count: 16

S__S
OWNERS
MANUAL
Model No.
486.241321
CAUTION:
Read Rules for
Safe Operation
and Instructions
Carefully
CRI:IFTSMI:IN_
32" LAWNSWEEPER
•Assembly
• Operation
•Customer Responsibilities
=Repair Parts
J
Se,Trs, Roebuck and Co., Hoffman Estates, IL 60179 U.S.A.

RULES FOR SAFE OPERATION
The following safety precautions are suggested, This
lawn sweeper ls designed, engineered and tested to
offer reasonably safe and effective service,
provided it is operated in strict accordance with these
instructions. Failure to doso may result in personal
injury, Always observe the rules for safe operation.
'_9.
1. Do not allow anyone to operate the sweeper
without proper instructions,
2. Do not permit children to operate sweeper.
3. Do not push or tow sweeper too close to a fire,
because the hopper and brush will burn.
4, Do not attempt to remove wire or string
wrapped around brush while brush is rotating.
Your lawnsweeper carton and inner pack parts
carton contains parts as shown in the figure below,
The hardware package contains two separate
packages, see,figures 1 and 2 on page 3, Identify
all parts and lay0utas shown in the figure below and
figures 1 and 2,
5, Operate sweeper at reduced spaed.on rough
terrain, in ditches, and on hiltsides to prevent
tipping and loss of control. Stay alert for holes
or other hidden hazards,
6, This sweeper is not meant for street or highway
use. Watch for traffic wt_en sweeping near
roadways,
7. Keep all nuts, bolts and screws tight to "besure
equipment is in safe working condition.
8, Vehicle and attachments should be stopped and
inspected for damage after striking a foreign
object and damage should be repaired before
restarting and operating the equipment.
.Follow maintenance instructions as outlined in
this manual.
8. Lower Hopper Tube, _ft Hand
9. Hopper Bag
PARTS IN INNER PACK CARTON:
CARTON CONTENTS
Loose Parts in Carton
1. Sweeper Housing Assembly
2. Brace Rod
3: Hitch Tongue
4. Wind Screen
5. Upper Hopper Tube, Right Hand
6. Upper Hopper Tube, _elt Hand
7, Lower Hopper Tube, 'Right Hand
CARTON CONTEN_i'S
10. Bag Retainer Strap
11, Bag Support Rod (2} 3/16" Die,
12. Height Adjustment Strap
13. Bag Frame Strap
14, Hitch Bracket
15, Hopper Mount Arms (2)
t6. Rope
17. Height Adjustment Handle
t8. Parts Package (Not Shown)
5 6
4
9
i
14

•L P iL
S
R
FIGURE 1
CONTENTS OF HARDWARE PACK: (Figure 1).
Sweeper Housing Assembly
A (1)
B (2)
C (lJ_
O{5_
E (1)
F(3) r
G (6)
H (1)
I (1)
J(3).
K (1)
L (3)
M (1)
N{1)
O (1)
P (1)
R(1)
S (1)
Hitch .Pin
Spacers 1" Oia. x., 3/4" Long
Hairpin Cotter
Hex Bolts 3/8"-16 x 314"' Long
Hex 8oits 3t8-16 x 1-1/2"' Long
Hex Lock Nuts 5/!6-18 Thread
Hex Lock Nuts 3/8-16 Thread
Slot Head Bolt 5/16-18 x 3/4" Long
Brace Rod Clip
Flat Washer 5/16" LD.
Hex Bolt 5/16-18 x 3/4" Long
Carriage Bolt 5/16-18 x 3/4" Long
Spacer 13/32 I.D. x 5/8" O.D. x 3/16" Thk.
Lock Washer 5/16" I.D.
Hex Nut 5/16-18 Thread
Hand Knob
Grip
Angle Bracket
FIGURE 2
CONTENTS OF HARDWARE PACK: (Figure ,2).
Hopper Bag ,Assembly
T (4) Hex Bolts 5/16-18 x 3/4" Long
U (4) Hex Lock Nuts 5/16-18 Thread
V (2) Hex Bolts 1/4-20 x 1-1/4" Long
W (4) Hex Lock Nuts 1/4-20 Thread
X (4) Truss (Slotted) Head Screws #10-32 x"
5/8" Long
Y (4) Hopper Mounting Clamps
Z (4) Hex Lock Nuts #10-32 Thread
AA (2) Curved Head Bolts 1/4-20 x 1" Long
A8 (2) Hex Bolts 3/8-16 x 3/4" Long
AC (2) Hex Lock Nuts 3/8-16 Thread
AE (2) ' Bag Retainer-Clevises
AF (2) Cotter Pins 1/8" x 3/4" Long
AG (2) Clevis Pins 3t8"' x 3" Long
E1/4" x 1-1t4'"
3/8'" x 3/4""
3t8'" x 1-112'" Iif _-i _!
318"' LOCK AC 5/16'" STD.
AA K
5116 '° x314 °" 5116"" x 3!4"
1f4" x 1" CARRIAGE
CURVED
#!0 x518"'
x \,
114" LOCK
#lO_-q-- Z 5t16"" LOCX 5/16" LOCK
FULL SIZE HARDWARE REFERENCE CHART"
3

ASSEMBLY INSTRUCTIONS
TOOLS REQUIRED
(1) Adjustable Wrench
(1) 318" Open Er_d or Box Wrench
(1) 7/16" Open Endor Box Wrench
(1} 1/2" Open End or Box Wrench
(1) 9/16" Open End or Box Wrench
(1) Standard Screwdriver
(1) Pair of Pliers
Refer to carton contents figure on page 2and figure
1 on page 3 for parts and hardware needed to
assemble sweeper housing.
1. Remove the 5/16"hex nuts, 5/16" lock washers
and 5/16" fiat washers from the two 5/16" x 1-3/4"
carriage bolts as shown in figure 3. Assemble
the hitch tongue to the sweeper, reusing the
same two carriage bolts, flat washers, lock
washers and hex nuts. Do not tighten at this
time,
5116" FLAT WASHER
SWEEPER HOUSING
FIGURE 4
NOTE
Before assembling the hitch bracket
to the hitch tongue, refer to figure 5
and page 11 to determine which
position is required for your towing
vehicle.
SWEEPER HOUSING
5/16" x 1-3/4" CARRIAGE BOLT
HITCH TONGUE
5/16"
FLAT WASHER
5/16" LOCK WASHER
5/16" HEX NUT
FIGURE 3
2. Attach the brace rod to the square hole in the
sweeper housing, using two 5/16" x 3/4"
carriage bolts (assembled with the heads on the
inside of housing). Two 5/16" flat washers and
5/16" hex lock nuts are assembled outside as
shown. See figures 4 and 5. Do Not Tighten At
This Time.
.Assemble the hitch bracket to the hitch tongue
using a 3/8" x3/4" hex bolt (in front hole) and
a 3/8" hex lock nut as shown in figure 5. Next,
assemble the brace rod over the back hole in
the hitch bracket and fasten with the brace rod
clip, a 3/8" x 1-1/2" hex bolt and a 3/8" hex lock
nut. Do not tighten at this time. See figure 5.
SWEEPER HOUSING
BRACE ROD
HITCH
TONGUE -._-
BACK
HOLE
HITCH POSITION "A"
SEE PAGE 11
3/8" HEX LOCK NUTS
FIGURE 5
4

4. Tighten (do not overtighten) the two bolts
assembled in step 1, making sure the brace rod
is pulled tight under the large flatwasher and
against back bolt of hitch bracket. See figures
3, 4 and 5. Now tighten all other bolts assembl-
ed in steps 2 and 3.
5. Remove two 5/16" hex nuts and 5/16" curved
washers from the height adjustment tube"
Assemble the height adjustment handle to the
height adjustment tube using the two curved
head bolts through the height adjustment tube.
Push handle to left and secure tightly with two
5/16" curved washers and two 5/16" hex nuts.
See figure 6.
6. Assemble the grip, with finger knobs as shown,
to the height adjustment handle" See figure 6.
5116" HEX LOCK NUT HEIGHT
ADJUSTMENT
HANDLE
CURVED
WASHER
CURVED HEAD BOLT
HEIGHT ADJUSTMENT TUBE
FIG_,JRE 6
,
1
-9.
Assemble the angle bracket to the hitch tongue
with long leg up using one 5/t6" x 3/4" bolt.
Secure tightly with one 5/16" hex lock nut. See
figure 7.
Assemble the height adjustment strap (hole end)
to the angle bracket. See figure 7. Place spacer
over end of 5/16" x 3/4'_ stot head bolt and
into large hole on strap. Assemble threaded end
of slot head bolt through hole in the angie
bracket and secure with 5/16" lock washer and
5/16" hex nut. See figure 7.
Assemble other end of height adjus1:ment strap
to height adjustment handle, See figure 7. Place
slot on strap in line with square hole in height
adustment handle, Secure strap with 5/16" x
3/4" carriage bolt, 5/16" flat washer and hand
knob. See figure 7.
HEIGHT
ADJUSTMENT
STRAP
5116"" x 314"' HEX BO
5/16" x 3/4 '°
CARRIAGE BO.LT; •
L.
5/16 "o
LOCK
HEIGHT
ADJUSTMENT
HANDLE
5/16"
SLOTTED
BOLT
FIGURE 7
10.
5/16"
HEX NUT
SPACER
5f16'" WASHER
/_NGLE
BRACKET
Assemble the two bag mount arms-to the "
outside of the sweeper housing using four 3/8"
x 3/4" hex bolts and 3/8" hex lock nuts. Use
bottom hole of dual position holes in sweeper
housing to install bag mount arm. THE
NOTCHED SIDE OF MOUNT ARMS FACE UP-
WARD AND MOUNT ON THE OUTSIDE OF
HOUSING. See figure 8.
3/8" x 3t4'" HEX BOLT
3f8" HEX LOCK NUT
USE BOTTOM
HOLE
FIGURE 8
1_]. Assemble the hitch pin, two_l '' dia. x 3/4" tong
spacers and hair pin cotter to hitch bracket and
hitch tongue as shown in figure 9.
5

HITCH PIN
HI_TCFI"BRACKET
HAIR PIN COTTER._.._
v I
1" DIA. x 3/4"
FIGURE 9
ASSEMBLY OF HOPPER BAG
Refer to carton contents figure on page 2 and figure
2 on page 3 for hardware needed to assemble
hopper bag. See page 2 to identify both upper and
lower hopper tubes,
Insert the left hand upper hopper tube through
the hopper bag stitched flaps, starting, at the
center cut out in the top of the hopper bag. See
figures 10, 11 and 12. Repeat for the right hand
upper hopper tube.
CENTER CUT OUT
START HE
w
UPPER HOPPER TUBE
(LEFT HAND SHOWN)
BAG FLAP t
FIGURE 10
2_ Locate the hole on side of both upper hopper
tubes. See figure 11. The bag wit1 require
piercing at these holes in a later step. Refer to
step 12 on page 8.
HOLE ON SIDE OF BOTH
UPPER HOPPER TUBES
COVERED BY BAG FLAP
RGURE 11
6

3. Slide the two upper tubes together, as
shown in figure 12. Line up the center holes.
FIGURE 12
4. Secure the upper hopper tubes with 1/4" x 1"
curved head bott and 1/4" hex lock nut. See
figure 13.
1/4" HEX LOCK NUT /
(INSIDE) /
_ _" x1" CURVED HEAD BOLT
(OUTSIDE)
FIGURE 13
,Assemble the two lower hopper tubes as shown
in figure 14. Secure wtih 1/4" x 1" curved head
bolt and 1/4" hex lock nut. See figure 14.
_I/4"" x 1"
CURVED HEAD BOLT
LOWER
HOPPER
TUBES
114" HEX LOCK NUT
FIGURE 14
6. Place assembled lower hopper tubes into
bottom of hopper bag. See figure 15.
7. Assemble the upper and lower hopper tube
epds together with two 3/8" x 3/4" hex bolts
,(inside) and 3/8"' hex lock nuts (outside). See
• figure 15. Do not overtighten to allow for pivot.
UPPER HOPPER TUBE
HEX LOCK NUT
(OUTSIDE)
LOWER
HOPPER
TUBE
HOPPER BAG BOTTOtV
.... _" -" "-- /_3/8" x 3/4"" HEX BOLT
. (INSIDE)
FIGURE 15
8. Assemble the bag frame strap (bottom) and bag
retainer (top) to the front edge of bag bottom.
Place the bag retainer on top and frame strap
on bottom. Secure with four #10 x 5/8" slottec
screws, and #10-32 hex tock nuts. See figure 16.
FRONT EDGE OF BAG BOTTOM
i
#10 HEX LOCK
BAG RETAINER STRAP
#10 x 5/8'" SCREW"
FIGURE 16
9. Assemble the frame strap to the lower hoppe_
frame. Secure with 1/4" "x 1-1/4" hex bolts anc
1/4" lock nuts..See figure 17.
LOWER HOPPER FRAME
/
/
J
FIGURE 17
1/4'" x %114" HEX BOLl'
(OUTSIDE)

10, Secure the bag corners over lower hopper tube
by snapping the flap to bag bottom on each sid_
See figure 18,
12, Locate h_fe along side of upper hopper tubes
and pierce a hole through the bag aiigned with
the hole in the tube, See figure 21,
FLAP
FIGURE 18
11. Assemble the two hopper support rods as
shown in figures 19 and 20, Place top end of
rod into hole in uloper tube and bend rod
outwards and snap bottom end of rod into hole
in bottom tube. NOTE: Rods are spring steel and
require bending or bowing as shown, Do not
over bend and .lose bag support tension.
)RT ROD
FIGURE 21
i3.
UPPER HOPPER TUBE
S
Assemble mount clamps to each side of upper
hopper tube. Place one clevis pin through
clamps, hopper bag and hopper tube, then
secure clamps together with two 5/16" x 3/4"
hex botts and 5/16" lock nuts. See figure 22.
Tighten securely.
UPPER HOPPER
FIGURE 19
.... iii. i i i
FIGURE 20
SUPPORT RODS
FIGURE 22
14.
15.
'S PIN
Repeat step 13 for other side.
Assemble the bag retainers to clevis pins.
Secure with cotter pins. See figure 23. Wrap
cotter pin around clevis pin as shown in figure
23.
NOTE
Bag retainers must pivot freely.
8

CLEV
BAG RETAINER
17, Assemble the wind screen t_ upper hopper tui_
Pull the four comer loops and snap, See figures
26 end 27_ Double wrap back loops around tube
for tight fit,
PIN
FIGURE 23
16. Secure the rope to the top center of
hopper bag frame as shown in figures 24, and
25.
FIGURE 24
WIND
FIGURE 26
18.
UPPER
HOPPER
/TUBE
OOP
SNAP
To assemble the hopper bag frame to the
sweeper, simply hook the clevis pins into the
notches in mount arms. Bag retainers must pivot
freely to lock in position, See figure 27.
WIND SCREEN R!
\
MOUNT ARM
FIGURE 25 FIGURE 27

19. To remove the hopper bag frame from the
sweeper, simply flip the bag retainers upward
and remove the bag, See figure 28.
i
BAG
4
_" RETAINER
HOPPER MOUNT ARM
FIGURE 28.
10

ATTACH SWEEPER TO TRACTOR
IMPORTANTI To assure the best performance from
your new sweeper, read and follow the instructions
on this page carefully.
Place the tractor and the sweeper on a flat level
surface such as a drive or a walk.
Set the sweeper's height adjustment handle to
approximately the middte of it's adjustment range.
Attach the sweeper to the tractor, arranging the 3/4"
spacers aS shown [n GROUP "A" or "B", depending
on the height of the tractor hitch. The sweeper bag
should be approximately level with the ground and
3" or 4" above the ground. See figure29. Do not ;
allow the sweeper bag to drag the ground,
GROUP "A" - For riding mowers
with 8"' to 10-1/2" ground
clearance to hitch.
HITCH TONGUE
WITH HITCH BRACKET MOUNTED
BELOW HITCH TONGUE
BLACK LINE IS TRACTOR HITCH
TWO SPACERS ABOVE TRACTOR
•/_ HITCH
, ---
ONE SPACER ABOVE AND 8"ELOW
TRACTOR HITCH
._.,
TWO SPACERS BELOW TRACTOR
HITCH
HJJ==÷_
E_L _
TWO SPACERS AND HITCH BAR
,..(_._ BELOW TRACTOR HITCH
11
TH BRUSH HEIGHT
'MENT SETTINGS
IOXIMATELY
FIGURE 29
APPROXIMATELY LEVEL OB
3" TO4" OFF SURFACE
GROUP "B" - For tractors
with 10-I/2" to 13" ground
clearance to hitch.
WITH HITCH BRACKET MOUNTED
ABOVE HITCH TONGUE
BLACK LINE IS TRACTOR HITCH
_'_ TWO SPACERS ABOVE TRACTOR
•'_" _ =: -_ HITCH
ONE SPACER ABOVE AND BELOW
_--_ .TRACTOR Hll CH _
IL=- ....
f
TWO SPACERS BELOW TRACTOR
,I _ HITCH
""''""
._,_ ..... _ _:,
.... /'_ TWO SPACERS AND HITCH BRACKET
BE LOW TRACTOR HITCH
"PP1-{ f-f'.t_ )......
{..................... ;

OPERATION
Your sweeper is aprecision piece of equipment.
Engineering skill and experience have been combined
to provide reasonable safety and efficiency. How-
ever, as with any type of mechanical equipment,
carelessness or error on the part of the operator can
result in damage to your equipment. Therefore,
exercise care at all times and do not subject your
sweeper to misuse.
SWEEPING SPEED
. Select a vehicle speed to throw material to the rear
of the hopper bag.
BRUSH HEIGHT ADJUSTMENT
For maximum performance and to avoid tire skid-
ding, adjust the height of the sweeper to engage
brush tips approximately-1/2" into the grass. To
adjust the sweeper brushes, loosen the adjustment
knob and push down on the height adjustment handle
to raise the brushes. See figure 30. Always cut the
grass to an even height before sweeping.
&CAUTION: Keep sweeper away from
fire, Excessive heat can damage the
brushesand hopper bag and could cause
the bag and its contents to burn.
ROPE
SH HEIGHT
HANDLE
TO RAISE BRUSH
(Push Down)
KNOB-
1
FIGURE 30
DUMPING OF SWEEPER
Your sweeper can be dumped easily without getting
off of the rider or tractor. Simply pull rope forward to
dump. See figure 31. See caution notes on this
page.
FIGURE 31
STORAGE
The bag may be collapsed for storage. Remove the
two support rods and fold bag down.
LUBRICATION/CUSTOMER
RESPONSIBILITIES
The bearings in the sweeper have been prelubricated
at the factory; however it is recommended that a few
drops of light oil should be added to the brush shaft
bearings twice ayear. Also, the wheels should be
removed to clean gears every two ,years. After
cleaning apply an even coat of light grease. See
figures 32, 33 and 34.
&CAUTION: Never attach the hopper
rope to any part of your body or clothing!
Never hold onto the rope while towing
the sweeper! Attach the rope to the
towing vehicle to keep it away from
wheels and rotating parts.

NOTE
To remove the wheel just pop off hub
cap with a screwdriver and remove
retaining ("E") ring and fiat washer.
See figure 32.
WHEEL
XLE
HUB CAP WASHER
"E"-RING
FIGURE 32
WHEEL GEARS/PAWL SERVICE
t. To service wheel gears, Do Not Remove both
wheels at the same time. Remove one wheel
at a time to prevent use of left hand parts on
right hand side. When removing gears make
notes on position of all washers and retaining
rings.
2. The pawl, inside ratchet gear, has a curved end
side and a flat end (side). See figure 33, When
re-assembling ratchet gear and pawl, fill the
inside with grease, Re-assemble the wheel and
turn wheet, if the brushes drive (rotate) in both
directions, the pawl is assembled incorrectly,
remove and flip pawl over. If the brushes drive
(rotate) in one direction the pawl is assembled
correctly.
PAWL • \
BRUSH REPLACEMENT
It
2.
3.
Remove the hopper bag from lawnsweeper.
Brush replacement should be done one
brush at a time.
Tip the sweeper back on housing for ease of
brush replacement. Do not remove hex bolts
from double brush retainers through brush
shaft.
4_
.
Loosen hex bolts and hex lock nuts from single
brush retainers. See figure 34. Slide brtJsh out
of retainers making note of over-lap bristles
position.
Install new brush, making sure over-lap bristles
are positioned the same as before and as shown
in figure 34 (end view of brush).
RIGHT END VIEW BRUSH
OF BRUSH -----......_ ROTATION
DOUBLE OVER-LAP
BRUSH BRISTLES
SINGLE
BRUSH
RETAINER
OIL BEARING HERE
OVER-LAP
BRISTLES
SHAFT
;INGLE
BRUSH
RETAINER
1= BRUSH
t=_]p ROTAllON
FIGURE 34
RATCHET
GEAR
---FLAT WASHEI_
FIGURE 33 r
13

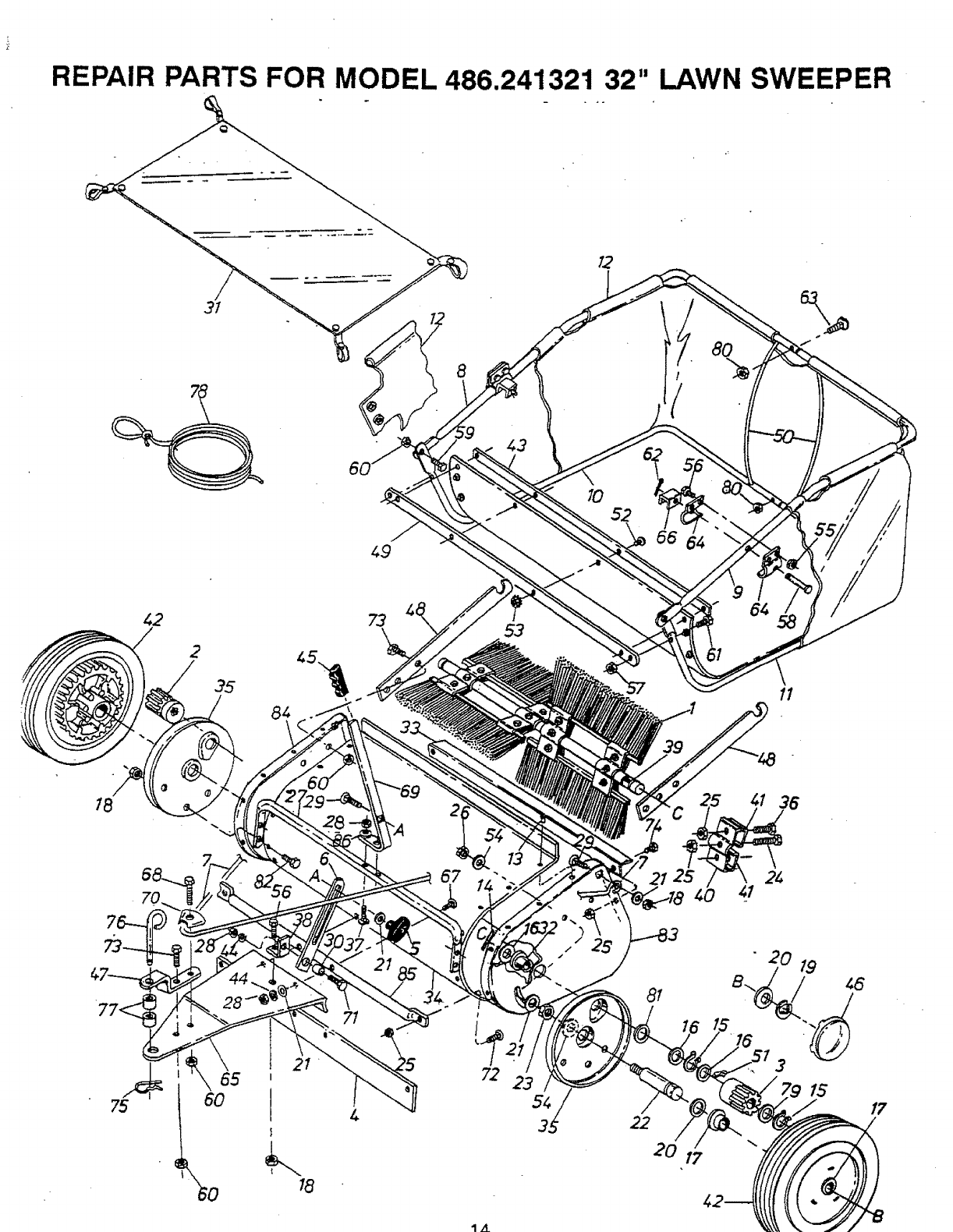
REPAIR PARTS FOR MODEL 486.241321 32" LAWN SWEEPER
31
12
I
8O
49
10 52 %
42
2
73 53
11
18 41
70
65
6O
6O
4
i
72
/
E/
81
22
20 17
3
I5
17

REK
NO,
1
2
3
4
9
10
11
12
13
14
15
16
17
18
19
20
21
22
23
_4
25
26
27
28
29
30
31
32
33
34
35
36
REPAIR PARTS LIST FOR MODEL 486.241321 32" LAWN SWEEPER
PART NO, QTY. DESCRIPTION RER PART NO. _.TY. DESCRIPTION
NO,
'L _ ....... ,,, ,,, ,, I n illll llll i,,,UUil n ,,,,llln • Iinl ill i
4Brush 48 23812 2 Bag Mount Arm
1 Pinion Gear - R,H. 49 23351 1Bag FrameStrap
1 Pinion Gear - L,H. 50 43926 2 Hopper Support Rod
I Skirt 51 1671-1 2 Pawl (H.T.)
1 Height Adjustment Knob 52 43346 _4 Truss Hd. Slotted Scrl_
1 Height Adjustment Strap #10-32 x 5/8" Lg,
1 Brace Rod 53 43662 4 Hex Lock Nut #10-32 Thd.*
1Upper Hopper Tube-R,H. "54 R19131316 6 FL-Washer'3/8" S.A.E.
1 Upper Hopper Tube - L.H. 55 43064 4 Hex Lock NUt 5/1,6.18 Thd.
1 Lower Hopper Tube -R,H. 56 43182 4Hex Bolt 5/16-t8x 3/4" Lg.*
1Lower Ho[sper Tube-L.H. 57 43013 2 Hex Lock Nut 1/4-20 Thd.
1 Hopper Bag_ 58 43513 2 Clevis 'Pin 3/8" Dia. x 3" Lg.
8 Pop Rivet 59 43407 2 Hex Bolt 3/8-16 x 3/4"
2 Spring Pin 3/16" x 1" Lg.*
4Retaining Ring ,594 I.D. 60.• 43082 8 Hex Lock Nut 3/8,16. Thd..
6 Fl.-Washer (Shim) .596 x 61 1509-90 2Hex Bolt 1/4-20 x 1-1/4"
"1.125 x .025 Lg.*
2Flange Bearing 62 0! 42-000 2 Cotter Pin 1/8" Dia. x 3/4"
,71 Hex Lock Nut 5/16-18 Thd, Lg.*
'_'E"-Ring 5/8" 63 43978 2 Curved Hd. Bolt 1/4-20 x1"
4Fl.-Washer ,62 I.D, x !.00" Lg.
O,D. 64 23331 4 Hopper Mount Clamp
5 Washer 5/16" Std. 65 23868 1Hitch Tongue
2Axle 66 23354 2 Bag Retainer Clevis
2 Jam Nut 3/8-24 Thd. 67 44215, 2 Carriage Bolt 5/16-18" x
4Hex Bolt 1/4,-20 x 1" Lg. 1-3/4"
16 Hex Look Nut 1/4-20 68 43062 1Hex Bolt 3/8-16 x 1-1/2"
Thd. Lg. *
4Hex Lock Nut 3/8-24 Thd, 69 23850 1Height Adi, Handle
1Height Adj: Tube 70 24161 1 Brace Rod Clip
5Hex Nut 5/16-18 Thd, 71 43814 1 SI_ Truss Hd. Bolt 5/16-18
3Carriage Bolt 5/16-18 x 3/4" x 3/4
Lg.* 72 44950 2 Carriage Bolt 1/4-20 x 3/4"
43903
43886
43885
44951
43720
23851
44964
43928
43927
43930
43929
43956
0-9M5_2
43659"
1650-21
44007
741-0249
43064
716-0106
44125
43081
44598
44684
43661
43013
1038
44906
43083
43080
23400 1 Bushing Spacer 73 43407 5Hex Bolt 3/8-16 x 314" Lg,
43957 1 Windscreen (Gr. 5)
44909 2 Brush Shaft Bushing 74 43175 2 Hex Bolt 1/4--20x 1/2"
23853 1 Rear Support Brace (Gr. 5)
23848 1 Wrapper 75 43343 1 Hairpin Cotter 5t32
23,867 2 Dust Cover 76 23353 1 Hitch Pin
43012 8 23368 2 Hitch Adjustment Tubes
43737 1 Hopper Rope
37 44947 1 44006 2 Washer, Flat .596 x .859
38 23869 t
39 23871 1
40 23580 4
41 23581 8
42 44951 2
43 23345 I
44 43086 3
45 43943 1
_$6 267_32 2
47 23014 1
*Common hardware
Hex Bolt 114-20 x 3/4" Lg. 77
(Gr. 5) 78
Curved Hd. Bolt 5/16-18 x 79
1-5/8"
Angle Bracket 80
Brush. Shaft 81
Brush Retainer (Double) 82
Brush Retainer (Single)
Wheel Ass'y. Comp 83
Skirt Retainer 84
-I Lockwasher 5/16" I,D, 85
Grip 86
Hub Cap
Hitch Bracket
may be purchas_ locally,
,i,
x.025
43013 2 Hex Lock Nut 1/4-20 Thd.*
1540-31 2 Flat Washer, .78 i.D.
4_692 4 Hex Bolt 5/16-18 x 1i2"
Lg.
23845 1 End Plate L.H.
23846 1 End Plate R.H.
44903 1 Hitch Tube
.44695 1Bowed Washer
47047 1 Owners Manual
15

SEARS
OWNERS
MANUAL
Model No.
486,241321
How to Order
Repair Parts
CRRFTSMRNo
32" LAWNSWEEPER
Always mention the Model Number when requesting.service
or repair parts for your Lawnsweeper
All parts listed herein may be ordered from any Sears Service
Center and most Sears stores.
WHEN ORDERING REPAIR PARTS, ALWAYS GIVE THE
FOLLOWING INFORMATION:
• THE PART NUMBER
• THE PART DESCRIPTION
• THE MODEL NUMBER
• THE NAME OF MERCHANDISE
If the parts you need are not stocked locally, your order will
be electronically transmitted to aSears Repair Parts Distribu-
tion Center for handling.
LIMITED ONE YEAR WARRANTY
ON CRAFTSMAN LAWNSWEEPER
For one year from date el purchase, when this Lawnsweeper is main _
rained and lubricated according to the operating and maintenance
instructions in the owner's manual, Sears will repair free of charge any
defect in material or workmanship.
This warranty does not cover:
-- repairs necessary because of operator abuse or negligence,
including the failure to maintain the equipment according to
instructions contained in the owner's manual; and
-- Lawnsweeper used for commercial or rental purposes.
WARRANTY SERVICE tS AVAILABLE BY RETURNING IT TO THE
NEAREST SEARS SERVICE CENTER/DEPARTMENT IN THE UNITED
STATES.
This warranty applies only while this product is in-use in the United
States. !i'
This warranty gives you s_e,cific legat rights, and you may also have other
rights which vary from state to state.
Sears, Roebuck and Co. D/817WA, Hoffman Estates, IL. 60179
FORM NO. 47047 (7/97)
Sears, Roebuck and Co., Hoffman Estates, IL. 60179 U.S.A.
PRINTED IN U.S.A.