Craftsman 486241322 User Manual LAWN SWEEPER Manuals And Guides L0805387
CRAFTSMAN Lawn Sweeper Manual L0805387 CRAFTSMAN Lawn Sweeper Owner's Manual, CRAFTSMAN Lawn Sweeper installation guides
User Manual: Craftsman 486241322 486241322 CRAFTSMAN LAWN SWEEPER - Manuals and Guides View the owners manual for your CRAFTSMAN LAWN SWEEPER #486241322. Home:Lawn & Garden Parts:Craftsman Parts:Craftsman LAWN SWEEPER Manual
Open the PDF directly: View PDF
.
Page Count: 16

Owner's Manual
CRAFTSMAN+
32" LAWNSWEEPER
Model No. 486.241322
CAUTION:
Before using this product, read
this manual and follow all
Safety Rules and
Operating Instructions.
IMPORTANT - READ THIS FIRST!!!
For Missing Parts or Assembly Questions
Please Call 217-728-8388
Mon.-Fri. 7 am - 5 pm CST.
FAX 217-728-2032 or e-mail info@agri-fab.com
Missing parts will be sent UPS in 24 hours directly to your home.
• Safety
• Assembly
• Operation
• Maintenance
• Parts
Sears, Roebuck and Co., Hoffman Estates, IL 60179 U.S.A.
www.sears.com/craftsman
PRINTED IN U.S.A. FORM NO. 48441 (REV. 5/02)

SAFETY RULES ........................................................ 2
FULL SIZE HARDWARE CHART ............................. 3
CARTON CONTENTS ............................................... 4
ASSEMBLY ................................................................ 4
OPERATION ............................................................ 11
MAINTENANCE ....................................................... 12
SERVICE AND ADJUSTMENTS ............................ 13
STORAG E ................................................................ 13
TROUBLESHOOTING ............................................. 13
REPAIR PARTS ILLUSTRATION .......................... 14
REPAIR PARTS LIST .............................................. 15
PARTS ORDERING/SERVICE ................. Back Page
LIMITED ONE YEAR WARRANTY ON CRAFTSMAN LAWNSWEEPER
For one year from the date of purchase, when this Lawnsweeper is maintained and lubricated according to the
operating and maintenance instructions in the owner's manual, Sears will repair any defect in material or
workmanship free of charge, tf this Lawnsweeper is used for commercial or rental purposes, this warranty applies
for only 90 days from the date of purchase.
This warranty does not cover repairs necessary because of operator negligence or abuse, including the failure to
maintain the equipment according to instructions contained in the owner's manual.
WARRANTY SERVICE IS AVAILABLE BY CONTACTING THE NEAREST SEARS SERVICE CENTER/DEPART-
MENT IN THE UNITED STATES.
This warranty applies only while this product is in the United States.
This warranty gives you specific legal rights, and you may also have other rights which vary from state to state.
Sears, Roebuck and Co. D/817 WA. Hoffman Estates, Chicago, IL 60179
Any power equipment can cause injury if operated improperly or if the user does not understand how to operate
the equipment. Exercise caution at all times, when using power equipment.
• Read the vehicle and sweeper owners manuals and
know how to operate your vehicle and sweeper
before using this sweeper attachment. Always
instruct other users before they operate the sweeper.
• Do not permit children to operate sweeper.
• Do not permit anyone to ride on sweeper.
• Never attach the hopper rope to any part of your
body or clothing! Never hold onto the rope while
towing the sweeper! Attach the rope to the towing
vehicle to keep it away from wheels and rotating
parts.
• Operate the sweeper at reduced speed on rough
terrain, near ditches and on hillsides to prevent loss
of control.
• Vehicle braking and stability may be affected with the
attachment of this sweeper. Do not fill sweeper to
maximum capacity without checking the capability of
the towing vehicle to safely pull and stop with the
sweeper attached. Stay off of steep slopes.
• Stop and inspect vehicle and sweeper for damage
after striking an object. Repair any damage before
continuing operation.
• Keep sweeper away from fire. Excessive heat can
damage the brushes and hopper bag and could
cause the bag and its contents to burn.
• Before storing the sweeper, always empty the hopper
bag to avoid spontaneous combustion.
• Follow maintenance and lubrication instructions as
outlined in the maintenance section of this manual.
Look for this symbol to point out important safety precautions. It mean--Attention!!
Become alert!! Your safety is involved.
The model number and serial numbers will be found on
a decal attached to the sweeper housing.
You should record both the serial number and the date of
purchase and keep in a safe place for future reference.
MODEL NUMBER:
SERIAL NUMBER:
DATE OF PURCHASE:
486.241322

SHOWN FULL SIZE
©] fO
(_]Jp _/Q
NOT SHOWN FULL SIZE
_u
W
REF.
A
B
C
D
E
F
G
H
I
J
K
L
QTY. DESCRIPTION REF. QTY. DESCRIPTION
1 Hex Bolt, 3/8" x 1-1/2"
5 Hex Bolt, 3/8" x 3/4"
1 Hex Bolt, 5/16" x 3/4"
3 Carriage Bolt, 5/16" x 3/4"
1 Truss Head Bolt, 5/16" x 3/4"
6 Hex Lock Nut, 3/8"
3 Hex Lock Nut, 5/16"
1 Hex Nut, 5/16"
3 Washer, 5/16"
1 Lock Washer, 5/16"
1 Pivot Bushing
2 Hitch Spacer
M
N
O
P
Q
R
S
T
U
V
W
X
6 Hair Cotter Pin, 3/32"
1 Hair Cotter Pin, 1/8"
2 Clevis Pin, 1/4" x 1-1/8"
2 Clevis Pin, 3/8" x 3"
2 Clevis Pin, 3/8" x 1/2"
3 Plastic Plug, 1/4"
1 Grip
1 Knob, Plastic
1 Hitch Pin
1 Brace Rod Clip
1 Angle Bracket
2 Bag Retainer

CARTON CONTENTS
1. Sweeper Housing Assembly
2. Hitch Tongue
3. Hitch Bracket
4. Brace Rod
5. Height Adjustment Strap
6. Height Adjustment Handle
7. Upper Hopper Tube (Rear)
8. Side Hopper Tubes (2)
9. Lower Hopper Tube, Right Hand
10. Lower Hopper Tube, Left Hand
11. Bag Support Rods (2)
12. Hopper Mount Arms (2)
13. Bag Frame Strap
14. Hopper Bag
15. Rope
3
/
4
/
TOOLS REQUIRED FOR ASSEMBLY
(1)
(2)
(2)
Screwdriver
9/16" Open End or Box End Wrench
1/2" Open End or Box End Wrench
ASSEMBLY OF SWEEPER
• Remove the 5/16" hex nut, 5/16" lock washers and
5/16" flat washer from the two 5/16" x 1-3/4"
carriage bolts as shown in figure 1. Assemble the
hitch tongue to the sweeper, reusing the same two
carriage bolts, flat washers, lock washers and hex
nuts. Do not tighten at this time.
REMOVAL OF PARTS FROM CARTON
• Remove the sweeper, the loose parts and the
hardware package from the carton. Lay out the
parts and hardware as shown on pages 3 and 4.
Note: Right hand (R.H.) and left hand (L.H.) are
determined from the operators position while seated
on the tractor.
SWEEPER HOUSING
5/16" x 1-314" CARRIAGE BOLT
FIGURE 1
HITCH TONGUE
5116"
FLAT WASHER
5/16" LOCK WASHER
5/16" HEX NUT

Attach the brace rod to the square hole in the
sweeper housing using two 5/16"x 3/4" carriage
bolts, 5/16" flat washers and 5/16" hex lock nuts.
Place bolts heads on inside of sweeper housing.
Do not tighten at this time. See figures 2 and 3.
5/16"' HEX
LOCK
NUT
5/16" x 3/4" CARRIAGE BOLT
BRACE ROD
5/16" FLAT WASHER
FIGURE 2
SWEEPER HOUSING
NOTE: Before assembling the hitch bracket to the
hitch tongue, refer to figure 3 below and to page 10 to
determine which hitch position is required for your
towing vehicle.
Align the front holes in the hitch bracket and the
hitch tongue. Loosely assemble a 3/8" x 3/4" hex
bolt and a 3/8" hex lock nut as shown in figure 3.
Next, fasten the brace rod to the back hole in the
hitch bracket using the brace rod clip, a 3/8" x
1-1/2" hex bolt and a 3/8" hex lock nut. Do not
tighten at this time. See figure 3.
3/8"' x 3/4"
HEX BOLT
HITCH POSITION "'B'"
SEE PAGE 10
3/8" x 1-1/2" _)
HEX BOLT =
BRACE ROD CLIP - --F_L__,
BACK "_'_
SWEEPERHOUS,NGHOLEjJ,$
BRACE ROD_
HITCH -= - -________t
3/8" HEX LOCK NUTS _ =
FIGURE 3
Tighten (do not overtighten) the two hex nuts used
to secure the hitch tongue in figure 1, making sure
the brace rod is under the brace rod clip and pulled
back tight against the bolt. See figure 1,2 and 3.
Now tighten all other bolts assembled so far.
Remove the two 5/16" hex nuts, 5/16" lock washers
and 5/16" curved washers from the height adjust-
ment tube. Assemble the height adjustment handle
to the two curved head bolts in the height adjust-
ment tube. Slide the handle as far as possible in
the direction of the arrows in figure 4. Reassemble
the two 5/16" lock washers, 5/16" curved washers
and 5/16" hex nuts and tighten. See figure 4.
Assemble the grip onto the height adjustment
handle. See figure 4.
5116" HEX NUT
_16"
WASHER
CURVED
WASHER
GRIP
HEIGHT
ADJUSTMENT
HANDLE
CURVED HEAD BO_
HEIGHT ADJUSTMENT TUBE
FIGURE 4

Assemble the short end of the angle bracket to the
hitch tongue using a 5/16" x 3/4" hex bolt and 5/16"
hex lock nut. See figure 5.
Place the pivot bushing into the hole in the height
adjustment strap. Attach the strap and spacer to
the angle bracket using the 5/16" x 3/4" truss head
bolt, a 5/16" lock washer and a 5/16" hex nut. See
figure 5.
Attach the slotted end of the height adjustment
strap to the height adjustment handle by inserting a
5/16" x 3/4" carriage bolt through the handle and
then the strap. Assemble a 5/16" washer and the
plastic hand knob onto the bolt. See figure 5.
HEIGHT HEIGHT
ADJUSTMENT ADJUSTMENT
STRAP _HANDLE
5116"
5/16" x 3/4" HEX BO TRUSS
HEAD
5/16" x 3/4" BOLT
CARRIAGE BOLT
5J
LOCK
5116"
HEX NUT
5116" HEX
LOCK NUT
PIVOT
BUSHING
5116" WASHER
ANGLE
BRACKET
FIGURE 5
Assemble the two bag mount arms to the outside
of the sweeper housing using four 3/8" x 3/4" hex
bolts and 3/8" hex lock nuts. Use rear hole of dual
position holes in sweeper housing to install bag
mount arm. The notched side of the bag mount
arms faces upward. See figure 6.
NOTCH
3/8" x 3/4" HEX BOLT
BAG MOUNT
ARM
3_"HEX LOCK NUT
FIGURE6
USE REAR HOLE
• Assemble the hitch pin, the two hitch spacers and
the 1/8" hair cotter pin to the hitch bracket and
hitch tongue as shown in figure 7.
HITCH PIN
t
HAIR PIN COTTER.....,_,_ I
HITCH SPACERS
FIGURE 7

ASSEMBLY OF HOPPER BAG
• Turn the upper hopper tube so that the middle
brace holes face down as shown in figure 8.
IMPORTANT: The two holes in the middle of the
upper hopper tube must face down to allow assem-
bly of the support rods.
\
UPPER HOPPER TUBE
(brace holes on bottom)
• Fit the ends of the (RH) and (LH) lower hopper
tubes together. Align the holes in the tubes and
insert a plastic plug. See figure 10.
T
LOWER
HOPPER LOWER
TUBE (RH) HOPPER
PLASTIC PLUG
/
FIGURE 10
FIGURE 8
Insert the two side hopper tubes through the
stitched flaps on each side of the hopper bag. See
figure 9.
Assemble the ends of the upper hopper tube onto
the ends of the side hopper tubes. Fasten together
using plastic plugs. See figure 9.
_PLASTIC PLUG
SIDE HOPPER TUBE
Place the assembled lower hopper tubes into the
bottom of the hopper bag as. See figure 11.
Attach the ends of the lower hopper tubes to the
inside of the side hopper tubes using two 3/8" x
1/2" clevis pins inserted from the inside, and two
3/32" hair cotter pins. See figure 11.
SIDE
\\ HOPPER
TUBE
3/32" HAIR
COTTER PIN
P
i
LOWER HOPPER TUBE
3/8" x 112"
CLEVIS PIN
HOPPER BAG
BOTTOM
FIGURE 9 FIGURE 11
7

Insertthebagframestrapintothestitchedsleeve
alongthefrontedgeof thebagbottom.Seefigure
12.
Assemblethebagframestrapto theholesinthe
lowerhoppertubesusingtwo1/4"x 1-1/8"clevis
pinsand3/32"haircotterpins.Seefigure12.
BAG FRAME STRAP
3/32" HAIR .........
FIGURE 12
IMPORTANT: Do not over bend the support rods
during the following step. Over bending will cause the
spring steel rods to loose supporting tension.
• Assemble the two hopper support rods as shown in
figure 14. Place the ends of the rod into the upper
and lower hopper tubes, bending the rod just
enough to fit into the holes in tubes.
HINT: Tip the hopper onto its back if you have trouble
reaching in to install the support rods.
SUPPORT .........
RODS _z
• Secure the bag corners around the lower hopper
tubes by snapping the bag flaps to the bag bottom
on both sides. See figure 13.
SNAP \
/
/
i
\FLAP
/
FIGURE 13
FIGURE 14
• Locate the hole in each side hopper tube and
pierce a hole through the hopper bag aligned with
the hole in each side tube. See figure 15.
SIDE HOPPERTUBE
FIGURE 15
8

Insertthe3/8"x 3" clevispinsfromtheoutside
throughthesidetubeswheretheholeswere
pierced.Assemblethebagretainersontotheclevis
pinsandsecurewith3/32"haircotterpins.See
figure16.
Toassemblethehopperbagtothesweeper,pivotthe
bagretainersupandhooktheclevispinsintothe
notchesinthemountarms.Pivotthebagretainers
downtolockthehopperbagontothemountarms.See
figure18.
3/8"x3" CLEVIS PIN
3/32" HAIR
COTTER PIN
BAG RETAINER
FIGURE 16
MOUNT ARM
FIGURE 18
ROPE
•To remove the hopper bag from the sweeper,
simply pivot the bag retainers upward and remove
the bag. See figure 19.
• Secure the rope to the top center of the hopper bag
frame as shown in figure 17.
\
\
\
BAG RETAINER
\
\
\
HOPPER MOUNT ARM
FIGURE 17 FIGURE 19

ATTACHINGSWEEPER HITCH TO TRACTOR
• Place the tractor and sweeper on a flat level
surface.
• Set the sweeper height adjustment handle to about
the middle of its adjustment range.
Attach the sweeper hitch to the tractor hitch,
arranging the hitch spacers into one of the eight
possible combinations shown in GROUP A and
GROUP B diagrams below.
IMPORTANT: To obtain the best performance from
your sweeper, arrange the hitch spacers so that the
sweeper bag is approximately level with the ground
and approximately 3" to 4" off the ground as shown in
figure 20.
GROUP "'A" -For riding mowers
with 8" to 10-1/2" ground
clearance to hitch.
HITCH TONGUE
WITH HITCH BRACKET MOUNTED'
BELOW HITCH TONGUE "_
BLACK LINE IS TRACTOR HITCH
T WO SPACERS ABOVE TRACTOR
__ HITCH
-- _JEZ_D___
ONE SPACER ABOVE AND BELOW
TRACTOR HITCH
TwoSPACERSBELOWTRACTOR
HITCH
TWO SPACERS AND HITCH BAR
BELOW TRACTOR HITCH
r'rTl ETT3
[ --- .
APPROXIMATELY LEVEL
(3" TO 4" FROM SURFACE)
FIGURE 20
GROUP "B" - For tractors
with 10-1/2" to 13" ground
clearance to hitch.
WITH HITCH BRACKET MOUNTED
ABOVE HITCH TONGUE
HITCH TONGUE
---
BLACKLINE IS TRACTOR HITCH
J/'_ TWO SPACERS ABOVE TRACTOR
_-. '" _. HITCH
ONE SPACER ABOVE AND BELOW
I
TWO SPACERS BELOW TRACTOR
/_ TWO SPACERS AND HITCH BRACKET
-n' BELOWTRACTORH,TCH
10

KNOW YOUR LAWNSWEEPER
Read this owner's manual and safety rules before operating your Lawnsweeper.
Compare the illustration below with your Lawnsweeper to familiarize yourself with the various controls and their
locations.
HOPPER
ROPE
HEIGHT
ADJUSTMENT
HANDLE
HITCH
BRACKET
Hopper Rope
Height Adjustment Handle
Height Adjustment Strap
Knob
Hitch Bracket
Permits dumping of hopper bag from the drivers seat.
Adjusts the operating height of the sweeper.
Holds the height adjustment handle in position when locked.
Locks the height adjustment handle to the height adjustment strap.
Connects sweeper to towing vehicle. Adjusts for various height tractor hitches.
HOW TO USE YOUR SWEEPER
BRUSH HEIGHT ADJUSTMENT
To adjust your sweeper brushes to the best operat-
ing height, loosen the adjustment knob and push
down on the height adjustment lever to raise the
brush. Best adjustment is when the brush setting is
1/2" down into the grass. Always mow the grass to
an even height before sweeping.
SWEEPING SPEED
Try a starting speed of approximately 3 m.p.h.
(third gear on most tractors). Depending on the
conditions, it may be necessary to adjust the
sweeping speed in order to achieve best results.
DUMPING OF SWEEPER
Your sweeper can be dumped easily without getting
off of the rider or tractor. Simply pull the rope
forward to dump the hopper. Always empty hopper
after each use.
A
A
CAUTION: Never attach the hopper rope to
any part of your body or clothing! Never hold
onto the rope while towing the sweeper!
Attach the rope to the towing vehicle to keep it
away from wheels and rotating parts.
CAUTION: Keep sweeper away from fire.
Excessive heat can damage the brushes and
hopper bag and could cause the bag and its
contents to burn.
11

CUSTOMER RESPONSIBILITIES
• Read and follow the maintenance schedule and the maintenance procedures listed in this section.
MAINTENANCE SCHEDULE
Fill in dates as you
complete regular service.
Check for loose fasteners
Check for worn or damaged parts
Lubricate brush shaft bearings
Lubricate wheel bearings
Clean Sweeper
Clean/Lubricate gears
X
X X
X
X
X X
X
Service Dates
CHECK FOR LOOSE FASTENERS
• Before each use make a thorough visual check of
the snow thrower for any bolts and nuts which may
have loosened. Retighten any loose bolts and nuts.
CHECK FOR WORN OR DAMAGED PARTS
• Repair or replace any worn or damaged parts.
LUBRICATE BRUSH SHAFT BEARINGS
• Lubricate the brush shaft bearings twice a year with
a few drops of light weight oil. See figure 21.
CLEAN SWEEPER
• Clean sweeper housing with a soft brush or cloth.
• Clean debris from hopper bag with a brush or
broom.
• Remove any material which has wrapped around
brushes or ends of brush shaft.
CLEAN/LUBRICATE WHEEL GEARS
• Every two years remove the wheels and clean the
gears found inside the wheel housing. After clean-
ing, lubricate with an even coat of light grease. To
remove the wheel, pop off the hub cap using a
screwdriver. Remove the retaining "E" ring and flat
washer and then the wheel. See figure 23.
FIGURE 21 OIL HERE
LUBRICATE WHEEL BEARINGS
• Lubricate the wheel bearings once every season
with a few drops of light weight oil. See figure 22.
OIL HERE_
HUB CAP -"_
FIGURE 22
,uBcAp-.. ",, ATWAS,E,
"E" RING
FIGURE 23
CAUTION: Before storing the sweeper,
always empty the hopper bag to avoid
spontaneous combustion.
12
Clean the sweeper and hopper bag thoroughly to
help prevent rust and mildew.
To collapse the hopper bag for storage, remove the
two hopper support rods from the rear of the
hopper.
Store in a dry area.

RATCHETGEAR/DRIVEPiN REPLACEMENT BRUSH REPLACEMENT
IMPORTANT: Do not remove both wheels at the
same time to avoid mixing of parts. (The R.H.
and L.H. ratchet gears are not interchangeable.)
Make notes on the position of washers and snap
rings during disassembly.
•Remove one wheel from the sweeper.
•Remove the retaining rings and washers which
hold the ratchet gear onto the brush shaft.
• Remove the gear by sliding it off the brush shaft.
(Look for the drive pin, which may fall out of the
brush shaft when the ratchet gear is removed.)
See figure 24.
• To reassemble, insert the drive pin through the
hole near the end of the brush shaft. Make sure
the pin slides back and forth easily in the shaft.
• Lightly grease the shaft and fill the ratchet gear
with grease. Assemble the gear back onto the
shaft.
• Lightly grease the axle and the wheel's gear
teeth and then reassemble the wheel. The
brushes should rotate only during forward
rotation of the wheel. If the brushes are driven
(rotated) by reverse rotation of the wheel, either
the RH and LH ratchet gears have been
switched or the drive pin is jamming in the
ratchet gear. Clean and lubricate the drive pin
and the ratchet gear to prevent jamming.
DRIVE
RATCHET
GEAR
(__ RETAINING RING
- FLAT WASHER
FIGURE 24
NOTE: Brush replacement should be done one brush
at a time.
• Remove the hopper bag from the sweeper.
• Loosen the hex bolts and lock nuts on two single
brush retainers which clamp one brush to the
double brush retainers. Do Not loosen or remove
the bolts which fasten the double brush retainers to
the brush shaft. See figure 25.
• Slide the brush out of the retainers, noting on
which side of the brush the bristles overlap. See
figure 25.
• Install new brush, making sure the bristles overlap
on the same side of the brush as before. See figure
25.
BRUSH ROTATION
BRUSH
SHAFT
DOUBLE BRUSH RETAINER
OVERLAP
BRISTLES
OVERLAP
BRISTLES
SINGLE
RETAINERS
BRUSH ROTATION
FIGURE 25
Wheels skid when sweeping. 1. Brushes set too low.
2. Brushes are jammed
3. Wheels are jammed.
1. Adjust height till brushes are 1/2"
down into grass.
2. Stop sweeper. Remove obstruction.
3. Remove one wheel at atime to check
for obstruction or damage. Refer to
Service and Adjustments section.
13

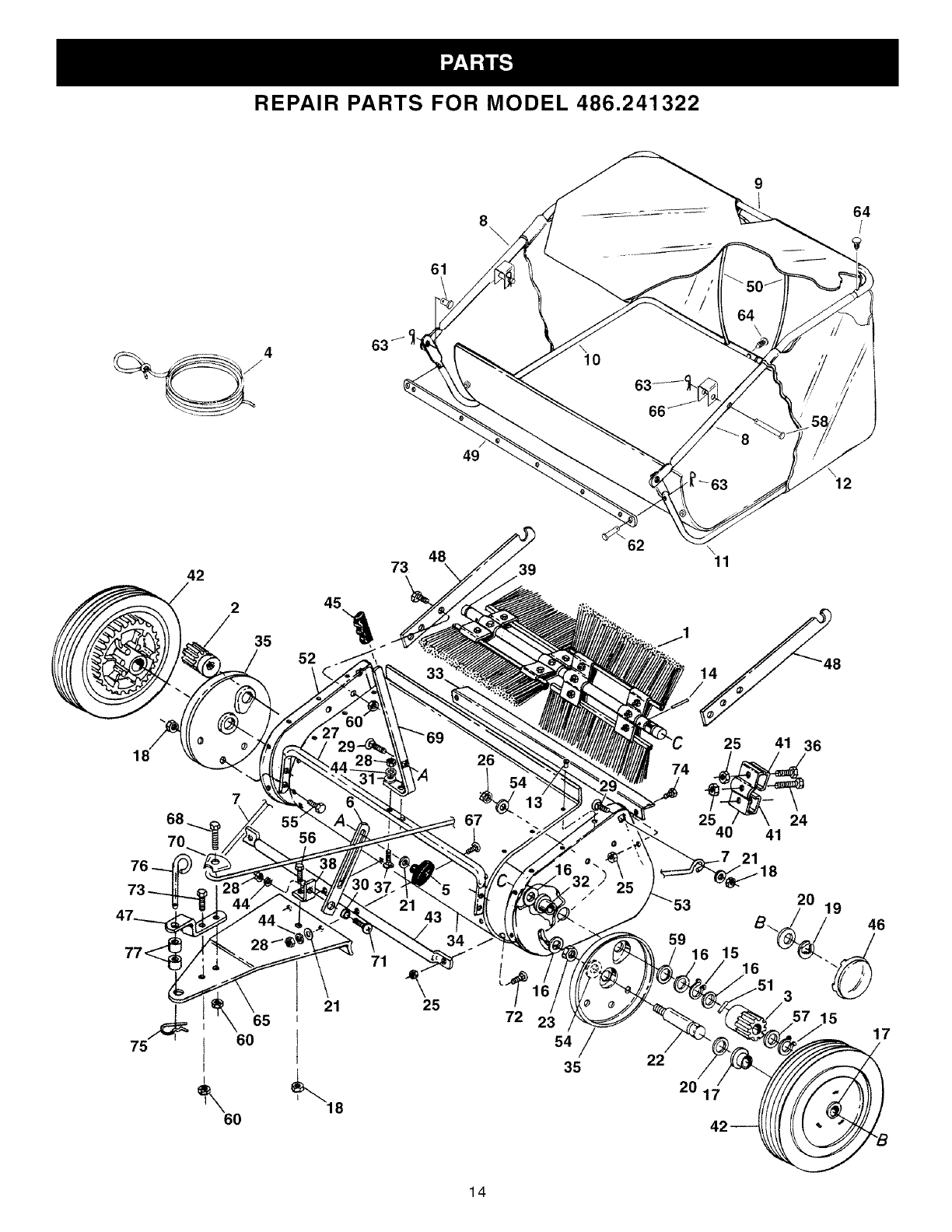
REPAIR PARTS FOR MODEL 486.241322
61
64
4
49 \12
42
2
35
45
52
73 48\39
\11
75
68
70
65
60
60
56
21
18
71
43
25
67
34 /
72 2:
54
35
,/ 25
25 41 36
40 41
21
59
22
20
15
17
20 19
8\_ 46
16 3 "_
17
14

REPAIR PARTS FOR MODEL 486.241322
REF PART NO.
1 43903
2 43886
3 43885
4 43737
5 43720
6 23851
7 44964
8 48466
9 48470
10 43930
11 43929
12 48399
13 C-9M5732
14 43851
15 1650-21
16 44007
17 741-0249
18 43064
19 716-0106
20 44125
21 43081
22 44598
23 44684
24 43661
25 43013
26 1038
27 44906
28 43083
29 43080
30 23400
31 44695
32 44909
33 23853
34 23848
35 23867
36 43012
37 44947
38 23869
39 23871
QTY DESCRIPTION REF PART NO.
4 Brush 40 23580
1 Pinion Gear- R.H. 41 23581
1 Pinion Gear - L.H. 42 44931
1 Hopper Rope 43 44903
1 Height Adjustment Knob 44 43086
1 Height Adjustment Strap 45 43943
1 Brace Rod 46 2674-32
2 Upper Hopper Tube - Front 47 23014
1 Upper Hopper Tube - Rear 48 23812
1 Lower Hopper Tube - R.H. 49 23351
1 Lower Hopper Tube - L.H. 50 43926
1 Hopper Bag 51 47046
8 Pop Rivet 52 23846
2 Roll Pin, 3/16" x 1-1/4" 53 23845
4 Retaining ring .594 I.D. 54 R19131316
6 Flat Washer (Shim) 55 44692
4 Flange Bearing 56 43182
7 Hex Lock Nut 5/16-18 Thd. 57 44006
2 "E" Ring, 5/8" 58 43513
4 Flat Washer .62" x 1.00" OD 59 1540-31
5 Washer 5/16" Std.* 60 43082
2 Axle 61 48366
2 Jam Nut 3/8-24 Thd. 62 48365
4 Hex Bolt 1/4-20 x 1" Lg.* 63 43055
16 Hex Lock Nut 1/4-20 Thd. 64 48402
2 Jam Nut 3/8-24 Thd. Nylock 65 23868
1 Height Adj. Tube 66 23354
5 Hex Nut 5/16-18 Thd.* 67 44215
3 Carriage Bolt 5/16-18 x 3/4" Lg.* 68 43062
1 Pivot Bushing 69 23850
2 Bowed Washer 70 24161
2 Brush Shaft Bushing 71 43814
1 Rear Support Brace 72 44950
1 Wrapper 73 43407
2 Dust Cover 74 43175
8 Hex Bolt 1/4-20 x 3/4" Lg.* 75 43343
2 Curved Hd. Bolt 5/16-18 x 1-5/8 76 23353
1 Angle Bracket 77 23368
1 Brush Shaft 48441
QTY
4
8
2
1
5
1
2
1
2
1
2
2
1
1
6
4
1
2
2
2
6
2
2
6
3
1
2
2
1
1
1
1
2
5
2
1
1
2
1
DESCRIPTION
Brush Retainer (Double)
Brush Retainer (Single)
Wheel Ass'y.
Hitch Tube
Lock Washer 5/16" I.D.
Grip
Hub Cap
Hitch Bracket
Bar Mount Arm
Bag Frame Strap
Hopper Support Rod
Pin, Dowel
End Plate, R.H.
End Plate, L.H.
Flat Washer 3/8" Std.*
Hex Bolt, 5/16-18 x 1/2"*
Hex Bolt 5/16-18 x 3/4" Lg.*
Flat Washer, .596 x .859 x .025
Clevis Pin 3/8" Dia. x 3" Lg.
Flat Washer, .78" I.D.
Hex Lock Nut 3/8-16 Thd.
Clevis Pin, 3/8" (Special)
Clevis Pin, 1/4" (Special)
Hair Cotter Pin, 3/32" #3
Plastic Plug, 1/4"
Tongue, Hitch
Bag Retainer Clevis
Carriage Bolt 5/16-18 x 1-3/4"
Hex Bolt 3/8-16 x 1-1/2" Lg.*
Height Adj. Handle
Clip, Brace Rod
Sl. Truss Hd. Bolt 5/16-18 x 3/4"
Carriage Bolt 1/4-20 x 3/4" Lg.
Hex Bolt 3/8-16 x 3/4" Lg.*
Hex Bolt 1/4-20 x 1/2" Lg.*
Hairpin Cotter 5/32"
Hitch Pin
Hitch Spacer, 3/4" Long
Owners Manual
* Common hardware may be purchased locally.
15

For repair of major brand appliances in your own home...
for repair, call for the location of your nearest Sears Parts & Repair Center.
1-800-488-1222 Anytime,dayornight
www.sears.com
For the replacement parts, accessories and owner's manuals
that you need to do-it-yourself, call Sears PartsDirectSM !
1-800-366-PART 6am- 11pr, CST,
(1-800"366"7278) 7 days a week
www.sears.com/partsdirect
TO purchase °r 'nq-uire tb°ut _ Sears ServiceAgreement:l800 827 6655
7 a.m.- 5 p.m. CST, Mon.- Sat.
Para pedir servicio de reparaci6n a domicilio Au Canada pour service en frangais:
y para ordenar piezas con entrega a domicilio: 1-877-LE-FOYER sM
1888su.oGARsM
" " " (1-877-533-6937)
,188878464 7, ...............
[°°,°°]
HomeCentrar _
@ RegLstered Trademark /TM Trademark of Sears, Roebuck and Co.
© Sears, Roebuck and Co. @ Marca Registrada /T_ Marca de F&brica de Sears, Roebuck and Co.